UM001 Vn 100 User Manual (um001)
User Manual: Pdf
Open the PDF directly: View PDF
.
Page Count: 115 [warning: Documents this large are best viewed by clicking the View PDF Link!]

UM001 1
Firmware v2.1.0.0
Document Revision 2.23
VN-100 User Manual
Embedded Navigation Solutions

2 UM001
Document Information
Title
VN-100 User Manual
Subtitle
Inertial Navigation Modules
Document Type
User Manual
Document Number
UM001 v2.23
Document Status
Released
VectorNav Technical Documentation
In addition to our product-specific technical data sheets, the following manuals are available to assist
VectorNav customers in product design and development.
VN-100 User Manual: The user manual provides a high-level overview of product specific
information for each of our inertial sensors. Further detailed information regarding hardware
integration and application specific use can be found in the separate documentation listed
below.
Hardware Integration Manual: This manual provides hardware design instructions and
recommendations on how to integrate our inertial sensors into your product.
Application Notes: This set of documents provides a more detailed overview of how to utilize
many different features and capabilities offered by our products, designed to enhance
performance and usability in a wide range of application-specific scenarios.
Document Symbols
The following symbols are used to highlight important information within the manual:
The information symbol points to important information within the manual.
The warning symbol points to crucial information or actions that should be followed to avoid
reduced performance or damage to the navigation module.
Technical Support
Our website provides a large repository of technical information regarding our navigation sensors. A list
of the available documents can be found at the following address:
http://www.vectornav.com/support
If you have technical problems or cannot find the information that you need in the provided documents,
please contact our support team by email or phone. Our engineering team is committed to providing the
required support necessary to ensure that you are successful with the design, integration, and operation
of our embedded navigation sensors.
Technical Support Contact Info
Email: support@vectornav.com
Phone: +1.512.772.3615
UM001 3
Table of Contents
1 Introduction 5
1.1 PRODUCT DESCRIPTION 5
1.2 FACTORY CALIBRATION 5
1.3 OPERATION OVERVIEW 5
1.4 PACKAGING OPTIONS 6
1.5 VN-100 PRODUCT CODES 8
2 Specifications 9
2.1 VN-100 SURFACE-MOUNT SENSOR (SMD) ELECTRICAL 9
2.2 VN-100 RUGGED ELECTRICAL 12
2.3 VN-100 SURFACE-MOUNT SENSOR (SMD) DIMENSIONS 14
2.4 VN-100 RUGGED DIMENSIONS 14
2.5 ABSOLUTE MAXIMUM RATINGS 15
2.6 SENSOR COORDINATE SYSTEM 15
3 VN-100 Software Architecture 17
3.1 IMU SUBSYSTEM 17
3.2 NAVSTATE SUBSYSTEM 20
3.3 NAVFILTER SUBSYSTEM 20
3.4 VECTOR PROCESSING ENGINE 22
3.5 COMMUNICATION INTERFACE 26
3.6 COMMUNICATION PROTOCOL 27
3.7 SYSTEM ERROR CODES 27
3.8 CHECKSUM / CRC 29
4 User Configurable Binary Output Messages 31
4.1 AVAILABLE OUTPUT TYPES 31
4.2 CONFIGURING THE OUTPUT TYPES 31
4.3 SERIAL OUTPUT MESSAGE FORMAT 36
4.4 BINARY GROUP 1 – COMMON OUTPUTS 41
4.5 BINARY GROUP 2 – TIME OUTPUTS 45
4.6 BINARY GROUP 3 – IMU OUTPUTS 46
4.7 BINARY GROUP 5 – ATTITUDE OUTPUTS 49
5 System Module 53
5.1 COMMANDS 53
4 UM001
5.2 CONFIGURATION REGISTERS 57
5.3 STATUS REGISTERS 75
5.4 FACTORY DEFAULTS 76
5.5 COMMAND PROMPT 77
6 IMU Subsystem 79
6.1 IMU MEASUREMENT REGISTERS 79
6.2 IMU CONFIGURATION REGISTERS 81
6.3 FACTORY DEFAULTS 88
6.4 COMMAND PROMPT 89
7 Attitude Subsystem 91
7.1 COMMANDS 91
7.2 MEASUREMENT REGISTERS 92
7.3 CONFIGURATION REGISTERS 100
8 Hard/Soft Iron Estimator Subsystem 101
8.1 CONFIGURATION REGISTERS 101
8.2 STATUS REGISTERS 102
8.3 FACTORY DEFAULTS 103
8.4 COMMAND PROMPT 104
9 Velocity Aiding 107
9.1 OVERVIEW 107
9.2 CONFIGURATION REGISTERS 111
9.3 STATUS REGISTERS 112
9.4 INPUT MEASUREMENTS 113
9.5 FACTORY DEFAULTS 114
UM001 5
1 Introduction
1.1 Product Description
The VN-100 is a miniature surface mount high-performance Inertial Measurement Unit (IMU) and Attitude
Heading Reference System (AHRS). Incorporating the latest solid-state MEMS sensor technology, the VN-
100 combines a set of 3-axis accelerometers, 3-axis gyroscopes, 3-axis magnetometers, a barometric
pressure sensor and a 32-bit processor. The VN-100 is considered both an IMU in that it can output
acceleration, angular rate, and magnetic measurements along the X, Y, & Z axes of the sensor as well as
an AHRS in that it can output filtered attitude estimates of the sensor with respect to a local coordinate
frame.
1.2 Factory Calibration
MEMS inertial sensors are subject to several common sources of error: bias, scale factor, misalignments,
temperature dependencies, and gyro g-sensitivity. All VN-100 sensors undergo a rigorous calibration
process at the VectorNav factory to minimize these error sources. Compensation parameters calculated
during these calibrations are stored on each individual sensor and digitally applied to the real-time
measurements.
Thermal Calibration – this option extends the calibration process over multiple temperatures to
ensure performance specifications are met over the full operating temperature range of -40 C to
+85 C.
1.3 Operation Overview
The VN-100 has a built-in microcontroller that runs a quaternion based Extended Kalman Filter (EKF),
which provides estimates of both the attitude of the sensor as well as the real-time gyro biases. VectorNav
uses a quaternion based attitude filter because it is continuous over a full 360 degree range of motion
such that there are no limitations on the angles it can compute. However, the VN-100 also has a built-in
capability to output yaw, pitch, and roll angles from the VN-100, in which the sensor automatically
converts from quaternions to the desired attitude parameter. Outputs from the VN-100 include:
Attitude:
o Yaw, Pitch, & Roll
o Quaternions
o Direction Cosine Matrix
Angular Rates:
o Bias-Compensated
o Calibrated X, Y, & Z Gyro Measurements
Acceleration:
o Calibrated X, Y, & Z Measurements
Magnetic:
o Calibrated X, Y, & Z Measurements
Barometric Pressure
The VN-100 EKF relies on comparing measurements from the onboard inertial sensors to two reference
vectors in calculating the attitude estimates: gravity down and magnetic North. Measurements from the

6 UM001
three-axis accelerometer are compared to the expected magnitude and direction of gravity in determining
the pitch and roll angles while measurements from the three-axis magnetometer are compared to the
expected magnitude and direction of Earth’s background magnetic field in determining the heading angle
(i.e. yaw angle with respect to Magnetic North).
The VN-100 Kalman Filter is based on the assumption that the accelerometer measurements should only
be measuring gravity down. If the sensor is subject to dynamic motion that induces accelerations, the
pitch and roll estimates will be subject to increased errors. These measurements can be accounted and
compensated for by using the VN-100 Velocity Aiding Feature (See Section 10 for more information).
The VN-100 filter relies on comparing the onboard magnetic measurements to Earth’s background
magnetic field in determining its heading angle. Common objects such as batteries, electronics, cars,
rebar in concrete, and other ferrous materials can bias and distort the background magnetic field leading
to increased errors. These measurements can be accounted and compensated for by using the VN-100
Hard/Soft Iron Algorithms (See Section 9 for more information).
VectorNav has developed a suite of tools called the Vector Processing Engine (VPE™), which are built-
into the VN-100 and minimize the effects of these disturbances; however, it is not possible to obtain
absolute heading accuracies better than 2 degrees over any extended period of time when relying on
magnetometer measurements.
The VN-100 EKF also integrates measurements from the three-axis gyroscopes to provide faster and
smoother attitude estimates as well as angular rate measurements. Gyroscopes of all kinds are subject
to bias instabilities, in which the zero readings of the gyro will drift over time to due to inherent noise
properties of the gyro itself. The VN-100 EKF uses the accelerometer and magnetometer measurements
to continuously estimate the gyro bias, such that the report angular rates are compensated for this drift.
1.4 Packaging Options
The VN-100 is available in two different configurations; a 30-pin surface mount package (VN-100 SMD)
and an aluminum encased module (VN-100 Rugged). The VN-100 surface mount package is well suited
for customers looking to integrate the VN-100 sensor at the electronics level while the VN-100 Rugged
provides a precision enclosure with mounting tabs and alignment holes for a more off-the-shelf solution.

UM001 7
1.4.1 Surface-Mount Package
For embedded applications, the VN-100 is available in a
miniature surface-mount package.
Features
Small Size: 22 x 24 x 3 mm
Single Power Supply: 3.2 to 5.5 V
Communication Interface: Serial TTL & SPI
Low Power Requirement: < 105 mW @ 3.3V
1.4.2 Rugged Package
The VN-100 Rugged consists of the VN-100 sensor installed
and calibrated in a robust precision aluminum enclosure.
Features
Precision aluminum enclosure
Locking 10-pin connector
Mounting tabs with alignment holes
Compact Size: 36 x 33 x 9 mm
Single Power Supply: 4.5 to 5.5 V
Communication Interface: Serial RS-232 & TTL
1.4.3 Surface Mount Development Kit
The VN-100 Development Kit provides the VN-100
surface-mount sensor installed onto a small PCB,
providing easy access to all of the features and pins on
the VN-100. Communication with the VN-100 is
provided by USB and RS-232 serial communication
ports. A 30-pin header provides easy access to each of
the critical pins. The VN-100 Development Kit also
includes all of the necessary cabling, documentation,
and support software.
Features
Pre-installed VN-100 Sensor
Onboard USB->Serial converter
Onboard TTL->RS-232 converter
30-pin 0.1” header for access to VN-100 pins
Power supply jack – 5V (Can be powered from
USB)

8 UM001
Board Size: 76 x 76 x 14 mm
1.4.4 VN-100 Rugged Development Kit
The VN-100 Rugged Development Kit includes the
VN-100 Rugged sensor along with all of the
necessary cabling required for operation. Two
cables are provided in each Development Kit: one
custom cable for RS-232 communication and a
second custom cable with a built in USB converter.
The Development Kit also includes all of the relevant
documentation and support software.
Features
VN-100 Rugged Sensor
10 ft RS-232 cable
10 ft USB connector cable
Cable Connection Tool
CD w/Software Development Kit
User Manual, Quick Start Guide &
Documentation
Carrying Case
1.5 VN-100 Product Codes
VN-100 Options
Item Code
Sensor Packaging
Calibration Option
Product Type
VN-100S
Surface Mount Device
Standard at 25C
IMU/AHRS
VN-100T
Surface Mount Device
Thermal -40C to +85C
IMU/AHRS
VN-100S-DEV
Surface Mount Development Kit
Standard at 25C
IMU/AHRS
VN-100T-DEV
Surface Mount Development Kit
Thermal -40C to +85C
IMU/AHRS
VN-100S-CR
Rugged Module
Standard at 25C
IMU/AHRS
VN-100T-CR
Rugged Module
Thermal -40C to +85C
IMU/AHRS
VN-100S-CR-DEV
Rugged Development Kit
Standard at 25C
IMU/AHRS
VN-100T-CR-DEV
Rugged Development Kit
Thermal -40C to +85C
IMU/AHRS
VN-C100-0310
VN-100 Rugged USB Adapter Cable
N/A
Cable
VN-C100-0410
VN-100 Rugged Serial Adapter Cable
N/A
Cable

UM001 9
2 Specifications
2.1 VN-100 Surface-Mount Sensor (SMD) Electrical
Pin assignments (top down view)

10 UM001
VN-100 SMD Pin Assignments
Pin
Pin Name
Type
Description
1
GND
Supply
Ground.
2
GND
Supply
Ground.
3
GND
Supply
Ground.
4
GND
Supply
Ground.
5
TX2
Output
Serial UART #2 data output. (sensor)
6
RX2
Input
Serial UART #2 data input. (sensor)
7
RESTORE
Input
Normally used to zero (tare) the attitude. To tare, pulse high for at least 1 μs.
During power on or device reset, holding this pin high will cause the module to
restore the default factory settings.
As a result, the pin cannot be used for tare until at least 5 ms after a
power on or reset.
Internally held low with 10k resistor.
8
RESV
N/A
Reserved for internal use. Do not connect.
9
SYNC_OUT
Output
Time synchronization output signal.
10
VIN
Supply
3.2 - 5.5 V input.
11
ENABLE
Input
Leave high for normal operation. Pull low to enter sleep mode. Internally pulled
high with pull-up resistor.
12
TX1
Output
Serial UART #1 data output. (sensor)
13
RX1
Input
Serial UART #1 data input. (sensor)
14
RESV
N/A
Reserved for internal use. Do not connect.
15
RESV
N/A
Reserved for internal use. Do not connect.
16
SPI_SCK
Input
SPI clock.
17
SPI_MOSI
Input
SPI input.
18
GND
Supply
Ground.
19
SPI_MISO
Output
SPI output.
20
RESV
N/A
Reserved for internal use. Do not connect.
21
NRST
Input
Microcontroller reset line. Pull low for > 20 μs to reset MCU. Internally pulled
high with 10k.
22
SYNC_IN
Input
Time synchronization input signal.
23
SPI_CS
Input
SPI slave select.
24
RESV
N/A
Reserved for internal use. Do not connect.
25
RESV
N/A
Reserved for internal use. Do not connect.
26
RESV
N/A
Reserved for internal use. Do not connect.
26
RESV
N/A
Reserved for internal use. Do not connect.
28
GND
Supply
Ground.
29
RESV
N/A
Reserved for internal use. Do not connect.
30
GND
Supply
Ground.

UM001 11
2.1.1 VN-100 SMD Power Supply
The minimum operating supply voltage is 3.2V and the absolute maximum is 5.5V.
2.1.2 VN-100 SMD Serial (UART) Interface
The serial interface on the VN-100 operates with 3V TTL logic.
Serial I/O Specifications
Specification
Min
Typical
Max
Input low level voltage
-0.5 V
0.8 V
Input high level voltage
2 V
5.5 V
Output low voltage
0 V
0.4 V
Output high voltage
2.4 V
3.0 V
2.1.3 VN-100 SMD Serial Peripheral Interface (SPI)
Serial I/O Specifications
Specification
Min
Typical
Max
Input low level voltage
-0.5 V
0.8 V
Input high level voltage
2 V
5.5 V
Output low voltage
0 V
0.4 V
Output high voltage
2.4 V
3.0 V
Clock Frequency
8 MHz
16 MHz
Close Rise/Fall Time
8 ns
2.1.4 VN-100 SMD Reset, SyncIn/Out, and Other General I/O Pins
NRST Specifications
Specification
Min
Typical
Max
Input low level voltage
-0.5 V
0.8 V
Input high level voltage
2 V
5.5 V
Weak pull-up equivalent resistor
30 kΩ
40 kΩ
50 kΩ
NRST pulse width
20 μs
SyncIn Specifications
Specification
Min
Typical
Max
Input low level voltage
-0.5 V
0.8 V
Input high level voltage
2 V
5.5 V
Pulse Width
100 ns
SyncOut Specifications
Specification
Min
Typical
Max
Output low voltage
0 V
0.4 V
Output high voltage
2.4 V
3.0 V
Output high to low fall time
125 ns
Output low to high rise time
125 ns
Output Frequency
1 Hz
1 kHz

12 UM001
2.2 VN-100 Rugged Electrical
VN-100 Rugged Pin Assignments
Pin
Pin Name
Description
1
VCC
+4.5V to +5.5V
2
TX1
RS-232 voltage levels data output from the sensor. (Serial UART #1)
3
RX1
RS-232 voltage levels data input to the sensor. (Serial UART #1)
4
SYNC_OUT
Output signal used for synchronization purposes. Software configurable
to pulse when ADC, IMU, or attitude measurements are available.
5
GND
Ground
6
TARE/RESTORE
Input signal used to zero the attitude of the sensor. If high at reset, the
device will restore to factory default state. Internally held low with 10k
resistor.
7
SYNC_IN
Input signal for synchronization purposes. Software configurable to
either synchronize the measurements or the output with an external
device.
8
TX2_TTL
Serial UART #2 data output from the device at TTL voltage level (3V).
9
RX2_TTL
Serial UART #2 data into the device at TTL voltage level (3V).
10
RESV
This pin should be left unconnected.
VN-100 Rugged External Connector

UM001 13
2.2.1 VN-100 Rugged Power Supply
The power supply input for the VN-100 Rugged is 4.5 to 5.5 V DC.
2.2.2 VN-100 Rugged Serial UART Interface
Serial I/O Specifications
Specification
Min
Typical
Max
Input low level voltage
-25 V
Input high level voltage
25 V
Output low voltage
-5.0 V
-5.4 V
Output high voltage
5.0 V
5.5 V
Output resistance
300 Ω
10 MΩ
Data rate
1 Mbps
Pulse slew
300 ns
2.2.3 VN-100 Rugged Reset, SyncIn/Out, and Other General I/O Pins
NRST Specifications
Specification
Min
Typical
Max
Input low level voltage
-0.5 V
0.8 V
Input high level voltage
2 V
5.5 V
Weak pull-up equivalent resistor
30 kΩ
40 kΩ
50 kΩ
NRST pulse width
20 μs
SyncIn Specifications
Specification
Min
Typical
Max
Input low level voltage
-0.5V
0.8V
Input high level voltage
2V
5.5V
Pulse Width
100 ns
SyncOut Specifications
Specification
Min
Typical
Max
Output low voltage
0 V
0.4 V
Output high voltage
2.4 V
3.0 V
Output high to low fall time
125 ns
Output low to high rise time
125 ns
Output Frequency
1 Hz
1 kHz

14 UM001
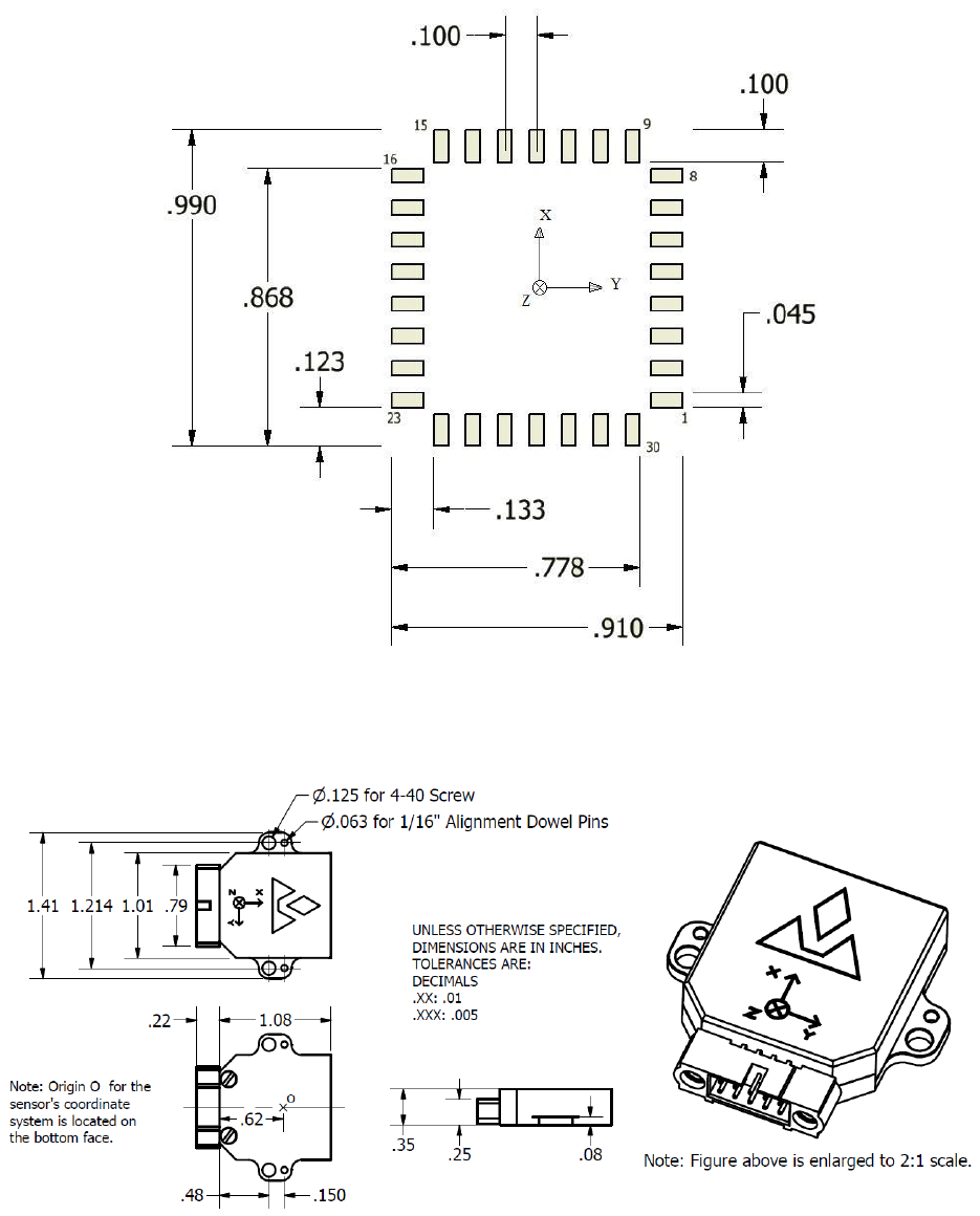
2.3 VN-100 Surface-Mount Sensor (SMD) Dimensions
* Measurements are in inches
2.4 VN-100 Rugged Dimensions

UM001 15
2.4.1 Rugged Connector Type
The main connector used on the VN-100 Rugged is a 10-pin Harwin M80-5001042. The mating connector
used on the cable assemblies provided by VectorNav for use with the VN-100 Rugged is a Harwin M80-
4861005.
2.5 Absolute Maximum Ratings
SMD Absolute Maximum Ratings
Specification
Min
Max
Input Voltage
-0.3 V
5.5 V
Operating Temperature
-40 C
85 C
Storage Temperature
-40 C
85 C
Rugged Absolute Maximum Ratings
Specification
Min
Max
Input Voltage
-0.3 V
5.5 V
Operating Temperature
-40 C
85 C
Storage Temperature
-40 C
85 C
2.6 Sensor Coordinate System
2.6.1 Sensor Coordinate Frame
The VN-100 uses a right-handed coordinate system. A positive yaw angle is defined as a positive right-
handed rotation around the Z-axis. A positive pitch angle is defined as a positive right-handed rotation
around the Y-axis. A positive roll angle is defined as a positive right-handed rotation around the X-axis.
The axes direction with respect to the VN-100 module is shown in the figure below.
VN-100 Coordinate System
16 UM001
2.6.2 North-East-Down Frame
The VN-100 velocity estimates can be output in the North-East-Down (NED) coordinate frame defined as
follows (NX, NY, NZ):
Right-handed, Cartesian, non-inertial, geodetic frame with origin located at the surface of Earth
(WGS84 ellipsoid);
Positive X-axis points towards North, tangent to WGS84 ellipsoid;
Positive Y-axis points towards East, tangent to WGS84 ellipsoid;
Positive Z-axis points down into the ground completing the right-handed system.

UM001 17
3 VN-100 Software Architecture
The software architecture internal to the VN-100 includes four separate subsystems. These subsystems
are the IMU, the NavState, the NavFilter, and the Communication Interface. The high-level functions
performed by these subsystems are outlined below. This chapter describes these functions performed by
these subsystems in more detail and describes which of the various measurement outputs originate from
each of these corresponding subsystems.
VN-100 Software Architecture
3.1 IMU Subsystem
The IMU subsystem runs at the highest system rate, described from this point forward as the IMU Rate
(defaults to 800 Hz). It is responsible for collecting the raw IMU measurements, applying a factory, user,
and dynamic calibration to these measurements, and optionally filtering the individual sensor
measurements for output. The coning and sculling integrals also are calculated by the IMU subsystem at
the full IMU Rate. The IMU subsystem is also responsible for time stamping the IMU measurements to
internal system time, and relative to the SyncIn signal.
IMU
Downsamples
IMU sensors to
800 Hz
Applies Factory
Calibration
Applies User
Calibration
Applies User
Reference
Frame Rotation
Applies User
Low-Pass
Filtering
Applies Onboard
Calibration
Timestamps
Measurements
NavState
Calculates
orientation at
400Hz
Computes delta
angles
Computes delta
velocity
NavFilter
Vector
Processing
Engine
AHRS Kalman
Filter
Hard/Soft Iron
Estimator
World Magnetic
Model
World Gravity
Model
Comm
Interface
Serial ASCII
Serial Binary
SPI
Serial Command
Prompt

18 UM001
3.1.1 Magnetometer
Magnetometer IMU Measurements
3.1.2 Accelerometer
Accelerometer IMU Measurements
3.1.3 Gyro
Gyro IMU Measurements
3.1.4 Raw IMU Measurements
The raw IMU measurements are collected from the internal MEMS at the highest rate available for each
individual sensor. For the gyro and accelerometer, the measurements are down-sampled to the IMU Rate.
3.1.5 Factory Calibration
Each VN-100 sensor is tested at the factory at multiple known angular rates, accelerations, and magnetic
field strengths to determine each sensor’s unique bias, scale factor, axis alignment, and temperature
dependence. The calibration coefficients required to remove these unwanted errors are permanently
stored in flash memory on each sensor. At the IMU Rate, these calibration coefficients are applied to the
raw IMU measurements, to correct for and remove these known measurement errors. For thermally
calibrated units the onboard temperature sensor is used to remove the measurement temperature
dependence. The output of the factory calibration stage is referred to as the calibrated (but un-
compensated) IMU measurements.
Raw
Magnetometer
Data
Factory
Calibration
External
Magnetometer
Data
User
Magnetometer
Compensation
(Register 23)
User Reference
Frame Rotation
(Register 26)
User Low-Pass
Filtering
(Uncompensated)
(Register 85)
Onboard Hard/
Soft Iron
Compensation
(Register 44+47)
Uncompensated
Magnetometer
(uncompMag)
Compensated
Magnetometer
(magBody)
User Low-Pass
Filtering
(Compensated)
(Register 85)
Raw
Accelerometer
Data
Factory
Calibration
User
Accelerometer
Compensation
(Register 25)
User Reference
Frame Rotation
(Register 26)
User Low-Pass
Filtering
(Uncompensated)
(Register 85)
Uncompensated
Accelerometer
(uncompAccel)
Compensated
Accelerometer
(accelBody)
User Low-Pass
Filtering
(Compensated)
(Register 85)
Accelerometer
Filter Bias
Compensation
Raw Gyro Data Factory
Calibration
User Gyro
Compensation
(Register 84)
User Reference
Frame Rotation
(Register 26)
User Low-Pass
Filtering
(Uncompensated)
(Register 85)
Gyro Filter Bias
Compensation
Uncompensated
Angular Rate
(uncompGyro)
Compensated
Angular Rate
(angularRate)
User Low-Pass
Filtering
(Compensated)
(Register 85)

UM001 19
3.1.6 User Calibration
The VN-100 provides the user with the ability to apply a separate user calibration to remove additional
bias, scale factor, and axis misalignments. The user calibration is applied after the factory calibration, and
can be used to optionally fine tune the calibration for each of the individual sensors. The user calibration
is optional and in most cases not required for normal operation.
3.1.7 User Reference Frame Rotation
The user reference frame rotation provides the user with the ability to apply a rigid body rotation to each
of the sensor outputs. This can be used to transform the coordinate system of the onboard sensors into
any other coordinate frame of the user’s choice. Since this transformation is applied to the IMU
measurements prior to their use in the onboard attitude estimation algorithms, applying a user reference
frame rotation will not only change the output coordinates for the IMU measurements, it will also change
the IMU body frame for all subsequent attitude estimation calculations.
A write settings and reset command must be issued after setting the Reference Frame Rotation Register
before coordinate transformation will be applied.
3.1.8 User Low-Pass Filtering
The VN-100 also provides a means (see Register 85) to apply low-pass filtering to the output compensated
IMU measurements. It is important to note that the user low-pass filtering only applies to the output
compensated IMU measurements. All onboard Kalman filters in the NavFilter subsystem always use the
unfiltered IMU measurements after the User Reference Frame Rotation (Register 26) has been applied.
As such the onboard Kalman filtering will not be affected by the user low-pass filter settings. The user
low-pass filtering can be used to down-sample the output IMU measurements to ensure that information
is not lost when the IMU measurements are sampled by the user at a lower rate than the internal IMU
Rate.
3.1.9 Timestamp Measurements
All onboard measurements captured by the IMU subsystem are time stamped relative to several internal
timing events. These events include the monotonically increasing system time (time since startup), the
time since the last SyncIn event, and the time since the last GPS PPS pulse. These timestamps are recorded
with microsecond resolution and ~10 microsecond accuracy relative to the onboard temperature
compensated crystal oscillator. The onboard oscillator has a timing accuracy of ~20ppm over the
temperature range of -40C to 80C.
3.1.10 Coning & Sculling
The IMU subsystem is also responsible for computing and accumulating the coning and sculling integrals.
These integrals track the delta angle and delta velocity accumulated from one time step to another. The
coning and sculling integrals are reset each time the delta angle and/or delta velocity are outputted
(asynchronously) or polled from the delta theta and velocity register (Register 80). Between output and
polling events, the coning and sculling integration are performed by the IMU subsystem at the IMU Rate.

20 UM001
3.2 NavState Subsystem
The NavState subsystem generates a continuous reliable stream of low-latency, low-jitter state outputs
at a rate fixed to the IMU sample rate. The state outputs include any output such as attitude, position,
and velocity, which are not directly measureable by the IMU and hence must be estimated by the onboard
Kalman filters. The NavState runs immediately after, and in sync with the IMU subsystem, at a rate
divisible into the IMU Rate. This rate is referred to as the NavState Rate (default 800 Hz). The NavState
decouples the rate at which the state outputs are made available to the user from the rate at which they
are being estimated by the onboard Kalman filters. This is very important for many applications which
depend on low-latency, low-jitter attitude, position, and velocity measurements as inputs to their control
loops. The NavState guarantees the output of new updated state information at a rate fixed to the IMU
Rate with very low latency and output jitter. The NavState also provides the ability for the VN-100 to
output estimated states at rates faster than the rate of the onboard Kalman filters, which may be affected
by system load and input measurements availability.
3.2.1 NavState Measurements
The measurements shown below are calculated by the NavState subsystem and are made available at the
NavState Rate (default 800 Hz).
NavState Outputs
Attitude
(Yaw, Pitch, Roll, Quaternion, DCM)
Position
(LLA, ECEF)
Velocity
(NED, ECEF, Body)
Delta Angle (Available at full IMU rate)
Delta Velocity (Available at full IMU rate)
3.3 NavFilter Subsystem
The NavFilter subsystem consists of the INS Kalman filter, the Vector Processing Engine (VPE), and its
collection of other Kalman filters and calculations that run at a lower rate than the NavState. Most high
level states such as the estimated attitude, position, and velocity are passed from the NavFilter to the
NavState, and as such are made available to the user at the NavState rate. There are a handful of outputs
however that will only update at the rate of the NavFilter, some of which are listed below.
NavFilter Outputs
Attitude Uncertainty
Position & Velocity Uncertainty
Gyro & Accel Filter Biases
Mag & Accel Disturbance Estimation
Onboard Magnetic Hard & Soft Iron Estimation
World Magnetic & Gravity Model
3.3.1 INS Kalman Filter
The INS Kalman filter consists of an Extended Kalman filter which nominally runs at the NavFilter rate
(default 200 Hz). The INS Kalman filter uses the accelerometer, gyro, GPS, and (at startup) the
magnetometer to simultaneously estimate the full quaternion based attitude solution, the position and
UM001 21
velocity, as well as the time varying gyro, accelerometer, and barometric pressure sensor biases. The
output of the INS Kalman filter is passed to the NavState, allowing for the attitude, position, and velocity
to be made available at the higher fixed rate of the NavState.
3.3.2 Vector Processing Engine
The Vector Processing Engine (VPE) is a collection of sophisticated algorithms which provide real-time
monitoring and simultaneous estimation of the attitude as well as the uncertainty of the input
measurements used by the attitude estimation algorithm. By estimating its own input measurement
uncertainty the VPE is capable of providing significantly improved performance when compared to
traditional statically tuned Kalman Filters. The estimated measurement uncertainty is used to in real-time
adaptively tune the onboard Kalman filters. This adaptive tuning eliminates the need in most cases for
the user to perform any custom filter tuning for different applications.
3.3.3 AHRS Kalman Filter
The AHRS Kalman filter consists of an EKF which nominally runs at the NavFilter Rate (default 200 Hz). The
AHRS Kalman filter simultaneously estimates the full quaternion based attitude as well as the time varying
gyro bias. The quaternion based attitude estimation eliminates any potential gimbal lock issues incurred
at high pitch angles, which can be problematic for Euler-angle based AHRS algorithms. The real-time
estimation of the gyro bias allows for the removal of small perturbations in the gyro bias which occur over
time due to random walk.
3.3.4 Hard/Soft Iron Estimator
The NavFilter subsystem also includes a separate EKF which provides real-time estimation of the local
magnetic hard and soft iron distortions. Hard and soft iron distortions are local magnetic field distortions
created by nearby ferrous material which moves with the sensor (attached to the same vehicle or rigid-
body as the sensor). These ferrous materials distort the direction and magnitude of the local measured
magnetic field, thus negatively impacting the ability of an AHRS to reliably and accurately estimate
heading based on the magnetometer measurements. To remove the unwanted effect of these materials,
a hard & soft iron calibration needs to be performed which requires rotating the sensor around in multiple
circles while collecting magnetic data for off-line calculation of the magnetic hard & soft iron calibration
coefficients. This calibration can be very time consuming, and might not be possible for some applications.
The onboard hard/soft iron estimator runs in the background without requiring any user intervention. For
many applications this simplifies the process for the end user, and allows for operation in environments
where the hard/soft iron may change slowly over time. While the onboard hard/soft iron estimator runs
in the background by default, it can be turned off by the user if desired in the Magnetic Calibration Control
Register.
3.3.5 World Magnetic Model
The world magnetic model (WMM) is a large spatial-scale representation of the Earth’s magnetic field.
The internal model used on the VN-100 is consistent with the current WMM2016 model which consist of
a spherical-harmonic expansion of the magnetic potential of the geomagnetic field generated in the
Earth’s core. By default the world magnetic model on the VN-100 is turned off, allowing the user to
directly set the reference magnetic field strength. Alternatively the world magnetic model can be
manually used to calculate the magnetic field strength for a given latitude, longitude, altitude, and date
which is then subsequently used as the fixed magnetic field reference strength. Control of the world
magnetic model is performed using the Reference Vector Configuration Register.
22 UM001
3.3.6 World Gravity Model
The world gravity model (WGM) is a large spatial-scale representation of the Earth’s gravity potential as a
function of position on the globe. The internal model used on the VN-100 is consistent with the Earth
Gravity Model (EGM96), which consist of a spherical-harmonic expansion of the Earth’s geopotential. By
default the world gravity model on the VN-100 is turned off, allowing the user to directly set the reference
gravity vector. Control of the world gravity model is performed using the Reference Vector Configuration
Register.
3.4 Vector Processing Engine
The Vector Processing Engine (VPE) is a collection of sophisticated algorithms which provide real-time
monitoring and simultaneous estimation of the attitude as well as the uncertainty of the input
measurements used by the attitude estimation algorithm. By estimating its own input measurement
uncertainty the VPE is capable of providing significantly improved performance when compared to a
traditional statically tuned EKF AHRS attitude estimation algorithm. The estimated measurement
uncertainty is used too in real-time at the NavFilter rate (default 200 Hz) adaptively tune the attitude
estimation Kalman filter. This adaptive tuning eliminates the need in most cases for the user to perform
any custom filter tuning for different applications. It also provides extremely good disturbance rejection
capabilities, enabling the VN-100 in most cases to reliably estimate attitude even in the presence of
vibration, short-term accelerations, and some forms of magnetic disturbances.
3.4.1 Adaptive Filtering
The VPE employs adaptive filtering techniques to significantly reduce the effect of high frequency
disturbances in both magnetic and acceleration. Prior to entering the attitude filter, the magnetic and
acceleration measurements are digitally filtered to reduce high frequency components typically caused
by electromagnetic interference and vibration. The level of filtering applied to the inputs is dynamically
altered by the VPE in real-time. The VPE calculates the minimal amount of digital filtering required in order
to achieve specified orientation accuracy and stability requirements. By applying only the minimal amount
of filtering necessary, the VPE reduces the amount of delay added to the input signals. For applications
that have very strict latency requirements, the VPE provides the ability to limit the amount of adaptive
filtering performed on each of the input signals.
3.4.2 Adaptive Tuning
Kalman filters employ coefficients that specify the uncertainty in the input measurements which are
typically used as “tuning parameters” to adjust the behavior of the filter. Normally these tuning
parameters have to be adjusted by the engineer to provide adequate performance for a given application.
This tuning process can be ad-hoc, time consuming, and application dependent. The VPE employs adaptive
tuning logic which provides on-line estimation of the uncertainty of each of the input signals during
operation. This uncertainty is then applied directly to the onboard attitude estimation Kalman filter to
correctly account for the uncertainty of the inputs. The adaptive tuning reduces the need for manual filter
tuning.
3.4.3 VPE Heading Modes
The VectorNav VPU provides three separate heading modes. Each mode controls how the VPE interprets
the magnetic measurements to estimate the heading angle. The three modes are described in detail in
the following sections.

UM001 23
Absolute Heading Mode
In Absolute Heading Mode the VPE will assume that the principal long-term DC component of the
measured magnetic field is directly related to the earth’s magnetic field. As such only short term magnetic
disturbances will be tuned out. This mode is ideal for applications that are free from low frequency (less
than ~ 1Hz) magnetic disturbances and/or require tracking of an absolute heading. Since this mode
assumes that the Earth's magnetic field is the only long-term magnetic field present, it cannot handle
constant long-term magnetic disturbances which are of the same order of magnitude as the Earth's
magnetic field and cannot be compensated for by performing a hard/soft iron calibration. From the
sensor's perspective a constant long-term magnetic disturbance will be indistinguishable from the
contribution due to the Earth's magnetic field, and as such if present it will inevitably result in a loss of
heading accuracy.
If a magnetic disturbance occurs due to an event controlled by the user, such as the switching on/off of
an electric motor, an absolute heading can still be maintained if the device is notified of the presence
of the disturbance.
To correctly track an absolute heading you will need to ensure that the hard/soft iron distortions remains
well characterized.
Absolute Heading Mode Advantages
Provides short-term magnetic disturbance rejection while maintaining absolute tracking of the
heading relative to the fixed Earth.
Absolute Heading Mode Disadvantages
If the magnetic field changes direction relative to the fixed Earth, then its direction will need to
be updated using the reference vector register in order to maintain an accurate heading
reference.
Hard/Soft iron distortions that are not properly accounted for will induce heading errors
proportional to the magnitude of the hard/soft iron distortion. In some cases this could be as high
as 30-40 degrees.
Relative Heading Mode
In Relative Heading mode the VPE makes no assumptions as to the long term stability of the magnetic
field present. In this mode the VPE will attempt to extract what information it reasonably can from the
magnetic measurements in order to maintain an accurate estimate of the gyro bias. The VPE will
constantly monitor the stability of the magnetic field and when it sees that its direction is reasonably
stable, the VPE will maintain a stable heading estimate. Over long periods of time under conditions where
the magnetic field direction changes frequently, in Relative Heading mode it is possible for the VN-100 to
accumulate some error in its reported heading relative to true North. In this mode the VPE will not attempt
to correct for this accumulated heading error.
Relative Heading mode does not assume that the Earth's magnetic field is the only long-term magnetic
field present. As such this mode is capable of handling a much wider range of magnetic field disturbances
while still maintaining a stable attitude solution. Relative Heading mode should be used in situations
where the most important requirement is for the attitude sensor is to maintain a stable attitude solution

24 UM001
which minimizes the effect of gyro drift while maintaining a stable and accurate pitch and roll solution.
Since the Relative Heading mode assumes that other magnetic disturbances can be present which are
indistinguishable from the Earth's field, Relative Heading mode cannot always ensure that the calculated
heading is always referenced to Earth's magnetic north.
Use the Relative Heading mode for applications where the stability of the estimated heading is more
important than the long-term accuracy relative to true magnetic North. In general, the Relative Heading
mode provides better magnetic disturbance rejection that the Absolute Heading mode.
Relative Heading Mode Advantages
Capable of handling short-term and long-term magnetic interference.
Can handle significant errors in the hard/soft iron while still maintaining a stable heading and gyro
bias estimate.
Relative Heading Mode Disadvantages
Unable to maintain heading estimate relative to true North in environments with frequent long-
term magnetic field disturbances.
Indoor Heading Mode
The Indoor Heading mode was designed to meet the needs of applications that require the enhanced
magnetic disturbance rejection capability of the Relative Heading mode, yet desire to maintain an
absolute heading reference over long periods of time. The Indoor Heading mode extends upon the
capabilities of the Relative Heading mode by making certain assumptions as to the origin of the measured
magnetic fields consistent with typical indoor environments.
In any environment the measured magnetic field in 3D space is actually the combination of the Earth’s
magnetic field plus the contribution of other local magnetic fields created by nearby objects containing
ferromagnetic materials. For indoor environments this becomes problematic due to the potential close
proximity to objects such as metal desk and chairs, speakers, rebar in the concrete floor, and other items
which either distort or produce their own magnetic field. The strength of these local magnetic fields are
position dependent, and if the strength is on the same order of magnitude as that of the Earth’s magnetic
field, directly trusting the magnetic measurements to determine heading can lead to inaccurate heading
estimates.
While in Indoor Heading mode the VPE inspects the magnetic measurements over long periods of time,
performing several different tests on each measurement to quantify the likelihood that the measured
field is free of the influence of any position dependent local magnetic fields which would distort the
magnetic field direction. Using this probability the VPE then estimates the most likely direction of the
Earth’s magnetic field and uses this information to correct for the heading error while the device is in
motion.
Indoor Heading Mode Advantages
Capable of handling short-term and long-term magnetic interference
Can handle significant errors in the hard/soft iron while still maintaining a stable heading and
gyro bias estimate.
Capable of maintaining an accurate absolute heading over extended periods of time.

UM001 25
Indoor Heading Mode Disadvantages
Measurement repeatability may be worse than Relative Mode during periods when the VPE
corrects for known errors in absolute heading.
Overview of Heading Modes
A summary of the different types of disturbances handled by each magnetic mode is summarized in the
table below.
Capabilities
Absolute
Heading
Relative
Heading
Indoor
Mode
Capabilities
Handle high frequency magnetic
disturbances greater than 1Hz?
Yes
Yes
Yes
Handle high frequency magnetic
disturbances greater than 1Hz?
Handle constant disturbances lasting
less than a few seconds?
Yes
Yes
Yes
Handle constant disturbances
lasting less than a few seconds?
Handle constant disturbances lasting
longer than a few seconds?
No
Yes
Yes
Handle constant disturbances
lasting longer than a few seconds?
3.4.4 VPE Adaptive Filtering and Tuning Settings
The VPE actively employs both adaptive filtering and adaptive tuning techniques to enhance performance
in conditions of dynamic motion and magnetic and acceleration disturbances. The VPE provides the ability
to modify the amount of adaptive filtering and tuning applied on both the magnetometer and the
accelerometer. In many cases the VPE can be used as is without any need to adjust these settings. For
some applications higher performance can be obtained by adjusting the amount of adaptive filtering and
tuning performed on the inputs. For both the magnetometer and the accelerometer the following settings
are provided.
Static Measurement Uncertainty
The static gain adjusts the level of uncertainty associated with either the magnetic or acceleration
measurement when no disturbances are present. The level of uncertainty associated with the
measurement will directly influence the accuracy of the estimated attitude solution. The level of
uncertainty in the measurement will also determine how quickly the attitude filter will correct for errors
in the attitude when they are observed. The lower the uncertainty, the quicker it will correct for observed
errors.
This parameter can be adjusted from 0 to 10.
Zero places no confidence (or infinite uncertainty) in the sensor, thus eliminating its effect on
the attitude solution.
Ten places full confidence (minimal uncertainty) in the sensor and assume that its measurements
are always 100% correct.
Adaptive Tuning Gain
The adaptive tuning stage of the VPE monitors both the magnetic and acceleration measurements over
an extended period of time to estimate the time-varying level of uncertainty in the measurement. The
adaptive tuning gain directly scales either up or down this calculated uncertainty.
This parameter can be adjusted from 0 to 10.

26 UM001
The minimum value of zero turns off all adaptive tuning.
The maximum value of 10 applies several times the estimated level of uncertainty.
Adaptive Filtering Gain
The adaptive filtering stage of the VPE monitors both the magnetic and acceleration measurements to
determine if large amplitude high frequency disturbances are present. If so then a variable level of filtering
is applied to the inputs in order to reduce the amplitude of the disturbance down to acceptable levels
prior to inputting the measurement into the attitude filter. The advantage of the adaptive filtering is that
it can improve accuracy and eliminate jitter in the output attitude when large amplitude AC disturbances
are present. The disadvantage to filtering is that it will inherently add some delay to the input
measurement. The adaptive filtering gain adjusts the maximum allowed AC disturbance amplitude for the
measurement prior to entering the attitude filter. The larger the allowed disturbance, the less filtering
that will be applied. The smaller the allowed disturbance, the more filtering will be applied.
This parameter can be adjusted from 0 to 10.
The minimum value of zero turns off all adaptive filtering.
The maximum value of 10 will apply maximum filtering.
Keep in mind that regardless of this setting, the adaptive filtering stage will apply only the minimal amount
of filtering necessary to get the job done. As such this parameter provides you with the ability to set the
maximum amount of delay that you are willing to accept in the input measurement.
3.5 Communication Interface
The VN-100 provides two separate communication interfaces on two separate serial ports.
3.5.1 Serial Interface
The serial interface consists of two physically separate bi-directional UARTs. Each UART supports baud
rates from 9600 bps up to a maximum of 921600 bps.
The rugged version includes an onboard TTL to RS-232 level shifter, thus at the 10-pin connector one serial
port is offered with RS-232 voltages levels (Serial 1), while the other serial port (Serial 2) remains at 3V
TTL logic levels.
It is important to note that the ability to update the firmware using the onboard bootloader is only
supported on the serial port 1 interface. It is highly recommended that if serial port 1 is not used for
normal operation, a means of accessing it is designed into the product to support future firmware
updates.
3.5.2 SPI Interface
The SPI interface consists of a standard 4-wire synchronous serial data link which is capable of high data
rates up to 16 Mbps. The VN-100 operates as slave on the bus enabled by the master using the slave
select (SPI_CS) line. See the Basic Communication chapter for more information on the operation of the
SPI interface.

UM001 27
3.6 Communication Protocol
The VN-100 utilizes a simple command based communication protocol for the serial interface. An ASCII
protocol is used for command and register polling, and an optional binary interface is provided for
streaming high speed real-time sensor measurements.
3.6.1 Serial ASCII
On the serial interface a full ASCII protocol provides support for all commands, and register polling. The
ASCII protocol is very similar to the widely used NMEA 0183 protocol supported by most GPS receivers,
and consists of comma delimited parameters printed in human readable text. Below is an example
command request and response on the VN-100 used to poll the attitude (Yaw Pitch Roll Register in the
Attitude subsystem) using the ASCII protocol.
Example Serial Request
$VNRRG,8*4B
Example Serial Response
$VNRRG,08,-114.314,+000.058,-001.773*5F
At the end of this user manual each software subsystem is documented providing a list of all the
commands and registers suported by the subsystem on the VN-100. For each command and register an
example ASCII response is given to demonstrating the ASCII formatting.
3.6.2 Serial Binary
The serial interface offers support for streaming sensor measurements from the sensor at fixed rates using
user configurable binary output packets. These binary output packets provide a low-overhead means of
streaming high-speed sensor measurements from the device minimizing both the required bandwidth and
the necessary overhead required to parse the incoming measurements for the host system.
3.6.3 Serial Command Prompt
A simple command prompt is also provided on the serial interface, which provides support for advanced
device configuration and diagnostics. The serial command prompt is an optional feature that is designed
to provide more detailed diagnostic view of overall system performance than is possible using normal
command & register structure. It is strictly intended to be used by a human operator, who can type
commands to the device using a simple serial terminal, and is not designed to be used programmatically.
Each software subsystem described in the software module chapters provides information on the
diagnostic commands supported by the serial command prompt at the end of each subsystem section.
3.7 System Error Codes
In the event of an error, the VN-100 will output $VNERR, followed by an error code. The possible error
codes are listed in the table below with a description of the error.

28 UM001
Error Codes
Error Name
Code
Description
Hard Fault
1
If this error occurs, then the firmware on the VN-100 has experienced a
hard fault exception. To recover from this error the processor will force
a restart, and a discontinuity will occur in the serial output. The
processor will restart within 50 ms of a hard fault error.
Serial Buffer Overflow
2
The processor’s serial input buffer has experienced an overflow. The
processor has a 256 character input buffer.
Invalid Checksum
3
The checksum for the received command was invalid.
Invalid Command
4
The user has requested an invalid command.
Not Enough Parameters
5
The user did not supply the minimum number of required parameters
for the requested command.
Too Many Parameters
6
The user supplied too many parameters for the requested command.
Invalid Parameter
7
The user supplied a parameter for the requested command which was
invalid.
Invalid Register
8
An invalid register was specified.
Unauthorized Access
9
The user does not have permission to write to this register.
Watchdog Reset
10
A watchdog reset has occurred. In the event of a non-recoverable error
the internal watchdog will reset the processor within 50 ms of the error.
Output Buffer Overflow
11
The output buffer has experienced an overflow. The processor has a
2048 character output buffer.
Insufficient Baud Rate
12
The baud rate is not high enough to support the requested
asynchronous data output at the requested data rate.
Error Buffer Overflow
255
An overflow event has occurred on the system error buffer.

UM001 29
3.8 Checksum / CRC
The serial interface provides the option for either an 8-bit checksum or a 16-bit CRC. In the event neither
the checksum nor the CRC is needed, both can be turned off by the user. Refer to the Communication
Protocol Control Register for details on disabling the checksum/CRC.
3.8.1 Checksum Bypass
When communicating with the sensor using a serial terminal, the checksum calculation can be bypassed
by replacing the hexadecimal digits in the checksum with uppercase X characters. This works for both the
8-bit and 16-bit checksum. An example command to read register 1 is shown below using the checksum
bypass feature.
$VNRRG,1*XX
3.8.2 8-bit Checksum
The 8-bit checksum is an XOR of all bytes between, but not including, the dollar sign ($) and asterisk (*).
All comma delimiters are included in the checksum calculation. The resultant checksum is an 8-bit number
and is represented in the command as two hexadecimal characters. The C function snippet below
calculates the correct checksum.
Example C Code
// Calculates the 8-bit checksum for the given byte sequence.
unsigned char calculateChecksum(unsigned char data[], unsigned int length)
{
unsigned int i;
unsigned char cksum = 0;
for(i=0; i<length; i++){
cksum ^= data[i];
}
return cksum;
}

30 UM001
3.8.3 16-bit CRC
For cases where the 8-bit checksum doesn't provide enough error detection, a full 16-bit CRC is available.
The VN-100 uses the CRC16-CCITT algorithm. The resultant CRC is a 16-bit number and is represented in
the command as four hexadecimal characters. The C function snippet below calculates the correct CRC.
Example C Code
// Calculates the 16-bit CRC for the given ASCII or binary message.
unsigned short calculateCRC(unsigned char data[], unsigned int length)
{
unsigned int i;
unsigned short crc = 0;
for(i=0; i<length; i++){
crc = (unsigned char)(crc >> 8) | (crc << 8);
crc ^= data[i];
crc ^= (unsigned char)(crc & 0xff) >> 4;
crc ^= crc << 12;
crc ^= (crc & 0x00ff) << 5;
}
return crc;
}

UM001 31
4 User Configurable Binary Output Messages
The VN-100 supports 3 separate user configurable binary output messages available on the serial
interface. Each message can be configured by the user to contain any of the available output
measurement types from the IMU, NavState, or NavFilter subsystems. The device can be configured to
asynchronously output each message at a fixed rate based upon a divisor of the IMU internal sampling
rate (IMU Rate).
4.1 Available Output Types
All real-time measurements either measured or estimated by the VN-100 are available using the user
output messages. The different output types are organized into 6 separate output groups. The first group
is a combination of the most common outputs from the remaining groups. The other groups are shown
below.
Binary Outputs
4.2 Configuring the Output Types
Configuration of the 3 output messages is performed using the User Output Configuration Registers
(Register 75-77). There are 3 separate configuration registers, one for each available output message.
The Binary Output Register 1-3 in the System subsystem section describes in more detail the format for
these registers. In each of these configuration registers the user can select which output types they want
the message to include by specifying the OutputGroup and the OutputFields parameters.
4.2.1 OutputGroup
The OutputGroup and OutputFields parameters consist of variable length arguments to allow conciseness
where possible and expandability where necessary.
The OutputGroup parameter consists of one or more bytes which are used to identify the Binary Output
Groups from which data will be selected for output (see OutputField parameter). Each 8-bit byte consists
of seven group selection bits (Bit 0 through Bit 6) and an extension bit (Bit 7). The extension bit in each
byte is used to indicate the presence of a following continuation byte to select additional (higher-
numbered) groups. The first byte selects Groups 1-7 (with bit offsets 0-6, respectively), the second byte
Time
•TimeStartup
•TimeGps
•GpsTow
•GpsWeek
•TimeSyncIn
•TimeGpsPps
•TimeUTC
•SyncInCnt
•SyncOutCnt
•TimeStatus
IMU
•Status
•UncompMag
•UncompAccel
•UncompAngularRate
•Temp
•Pres
•DeltaTheta
•DeltaVel
•Mag
•Accel
•AngularRate
•SatFlags
Attitude
•Status
•YawPitchRoll
•Quaternion
•DCM
•MagNed
•AccelNed
•LinearAccelBody
•LinearAccelNed
•YprU

32 UM001
(if present) selects Groups 8-14, and so on. The sequence of group selection bytes will always end with a
byte whose extension bit is not set.
Name
Bit Offset
Description
Output Group 1
0
Common Group
Output Group 2
1
Time Group
Output Group 3
2
IMU Group
Output Group 5
4
Attitude Group
Output group 4, 6, & 7 are not used on the VN-100. The bits for these unused output groups must be
set to zero.
Groups 8-14 are not used, however they are reserved for use in future firmware versions.
4.2.2 OutputFields
The OutputField parameter consists of a series of one or more 16-bit words per selected output group
(see OutputGroup parameter) which are used to identify the selected output fields for that group. The
first series of one or more words corresponds to the fields for the first selected group, followed by a series
of word(s) for the next selected group, and so on. Each 16-bit word consists of 15 group selection bits (Bit
0 through Bit 14) and an extension bit (Bit 15). The extension bit in each word is used to indicate the
presence of a following continuation word to select additional (higher-numbered) output fields for the
current group. The first word corresponding to a specific group selects fields 1-15 (with bit offsets 0-14,
respectively), the second word (if present) selects fields 16-30, and so on. Each sequence of field selection
words corresponding to a selected output group ends with a word whose extension bit is not set, and is
then followed by a sequence of words for the next selected group (if any).
Below is a list of the available output fields for each output group.
Bit
Offset
Group 1
Common
Group 2
Time
Group 3
IMU
Group 5
Attitude
0
TimeStartup
TimeStartup
ImuStatus
VpeStatus
1
Reserved
UncompMag
YawPitchRoll
2
TimeSyncIn
UncompAccel
Quaternion
3
YawPitchRoll
UncompGyro
DCM
4
Quaternion
TimeSyncIn
Temp
MagNed
5
AngularRate
Pres
AccelNed
6
Reserved
DeltaTheta
LinearAccelBody
7
Reserved
SyncInCnt
DeltaVel
LinearAccelNed
8
Accel
SyncOutCnt
Mag
YprU
9
Imu
TimeStatus
Accel
10
MagPres
Gyro
11
DeltaTheta
12
VpeStatus
13
SyncInCnt
14
15

UM001 33
4.2.3 Setup the Configuration Register
Once you have determined the desired outputs for your output messages, you will need to configure the
User Output Message Configuration Registers (Register 75 – 77). These registers are described in detail
under the Binary Output Register 1-3 in the System subsystem section, however for reference the format
of the register is shown below.
Binary Output Register 1-3
Register ID :
75-77
Access :
Read / Write
Comment :
These registers allow the user to construct a custom output message that contains a
collection of desired estimated states and sensor measurements.
Size (Bytes):
6-22
Example Response:
$VNWRG,75,2,4,1,8*XX
Offset
Name
Format
Unit
Description
0
AsyncMode
uint16
-
Selects whether the output message should be sent out on
the serial port(s) at a fixed rate.
0 = None. User message is not automatically sent out
either serial port.
1 = Message is sent out serial port 1 at a fixed rate.
2 = Message is sent out serial port 2 at a fixed rate.
3 = Message is sent out both serial ports at a fixed rate.
2
RateDivisor
uint16
-
Sets the fixed rate at which the message is sent out the
selected serial port(s). The number given is a divisor of the
ImuRate which is nominally 800Hz. For example to have
the sensor output at 50Hz you would set the Divisor equal
to 16.
4+N
OutputGroup(N)
uint8
-
Selects which output groups are active in the message.
The number of OutputFields in this message should equal
the number of active bits in the OutputGroup.
4+N+2*M
OutputField(1)
uint16
-
Selects which output data fields are active within the
selected output groups.
In the offset column above the variable N is the number of output group bytes. If data is requested
from only groups 1-7, there will be only one output group present (N=1). If data is requested from an
output group of 9-14, then two output groups bytes will be present.
The number of OutputFields present must be equal to the number of output groups selected in the
OutputGroup byte(s). For example if groups 1 and 3 are selected (OutputGroup = 0x05 or 0b00000101),
then there must be two OutputField parameters present (M = 2).
If the number of OutputFields is inconsistent with the number of OutputGroups selected, then the unit
will respond with an invalid parameter error when attempting to write to this register.
If the user attempts to turn on more data than it is possible to send out at the current baud rate, the
unit will resond with a insufficient baud rate error.
To turn off the binary output it is recommended to set the AsyncMode = 0.

34 UM001
4.2.4 Example Case 1 – Selecting outputs from only the Common Group
For many applications you might be able to get by with only the output types available in the common
group. For these situations the configuration of the output message is simple. Suppose only the following
information shown below is desired.
Bit
Offset
Group 1
Common
0
TimeStartup
3
YawPitchRoll
5
AngularRate
For this example we will assume that the data will be polled using serial port 2 at 50 Hz.
To configure this output message you would send the following command to the VN-100.
$VNWRG,75,2,16,01,0029*XX
Now let’s dissect this command to see what is actually being set:
Field
Value
Description
Header
$VN
ASCII message header
Command
WRG
Write register command
Register ID
75
Register 75 (Config register for first output message)
AsyncMode
2
Message set to output on serial port 2.
RateDivisor
16
Divisor = 16. If the ImuRate = 800Hz then, the message output rate
will be (800 / 16 = 50 Hz).
OutputGroup
01
Groups = 0x01. (Binary group 1 enabled)
GroupField 1
0029
Group 1 Field = 0x0029. In binary 0x0029 = 0b00101001.
The active bits correspond to the following active output fields:
Bit 0 – TimeStartup
Bit 3 – YawPitchRoll
Bit 5 - AngularRate
Checksum
XX
Payload terminator and checksum. XX instructs the VN-100 to
bypass the checksum evaluation. This allows us to manually type
messages in a serial terminal without needing to calculate a valid
checksum.
End Line
\r\n
Carriage return and line feed. Terminates the ASCII message.
4.2.5 Example Case 2 – Outputs from multiple Output Groups without
extention bits
This example case demonstrates how to select multiple output fields from more than one output group.
Assume that the following bold output types are desired:
Bit
Offset
Group 1
Common
Group 3
IMU
Group 5
Attitude
0
TimeStartup
1
2
UncompAccel
Quaternion
3
UncompAngularRate

UM001 35
4
MagNed
Also assume that you want the message to stream at 50 Hz over serial port 1.
To configure this output message you would send the following command to the VN-100.
$VNWRG,75,1,16,15,0001,000C,0014*XX
Now let’s dissect this command to see what is actually being set:
Field
Value
Description
Header
$VN
ASCII message header
Command
WRG
Write register command
Register ID
75
Register 75 (Config register for first output message)
AsyncMode
1
Message sent on serial port 1.
RateDivisor
16
Divisor = 16. If the ImuRate = 800Hz then, the message output rate
will be (800 / 16 = 50 Hz).
OutputGroup
15
Groups = 0x15. In binary 0x15 = 0x00010101.
The active bits correspond to the following active output groups:
Bit 0 – Common
Bit 2 – Imu
Bit 4 - Attitude
GroupField 1
0001
Group 1 Field = 0x0001. In binary 0x0001 = 0b00000001.
The active bits correspond to the following active output fields:
Bit 0 – TimeStartup
GroupField 2
000C
Group 2 Field = 0x000C. In binary 0x000C = 0b00001100.
The active bits correspond to the following active output fields:
Bit 2 – UncompAccel
Bit 3 – UncompGyro
GroupField 3
0014
Group 3 Field = 0x0014. In binary 0x0014 = 0b00010100.
The active bits correspond to the following active output fields:
Bit 2 – Qtn
Bit 4 – MagNed
Checksum
XX
Payload terminator and checksum. XX instructs the VN-200 to
bypass the checksum evaluation. This allows us to manually type
messages in a serial terminal without needing to calculate a valid
checksum.
End Line
\r\n
Carriage return and line feed. Terminates the ASCII message.

36 UM001
4.3 Serial Output Message Format
The binary output message packets on the serial interface consist of a simple message header, payload,
and a 16-bit CRC. An example packet is shown below for reference. The header is variable length
depending upon the number of groups active in the message.
Header
Payload
CRC
Field
Sync
Groups
Group Field 1
Group Field 2
Payload
CRC
Byte Offset
0
1
2
3
4
5
6
7
…
N
N+1
N+2
Type
u8
u8
u16
u16
Variable
u16
4.3.1 Sync Byte
The sync byte is the first byte in the header. Its value will always be equal to 0xFA.
4.3.2 Groups
The Group and Group Field parameters consist of variable length arguments to allow conciseness where
possible and expandability where necessary.
The Group parameter consists of one or more bytes which are used to identify the Binary Output Groups
from which data will be selected for output (see OutputField parameter). Each 8-bit byte consists of seven
group selection bits (Bit 0 through Bit 6) and an extension bit (Bit 7). The extension bit in each byte is used
to indicate the presence of a following continuation byte to select additional (higher-numbered) groups.
The first byte selects Groups 1-7 (with bit offsets 0-6, respectively), the second byte (if present) selects
Groups 8-14, and so on. The sequence of group selection bytes will always end with a byte whose
extension bit is not set. The various groups are shown below.
Name
Bit Offset
Description
Binary Group 1
0
General Purpose Group.
Binary Group 2
1
Time and Event Count Group.
Binary Group 3
2
Inertial Measurement Unit Group.
Binary Group 4
3
Not used. Must be set to zero.
Binary Group 5
4
AHRS Group.
Binary Group 6
5
Not used. Must be set to zero.
Binary Group 7
6
Not used. Must be set to zero.
Binary Group 8
7
Not used. Must be set to zero.
Groups 8-14 are not used, however they are reserved for use in future firmware versions.
UM001 37
4.3.3 Group Fields
The Group Field parameter consists of a series of one or more 16-bit words per selected output group
which are used to identify the selected output fields for that group. The first series of one or more words
corresponds to the fields for the first selected group, followed by a series of word(s) for the next selected
group, and so on. Each 16-bit word consists of 15 group selection bits (Bit 0 through Bit 14) and an
extension bit (Bit 15). The extension bit in each word is used to indicate the presence of a following
continuation word to select additional (higher-numbered) output fields for the current group. The first
word corresponding to a specific group selects fields 1-15 (with bit offsets 0-14, respectively), the second
word (if present) selects fields 16-30, and so on. Each sequence of field selection words corresponding to
a selected output group ends with a word whose extension bit is not set, and is then followed by a
sequence of words for the next selected group (if any).
The group fields represent which output types have been selected in the active binary groups. The
number of group fields in the header will depend upon how many groups are active in the message. The
number of group fields present in the header will always be equal to the number of active bits in the group
byte. When parsing the binary packet you can count the number of active bits present in the group byte,
and then you can assume that this number of group fields will be present in the header. For example if
only binary group 1 is selected (Group Byte = 0x01), then only one Group field will be present in the
header, thus the header will be 4 bytes in length. If both binary group 1 and 3 are active (Group Byte =
0x05), then two Group field elements will be present in the header (4 bytes), thus the header in this case
will be 6 bytes in length.
4.3.4 Payload
The payload will consist of the output data selected based upon the bits selected in the group byte and
the group field bytes. All output data in the payload section consist of the active outputs selected for
binary group 1, followed by the active outputs selected for binary group 2, and so forth. No padding bytes
are used between output fields.
4.3.5 CRC
The CRC consists of a 16-bit CRC of the packet. The CRC is calculated over the packet starting just after
the sync byte in the header (not including the sync byte) and ending at the end of the payload. More
information about the CRC algorithm and example code for how to perform the calculation is shown in
the Checksum/CRC section of the Software Architecture chapter. The CRC is selected such that if you
compute the 16-bit CRC starting with the group byte and include the CRC itself, a valid packet will result
in 0x0000 computed by the running CRC calculation over the entire packet. This provides a simple way of
detecting packet corruption by simply checking to see if the CRC calculation of the entire packet (not
including the sync byte) results in zero.

38 UM001
4.3.6 Payload Length
When parsing the packet you will need to know the length of the payload (in bytes) in order to know
where the packet ends in the data stream. In order to reduce the overhead of the packet header length,
the length of the payload is not included in the header. Instead it should be derived based upon
determining the type of data present in the packet. All output data types are fixed length, thus the total
length of the payload can be determined based upon inspection of the group byte and the group field
bytes. In most applications you will likely only use a few binary output types, thus hard coding the payload
length in your parser is the easiest approach. If you want to develop a more generic parser that can handle
all available data output types supported by the VN-100, the easiest approach is to use a table lookup.
Below is a table with the payload size (in bytes) for all available output types.
Binary Output Payload Length In Bytes
Group
1
Group
2
Group
3
Group 4
Group
5
Group
6
Group 7
Field 1
8
8
2
8
2
2
8
Field 2
8
8
12
8
12
24
8
Field 3
8
8
12
2
16
24
2
Field 4
12
2
12
1
36
12
1
Field 5
16
8
4
1
12
12
1
Field 6
12
8
4
24
12
12
24
Field 7
24
8
16
24
12
12
24
Field 8
12
4
12
12
12
12
12
Field 9
12
4
12
12
12
12
12
Field 10
24
1
12
12
12
4
12
Field 11
20
1
12
4
28
4
4
Field 12
28
0
2
4
24
68
4
Field 13
2
0
40
2
0
64
2
Field 14
4
0
0
28
0
0
28
Field 15
8
0
0
2+(N*8)
0
0
2+(N*8)
Field 16
0
0
0
12+(N*28)
0
0
12+(N*28)
The messages highlighted in red in the above table are variable length messages. The size of these
messages will be dependent upon the number of packets present. See the description of the fields in
the appropriate group section below for more information on how to determine the length of these
packets.
The above lookup table can be implemented in C as shown below using a simple 2D array. Assuming you
are only using group 1 through 7, with support for 16 fields per group, then this lookup table could be
implimented using an 8x16 array of bytes consuming only 128 bytes of memory. With the exception of
the SatInfo and RawMeas fields in the GPS group, all other fields have a fixed length. The two variable
length fields can be handled seperately with a case statement. For these two fields the lookup table
contains the length of the fixed portion of the variable length packet (2 for the SatInfo and 12 for the
RawMeas fields).

UM001 39
Example Code
// 2D array to determine the payload length for a binary output packet. The first
// index of the array is the group number, and the second index
// is the group field index. Both indices are assumed to be zero based.
const unsigned char groupLen[7][16] =
{
{8, 8, 8, 12, 16, 12, 24, 12, 12, 24, 20, 28, 2, 4, 8, 0}, //Group 1
{8, 8, 8, 2, 8, 8, 8, 4, 4, 1, 1, 0, 0, 0, 0, 0}, //Group 2
{2, 12, 12, 12, 4, 4, 16, 12, 12, 12, 12, 2, 40, 0, 0, 0}, //Group 3
{8, 8, 2, 1, 1, 24, 24, 12, 12, 12, 4, 4, 2, 28, 2, 12}, //Group 4
{2, 12, 16, 36, 12, 12, 12, 12, 12, 12, 28, 24, 0, 0, 0, 0}, //Group 5
{2, 24, 24, 12, 12, 12, 12, 12, 12, 4, 4, 68, 64, 0, 0, 0}, //Group 6
{8, 8, 2, 1, 1, 24, 24, 12, 12, 12, 4, 4, 2, 28, 2, 12}, //Group 7
};
4.3.7 Example Cases
To help you better understand how the binary protocol works, the next two sections provide an overview
of how the binary output packets are formed for two separate example cases.
Example Case 1
For example 1 we will assume that only binary group 1 is active, and only the yaw, pitch, and roll output
is active within this binary group. In this case the header will have the following form.
Header
Payload
CRC
Field
Sync
Group
Group 1
Fields
YawPitchRoll
CRC
Byte Offset
0
1
2
3
4
5
6
7
8
9
10
11
12
13
14
15
16
17
Byte Value
(Hex)
FA
01
08
00
93
50
2E
42
83
3E
F1
3F
48
B5
04
BB
92
88
Type
u8
u8
u16
float
float
float
u16
Value
0xFA
1
8
0x422E5093
+43.578686 (Yaw)
0x3FF13E83
+1.8847202 (Pitch)
0xBB04B548
-2.0249654e-3 (Roll)
0x9288

40 UM001
Example Case 2
For the second example case we will assume that both binary group 1 and 3 are active. In binary group 1,
the Ypr output is selected, and in binary group 3, the Temp output is selected.
Header
Field
Sync
Group
Group 1
Fields
Group 3
Fields
Byte Offset
0
1
2
3
4
5
Byte Value
(Hex)
FA
05
08
00
01
00
Type
u8
u8
u16
u16
Value
0xFA
0x05
0x08
0x01
Payload
CRC
Field
YawPitchRoll
Temp
CRC
Byte Offset
6
7
8
9
10
11
12
13
14
15
16
17
18
19
20
21
22
23
Byte Value
(Hex)
A4
15
02
42
4D
DF
EB
3F
F6
1A
36
BE
BF
2D
A4
41
A8
3A
Type
float
float
float
float
u16
Value
0x420215A4
+32.521133 (Yaw)
0X3FEBDF4D
+1.8427521 (Pitch)
0XBE361AF6
-1.7783722e-1 (Roll)
0X41A42DBF
+20.522337 (Temp)
0XA83A

UM001 41
4.4 Binary Group 1 – Common Outputs
Binary group 1 contains a wide assortment of commonly used data required for most applications. All of
the outputs found in group 1 are also present in the other groups. In this sense, group 1 is a subset of
commonly used outputs from the other groups. This simplifies the configuration of binary output
messages for applications that only require access to the commonly used data found in group 1. For these
applications you can hard code the group field to 1, and not worry about implemented support for the
other binary groups. Using group 1 for commonly used outputs also has the advantage of reducing the
overall packet size, since the packet length is dependent upon the number of binary groups active.
Binary Group 1
Name
Bit Offset
Description
TimeStartup
0
Time since startup.
Reserved
1
Reserved. Not used on this product.
TimeSyncIn
2
Time since last SyncIn trigger.
Ypr
3
Estimated attitude as yaw pitch and roll angles.
Qtn
4
Estimated attitude as a quaternion.
AngularRate
5
Compensated angular rate.
Reserved
6
Reserved. Not used on this product.
Reserved
7
Reserved. Not used on this product.
Accel
8
Estimated acceleration (compensated). (Body)
Imu
9
Calibrated uncompensated gyro and accelerometer
measurements.
MagPres
10
Calibrated magnetic (compensated), temperature,
and pressure measurements.
DeltaTheta
11
Delta time, theta, and velocity.
InsStatus
12
INS status.
SyncInCnt
13
SyncIn count.
Reserved
14
Reserved. Not used on this product.
Resv
15
Reserved for future use. Should be set to zero.
4.4.1 Time Startup
The system time since startup measured in nano seconds. The time since startup is based upon the
internal TXCO oscillator for the MCU. The accuracy of the internal TXCO is +/- 20ppm (-40C to 85C). This
field is equivalent to the TimeStartup field in group 2.
TimeStartup
Byte Offset
0
1
2
3
4
5
6
7
Type
uint64
4.4.2 TimeSyncIn
The time since the last SyncIn trigger event expressed in nano seconds. This field is equivalent to the
TimeSyncIn field in group 2.
TimeSyncIn
Byte Offset
0
1
2
3
4
5
6
7
Type
uint64

42 UM001
4.4.3 YawPitchRoll
The estimated attitude Yaw, Pitch, and Roll angles measured in degrees. The attitude is given as a 3,2,1
Euler angle sequence describing the body frame with respect to the local North East Down (NED) frame.
This field is equivalent to the YawPitchRoll field in group 5.
YawPitchRoll
yaw
pitch
roll
Byte Offset
0
1
2
3
4
5
6
7
8
9
10
11
Type
float
float
float
4.4.4 Quaternion
The estimated attitude quaternion. The last term is the scalar value. The attitude is given as the body
frame with respect to the local North East Down (NED) frame. This field is equivalent to the Quaternion
field in group 5.
Quaternion
qtn[0]
qtn[1]
qtn[2]
qtn[3]
Byte Offset
0
1
2
3
4
5
6
7
8
9
10
11
12
13
14
15
Type
float
float
float
float
4.4.5 AngularRate
The estimated angular rate measured in rad/s. The angular rates are compensated by the onboard filter
bias estimates. The angular rate is expressed in the body frame. This field is equivalent to the AngularRate
field in group 3.
AngularRate
rate[0]
rate[1]
rate[2]
Byte Offset
0
1
2
3
4
5
6
7
8
9
10
11
Type
float
float
float
4.4.6 Accel
The estimated acceleration in the body frame, given in m/s^2. This acceleration includes gravity and has
been bias compensated by the onboard INS Kalman filter. This field is equivalent to the Accel field in
group 3.
Accel
accel[0]
accel[1]
accel[2]
Byte Offset
0
1
2
3
4
5
6
7
8
9
10
11
Type
float
float
float
4.4.7 Imu
The uncompensated IMU acceleration and angular rate measurements. The acceleration is given in
m/s^2, and the angular rate is given in rad/s. These measurements correspond to the calibrated angular

UM001 43
rate and acceleration measurements straight from the IMU. The measurements have not been corrected
for bias offset by the onboard Kalman filter. These are equivalent to the UncompAccel and UncompGyro
fields in group 3.
Imu
accel[0]
accel[1]
accel[2]
rate[0]
rate[1]
rate[2]
Byte
Offset
0
1
2
3
4
5
6
7
8
9
10
11
12
13
14
15
16
17
18
19
20
21
22
23
Type
float
float
float
float
float
float
4.4.8 MagPres
The compensated magnetic, temperature, and pressure measurements from the IMU. The magnetic
measurement is given in Gauss, and has been corrected for hard/soft iron corrections (if enabled). The
temperature measurement is given in Celsius. The pressure measurement is given in kPa. This field is
equivalent to the Mag, Temp, and Pres fields in group 3.
MagPres
mag[0]
mag[1]
mag[2]
temp
pres
Byte Offset
0
1
2
3
4
5
6
7
8
9
10
11
12
13
14
15
16
17
18
19
Type
float
float
float
float
float
4.4.9 DeltaThetaVel
The delta time, angle, and velocity measurements. The delta time (dtime) is the time interval that the
delta angle and velocities are integrated over. The delta theta (dtheta) is the delta rotation angles
incurred due to rotation, since the last time the values were outputted by the device. The delta velocity
(dvel) is the delta velocity incurred due to motion, since the last time the values were outputted by the
device. These delta angles and delta velocities are calculated based upon the onboard conning and
sculling integration performed onboard the sensor at the IMU rate (default 800Hz). The integration for
both the delta angles and velocities are reset each time either of the values are either polled or sent out
due to a scheduled asynchronous ASCII or binary output. This field is equivalent to the DeltaTheta and
DeltaVel fields in group 3 with the inclusion of the additional delta time parameter.
DeltaThetaVel
dtime
dtheta[0]
dtheta[1]
dtheta[2]
Byte Offset
0
1
2
3
4
5
6
7
8
9
10
11
12
13
14
15
Type
float
float
float
float
DeltaThetaVel (continued)
dvel[0]
dvel[1]
dvel[2]
Byte Offset
16
17
18
19
20
21
22
23
24
25
26
27
Type
float
float
float

44 UM001
4.4.10 SyncInCnt
The number of SyncIn trigger events that have occurred. This field is equivalent to the SyncInCnt field in
group 2.
SyncInCnt
Byte Offset
0
1
2
3
Type
u32

UM001 45
4.5 Binary Group 2 – Time Outputs
Binary group 2 provides all timing and event counter related outputs. Some of these outputs (such as the
TimeGps, TimePps, and TimeUtc), require either that the internal GPS to be enabled, or an external GPS
must be present.
Binary Group 2
Name
Bit Offset
Description
TimeStartup
0
Time since startup.
Reserved
1
Reserved. Not used on this product.
Reserved
2
Reserved. Not used on this product.
Reserved
3
Reserved. Not used on this product.
TimeSyncIn
4
Time since last SyncIn trigger.
Reserved
5
Reserved. Not used on this product.
Reserved
6
Reserved. Not used on this product.
SyncInCnt
7
SyncIn trigger count.
SyncOutCnt
9
SyncOut trigger count.
TimeStatus
10
Time valid status flags.
Resv
11-15
Reserved for future use. Should be set to zero.
4.5.1 TimeStartup
The system time since startup measured in nano seconds. The time since startup is based upon the
internal TXCO oscillator for the MCU. The accuracy of the internal TXCO is +/- 20ppm (-40C to 85C).
TimeStartup
Byte Offset
0
1
2
3
4
5
6
7
Type
uint64
4.5.2 TimeSyncIn
The time since the last SyncIn event trigger expressed in nano seconds.
TimeSyncIn
Byte Offset
0
1
2
3
4
5
6
7
Type
uint64
4.5.3 SyncInCnt
The number of SyncIn trigger events that have occurred.
SyncInCnt
Byte Offset
0
1
2
3
Type
u32
4.5.4 SyncOutCnt
The number of SyncOut trigger events that have occurred.
SyncOutCnt
Byte Offset
0
1
2
3
Type
u32

46 UM001
4.6 Binary Group 3 – IMU Outputs
Binary group 3 provides all outputs which are dependent upon the measurements collected from the
onboard IMU, or an external IMU (if enabled).
Binary Group 3
Name
Bit Offset
Description
ImuStatus
0
Reserved for future use.
UncompMag
1
Uncompensated magnetic measurement.
UncompAccel
2
Uncompensated acceleration measurement.
UncompGyro
3
Uncompensated angular rate measurement.
Temp
4
Temperature measurement.
Pres
5
Pressure measurement.
DeltaTheta
6
Delta theta angles.
DeltaV
7
Delta velocity.
Mag
8
Compensated magnetic measurement.
Accel
9
Compensated acceleration measurement.
AngularRate
10
Compensated angular rate measurement.
Resv
11-15
Reserved for future use. Should be set to zero.
4.6.1 ImuStatus
Status is reserved for future use. Not currently used in the current code, as such will always report 0.
ImuStatus
Byte Offset
0
1
Type
u16
4.6.2 UncompMag
The IMU magnetic field measured in units of Gauss, given in the body frame. This measurement is
compensated by the static calibration (individual factory calibration stored in flash), and the user
compensation, however it is not compensated by the onboard Hard/Soft Iron estimator.
UncompMag
mag[0]
mag[1]
mag[2]
Byte Offset
0
1
2
3
4
5
6
7
8
9
10
11
Type
float
float
float
4.6.3 UncompAccel
The IMU acceleration measured in units of m/s^2, given in the body frame. This measurement is
compensated by the static calibration (individual factory calibration stored in flash), however it is not
compensated by any dynamic calibration such as bias compensation from the onboard INS Kalman filter.
UncompAccel
accel[0]
accel[1]
accel[2]
Byte Offset
0
1
2
3
4
5
6
7
8
9
10
11
Type
float
float
float

UM001 47
4.6.4 UncompGyro
The IMU angular rate measured in units of rad/s, given in the body frame. This measurement is
compensated by the static calibration (individual factory calibration stored in flash), however it is not
compensated by any dynamic calibration such as the bias compensation from the onboard AHRS/INS
Kalman filters.
UncompGyro
gyro[0]
gyro[1]
gyro[2]
Byte Offset
0
1
2
3
4
5
6
7
8
9
10
11
Type
float
float
float
4.6.5 Temp
The IMU temperature measured in units of Celsius.
Temp
Byte Offset
0
1
2
3
Type
float
4.6.6 Pres
The IMU pressure measured in kilopascals. This is an absolute pressure measurement. Typical pressure
at sea level would be around 100 kPa.
Pres
Byte Offset
0
1
2
3
Type
float
4.6.7 DeltaTheta
The delta theta (dtheta) is the delta rotation angles incurred due to rotation, since the last time the values
were output by the device. The delta angles are calculated based upon the onboard conning and sculling
integration performed onboard the sensor at the IMU sampling rate (nominally 800Hz). The delta time
(dtime) is the time interval that the delta angle and velocities are integrated over. The integration for the
delta angles are reset each time the values are either polled or sent out due to a scheduled asynchronous
ASCII or binary output. Time is given in sections. Delta angles are given in degrees.
DeltaTheta
Fields
dtime
dtheta[0]
dtheta[1]
dtheta[2]
Byte Offset
0
1
2
3
4
5
6
7
8
9
10
11
12
13
14
15
Type
float
float
float
float

48 UM001
4.6.8 DeltaV
The delta velocity (dvel) is the delta velocity incurred due to motion, since the last time the values were
output by the device. The delta velocities are calculated based upon the onboard conning and sculling
integration performed onboard the sensor at the IMU sampling rate (nominally 800Hz). The integration
for the delta velocities are reset each time the values are either polled or sent out due to a scheduled
asynchronous ASCII or binary output. Delta velocity is given in meters per second.
DeltaVel
Fields
dvel[0]
dvel[1]
dvel[2]
Byte Offset
0
1
2
3
4
5
6
7
8
9
10
11
Type
float
float
float
4.6.9 Mag
The IMU compensated magnetic field measured units of Gauss, and given in the body frame. This
measurement is compensated by the static calibration (individual factory calibration stored in flash), the
user compensation, and the dynamic calibration from the onboard Hard/Soft Iron estimator.
Mag
mag[0]
mag[1]
mag[2]
Byte Offset
0
1
2
3
4
5
6
7
8
9
10
11
Type
float
float
float
4.6.10 Accel
The compensated acceleration measured in units of m/s^2, and given in the body frame. This
measurement is compensated by the static calibration (individual factory calibration stored in flash), the
user compensation, and the dynamic bias compensation from the onboard INS Kalman filter.
Accel
accel[0]
accel[1]
accel[2]
Byte Offset
0
1
2
3
4
5
6
7
8
9
10
11
Type
float
float
float
4.6.11 AngularRate
The compensated angular rate measured in units of rad/s, and given in the body frame. This measurement
is compensated by the static calibration (individual factor calibration stored in flash), the user
compensation, and the dynamic bias compensation from the onboard INS Kalman filter.
AngularRate
gyro[0]
gyro[1]
gyro[2]
Byte Offset
0
1
2
3
4
5
6
7
8
9
10
11
Type
float
float
float

UM001 49
4.7 Binary Group 5 – Attitude Outputs
Binary group 5 provides all estimated outputs which are dependent upon the estimated attitude solution.
The attitude will be derived from either the AHRS or the INS, depending upon which filter is currently
active and tracking. All of the fields in this group will only be valid if the AHRS/INS filter is currently enabled
and tracking.
Binary Group 5
Name
Bit Offset
Description
VpeStatus
0
VPE Status
Ypr
1
Yaw Pitch Roll
Qtn
2
Quaternion
DCM
3
Directional Cosine Matrix
MagNed
4
Compensated magnetic (NED)
AccelNed
5
Compensated acceleration (NED)
LinearAccelBody
6
Compensated linear acceleration (no gravity)
LinearAccelNed
7
Compensated linear acceleration (no gravity) (NED)
YprU
8
Yaw Pitch Roll uncertainty
Resv
9-15
Reserved for future use. Should be set to zero.
4.7.1 VpeStatus
The VPE status bitfield.
VpeStatus
Byte Offset
0
1
Type
u16
VpeStatus BitField
Name
Bit
Offset
Format
Unit
Description
AttitudeQuality
0
2 bits
-
Provides an indication of the quality of the attitude
solution.
GyroSaturation
2
1 bit
-
At least one gyro axis is currently saturated.
GyroSaturationRecovery
3
1 bit
-
Filter is in the process of recovering from a gyro
saturation event.
MagDisturbance
4
2 bit
-
A magnetic DC disturbance has been detected.
0 – No magnetic disturbance
1 to 3 – Magnetic disturbance is present.
MagSaturation
6
1 bit
-
At least one magnetometer axis is currently saturated.
AccDisturbance
7
2 bit
-
A strong acceleration disturbance has been detected.
0 – No acceleration disturbance.
1 to 3 – Acceleration disturbance has been detected.
AccSaturation
9
1 bit
-
At least one accelerometer axis is currently saturated.
Reserved
10
1 bit
-
Reserved for internal use. May change state at run-
time.
KnownMagDisturbance
11
1 bit
-
A known magnetic disturbance has been reported by
the user and the magnetometer is currently tuned out.
KnownAccelDisturbance
12
1 bit
-
A known acceleration disturbance has been reported by
the user and the accelerometer is currently tuned out.
Reserved
13
3 bits
-
Reserved for future use.

50 UM001
Table 1 - AttitudeQuality Field
Value
Description
0
Excellent
1
Good
2
Bad
3
Not tracking
4.7.2 YawPitchRoll
The estimated attitude Yaw, Pitch, and Roll angles measured in degrees. The attitude is given as a 3,2,1
Euler angle sequence describing the body frame with respect to the local North East Down (NED) frame.
YawPitchRoll
yaw
pitch
roll
Byte Offset
0
1
2
3
4
5
6
7
8
9
10
11
Type
float
float
float
4.7.3 Quaternion
The estimated attitude quaternion. The last term is the scalar value. The attitude is given as the body
frame with respect to the local North East Down (NED) frame.
Quaternion
qtn[0]
qtn[1]
qtn[2]
qtn[3]
Byte Offset
0
1
2
3
4
5
6
7
8
9
10
11
12
13
14
15
Type
float
float
float
float
4.7.4 DCM
The estimated attitude directional cosine matrix given in column major order. The DCM maps vectors
from the North East Down (NED) frame into the body frame.
Dcm
Fields
dcm[0]
dcm[1]
dcm[2]
dcm[3]
dcm[4]
dcm[5]
Byte
Offset
0
1
2
3
4
5
6
7
8
9
10
11
12
13
14
15
16
17
18
19
20
21
22
23
Type
float
float
float
float
float
float
Dcm (continued)
Fields
dcm[6]
dcm[7]
dcm[8]
Byte Offset
24
25
26
27
28
29
30
31
32
33
34
35
Type
float
float
float
4.7.5 MagNed
The current estimated magnetic field (Gauss), given in the North East Down (NED) frame. The current
attitude solution is used to map the measurement from the measured body frame to the inertial (NED)
frame. This measurement is compensated by both the static calibration (individual factory calibration

UM001 51
stored in flash), and the dynamic calibration such as the user or onboard Hard/Soft Iron compensation
registers.
MagNed
mag[0]
mag[1]
mag[2]
Byte Offset
0
1
2
3
4
5
6
7
8
9
10
11
Type
float
float
float
4.7.6 AccelNed
The estimated acceleration (with gravity) reported in m/s^2, given in the North East Down (NED) frame.
The acceleration measurement has been bias compensated by the onboard INS filter. This measurement
is attitude dependent, since the attitude is used to map the measurement from the body frame into the
inertial (NED) frame. If the device is stationary and the INS filter is tracking, the measurement should be
nominally equivalent to the gravity reference vector in the inertial frame (NED).
AccelNed
accel[0]
accel[1]
accel[2]
Byte Offset
0
1
2
3
4
5
6
7
8
9
10
11
Type
float
float
float
4.7.7 LinearAccelBody
The estimated linear acceleration (without gravity) reported in m/s^2, and given in the body frame. The
acceleration measurement has been bias compensated by the onboard INS filter, and the gravity
component has been removed using the current gravity reference vector model. This measurement is
attitude dependent, since the attitude solution is required to map the gravity reference vector (known in
the inertial NED frame), into the body frame so that it can be removed from the measurement. If the
device is stationary and the onboard INS filter is tracking, the measurement nominally will read 0 in all
three axes.
LinearAccelBody
accel[0]
accel[1]
accel[2]
Byte Offset
0
1
2
3
4
5
6
7
8
9
10
11
Type
float
float
float

52 UM001
4.7.8 LinearAccelNed
The estimated linear acceleration (without gravity) reported in m/s^2, and given in the North East Down
(NED) frame. This measurement is attitude dependent as the attitude solution is used to map the
measurement from the body frame into the inertial (NED) frame. This acceleration measurement has
been bias compensated by the onboard INS filter, and the gravity component has been removed using the
current gravity reference vector estimate. If the device is stationary and the onboard INS filter is tracking,
the measurement nominally will read 0 in all three axes.
LinearAccelNed
accel[0]
accel[1]
accel[2]
Byte Offset
0
1
2
3
4
5
6
7
8
9
10
11
Type
float
float
float
4.7.9 YprU
The estimated attitude (Yaw, Pitch, Roll) uncertainty (1 Sigma), reported in degrees.
YprU
yaw
pitch
roll
Byte Offset
0
1
2
3
4
5
6
7
8
9
10
11
Type
float
float
float
The estimated attitude (YprU) field is not valid when the INS Scenario mode in the INS Basic
Configuration register is set to AHRS mode. See the INS Basic Configuration Register in the INS section
for more details.

UM001 53
5 System Module
5.1 Commands
5.1.1 Read Register Command
This command allows the user to read any of the registers on the VN-100. The only required parameter
is the ID of the register to be read. The first parameter of the response will contain the same register ID
followed by a variable number of parameters. The number of parameters and their formatting is specific
to the requested register. Refer to the appropriate register listed in the subsystem sections for details on
this formatting. If an invalid register is requested, an error code will be returned.
Example Read Register Command
Example Command
Message
UART Command
$VNRRG,5*46
UART Response
$VNRRG,5,9600*65
5.1.2 Write Register Command
This command is used to write data values to a specified register on the VN-100 module. The ID of the
register to be written to is the first parameter. This is followed by the data values specific to that register.
Refer to the appropriate register listed in the subsystem sections for details on this formatting. If an
invalid register is requested, an error code will be returned.
Example Write Register Command
Example Command
Message
UART Command
$VNWRG,5,9600*60
UART Response
$VNWRG,5,9600*60

54 UM001
5.1.3 Write Settings Command
This command will write the current register settings into non-volatile memory. Once the settings are
stored in non-volatile (Flash) memory, the VN-100 module can be power cycled or reset, and the register
will be reloaded from non-volatile memory.
Example Write Settings Command
Example Command
Message
UART Command
$VNWNV*57
UART Response
$VNWNV*57
Due to limitations in the flash write speed the write settings command takes ~ 500ms to complete. Any
commands that are sent to the sensor during this time will be responded to after the operation is
complete.
The sensor must be stationary when issuing a Write Settings Command otherwise a Reset command
must also be issued to prevent the Kalman Filter from diverging during the write settings process.
5.1.4 Restore Factory Settings Command
This command will restore the VN-100 module’s factory default settings and will reset the module. There
are no parameters for this command. The module will respond to this command before restoring the
factory settings.
Example Restore Factory Settings Command
Example Command
Message
UART Command
$VNRFS*5F
UART Response
$VNRFS*5F
5.1.5 Reset Command
This command will reset the module. There are no parameters required for this command. The module
will first respond to the command and will then perform a reset. Upon a reset all registers will be reloaded
with the values saved in non-volatile memory. If no values are stored in non-volatile memory, the device
will default to factory settings. Also upon reset the VN-100 will re-initialize its Kalman filter, thus the filter
will take a few seconds to completely converge on the correct attitude and correct for gyro bias.
Example Reset Command
Example Command
Message
UART Command
$VNRST*4D
UART Response
$VNRST*4D

UM001 55
5.1.6 Firmware Update Command
This command is used to enter the boot loader for performing firmware updates. Upon receiving this
command on serial port 1, the VN-100 will enter into firmware reprogramming mode. The easiest method
of updating firmware is to use one of the VectorNav Firmware Update Tools. If you wish however to
incorporate the ability to update the firmware into your own system, the protocol and procedure for
updating the firmware is outlined in the AN013 Firmware Update Protocol application note.
Example Firmware Update Command
Example Command
Message
UART Command
$VNFWU*XX
UART Response
$VNFWU*XX
Firmware updates are only supported on serial port 1. If you plan on using either serial port 2 as your
primary means of communicating with the sensor, it is recommended that you also provide support in
your design to communicate with the sensor using serial port 1 to facilitate firmware updates.
5.1.7 Serial Command Prompt Command
This command allows you to enter into the command prompt mode on either serial port. The command
mode supports a wide range of diagnostics and configuration options that go beyond the abilities of the
normal read/write configuration register interface.
Example Command Prompt Command
Example Command
Message
UART Command
$VNCMD*XX
UART Response
$VNCMD*XX

56 UM001
5.1.8 Asynchronous Output Pause Command
This command allows the user to temporarily pause the asynchronous outputs on the given serial port.
When paused, both the ASCII and the 3 binary asynchronous output messages will temporarily stop
outputting from the device on the serial port for which this command is received. The state of the
asynchronous output register and the binary output configuration registers will not be changed when the
asynchronous outputs are paused. This command is useful when you want to send configuration
commands to the VN-100, but do not want to deal with the additional overhead of having to parse a
constant stream of asynchronous output messages while waiting for the response to your configuration
commands. It is also useful when you want to type commands to the device from a serial command
prompt. The below example commands demonstrate how to pause and resume asynchronous outputs.
Example Asynchronous Pause/Resume Commands
Example Command
Message
Pause Async Outputs
$VNASY,0*XX
Resume Async Outputs
$VNASY,1*XX
5.1.9 Binary Output Poll Command
This command allows you to poll the sensor measurements available in the binary output protocol.
Example Command Prompt Command
Example Command
Message
UART Command
$VNBOM,N*XX
Where N is 1-3 to selecte the appropriate binary
output register.
UART Response
Responds with requested binary packet.
To use the Binary Output Poll command you will first need to configure the desired output packet using
the Binary Output Register 1-3. If you wish only to poll this output, set the rate in the Binary Output
Register to 0. When you wish to poll the measurement send the command $VNBOM,N*XX where the
N is the number of the appropriate binary output register.

UM001 57
5.2 Configuration Registers
5.2.1 User Tag Register
User Tag
Register ID :
0
Access :
Read /
Write
Comment :
User assigned tag register. Any values can be assigned to this register. They
will be stored to flash upon issuing a write settings command.
Size (Bytes):
20
Example Response:
$VNRRG,00,SENSOR_A14*52
Offset
Name
Format
Unit
Description
0
Tag
char
-
User defined tag register. Up to 20 bytes or characters. If a
string with more than 20 characters is given, then the string
will be truncated to the first 20.
Only printable ASCII characters are allowed for the user tag register.
Allowable characters include any character in the hexadecimal range of 0x20 to 0x7E, excluding 0x24
(‘$’), 0x2C (‘,’), and 0x2A (‘*’). The use any other character will result in an invalid parameter error code
returned. This restriction is required to ensure that the value set in the user tag register remains
accessible using the serial ASCII protocol.

58 UM001
5.2.2 Model Number Register
Model Number
Register ID :
1
Access :
Read Only
Comment :
Model Number
Size (Bytes):
24
Example Response:
$VNRRG,01,VN-310*58
Offset
Name
Format
Unit
Description
0
Product
Name
char
-
Product name. Max 24 characters.

UM001 59
5.2.3 Hardware Revision Register
Register ID :
2
Access :
Read Only
Comment :
Hardware revision.
Size (Bytes):
4
Example Response:
$VNRRG,02,1*6C
Offset
Name
Format
Unit
Description
0
Revision
uint32
-
Hardware revision.

60 UM001
5.2.4 Serial Number Register
Serial Number
Register ID :
3
Access :
Read Only
Comment :
Serial Number
Size (Bytes):
4
Example Response:
$VNRRG,03,0100011981*5D
Offset
Name
Format
Unit
Description
0
SerialNum
uint32
-
Serial Number (32-bit unsigned integer)

UM001 61
5.2.5 Firmware Version Register
Firmware Version Register
Register ID :
4
Access :
Read Only
Comment :
Firmware version.
Size (Bytes):
4
Example Response:
$VNRRG,04,0.4.0.0*71
Offset
Name
Format
Unit
Description
0
Major
Version
uint8
-
Major release version of firmware.
1
Minor
Version
uint8
-
Minor release version of firmware
2
Feature
Version
uint8
-
Feature release version of the firmware.
3
HotFix
uint8
-
Hot fix number. Numbers above 100 are reserved for
custom firmware versions.

62 UM001
5.2.6 Serial Baud Rate Register
Serial Baud Rate
Register ID :
5
Access :
Read /
Write
Comment :
Serial baud rate.
Size (Bytes):
4
Example Command:
$VNWRG,05,115200*58
Offset
Name
Format
Unit
Description
0
Baud Rate
uint32
-
Serial baud rate.
4
Serial Port
uint8
-
Optional. The serial port to change the baud rate on.
If this parameter is not provided then the baud rate will be
changed for the active serial port.
1 – Serial Port 1
2 – Serial Port 2
Baud Rate Settings
Acceptable
Baud Rates
9600
19200
38400
57600
115200
128000
230400
460800
921600
The serial port parameter in this register is optional. If it is not provided, the baud rate will be changed
on the active serial port. The response to this register will include the serial port parameter if the
optional parameter is provided. If the second parameter is not provided then the response will not
include this parameter.
Upon receiving a baud rate change request, the VN-100 will send the response prior to changing the
baud rate.

UM001 63
5.2.7 Async Data Output Type Register
Asynchronous Data Output Type
Register ID :
6
Access :
Read /
Write
Comment :
Asynchronous data output type.
Size (Bytes):
4
Example Command:
$VNWRG,06,0*6C
Offset
Name
Format
Unit
Description
0
ADOR
uint32
-
Output register.
4
Serial Port
uint8
-
Optional. The serial port to change the asynchronous data
type on. If this parameter is not provided then the ADOR
will be changed for the active serial port.
1 – Serial Port 1
2 – Serial Port 2
This register controls the type of data that will be asynchronously outputted by the module. With this
register, the user can specify which data register will be automatically outputted when it gets updated
with a new reading. The table below lists which registers can be set to asynchronously output, the value
to specify which register to output, and the header of the asynchronous data packet. Asynchronous data
output can be disabled by setting this register to zero. The asynchronous data output will be sent out
automatically at a frequency specified by the Async Data Output Frequency Register.
The serial port parameter in this register is optional. If it is not provided, the ADOF will be changed on
the active serial port. The response to this register will include the serial port parameter if the optional
parameter is provided. If the second parameter is not provided, the response will not include this
parameter.

64 UM001
Asynchronous Solution Output Settings
Setting
Asynchronous Solution Output Type
Header
0
Asynchronous output turned off
N/A
1
Yaw, Pitch, Roll
VNYPR
2
Quaternion
VNQTN
8
Quaternion, Magnetic, Acceleration and Angular Rates
VNQMR
9
Directional Cosine Orientation Matrix
VNDCM
10
Magnetic Measurements
VNMAG
11
Acceleration Measurements
VNACC
12
Angular Rate Measurements
VNGYR
13
Magnetic, Acceleration, and Angular Rate Measurements
VNMAR
14
Yaw, Pitch, Roll, Magnetic, Acceleration, and Angular Rate
Measurements
VNYMR
16
Yaw, Pitch, Roll, Body True Acceleration, and Angular Rates
VNYBA
17
Yaw, Pitch, Roll, Inertial True Acceleration, and Angular
Rates
VNYIA
19
IMU Measurements
VNIMU
20
GPS LLA
VNGPS
21
GPS ECEF
VNGPE
22
INS LLA
VNINS
23
INS ECEF
VNINE
30
Delta theta and delta velocity
VNDTV

UM001 65
5.2.8 Async Data Output Frequency Register
Asynchronous Data Output Frequency
Register ID :
7
Access :
Read /
Write
Comment :
Asynchronous data output frequency.
Size (Bytes):
4
Example Command:
$VNWRG,07,40*59
Offset
Name
Format
Unit
Description
0
ADOF
uint32
Hz
Output frequency.
4
Serial Port
uint8
-
Optional. The serial port to change the asynchronous data
type frequency on. If this parameter is not provided then
the ADOF will be changed for the active serial port.
1 – Serial Port 1
2 – Serial Port 2
ADOR Data Rates
Acceptable
Data Rates (Hz)
1
2
4
5
10
20
25
40
50
100
200
The serial port parameter in this register is optional. If it is not provided, the ADOF will be changed on
the active serial port. The response to this register will include the serial port parameter if the optional
parameter is provided. If the second parameter is not provided, the response will not include this
parameter.

66 UM001
5.2.9 Synchronization Control
Synchronization Control
Register ID :
32
Access :
Read / Write
Comment :
Contains parameters which allow the timing of the VN-100 to be synchronized
with external devices.
Size (Bytes):
20
Example Response:
$VNRRG,32,3,0,0,0,6,1,0,100000000,0*6B
Offset
Name
Format
Unit
Description
0
SyncInMode
uint8
-
Input signal synchronization mode
1
SyncInEdge
uint8
-
Input signal synchronization edge selection
2
SyncInSkipFactor
uint16
-
Input signal trigger skip factor
4
RESERVED
uint32
-
Reserved for future use. Defaults to 0.
8
SyncOutMode
uint8
-
Output synchronization signal mode
9
SyncOutPolarity
uint8
-
Output synchronization signal polarity
10
SyncOutSkipFactor
uint16
-
Output synchronization signal skip factor
12
SyncOutPulseWidth
uint32
ns
Output synchronization signal pulse width
16
RESERVED
uint32
-
Reserved for future use. Defaults to 0.
SyncInMode
The SyncInMode register controls the behavior of the SyncIn event. If the mode is set to COUNT then the
internal clock will be used to control the IMU sampling. If SyncInMode is set to IMU then the IMU sampling
loop will run on a SyncIn event. The relationship between the SyncIn event and a SyncIn trigger is defined
by the SyncInEdge and SyncInSkipFactor parameters. If set to ASYNC then the VN-100 will output
asynchronous serial messages upon each trigger event.
SyncIn Mode
Mode
Pin
Value
Description
COUNT
SYNC_IN
3
Count number of trigger events on SYNC_IN.
IMU
SYNC_IN
4
Start IMU sampling on trigger of SYNC_IN.
ASYNC
SYNC_IN
5
Output asynchronous message on trigger of SYNC_IN.
ASYNC3
SYNC_IN
6
Output asynchronous or binary messages configured with a rate of 0 to
output on trigger of SYNC_IN.
In ASYNC3 mode messages configured with an output rate = 0 are output each time the appropriate
transistion edge of the SyncIn pin is captured according to the edge settings in the SyncInEdge field.
Messages configured with output rate > 0 are not affected by the SyncIn puse. This applies to the ASCII
Async message set by the Async Data Output Register, the user configurate binary output messages set
by the Binary Output Registers, as well as the NMEA messages configured by the NMEA Output
Registers.

UM001 67
SyncInEdge
The SyncInEdge register controls the type of edge the signal is set to trigger on. The factory default state
is to trigger on a rising edge.
SyncInEdge Mode
Value
Description
0
Trigger on rising edge
1
Trigger on falling edge
SyncInSkipFactor
The SyncInSkipFactor defines how many times trigger edges defined by SyncInEdge should occur prior to
triggering a SyncIn event. The action performed on a SyncIn event is determined by the SyncIn mode. As
an example if the SyncInSkipFactor was set to 4 and a 1 kHz signal was attached to the SyncIn pin, then
the SyncIn event would only occur at 200 Hz.
SyncOutMode
The SyncOutMode register controls the behavior of the SyncOut pin. If this is set to IMU then the SyncOut
will start the pulse when the internal IMU sample loop starts. This mode is used to make a sensor the
Master in a multi-sensor network array. If this is set to IMU_READY mode then the pulse will start when
IMU measurements become available. If this is set to INS mode then the pulse will start when attitude
measurements are made available. Changes to this register take effect immediately.
SyncOutMode
Mode
Value
Description
NONE
0
None
IMU_START
1
Trigger at start of IMU sampling
IMU_READY
2
Trigger when IMU measurements are available
INS
3
Trigger when attitude measurements are available
SyncOutPolarity
The SyncOutPolarity register controls the polarity of the output pulse on the SyncOut pin. Changes to this
register take effect immediately.
SyncOutPolarity
Value
Description
0
Negative Pulse
1
Positive Pulse
SyncOutSkipFactor
The SyncOutSkipFactor defines how many times the sync out event should be skipped before actually
triggering the SyncOut pin.
SyncOutPulseWidth
The SyncOutPulseWidth field controls the desired width of the SyncOut pulse. The default value is
100,000,000 (100 ms).

68 UM001
5.2.10 Communication Protocol Control
Communication Protocol Control
Register ID :
30
Access :
Read /
Write
Comment :
Contains parameters that controls the communication protocol used by the sensor.
Size (Bytes):
7
Example Response:
$VNRRG,30,0,0,0,0,1,0,1*6C
Offset
Name
Format
Unit
Description
0
SerialCount
uint8
-
Provides the ability to append a counter or time to the end
of the serial asynchronous messages.
1
SerialStatus
uint8
-
Provides the ability to append the status to the end of the
serial asynchronous messages.
2
SPICount
uint8
-
Provides the ability to append a counter to the end of the
SPI packets.
3
SPIStatus
uint8
-
Provides the ability to append the status to the end of the
SPI packets.
4
SerialChecksum
uint8
-
Choose the type of checksum used for serial
communications.
5
SPIChecksum
uint8
-
Choose the type of checksum used for the SPI
communications.
6
ErrorMode
uint8
-
Choose the action taken when errors are generated.

UM001 69
Serial Count
The SerialCount field provides a means of appending a time or counter to the end of all asynchronous
communication messages transmitted on the serial interface. The values for each of these counters come
directly from the Synchronization Status Register in the System subsystem.
With the SerialCount field set to OFF a typical serial asynchronous message would appear as the following:
$VNYPR,+010.071,+000.278,-002.026*60
With the SerialCount field set to one of the non-zero values the same asynchronous message would
appear instead as:
$VNYPR,+010.071,+000.278,-002.026,T1162704*2F
When the SerialCount field is enabled the counter will always be appended to the end of the message just
prior to the checksum. The counter will be preceded by the T character to distinguish it from the status
field.
SerialCount Field
Mode
Value
Description
NONE
0
OFF
SYNCIN_COUNT
1
SyncIn Counter
SYNCIN_TIME
2
SyncIn Time
SYNCOUT_COUNT
3
SyncOut Counter
GPS_PPS
4
Gps Pps Time
SerialStatus
The SerialStatus field provides a means of tracking real-time status information pertaining to the overall
state of the sensor measurements and onboard filtering algorithm. As with the SerialCount, a typical serial
asynchronous message would appear as the following:
$VNYPR,+010.071,+000.278,-002.026*60
With the SerialStatus field set to one of the non-zero values, the same asynchronous message would
appear instead as:
$VNYPR,+010.071,+000.278,-002.026,S0000*1F
When the SerialStatus field is enabled the status will always be appended to the end of the message just
prior to the checksum. If both the SerialCount and SerialStatus are enabled then the SerialStatus will be
displayed first. The counter will be preceded by the S character to distinguish it from the counter field.
The status consists of 4 hexadecimal characters.
SerialStatus
Value
Description
0
OFF
1
VPE Status
2
INS Status

70 UM001
SPICount
The SPICount field provides a means of appending a time or counter to the end of all SPI packets. The
values for each of these counters come directly from the Synchronization Status Register.
SPICount Field
Mode
Value
Description
NONE
0
OFF
SYNCIN_COUNT
1
SyncIn Counter
SYNCIN_TIME
2
SyncIn Time
SYNCOUT_COUNT
3
SyncOut Counter
GPS_PPS
4
Gps Pps Time
SPIStatus
The AsyncStatus field provides a means of tracking real-time status information pertaining to the overall
state of the sensor measurements and onboard filtering algorithm. This information is very useful in
situations where action must be taken when certain crucial events happen such as the detection of gyro
saturation or magnetic interference.
SPIStatus
Value
Description
0
OFF
1
VPE Status
2
INS Status
SerialChecksum
This field controls the type of checksum used for the serial communications. Normally the VN-100 uses
an 8-bit checksum identical to the type used for normal GPS NMEA packets. This form of checksum
however offers only a limited means of error checking. As an alternative a full 16-bit CRC (CRC16-CCITT
with polynomial = 0x07) is also offered. The 2-byte CRC value is printed using 4 hexadecimal digits.
SerialChecksum
Value
Description
1
8-Bit Checksum
3
16-Bit CRC
SPIChecksum
This field controls the type of checksum used for the SPI communications. The checksum is appended to
the end of the binary data packet. The 16-bit CRC is identical to the one described above for the
SerialChecksum.
SPIChecksum
Value
Description
0
OFF
1
8-Bit Checksum
3
16-Bit CRC

UM001 71
ErrorMode
This field controls the type of action taken by the VN-100 when an error event occurs. If the send error
mode is enabled then a message similar to the one shown below will be sent on the serial bus when an
error event occurs.
$VNERR,03*72
Regardless of the state of the ErrorMode, the number of error events is always recorded and is made
available in the SysErrors field of the Communication Protocol Status Register in the System subsystem.
ErrorMode
Value
Description
0
Ignore Error
1
Send Error
2
Send Error and set ADOR register to OFF
Example Async Messages
The following table shows example asynchronous messages with the AsyncCount and the AsyncStatus
values appended to the end.
Example Type
Message
Async Message with
AsyncCount Enabled
$VNYPR,+010.071,+000.278,-002.026,T1162704*2F
Async Message with
AsyncStatus Enabled
$VNYPR,+010.071,+000.278,-002.026,S0000*1F
Async Message with
AsyncCount and
AsyncStatus Enabled
$VNYPR,+010.071,+000.278,-002.026,T1162704,S0000*50

72 UM001
5.2.11 Binary Output Register 1
Binary Output Register 1
Register ID :
75
Access :
Read / Write
Comment :
This register allows the user to construct a custom binary output message that contains a
collection of desired estimated states and sensor measurements.
Size (Bytes):
6-22
Example Response:
$VNWRG,75,2,4,1,8*XX
Offset
Name
Format
Unit
Description
0
AsyncMode
uint16
-
Selects whether the output message should be sent out on the
serial port(s) at a fixed rate.
0 = None. User message is not automatically sent out either
serial port.
1 = Message is sent out serial port 1 at a fixed rate.
2 = Message is sent out serial port 2 at a fixed rate.
3 = Message is sent out both serial ports at a fixed rate.
2
RateDivisor
uint16
-
Sets the fixed rate at which the message is sent out the
selected serial port(s). The number given is a divisor of the
ImuRate which is nominally 800Hz. For example to have the
sensor output at 50Hz you would set the Divisor equal to 16.
4
OutputGroup
uint16
-
Selects which output groups are active in the message. The
number of OutputFields in this message should equal the
number of active bits in the OutputGroup.
4+N
OutputGroup(N)
uint8
-
Selects which output groups are active in the message. The
number of OutputFields in this message should equal the
number of active bits in the OutputGroup.
4+N+2*M
OutputField(1)
uint16
-
Selects which output data fields are active within the selected
output groups.
See the User Configurable Binary Output Messages section for information on the format for the Groups
and Group Fields.
In the offset column above the variable N is the number of output group bytes. If data is requested
from only groups 1-7, there will be only one output group present (N=1). If data is requested from an
output group of 9-14, then two output groups bytes will be present.
The number of OutputFields present must be equal to the number of output groups selected in the
OutputGroup byte(s). For example if groups 1 and 3 are selected (OutputGroup = 0x05 or 0b00000101),
then there must be two OutputField parameters present (M = 2).
If the number of OutputFields is inconsistent with the number of OutputGroups selected, then the unit
will respond with an invalid parameter error when attempting to write to this register.
If the user attempts to turn on more data than it is possible to send out at the current baud rate, the
unit will resond with a insufficient baud rate error.
To turn off the binary output it is recommended to set the AsyncMode = 0.

UM001 73
5.2.12 Binary Output Register 2
Binary Output Register 2
Register ID :
76
Access :
Read / Write
Comment :
This register allows the user to construct a custom binary output message that contains a
collection of desired estimated states and sensor measurements.
Size (Bytes):
6-22
Example Response:
$VNWRG,76,2,4,1,8*XX
Offset
Name
Format
Unit
Description
0
AsyncMode
uint16
-
Selects whether the output message should be sent out on the
serial port(s) at a fixed rate.
0 = None. User message is not automatically sent out either
serial port.
1 = Message is sent out serial port 1 at a fixed rate.
2 = Message is sent out serial port 2 at a fixed rate.
3 = Message is sent out both serial ports at a fixed rate.
2
RateDivisor
uint16
-
Sets the fixed rate at which the message is sent out the
selected serial port(s). The number given is a divisor of the
ImuRate which is nominally 800Hz. For example to have the
sensor output at 50Hz you would set the Divisor equal to 16.
4
OutputGroup
uint16
-
Selects which output groups are active in the message. The
number of OutputFields in this message should equal the
number of active bits in the OutputGroup.
4+N
OutputGroup(N)
uint8
-
Selects which output groups are active in the message. The
number of OutputFields in this message should equal the
number of active bits in the OutputGroup.
4+N+2*M
OutputField(1)
uint16
-
Selects which output data fields are active within the selected
output groups.
See the User Configurable Binary Output Messages section for information on the format for the Groups
and Group Fields.
In the offset column above the variable N is the number of output group bytes. If data is requested
from only groups 1-7, there will be only one output group present (N=1). If data is requested from an
output group of 9-14, then two output groups bytes will be present.
The number of OutputFields present must be equal to the number of output groups selected in the
OutputGroup byte(s). For example if groups 1 and 3 are selected (OutputGroup = 0x05 or 0b00000101),
then there must be two OutputField parameters present (M = 2).
If the number of OutputFields is inconsistent with the number of OutputGroups selected, then the unit
will respond with an invalid parameter error when attempting to write to this register.
If the user attempts to turn on more data than it is possible to send out at the current baud rate, the
unit will resond with a insufficient baud rate error.
To turn off the binary output it is recommended to set the AsyncMode = 0.

74 UM001
5.2.13 Binary Output Register 3
Binary Output Register 3
Register ID :
77
Access :
Read / Write
Comment :
This register allows the user to construct a custom binary output message that contains a
collection of desired estimated states and sensor measurements.
Size (Bytes):
6-22
Example Response:
$VNWRG,77,2,4,1,8*XX
Offset
Name
Format
Unit
Description
0
AsyncMode
uint16
-
Selects whether the output message should be sent out on the
serial port(s) at a fixed rate.
0 = None. User message is not automatically sent out either
serial port.
1 = Message is sent out serial port 1 at a fixed rate.
2 = Message is sent out serial port 2 at a fixed rate.
3 = Message is sent out both serial ports at a fixed rate.
2
RateDivisor
uint16
-
Sets the fixed rate at which the message is sent out the
selected serial port(s). The number given is a divisor of the
ImuRate which is nominally 800Hz. For example to have the
sensor output at 50Hz you would set the Divisor equal to 16.
4
OutputGroup
uint16
-
Selects which output groups are active in the message. The
number of OutputFields in this message should equal the
number of active bits in the OutputGroup.
4+N
OutputGroup(N)
uint8
-
Selects which output groups are active in the message. The
number of OutputFields in this message should equal the
number of active bits in the OutputGroup.
4+N+2*M
OutputField(1)
uint16
-
Selects which output data fields are active within the selected
output groups.
See the User Configurable Binary Output Messages section for information on the format for the Groups
and Group Fields.
In the offset column above the variable N is the number of output group bytes. If data is requested
from only groups 1-7, there will be only one output group present (N=1). If data is requested from an
output group of 9-14, then two output groups bytes will be present.
The number of OutputFields present must be equal to the number of output groups selected in the
OutputGroup byte(s). For example if groups 1 and 3 are selected (OutputGroup = 0x05 or 0b00000101),
then there must be two OutputField parameters present (M = 2).
If the number of OutputFields is inconsistent with the number of OutputGroups selected, then the unit
will respond with an invalid parameter error when attempting to write to this register.
If the user attempts to turn on more data than it is possible to send out at the current baud rate, the
unit will resond with a insufficient baud rate error.
To turn off the binary output it is recommended to set the AsyncMode = 0.

UM001 75
5.3 Status Registers
5.3.1 Synchronization Status
Synchronization Status
Register ID :
33
Access :
Read / Write
Comment :
Contains status parameters that pertaining to the communication synchronization features.
Size (Bytes):
12
Example
Response:
$VNRRG,33,2552498,0,0*6A
Offset
Name
Format
Unit
Description
0
SyncInCount
uint32
-
Keeps track of the number of times that the SyncIn
trigger even has occured. This register can be used to
correlate the attitude to an event on an external
system such as a camera or GPS.
It is also possible to have the value of this register
appended to each asynchronous data packet on the
serial bus. This can be done by setting the AsyncStatus
field in the Communication Protocol register to 1.
4
SyncInTime
uint32
µs
Keeps track of the amount of time that has elapsed
since the last SyncIn trigger event. If the SyncIn pin is
connected to the PPS (Pulse Per Second) line on a GPS
and the AsyncStatus field in the Communication
Protocol Register is set to 1, then each asynchronous
measurement will be time stamped relative to the last
received GPS measurement.
8
SyncOutCount
uint32
-
Keeps track of the number of times that the SyncOut
trigger event has occurred. This register can be used to
index subsequent measurement outputs, which is
particularly useful when logging sensor data.
Writing zero to the SyncInCount or the SyncOutCount will reset the status counter. Any other value
other than zero will not have an effect. The SyncInTime is read only and cannot be reset to zero.

76 UM001
5.4 Factory Defaults
Settings Name
Default Factory Value
User Tag
NULL (Empty string)
Serial Baud Rate
115200
Async Data Output Frequency
40 Hz
Async Data Output Type
INS_LLA
Synchronization Control
3,0,0,0,6,1,0,100000000,0
Communication Protocol Control
0,0,0,0,1,0,1
Binary Output Register 1
0, 0, 0
Binary Output Register 2
0, 0, 0
Binary Output Register 3
0, 0, 0

UM001 77
5.5 Command Prompt
The command prompt provides a fast and simple means of configuring and monitoring the status of the
sensor by typing commands to the unit using the serial port.
5.5.1 List Available Commands
Commands for the System subsystem can be accessed by typing in ‘system’ at the command prompt. To
view all available commands, type ‘system ?’. Below is a view of a terminal window showing a list of the
available commands.
system ?
System Module Commands:
Command: Description:
-------- -----------------------------------------
info Device specific information such as serial number and firmware version.
comm Information on the communication interfaces.
errors Overview of the logged system errors.
reset Perform a software reset on the unit.
save Save register settings to flash memory.
restore Restore register settings to their factory default state.
5.5.2 System Info
system info
-------------------------------- System Info ---------------------------------
Hardware:
Product Model: VN-310
Serial Number: 100013003
MCU Serial Number: 34323439044731322F002100
Hardware Revision: 2
Form Revision: 1
Software:
Firmware Version: 0.3.0.0
Revision: 691
Build Number: 2813
--------------------------------------------------------------------------------
5.5.3 System Comm
system comm
---------------------- System Communication Interfaces -----------------------
Communication Stats:
Serial Messages Parsed : 29
Spi Messages Parsed : 0
Max Serial RX Buffer Usage : 0
Max Serial TX Buffer Usage : 4
Max Spi RX Buffer Usage : 0
Max Spi TX Buffer Usage : 0

78 UM001
Current Serial 1 TX Bandwidth Usage : 00.0
Current Serial 2 TX Bandwidth Usage : 49.3
Max Serial 1 TX Bandwidth Usage : 49.3
Max Serial 2 TX Bandwidth Usage : 50.5
Min Serial 1 TX Bandwidth Usage : 00.0
Min Serial 2 TX Bandwidth Usage : 48.1
--------------------------------------------------------------------------------
5.5.4 System Errors
system errors
------------------------------- System Errors --------------------------------
Hard Fault Exceptions : 0
Serial Input Buffer Overflow : 0
Serial Output Buffer Overflow : 0
Serial Insufficient Bandwidth : 0
Invalid Checksums : 6
Invalid Commands : 2
Input Error - Too Few Parameters : 0
Input Error - Too Many Parameters : 0
Input Error - Invalid Parameter : 0
Input Error - Invalid Register : 0
Input Error - Unauthorized Access : 2
Input Error - Watchdog Reset : 0
--------------------------------------------------------------------------------
5.5.5 System Reset
system reset
5.5.6 System Save
system save

UM001 79
6 IMU Subsystem
6.1 IMU Measurement Registers
6.1.1 IMU Measurements
This register provides direct access to the calibrated magnetometer, accelerometer, gyro, barometric
pressure, and temperature measurements available from the onboard IMU.
IMU Measurements
Register ID :
54
Async Header :
IMU
Access :
Read Only
Comment :
Provides the calibrated IMU measurements including barometric pressure.
Size (Bytes):
44
Example Read
Response:
$VNRRG,54,-02.0841,+00.6045,+02.8911,+00.381,-00.154,-09.657,-00.005683,
+00.000262,+00.001475,+21.6,+00099.761*5B
Offset
Name
Format
Unit
Description
0
MagX
float
Gauss
Uncompensated Magnetic X-axis.
4
MagY
float
Gauss
Uncompensated Magnetic Y-axis.
8
MagZ
float
Gauss
Uncompensated Magnetic Z-axis.
12
AccelX
float
m/s2
Uncompensated Acceleration X-axis.
16
AccelY
float
m/s2
Uncompensated Acceleration Y-axis.
20
AccelZ
float
m/s2
Uncompensated Acceleration Z-axis.
24
GyroX
float
rad/s
Uncompensated Angular rate X-axis.
28
GyroY
float
rad/s
Uncompensated Angular rate Y-axis.
32
GyroZ
float
rad/s
Uncompensated Angular rate Z-axis.
36
Temp
float
C
IMU Temperature.
40
Pressure
float
kPa
Barometric pressure.
You can configure the device to output this register at a fixed rate using the Async Data Output Type
Register in the System subsystem. Once configured the data in this register will be sent out with the
$VNIMU header.

80 UM001
6.1.2 Delta Theta and Delta Velocity
Delta Theta and Delta Velocity
Register ID :
80
Async Header:
DTV
Access :
Read
Comment :
This register contains the output values of the onboard coning and sculling algorithm.
Size (Bytes):
28
Example Response:
$VNRRG,80,+0.665016,-000.119,-000.409,-000.025,+000.011,-000.084,-006.702*6A
Offset
Name
Format
Unit
Description
0
DeltaTime
float
sec
Delta time for the integration interval
4
DeltaThetaX
float
deg
Delta rotation vector component in the x-axis.
8
DeltaThetaY
float
deg
Delta rotation vector component in the y-axis.
12
DeltaThetaZ
float
deg
Delta rotation vector component in the z-axis.
16
DeltaVelocityX
float
m/s
Delta velocity vector component in the x-axis.
20
DeltaVelocityY
float
m/s
Delta velocity vector component in the y-axis.
24
DeltaVelocityZ
float
m/s
Delta velocity vector component in the z-axis.
The Delta Theta and Delta Velocity register contains the computed outputs from the onboard coning and
sculling algorithm. The coning and sculling integrations are performed at the IMU sample rate (nominally
at 800Hz) and reset when the register data is output. If polling this register, the values will represent the
delta time, angles, and velocity since the register was last polled. If the Delta Theta/Velocity data is
selected for asynchronous output via the Async Data Output Type register (Register 6, type 30), the
integrals will be reset each time the data is asynchronously output at the configured rate.
The delta time output contains the length of the time interval over which the deltas were calculated. This
can be used to check the interval time or to compute nonlinear “average” rates and accelerations from
the integrated values.
The delta theta is output as a principal rotation vector, defined as the product of the unit vector of the
principal rotation axis and the principal rotation angle in degrees. For small rotations, a typical use case
for delta angles, the principal rotation vector elements may be treated individually as rotations in degrees
about the individual sensor axes (in any Euler rotation sequence) with little error.
The delta velocity output provides the integration of the acceleration in the chosen frame, taking into
account the coupling effects of any simultaneous rotation experienced.
The coning and sculling algorithm can be configured to operate in multiple frames and with a variety of
compensations applied. See the Delta Theta and Delta Velocity Configuration Register in the IMU
subsystem for further details.
You can configure the device to output this register at a fixed rate using the Async Data Output Type
Register in the System subsystem. Once configured the data in this register will be sent out with the
$VNDTV header.

UM001 81
6.2 IMU Configuration Registers
6.2.1 Magnetometer Compensation
Magnetometer Compensation
Register ID :
23
Access:
Read / Write
Comment :
Allows the magnetometer to be compensated for hard/soft iron effects.
Size (Bytes):
48
Example Command:
$VNRRG,23,1,0,0,0,1,0,0,0,1,0,0,0*73
Offset
Name
Format
Unit
Description
0
C[0,0]
float
-
4
C[0,1]
float
-
8
C[0,2]
float
-
12
C[1,0]
float
-
16
C[1,1]
float
-
20
C[1,2]
float
-
24
C[2,0]
float
-
28
C[2,1]
float
-
32
C[2,2]
float
-
36
B[0]
float
Gauss
40
B[1]
float
Gauss
44
B[2]
float
Gauss
This register contains twelve values representing the hard and soft iron compensation parameters. The
magnetic measurements are compensated for both hard and soft iron using the following model. Under
normal circumstances this register can be left in its factory default state. In the event that there are
disturbances in the magnetic field due to hard or soft iron effects, then these registers allow for further
compensation. These registers can also be used to compensate for significant changes to the
magnetometer bias, gain, and axis alignment during installation. Note that this magnetometer
compensation is separate from the compensation that occurs during the calibration process at the factory.
Setting this register to the default state of an identity matrix and zero offset will not eliminate the
magnetometer gain, bias, and axis alignment that occur during factory calibration. These registers only
need to be changed from their default values in the event that hard/soft iron compensation needs to be
performed, or changes in bias, gain, and axis alignment have occurred at some point between the times
the chip was calibrated at the factory and when it is used in the field.
The variables are components of the measured magnetic field. The {X, Y, Z} variables are
the new magnetic field measurements outputted after compensation for hard/soft iron effects. All twelve
numbers are represented by single-precision floating points.

82 UM001
6.2.2 Acceleration Compensation
Accelerometer Compensation
Register ID :
25
Access :
Read / Write
Comment :
Allows the accelerometer to be further compensated for scale factor, misalignment, and
bias errors.
Size (Bytes):
48
Example Command:
$VNRRG,25,1,0,0,0,1,0,0,0,1,0,0,0*75
Offset
Name
Format
Unit
Description
0
C[0,0]
float
-
4
C[0,1]
float
-
8
C[0,2]
float
-
12
C[1,0]
float
-
16
C[1,1]
float
-
20
C[1,2]
float
-
24
C[2,0]
float
-
28
C[2,1]
float
-
32
C[2,2]
float
-
36
B[0]
float
m/s2
40
B[1]
float
m/s2
44
B[2]
float
m/s2
This register contains twelve values representing the accelerometer compensation parameters. The
accelerometer measurements are compensated for changes in bias, gain, and axis alignment that can
occur during the installation of the chip on the customer’s board using the following model. Under normal
circumstances this register can be left in its factory default state. In the event that there are significant
changes to the accelerometer bias, gain, and axis alignment during installation, then these registers allow
for further compensation. Note that this accelerometer compensation is separate from the compensation
that occurs during the calibration process at the factory. Setting this register to the default state of an
identity matrix and zero offset will not eliminate the accelerometer gain, bias, and axis alignment that
occur during factory calibration. These registers only need to be changed from their default values in the
event that changes in bias, gain, and axis alignment have occurred at some point between the times the
chip was calibrated at the factory and when it is used in the field.
The variables {AX,AY,AZ} are components of the measured acceleration. The {X, Y, Z} variables are the
new acceleration measurements outputted after compensation for changes during sensor mounting. All
twelve numbers are represented by single-precision floating points.

UM001 83
6.2.3 Gyro Compensation
Gyro Compensation
Register ID :
84
Access :
Read / Write
Comment :
Allows the gyro to be further compensated for scale factor, misalignment, and bias errors.
Size (Bytes):
48
Example Command:
$VNRRG,84,1,0,0,0,1,0,0,0,1,0,0,0*7E
Offset
Name
Format
Unit
Description
0
C[0,0]
float
-
4
C[0,1]
float
-
8
C[0,2]
float
-
12
C[1,0]
float
-
16
C[1,1]
float
-
20
C[1,2]
float
-
24
C[2,0]
float
-
28
C[2,1]
float
-
32
C[2,2]
float
-
36
B[0]
float
rad/s
40
B[1]
float
rad/s
44
B[2]
float
rad/s
This register contains twelve values representing the gyro compensation parameters. The gyro
measurements are compensated for changes in bias, gain, and axis alignment that can occur during the
installation of the chip on the customer’s board using the following model. Under normal circumstances
this register can be left in its factory default state. In the event that there are significant changes to the
gyro bias, gain, and axis alignment during installation or during the life of the part; these registers allow
for further compensation. Note that this gyro compensation is separate from the compensation that
occurs during the calibration process at the factory. Setting this register to the default state of an identity
matrix and zero offset will not eliminate the gyro gain, bias, and axis alignment that occur during factory
calibration. These registers only need to be changed from their default values in the event that changes
in bias, gain, and axis alignment have occurred at some point between the times the chip was calibrated
at the factory and when it is used in the field.
The variables {GX, GY, GZ}IMU are components of the measured angular rate. The {GX, GY, GZ}Comp variables
are the new acceleration measurements outputted after compensation for changes during sensor
mounting. All twelve numbers are represented by single-precision floating points.

84 UM001
6.2.4 Reference Frame Rotation
Reference Frame Rotation
Register ID :
26
Access :
Read / Write
Comment :
Allows the measurements of the VN-100 to be rotated into a different reference frame.
Size (Bytes):
36
Example Response:
$VNRRG,26,1,0,0,0,1,0,0,0,1*6A
Offset
Name
Format
Unit
Description
0
C[0,0]
float
-
4
C[0,1]
float
-
8
C[0,2]
float
-
12
C[1,0]
float
-
16
C[1,1]
float
-
20
C[1,2]
float
-
24
C[2,0]
float
-
28
C[2,1]
float
-
32
C[2,2]
float
-
This register contains a transformation matrix that allows for the transformation of measured
acceleration, magnetic, and angular rates from the body frame of the VN-100 to any other arbitrary frame
of reference. The use of this register allows for the sensor to be placed in any arbitrary orientation with
respect to the user’s desired body coordinate frame. This register can also be used to correct for any
orientation errors due to mounting the VN-100 on the user’s vehicle or platform.
The variables are a measured parameter such as acceleration in the body reference frame with
respect to the VN-100. The variables are a measured parameter such as acceleration in the
user’s frame of reference. The reference frame rotation register thus needs to be loaded with the
transformation matrix that will transform measurements from the body reference frame of the VN-100
to the desired user frame of reference.
The matrix C in the Reference Frame Rotation Register must be an orthonormal, right-handed matrix.
The sensor will output an error if the tolerance is not within 1e-5. The sensor will also report an error
if any of the parameters are greater than 1 or less than -1.

UM001 85
6.2.5 IMU Filtering Configuration
IMU Filtering Configuration
Register ID :
85
Access :
Read / Write
Comment :
Controls the level of filtering performed on the raw IMU measurements.
Size (Bytes):
15
Example Response:
$VNRRG,85,0,5,5,5,0,0,3,3,3,0*78
Offset
Name
Format
Unit
Description
0
MagWindowSize
uint16
-
Number of previous measurements averaged for magnetic
measurements.
2
AccelWindowSize
uint16
-
Number of previous measurements averaged for
acceleration measurements.
4
GyroWindowSize
uint16
-
Number of previous measurements averaged for gyro
measurements.
6
TempWindowSize
uint16
-
Number of previous measurements averaged for
temperature measurements.
8
PresWindowSize
uint16
-
Number of previous measurements averaged for pressure
measurements.
10
MagFilterMode
uint8
-
Filtering mode for magnetic measurements.
See table below for options.
11
AccelFilterMode
uint8
-
Filtering mode for acceleration measurements.
See table below for options.
12
GyroFilterMode
uint8
-
Filtering mode for gyro measurements.
See table below for options.
13
TempFilterMode
uint8
-
Filtering mode for temperature measurements.
See table below for options.
14
PresFilterMode
uint8
-
Filtering mode for pressure measurements.
See table below for options.
This register allows the user to configure the FIR filtering what is applied to the IMU measurements. The
filter is a uniformly-weighted moving window (boxcar) filter of configurable size. The filtering does not
affect the values used by the internal filter, but only the output values.
WindowSize
The WindowSize parameters for each sensor define the number of samples at the IMU rate (default
400Hz) which will be averaged for each output measurement.
FilterMode
The FilterMode parameters for each sensor select which output quantities the filtering should be applied
to. Filtering can be applied to either the uncompensated IMU measurements, compensated (HSI and
biases compensated by onboard filters, if applicable), or both.
IMU Filtering Modes
Value
Description
0
No Filtering
1
Filtering performed only on raw uncompensated IMU measurements.
2
Filtering performed only on compensated IMU measurements.
3
Filtering performed on both uncompensated and compensated IMU measurements.

86 UM001
6.2.6 Delta Theta and Delta Velocity Configuration
Delta Theta and Delta Velocity Configuration
Register ID :
82
Access :
Read / Write
Comment :
This register contains configuration options for the internal coning/sculling calculations
Size (Bytes):
6
Example Response:
$VNRRG,82,0,0,0,0,0*65
Offset
Name
Format
Unit
Description
0
IntegrationFrame
uint8
-
Output frame for delta velocity quantities
1
GyroCompensation
uint8
-
Compensation to apply to angular rate
2
AccelCompensation
uint8
-
Compensation(s) to apply to accelerations
3
Reserved
uint8
-
Reserved for future use. Should be set to 0.
4
Reserved
uint16
-
Reserved for future use. Should be set to 0.
The Delta Theta and Delta Velocity Configuration register allows configuration of the onboard coning and
sculling used to generate integrated motion values from the angular rate and acceleration IMU quantities.
The fully-coupled coning and sculling integrals are computed at the IMU sample rate (nominal 400 Hz).
IntegrationFrame
The IntegrationFrame register setting selects the reference frame used for coning and sculling. Note that
using any frame other than the body frame will rely on the onboard Kalman filter’s attitude estimate. The
factory default state is to integrate in the sensor body frame.
IntegrationFrame
Value
Description
0
Body frame
1
NED frame
2
ECEF frame
GyroCompensation
The GyroCompensation register setting selects the compensation to be applied to the angular rate
measurements before integration. If bias compensation is selected, the onboard Kalman filter’s real-time
estimate of the gyro biases will be used to compensate the IMU measurements before integration. The
factory default state is to integrate the uncompensated angular rates from the IMU.
GyroCompensation
Value
Description
0
None
1
Bias

UM001 87
AccelCompensation
The AccelCompensation register setting selects the compensation to be applied to the acceleration
measurements before integration. If bias compensation is selected, the onboard Kalman filter’s real-time
estimate of the accel biases will be used to compensate the IMU measurements before integration. The
factory default state is to integrate the uncompensated acceleration from the IMU.
AccelCompensation
Value
Description
0
None
1
Bias

88 UM001
6.3 Factory Defaults
Settings Name
Default Factory Value
Magnetometer Compensation
1,0,0,0,1,0,0,0,1,0,0,0
Accelerometer Compensation
1,0,0,0,1,0,0,0,1,0,0,0
Gyro Compensation
1,0,0,0,1,0,0,0,1,0,0,0
Reference Frame Rotation
1,0,0,0,1,0,0,0,1
IMU Filtering Configuration
0,4,4,4,0,0,3,3,3,0
Delta Theta and Delta Velocity
Configuration
0,0,0,0,0

UM001 89
6.4 Command Prompt
The command prompt provides a fast and simple means of configuring and monitoring the status of the
sensor by typing commands to the unit using the serial port.
6.4.1 List Available Commands
Commands for the System subsystem can be accessed by typing in ‘imu’ at the command prompt. To
view all available commands, type ‘imu ?’. Below is a view of a terminal window showing a list of the
available commands.
imu ?
Imu Module Commands:
Command: Description:
-------- --------------------------------------------------------------------
info Imu specific information such as serial number and firmware version.
meas Current Imu measurement, and run-time statistics.
6.4.2 IMU Info
imu info
------------------------------ Imu Information -------------------------------
Magnetometer - HSI Settings (Register 44)
Mode : Using Onboard
Magnetometer - User HSI Calibration (Register 23)
+01.000 +00.000 +00.000 +00.000
+00.000 +01.000 +00.000 +00.000
+00.000 +00.000 +01.000 +00.000
Magnetometer - Onboard HSI Calibration (Register 47)
+01.000 +00.000 +00.000 -00.000
+00.000 +01.000 +00.000 -00.000
+00.000 +00.000 +01.000 -00.000
Accelerometer - User Calibration (Register 25)
+01.000 +00.000 +00.000 +00.000
+00.000 +01.000 +00.000 +00.000
+00.000 +00.000 +01.000 +00.000
Sensor Self Test: (performed at startup)
Mag : Passed
Accel : Passed
Gyro : Passed
Pres : Passed
--------------------------------------------------------------------------------

90 UM001
6.4.3 IMU Meas
imu meas
------------------------------ Imu Measurement -------------------------------
Current Sensor Measurements:
Mag X : -000.866 [Gauss]
Mag Y : +001.016 [Gauss]
Mag Z : +002.365 [Gauss]
Acel X : +004.178 [m/s]
Acel Y : -000.637 [m/s]
Acel Z : -008.927 [m/s]
Gyro X : -000.417 [deg/s]
Gyro Y : +000.668 [deg/s]
Gyro Z : -001.102 [deg/s]
Temp : +027.94 [C]
Temp Rate: +0.04 [C/min]
Pres : +101.36 [kPa]
Current Sensor Noise: (measured over last 5 seconds)
Sensor Units X-Axis Y-Axis Z-Axis
Mag mGauss +03.228 +02.934 +04.159
Accel mg +01.854 +02.115 +02.872
Gyro deg/s +0.0631 +0.0544 +0.0580
Temp C +0.0026
Pres Pa +007.36
Minimum Sensor Noise: (since startup)
Sensor Units X-Axis Y-Axis Z-Axis
Mag mGauss +02.877 +02.659 +03.673
Accel mg +01.785 +01.966 +02.599
Gyro deg/s +0.0587 +0.0487 +0.0537
Temp C +0.0011
Pres Pa +006.13
Minimum Sensor Measurement: (since startup)
Sensor Units X-Axis Y-Axis Z-Axis
Mag Gauss -00.236 +00.244 +00.577
Accel g +00.414 -00.077 -00.949
Gyro deg/s -002.92 -005.33 -002.03
Temp C +27.83
Pres kPa +101.30
Maximum Sensor Measurement: (since startup)
Sensor Units X-Axis Y-Axis Z-Axis
Mag Gauss +00.000 +00.271 +00.611
Accel g +00.439 +00.000 +00.000
Gyro deg/s +002.02 +006.44 +000.00
Temp C +28.01
Pres kPa +101.38
Sensor Saturation Events: (since startup)
Sensor X-Axis Y-Axis Z-Axis
Mag 0 0 0
Accel 0 0 0
Gyro 0 0 0
Pressure 0
Temp 0
--------------------------------------------------------------------------------

UM001 91
7 Attitude Subsystem
7.1 Commands
7.1.1 Known Magnetic Disturbance Command
This command is used to notify the VN-100 that a magnetic disturbance is present. When the VN-100
receives this command it will tune out the magnetometer and will pause the current hard/soft iron
calibration if it is enabled. A single parameter is provided to tell the VN-100 whether the disturbance is
present or not.
0 – No Disturbance is present
1 – Disturbance is present
Example Magnetic Disturbance Command
Example Command
Message
UART Command
$VNKMD,1*47
UART Response
$VNKMD,1*47
SPI Command (8 bytes)
08 01 00 00 (shown as hex)
SPI Response (8 bytes)
00 08 01 00 (shown as hex)
7.1.2 Known Acceleration Disturbance Command
This command is used to notify the VN-100 that an acceleration disturbance is present. When the VN-
100 receives this command it will tune out the accelerometer. A single parameter is provided to tell the
VN-100 whether the disturbance is present or not.
0 – No Disturbance is present
1 – Disturbance is present
Example Acceleration Disturbance Command
Example Command
Message
UART Command
$VNKAD,1*4B
UART Response
$VNKAD,1*4B
SPI Command (8 bytes)
09 01 00 00 (shown as hex)
SPI Response (8 bytes)
00 09 01 00 (shown as hex)
7.1.3 Set Gyro Bias Command
This command will instruct the VN-100 to copy the current gyro bias estimates into register 74. After
sending this command you will need to issue the write settings command in the System subsystem to save
the state of this register to flash memory. Once saved the VN-100 will use these bias estimates as the
initial state at startup.
Example Gyro Bias Command
Example Command
Message

92 UM001
UART Command
$VNSGB*XX
UART Response
$VNSGB*XX
SPI Command (8 bytes)
0C 00 00 00 (shown as hex)
SPI Response (8 bytes)
00 0C 00 00 (shown as hex)
7.2 Measurement Registers
7.2.1 Yaw Pitch Roll
Yaw, Pitch, and Roll
Register ID :
8
Async Header :
YPR
Access :
Read Only
Comment :
Attitude solution as yaw, pitch, and roll in degrees. The yaw, pitch, and roll is
given as a 3,2,1 Euler angle rotation sequence describing the orientation of the
sensor with respect to the inertial North East Down (NED) frame.
Size (Bytes):
12
Example Response:
$VNRRG,8,+006.271,+000.031,-002.000*66
Offset
Name
Format
Unit
Description
0
Yaw
float
deg
Yaw angle.
4
Pitch
float
deg
Pitch angle.
8
Roll
float
deg
Roll angle.
You can configure the device to output this register at a fixed rate using the Async Data Output Type
Register in the System subsystem. Once configured the data in this register will be sent out with the
$VNYPR header.

UM001 93
7.2.2 Attitude Quaternion
Quaternion
Register ID :
9
Async Header :
QTN
Access :
Read Only
Comment :
Attitude solution as a quaternion.
Size (Bytes):
16
Example Response:
$VNRRG,9,-0.017386,-0.000303,+0.055490,+0.998308*4F
Offset
Name
Format
Unit
Description
0
Quat[0]
float
-
Calculated attitude as quaternion.
4
Quat[1]
float
-
Calculated attitude as quaternion.
8
Quat[2]
float
-
Calculated attitude as quaternion.
12
Quat[3]
float
-
Calculated attitude as quaternion. Scalar component.
You can configure the device to output this register at a fixed rate using the Async Data Output Type
Register in the System subsystem. Once configured the data in this register will be sent out with the
$VNQTN header.

94 UM001
7.2.3 Yaw, Pitch, Roll, Magnetic, Acceleration, and Angular Rates
Yaw, Pitch, Roll, Magnetic, Acceleration, and Angular Rates
Register ID :
27
Async Header :
YMR
Access :
Read Only
Comment :
Attitude solution, magnetic, acceleration, and compensated angular rates.
Size (Bytes):
48
Example Response:
$VNRRG,27,+006.380,+000.023,-001.953,+1.0640,-
0.2531,+3.0614,+00.005,+00.344,-09.758,-0.001222,-0.000450,-0.001218*4F
Offset
Name
Format
Unit
Description
0
Yaw
float
deg
Calculated attitude heading angle in degrees.
4
Pitch
float
deg
Calculated attitude pitch angle in degrees.
8
Roll
float
deg
Calculated attitude roll angle in degrees.
12
MagX
float
Gauss
Compensated magnetometer measurement in x-axis.
16
MagY
float
Gauss
Compensated magnetometer measurement in y-axis.
20
MagZ
float
Gauss
Compensated magnetometer measurement in z-axis.
24
AccelX
float
m/s2
Compensated accelerometer measurement in x-axis.
28
AccelY
float
m/s2
Compensated accelerometer measurement in y-axis.
32
AccelZ
float
m/s2
Compensated accelerometer measurement in z-axis.
36
GyroX
float
rad/s
Compensated angular rate in x-axis.
40
GyroY
float
rad/s
Compensated angular rate in y-axis.
44
GyroZ
float
rad/s
Compensated angular rate in z-axis.
You can configure the device to output this register at a fixed rate using the Async Data Output Type
Register in the System subsystem. Once configured the data in this register will be sent out with the
$VNYMR header.

UM001 95
7.2.4 Quaternion, Magnetic, Acceleration and Angular Rates
Quaternion, Magnetic, Acceleration, and Angular Rates
Register ID :
15
Async Header :
QMR
Access :
Read Only
Comment :
Attitude solution, magnetic, acceleration, and compensated angular rates.
Size (Bytes):
52
Example Response:
$VNRRG,15,-0.017057,-0.000767,+0.056534,+0.998255,+1.0670,-0.2568,+3.0696,-
00.019,+00.320,-09.802,-0.002801,-0.001186,-0.001582*65
Offset
Name
Format
Unit
Description
0
Quat[0]
float
-
Calculated attitude as quaternion.
4
Quat[1]
float
-
Calculated attitude as quaternion.
8
Quat[2]
float
-
Calculated attitude as quaternion.
12
Quat[3]
float
-
Calculated attitude as quaternion. Scalar component.
16
MagX
float
Gauss
Compensated magnetometer measurement in x-axis.
20
MagY
float
Gauss
Compensated magnetometer measurement in y-axis.
24
MagZ
float
Gauss
Compensated magnetometer measurement in z-axis.
28
AccelX
float
m/s2
Compensated accelerometer measurement in x-axis.
32
AccelY
float
m/s2
Compensated accelerometer measurement in y-axis.
36
AccelZ
float
m/s2
Compensated accelerometer measurement in z-axis.
40
GyroX
float
rad/s
Compensated angular rate in x-axis.
44
GyroY
float
rad/s
Compensated angular rate in y-axis.
48
GyroZ
float
rad/s
Compensated angular rate in z-axis.
You can configure the device to output this register at a fixed rate using the Async Data Output Type
Register in the System subsystem. Once configured the data in this register will be sent out with the
$VNQMR header.

96 UM001
7.2.5 Magnetic Measurements
Magnetic Measurements
Register ID :
17
Async Header :
MAG
Access :
Read Only
Comment :
Magnetometer measurements.
Size (Bytes):
12
Example Response:
$VNRRG,17,+1.0647,-0.2498,+3.0628*66
Offset
Name
Format
Unit
Description
0
MagX
float
Gauss
Compensated magnetometer measurement in x-axis.
4
MagY
float
Gauss
Compensated magnetometer measurement in y-axis.
8
MagZ
float
Gauss
Compensated magnetometer measurement in z-axis.
You can configure the device to output this register at a fixed rate using the Async Data Output Type
Register in the System subsystem. Once configured the data in this register will be sent out with the
$VNMAG header.

UM001 97
7.2.6 Acceleration Measurements
Acceleration Measurements
Register ID :
18
Async Header :
ACC
Access :
Read Only
Comment :
Acceleration measurements.
Size (Bytes):
12
Example Response:
$VNRRG,18,+00.013,+00.354,-09.801*65
Offset
Name
Format
Unit
Description
0
AccelX
float
m/s2
Compensated accelerometer measurement in x-axis.
4
AccelY
float
m/s2
Compensated accelerometer measurement in y-axis.
8
AccelZ
float
m/s2
Compensated accelerometer measurement in z-axis.
You can configure the device to output this register at a fixed rate using the Async Data Output Type
Register in the System subsystem. Once configured the data in this register will be sent out with the
$VNACC header.

98 UM001
7.2.7 Angular Rate Measurements
Angular Rate Measurements
Register ID :
19
Async Header :
GYR
Access :
Read Only
Comment :
Compensated angular rates.
Size (Bytes):
12
Example Response:
$VNRRG,19,+0.002112,-0.000362,-0.000876*6C
Offset
Name
Format
Unit
Description
0
GyroX
float
rad/s
Compensated angular rate in x-axis.
4
GyroY
float
rad/s
Compensated angular rate in y-axis.
8
GyroZ
float
rad/s
Compensated angular rate in z-axis.
You can configure the device to output this register at a fixed rate using the Async Data Output Type
Register in the System subsystem. Once configured the data in this register will be sent out with the
$VNGYR header.

UM001 99
7.2.8 Magnetic, Acceleration and Angular Rates
Magnetic, Acceleration, and Angular Rates
Register ID :
20
Async Header :
MAR
Access :
Read Only
Comment :
Magnetic, acceleration, and compensated angular rates.
Size (Bytes):
36
Example Response:
$VNRRG,20,+1.0684,-0.2578,+3.0649,-00.005,+00.341,-09.780,-0.000963,+0.000840,-
0.000466*64
Offset
Name
Format
Unit
Description
0
MagX
float
Gauss
Compensated magnetometer measurement in x-axis.
4
MagY
float
Gauss
Compensated magnetometer measurement in y-axis.
8
MagZ
float
Gauss
Compensated magnetometer measurement in z-axis.
12
AccelX
float
m/s2
Compensated accelerometer measurement in x-axis.
16
AccelY
float
m/s2
Compensated accelerometer measurement in y-axis.
20
AccelZ
float
m/s2
Compensated accelerometer measurement in z-axis.
24
GyroX
float
rad/s
Compensated angular rate in x-axis.
28
GyroY
float
rad/s
Compensated angular rate in y-axis.
32
GyroZ
float
rad/s
Compensated angular rate in z-axis.
You can configure the device to output this register at a fixed rate using the Async Data Output Type
Register in the System subsystem. Once configured the data in this register will be sent out with the
$VNMAR header.

100 UM001
7.3 Configuration Registers
7.3.1 VPE Basic Control
VPE Basic Control
Register ID :
35
Firmware :
v1.0.0.0
Access :
Read / Write
Comment :
Provides control over various features relating to the onboard attitude filtering
algorithm.
Size (Bytes):
4
Example Response:
$VNRRG,35,1,3,1,1*77
Offset
Name
Format
Unit
Description
0
Enable
uint8
-
Enable / Disable the Vector Processing Engine (VPE).
1
HeadingMode
uint8
-
Heading mode used by the VPE.
2
FilteringMode
uint8
-
Filtering Mode used by the VPE.
3
TuningMode
uint8
-
Tuning Mode used by the VPE.
Enable
Value
State
0
DISABLE
1
ENABLE
HeadingMode
Value
Mode
0
Absolute Heading
1
Relative Heading
2
Indoor Heading
Filtering Mode
Value
Mode
0
OFF
1
MODE 1
Tuning Mode
Value
Mode
0
OFF
1
MODE 1

UM001 101
8 Hard/Soft Iron Estimator Subsystem
8.1 Configuration Registers
8.1.1 Magnetometer Calibration Control
Magnetometer Calibration Control
Register ID :
44
Access :
Read / Write
Comment :
Controls the magnetometer real-time calibration algorithm.
Size (Bytes):
4
Example Response:
$VNRRG,44,1,2,5*69
Offset
Name
Format
Unit
Description
0
HSIMode
uint8
-
Controls the mode of operation for the onboard real-time
magnetometer hard/soft iron compensation algorithm.
1
HSIOutput
uint8
-
Controls the type of measurements that are provided as
outputs from the magnetometer sensor and also subsequently
used in the attitude filter.
2
ConvergeRate
uint8
-
Controls how quickly the hard/soft iron solution is allowed to
converge onto a new solution. The slower the convergence
the more accurate the estimate of the hard/soft iron solution.
A quicker convergence will provide a less accurate estimate of
the hard/soft iron parameters, but for applications where the
hard/soft iron changes rapidly may provide a more accurate
attitude estimate.
Range: 1 to 5
1 = Solution converges slowly over approximately 60-90
seconds.
5 = Solution converges rapidly over approximately 15-20
seconds.
Table 2 – HSI_Mode Field
Mode
Value
Description
HSI_OFF
0
Real-time hard/soft iron calibration algorithm is turned off.
HSI_RUN
1
Runs the real-time hard/soft iron calibration. The algorithm will continue using its existing
solution. The algorithm can be started and stopped at any time by switching between the
HSI_OFF and HSI_RUN state.
HSI_RESET
2
Resets the real-time hard/soft iron solution.
Table 3 – HSI_Output Field
Mode
Value
Description
NO_ONBOARD
1
Onboard HSI is not applied to the magnetic measurements.
USE_ONBOARD
3
Onboard HSI is applied to the magnetic measurements.

102 UM001
8.2 Status Registers
8.2.1 Calculated Magnetometer Calibration
Calculated Magnetometer Calibration
Register ID :
47
Access :
Read Only
Comment :
Calculated magnetometer calibration values.
Size (Bytes):
48
Example Response:
$VNRRG,46,1,0,0,0,1,0,0,0,1,0,0,0*70
Offset
Name
Format
Unit
Description
0
C[0,0]
float
-
4
C[0,1]
float
-
8
C[0,2]
float
-
12
C[1,0]
float
-
16
C[1,1]
float
-
20
C[1,2]
float
-
24
C[2,0]
float
-
28
C[2,1]
float
-
32
C[2,2]
float
-
36
B[0]
float
-
40
B[1]
float
-
44
B[2]
float
-
This register contains twelve values representing the calculated hard and soft iron compensation
parameters. The magnetic measurements are compensated for both hard and soft iron using the
following model.
The variables are components of the measured magnetic field. The {X, Y, Z} variables are
the new magnetic field measurements outputted after compensation for hard/soft iron effects.

UM001 103
8.3 Factory Defaults
Settings Name
Default Factory Value
Magnetometer Calibration Control
1,3,5

104 UM001
8.4 Command Prompt
The command prompt provides a fast and simple means of configuring and monitoring the status of the
sensor by typing commands to the unit using the serial port.
8.4.1 List Available Commands
Commands for the System subsystem can be accessed by typing in ‘hsi’ at the command prompt. To view
all available commands, type ‘hsi ?’. Below is a view of a terminal window showing a list of the available
commands.
hsi ?
Hard/Soft Iron Estimator Module Commands:
Command: Description:
-------- --------------------------------------------------------------------
info Estimator state information and configuration settings.
plotInput Plot onboard HSI Input.
plotOutput Plot onboard HSI Output.
8.4.2 Info
hsi info
----------------- Hard/Soft Iron Estimator State Information -----------------
Magnetometer Calibration Control (Register 44):
HsiMode: Run
OutMode: Use Onboard
ConvergeRate: 5
Magnetometer Calibration Status (Register 46):
LastBin: 0
NumMeas: 102
AvgResidual: 0.014
LastMeas: +0.599 +0.538 +2.910
Bins[0]: 215
Bins[1]: 188
Bins[2]: 135
Bins[3]: 47
Bins[4]: 198
Bins[5]: 231
Bins[6]: 202
Calculated Magnetometer Calibration (Register 47):
+00.966 +00.000 +00.000 -00.215
+00.000 +00.966 +00.000 -00.179
+00.000 +00.000 +00.966 -00.077
Num Measurements: 358
Filter Run Count: 358
Mag Uncertainty : 0.00
--------------------------------------------------------------------------------

UM001 105
8.4.3 PlotInput
hsi plotinput
--------------------- HSI Estimator Magnetic Input Plot ----------------------
Uncalibrated XY
+-------------------+-------------------+-------------------+-------------------+
| | * * * | * * | |
| | **** * * * * *** | |
| | * * * * | ** | |
| * * * * * |* * * | |
| *** ** * * * ** * | |
| *** | * * * * * | ** * |
| * |* * ** * * | * * * |* * |
| * | * *| * | |
| * *| * * * | * ** * |
+---------***-------+-----------*-------*----*--*-----*-----+----------*--------+
| * | * * * * | ** |
| * * * | * * *** |
| * ** * | * | * * | |
| ** | * ** | | * * |
| * * | * * * | * | |
| *** | *| * * * * | * |
| * | * * | * | * * * |
| * | * | * | * * |
| * ** | | * * | * |
+---*-*-*-----------+---*---------------+--------*-----*----+*------*-------*---+
| * | * | * | * * |
| * * * | | ** | * |
| | * * ** * *| * | * |
| * ** * | * * ** * * * * ** ** * |
| * * | * * | | ** |
| ** | * | * | * |
| * * * * | * | * |
| ** | | * * | ** |
| *** * * | | * | *** |
+--------**--------*+-------------------+-------------------+-----***-----------+
| **** * | * * * * * |* ** |
| * * * | * | ** |
| *** | | | * * |
| * | * | * * |
| | * | * * | |
| | | | |
| | * | | |
| | | | |
| | | | |
+-------------------+-------------------+-------------------+-------------------+
Plot Center : +0.000, +0.000
Plot Scale : +1.042, +1.042
--------------------------------------------------------------------------------

106 UM001
8.4.4 PlotOutput
hsi plotoutput
--------------------- HSI Estimator Magnetic Output Plot ---------------------
Calibrated XY
+-------------------+-------------------+-------------------+-------------------+
| | | | |
| | | | |
| | ** * * * * | |
| | *** * * * * ** | |
| | * * * * | * *| |
| | * * * * * | * * * | |
| | *** *** * * *** * | |
| *** * ** ** |* |** * |
| * * * ** * * | * ** * * | * * |
+-----------------*-+--*------*---------+-------------------+-------------------+
| * | * * * * * |* * |
| ** | * * | ** * * | ** |
| * * | * | * * * |* ** |
| * * * | * * * * | * |
| ** | * * | | * |
| | * * * | * | * |
| *** | * * | * * ** | |
| ** | |* * | * * * |
| * | * * * | * | * * |
+----------*----**--+-------------------+---*---*---------*-+---------------**--+
| *** * | * | * * | * * * |
| ** | * | * | * * |
| * * |* | ** * |
| * | * * *** * | * * | * |
| * **** | * |* ** * * * |** ** * |
| * | * * | ** |
| ** | * * | * | * |
| * * * * | * * |
| * *| | * * ** |
+-----------***--*--+--*----------------+----------*--------+-------------------+
| *** | * | * | * *** |
| * *|* *| * * | ** |
| ****| | | ** |
| * | | | ** * |
| |* * | | |
| | * | * * | |
| | * | | |
| | | | |
| | | | |
+-------------------+-------------------+-------------------+-------------------+
Plot Center : +0.000, +0.000
Plot Scale : +0.946, +0.946
--------------------------------------------------------------------------------
UM001 107
9 Velocity Aiding
Velocity aiding provides a method to increase performance of an AHRS sensor for applications where the
sensor is subjected to constant accelerations.
9.1 Overview
AHRS Fundamentals
An Attitude Heading Reference System (AHRS) is a sensor system that estimates the attitude of a vehicle
based upon the combined measurements provided by a 3-axis gyroscope, accelerometer, and
magnetometer. An AHRS sensor typically utilizes a Kalman filter to compute the 3D orientation of the
vehicle based upon the vector measurements provided from the accelerometer and the magnetometer.
The accelerometer measures the effect of both gravity and any acceleration due to body motion. The
magnetometer measures the influence of both the earth’s magnetic field and the influence of any nearby
magnetic fields created by nearby ferromagnetic objects. The gyroscope provides an accurate short term
measurement of the relative change in the orientation of the sensor however it is not capable of providing
a measurement of the orientation itself. The absolute accuracy of the heading, pitch and roll solution for
an AHRS is ultimately derived from the accuracy of the vector measurements provided by the
accelerometer and magnetometer.
AHRS Assumptions
Without any form of external compensation an AHRS does not have by itself any means of knowing how
it is moving relative to the fixed Earth. As such it does not have any means of knowing what the actual
acceleration of the body is. Since the accelerometer measures the effect of both gravity and the
acceleration due to motion, the standard AHRS algorithm has to make the assumption that the long-term
acceleration due to motion is zero. With this assumption in place the AHRS know has sufficient
information to estimate the pitch and roll based upon the measurement of gravity provided by the
accelerometer. This assumption works very well for applications where the sensor does not experience
any long-term acceleration such as when it is used indoors or when used on a large marine vessel.
Applications that do experience long-term accelerations due to motion however will experience a
significant error in the pitch and roll solution due to the fact that the assumption of zero body acceleration
in the AHRS algorithm is constantly being violated.
The most common case where this acceleration becomes a significant problem for an AHRS is when it is
used on an aircraft operating in a banked turn. In straight and level flight the AHRS will provide an accurate
measurement of attitude as long as the long-term accelerations are nominally zero. When the aircraft
banks and enters a coordinated turn however, a long-term acceleration is present which due to the
centripetal force created by traveling along a curved path. This apparent force is what makes you feel as
if you are being pushed to the side when you drive around a corner in a car.
Figure 1 - Measured Acceleration in Coordinated Turn

108 UM001
When an aircraft is in a banked turn the accelerometer will measure gravity plus this centripetal
acceleration which will result in a measurement vector that acts perpendicular to the wings of the aircraft
as shown in the above figure. This will result in the AHRS estimating a roll angle of zero while the aircraft
is in fact in a banked turn and thus has a significant actual roll angle relative to the horizon.
If the AHRS however can obtain some knowledge of this actual motion relative to the fixed Earth then it
is possible for it to subtract out the effect of the centripetal acceleration, resulting in an accurate estimate
of attitude. By providing the AHRS with the known velocity or airspeed it is possible for the AHRS to
estimate the centripetal acceleration term based upon this velocity and the known body angular rates.
Figure 2 - AHRS with Velocity Compensation
The above figure accurately depicts quality of attitude solution provided by three separate types of
attitude estimators while operating in a coordinated turn. The flight display on the far left represents the
UM001 109
actual attitude which is derived from the flight simulator. Moving from left to right are three separate
types of attitude estimators shown in order based upon the accuracy of their derived solution. The most
accurate solution is proved by the Inertial Navigation System (INS). This type of estimator incorporates
the position and velocity measurements from a GPS along with the accelerometer, and gyroscope in an
optimal fashion to simultaneously estimate attitude and the position and velocity of the vehicle. It
provides the most accurate attitude estimate since it makes no assumptions regarding the accelerometer
measurements.
Measurement Sources for Velocity Aiding
Below are three common sources used for velocity aiding.
Airspeed Sensor
When an airspeed sensor is used for velocity aiding it is important to note which type of airspeed is being
used. Since the airspeed input is being used by the AHRS to estimate the centripical acceleration, the
airspeed used should be ideally close to the actual speed relative to the fixed earth. Normally airspeed
sensors measure the speed of the aircraft relative to the atmosphere, thus there will be a difference
between the speed relative to the fixed Earth and the speed given by the airspeed indicator, equal to the
speed of the atmosphere relative to the ground (wind speed). In high wind conditions this can cause some
increased error in the velocity aiding algorithm.
When using airspeed
Speedometer
For automotive applications the speedometer measurement can be used to perform velocity aiding. The
speedometer measurement will provide the ground speed of the vehicle. There will be some small loss
due to fact that vertical speed is not included, however the effect will be minimal.
GPS
For most applications GPS provides an excellent source of velocity aiding for an AHRS. It is recommended
that you use a GPS receiver with at least a 5Hz update rate.
9.1.1 Tuning for Higher Performance
In most situations the default tuning parameters for the velocity compensation will provide adequate
results without the need for manual adjustment. In the event that you have a case where you need
improved performance, there are tuning parameters provided in the Velocity Compensation Control
Register (Register 50) that provide a means to adjust the behavior of the compensation algorithm.
Velocity Tuning
The velocity tuning field in the Velocity Compensation Control Register in the Velocity Aiding subsystem
provides a means to adjust the uncertainty level used for the velocity measurement in the compensation
estimation filter. The default value is 0.1. A larger value places less trust in the velocity measurements,
while a smaller number will place more trust in the velocity measurement. If your velocity measurement
is noisy or unreliable increasing this number may provide better results. If you have a very accurate
velocity measurement then lowering this number will likely produce better results.

110 UM001
Velocity Measurement Rate
The performance of the velocity compensation will be affected by both the accuracy of the velocity
measurements and the rate at which they are applied. To ensure adequate performance the velocity
should be provided at a rate higher than 1Hz. Best performance will be achieved with update rates of
10Hz or higher.
If you stop sending velocity measurement updates for any reason, the velocity compensation will
continue indefinitely using the last received velocity measurement. If you want to stop using while the
vehicle is still in motion, be sure to turn off the velocity compensation using the Mode field in the Velocity
Compensation Control Register in the Velocity Ading subsystem.

UM001 111
9.2 Configuration Registers
9.2.1 Velocity Compensation Control
Velocity Compensation Control
Register ID :
51
Access :
Read / Write
Comment :
Provides control over the velocity compensation feature for the attitude filter.
Size (Bytes):
8
Example Response:
$VNRRG,51,1,0.1,0.01*5A
Offset
Name
Format
Unit
Description
0
Mode
uint8
-
Selects the type of velocity compensation performed by
the VPE. See the table below for available options.
4
VelocityTuning
float
-
Tuning parameter for the velocity measurement.
8
RateTuning
float
-
Tuning parameter for the angular rate measurement.
Table 4 - Velocity Compensation Modes
Value
Description
0
Disabled.
1
Body Measurement.

112 UM001
9.3 Status Registers
9.3.1 Velocity Compensation Status
INTERNAL REGISTER
This register is not listed in the public User Manual. It is not recommended to supply this register to
customers unless there is a specific reason to do so.
Velocity Compensation Status
Register ID :
52
Access :
Read
Comment :
Provides diagnostic status information for the velocity compensation algorithm.
Size (Bytes):
8
Example Response:
$VNRRG,51,1,0.1,0.01*5A
Offset
Name
Format
Unit
Description
0
x
float
m/s
Estimated velocity magnitude.
4
xDot
float
m/s2
Estimated acceleration magnitude.
8
accelOffset
float[3]
m/s2
Estimated acceleration offset.
20
omega
float[3]
rad/s
Filtered angular rate.

UM001 113
9.4 Input Measurements
9.4.1 Velocity Compensation Measurement
Velocity Compensation Measurement
Register ID :
50
Access :
Read / Write
Comment :
Input register for a velocity measurement to be used by the filter to compensate for
acceleration disturbances.
Size (Bytes):
12
Example Response:
$VNRRG,50,37.2,0,0*42
Offset
Name
Format
Unit
Description
0
VelocityX
float
m/s
Velocity in the X-Axis measured in the sensor frame.
4
VelocityY
float
m/s
Velocity in the Y-Axis measured in the sensor frame.
8
VelocityZ
float
m/s
Velocity in the Z-Axis measured in the sensor frame.
For Mode 1 (body measurement mode) the VN-100 will compute the vector length of the provided 3D
velocity vector and use this for velocity compensation. If you have a scalar measurement you can set
only the X-axis and set the Y & Z to zero.

114 UM001
9.5 Factory Defaults
Settings Name
Default Factory Value
Velocity Compensation Control
1,0.1,0.01
UM001 115
Please Read Carefully:
Information in this document is provided solely in connection with VectorNav Technologies, LLC (“VectorNav”)
products. VectorNav reserves the right to make changes, corrections, modifications, or improvements to this
document, and the products and services described herein at any time, without notice.
All VectorNav products are sold pursuant of VectorNav’s terms and conditions of sale.
No license to any intellectual property, expressed or implied, is granted under this document. If any part of this
document refers to any third party products or services it shall not be deemed a license grant by VectorNav for the
use of such third party products or services, or any intellectual property contained therein or considered as a
warranty covering the use in any manner whatsoever of such third party products or services or any intellectual
property contained therein.
Information in this document supersedes and replaces all information previously supplied.
The VectorNav logo is a registered trademark of VectorNav Technologies, LLC. All other names are the property of
their respective owners.
© 2017 VectorNav Technologies, LLC – All rights reserved