Pelco Kbd100 Universal Keyboard C529M D Users Manual Keyboard_manual
C529M-D to the manual 6e052427-6b1d-4cd3-8e5d-52db5af9223b
2015-02-02
: Pelco Pelco-Pelco-Kbd100-Universal-Keyboard-C529M-D-Users-Manual-441145 pelco-pelco-kbd100-universal-keyboard-c529m-d-users-manual-441145 pelco pdf
Open the PDF directly: View PDF
.
Page Count: 12

®
Installation/Operation
KBD100
Universal Keyboard
C529M-D (9/03)
Pelco
• 3500 Pelco Way • Clovis, CA 93612-5699 USA •
www.pelco.com
In North America and Canada: Tel (800) 289-9100 • FAX (800) 289-9150
International Customers: Tel +1(559) 292-1981 • FAX +1(559) 348-1120
MON ACK PREV NEXT HOLD MACRO PGM
F1F2F3
SEQUENCE
123
456
789
0CLEARCAM
KBD200
MADE IN USA.

[ 2 ] Pelco Manual C529M-D (9/03)
REGULATORY NOTICES
Note: This equipment has been tested and found to comply with the limits of a Class A digital de-
vice, pursuant to part 15 of the FCC rules. These limits are designed to provide reasonable protec-
tion against harmful interference when the equipment is operated in a commercial environment.
This equipment generates, uses, and can radiate radio frequency energy and, if not installed and
used in accordance with the instruction manual, may cause harmful interference to radio communi-
cations. Operation of this equipment in a residential area is likely to cause harmful interference in
which case the user will be required to correct the interference at his own expense.
CONTENTS
REGULATORY NOTICES .................................................................................................................. 2
IMPORTANT SAFEGUARDS AND WARNINGS ............................................................................... 3
DESCRIPTION .................................................................................................................................. 3
INSTALLATION .................................................................................................................................. 4
Connecting a Keyboard to the Local Keyboard Port ..................................................................... 4
Connecting Keyboards to the Remote Keyboard(s) Port .............................................................. 4
SWITCH SETTINGS .......................................................................................................................... 6
PROGRAMMING AND OPERATION ................................................................................................. 8
SPECIFICATIONS ............................................................................................................................ 10
INDEX ............................................................................................................................................... 11
WARRANTY AND RETURN INFORMATION ................................................................................... 12
LIST OF ILLUSTRATIONS
1 KBD100 Application ................................................................................................................. 3
2 Keyboard Cabling Diagram ...................................................................................................... 5
3 Wiring Diagram for Remote Keyboards ................................................................................... 5
4 Keyboard Rear Panel ............................................................................................................... 7
5 Keyboard Functions ................................................................................................................. 9
LIST OF TABLES
A KBD100 Operational Functions ................................................................................................ 3
B Keyboard Addresses ................................................................................................................ 6
C Keyboard Definitions for KBD100 ............................................................................................ 8
D KBD100 Button Functions ........................................................................................................9

Pelco Manual C529M-D (9/03) [ 3 ]
DESCRIPTION
The KBD100 Universal Keyboard is used to program and operate a CM6700 Matrix Switcher/Controller Unit
(SCU).
The KBD100 provides economical system control and programming capability to locations that do not re-
quire the complete camera control abilities of the KBD200 and KBD300 Series keyboards. Table A lists
the operational functions of the KBD100 keyboard.
Table A. KBD100 Operational Functions
Function Availability
Select cameras Yes
Select monitors Yes
Control lenses No
Set and call presets/patterns No
Control receiver auxiliaries No
Control switcher auxiliaries Yes
Control multiplexer No
Control CM6700 Matrix Switcher Yes
Program CM6700 Matrix Switcher Yes
Sequencing Yes
Operate frame, auto, and random scans No
Figure 1. KBD100 Application
CM6700
FROM
CAMERAS
TO
MONITORS
REMOTE
KEYBOARDS
REMOTE
PORT
LOCAL
PORT KBD100
KBD100
KBD100
KBD100
IMPORTANT SAFEGUARDS AND WARNINGS
Prior to installation and use of this product, the following WARNINGS should be observed.
1. Installation and servicing should only be done by qualified service personnel and conform to all local
codes.
2. This unit is designed for indoor use only and must not be installed where exposed to rain and mois-
ture.
3. Use only replacement parts recommended by Pelco.
4. After replacement/repair of this unit’s electrical components, conduct a resistance measurement be-
tween line and exposed parts to verify the exposed parts have not been connected to line circuitry.
Please thoroughly familiarize yourself with the information in this manual prior to installation and operation.

[ 4 ] Pelco Manual C529M-D (9/03)
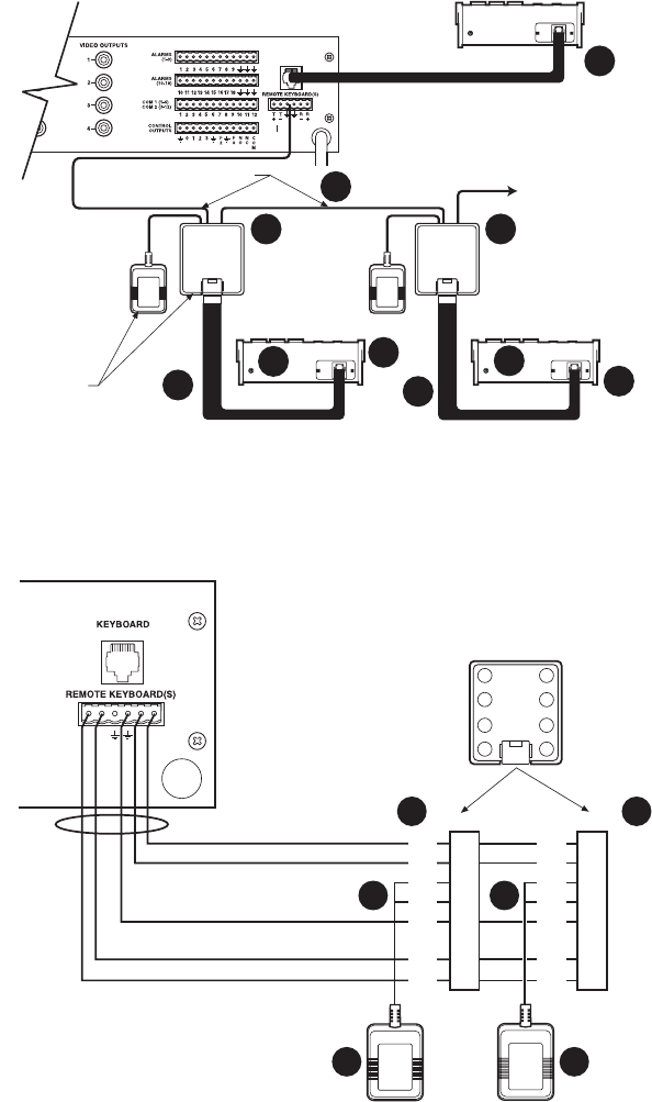
INSTALLATION
There are two keyboard ports on the CM6700 Switcher/Control Unit (SCU).
The LOCAL KEYBOARD port is for connecting a single keyboard within a distance of 25 feet (7.6 meters).
The REMOTE KEYBOARD(S) port is for connecting additional remote keyboards.
Connecting a Keyboard to the Local Keyboard Port
1Use the data cable that is supplied with the keyboard. Plug one end of the cable into the RJ-45 con-
nector on the rear of the keyboard and the other end into the LOCAL KEYBOARD port on the SCU
(refer to Figure 2). Set the keyboard address according to Table B on page 6.
Go to step 2 to install remote keyboards, or go to step 10.
Connecting Keyboards to the Remote Keyboard(s) Port
NOTE:
A KBDKIT or KBDKIT-X is required for this application. The KBDKIT consists of two RJ-45 wall
blocks and 120 VAC to 12 VAC transformers. The KBDKIT-X is for 230 VAC. Use one wall block for each
keyboard.
Refer to Figures 2 and 3 for the following steps.
2 Select a suitable location for each keyboard and wall block. Wall blocks must be within 6 feet (1.8 m)
of a suitable electrical outlet. Do not mount the wall block yet.
3 Run wall block interconnect cable (user-supplied) from the SCU to the closest keyboard location, then
to the next nearest location, and the next, etc.
Communication to the keyboards is RS-485. Maximum cable distance for RS-485 communication over
24-gauge wire is 4,000 feet (1,219 m). Pelco recommends using shielded twisted pairs cable that meets
or exceeds the basic requirements for EIA RS-485 applications.
4Remove the wall block cover and make cable connections at each wall block according to Figure 3.
5At each wall block, wire the transformer to pins 3 and 4. Polarity is unimportant.
6Replace the cover on the wall block. Secure the wall block to a suitable surface. A double-sided sticky
pad is provided to mount the wall block.
7Set the address switches for each keyboard according to the instructions on page 6.
8Plug in all keyboard data cables according to Figure 2.
9Plug the KBDKIT or KBDKIT-X transformers into a suitable outlet.
10 To initialize the keyboard, wait five seconds after power-up, enter the number for the monitor you are
viewing (1-4), and press MON. The LED display shows the number selected.
NOTE:
You must re-initialize whenever power is cycled.
11 Go to the
Programming and Operation
Section and program and test for proper operation.

Pelco Manual C529M-D (9/03) [ 5 ]
TERMINAL
1
2
3
4
5
6
7
8
TERMINAL
1
2
3
4
5
6
7
8
R+R-T-T+
LOCAL
RJ-45 WALL BLOCK TERMINALS
1
2
3
45
6
7
8
12 VAC12 VAC
4 4
TX+
TX-
AC
AC
GND
RX-
RX+
5 5
9 9
USER-SUPPLIED CABLE
TX+
TX-
AC
AC
GND
RX-
RX+
KBDKIT
25-FOOT KEYBOARD
DATA CABLE
KBD KBD
ADDITIONAL
KEYBOARDS
USER-SUPPLIED CABLE
25-FOOT KEYBOARD DATA CABLE
KBD
LOCAL
KEYBOARD
LOCAL
KEYBOARD
REMOTE KEYBOARDS
88
22
3
1
CM6700
6
REPLACE
COVER
7
6
REPLACE
COVER
7
25-FOOT KEYBOARD
DATA CABLE
SET SWITCHES
(PAGE 6)
NOTE: A SEPARATE PATH MUST BE PROVIDED
FOR VIDEO TO THE MONITOR.
Figure 2. Keyboard Cabling Diagram
Figure 3. Wiring Diagram for Remote Keyboards

[ 6 ] Pelco Manual C529M-D (9/03)
SWITCH SETTINGS
To set the switches on the keyboard (refer to Figure 4):
1 Remove the two screws and the DIP switch cover plate from the rear of the keyboard.
2Set the switches:
Address (Switches 1-4)
Position the switches according to Table B. Each keyboard in the sys-
tem must have a different address. To make programming easier, ad-
dress keyboards in ascending order.
NOTE:
You may use a total of 8 different addresses between 1 and
16 with the CM6700 SCU.
Table B. Keyboard Addresses
Keyboard Address Switch Settings
1234
1 0 OFF OFF OFF OFF
2 1 ON OFF OFF OFF
3 2 OFF ON OFF OFF
4 3 ON ON OFF OFF
5 4 OFF OFF ON OFF
6 5 ON OFF ON OFF
7 6 OFF ON ON OFF
8 7 ON ON ON OFF
9 8 OFF OFF OFF ON
10 9 ON OFF OFF ON
11 10 OFF ON OFF ON
12 11 ON ON OFF ON
13 12 OFF OFF ON ON
14 13 ON OFF ON ON
15 14 OFF ON ON ON
16 15 ON ON ON ON
3Replace the cover plate.

Pelco Manual C529M-D (9/03) [ 7 ]
Figure 4. Keyboard Rear Panel
ON
1234
KEYBOARD
DATA
KEYBOARD
DIP SWITCH
REMOVE DIP
SWITCH COVER PLATE
REPLACE
COVER
1
3
2

[ 8 ] Pelco Manual C529M-D (9/03)
PROGRAMMING AND OPERATION
Programming and operation of each function is explained in Tables C and D. Refer to Figure 5 for the lo-
cation of keys.
Table C. Keyboard Definitions for KBD100
Function Procedure
Select Camera
Select Monitor
Sequence
Macro Sequence
Auxiliaries/Relays
Acknowledge Alarm
Program (CM6700)
LED
Clear
Enter camera number (1-16) 8 and press CAM 7 to select.
NOTE:
The CM6700 can be programmed to restrict some monitors from
viewing certain cameras. To display a camera’s view on your monitor, be sure
that your keyboard shows the number of the monitor you are viewing and be
sure that the CM6700 has not been programmed to restrict viewing of that
camera.
LED display 1 shows monitor number in run mode.
Enter monitor number (1-4) 8 and press MON 10 to select.
Sequence steps through all 16 cameras. Camera number, camera title, se-
quence status, and time/date are shown on the monitor.
Press PREV 2
A
to step back one camera. Hold for two seconds for a back-
ward sequence. Monitor shows B. Press during sequence to speed up. Press
during a forward sequence to reverse.
Press NEXT 2B to step forward one camera. Hold for two seconds for a for-
ward sequence. Monitor shows F. Press during sequence to speed up. Press
during a backward sequence to go forward.
Press HOLD 2C to hold a sequence. Monitor shows H. Press PREV or NEXT
to resume.
Manually select a camera or press CAM 7 to turn off a sequence. Monitor shows O.
Enter 1 or 2 8 and press MACRO 5 to start a group camera sequence. Moni-
tor shows M. Refer to the CM6700 manual for macro/sequence programming.
F1-F3 3 control only the auxiliaries built into the CM6700 SCU.
These outputs can be programmed for momentary, keyed, latched, or alarm
operation. See the CM6700 SCU manual for programming instructions.
F1: Activate/deactivate switcher auxiliary 1 relay.
F2: Activate/deactivate switcher auxiliary 2 TTL output.
F3: Activate/deactivate switcher auxiliary 3 TTL output.
Press ACK 9 to acknowledge an alarm. Refer to the CM6700 manual for fur-
ther information on alarms.
To program the CM6700 switcher, press PGM 4 . Follow the programming
procedure in the CM6700 manual. LED Display 1 shows P in program mode.
Press ACK 9 to exit.
LED 1 shows monitor number or P (in program mode).
Press CLEAR 6 to cancel a number that has been entered.

Pelco Manual C529M-D (9/03) [ 9 ]
Table D. KBD100 Button Functions
Reference Description
Number
1 LED display
2A-2C Sequence keys: Previous, Next, Hold
3 Function keys F1, F2, F3 control auxiliaries
4 Program key
5 Macro sequence key
6 Clear key
7 Camera selection key
8 Keypad (numbers 1 through 0)
9 Acknowledge key
10 Monitor selection key
1
KBD100
MADE IN USA.
123
456
789
0CLEARCAM
F1 F2 F3
SEQUENCE
MON ACK PREV NEXT HOLD MACRO PGM
3
4
5
6
7
8
9
10
2
A
2
B
2
C
Figure 5. Keyboard Functions

[ 10 ] Pelco Manual C529M-D (9/03)
SPECIFICATIONS
GENERAL
Keyboard Keypad: Electromechanical
Digital Display: Red LED, 7-segment, 2 cells
Ambient Operating
Temperature: 20° to 120°F (-7° to 49°C)
Humidity: 10-90% non-condensing
Dimensions: 6.00 (W) x 7.125 (D) x 2.25 (H) inches (15.24 x 18.10 x 5.72 cm)
Weight: 1.9 lb (0.86 kg)
ELECTRICAL
Input Voltage: 12 VAC or ±12 VDC
Power Consumption: 5 watts
Connector Type: RJ-45, 8-pin modular (female)
Keyboard Communication
Interface: RS-485
Protocol: Pelco ASCII
Baud: 9600
Communication Parameters: 8 data bits, odd parity, 1 stop bit
(Design and product specifications subject to change without notice.)
This equipment contains electrical or electronic components that must be recycled properly to comply with Directive 2002/96/EC of the European Union
regarding the disposal of waste electrical and electronic equipment (WEEE). Contact your local dealer for procedures for recycling this equipment.
This equipment contains electrical or electronic components that must be recycled properly to comply with
Directive 2002/96/EC of the European Union regarding the disposal of waste electrical and electronic
equipment (WEEE). Contact your local dealer for procedures for recycling equipment.
Pelco Manual C529M-D (9/03) [ 11 ]
INDEX
A
Acknowledge Alarm 8
Auxiliaries 8
C
Clear 8
D
Description 3
DIP switch 6
I
Installation 4
K
KBDKIT 4
KBDKIT-X 4
Keyboard Addresses 6
L
LED 8
M
Macro Sequence 8
O
Operation 8
Operation functions 8
P
Program CM6700 8
Programming 8
R
Regulatory notices 2
Relays 8
Returns 12
RS-485 cable distance 4
S
Safeguards 3
Select Camera 8
Select Monitor 8
Sequence 8
Specifications 10
Switch Settings 6
W
Wall block 4
Warranty 12

[ 12 ] Pelco Manual C529M-D (9/03)
REVISION HISTORY
Manual # Date Comments
C529M 7/97 Original version.
C529M-A 12/97 Revision a. Revised installation instructions.
C529M-B 5/98 Revised installation instructions as a result of hardware changes to the rear panel of the
CM6700 SCU. Removed references to KBD100-X because model has been replaced with
KBDKIT-X. Changed manual pagination.
6/98 Added Section 1.2, Regulatory Notices and Section 2.2, Certifications.
10/98 Revised Table A.
C529M-C 8/00 Revised format.
C529M-D 9/03 Added uL certification seal. Changed power consumption specification.
Pelco, the Pelco logo, Camclosure, Esprit, Genex, Legacy, and Spectra are registered trademarks of Pelco.
Endura and ExSite are trademarks of Pelco.
© Copyright 2000, Pelco. All rights reserved.
PRODUCT WARRANTY AND RETURN INFORMATION
WARRANTY
Pelco will repair or replace, without charge, any merchandise proved defective in material or workmanship for a period of one year after the date of
shipment.
Exceptions to this warranty are as noted below:
• Five years on FT/FR8000 Series fiber optic products.
• Three years on Genex
®
Series products (multiplexers, server, and keyboard).
• Three years on Camclosure
®
and fixed camera models, except the CC3701H-2, CC3701H-2X, CC3751H-2, CC3651H-2X, MC3651H-2, and
MC3651H-2X camera models, which have a five-year warranty.
• Two years on standard motorized or fixed focal length lenses.
• Two years on Legacy
®
, CM6700/CM6800/CM9700 Series matrix, and DF5/DF8 Series fixed dome products.
• Two years on Spectra
®
, Esprit
®
, ExSite
™
, and PS20 scanners, including when used in continuous motion applications.
• Two years on Esprit
®
and WW5700 Series window wiper (excluding wiper blades).
• Eighteen months on DX Series digital video recorders, NVR300 Series network video recorders, and Endura
™
Series distributed network-based video
products.
• One year (except video heads) on video cassette recorders (VCRs). Video heads will be covered for a period of six months.
• Six months on all pan and tilts, scanners or preset lenses used in continuous motion applications (that is, preset scan, tour and auto scan modes).
Pelco will warrant all replacement parts and repairs for 90 days from the date of Pelco shipment. All goods requiring warranty repair shall be sent freight
prepaid to Pelco, Clovis, California. Repairs made necessary by reason of misuse, alteration, normal wear, or accident are not covered under this
warranty.
Pelco assumes no risk and shall be subject to no liability for damages or loss resulting from the specific use or application made of the Products. Pelco’s
liability for any claim, whether based on breach of contract, negligence, infringement of any rights of any party or product liability, relating to the Products
shall not exceed the price paid by the Dealer to Pelco for such Products. In no event will Pelco be liable for any special, incidental or consequential
damages (including loss of use, loss of profit and claims of third parties) however caused, whether by the negligence of Pelco or otherwise.
The above warranty provides the Dealer with specific legal rights. The Dealer may also have additional rights, which are subject to variation from state
to state.
If a warranty repair is required, the Dealer must contact Pelco at (800) 289-9100 or (559) 292-1981 to obtain a Repair Authorization number (RA), and
provide the following information:
1. Model and serial number
2. Date of shipment, P.O. number, Sales Order number, or Pelco invoice number
3. Details of the defect or problem
If there is a dispute regarding the warranty of a product which does not fall under the warranty conditions stated above, please include a written
explanation with the product when returned.
Method of return shipment shall be the same or equal to the method by which the item was received by Pelco.
RETURNS
In order to expedite parts returned to the factory for repair or credit, please call the factory at (800) 289-9100 or (559) 292-1981 to obtain an authorization
number (CA number if returned for credit, and RA number if returned for repair).
All merchandise returned for credit may be subject to a 20% restocking and refurbishing charge.
Goods returned for repair or credit should be clearly identified with the assigned CA or RA number and freight should be prepaid. Ship to the appropriate
address below.
If you are located within the continental U.S., Alaska, Hawaii or Puerto Rico, send goods to:
Service Department
Pelco
3500 Pelco Way
Clovis, CA 93612-5699
If you are located outside the continental U.S., Alaska, Hawaii or Puerto Rico and are instructed to return goods to the USA, you may do one of the
following:
If the goods are to be sent by a COURIER SERVICE, send the goods to:
Pelco
3500 Pelco Way
Clovis, CA 93612-5699 USA
If the goods are to be sent by a FREIGHT FORWARDER, send the goods to:
Pelco c/o Expeditors
473 Eccles Avenue
South San Francisco, CA 94080 USA
Phone: 650-737-1700
Fax: 650-737-0933
WARRANTY AND RETURN INFORMATION