Pfaff 1183 Users Manual Ba_1180_01 12_e.indb
1183 to the manual bcc0c8ea-3384-4533-8ec3-8146f171a8e1
2015-01-24
: Pfaff Pfaff-1183-Users-Manual-346008 pfaff-1183-users-manual-346008 pfaff pdf
Open the PDF directly: View PDF 
.
Page Count: 42

INSTRUCTION MANUAL
296-12-19 201/002
Betriebsanleitung  engl. 01.12
This instruction manual applies to machines 
from the following serial numbers onwards:
#  6 500 122
11 8 1
11 8 3

This Instruction Manual is valid for all models and subclasses listed in the 
chapter "Specifi cations".
The adjustment manual for the machines can be downloaded free of 
charge from the internet address 
www.pfaff-industrial.com/pfaff/de/service/downloads
As an alternative to the internet download the adjustment manual can also be 
ordered in book form under part no. 296-12-19 202/002.
The reprinting, copying or translation of PFAFF Instruction Manuals, whether in whole or 
in part, is only permitted with our previous authorization and with written reference to the 
source.
PFAFF Industriesysteme 
und Maschinen AG
Hans-Geiger-Str. 12  -  IG Nord
D-67661 Kaiserslautern

  Index
 Contents ..................................................................................Page
  3
1 Safety .................................................................................................................................... 5
1.01 Directives ...............................................................................................................................5
1.02  General notes on safety ......................................................................................................... 5
1.03 Safety symbols ...................................................................................................................... 6
1.04  Important points for the user ................................................................................................. 6
1.05  Operating and specialist personnel ........................................................................................ 7
1.05.01 Operating personnel .............................................................................................................. 7
1.05.02 Specialist personnel ............................................................................................................... 7
1.06 Danger warnings .................................................................................................................... 8
2 Proper use............................................................................................................................. 9
3 Specifi cations ..................................................................................................................... 10
3.01  PFAFF 1181, PFAFF 1183 .....................................................................................................10
3.02  Versions and subclasses ...................................................................................................... 11
4  Disposal of Machine .......................................................................................................... 12
5  Transportation, packing and storage ................................................................................ 13
5.01  Transportation to customer‘s premises ............................................................................... 13
5.02  Transportation inside the customer‘s premises ................................................................... 13
5.03  Disposal of packing materials ..............................................................................................13
5.04 Storage ................................................................................................................................ 13
6  Explanation of symbols ..................................................................................................... 14
7 Controls .............................................................................................................................. 15
7.01 On/off switch ....................................................................................................................... 15
7.02  Keys on the machine head (only for machines with -911/..) ................................................. 15
7.03 Pedal .................................................................................................................................... 16
7.04  Lever for lifting the presser foot ........................................................................................... 16
7.05  Feed regulator disk / Reverse feed lever .............................................................................. 17
7.06 Knee lever ............................................................................................................................ 17
7.07  Edge trimmer -731/01 .......................................................................................................... 18
7.08 Control panel ........................................................................................................................ 18
8  Installation and commissioning ....................................................................................... 19
8.01 Installation ............................................................................................................................ 19
8.01.01  Adjusting the table-top height .............................................................................................. 19
8.01.02  Adjusting the V-belt tension ................................................................................................. 20
8.01.03  Mounting the upper V-belt guard .........................................................................................20
8.01.04  Mounting the lower V-belt guard .......................................................................................... 21
8.01.05  Mounting the spool holder  .................................................................................................. 21
8.02  Connecting the plug-in connections and earth cables ......................................................... 22
8.03  Commissioning the machine  .............................................................................................. 23

Index
 Contents ..................................................................................Page
4
8.04  Switching the machine on/off .............................................................................................. 23
8.05  Basic position of the machine drive unit  ............................................................................. 24
8.05.01  On machines with EcoDrive and control unit P40 ED  ......................................................... 24
8.05.02  On machines with PicoDrive and control unit P40 PD2 ....................................................... 24
8.05.03  On machines with control unit MD-4-95-220-CE ................................................................. 25
8.06 Start inhibitor ....................................................................................................................... 26
8.06.01  Mounting the start inhibitor ................................................................................................. 26
8.06.02  Checking the start inhibitor function .................................................................................... 26
9 Preparation  ........................................................................................................................ 27
9.01  Inserting the needle ............................................................................................................. 27
9.02  Winding the bobbin thread, adjusting the thread tension .................................................... 28
9.03  Removing / Inserting the bobbin case ................................................................................. 29
9.04  Inserting the bobbin case / Adjusting the bobbin thread tension ......................................... 29
9.05  Threading the needle thread / Adjusting the needle thread tension .................................... 30
10  Care and maintenance ....................................................................................................... 31
10.01  Servicing and maintenance intervals ................................................................................... 31
10.02  Cleaning the machine .......................................................................................................... 31
10.03  Topping up the oil tank ......................................................................................................... 32
10.04  Oiling the edge trimmer -731/01 .......................................................................................... 32
10.05 Parameter settings ............................................................................................................... 33
10.05.01  Parameter list for control unit P40 ED and P40 PD2 ............................................................ 33
10.05.02  Parameter list for control unit MD-4-95-220-CE ................................................................... 34
11   Table top cutout ................................................................................................................. 35
12 Block diagram  .................................................................................................................... 36
12.01  Block diagram PFAFF 1180 with control unit P40 ED  .......................................................... 36
12.02  Block diagram PFAFF 1180 with control unit P40 PD2  ........................................................ 37
12.03  Block diagram PFAFF 1180 with control unit MD-4-95-220-CE  ........................................... 38
13 Wearing parts ..................................................................................................................... 39

  Safety
  5
1 Safety
1.01  Directives
This machine is constructed in accordance with the European regulations contained in the 
conformity and manufacturer’s declarations.
In addition to this Instruction Manual, also observe all generally accepted, statutory and 
other regulations and legal requirements and all valid environmental protection regulations!
The regionally valid regulations of the social insurance society for occupational accidents or 
other supervisory organizations are to be strictly adhered to!
1.02  General notes on safety
 ●This machine may only be operated by adequately trained operators and only after having 
completely read and understood the Instruction Manual!
 ●All Notes on Safety and Instruction Manuals of the motor manufacturer are to be read be-
fore operating the machine!
 ●The danger and safety instructions on the machine itself are to be followed!
 ●This machine may only be used for the purpose for which it is intended and may not be 
operated without its safety devices. All safety regulations relevant to its operation are to 
be adhered to.
 ●When exchanging sewing tools (e.g. needle, roller presser, needle plate and bobbin), 
when threading the machine, when leaving the machine unattended and during mainte-
nance work, the machine is to be separated from the power supply by switching off the 
On/Off switch or by removing the plug from the mains!
 ●Everyday maintenance work is only to be carried out by appropriately trained personnel!
 ●Repairs and special maintenance work may only be carried out by qualifi ed service staff 
or appropriately trained personnel!
 ●Work on electrical equipment may only be carried out by appropriately trained personnel!
 ●Work is not permitted on parts and equipment which are connected to the power supply! 
The only exceptions to this rule are found in the regulations EN 50110.
 ●Modifi cations and alterations to the machine may only be carried out under observance 
of all the relevant safety regulations!
 ●Only spare parts which have been approved by us are to be used for repairs! We express-
ly point out that any replacement parts or accessories which are not supplied by us have 
not been tested and approved by us. The installation and/or use of any such products can 
lead to negative changes in the structural characteristics of the machine. We are not liable 
for any damage which may be caused by non-original parts.

Safety
6
1.03  Safety symbols
Danger!
Points to be observed..
Danger of injury for operating and specialist personnel!
     Caution
      Do not operate without fi nger guard and safety devices.
      Before threading, changing bobbin and needle, cleaning   
   etc. switch off main switch.
I
1.04  Important points for the user
 ●This Instruction Manual is an integral part of the machine and must be available to the 
operating personnel at all times.
 ●The Instruction Manual must be read before operating the machine for the fi rst time.
 ●The operating and specialist personnel is to be instructed as to the safety equipment of 
the machine and regarding safe work methods.
 ●It is the duty of the user to only operate the machine in perfect running order.
 ●It is the obligation of the user to ensure that none of the safety mechanisms are removed 
or deactivated.
 ●It is the obligation of the user to ensure that only authorized persons operate and work 
on the machine.
Further information can be obtained from your PFAFF agent.

  Safety
  7
1.05  Operating and specialist personnel
1.05.01  Operating personnel
Operating personnel are persons responsible for the equipping, operating and cleaning of 
the machine as well as for taking care of problems arising in the sewing area.
The operating personnel is required to observe the following points and must:
 ●always observe the Notes on Safety in the Instruction Manual!
 ●never use any working methods which could adversely affect the safety of the machine!
 ●not wear loose-fi tting clothing or jewelery such as chains or rings!
 ●also ensure that only authorized persons have access to the potentially dangerous area 
around the machine!
 ●always immediately report to the person responsible any changes in the machine which 
may limit its safety!
1.05.02  Specialist personnel
Specialist personnel are persons with a specialist education in the fi elds of electrics, electro-
nics and mechanics. They are responsible for the lubrication, maintenance, repair and adjust-
ment of the machine.
The specialist personnel is obliged to observe the following points and must:
 ●always observe the Notes on Safety in the Instruction Manual!
 ●switch off the On/Off switch before carrying out adjustments or repairs, and ensure that 
it cannot be switched on again unintentionally!
 ●wait until the luminous diode on the control box is no longer blinking or on before begin-
ning adjustment or repair work.
 ●never work on parts which are still connected to the power supply! Exceptions are explai-
ned in the regulations EN 50110.
 ●replace the protective coverings and close the electrical control box afer all repairs or 
maintenance work!

Safety
8
1.06  Danger warnings
A working area of 1 m must be kept free both in front of and behind the machi-
ne, so that easy access is possible at all times.
Never put your hands or fi ngers in the sewing area during sewing!
Danger of injury by the needle!
While setting or adjusting the machine do not leave any objects on the table nor 
in the needle plate area!  Objects may be trapped or fl ung out of the machine!
Do not run the machine without take-up lever guard 1!
Danger of injury by moving take-up lever!
Do not run the machine without fi nger guard 2!
Danger of injury by up and down movement of needle!
Do not operate machines with integrated motor without start inhibitor 3!
Danger of injury if the machine is started accidentally!
If an external motor is used, do not operate the machine without the belt 
guards 4 and 5!
Danger of injury by the drive belt!
Fig. 1 - 01
4
2
1
35

Proper use
  9
2 Proper use
The PFAFF 1181 is an single-needle ultra-high-speed seamer with compound feed
The PFAFF 1183 is an single-needle ultra-high-speed seamer with drop feed
These machines are used in the industry for sewing lockstitch seams.
Any and all uses of this machine which have not been approved of by the 
manufacturer are considered to be inappropriate! The manufacturer cannot be 
held liable for any damage caused by the inappropriate use of the machine! 
The appropriate use of the machine includes the observance of all operational, 
adjustment, maintenance and repair measures required by the manufacturer!

10
Specifi cations
3 Specifi cations V
3.01  PFAFF 1181, PFAFF 1183
Stitch type: ..........................................................................................................301 (lockstitch)
Needle system: ................................................................... 134 or 134 KK on subclass -731/01
Needle size in 1/100 mm:
Version A: ........................................................................................................................ 60 - 70
Version B: ...................................................................................................................... 80 - 100
Version CN: ..................................................................................................................110 - 120
Effective balance wheel diameter: ..................................................................................65 mm
Fabric clearance: ........................................................................................................9 - 13 mm
Clear workspace width: ................................................................................................260 mm
Clear workspace height: ...............................................................................................125 mm
Bed-plate dimensions: ........................................................................................ 476 x 177 mm
Sewing head dimensions:
Length: .............................................................................................................approx.  550 mm
Width: .............................................................................................................. approx. 180 mm
Height (above table): ........................................................................................approx. 300 mm
Max. stitch length:
Version A: .......................................................................................................................3,0 mm
Version B: .......................................................................................................................4.5 mm
Version CN: ....................................................................................................................6.0 mm
Max. speed PFAFF 1181/ 1183
Version A and B: .......................................................................................................5500 spm ◆
Subclass -731/01: .....................................................................................................4500 spm ◆
Subclass -8/44: .........................................................................................................3000 spm ◆
Version CN: ..............................................................................................................3800 spm ◆
Needle bar stroke:................................................................................................. 30 or 36 mm
Motor data:  ................................................................................. see motor specifi cation plate
Noise data:
Emission sound level at workplace at a speed of 4400 spm:  ....................... LpA = 80.0 dB(A) ■
(Noise measurement in accordance with DIN 45 635-48-B-1, ISO 11204, ISO 3744, ISO 4871
V  Subject to technical alterations
◆ 3,800 s.p.m. with 36 mm needle bar stroke
■ K
pA = 2,5 dB

 11
  Specifi cations
3.02  Versions and subclasses
Version A: ...........................................................................................for sewing light materials
Version B: .................................................................................... for sewing medium materials
Version CN: ....................................................................... for sewing medium-heavy materials
Work aids:
Subclass -731/01 .................................................................................................. edge trimmer
Subclass -900/24 ................................................................................................ thread trimmer
Subclass -909/14 .................................................................................................Thread trapper
Subclass -910/06 ............................................................................................ automatic foot lift
Subclass -911/37 ................................................................ automatic back-tacking mechanism

Disposal of Machine
12
4  Disposal of Machine
 ●Proper disposal of the machine is the responsibility of the customer.
 ●The materials used for the machine are steel, aluminium, brass and various plastic 
materials. The electrical equipment comprises plastic materials and copper.
 ●The machine is to be disposed of according to the locally valid pollution control regula-ti-
ons; if necessary, a specialist ist to be commissioned.
Care must be taken that parts soiled with lubricants are disposed of separately 
according to the locally valid pollution control regulations!

Transportation, packing and storage
 13
5  Transportation, packing and storage
5.01  Transportation to customer‘s premises
The machines are delivered completely packed.
5.02  Transportation inside the customer‘s premises
The manufacturer cannot be made liable for transportation inside the customer‘s premises 
nor to other operating locations. It must be ensured that the machines are only transported 
in an upright position.
5.03  Disposal of packing materials
The packing materials of this machine comprise paper, cardboard and VCE fi bre. Proper dis-
posal of the packing material is the responsibility of the customer.
5.04  Storage
If the machine is not in use, it can be stored as it is for a period of up to six months, but It 
should be protected against dust and moisture.
If the machine is stored for longer periods, the individual parts, especially the surfaces of 
moving parts, must be protected against corrosion, e.g. by a fi lm of oil.

Explanation of symbols
14
6  Explanation of symbols
In this instruction manual, work to be carried out or important information is accentuated by 
symbols. These symbols have the following meanings:
Note, information
Cleaning, care
Lubrication
Maintenance, repairs, adjustment, service work
(only to be carried out by technical staff)

  Controls
 15
7.02  Keys on the machine head (only for machines with -911/..)
 ●As long as key 1 is pressed during sew-
ing,  the machine sews in reverse.
 ●Keys 2 can be used for parameter set-
tings (see motor instruction manual).
Fig. 7 - 02
2
1
Fig. 7 - 01
1
7 Controls
7.01  On/off switch
 ●The power supply to the machine is swit-
ched on or off by turning switch 1.
The illustrated on/off switch is 
fi tted to machines with Eco- 
or PicoDrive motors.  If other 
motors are used, a different 
switch may be fi tted.

Controls
16
Fig. 7 - 03
0 +1
-1 -2
7.03  Pedal
 ●With the on/off switch on 
0  = Machine stop
+1  = Sew
- 1  =  Raise presser foot (for      
    machines with -910/06)
- 2  =  Trim thread (for machines 
  with -900/24)
7.04  Lever for lifting the presser foot
 ●The presser foot is raised by turning 
lever 1.
Fig. 7 - 04
1

  Controls
 17
1
7.05  Feed regulator disk / Reverse feed lever
 ●The stitch length can be set by simulta-
neously applying pressure to disk 1 and 
turning it to the desired setting.
 ●For reverse sewing press lever 2.
Fig. 7 - 05
2
Fig. 7 - 06
1
7.06  Knee lever
 ●By pressing the knee lever 1 in the 
direction of the arrow, the presser foot is 
raised. 

Controls
18
7.08  Control panel
The description can be found in the separate instruction manual for the motor. 
Fig. 7 - 07
1
7.07  Edge trimmer -731/01
Do not touch the running mo-
tor! Danger of injury!
 ●By pressing or raising key 1, the edge 
trimmer is switched on or off.
2

Installation and commissioning
 19
Fig. 8 - 01
2
11
 ●Loosen screws 1 and 2 and set the desired table-top height
 ●Tighten screws 1 well.
 ●Adjust the position of the pedal so that you can operate it comfortably and tighten screw 2.
8  Installation and commissioning
The machine must only be mounted and commissioned by qualifi ed personnel! 
All relevant safety regulations are to be observed!
If the machine is delivered without a table, it must be ensured that the frame 
and the table top which you intend to use can hold the weight of the machine 
and the motor. It must be ensured that the supporting structure is suffi ciently 
sturdy, including during all sewing operations.
8.01  Installation
The site where the machine is installed must be provided with suitable connections for the 
electric current, see Chapter 3 Specifi cations.
It must also be ensured that the standing surface of the machine site is fi rm and horizontal, 
and that suffi cient lighting is provided.
The method of packaging used requires that the table top be lowered for trans-
port. The following is a description of how to adjust the height of the table top.
8.01.01  Adjusting the table-top height

Installation and commissioning
20
 ●Loosen nuts 1.
 ●Tighten the V-belt with belt take-up 
hanger 2.
 ●Tighten nuts 1.
IA PFAFF motor is shown in 
Fig. 8-02. If another motor is 
used, carry out this step accor-
ding to the instructions in the 
motor instruction manual.
Fig. 8 - 02
1
2
8.01.02  Adjusting the V-belt tension
This step is eliminated for integrated sewing motors.
 ●Break out the belt guard case 1 at the 
points marked by the arrows.
 ●Fasten belt guard 2 in holes 3.
 ●Attach belt guard 4 to the machine case 
with screws 5.
Fig. 8 - 03
1
2
8.01.03  Mounting the upper V-belt guard
This step is eliminated for integrated sewing motors.
3
3

Installation and commissioning
  21
 ●Align belt-guard 1 in such a way that both 
the motor pulley and the V-belt run freely.
 ●Tighten screws 2.
A PFAFFmotor is shown in 
Fig. 8-04. If another motor is 
used, carry out this step accor-
ding to the instructions in the 
motor instruction manual.
Fig. 8 - 04
1
2
8.01.04  Mounting the lower V-belt guard
This step is eliminated for integrated sewing motors.
2
8.01.05  Mounting the spool holder 
 ●Mount the spool holder as shown in 
Fig. 8-05.
 ●Insert the spool holder into the hole in 
the table top and fasten it with the nuts 
enclosed.
Fig. 8 - 05

Installation and commissioning
22
Fig. 8 - 06
1
8.02  Connecting the plug-in connections and earth cables
 ●Connect all plug connections as described in the operations manual of the drive
 ●The following ground cables must be attached in order to discharge static electricity.
 ●Attach ground cables for machine, main switch, control unit and motor to ground point 1.

Installation and commissioning
  23
8.03  Commissioning the machine 
 ●Check the machine, especially the electri-
cal leads, for any damage.
 ●Remove pin 1 of the oil reservoir 2 
(Fig. 8 - 07). 
The pin serves only to protect 
the machine from damage 
during transport and must not 
be used when sewing.
 ●Clean the machine thoroughly and oil it 
(see chapter 10 Care and maintenance).
 ●Have skilled personnel check if the ma-
chine can be operated with the available 
mains voltage
Do not operate the machine if there is any discrepancy.
The machine may only be connected to an earthed socket!
Have home position of the machine drive verifi  ed by certifi  ed technicians 
before fi  rst commissioning! Have settings carried out my technicians where 
required (see chapter 8.05)
8.04  Switching the machine on/off
 ●Switch the machine on (see Chapter 7.01, On/off switch).
Fig. 8 - 07
1
2

Installation and commissioning
24
8.05  Basic position of the machine drive unit 
8.05.01  On machines with EcoDrive and control unit P40 ED 
 ●Switch on the machine.
 ●Press the TE/speed key twice to select the input mode. 
 ●Select parameter "798" by pressing the corresponding +/- key, and select service level 
C, see Chapter Selecting the user level in the instruction manual for the control panel.
 ●By pressing the corresponding +/- key select the parameter "799" (Selecting the machine 
class).
 ●Check whether value "1" is set, and correct it if necessary.
If the parameter has to be altered, operate the TE/Speed key and then switch 
off the machine and switch it on again. Then select service level C again as de-
scribed above.
 ●By pressing the corresponding +/- key, select parameter "800" (selecting the sewing 
direction).
 ●By pressing the corresponding +/- key, select the value for the parameter at "0".
 ●By pressing the corresponding +/- key, select parameter "700".
 ●Sew a stitch by operating the pedal.
 ●Turn the balance wheel in the sewing direction until the descending needle is level with 
the top edge of the needle plate.
 ●Then check the parameter values listed in the parameter list (see Chapter 
10.04 Parameter Settings) and adjust them if necessary.
 ●Conclude the adjustment of the sewing motor by pressing the TE/Speed key.
8.05.02  On machines with PicoDrive and control unit P40 PD2
 ●Switch on the machine.
 ●Call up the parameter input by pressing the "scroll" key.
 ●To switch the function keys to input (LED in the TE key lights up), press the TE key.
 ●By pressing the corresponding +/- keys, select parameter "798" and service level C, 
see Chapter Selecting the User Level in the separate Control Panel Instruction Manual.
 ●Select parameter "799" by pressing the corresponding +/- keys.
 ●Check whether the value is set at "2" and alter if necessary.
 ●Switch the machine off and then on again.
 ●Select parameter "800" by pressing the corresponding +/- keys.
 ●Check whether the value is set at "0" (balance wheel turns towards the operator) and alter 
if necessary.
 ●Select parameter "802" by pressing the corresponding +/- keys.
 ●Check whether the value is set at "0" (= no reduction ratio) and alter if necessary.

Installation and commissioning
  25
8.05.03  On machines with control unit MD-4-95-220-CE
 ●Press and hold button and switch on machine.
 ●Parameter 47 is displayed.
 ●Call up input level.
 ●Set Code " 62" from the machine manufacturer.
 ●Confi rm entry and switch off machine.
 ●Press and hold button and switch on machine.
 ●Parameter 208 is displayed.
 ●Call up parameter 236.
 ●Confi rm entry.
 ●Set value from the machine typ (0 = PFAFF 118 3 , 1 = PFAFF 11 8 1 ).
 ●Confi rm entry and switch off machine.
 ●Press and hold button and switch on machine.
 ●Parameter 176 is displayed.
 ●Call up parameter 192.
 ●Press button D+ to turn function "on".
 ●Call up parameter 181.
 ●Call up input level.
 ●Sew a stitch with the pedal function.
 ●Turn the handwheel in rotational direction until the needle point (approaching from above) 
is on the upper edge of the needle plate.
 ●Confi rm entry.
 ●Call up parameter 192.
 ●Press button D+ to turn function "off".
 ●Press button "S" to exit input.
 ●.By pressing the corresponding +/- key, select parameter "700"
 ●Sew a stitch by operating the pedal.
 ●Turn the balance wheel in the sewing direction until the descending needle is level with 
the top edge of the needle plate.
 ●Conclude the adjustment of the sewing motor by pressing the "scroll" key
P
S
S
AB
A
S
S
C
D
AB
D
C
D
AB
C
D
AB
D
S
S

Installation and commissioning
26
Fig. 8 - 07
8.06  Start inhibitor
8.06.01  Mounting the start inhibitor
 ●Set the machine into the table top.
 ●After loosening screws 2, set switch 1 so 
that it is activated when the sewing head 
is in an upright position.
 ●In this position tighten screws 2.
2
1
8.06.02  Checking the start inhibitor function
 ●Switch the machine on at the main switch and tilt back the sewing head.
 ●The error message "Er 0  16" (on MD-4-95-220-CE) or "Error 9 (on Eco- or PicoDrive) must 
appear on the control panel.
 ●If the message does not appear, check the setting of safety switch 2.
 ●After the sewing head has been returned to the upright position, the machine is ready 
for operation again.

  Preparation
  27
9 Preparation 
All regulations and instructions in this Instruction Manual are to be observed! 
Special attention is to be paid to the safety regulations!
All preparation work is only to be carried out by appropriately trained personnel. 
Before all preparation work, the machine is to be separated from the electricity 
supply by removing the plug from the mains or switching off the On/Off switch!
9.01  Inserting the needle
Switch off the machine!
Danger of injury due to uninten-
tional starting of the machine!
Only use needles from the sys-
tem intended for the machine, 
see Chapter 3 Specifi cations.
 ●Raise needle bar.
 ●Loosen screw 1 and insert needle 3 until 
you feel it stop. 
 ●The long needle groove must be aligned 
in the direction of the machine head.
 ●Tighten screw 1.
Fig. 9 - 01
1
2

Preparation
28
Fig. 9 - 02
9.02  Winding the bobbin thread, adjusting the thread tension
 ●Place an empty bobbin 1 onto bobbin shaft 2.
 ●Thread the bobbin in accordance with Fig. 9-02 and wind it anti-clockwise around bobbin 
1 a few times.
 ●Switch on the bobbin winder while at the same time pressing bobbin winder spindle 2 
and lever 3.
The bobbin fi lls up during sewing.
If the machine is only being used to wind the bobbin (without sewing), a bobbin 
case must be inserted in the hook! (Danger of damage to the hook).
 ●The tension of the thread on bobbin 1 can be adjusted with knurled screw 4.
 ●The bobbin winder stops automatically when bobbin 1 is full.
 ●Remove the fi lled bobbin 1 and cut the thread on knife 5.
If the thread is wound unevenly, loosen nut 6 and turn thread guide 7 accordin-
gly. Retighten nut 6 after the adjustment.
1
2
3
4
5
+-
6
7

  Preparation
  29
9.04  Inserting the bobbin case / Adjusting the bobbin thread tension
 ●Insert the bobbin into the bobbin case.
 ●Pass the thread through the slot under 
the spring according to Fig. 9-04.
 ●Pass the thread through the notch.
 ●Adjust the thread tension by turning 
screw 1.
When the thread is pulled, the 
bobbin must rotate in the direc-
tion of the arrow.
Fig. 9 - 04
1
5 cm
9.03  Removing / Inserting the bobbin case
Switch off the machine!
Danger of injury due to uninten-
tional starting of the machine!
Removing the bobbin case:
 ●Tilt back the machine.
 ●Raise latch 1 and remove bobbin case 2.
Inserting the bobbin case:
 ●Press bobbin case 2 until you feel it snap 
into the bobbin case base.
Return the machine to its up-
right position using both hands!
Danger of injury by crushing 
between the machine and the 
table top!
Fig. 9 - 03
1
2

Preparation
30
9.05  Threading the needle thread / Adjusting the needle thread tension
Switch off the machine!
Danger of injury due to unintentional starting of the machine!
 ●Thread the machine as shown in Fig. 9-05.
 ●On machines with subclass -909/14 also guide the thread through thread trapper 2.
 ●Adjust the needle thread tension by turning disk 1.
Fig. 9 - 05
1
+
-
2

  Care and maintenance
  31
These maintenance intervals are calculated for the average running time of a 
single shift operation. If the machine is operated more than this, shorter inter-
vals are recommended.
10.02  Cleaning the machine
The cleaning cycle required for the machine depends on following factors:
 ●Single or several shift operation
 ●Amount of dust resulting from the workpiece
It is therefore only possible to stipulate the best possible cleaning instructions for each indi-
vidual case.
For all cleaning work the machine must be disconnected from the mains 
by switching off the on/off switch or by removing the mains plug!
Danger of injury if the machine suddenly starts up .
To avoid breakdowns, the following cleaning 
work is recommended for single shift ope-
ration:
 ●Swing out the cover plate and tilt back 
the sewing head.
 ●Clean the hook and hook compartment 
daily, more often if in continuous opera-
tion.
Return the machine to its up-
right position using both hands!
Danger of injury by crushing 
between the edge of the 
machine and the table top!
Fig. 10 - 01
Clean .................................................................daily, more often if in continuous operation
Check oil level ..........................................................................................................monthly
Oil the trimmer -731/01 ........................once a week, more often if in continuous operation
10  Care and maintenance
10.01  Servicing and maintenance intervals

Care and maintenance
32
Fig. 10 - 03
10.04  Oiling the edge trimmer -731/01
 ●Once a week pour oil on oil sponge 1 
through hole 2.
 ●Lubricate the guides 3 and 4 once a 
week.
Only use oil with a mean vis-
cosity of 22.0 mm2/s at 40°C 
and a density of 0.865 g/cm3 at 
15°C.
We recommend 
PFAFF sewing machine oil, 
part no. 280-1-120 144.
1
2
3
4
10.03  Topping up the oil tank
The oil reservoir must always 
have oil in it.
 ●Whenever it is necessary to refi ll the re-
servoir, tilt back the machine and let it 
rest on the sewing head support.
 ●Fill oil through hole 1 into the reservoir 2 
up to the level of the front edge (see ar-
row).
Use both hands to set the sew-
ing head upright!
Danger of crushing between the 
sewing head and the table top!
Only use oil with a mean vis-
cosity of 22.0 mm2/s at 40°C 
and a density of 0.865 g/cm3 at 
15°C.
Fig. 10- 02
We recommend PFAFF sewing machine oil, part no. 280-1-120 144.
2
1

  Care and maintenance
  33
10.05 Parameter settings
Parameter settings are described in the separate operations manual for 
the drive, and may only be changed by qualifi  ed technicians!
10.05.01  Parameter list for control unit P40 ED and P40 PD2
Group
Parameter
Description
User lever
Setting range
Set value P40 ED
Set value P40 PD2
1105 Speed for start backtackl B, C 300 - 2000 1200 1200
110 Speed for end backtack B, C 300 - 2000 1200 1200
6606 Speed min B, C 30 - 300 180 180
607 Speed max. B, C 300 - 6000 ▲▲
6609 Cutting speed 1 B, C 60 - 300 180 180
660 Bobbin thread control 
0 = off, 1 = thread monitor, 
2 = reverse counter
A, B, 
C
0 - 2 0 -
668 Thread wiper/thread blower
1 = on; 0 = off
B, C 0 - 1 0 -
7700 Needle position 0 
(needle reference position
B, C 0 -255 * *
702 Needle position 1 (needle lowered) B, C 0 - 255 90 90
703 Needle position 2 (take-up lever raised)  B, C 0 - 255 236 236
705 Needle position 5 (end cutting signal 1) B, C 0 - 255 200 200
706 Needle position 5 (start cutting signal 2) B, C 0 - 255 136 136
707 Needle position 9 (start thread tension 
release/start thread catcher)
B, C 0 - 255 164 164
760 Multiplier for the fi xed value (200) 
stitch count
A,B, 
C0 - 250 5 -
797 Hardwaretest (OFF / ON ), B, C OFF OFF
799 Selected machine class C 1 - 3 1 2
8800 Rotating direction of the motor C 0 - 1 0 0
802 Main drive reduction ratio
0 = 1:1, 1 = variable
C 0 - 1 - 0
V See Chapter 3 Specifi cations
*  Adjustment see Chapter 8.05 Basic position of the machine drive unit.

Care and maintenance
34
Further parameters see manual of the respective drive
10.05.02  Parameter list for control unit MD-4-95-220-CE
Parameter
Description
Setting range
Set value
1Speed max. 50 - 9999 ▲
4Speed for start backtackl 50 - 8000 1500
5Speed for end backtack 50 - 8000 1500
40 Thread wiper ON - OFF ON
46 Rotating direction of the motor CW - CCW CW
47 Selected machine class 0 - 101 62
61 Cutting speed 1 50 - 500 220
81 Needle position 6 (start cutting signal 2) 0 - 360° 40°
84 Needle position 5 (end cutting signal 1) 0 - 360° 90°
85 Needle position 9 (start thread tension 
release/start thread catcher) 0 - 360° 120°
87 Tension release after thread lever position at t.d.c. 0 - 1500ms 20ms
179 Needle position 2 (take-up lever raised)  0 - 359° 83°
181 Needle position 1 - needle lowered (192 = off) 0 - 255 250
210 Switch on angle for thread trapper 0 - 359° 20°
211 Switch off angle for thread trapper 0 - 359° 90°
236 Machine version
0 = 1183; 1 = 1181 0 - 20 0
Group
Parameter
Description
User lever
Setting range
Set value P40 ED
Set value P40 PD2
9985 Switch on angle for thread trapper B, C 0 -255 67 67
986 Switch off angle for thread trapper B, C 0 -255 206 206
989 Thread trapper at beginning of seam
1 = yes, 0 = no
B, C 0 - 2 0 0

  35
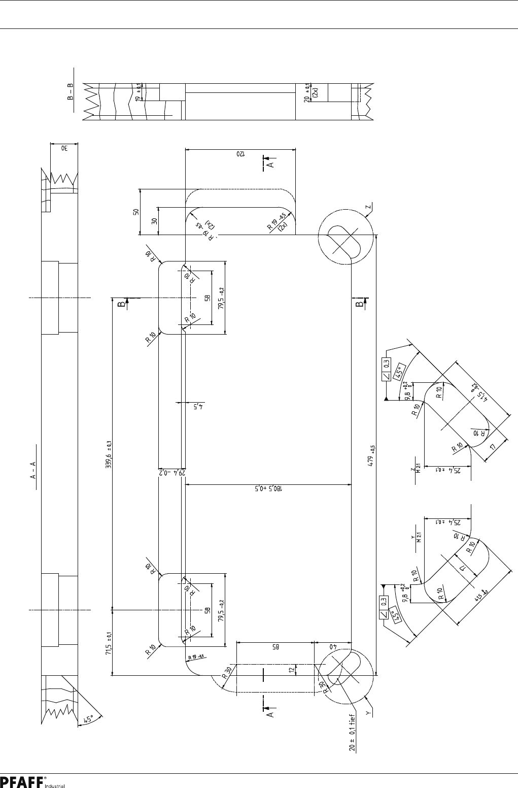
11  Table top cutout
  Table top cutout

36
14 Stromlaufpläne
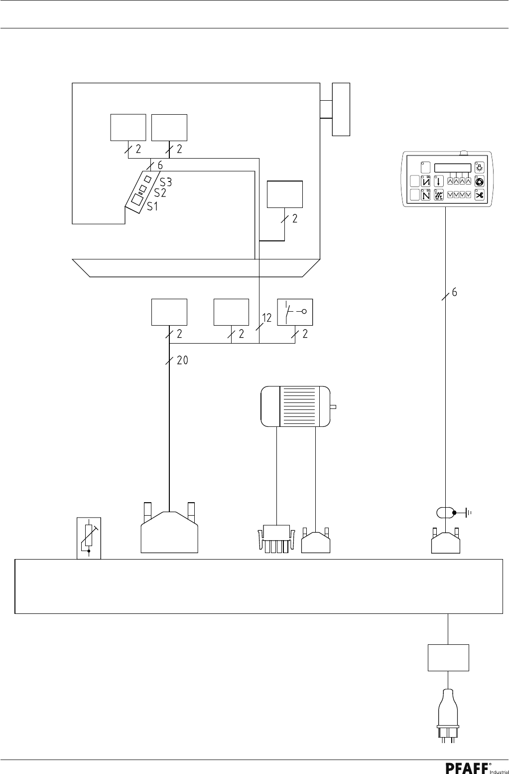
12 Block diagram 
12.01  Block diagram PFAFF 1180 with control unit P40 ED 
Block diagram
LS
FK FSL
-910
-900 -911
Stopp
X7
X3 X5
X1
X2 X4 X4
PC
Drive
incremental transducer
BDF S3
Control unit P40 ED
Speedcontrolunit
11 8 0
LS = Light barrier
FK = Thread trapper
FSL  =  Thread tension release
-910  =  Automatic presser foot lift
-900  = Thread trimmer
-911  = Backtacking device
Stopp =  Start inhibitor
power switch
for 
software
download
Mains plug

  37
LS
FK FSL
-910
-900 -911
Stopp
X8
X3 X5
X1
X2 X4 X4
PC
  Block diagram
12.02  Block diagram PFAFF 1180 with control unit P40 PD2 
for 
software-
download
BDF - PICO TOP
Control unit P40 PD2
11 8 0
LS = Light barrier
FK = Thread trapper
FSL  =  Thread tension release
-910  =  Automatic presser foot lift
-900  = Thread trimmer
-911  = Backtacking device
Stopp =  Start inhibitor
Drive
incremental transducer
Speedcontrolunit
power switch
Mains plug

38
Block diagram
FK FSL
-910
-900 -911
Stopp
ABCD
F
P
S
AB
C
D
P1
PD
BBB
ACC
D
S
12.03  Block diagram PFAFF 1180 with control unit MD-4-95-220-CE 
C - 200
Control unit MD-4-95-220-CE
11 8 0
FK = Thread trapper
FSL  =  Thread tension release
-910  =  Automatic presser foot lift
-900  = Thread trimmer
-911  = Backtacking device
Stopp =  Start inhibitor
power switch
Mains plug
Drive
incremental transducer
Speedcontrolunit

  Wearing parts
  39
System 134 
System 134 - 35 (-731/..)
PFAFF 1181; 1183  A + B PFAFF 1181; 1183  C
91-701 179-15 (2x)
91-264 154-25 (2x)
11-108 174-25 11-330 085-15
Subclass -731/..
11-330 958-15
91-264 383-91
91-262 377-91
91-262 437-05
99-137 193-05
99-137 192-05
99-137 194-05 99-137 191-05
91-262 250-91
91-262 377-91
91-262 437-05
99-137 193-05
99-137 192-05
99-137 194-05 99-137 191-05
99-137 188-15
99-137 186-05 99-137 415-05 (4x)
91-262 376-91
99-137 187-15 (2x)
99-137 190-05 (3x)
13 Wearing parts
This is a list of the most important wearing parts. 
A detailed parts list for the complete machine is included with the accessories. 
In case of loss, the parts list can be downloaded from the internet address
www.pfaff-industrial.com/pfaff/de/service/downloads  As an alternative to 
the internet download the parts lists can also be ordered in book form under 
part no. 296-12-19 201.

Wearing parts
40
PFAFF 1181-G; 1183-G
Subclass -731/..
Subclass Trimming margin Partnumber
-731/01-8/11 A 5,0 mm 91-069 595-04/002
-731/01-8/11 B 3,5 mm 91-169 395-04/002
-731/01-8/11 B 4,0 - 7,0 mm 91-069 595-04/002
Subclass -900/24
11-108 087-15
91-264 235-15
91-264 338-91
91-264 240-05
11-108 084-15 (2x)
91-108 222-15
11-174 912-15 (2x)
91-174 507-05
91-140 945-05
91-265 227-05 (3x)
91-175 785-05
91-265 227-05 (3x) 
91-265 262-91
91-174 956-45
91-175 690-05
91-002 134-05
91-000 250-15
91-000 390-05
91-019 929-05
91-174 955-91
91-174 703-91
91-174 480-05
91-265 270-91

  Wearing parts
  41
91-171 049-05
99-137 151-45
91-700 996-15
95-774 464-25
91-171 042-05

PFAFF Industriesysteme 
und Maschinen AG
Hans-Geiger-Str. 12  -  IG Nord
D-67661 Kaiserslautern
Phone:  +49 - 6301 3205 - 0
Fax:  +49 - 6301  3205  1386
E-mail:   info@pfaff-industrial.com
Hotlines:
Technical  service:  +49 - 175/2243-101
Application  consultance:  +49 - 175/2243-102
Spare-parts  hotline:  +49 - 175/2243-103
Printed in Germany
© PFAFF Industriesysteme und Maschinen AG  2009, PFAFF is the exclusive trademark of VSM Group AB.PFAFF Industriesysteme und Maschinen AG is an authorized licensee of the PFAFF trademark.