Philips 686 770 10063A User Manual To The Cd63884c 39e1 49ee 9ce4 3990f716ac5b
User Manual: Philips 686 to the manual
Open the PDF directly: View PDF
.
Page Count: 40

LT-17
PRINTED IN U.S.A. FORM NO. 770-10063A
(9/98)
Warning: This unit is equipped with an internal combustion engine and should not be used on or near any unimproved forest-
covered, brush-covered or grass-covered land unless the engine’s exhaust system is equipped with a spark arrester meeting
applicable local or state laws (if any). If a spark arrester is used, it should be maintained in effective working order by the operator.
In the State of California the above is required by law (Section 4442 of the California Public Resources Code). Other states may have
similar laws. Federal laws apply on federal lands. A spark arrester for the muffler is available through your nearest engine authorized
service dealer or contact the service department, P.O. Box 361131 Cleveland, Ohio 44136-9722.
WHITE OUTDOOR PRODUCTS COMPANY P.O. BOX 361131 CLEVELAND, OHIO 44136-9722
IMPORTANT: READ SAFETY RULES AND INSTRUCTIONS CAREFULLY
Model Number
686
LAWN TRACTOR
OPERATOR’S MANUAL

2
SECTION 1: FINDING YOUR MODEL NUMBER
This Operator’s Manual is an important part of your new lawn tractor. It will help you assemble, prepare and
maintain your lawn tractor. Please read and understand what it says.
Before you start to prepare your lawn tractor for its first use, please locate the model plate and copy the
information from it in this Operator’s Manual. The information on the model plate is very important if you need
help from your dealer or the customer support department.
• Every lawn tractor has a model plate. You can locate it by pivoting the seat forward and looking under
the seat at the seat pivot bracket. See Figure 1
.
Figure 1
SECTION 2: CALLING WARRANTY SERVICE
If you are having difficulty assembling this product or if you have any question regarding the controls,
operation or maintenance of this unit, please call the Customer Dealer Referral Line. You can reach them by
calling:
1-800-949-4483
Before calling your local dealer, make sure that you have your model and serial numbers ready. By having the
model and serial numbers ready, you help your local dealer give you faster service. To find your unit’s model
and serial number, see SECTION 2: FINDING YOUR MODEL NUMBER.
This is where your model number will be.
This is where your serial number will be.
Copy the model number here:
Copy the serial number here:
(Model Number) (Serial Number)
WHITE OUTDOOR
CLEVELAND, OHIO 44136
PRODUCTS COMPANY
P.O. BOX 361131

3
Slope Gauge
15°
SIGHT AND HOLD THIS LEVEL WITH A VERTICAL TREE
A POWER POLE
A CORNER OF A BUILDING
OR A FENCE POST
FOLD ON DOTTED LINE, REPRESENTING A 15° SLOPE
USE THIS PAGE AS A GUIDE TO DETERMINE SLOPES WHERE YOU MAY NOT OPERATE SAFELY.
Do not mow on inclines with a slope in excess of 15 degrees (a rise of approximately 2-1/2 feet every 10 feet). A riding mower
could overturn and cause serious injury. If operating a walk-behind mower on such a slope, it is extremely difficult to maintain
your footing and you could slip, resulting in serious injury.
Operate RIDING mowers up and down slopes, never across the face of slopes.
Operate WALK-BEHIND mowers across the face of slopes, never up and down slopes.
WARNING

4
SECTION 3: IMPORTANT SAFE OPERATION PRACTICES
WARNING: THIS SYMBOL POINTS OUT IMPORTANT SAFETY INSTRUCTIONS WHICH, IF NOT
FOLLOWED, COULD ENDANGER THE PERSONAL SAFETY AND/OR PROPERTY OF YOURSELF
AND OTHERS. READ AND FOLLOW ALL INSTRUCTIONS IN THIS MANUAL BEFORE ATTEMPTING
TO OPERATE YOUR LAWN MOWER. FAILURE TO COMPLY WITH THESE INSTRUCTIONS MAY
RESULT IN PERSONAL INJURY. WHEN YOU SEE THIS SYMBOL, HEED ITS WARNING.
WARNING: The Engine Exhaust from this product contains chemicals known to the
State of California to cause cancer, birth defects or other reproductive harm.
DANGER: Your lawn mower was built to be operated according to the rules for safe operation in this
manual. As with any type of power equipment, carelessness or error on the part of the operator can
result in serious injury. This lawn mower is capable of amputating hands and feet and throwing objects.
Failure to observe the following safety instructions could result in serious injury or death.
1. GENERAL OPERATION
•Read, understand, and follow all instructions in the
operator’s manual and on the machine before
starting. Keep this manual in a safe place for future
and regular reference and for ordering replacement
parts.
•Only allow responsible individuals familiar with the
instructions to operate the machine. Know controls
and how to stop the machine quickly.
•Do not put hands or feet under cutting deck or near
rotating parts.
•Clear the area of objects such as rocks, toys, wire,
etc., which could be picked up and thrown by the
blade. A small object may have been overlooked and
could be accidentally thrown by the mower in any
direction and cause injury to you or a bystander. To
help avoid a thrown objects injury, keep children,
bystanders and helpers at least 75 feet from the
mower while it is in operation. Always wear safety
glasses or safety goggles during operation or while
performing an adjustment or repair, to protect eyes
from foreign objects. Stop the blade(s) when crossing
gravel drives, walks or roads.
•Be sure the area is clear of other people before
mowing. Stop machine if anyone enters the area.
•Never carry passengers.
•Disengage blade(s) before shifting into reverse and
backing up. Always look down and behind before and
while backing.
•Be aware of the mower and attachment discharge
direction and do not point it at anyone. Do not operate
the mower without either the entire grass catcher or
the chute guard in place.
•Slow down before turning. Operate the machine
smoothly. Avoid erratic operation and excessive
speed.
•Never leave a running machine unattended. Always
turn off blade(s), place transmission in neutral, set
park brake, stop engine and remove key before
dismounting.
•Turn off blade(s) when not mowing.
•Stop engine and wait until blade(s) comes to a
complete stop before (a) removing grass catcher or
unclogging chute, or (b) making any repairs, adjusting
or removing any grass or debris.
•Mow only in daylight or good artificial light.
•Do not operate the machine while under the influence
of alcohol or drugs.
•Watch for traffic when operating near or crossing
roadways.
•Use extra care when loading or unloading the
machine into a trailer or truck. This unit should not be
driven up or down a ramp onto a trailer or truck under
power, because the unit could tip over, causing
serious personal injury. The unit must be pushed
manually on a ramp to load or unload properly.
•Never make a cutting height adjustment while engine
is running if operator must dismount to do so.
•Wear sturdy, rough-soled work shoes and close-fitting
slacks and shirts. Do not wear loose fitting clothes or
jewelry. They can be caught in moving parts. Never
operate a unit in bare feet, sandals, or sneakers.
•Check overhead clearance carefully before driving
under power lines, wires, bridges or low hanging tree
branches, before entering or leaving buildings, or in
any other situation where the operator may be struck
or pulled from the unit, which could result in serious
injury.
•Disengage all attachment clutches, thoroughly
depress the brake pedal, and shift into neutral before
attempting to start engine.
5
•Your mower is designed to cut normal residential
grass of a height no more than 10". Do not attempt to
mow through unusually tall, dry grass (e.g., pasture)
or piles of dry leaves. Debris may build up on the
mower deck or contact the engine exhaust presenting
a potential fire hazard.
2. SLOPE OPERATION
Slopes are a major factor related to loss of control and tip-
over accidents which can result in severe injury or death. All
slopes require extra caution. If you cannot back up the slope
or if you feel uneasy on it, do not mow it.
For your safety, use the slope gauge included as part of this
manual to measure slopes before operating this unit on a
sloped or hilly area. If the slope is greater than 15° as shown
on the slope gauge, do not operate this unit on that area or
serious injury could result.
DO:
•Mow up and down slopes, not across.
•Remove obstacles such as rocks, limbs, etc.
•Watch for holes, ruts or bumps. Uneven terrain could
overturn the machine. Tall grass can hide obstacles.
•Use slow speed. Choose a low enough gear so that
you will not have to stop or shift while on the slope.
Always keep machine in gear when going down
slopes to take advantage of engine braking action.
•Follow the manufacturer’s recommendations for
wheel weights or counterweights to improve stability.
•Use extra care with grass catchers or other
attachments. These can change the stability of the
machine.
•Keep all movement on the slopes slow and gradual.
Do not make sudden changes in speed or direction.
Rapid engagement or braking could cause the front of
the machine to lift and rapidly flip over backwards
which could cause serious injury.
•Avoid starting or stopping on a slope. If tires lose
traction, disengage the blade(s) and proceed slowly
straight down the slope.
DO NOT:
•Do not turn on slopes unless necessary; then, turn
slowly and gradually downhill, if possible.
•Do not mow near drop-offs, ditches or embankments.
The mower could suddenly turn over if a wheel is
over the edge of a cliff or ditch, or if an edge caves in.
•Do not mow on wet grass. Reduced traction could
cause sliding.
•Do not try to stabilize the machine by putting your foot
on the ground.
•Do not use grass catcher on steep slopes.
3. CHILDREN
Tragic accidents can occur if the operator is not alert to the
presence of children. Children are often attracted to the
machine and the mowing activity. Never assume that children
will remain where you last saw them.
•Keep children out of the mowing area and in watchful
care of an adult other than the operator.
•Be alert and turn machine off if children enter the
area.
•Before and when backing, look behind and down for
small children.
•Never carry children, even with the blades off. They
may fall off and be seriously injured or interfere with
the safe machine operation.
•Never allow children under 14 years old to operate
the machine. Children 14 years and over should only
operate machine under close parental supervision
and proper instruction.
•Use extra care when approaching blind corners,
shrubs, trees or other objects that may obscure your
vision of a child or other hazard.
•Remove key when machine is unattended to prevent
unauthorized operation.
4. SERVICE
•Use extreme care in handling gasoline and other
fuels. They are extremely flammable and the vapors
are explosive.
•Use only an approved container.
•Never remove fuel cap or add fuel with the engine
running. Allow engine to cool at least two minutes
before refueling.
•Replace fuel cap securely and wipe off any spilled
fuel before starting the engine as it may cause a fire
or explosion.
•Extinguish all cigarettes, cigars, pipes and other
sources of ignition.
•Never refuel the machine indoors because fuel
vapors will accumulate in the area.
•Never store the fuel container or machine inside
where there is an open flame or spark, such as a gas
hot water heater, space heater or furnace.
•Never run a machine inside a closed area.
•To reduce fire hazard, keep the machine free of
grass, leaves or other debris build-up. Clean up oil or
fuel spillage. Allow machine to cool at least 5 minutes
before storing.
•Before cleaning, repairing or inspecting, make certain
the blade and all moving parts have stopped.
Disconnect the spark plug wire, and keep the wire
away from the spark plug to prevent accidental
starting.

6
•Check the blade and engine mounting bolts at
frequent intervals for proper tightness. Also,
visually inspect blade for damage (e.g., excessive
wear, bent, cracked). Replace with blade which
meets original equipment specifications.
•Keep all nuts, bolts and screws tight to be sure the
equipment is in safe working condition.
•Never tamper with safety devices. Check their
proper operation regularly. Use all guards as
instructed in this manual.
•After striking a foreign object, stop the engine,
remove the wire from the spark plug and thoroughly
inspect the mower for any damage. Repair the
damage before restarting and operating the mower.
•Grass catcher components are subject to wear,
damage and deterioration, which could expose
moving parts or allow objects to be thrown. For
your safety protection, frequently check
components and replace with manufacturer’s
recommended parts when necessary.
•Mower blades are sharp and can cut. Wrap the
blade(s) or wear gloves and use extra caution
when servicing blade(s).
•Check brake operation frequently. Adjust and
service as required.
•Muffler, engine and belt guards become hot during
operation and can cause a burn. Allow to cool
down before touching.
•Do not change the engine governor settings or
overspeed the engine. Excessive engine speeds
are dangerous.
•Observe proper disposal laws and regulations.
Improper disposal of fluids and materials can harm
the environment and the ecology.
•Prior to disposal, determine the proper method to
dispose of waste from your local Environmental
Protection Agency. Recycling centers are
established to properly dispose of materials in an
environmentally safe fashion.
•Use proper containers when draining fluids. Do not
use food or beverage containers that may mislead
someone into drinking from them. Properly dispose
of the containers immediately following the draining
of fluids.
•DO NOT pour oil or other fluids into the ground,
down a drain or into a stream, pond, lake or other
body of water. Observe Environmental Protection
Agency regulations when disposing of oil, fuel,
coolant, brake fluid, filters, batteries, tires and other
harmful waste.
WARNING - YOUR RESPONSIBILITY: Restrict the use of this power machine to persons
who read, understand and follow the warnings and instructions in this manual and on the machine.
Figure 2 Safety labels found on your unit

7
SECTION 4: UNPACKING
TO REMOVE UNIT FROM CRATE
1. Remove all screws from the top of the crate.
2. To remove ends, grasp top board on the end,
and pull towards you in a downward motion.
(A hammer may be helpful).
3. Set panel aside to avoid tire punctures.
4. Repeat procedure for each side of the crate.
5. Remove and discard plastic bag which covers
unit.
6. Loose parts (may include the owner’s guide,
steering wheel, optional oil drain sleeve or hose,
battery fluid, chute deflector, optional mulching
plug, etc.) are on the seat or in a box wrapped in
plastic. Carefully cut and remove the plastic
wrap. Remove the loose parts.
7. Make certain parking brake is released and deck
is raised. Push the unit off the skid.
NOTE: For detailed instructions on raising the deck
and releasing the parking brake, refer to the control
section in this manual.
SECTION 5: ASSEMBLY INSTRUCTIONS
NOTE: Reference to right or left hand side of
the unit is observed from the driver’s seat, facing
forward.
TOOLS REQUIRED FOR ASSEMBLY
(1) 1/2" wrench or socket wrench
(1) 9/16" wrench or socket wrench
(2) 7/16" wrenches or socket wrenches
BATTERY INFORMATION
A. Battery acid must be handled with great care as
contact with it can burn and blister the skin. It is
also advisable to wear protective clothing (gog-
gles, rubber gloves and apron) when working
with it.
B. Should battery acid accidentally splatter into the
eyes or onto the face, rinse the affected area
immediately with clean cold water. If there is any
further discomfort, seek prompt medical atten-
tion.
C. If acid spills on clothing, first dilute it with clean
water, then neutralize with a solution of ammonia/
water or baking soda/water.
D. Since battery acid is corrosive, do not pour it into
any sink or drain. Before discarding empty elec-
trolyte containers, rinse them with a neutralizing
solution.
E. NEVER connect or disconnect charger clips to
battery while charger is turned on as it can cause
sparks.
F. Keep all lighted materials (cigarettes, matches,
lighters) away from the battery as the hydrogen
gas generated during charging can be combusti-
ble.
G. As a further precaution, only charge the battery
in a well-ventilated area.
*Always shield eyes, protect skin and clothing
when working near batteries.
IMPORTANT: After assembly, service engine
with gasoline, and check oil level as instructed
in the separate engine manual packed with your
unit.
WARNING
Battery contains sulfuric acid. Refer to warning
at right. Antidote: EXTERNAL—Flush with water.
INTERNAL—Drink large quantities of water or milk.
Follow with milk of magnesia, beaten eggs or
vegetable oil. Call physician immediately. EYES:
Flush with cool water for at least 15 minutes, then
get prompt medical attention.
Since batteries produce explosive gases, keep
all lighted materials (cigarettes, lighters,
matches, etc.) away. Be sure to charge battery
only in well-ventilated areas. Make certain venting
path of battery drain tube (if equipped) is always
open.
KEEP BATTERIES
OUT OF THE REACH OF CHILDREN!
DANGER

8
BATTERY IDENTIFICATION
Compare the battery in your lawn tractor (located
under the seat) with the illustration above. Type “A”
batteries are activated and are ready to use. Type
“B” batteries must be filled with battery fluid (acid)
and charged before they are put into service. Follow
the instructions which apply to the battery in your
lawn tractor.
ACTIVATING AND CHARGING THE BATTERY
(TYPE “B” BATTERY ONLY)
Do not activate battery (fill with battery acid)
until battery is actually placed in service. Be
certain to read previous battery warnings before
activating the battery.
1. Pivot the seat pivot bracket forward. Unhook the
strap which secures the battery (hook is on rear
frame, under fender). Disconnect the positive
cable from the positive terminal. Save the
hardware for reassembly.
2. Remove the battery from the lawn tractor, paying
attention to how the battery is placed in the unit,
and how the drain tube (attached to the battery)
is routed.
3. Activate the battery as instructed in the “Quick
Start” brochure included with the battery fluid.
Read instructions carefully.
NOTE: You can continue assembling the lawn
tractor while battery is standing for 30 minutes (after
filling with acid), and later while you are charging the
battery.
IMPORTANT: To obtain the maximum life from
your battery, it MUST BE CHARGED prior to
initial use.
CHARGE THE BATTERY after the 30 minute
standing period. Battery P/N 725-1705D—Charge at
2-3 amps for one hour. Battery P/N 725-1707D, 725-
0453G and 725-1750—Charge at 6 amps for one
hour.
NOTE: If you charge the battery at a lower AMP
rate, use a hydrometer to make sure the battery is
completely charged. The hydrometer should read
1.260 minimum at an electrolyte temperature of 60-
110oF. DO NOT CHARGE AT MORE THAN 6
AMPS.
ATTACHING THE STEERING WHEEL
1. The hardware for attaching the steering wheel
has been packed inside the steering wheel.
Carefully pry off the steering wheel cap and
remove the hardware.
2. With the wheels of the tractor pointing
straight forward, place the steering wheel over
the steering shaft, positioning steering wheel as
desired.
3. Place the washer with the cupped side down
over the steering shaft. Secure with hex lock
bolt. See Figure 3.
4. Place the steering wheel cap over the center of
the steering wheel and seat it with your hand.
Figure 3
Type "A"
Type "B"
Steering
Wheel Cap
Hex Lock
Bolt
Steering
Shaft
Cupped
Washer

9
Figure 4
Figure 5
Figure 6
ATTACHING THE SEAT
Pull out tab on seat stop and hold open while sliding
seat out of seat pivot bracket. See Figure 4. Turn the
seat around and line up plastic seat spacers with the
slots in seat pivot bracket. Slide seat in until front
seat spacer engages the seat stop. See Figure 5. To
adjust the seat refer to the adjustment section in this
manual.
NOTE: If your seat was shipped in a box, line up
plastic seat spacers with the slots in seat pivot
bracket and slide seat in until front seat spacer
engages seat stop.
WARNING: Before operating your unit,
stand behind quick adjustment seat and
pull back on seat, making sure seat is
engaged in seat stop.
ATTACHING THE CHUTE DEFLECTOR
The chute deflector must be attached to the right
side of the deck so that it covers the chute opening.
WARNING: Do not operate your unit
unless the chute deflector has been
properly installed.
1. Make certain deck is raised to its highest
position (lift lever pulled all the way back).
NOTE: Your mowing deck may be equipped with
an optional mulching plug. Remove the mulching
plug by removing the wing nut on top of the deck.
Grasp the mulching plug and pull out of the deck.
2. Remove the hex head cap screws, cupped
washers and hex nuts which are attached to the
deck next to the chute opening.
3. Place the chute deflector in position as shown in
Figure 6. Secure with hardware just removed.
Cupped sides of washers go against the chute
deflector.
Seat
Stop
Tab
Seat Pivot
Bracket
Seat
Spacers
Seat
Spacers
Slot
Slot
Seat
Stop
Hex Nuts
Washers
Cupped
Hex Head
Cap Screws

10
Figure 7
Figure 8
INSTALLING THE MULCHING PLUG
(OPTIONAL EQUIPMENT)
1. Remove the mulching plug from the box packed
with your lawn tractor (If not already removed
from the deck).
2. Remove the wing nut from the bolt on the
mulching plug.
3. Lift up the chute deflector and insert the
mulching plug through chute opening.
See Figure 7.
4. Line up the bolt on the mulching plug with the
hole in the top of the deck. Push up on the end
of the mulching plug and secure with the wing
nut.
TIRE PRESSURE
The tires on your unit may be over-inflated for
shipping purposes. Reduce the tire pressure before
operating the unit. Recommended operating tire
pressure is approximately 10 p.s.i. Check sidewall of
tire for maximum p.s.i.
WARNING: Maximum tire pressure
under any circumstances is 30 p.s.i. Equal
tire pressure should be maintained on all
tires.
LEVELING THE DECK
With unit on hard, level surface, place the blades in
a straight line, and measure the distance from the
outside edge of the blade tips to the ground.
If adjustment is needed, proceed as follows.
1. Remove the hairpin clip and flat washer from the
bottom of the adjustable lift link on the left side of
the deck. (Hairpin clip and flat washer are on the
inside of the lift link.)
2. Pull the adjustable lift link out of the deck hanger
channel. See Figure 8. Turn the adjustable lift
link up or down as necessary to level the deck.
Usually only one or two turns are needed.
3. Insert the end of the adjustable lift link into the
hole in the deck hanger channel. Recheck the
adjustment. Readjust if necessary.
4. When deck is level, secure end of adjustable lift
link with flat washer and hairpin clip.
Chute
Deflector
Wing Nut
Mulching
Plug
Hole in
Deck
Chute
Opening
Bolt
Deck Hanger
Channel
Adjustable
Lift Link

11
Figure 9
Figure 10
INSTALLING THE BATTERY
(TYPE “A” BATTERY)
NOTE: If battery is put into service after date
shown on top of battery, charge for minimum of 1
hour at 6-10 amps
1. Lift the seat.
2. Remove the plastic cover from the negative
terminal.
3. Remove the hex bolt and nut from the negative
(black) cable. Attach negative cable to the
negative terminal with this bolt and nut.
INSTALLING THE BATTERY
(TYPE “B” BATTERY)
1. Lift the seat.
2. Make certain both the negative (black) cable and
the positive (red) cable are routed up through
the battery compartment as shown in Figure 9.
3. Replace the battery into the battery
compartment in the same position as it was
before (positive terminal is toward the front of
the unit).
4. Attach the positive (red) cable to the positive
terminal of the battery. Secure with hex bolt and
nut previously removed. Slide rubber boot down
over the positive terminal.
5. Remove the hex bolt and nut from the negative
(black) cable. Attach negative cable to the
negative terminal with this bolt and nut.
6. Secure battery by hooking battery strap into slot
in rear frame, under the fender. See Figure 10.
7. Insert the drain tube down through the hole in
the battery compartment and the hole in the
transaxle reinforcement bracket located on the
right side of the unit. See Figure 10. Be certain
drain tube is routed away from the wheel rim.
8. Trim excess end of drain tube if necessary
(about 4" should extend past the bracket or
cable tie).
Positive Terminal
(Inside Rubber Boot)
Battery
Strap
Negative
Cable Negative
Terminal
Battery
Compartment
Slot
in Frame
Battery
Strap
Drain
Tube
Transaxle
Reinforcement
Bracket
Hole

12
SECTION 6: CONTROLS
IGNITION SWITCH
The ignition switch is located on the dashboard. Turn
the key to the START position to start the engine.
When the engine is running, leave the key in the ON
position. To stop the engine, turn the key to the OFF
position. See Figure 11.
WARNING: Remove key from the
tractor when tractor is not in use to prevent
accidental starting.
THROTTLE CONTROL
The throttle control is located on the left side of the
dashboard and is used to regulate the engine speed.
See Figure 11. The engine should be operated at full
throttle (FAST) when operating any equipment that
uses the tractor engine as a source of power such
as the mowing deck or snow thrower attachment.
Figure 11
CHOKE CONTROL
The choke control is located on the left side of the
dashboard and is operated manually. Details for the
choke operation are covered in the separate engine
manual packed with your unit. See Figure 11.
LIGHT SWITCH
The head lamps are operated by pushing the light
switch located on the dashboard. The head lamps
will only operate when the engine is running. See
Figure 11.
AMMETER
The ammeter registers the rate of battery charge or
discharge. The ammeter will register on the discharg-
ing side with starting the engine. It should register on
the opposite side (charging) when the engine is run-
ning in the fast position until the battery is completely
charged. With a fully charged battery or with the
engine idling, the ammeter will not show a charge.
See Figure 11.
SHIFT LEVER
The shift lever is located in the center of the console
and has three positions, FORWARD, NEUTRAL and
REVERSE. See Figure 11. The clutch-brake pedal
must be depressed and the lawn tractor must not be
moving when shifting gears. Do not force the shift
lever. Release the clutch-brake pedal slightly to line
up the shifting collar in the transmission. Then try to
shift gears.
SPEED CONTROL LEVER
The speed control lever is located either on the con-
sole or on the right fender. See Figure 12. The speed
control lever allows you to regulate the ground speed
of the lawn tractor. To select the ground speed,
depress clutch pedal. Move speed control lever out of
the notches and backward to slow lawn tractor, for-
ward to increase speed. When desired speed has
been obtained, release lever in that position. When-
ever clutch is released, unit will automatically go to
the pre-set speed.
Figure 12
CLUTCH-BRAKE PEDAL
The clutch-brake pedal is located on the left side of
the lawn tractor. Depressing the clutch-brake pedal
part way disengages the clutch. Pressing the pedal
all the way down disengages the clutch and engages
the disc brake. See Figure 11.
NOTE: The clutch-brake pedal must be depressed
to start the engine.
Shift Lever
Throttle
Control
Pedal
Ignition
Switch
Light
Switch
Ammeter
Choke
Control
Clutch-Brake
Deck Height
Adjustment Knob
Speed
Control
Lever

13
PARKING BRAKE
The speed control lever is used to set the parking
brake. To set the parking brake, depress the clutch-
brake pedal. Move the speed control lever out of the
notches to the parking brake position. Release the
speed control lever and the clutch-brake pedal.
To release the parking brake, depress the clutch-
brake pedal and move the speed control lever out of
the notches to the desired position. Release the
speed control lever and the clutch-brake pedal.
NOTE: The parking brake must be set if the
operator leaves the seat with the engine running
INTERLOCKS (Not Shown)
Interlock safety switches are located by the clutch-
brake pedal, the lift lever, the shift lever and under the
seat.
Before the engine will start, the clutch-brake pedal
must be depressed all the way and the lift lever must
be in the BLADES STOP position.
Before the unit can be shifted into reverse or if the
operator leaves the seat, the lift lever must be in the
BLADES STOP position.
INDICATOR LIGHTS
If your unit is equipped with indicator lights, two or
three indicator lights are located in the dash panel. If
a light illuminates when attempting to start the unit,
proceed as follows.
CLUTCH—Depress the clutch pedal.
PTO—Place lift lever in the BLADES STOP position.
OIL—Check the crankcase oil level, and add oil as
required.
CUTTING CONTROLS
A. LIFT LEVER
The lift lever is used to raise and lower the cutting
deck and to engage and disengage the blades. Pull-
ing it all the way back and locking it disengages the
blades.
NOTE: The lift lever must be in the BLADES
STOP position when starting the engine, when
shifting into reverse and if the operator leaves the
seat. See Figure 13.
B. DECK HEIGHT ADJUSTMENT KNOB
The deck height adjustment knob is used to set the
cutting height. The deck height adjustment knob can
be at low or high position or an infinite number of set-
tings in between. After a cutting height is selected,
the deck will be returned to exactly the same height
each time the lift lever is engaged.
Turn the deck height adjustment knob clockwise to
raise the cutting height; turn it counterclockwise to
lower the cutting height.
C. SETTING THE CUTTING HEIGHT
1. With the engine OFF, engage the lift lever. Turn
the deck height adjustment knob to desired
position (clockwise to raise deck,
counterclockwise to lower deck).
2. Move the deck wheels to the hole location so the
deck wheels are 1/4 to 1/2 inch above the
ground. Disengage the lift lever.
NOTE: When using the optional snow thrower attach-
ment, the deck height adjustment knob should be
turned all the way to low position so the snow thrower
will reach the ground. Or if blowing snow off gravel,
turn the deck height adjustment knob to a slightly
higher position to avoid scraping the gravel.
Figure 13
SECTION 7: OPERATION
WARNING
AVOID SERIOUS INJURY OR DEATH
•GO UP AND DOWN SLOPES, NOT ACROSS. • AVOID SUDDEN
TURNS.
•DO NOT OPERATE THE UNIT WHERE IT COULD SLIP OR TIP.
•IF MACHINE STOPS GOING UPHILL, STOP BLADE(S) AND BACK
DOWNHILL SLOWLY.
•DO NOT MOW WHEN CHILDREN OR OTHERS ARE AROUND.
•NEVER CARRY CHILDREN.
•LOOK DOWN AND BEHIND BEFORE AND WHILE BACKING.
•KEEP SAFETY DEVICES (GUARDS, SHIELDS, AND SWITCHES) IN
PLACE AND WORKING.
•REMOVE OBJECTS THAT COULD BE THROWN BY THE BLADE(S).
•KNOW LOCATION AND FUNCTION OF ALL CONTROLS.
•BE SURE BLADE(S) AND ENGINE ARE STOPPED BEFORE PLACING
HANDS OR FEET NEAR BLADE(S).
•BEFORE LEAVING OPERATOR’S POSITION, DISENGAGE BLADE(S),
PLACE THE SHIFT LEVER IN NEUTRAL, ENGAGE BRAKE LOCK,
SHUT ENGINE OFF AND REMOVE KEY.
READ OPERATOR’S MANUAL
Lift
Lever

14
GAS AND OIL FILL-UP
Check the oil level and add if necessary. Service
the engine with gasoline as instructed in the
separate engine manual packed with your
tractor. Read instructions carefully.
IMPORTANT: Your tractor is shipped with oil;
however you must check the oil level before
operating. Be careful not to overfill.
WARNING: Never fill fuel tank indoors,
with engine running or while engine is hot.
STARTING THE ENGINE
IMPORTANT: This unit is equipped with a safety
interlock system for your protection. The purpose of
the safety interlock system is to prevent the engine
from cranking or starting unless the clutch-brake
pedal is depressed and the lift lever is in the
BLADES STOP position. In addition, the lift lever
must be in the BLADES STOP position when the
unit is put into reverse or the engine will shut off. If
the operator leaves the seat with the lift lever
engaged and/or without setting the parking brake,
the engine will shut off.
WARNING: Do not operate the tractor if
the interlock system is malfunctioning
because it is a safety device, designed for
protection.
1. Place the lift lever in the BLADES STOP
position.
2. Depress the clutch-brake pedal and set the
parking brake.
3. Set the throttle control in the FAST position.
4. Pull out the choke control (a warm engine may
not require choking).
5. Turn the ignition key to the right to the START
position. After the engine starts, release the key.
It will return to the ON position.
NOTE: Protect the starter life by using short
starting cycles of several seconds. Cranking more
than 15 seconds per minute can damage the starter
motor.
6. Push choke knob in gradually. Move the throttle
control to desired engine speed.
STOPPING THE ENGINE
Turn the ignition key to the left to the OFF position.
Remove the key to prevent accidental starting.
IMPORTANT: If you strike a foreign object, stop
the engine. Remove wire from spark plug,
thoroughly inspect the unit for any damage, and
repair the damage before restarting and operating
the mower.
NOTE: If any problems are encountered, refer to
the Trouble Shooting Guide in section 14.
OPERATING THE LAWN TRACTOR
1. Move throttle control to full throttle to prevent
strain on the engine and to operate the cutting
blades.
2. Place the shift lever in either the FORWARD or
REVERSE position.
3. Release the parking brake by depressing the
clutch-brake pedal, pressing outward on the
speed control lever and moving to desired
position. Use first speed position when operating
the lawn tractor for the first time.
WARNING: Look to the rear before
backing up.
4. Release clutch-brake pedal slowly to put unit
into motion.
5. The lawn tractor is brought to a stop by
depressing the clutch-brake pedal.
NOTE: When operating the unit initially, there will
be little difference between the highest two speeds
until after the belts have seated themselves into the
pulleys during the break-in period.
Be sure that the lawn is clear of stones, sticks, wire,
or other objects which could damage lawn mower or
engine. For best results and to insure more even
grass distribution, do not mow when lawn is
excessively wet.
WARNING: Before leaving the
operator’s position for any reason,
disengage the blades, place the shift lever
in neutral, engage the parking brake, shut
engine off and remove the key.
When stopping the unit to empty a grass bag, etc.,
follow the instructions above. This procedure will
also eliminate ‘‘browning’’ the grass, which is caused
by hot exhaust gases from a running engine.
If unit stalls with speed control in high speed, or if
unit will not operate with speed control lever in a low
speed position, proceed as follows.

15
1. Place shift lever in NEUTRAL.
2. Restart engine.
3. Place speed control lever in high speed position.
4. Release clutch-brake pedal fully.
5. Depress clutch-brake pedal.
6. Place speed control lever in desired position.
7. Place shift lever in either FORWARD or
REVERSE, and follow normal operating
procedures.
OPERATING THE CUTTING BLADES
The cutting blades may be engaged while the lawn
tractor is moving or standing still. DO NOT engage
the cutting blades abruptly as the sudden belt
tension on the pulley may cause the engine to stall.
WARNING: Keep feet and hands away
from the discharge opening, the blades or
any part of the deck. When the unit is used
for anything other than mowing operations,
the blade drive should be disengaged.
Move the lift lever into the BLADES STOP position
to disengage the blades.
GRASS COLLECTOR AVAILABLE
Grass Collector Model 190-063-000 is available as
optional equipment.
WARNING: The mower should not be
operated without the entire grass catcher
or chute deflector in place.
NOTE: Under normal usage bag material is subject
to wear, and should be checked periodically. Be sure
to use only factory authorized replacement bag.
SECTION 8: ADJUSTMENTS
WARNING: Disconnect the spark plug
wires and ground against the engine
before performing any adjustments, repairs
or maintenance.
SEAT ADJUSTMENT
To adjust the position of the seat, move the seat
adjustment lever (located under the seat) to the left
and slide the seat forward or backwards. See Figure
14. Make sure seat is locked into one of the six
adjustment positions before operating the lawn
tractor.
Figure 14
CARBURETOR ADJUSTMENTS
WARNING: If any adjustments are
made to the engine while the engine is
running (e.g. carburetor), disengage all
clutches and blades. Keep clear of all
moving parts. Be careful of heated
surfaces and muffler.
Minor carburetor adjustments may be required to
compensate for differences in fuel, temperature,
altitude and load. Refer to separate engine manual
for carburetor adjustment information.
NOTE: A dirty air cleaner will cause an engine to
run rough. Be certain air cleaner is clean and
attached to the carburetor before adjusting
carburetor.
DECK LEVELING ADJUSTMENT
If an uneven cut is obtained, the deck may be
leveled by following instructions in Assembly section.
DECK ENGAGEMENT ADJUSTMENT
The cutting deck engagement may be adjusted to
make certain deck is disengaged when lift lever is in
the BLADES STOP position. Correct adjustment as
follows.
With the engine off, place the lift lever in the highest
cutting position (first position). Remove the cotter pin
and flat washer which secure the disengagement rod
to the stabilizer shaft assembly. See Figure 15.
Shorten the rod by threading it in until the ferrule is
against the back of the slot in the lift shaft assembly,
and the rod lines up with the hole in the stabilizer
shaft. For more belt tension the disengagement rod
must be lengthened. To decrease belt tension the
disengagement rod must be shortened.
Seat
Seat
Adjustment
Lever

16
Check the adjustment by placing the lift lever in the
BLADES STOP position. The deck should move up
and forward, allowing the belt to become loose.
Start and test for disengagement. Repeat procedure
as necessary.
Figure 15
NEUTRAL ADJUSTMENT
1. Place the transmission in neutral. (The unit will
move freely when pushed forward and backward
with the parking brake released.)
2. Loosen the bolt which secures the shift lever
assembly to the shift lever link. See Figure 16.
3. Place the shift lever in the neutral slot.
See Figure 16.
4. Tighten the bolt to 13 foot pounds.
Figure 16
WHEEL ADJUSTMENT
The caster (forward slant of the king pin) and the
camber (tilt of the wheels out at the top) require no
adjustment. Automotive steering principles have
been used to determine the caster and camber on
the tractor. The front wheels should toe-in between
1/16 - 5/16 inch.
To adjust the toe-in, follow these steps.
1. Remove the hex nut and lock washer, and drop
the end of the tie rod from the axle bracket. See
Figure 17.
2. Loosen the hex jam nut on tie rod.
3. Adjust the tie rod assembly for correct toe-in.
Figure 17
Dimension ‘‘B’’ should be approximately 1/16 - 5/16"
less than Dimension ‘‘A.’’ See Figure 18. To
increase Dimension ‘‘B," screw tie rod into tie rod
end. To decrease Dimension ‘‘B,’’ unscrew tie rod
from tie rod end. Reassemble tie rod. Check
dimensions. Readjust if necessary.
Figure 18
Disengagement Rod
Stabilizer Shaft
Assembly
Spring
Flat Washer
Hairpin Clip
Stabilizer Plate
Neutral
Slot
Shift
Lever
Loosen
Hex Bolt
Tie
Rod
End
Tie Rod
Hex Jam
Nut
Wheel
Bracket
Hex Nut
Lock Washer
(1/16" - 5/16" Less Than A)
A
B
Front

17
Figure 19
SPEED CONTROL ADJUSTMENT
(See Figure 19)
NOTE: When operating the unit initially or after
replacing the belts, there will be little difference
between the highest two speeds until after the belts
have gone through a break-in period and have
seated themselves into the pulleys.
If the full range of speeds cannot be obtained on your
unit, adjust the speed control as follows.
1. Adjust the speed control lever by pushing the
clutch-brake pedal forward until it hits the stop
on the running board. See Figure 19. Have
another person hold the pedal in this position as
you make the following adjustment. Place the
speed control lever in parking brake position.
Remove the hairpin clip and flat washer, and
adjust the ferrule on the rod so it is against the
back end of the slot. See Figure 19. Then
lengthen rod one more turn. Reassemble and
secure with the flat washer and hairpin clip.
2. Adjust the speed control link as follows to obtain
the correct neutral adjustment.
A. Start the engine.
B. Place the shift lever in Neutral position.
C. Place the speed control lever in high speed
position.
D. Release the clutch-brake pedal completely, then
slowly depress the pedal all the way (to park
position). Hold the pedal in this position.
E. Turn the engine off.
F. After engine stops completely, release the
clutch-brake pedal.
G. Place speed control lever in second position.
H. Remove the cotter pin and flat washer which
secures the speed control link to the variable
speed torque bracket assembly.
I. Push the clutch-brake pedal backward by hand
as far as it will go using light pressure. Hold it in
this position as you thread the speed control link
in or out of the ferrule until it lines up with the pin
on the variable speed torque bracket assembly.
J. Secure speed control link to variable speed
torque bracket assembly with flat washer and
cotter pin.
Back of
Slot
Hairpin Clip
and Flat Washer
Speed Control Lever
Ferrule Speed
Control
Rod
Stop Rod
Speed
Control
Lever
Cotter Pin
and Flat Washer
Speed
Control
Link
Ferrule
Speed Control
Rod
Brake
Rod
Back
of Slot
Hairpin
Clip and
Flat Washer
Ferrule
Variable Speed
Torque Bracket
Assembly

18
BRAKE ADJUSTMENT (See Figure 20)
The brake is located by the right rear wheel inside the
frame. During normal operation of this machine, the
brake is subject to wear and will require periodic
examination and adjustment.
WARNING: Do not have the engine
running when you adjust the brake.
To adjust the brake, adjust the nut so the brake starts
to engage when the brake lever is 1/4" to 5/16" away
from the axle housing.
Figure 20
CARBURETOR ADJUSTMENTS
WARNING: If any adjustments are
made to the engine while the engine is
running (e.g. carburetor), disengage all
clutches and blades. Keep clear of all
moving parts. Be careful of heated
surfaces and muffler.
Minor carburetor adjustments may be required to
compensate for differences in fuel, temperature,
altitude and load. Refer to separate engine manual
for carburetor adjustment information.
NOTE: A dirty air cleaner will cause an engine to
run rough. Be certain air cleaner is clean and
attached to the carburetor before adjusting
carburetor.
SECTION 9: LUBRICATION
WARNING: Always stop engine and
disconnect spark plug wire before cleaning,
lubricating or doing any kind of work on
lawn tractor.
STEERING GEARS
Lubricate teeth of steering gears with automotive
multi-purpose grease after every 25 hours of
operation or once a season. See Figure 21.
STEERING SHAFT
Lubricate steering shaft at least once a season with
light oil.
Figure 21
LINKAGE
Once a season lubricate all the pivot points on the
clutch, brake and lift linkage with SAE 30 engine oil.
WHEELS
The front wheels may be provided with optional
grease fittings. The rear wheels must be removed
from the axle for lubrication. Lubricate at least once
a season with automotive multi-purpose grease.
PIVOT POINTS
Lubricate all pivot points with light oil at least once a
season.
BALL JOINTS
The ball joints and drag link ends are permanently
lubricated.
Brake Lever
Nut
Disc
Brake
Steering
Gears

19
SECTION 10: MAINTENANCE
WARNING: Disconnect the spark plug
wire and ground against the engine before
performing any adjustments, repairs or
maintenance.
TROUBLE SHOOTING
Refer to the trouble shooting chart in section 14 for
engine problems.
ENGINE
Refer to the separate engine manual for engine
maintenance instructions.
Service air cleaner every 10 hours under normal
conditions. Clean every few hours under extremely
dusty conditions. To service the air cleaner, refer to
the separate engine manual packed with your unit.
The spark plug(s) should be cleaned and the gap
reset once a season. Spark plug replacement is
recommended at the start of each mowing season;
check engine manual for correct plug type and gap
specifications.
Maintain engine oil as instructed in the separate
engine manual packed with your unit. Read and
follow instructions carefully.
Oil Drain Sleeve
Your lawn tractor has a plastic oil drain sleeve
packed with the loose parts for your convenience in
draining oil from the crankcase. To drain the oil,
snap small end of oil drain sleeve onto oil sump. See
Figure 22. Remove drain plug and drain oil into a
suitable container.
Figure 22
FUEL FILTER
Your unit is equipped with a replaceable in-line fuel
filter. Replace filter whenever contamination or
discoloration is noticed. Order replacement filter
through your authorized engine service dealer.
CLEANING ENGINE AND DECK
Any fuel or oil spilled on the machine should be
wiped off promptly. Grass, leaves, and other dirt
must not be left to accumulate around the cooling
fins of the engine or on any part of the machine.
Clean the underside of the deck after each mowing.
CUTTING BLADES
A. REMOVAL FOR REPLACEMENT OR
SHARPENING
WARNING: Be sure to disconnect and
ground the spark plug wire(s) and remove
ignition key before working on the cutting
blade to prevent accidental engine starting.
Protect hands by using heavy gloves or a
rag to grasp the cutting blades.
1. Remove the hex flange nut which holds the
blade to the blade spindle.
2. Remove the blade from the spindle.
B. SHARPENING
Remove the cutting blades by following the
directions of the preceding section.
When sharpening the blades, follow the original
angle of grind as a guide. It is extremely important
that each cutting edge receives an equal amount of
grinding to prevent an unbalanced blade. An
unbalanced blade will cause excessive vibration
when rotating at high speeds, may cause damage to
the mower and could break, causing personal injury.
The blade can be tested for balance by balancing it
on a round shaft screwdriver. Remove metal from
the heavy side until it balances evenly.
C. REASSEMBLY
When replacing blades, be sure to install the blade
with the side of the blade marked ‘‘Bottom’’ (or with
part number) facing the ground when the mower is in
the operating position. Carefully align “star” on blade
with “star” on spindle. Secure with hex flange nut.
BLADE MOUNTING TORQUE
Hex Flange Nut: 840 in. lb. min., 1080 in. lb. max.
To ensure safe operation of your unit, all nuts and
bolts must be checked periodically for correct
tightness.
Oil Drain
Sleeve
Sump
Oil

20
BATTERY CARE AND MAINTENANCE
(TYPE “A” BATTERY)
Type “A” batteries are sealed and are maintenance
free.
BATTERY CARE AND MAINTENANCE
(TYPE “B” BATTERY)
CHECK FLUID LEVEL
Check fluid level inside each cell of the battery every
two weeks and before and after charging. Always
keep level between maximum and minimum fill level.
Add only distilled water. Never add additional
acid or any other chemicals to the battery after initial
activation.
NOTE: After operating the lawn tractor for a long
period of time, check the fluid level in the battery as
it can overheat and lose fluid.
CHARGING THE BATTERY
(ALL BATTERIES)
The engine is equipped with an alternator which
charges battery when tractor is operated. Under
normal conditions, the battery only needs to be
charged before, during and after off-season storage.
Follow the instructions under “Off-Season Storage.”
To charge the battery: Battery P/N 725-1705D—
Charge at 2-3 amps for one hour. Battery P/N 725-
1707D, 725-0453G and 725-1750—Charge at 6
amps for one hour.
REMOVING / INSTALLING / JUMP STARTING
WARNING: When removing or installing
the battery, follow these instructions to
prevent the screwdriver from shorting
against the frame.
Removing the Battery: Disconnect negative cable
first, then positive cable.
Installing the Battery: Connect positive cable first,
then negative cable.
Jump Starting
1. First, connect end of one jumper cable to the
positive terminal of the good battery, then the
other end to the positive terminal of the dead
battery.
2. Connect the other jumper cable to the negative
terminal of the good battery, then to the FRAME
OF THE UNIT WITH THE DEAD BATTERY.
WARNING: Failure to use this procedure
could cause sparking, and the gas in either
battery could explode.
CLEAN THE BATTERY
Clean the battery by removing it from the unit and
washing with a baking soda and water solution. If
necessary, scrape the battery terminals with a wire
brush to remove deposits. Coat terminals and
exposed wiring with grease or petroleum jelly to
prevent corrosion.
BATTERY FAILURES
Some common causes for battery failure are:
incorrect initial activation, lack of water, adding
chemicals other than water after initial activation,
undercharging, overcharging, corroded connections,
freezing. These failures do not constitute
warranty.
TIRES
Recommended operating tire pressure is
approximately 10 p.s.i. Maximum tire pressure under
any circumstances is 30 p.s.i. Equal tire pressure
should be maintained on all tires.
When installing a tire to the rim, be certain rim is
clean and free of rust. Lubricate both the tire and rim
generously. Never inflate to over 30 p.s.i. to seat
beads.
WARNING: Excessive pressure (over
30 p.s.i.) when seating beads may cause
tire/rim assembly to burst with force
sufficient to cause serious injury.
BELT REMOVAL AND REPLACEMENT
WARNING: Disconnect the spark plug
wire(s) and ground it against the engine.
Block the wheels of the unit.
NOTE: Figures 23, 27 and 28 are shown with the
unit tipped up for clarity. It is not necessary to tip the
unit to remove the belts.
However, if tipping the unit is desired, remove the
battery from the unit. To prevent gasoline leakage,
drain the gasoline, or remove the fuel tank cap,
place a thin piece of plastic over the neck of the fuel
tank and screw on the cap. Be certain to remove the
plastic when finished changing the belts. Block unit
securely.

21
DECK BELT
1. Place the lift lever in the engaged (all the way
forward) position.
2. Disconnect the spring which is attached to a
bracket on the transaxle, inside the right rear
wheel. Use a spring puller or other suitable tool.
NOTE: When reassembling, make certain belt
keeper pins are assembled in the same locations
from which they were removed. See Figure 23.
Figure 23
3. Place the lift lever in the BLADES STOP
position.
4. Remove the belt keeper pins from the lower
frame. See Figure 23.
5. Unhook the deck belt from the engine pulley.
6. Place the lift lever in the engaged (all the way
forward) position.
7. Disconnect the stabilizer plate from the stabilizer
shaft assembly by removing the hairpin clips and
flat washers and sliding out the rod. Refer to
Figure 15.
8. Disconnect the six deck links by removing the
hairpin clips and flat washers.
9. Place the lift lever in the BLADES STOP
position.
10. Slide the deck from beneath the lawn tractor.
11. Remove the belt guards at each deck pulley by
removing the self-tapping screws. See Figure
24.
12. Remove and replace the belt, reassemble
following the instructions in reverse order.
Figure 24
REAR DRIVE BELT
1. Place shift lever in neutral position. Unscrew the
shift knob. Remove the two truss head screws
which secure the transmission cover. See Figure
25.
2. Lift the transmission cover. Unplug the safety
wire from beneath the transmission cover. See
Figure 25. Remove transmission cover.
Figure 25
3. Push the idler pulley toward the right side of the
unit. Lift the belt over the idler pulley. See Figure
26.
4. Remove the belt from the variable speed pulley.
5. Remove the two bolts which hold the shift lever
bracket to the frame on the left side of the unit.
Swing the bracket toward the right so the belt
can be removed from the transmission pulley.
See Figure 26.
6. Replace belt, and reassemble in reverse order.
7. Adjust the speed control as instructed in
adjustment section.
Belt Keeper Pins
Engine
Pulley
Self-Tapping
Screws Belt
Guard
Belt Guard
Stabilizer
Plate
Deck
Pulleys
Shift
Knob
Truss
Head Screws
Safety
Wire

22
Figure 26
FRONT DRIVE BELT
1. To remove the front drive belt, first remove the
rear drive belt from the idler pulley and variable
speed pulley.
2. Place the lift lever in the BLADES STOP
position.
3. Remove the belt keeper pins from the engine
pulley belt guard. Refer to Figure 23.
NOTE: Make certain belt keeper pins are
reassembled as shown in Figure 23.
4. Unhook the deck belt from the engine pulley.
5. Remove the center bolt, lock washer and flat
washer, and let the engine pulley drop down so
the belt is past the belt guards.
Figure 27
6. Place the clutch-brake pedal in park position.
7. Push forward on the variable speed pulley, lift
the belt off the engine pulley, and remove the
belt from the pulley.
8. Release the clutch-brake pedal. Using the pedal
to move the variable speed pulley as necessary,
lift the belt up and off the variable speed pulley.
NOTE: When reassembling, make certain belt is
inside the pins. See Figure 28.
Figure 28
9. Reassemble with a new belt, following
instructions in reverse order.
10. Adjust the speed control as instructed in
adjustment section.
SECTION 11: OFF-SEASON
STORAGE
If the machine is to be inoperative for a period longer
than 30 days, prepare for storage as follows.
1. Clean the engine and the entire unit thoroughly.
2. Lubricate all lubrication points. Wipe the entire
machine with an oiled rag to protect the
surfaces.
3. Refer to the engine manual for correct engine
storage instructions. The engine must be
completely drained of fuel to prevent gum
deposits from forming on essential carburetor
parts, fuel lines and fuel tanks.
4. Charge battery fully. The battery loses some of
its charge each day when the unit is not used.
NEVER store battery without a full charge.
Recharge battery before returning to service or
every two months, whichever occurs first.
5. When storing unit for extended periods,
disconnect battery cables. Removing battery
from unit is recommended.
6. Store unit in a clean, dry area. Do not store next
to corrosive materials, such as fertilizer.
NOTE: When storing any type of power equipment
in an unventilated or metal storage shed, care
should be taken to rustproof the equipment. Using a
light oil or silicone, coat the equipment, especially
any chains, springs, bearings and cables.
Transmission
Pulley Shift Lever Bracket
Hex Bolt
Rear
Drive
Belt
Idler
Pulley Variable
Speed Pulley
Center Bolt
Lock Washer
Flat Washer
Variable
Speed Pulley
Pins

23
SECTION 12: OPTIONAL
EQUIPMENT
At the time of manufacture of lawn tractor, the
following optional equipment is available.
NOTE: These lawn tractors are not designed for
ground-engaging equipment (tillers, plows, etc.).
*Available through your local dealer or from Agri-
FabInc., 303 W. Raymond Street, Sullivan, Illinois
61951.
SECTION 13: LABELS
Description Model No.
40" Two Stage Snow Thrower 190-621-000
42" Dozer Blade 190-620-000
Mulching Kit 190-112-000
Twin Bag Grass Collector 190-063-000
Front Counterweight 190-745-000
Tire Chains—20 x 8 190-658-000
31 Lb. Wheel Weights 190-215-000
Gang Reel (Set of three) 45-0195*
38" Lawn Sweeper 45-0222*
Heavy Duty Dump Cart 45-0171*
Tine De-Thatcher 45-0186*
PART
NO.
DESCRIPTION
777I20239 Dash w/o PTO
777I20243 Height Adjustment Knob
777I20270 Deck Lift
777I20271 If Unit Stalls
777I20475 8-Speed Selector
777D03188 WOP Hoodside Label-R.H.
777D03189 WOP Hoodside Label-L.H.
777D03190 WOP Fender Label
777S30025 Transmission Cover Label
777S30107 Safety Seat Label
777S30012 Assemble Chute Label
777S30010 Chute Danger Label
777S30018 Deck Safety Label

24
SECTION 14: TROUBLE SHOOTING GUIDE
Trouble Possible
Cause(s) Corrective Action
Engine will
not crank
Safety switch
button not
depressed.
Battery installed
incorrectly.
Battery is dead
or weak.
Blown fuse or
circuit breaker.
Engine ground
wire loose.
There are two switches in the starting circuit of your unit: the clutch pedal switch and
the deck lift lever switch. Make certain the actuator is fully depressing the buttons on
each switch.
The battery must be installed with negative terminal attached to black ground wire.
Negative terminal is identified at the post by “NEG”, “N” or “-”. The positive terminal,
identified by “POS”, “P” or “+”, must be attached to the big red wire which goes to the
solenoid. All batteries are to be fully charged before installing. Refer to “Quick Start”
battery guide that came with the operator’s manual.
Check fluid level in battery. If fluid is low, fill to just below split rings with water. Charge
with 6 AMP charger until fully charged.
Refer to operator’s manual for fuse box location. Replace fuse with automotive type
fuse. Fuses seldom fail without a reason. The problem must be corrected. Check for
loose connections in the fuse holder. Replace fuse holder if necessary. A dead short
may be in the cranking or charging circuit where the insulation may have rubbed
through and exposed the bare wire. Replace the wire or repair with electrician's tape if
the wire strands have not been damaged.
Note: Look for a wire pinched between body panels, burned by the exhaust pipe or
muffler or rubbed against a moving part.
Engine should have a black ground wire running from engine to frame or mounting
bolt.
Engine
cranks but
will not start
Throttle or choke
not in starting
position.
No fuel to the
carburetor.
No spark to
spark plug.
Dirty aircleaner.
Check operator's manual for correct position for throttle control and choke for starting.
Gasoline tank empty. Fill.
Fuel line or in-line fuel filter plugged. Remove and clean fuel line. Replace filter if
necessary.
Spark plug lead disconnected. Connect lead. Hold spark plug lead away from engine
block about 1/8". Crank engine. There should be a spark. If not, have engine repaired
at authorized engine service dealer.
Faulty spark plug. To test, remove spark plug. Attach spark plug lead to spark plug.
Ground the spark plug body against the engine block. Crank the engine. The spark
plug should fire at the electrode. Replace if it does not.
If the air cleaner is dirty, the engine may not start. Refer to the engine manual packed
with your unit.
Engine
smokes
Engine oil has
been overfilled.
Engine loses
crankcase
vacuum.
Check oil level.
Dipstick not seated or broken. Replace defective part.
Engine breather defective. Replace.
Excessive
vibration
Bent or
damaged blade.
Bent blade.
Stop engine immediately. Check all pulleys, blade adapters, keys and bolts for
tightness and spindle damage. Tighten or replace any damaged parts.
Stop engine immediately. Replace damaged blade. Only use original equipment
blades.
Mower will
not
discharge
grass or
leaves
uncut strips
Engine speed
low.
Speed selection.
Cutting height
set too low.
Blades short or
dull.
Throttle must be set at full throttle.
Use lower ground speed. The slower your ground speed, the better the quality of cut.
Raise deck.
Sharpen or replace blades (uncut strip problem only).
25
Notes

26
Model 686
-RED
RED
RED
RED
RED A
OIL PRESSURE
HEADLIGHTS GREEN
STARTER
MAGNETO
ORG/BLK
ORG/BLK
ORG/WHT
ORANGE
AMMETER
725-0925
FUSE
725-1381
REVERSE SW.
725-1643
ORG/BLK
ORG/BLK
ORG/WHT
SEAT SW.
725-1303
725-1439
BATTERY
ALTERNATOR
ALTERNATOR
AFTERFIRE SOL.
GREEN
BLUE
YELLOW
WHITE
RED/BLK
GREEN
YEL/BLK
YEL/BLK
YEL/WHT
RED/WHT
GREEN
ORG/BLK
DECK SW.
725-1657A
ORANGE
YELLOW
SOLENOID
725-1426
YEL/WHT
RED
AL
G
BS
M
ORG/BLK
ORANGE
KEY SW
725-1396
CLUTCH SW
725-1657A
LIGHT SW
725-0634
.
.
.
MAIN HARNESS
629-0306B
GREEN
BLUE

27
Model 686

28
Model 686
REF
NO.
PART
NO.
DESCRIPTION
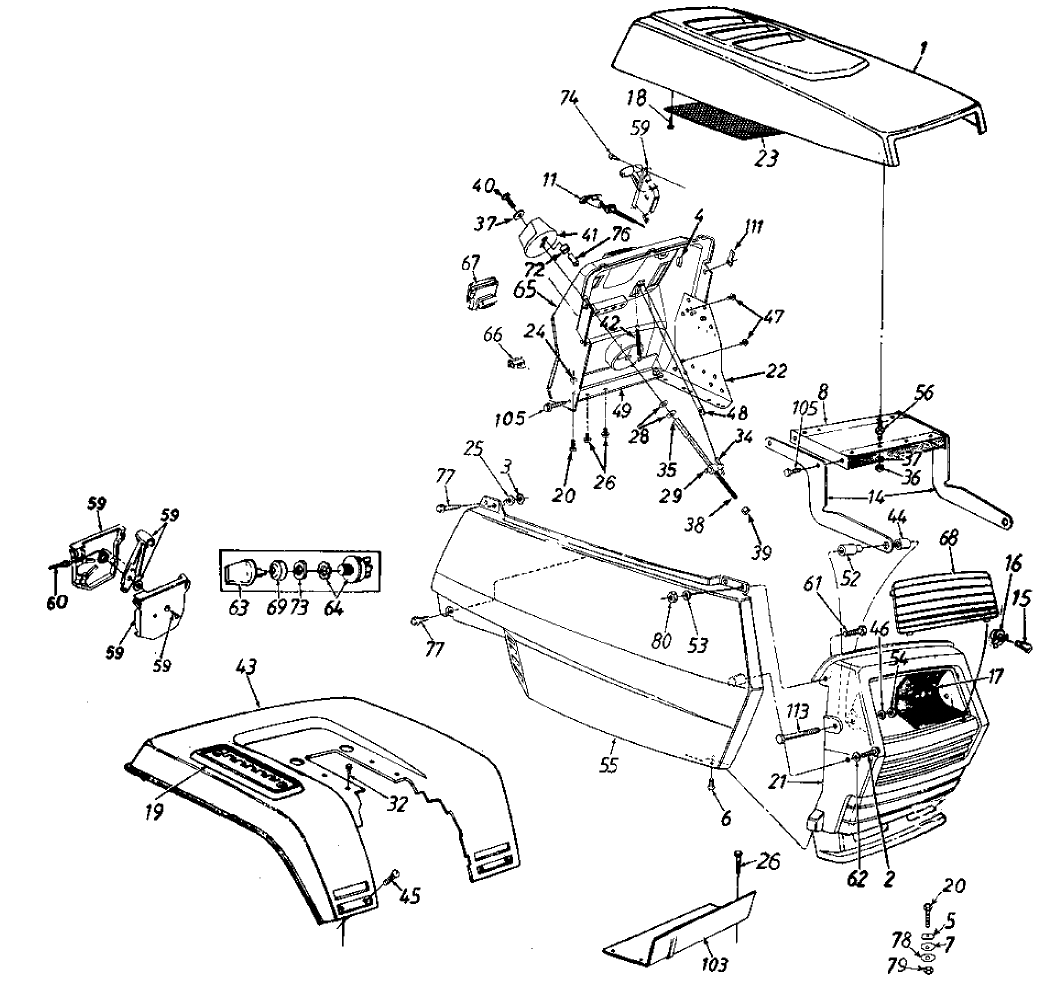
1 731-1429 Hood
2 710-0896 Hex Wash. B-Tap Scr. 1/4 x .62" Lg.
3 726-0233 Bolt Retainer 1/4" I.D.
4 17782 Retainer Clip
5 736-3078 FL-Wash. .34" I.D. x 1" O.D.
6 710-0351 Truss Mach. B-Tap Scr. #10 x .5" Lg.
7 726-0201 Speed Nut
8 16903A Hood Plate
11 746-3021 Choke Control
14 16902A Hood Hinge
15 725-0963 Lamp
16 725-1649 Twist Lock—Lamp Socket
17 777-8516 Reflector—Headlight
18 710-0227 Hex Wash. Hd. AB-Tap Scr. #8 x .5" Lg.
19 783-0341 8-Speed Selector Plate
20 710-3008 Hex Bolt 5/16-18 x .75" Lg.*
21 731-1430B Grille
22 17300D Dash Support Bracket
23 723-0416 Screen
24 712-0265 Hex Sems Nut 5/16-18 Thd.*
25 736-0176 Fl-Wash. 1/4" I.D. x .93" O.D.
26 710-0607 Hex Wash. Hd. B-Tap Scr. 5/16-18 x .5"
27 710-0429 Hex B-Tap Scr. #10 x .38" Lg.
28 736-0267 Fl-Wash. 3/8" I.D. x .875" O.D.
29 711-1002 Adj. Ferrule 3/8-8 Thd.
33 736-0242 Bell-Wash. .345" I.D. x .88"
34 714-0101 Hairpin Clip
35 716-0125 “E”-Ring .375" Dia.
36 712-0287 Hex Nut 1/4-20 Thd.*
37 736-0270 Bell-Wash. .265" I.D. x .75"
38 747-0898 Adjustment Rod
39 712-0449 Hex Nut 3/8-8 Twin Thd.
40 710-3015 Hex Bolt 1/4-20 x .75" Lg.
41 720-0236 Plastic Knob
42 732-0732 Ext. Spring 3.21" Lg.
43 783-0329A Rear Fender
44 750-0755 Spacer .33" I.D. x .625" O.D.
45 710-0167 Carriage Bolt 1/4-20 x .50" Lg.*
46 736-0278 Fl-Wash. .328" I.D. x .68" O.D.
47 710-0599 Hex Wash. Hd. Scr. 1/4-20 x .5" Lg.
48 727-0460A Indicator Strip
49 783-0120 Indicator Bracket
52 750-0754 Shld. Spacer .33" I.D.
53 736-0142 Fl-Wash. .281" I.D. x .5" O.D.
54 712-0158 Hex Cent. L-Nut 5/16-18 Thd.
55 731-1890 Side Cover—R.H.
731-1891 Side Cover—L.H.
56 710-1034 Double Ended Stud 1/4-20 Thd.
59 831-0823A Throttle Control Box Ass’y.
60 746-0775 Throttle Control Wire 35" Lg.
61 710-0751 Hex Bolt 1/4-20 x .62" Lg.*
62 736-0173 Fl-Wash. .281" I.D. x .73" O.D.
63 725-1341B Ignition Key
64 725-1396 Ignition Switch
65 731-1510 Dash Panel
66 725-0634 Light Switch
67 725-0925 Ammeter
68 731-1038A Lens
69 725-1347 Ignition Switch Cap
72 750-0526 Spacer
73 725-1346 Ignition Switch Nut
74 710-0779A Truss Mach. AB-Tap Scr. #10 x .5" Lg.
76 732-0675 Ball Plunger
77 710-0642 Hex Wash. Hd. Tap Scr. 1/4 x .75" Lg.
78 736-0119 L-Wash. 5/16" I.D.
79 712-3010 Hex Nut 5/16-18 Thd.
80 712-0291 Hex L-Nut 1/4-20 Thd.
94 712-0147 Speed Nut #10-24 Thd.
103 17633A Gasoline Tank Support
105 710-0599 Hex Tap Scr. 1/4-20 x .5" Lg.
111 712-0185 Speed Nut 1/4-20 Thd.
113 710-0176 Hex Bolt 5/16-18 x 2.75"
REF
NO.
PART
NO.
DESCRIPTION

29
Model 686

30
Model 686
REF.
NO.
PART
NO.
DESCRIPTION
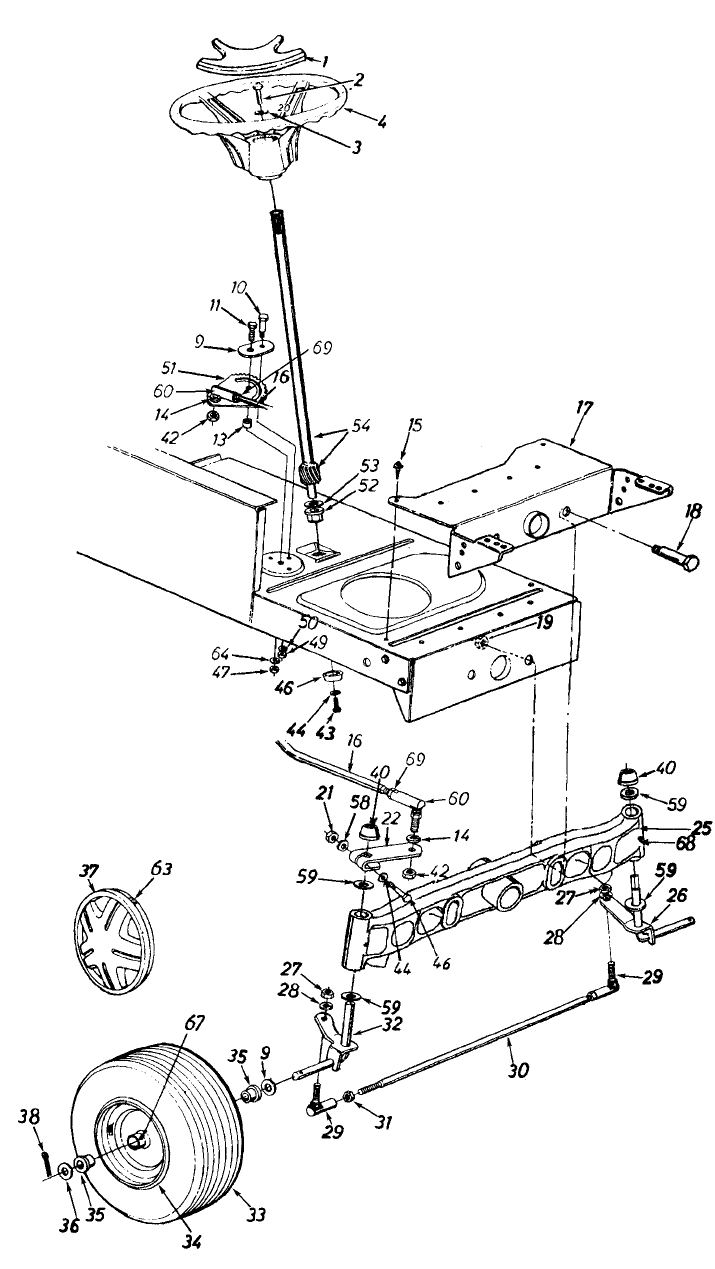
1 731-1904 Steering Wheel Cap
2 710-0643 Hex Bolt 5/16-18 x 1" Lg.
3 736-0242 Belleville Wash. .345" I.D.
4 731-1869 Steering Wheel
9 17198A Retainer Plate
10 738-0141 Shld Bolt .437" Dia. x .35" Lg.—5/16-18
11 710-1039 Hex Bolt 3/8-24 x 1.0" Lg. (Grade 5)
13 750-0535 Spacer .380" I.D. x .625" O.D. x .227
14 736-0217 L-Wash. 3/8" I.D. (H.D.)
15 710-0726 Hex Wash. Hd. Self-Tap Scr.
16 711-1107 Steering Drag Link
17 783-0041A Pivot Bar Brkt.
18 738-0527 Shld Bolt .498" Dia. x 2.04" Lg.—3/8-16
19 712-0431 Flanged Hex Nut 3/8-16 Thd.*
21 712-0411 Hex L-Nut 5/16-24 Thd.
22 683-0055 Steering Arm Front Axle
23 710-0772 Hex Bolt 5/16-24 x 2.00" Lg.(Grade 5)
25 719-0342A Pivot Bar Ass’y.
26 683-0127 Front Axle Ass’y.—L.H.
27 712-0241 Hex Nut 3/8-24 Thd.*
28 736-0169 L-Wash. 3/8" I.D.*
29 723-3018 Ball Joint 3/8-24 Thd.
30 747-0753 Tie Rod
31 712-0711 Hex Jam Nut 3/8-24 Thd.*
32 683-0126 Front Axle Ass’y.—R.H.
33 634-0059 Wheel Ass’y. Com p.
734-0864 Tire Only
734-0255 Air Valve
34 634-0051 Front Wheel Rim Only
35 741-0569 Bearing
36 736-0285 Fl-Wash. .635" I.D. x 1.59" O.D.
37 731-2290 Hub Cap
38 714-0470 Cotter Pin 1/8" Dia. x 1.25"*
39 736-0531 Fl-Wash. .640" I.D. x 1.24" O.D.
40 726-0214 Push Cap 5/8" Dia. Rod
42 712-0262 Hex Jam Nut 3/8-24 Thd.
43 710-1309 Torx Bolt 5/16-18 x .63" Lg.
44 736-0119 L-Wash. 5/16" I.D.*
45 736-0343 Fl-Wash. .33" I.D. x 1.25" O.D.
46 748-0389 Cap
47 712-0214 Hex Cent. L-Nut 3/8-24 Thd.
49 712-0158 Hex Cent. L-Nut 5/16-18 Thd.
50 736-0119 L-Wash. 5/16" I.D.*
51 717-0622A Steering Gear Segment
52 741-0656 Hex. Flg. Brg. 5/8" I.D.
53 736-0187 Fl-Wash. (Hardened)
54 738-0919 Steering Shaft
58 736-0271 Wave-Wash. .32" I.D. x .62" O.D.
59 736-0187 Fl-Wash. (Hardened)
60 723-0448 Drag Link Ball Joint 7/16-20 Thd.
63 727-0425A Spring Clip
64 736-0356 Bell-Wash. .39" I.D. x 1.38" O.D.
67 737-0211 Grease Fitting
68 737-3000 Grease Fitting
69 712-0240 Hex Jam Nut 7/16-20 Thd.
REF.
NO.
PART
NO.
DESCRIPTION

31
Model 686

32
Model 686
REF.
NO.
PART
NO.
DESCRIPTION
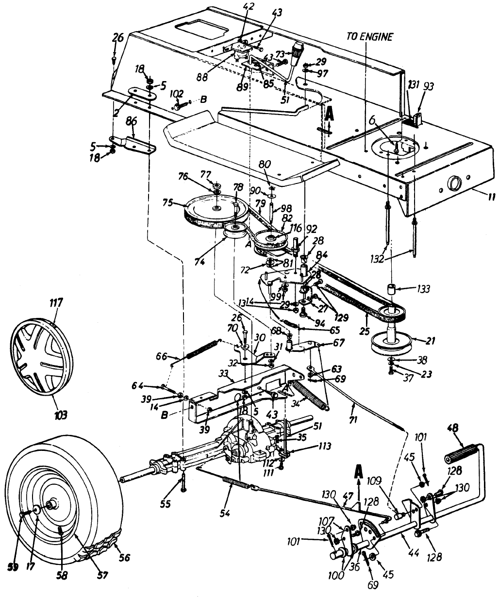
2 17840 Transaxle Mtg. Brkt.
5 736-0119 L-Wash. 5/16" I.D.*
11 783-0310E Lower Frame Ass’y.
13 712-0287 Hex Nut 1/4-20 Thd.*
14 736-0329 L-Wash. 1/4" I.D.*
17 736-0242 Bell-Wash. .345" I.D. x .88"
18 712-0267 Hex Nut 5/16-18 Thd.*
21 756-0982 Engine Pulley
23 736-0171 L-Wash. 7/16" I.D.*
25 754-0280 Variable-Speed Belt
26 710-3008 Hex Bolt 5/16-18 x .75" Lg.
27 17963 Bearing Shaft Bracket Ass’y.
28 741-0591 Flanged Nyliner Brg. 5/8" I.D. x .88" Lg.
29 712-0241 Hex Nut 3/8-24 Thd.*
30 17694 Idler Bracket
31 736-0169 L-Wash. 3/8" I.D.*
32 712-0241 Hex Nut 3/8-24 Thd.*
33 17629A Transaxle Support Brkt.
34 732-0556 Ext. Spring .94" O.D. x 7.58"
35 714-0149B Inter. Cotter Pin
36 750-0802 Spacer .63" I.D.
37 710-0757 Hex Bolt 7/16-20 x 1.5" Lg.
38 738-0785 Shld. Spacer .445" I.D.
39 712-0138 Hex Nut 1/4-28 Thd.
40 710-0776 Hex AB-Tap Scr. 1/4" x .62" Lg.
41 711-0747 Belt Guard Pin
42 736-0222 Ext. L-Wash. 1/4" I.D.
43 710-0599 Hex Wash. Hd. S-Tap Scr. 1/4-20 x .50"
44 683-0123 Clutch/Brake Pedal Ass’y.
45 736-0140 Fl-Wash. .344" I.D. x .62"
47 747-0755A Brake Rod Ass’y.
48 735-0196 Foot Pad
51 17705 Shift Lever Ass’y.
53 732-0264 Ext. Spring .38" O.D. x 2.5"
54 732-0642 Ext. Spring 7.33" Lg.
55 710-1266 Hex Bolt 5/16-18 x 3.5" Lg.
56 734-1675 Wheel Ass’y. Co m p.
734-1596 Tire Only
57 634-0070 Wheel Rim Only
58 734-0255 Air Valve (Service Only)
59 710-0627 Hex Bolt 5/16-24 x .75" Lg.*
61 732-0722 Brake Return Spring Anchor
63 736-0275 Fl-Wash. .34" I.D. x .68" O.D.
64 710-0428 Hex Bolt 1/4-28 x 1.25" Lg.*
65 732-0568 Ext. Spring
66 732-0384 Ext. Spring .62" O.D. x 6.12"
67 16554A Variable Speed Torque Brkt. Ass’y.
68 741-0419 Flanged Bearing
69 714-0111 Cotter Pin 3/32" Dia.*
70 748-0234 Shoulder Spacer .27" Lg.
71 747-0530A Speed Control Link
72 741-0405 Truss Bearing .56 Dia. x 1.25"
73 720-0232 Shift Knob
74 756-0437 Fl-Idler Pulley 3.25" x .75"
75 656-0005 “V” Pulley
76 736-0427 Bell-Wash. .56" I.D. x 1.125"
77 712-3035 Hex Jam Nut 5/16-18 Thd.
78 710-0539 Hex Bolt 3/8-24 x 1.75" Lg.
79 754-0370 Variable Speed Belt
80 716-0114 Snap Ring .56" Dia.
81 736-0355 Fl-Wash.
82 717-0800A Variable Speed Pulley Ass’y. 5" O.D.
84 16354B Variable Speed Brkt. Ass’y.
85 732-0525 Comp. Spring—Clip
86 17668 Axle Support Brkt.—R.H.
17669 Axle Support Brkt.—L.H. (Not Shown)
88 725-1426 Solenoid
89 17630 Shift Lever Bracket
90 736-0414 Teflon Washer .565" I.D.
92 711-1000 Belt Keeper 3" Lg.
93 725-1657A Safety Switch (Clutch)
94 738-0755 Shld. Bolt 3/8-24 x 3.12" Lg.
97 736-0105 Bell-Wash. .38" I.D. x .88"
98 738-0569 Shaft .56" Dia. x 3.875" Lg.
99 736-0331 Bell-Wash. .39" I.D. x 1.12"
100 736-0256 Fl-Wash. .64" I.D. x .94"
101 714-0470 Cotter Pin 1/8" Dia. x 1.25"
102 710-0604 Hex Wash. Hd. Scr. 5/16-18 x .62" Lg.
103 731-2290 Hub Cap
107 17860 Pedal Bracket
109 711-0198 Ferrule
111 710-0195 Hex Bolt 1/4-28 x .50" Lg.
112 736-0270 Bell-Wash. .265" I.D. x .75"
113 17707 Shift Lever Link Ass’y.
115 736-0140 Fl-Wash. .385" I.D. x .62"
116 741-0404 Needle Brgs. (2 Req’d.)
117 727-0425A Spring Clip (Used w/Ref. No. 103)
119 710-0427 Hex Bolt 3/8-16 x 1.25" Lg.
120 756-0217 Fl-Idler w/Flanges 2.75" O.D.
121 736-0280 Fl-Wash. .39" I.D. x 1.12" O.D.
122 712-0798 Hex Nut 3/8-16 Thd.
128 710-0650 Hex Wash. TT-Tap Scr. 5/16-18 x .75" Lg.
129 710-0726 Hex Wash. AB-Tap Scr. 5/16-18 x .75" Lg.
130 712-0265 Hex Sems Nut 5/16-18 Thd.
131 732-0750A Spring Switch
132 711-1044 Belt Guard Pin
133 750-0956 Spacer
REF.
NO.
PART
NO.
DESCRIPTION
IMPORTANT: For a proper working machine, use Factory Approved Parts.
V-BELTS are specially designed to engage and disengage safely. A substitute (non OEM) V-belt can be dangerous
by not disengaging completely.

33
Model 686
Single Speed Transaxle-RH
Model 618-0163B
4

34
Model 686
REF.
NO.
PART
NO.
DESCRIPTION
1 732-0614 Wire Ring
2 716-0231 “E”—Ring
4 710-1325 Hex Tap Scr. 1/4-20 x 1.625 Lg.
5 719-0367 Upper Housing
8 711-1109 Input Shaft
10 736-0335 Thrust Washer 5/8" I.D. x 1.25" O.D.
11 717-1464 Pinion Input 14T
12 716-0108 Retaining Ring
13 711-1003 Drive Shaft—R.H. Brake
14 741-0336 Flange Brg. 5/8" I.D. x 3/4" Lg.*
15 717-1362 Bevel Gear 42T Small I.D.
16 717-1363 Bevel Gear 42T Large I.D.
17 718-0228 Clutch Collar
21 710-0862A Pan Head Scr. 1/4-20 x .50" Lg. w/Patch
23 741-0340 Sleeve Bearing 3/4" I.D. x 1.0" Lg.
24 721-0338 Oil Seal 3/4" I.D.
26 736-0445 Fl-Wash. .760" I.D. x 1.5" O.D.
32 ** Washer (See Below)
34 719-0313B Lower Housing
35 718-0150 Anti-Rotation Brkt.
37 ** Washer (See Below)
38 712-0273 Hex Nut 5/16-24 Thd.
39 736-0371 Fl-Wash. .344" I.D. x .875" O.D.
40 717-0700 Actuating Arm
41 761-0198 Brake Yoke
42 717-0682 Puck Plate
43 717-0678 Brake Puck
45 761-0202 Brake Disc
46 741-0337 Flange Bearing 5/8" I.D. x 15/16" Lg.
48 611-0011 Shift Fork Ass’y.
49 741-0862 Ball Detent .250" Dia.
50 732-0863 Spring Detent
52 741-0335 Needle Brg. 5/8" I.D. x 1/2" Lg.
54 736-0349 Fl-Wash. 5/8" I.D. x 1" O.D.x .020 Thk.
55 741-0343 Actuating Pin 5/16" Dia.
56 710-1206 Hex Wash Hd. Self-Tap Scr. 1/4-20 Thd.
58 736-0349 Fl-Wash. 5/8" I.D. x 1" O.D. x .020 Thk.
736-0495 Thrust Wash. 5/8" I.D. x 1" O.D. x .025"
60 ** Washer (See Below)
61 736-0519 Thrust Washer
62 618-0162 Differential Ass’y.
63 732-0742 R.H. Brake Spring
—737-0148 Grease—Shell (15 oz.)
REF.
NO.
PART
NO.
DESCRIPTION
**Ref. No. 32 736-0495 Thrust Wash. 5/8" I.D. x 1" O.D. x .025" Thk.
736-0336 Fl-Wash. 5/8" I.D. x 1" O.D. x .030" Thk.
736-0494 Thrust Wash. 5/8" I.D. x 1" O.D. x .035" Thk.
736-0337 Fl-Wash. 5/8" I.D. x 1" O.D. x .040" Thk.
**Ref. No. 37 736-0349 Fl-Wash. 5/8" I.D. x 1" O.D. x .020" Thk.
736-0336 Fl-Wash. 5/8" I.D. x 1" O.D. x .030" Thk.
736-0337 Fl-Wash. 5/8" I.D. x 1" O.D. x .040" Thk.
**Ref. No. 60 736-0492 Fl-Wash. .76" I.D. x 1.5" O.D. x .010" Thk.
736-0493 Fl-Wash. .76" I.D. x 1.5" O.D. x .020" Thk.
736-0351 Fl-Wash. .76" I.D. x 1.5" O.D. x .030" Thk.
736-0445 Fl-Wash. .76" I.D. x 1.5" O.D. x .060" Thk.

35
Model 686
REF.
NO.
PART NO. DESCRIPTION
1 738-1007 Shoulder Screw 3/8-16 x .5
2 710-1208 Hex Wash. Hd. Tap Scr.
5/16-18 x 3.25" Lg.
6 783-0607A Seat Pivot Bracket
7 751-0603 Fuel Cap
8 751-0657 Fuel Tank
9 726-0209 Tie Strap
10 751-0535-13 Fuel Line
11 726-0205 Hose Clamp
12 710-1268 Hex B-Tapp Scr. #10-16 x .38
13 712-0287 Hex Nut 1/4-20 Thd.*
14 736-0329 L-Wash. 1/4" I.D.
15 712-3027 Lock Nut 1/4-20
16 732-0735 Compression Spring
17 720-0309A Grip
18 731-1989 Seat Spacer
19 732-0499 Compression Spring
20 736-0175 Spr. Wash. .265 x .562 x .025
21 738-0526 Running Board Rod
22 710-0227 Hex Wash. Hd. AB-Tap Scr.
#8 x .50" Lg.
24 783-0041B Front Pivot Brkt.
25 736-0726 Fl. Wash. .344 x .62 x .03
26 710-0870 Hex Wash. Hd. AB-Tap Scr.
5/16 x .75" Lg.
28 710-0703 Carriage Bolt 1/4-20 x .75"*
29 17770C Running Board (R.H. & L.H.)
30 761-0168B Blade Brake Ass’y.
31 738-0137A Shld. Bolt 1/4-20 Thd.
32 731-0909 Rubber Foot Pad—L.H
731-0910 Rubber Foot Pad—R.H
34 783-0310E Lower Frame
36 726-0278 Insulator Boss Plate
38 710-3008 Hex Bolt 5/16-18 x .75" Lg.*
39 783-0042A Upper Frame—R.H.
42 732-0581B Extension Spring 5.31" Lg.
44 725-1750 12-V Battery
45 783-0043 Upper Frame—L.H.
46 17286B Shift Cover
47 725-1643 Safety Switch (Reverse)
48 726-0279 Insulator Plate
49 17951A Seat Pivot Brkt. Support—L.H.
50 783-0355A Hitch Plate
51 712-0267 Hex Nut 5/16-18 Thd.*
52 736-0119 L-Wash. 5/16" I.D.*
53 17239A Seat Lift Brkt.
54 757-0350 Seat
55 17950A Seat Pivot Brkt. Support—R.H.
56 738-0296 Shld. Bolt .437" Dia. x .268"
57 725-1303 Spring Switch (Seat—Outer)
59 710-0650 Hx Wash TT-Tap Scr.
5/16-18 x 7/8" Lg.
60 783-0611 Seat Stop
61 783-0753 Seat Selector
62 726-0320 Insulator Nut Plate
63 725-1439 Safety Switch (Seat—Inner)
65 783-0345 Battery Tray
66 710-0351 Tr. Mach. B-Tap Scr. #10 x .5" Lg.
67 748-0347 Spring Spacer
68 710-0323 Truss Mach. Scr. 5/16-18 x .75"
69 710-3008 Hex Bolt 5/16-18 x .75" Lg.*
71 723-3064 Battery Retainer Strap
72 712-3010 Hex Nut 5/16-18 Thd.
73 712-0265 Hex Sems Nut 5/16-18 Thd.
74 712-0271 Hex Sems Nut 1/4-20 Thd.
75 783-0609 Seat Lever
REF.
NO.
PART NO. DESCRIPTION

36
Model 686
REF.
NO.
PART
NO.
DESCRIPTION
1 783-0103 Connecting Rod
2 683-0029A Pivot Link Ass’y.—L.H.
3 683-0028A Pivot Link Ass’y.—R.H.
4 17710 Deck Hanger Link Ass’y.
5 14800A Deck Hanger Link Ass’y.
6 14804A Deck Hanger Link Ass’y.
7 748-0331 Shld. Spacer .318" I.D.
8 736-0264 Fl-Wash. .344" I.D. x .62" O.D.
9 736-0119 L-Wash. 5/16" I.D.*
10 712-3010 Hex Nut 5/16-18 Thd. (Gr. 5)
12 714-0470 Cotter Pin 1/8" Dia.
13 736-0256 Fl-Wash. .635" I.D. x 1.0" O.D.
16 710-0604 Hex Wash. TT-Tap Scr. 5/16-18 x .75"
18 710-1238 Hex Wash. Hd. Scr. 5/16-18 x .875"
19 710-3008 Hex Bolt 5/16-18 x .75" Lg.
20 783-0118 Index Brkt.
21 783-0042B Upper Frame—R.H.
23 736-0267 Fl-Wash. .385" I.D. x .87" O.D.
24 736-0160 Fl-Wash. .531" I.D. x .93" O.D.
25 726-0272 Clamp
26 738-0526 Running Board Rod
27 710-3007 Hex Wash. Hd. Tap Scr.
28 14802A Link Deck Lift Ass’y.
29 711-0723A Adj. Ferrule 3/8-24 Thd.
30 17712 Adj. Deck Lift Link
31 712-3066 Hex Nut 1/2-20 Thd. (Gr. 5)
32 711-0841 Lift Link Adjuster
33 683-0059 Lift Shaft Ass’y.
34 725-1657A Safety Switch (Deck)
35 714-0145 Inter. Cotter Pin 3/8" Dia.
36 732-0637 Extension Spring
37 17636B Stabilizer Bracket
38 738-0670 Shaft 1/2" Dia. x 10.28" Lg.
39 732-0638 Extension Spring
40 720-0233 Grip (Lift Handle)
41 97675A Deck Lift Handle Ass’y.
42 738-0669 Shaft 3/8" Dia. x 9.34" Lg.
43 747-0598 Disengagement Rod
44 97624 Stabilizer Shaft Ass’y.
45 732-0556 Extension Spring 7.58" Lg.
46 783-0043 Upper Frame—L.H.
47 741-0313 Flange Brg. .632" I.D.
48 17128A Spring Retainer Brkt.
49 716-0104 “E”-Ring
50 736-0425 Bell-Wash. .325" I.D.
REF.
NO.
PART
NO.
DESCRIPTION

37
Model 686
REF.
NO.
PART
NO. DESCRIPTION
2 710-1260A Hex Wash. TT-Tap Scr. 5/16-18 x .75"
3 683-0141 42" Deck Ass’y. **
753-0698 42" Deck Ass’y. (For Service Onl y) **
4 783-0149 Belt Guard Deck
7 712-3006 Hex Nut 1/4-20 Thd.††
8 710-0751 Hex Bolt 1/4-20 x .62"
10 711-0792 Hinge Pin
13 712-0181 Hex Top L-Nut 3/8-16 Thd.
14 712-3006 Hex Nut 1/4-20 Thd. (Gr. 5)
17 734-0973 Deck Wheel—5"
18 736-0105 Bell-Wash. .40" I.D. x .88" O.D.
22 738-0373 Shld. Bolt .498" Dia. x 1.53"
23 742-0616 3 in 1 Blade
26 754-0371A V-Belt
27 736-0270 Bell-Wash. 1/4" I.D.
28 783-0342 Brake Disc
33 710-0157 Hex Bolt 5/16-24 x .75" Lg.
35 712-0417A Hex Flange Nut 5/8-18 Thd.†
37 736-0158 L-Wash. 5/8" I.D.*
39 618-0142 Blade Spindle Ass’y.(Incl. Ref. 28, 35, 42)
42 756-0980 5.75" Dia. Pulley†
52 703-1693 Hinge Mtg. Brkt.
53 732-0602 Torsion Spring
54 726-0106 Push Nut
55 731-1032 Chute Ass’y. (Incl. Ref.10, 52, 53, 54, 55)
56 710-0597 Hex Bolt 1/4-20 x 1" Lg.††
57 712-3087 Wing Nut 1/4-20 Thd.††
58 731-1643A Mulching Plug††
59 16606 Retainer Hook Brkt.
60 712-0271 Hex Sems Nut 1/4-20 Thd.
61 710-0751 Hex Bolt 1/4-20 x .62" Lg.
62 736-0173 Flat Washer .28 ID x .74 OD
REF.
NO.
PART
NO. DESCRIPTION
62
† Deck pulleys and blade nuts must be torqued to 100 ft. lbs. if removed or replaced.
†† Optional
** Must be ordered with 4 digit color code.
IMPORTANT: For a proper working machine, use Factory Approved Parts.
V-BELTS are specially designed to engage and disengage safely. A substitute (non OEM) V-belt can be dangerous
by not disengaging completely.

38
Model 686
19
8
4
6
16
17
5
1
2
3
12
18
15
10
7
14
11
9
Ref.
No.
Part
No.
Description
1 710-0924 Truss Mach. Scr. 1/4-20 x.75" Lg.
2 783-0341 8-Speed Selector Plate
3 720-0218 Shift Knob
4 16192A Speed Selector Lever Ass’y.
5 736-0192 Flat Washer .53" I.D. x .93"
6 711-0198 Ferrule 3/8-24 x .37" Dia.
7 738-0155 Shoulder Bolt
8 747-0503A Speed Control Link
9 714-0111 Cotter Pin 3/32" Dia. x 1.0"*
10 736-0226 Fl-Wash. .469" I.D. x .88"
11 736-0119 L-Wash. 5/16" I.D.*
12 712-3010 Hex Nut 5/16-18 Thd. (Gr. 5)
14 732-0303 Spring .38" O.D. x 3.18" Lg.
17 736-0300 Fl-Wash. .385" I.D. x 7/8"
19 736-0329 L-Wash. 1/4" I.D.*
20 712-3006 Hex Nut 1/4-20 Thd. (Gr.5)
Ref.
No.
Part
No.
Description
1 710-0148 Hex Slot Scr. #8-32 x .38" Lg.
2 710-0599 Hex Wash. TT-Tap Scr. 1/4-20 x .5"
3 710-0604 Hex Wash TT-Tap Scr. 5/16-18 x .62"
4 710-1237 Scr. #10-32:.620 Hx. Slot Wash.
5 710-1314 Socket Hd. Bolt 5/16-18 x .62" Lg.
6 710-1315 Scr. 3/8-16 x 1.25
7 712-0271 Nut, Hex 1/4-20
8 721-0208 Exhaust Gasket
9 726-0205 Hose Clamp .49 Dia.
10 726-0272 Clamp 9/16 Dia.
11 731-1682A Oil Drain Sleeve
12 736-0119 L-Wash. 5/16" I.D.*
14 751B213146 Casing Clamp, Throttle, B&S
15 751-0535-13 Fuel Line Hose
16 751-0564 Muffler Deflector
17 751-0617 Muffler
18 751-0619 Exhaust Pipe
19 783-0615 Muffler Heat Shield
39

MANUFACTURER’S LIMITED WARRANTY FOR:
The limited warranty set forth below is given by White Out-
door Products Co. with respect to new merchandise pur-
chased and used in the United States, its possessions and
territories.
White Outdoor Products Co. warrants this product against
defects in material and workmanship for a period of two (2)
years commencing on the date of original purchase and
will, at its option, repair or replace, free of charge, any part
found to be defective in material or workmanship. This lim-
ited warranty shall only apply if this product has been oper-
ated and maintained in accordance with the Operator’s
Manual furnished with the product, and has not been sub-
ject to misuse, abuse, commercial use, neglect, accident,
improper maintenance, alteration, vandalism, theft, fire,
water or damage because of other peril or natural disaster.
Damage resulting from the installation or use of any acces-
sory or attachment not approved by White Outdoor Prod-
ucts Co. for use with the product(s) covered by this manual
will void your warranty as to any resulting damages.
Normal wear parts or components thereof are subject to
separate terms as follows: All normal wear part or compo-
nent failures will be covered on the product for a period of
90 days regardless of cause. After 90 days, but within the
two year period, normal wear part failures will be covered
ONLY IF caused by defects in material or workmanship of
OTHER component parts. Normal wear parts and compo-
nents include, but are not limited to, belts, blades, blade
adapters, grass bags, rider deck wheels, seats, snow
thrower skid shoes, shave plates and tires. Batteries are
covered by a 90-day limited replacement warranty.
HOW TO OBTAIN SERVICE: Warranty service is available,
WITH PROOF OF PURCHASE THROUGH YOUR LOCAL
WHITE OUTDOOR DEALER. To locate the dealer in your
area, please check for a listing in the Yellow Pages or con-
tact the Customer Dealer Referral Line of White Outdoor
Co. by calling 1-330-225-8883 or writing to P.O. Box
361131, Cleveland, Ohio 44136-0019.
This limited warranty does not provide coverage in the
following cases:
a. The engine or component parts thereof. These items
carry a separate manufacturer’s warranty. Please refer
to the applicable manufacturer’s warranty on these
items.
b. Log splitter pumps, valves and cylinders have a sepa-
rate one year warranty.
c. Routine maintenance items such as lubricants, filters,
blade sharpening and tune-ups, or adjustments such
as brake adjustments, clutch adjustments or deck
adjustments; and normal deterioration of the exterior
finish due to use or exposure.
d. White Outdoor Co. does not extend any warranty for
products sold or exported outside of the United States
of America, its possessions and territories, except
those sold through White Outdoor Co. authorized
channels of export distribution.
No implied warranty, including any implied warranty of
merchantability or fitness for a particular purpose,
applies after the applicable period of express written
warranty above as to the parts as identified. No other
express warranty or guaranty, whether written or oral,
except as mentioned above, given by any person or
entity, including a dealer or retailer, with respect to any
product shall bind White Outdoor Co. During the
period of the Warranty, the exclusive remedy is repair
or replacement of the product as set forth above.
(Some states do not allow limitations on how long an
implied warranty lasts, so the above limitation may not
apply to you.)
The provisions as set forth in this Warranty provide the
sole and exclusive remedy arising from the sales.
White Outdoor Co. shall not be liable for incidental or
consequential loss or damages including, without limi-
tation, expenses incurred for substitute or replace-
ment lawn care services, for transportation or for
related expenses, or for rental expenses to temporarily
replace a warranted product. (Some states do not allow
the exclusion or limitation of incidental or consequential
damages, so the above exclusion or limitation may not
apply to you.)
In no event shall recovery of any kind be greater than the
amount of the purchase price of the product sold. Alteration
of the safety features of the product shall void this War-
ranty. You assume the risk and liability for loss, damage, or
injury to you and your property and/or to others and their
property arising out of the use or misuse or inability to use
the product.
This limited warranty shall not extend to anyone other than
the original purchaser, original lessee or the person for
whom it was purchased as a gift.
How State Law Relates to this Warranty: This limited
warranty gives you specific legal rights, and you may also
have other rights which vary from state to state.