Physik Instrumente PI Overview Accessories M Products
PI_Overview_Accessories_M-Products M-060 • M-061 • M-062 Precision Rotation Stage
User Manual: Physik Instrumente Product ation & Software
Open the PDF directly: View PDF
.
Page Count: 19

Accessories

© Physik Instrumente (PI) GmbH & Co. KG 2008. Subject to change without notice. All data are superseded by any new release.
The newest release for data sheets is available for download at www.pi.ws. Cat120E Inspirations2009 08/10.18
Accessories
Mounting Adapters for Micropositioning
The following table gives an
overview of all possible com-
binations of PI linear, rotary
and tilt stages. Select the
positioner to be mounted
on top from the left column
and the supporting posi-
tioner from the top row.
Bottom M-060* M-105,
M-106
M-110 M -111 M-112 M-122 M-126 M-403,
M-404
M-406 M-413, M-414,
M-417
M-451 M-511, M-521,
M-531
M-605 M6 / 25 mm 1/4-20/1“
Orientation
M-060* horizontal x x x x x x x M-403.AP1
+ M-06x.HP
x M-413.AP1
+ M-06x.HP
M-06x.HP M-06x.HP x M-06x.HP M-06x.HP
M-060* vertical x x x x x x x x x x x x x x x
M-105, M-106 horizontal M-105.AP n/r x x x x M-105.AP M-403.AP1
+ M-105.AP
M-105.AP M-413.AP1
+ M-105.AP
M-105.AP M-105.AP M-605.11 M-105.HP/
M-105.HP1
M-105.HP/
M-105.HP1
M-105, M-106 vertical M-009.30
+ M-009.10
M-009.10
M-105.VB1
x x x x M-009.30
+ M-009.10
x M-009.30
+ M-009.10
x x x x x x
M-110 horizontal M-110.01 x n/r n/r n/r n/r M-110.01 M-403.AP1
M-110.01
M-110.01 M-413.AP1
M-110.01
M-110.01 M-110.01 M-110.01 M-110.01 M-110.01
M-110 vertical x x M-110.02 M-110.02 M-110.02 M-110.02 x x x x x x x x x
M - 111 horizontal M-110.01 x n/r n/r n/r n/r M-110.01 M-403.AP1
M-110.01
M-110.01 M-413.AP1
M-110.01
M-110.01 M-110.01 M-110.01 M-110.01 M-110.01
M - 111 vertical x x M-110.03 M-110.03 M-110.03 M-110.03 x x x x x x x x x
M-112 horizontal M-110.01 x n/r n/r n/r n/r M-110.01 M-403.AP1
M-110.01
M-110.01 M-413.AP1
M-110.01
M-110.01 M-110.01 M-110.01 M-110.01 M-110.01
M-112 vertical x x M-110.04 M-110.04 M-110.04 M-110.04 x x x x x x x x x
M-116 horizontal x x n/r n/r n/r n/r M-110.01 M-403.AP1
M-110.01
M-110.01 M-413.AP1
M-110.01
M-110.01 M-110.01 M-110.01 M-110.01 M-110.01
M-116 vertical x x x x x x x x x x x x x x x
M-122 horizontal M-110.01 x n/r n/r n/r n/r M-110.01 M-403.AP1
M-110.01
M-110.01 M-413.AP1
M-110.01
M-110.01 M-110.01 M-110.01 M-110.01 M-110.01
M-122 vertical x x M-122.AP1 M-122.AP1 M-122.AP1 M-122.AP1 x x x x x x x x x
M-126 horizontal M-105.AP M-105.AP x x x x n/r M-403.AP1 x M-413.AP1 n/r M-105.AP M-605.11 M-126.80 M-126.80
M-126 vertical M-125.90
+ M-105.AP
M-125.90
+ M-105.AP
x x x x M-125.90 M-403.AP1
M-125.90
x M-413.AP1
M-125.90
M-125.90 M-125.90 x x x
M-403, M-404 horizontal x x x x x x x n/r x x M-403.AP3 M-403.AP3 x M-403.AP1 M-403.AP1
M-403, M-404 vertical x x x x x x x M-403.AP2 x x x x x x x
M-406 horizontal x x x x x x x x M-592.00 x x M-400.AP x x x
M-406 vertical x x x x x x x x n/r x x M-592.00 x M-490.MS M-490.MS
M-413, M-414, M-417 horizontal x x x x x x x x x n/r M-403.AP3 M-403.AP3 x M-413.AP1 M-413.AP1
M-413, M-414, M-417 vertical x x x x x x x x x M-413.AP2 x x x x x
M-511, M-521, M-531 horizontal x x x x x x x x x x x n/r x M-590.00 M-590.00
M-511, M-521, M-531 vertical x x x x x x x x x x x M-592.10 x x x
M-605 horizontal x x x x x x x x M-110.01 x x M-110.01 n/r M-110.01 M-110.01
M-605 vertical x x x x x x x x x x x x x x x

n/r.: no adapter required;
x: combination not possible;
* For M-061/M-062 no combinations
possible
** Versions with DC-Mike Drive
require angle bracket
M-053.20
PI Standard
Hole Pattern, dimensions
in mm. The dashed lines
show the pattern of the
60 x 60 mm stages
Bottom M-060* M-105,
M-106
M-110 M -111 M-112 M-122 M-126 M-403,
M-404
M-406 M-413, M-414,
M-417
M-451 M-511, M-521,
M-531
M-605 M6 / 25 mm 1/4-20/1“
Orientation
M-060* horizontal x x x x x x x M-403.AP1
+ M-06x.HP
x M-413.AP1
+ M-06x.HP
M-06x.HP M-06x.HP x M-06x.HP M-06x.HP
M-060* vertical x x x x x x x x x x x x x x x
M-105, M-106 horizontal M-105.AP n/r x x x x M-105.AP M-403.AP1
+ M-105.AP
M-105.AP M-413.AP1
+ M-105.AP
M-105.AP M-105.AP M-605.11 M-105.HP/
M-105.HP1
M-105.HP/
M-105.HP1
M-105, M-106 vertical M-009.30
+ M-009.10
M-009.10
M-105.VB1
x x x x M-009.30
+ M-009.10
x M-009.30
+ M-009.10
x x x x x x
M-110 horizontal M-110.01 x n/r n/r n/r n/r M-110.01 M-403.AP1
M-110.01
M-110.01 M-413.AP1
M-110.01
M-110.01 M-110.01 M-110.01 M-110.01 M-110.01
M-110 vertical x x M-110.02 M-110.02 M-110.02 M-110.02 x x x x x x x x x
M - 111 horizontal M-110.01 x n/r n/r n/r n/r M-110.01 M-403.AP1
M-110.01
M-110.01 M-413.AP1
M-110.01
M-110.01 M-110.01 M-110.01 M-110.01 M-110.01
M - 111 vertical x x M-110.03 M-110.03 M-110.03 M-110.03 x x x x x x x x x
M-112 horizontal M-110.01 x n/r n/r n/r n/r M-110.01 M-403.AP1
M-110.01
M-110.01 M-413.AP1
M-110.01
M-110.01 M-110.01 M-110.01 M-110.01 M-110.01
M-112 vertical x x M-110.04 M-110.04 M-110.04 M-110.04 x x x x x x x x x
M-116 horizontal x x n/r n/r n/r n/r M-110.01 M-403.AP1
M-110.01
M-110.01 M-413.AP1
M-110.01
M-110.01 M-110.01 M-110.01 M-110.01 M-110.01
M-116 vertical x x x x x x x x x x x x x x x
M-122 horizontal M-110.01 x n/r n/r n/r n/r M-110.01 M-403.AP1
M-110.01
M-110.01 M-413.AP1
M-110.01
M-110.01 M-110.01 M-110.01 M-110.01 M-110.01
M-122 vertical x x M-122.AP1 M-122.AP1 M-122.AP1 M-122.AP1 x x x x x x x x x
M-126 horizontal M-105.AP M-105.AP x x x x n/r M-403.AP1 x M-413.AP1 n/r M-105.AP M-605.11 M-126.80 M-126.80
M-126 vertical M-125.90
+ M-105.AP
M-125.90
+ M-105.AP
x x x x M-125.90 M-403.AP1
M-125.90
x M-413.AP1
M-125.90
M-125.90 M-125.90 x x x
M-403, M-404 horizontal x x x x x x x n/r x x M-403.AP3 M-403.AP3 x M-403.AP1 M-403.AP1
M-403, M-404 vertical x x x x x x x M-403.AP2 x x x x x x x
M-406 horizontal x x x x x x x x M-592.00 x x M-400.AP x x x
M-406 vertical x x x x x x x x n/r x x M-592.00 x M-490.MS M-490.MS
M-413, M-414, M-417 horizontal x x x x x x x x x n/r M-403.AP3 M-403.AP3 x M-413.AP1 M-413.AP1
M-413, M-414, M-417 vertical x x x x x x x x x M-413.AP2 x x x x x
M-511, M-521, M-531 horizontal x x x x x x x x x x x n/r x M-590.00 M-590.00
M-511, M-521, M-531 vertical x x x x x x x x x x x M-592.10 x x x
M-605 horizontal x x x x x x x x M-110.01 x x M-110.01 n/r M-110.01 M-110.01
M-605 vertical x x x x x x x x x x x x x x x

© Physik Instrumente (PI) GmbH & Co. KG 2008. Subject to change without notice. All data are superseded by any new release.
The newest release for data sheets is available for download at www.pi.ws. Cat120E Inspirations2009 08/10.18
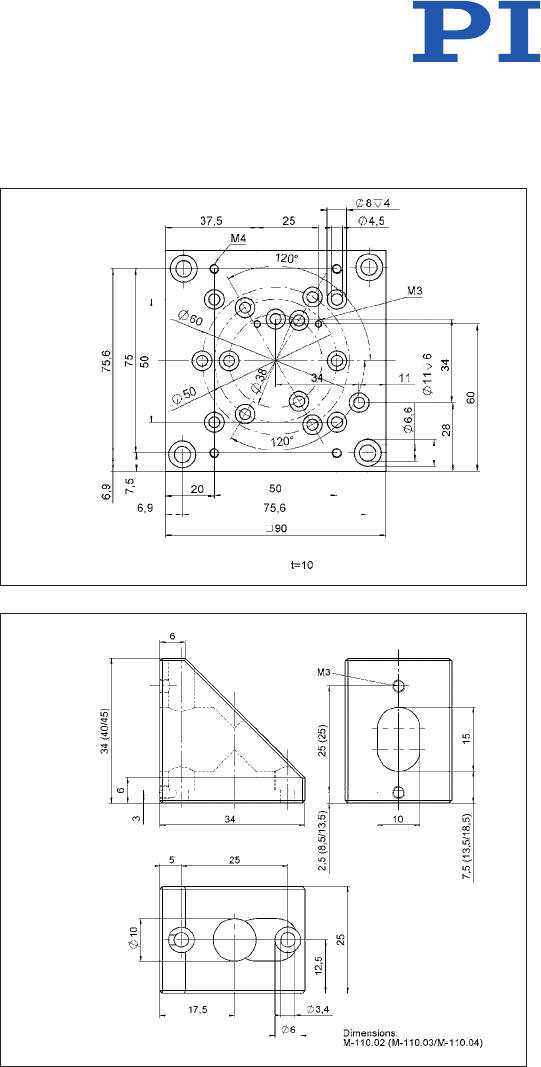
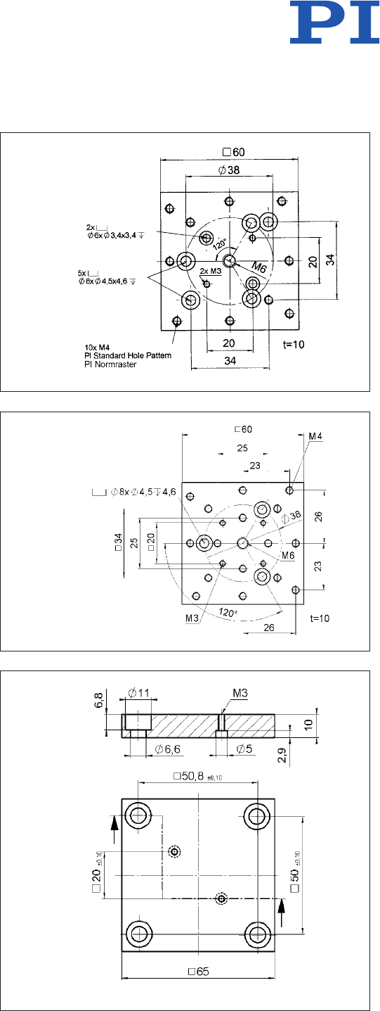
M-110.01
Adapter plate for mounting of
M-110 and M-111 (F-130) and
M-605 series stages on honey-
comb tables (metric & impe-
rial).
Material: Al
M-110.02, M-110.03, M-110.04
Z-axis mounting bracket
for vertical mount of M-110
(M-110.02), M-111 (M-110.03)
and M-112 (M-110.04) series
stages on M-110, M-111 and
M-112 series stages.
Material: Al
Mounting Adapters for M-110, M-111, M-112 Stages
Accessories
M-110.01 dimensions in mm
M-110.02, M-110.03 dimensions in mm

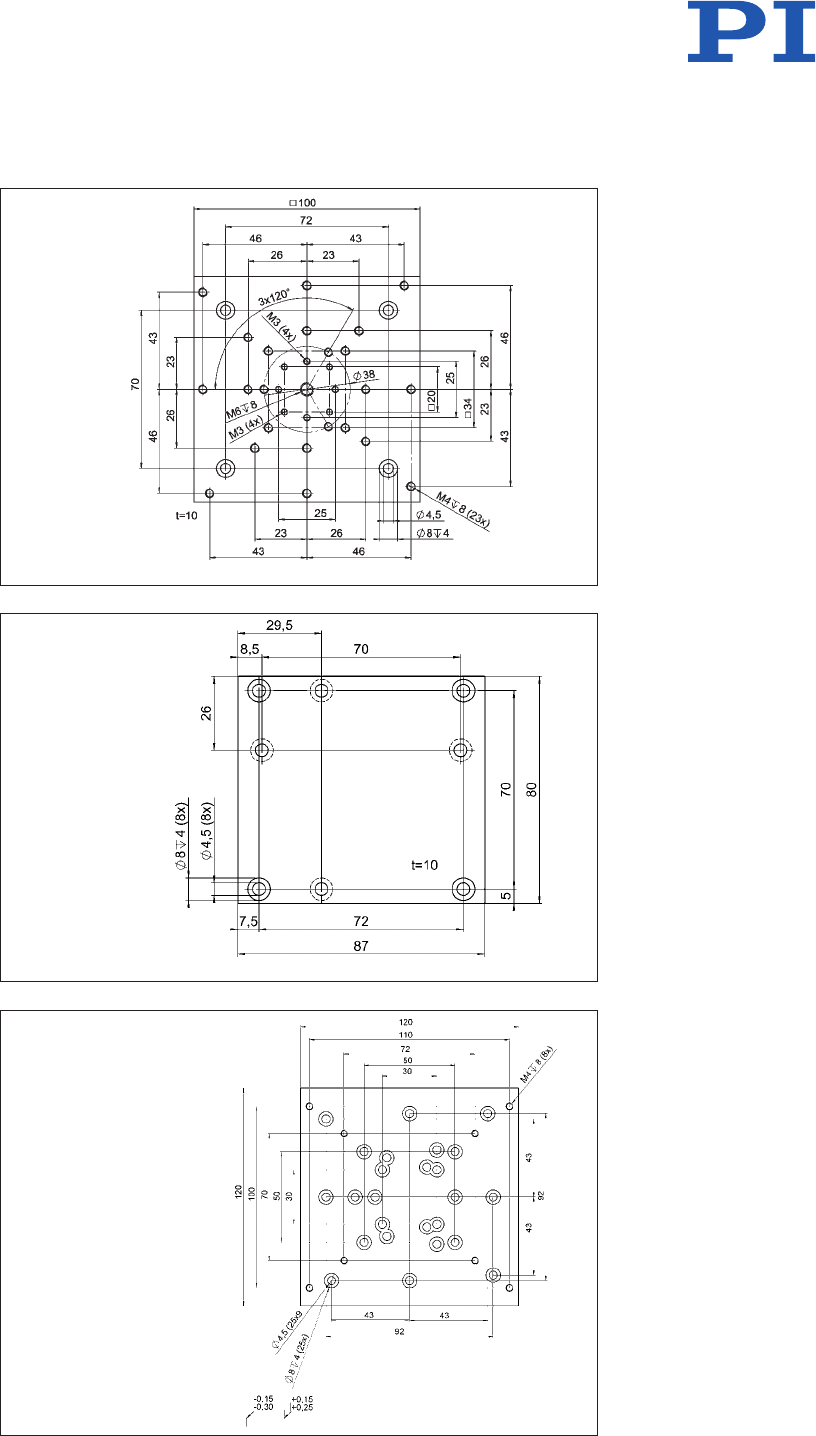
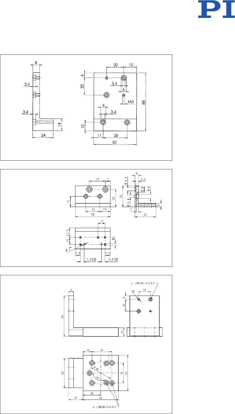
M-122.AP1
Mounting bracket for vertical
mount of M-122 on M-110,
M-111, M-112 and M-122
stages.
Material: Al
M-122.AV1
Z-axis mounting bracket for
vertical mount of M-122 stages.
Material: Al
M-122.AV1 dimensions in mm
Mounting Adapters for M-122 Stages
M-122.AP1 dimensions in mm

© Physik Instrumente (PI) GmbH & Co. KG 2008. Subject to change without notice. All data are superseded by any new release.
The newest release for data sheets is available for download at www.pi.ws. Cat120E Inspirations2009 08/10.18
M-400.AP
Adapter plate for mounting
stages w/o PI standard hole
pattern (e.g. M-405, M-410 and
M-415) on stages with PI stan-
dard hole pattern and vice
versa.
Material: Al; Mass: 0.25 kg
M-490.MS
Set of two for mounting M-405,
M-410 and M-415 stages on
honeycomb table tops etc.
(metric and imperial).
Material: Al; Mass: 0.4 kg
B-094.00
Adapter plate for mounting
several translation stages and
rotary stages on honeycomb
tables (M 6 on 25�mm spacing).
Material: Al
Accessories
M-490.MS dimensions in mm
Mounting Adapters for Honeycomb Tables and M-405, M-410 and M-415 Stages
M-400.AP dimensions in mm
B-094.00 dimensions in mm

Mounting Adapters for M-405, M-410, M-415, M-511, M-521 and M-531 Stages
M-592.00
Z-axis mounting bracket for
vertical mount of M-405,
M-410 and M-415 stages.
Material: Al; Mass: 1.1 kg
M-590.00
Three-point support set for
mounting M-511, M-521 and
M-531 stages on honeycomb
table tops etc. (metric and
imperial).
Material: Al; Mass: 0.4 kg
M-592.10
Z-axis mounting bracket for
vertical mount of M-511, M-521
and M-531 stages.
Material: Al; Mass: 1.5 kg
M-592.00 dimensions in mm
M-590.00 dimensions in mm
M-592.10 dimensions in mm

© Physik Instrumente (PI) GmbH & Co. KG 2008. Subject to change without notice. All data are superseded by any new release.
The newest release for data sheets is available for download at www.pi.ws. Cat120E Inspirations2009 08/10.18
M-500.206
Adapter plate for mounting
F-206 MicroMotion Robots on
M-511, M-521 and M-531 trans-
lation stages.
Material: Al
M-500.206 dimensions in mm
Accessories
Mounting Adapters for M-511, M-521 and M-531 Stages

M-403.AP1
Adapter plate for horizontal
mount of stages with PI stan-
dard hole pattern and vertical
mount of rotation stages on
M-403/M-404 stages.
Material: Al
M-403.AP2
Adapter bracket for vertical
mount of M-403/M-404 on
M-403/M-404 stages.
Material: Al
M-403.AP3
Adapter plate for mount on PI
standard hole pattern and hori-
zontal mount of M-403/404 on
M-413/M-414, M-451, M-505
and M-511/521/531 stages.
Material: Al
M-403.AP1 dimensions in mm
Mounting Adapters for M-403 / M-404 Stages
M-403.AP2 dimensions in mm
M-403.AP3 dimensions in mm

© Physik Instrumente (PI) GmbH & Co. KG 2008. Subject to change without notice. All data are superseded by any new release.
The newest release for data sheets is available for download at www.pi.ws. Cat120E Inspirations2009 08/10.18
Accessories
Mounting Adapters for M-413 / M-414 Stages
M-413.AP1
Adapter plate for horizontal
mount of stages with PI stan-
dard hole pattern and vertical
mount of rotation stages on
M-413/M-414 stages.
Material: Al
M-413.AP2
Adapter bracket for vertical
mount of M-413/M-414 on
M-413/M-414 stages.
Material: Al
M-413.AP1 dimensions in mm
M-413.AP2 dimensions in mm

M-125.90
Z-axis mounting bracket for
vertical mount of M-126 stages.
Material: Al; Weight: 0.68 kg
M-126.80
Adapter plate for mounting
M-126 stages on honeycomb
tables (metric & imperial).
Material: Al
M-105.NC
Mounting bracket for mount-
ing P-611 NanoCube® NanoPo si-
tioning stages on M-105, M-110
and M-111 stages. Can be com-
bined with B-082.10 adapter
plate for adaptation to other PI
translation stages.
Material: Al
M-125.90 dimensions in mm
Mounting Adapters for M-126 and M-105 Stages
B-126.80 dimensions in mm
M-105.NC dimensions in mm

© Physik Instrumente (PI) GmbH & Co. KG 2008. Subject to change without notice. All data are superseded by any new release.
The newest release for data sheets is available for download at www.pi.ws. Cat120E Inspirations2009 08/10.18
M-105.AP
Adapter plate for mounting
stages w/o PI standard hole
pattern (M-105/M-106, M-126
etc.) on stages with PI standard
hole pattern and vice versa.
Material: Al, Weight: 0.09 kg
B-082.10
Adapter plate for horizontal
mount of M-105/M-106 stages
on stages with PI standard hole
pattern (e.g. M-011, M-014).
Material: Al, Weight: 0.14 kg
M-105.HP
Adapter plate. For mounting
M-105 stages (and F-110) on
honeycomb tables (metric &
imperial).
Material: Al
M-105.AP dimensions in mm
Mounting Adapters for M-105 / M-106 and M-126 Stages
B-082.10 dimensions in mm
M-105.HP dimensions in mm
Accessories

Mounting Adapters for M-105 / M-106 Stages
M-009.10
Z-axis mounting bracket for
vertical mount of M-105/106
stages on M-105/106 stages
(attaches to side of M-105).
Material: Al; Weight: 0.1 kg
M-009.20
Mounting bracket for mounting
P-280 PZT block actuators or
F-010 fiber holders on vertically
mounted M-105 / M-106 stages.
Material: Al; Weight: 0.04 kg
M-009.30
Z-axis adapter plate for vertical
mount of M-105/6 stages on
stages with PI Standard Hole
Pattern (requires M-009.10)
Material: Al; Weight: 0.14 kg
M-009.10 dimensions in mm
M-009.20 dimensions in mm
M-009.30 dimensions in mm

© Physik Instrumente (PI) GmbH & Co. KG 2008. Subject to change without notice. All data are superseded by any new release.
The newest release for data sheets is available for download at www.pi.ws. Cat120E Inspirations2009 08/10.18
Mounting Adapters for M-105 Stages
M-105.HP1 dimensions in mm
M-105.HP1
Adapter plate. For mounting
M-105 stages (and F-110) on
honeycomb tables (metric &
imperial).
Material: Al
M-105.MB
Mounting bracket for mounting
accessories (e.g. F-603 objec-
tive holders) on M-105 stages.
Material: AL; Mass: 1.46 kg
M-105.VB1
Z-axis mounting bracket for
vertical mount of M-105/M-106
stages on M-105/M-106 stages
(attaches to top of M-105).
Material: Al; Mass: 0.39 kg
Accessories
M-105.MB dimensions in mm
M-105.VB1 dimensions in mm

M-087.10
Adapter plate for horizontal
mounting of translation stages
(e. g. M-105) on M-035 and
M-037 rotation stages.
Material: Al; Mass: 0.07 kg
M-052.40
Z-axis mounting bracket for
vertical mount of M-011, M-035,
M-037 and M-041/42 on M-035
and M-037 rotation stages.
Material: Al; Mass: 0.19 kg
M-088.10
Adapter plate for horizontal
mounting of translation stages
on M-036 rotation stage.
Material: Al; Mass: 0.2 kg
Mounting Adapters for M-037, M-038 Rotation Stages
M-087.10 dimensions in mm
M-052.40 dimensions in mm
M-088.10 dimensions in mm

© Physik Instrumente (PI) GmbH & Co. KG 2008. Subject to change without notice. All data are superseded by any new release.
The newest release for data sheets is available for download at www.pi.ws. Cat120E Inspirations2009 08/10.18
Mounting Adapters for M-037, M-038 Rotation Stages
M-053.40
Z-axis mounting bracket for
vertical mount of M-014 (manu-
al versions), M-036, M-038 and
M-043/M-044 on M-036 and
M-038 rotation stages.
Material: Al; Mass: 0.5 kg
M-053.40 dimensions in mm
Accessories

M-060.HP
Adapter plate for horizontal
mount of M-06x stages on
M-035, M-036, M-060, M-451,
M-505 and M-5x1 stages.
Material: Al
M-061.HP
Adapter plate for horizontal
mount of M-06x stages on
M-035, M-036, M-038, M-060,
M-451, M-505 and M-5x1
stages.
Material: Al
M-062.HP
Adapter plate for horizontal
mount of M-06x stages on
M-035, M-036, M-038, M-060,
M-451, M-505 and M-5x1
stages.
Material: Al
Mounting Adapters for M-060, M-061 and M-062 Stages
M-061.HP dimensions in mm
M-062.HP dimensions in mm
M-060.HP dimensions in mm

© Physik Instrumente (PI) GmbH & Co. KG 2008. Subject to change without notice. All data are superseded by any new release.
The newest release for data sheets is available for download at www.pi.ws. Cat120E Inspirations2009 08/10.18
M-052.00
Z-axis mounting bracket
for vertical mount of M-011,
M-035, M-037 and M-041/42 on
stages with PI standard hole
pattern.
Material: Al; Mass: 0.22 kg
M-052.30
Z-axis mounting bracket (later-
ally extended M-052.00) for ver-
tical mount of M-011,
M-035, M-037 and M-041/42 on
stages with PI standard hole
pattern.
Material: Al; Mass: 0.4 kg
M-052.30 dimensions in mm
M-052.00 dimensions in mm
Mounting Brackets for M-011, M-035, M-037, M-041, M-042 Stages
Accessories

Mounting Brackets for M-014, M-036, M-043, M-044 Stages
M-053.10
Z-axis mounting bracket
for vertical mount of M-014
(non-motorized), M-036 and
M-043/44 on stages with PI
standard hole pattern.
Material: Al; Mass: 0.6 kg
M-053.20
Z-axis mounting bracket (verti-
cally extended M-053.10)
for vertical mount of M-014
(motorized), M-036 and
M-043/44 on stages with PI
standard hole pattern.
Material: Al; Mass: 0.7 kg
M-053.30
Z-axis mounting bracket (later-
ally extended M-053.10) for ver-
tical mount of M-014
(non-motorized), M-036 and
M-043/44 on stages with PI
standard hole pattern.
Material: Al; Mass: 0.7 kg
M-053.10 dimensions in mm
M-053.20 dimensions in mm
M-053.30 dimensions in mm