Physik Instrumente Datasheet PRS 200 CN
PRS-200_Datasheet_CN PRS-200 Precision Rotation Stage
User Manual: Physik Instrumente PRS-200 Precision Rotation Stage
Open the PDF directly: View PDF
.
Page Count: 8

09.05.2017
PRS-200
精密旋转台
大孔径,高运动精度
参考级转台
带高齿轮速比的蜗杆传动用于精密定位。带预载再循环滚珠轴承带来优异的平面度和同心度。大孔径
,直径为120毫米。两个可调限位开关。
版本
− 电机轴上带旋转编码器的直流伺服电机
− 步进电机
− 可选:高分辨率光学角度测量系统用于直接位置测量
− 可按需提供真空版本
可选:运动精度和定位精度测量
可按需提供用于摆动、轴向和径向蠕变的单独测量协议。请下单时标明。
相关和兼容产品
兼容电子元件
SMC Hydra 运动控制器
相关产品
L-611 精密旋转台
无限行程
重复精度达0.0003
负载能力达50千克
可选:带角度测量系统的直接位置测量

09.05.2017
M-060 • M-061 • M-062 精密旋转台
规格
6449911xxx
6449921xxx
64499xx1xx
单位
公差
带直流电机
带步进电机
带角度测量系统
主动轴
旋转
旋转
运动和定位
旋转范围
>360
>360
°
设计分辨率
1.75 (0.0001)
175
(
0.01
)
全步)
1.33 (0.000076271)
微弧度
(
°
)
最小位移
17.5 (0.001)
17.5 (0.001)
5.24 (0.0003)
微弧度
(
°
)
典型值
空回
35 (0.002)
35 (0.002)
-
微弧度
(
°
)
典型值
单向重复精度
175 (0.002)
175 (0.002)
5.24 (0.0003)
微弧度
(°)
典型值
双向重复性
_
_
±8.72 (±0.0005)
微弧度
(
°
)
摆动(轴承)
±17.5 (±0.001)
±17.5 (±0.001)
微弧度
(
°
)
平面度(轴承)
±1
±1
微米
同心度(轴承)
±2.5
±2.5
微米
速度
75
35
度
/
秒
最大
机械特性
蜗轮速比
180:1
180:1
负载能力
/
轴向力
500
500
牛
最大
θ
X、
θ
Y向上的允许力矩
Mx
60
60
牛米
最大
θ
Z向上的允许力矩
M
z
4
4
牛米
最大
平台的倾斜刚性
k
α
10
10
微弧度
/
牛
米
最大
驱动特性
电机类型
直流电机
两相步进电机
*
工作电压
48
伏

09.05.2017
6449911xxx
6449921xxx
64499xx1xx
单位
公差
电机功率
157
瓦
限位开关
2×
霍尔效应
2×
霍尔效应
其他
工作温度范围
-20
到
65
-20
到
65
°C
材料
铝,阳极氧化致黑
,不锈钢,红铜
铝,阳极氧化致黑
,不锈钢,红铜
质量
8
8
+0.7
千克
±5%
推荐控制器/驱动器
SMC
Hydra
(双通道)
SMC
Hydra
(双通道)
*最大为2安/相;200步/转
真空版本的规格可能会有所不同。
电机和传感器的连接电缆不包含在发货范围内,必须单独下单采购。

09.05.2017
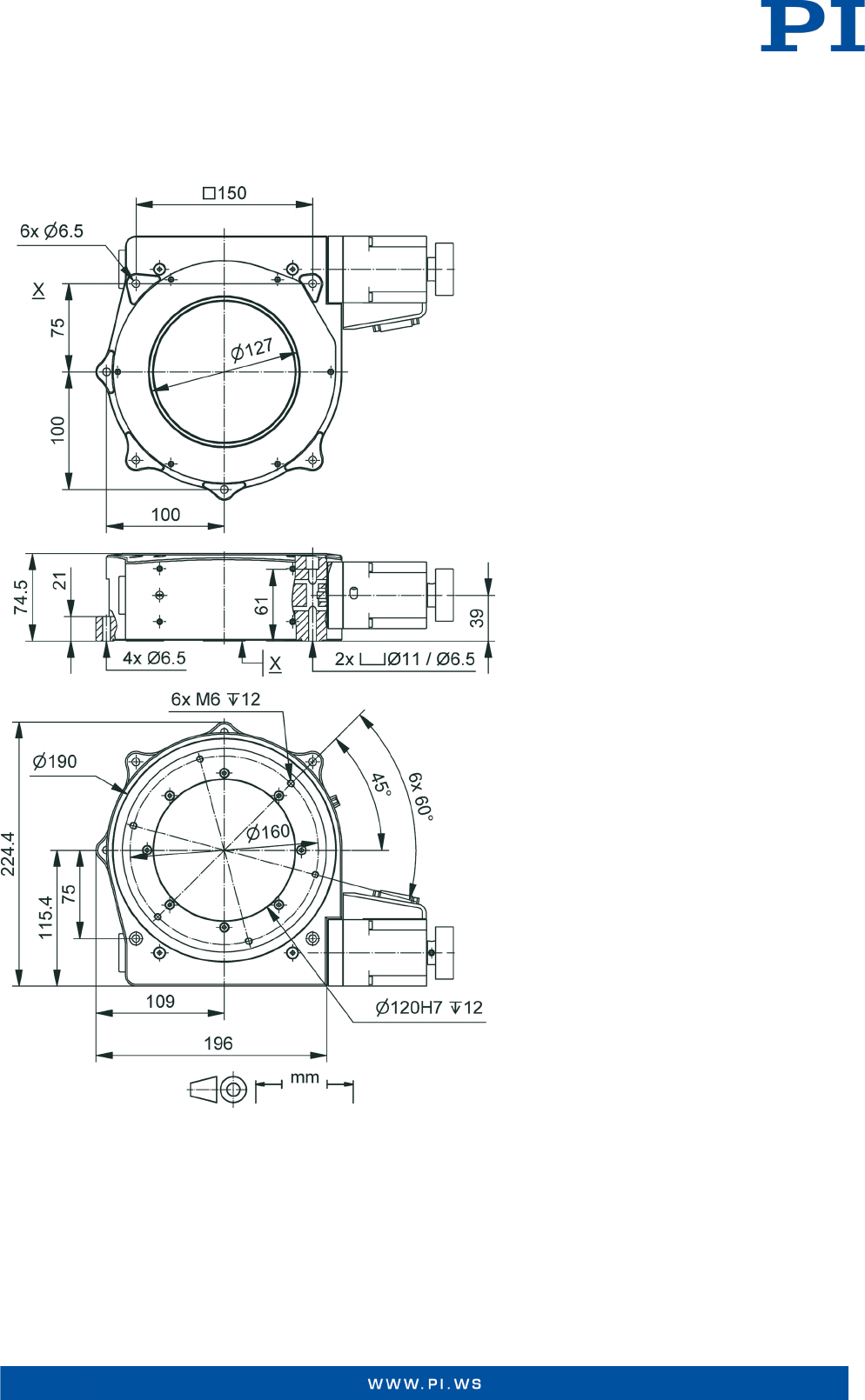
图纸和图片
PRS-200
精密转台,尺寸单位为毫米

09.05.2017
PRS-200
精密转台,与角度测量系统连接
PRS-200
精密转台,直流电机,尺寸单位为毫米

09.05.2017
PRS-200
精密转台,步进电机,尺寸单位为毫米

09.05.2017
转台的轴和力矩方向

09.05.2017
订购信息
6449911011
PRS-200精密转台,孔径为120毫米,直流电机,旋转范围>360度,可调磁性限位开关
6449911111
PRS-
200精密转台,孔径为120毫米,直流电机,旋转范围>360度,带A/B正交信号传输的Winkelmess
system,可调磁性限位开关
6449921011
PRS-200精密转台,孔径为120毫米,步进电机,旋转范围>360度,可调磁性限位开关
6449921111
PRS-
200精密转台,孔径为120毫米,步进电机,旋转范围>360度,带正弦/余弦信号传输的Winkelme
sssystem,可调磁性限位开关
若需配件,请下单时标明
720090000
平台与步进电机的连接电缆,3米
720190000
平台与直流电机的连接电缆,3米
721090000
平台与测量系统连接的整套电缆,3米