Pioneer Car Video System Avx P7300Dvd Users Manual CRD3479 A
If not then 49815crd3479a_200111271120441770 Manual: ://www.pioneerelectronics.com/pio/pe/vgn/images/portal/cit_11221/49815crd3479a_200111271120441770
avxp7300dvd1 5e14c7f2-2b2b-46fd-b742-9d87476014ff Pioneer Car Video System AVX-P7300DVD User Guide |
2015-01-26
: Pioneer Pioneer-Car-Video-System-Avx-P7300Dvd-Users-Manual-333583 pioneer-car-video-system-avx-p7300dvd-users-manual-333583 pioneer pdf
Open the PDF directly: View PDF
.
Page Count: 8

INSTALLATION MANUAL
MANUEL D’INSTALLATION
<KYMFF/01D00000>
AVX-P7300DVD
Printed in Japan
Imprimé au Japon
<CRD3479-A> UC
Connecting the Units <ENGLISH>
Note:
• This unit is for vehicles with a 12-volt battery and
negative grounding. Before installing it in a recre-
ational vehicle, truck, or bus, check the battery
voltage.
• To avoid shorts in the electrical system, be sure to
disconnect the ≠battery cable before beginning
installation.
• Refer to the owner’s manual for details on
connecting the power amp and other units, then
make connections correctly.
• Secure the wiring with cable clamps or adhesive
tape. To protect the wiring, wrap adhesive tape
around them where they lie against metal parts.
• Route and secure all wiring so it cannot touch any
moving parts, such as the gear shift, handbrake and
seat rails. Do not route wiring in places that get
hot, such as near the heater outlet. If the insulation
of the wiring melts or gets torn, there is a danger of
the wiring short-circuiting to the vehicle body.
• Don’t pass the yellow lead through a hole into the
engine compartment to connect to the battery. This
will damage the lead insulation and cause a very
dangerous short.
• Do not shorten any leads. If you do, the protection
circuit may fail to work when it should.
• Never feed power to other equipment by cutting
the insulation of the power supply lead of the unit
and tapping into the lead. The current capacity of
the lead will be exceeded, causing overheating.
• When replacing fuse, be sure to use only fuse of
the rating prescribed on the fuse holder.
• If the RCA pin jack on the unit will not be used, do
not remove the caps attached to the end of the con-
nector.
• To prevent incorrect connection, the input side of
the IP-BUS connector is blue, and the output side
is black. Connect the connectors of the same
colors correctly.
• If this unit is installed in a vehicle that does not
have an ACC (accessory) position on the ignition
switch, the red lead of the unit should be connected
to a terminal coupled with ignition switch ON/OFF
operations. If this is not done, the vehicle battery
may be drained when you are away from the vehi-
cle for several hours. (Fig.1)
Fig. 1
No ACC positionACC position
O
N
S
T
A
R
T
O
F
F
A
C
C
O
N
S
T
A
R
T
O
F
F
This product conforms to CEMA cord colors.
Le code de couleur des câbles utilisé pour ce produit est
conforme à CEMA.
• Cords for this product and those for other products
may be different colors even if they have the same
function. When connecting this product to another
product, refer to the supplied Installation manuals
of both products and connect cords that have the
same function.
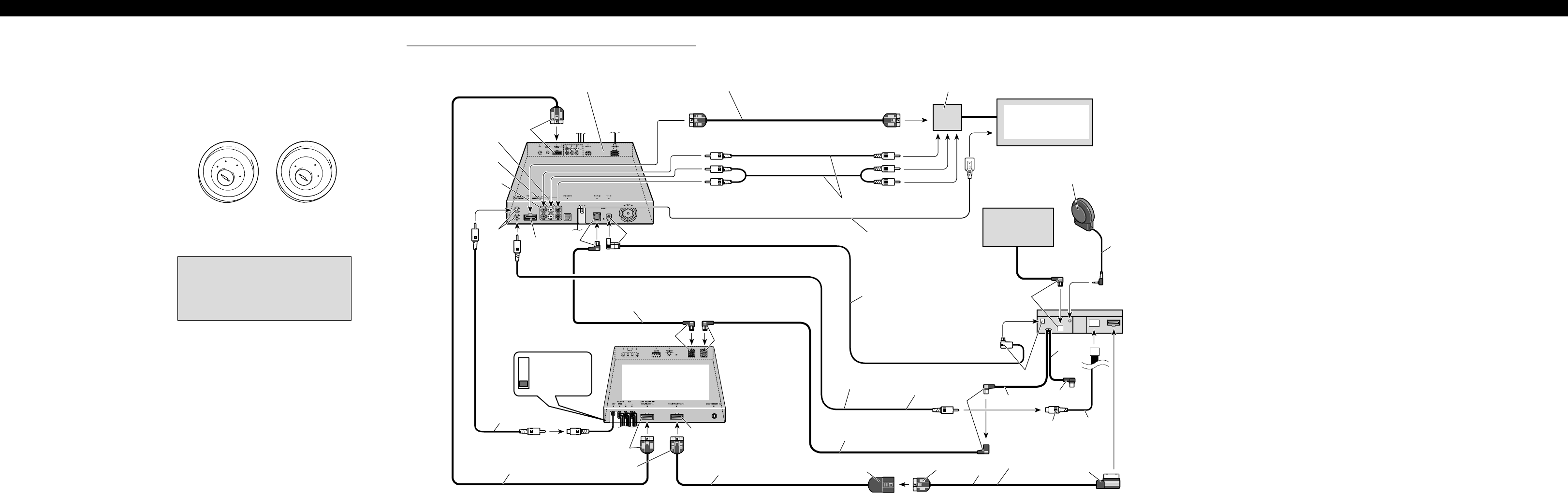
Multi-CD player
(sold separately)
Hide-away TV Tuner
(e.g. GEX-P7000TV)
(sold separately)
Multi-Channel AV
Master Unit (e.g. AVM-P9000R)
(sold separately)
Green
Gray Green
RCA cable (supplied)
RCA cable
(sold separately)
Blue
Yellow
IP-BUS cable (supplied with the
Multi-Channel AV Master Unit)
Optical cable
(supplied with the Multi-
Channel AV Master Unit)
6m
20 pin cable
(supplied with the TV tuner)
IP-BUS cable
(supplied with the TV tuner)
Blue
Blue
Black
Red
Green
20 pin cable
(supplied)
FM MODULATOR
IP-BUS MAIN UNIT
IP-BUS AV MASTER
Blue
Red
Connection box
(supplied with the DVD
Navigation Unit)
RCA cables (sold separately)
Green
Red
To audio outputs
To video output
RGB cable
(supplied with the Multi-
Channel AV Master Unit)
Red
Yellow
White (Left)
Red (Right)
AV cable
(supplied with the
Multi-Channel AV
Master Unit)
40 cm
40 cm
3m
Yellow
(AVM OUTPUT)
Not used.
Voice guidance speaker
(supplied)
DVD Navigation Unit
(e.g. AVIC-9DVD)
(sold separately)
This product
Black
3m
Yellow/black
To Yellow/black lead (GUIDE ON)
on the navigation unit.
Gray
16 cm
Blue
Fig. 2
When Connecting the Multi-Channel AV Master Unit

<ENGLISH>Connecting the Units
Multi-CD player
(sold separately)
IP-BUS-RCA-Interconnector
(CD-RB20) (sold separately)
Blue
Blue
20 pin cable
(supplied)
DVD Navigation Unit
(e.g. AVIC-9DVD)
(sold separately)
Connection box
(supplied with the DVD
Navigation Unit)
RCA cables
(sold separately)
To audio outputs
To video output
Head Unit
(sold separately)
Green
Red
3m
Not used.
40 cm
40 cm
Blue
Voice guidance speaker
(supplied)
Yellow
(VIDEO INPUT)
This product
3m
Red
RCA cables
(supplied)
16 cm
6m
When Connecting the Head Unit
Fig. 3 Fig. 4
When Using a Display Connected Rear Video Output
This product’s rear video output is for connection of a display to enable passengers in the
rear seats to watch the DVD or Video CD.
WARNING
• NEVER install the display in a location that enables the Driver to watch the DVD or
Video CD while Driving.
This product
Display with RCA
input jacks
RCA cable (supplied)
To audio inputs
To video input
RCA cable (sold separately)
Yellow (REAR
VIDEO OUTPUT)
White (audio output (Left))
Red (audio output (Right))
6m
16 cm
16 cm
16 cm
Light green
Used to detect the ON/OFF status of the parking brake.
This lead must be connected to the power supply side
of the parking brake switch.
Parking brake switch
Red
To electric terminal controlled by ignition
switch (12 V DC) ON/OFF.
Fuse resistor
Fuse holder
Black (ground)
To vehicle (metal) body.
Power supply side
Ground side
Connection method
2. Clamp firmly with
needle-nosed pliers.
Clamp the parking brake
switch power supply side
lead.
Note:
• The position of the parking brake switch depends
on the vehicle model. For details, consult the
vehicle Owner’s Manual or dealer.
This Product
1.
Yellow
To terminal always supplied with power
regardless of ignition switch position.
Yellow (rear video output)
(REAR VIDEO OUTPUT)
White (audio output (Left))
(REAR OUTPUT)
Red (audio output (Right))
(REAR OUTPUT)
Yellow (video input)
(VIDEO INPUT)
Yellow (AVM output)
(AVM OUTPUT)
16 cm
16 cm
16 cm
16 cm
16 cm
Connecting the Power Cord
Fig. 5

<ENGLISH>Installation
Note:
• Before finally installing the unit, connect the
wiring temporarily, making sure it is all connected
up properly, and the unit and the system work
properly.
• Use only the parts included with the unit to ensure
proper installation. The use of unauthorized parts
can cause malfunctions.
• Consult with your nearest dealer if installation
requires the drilling of holes or other modifications
of the vehicle.
• Install the unit where it does not get in the driver’s
way and cannot injure the passenger if there is a
sudden stop, like an emergency stop.
• Do not place the display in a position where it will
impede the driver’s visibility or affect the opera-
tion of your vehicle’s air bags.
• The semiconductor laser will be damaged if it
overheats, so don’t install the unit anywhere hot
— for instance, near a heater outlet.
• If installation angle exceeds 30° from horizontal,
the unit might not give its optimum performance.
(Fig. 6)
Fig. 6
30°
7When the installation space is not very deep
When installing in a shallow space, secure with side brackets (small). In this case, stick con-
ceal tape on parts that protrude from the dashboard.
Fig. 10
Holder
After inserting the holder into the dash-
board, then select the appropriate tabs
according to the thickness of the dash-
board material and bend them.
(Install as firmly as possible using the
top and bottom tabs. To secure, bend
the tabs 90 degrees.)
182
53 Rubber bush
Screw
Dashboard
Attach screw
Side bracket
(small)
Conceal tape
2. Install side brackets. (Fig. 8)
Fig. 8
3. Fastening the unit. (Fig. 9)
As a rule, secure with side brackets (large).
Fig. 9
Holder
After inserting the holder into the dash-
board, then select the appropriate tabs
according to the thickness of the dash-
board material and bend them.
(Install as firmly as possible using the
top and bottom tabs. To secure, bend
the tabs 90 degrees.)
182
53 Rubber bush
Screw
Dashboard
Side bracket
(large)
Attach screw
Flush surface screw (5 ×6 mm)
Side bracket
DIN Front/Rear-mount
This unit can be properly installed either from “Front” (conventional DIN Front-mount) or
“Rear” (DIN Rear-mount installation, utilizing threaded screw holes at the sides of unit
chassis). For details, refer to the following illustrated installation methods.
DIN Front-mount
Installation with the rubber bush
1. Remove the frame. (Fig. 7)
Fig. 7
Frame
Pull out to remove the frame.
(When reattaching the frame, point the
side with a groove downwards and
attach it.)
DIN Rear-mount
Installation using the screw holes on the side of the unit
1. Remove the frame. (Fig. 11)
Fig. 11
Frame
Pull out to remove the frame.
(When reattaching the frame, point the
side with a groove downwards and
attach it.)

Installation <ENGLISH>
Installing the Voice Guidance Speaker
Precaution:
•Do not install on the dashboard where it may be subjected to direct sunlight. High temperatures
may result in damage to the unit.
•Install within the transmission range of the remote control signal.
Stick the supplied velcro tapes to both the back of the voice guidance speaker and center
console, and attach them.
Fig. 14
Velcro tape
(rough surface)
Voice guidance speaker
Velcro tape
(soft surface)
2. Fastening the unit to the factory radio mounting bracket.
(Fig. 12) (Fig. 13)
Select a position where the screw holes of the bracket and the screw holes of this product
become aligned (are fitted), and tighten the screws at 2 places on each side. Use any of
binding screws (4 ×3 mm), binding screws (5 ×6 mm) or flush surface screws (5 ×6
mm), depending on the shape of the screw holes in the bracket.
*1 Use binding screws (4 ×3 mm) only.
Fig. 12
Fig. 13
11
13
12
*1*1
Screw
Dashboard or Console
Factory radio mounting bracket

Raccordements des appareils <FRANÇAIS>
Remarque:
•Cet appareil est destiné aux véhicules avec une
batterie de 12 V, avec pôle négatif à la masse.
Avant de l’installer dans un véhicule de loisir, un
camion ou un car, vérifier la tension de la batterie.
•Afin d’éviter tout risque de court-circuit,
débrancher le câble de la borne négative ≠de la
batterie avant de commencer la pose.
•Pour le raccordement des câbles de l’amplificateur
de puissance et des autres appareils, se reporter au
manuel de l’utilisateur et procéder comme il est
indiqué.
•Fixer les câbles au moyen de colliers ou de
morceaux de ruban adhésif. Pour protéger le
câblage, enrouler la bande adhésive autour des
câbles à l’endroit où ceux-ci sont placés contre les
parties métalliques.
•Acheminer et fixer tout le câblage de telle sorte
qu’il ne touche pas les pièces mobiles, comme le
levier de changement de vitesse, le frein à main et
les rails des sièges. Ne pas acheminer les câbles
dans des endroits qui peuvent devenir chauds,
comme près de la sortie de radiateur. Si l’isolation
des câbles fond ou est se déchire, il existe un
danger de court-circuit des câbles avec la
carrosserie du véhicule.
•Ne pas faire passer le conducteur jaune dans le
compartiment moteur par un trou pour le connecter
avec la batterie. Cela pourrait endommager sa gaine
d’isolation et provoquer un grave court-circuit.
•Ne pas court-circuiter les conducteurs. Dans le cas
contraire, le circuit de protection risque de ne pas
fonctionner.
•Ne jamais alimenter un autre appareil par un
branchement sur le câble d’alimentation de celui-ci.
Le courant qui circulerait dans ce conducteur
pourrait dépasser la capacité du conducteur et
entraîner une élévation anormale de température.
•Lors du remplacement du fusible, n’utiliser qu’un
fusible de même ampérage (il est indiqué sur le
porte-fusible).
•Si la prise RCA de l’appareil n’est pas utilisée, ne
retirez pas les capuchons que porte le connecteur.
•Pour éviter une connexion incorrecte, le côté entrée
du connecteur IP-BUS est bleu et même couleur
correctement.
•Si cette unité est installée dans un véhicule dont le
contacteur d’allumage n’a pas de position ACC
(accessoire), le fil rouge de l’unité doit être
connecté à une borne couplée aux opérations de
marche/arrêt du contacteur d’allumage. Sinon, la
batterie du véhicule peut se décharger lorsque le
véhicule n’est pas utilisé pendant plusieurs heures.
(Fig. 1)
Fig. 1
Aucune position ACCPosition ACC
O
N
S
T
A
R
T
O
F
F
A
C
C
O
N
S
T
A
R
T
O
F
F
•Les câbles de ce produit et ceux d’autres produits
peuvent fort bien ne pas être de la même couleur
bien que remplissant la même fonction. Pour relier
ce produit à un autre produit, utilisez le manuel
d’installation de chacun et effectuez les
raccordements en ne tenant compte que de la
fonction de chaque câble.
6m
FM MODULATOR
IP-BUS MAIN UNIT
IP-BUS AV MASTER
40 cm
40 cm
3m
3m
16 cm
Fig. 2
Lors du raccordement à l’usnité maîtresse audiovisuel multicanaux
Unité maîtresse audiovisuel
multicanaux
(par ex. AVM-P9000R)
(vendue séparément)
Câble RVB (fourni avec
l’unité maîtresse
audiovisuel multicanaux)
Vert
Rouge (droite)
Rouge
Blanc (gauche)
Jaune Rouge Bleu Bleu
Câble IP-BUS
(fourni avec le syntoniseur de télévision)
Rouge
Gris
Vert
Câble audio/vidéo
(fourni avec l’unité
maîtresse audiovisuel
multicanaux)
Câble à fiches Cinch (RCA)
(fourni)
Câble IP-BUS
(fourni avec l’unité maîtresse audiovisuel
multicanaux)
Gris Vert
Câble à 20 broches
(fourni)
Jaune
(AVM OUTPUT)
Rouge
Non utilisé.
Noir
Cet appareil
Bleu
Câble optique (fourni avec l’unité
maîtresse audiovisuel multicanaux)
Lecteur de CD à
chargeur (vendu
séparément)
Vert
Boîtier de raccordement
(fourni avec l’unité de
navigation DVD)
Unité de navigation DVD
(par ex. AVIC-9DVD)
(vendue séparément)
Haut-parleur de guide vocal
(fourni)
À la sortie vidéo
Aux sorties audio
Câbles cinch (RCA)
(vendus séparément)
Jaune/noir
Au fil jaune/noir (GUIDE ON)
de l’unité de navigation
Jaune
Câble à fiches Cinch
(RCA) (vendu séparément)
Câble à 20 broches
(fourni avec le syntoniseur de télévision)
Syntoniseur de télévision
déporté
(par ex. GEX-P7000TV)
(vendu séparément)
Noir Bleu
Bleu

<FRANÇAIS>Raccordements des appareils
3 m
40 cm
40 cm
3 m
16 cm
6 m
Lors du raccordement à l’élément central
Fig. 3
Vert
Rouge
Rouge
Bleu
Bleu
Bleu
Élément central
(vendu séparément)
Interconnecteur IP-BUS-RCA
(CD-RB20) (vendu séparément)
Cet appareil
Haut-parleur de guide vocal
(fourni)
Non utilisé.
Boîtier de raccordement
(fourni avec l’unité de
navigation DVD) Unité de navigation DVD
(par ex. AVIC-9DVD)
(vendue séparément)
À la sortie vidéo
Aux sorties audio
Câble à fiches Cinch
(RCA) (fourni)
Câble à 20 broches
(fourni)
Lecteur de CD à
chargeur (vendu
séparément)
Fig. 4
Lors de l’utilisation d’un écran raccordé à la sortie vidéo arrière
La sortie vidéo arrière de cet appareil est destinée à un écran placé de telle sorte que les
passagers arrière puissent regarder les images fournies par un DVD ou un Video CD.
AVERTISSEMENT
•Veillez à ce que l’écran NE SOIT PAS installé en un endroit tel que le conducteur
puisse observer les images fournies par le DVD ou le Video CD tout en conduisant.
6m
16 cm
16 cm
16 cm
Jaune (REAR VIDEO OUTPUT)
Rouge (sortie audio (droite))
Blanc (sortie audio (gauche))
Écran muni de prises
d’entrée Cinch (RCA)
Cet appareil
Câble à fiches Cinch
(RCA) (fourni)
Branchement du cordon d’alimentation
16 cm
16 cm
16 cm
16 cm
16 cm
Fig. 5
Rouge (sortie audio (droite))
(REAR OUTPUT)
Blanc (sortie audio (gauche))
(REAR OUTPUT)
Jaune (sortie vidéo arrière)
(REAR VIDEO OUTPUT)
Jaune (Sortie AVM)
(AVM OUTPUT)
Jaune (Entrée vidéo)
(VIDEO INPUT)
Rouge
Vers une borne dont l’alimentation est
commandée par la clé de contact (12 V CC).
Jaune
Vers une borne alimentée en permanence
indépendamment de la clé de contact.
Noir (masse)
Fil de masse vers un élément en métal
apparent de la voiture.
Résistance fusible
Porte-fusible
Cet appareil
S’éclaire de couleur verte
Utilisé pour détecter l’état ON/OFF du frein à main.
Ce conducteur doit être raccordé sur l’alimentation
du contacteur de frein à main.
Contacteur de
frein à main
Côté alimentation
Côté masse
Méthode de connexion
1. Immobilisez le fil d’ali-
mentation du contacteur
de frein à main.
2. Serrez fermement avec
une pince à mâchoires
pointues.
Remarque:
•La position du contacteur de frein à main dépend
du modèle de véhicule. Pour les détails, consultez
le manuel de l’utilisateur du véhicule ou un
concessionnaire.
Jaune
(VIDEO INPUT)
Câble à fiches Cinch (RCA)
(vendu séparément)
Câble à fiches Cinch (RCA)
(vendu séparément)
Vers l’entrée vidéo Vers les entrées audio

<FRANÇAIS>Installation
Remarque:
•Avant de finaliser l’installation de l’appareil,
connecter temporairement le câblage en s’assurant
que tout est correctement connecté et que
l’appareil et le système fonctionnement
correctement.
•Pour obtenir une bonne installation, n’utiliser que
les pièces de l’appareil. L’utilisation de pièces non
prévues risque de causer un mauvais
fonctionnement.
•Consulter le concessionnaire le plus proche si
l’installation nécessite le percement de trous ou
toute autre modification du véhicule.
•Installer l’appareil à un endroit où il ne gêne pas le
conducteur et où il ne peut pas blesser les
passagers en cas d’arrêt brusque, comme pendant
un arrêt d’urgence.
•Ne placez pas l’écran dans une position où il peut
gêner la visibilité du conducteur ou affecter le bon
fonctionnement des sacs gonflables de protection.
•Le laser semiconducteur sera endommagé en cas
de réchauffement excessif. Dans ce cas ne pas
installer l’appareil dans un endroit présentant une
température élevée, tel que sortie de chauffage.
•L’angle de l’installation, ne doit pas dépasser 30°
par rapport à l’horizontale, faute de quoi l’unité ne
fournira pas ses performances optimales. (Fig. 6)
Fig. 6
30°
Montage DIN avant/arrière
Cet appareil peut être convenable installé en choisissant soit la méthode habituelle de
montage par “l’avant” (montage DIN avant), soit la méthode de montage par “l’arrière”
(montage DIN arrière faisant appel aux perçages filetés de chaque côté du châssis). Pour de
plus amples détails concernant cette question, reportez-vous aux illustrations qui suivent.
Montage DIN avant
Installation avec une bague en caoutchouc
1. Déposez le cadre. (Fig. 7)
Fig. 7
Cadre
Tirez pour enlever le cadre. (Pour
remettre le cadre en place, dirigez le côté
avec la rainure vers le bas.)
2. Installez les supports latéraux. (Fig. 8)
Fig. 8
3. Fixez fermement l’appareil. (Fig. 9)
En règle générale, fixez d’abord le support latéral (grand).
Fig. 9
182
53
Tableau de bord
Support
Après avoir introduit le support dans le tableau
de bord, sélectíonnez les languettes
appropriées en fonction de l’épaisseur du
matériau du tableau de bord et courbez-les.
(Assurez le maintien aussi solidement que
possible en utilisant les languettes inférieures
et supérieures. Cela fait, courbez les languettes
de 90 degrés.)
Bague en caoutchouc
Vis
Vis de fixation
Support latéral
(grand)
7Lors de l’installation dans une cavité peu profonde
Lors de l’installation dans une cavité peu profonde, fixez avec les supports latéraux (petits).
Dans ce cas, collez du ruban adhésif de masquage sur les parties qui dépassent du tableau de
bord.
Fig. 10
182
53
Support latéral
(petit)
Ruban adhésif de masquage
Tableau de bord
Support
Après avoir introduit le support dans le tableau
de bord, sélectíonnez les languettes
appropriées en fonction de l’épaisseur du
matériau du tableau de bord et courbez-les.
(Assurez le maintien aussi solidement que
possible en utilisant les languettes inférieures
et supérieures. Cela fait, courbez les languettes
de 90 degrés.)
Vis
Vis de fixation
Bague en caoutchouc
Montage DIN arrière
Installation en utilisant les trous de vis sur les côtés de l’appareil
1. Enlever le cadre. (Fig. 11)
Fig. 11
Cadre
Tirez pour enlever le cadre. (Pour
remettre le cadre en place, dirigez le côté
avec la rainure vers le bas.)
Support latéral
Vis à tête affleurante
(5 ×6 mm)

Installation <FRANÇAIS>
2. Fixation de l’appareil au support de montage d’autoradio pourvu par l’usine.
(Fig. 12) (Fig. 13)
Choisissez une position telle que les perçages de vis du support soient en regard (face à face)
des perçages de vis de l’appareil puis mettez en place 2 vis de chaque côté de l’appareil.
Selon la forme du perçage du support, utilisez les vis de pression de 4 ×3 mm, les vis de
pression de 5 ×6 mm ou les vis à tête plate de 5 ×6 mm.
*1 N’utilisez que les vis de pression de 4 ×3 mm.
Fig. 12
Fig. 13
11
13
12
*1*1
Tableau de bord ou console
Support de montage d’autoradio usine
Vis
Installation du haut-parleur de guide vocal
Précaution:
•N’installez pas le capteur sur le tableau de bord où il peut être exposé à la lumière directe du soleil.
Les températures élevées peuvent endommager l’appareil.
•Installez le capteur dans la plage de transmission du signal de télécommande.
Collez la bande Velcro fournie à l’arrière du haut-parleur de guide vocal et sur la console
centrale, et attachez-les.
Fig. 14
Haut-parleur de guide vocal
Bande Velcro (surface rugueuse)
Bande Velcro (surface lisse)