Pioneer Dv 535 Users Manual RRV2316
DV-535 to the manual c42d1334-f805-4599-afa5-078fc5b416cc
2015-01-26
: Pioneer Pioneer-Dv-535-Users-Manual-334172 pioneer-dv-535-users-manual-334172 pioneer pdf
Open the PDF directly: View PDF
.
Page Count: 81

ORDER NO.
PIONEER CORPORATION 4-1, Meguro 1-chome, Meguro-ku, Tokyo 153-8654, Japan
PIONEER ELECTRONICS SERVICE, INC. P.O. Box 1760, Long Beach, CA 90801-1760, U.S.A.
PIONEER EUROPE NV Haven 1087, Keetberglaan 1, 9120 Melsele, Belgium
PIONEER ELECTRONICS ASIACENTRE PTE. LTD. 253 Alexandra Road, #04-01, Singapore 159936
PIONEER CORPORATION 2000
c
DV-535
RRV2316
T – ZZE JUNE 2000 Printed in Japan
DVD PLAYER
1. SAFETY INFORMATION ....................................... 2
2. EXPLODED VIEWS AND PARTS LIST ................. 4
3. BLOCK DIAGRAM AND SCHEMATIC DIAGRAM ... 10
4. PCB CONNECTION DIAGRAM ........................... 32
5. PCB PARTS LIST ................................................ 42
6. ADJUSTMENT..................................................... 46
CONTENTS 7. GENERAL INFORMATION ................................ 47
7.1 DIAGNOSIS .................................................. 47
7.1.1 SELF-DIAGNOSTIC FUNCTION OF
PICKUP DEFECTIVE ........................... 47
7.1.2 TEST POINTS LOCATION................... 48
7.1.3 TEST MODE SCREEN DISPLAY ........ 49
7.1.4 TROUBLE SHOOTING ........................ 53
7.1.5 ERROR CODE ..................................... 54
7.1.6 DISASSEMBLY .................................... 58
7.2 IC .................................................................. 61
8. PANEL FACILITIES AND SPECIFICATIONS .... 74
Type Power Requirement The voltage can be converted by
the following method.
Model
DV-535
THIS MANUAL IS APPLICABLE TO THE FOLLOWING MODEL(S) AND TYPE(S).
Region No.
WYXJ ‡AC220-240V 2 –––––––––––––
WYXJ/SP ‡AC220-240V 2 –––––––––––––
WVXJ ‡AC220-240V 2 –––––––––––––
WYXQ ‡AC220-240V 2 –––––––––––––
RDXJ/RB ‡AC110-127/220-240V 2 Automatic select
RDXJ/RD ‡AC110-127/220-240V 4 Automatic select
RDXJ1/RA ‡AC110-127/220-240V 1 Automatic select
DVD PLAYER
387¡
¢4
10
ÎA
POWER
–OFF -ON STANDBY

2
DV-535
1. SAFETY INFORMATION
This service manual is intended for qualified service technicians ; it is not meant for the casual do-it-
yourselfer. Qualified technicians have the necessary test equipment and tools, and have been trained
to properly and safely repair complex products such as those covered by this manual.
Improperly performed repairs can adversely affect the safety and reliability of the product and may
void the warranty. If you are not qualified to perform the repair of this product properly and safely, you
should not risk trying to do so and refer the repair to a qualified service technician.
WARNING
This product contains lead in solder and certain electrical parts contain chemicals which are known to the state of California to cause
cancer, birth defects or other reproductive harm. Health & Safety Code Section 25249.6 – Proposition 65
NOTICE
(FOR CANADIAN MODEL ONLY)
Fuse symbols (fast operating fuse) and/or (slow operating fuse) on PCB indicate that replacement parts must
be of identical designation.
REMARQUE
(POUR MODÈLE CANADIEN SEULEMENT)
Les symboles de fusible (fusible de type rapide) et/ou (fusible de type lent) sur CCI indiquent que les pièces
de remplacement doivent avoir la même désignation.
ANY MEASUREMENTS NOT WITHIN THE LIMITS
OUTLINED ABOVE ARE INDICATIVE OF A POTENTIAL
SHOCK HAZARD AND MUST BE CORRECTED BEFORE
RETURNING THE APPLIANCE TO THE CUSTOMER.
2. PRODUCT SAFETY NOTICE
Many electrical and mechanical parts in the appliance
have special safety related characteristics. These are
often not evident from visual inspection nor the protection
afforded by them necessarily can be obtained by using
replacement components rated for voltage, wattage, etc.
Replacement parts which have these special safety
characteristics are identified in this Service Manual.
Electrical components having such features are identified
by marking with a on the schematics and on the parts list
in this Service Manual.
The use of a substitute replacement component which does
not have the same safety characteristics as the PIONEER
recommended replacement one, shown in the parts list in
this Service Manual, may create shock, fire, or other hazards.
Product Safety is continuously under review and new
instructions are issued from time to time. For the latest
information, always consult the current PIONEER Service
Manual. A subscription to, or additional copies of, PIONEER
Service Manual may be obtained at a nominal charge from
PIONEER.
1. SAFETY PRECAUTIONS
The following check should be performed for the
continued protection of the customer and service
technician.
LEAKAGE CURRENT CHECK
Measure leakage current to a known earth ground (water
pipe, conduit, etc.) by connecting a leakage current tester
such as Simpson Model 229-2 or equivalent between the
earth ground and all exposed metal parts of the appliance
(input/output terminals, screwheads, metal overlays, control
shaft, etc.). Plug the AC line cord of the appliance directly
into a 120V AC 60Hz outlet and turn the AC power switch
on. Any current measured must not exceed 0.5mA.
(FOR USA MODEL ONLY)
Leakage
current
tester
Reading should
not be above
0.5mA
Device
under
test
Test all
exposed metal
surfaces
Also test with
plug reversed
(Using AC adapter
plug as required)
Earth
ground
AC Leakage Test

3
DV-535
WARNING!
THE AEL(ACCESSIBLE EMISSION LEVEL) OF THE LASER POWER OUTPUT IS LESS THAN CLASS 1
BUT THE LASER COMPONENT IS CAPABLE OF EMITTING RADIATION EXCEEDING THE LIMIT FOR
CLASS 1.
A SPECIALLY INSTRUCTED PERSON SHOULD DO SERVICING OPERATION OF THE APPARATUS.
LASER DIODE CHARACTERISTICS
FOR DVD : MAXIMUM OUTPUT POWER : 5 mW
WAVELENGTH : 655 nm
FOR CD : MAXIMUM OUTPUT POWER : 5mW
WAVELENGTH : 785 nm
(Printed on the Rear Panel)
WYXJ, WYXJ/SP, WVXJ and WYXQ types
LABEL CHECK
Additional Laser Caution
1. Inside detection switch (S201 on the SMEB assy) and loading-
status detection switch (S101 on the LOAB assy) are detected
by the microprocessor (IC11 in the DVDM assy).
• To permit the laser diode to oscillate, it is required to set the
inside detection switch for the inside position (S201 : ON) and to
set the loading-status detection switch for the clamp position (the
center terminal of S101 is shorted to +5V). The 650 nm laser
diode for DVD oscillation will continue if pin 19 of IC1 is shorted
to +5V (fault condition) in the DVDM assy.
The 780 nm laser diode for CD oscillates if pin 20 of IC1 is shorted
to +5V in the DVDM assy.
In the test mode ∗ , the laser diode oscillates when microproces-
sor detects a PLAY signal, or when the PLAY key is pressed
(S706 ON in the KEYB assy), with the above requirements satis-
fied.
2. When the cover is open, close viewing through the objective lens
with the naked eye will cause exposure to the laser beam.
∗ : See page 49.

DV-535
4
2.1 PACKING
2. EXPLODED VIEWS AND PARTS LIST
NOTES: • Parts marked by "NSP" are generally unavailable because they are not in our Master Spare Parts List.
• The mark found on some component parts indicates the importance of the safety factor of the part.
Therefore, when replacing, be sure to use parts of identical designation.
• Screws adjacent to mark on the product are used for disassembly.
FRONT
5
4
11
13
14
15
5
4
12
6
20
10
2
3
1
8
9
WYXJ, WVXJ, WYXQ
Types Only
WYXJ, WYXJ/SP, WYXQ
Types Only
WYXJ, WYXQ
Types Only
16
WYXJ, WYXQ
Types Only
17
RDXJ/RB, RDXJ/RD
RDXJ1/RA
Types Only
18
RDXJ/RB
Type Only
19
RDXJ/RD
Type Only
WVXJ Type Only
WVXJ Type Only
Except
WVXJ Type
Except WVXJ Type
25
24 1
7
Except
RDXJ/RB, RDXJ/RD
Types
21
WYXJ/SP
Type Only
22
23

DV-535
5
(1) PACKING PARTS LIST
Mark No. Description Part No. Mark No. Description Part No.
1 Power Cord See Contrast table (2)
2 Audio Cord (L = 1.5m) See Contrast table (2)
3 Video Cord (L = 1.5m) See Contrast table (2)
4 Remote Control Unit VXX2702
5 Battery Cover VNK4631
NSP 6 Dry Cell Battery (R6P, AA) See Contrast table (2)
7 Pad F VHA1238
8 Pad R VHA1239
9 Packing Case See Contrast table (2)
10 Mirror Mat Sheet Z23-007
(750 × 600 × 0.5)
NSP 11 Warranty Card See Contrast table (2)
12 Polyethylene Bag VHL1051
(0.03 × 200 × 300)
13 Operating Instructions See Contrast table (2)
(English/Italian)
14 Operating Instructions See Contrast table (2)
(Spanish/Portuguese)
15 Operating Instructions See Contrast table (2)
(Dutch/Swedish)
16 Operating Instructions See Contrast table (2)
(German/French)
17 Operating Instructions See Contrast table (2)
(English)
18 Operating Instructions See Contrast table (2)
(Arabian)
19 Operating Instructions See Contrast table (2)
(Spanish/Portuguese)
NSP 20 Polyethylene Bag See Contrast table (2)
NSP 21 Information List See Contrast table (2)
NSP 22 Service Phone List See Contrast table (2)
NSP 23 Connection Guide See Contrast table (2)
24 RCU Holder See Contrast table (2)
25 Cord Holder See Contrast table (2)
(2) CONTRAST TABLE
DV-535/WYXJ, WYXJ/SP, WVXJ, WYXQ, RDXJ/RB, RDXJ/RD and RDXJ1/RA are constructed the same except for the following :
Mark No. Symbol
and
Description
Part No.
WVXJ
Type RDXJ/RB
Type RDXJ/RD
Type
NSP
NSP
NSP
NSP
NSP
NSP
1
2
3
6
9
11
13
14
15
16
17
18
19
20
20
21
22
23
24
25
Power Cord
Audio Cord (L=1.5m)
Video Cord (L=1.5m)
Dry Cell Battery
(R6P, AA)
Packing Case
Warranty Card
Operating Instructions
(English/Italian)
Operating Instructions
(Spanish/Portuguese)
Operating Instructions
(Dutch/Swedish)
Operating Instructions
(German/French)
Operating Instructions
(English)
Operating Instructions
(Arabian)
Operating Instructions
(Spanish/Portuguese)
Polyethylene Bag
(0.03 × 200 × 300)
Polyethylene Bag
(0.03 × 230 × 340)
Information List
Service Phone List
Connection Guide
RCU Holder
Cord Holder
ADG1156
VDE1052
VDE1053
VEM-013
VHG1926
ARY7022
VRD1115
Not used
Not used
Not used
Not used
Not used
Not used
Not used
Z21-038
Not used
Not used
Not used
VHC1061
VHC1065
ADG1158
VDE1052
VDE1053
VEM-013
VHG1929
Not used
Not used
Not used
Not used
Not used
VRB1253
VRC1114
Not used
VHL1051
Not used
Not used
Not used
Not used
Not used
Not used
ADG1158
VDE1052
VDE1053
VEM-013
VHG1930
Not used
Not used
Not used
Not used
Not used
VRB1253
Not used
VRD1119
VHL1051
Not used
Not used
Not used
Not used
Not used
Not used
RDXJ1/RA
Type
ADG1158
VDE1052
VDE1053
VEM-013
VHG1928
ARY7025
Not used
Not used
Not used
Not used
VRB1253
Not used
Not used
VHL1051
Not used
Not used
Not used
Not used
Not used
Not used
WYXJ/SP
Type
XDG3001
VDE1052
VDE1053
VEM-013
VHG1927
ARY7022
Not used
VRD1116
Not used
Not used
Not used
Not used
Not used
Not used
Z21-038
VRR1043
VRR1044
VRR1042
Not used
Not used
WYXQ
Type
XDG3001
VDE1054
VDE1055
VEM1010
VHG1961
ARY7022
VRD1115
VRD1116
VRD1117
VRD1118
Not used
Not used
Not used
Not used
Z21-038
Not used
Not used
Not used
Not used
Not used
WYXJ
Type
XDG3001
VDE1052
VDE1053
VEM-013
VHG1925
ARY7022
VRD1115
VRD1116
VRD1117
VRD1118
Not used
Not used
Not used
Not used
Z21-038
Not used
Not used
Not used
Not used
Not used

DV-535
6
2.2 EXTERIOR SECTION
A
B
C
A
C
B
Refer to
"2.3 LOADING MECHANISM ASSY".
20
24
24
22
1
7
To LOAB Assy
CN101
5
2
8
623
22
22
22
22
22
22
21
27
21
25 21
21
21
21
4
3
12
21
13
14 16
17
19
26
15 9
10
11
8
28
WYXJ, WYXJ/SP, WVXJ
and WYXQ Types Only

DV-535
7
(1) EXTERIOR PARTS LIST
Mark No. Description Part No.
1 DVDM Assy See Contrast table (2)
NSP 2 PWSB Assy VWG2174
NSP 3 KEYB Assy VWG2176
4 FLJB Assy See Contrast table (2)
5 POWER SUPPLY Unit VWR1330 (∗1)
NSP 5 POWER SUPPLY Unit VWR1331 (∗1)
NSP 6 Loading Mechanism Assy VWT1174
7 Connector Assy PG03KK-E07
NSP 8 PCB Holder PNW2100
9 Insulator PNW2766
10 Foot Assy REC1263
NSP 11 Chassis VNA2160
12 Rear Panel See Contrast table (2)
13 Tray VNL1858
14 DVD Plate VAM1088
15 Pioneer Name Plate VAM1099
16 Tray Panel VNK4591
17 Front Panel Assy See Contrast table (2)
18 • • • • •
NSP 19 Pop Label See Contrast table (2)
20 Bonnet Case S VXX2651
21 Screw BBZ30P060FMC
22 Screw BBZ30P080FMC
23 Screw BBZ30P180FMC
24 Screw BCZ40P060FZK
25 Screw PPZ30P080FMC
26 FL Lens See Contrast table (2)
27 SCRB Assy See Contrast table (2)
28 Caution Label See Contrast table (2)
∗1 : As for POWER SUPPLY Unit, either VWR1330 or VWR1331 is
installed.
Install VWR1330 when replacing the POWER SUPPLY Unit.
(2) CONTRAST TABLE
DV-535/WYXJ, WYXJ/SP, WVXJ, WYXQ, RDXJ/RB, RDXJ/RD and RDXJ1/RA are constructed the same except for the following :
Mark No. Symbol
and
Description
Part No.
WVXJ
Type RDXJ/RB
Type RDXJ/RD
Type
NSP
1
4
12
17
19
26
27
28
DVDM Assy
FLJB Assy
Rear Panel
Front Panel Assy
Pop Label
FL Lens
SCRB Assy
Caution Label
VWS1438
VWV1777
VNA2184
VXA2400
VRW1831
VNK4734
VWV1744
VRW1699
VWS1412
VWV1776
VNA2187
VXA2402
VRW1830
VNK4593
Not used
Not used
VWS1412
VWV1776
VNA2188
VXA2402
VRW1830
VNK4593
Not used
Not used
RDXJ1/RA
Type
VWS1412
VWV1776
VNA2186
VXA2402
VRW1830
VNK4593
Not used
Not used
WYXJ/SP
Type
VWS1438
VWV1777
VNA2184
VXA2400
Not used
VNK4734
VWV1744
VRW1699
WYXQ
Type
VWS1438
VWV1777
VNA2240
VXA2416
VRW1831
VNK4734
VWV1744
VRW1699
WYXJ
Type
VWS1438
VWV1777
VNA2184
VXA2400
VRW1831
VNK4734
VWV1744
VRW1699

DV-535
8
1 Traverse Mechanism Assy-S VXX2653
NSP 2 LOAB Assy VWG2171
3 Drive Cam VNL1862
4 Drive Gear VNL1861
5 Lock Plate VNL1820
6 Loading Base VNL1863
7 Belt VEB1315 (or VEB1320)
8 Gear Pulley VNL1866
9 Screw JGZ17P028FMC
10 Loading Gear VNL1860
11 Loading Motor Assy VXX2505
12 DC Motor / 0.3W (LOADING) PXM1027
13 Motor Pulley PNW1634
14 Connector Assy VKP2253
15 Flexible Cable (08P) VDA1822 (or VDA1818)
16 Float Base VNL1865
17 Floating Rubber VEB1286
18 Flexible Cable (24P) VDA1821 (or VDA1820)
19 • • • • •
20 Clamper Plate VNE2162
21 Clamper VNL1738
22 Bridge VNL1859
LOADING MECHANISM ASSY PARTS LIST
2.3 LOADING MECHANISM ASSY
22
20
21
18
To DVDM Assy
CN4
To DVDM Assy
CN3
To DVDM Assy
CN2
15
12
11
13 14
4
5
9
2
10
8
7
4
3
6
1
16
17
Refer to
"2.4 TRAVERSE MECHANISM ASSY-S".
Mark No. Description Part No. Mark No. Description Part No.

DV-535
9
NSP 1 SMEB Assy VWG2048
NSP 2 FGSB Assy VWG2009
NSP 3 Motor (CARRIAGE) VXM1079
NSP 4 Motor (SPINDLE) VXM1084
NSP 5 Pickup Assy VWY1055
6 Table Sheet DEC2040
7 Screw VBA1058
8 Centering Spring VBH1278
9 Hook Spring VBH1317
10 Skew Spring VBH1303
11 Gear Spring VBH1308
NSP 12 Reflected Sheet VEC1959
13 Guide Bar VLL1504
14 Sub-guide Bar VLL1505
15 Hold Spring VNC1017
NSP 16 Magnet Holder VNE2070
NSP 17 Motor Base VNE2154
NSP 18 Cover VNE2155
19 Centering Ring VNL1746
NSP 20 Disc Table VNL1747
2.4 TRAVERSE MECHANISM ASSY-S
21 Hook VNL1770
22 FFC Holder VNL1802
23 Mechanism Base VNL1806
24 FG Holder VNL1807
25 Gear A VNL1808
26 Gear B VNL1809
27 Gear C VNL1810
28 Slider VNL1811
29 Gear D VNL1814
NSP 30 Magnet VYM1024
31 Screw JFZ17P025FZK
32 Screw JGZ17P028FMC
33 Screw VBA1051
34 Magnet Holder Assy VXX2507
35 Spindle Motor Assy VXX2649
36 Carriage Motor Assy VXX2650
37 Screw PBA1069
TRAVERSE MECHANISM ASSY-S PARTS LIST
Mark No. Description Part No. Mark No. Description Part No.
• Top View
30
16 34
19
8
15 10
10
22
33
23
5
14 10
37
18
32
13
10
37
18
26
25
27
29
7
7
73
1
11
28
33
6
35
20
12
21
4
9
31
37
17
24
37
36
To
DVDM Assy
CN3
21
9
17
2

DV-535
10
A
B
C
D
1234
1234
SPDL
MOTOR
TRKG F_DRV
FCS
18,19
22,23
15
4
1
3
2
57-60
63-66
15
4
1
3
3 54
56
55
46
56
57
42
35
31
13 12 10 9
3
20
37
28 46
14
45
48
47
32 33 30 31 39
2
7
35
15
3
32
8
34
14
5
1
2
2
1
3
2
1
3
7
3
8
5
OEIC
PICKUP
ASSY
F_RTN
RFRF
B1-B4
(24P)
(24P)
T_DRV
T_RTN
SPDL+
SPDO
16M
4
27M
27M
16M
XSACK
SREQ
ADAI(AC3)
ADAO
ADAO ADATA0
VOUT
YOUT
COUT
27M
VOUT
YOUT
COUT
ED0-
ED7
SD0-SD7
SLDO
TDO
FDO
TE
FE
PH
BH
DSPRF
RFO
SPDL-
SLDR_R
SLDR_F
V+3D
SW2
SW1
(GNDS)
LOAD+
LOAD-
PRG_Cr (R)
PRG_Y (G)
PRG_Cb (B)
R/C
G/Y
V
Y
C
B/COMP
LOADING
MOTOR
S101
LOADING
POSITION
SW
CARRIAGE
MOTOR
CN4
RF IC
IC1
LA9701M
DVD
DECODER
BY CHIP
IC12
PE5108A
MPEG2
DECODER
AV-1
16M SDRAM
IC18
MB86373B
IC19
MB811171622A
-100FN
WORK SRAM
(1M)
IC14
KM68V1000CLT-7L
SYSTEM
CONTROL CPU
IC11
PD3410A
FLASH
MEMORY (4M)
IC13
VYW1727
4M DRAM
IC15
MN414800CSJ-07
CLOCK GENERATOR
IC21
CY2081SL-638
SPDL & FTS
DRIVER
SERVO DSP
IC3
M56788FP
7
172023
29
4
1
6ch NTSC/PAL
ENCODER
IC26
MC44724A
IC2
LC78652W
(8P)
CN3
(8P)
CN202
CN2
CN1
CN101
3
5
1
(30P)
CN15
(14P)
OI
CN101 (14P)
(30P)
(30P)
CN101 CN102
CN5
6-9
170
39-46
107
27M
197
36/16M
205
B
SMEB
ASSY
A
LOAB
ASSY
D
DVDM ASSY
: Audio Signal Route (L ch)
: V/Cb Signal Route
(V/Cb)
: Y Signal Route
(Y)
: R Signal Route
(R)
: G Signal Route
(G)
: B Signal Route
(B)
: C/Cr Signal Route
(C/Cr)
(V/Cb)
(Y)
(C/Cr)
(V/Cb)
(Y)
(C/Cr)
: RF Signal Route
M
M
Q87
ED0-
ED7
78,80-84
86,87
2,4-9,
11
91
89
64
62
45
39
36
33
Q89
Q91
Q83
Q81
Q85
6
16M
5
36/16M
1
+3V +2.5V
-27V
EV+5V
V+6M
V12M
SW+5
V3VD
V25V
M+6V
+12V
+5V
IC105
PQ025EZ5MZP
REG
WYXJ, WYXJ/SP, WVXJ, WYXQ TYPES ONLY
I
POWER
SUPPLY
UNIT
10
14
LIVE
NEUTRAL
AC IN
6
8
2
4
5
1
5 7 9 2 8 13
5 7 9 2 8 13
9
7
13
11
18,19
22,23
84
7
11
9
V/Cb/S
Y
C/Cr
23
(R)
(G)
(B)
-27V
EV+5V
M+6V
SW+12V
SW+5V
SW+3.3V
M+6V
M+6V
+12VM
SW5V
+3.3V
+2.5V
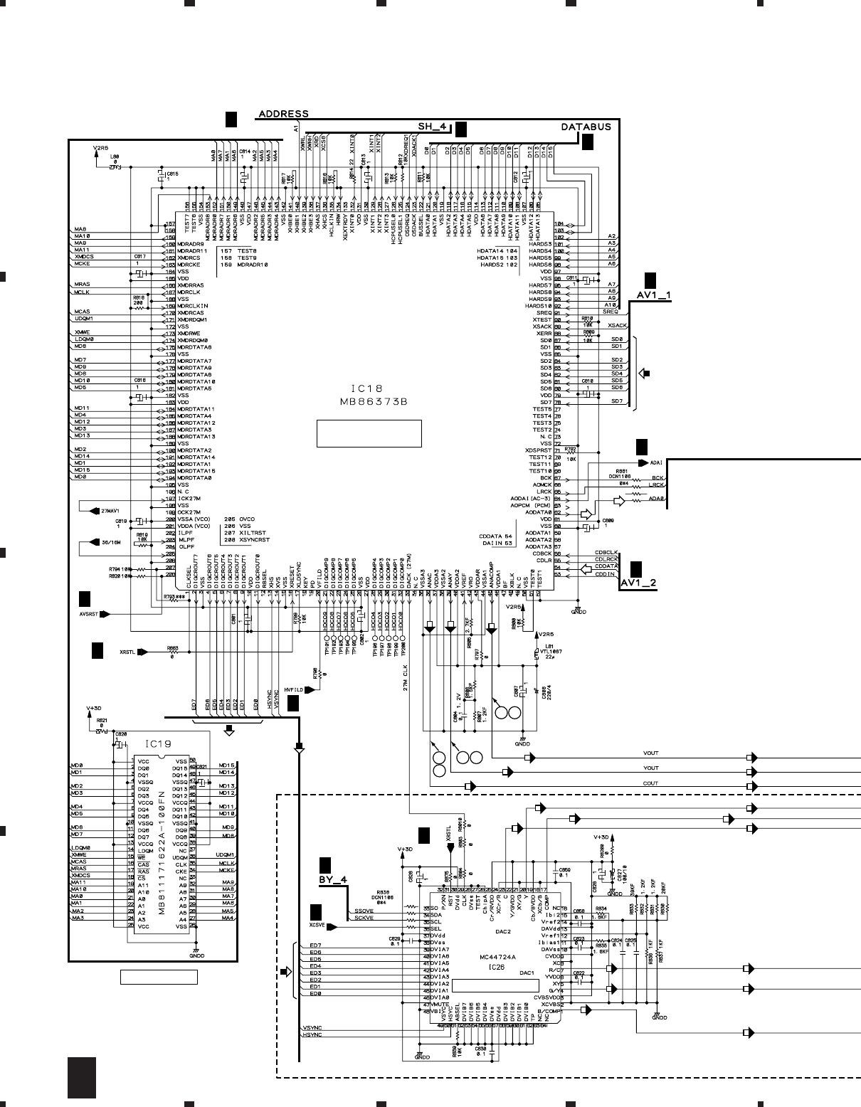
3. BLOCK DIAGRAM AND SCHEMATIC DIAGRAM
3.1 BLOCK DIAGRAM

DV-535
11
A
B
C
D
5678
5678
AODAI
SELIR
IR
FL CONTROL
IC101
PE5185A
(Y)
(V)
10
3IN 6OUT
VIDEO AMP
AMP
IC401
LA7138M
28
26
30
8
24
20
22
(30P)
CN106
11 6 4 19 17
9 14 16 1 3
(19P)
(19P)
15
19
11
7
3
1
C
CN201
CN535
G
PWSB
ASSY
F
KEYB
ASSY
19
27
26
(30P)
CN5 (30P) (4P)
CN102
19
47
24
26
25
27
26
CN103 (4P)
CN801
4
3
1
2
FL TUBE
V101
VAW1056
REMOTE
SENSOR
VIDEO
FILTER
Q501
Q601
Q511
Q521
15
13
DIN
VOUTL
VOUTR
VIDEO
FILTER
Q411
Q421
Q401
SR IN
JA491
L OUT
R OUT
JA403
WYXJ, WYXJ/SP, WVXJ, WYXQ TYPES ONLY
RDXJ/RB, RDXJ/RD, RDXJ1/RA
TYPES ONLY
WYXJ,
WYXJ/SP,
WVXJ,
WYXQ
TYPES ONLY
CIN
6AMP 19
17
BIN
3
96K, 24-bit
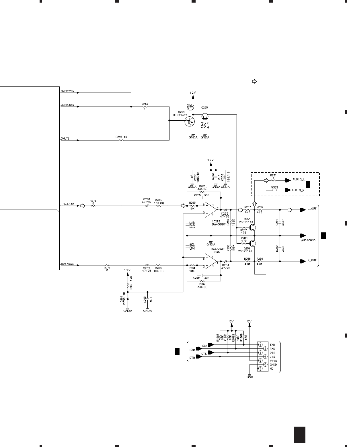
2ch DAC
IC201
PCM1716E
IC202
BA4560F
SELECTOR
IC401
MM1505XN
S802
POWER
SELECTOR
IC301
MM1507XN
2
6
57
6
42
1
3
2
16
13
AMP 23
21
AIN
V OUT
TOS LINK
AC-3/PCM
DIGITAL
AUDIO OUT
COAXIAL
S VIDEO
OUTPUT
Y (GRENN)
JA402
JA201
RGB OUT
JA535
JA401
Cb (BLUE)
Cr (RED)
R OUT
L OUT
V OUT
COMPONENT
VIDEO
OUT
3
4
(C)
Y
VIDEO
R
8 13 15
12 7 5
R
G
B
L
4
62
H
SCRB ASSY
E
FLJB ASSY
(V/Cb)
(Y)
(C/Cr)
(C)
(Y)
(V)
(Y)
(C)
(V,Y)
(R,C)
(G)
(B)
(R)
(G)
(B)
(V/Cb)
(V/Cb)
(Y)
(Y)
(C/Cr)
(C/Cr)
(V)
(V)
(R)
(G)
(B)
(R)
(G)
(B)
KEY2
KEY0
(4P)
CN104 (4P)
CN701
1
2
4
3KEY
SW
KEY0
KEY1

DV-535
12
A
B
C
D
1234
1234
E1/3- E3/3
FLJB ASSY
(VWV1777: WYXJ, WYXJ/SP, WVXJ, WYXQ)
(VWV1776: RDXJ/RB, RDXJ/RD, RDXJ1/RA)
E
KEYB ASSY
(VWG2176)
F
SCRB ASSY
(VWV1744)
H
PWSB ASSY
(VWG2174)
G
RDXJ/RB,RDXJ/RD,
RDXJ1/RA TYPES
ONLY
RDXJ/RB,RDXJ/RD,
RDXJ1/RA TYPES
ONLY
WYXJ, WYXJ/SP, WVXJ, WYXQ TYPES ONLY
CN110
For DOWNLOAD
3.2 LOAB, SMEB, FGSB ASSYS and OVERALL WIRING DIAGRAM

DV-535
13
A
B
C
D
5678
5678
DVDM ASSY
(VWS1438: WYXJ, WYXJ/SP, WVXJ, WYXQ)
(VWS1412: RDXJ/RB, RDXJ/RD, RDXJ1/RA)
D1/3- D3/3
D
POWER SUPPLY UNIT
(VWR1330)
or
(VWR1331)
I
WYXJ, WYXJ/SP, WVXJ, WYXQ TYPES:
AC220-240V, 50/60Hz
RDXJ/RB, RDXJ/RD, RDXJ1/RA TYPES:
AC110-120V/220-240V, 50/60Hz
POWER CORD
XDG3001: WYXJ, WYXJ/SP, WYXQ
ADG1156: WVXJ
ADG1158: RDXJ/RB, RDXJ/RD, RDXJ1/RA
SPINDLE
MOTOR
ASSY
: VXX2649
CARRIAGE
MOTOR ASSY
: VXX2650
LOAB ASSY
(VWG2171)
A
LOADING MOTOR ASSY
: VXX2505
S101
: VSK1011
CN101
S3B-PH-K-S
R101
330
DSG1016
CN202
VKN1212
CN201
52044-0345
TRAVERSE
MECHANISM ASSY
(VWT1161)
LOADING MECHANISM ASSY (VWT1174)
SMEB ASSY
(VWG2048)
B
FGSB ASSY
(VWG2009)
C
PICKUP ASSY
(VWY1055)
: RF SIGNAL ROUTE
: FOCUS SERVO LOOP LINE
: TRACKING SERVO LOOP LINE
(F)
(T)
: SLIDER SERVO LOOP LINE
(S)
(F)
(S) (S)
(S)
(S)
(T)
(T)
(F)
(T)
(T)
(F)
(F)
(F)
(F)
Note : When ordering service parts, be sure to refer to "EXPLODED VIEWS and PARTS LIST" or "PCB PARTS LIST".
CBA

DV-535
14
A
B
C
D
1234
1234
D1/3
DVDM ASSY
(VWS1438: WYXJ, WYXJ/SP, WVXJ, WYXQ)
(VWS1412: RDXJ/RB, RDXJ/RD, RDXJ1/RA)
2/3
D
2/3
D
2/3
D
2/3
D
2/3
D
2/3
D
2/3
D
CHECKER CHIP
IC5
BA4510F
1/2
CN4
DKN1193
CN3
VKN1763
CN2
S2B-PH-SM3
CN1
S3B-PH-SM3
LOADING
MOTOR
ASSY
PICKUP ASSY
CN202
B
CN101
A
2SC4081
RF IC
SPDL & FTS DRIVER
IC3
1
2
4
7
DTC114EUA
(DVD) (DVD)
(DVD) (DVD)
(CD)
(CD)
(T)
(F)
(F) (F)
(F)(F)
(T)
(T)
(T)
(T)
(F)
(S)
(S)
(T)
(T)
(T)
(F)
(F)
(F)
(S)
(S)
(S)
(F)
(T)
(T)
(F)
(F)
(F)
(F)
(F)
(T)
(T)
(T)
(T)
(T)
1/3
D
3.3 DVDM ASSY (1/3)

DV-535
15
A
B
C
D
5678
5678
2/3
D
2/3
D
2/3
D
2/3
D
2/3
D
2/3
D
2/3
D
2/3
D
2/3
D
2/3
D
2/3
D
2/3
D
3/3
D
IC5
BA4510F
2/2
IC7
BA4510F
IC7
BA4510F
2/2
1/2
ADDRESS
SERVO DSP IC
LANDMARK
for CHECKER
R1 R2
WYXJ, WYXJ/SP, WVXJ, WYXQ 33k 22k
RDXJ/RB, RDXJ/RD, RDXJ1/RA Not used 10k
RESISTOR
CAPACITOR
8
10 11
9
5
6
(DVD) (DVD)
(CD)
(CD)
(T)
(F)
(F)
(T)
(S)
: RF SIGNAL ROUTE
: ROM DATA SIGNAL ROUTE
: FOCUS SERVO LOOP LINE
: TRACKING SERVO LOOP LINE
: SLIDER SERVO LOOP LINE
(F)
(T)
(S)
: The power supply is shown with the marked box.
1/3
D

DV-535
16
A
B
C
D
1234
1234
D2/3
DVDM ASSY (VWS1438: WYXJ, WYXJ/SP, WVXJ, WYXQ)
(VWS1412: RDXJ/RB, RDXJ/RD, RDXJ1/RA)
3/3
D
1/3
D
3/3
D
3/3
D
3/3
D
3/3
D
1/3
D
1/3
D
1/3
D
3/3
D
1/3
D
1/3
D
1/3
D
2/3
D
3/3
D
1/3
D
RESISTOR
CAPACITOR
WORK SRAM (1M)
FLASH MEMORY (4M)
4M DRAM
BY CHIP
DVD DATA PROCESSOR
KM68V1000CLT-7L
VYW1727
(DVD)
2/3
D
3.4 DVDM ASSY (2/3)

DV-535
17
A
B
C
D
5678
5678
3/3
D
3/3
D
3/3
D
3/3
D
1/3
D
1/3
D
1/3
D
1/3
D
3/3
D
3/3
D
1/3
D
1/3
D
1/3
D
1/3
D
1/3, 3/3
D
1/3, 3/3
D
1/3
D
1/3
D
3/3
D
20MHz
SH
SYSTEM CONTROL CPU
3→5
CONVERTER
Q3 Q3
Q3
RN1911
R501 R502
WYXJ, WYXJ/SP, WVXJ, WYXQ Not used Not used
RDXJ/RB, RDXJ/RD, RDXJ1/RA 0 0
CN5
VKN1626
CN102
E1/3
: RF SIGNAL ROUTE
: AUDIO SIGNAL ROUTE
: ROM DATA SIGNAL ROUTE
: The power supply is shown with the marked box.
2/3
D

DV-535
19
A
B
C
D
5678
5678
D3/3
DVDM ASSY (VWS1438: WYXJ, WYXJ/SP, WVXJ, WYXQ)
(VWS1412: RDXJ/RB, RDXJ/RD, RDXJ1/RA)
RESISTOR
CAPACITOR
2/3
D
1/3
D
2/3
D
2/3
D
2/3
D
2/3
D
CN15
VKN1626
CN106
E3/3
RDXJ/RB, RDXJ/RD,
RDXJ1/RA TYPES ONLY
WYXJ, WYXJ/SP,WVXJ
WYXQ TYPES ONLY
R825
180F: WYXJ, WYXJ/SP,WVXJ, WYXQ
200F: RDXJ/RB, RDXJ,RDXJ1/RA
CLOCK
GENERATOR
: AUDIO SIGNAL ROUTE
: ROM DATA SIGNAL ROUTE
: V/CB SIGNAL ROUTE
(VCB)
: Y SIGNAL ROUTE
(Y)
: C SIGNAL ROUTE
(C)
: R SIGNAL ROUTE
(R)
: G SIGNAL ROUTE
(G)
: B SIGNAL ROUTE
(B)
(VCB)
(Y)
(C)
(VCB)
(Y)
(C)
(VCB)
(Y)
(C)
(VCB)
(VCB)
(VCB)
(VCB)
(Y)
(Y)
(Y)
(Y)
(B)
(R)
(G)
(B)
(R)
(G)
(B)
(R)
(G)
(B)
(R)
(G)
(C)
(C)
(C)
(C)
3/3
D

DV-535
20
A
B
C
D
1234
1234
E1/3
FLJB ASSY (VWV1777: WYXJ, WYXJ/SP, WVXJ, WYXQ)
(VWV1776: RDXJ/RB, RDXJ/RD, RDXJ1/RA)
2/3
E
FL CONTROL
MICROCOMPUTER
KEYB ASSY
S701 : 0 (OPEN/CLOSE)
S702 : 4
S703 : ¢
S704 : 7 (STOP)
S705 : 8 (PAUSE)
S706 : 3 (PLAY)
PWSB ASSY
S802 : POWER STANDBY/ON
R143
20k: WYXJ, WYXJ/SP,WVXJ, WYXQ
68k: RDXJ/RB, RDXJ/RD,RDXJ1/RA
FL TUBE
1/3
E
3.6 FLJB (1/3), KEYB and PWSB ASSYS

DV-535
24
A
B
C
D
1234
1234
E3/3
FLJB ASSY
(VWV1777: WYXJ, WYXJ/SP, WVXJ, WYXQ)
(VWV1776: RDXJ/RB, RDXJ/RD, RDXJ1/RA)
WYXJ, WYXJ/SP,
WVXJ, WYXQ
TYPES ONLY
WYXJ, WYXJ/SP, WVXJ, WYXQ TYPES ONLY
RDXJ/RB, RDXJ/RD,
RDXJ1/RA TYPES
ONLY
2/3
E
CN15
D3/3
CN106
VKN1627
VIDEO OUT SELECT
1/3
E
1/3
E
1/3
E
: AUDIO SIGNAL ROUTE
: V/CB SIGNAL ROUTE
(VCB)
: Y SIGNAL ROUTE
(Y)
: C SIGNAL ROUTE
(C)
: R SIGNAL ROUTE
(R)
: G SIGNAL ROUTE
(G)
: B SIGNAL ROUTE
(B)
(VCB)
(VCB)
(VCB)
(VCB)
(VCB)
(C)
(C)
(C)
(C)
(C)
(Y) (Y)
(Y) (Y)
(Y)
(Y)
(G)
(G)
(R)
(B)
(G)
(R)
(B)
(R)
(B)
(G)
(R)
(B)
3/3
E
3.8 FLJB ASSY (3/3)

DV-535
25
A
B
C
D
5678
5678
WYXJ, WYXJ/SP,
WVXJ, WYXQ
TYPES ONLY
WYXJ, WYXJ/SP, WVXJ, WYXQ TYPES ONLY
RDXJ/RB, RDXJ/RD,
RDXJ1/RA TYPES ONLY
RDXJ/RB, RDXJ/RD,
RDXJ1/RA TYPES ONLY
RDXJ/RB,
RDXJ/RD,
RDXJ1/RA
YPES ONLY
WYXJ, WYXJ/SP, WVXJ,
WYXQ TYPES ONLY
WYXJ, WYXJ/SP, WVXJ,
WYXQ TYPES ONLY
WYXJ, WYXJ/SP,
WVXJ, WYXQ TYPES ONLY
TV SYSTEM
1/3
E
JA491
RKN1004
JA401
VKB1147
JA403
VKB1154
JA402
VKB1146
2/3
E
2/3
E
3IN 6OUT VIDEO AMP
2SA1037K
2/3
E
AUDIO_L
AUDIO_R
CN201
19R-1.25FJ
CN535
H
(OUT2 OUT) (OUT1 OUT)
VSEL SIGNAL
(OUT1,2
OUT)
5.1k
5.1k
(V)
(C)
(V)
(CR)
(Y) (Y)
(C)
(VCB)
(C)
(Y)
(C)
(V)
(V) (V)
(CB)
(CB)
(CB)
(CR)
(CR)
(C)
(C)
(Y) (Y)
(Y)
(Y)
(Y)
(C)
(V)
(Y)
(R)
(G)
(B)
(R)
(G)
(B)
3/3
E

DV-535
26
A
B
C
D
1234
1234
SCRB ASSY (VWV1744)
(WYXJ, WYXJ/SP, WVXJ, WYXQ TYPES ONLY)
H
CN201
E3/3
: The power supply is shown with the marked box.
: AUDIO SIGNAL ROUTE
: V SIGNAL ROUTE
(V)
: Y SIGNAL ROUTE
(Y)
: C SIGNAL ROUTE
(C)
: R SIGNAL ROUTE
(R)
: G SIGNAL ROUTE
(G)
: B SIGNAL ROUTE
(B)
(Y)
(Y) (Y)
(C)
(C)
(R) (R)
(C)
(R/C)
(V)
(V)
(V)
(V/Y)
(G)
(B)
(B) (B)
(B)
(B)
(G)
(G)
(G)
(R)
H
3.9 SCRB ASSY (WYXJ, WYXJ/SP, WVXJ and WYXQ TYPES ONLY)

DV-535
29
A
B
C
D
5678
5678
CN101
E1/3
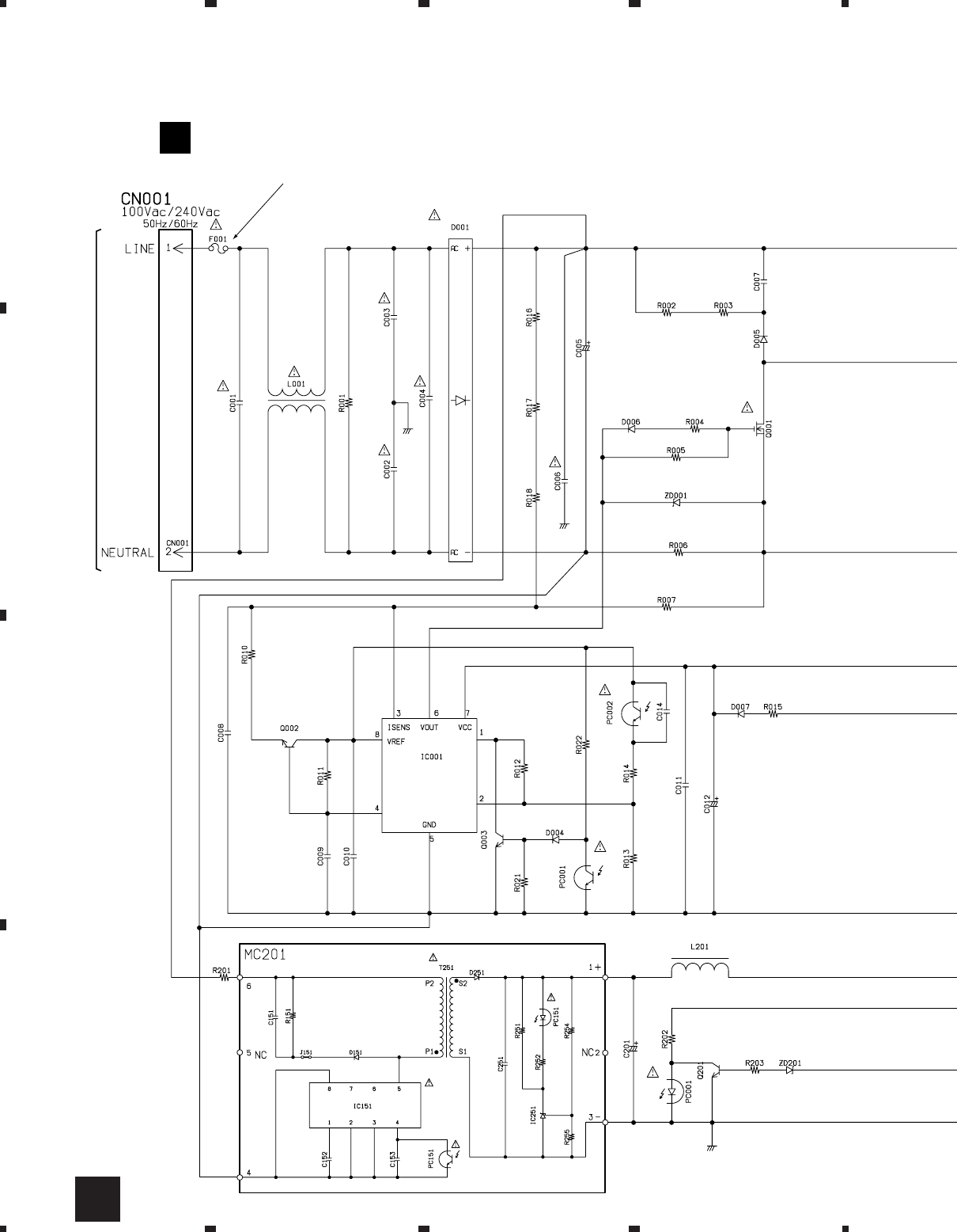
NOTE OF SPARE PARTS IN POWER SUPPLY (SYPS) UNIT
• In case of repairing, use the described parts only to prevent an accident.
• Please write the red mark on the board when the primary section of POWER SUPPLY (SYPS) Unit is repaired.
• Please take care to keep the space, not touching other parts when replacing the parts.
• NOTE FOR FUSE REPLACEMENT
FOR CONTINUED PROTECTION AGAINST RISK OF FIRE,
REPLACE WITH SAME TYPE AND RATINGS ONLY.
CAUTION -
P101
VZE1001
630mA
P102
VZE1003
1.25A
P103
VZE1004
1.6A
I

DV-535
30
A
B
C
D
1234
1234
CN1 CN101
AC IN
A
A
B
B
5
8
4
2
1
10
11
14
12
13
12V
5V
EV5V
SW5V
PO CONT
SW3.3V
GND
–27V
FLAC (B)
FLAC (A)
GND
3
GND
5
GND
7
GND
9
CN101
E1/3
F101
REK1102
2.5A
Z1 C1
LIVE
NEUTRAL C2
C5 C5 C82
C8
C7
GND
BEA1
BEA2
R2
R71
R72
Q71
D71
R74 R73
D72
D7
D23
D24
C22
C11
C108
R301
R304
C302
R302
R307 R104
R403
R404 R405
Q401
Q402
D402 D403
R401
R420 R303
R410
Q412
R402
C110
R414
R407
R408
R409
D404
R103
R10
C9 R8
C21
C10
D25 R20
R12
D5
R17
D9
R23
R201
R202
R205
R203
R204
VR201
C201
R24 R25
R11
R22
D8
D4
PC1
D6
R9
Q20
Q1
Q2 PC2
PC1
IC201
R7
R6
R5
R19
R1
D14
D13
T1
D11
D12 D81 D82
D83 R84 R85
Q81
R82R83
C81
L1
D105
D104
C107
D103
D102 P101
AEK7063
P102
AEK7066
C105 C106 C410
L101
C109 Q411
Q410
D111 D407
D112
D405
D406
D107
D301
D108
D109
D304
C112
PC2
C111
C411
IC103
IC102
C301
C303
800mA
1.6A
NOTE OF SPARE PARTS IN POWER SUPPLY (SYPS) UNIT
• In case of repairing, use the described parts only to prevent an accident.
• Please write the red mark on the board when the primary section of POWER SUPPLY (SYPS) Unit is repaired.
• Please take care to keep the space, not touching other parts when replacing the parts.
• NOTE FOR FUSE REPLACEMENT
FOR CONTINUED PROTECTION AGAINST RISK OF FIRE,
REPLACE WITH SAME TYPE AND RATINGS ONLY.
CAUTION -
POWER SUPPLY UNIT (VWR1330)
I
BEA401
BEA3
I
3.11 POWER SUPPLY UNIT (VWR1330)

DV-535
31
WAVEFORMS
Note : The encircled numbers denote measuring point in the schematic diagram.
Measurement condition : No. 1 to 4 and 6 to 11 : MJK1, Title 1-chp 1
No. 5 : CD, ABEX-784 Track 1
No. 12 to 14 : MJK1, Title 1-chp 4
No. 15 to 17 : MJK1, Title 1-chp 5
1
Foot of R169 (RF)
V: 100mV/div. H: 0.2µsec/div.
2
TP2 (RFO)
V: 500mV/div. H: 0.1µsec/div.
3
4
TP3 (Tracking Error)
(AI-Inner Tracking Off)
V: 500mV/div. H: 2msec/div.
5
IC2 - pin 39 (EFM before slice)
V: 1V/div. H: 1µsec/div.
6
IC2 - pin 1 (EFM)
V: 1V/div. H: 0.2µsec/div.
7
IC3 - pin 41 (REGB)
V: 1V/div. H: 5msec/div.
8
Foot of R261 (FPWM)
V: 1V/div. H: 5msec/div.
9
Foot of R262 (VPWM)
V: 1V/div. H: 5msec/div.
10
Foot of R263 (PPWM)
V: 1V/div. H: 5msec/div.
11
Foot of R264 (RPWM)
V: 1V/div. H: 5msec/div.
12
IC18 - pin 45
(Composite Video output)
V: 2V/div. H: 1msec/div.
13
IC18 - pin 39 (Y output)
V: 0.2V/div. H: 5msec/div.
14
IC18 - pin 36 (C output)
V: 0.2V/div. H: 5msec/div.
15
IC18 - pin 45 (C
B
output when
selecting color difference output)
V: 0.2V/div. H: 5msec/div.
16
IC18 - pin 39 (Y output when
selecting color difference output)
V: 0.2V/div. H: 5msec/div.
17
IC18 - pin 36 (C
R
output when
selecting color difference output)
V: 2V/div. H: 5msec/div.
GND
GND
GND
GND
GND
GND
GND
GND
GND
GND
GND
GND
GND
GND

DV-535
32
A
B
C
D
1234
1234
CARRIAGE
MOTOR SPINDLE
MOTOR
BLK
RED M
M
NOTE FOR PCB DIAGRAMS :
1. Part numbers in PCB diagrams match those in the schematic
diagrams.
2. A comparison between the main parts of PCB and schematic
diagrams is shown below.
3. The parts mounted on this PCB include all necessary parts for
several destinations.
For further information for respective destinations, be sure to
check with the schematic diagram.
4. View point of PCB diagrams.
Symbol In PCB
Diagrams Symbol In Schematic
Diagrams Part Name
BCE
D
D
G
G
S
S
BCE
BCE
DGS
BCEBCE
BCE
Transistor
Transistor
with resistor
Field effect
transistor
Resistor array
3-terminal
regulator
Capacitor
Connector
P.C.Board Chip Part
SIDE A
SIDE B
4. PCB CONNECTION DIAGRAM
4.1 LOAB and SMEB ASSYS
CN1
D
CN3
D
C
LOAB ASSY
A
SMEB ASSY
B
LOAB ASSY
A
SIDE A SIDE B
VNP1762-A : WYXJ, WYXJ/SP, WVXJ, RDXJ/RB,
RDXJ/RD, RDXJ1/RA Types
VNP1774-A : WYXQ Type
VNP1722-A : WYXJ, WYXJ/SP, WVXJ, RDXJ/RB,
RDXJ/RD, RDXJ1/RA Types
VNP1732-A : WYXQ Type
BA

DV-535
33
A
B
C
D
1234
1234
4.2 SCRB ASSY
SCRB ASSY
H
SCRB ASSY
H
SIDE A
SIDE B
Q602 Q601 Q502 Q501
Q103 Q102
Q203 Q204
Q201
IC401
IC301
Q202 Q101
VNP1764-A : WYXJ, WYXJ/SP, WVXJ, RDXJ/RB,
RDXJ/RD, RDXJ1/RA Types
VNP1786-A : WYXQ Type
CN201
E
H

DV-535
34
A
B
C
D
1234
1234
4.3 DVDM ASSY
D
DVDM ASSY
D
SIDE A
Q3
Q121
Q103
Q91 Q83
Q7 Q6
Q101
Q107
Q81
IC1
IC7
IC11
IC15
IC21
IC18
IC3
Q4
Q5 Q102
Q109
IC5 IC8
• This PCB is a four-layered board.
VNP1760-A : WYXJ, WYXJ/SP, WVXJ, RDXJ/RB,
RDXJ/RD, RDXJ1/RA Types
VNP1776-A : WYXQ Type

DV-535
35
A
B
C
D
1234
1234
DVDM ASSY
D
CN102
E
LOADING
MOTOR
ASSY
PICKUP
ASSY
CN202
B
CN106
E
CN101
A
SIDE B
Q1
IC12
IC2
IC19
Q112
Q114
Q113
Q131
Q106
Q85 Q89 Q87
Q251
IC26 IC27
IC13 IC14
• This PCB is a four-layered board.
VNP1760-A : WYXJ, WYXJ/SP, WVXJ, RDXJ/RB,
RDXJ/RD, RDXJ1/RA Types
VNP1776-A : WYXQ Type
D

DV-535
40
A
B
C
D
1234
1234
4.5 POWER SUPPLY UNIT (VWR1330)
I
POWER SUPPLY UNIT
I
CN101
E
AC IN
SIDE A
Q411
Q410
IC102
IC103
VR
201
IC201
Q20
Q71Q2
Q1
Q412
Q402
Q401

DV-535
41
A
B
C
D
1234
1234I
4.6 POWER SUPPLY UNIT (VWR1331)
POWER SUPPLY UNIT
I
CN101
E
AC IN
SIDE A
VR101
Q101
IC101
IC102
Q201
MC201
IC1
Q3Q2

42
DV-535
Mark No. Description Part No. Mark No. Description Part No.
5. PCB PARTS LIST
NOTES: •Parts marked by "NSP" are generally unavailable because they are not in our Master Spare Parts List.
•The mark found on some component parts indicates the importance of the safety factor of the part.
Therefore, when replacing, be sure to use parts of identical designation.
•When ordering resistors, first convert resistance values into code form as shown in the following examples.
Ex.1 When there are 2 effective digits (any digit apart from 0), such as 560 ohm and 47k ohm (tolerance is shown by J=5%,
and K=10%).
560 Ω→56 × 101→561 ........................................................ RD1/4PU 5 6
1
J
47k Ω→47 × 103→473 ........................................................ RD1/4PU
4
7
3 J
0.5 Ω→R50 ..................................................................................... RN2H R 5
0
K
1 Ω→1R0 ..................................................................................... RS1P
1
R 0 K
Ex.2 When there are 3 effective digits (such as in high precision metal film resistors).
5.62k Ω→ 562 × 101→5621 ...................................................... RN1/4PC 5 6
2
1 F
LIST OF WHOLE PCB ASSEMBLIES
Mark Symbol and Description
Part No.
Remarks
WYXJ, WYXJ/SP,
WVXJ, WYXQ Types RDXJ/RB, RDXJ/RD,
RDXJ1/RA Types
NSP
NSP
NSP
NSP
NSP
NSP
NSP
NSP
NSP
LOADING MECHANISM ASSY
LOAB ASSY
TRAVERSE MECHANISM ASSY
SMEB ASSY
FGSB ASSY
DVDM ASSY
FLJB ASSY
FLJB ASSY
KEYB ASSY
PWSB ASSY
SCRB ASSY
POWER SUPPLY UNIT
POWER SUPPLY UNIT
VWT1174
VWG2171
VWT1161
VWG2048
VWG2009
VWS1438
VWM2046
VWV1777
VWG2176
VWG2174
VWV1744
VWR1330
VWR1331
VWT1174
VWG2171
VWT1161
VWG2048
VWG2009
VWS1412
VWM2045
VWV1776
VWG2176
VWG2174
Not used
VWR1330
VWR1331 ∗1
∗1
∗1: As for the POWER SUPPLY UNIT, either VWR1330 or VWR1331 is installed. Install VWR1330 when replacing the POWER SUPPLY UNIT.
CONTRAST OF PCB ASSEMBLIES
DVDM ASSY
VWS1438 and VWS1412 are constructed the same except for the following :
D
Mark Symbol and Description Part No. Remarks
VWS1438 VWS1412
IC26
Q87, Q89, Q91
C822-C825, C829, C830, C834-C836
C858, C859
C826, C828
C827
R1
R2
R501, R502, R801, R802, R828
R803, R804, R829, R854-R856, R858-R860
R875, R920, R922, R970-R973, R8010, R8200
R822-R824
R825
R830
R831, R832
MC44724A
2SA1576A
CKSRYF104Z16
CKSRYF104Z16
CKSQYF105Z16
CEV101M10
RS1/16S333J
RS1/16S223J
Not used
RS1/16S0R0J
RS1/16S0R0J
RS1/16S2000F
RS1/16S1800F
RS1/16S2002F
RS1/16S1201F
Not used
Not used
Not used
Not used
Not used
Not used
Not used
RS1/16S103J
RS1/16S0R0J
Not used
Not used
Not used
RS1/16S2000F
Not used
Not used

43
DV-535
Mark No. Description Part No. Mark No. Description Part No.
FLJB ASSY
VWV1777 and VWV1776 are constructed the same except for the following :
E
Mark Symbol and Description Part No. Remarks
VWV1777 VWV1776
Q501, Q511, Q521
S402
L480, L481
L501, L511, L521
C451, C453, C457
C501, C502, C511, C512, C521, C522
C503, C513, C523
C510, C520
R143
R231, R400, R405, R437, R496, R591
R432
R434, R438, R473
R435
R456, R460
R457, R461
R458, R462
R459, R463
R464
R501, R511, R521
R503, R513, R523
R504, R514, R524
CN201 19P CONNECTOR
JA401 6P PIN JACK
JA403 3P PIN JACK
J101 CONNECTOR ASSY
2SA1037K
Not used
Not used
LAU120J
Not used
CCSQCH6R0D50
CCSQCH180J50
CKSQYF104Z25
RS1/10S203J
RS1/10S0R0J
RS1/10S512J
Not used
Not used
Not used
Not used
Not used
Not used
Not used
RS1/10S8200D
RS1/10S101J
RS1/10S182J
19R-1.25FJ
Not used
VKB1154
PF03GG2C10
Not used
VSH1009
VTL1089
Not used
CEAT471M6R3
Not used
Not used
Not used
RS1/10S683J
Not used
Not used
RS1/10S0R0J
RS1/10S512J
RS1/10S1100D
RS1/10S4R7J
RS1/10S3300D
RS1/10S4700D
RS1/10S62R0D
Not used
Not used
Not used
Not used
VKB1147
Not used
Not used
Mark Symbol and Description Part No. Remarks
VWS1438 VWS1412
R833
R834, R835
R836, R837
R838 (0Ω)
R839
R845-R847
RS1/16S3902F
RS1/16S1801F
RS1/16S1001F
DCN1106
RS1/16S103J
RS1/16S182J
Not used
Not used
Not used
Not used
Not used
Not used

44
DV-535
Mark No. Description Part No. Mark No. Description Part No.
PARTS LIST for DV-535/WYXJ
LOAB ASSY
SWITCH
S101 VSK1011
OTHERS
CN101 KR CONNECTOR S3B-PH-K-S
PC BOARD (LOAB) VNP1762
SMEB ASSY
SWITCH
S201 DSG1016
OTHERS
CN201 3P FFC CONNECTOR 52044-0345
CN202 8P FFC CONNECTOR VKN1212
PC BOARD (SMEB) VNP1722
FGSB ASSY
SEMICONDUCTOR
PC101 GP2S60
RESISTOR
R101 RS1/10S331J
DVDM ASSY
SEMICONDUCTORS
IC5,IC7 BA4510F
IC21 CY2081SL-638
IC14 KM68V1000CLT-7L
IC1 LA9701M
IC2 LC78652W
IC3 M56788FP
IC19
MB811171622A-100FN
IC18 MB86373B
IC26 MC44724A
IC15 MN414800CSJ-07
IC11 PD3410A
IC12 PE5108A
IC8 TC7SHU04F
IC13 VYW1727
Q106,Q109,Q81,Q83,Q85 2SA1576A
Q87,Q89,Q91 2SA1576A
Q114,Q121,Q251 2SC4081
Q131 DTC114EUA
Q102 HN1A01F
Q103,Q6,Q7 HN1B04FU
Q101 HN1C01F
Q112,Q113 HN1C01FU
Q107,Q4,Q5 RN1902
Q3 RN1911
Q1 RN4982
D301 KV1471E
D6 RB501V-40
D665,D666 RB521S-30
COILS
L150,L330 CHIP COIL LCYA100J2520
L304 CHIP COIL LCYA2R7J2520
L81 CHIP COIL VTL1067
L85,L911 CHIP BEADS VTL1084
CAPACITORS
C123,C146,C613,C843 CCSRCH101J50
C322 CCSRCH120J50
C135 CCSRCH121J50
C104-C108 CCSRCH150J50
C206,C210,C211 CCSRCH151J50
C333 CCSRCH180J50
C116,C151,C314 CCSRCH220J50
C152 CCSRCH221J50
C127,C209,C337 CCSRCH331J50
C134,C236 CCSRCH470J50
C122,C208 CCSRCH471J50
C126,C335 CCSRCH560J50
C334 CCSRCH5R0C50
C124,C132 CCSRCH680J50
C117,C240,C352,C360 CCSRCH681J25
C845,C846 CCSRCK2R0C50
C129,C142,C827,C842 CEV101M10
C113,C139 CEV220M16
C405,C413,C700,C808 CEV221M4
C111,C149,C205,C207,C401 CEV470M6R3
C403,C407 CEV470M6R3
C140,C223,C224,C252,C264 CKSQYB105K10
C312 CKSQYB105K10
C148,C217,C327,C414 CKSQYF105Z16
C801,C802,C807,C809-C815 CKSQYF105Z16
C817-C821,C826,C828 CKSQYF105Z16
C216,C313 CKSRYB102K50
C133,C136,C203,C220,C225 CKSRYB103K50
C239,C320,C321,C603,C625 CKSRYB103K50
C703,C711 CKSRYB103K50
C101,C102,C114,C118,C119 CKSRYB104K16
C121,C138,C204,C212,C213 CKSRYB104K16
C227,C231,C263,C315,C317 CKSRYB104K16
C332,C804 CKSRYB104K16
C153,C266 CKSRYB223K25
C357 CKSRYB223K50
C354 CKSRYB332K50
C214,C251,C261,C351 CKSRYB472K50
C330 CKSRYB682K50
C109,C110,C120,C130,C131 CKSRYF104Z16
C143,C150,C202,C215 CKSRYF104Z16
C221,C222,C226,C230,C235 CKSRYF104Z16
C265,C299,C319,C359,C367 CKSRYF104Z16
C369,C370,C402,C404,C406 CKSRYF104Z16
C408,C410,C412,C601,C602 CKSRYF104Z16
C604-C612,C614,C615 CKSRYF104Z16
C617-C620,C626,C701,C702 CKSRYF104Z16
C704-C710,C712-C724,C726 CKSRYF104Z16
C822-C825,C829-C836,C844 CKSRYF104Z16
C858,C859 CKSRYF104Z16
C368,C411 (47µF/16V) VCH1166
A
B
C
D

45
DV-535
Mark No. Description Part No. Mark No. Description Part No.
RESISTORS
R123 (39Ω) ACN7047
R732,R733,R735,R736 (47kΩ) ACN7077
R632 (100Ω) DCN1092
R608,R609,R613,R624,R627 (10kΩ) DCN1094
R629,R631,R633,R638,R654 (10kΩ) DCN1094
R657,R658,R664,R706 (10kΩ) DCN1094
R717,R718 (10kΩ) DCN1094
R121,R663 (22Ω) DCN1104
R712,R715,R838,R881 (0Ω) DCN1106
R1020,R2010,R2020,R2030,R2040 RS1/10S0R0J
R3050,R4010,R4020,R4030,R4040 RS1/10S0R0J
R4050,R4060,R407,R685,R722 RS1/10S0R0J
R8000,R8200,R821 RS1/10S0R0J
R202,R3510 RS1/10S101J
R700 RS1/10S1R2J
R836,R837 RS1/16S1001F
R807,R831,R832 RS1/16S1201F
R806 RS1/16S1501F
R363,R365 RS1/16S1503F
R825 RS1/16S1800F
R834,R835 RS1/16S1801F
R822-R824,R826,R827 RS1/16S2000F
R830 RS1/16S2002F
R805 RS1/16S2701F
R833 RS1/16S3902F
R361,R364 RS1/16S6202F
Other Resistors RS1/16S J
OTHERS
CN4 FFC CONNECTOR DKN1193
X2 CHIP CERALOCK (20MHz) DSS1110
CN2 PH CONNECTOR S2B-PH-SM3
CN1 PH CONNECTOR S3B-PH-SM3
FLEXIBLE CABLE(07P) VDA1681
CN15,CN5 VKN1626
B TO B CONNECTOR 30P
CN3 8P FFC CONNECTOR VKN1763
X1 CRYSTAL RESONATOR VSS1147
(13.824MHz)
FLJB ASSY
SEMICONDUCTORS
IC202 BA4560F
IC401 LA7138M
IC201 PCM1716E
IC101 PE5185A
IC105 PQ025EZ5MZP
IC102 S-806D
IC104 TC74VHC125F
IC103 TC74VHCT125AF
Q255,Q401,Q411,Q421,Q431 2SA1037K
Q501,Q511,Q521 2SA1037K
Q291 2SC1740S
Q601 2SC2412K
Q253,Q254 2SD2114K
Q256 DTC114YK
D497 1SS355
D261 UDZS6.2B
COILS AND FILTERS
L401,L411,L421,L501,L511 LAU120J-TA
L521 LAU120J-TA
L101 LAU680J-TA
L601 NOISE FILTER RTF1167
SWITCH
S401 VSH1020
CAPACITORS
C403,C413,C423,C503,C513 CCSQCH180J50
C523 CCSQCH180J50
C257,C258 CCSQCH221J50
C255,C256 CCSQCH330J50
C251,C252 CCSQCH331J50
C438-C440,C497 CCSQCH470J50
C401,C402,C411,C412 CCSQCH6R0D50
C421,C422,C501,C502 CCSQCH6R0D50
C511,C512,C521,C522 CCSQCH6R0D50
C103 CEAL101M6R3
C264,C430,C431 CEAL470M16
C204,C208 CEAL470M6R3
C611 CEAT101M10
C259,C292,C293 CEAT101M16
C214,C215,C297 CEAT102M6R3
C605 CEAT1R0M50
C253,C254,C261,C262 CEAT470M25
C455,C459 CEAT471M6R3
C108,C110-C113,C122 CKSQYB102K50
C435-C437,C463 CKSQYB104K25
C102,C114,C116,C119,C120 CKSQYF104Z25
C172,C173,C178-C181,C183 CKSQYF104Z25
C185-C187,C203,C205-C207 CKSQYF104Z25
C212,C260,C263,C291,C294 CKSQYF104Z25
C410,C420,C432-C434,C441 CKSQYF104Z25
C471,C498,C510,C520,C561 CKSQYF104Z25
C602,C612 CKSQYF104Z25
C123 CKSQYF104Z50
RESISTORS
R265,R266 RN1/16SE1602D
R261,R262 RN1/16SE3302D
R451,R453,R455 RS1/10S62R0D
R401,R411,R421,R501,R511 RS1/10S8200D
R521 RS1/10S8200D
Other Resistors RS1/10S J
OTHERS
CN103,CN104
FJ CONNECTOR 4P
04R-FJ
CN101 FJ CONNECTOR 14P 14P-FJ
CN201 19P CONNECTOR 19R-1.25FJ
JA201 OPTICAL LINK OUT GP1FA550TZ
J101 CONNECTOR ASSY PF03GG2C10
JA491
REMOTE CONTROL JACK
RKN1004
IC150
REMOTE RECEIVER UNIT
TSOP1840XG1
V101 FL TUBE VAW1056
JA402 2P PIN JACK VKB1146
JA403 3P PIN JACK VKB1154
CN110 7P FFC CONNECTOR VKN1267
CN102,CN106 VKN1627
B TO B CONNECTOR 30P
FL HOLDER VNK4595
E

46
DV-535
Mark No. Description Part No. Mark No. Description Part No.
X101 CERAMIC RESONATOR VSS1142
(5MHz)
KEYB ASSY
SWITCHES
S701-S706 ASG7013
RESISTORS
All Resistors RS1/10S J
OTHERS
CN701 FJ CONNECTOR 4P 04P-FJ
PWSB ASSY
SWITCH
S802 ASG7013
RESISTORS
All Resistors RS1/10S J
OTHERS
CN801 FJ CONNECTOR 4P 04P-FJ
SCRB ASSY
SEMICONDUCTORS
IC401 MM1505XN
IC301 MM1507XN
Q101,Q202 2SA1037K
Q501,Q502,Q601,Q602 2SC1740S
Q102,Q201,Q203,Q204 2SC2412K
D101,D301,D302,D401,D402 1SS355
CAPACITORS
C404 CEAT100M50
C401,C501,C508,C601,C608 CEAT101M10
C301 CEAT471M10
C101,C102,C201,C302-C304 CKSQYF104Z25
C402,C403,C502,C503 CKSQYF104Z25
C602,C603 CKSQYF104Z25
RESISTORS
R201,R301,R401,R501,R601 RS1/10S68R0D
Other Resistors RS1/10S J
OTHERS
JA535 RGB CONNECTOR VKB1157
CN535 19P CONNECTOR VKN1775
PC BOARD (SCRB) VNP1764
POWER SUPPLY UNIT (VWR1330)
OTHERS
P101 PROTECTOR (800mA) AEK7063
P102 PROTECTOR (1.6A) AEK7066
FU101 FUSE (2.5A) REK1102
POWER SUPPLY UNIT (VWR1331)
OTHERS
P101 PROTECTOR (630mA) VZE1001
P102 PROTECTOR (1.25A) VZE1003
P103 PROTECTOR (1.6A) VZE1004
G
F
I
H
I
6. ADJUSTMENT
There is no information to be shown in this chapter.
Note : When the fuse(F001) on VWR1331 blow out, VWR1331 might
be damaged.
At that time, exchange VWR1331 for VWR1330.

47
DV-535
7. GENERAL INFORMATION
7.1 DIAGNOSIS
7.1.1 SELF-DIAGNOSTIC FUNCTION OF PICKUP DEFECTIVE
Character in bold : Item name
: Information display
Test Mode Screen Display
Laser diode current value
Symptom
• Indicates "No Disc" in FL display.
• Player does not playback, etc..
Note : When a DVD disc is played in the test mode, this function is effective.
This function is effective only for DVD pickup (650nm).
Procedure of Self-Diagnosis
1Press the → buttons (of the test mode remote control unit : GGF1067) in the test mode screen, and turn on the
laser diode (It light-up for nine seconds.).
2Confirm the indicated value of the laser diode current (LDI).
3When indicated value is more than 110, pickup is defective. → Release the Traverse Mechanism Assy.
TEST 1

48
DV-535
DVDM ASSY
SIDE B
Front Side
7.1.2 TEST POINTS LOCATION
IC1
IC19
IC2
C707
IC26 IC27
R389
Short-circuit at diagnosis
CN4
CN3 CN1
CN15
IC13
CN5
IC14
CN2
VCODR
SREQ
VREF
VREF
TP3 (TE)
TP1 (FE)
TP2 (RFO)
TP4 (FDO)

49
DV-535
Remote control code
Key code
Mechanism position value and
slider position
Output video system and
Skirt terminal output
FL controller version and
region setting for the player
Port No. of Flash ROM and
system controller
System controller revision
Flash ROM version and Flash ROM size
FL controller destination setting
AV1 chip version
DVD mechanism controller revision
(Control and part No. of GUI-ROM)
Character in bold : Item name
: Information display
Test Mode Screen Display
(First Screen Display)
• Screen Composition
Address
Background color
Tracking status and
Laser diode current value
Spindle status and AFB status
AGC setting
FTS servo IC information
C1 error value of CD and DVD
Internal operation mode of
the mechanism control
Disc judgment and
CD 1/3 beam switch
Equalizer value and
jitter value
7.1.3 TEST MODE SCREEN DISPLAY
TEST MODE SCREEN DISPLAY
Consecutive double-OSD display is supported during test mode. The screen is composed 10 lines with a maximum of 32 characters per line.
It can't be used with the debugging display mode together.
Caution :
The first screen and second screen switch by pressing [DISPLAY]
key of the remote control unit.
It is only a version display part on the lower right of the screen
those contents of display change.
ATB : ON/OFF information display and AGC manual setting display
deleted with the second generation.
The displays of Tilt error value, Tilt servo status and pickup
DVD/CLD display deleted with the third generation becomes LD
part is deleted.
• Description of Each Item on the Display
(1) Address indication
The address being traced is displayed in number.
DVD : ID indication (hexadecimal number, 8 digits)
[ ∗ ∗ ∗ ∗ ∗ ∗ ∗ ∗ ]
CD : A-TIME (min. sec.) [ 0 0 0 0 ∗ ∗ ∗ ∗ ]
(Note : For DVDs, decimal-number indication is possible.)
(2) Code indication of the remote control unit [R – ∗ ∗ ∗ ∗]
The code for the key pressed on the remote control unit, which
is received by the FL controller, is displayed while the key is
pressed. In the case of the double code, the second code will
be displayed.
(3) Key code indication for the main unit [K – ∗ ∗ ]
The code for the key pressed on the main unit, which is
received by the system controller, is displayed while the key is
pressed.
(4) Background color indication [C – R∗ ∗ G∗ ∗ B∗ ∗]
(5) 1Tracking status [TRKG – ∗∗∗]
Tracking on [ON ]
Tracking off [OFF]
2Laser diode current value [LDI – ∗∗∗]
(6) 1 Spindle status [SPDL – ∗ ∗ ∗]
Spindle accelerator and brake, free-runnimg [A/B]
FG servo [FG]
Rough, velocity phase servo [SRV]
Offset addition, rough, velocity phase servo [O_S]
2 AFB status [AFB – ∗ ∗]
ON [ON ]
OFF [OFF]
(7) Mechanism position value [M – ∗]
Position code [1] to [3]
(8) Slider position [S – ∗ ∗ ∗ ∗]
CD TOC area [IN ]
CD active area [CD ]
(9) AGC setting [AGC – ∗ ∗]
AGC on [AGC-ON]
AGC off [AGC-OFF]
50
DV-535
(10) Output video system [V – ∗ ∗ ∗ ∗]
NTSC system [NTSC]
PAL system [PAL ]
Auto-setting [AUTO]
Skirt terminal output [SK – ∗ ∗]
VIDEO [00]
S-VIDEO [01]
RGB [02]
Note : Display only the model which can do the output setting of
skirt terminal.
(11) FTS servo IC information
DSP coefficient indication [KS – [∗ ∗ ∗ ∗] ∗ ∗ ∗ ∗ ]
Displays the address (four digits) of the specified coefficient
and the setting value (four digits) with [TEST] and [9] keys.
(12) Error rate indication
1 C1 error value of CD [ER – C1 ∗ ∗ ∗ ∗ ]
2 C1 error value of DVD [ER – ∗ ∗ ∗ ∗ ∗ ∗ ∗ ∗ ]
(13) Internal operation mode of mechanism controller
[MM – ∗ ∗ : ∗ ∗]
Internal mechanism mode (2 digits) and internal mechanism
step (2 digits) of the mechanism controller
(14) 1 Disk sensing [DSC – ∗ ∗ ∗]
The type of discs loaded is displayed.
[DVD], [CD ], [VCD], [ ]
2 CD 1/3 beam switch [BM – ∗ ∗]
(15) 1 Equalizer value [E – ∗ ∗]
2 Jitter value [J – ∗ ∗]
nake the jitter four times, and renew it in every one
second. [4 – * *]
CD is effective only in the jitter value.
(16) Version of the AV-1 chip [ AV : ∗ . ∗ ∗' ∗' ]
(17) 1 Version of the FL controller [FL : ∗ ∗ ∗ ∗]
2 Region setting of the player [REG : ∗ ]
Setting value [1] to [6]
(18) Destination setting of the FL controller
[MDL : ∗ ∗ ∗ ∗ / ∗ ∗ ∗ ]
For charactors in front represent the type of model :
There charactors that follow represent the destination code.
J : /J, K : /KU, /KC, /KU/KC, R : /RAM, /RL, /RD, /LB,
WY : /WY
(19) The part number of the flash ROM and system
controller [∗ ∗ ∗ ∗ ∗ ∗ / ∗ ∗ ∗ ∗ ∗ ∗ ∗]
1Part number of the flash ROM <Front>
(Example) VYW1536-A = W1536A
(Example) PD6256A9 = 6256A9
2Part number of the system controller <Rear>
(Example) PD3381T1 = 3381T1
(20) 1 Version of the flash ROM [V : ∗ . ∗ ∗ ∗]
2 Flash ROM size [FLSH = ∗]
(21) Revision of the system controller [S : ∗ . ∗ ∗ ∗ / ∗ . ∗ ∗ ]
1Revision number of the external ROM part (flash ROM) of
the system controller <Front>
2Revision of the internal ROM part of the system controller
<Rear>
(22) Revision of the DVD mechanism controller
[M : ∗ . ∗ ∗ ∗]
Revision number of the external ROM part (flash ROM) of the
DVD mechanism controller
(23) Control and part numbers of the GUI-ROM
[GUI : ∗ ∗ ∗ ∗]
No GUI model displays as "––– / ––––".
OEM model displays the part number of GUI-ROM
[GUI : * * * *]

51
DV-535
DEBUGGING SCREEN SPECIFICATION FOR THE MECHANISM CONTROLLER
3 Indication Contents
1. The error that became the trigger that an error of 2
occurred.
There are many cases same as 2.
2. The error number that transferred to the system
controller
Refer to the error list about contents of error number.
3. Code read in state (it does not support in this unit)
When X is indicated, ID or subcode are not able to read in.
When X is not indicated, they are able to read in.
4. ID or subcode (it does not support in this unit)
Subcode indicates the A time.
5. Inside mode of the mechanism controller when an error
of 1 occurred
It can indicate to a maximum 10 mode. Indicate it in order of
an old mode from the left, and go right, and become a new
mode. Indicate only a nest share of the mode.
6. Processing step of inside mode of 5
It can grasp the mode reaching an error and transition of step
by watching 5 and 6 and it can specify the occurrence place of
most errors.
7. Disk information in the mechanism controller
? : Indistinctness
NO : There is no disc
DVD 1 : DVD single layer
DVD 2 : DVD dual layer
CD : CD
CDR : CD-R or CD-RW
CDR P : PRD of CD-R or CD-RW
8. As a result of 8cm /12cm distinction
? : Indistinctness (undistinction)
8 : 8 cm
12 : 12 cm
9. OEIC gain (it does not support in this unit)
H : OEIC HIGH gain
L : OEIC LOW gain
10. SGC gain for LD of 780nm
It indicates a step using in the mechanism controller inside
with a hexadecimal number.
Set the gain so that S curve becomes 1.8V (p-p) in disc
distinction.
11. SGC gain for LD of 650nm For L0.
It indicates a step using in the mechanism controller inside
with a hexadecimal number. Set a gain so that S curve
becomes 1.8V (p-p) in disc distinction.
12. SGC gain for LD of 650nm For L1.
It indicates a step using in the mechanism controller inside
with a hexadecimal number. Set a gain so that a S curve
becomes 1.8V (p-p) in disc distinction.
13. RF count value for disc distinction
RF count value to use the disc distinction. It compares
threshold value of 14 and 15 and distinguishes the disc.
14. Disc distinction threshold value (DVD and CD)
Threshold value of the disc distinction. Distinguish it from
DVD if bigger than this value, and distinguish it from CD if
small.
1 Indication Method of The Mechanism Controller Debugging Screen
A debugging screen of the mechanism controller is indicated when pressing the test mode remote control unit [GGF1067] in
order of the and buttons.
Releace from debugging screen display of the mechanism controller with the button.
ESC
ESC
CHP/TM
2 Screen Layout
• This specifications is subject to change without notice.
52
DV-535
15. Disc distinction threshold value (CD and unrecorded
disc)
Threshold value of the disc distinction. Distinguish it from
CD if bigger than this value, and distinguish it from an
unrecorded disc if small.
16. Current jitter value
Indicate the value that was read in from the MY-CHIP in
DVD, and indicate the value that was read in from the servo
DSP in CD.
17. Focus balance setting value of L0
18. Focus balance setting value of L1
19. Current mechanism controller inside mode
(it does not support in this unit)
It can indicate to a maximum 10 modes. Indicate only a nest
share of the mode.
20. Processing step of 11 inside modes
(it does not support in this unit)
It can grasp the current mode, the mode reaching it and
transition of step by watching 19 and 20.
21. Spindle control state of MY-CHIP
(it does not support in this unit)
OFF : Motor off condition
A/B : Accelerator and brakes
FG : FG servo
RVP : Rough speed phase servo
ORVP : Rough speed phase servo of offset addition
22. Rotation number of spindle motor
Do not FG read in ? indication (during spindle stop).
23. Tracking error generation system
(it does not support in this unit)
1: 1 beam (DPD)
3: 3 beams
24. TZC count value (it does not support in this unit)
The value that counted the number of TZC for one rotation in
the tracking open state.
When this value is more than 512 with CD, set it in 1 beam
because the eccentric is large.
DVD does not measure it because it is 1 beam fixed
(indication is 0000).
25. It indicates the frequency that entered the focus backup
Hexadecimal number indication. Counter does not reset till
turns the power off after turning it on. Due to a 1 byte
counter, next of FF becomes 00.
26. It indicates focus backup limit frequency with the
hexadecimal number
Initial value is 14H, it does decrement whenever enter the
focus backup and it gives up backup if it became 0. Then the
error is generated. After reverted from the backup, When not
enter the backup and pass fixed time (1500ms), return to
initial value again.
27. It indicates the frequency that entered the internal
circumference plunging into backup of the sled
Hexadecimal number indication. Counter does not reset till
turns the power off after turning it on. Due to a 1 byte
counter, next of FF becomes 00.
28. It indicates the frequency that entered the tracking
overrun backup
Hexadecimal number indication. Counter does not reset till
turns the power off after turning it on. Due to a 1 byte
counter, next of FF becomes 00.
29. It indicates the limit frequency of tracking overrun
backup with a hexadecimal number
Initial value is 03H, it does decrement whenever enter the
tracking overrun backup and it gives up backup if it became
0.
30. It indicates the frequency that entered sled overrun
backup
Hexadecimal number indication. Counter does not reset till
turns the power off after turning it on. Due to a 1 byte
counter, next of FF becomes 00.
31. It indicates the limit frequency of sled overrun backup
with a hexadecimal number
Initial value is 03H, it does decrement whenever enter the
sled overrun backup and it gives up backup if it became 0.
32. It indicates the frequency that entered the tracking close
NG backup
Hexadecimal number indication. Counter does not reset till
turns the power off after turning it on. Next of FF is be a 1
byte counter in 00.
The hexadecimal number indication which indicates the
frequency that reads
33. ID/subQ, and entered NG backup
Hexadecimal number indication. A counter does not reset it
till cuts it off after turning it on. Due to a 1 byte counter, next
of FF becomes 00.
34. An address to indicate in 35
Set it by using RS232.I
(an address) Set it with DA.
35. Contents of an address indicated in 34.

53
DV-535
7.1.4 TROUBLE SHOOTING
• No Power ON
• FL is not turned ON
• FL indication is unusual
START
Is FL turn on ?
Is tray open ?
Is the indication
of FL normal ?
Do the video and
sound come on ?
Power ON
Yes
Yes
Yes
Yes
No
No
No
Turn on the power again
after 2 - 3 minutes.
• Blow out fuse of the primary side
• Blow out micro-fuse on the POWER SUPPLY Assy. (Check the each voltage.)
(KU, KC : P202, P204, P205, P201)
(Others : P611, P211, P711)
• FL controller IC (IC101) on the FLKY Assy is damaged.
• Blow out micro-fuse on the POWER SUPPLY Assy.
(KU, KC : P201)
(Others : P711)
• Check the connection between PICKUP Assy and DVDM Assy.
(14P flexible cable)
• Check the +6V power supply voltage (above micro fuse).
FL indication is dark or flickers.
No
Indicates the error message Refer to the section "7.1.5 ERROR CODE".
Refer to the section "7.1.5 ERROR CODE".
Check the connection between FLJB Assy and DVDM Assy.
Indicate the error message.
• Check the following connections :
POWER SUPPLY Assy - DVDM Assy
DVDM Assy - FLKY Assy
FLKY Assy - PWSB Assy
• Check each voltage (EV+5V, SW+5V, SW+3.3V, +6V and +12V)
(If above voltage are not supplied, check the micro-fuse.)
• Short or open the zenner diode
on the POWER SUPPLY Assy.
(KU, KC : D207)
(Others : D513)
• Check the values of R110 - R120
on the FLKY Assy.
OK

54
DV-535
FL Display Possible causes Operation of the unit
AV1 VER AV-1 chip is not a match with the program of system controller The sound may not out
with the specific audio.
CPU AERR CPU address error (Hardware is unusual.) No operation
DMA AERR DMA address error (Hardware is unusual.) No operation
FLASH ID Difference in versions of the internal ROM of the system controller and of the flash ROM,
or bus line failure or reverse installation No operation
FLASH WRP Write protect error of the flash ROM No operation
FLASH SIG Difference in part number of the flash ROM
(When the ROM which could't be used was used.) No operation
FLASH SUM Check sum error of the flash ROM (It exceeds the regular size.) or reverse
installation (Hardware is unusual.) No operation
FLASH SIZE Size error of the flash ROM (Use 4 or 8 M-bit.) No operation
ILLGAL The system controller fetched a code other than an operation code (Hardware is unusual.) No operation
RESERVE Undefined interrupt (Hardware is unusual.) No operation
SLOT Inappropriate slot command issued (Hardware is unusual.) No operation
Error codes that are displayed on the FL display without using the remote control unit
7.1.5 ERROR CODE
Error codes that are displayed on the FL display by using the remote control unit
(Mechanism controller error)
To display: ESC + DISPLAY + DISPLAY; Location of the display: At the two digits of center of the FL display
To display the error history: ESC + DISPLAY + One shot; Location of the display: TV screen
FL Description
of Error Causes if with a DVD Causes if with a CD Operation of the Unit
11 Search timeout Search could not be complete within 7
seconds.
Search could not be complete within 7
seconds, and it could not enter the target
area within 7 seconds by VCD scan.
CD : Stops,
DVD : Continues operation
12 Search retry
error
A search could not be completed after 3
retries, search backup was executed 4
times, or in a case of timeout (6 seconds)
while the unit was tracing 11 tracks or
more beyond the target while the search
operation was converging.
Backup against slider skip was executed
4 times during a search, or slider skip
twice resulted in starting from the read-in
point.
CD : Stops,
DVD : Continues operation
19 Tracing timeout
while converging Timeout (10.5 seconds) while tracing at
the stage of convergence of a search. Stop
1B Index 0 search
error
During Track (Index) Search, the search
for the beginning of a program could not
be completed within 3 seconds (20
seconds in the case of Index Search)
after positioning based on the TOC data
was completed.
Stop
22 Timeout of slider
inner
circumference Inside switch could not ON within 3 seconds. Stop
23 Timeout of slider
outer
circumference Inside switch could not OFF within 2 seconds. Stop
33 No FOK pulse
during
playback CLVA When the focus was deviated continuously 20 times.
Adjusts focus at the innermost
circumference and tries to return
to its position where the error
was generated (for 3 times),then
opens. If the same error persists
after one retry, the tray opens.
(No FOK pulse)
38 Disc-type-
sensing error
If normal starting was impossible in the following three cases, disc-type sensing will
be retried if other errors occure excepting C5 error. However, when the focus error
"33" was occured continuously 3 times, it is finished as "38 error" at the moment:
(1) startup with the first disc-type-sensing result, (2) forced startup with another disc
by designating the disc type, (3) forced startup with the original disc by designating
the disc type.
Open

55
DV-535
FL Description
of Error Causes if with a DVD Causes if with a CD Operation of the
39 SGC converge
timeout SGC could not converge during detects the peak Open
41 Spindle timeout The unit did not enter Stop mode within 10 seconds of issuance of a Stop command. Stop
48 Spindle FG
transition timeout
The spindle could not converge into within ± 12% of
the target FG rotation speed within 10 seconds after
spindle kick. The first time after startup (the first time
after disc distinction), it doesn't become the number of
the target rotation within five seconds. The first time
after startup, detects the abnormal rotation number of
high-speed continuously 3 loops. DVD: 5 to 9 mS ,
CD: 40 to 60 mS
Stops. (FG timeout)
49 Spindle PLL
transition timeout
After the second times after startup, it doesn't become the number of the target rotation
within five seconds. Detects the abnormal high-speed or low-speed rotations. DVD: 5 to
9 mS , CD: 40 to 60 mS
Stops.
("73" is displayed during
starting process.)
4A Spindle lock timeout Spindle could not lock more than 1.5 seconds before start the AFB. Stops.
("73" is displayed during
starting process.)
51 Auto sequence
timeout of peak ABUSY did not return within 1 second after the
DDTCT (peak detection) command was sent. Stop
52 Auto sequence
timeout of focus
jump down
ABUSY did not return within 30 mS after the FJMPD
(Focus jump 1 to 0) command was sent. Stop
53 Auto sequence
timeout of focus ABUSY did not return within 30 mS after the FJMPU
(Focus jump 0 to 1) command was sent. Stop
54 Auto sequence
timeout of play AGC ABUSY did not return within 50 mS after the GSUMON
(play-AGC-measuring) command was sent. Stop
55 Auto sequence
timeout of disc-type-
sensing
ABUSY did not return within 2 seconds after the
DJSRT (disc-sensing) command was sent. Stop
56 Auto sequence
timeout of ATB2
ABUSY did not return within 1 second after the
TBLOFS (Internal ATB after the completion of external
ATB) command was sent.
Stop
57 Auto sequence
timeout of tracking
servo ON
ABUSY did not return within 500 mS after the TSON
(tracking servo ON) command was sent. Stop
58 Auto sequence
timeout of ATB1 ABUSY did not return within 200 mS after the TBL
(external ATB) command was sent. Stop
59 Auto sequence
timeout of focus gain
adjustment
ABUSY did not return within 2 seconds after the FGN
(focus gain adjustment) command was sent. Stop
5A Auto sequence
timeout of tracking
gain adjustment
ABUSY did not return within 2 seconds after TGN
(tracking gain adjustment) command was sent. Stop
5B Auto sequence
timeout of offset
adjustment
ABUSY did not return within 1 second after the
CMDAVE (offset adjustment) command was sent. Stop
5C Auto sequence
timeout of
modulation factor
measurement
ABUSY did not return within 200 mS after the ADJMIR
(modulation factor measurement) command was sent. Stop
5D Auto sequence
timeout of auto focus
bias
ABUSY did not return within 2 seconds after the AFB
(auto focus bias) command was sent. Stop
5F Auto sequence
already busy
A command could not be sent because ABUSY was
low. ABUSY did not return within 200 mS after TLV
command was sent.
Stop
62 Pause retry error Pause mode could not be restored within three retries
after it had been released. Continues operation

56
DV-535
FL Description
of Error Causes if with a DVD Causes if with a CD Operation of the Unit
71 ID can not read
during tracing An ID could not be read for 1 second or more. Stop
72 Subcode check
failure during
playback
No frame could be read for 3
seconds or more. Stop
73 ID can not read at
the startup An ID could not be read within 1 second after the
AFB adjustment had been finished. Opens (ID readout failure)
74 Subcode check
failure during startup
No subcode could be read within 3
seconds after AFB adjustment had
been finished.
Opens (Subcode readout
failure).
81 Timeout for reading
TOC of the
mechanism
controller
TOC readout took 30 seconds or
more. Stop
82 Timeout for reading
TOC of the system
controller
Reading TOC of the system
controller took 30 seconds or more. Stop
A1 Communication
timeout of DSP
command
A command could not be issued to DSP because
Command Busy (XCBUSY) was in force
(XCBUSY = L) for a specified time (about 200
mS).
No operation
A2 Communication
timeout for reading
DSP coefficient
Command Busy (XCBUSY) was in force for a
specified time (about 200 mS) before and after a
coefficient read command was issued to DSP, or
the address echo-back after command issuance
did not match the setup address.
No operation
A3 Communication
timeout for writing
DSP coefficient
Command Busy (XCBUSY) was in force for a
specified time (about 1024 mS) before and after
the coefficient write command was issued to
DSP.
No operation
A4
Communication
timeout for
continuously writing
DSP coefficient
Command Busy (XCBUSY) was in force for 200
mS during continuous coefficient writing, or
before and after a continuous write command
was issued to DSP.
No operation
B1 Timeout error for
backup
In the tracing state during the backup sequence, codes could not be read for 1
second or more. In the backup sequence, tracking ON sequence of the servo DSP
could not be completed even if more than 500 mS after the tracking ON command
was issued.
Stops
B2 Retry error for
backup Tracing impossible after retring the tracking ON for 3 times in the backup sequence. Stops
B3 Retry error for trace During tracing, runaway was detected after three iterations of backup operations for
detecting runaway. Stops
C3 Detection of tracking
overcurrent During playback, the overcurrent detection port was at L for 300 ms or more
continuously.
Stops (the mechanical
controller operates
independently).
(C5) Short-circuit test
corresponding error While the power was on, the overcurrent detection port was at L for 40 ms or more
continuously.
Turns off the power
instantly (No indication on
the FL display and no
writing to flash memory)
E3 Violation against
digital copy guard Stops
F5 Tray being pushed The tray switch that had been Open mode was forcibly changed to a mode other than
Open by an external force. Closes
F8 Loading timeout Loading, unloading or clamping could not be completed within a specified time (about
5 seconds).
Reverses the loading
direction. It timeout is
repeated upon retry, the
unit stops.
FC Focus The following error occured eight times. (1) Focus ON sequence could not be
completed even if more than two seconds after the focus ON command (to the
servo DSP) was sent. (2) Focus IN sequence was finished, actually focus IN was not
completed.
Stops wherever possible
then opens (stops in the
case of side B).

57
DV-535
Error codes that are displayed on the FL display by using the remote control unit (Device error)
To display : ESC + DISPLAY + DISPLAY ; Location of the display : At the two digits of left of the FL display
FL Description of Error Causes if with a DVD Causes if with a CD Operation of the Unit
bit3=1 08 etc. AV1 access error
(read, write NG) No operation or it becomes debugging
indication if the power is able to ON.
bit2=1 04 etc. MY CHIP access error
bit1=1 01 etc. SRAM access error

58
DV-535
7.1.6 DISASSEMBLY
1
Remove the Bonnet (Screws × 8)
5
Pull out the AC Power Cord
Bonnet, Tray Panel
Note
1
1
Loading Mechanism Assy
4
Test Disc Clamp
2
Front Panel Assy
3
2
Power ON
4
Power OFF
3
3
3
2
4
3
1
Tray Open (0)
Remove the Connector
(×2)
2
Tray Close (0)
Test Disc
Front Panel Assy
Tray
Tray Panel
Disc Clamp
1
Unhook
(×3)
1
Unhook
(×3)
(×4)
2
Loading Mechanism Assy
When diagnosing the unit, be sure to use two connection cables for service. (Part No : GGD1228)
DIAGNOSIS OF PCBS

59
DV-535
2
2
2
2
FLJB Assy
Connection Cable
for Service
[GGD1228]
Connection Cable
for Service
[GGD1228]
DVDM Assy
DVDM Assy
Loading Mechanism Assy
Styling of the Connection Cables
6
Diagnosis (1)
7
1
Put the AC Power Cord
Diagnosis (2)
8
1
Remove the Rear Panel
(RDXJ/RB, RDXJ/RD, RDXJ1/RA: Screws × 7)
(WYXJ, WYXJ/SP, WVXJ, WYXQ: Screws × 9)
2
Remove the PCBs
(RDXJ/RB, RDXJ/RD, RDXJ1/RA: Screws × 8)
(WYXJ, WYXJ/SP, WVXJ, WYXQ: Screws × 10)
1
3
CN15
CN102
CN106
CN1 CN5
(×2)
4
3
2
Power ON
PWSB Assy
KEYB Assy
POWER SUPPLY Unit
FLJB Assy
Short Circuit R389
5
DVDM Assy
Note ;
1 : When does not short-circuit with R389, playback will not
be possible after the next steps.
2 : The tray cannot be opened while R389 is short-circuited.
3 : Release the short-circuit after the Diagnosis (1) and
Diagnosis (2) are completed.
CN1
R389 Short circuit
(Bottom View)
7
8
SCRB Assy
WYXJ,WYXJ/SP,
WVXJ,WYXQ ONLY

60
DV-535
7
Open POWER SUPPLY
ASSY side
Short SW
Pickup
Flexible
Cable
Short
1
Remove the Bonnet (Screws × 8)
DISASSEMBLY OF TRAVERSE
MECHANISM ASSY-S
2
Power ON
Bridge
3
3
Tray Open (0)
Unhook (×2)
Tray
Traverse Mechanism
Assy-S
Float Base
(Top View)
4
5
Unhook (×2)
8
Remove the Traverse mechanism assy-S
9
8 8
Unhook Unhook
6
Pull out the AC Power Cord

61
DV-535
• The information shown in the list is basic information and may not correspond exactly to that shown in the schematic diagrams.
LC78652W (DVDM ASSY : IC2)
• DSP IC
• Block Diagram
7.2 IC
•List of IC
LC78652W, PD3410A, MB86373B, PE5185A
33
FE
32
TE
29
TILTE
30
RF_PH
31
RF_BH
28
JITT
26
TES
51
HFLIO
81
VPDO
15
XOUT
73
BUSYB
8
XTALOUT
100
LEFM
97
LEFM2
52
LASER
92
JV
MPX Servo
Processor
(16×16+32→32)
8bit
A/D 8bit
D/A
CMP
Track Counter
56
PP2/EVENT Event Counter
55
FG
39
EFMIN
80
VCOC
96
DVDSYNC
14
XIN
58
CSB
94
ADRAO
60
WRB
59
RDB
91
CDFR
90
DVDFR
1
EFMOUT
SLCIST1,2
FG Counter
SLC CLV
PLL Frame Synchronous
Detection, Protection,
Insertion EFM
Demodulation
Error Detect
Correction
C1-Twofold,
C2-Fourfold
Supplement/Mute
D Attenuate
Deemphasis Filter
Clock
Generator
Command
Interface
34,35
SLCO1,2
36,37
PCKIST1,2
87,88
PD01-3
83-85
P0-7
63-70
PP0-3
93
PCK
For De-Interleave
16k SRAM
DOUT
Serial Out
Sub Code
Decode
CRC
DVD Lock
Detection
74
SQOUT
47
FDO
48
TDO
45
SLDO
46
SPDO
44
TBAL
43
TILTDO
42
AUXO
24
DRF
22
FAST
95
DVDSYEQ
23
V_PB
21
FSEQ
77
WRQ
17
EMPH
4
ROMCK
5
LRSY
19
DOUT
3
ROMXA
57
RESB
2
C2F
20
EFLG
9
FSX
12
PW
18
SBSY
11
SFSY
75
CQCKB
TEST1-4
76
RWC
10
SBCK
25,27
38,50
7
FBUSYB
General Purpose Register
53,54
,56

62
DV-535
•Pin Function
.oNemaNniPO/InoitcnuF
1TUOMFEO MFEeulavdetats-yranibsawtahtetatsehttuptuO
2F2COtuptuogalf2C
3AXMORO tuptuoatadMOR-DC
4KCMORO tuptuoatadMOR-DCroftuptuokcolctfihS
5YSRLO tuptuoatadMOR-DCroftuptuokcolcR/L
63PPO/I tuptuoDO-hcNtupnilangis.cnysDVD/tuptuo/tupnitropesoprup-lareneG
7BYSUBFO tuptuoDO-hcNnoitarepossecorpPSDfotuptuolangisysuB
8TUOLATXO tuptuokcolcmetsyslanretxE
9XSFO tuptuolangis.cnysemarf1DC
01KCBSI tupnikcolctuognidaeredocbuS
11YSFSO edocbusfotuptuolangis.cnysemarF
21WPO tuptuoWdnaV,U,T,S,R,Q,PedocbuS
31SSV −nipDNG
41NIXI )zHM4439.61(rotanoserlatsyrcatcennoC
51TUOXO rotanoserlatsyrcatcennoC
611DDVD −tiucricnoitallicsoehtfoylppusrewopV3.3
71HPMEO sisahpmeedehtfoniprotinoM
81YSBSO kcolbedocbusehtfotuptuolangis.cnyS
91TUODO tuptuoatadJAIEoiduA
02GLFEO 2Cdna1CnoitcerrocrorreehtforotinometatsnoitcerrocrorrE
12QESFO langis.cnysemarfDVD/DCehtforotinomnoitceteD
22TSAFO tuptuoDO-hcNrotinomdeepskcabyalP
32BP_VO lortnocVLC/ovreshguorehtfotuptuorotinoM
42FRDO rotinomsucofnI
523TSETI3tupnitseT
62SETI tupnilangisrorregnikcarT
722TSETI2tupnitseT
82TTIJI LLPMFEfotupnilangisgnitcetedytitnauqrettiJ
92ETLITI tupnilangisrorretliT
03HP_FRI tupnilangisdlohkaepFR
13HB_FRI tupnilangisdlohmottobFR
23 ET ItupnilangisrorregnikcarT
33EFI tupnilangisrorresucoF
431TSICLS −CLSrofpmupegrahctnerructnatsnocehtfo1nipgnittestnerruC
532TSICLS −CLSrofpmupegrahctnerructnatsnocehtfo2nipgnittestnerruC
631OCLSO CLSrof1tuptuolortnoC
732OCLSO CLSrof2tuptuolortnoC
831TSETI1tupnitseT
93NIMFEI tupni+MFE/MFE
04DDVA −ovresrofA/DdnaD/AfoylppusrewopV5
14SSVA −ovresrofA/DdnaD/AfoDNG
24OXUAO tuptuoyrailixuaAD
34ODTLITO tuptuolangislortnoctliT
44LABTO tuptuolangislortnocecnalabgnikcarT
54ODLSO tuptuolangislortnocdelS
64ODPSO tuptuolangislortnoceldnipS
74ODFO tuptuolangislortnocsucoF
84ODTO tuptuolangislortnocgnikcarT
94FERV −ovresrofA/DfolevelecnerefeR
054TSETI4tupnitseT

63
DV-535
.oNemaNniPO/InoitcnuFniP
15OILFHO/Ituptuo/tupnilangisnoitcetedrorriM
25RESALO lortnocFFO/NOresalrofniptuptuO
35BDC_DVD/0PPO/ItuptuolangisnoitanimircsidcsiD/tuptuo/tupnitropesoprup-lareneG
45BRRECRC/1PPO/I tuptuolangistluserCRCedocbuS/tuptuo/tupnitropesoprup-lareneG
55GFI tupniretnuocGF
65TNEVE/2PPO/ItupniretnuoctnevE/tuptuo/tupnitropesoprup-lareneG
75BSERItupniteseR
85BSCI tupnitcelespihC
95BDRI tupnilangisgnidaeretatslanretnI
06BRWI tupnilangisgnitirwatad/dnammoC
162DDVD −ylppusrewopV5
26SSV −DNG
360P
O/Ituptuo/tupniatad/dnammoC
461P
562P
663P
764P
865P
966P
077P
17SSV −DNG
271DDVD −lanretnirofylppusrewopV3.3
37BYSUBO ssecorpdnammocfotuptuolangisysuB
47TUOQSO QedocbusfotuptuolaireS
57BKCQCI tuptuoatadQedocbusroftupnikcolctfihS
67CWRI QedocbusfotupninoissimrepetadpU
77QRWO QedocbusforotinomydaertuodaeR
87SSVA −kcolcmetsyslanretnirofDNGLLP
97RFPRV −kcolcmetsysrofLLPfognittesegnarnoitallicsoOCV
08COCVI kcolcmetsysrofretlifLLPatcennoC
18ODPVO
28 DDVA −kcolcmetsysrofylppusrewopV5LLP
381ODPO/IkcabyalpMFErof1nipnoitcennocretlifLLP
482ODPO/IkcabyalpMFErof2nipnoitcennocretlifLLP
583ODPO/IkcabyalpMFErof3nipnoitcennocretlifLLP
68SSVA −kcabyalpMFErofDNGLLP
781TSIKCP −kcabyalpMFErofpmupegrahctnerructnatsnocLLPfo1gnittestnerruC
882TSIKCP −kcabyalpMFErofpmupegrahctnerructnatsnocLLPfo2gnittestnerruC
98DDVA −kcabyalpMFErofylppusrewopV5LLP
09RFDVD −1kcabyalpMFErofLLPfognittesegnarnoitallicsoOCV
19RFDC −2kcabyalpMFErofLLPfognittesegnarnoitallicsoOCV
29VJO kcabyalpMFErofkcolcLLPfotuptuorettiJ
39KCPO kcabyalpMFEroftuptuokcolctiB
49OARDAItupnisserddA
59QEYSDVDI tupnieslupezinorhcnysDVD
69CNYSDVDI tupnilangissuonorhcnysDVD
792MFELO 2KCPhtiwMFEeulavdetats-yranibsawhcihwlangisatuodnatuctahtetatsehttuptuO
891DDVD −O/IrofylppusrewopV3.3
99SSV −DNG
001MFELO 1KCPhtiwMFEeulavdetats-yranibsawhcihwlangisatuodnatuctahtetatsehttuptuO

64
DV-535
PD3410A (DVDM ASSY : IC11)
• System Control IC
• Pin Function
.oNkraMemaNniPO/InoitcnuF
1LSACX/3SCX3SCXO tuptuolangistcelespihc)PIHCYM(A5994DP
2DNGDNG −DNG
3KCKCUPCHO.C.N
4CCVD3+V −D3+V
5KLCIP −O/I.C.N
6ATADIP −O/I.C.N
7DNGDNG −DNG
80HTROP −O.C.N
91HTROP −O.C.N
012HTROPHVM63O )rotarenegkcolC(F8512UB
113HTROP2LES_VO ]ledomYW[lanimrettriksehtfotuptuolangisgnihctiwsS/etisopmoC
21CCVD3+V −D3+V
314HTROP −O.C.N
415HTROP −O.C.N
516HTROP −O.C.N
617HTROP −O.C.N
71DNGDNG −DNG
81LATXELATXEI rotanosercimarecatcennoC
91LATXLATXO
02CCVD3+V −D3+V
120GTROP0FDSCXO (tuptuolangistcelespihcCAD ←)3TALX
221GTROP −O.C.N
322GTROP −O.C.N
423GTROP −O.C.N
524GTROP −O.C.N
62DNGDNG −DNG
725GTROP −O.C.N
826GTROP −O.C.N
927GTROPETUMAXO oiduaehtfotuptuolangisetumegatstsaL
030FTROP84X44O tuptuolangisgnihctiwsSF84/44CAD
131FTROP −I.C.N
232FTROPNOD3O tuptuolangisgnihctiwsssapyb/NOoiduaD3
33CCVD3+V −D3+V
433FTROP −O.C.N
534FTROPTSRSVAXO tropteser.cnyS
635FTROP −O.C.N

65
DV-535
.oNkraMemaNniPO/InoitcnuF
736FTROP −O.C.N
837FTROPEVSCXO ]ledomYW[redocneoedivehtfotuptuolangiselbanenoitacinummoclaireS
93DNGDNG −DNG
04SSVADNG −DNG
14CCVAD3+V −D3+V
24P_ATUOVRDOLO tuptuoevirdgnidaoL
34FERVD3+V −D3+V
44P_BTUOIETO tuptuolangistesffognikcarT
54SSVADNG −DNG
64SSVADNG −DNG
740ETROPLES_VO tuptuolangisgnihctiwsetisopmoc/tnenopmoC
841ETROP −I.C.N
942ETROP −I.C.N
053ETROP1TSFOFO/I1tuptuotnemtsujdatesffosucoF
154ETROP2TSFOFO/I2tuptuotnemtsujdatesffosucoF
255ETROPHNIFDXO/ItuptuolangistnuhstcefeD
356ETROPDCX/DVDO tuptuolangisgnihctiwsDC/DVD
457ETROPNO_1DLO tuptuolangisNOedoidresalmn056
550DTROPNO_2DLO tuptuolangisNOedoidresalmn087
65CCVD3+V −D3+V
751DTROPET/DPDO tuptuolangisgnihctiwssmaeb3/maeb1
852DTROPFFOGAO CIFRfotuptuolangisgnihctiwsFFO/NOCGA
953DTROPX2DCXO )DCV(kcabyalpdeepselbuodehtgnihctiwsroftuptuolangiS
064DTROPGCIEOO tuptuolangisgnihctiwsniagCIEO
16DNGDNG −DNG
265DTROPNOMXO tuptuolortnocrotomeldnipsehtfotuptuolangisgnihctiwsFFO/NO
366DTROP −O.C.N
467DTROP −I.C.N
560JTROPTUMVRDXO tuptuoetumrevirD
661JTROP −O.C.N
762JTROPTSRPSDXO teserPSDovreS
863JTROP −I.C.N
96CCVD3+V −D3+V
074JTROPTNE_MTI yrtneedomtseT
175JTROP −O.C.N
276JTROPWS_LESVI tupniWSetisopmoc/tnenopmoC
377JTROP −I.C.N
472ACOIT/0BPYSUBCXI tupniysubdnammoC
572BCOIT/1BPYSUBAXI tupniysubecneuqes-otuA
673ACOIT/2BP2TNIXI )1-VA(2tupnitpurretnI
77CCVD3+V −D3+V
873BCOIT/3BP1TLO rellortnocLFehtottuptuolangisesnopsernoitacinummoC
974ACOIT/4BPYSBSI tupni.cnyskcolbedocbuS
08TSETMX −I)D3+V(lanimrettseT
18DMUPCX −I)D3+V(lanimrettseT
28SERXTESERXItupniteseR

66
DV-535
.oNkraMemaNniPO/InoitcnuF
38DNGDNG −DNG
480NASOPDOLI tupninoitisopgnidaoL
581NASOPDLSI tupninoitisopredilS
682NA −I.C.N
783NAWS_PANI tupniWSLAP/OTUA/CSTN
884NAMEOXI noitcetorpledomMEOfolanimrettupnI
985NADAEDDLI yalpsideulavtnerrucDLroftupnI
096NA −I.C.N
197NA −I.C.N
29fervAD3+V −D3+V
39CCVAD3+V −D3+V
49SSVADNG −DNG
594BCOIT/5BP −I.C.N
69CKLCT/4AXCOIT/6BPF2CItupnirorre2C
79DKLCT/4BXCOIT/7BPYDRXI rellortnocLFehtmorftupnitseuqernoitacinummoC
890DxR/8BPISSI )rellortnocLF(tupniatadlaireS
990DxT/9BPOSSO )rellortnocLF(tuptuoatadlaireS
001CCVD3+V −D3+V
1011DxR/01BPDXRI C232-SRehtfotupniataD
2011DxT/11BPDXTO C232-SRehtfotuptuoataD
3010KCS/4QRIX/21BPKCSSO/I)rellortnocLF(tuptuokcolclaireS
4011KCS/5QRIX/31BP01LQRIXI )PIHCYM(0#tupnitpurretnI
501DNGDNG −DNG
6016QRIX/41BP11LQRIXI )PIHCYM(1#tupnitpurretnI
7017QRIX/51BP0TNIXI )1-VA(0#tupnitpurretnI
8010ACOIT/4SCX/0AP4SCXO tuptuolangistcelespihcPSDovreS
901SARX/5SCX/1AP −O.C.N
0110BCOIT/6SCX/2AP6SCXO tuptuolangistcelespihc1-VA
111TIAWXTIAWXI tupnilangistiaW
211LRWXLRWXO LtuptuoeslupetirW
311DNGDNG −DNG
411HRWXHRWXO HtuptuoeslupetirW
511DRXDRXO tuptuoeslupdaeR
611KCABX/7APTEDRUCXI tupnilangisnoitcetedtnerruc-revO
711QERBX/8APSTCI tupnitimreprefsnartC232-SR
811 /TUOQRIX/HAX/9AP GRTDAX RTDO tuptuotimreprefsnartC232-SR
9111ACOIT/LPD/01AP1TNIXI )1-VA(1tupnitpurretnI
0211BCOIT/HPD/11APDLHTI tupnilangisdlohgnikcarT
121CCVD3+V −D3+V
221 /0KCAD/0QRIX/21AP AKLCT 0KCADO )PIHCYM(tuptuoesnopserAMD
321 /1QRIX/31AP BKLCT/0QERDX 0QERDXI )PIHCYM(tupnitseuqerAMD
4211KCADX/2QRIX/41AP1KCADXO )1-VA(tuptuoesnopserAMD
5211QERDX/3QRIX/51AP1QERDXI )1-VA(tupnitseuqerAMD
6210DA0DO/I0subataD

67
DV-535
.oNkraMemaNniPO/InoitcnuF
721DNGDNG −DNG
8211DA1DO/I1subataD
9212DA2DO/I2subataD
0313DA3DO/I3subataD
1314DA4DO/I4subataD
2315DA5DO/I5subataD
3316DA6DO/I6subataD
431CCVD3+V −D3+V
5317DA7DO/I7subataD
6318DA8DO/I8subataD
7319DA9DO/I9subataD
83101DA01DO/I01subataD
931DNGDNG −DNG
04111DA11DO/I11subataD
14121DA21DO/I21subataD
24131DA31DO/I31subataD
34141DA41DO/I41subataD
441CCVD3+V −D3+V
54151DA51DO/I51subataD
641)SBHX(0A0AO0subsserddA
7411A1AO1subsserddA
8412A2AO2subsserddA
941DNGDNG −DNG
0513A3AO3subsserddA
1514A4AO4subsserddA
2515A5AO5subsserddA
3516A6AO6subsserddA
4517A7AO7subsserddA
5518A8AO8subsserddA
6519A9AO9subsserddA
75101A01AO 01subsserddA
85111A11AO 11subsserddA
95121A21AO 21subsserddA
06131A31AO 31subsserddA
16141A41AO 41subsserddA
26151A51AO 51subsserddA
36161A61AO 61subsserddA
46171A71AO 71subsserddA
561CCVD3+V −D3+V
66181A81AO 81subsserddA
76191A91AO 91subsserddA
86102A02AO ]ledomMAR[02subsserddA
96112A12AO.C.N
071IMNXIMNXID3+V
171DNGDNG −DNG
27101SCX −O.C.N
37102SCX02SCXO MORhsalfehtfotuptuolangistcelespihC
47122SCX −O]ledomMEO[MORIUGehtfotuptuolangistcelespihC
57132SCX32SCXO MARSehtfotuptuolangistcelespihC
6712SCX −O.C.N

68
DV-535
MB86373B (DVDM ASSY : IC18)
• MPEG2 Decoder IC
• Block Diagram
Memory
Controller Block
Audio
Clock
Generation
Block
System
Clock
Generation
Block
Control
Block
Video
Decoder
Block
Sync.
Control
Block
Reset Signal
Starting
Signal
NTSC/PAL
Video Encoder
DAC
OSD Sub-
picture
MIX
Audio
Decoder
Block
System Clock
Clock for video
Clock for audio
LPF
VCO
Clock
Signal
Video Output (Y,C,Comp/Y,Cb,Cr)
Digital
Signal Output
(Component/
Composite)
System
Decoder Block
CPU
Interface
CPU
Clock
Generation
Block
27MHz
Audio Output
Internal
Bus
Reset
Signal
16Mbit
SDRAM
Exclusive
Parallel port
Input Signal
Picture
Block
Whole Control
Block
Video Output
Block

69
DV-535
• Pin Function
.oNemaNniPO/InoitcnuF.oNemaNniPO/InoitcnuF
1LESKLCI )FFO:"L",NO:"H"(LLPfolangisFFO/NO72DDV −ylppusrewopV5.2
27NPCGIDO )BSM(tuptuolangistnenopmoclatigiD )BSM()tib-9(tuptuolangisYlatigiD 824PMOCGID
O
tuptuolangisetisopmoclatigiD tuptuolangisClatigiD
3SSV −DNG923PMOCGID
46NPCGID
OtuptuolangistnenopmoclatigiD )tib-9(tuptuolangisYlatigiD
032PMOCGID
55NPCGID131PMOCGID
64NPCGID230PMOCGID )BSL(tuptuolangisetisopmoclatigiD )BSL(tuptuolangisClatigiD
73NPCGID33KCADO tuptuokcolczHM72
82NPCGID43.C.N −noitcennocnoN
91NPCGID533ASSV −)retrevnocA/D(DNG
01DDV −ylppusrewopV5.263CANAO langistuptuo)C(rolocgolanA
110NPCGIDO )BSL(tuptuolangistnenopmoclatigiD )BSL()tib-9(tuptuolangisYlatigiD 733ADDV −retrevnocA/Dni-tliubrof(ylppusrewopV5.2 )ylno
21LESBRO latigidehttalangisnoitanimircsidrCdnabC .tuptuolangistnenopmoc .tuptuolangisYlatigidehttaBSL 832ASSV −)retrevnocA/D(DNG
31SHXO langistuptuo.cnyslatnoziroH93YANAO langistuptuo)Y(ecnanimulgolanA
41SVXO langistuptuo.cnyslacitreV042ADDV −retrevnocA/Dni-tliubrof(ylppusrewopV5.2 )ylno
51 SSV −DNG14FERV IretrevnocA/DrofegatlovecnerefeR
61TESERXI langisteserISL24ORVO retrevnocA/DfonipgnittestnerruclanretnI
71CNYSCDLXI )edomDL(tupnilangis.cnyslanretxE344ADDV −retrevnocA/Dni-tliubrof(ylppusrewopV5.2 )ylno
81YEKO yalrevoDSOdnaDLroflangisYEK )edomDL( 441ASSV −)retrevnocA/D(DNG
91DPO folangistuptuotlusernosirapmocesahP )edomDL(.cnyslatnoziroh 54PMOCANAO langistuptuoetisopmocgolanA
02DLFVO langislatigidehttalangisnoitanimircsiddleiF dleifddo:Ldleifneve:Htuptuo 641ADDV −retrevnocA/Dni-tliubrof(ylppusrewopV5.2 )ylno
129PMOCGID
O
)BSM(tuptuolangisetisopmoclatigiD )BSM(tuptuolangisClatigiD 74FBO langisgalftsruB
228PMOCGID
tuptuolangisetisopmoclatigiD tuptuolangisClatigiD
84KLBXO langisgniknalbetisopmocV/H
327PMOCGID944TSETO ."nepo"ottes,yllamroN
426PMOCGID05SSV −DNG
525PMOCGID150TSETI ."nepo"ottes,yllamroN
62SSV −DNG251TSETI yllamronsutats"L"

70
DV-535
.oNemaNniPO/InoitcnuF.oNemaNniPO/InoitcnuF
35NIIADI )FIDPS(tupnilanretxefotupniatadlatigiD2901SRDAHI )BSM(langissubsserddaUPC
45ATADDCI tupnilanretxefotupniatadoiduA )DCotdnopserroc( 399SRDAH
IlangissubsserddaUPC55RLDCI tupnilanretxefotupnikcolclennahcataD )DCotdnopserroc( 498SRDAH
65KCBDCI tupnilanretxefotupnikcolcataD )DCotdnopserroc( 597SRDAH
753ATADOA
OatadedocedoiduA
69SSV −DNG
852ATADOA79DDV −ylppusrewopV5.2
951ATADOA896SRDAH
I
langissubsserddaUPC
06SSV −DNG995SRDAH
16DDV −ylppusrewopV5.20014SRDAH
260ATADOAO atadedocedoiduA1013SRDAH
36MCPOAO tuptuoecafretnioidualatigiD )atadnoisserpmoc( 2012SRDAH)BSL(langissubsserddaUPC
46IADOAO )atadedoced(tuptuoecafretnioidualatigiD30151ATADH
O/I
)BSM(langissubatadUPC
56KCRLO retliflatigiddnaA/DrofkcolclennahcataD40141ATADH
langissubatadUPC66KCMOAO retliflatigiddnaA/DrofkcolcretsaM50131ATADH
76 KCB OretliflatigiddnaA/DrofkcolctiB601 21ATADH
862TSET I."nepo"ottes,yllamroN 701SSV −DNG
963TSET80111ATADH
O/IlangissubatadUPC
07CN−noitcennocnoN90101ATADH
17TSRPSDXI ."nepo"ottes,yllamroN0119ATADH
27SSV −DNG1118ATADH
375TSETO ."nepo"ottes,yllamroN2117ATADH
47CN
−."nepo"ottes,yllamroN
3116ATADH
57CN411DDV −ylppusrewopV5.2
67CN5115ATADH
O/IlangissubatadUPC
77CN6114ATADH
877DSI tupniatadlellaraP7113ATADH
97DDV −ylppusrewopV5.28112ATADH
086DS
ItupniatadlellaraP
911SSV −DNG
185DS0211ATADH O/I langissubatadUPC
284DS1210ATADH)BSL(langissubatadUPC
383DS221LESSUBI langisnoitceleshtdiwsuB )subtib-61:1,subtib-8:0(
482DS321KCADSOXI langisegdelwonkcaatadDSO
58SSV −DNG421QERDSOXO langistseuqeratadDSO
681DS ItupniatadlellaraP 5211LESUPCH I,CRAPS:00(langisnoitcelesUPC )evreseR:11,metsys86:01,metsys68:10
780DS6210LESUPCH
88RREXI langistupnirorrE7213TNIX
OUPCehtotlangistseuqertpurretnI98KCASXI langisegdelwonkcA8212TNIX
09TSETXI esulamronta"H"otteS9211TNIX
19QERSO langistseuqerataD031SSV −DNG

71
DV-535
.oNemaNniPO/InoitcnuF.oNemaNniPO/InoitcnuF
131DDV −ylppusrewopV5.2071SACRDMXO MARDSroflangisSAC
2310TNIXO UPCotlangistseuqertpurretnI1711MQDRDMXO roflangiselbanetuptuo/ksamtupnI MARDS
331YDRTXEXO UPCotlangisydaeR:metsys86,CRAPS otlangis)KCA(egdelwonkcA:metsys68 UPC 271SSV −DNG
431WRHI langisetirw/daerUPC371EWRDMXO MARDSroflangiselbaneetirW
531NIKLCHI tupnikcolctsoH4710MQDRDMXO roflangiselbanetuptuo/ksamtupnI MARDS
631SCHXI langistcelespihcISL5718TADRDMO/IMARDSroflangissubataD
731SAHXI ebortssserddaUPC:metsys86,CRAPS sutatssserddaUPC:metsys68 671SSV −DNG
8313EBHX
IlangiselbaneetybUPC
7717TADRDM
O/IMARDSroflangissubataD
9312EBHX8719TADRDM
0411EBHX9716TADRDM
1410EBHX08101TADRDM
241SSV −DNG1815TADRDM
3414RDARDM
OMARDSroflangissserddA
281SSV −DNG
4413RDARDM381DDV −ylppusrewopV5.2
541 5RDARDM 481 11TADRDM
O/IMARDSroflangissubataD
6412RDARDM5814TADRDM
741DDV −ylppusrewopV5.268121TADRDM
841SSV −DNG7813TADRDM
9416RDARDM
O
MARDSroflangissserddA
88131TADRDM
0511RDARDM981SSV −DNG
1517RDARDM0912TADRDM
O/I MARDSroflangissubataD2510RDARDM)BSL(MARDSroflangissserddA19141TADRDM
3518RDARDMMARDSroflangissserddA2911TADRDM
451SSV −DNG39151TADRDM)BSM(MARDSroflangissubataD
5516TSET
Iyllamronsutats"L"
4910TADRDMO/I)BSL(MARDSroflangissubataD
6517TSET591SSV −DNG
7518TSET691.C.N −noitcennocnoN
8519TSET791M72KCII tupnikcolcmetsyS
95101RDARDM
OMARDSroflangissserddA 891SSV −DNG
0619RDARDM991M72KCOO tuptuokcolcmetsyS
16111RDARDM)BSM(MARDSroflangissserddA002)OCV(ASSV −)ylnoOCVrof(DNG
261SCRDMXO MARDSroflangistcelespihC102)OCV(ADDV −)ylnoOCVrof(ylppusrewopV5.2
361EKCRDMO MARDSroflangiselbanekcolC202FPLIO oiduaroftuptuoretrevnikcolbLLP
461SSV −DNG302FPLMI oiduaroftupniretrevnikcolbLLP
561DDV −ylppusrewopV5.2402FPLOO oiduaroftuptuorotcetedesahP
661SARRDMXO MARDSroflangisSAR502OCVOI kcolcoiduaroftupniOCV
761KLCRDMO MARDSroflangistuptuokcolC602SSV −DNG
861SSV −DNG702TSRLLPXI langistesernoitcesLLP
961NIKLCRDMI MARDSroflangistupnikcolC802TSRCNYSXI langisteserCNYS

72
DV-535
PE5185A (FLJB ASSY : IC101)
• FL Control IC
• Pin Function
.oNkraMemaNniPO/InoitcnuFevitcA
149P7G
OtuptuognimitLFNO:H
239P6G
329P5G
419P4G
509P3G
618P2G
708P1G
8DDV)V5( −−
972P1TESLF IgnittesebutLF
0162P2TESLF
1152PTESYEKI gnittesrebmunnoisividyeK
2142P)CN(O
−
3132PYDAERXO CIlortnocmetsyshtiwenilgnikahsdnahnoitacinummoC noissimrepnoitacinummoC:L
4122PKCSO/ICIlortnocmetsyshtiwtuptuokcolcnoitacinummoC
5112POSO/ICIlortnocmetsyshtiwtuptuoatadnoitacinummoC
6102PISI CIlortnocmetsyshtiwtupniatadnoitacinummoC
71TESERNITESERItupniteseRteseR:L
8147P )CN(O
−
9137P
02SSVA)DNG( −−
1271P)DNG( I)desunU(
2261P)DNG(
3251P −I−
4241P2NIK
ItupniyeK5231P1NIK
6221P0NIK
7211P1SMI tupninoitcnitsidgnicudnI
8201P0SMI tupninoitcnitsidledoM
92DDVA)V5( −−
03FERVA)V5( −−
1340P)DNG(I)desunU(
232TX)CN( −−
33SSV)DNG( −−
431X1XI noitcennockcolcretupmocorciM
532X2X−
6373P
)CN(O
−
7363P
8353P
9343PARAK/LAMRONI ]ledomMAR[noitcetedecnetsixeenohporciM gnivahenohporciM:H
0433P)CN(O
−

73
DV-535
.oNkraMemaNniPO/InoitcnuFevitcA
1423PNOREWOPOFFO/NOV5WSNO:H
2413PTUOTESERO tuptuotesermetsySteseR:L
3403P)CN(O
−
4430PSETI deggubedsiCIlortnocmetsysnehwgnitteS gniggubedtA:H
5420PREWOPNOI CIlortnocLFfoemitehttahctiwsNOREWOP/YBTS pugnidnats YBTS:L
6410PTLI CIlortnocmetsyshtiwenilgnikahsdnahnoitacinummoC noissimrepnoitacinummoC:H
7400PRILESI tupnilangislortnocetomeR
84CICI−−
9427P
)CN(O
−
0517P
1507P
25DDV)V5( −−
35721PDELNO.PO FFO/NODELYBDNATSNO:H
45621PMEOO tupninoitcnitsidledomMEOMEO:H
55521PDELFFOLFO FFO/NODELFFOLFNO:H
65421P )CN(O
−
75321P
85221P91P
OtuptuotnemgesLFNO:H
95121P81P
06021P71P
16711P61P
26611P51P
36511P41P
46411P31P
56311P21P
66211P11P
76111P01P
86011P9P
96701P8P
07601P7P
17DAOLVV72- −V72-roftupnINO:H
27501P6P
OtuptuotnemgesLFNO:H
37401P5P
47301P4P
57201P3P
67101P2P
77001P1P
8779P01G
OtuptuognimitLFNO:H9769P9G
0859P8G

74
DV-535
8. PANEL FACILITIES AND SPECIFICATIONS
8.1 PANEL FACILITIES
Front Panel
1 STANDBY/ON button
Press to switch the player on or to put in standby.
2Disc tray
When loading a disc, place discs in the disc tray with the label
side facing up.
30 (open/close) button
Press to open and close the disc tray.
47 (stop) button
Press to stop playback. Pressing once enables playback to
resume from a point shortly before the location where it
stopped. Pressing twice causes the disc to return to the
beginning of the disc if playback starts again.
58 (pause) button
Press during playback to pause. Press again to resume
playback.
63 (play) button
Press to start or resume playback.
7¡ ¢ (forward) button
Press to advance to chapters/tracks. Press and hold to perform
fast-forward scanning.
84 1 (reverse) button
Press to go back to previous chapters/tracks. Press and hold to
perform reverse playback scanning.
9Remote sensor
Point the remote control toward the remote sensor to operate
the player.
0Display window
Displays system information.
STANDBY/ON
DVD PLAYER
387¡
¢4
10
ÎA
9
13456
7
8
0
2

75
DV-535
Display Window
1VCD indicator
VCD lights when a Video CD is loaded. CD lights when an
audio CD is loaded.
2DVD indicator
Lights when a DVD is loaded.
3 indicator
Indicates Multi-Angle playback is in progress.
4TITLE indicator
Indicates a title number is being displayed.
5TRK indicator
Indicates a track number is being displayed.
6CHP indicator
Indicates a chapter number is being displayed.
7GUI indicator
Indicates an on-screen menu operation is being performed.
8REMAIN indicator
Indicates that the remaining playback time of a title or chapter/
track is being displayed.
9CONDITION indicator
Indicates that Condition Memory settings are memorized for
the currently loaded DVD.
0TOTAL indicator
Indicates that the disc in the player is stopped and DISPLAY
has been pressed.
- indicator
Indicates that the Repeat function is on and that the current
title, chapter, or track is being repeated.
=DOLBY DIGITAL indicator
Indicates Dolby Digital audio playback.
~LAST MEMO indicator
Indicates the Last Memory location is recorded in memory for
the currently loaded DVD or Video CD.
!Counter display
Displays the playback mode, type of disc, title and chapter/
track numbers, playback time, etc.
@83 indicator
3 light when any disc is playing. When a disc is paused, 8
lights.
TITLE
DVD
VCD
CONDITION
TOTAL
REMAIN
LAST
MEMO
TRK CHP
DOLBY
DIGITAL
GUI
1235
678 90-=~
!@
4

76
DV-535
Rear Panel
WYXJ, WYXJ/SP, WVXJ, and WYXQ Types
1AV CONNECTOR jack
Use a 21-pin SCART cable to connect to a TV or monitor
compatible with this type of connection. Both audio and video
signals are output from the AV CONNECTOR jack.
2TV SYSTEM switch
Use to change the TV signal mode to either PAL or NTSC
according to the type of TV and disc to be used. When the
switch is in the AUTO position, the player outputs the format
on the disc as is.
3DIGITAL OUT jack (coaxial)
Use to output the digital audio signal recorded on discs. You
can output the digital signal via either coaxial output jack to an
AV amplifier or receiver.
4DIGITAL OUT jack (optical (OPT.))
Use to output the digital audio signal recorded on discs. You
can output the digital signal via either optical output jack to an
AV amplifier or receiver.
5CONTROL IN jack
Use to connect this player to another component bearing the
Pioneer Î mark. This lets you control this unit as though it
were a component in a system. Player operations are then
performed by pointing the remote control at the component
that the player is connect to.
6AC IN power cord connection terminal
Use to connect the power cord to the wall outlet.
7S-VIDEO OUT jack
If your TV or monitor has an S-video input, clear picture
reproduction is possible by connecting the player to your TV or
monitor via the S-Video jack.
8VIDEO OUT jack
Connect to the video input on a TV or monitor or AV amplifier
or receiver with video input capability.
9AUDIO OUT jacks
Use to output two-channel audio (analog) to the audio stereo
inputs on a TV or stereo amplifier. If you are connecting to a
receiver that has both digital and analog input jacks for DVD
player connection, it may be beneficial to make both
connections.
PAL
AUTO
NTSC
TV SYSTEM
AV CONNECTOR
DIGITAL OUT
AUDIO OUT VIDEO
OUT
S-VIDEO
OUT
DIGITAL
OUT
OPT
CONTROL
IN
AC IN
L
R
123456
7
89

77
DV-535
RDXJ/RB, RDXJ/RD and RDXJ1/RA Types
1COMPONENT VIDEO OUT jacks
If your TV or monitor has component video inputs, you can
produce a higher quality picture on your TV or monitor by
connecting to the component video outputs on this unit. When
using these jacks, be sure to set VIDEO OUT SELECT to the
right position.
2DIGITAL OUT jack (coaxial)
Use to output the digital audio signal recorded on discs. You
can output the digital signal via either coaxial output jack to an
AV amplifier or receiver.
3VIDEO OUT SELECT switch
Use to set which output is used to output the video signals.
Select either video/S-video or component video signal output
depending on the connections you make.
4DIGITAL OUT jack (optical (OPT.))
Use to output the digital audio signal recorded on discs. You
can output the digital signal via either optical output jack to an
AV amplifier or receiver.
5CONTROL IN jack
Use to connect this player to another component bearing the
Pioneer Î mark. This lets you control this unit as though it
were a component in a system. Player operations are then
performed by pointing the remote control at the component
that the player is connect to.
6AC IN power cord connection terminal
Use to connect the power cord to the wall outlet.
7S-VIDEO OUT jack
If your TV or monitor has an S-video input, clear picture
reproduction is possible by connecting the player to your TV or
monitor via the S-Video jack.
When using this output, be sure to set VIDEO OUT SELECT
to the left position.
8VIDEO OUT jack
Connect to the video input on a TV or monitor or AV amplifier
or receiver with video input capability.
When using this output, be sure to set VIDEO OUT SELECT
to the left position.
9AUDIO OUT jacks
Use to output two-channel audio (analog) to the audio stereo
inputs on a TV or stereo amplifier. If you are connecting to a
receiver that has both digital and analog input jacks for DVD
player connection, it may be beneficial to make both
connections.
0TV SYSTEM switch
Use to change the TV signal mode to either PAL or NTSC
according to the type of TV and disc to be used. When the
switch is in the AUTO position, the player outputs the format
on the disc as is.
COMPONENT VIDEO OUT DIGITAL OUT
AUDIO OUT
TV SYSTEM
PAL
NTSC AUTO
VIDEO
OUT S-VIDEO
OUT
VIDEO
OUT
SELECT
DIGITAL
OUT
OPT
CONTROL
IN
AC IN
YP
B
P
R
L
R
12345 6
7
8
90

78
DV-535
Remote Control
(Buttons indicated with * are used for menu operation.)
1LAST MEMORY button
You can resume DVD or Video CD playback from the point you
last watched even if the disc is removed from the player. Press
LAST MEMORY during playback to set a Last Memory point.
When you want to resume playback of that disc, press LAST
MEMORY in the stop mode and playback starts from the
memorized point. Last Memory locations can be stored for up
to 5 DVDs and 1 Video CD.
2 (standby/on) button
Press to switch the player on or to put in standby.
3AUDIO button
Press repeatedly to select one of the audio languages and/or
audio formats programmed on a DVD.
For Video CD and CD, each press changes the audio output as
follows.
4SUBTITLE button
Press repeatedly to select one of the subtitle languages
programmed on a DVD or to turn the subtitles off.
5SETUP button*
Press when the player is in either play or stop mode to open
and close the Setup screen.
6MENU button*
Use to display or close the DVD menu screen.
7DISPLAY button
Press during playback to display statistical disc information.
Press repeatedly to display different information.
8Cursor buttons (2/3/5/∞)*
Use to move through the options on menu screens and to
change settings.
9ENTER button*
Use to implement settings selected with the cursor buttons or
to set items highlighted in a menu.
0PREV 4 (previous)
During playback, press PREV 4 to go back to a previous
chapter/track.
-STOP 7 button
Press to stop playback. Pressing once enables playback to
resume from a point shortly before the location where it was
stopped. Pressing twice causes the disc to return to the
beginning of the disc when playback starts again.
= Stereo = 1/L (Left) = 2/R (Right)
RANDOM PROGRAM
SEARCH MODE
09
8
7
+10
6
5
4
CLEAR
3
2
1
1
REV FWD
¡
PLAY
3
PAUSE
8
STOP
7
e
STEP/SLOW
E
NEXT
¢
PREV
4
RETURN
REPEAT
CONDITION
MEMORY
LAST
MEMORY
ANGLE
SUB TITLE
AUDIO
SETUP MENU
TOP MENU
DISPLAY
¶
5
∞
3
2
Î
¶
OPEN/
CLOSE
REPEAT
A-B
¶
¶ 5
5
5
5
E
N
T
E
R
¶
¶
2
3
4
5
6
7
8
£
9
0
-
=
~
!
1
$
%
^
&
*
(
)
_
+
¡
™
#
@
79
DV-535
¡1 REV/FWD ¡ (fast reverse/forward) buttons
During playback of DVD and Video CD, press
FWD ¡ to perform fast forward scanning. Press REV 1 to
perform fast reverse scanning of DVD and Video CD. When a
CD is loaded, audio scanning is performed.
™CLEAR button
Works in conjunction with a number of player functions. Use to
cancel repeat and random playback, and to edit programs.
£SEARCH MODE button
Press to perform a title, chapter/track or elapsed time search.
=STEP/SLOW e/E buttons
Press STEP/SLOW E during playback to view slow playback.
In pause mode, press STEP/SLOW E to advance DVDs and
Video CDs frame by frame and STEP/SLOW e to back up a
few frames at a time.
~Number buttons (1-9, 0, +10)*
Use to perform direct title and chapter/track searches, and to
input numerical values.
!RANDOM button
Press to play chapters/tracks in random order.
@PROGRAM button
You can program titles, chapters, or tracks to play back in a
desired order. Programs can be a maximum of 24 steps.
Additionally, DVD programs for up to 24 discs can be stored in
the player’s memory for future use.
#CONDITION MEMORY button
You can store in memory the settings for up to 15 DVDs. Press
CONDITION MEMORY during DVD playback to memorize the
settings.
$OPEN/CLOSE button
Press to open or close the disc tray.
%ANGLE button
Some DVDs are recorded with various camera angle playback
options. Press ANGLE repeatedly to display different camera
angles.
^REPEAT button
Press once to repeat playback of current chapter/track. Press
twice to repeat playback of current title.
&REPEAT A-B button
Press at the beginning and end of the section you want to
repeat or to mark a location you want to return to.
*TOP MENU button*
Press to call up the top menu programmed on the DVD.
Depending on the DVD, the top menu may be identical to the
DVD menu.
(RETURN button*
Use to go one menu back (current settings are maintained).
Use RETURN when you do not want to change the option
setting in a menu.
)NEXT ¢
During playback, press NEXT ¢ to advance to the next
chapter/track.
_PLAY 3 button
Press to start disc playback.
+PAUSE 8 button
Press to pause playback of a disc. Press again to resume
playback.

80
DV-535
Audio Cord (L=1.5m): VDE1052 (WYXJ, WYXJ/SP, WVXJ)
VDE1054 (WYXQ)
Video Cord (L=1.5m): VDE1053 (WYXJ, WYXJ/SP, WVXJ)
VDE1055 (WYXQ)
Power Cord : ADG1156 (WVXJ)
Power Cord : XDG3001 (WYXJ, WYXJ/SP, WYXQ)
Remote Control Unit : VXX2702
Dry Cell Battery (R6P,AA)
White
Red
Yellow
Accessories
8.2 SPECIFICATIONS
Specifications
WYXJ, WYXJ/SP, WVXJ and WYXQ types
General
System ...................... DVD system and Compact Disc digital audio system
Power requirements .................................. AC 220-240 V, 50/60 Hz
Power consumption ................................................................. 12 W
Power consumption in standby mode ....................... less than 1 W
Weight ................................................................................... 2.7 kg
Dimensions ................................... 420 (W) x 281 (D) x 104 (H) mm
(Not including protruding cables, etc.)
Operating temperature .............................................+5°C to +35°C
Operating humidity .......................... 5% to 85% (no condensation)
S-Video output
Y (luminance) - Output level ........................................ 1 Vp-p (75 Ω)
C (color) - Output level ......................................... 286 mVp-p (75 Ω)
Jacks ........................................................................... S-VIDEO jack
Video output
Output level ................................................................ 1 Vp-p (75 Ω)
Jacks .................................................................................. RCA jack
AV connector
AV connector input/output .................................... 21-pin connector
This connector provides the video and audio signals for
connection to a compatible color TV or monitor.
21-pin connector assignment
PIN no.
1 Audio 2/R out 11 G out
3 Audio 1/L out 15 R or C out
4 GND 17 GND
7 B out 19 Video out or Y out
8 Status 21 GND
Audio output
Output level
During audio output ............................. 200 mVrms (1 kHz, –20 dB)
Number of channels ....................................................................... 2
Jacks ................................................................................ RCA jacks
Digital audio characteristics
Frequency response ..................... 4 Hz to 44 kHz (DVD fs: 96 kHz)
S/N ratio ................................................................................ 115 dB
Dynamic range ...................................................................... 102 dB
Total harmonic distortion ....................................................0.002 %
Wow and flutter ............................................ Limit of measurement
(±0.001% W. PEAK) or lower
Digital output
Optical digital output ........................................... Optical digital jack
Coaxial digital output .......................................................... RCA jack
Other terminals
CONTROL IN ........................................................... Minijack (3.5 ø)
Accessories
Audio cord ...................................................................................... 1
Video cord ...................................................................................... 1
Power cord ..................................................................................... 1
Remote control unit ....................................................................... 1
AA (R6P) dry cell batteries ............................................................. 2
Operating Instructions ................................................................... 1
Note
The specifications and design of this product are subject to change
without notice, due to improvement.
20 18 16 14 12 10 8 6 4 2
21 19 17 15 13 11 9 7 5 3 1
* Manufactured under license from Dolby Laboratories.
"Dolby" and the double-D symbol are trademarks of Dolby
Laboratories. Confidential unpublished works, © 1992-1997
Dolby Laboratories. All rights reserved.
** "DTS" is trademarks of Digital Theater Systems, Inc.

81
DV-535
Specifications
RDXJ/RB, RDXJ/RD and RDXJ1/RA types
General
System ...................... DVD system and Compact Disc digital audio system
Power requirements
........................................... AC 110 - 127 / 220 - 240 V, 50/60 Hz
Power consumption ................................................................. 11 W
Power consumption in standby mode ....................... less than 1 W
Weight ................................................................................... 2.7 kg
Dimensions (Not including protruding cables, etc.)
.................................................. 420 (W) x 281 (D) x 104 (H) mm
Operating temperature ................. +5°C to +35°C (+36°F to +96°F)
Operating humidity .......................... 5% to 85% (no condensation)
S-Video output
Y (luminance) - Output level ........................................ 1 Vp-p (75 Ω)
C (color) - Output level ......................................... 286 mVp-p (75 Ω)
Jacks ........................................................................... S-VIDEO jack
Video output
Output level ................................................................ 1 Vp-p (75 Ω)
Jacks .................................................................................. RCA jack
Component video output
(Y, PB, PR)
Output level .......................................................... Y: 1.0 Vp-p (75 Ω)
PB, PR: 0.7 Vp-p (75 Ω)
Jacks ................................................................................ RCA jacks
Audio output
Output level
During audio output ............................. 200 mVrms (1 kHz, –20 dB)
Number of channels ....................................................................... 2
Jacks ................................................................................ RCA jacks
Digital audio characteristics
Frequency response ..................... 4 Hz to 44 kHz (DVD fs: 96 kHz)
S/N ratio ................................................................................ 115 dB
Dynamic range ...................................................................... 102 dB
Total harmonic distortion .....................................................0.002%
Wow and flutter ............................................ Limit of measurement
(±0.001% W. PEAK) or lower
Digital output
Optical digital output ........................................... Optical digital jack
Coaxial digital output .......................................................... RCA jack
Other terminals
CONTROL IN ........................................................... Minijack (3.5 ø)
Accessories
Remote control unit ....................................................................... 1
AA (R6P) dry cell batteries ............................................................. 2
Audio cord ...................................................................................... 1
Video cord ...................................................................................... 1
Power cord ..................................................................................... 1
Operating Instructions ................................................................... 1
Note
The specifications and design of this product are subject to change without
notice, due to improvement.
Audio Cord (L=1.5m): VDE1052
Video Cord (L=1.5m): VDE1053
Remote Control Unit: VXX2702
Dry Cell Battery (R6P,AA)
White
Red
Yellow
Accessories
Power Cord: ADG1158
* Manufactured under license from Dolby Laboratories.
"Dolby" and the double-D symbol are trademarks of Dolby
Laboratories. Confidential unpublished works, © 1992-1997
Dolby Laboratories. All rights reserved.
** "DTS" is trademarks of Digital Theater Systems, Inc.









