Pitco Frialator E400 Users Manual L20 258UK Rev 1
E400T to the manual e255ee2c-0012-4515-b018-e13ca12fbf62
2015-02-06
: Pitco-Frialator Pitco-Frialator-E400-Users-Manual-518739 pitco-frialator-e400-users-manual-518739 pitco-frialator pdf
Open the PDF directly: View PDF
.
Page Count: 20

L20-258-UK Rev.01 8/16/04
IMPORTANT FOR FUTURE REFERENCE
Please complete this information and retain this manual
for the life of the equipment:
Model #: __________________________
Serial #: __________________________
Date Purchased: ___________________
Installation and Operation Manual
Covering Models
E400, E400T and E500D
ENGLISH

L20-258-UK Rev.01 8/16/04
THIS MANUAL MUST BE RETAINED FOR FUTURE REFERENCE
FOR YOUR SAFETY
DO NOT store or use gasoline or other
flammable vapors or liquids in the
vicinity of this or any other appliance.
WARNING
Improper installation, alteration, service
or maintenance can cause property
damage, injury or death. Read the
installation, operating and maintenance
instructions thoroughly before
installing or servicing this equipment.
WARNING! FIRE HAZARD
The shortening/oil level should not fall
below the minimum indicated level at
any time. The use of old shortening/oil
can be dangerous as it will have a
reduced flashpoint and be more prone
to surge boiling.
WARNING
Installation and all connections must be
made in accordance with National and
Local regulations and codes in force.
WARNING
A country approved all pole circuit
breaker with a minimum open contact
gap of 3 mm must be used for proper
installation.
WARNING
This appliance is NOT Jet Stream
approved. Do not clean the appliance
with a water jet.
NOTICE
Installation of this appliance should only
be performed by a competent service
technician. The model, serial number
and electrical requirements of this
appliance are on the data plate, located
on the inside panel of the door.
NOTICE
This appliance is intended for pro-
fessional use, and as such, should be
o
p
erated onl
y
b
y
full
y
trained
p
ersonnel.
NOTICE
It is recommended that this appliance be
inspected by a qualified technician on a
yearly basis.
WARNING
The power supply to this appliance
MUST be disconnected before servicing
or cleaning the unit.
WARNING
Shortening/oil, when it is at operating
temperatures, is very hot and
dangerous! Use extreme caution when
handling! Use proper protective gear,
such as insulated gloves, aprons, face
shield and sleeves when handling hot
shortening/oil. DO NOT attempt to move
a machine that contains hot
shortening/oil. Allow the oil to cool to
room temperature or drain the
shortening/oil into a suitable container
before moving the appliance.
WARNING
This appliance MUST be installed with
the legs (or casters) supplied by the
manufacturer.

L20-258-UK Rev.01 8/16/04
Table of Contents
Section Page
Installation
Checking your new Pitco Appliance . . . . . . . . . . . . . . . . . . . . . . . . . . . . . . . . 1
Assembly and Leveling
Leg and Caster Adjustment . . . . . . . . . . . . . . . . . . . . . . . . . . . . . . . . . 1
Installation Clearances . . . . . . . . . . . . . . . . . . . . . . . . . . . . . . . . . . . . . 2
Electrical Connection . . . . . . . . . . . . . . . . . . . . . . . . . . . . . . . . . . . . . . 2
Ventilation and Fire Safety Systems . . . . . . . . . . . . . . . . . . . . . . . . . . 2
Initial Preparation
Initial Cleaning . . . . . . . . . . . . . . . . . . . . . . . . . . . . . . . . . . . . . . . . . . . . 3
Operation
Filling the Tank
Filling the Tank with Liquid Shortening/oil . . . . . . . . . . . . . . . . . . . . . . . . 4
Filling the Tank with Solid Shortening/oil . . . . . . . . . . . . . . . . . . . . . . . . . 4
Operating Instructions
Appliance Start-Up . . . . . . . . . . . . . . . . . . . . . . . . . . . . . . . . . . . . . . . . . . 5
Appliance Shut-Down . . . . . . . . . . . . . . . . . . . . . . . . . . . . . . . . . . . . . . . . 6
Filtering Instructions . . . . . . . . . . . . . . . . . . . . . . . . . . . . . . . . . . . . . . . . . . 6
Filter Paper Replacement . . . . . . . . . . . . . . . . . . . . . . . . . . . . . . . . . . . . . 7
Cleaning and Maintenance
Daily Cleaning . . . . . . . . . . . . . . . . . . . . . . . . . . . . . . . . . . . . . . . . . . . . . . . . . . . 8
Filter Pan and Filter Pickup Assembly Cleaning . . . . . . . . . . . . . . . . . . . . 8
Weekly Cleaning . . . . . . . . . . . . . . . . . . . . . . . . . . . . . . . . . . . . . . . . . . . . . . . . . 8
Weekly Boil Out Procedure . . . . . . . . . . . . . . . . . . . . . . . . . . . . . . . . . . . 8
Filter System Cleaning . . . . . . . . . . . . . . . . . . . . . . . . . . . . . . . . . . . . . . . 9
Thermostat Calibration Check . . . . . . . . . . . . . . . . . . . . . . . . . . . . . . . . . . . . . . . 10
Thermostat Calibration . . . . . . . . . . . . . . . . . . . . . . . . . . . . . . . . . . . . . . . . . . . . . 10
Troubleshooting
Basic Troubleshooting Tables . . . . . . . . . . . . . . . . . . . . . . . . . . . . . . . . . . . . . . . 11
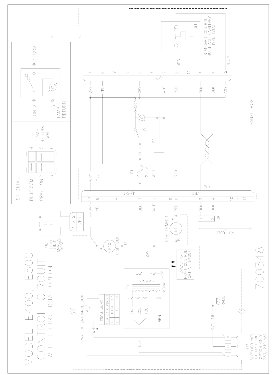
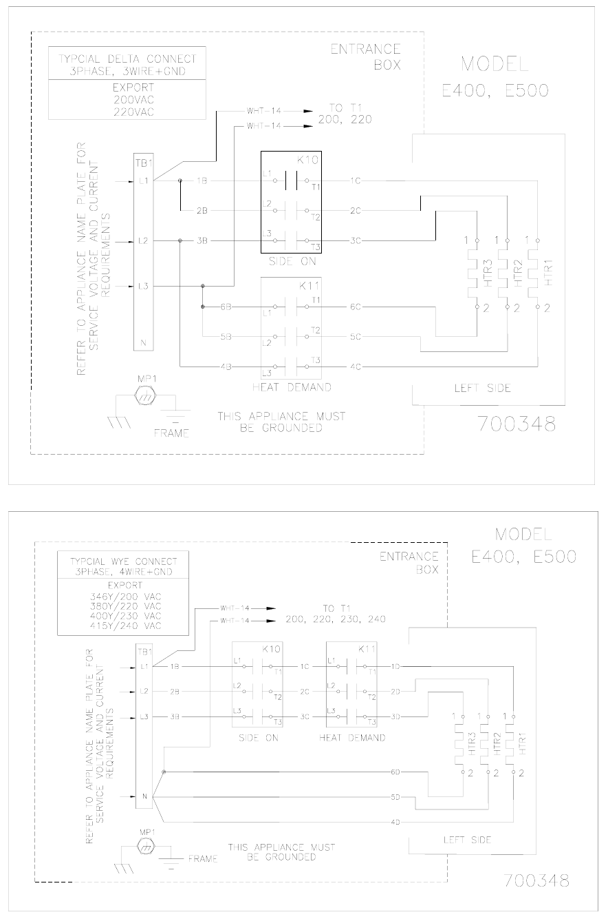
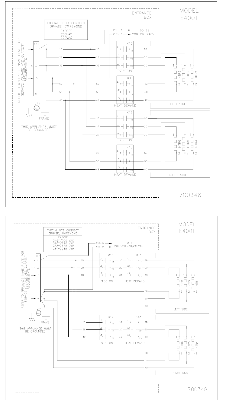
Schematics . . . . . . . . . . . . . . . . . . . . . . . . . . . . . . . . . . . . . . . . . . . . . . . . . . . . . . 12

INSTALLATION
L20-258-UK Rev.01 8/16/04 1
CHECKING YOUR NEW PITCO APPLIANCE
Your new Pitco appliance has been carefully packed into one crate. Every effort has been made to ensure that
it is delivered to you in perfect condition. As you unpack your new appliance, inspect each of the pieces for
damage. If something is damaged, DO NOT sign the bill of lading. Contact the shipper immediately; the shipper
is only responsible for 15 days after delivery. Check the packing list enclosed with your appliance to ensure that
you have received all the parts to the appliance. If you are missing any parts, contact the dealer from whom the
appliance was purchased. As you unpack the appliance and its accessories be careful to keep the weight of the
appliance evenly distributed.
Locate your Pitco model number, serial number of the appliance and the date of purchase and write them on the
cover of this manual for future reference. You will find the model number and serial number on the data plate
located inside the door.
CAUTION
To prevent equipment damage and/or personal injury, do not tilt the appliance onto any
two of its casters or legs, or pull the appliance by the splash back.
ASSEMBLY
When you receive your appliance it is completely assembled with the possible exception of the legs (or casters).
Leg/Caster Installation and Leveling
This appliance must be installed with legs or casters; it can
not be curb mounted. Curb mounting may seriously inhibit
this appliance’s ability to operate properly.
WARNING
This appliance must be installed with the legs or
casters provided by the manufacturer.
WARNING
Do not install legs or casters, or perform leveling procedure when unit is in operation or
fry tank is full. Serious injury could result.
Required tools: 7/16 “ wrench and socket and a large pair of pliers (water pump or plumber’s pliers work best).
The legs/casters must be installed before connecting the appliance to the electrical supply. The legs provide the
necessary height to meet sanitation requirements and assure adequate air supply for component cooling. Use
the following procedure.
a. Lay the appliance on its back, being careful not to damage the splashback area by pulling on it.
Protect the outside of the appliance with cardboard or a drop cloth when laying it down.
b. Attach each leg/caster with the hex head screws and nuts supplied. Each leg/caster requires
four ¼-20 x 5/8” hex head screws and nuts. Insure that all screws are tight.
c. Mount the screws from the inside of the appliance with the nut on the outside (bottom) of the
appliance. The nuts have lock washers attached to them, therefore it is not necessary to use
lock washers
d. When all four legs/casters are securely mounted, stand the unit up, being careful not to put too
much weight on any one leg. Adjust the height and level the appliance by adjusting the leveling
devices (B) with pliers. On casters, loosen 2 screws (A) before leveling, then retighten.

INSTALLATION
2 L20-258-UK Rev.01 8/16/04
INSTALLATION
If you have completed the above steps that are applicable to the appliance you purchased, the appliance is now
ready to be installed. Although it may be possible for you to install and set up your new appliance, it is
STRONGLY recommended that you have this done by qualified professionals. A qualified professional will
ensure that the installation is safe and meets local building and fire codes.
Installation Clearances
The clearances shown below are for combustible and non-combustible installations and will allow for safe and
proper operation of your appliance.
Combustible
Construction
Non-
Combustible
Construction
Back 0 0
Sides 0 0
Floor 4 ¾ (12 cm) 4 ¾ (12 cm)
In addition to the above clearances there must also be at least 28 inches of aisle space in front of the unit for the
removal/installation of the filter pan.
Electrical Connection
Your Pitco appliance is manufactured to operate on a particular electrical supply. DO NOT attempt to connect
the appliance to an electrical supply other than that indicated on the data plate. Electrical connection should be
performed by qualified personnel.
The electrical connection used by this appliance must comply with local codes. If there are no local codes that
apply, refer to the National Electrical Code (NEC), ANSI/NFPA 70 for installation in the US. In Canada, refer to
CSA Standard C22.1 and local codes. In all other cases, refer to local and national codes and regulations.
The appliance must be grounded in accordance with local code; if there is no local code, comply with NEC
ANSI/NFPA No. 70 latest edition (for US and Canadian installations). In all other cases, refer to local and
national codes and regulations. To comply with European requirements, European models are equipped with an
equalization-bonding clamp. An equalization bonding lead must be connected to this clamp to provide sufficient
protection against potential difference. This clamp, located on the rear of the appliance is marked with the
following universal symbol.
Ventilation and Fire Safety Systems
Your new appliance must have proper ventilation to function safely and properly. It is very important to install a
fire safety system. Your ventilation system should be designed to allow for easy cleaning. Frequent cleaning
and proper maintenance of the ventilation system and the appliance will reduce the chances of fire. The
following tables contain a list of reference documents that will provide guidance on ventilation and fire safety
systems. It is not necessarily complete. For US and Canada, additional information can be obtained from CSA
International, 8501 East Pleasant Valley Road, Cleveland, OH, 44131 or visit their website at
www.csa-international.org.
Hoods and Ventilation Systems
TOPIC UL Document National Fuel Gas
Code Document
Exhaust Hoods ANSI/UL 70 ANSI/NFPA 96
Power Ventilators ANSI/UL 705 ANSI/NFPA 96
Filter Units ANSI/UL 900 ANSI/NFPA 96

INSTALLATION
L20-258-UK Rev.01 8/16/04 3
Types of Fire Extinguishers and Detection Equipment
Topic UL Document National Fuel Gas
Code Document
CO2 Type Extinguishers ANSI/UL 154 ANSI/NFPA 12
Dry Chemical Type Extinguishers ANSI/UL 299 ANSI/NFPA 17
Water Type Extinguishers ANSI/UL 626 ANSI/NFPA 13
Foam Type Extinguishers ANSI/UL 8 ANSI/NFPA 11
Sprinklers ANSI/UL 199 ANSI/NFPA 13
Smoke Detectors ANSI/UL 268 ANSI/NFPA 72
Fire Detection Thermostats ANSI/UL 521 ANSI/NFPA 72
It is essential that the appliance be operated only when adequate ventilation is provided. Your ventilation hood
should be properly maintained. A qualified installation professional should ensure that the hood is operating
properly in conjunction with the appliance. Inadequate ventilation may not properly evacuate all appliance
emissions.
Initial Cleaning
When your appliance is shipped, many of its parts are covered with a thin coat of oil for protection. Before the
appliance is ready for cooking it must be cleaned. This will remove the oil coating and any foreign matter that
may have accumulated during storage and shipment. Refer to the following procedure to clean the appliance.
a. Fill the tank with water. Turn the appliance on and set the thermostat to 200°F (93°C) Refer to
the APPLIANCE START UP section of this manual for instructions.
b. Allow the appliance to heat for 15 minutes. Add Pitco cleaner to the water, stirring with the
cleaning brush to ensure that the cleaner dissolves thoroughly.
CAUTION
DO NOT leave the appliance unattended during cleaning. Never let the water level go below the
“Oil Level” mark stamped on the tank.
c. Using the cleaning brush, scrub the inside of the tank to remove the protective coating.
d. When cleaning is complete turn the appliance off and drain the water into a container suitable
for hot water and dispose of it.
WARNING
Wear protective gloves and clothing when cleaning and draining the appliance and when
disposing of water. The water is extremely hot and can cause severe injuries.
e. When the tank has cooled, rinse thoroughly with cool water. Continue to rinse the tank
until the cleaner has been completely and thoroughly rinsed from the tank.
f. Using a clean dry cloth, wipe out all of the water. Be very thorough when removing the
water, as any residual water will cause hot shortening/oil to splatter out of the appliance.

OPERATION
4 L20-258-UK Rev.01 8/16/04
ELEMENTS
ELEMENTS
SOLID
SHORTENING / OIL
EXCESSIVE
AIR GAPS ELEMENTS
SOLID
SHORTENING / OIL
FILLING THE TANK
Both liquid and solid shortening/oil can be used in this appliance, but liquid is preferred. If solid
shortening/oil is used it is recommended that you melt the shortening/oil before adding it to the appliance.
You can melt solid shortening/oil in the appliance, but you must be very careful not to scorch the
shortening/oil.
Filling the tank with liquid shortening/oil
To fill the tank with liquid shortening/oil refer to the following procedure.
a. Ensure that the drain valve is completely closed and that there is no
residual moisture in the tank.
b. Fill the tank with shortening/oil. You may fill the tank to the “OIL
LEVEL” mark or slightly below the nominal level mark: the
shortening/oil will expand slightly when it heats up, raising the level
slightly.
Filling the tank with solid shortening/oil
To fill the tank with solid shortening/oil, refer to the following procedure.
WARNING
NEVER melt blocks of solid shortening/oil on top of the elements. This
will cause a fire and could result in personal injury.
a. Ensure that drain valve is completely closed and that there is no
residual moisture in tank. Remove the screen covering the elements.
b. Cut the solid shortening/oil into cubes no larger than one inch.
ALWAYS pack the shortening/oil below, between, and on top of the
elements. DO NOT leave any large air gaps. Use care when
packing the solid shortening/oil into the tank. DO NOT bend or
break the temperature or high limit sensor probes. If these are
damaged the appliance will not function properly.
c. Once the appliance tank is firmly packed with shortening/oil,
the shortening/oil must be melted. Melt the shortening/oil by cycling the
elements on for 4 seconds and off for 30 seconds repeatedly, using
the thermostat knob. If your appliance has a Melt Cycle option, use this
to melt the shortening/oil automatically.
OPERATING INSTRUCTIONS
To ensure the quality of the food you cook in this appliance, follow the preparation instructions from the
food manufacturer. Using the best shortening/oil makes the best fried foods. The best shortening/oil will
last longer than lower grade shortening/oil and save you money. When not in use, the shortening/oil
should be cooled and covered to prevent contamination. A maximum load of 1.5 lbs. (0.7 kg) per basket
is recommended. Exceeding this recommendation may affect food quality and could cause surge boiling.

OPERATION
L20-258-UK Rev.01 8/16/04 5
WARNING
This appliance must be installed using restraining devices to prevent accidental tipping or
movement. DO NOT attempt to move the appliance when it is in use or has hot liquid in it.
Splashing hot liquids can cause severe burns.
WARNING
Water and shortening/oil DO NOT mix. Keep liquids away from hot shortening/oil.
Dropping liquid frozen foods into the hot shortening/oil will cause violent boiling.
Appliance Start-Up
WARNING
DO NOT start the appliance without filling the tank with shortening/oil first!
For models with electric thermostat option refer to the following instructions.
a. Place the ON/OFF (I/O) rocker switch on the front panel to the ON ( I ) position. A light on
the switch will illuminate.
b. Turn the temperature control knob (thermostat) to the desired temperature setting. The
thermostat will automatically raise the oil temperature to the desired setting.
c. You may begin cooking product once the appliance has reached setpoint. To cook
product, fill basket with the product to be cooked and place basket in fry tank. The
thermostat will automatically begin to compensate for the temperature drop. You will
need to time your cook session.
For models with Compact Computer Control refer to the following instructions.
a. Press the ON/OFF (I/O) button to turn appliance on.
b. The control will automatically raise the oil temperature to
the preprogrammed setpoint.
c. You may begin cooking product once the appliance
reaches setpoint or the display reads “drop”. To cook
product, fill basket with product to be cooked, place
basket in fry tank and press the preprogrammed cook
timer key associated with the product that you are
cooking.
d. Cook timers T1-T4 may be used merely by pressing the
corresponding key. To use cook timers T5-T8, first
press the SHIFT key, followed by the appropriate cook
timer key.
e. For programming and further operation instructions refer to the programming guide that
was shipped with your appliance.

OPERATION
6 L20-258-UK Rev.01 8/16/04
Appliance Shut-down
For models with electric thermostat option refer to the following instructions.
a. Turn the temperature control knob (thermostat) to the OFF ( O )position.
b. Place the ON/OFF (I/O) rocker switch to the OFF ( O ) position. The light on the switch will
extinguish.
For models with Compact Computer Control refer to the following instructions.
a. If the appliance is on, press the ON/OFF (I/O) key and hold
for 3 seconds to turn the appliance off.
FILTERING INSTRUCTIONS
NOTE
Filter option is not available on Model E500D
It is recommended that the shortening/oil be filtered, at a minimum, on a daily basis. Filtering removes
suspended food particles from the shortening/oil, preventing them from burning and imparting an
undesirable taste to your food products. Proper filtering will increase the usable life of your shortening/oil.
Old shortening/oil has a lower flash point and foams up more than clean oil.
For models with filter option refer to the following instructions.
WARNING
Shortening/oil, when it is at operating temperatures, is very hot and dangerous! Use
extreme caution when filtering! Use proper protective gear, such as insulated gloves,
aprons, face shield and sleeves when filtering or otherwise handling hot
shortening/oil.
a. Insure that filter pan is placed properly in appliance and that filter paper is clean and
serviceable. If the filter paper is not serviceable, replace the filter paper per the
instructions in this manual.
DO NOT run the filter without a filter paper on the pickup assembly.
b. Connect the quick disconnect on the filter pickup assembly into white donut fitting on the
left-hand side of the appliance. Ensure that it snaps tightly and securely into donut fitting.
Connect quick disconnect on return hose to black donut fitting on the right-hand side of
the appliance. Ensure that it snaps tightly and securely into donut fitting.
c. Perform the appropriate appliance shut down for your appliance type per the instructions
in this manual.
WARNING
Ensure that the appliance is turned OFF before opening the drain valve.
d. Open the drain valve for the fryer to be filtered and allow the shortening/oil to drain into
the filter pan.
WARNING
NEVER drain more than one tank at a time into the filter pan. The filter pan will only
hold one (1) tank at a time.

OPERATION
L20-258-UK Rev.01 8/16/04 7
FILTERING INSTRUCTIONS (continued)
e. Ensure that flush hose is pointed into tank and place Filter ON/OFF ( I/O ) switch in the ON
( I ) position. The pump will begin to return shortening/oil to the tank.
WARNING
For your safety, NEVER allow flush hose nozzle to point away from the tank while
filtering.
f. Carefully rinse the tank back and sides with stream of returning shortening/oil. You can use
the cleaning brush and cleaning rod to aid in removing debris from the tank.
g. Once all debris has been rinsed from the tank, close the drain valve and allow the tank to
refill. To ensure that filter lines are purged, allow the filter to run for 15 seconds after all
shortening is returned to the tank. Additionally, it may be necessary to add a small amount
of shortening/oil to bring the shortening/oil back to the OIL LEVEL line.
h. It may be necessary to repeat steps d through h if shortening/oil quality is not acceptable.
Otherwise, you may now turn the appliance on per the instructions in this manual and
resume operation.
To ensure proper operation and sanitary conditions, the filter system should be disassembled and
cleaned with hot water and mild detergent daily. Refer to the CLEANING AND MAINTENANCE section
of this manual for instructions.
FILTER PAPER REPLACEMENT
For models with filter option refer to the following instructions
a. Detach the pickup tube from the filter pickup assembly by unscrewing it (counterclockwise), at the
knurled fitting, from the threaded fitting on the filter screen.
b. Slide off the filter paper clip and remove used filter paper from filter screen. Replace with new filter
paper, ensuring that the hole in the paper is on the top, so that threaded fitting in filter screen
protrudes through it.
c. Fold filter paper to the underside of the filter screen and replace filter paper clip.
d. Re-attach filter pickup tube to the filter screen by screwing it (clockwise) into the threaded fitting in
filter screen.
e. Reinstall the filter pickup assembly into the filter system by placing the newly covered screen
portion of the assembly into the filter pan and connecting the quick disconnect on the filter pickup
assembly into white donut fitting on the left-hand side of the appliance. Ensure that it snaps tightly
and securely into donut fitting.
You are now ready to filter the shortening/oil in your appliance. Refer to the FILTERING INSTRUCTIONS
section of this manual for instructions.

CLEANING and MAINTENANCE
8 L20-258-UK Rev.01 8/16/04
DAILY CLEANING
Your appliance should be cleaned every day to maintain peak performance, proper sanitation and appearance.
Perform the following procedures daily.
a. Wipe up any shortening/oil that spills onto the exterior of the appliance. This should be done with
a clean soft cloth while the shortening/oil is still warm. DO NOT spray or pressure wash the
appliance!
b. Use warm water with a mild detergent to clean surfaces. Be careful not to get water into the
shortening/oil and be sure to completely remove any detergent from the fry tank.
c. Use a non-abrasive scouring powder or pad to clean stains if necessary.
Filter Pan and Filter Pickup Assembly Cleaning
Your filter pan and pickup assembly should be cleaned every day to maintain peak performance and proper
sanitation. Perform the following procedures daily.
a. Remove filter pan and filter pickup assembly from the appliance
b. Disassemble the filter pickup assembly by unscrewing the filter pickup tube from the screen
assembly (counterclockwise) at the knurled fitting, from the threaded fitting on the screen
assembly. Slide off the filter paper clip; remove the used paper from the screen assembly and
discard.
c. Soak filter pan, flush hose and all pickup assembly components in hot water and mild, grease-
cutting detergent and scrub thoroughly with a non-abrasive scouring pad.
d. Thoroughly rinse all parts and allow them to dry completely.
WARNING
Hot shortening/oil and water, if mixed react violently. Ensure that your filter pan and
components are thoroughly and completely dry before attempting to filter.
WEEKLY CLEANING
The appliance should be thoroughly cleaned AT LEAST once a week. This should include a thorough wipe down
of the entire appliance with a rag and mild detergent. DO NOT spray or pressure wash the appliance!
WARNING
The power supply must be disconnected before cleaning and servicing this appliance!
Boil Out Procedure
The appliance should be boiled out AT LEAST once a week to remove food debris and shortening/oil build up.
You will need a container large enough to hold 1 ½ times the shortening/oil in the tank. Refer to the following
procedure for weekly boil out.
WARNING
Completely shut the appliance down when the shortening/oil is being drained and
replaced with water. This will prevent the elements from energizing while the tank is
empty.

CLEANING and MAINTENANCE
L20-258-UK Rev.01 8/16/04 9
WARNING
At operating temperatures, the shortening/oil in the appliance is VERY HOT and can cause
severe burns. Do not let the hot shortening/oil touch your skin or clothing. ALWAYS wear
insulated, shortening/oil proof gloves, protective clothing and eyewear when working on a
hot appliance.
For models with electric thermostat option refer to the following instructions.
a. Drain the shortening/oil from the appliance and discard or save for reuse. Remove the element
screen. Close the drain valve and fill the tank with warm water and non-caustic detergent. For
best results, use Pitco Cleaner. A sample packet is included with your new appliance.
b. Restart the appliance as described in this manual and set the thermostat to 200°F (93°C). Bring
the water to a slow boil. DO NOT allow the water to boil excessively as this will cause excessive
foaming and boil over.
c. Allow the appliance to soak for 20 minutes to soften shortening/oil deposits. Use the cleaning
brush to scrub and remove any residue from the tank, elements and tank walls.
d. When finished drain the water and wipe the tank dry with a soft clean cloth.
e. Ensure that the drain valve is closed and replace the element screen.
f. You may now refill the tank with shortening /oil per the filling instructions in this manual.
For models with Compact Computer, refer to the following procedure:
a. Drain the oil from the appliance and discard or save for reuse. Remove the element screen.
Close the drain valve and fill the tank with warm water and non-caustic detergent. For best
results, use Pitco Cleaner. A sample packet is included with your new appliance
b. Restart the appliance as previously described in this manual.
c. Press the ON/OFF (I/O) and T4/T8 key simultaneously.
Control will indicate that it has entered “boil” mode and will
cycle around a fixed setpoint of 195°F (90 °C), preventing the
appliance from boiling over, while allowing the operator to
clean the appliance tank while.
d. Allow the appliance to soak for 20 minutes to soften shortening deposits. Use the cleaning
brush to scrub and remove any residue from the tank, elements and tank walls.
e. When finished turn the appliance OFF (O), drain the water and wipe the tank dry with a soft
clean cloth.
f. Ensure that the drain valve is closed and replace the element screen.
g. You may now refill the tank with shortening/oil per the instructions in this manual.
Filter System Cleaning
WARNING
The power supply must be disconnected before cleaning and servicing this appliance!
The filter system should be thoroughly cleaned AT LEAST once a week. This should include a thorough wipe
down of the entire non-removable components with a rag and mild detergent. DO NOT spray or pressure wash
any non-removable part of the filter system!

CLEANING and MAINTENANCE
10 L20-258-UK Rev.01 8/16/04
Thermostat Calibration Check
NOTICE
Thermostat calibration requires that the temperature of the appliance be raised above
boiling. If you have water in the tank you will need to drain it, dry it and fill it with
shortening/oil. Follow the filling instructions in this manual.
To check the calibration of your appliance, refer to the following procedure.
a. Remove the element screen from the tank.
b. Place the tip of a digital thermometer probe into the shortening/oil approximately one inch
above the temperature sensor.
c. Perform the appliance startup as described in this manual, set the thermostat to 325°F
(163 °C) and allow the shortening/oil to come up to temperature. Watch the thermometer
closely as the temperature rises.
d. If the shortening/oil temperature reaches 350°F (177 °C) and the elements do not turn
off, turn the thermostat down. Keep lowering the thermostat setting until the elements
turn off.
CAUTION
If the elements do not shut off at the LOWEST thermostat setting, the thermostat may be
defective. Contact your local service company.
e. Let the appliance cycle 4 to 6 times before checking the temperature. Compare the
thermometer temperature against the thermostat setting. If the values are more than 5°F
(3 °C) apart, calibrate the thermostat using procedure in this manual.
Thermostat Calibration
For Electric Thermostats refer to the following procedure.
a. Remove the element screen from the tank and place the tip of a digital thermometer into the
shortening approximately one inch above the temperature sensor.
b. Perform the appliance startup as described in this manual, set the thermostat to 325°F (163 °C)
and allow the shortening/oil to come up to temperature; let the appliance cycle 4-6 times to
insure that the oil temperature has stabilized. Compare the thermostat setting of 325°F (163 °C)
to the digital thermometer reading.
c. Remove the thermostat dial by pulling the knob straight out. DO NOT rotate the dial.
d. Holding the outside of the shaft so that it does not move, scrape away the sealing compound in
the center of the shaft with a small flat blade screwdriver.
e. Turn the adjustment screw clockwise to lower the thermostat’s temperature setting or counter-
clockwise to raise it.
NOTE
One-quarter turn of the adjustment screw changes the temperature setting
approximately 24°F (13 °C).
f. Turn the adjustment screw until the elements energize at 325°F (163 °C).
g. Replace the knob and allow the appliance to cycle 4 to 6 times. Check the temperature of the
digital thermometer against the thermostat dial setting; if there is greater than a 5°F (3 °C)
difference, repeat the calibration procedure.

TROUBLE SHOOTING
L20-258-UK Rev.01 8/16/04 11
TROUBLESHOOTING
Should there be a problem with your appliance, use the following tables to isolate possible faults before calling
your Authorized Service Agent.
Check these items before calling your Authorized Service Company.
ITEM TO CHECK HOW TO CHECK
Power to appliance Check main power breaker to appliance.
Hi-Limit reset Press Hi-Limit reset button..
Power switch on Power switch should be in the ON ( I ) position.
COOK SYSTEM TROUBLESHOOTING
SYMPTOM POSSIBLE CAUSES
Appliance will not run, front panel lights are not on. Check main power breaker to appliance, blown
control fuse, faulty transformer.
Appliance will not run, front panel lights are on. Tripped hi-limit, faulty temperature probe, faulty
temperature control.
Appliance will not maintain temperature properly Faulty temperature probe, faulty hi-limit switch
FILTERING SYSTEM TROUBLESHOOTING
SYMPTOM POSSIBLE CAUSES
Filter system will not operate Filter switch/circuit breaker is in the OFF ( O )
position
Filter system will not operate, filter switch/circuit
breaker is in the ON ( I ) position.
Thermal cutout on filter pump is tripped, faulty
filter switch/circuit breaker, faulty filter pump.
Filter system runs, but does not return shortening to
tank.
Filter paper is dirty, filter pickup is clogged with
debris, filter line strainer is clogged with debris,
filter return line is clogged with debris, faulty filter
pump
Filter system runs but returns shortening very
slowly or blowing air into tank.
Filter pickup tube is not properly seated, air leak in
filter system, faulty filter pump.

12 L20-258-UK Rev.01 8/16/04

L20-258-UK Rev.01 8/16/04 13

14 L20-258-UK Rev.01 8/16/04

L20-258-UK Rev.01 8/16/04 15

16 L20-258-UK Rev.01 8/16/04

L20-258-UK Rev.01 8/16/04
MAILING ADDRESS – P.O. BOX 501, CONCORD, NH 03302-0501
SHIPPING ADDRESS – 10 FERRY ST., CONCORD, NH 03301
In the event of problems with or questions about
your order, please contact the Pitco Frialator
factory at:
(800) 258-3708 US and Canada only or
(603) 225-6684 World Wide
In the event of problems with or questions about
your equipment, please contact the Pitco Frialator
Authorized Service and Parts representative
(ASAP) covering your area, or contact Pitco at the
numbers listed to the left.