Pitco Frialator Tim Hortons Exploded Parts Manual Th Crte L22 380 Users R0
l22380 63a061c1-233d-414c-bad6-2ac496c07f7b Pitco Frialator Marine Sanitation System L22-380 User Guide |
2015-02-06
: Pitco-Frialator Pitco-Frialator-Tim-Hortons-Exploded-Parts-Manual-Th-Crte-L22-380-Users-Manual-518785 pitco-frialator-tim-hortons-exploded-parts-manual-th-crte-l22-380-users-manual-518785 pitco-frialator pdf
Open the PDF directly: View PDF
.
Page Count: 4

L22-380, rev. 0 (07/13)
Tim Horton’s
Exploded Parts Manual
TH-CRTE

L22-380, rev. 0 (07/13)
PARTS

L22-380, rev. 0 (07/13)
Item PartNo. Description
1 60087202 Control,LiquidLevel24VAC
P5045044 Lamp,28VAmberRectangle
P5045040 Lamp,28VRedRectangle
3 P5046688 Relay,24VACSPDT
4 B3323301 Tank,WeldmentCRTE
5 60131201 Contactor,24V,1Pole30A
50008301 Element,Tubular6KW208V
50008302 Element,Tubular6KW240V
NS 60171201 Control,ThermostatSolidState140‐200F
NS P8905‐15 Probe,Temperature"SolidState"
NS 60128601 Switch,HighTemperatureLimit
7 PP10210 Transformer,40VA120/208/240VTO24V
8 PP10559 Switch,RockerDPDT0‐1‐(1)
60129102 Cord,30ASleevedTwistLockPlug,NEMA‐L6‐30P
60129103 Cord,30ARightAnglePlug,NEMA‐L6‐30P
NS 60129001 DrainHose,AssemblyCRTE4Foot
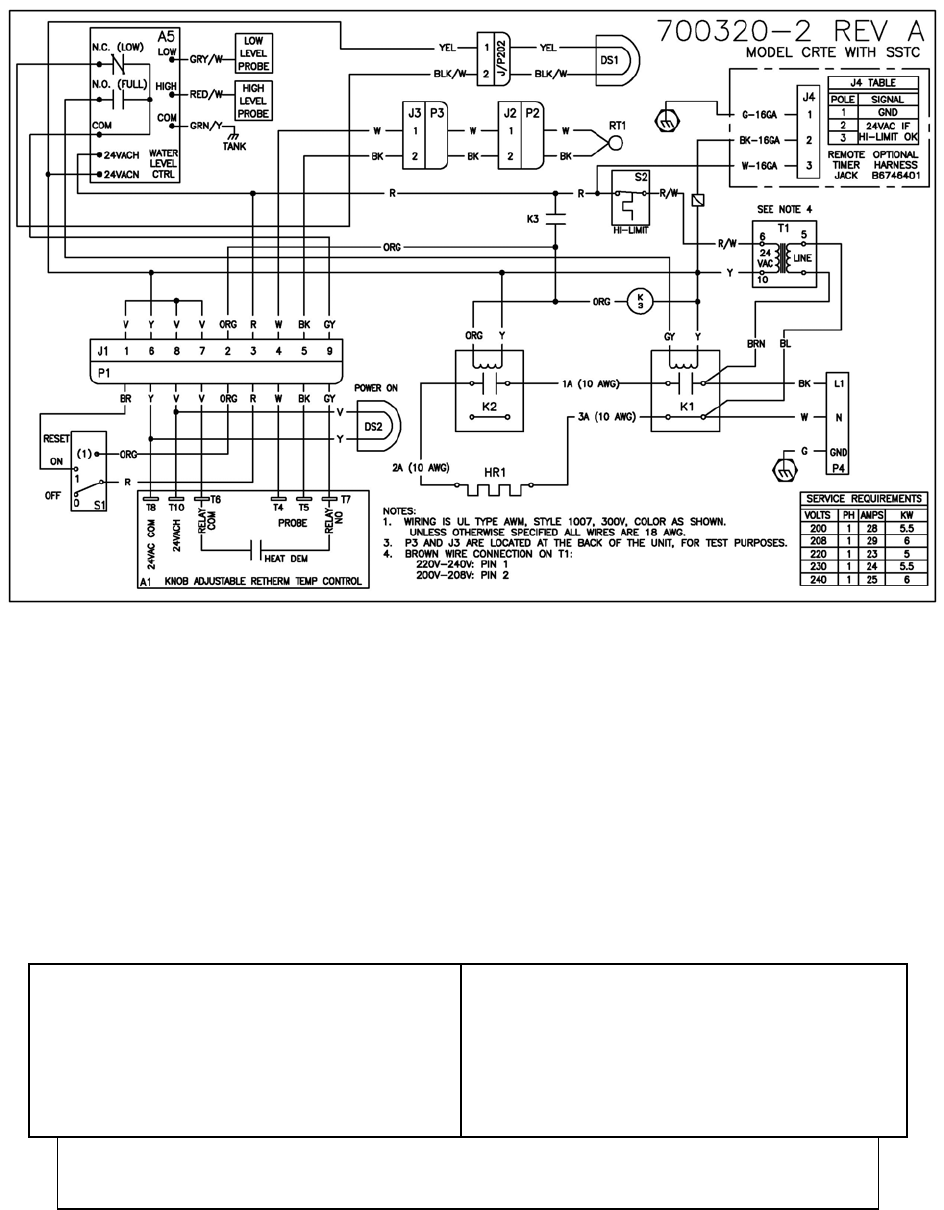
10 700320‐2 ElectricalSchematic
2
6
9
PARTS LIST

L22-380, rev. 0 (07/13)
Electric Schematic
In the event of problems with or questions
about your order, please contact the Pitcc
factory at:
(603) 225-6684 World Wide
www.Pitco.com
In the event of problems with or questions
about your equipment, please contact the
Pitco Authorized Service and Parts
representative (ASAP) covering your area,
or contact Pitco at the numbers listed to the
left.
MAILING ADDRESS – P.O. BOX 501, CONCORD, NH 03302-0501
SHIPPING ADDRESS – 10 FERRY ST., CONCORD, NH 03301