Polaris A07Mh46Aa Users Manual
2007 Polaris Sportsman 450 - 500 EFI - 500 X2 EFI Service Manual 2007 Polaris Sportsman 450 - 500 EFI - 500 X2 EFI Service Manual
A07TH50AU to the manual 19bb7604-cab7-4d9f-b81c-459330863138
2015-01-26
: Polaris Polaris-A07Mh46Aa-Users-Manual-335303 polaris-a07mh46aa-users-manual-335303 polaris pdf
Open the PDF directly: View PDF .
Page Count: 406 [warning: Documents this large are best viewed by clicking the View PDF Link!]
- FOREWORD
- CHAPTER INDEX
- CH 1 - GENERAL INFORMATION
- CH 2 - MAINTENENCE
- MAINTENANCE
- LUBRICATION / FLUIDS
- VEHICLE INSPECTION
- Shift Link Rod Inspection
- Throttle Inspection
- Throttle Cable / Electronic Throttle Control (ETC Switch) Adjustment
- Fuel System
- Fuel Lines
- Vent Lines
- Fuel Filter
- Compression Test
- Engine Mounts
- Spark Plug
- Active Descent Control (ADC) Reservoir Level
- Battery Maintenance
- Liquid Cooling System Overview
- Coolant Strength / Type
- Cooling System Hoses
- Radiator/Grill Screen
- Cooling System Pressure Test
- Coolant Level Inspection
- Radiator Coolant Level Inspection
- Air Filter/Pre-Filter Service
- Air Box Sediment Tube
- Breather Filter Inspection
- Breather Hose
- Recoil Housing
- Engine Oil Level
- Oil and Filter Change
- Oil Pump Priming Procedure
- Valve Clearance
- Intake Valve Clearance Adjustment
- Exhaust Valve Clearance Adjustment
- Steering
- Tie Rod End/Steering Inspection
- Camber and Caster
- Wheel Alignment
- Toe Alignment Adjustment
- Exhaust Pipe
- Brake System Inspection
- Brake Pad Inspection
- Hose/Fitting Inspection
- Auxiliary Brake Testing
- Auxiliary Brake Adjustment (Hydraulic)
- Suspension Spring Preload Adjustment
- Front Suspension
- CV Shaft Boot Inspection
- Controls
- Wheels
- Wheel, Hub, And Spindle Torque Table
- Wheel Removal Front or Rear
- Wheel Installation
- Tire Pressure
- Tire Inspection
- Frame, Nuts, Bolts, Fasteners
- Storage Compartments
- Winch Operation (If Equipped)
- ATV Cleaning & Storage
- Maintenance Schedule
- CH 3 - ENGINE
- Specifications
- GENERAL ENGINE SERVICE
- Piston Identification
- Cooling System Specifications
- Cooling System
- Accessible Components
- Engine Removal (TYPICAL)
- Engine Installation Notes
- Cylinder Hone Selection/ Honing Procedure
- Honing To Oversize
- Cleaning the Cylinder After Honing
- Crankshaft Straightening
- Engine Lubrication- EH 50PL
- Oil Pressure Test - EH 50PL
- Oil Pump Priming Procedure
- Oil Flow - EH50PL
- EH50PL Oil Flow Diagram
- EH50PL Engine Exploded Views
- ENGINE DISASSEMBLY
- Cam Chain Tensioner/ROCKER ARM/ CAMSHAFT Removal
- Cam Chain Tensioner Inspection
- Rocker Arm/Shaft Inspection
- Camshaft Removal
- Automatic Compression Release Removal/ Inspection
- Automatic Compression Release Installation
- Camshaft Inspection
- Cylinder Head Removal
- Cylinder Head Exploded View, EH50PL
- Cylinder Head Inspection
- Cylinder Head Warp
- Cylinder Head Disassembly
- Valve Inspection
- Combustion Chamber
- Valve Seat ReconditionING
- Cylinder Head Assembly
- Valve Sealing Test
- Valve Clearance Adjustment
- Cylinder/Piston Removal and Inspection
- Piston Removal
- Cylinder Inspection
- Piston-to-Cylinder Clearance
- Piston/Rod Inspection
- Piston Ring Installed Gap
- Crankcase Disassembly
- Starter Drive Removal/Inspection
- Flywheel/Stator Removal/Inspection
- Cam Chain/Tensioner Blade
- One Way Valve Removal
- Crankcase Separation
- Oil Pump Removal/Inspection
- Oil Pump Assembly
- Counter Balancer Shaft Removal/Inspection
- Crankshaft Removal/Inspection
- Crankcase Bearing Inspection
- Pump Shaft Oil Seal/Water Pump Mechanical Seal Removal (Engine Disassembled)
- Crankcase Inspection
- Bearing Installation
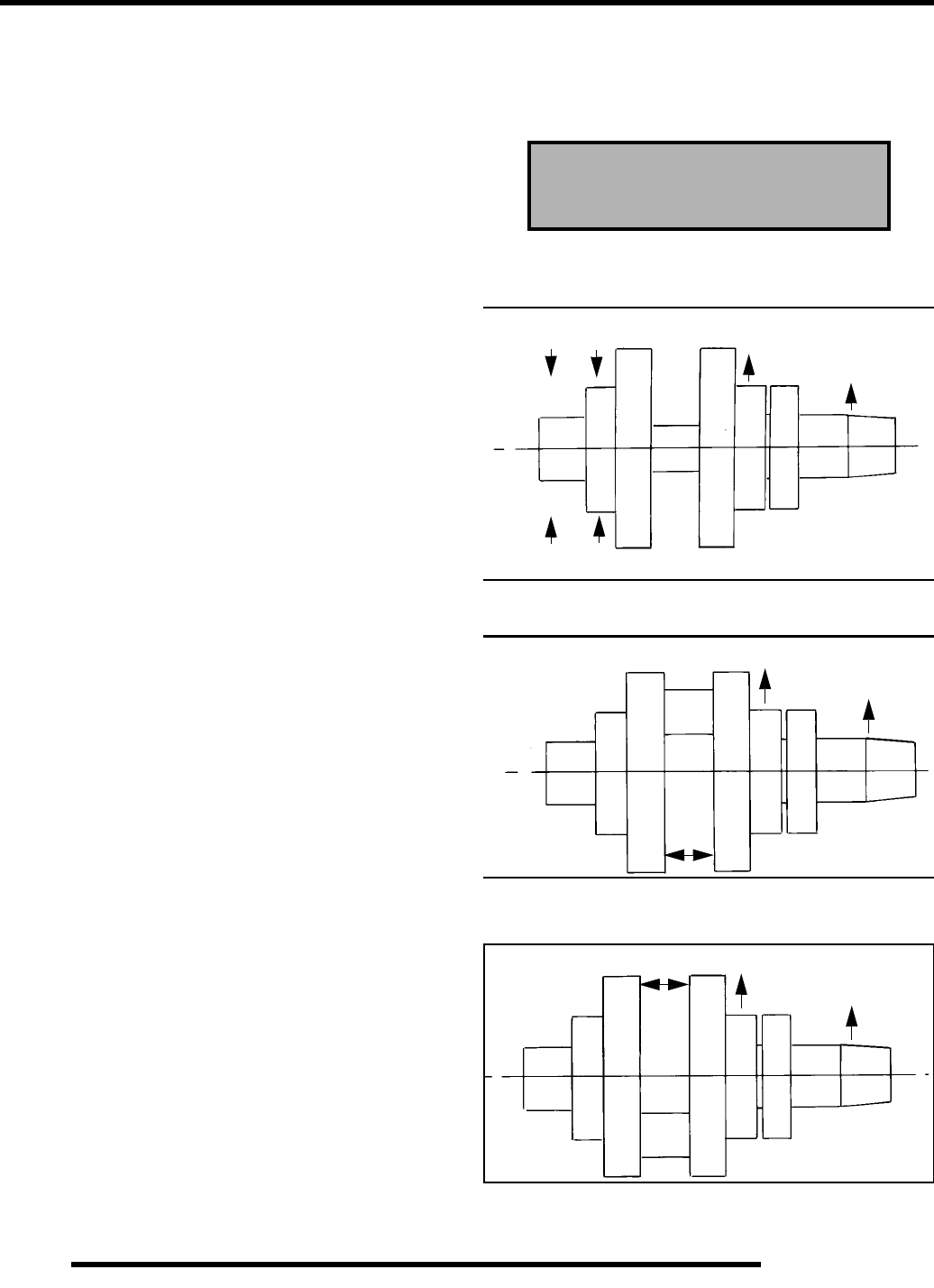
- End Play Inspection/Adjustment
- Crankshaft End Play Adjustment
- Counter Balancer Shaft End Play Adjustment.
- Oil Pump Shaft End Play Adjustment
- ENGINE REASSEMBLY
- Pump Shaft Oil Seal Installation
- Crankshaft/Counter Balance/Oil Pump Installation
- Crankcase Assembly
- Water Pump Mechanical Seal Installation
- Water Pump Mechanical Seal Removal - Engine Installed
- One Way Valve Installation
- Cam Chain Drive Sprocket Installation
- Tensioner Blade Installation
- Piston Ring Installation
- Piston Installation
- Cylinder Installation
- Cylinder Head Installation
- Cam Chain/Camshaft Installation
- Camshaft Timing
- CAMSHAFT TIMING
- Cam Chain Tensioner Installation
- Stator, Flywheel and Starter Drive Installation
- Rocker Shaft/Rocker Arm Assembly Installation
- Thermostat Installation
- Oil Pipes
- RECOIL
- TROUBLESHOOTING
- CH 4 - ELECTRONIC FUEL INJECTION
- SPECIAL TOOLS
- EFI SERVICE NOTES
- EFI SYSTEM EXPLODED VIEW
- EFI SYSTEM
- FUEL TANK
- ELECTRONIC FUEL INJECTION
- FUEL LINES
- ELECTRONIC CONTROL MODULE (ECM)
- FUEL PUMP ASSEMBLY
- FUEL PRESSURE REGULATOR
- FUEL FILTERS
- FUEL INJECTOR
- CRANKSHAFT POSITION SENSOR (CPS)
- MANIFOLD AIR PRESSURE SENSOR (MAP)
- INTAKE AIR TEMPERATURE SENSOR (IAT)
- I DLE AIR CONTROL (IAC)
- THROTTLE POSITION SENSOR (TPS)
- ENGINE TEMPERATURE SENSOR
- FUEL SYSTEM TROUBLESHOOTING
- EFI DIAGNOSTICS USING ‘BLINK CODES’
- TROUBLESHOOTING DIAGRAMS
- EFI CIRCUIT - Power On
- EFI CIRCUIT - Crank Position Sensor
- EFI CIRCUIT - Fuel Pump
- EFI CIRCUIT - Ignition Coil
- EFI CIRCUIT - Idle Air Control
- EFI CIRCUIT - Throttle Position Sensor
- EFI CIRCUIT - Manifold Absolute Pressure Sensor
- EFI CIRCUIT - Engine Coolant Temperature
- EFI CIRCUIT - Air Temperature Sensor
- EFI CIRCUIT - Malfunction Indicator Light
- CH 4 - CARBURETOR - SPORTSMAN 450
- General Information and Specifications
- Carburetion
- BST 34 Carburetor Exploded View 1 of 2
- BST 34 Carburetor Exploded View 2 of 2
- CV Carburetor System Function
- Carburetor Venting
- Mikuni CV Carb Operation
- Starter System (Choke or Enrichment)
- Pilot (Idle and Slow) System
- Main System
- Float System
- Pilot Screw
- Air/Fuel Mixture Ratio
- Jet Needle
- Needle Jet
- Throttle Opening vs. Fuel Flow
- Carburetor Disassembly - Mikuni CV
- Carburetor Cleaning
- Carburetor Inspection
- Carburetor Assembly
- Float Height Adjustment
- Needle and Seat Leakage Test
- Fuel Level Test
- Fuel Tank/Fuel Delivery System
- Fuel Pump
- Fuel Gauge Sending unit
- Troubleshooting
- CH 5 - BODY/STEERING/SUSPENSION
- GENERAL INFORMATION
- BODY
- Side Panel Removal
- Front Cover Removal / Installation
- Foot Well Removal / Installation
- X2 Foot Well Removal / Installation
- Front Storage Removal
- Front Storage Installation
- Sportsman Rear Rack Removal / Installation
- Front Cab/Fender Removal/Installation
- Sportsman Rear Cab / Fender Removal / Installation
- X2 Rear Quarter Panel Removal / Installation
- Sportsman Rear Storage Removal / Installation
- Radiator Screen Removal
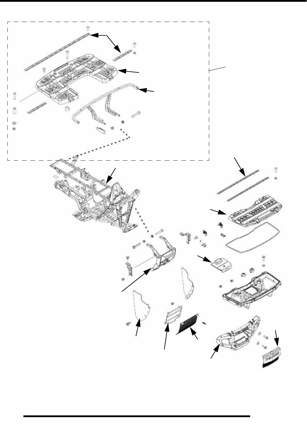
- Sportsman Body Assembly Exploded View
- X2 Body Assembly Exploded View
- Body / Rack Exploded Views
- Headlight Pod Exploded View
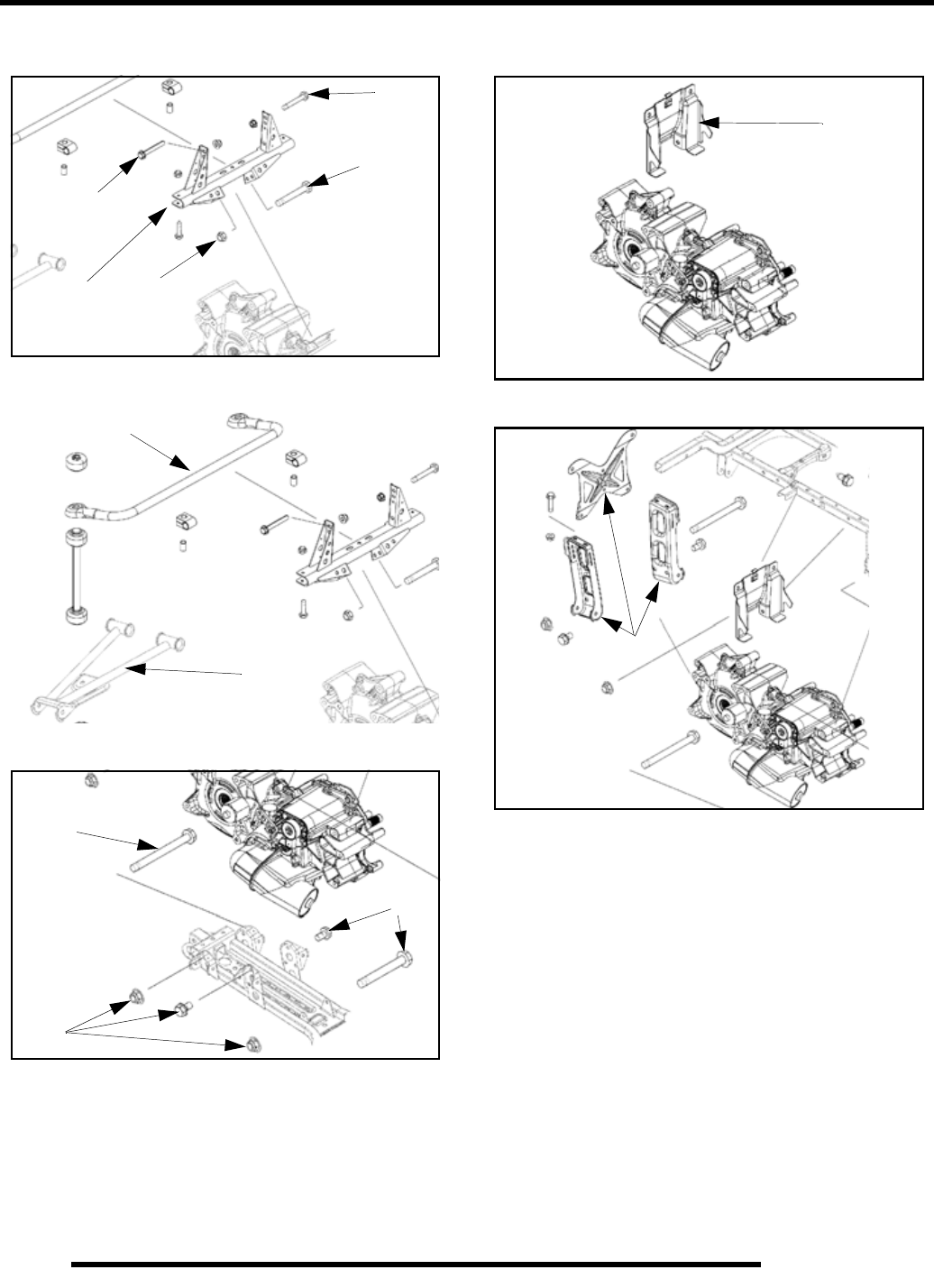
- STEERING
- SUSPENSION
- X2 CARGO BOX
- X2 SEAT assembly
- CH 6 - CLUTCH SYSTEM
- CH 7 - FINAL DRIVE
- CH 8 - TRANSMISSION
- CH 9 - BRAKES
- CH 10 - ELECTRICAL
- GENERAL INFORMATION
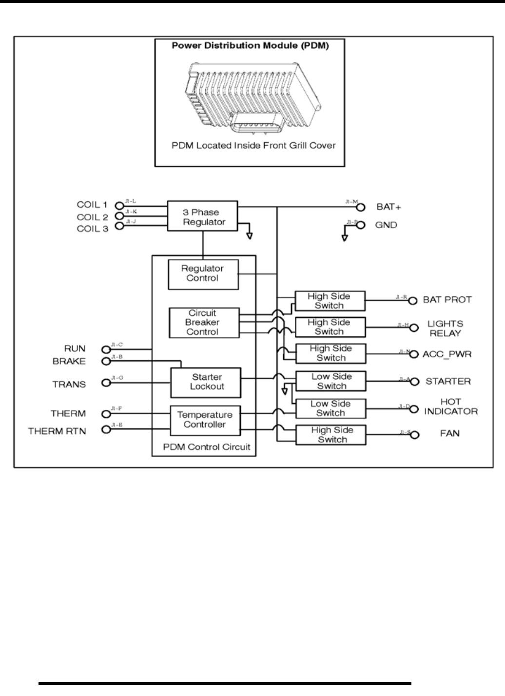
- POWER DISTRIBUTION MODULES (PDM)
- INSTRUMENT CLUSTER
- ALL WHEEL DRIVE AND SPEEDOMETER TROUBLESHOOTING
- ACTIVE DESCENT CONTROL (ADC) COIL
- ALL WHEEL DRIVE (AWD) COIL
- COOLING SYSTEM COMPONENTS
- GEAR POSITION INDICATOR SWITCH
- ELECTRONIC THROTTLE CONTROL (ETC) SWITCH
- IGNITION SYSTEM
- CHARGING SYSTEM
- DIFFERENTIAL SOLENOID
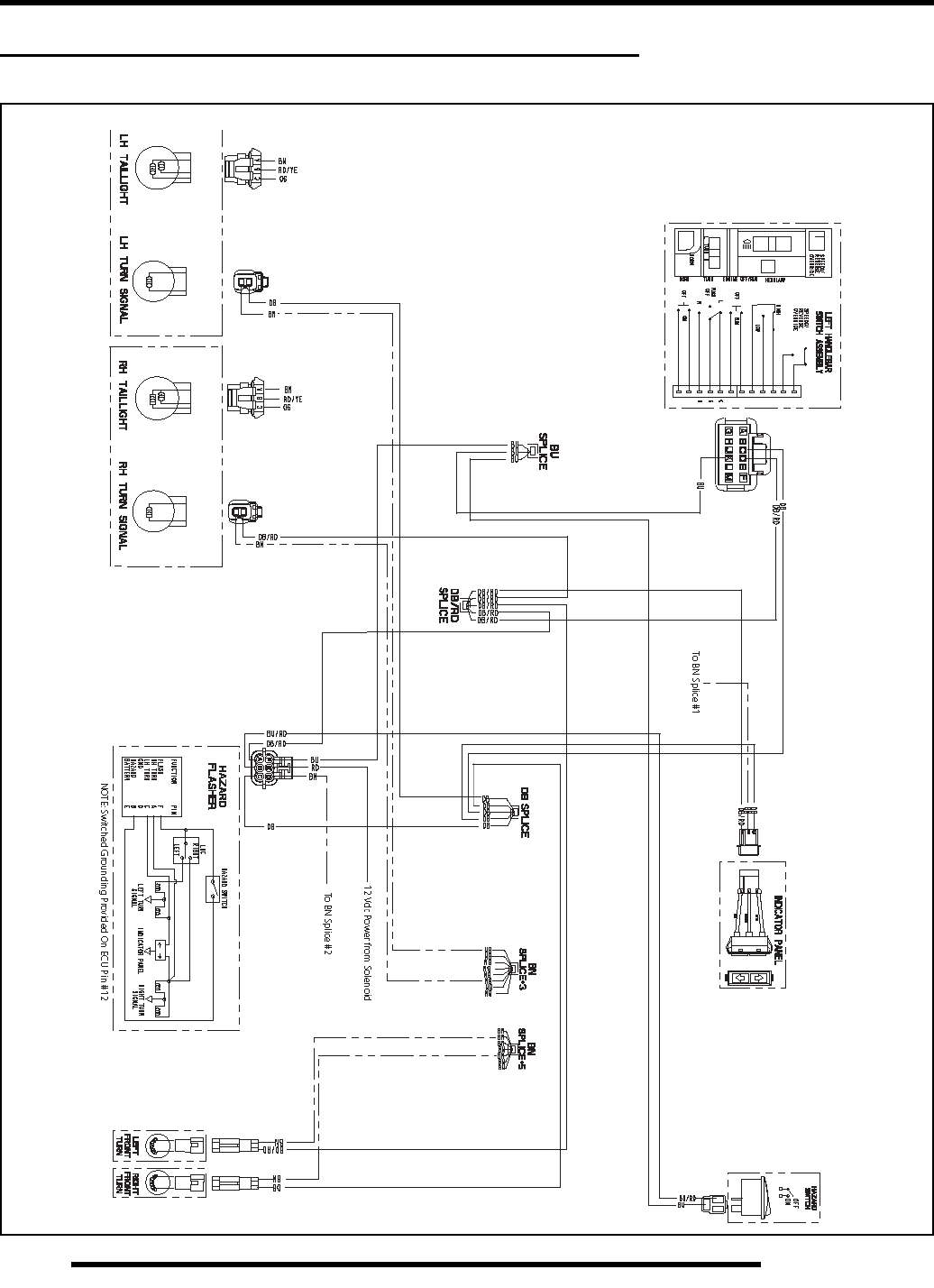
- LIGHTING
- SPEED SENSOR
- FUEL SENDER
- ACCESSORY POWER
- STARTER SYSTEM
- Troubleshooting
- VOLTAGE DROP TEST
- Starter Lockout Troubleshooting- EFI Models
- Starter Lockout Troubleshooting- Sportsman 450
- Starter Lockout Diagram- EFI
- Starter Lockout Diagram- Sportsman 450
- Starter Motor Removal / Disassembly
- Brush Inspection / Replacement
- Armature Testing
- Starter Reassembly
- Starter Solenoid Bench Test
- Starter Exploded View
- STARTER DRIVE
- STARTER SYSTEM TESTING FLOW CHART
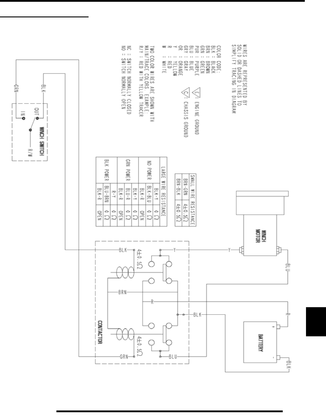
- BASIC WINCH WIRING
- TROUBLESHOOTING DIAGRAMS
- BATTERY
- Battery Identification
- Battery Activation
- Terminal Preparation
- Battery Removal
- Battery Installation
- Off Season Storage
- Low Maintenance Battery Off-Season Storage
- Battery Testing
- Conventional Battery OCV - Open Circuit Voltage Test
- Conventional Battery Specific Gravity Test
- Battery Load Test
- Charging Procedure
- Low Maintenance Battery Check:
- Low Maintenance Battery Charging
- Low Maintenance Battery - OCV- Open Circuit Voltage Test
- Low Maintenance Battery Load Test
- Low Maintenance Battery Charging Procedure
- CH 11 - INTERNATIONAL
- INDEX
- WIRE DIAGRAMS

2007 SPORTSMAN 450 / 500 EFI / 500 X2 EFI
SERVICE MANUAL
FOREWORD
This service manual is designed primarily for use by certified Polaris Master Service Dealer technicians in a properly
equipped shop and should be kept available for reference. All references to left and right side of the vehicle are from
the operator's perspective when seated in a normal riding position.
Some procedures outlined in this manual require a sound knowledge of mechanical theory, tool use, and shop
procedures in order to perform the work safely and correctly. Technicians should read the text and be familiar with
service procedures before starting the work. Certain procedures require the use of special tools. Use only the proper
tools as specified.
Comments or suggestions about this manual may be directed to: Service Publications Dept. @ Polaris Sales Inc. 2100
Hwy 55 Medina Minnesota 55340.
2007 Sportsman 450 / 500 EFI / 500 X2 EFI Service Manual PN 9920560
© Copyright 2006 Polaris Sales Inc. All information contained within this publication is based on the latest product information at the time of publication. Due to constant
improvements in the design and quality of production components, some minor discrepancies may result between the actual vehicle and the information presented in this
publication. Depictions and/or procedures in this publication are intended for reference use only. No liability can be accepted for omissions or inaccuracies. Any reprinting
or reuse of the depictions and/or procedures contained within, whether whole or in part, is expressly prohibited. Printed in U.S.A.

UNDERSTANDING MANUAL SAFETY LABELS AND DIRECTIONS
Throughout this manual, important information is brought to your attention by the following symbols:
SAFETY ALERT WARNING indicates a potential hazard that may result in severe injury or death to the operator, bystander or
person(s) inspecting or servicing the vehicle.
SAFETY ALERT CAUTION indicates a potential hazard that may result in minor personal injury or damage to the vehicle.
CAUTION indicates special precautions that must be taken to avoid vehicle damage or property damage.
NOTE:
NOTE provides key information by clarifying instructions.
IMPORTANT:
IMPORTANT provides key reminders during disassembly, assembly and inspection of components.
TRADEMARKS
POLARIS ACKNOWLEDGES THE FOLLOWING PRODUCTS MENTIONED IN THIS MANUAL:
Loctite, Registered Trademark of the Loctite Corporation
Nyogel, Trademark of Wm. F. Nye Co.
Fluke, Registered Trademark of John Fluke Mfg. Co.
Mity-Vac, Registered Trademark of Neward Enterprises, Inc.
Torx, Registered Trademark of Textron
Hilliard, Trademark of the Hilliard Corporation
Warn, Trademark of Warn Industries
Some Polaris factory publications can be downloaded from www.polarisindustires.com, purchased from www.purepolaris.com or
by contacting the nearest Polaris dealer.
WARNING
CAUTION
CAUTION

1
GENERAL
2
MAINTENENCE
3
ENGINE
4
FUEL SYSTEM
5
BODY / SUSPENSION
6
CLUTCH
7
TRANSMISSION
8
FINAL DRIVE
9
BRAKES
10
ELECTRICAL
11
INTERNATIONAL

NOTES

GENERAL INFORMATION
1.1
CHAPTER 1
GENERAL INFORMATION 1
MODEL NUMBER INFORMATION . . . . . . . . . . . . . . . . . . . . . . . . . . . . . . . . . . . . . . . . . . 1.2
MODEL NUMBER. . . . . . . . . . . . . . . . . . . . . . . . . . . . . . . . . . . . . . . . . . . . . . . . . . . . . . . 1.2
ENGINE DESIGNATION NUMBERS . . . . . . . . . . . . . . . . . . . . . . . . . . . . . . . . . . . . . . . . 1.2
VEHICLE IDENTIFICATION NUMBER (VIN). . . . . . . . . . . . . . . . . . . . . . . . . . . . . . . . . . 1.2
TRANSMISSION I.D. LOCATION. . . . . . . . . . . . . . . . . . . . . . . . . . . . . . . . . . . . . . . . . . . 1.2
ENGINE AND MACHINE SERIAL NUMBERS . . . . . . . . . . . . . . . . . . . . . . . . . . . . . . . . . 1.2
PUBLICATIONS . . . . . . . . . . . . . . . . . . . . . . . . . . . . . . . . . . . . . . . . . . . . . . . . . . . . . . . . 1.3
PAINT CODES . . . . . . . . . . . . . . . . . . . . . . . . . . . . . . . . . . . . . . . . . . . . . . . . . . . . . . . . . 1.3
REPLACEMENT KEYS . . . . . . . . . . . . . . . . . . . . . . . . . . . . . . . . . . . . . . . . . . . . . . . . . . 1.3
SPORTSMAN ‘DELUXE’ AND ‘STANDARD’ MODEL COMPONENT COMPARISON . . 1.4
SPORTSMAN X2 ‘DELUXE’ AND ‘STANDARD’ MODEL COMPONENT COMPARISON1.5
2007 SPORTSMAN 450 . . . . . . . . . . . . . . . . . . . . . . . . . . . . . . . . . . . . . . . . . . . . . . . . . . 1.6
MODEL NUMBER: A07MH46AA, AZ . . . . . . . . . . . . . . . . . . . . . . . . . . . . . . . . . . . . . . . 1.6
2007 SPORTSMAN 500 EFI . . . . . . . . . . . . . . . . . . . . . . . . . . . . . . . . . . . . . . . . . . . . . . . 1.8
MODEL NUMBER: A07MH50AX, AY, AZ / A07MN50AQ, AF / A07MH50FC. . . . . . . . . 1.8
2007 SPORTSMAN X-2 500 EFI. . . . . . . . . . . . . . . . . . . . . . . . . . . . . . . . . . . . . . . . . . . 1.10
MODEL NUMBER: A07TH50AU, AZ / A07TN50AF, AQ / A07TH50EA . . . . . . . . . . . . 1.10
MISC. NUMBERS/CHARTS . . . . . . . . . . . . . . . . . . . . . . . . . . . . . . . . . . . . . . . . . . . . . . 1.12
STANDARD TORQUE SPECIFICATIONS. . . . . . . . . . . . . . . . . . . . . . . . . . . . . . . . . . . 1.12
SAE TAP DRILL SIZES . . . . . . . . . . . . . . . . . . . . . . . . . . . . . . . . . . . . . . . . . . . . . . . . . 1.13
METRIC TAP DRILL SIZES . . . . . . . . . . . . . . . . . . . . . . . . . . . . . . . . . . . . . . . . . . . . . . 1.13
DECIMAL EQUIVALENTS . . . . . . . . . . . . . . . . . . . . . . . . . . . . . . . . . . . . . . . . . . . . . . . 1.13
CONVERSION TABLE . . . . . . . . . . . . . . . . . . . . . . . . . . . . . . . . . . . . . . . . . . . . . . . . . . 1.14
GLOSSARY OF TERMS. . . . . . . . . . . . . . . . . . . . . . . . . . . . . . . . . . . . . . . . . . . . . . . . . 1.15

1.2
GENERAL INFORMATION
MODEL NUMBER INFORMATION
Model Number
The machine model number must be used with any correspondence regarding warranty or service.
Engine Designation Numbers
EH50PLE - Single Cylinder, Liquid Cooled,4 Stroke, Electric Start
Vehicle Identification Number (VIN)
Transmission I.d. Location
Engine And Machine Serial Numbers
The machine model number and serial number are important for vehicle identification. Be sure to refer to the engine model number
and serial number whenever corresponding about an engine. This information can be found on the sticker applied to the top side
of the crankcase (A). An additional number is stamped on the side of the crankcase beneath the cylinder coolant elbow.
The machine serial number is stamped on the lower left side of the frame tube (B).
A07 MN 50 AU
}
1 2 3 4 5 6 7 8 9 10 11 12 13 14 15 16 17
World
Mfg. ID
Engine
Vehicle Descriptor Vehicle Identifier
Check Digit
Model
Year
Body Style Plant No
Individual Serial Number
* This could be either
a number or a letter
Powertrain
Emissions
4 X A M N 5 0 A * 7 P 0 0 0 0 0 0
The transmission I.D.number is located on top of
the transmission snorkel, right side of machine.

1.3
GENERAL INFORMATION
1
Publications
Paint Codes
Replacement Keys
Replacement keys can be made from the original key (Phoenix excluded). To identify which series the key is, take the first two digits
on the original key and refer to the chart to the right for the proper part number. Should both keys become lost, ignition switch
replacement is required.
Table 1-1: Publications
Year Model Model No. Owner's
Manual PN Parts
Manual PN Parts
Micro Fiche PN
2007 Sportsman 500 EFI A07MN50A (Deluxe)
A07MH50A (Standard)
A07MH50F (Standard Intl’)
9920364 9920365 N/A
2007 Sportsman X2 500 EFI A07TN50A (Deluxe)
A07TH50A (Standard) 9920632 9920902 N/A
2007 Sportsman 450 EFI A07MH46A 9920629 9920557 N/A
2007 Sportsman X2 500 EFI
Quadricycle A07MH46E 9920650 9920899 N/A
Table 1-2: Paint Codes
PAINTED PART COLOR
DESCRIPTION DITZLER
NUMBER POLARIS
NUMBER
Sportsman Frame Black 9440 P-067
Table 1-3: Key Numbers
Series # Part Number
20 4010278
21 4010278
22 4010321
23 4010321
27 4010321
28 4010321
31 4110141
32 4110148
67 4010278
68 4010278
Key Cover
PN 5433534

1.4
GENERAL INFORMATION
Sportsman ‘Deluxe’ and ‘Standard’ Model Component Comparison
For Model Year 2007, a Sportsman ‘Deluxe’ and ‘Standard’ model were offered. Use the following table as a guide:
SPORTSMAN ‘DELUXE’ MODEL Item Location SPORTSMAN ‘STANDARD’ MODEL
Winch 1No Winch
PXT Tires 2Titan Tires
PVT w/EBS 3Non-EBS (X2 excluded)
Rear Work Lights 4No Work Lights
Front Drive w/ Active Descent Control (ADC) 5No Active Descent Control (ADC)
Speed Sensor Wiring for ADC 6No Sensor Wiring Change
Rear Rack Extension 7No Rack Extension
Cast Aluminum Wheels 8Steel Wheels
Single Exhaust 9Single Exhaust
Wire Harness w/ Active Descent Control (ADC) 10 Standard Wire Harness
PDM w/ Active Descent Control (ADC) 10 Standard PDM
1
2
3
4
5
6
7
8
9
10
Deluxe Model Pictured

1.5
GENERAL INFORMATION
1
Sportsman X2 ‘Deluxe’ and ‘Standard’ Model Component Comparison
For Model Year 2007, an X2 ‘Deluxe’ and ‘Standard’ model were offered. Use the following table as a guide:
X2 ‘DELUXE’ MODEL Item Location X2 ‘STANDARD’ MODEL
Winch 1No Winch
Rear Work Lights 2No Work Lights
Front Drive w/ Active Descent Control (ADC) 3No Active Descent Control (ADC)
Cast Aluminum Wheels 4Steel Wheels
1
2
3
4
Standard Model Pictured

1.6
GENERAL INFORMATION
2007 SPORTSMAN 450
Model Number: A07MH46AA, AZ
Engine Model: EH46PLE
Table 1-4: Sportsman 450 General
Specifications
Category Dimension / Capacity
Length 83 in./211 cm
Width 48 in./122 cm
Height 48 in./122 cm
Wheel Base 50.5 in./128.3 cm
Ground Clearance 11 in./27.94 cm
Dry Weight 715 lbs./324 kg
Gross Vehicle Weight 1210 lbs./549 kg
Front Rack Capacity 90 lbs./40.8 kg
Rear Rack Capacity 180 lbs./81.6 kg
Towing Capacity 1225 lbs./555.6 kg
Body Style Spirit
Hitch Tongue Capacity 120 lbs./54.4 kg

1.7
GENERAL INFORMATION
1
Table 1-5: Sportsman 450
ENGINE
Platform Fuji Single Cylinder
Engine Model Number EH46PLE010
Engine Displacement 455cc
Number of Cylinders 1
Bore & Stroke (mm) 87.9 x 75 mm
Compression Ratio 9.8:1
Compression Pressure 50-90 psi W/Compression Release
Engine Idle Speed 1100 50 RPM
Engine Max Operating Rpm 6000 Rpm 200 Rpm
Cooling System / Capacity Liquid - 2.25 qt / 2.1 ltr
Overheat Warning HOT on Instrument Cluster
Lubrication Pressurized Dry Sump
Oil Requirements / Capacity Polaris 0W-40 2 qt. / 1.9 ltr
Exhaust System Single Pipe USFS Approved
Fuel System
Carburetor Mikuni BST 34mm
Main Jet 167.5
Pilot Jet 42.5
Jet Needle / Clip Position 4IB33 - 3
Needle Jet P-6M (829)
Pilot Screw 2 3/4 Turns Out (initial)
Pilot Air Jet 1.3
Float Height 13mm 1 (.51 0.40")
Fuel Delivery Fuel Pump
Fuel Capacity / Requirement 4.25 gal US / 19.9 liters
87 Octane (minimum)
or 89 Oxygenated
Electrical
Alternator Output 260 w @ 3000 RPM
Voltage Regulator 3-phase - PDM
Lights : Pod 50 watts
Grill 2 x 37 watts
Brake 26.9 watts
Tail 8.26 watts
Worklight 13 watts
Indicator 1 watt
Operating RPM 6000 RPM
Ignition System DC/CDI Ignition
Ignition Timing 30°2° BTDC @ 5000 RPM
Spark plug / Gap BKR6E / .035 in. / 0.9 mm
Battery / Amp Hr Maintenance-Free / 12 Amp Hr.
Circuit Protection Solid State - PDM
Starting Electric / Recoil
Instrument Cluster Analog Speedo w/ LCD
Table 1-6: Sportsman 450
Drivetrain
Transmission Type Drumshift - H/L/N/R/P
Transmission Capacity 32 oz. / 948 ml
Front Gearcase Capacity 8.97 oz. / 265 ml
Gear Ratio : Low
Rev
High
Front Drive
23.91:1
16.30:1
10.49:1
3.82:1
Clutch Type PVT Non-EBS
Belt 3211077
Steering / Suspension
Front Suspension / Shock A-arm / MacPherson Strut
Front Travel 8.2 in. / 20.8 cm
Rear Suspension / Shock Progressive Rate Independent -
w/ 2" Coil-over shock
Rear Travel 9.5 in. / 24.13 cm
Ground Clearance 11 in. / 27.94 cm
Shock Preload Adjustment
Front / Rear
Front -Non Adjustable.
Rear - Ratchet Style- Std.
Turning Radius 65 in./165.10 cm unloaded
Toe Out 0-1/16 in / .0 - .159 mm
Wheels / Brakes
Wheel / Tire Size / Pattern - Front Steel 25x8 - 12 / 4-156
Wheel / Tire Size / Pattern - Rear Steel 25x11 - 12 / 4-156
Recommended Air Pressure Front & Rear - 5 psi
Brake - Front Dual Hydraulic Disc
Brake - Rear Single Hydraulic Disc
Brake Fluid DOT - approved only
Table 1-7: Sportsman 450 Jetting
Altitude
AMBIENT TEMPERATURE
Below 40 ° F
Below 5 ° C +40 to +80 ° F
+5 to +28 ° C
M e t e r s
(Feet) 0-1800
(0-6000) 175 167.5
1800-3700
(6000-12000) 162.5 157.5
Table 1-8: Sportsman 450 Clutching
Altitude Shift
Weight
Drive
Clutch
Spring
Driven
Clutch
Spring
Driven-
Helix
M e t e r s
(Feet)
0-1800
(0-6000) 10 WH
(5630710) Blu/Grey
(7042202) Black
(7041782)
40°
2+2
(5131446)
1800-3700
(6000-12000) 20-40
(5631356) Blu/Grey
(7042202) Black
(7041782)
40°
2+2
(5131446)

1.8
GENERAL INFORMATION
2007 SPORTSMAN 500 EFI
Model Number: A07MH50AX, AY, AZ, AQ / A07MN50AL, AF / A07MH50FC
(Standard Models) (Deluxe Models) (International)
Engine Model: EH50PLE
Table 1-9: Sportsman 500 EFI General
Specifications
Category Dimension / Capacity
Length 83 in./211 cm
Width 48 in./122 cm
Height 48 in./122 cm
Wheel Base 50.5 in./128.3 cm
Ground Clearance 11.25 in./28.6 cm
Dry Weight 715 lbs./324 kg
Gross Vehicle Weight 1200 lbs./544 kg
Front Rack Capacity 90 lbs./40.8 kg
Rear Box Capacity 180 lbs./81.6 kg
Towing Capacity 1225 lbs./555.6 kg
Body Style Spirit
Hitch Tongue Capacity 120 lbs./54.4 kg

1.9
GENERAL INFORMATION
1
Table 1-10: Sportsman 500 EFI
ENGINE
Platform Fuji Single Cylinder
Engine Model Number EH50PLE210
Engine Displacement 499cc
Number of Cylinders 1
Bore & Stroke (mm) 92 x 75 mm
Compression Ratio 10.2:1
Compression Pressure 50-90 psi W/Compression Release
Engine Idle Speed 1100 200 RPM
Engine Max Operating Rpm 6000 Rpm 200 Rpm
Cooling System / Capacity Liquid - 2.5 qt / 2.4 ltr
Overheat Warning HOT on Instrument Cluster
Lubrication Pressurized Dry Sump
Oil Requirements / Capacity Polaris 0W-40 2 qt. / 1.9 ltr
Exhaust System Single Pipe USFS Approved
Fuel System
Fuel System Electronic Fuel Injection (EFI)
Fuel Pump (in tank assembly) 25L per hr. at 39 psi
Fuel Filter(s) 10 micron in-line
30 micron in tank - (not replaceable)
Fuel Injector(s) Visteon
EFI Controller Visteon VP5U1U-12A650-AA
Fuel Capacity / Requirement 6 gal US / 22.7 liters
87 Octane (minimum)
or 89 Oxygenated
Electrical
Alternator Output 350 w @ 6000 RPM
Lights : Pod 50 watts
Grill 2 x 37 watts
Brake 2 x 8.26 watts
Tail 2 x 26.9 watts
Worklight 2 x 13 watts
Indicator 1 watt
Operating RPM 6000 RPM
Ignition System DC/CDI Ignition
Ignition Timing 13° BTDC @ 1150 RPM
Spark plug / Gap BKR6E / .035 in. / 0.9 mm
Battery / Amp Hr Lead Acid / 30 Amp Hr.
Circuit Breakers Fan 12 amp / Switched Power 10
amp / Fuel Pump 10 amp / ECU
15 amp / Ignition Coil 10 amp /
Accessory Power 10 amp /
Lights 20 Amp
Starting Electric / Recoil
Instrument Cluster Analog Speedo w/ LCD
Table 1-11: Sportsman 500 EFI
Drivetrain
Transmission Type Drumshift - H/L/N/R/P
Transmission Capacity 32 oz. / 948 ml
Front Gearcase Capacity- CH 8.97 / 265 ml
Front Gearcase Capacity- ADC 9.3 / 275 ml
Gear Ratio : Low
Rev
High
Front Drive
23.91:1
21.74:1
10.57:1
3.82:1
Clutch Type PVT (Standard Models)
PVT w/EBS (Deluxe Models)
Belt 3211113 EBS
3211077 Non-EBS
Steering / Suspension
Front Suspension / Shock A-arm / MacPherson Strut
Front Travel 8.2 in. / 20.8 cm
Rear Suspension / Shock Progressive Rate Independent -
Coil - over shock
Rear Travel 9.5 in. / 24.13 cm
Ground Clearance 11 in. / 27.94 cm
Shock Preload Adjustment
Front / Rear
Front -Non Adjustable.
Rear - Ratchet Style- Std.
Turning Radius 65 in./165.10 cm unloaded
Toe Out 0-1/16 in / .0 - .159 mm
Wheels / Brakes
Wheel/Tire Size / Pattern - Front 26 x 8 - 12 / 4-156
Wheel/Tire Size / Pattern - Rear 26 x 11 - 12 / 4-156
Recommended Air Pressure Front & Rear - 5 psi
Brake - Front Dual Hydraulic Disc
Brake - Rear Single Hydraulic Disc
Brake Fluid DOT - approved only
Table 1-12: Sportsman 500 EFI Clutching
Altitude Shift
Weight Drive
Clutch
Spring
Driven
Clutch
Spring
Helix*
*No
Adjustment
M e t e r s
(Feet) 0-1800
(0-6000) 10 WH
(5630710) Blu/Green
(7041157) White/Yel
(7041635) EBS
(5131674)
1800-3700
(6000-12000) 10 RH
(5630709) Blu/Green
(7041157) White/Yel
(7041635) EBS
(5131674)

1.10
GENERAL INFORMATION
2007 SPORTSMAN X-2 500 EFI
Model Number: A07TH50AU, AZ, AQ / A07TN50AF / A07TH50EA
(Standard Models) (Deluxe Model) (Intl’ Quadricycle)
Engine Model: EH50PLE
Table 1-13: Sportsman X-2 500 EFI General
Specifications
Category Dimension / Capacity
Length 93 in./236 cm
Width 48 in./122 cm
Height 48 in./122 cm
Wheel Base 57 in./145 cm
Ground Clearance 11 in./28 cm
Dry Weight 798 lbs./362 kg
Gross Vehicle Weight 1500 lbs./680 kg
Front Rack Capacity 90 lbs./40.8 kg
Rear Box Capacity 400 lbs./81.6 kg
Towing Capacity 1225 lbs./555.6 kg
Body Style Spirit
Hitch Tongue Capacity 120 lbs./54.4 kg
Rear box capacity and tongue weight
not to exceed 400 lbs./181kg

1.11
GENERAL INFORMATION
1
Table 1-14: Sportsman X2 500 EFI
ENGINE
Platform Fuji Single Cylinder
Engine Model Number EH50PLE210
Engine Displacement 499cc
Number of Cylinders 1
Bore & Stroke (mm) 92 x 75 mm
Compression Ratio 10.2:1
Compression Pressure 60-90 psi W/Compression Release
Engine Idle Speed 1150 50 RPM
Engine Max Operating Rpm 6000 Rpm 200 Rpm
Cooling System / Capacity Liquid - 2.5 qt / 2.4 ltr
Overheat Warning HOT on Instrument Cluster
Lubrication Pressurized Dry Sump
Oil Requirements / Capacity Polaris 0W-40 2 qt. / 1.9 ltr
Exhaust System Single Pipe USFS Approved
Fuel System
Fuel System Electronic Fuel Injection (EFI)
Fuel Pump (in tank assembly) 25L per hr. at 39 psi
Fuel Filter(s) 10 micron in-line
30 micron in tank - (not replaceable)
Fuel Injector(s) Visteon
EFI Controller Visteon VP5U1U-12A650-AA
Fuel Capacity / Requirement 6 gal US / 22.7 liters
87 Octane (minimum)
or 89 Oxygenated
Electrical
Alternator Output 350 w @ 6000 RPM
Lights : Pod 50 watts
Grill 2 x 37 watts
Brake 2 x 8.26 watts
Tail 2 x 26.9 watts
Worklight 2 x 13 watts
Indicator 1 watt
Operating RPM 6000 RPM
Ignition System DC/CDI Ignition
Ignition Timing 10° BTDC @ 1150 RPM
Spark plug / Gap BKR6E / .035 in. / 0.9 mm
Battery / Amp Hr Lead Acid / 30 Amp Hr.
Circuit Breakers Fan 12 amp / Switched Power 10
amp / Fuel Pump 10 amp / ECU
15 amp / Ignition Coil 10 amp /
Accessory Power 10 amp /
Lights 20 Amp
Starting Electric / Recoil
Instrument Cluster Analog Speedo w/ LCD
Table 1-15: Sportsman X2 500 EFI
Drivetrain
Transmission Type Drumshift - H/L/N/Rev/Park
Transmission Capacity 32 oz. / 948 ml
Front Gearcase Capacity- CH 8.97 / 265 ml
Front Gearcase Capacity- ADC 9.3 / 275 ml
Gear Ratio : Low
Rev
High
Front Drive
23.91:1
21.74:1
10.57:1
3.82:1
Clutch Type PVT w/EBS
Belt 3211113
Steering / Suspension
Front Suspension / Shock A-arm / MacPherson Strut
Front Travel 8.2 in. / 20.8 cm
Rear Suspension / Shock Progressive Rate Independent -
Coil - over shock
Rear Travel 8.75 in. / 22.2 cm
Ground Clearance 11 in. / 28 cm
Shock Preload Adjustment
Front / Rear
Front -Non Adjustable.
Rear - Ratchet Style- Std.
Turning Radius 82 in./208 cm unlocked
Toe Out 0-1/16 in / .0 - .159 mm
Wheels / Brakes
Wheel Size / Pattern - Front Steel 12x6 / 4-156
Wheel Size / Pattern - Rear Steel 12x8 / 4-156
Front Tire Size 25x8-12
Rear Tire Size 25x11-12
Recommended Air Pressure Front & Rear - 5 psi
Brake - Front Dual Hydraulic Disc
Brake - Rear Dual Hydraulic Disc
Table 1-16: Sportsman X2 500 EFI
Altitude Shift
Weight Drive
Clutch
Spring
Driven
Clutch
Spring
Helix*
*No
Adjustment
M e t e r s
(Feet) 0-1800
(0-6000) 10 WH
(5630710) Blu/Green
(7041157) White/Yel
(7041635) EBS
(5131674)
1800-3700
(6000-12000) 10 RH
(5630709) Blu/Green
(7041157) White/Yel
(7041635) EBS
(5131674)

1.12
GENERAL INFORMATION
MISC. NUMBERS/CHARTS
Standard Torque Specifications
The following torque specifications are to be used as a general guideline. There are exceptions in the steering, suspension, and engine
areas. Always consult the exploded views in each manual section for torque values of fasteners before using standard torque.

1.13
GENERAL INFORMATION
1
SAE Tap Drill Sizes
Metric Tap Drill Sizes
Decimal Equivalents
1/64 . . . . . . . . . . .. . . . . . . .0156
1/32 . . . . . . .. . . . . . . .0312 . . 1 mm= .0394"
3/64 . . . . . . . . . . .. . . . . . . .0469
1/16 . . . . . . .. . . . . . . .0625
5/64 . . . . . . . . . . .. . . . . . . .0781 . . 2 mm = .0787"
3/32 . . . . . . .. . . . . . . .0938
7/64 . . . . . . . . . . .. . . . . . . .1094 . . 3 mm =.1181"
1/8 . . . . . . . . .1250
9/64 . . . . . . . . . . .. . . . . . . .1406
5/32 . . . . . . .. . . . . . . .1563 . . 4 mm = .1575"
11/64 . . . . . . . . . . .. . . . . . . .1719
3/16 . . . . . . .. . . . . . . .1875 . . 5mm= .1969"
13/64 . . . . . . . . . . .. . . . . . . .2031
7/32 . . . . . . .. . . . . . . .2188
15/64 . . . . . . . . . . .. . . . . . . .2344 . . 6 mm = .2362"
1/4 . . . . . . . . .25
17/64 . . . . . . . . . . .. . . . . . . .2656 . . 7 mm = .2756"
9/32 . . . . . . .. . . . . . . .2813
19/64 . . . . . . . . . . .. . . . . . . .2969
5/16 . . . . . . .. . . . . . . .3125 . . 8mm= .3150"
21/64 . . . . . . . . . . .. . . . . . . .3281
11/32 . . . . . .. . . . . . . .3438 . . 9 mm = .3543"
23/64 . . . . . . . . . . .. . . . . . . .3594
3/8 . . . . . . . . .375
25/64 . . . . . . . . . . .. . . . . . . .3906 . . 10 mm = .3937"
13/32 . . . . . .. . . . . . . .4063
27/64 . . . . . . . . . . .. . . . . . . .4219 . . 11 mm =.4331"
7/16 . . . . . . .. . . . . . . .4375
29/64 . . . . . . . . . . .. . . . . . . .4531
15/32 . . . . . .. . . . . . . .4688 . . 12 mm = .4724"
31/64 . . . . . . . . . . .. . . . . . . .4844
1/2 . . . . . . . . .5 . . . . . . . . . . . 13mm = .5118"
33/64 . . . . . . . . . . .. . . . . . . .5156
17/32 . . . . . .. . . . . . . .5313
35/64 . . . . . . . . . . .. . . . . . . .5469 . . 14 mm = .5512"
9/16 . . . . . . .. . . . . . . .5625
37/64 . . . . . . . . . . .. . . . . . . .5781 . . 15 mm = .5906"
19/32 . . . . . .. . . . . . . .5938
39/64 . . . . . . . . . . .. . . . . . . .6094
5/8 . . . . . . . . .625 . . . . . . . . . 16mm=. 6299"
41/64 . . . . . . . . . . .. . . . . . . .6406
21/32 . . . . . .. . . . . . . .6563 . . 17 mm =.6693"
43/64 . . . . . . . . . . .. . . . . . . .6719
11/16 . . . . . .. . . . . . . .6875
45/64 . . . . . . . . . . .. . . . . . . .7031 . . 18 mm = .7087"
23/32 . . . . . .. . . . . . . .7188
47/64 . . . . . . . . . . .. . . . . . . .7344 . . 19 mm = .7480"
3/4 . . . . . . . . .75
49/64 . . . . . . . . . . .. . . . . . . .7656
25/32 . . . . . .. . . . . . . .7813 . . 20 mm = .7874"
51/64 . . . . . . . . . . .. . . . . . . .7969
13/16 . . . . . .. . . . . . . .8125 . . 21 mm =.8268"
53/64 . . . . . . . . . . .
. . . . . . . .8281
27/32 . . . . . .. . . . . . . .8438
55/64 . . . . . . . . . . .. . . . . . . .8594 . . 22 mm = .8661"
7/8 . . . . . . . . .875
57/64 . . . . . . . . . . .. . . . . . . .8906 . . 23 mm = .9055"
29/32 . . . . . .. . . . . . . .9063
59/64 . . . . . . . . . . .. . . . . . . .9219
15/16 . . . . . .. . . . . . . .9375 . . 24 mm = .9449"
61/64 . . . . . . . . . . .. . . . . . . .9531
31/32 . . . . . .. . . . . . . .9688 . . 25 mm = .9843"
63/64 . . . . . . . . . . .. . . . . . . .9844
1. . . . . . . . . . 1.0
Thread Size/ Drill Size Thread Size / Drill Size
#0-80 3/64 1/2-13 27/64
#1-64 53 1/2-20 29/64
#1-72 53 9/16-12 31/64
#2-56 51 9/16-18 33/64
#2-64 50 5/8-11 17/32
#3-48 5/64 5/8-18 37/64
#3-56 45 3/4-10 21/32
#4-40 43 3/4-16 11/16
#4-48 42 7/8-9 49/64
#5-40 38 7/8-14 13/16
#5-44 37 1-8 7/8
#6-32 36 1-12 59/64
#6-40 33 1 1/8-7 63/64
#8-32 29 1 1/8-12 1 3/64
#8-36 29 1 1/4-7 1 7/64
#10-24 24 1 1/4-12 1 11/64
#10-32 21 1 1/2-6 1 11/32
#12-24 17 1 1/2-12 1 27/64
#12-28 4.6mm 1 3/4-5 1 9/16
1/4-20 71 3/4-12 1 43/64
1/4-28 32-4 1/2 1 25/32
5/16-18 F2-12 1 59/64
5/16-24 I2 1/4-4 1/2 2 1/32
3/8-16 O2 1/2-4 2 1/4
3/8-24 Q2 3/4-4 2 1/2
7/16-14 U3-4 2 3/4
7/16-20 25/64
Tap Size Drill Size Decimal
Equivalent Nearest
Fraction
3x.50 #39 0.0995 3/32
3x.60 3/32 0.0937 3/32
4x.70 #30 0.1285 1/8
4x.75 1/8 0.125 1/8
5x.80 #19 0.166 11/64
5x.90 #20 0.161 5/32
6x1.00 #9 0.196 13/64
7x1.00 16/64 0.234 15/64
8x1.00 J0.277 9/32
8x1.25 17/64 0.265 17/64
9x1.00 5/16 0.3125 5/16
9x1.25 5/16 0.3125 5/16
10x1.25 11/32 0.3437 11/32
10x1.50 R0.339 11/32
11x1.50 3/8 0.375 3/8
12x1.50 13/32 0.406 13/32
12x1.75 13/32 0.406 13/32

1.14
GENERAL INFORMATION
Conversion Table
°C to °F: 9 (°C + 40) 5 - 40 = °F
°F to °C: 5 (°F + 40) 9 - 40 = °C
Unit of Measure Multiplied by Converts to
ft. lbs. x 12 = in. lbs.
in. lbs. x .0833 = ft. lbs.
ft. lbs. x 1.356 = Nm
in. lbs. x .0115 = kg-m
Nm x .7376 = ft. lbs.
kg-m x 7.233 = ft. lbs.
kg-m x 86.796 = in. lbs.
kg-m x 10 = Nm
in. x 25.4 =mm
mm x .03937 = in.
in. x 2.54 = cm
mile (mi.) x 1.6 = km
km x .6214 = mile (mi.)
Ounces (oz.) x 28.35 = Grams (g)
Fluid Ounces (fl. oz.) x 29.57 = Cubic Centimeters (cc)
Cubic Centimeters (cc) x .03381 = Fluid Ounces (fl. oz.)
Grams (g) x 0.035 = Ounces (oz.)
lb. x .454 = kg
kg x 2.2046 = lb.
Cubic inches (cu. in) x 16.387 = Cubic centimeters (cc)
Cubic centimeters (cc) x 0.061 = Cubic inches (cu. in)
Imperial pints (Imp pt.) x 0.568 = Liters (l)
Liters (l) x 1.76 = Imperial pints (Imp pt.)
Imperial quarts (Imp qt.) x 1.137 = Liters (l)
Liters (l) x 0.88 = Imperial quarts (Imp qt.)
Imperial quarts (Imp qt.) x 1.201 = US quarts (US qt.)
US quarts (US qt.) x 0.833 = Imperial quarts (Imp qt.)
US quarts (US qt.) x 0.946 = Liters (l)
Liters (l) x 1.057 = US quarts (US qt.)
US gallons (US gal) x 3.785 =Liters (l)
Liters (l) x 0.264 = US gallons (US gal)
Pounds - force per square inch (psi) x 6.895 = Kilopascals (kPa)
Kilopascals (kPa) x 0.145 = Pounds - force per square inch (psi)
Kilopascals (kPa) x 0.01 = Kilograms - force per square cm
Kilograms - force per square cm x 98.1 = Kilopascals (kPa)
(3.14)xR2x H (height) = Cylinder Volume

1.15
GENERAL INFORMATION
1
Glossary Of Terms
ABDC: After bottom dead center.
ACV: Alternating current voltage.
ADC: Active Descent Control.
Alternator: Electrical generator producing voltage alternating current.
ATDC: After top dead center.
BBDC: Before bottom dead center.
BDC: Bottom dead center.
BTDC: Before top dead center.
CC: Cubic centimeters.
Center Distance: Distance between center of crankshaft and center of driven clutch shaft.
Chain Pitch: Distance between chain link pins (No. 35 = 3/8, or 1 cm). Polaris measures chain length in number of pitches.
Crankshaft Run-Out: Run-out or "bend" of crankshaft measured with a dial indicator while crankshaft is supported between
centers on V blocks or resting in crankcase. Measure at various points especially at PTO.
DCV: Direct current voltage.
Electrical Open: Open circuit. An electrical circuit which isn't complete.
Electrical Short: Short circuit. An electrical circuit which is completed before the current reaches the intended load. (i.e. a bare
wire touching the chassis).
Engagement RPM: Engine RPM at which the drive clutch engages to make contact with the drive belt.
ft.: Foot/feet.
Ft. lb. / Foot Pound: A force of one pound at the end of a lever one foot in length, applied in a rotational direction.
g: Gram. Unit of weight in the metric system.
gal.: Gallon.
ID: Inside diameter.
in.: Inch/inches.
Inch Pound: In. lb. 12 in. lbs. = 1 ft. lb.
kg/cm: Kilograms per square centimeter.
kg-m: Kilogram meters.
Kilogram/meter: A force of one kilogram at the end of a lever one meter in length, applied in a rotational direction.
l or ltr: Liter.
Left Side: Always referred to based on normal operating position of the driver.
m: Meter/meters.
Mag: Magneto.
Magnetic Induction: As a conductor (coil) is moved through a magnetic field, a voltage will be generated in the windings.
Mechanical energy is converted to electrical energy in the stator.
mi.: Mile/miles.
mm: Millimeter. Unit of length in the metric system. 1mm = approximately .040,.
Nm: Newton meters.
OD: Outside diameter.
Ohm: The unit of electrical resistance opposing current flow.
oz.: Ounce/ounces.
PDM: Power Distribution Module.
Piston Clearance: Total distance between piston and cylinder wall.
psi.: Pounds per square inch.
PTO: Power take off.
qt.: Quart/quarts.
RPM: Revolutions per minute.
Regulator: Voltage regulator. Regulates battery charging system output at approx. 14.5 DCV as engine RPM increases.
Resistance: In the mechanical sense, friction or load. In the electrical sense, ohms. Both result in energy conversion to heat.
Right Side: Always referred to based on normal operating position of the driver.
RPM: Revolutions per minute.
Seized Piston: Galling of the sides of a piston. Usually there is a transfer of aluminum from the piston onto the cylinder wall.
Possible causes: 1) improper lubrication; 2) excessive temperatures; 3) insufficient piston clearance; 4) stuck piston rings.
Stator Plate: The plate mounted under the flywheel supporting the battery charging coils.
TDC: Top dead center. Piston's most outward travel from crankshaft.
Volt: The unit of measure for electrical pressure of electromotive force. Measured by a voltmeter in parallel with the circuit.
Watt: Unit of electrical power. Watts = amperes x volts.
WOT: Wide open throttle.

NOTES
GENERAL INFORMATION
1.16

MAINTENANCE
2.1
CHAPTER 2
MAINTENANCE
2
MAINTENANCE. . . . . . . . . . . . . . . . . . . . . . . . . . . . . . . . . . . . . . . . . . . . . . . . . . . . . . . . . 2.3
PERIODIC MAINTENANCE CHART . . . . . . . . . . . . . . . . . . . . . . . . . . . . . . . . . . . . . . . . 2.3
MAINTENANCE CHART KEY . . . . . . . . . . . . . . . . . . . . . . . . . . . . . . . . . . . . . . . . . . . . . 2.3
PERIODIC MAINTENANCE CHART . . . . . . . . . . . . . . . . . . . . . . . . . . . . . . . . . . . . . . . . 2.4
LUBRICATION / FLUIDS. . . . . . . . . . . . . . . . . . . . . . . . . . . . . . . . . . . . . . . . . . . . . . . . . . 2.7
SPORTSMAN COMPONENT LOCATIONS. . . . . . . . . . . . . . . . . . . . . . . . . . . . . . . . . . . 2.7
SPORTSMAN X2 COMPONENT LOCATIONS . . . . . . . . . . . . . . . . . . . . . . . . . . . . . . . . 2.8
POLARIS LUBRICANTS, MAINTENANCE AND SERVICE PRODUCTS . . . . . . . . . . . . 2.9
POLARIS LUBRICANT SYMBOL IDENTIFICATION . . . . . . . . . . . . . . . . . . . . . . . . . . . 2.10
PRE-RIDE / DAILY INSPECTION . . . . . . . . . . . . . . . . . . . . . . . . . . . . . . . . . . . . . . . . . 2.10
LUBRICATION COMPONENTS. . . . . . . . . . . . . . . . . . . . . . . . . . . . . . . . . . . . . . . . . . . 2.11
FRONT GEARCASE LUBRICATION . . . . . . . . . . . . . . . . . . . . . . . . . . . . . . . . . . . . . . . 2.12
TRANSMISSION LUBRICATION . . . . . . . . . . . . . . . . . . . . . . . . . . . . . . . . . . . . . . . . . . 2.13
ADC DIFFERENTIAL HYDRAULIC CIRCUIT FLUID CHANGE. . . . . . . . . . . . . . . . . . . 2.14
VEHICLE INSPECTION. . . . . . . . . . . . . . . . . . . . . . . . . . . . . . . . . . . . . . . . . . . . . . . . . . 2.14
SHIFT LINK ROD INSPECTION. . . . . . . . . . . . . . . . . . . . . . . . . . . . . . . . . . . . . . . . . . . 2.14
THROTTLE INSPECTION . . . . . . . . . . . . . . . . . . . . . . . . . . . . . . . . . . . . . . . . . . . . . . . 2.15
THROTTLE CABLE / ELECTRONIC THROTTLE CONTROL ADJUSTMENT . . . . . . . 2.15
FUEL SYSTEM. . . . . . . . . . . . . . . . . . . . . . . . . . . . . . . . . . . . . . . . . . . . . . . . . . . . . . . . 2.16
FUEL LINES . . . . . . . . . . . . . . . . . . . . . . . . . . . . . . . . . . . . . . . . . . . . . . . . . . . . . . . . . . 2.16
VENT LINES. . . . . . . . . . . . . . . . . . . . . . . . . . . . . . . . . . . . . . . . . . . . . . . . . . . . . . . . . . 2.16
FUEL FILTER . . . . . . . . . . . . . . . . . . . . . . . . . . . . . . . . . . . . . . . . . . . . . . . . . . . . . . . . . 2.17
COMPRESSION TEST. . . . . . . . . . . . . . . . . . . . . . . . . . . . . . . . . . . . . . . . . . . . . . . . . . 2.17
ENGINE MOUNTS . . . . . . . . . . . . . . . . . . . . . . . . . . . . . . . . . . . . . . . . . . . . . . . . . . . . . 2.17
SPARK PLUG. . . . . . . . . . . . . . . . . . . . . . . . . . . . . . . . . . . . . . . . . . . . . . . . . . . . . . . . . 2.18
ACTIVE DESCENT CONTROL (ADC) RESERVOIR LEVEL. . . . . . . . . . . . . . . . . . . . . 2.18
BATTERY MAINTENANCE . . . . . . . . . . . . . . . . . . . . . . . . . . . . . . . . . . . . . . . . . . . . . . 2.18
LIQUID COOLING SYSTEM OVERVIEW . . . . . . . . . . . . . . . . . . . . . . . . . . . . . . . . . . . 2.19
COOLANT STRENGTH / TYPE . . . . . . . . . . . . . . . . . . . . . . . . . . . . . . . . . . . . . . . . . . . 2.19
COOLING SYSTEM HOSES . . . . . . . . . . . . . . . . . . . . . . . . . . . . . . . . . . . . . . . . . . . . . 2.19
RADIATOR/GRILL SCREEN . . . . . . . . . . . . . . . . . . . . . . . . . . . . . . . . . . . . . . . . . . . . . 2.19
COOLING SYSTEM PRESSURE TEST. . . . . . . . . . . . . . . . . . . . . . . . . . . . . . . . . . . . . 2.20
COOLANT LEVEL INSPECTION . . . . . . . . . . . . . . . . . . . . . . . . . . . . . . . . . . . . . . . . . . 2.20
RADIATOR COOLANT LEVEL INSPECTION . . . . . . . . . . . . . . . . . . . . . . . . . . . . . . . . 2.20
AIR FILTER/PRE-FILTER SERVICE . . . . . . . . . . . . . . . . . . . . . . . . . . . . . . . . . . . . . . . 2.20
AIR BOX SEDIMENT TUBE. . . . . . . . . . . . . . . . . . . . . . . . . . . . . . . . . . . . . . . . . . . . . . 2.21
BREATHER FILTER INSPECTION . . . . . . . . . . . . . . . . . . . . . . . . . . . . . . . . . . . . . . . . 2.22
BREATHER HOSE . . . . . . . . . . . . . . . . . . . . . . . . . . . . . . . . . . . . . . . . . . . . . . . . . . . . . 2.22
RECOIL HOUSING. . . . . . . . . . . . . . . . . . . . . . . . . . . . . . . . . . . . . . . . . . . . . . . . . . . . . 2.22
ENGINE OIL LEVEL . . . . . . . . . . . . . . . . . . . . . . . . . . . . . . . . . . . . . . . . . . . . . . . . . . . . 2.23
OIL AND FILTER CHANGE . . . . . . . . . . . . . . . . . . . . . . . . . . . . . . . . . . . . . . . . . . . . . . 2.23
OIL PUMP PRIMING PROCEDURE . . . . . . . . . . . . . . . . . . . . . . . . . . . . . . . . . . . . . . . 2.25
VALVE CLEARANCE . . . . . . . . . . . . . . . . . . . . . . . . . . . . . . . . . . . . . . . . . . . . . . . . . . . 2.25
INTAKE VALVE CLEARANCE ADJUSTMENT . . . . . . . . . . . . . . . . . . . . . . . . . . . . . . . 2.26
EXHAUST VALVE CLEARANCE ADJUSTMENT . . . . . . . . . . . . . . . . . . . . . . . . . . . . . 2.26
STEERING . . . . . . . . . . . . . . . . . . . . . . . . . . . . . . . . . . . . . . . . . . . . . . . . . . . . . . . . . . . 2.26
TIE ROD END/STEERING INSPECTION . . . . . . . . . . . . . . . . . . . . . . . . . . . . . . . . . . . 2.27
CAMBER AND CASTER . . . . . . . . . . . . . . . . . . . . . . . . . . . . . . . . . . . . . . . . . . . . . . . . 2.27
WHEEL ALIGNMENT . . . . . . . . . . . . . . . . . . . . . . . . . . . . . . . . . . . . . . . . . . . . . . . . . . . 2.27
TOE ALIGNMENT ADJUSTMENT . . . . . . . . . . . . . . . . . . . . . . . . . . . . . . . . . . . . . . . . . 2.28
EXHAUST PIPE . . . . . . . . . . . . . . . . . . . . . . . . . . . . . . . . . . . . . . . . . . . . . . . . . . . . . . . 2.28
BRAKE SYSTEM INSPECTION. . . . . . . . . . . . . . . . . . . . . . . . . . . . . . . . . . . . . . . . . . . 2.29
BRAKE PAD INSPECTION . . . . . . . . . . . . . . . . . . . . . . . . . . . . . . . . . . . . . . . . . . . . . . 2.30
HOSE/FITTING INSPECTION . . . . . . . . . . . . . . . . . . . . . . . . . . . . . . . . . . . . . . . . . . . . 2.30

2.2
MAINTENANCE
AUXILIARY BRAKE TESTING . . . . . . . . . . . . . . . . . . . . . . . . . . . . . . . . . . . . . . . . . . . . 2.30
AUXILIARY BRAKE ADJUSTMENT (HYDRAULIC) . . . . . . . . . . . . . . . . . . . . . . . . . . . 2.30
SUSPENSION SPRING PRELOAD ADJUSTMENT . . . . . . . . . . . . . . . . . . . . . . . . . . . 2.31
FRONT SUSPENSION. . . . . . . . . . . . . . . . . . . . . . . . . . . . . . . . . . . . . . . . . . . . . . . . . . 2.31
CV SHAFT BOOT INSPECTION . . . . . . . . . . . . . . . . . . . . . . . . . . . . . . . . . . . . . . . . . . 2.31
CONTROLS . . . . . . . . . . . . . . . . . . . . . . . . . . . . . . . . . . . . . . . . . . . . . . . . . . . . . . . . . . 2.31
WHEELS. . . . . . . . . . . . . . . . . . . . . . . . . . . . . . . . . . . . . . . . . . . . . . . . . . . . . . . . . . . . . 2.31
WHEEL, HUB, AND SPINDLE TORQUE TABLE. . . . . . . . . . . . . . . . . . . . . . . . . . . . . . 2.32
WHEEL REMOVAL FRONT OR REAR . . . . . . . . . . . . . . . . . . . . . . . . . . . . . . . . . . . . . 2.32
WHEEL INSTALLATION . . . . . . . . . . . . . . . . . . . . . . . . . . . . . . . . . . . . . . . . . . . . . . . . 2.32
TIRE PRESSURE. . . . . . . . . . . . . . . . . . . . . . . . . . . . . . . . . . . . . . . . . . . . . . . . . . . . . . 2.32
TIRE INSPECTION. . . . . . . . . . . . . . . . . . . . . . . . . . . . . . . . . . . . . . . . . . . . . . . . . . . . . 2.33
FRAME, NUTS, BOLTS, FASTENERS . . . . . . . . . . . . . . . . . . . . . . . . . . . . . . . . . . . . . 2.33
STORAGE COMPARTMENTS. . . . . . . . . . . . . . . . . . . . . . . . . . . . . . . . . . . . . . . . . . . . 2.33
WINCH OPERATION (IF EQUIPPED) . . . . . . . . . . . . . . . . . . . . . . . . . . . . . . . . . . . . . . 2.34
ATV CLEANING & STORAGE . . . . . . . . . . . . . . . . . . . . . . . . . . . . . . . . . . . . . . . . . . . . 2.36
MAINTENANCE SCHEDULE. . . . . . . . . . . . . . . . . . . . . . . . . . . . . . . . . . . . . . . . . . . . . 2.38

2.3
MAINTENANCE
2
MAINTENANCE
Periodic Maintenance Chart
Careful periodic maintenance will help keep your vehicle in the safest, most reliable condition. Inspection, adjustment and lubrication
of important components are explained in the periodic maintenance chart.
Inspect, clean, lubricate, adjust and replace parts as necessary. When inspection reveals the need for replacement
parts, use genuine Polaris parts available from your Polaris dealer.
NOTE: Service and adjustments are critical. If you’re not familiar with safe service and adjustment procedures, have a
qualified dealer perform these operations.
Maintenance intervals in the following chart are based upon average riding conditions and an average vehicle speed of approximately
10 miles per hour. Vehicles subjected to severe use must be inspected and serviced more frequently.
Severe Use Definition
• Frequent immersion in mud, water or sand
• Racing or race-style high RPM use
• Prolonged low speed, heavy load operation
• Extended idle
• Short trip cold weather operation
Pay special attention to the oil level. A rise in oil level during cold weather can indicate contaminants collecting in the
oil sump or crankcase. Change oil immediately if the oil level begins to rise. Monitor the oil level, and if it continues to
rise, discontinue use and determine the cause or see your dealer.
Maintenance Chart Key
The following symbols denote potential items to be aware of during maintenance:
= CAUTION: Due to the nature of these adjustments, it is recommended this service be performed by an
authorized Polaris dealer.
= SEVERE USE ITEM --If vehicle is subjected to severe use, decrease interval by 50%
(Severe Use is defined as frequent vehicle immersion in mud, water or sand, racing or race-style high rpm
use, prolonged low speed - heavy load operation or extended idle. More preventative maintenance is required
under these conditions. Fluid changes, cable and chassis lubrication are required more frequently. For
engine oil, short trip cold weather riding also constitutes severe use. Pay special attention to oil level. A rising
oil level in cold weather can indicate contaminants collecting in the oil sump or crankcase. Change oil imme-
diately and monitor level. If oil level begins to rise, discontinue use and determine cause.)
E= Emission Control System Service (California).
NOTE: Inspection may reveal the need for replacement parts. Always use genuine Polaris parts.
WARNING
Improperly performing the procedures marked with
a could result in component failure and lead to
serious injury or death. Have an authorized Polaris
dealer perform these services.

2.4
MAINTENANCE
Periodic Maintenance Chart
Perform these procedures more often for vehicles subjected to severe use.
E Emission Control System Service (California)
Have an authorized Polaris dealer perform these services.
Item Maintenance Interval
(whichever comes first) Remarks
Hours Calendar Miles
(KM)
Steering - Pre-Ride -
Make adjustments as needed.
Front-suspension - Pre-Ride -
Rear-suspension - Pre-Ride -
Tires - Pre-Ride -
Brake fluid level - Pre-Ride -
Brake lever travel - Pre-Ride -
Brake systems - Pre-Ride -
Wheels /fasteners - Pre-Ride -
Frame fasteners - Pre-Ride -
EEngine oil level - Pre-Ride -
Passenger Seat Lock Out - Pre-Ride - Verify Seat is secured
Dump Box Operation - Pre-Ride - Verify Box is latched
EAir filter, pre-filter - Daily - Inspect; clean often
EAir box sediment tube - Daily - Drain deposits when visible
Coolant - Daily - Check level daily, change coolant every 2
years
Headlamp/tail lamp - Daily - Check operation; apply dielectric grease if
replacing
E
Air filter,
main element - Weekly - Inspect; replace as needed
Recoil housing - Weekly - Drain water as needed, check often if
operating in wet conditions
Brake pad wear 10 H Monthly 60 (100) Inspect periodically
Battery 20 H Monthly 125 (200) Check terminals; clean; test
Front gearcase oil (if
equipped) 25 H Monthly 155 (250) Inspect level; change yearly
Middle gearcase oil (if
equipped) 25 H Monthly 155 (250) Inspect level; change yearly
Rear gearcase oil
(if equipped) 25 H Monthly 155 (250) Inspect level; change yearly
Transmission oil 25 H Monthly 155 (250) Inspect level; change yearly

2.5
MAINTENANCE
2
Periodic Maintenance Chart
Perform these procedures more often for vehicles subjected to severe use.
E Emission Control System Service (California)
Have an authorized Polaris dealer perform these services.
Item Maintenance Interval
(whichever comes first) Remarks
Hours Calendar Miles
(KM)
E
Engine breather
filter (if equipped) 25 H Monthly 155 (250) Inspect; replace if necessary
E
Engine oil change
(break-in) 25 H 1 M 155 (250) Perform a break-in oil change at one
month
General
lubrication 50 H 3 M 310 (500) Lubricate all grease fittings, pivots,
cables, etc.
Shift Linkage 50 H 6 M 310 (500) Inspect, lubricate, adjust
Steering 50 H 6 M 310 (500) Lubricate
Front suspension 50 H 6 M 310 (500) Lubricate
Rear suspension 50 H 6 M 310 (500) Lubricate
EThrottle Cable/ETC
Switch 50 H 6 M 310 (500) Inspect; adjust; lubricate; replace if
necessary
EAir intake ducts/
flange 50 H 6 M 310 (500) Inspect ducts for proper sealing/air
leaks
Drive belt 50 H 6 M 310 (500) Inspect; adjust; replace as needed
Cooling system
(if applicable) 50 H 6 M 310 (500) Inspect coolant strength seasonally;
pressure test system yearly
E
Engine oil change 100 H 6 M 620 (1000) Perform a break-in oil change at 25
hours/one month
EOil filter change 100 H 6 M 620 (1000) Replace with oil change
EOil tank vent hose 100 H 12 M 620 (1000) Inspect routing, condition
EValve clearance 100 H 12 M 620 (1000) Inspect; adjust

2.6
MAINTENANCE
Periodic Maintenance Chart
Perform these procedures more often for vehicles subjected to severe use.
E Emission Control System Service (California)
Have an authorized Polaris dealer perform these services.
Item Maintenance Interval
(whichever comes first) Remarks
Hours Calendar Miles
(Km)
EFuel system 100 H 12M 620
(1000) Check for leaks at tank cap, lines, fuel valve, filter,
pump, carburetor; replace lines every two years
EFuel Filter 100 H 12M 620
(1000) Replace yearly
Radiator
(if applicable) 100 H 12M 620
(1000) Inspect; clean external surfaces
Cooling hoses
(if applicable) 100 H 12M 620
(1000) Inspect for leaks
Engine mounts 100 H 12M 620
(1000) Inspect
Exhaust muffler /
pipe 100 H 12M 620
(1000) Inspect
ESpark plug 100 H 12M 620
(1000) Inspect; replace as needed
EIgnition Timing 100 H 12M 620
(1000) Inspect
Wiring 100 H 12M 620
(1000) Inspect for wear, routing, security; apply dielectric
grease to connectors subjected to water, mud, etc.
Clutches (drive
and driven) 100 H 12M 620
(1000) Inspect; clean; replace worn parts
Front wheel
bearings 100 H 12M 1000
(1600) Inspect; replace as needed
Brake fluid 200 H 24M 1240
(2000) Change every two years
Spark arrestor 300 H 36M 1860
(3000) Clean out
Toe adjustment - Inspect periodically; adjust when parts are replaced
Auxiliary brake - Inspect daily; adjust as needed
Headlight aim - Adjust as needed

2.7
MAINTENANCE
2
LUBRICATION / FLUIDS
SPORTSMAN Component Locations
(Sportsman Only)
(Deluxe)

2.8
MAINTENANCE
SPORTSMAN X2 Component locations
AWD/Turf Switch
Throttle
Ignition/Key
Instrument Cluster
Worklight
Diagnostic
Reverse
Brake Fluid Reservoir
Brake Lever
Light Control
& Run Switch
(Speedometer)
Override
Rear Dump Box / Passenger Area
PVT Cover
Oil Dipstick
Front Demand
(Behind Radiator)
Front Storage
Compartment
& Rack
Gas Cap
Gear Shifter
Front Drive CV Shafts
Front Prop Shaft
(Between Transmission
and Front Gearcase)
Transmission
Muffler
Right Side View
Auxiliary Brake
Port (under access panel)
Drive Unit
Battery (Under Tank)
Rear Drive CV Shafts

2.9
MAINTENANCE
2
Polaris Lubricants, Maintenance and Service
Products
Table 2-1:
PART
NUMBER DESCRIPTION
Engine Lubricant
2870791 Fogging Oil (12 oz. Aerosol)
2871281 Engine Oil (Quart) Premium Synthetic
0W-40 (4-cycle) (12 count)
2871844 Engine Oil (Gallon) Premium Synthetic
0W-40 (4-cycle) (4 count)
2871567 Engine Oil (16 Gallon) Premium 4
Synthetic 0W-40 (4-cycle)
Gearcase / Transmission Lubricants
2876251 Demand Drive LT Premium Hub Fluid
3234438 Polaris ADC Hydraulic Fluid
2873602 Premium Synthetic AGL Gearcase Lube
(12 oz. bottle) (12 count)
2873603 Premium Synthetic AGL Gearcase Lube
(1 Gal. bottle) (4 count)
2876160 Premium ATV Angle Drive Fluid
(32 oz.) (12 count)
2872276 Premium ATV Angle Drive Fluid
(2.5 Gal.) (2 count)
2870465 Oil Pump for 1 Gallon Jug
Grease / Specialized Lubricants
2871322 Premium All Season Grease
(3 oz. cartridge) (24 count)
2871423 Premium All Season Grease
(14 oz. cartridge) (10 count)
2871460 Starter Drive Grease (12 count)
2871515 Pre mium U-Joint Lube
(3 oz.) (24 Count)
2871551 Premium U-Joint Lube
(14 oz.) (10 count)
2871312 Grease Gun Kit
2871329 Dielectric Grease (Nyogel
Coolant
2871323 60/40 Coolant (Gallon) (6 count)
2871534 60/40 Coolant (Quart) (12 count)
Additives / Sealants / Thread Locking Agents / Misc.
2874275 LoctitePrimer N, Aerosol
2871956 LoctiteThread Sealant 565
(50 ml.) (6 count)
2871950 Loctite T hreadl oc k 242
(6 ml.) (12 count)
2871951 Loctite Threadlock 262
(50 ml.) (10 count)
2871953 Loctite Threadlock 271
(6 ml.) (12 count)
2871557 3-Bond 1215Sealant
(5 oz.)
2871326 Premium Carbon Clean
(12 oz.) (12 count)
2870652 Fuel Stabilizer (16 oz.) (12 count)
2871957 Black RTV Silicone Sealer
(3 oz. tube ) (12 count)
2871958 Black RTV Silicone Sealer
(11 oz. cartridge) (12 count)
2870990 DOT 3 Brake Fluid (12 count)
2871557 Crankcase Sealant, 3 Bond 1215 (5 oz.)
Table 2-1:
PART
NUMBER DESCRIPTION

2.10
MAINTENANCE
Polaris Lubricant Symbol Identification
NOTE: The symbols used are for quick reference in identifying
which lubricant/grease to use on each component.
Pre-ride / Daily Inspection
Perform the following pre-ride inspection daily, and when
servicing the vehicle at each scheduled maintenance.
• Verify seat lock-out operation
• Verify box lock-out operation
• Tires - check condition and pressures
• Fuel and oil tanks - fill both tanks to their proper level;
Do not overfill oil tank
• All brakes - check operation and adjustment (includes
auxiliary brake)
• Throttle -check for free operation
• Headlight/Taillight/Brakelight - check operation of all
indicator lights and switches
• Engine stop switch - check for proper function
• Wheels - check for loose wheel nuts and axle nuts;
check to be sure axle nuts are secured by cotter pins
• Air cleaner element - check for dirt or water; clean or
replace
• Steering - check for free operation, noting any unusual
looseness in any area
• Loose parts - visually inspect vehicle for any damaged
or loose nuts, bolts or fasteners
• Engine coolant - check for proper level at the recovery
bottle
• ADC Fluid Level - check for proper level
Polaris DOT
Brake Fluid Polaris Synthetic AGL
Gearcase Lube
Polaris Synthetic Polaris 60/40
Polaris Demand Drive
LT Hub Fluid
Polaris U-Joint Lube Polaris All
Season Grease
Polaris ATV Angle
Drive Fluid
0W/40 Coolant
Polaris ADC
Hydraulic Fluid

2.11
MAINTENANCE
2
Lubrication Components
* More often under severe use, such as operated in water or under severe loads.
1 Semi-annually or 50 hours of operation (refer to Maintenance Schedule for additional information)
More often under severe conditions (operating in water or hauling heavy loads)
2 Annually or 100 hours of operation (refer to Maintenance Schedule for additional information)
More often under severe conditions (operating in water or hauling heavy loads)
3 Grease conforming to NLGI No. 2, such as Polaris Premium All Season Grease, Conoco Superlube M or
Mobilegrease Special
#I
TEM LUBE METHOD FREQUENCY*
1. Engine Oil Polaris 0W/40 Check dipstick and add to
proper level.
Change after 1st month, 6 months, or 100
hours thereafter; Change more often (25-50
hours) in extremely dirty conditions, or short
trip cold weather operation.
2. Transmission Polaris AGL Synthetic
Gearcase Lube Add lube to bottom fill hole. Change annually o
3A.
3B. Front Gearcase
ADC Fluid
Demand Drive LT
Premium
Polaris ADC Hydraulic
Drain completely. Add lube to
specified quantity.
Gearcase - Change annually o
ADC - Change fluid every 2 years
4. Rear Gearcase ATV Angle Drive Fluid Drain completely. Add lube to
specified quantity. Change annually o
5. Brake Fluid Polaris Dot 3 Brake Fluid Fill master cylinder reservoir
to indicated level As required, change fluid every 2 years
6. Front A-Arm Polaris All Season Grease Locate fitting and grease. Semi-annually n
7. Rear A-Arm Polaris All Season Grease Locate fitting and grease Semi-annually n
5. Front Propshaft Polaris U-Joint GreasepLocate fitting and grease. Semi-annually n
1. Engine Oil 2. Transmission Fluid 4. Rear Gearcase
3. Front Gearcase
5. Brake Fluid
6. Front A-Arm
7. Rear A-Arm
8. Front Propshaft

2.12
MAINTENANCE
Front Gearcase Lubrication
The front gearcase lubricant level should be checked and
changed in accordance with the maintenance schedule.
• Be sure vehicle is level before proceeding and in PARK
• Check vent hose to be sure it is routed properly and
unobstructed
• The correct front gearcase lubricant to use is Polaris
Premium Demand Hub Fluid.
To Check the Lubricant Level:
The front and rear gearcase lubricant level cannot be checked
with a dipstick. The gearcase must be drained and re-filled with
the proper amount of lubricant or be filled to the bottom of the
fill plug hole threads. Refer to procedures.
To Change Gearcase Lubricant:
1. Remove gearcase drain plug (A) located on the bottom of
the gearcase and drain oil. (The drain plug is accessible
through the skid plate.) Catch and discard used oil
properly.
2. Clean and reinstall drain plug (A) using a new sealing
washer (B). Torque to specification.
3. Remove fill plug. Inspect the O-ring.
4. Fill with the recommended fluid amount or to the bottom
of the fill plug hole threads. (See Illustration below).
5. Install / torque fill plug and check for leaks.
=
Specified Lubricant:
Demand Drive LT Premium Hub Fluid
(PN 2876251)
CH Gearcase Capacity: 8.97 oz. (265 ml.)
ADC Gearcase Capacity: 9.3 oz. (275 ml.)
= T
Fill Plug Torque: 8-10 ft.lbs. (11-14 Nm)
Drain Plug Torque: 11 ft.lbs. (15 Nm)
FRONT GEARCASE
Fill Plug
8-10 ft.lbs.
(11-14 Nm)
Drain Plug
11 ft.lbs. (15 Nm)
Drain Plug
Left Side View
Fill Plug
Front Gearcase
Fill -
Hub Fluid
Demand Drive LT
Premium

2.13
MAINTENANCE
2
Transmission Lubrication
The transmission lubricant level should be checked and changed
in accordance with the maintenance schedule.
To check the level:
1. Be sure vehicle is level before proceeding
2. Clean around fill plug area.
3. Remove fill plug located on the left side of the ATV.
4. Fluid should be filled to bottom of fill plug hole threads.
Add the proper lubricant as required to bring level into
operating range as shown.
5. Install the check plug and torque it to specification
To change lubricant:
1. Place a drain pan beneath the transmission oil drain plug
area.
2. Clean around the drain plug and remove the drain plug and
wipe the magnetic end clean to remove all accumulated
metallic filings.
3. After the oil has drained completely, install a new sealing
washer (if installed) and install the drain plug. Torque to
specification.
4. Add the proper lubricant through the fill plug hole until the
oil level is to the bottom of the fill plug hole threads. Do
not overfill.
5. Check for leaks.
=
Transmission - Specified Lubricant:
Polaris AGL Gearcase Lubricant
(Gallon - PN 2873603) (12 oz. - PN 2873602)
Transmission - Capacity:
32 oz. (948 ml)
= T
Transmission Drain / Fill Plug Torque:
20-25 ft.lbs. (27-34 Nm)
Oil Fill Plug
Oil Fill Level-
Bottom Fill Plug
Hole Threads
Drain Plug
Oil Fill Plug
Oil Fill Level-
Bottom Fill Plug
Hole Threads

2.14
MAINTENANCE
ADC Differential Hydraulic Circuit Fluid
Change
1. Make sure vehicle is parked on flat ground and allowed to
sit at least 30 minutes prior to bleeding hydraulic circuit.
2. Thoroughly clean area around and on remote reservoir and
bleeder valves.
3. Remove reservoir cap and diaphragm assembly.
4. Make sure hydraulic oil inside reservoir is free of debris.
If any debris is found, use clean rag or suction device to
remove from the reservoir.
NOTE: Debris in reservoir may block porting and
produce inadequate bleeding of the system.
Decreased performance may be encountered with
inadequate bleed of the hydraulic circuit.
5. Begin the bleeding process by filling reservoir to ‘MAX’
line with clean Polaris ADC hyrdraulic fluid. (AW ISO 10
hydraulic fluid equivalent).
6. Locate bleeder valves found on either side of differential
and remove the protective caps.
7. Turn bleeder valves counter-clockwise to loosen. Loosen
bleeder screw slowly, allowing oil and any trapped air to
flow out of fitting.
IMPORTANT: Do not allow hydraulic fluid in reservoir
to drain below minimum fill line. Close bleeder valve
before oil level falls below minimum fill line. Refilling
empty reservoir will result in air pockets becoming
trapped.
NOTE: If empty reservoir is encountered, filling of
fluid is still possible. Verify air is not trapped before
proceeding with step 7.
8. Continue steps 6-8 on both sides in sequence until clean
fluid is seen when bleeding occurs.
9. Re-torque both bleeder valves to specification and reinstall
cover caps.
10. Fill reservoir with to a level midway between ‘MAX’ and
‘MIN’ fill lines. Verify no debris is found in reservoir oil.
11. Replace reservoir cap securely and wipe clean any residue.
VEHICLE INSPECTION
Shift Link Rod Inspection
NOTE: Shift rod is preset at time of manufacturer.
1. Inspect shift link tie rod ends and replace if worn or
damaged. Lubricate pivot points with a light aerosol
lubricant or grease if desired.
= T
Bleeder Valve Torque:
80 in. lbs. (9 Nm)
Shift Mount
Shifter
Shift Link Rod

2.15
MAINTENANCE
2
Throttle Inspection
Check for smooth throttle opening and closing in all handlebar
positions. Throttle lever operation should be smooth and lever
must return freely without binding.
1. Place the gear selector in Park.
2. Set parking brake.
3. Start the engine and let it idle.
4. Turn handlebars from full right to full left. If idle speed
increases at any point in the turning range, inspect throttle
cable routing and condition. Adjust cable tension as needed
until lock-to-lock turning can be accomplished with no rise
in engine rpm.
5. Replace the throttle cable if worn, kinked, or damaged.
To remove the ETC cover:
1. Use a medium flat blade screwdriver and insert blade into
the pocket of the cover starting on the #1 position.
2. Twist screwdriver slightly while lifting on the cover to
release snap.
3. Repeat procedure at the other five locations as shown.
NOTE: Do not attempt to remove cover until all latch
points are released.
Throttle Cable / Electronic Throttle Control
(ETC Switch) Adjustment
1. Slide boot off throttle cable adjuster and jam nut.
2. Place shift selector in neutral and set parking brake.
3. Loosen lock nut on in-line cable adjuster (Ill. 1).
4. Turn adjuster until specified freeplay is achieved at thumb
lever. (see illustration). After making adjustments, quickly
actuate the thumb lever several times and reverify freeplay.
5. Tighten lock nut securely and slide boot completely in
place to ensure a water-resistant seal.
6. Turn handlebars from left to right through the entire turning
range. If idle speed increases, check for proper cable
routing. If cable is routed properly and in good condition,
repeat adjustment procedure
ETC Cover
Removal Sequence
III. 1
1
2
3
4
5
6
= In. / mm.
Throttle Freeplay:
.0625 - .1250" (1.58 - 3.17mm)
Boot
Adjuster Sleeve Lock Nut Boot
Direction of Travel
1/16-1/8” Freeplay

2.16
MAINTENANCE
Fuel System
• Always stop the engine and refuel outdoors or in a well
ventilated area.
• Do not smoke or allow open flames or sparks in or near
the area where refueling is performed or where gasoline
is stored.
• Do not overfill the tank. Do not fill the tank neck.
• If you get gasoline in your eyes or if you swallow
gasoline, seek medical attention immediately.
• If you spill gasoline on your skin or clothing,
immediately wash it off with soap and water and change
clothing.
• Never start the engine or let it run in an enclosed area.
Engine exhaust fumes are poisonous and can result loss
of consciousness or death in a short time.
•Never drain the system when the engine is hot.
Severe burns may result.
Fuel Lines
1. Check fuel lines for signs of wear, deterioration, damage,
or leakage. Replace if necessary.
2. Be sure fuel lines are routed properly, the connectors
latched and the lines secured with cable ties.
3. Replace all fuel lines every two years.
NOTE: See Chapter 4 for fuel line routing diagram.
Vent Lines
Check fuel tank, oil tank, crankcase, carburetor, battery and
transmission vent lines for signs of wear, deterioration, damage
or leakage. Replace every two years.
Be sure vent lines are routed properly and secured with cable
ties.
WARNING
* Gasoline is extremely flammable and explosive
under certain conditions.
* EFI components are under high pressure. Verify
system pressure has been relieved before
disassembly.
* Never drain the fuel system when the engine is
h o t . S e v e r e b u r n s m a y r e s u l t
* Do not overfill the tank. The tank is at full capacity
when the fuel reaches the bottom of the filler neck.
Leave room for expansion of fuel.
* Never start the engine or let it run in an enclosed
area. Gasoline powered engine exhaust fumes are
poisonous and can cause loss of consciousness
and death in a short time.
* Do not smoke or allow open flames or sparks in
or near the area where refueling is performed or
where gasoline is stored.
* If you get gasoline in your eyes or if you should
swallow gasoline, seek medical attention
immediately.
* If you spill gasoline on your skin or clothing,
immediately wash with soap and water and change
clothing.
* Always stop the engine and refuel outdoors or in
a well ventilated area.Keep away from open flames
and electrical components when removing fuel
filter.
CAUTION
Make sure lines are not kinked or pinched
CAUTION
Make sure lines are not kinked or pinched
EFI Example

2.17
MAINTENANCE
2
Fuel Filter
The fuel filter should be replaced in accordance with the
Periodic Maintenance Chart.
1. Locate filter at the front of the ATV. NOTE: Remove
access panels if necessary.
2. Remove fuel lines from filter.
3. Install new filter onto fuel lines with arrow pointed in
direction of fuel flow.
4. Install clamps on fuel line (if required).
5. Turn ignition to “ON”.
6. Start engine and inspect for leaks.
Compression Test
NOTE: 450/500 4-Stroke engines are equipped with an
automatic decompressor. Compression readings will
vary in proportion to cranking speed during the test.
Average compression (measured) is about 60-90 psi
during a compression test.
Smooth idle generally indicates good compression. Low engine
compression is rarely a factor in running condition problems
above idle speed. Abnormally high compression can be caused
by a decompressor malfunction, or worn or damaged exhaust
cam lobes. Inspect camshaft and automatic decompression
mechanism if compression is abnormally high.
A cylinder leakage test is the best indication of engine condition
on models with automatic decompression. Follow
manufacturer’s instructions to perform a cylinder leakage test.
(Never use high pressure leakage testers as crankshaft seals may
dislodge and leak).
Engine Mounts
Inspect rubber engine mounts (A) for cracks or damage. Check
engine fasteners and ensure they are tight.
EFI Example
Cylinder Compression
Standard 60-90 PSI
Cylinder Leakage
Service Limit: 10%
(Inspect for cause if leakage exceeds 10%)
A
A
A

2.18
MAINTENANCE
Spark Plug
1. Remove spark plug high tension lead. Clean plug area so
no dirt and debris can fall into engine when plug is
removed.
2. Remove spark plug.
3. Inspect electrodes for wear and carbon buildup. Look for a
sharp outer edge with no rounding or erosion of the
electrodes.
4. Clean with electrical contact cleaner or a glass bead spark
plug cleaner only. CAUTION: A wire brush or coated
abrasive should not be used.
5. Measure gap with a wire gauge. Refer to specifications for
proper spark plug type and gap. Adjust gap if necessary by
bending the side electrode carefully.
6. If necessary, replace spark plug with proper type.
7. Apply a small amount of anti-seize compound to the spark
plug threads.
8. Install spark plug and torque to specification.
Active Descent Control (ADC) Reservoir
Level
The Active Descent Control reservoir (DELUXE Models Only)
is located by the radiator fill cap. Check the level and verify it
is between the ‘MAX’ and ‘MIN’ lines. Add only Polaris ADC
fluid when required.
Battery Maintenance
Complete battery servicing information for both conventinoal
and sealed batteries can be found in Chapter 10 of this
manual.
NOTE: Expected battery shelf life is 6-8 months
depending on storage conditions. As a general rule
before placing the battery into service, check the
battery condition and charge accordingly.
CAUTION
Severe engine damage may occur if the incorrect
spark plug is used.
= T
Recommended Spark Plug
Refer to the Specifications page in
Chapter 1 for spark plug type.
Spark Plug Torque: 14 Ft. Lbs. (19 Nm)
Spark Plug Gap
.036” (0.9 mm)
WARNING
Battery electrolyte is poisonous. It contains sulfuric
acid. Serious burns can result from contact with
skin, eyes or clothing. Antidote:
External: Flush with water.
Internal: Drink large quantities of water or milk.
Follow with milk of magnesia, beaten egg, or
vegetable oil. Call physician immediately.
Eyes: Flush with water for 15 minutes and get
prompt medical attention.
Batteries produce explosive gases. Keep sparks,
flame, cigarettes, etc. away. Ventilate when
charging or using in an enclosed space. Always
shield eyes when working near batteries.
KEEP OUT OF REACH OF CHILDREN.

2.19
MAINTENANCE
2
New Batteries: Batteries must be fully charged
before use or battery life can be reduced by 10-30%
of full potential. Charge battery for 3-5 hours at a
current equivalent of 1/10 of the battery’s rated amp/
hour capacity (i.e. 12amp hr x .10 = 1.2 amp charg-
ing). Do not use the alternator to charge a new bat-
tery.
Liquid Cooling System Overview
The engine coolant level is controlled or maintained by the
recovery system. The recovery system components are the
recovery bottle, radiator filler neck, radiator pressure cap and
connecting hose.
As coolant operating temperature increases, the expanding
(heated) excess coolant is forced out of the radiator past the
pressure cap and into the recovery bottle. As engine coolant
temperature decreases the contracting (cooled) coolant is drawn
back up from the tank past the pressure cap and into the radiator.
Some coolant level drop on new machines is normal as the
system is purging itself of trapped air. Observe coolant levels
often during the break-in period.
Overheating of engine could occur if air is not fully purged from
system.
Polaris Premium 60/40 is already premixed and ready to use. Do
not dilute with water.
Coolant Strength / Type
Test the strength of the coolant using an antifreeze hydrometer.
• A 50/50 or 60/40 mixture of antifreeze and distilled
water will provide the optimum cooling, corrosion
protection, and antifreeze protection.
• Do not use tap water, straight antifreeze, or straight
water in the system. Tap water contains minerals and
impurities which build up in the system.
• Straight water or antifreeze may cause the system to
freeze, corrode, or overheat.
Cooling System Hoses
1. Inspect all hoses for cracks, deterioration, abrasion or
leaks. Replace if necessary.
2. Check tightness of all hose clamps.
Radiator/Grill Screen
1. Check radiator (A) air passages for restrictions or damage.
Check and clean the radiator screen (B).
2. Carefully straighten any bent radiator fins.
3. Remove any obstructions with compressed air or low
pressure water.
Polaris 60/40 Anti-Freeze/ Coolant
(PN 2871323)
Antifreeze Hydrometer
CAUTION
Do not over-tighten hose clamps at radiator,
or radiator fitting may distort,
causing a restriction to coolant flow.
Radiator hose clamp torque is 36 in. lbs. (4 Nm).
A
B

2.20
MAINTENANCE
Cooling System Pressure Test
Refer to Chapter 3 for pressure test procedure.
Coolant Level Inspection
The recovery bottle, located on the left side of the machine, must
be maintained between the minimum and maximum levels
indicated on the recovery bottle.
With the engine at operating temperature, the coolant level
should be between the upper and lower marks on the coolant
reservoir. If not:
1. Remove reservoir cap. Inner splash cap vent hole must be
clear and open.
2. Fill reservoir to upper mark with Polaris Premium 60/40
Anti Freeze / Coolant or 50/50 or 60/40 mixture of
antifreeze and distilled water as required for freeze
protection in your area.
3. Reinstall cap.
NOTE: If overheating is evident, allow system to cool
completely and check coolant level in the radiator and
inspect for signs of trapped air in system.
Radiator Coolant Level Inspection
NOTE: This procedure is only required if the cooling
system has been drained for maintenance and/or repair.
However, if the recovery bottle has run dry, or if
overheating is evident, the level in the radiator should be
inspected and coolant added if necessary.
NOTE: Use of a non-standard pressure cap will not
allow the recovery system to function properly.
To access the radiator pressure cap:
1. Open the front cargo storage.
2. Remove the inside cover over the radiator cap.
Air Filter/Pre-Filter Service
It is recommended that the air filter and pre filter be replaced
annually. When riding in extremely dusty conditions,
replacement is required more often.
The pre filter should be cleaned before each ride using the
following procedure:
1. Lift up on the rear of the seat.
2. Pull the seat back and free of the tabs. NOTE: When
reinstalling seat, make sure the slots in the seat engage the
tabs in the fuel tank.
3. Remove clips (A) from air box cover and remove cover.
Inspect the gasket. It should adhere tightly to the cover and
seal all the way around.
WARNING
Never remove the pressure cap when the engine is
warm or hot. Escaping steam can cause severe burns.
The engine must be cool before removing the
pressure cap.
Recovery Bottle
Remove
Cover
Radiator
Cap
A

2.21
MAINTENANCE
2
4. Loosen clamp and remove air filter assembly.
Cleaning:
5. Slip the pre-filter element off of main element. Clean the
pre filter with high flash point solvent, followed by hot
soapy water.
6. Rinse and dry thoroughly.
7. Inspect element for tears or damage.
8. Apply foam filter oil or clean engine oil and squeeze until
excess oil is removed.
9. Inspect main filter and replace if necessary. If the filter has
been soaked with fuel or oil it must be replaced.
Installation:
10. Reinstall pre-filter element over main filter. Be sure the
element covers entire surface of main filter without folds,
creases, or gaps.
11. Reinstall filter on main filter mount. Place filter clamp over
the assembly and tighten.
NOTE: Apply a small amount of general purpose grease
to the sealing edges of the filter before reinstalling.
NOTE: The air filter should rest on the filter support.
Proper placement of the air filter is important to prevent
rattles and air leaks. See Illustration above.
12. Install air box cover and secure with clips.
Air Box Sediment Tube
Periodically check the air box drain tube located toward the rear
of the machine. Drain whenever deposits are visible in the clear
tube.
1. Remove drain plug from end of sediment tube.
2. Drain tube.
3. Reinstall drain plug.
NOTE: The sediment tube will require more frequent
service if the vehicle is operated in wet conditions or at
high throttle openings for extended periods.
Gasket
Carb Boot
Main Element
Pre-Filter
Cover
Filter Clamp
Front
Main Filter
Filter Support
Air Box
Proper Filter Placement
Sediment Tube
Drain Plug

2.22
MAINTENANCE
Breather Filter Inspection
Four-cycle ATV engines are equipped with a breather filter. The
in-line filter is similar in appearance to a fuel filter, and is visible
on the left side (Location A).
In-line breather filters can be installed in either direction.
Breather Hose
1. Be sure breather line is routed properly and secured in
place. CAUTION: Make sure lines are not kinked or
pinched.
NOTE: In-line breather filter service life is extended
when the foam air box pre-filter is in place and
maintained properly. Never operate the engine without
the pre-filter.
Recoil Housing
• Drain the housing periodically to remove moisture.
• Drain the recoil housing after operating the ATV in
very wet conditions. This should also be done before
storing the ATV. The drain screw is located at the
bottom of the recoil housing. Remove the screw with a
10 mm wrench. Reinstall screw once housing has been
drained.
•CAUTION: Make sure the manual start handle (B) is
fully seated on the recoil housing, especially when
travelling in wet areas. If it is not sealed properly, water
may enter the recoil housing and damage components.
• Water will enter the recoil housing if the starter handle
(B) is disengaged from the rope guide when under
water.
• After travelling in wet areas the recoil housing and
starter should always be drained completely by
removing the recoil.
• Do not open the crankcase drain unless the engine has
ingested water. Some engine oil will be lost if crankcase
drain is opened.
• If recoil handle (B) seal has been damaged, the handle
should be replaced.
Typical Breather Filter Location
In-Line Breather Filter
Location A
Recoil Drain
B

2.23
MAINTENANCE
2
Engine Oil Level
The oil tank is located on the left side of the vehicle. To check
the oil level:
1. Set machine on a level surface.
2. Clean the area around the dip stick.
3. Start and run engine for 20-30 seconds. This will return oil
to its true level in the oil tank.
4. Stop engine, remove dipstick (A) and wipe dry with a clean
cloth.
5. Reinstall dipstick, screw the dipstick into place.
NOTE: The dipstick must be screwed completely in to
ensure accurate measurement.
6. Remove dipstick and check to see that the oil level is in the
normal range. The oil should be between the top line and
the bottom line on the dipstick. Add oil as indicated by the
level on the dipstick. Do not overfill.
NOTE: Rising oil level between checks in cool weather
driving, can indicate moisture collecting in the oil
reservoir. If the oil level is over the full mark, change the
oil.
Oil and Filter Change
NOTICE: Care must be taken to ensure that the fluids are
contained. Be prepared to collect the fluid with suitable
containers before opening any compartment or disassembly of
any component containing fluids.
1. Place vehicle on a level surface.
2. Clean area around drain plug (A) at bottom of oil tank.
3. Run engine two to three minutes until the engine is warm.
4. After two or three minutes stop the engine.
A
ADD 8 OZ. NORMAL FULL
Maintain Oil Level In Normal range
Screw Dipstick in completely to check
Oil Filter Torque:
Turn by hand until filter gasket
contacts sealing surface, then
turn an additional 1/2 turn
Oil Filter Wrench:
(PV-43527)
Oil Tank Screen Fitting Torque:
25 ft-lb (34Nm)
Recommended Engine Oil:
Polaris Premium 4 All Season
Synthetic, 0W-40
WARNING
Personal injury can occur when handling used
oil. Hot oil can cause burns or skin damage.

2.24
MAINTENANCE
5. Place a drain pan beneath oil tank and remove the drain plug
(A). CAUTION: Oil may be hot. Do not allow hot oil to
come into contact with skin as serious burns may result.
6. Allow oil to drain completely.
7. Replace sealing washer (B) on drain plug (A).
NOTE: The sealing surfaces on the drain plug and
the oil tank should be clean and free of burrs, nicks
or scratches.
8. Reinstall the drain plug (A) and torque it to specification.
9. Loosen clamp (D).
10. Remove oil hose (E) from screen fitting (C) on bottom of
oil tank.
11. Remove screen fitting (C) and clean the screen.
12. Apply Loctite™ thread sealant 505 or an equivalent pipe
thread sealant or PTFE sealant tape to clean, oil free threads
of fitting (C).
13. Install screen fitting (C) and rotate a minimum of 2 1/2 turns
(clockwise) into the tank threads. Then rotate the screen
fitting clockwise until the nipple of the screen fitting aligns
with the reference marking on the tank.
NOTE: Maximum torque for the screen fitting is 25
ft-lb (34Nm), do not over tighten.
14. Install oil hose (E) on fitting (C) and re-install clamp (D).
15. Place shop towels beneath oil filter. Use Oil Filter Wrench
(PV-43527), turn filter counterclockwise to remove.
16. Using a clean dry cloth, clean filter sealing surface on the
crankcase.
17. Lubricate the o-ring on new filter with a thin film of engine
oil. Check to make sure the O-ring is in good condition.
18. Install the new filter and turn it by hand until the filter
gasket contacts the sealing surface, then turn an additional
1/2 of a turn.
19. Approximately 1 cup of engine oil will remain in the
crankcase. To drain, remove drain plug found on lower
right side of crankcase.
NOTE: The sealing surfaces on the drain plug and
crankcase should be clean and free of burrs, nicks or
scratches.
20. Reinstall drain plug and torque to specification.
21. Remove dipstick and fill tank with 2 quarts (1.9 L) of
Polaris Premium 4 Synthetic Oil.
22. Place gear selector in Park and set parking brake.
NOTE: Clamp or pinch off the vent line 2” from the oil
tank as shown in the Oil Pump Priming Procedure for the
450/500 engine.
= T
Oil Tank Drain Plug Torque:
14 ft. lbs. (19 Nm)
Crankcase Drain Plug Torque:
14 ft. lbs. (19 Nm)
CAUTION
Maximum torque for the screen fitting
is 25 ft-lb (34Nm), do not over tighten.
A
B
C
D
E
Reference mark
COil Filter
Engine Sump
Engine Sump Drain Plug- Bottom View
Drain

2.25
MAINTENANCE
2
23. Re-check the oil level on the dipstick and add oil as
necessary to bring the level to the upper mark on the
dipstick.
24. Dispose of used filter and oil properly.
Oil Pump Priming Procedure
NOTE: This priming procedure must be performed
whenever the oil hose connection between the oil
tank and pump inlet has been disconnected.
1. Clamp or pinch off vent line (A) approximately 2” from oil
tank to avoid the end of oil tank vent fitting, and the vent
line’s pressure relief slit
2. Run engine at IDLE for 10-20 seconds.
3. Remove the vent line clamp. The oil pump will now be
properly primed and ready for field operation. Note: If the
system is primed properly you should hear some air
release. If you do not, the system has not primed. Repeat
the process if necessary.
Valve Clearance
Inspect and adjust valve clearance while the engine is cold and
the piston positioned at Top Dead Center (TDC) on compression
stroke.
1. Remove the seat.
2. Remove body panels and fuel tank as necessary to gain
access to valve cover.
3. Remove the spark plug high tension lead and remove the
spark plug. CAUTION: Place a clean shop towel into the
spark plug cavity to prevent dirt from entering.
4. Remove rocker cover bolts, cover and gasket.
NOTE: It may be necessary to tap cover lightly with a
soft-faced hammer to loosen it from the cylinder head.
5. Remove timing inspection plug from recoil housing.
6. Rotate engine slowly with recoil rope, watching the intake
valve(s) open and close.
NOTE: At this point watch the camshaft sprocket
locating pin and slowly rotate engine until locating pin is
facing upward, directly in line with the crankshaft to
camshaft center line as shown. The camshaft lobes
should be pointing downward.
Slit
(A)
(A) Vent Hose to Air Box
Oil Lines
To Engine
CAUTION
Failure to position the crankshaft at TDC on
compression stroke will result in improper valve
adjustment.
Sprocket alignment pin facing up
Crankshaft-to-Camshaft Centerline

2.26
MAINTENANCE
7. Verify accurate TDC positioning by observing the “T”
mark aligned with the pointer in the timing inspection hole.
In this position there should be clearance on all valves.
Intake Valve Clearance Adjustment
1. Insert a .006" (.15mm) feeler gauge between end of intake
valve stem and clearance adjuster screw.
2. Using a 10 mm wrench and a screwdriver, loosen adjuster
lock nut and turn adjusting screw until there is a slight drag
on the feeler gauge.
3. Hold adjuster screw and tighten adjuster lock nut securely.
4. Re-check the valve clearance.
5. Repeat adjustment procedure if necessary until clearance is
correct with locknut secured.
6. Repeat this step for the other intake valve.
Exhaust Valve Clearance Adjustment
NOTE: The exhaust valves share a common rocker
arm, and must be adjusted using two feeler gauges.
1. Insert a .006" (.15mm) feeler gauge between end of
exhaust valve stem and adjuster screw(s).
2. Loosen locknut(s) and turn adjuster screw(s) until there is
a slight drag on feeler gauge(s). The Valve/Clutch Adjuster
Tool (PA-44689) can be used to adjust the engines valves.
NOTE: Both feeler gauges should remain inserted
during adjustment of each valve.
3. When clearance is correct, hold adjuster screw and tighten
locknut securely.
4. Re-check the valve clearance.
5. Repeat adjustment procedure if necessary until clearance is
correct with locknut secured.
Steering
The steering components should be checked periodically for
loose fasteners, worn tie rod ends, and damage. Also check to
make sure all cotter pins are in place. If cotter pins are removed,
they must not be re-used. Always use new cotter pins.
Replace any worn or damaged steering components. Steering
should move freely through entire range of travel without
binding. Check routing of all cables, hoses, and wiring to be sure
the steering mechanism is not restricted or limited. NOTE:
Whenever steering components are replaced, check front end
alignment. Use only genuine Polaris parts.
INTAKE VALVE CLEARANCE
.006” (.15 mm)
Feeler gauge for both valves
EXHAUST VALVE CLEARANCE
.006” (.15 mm)
WARNING
Due to the critical nature of the procedures outlined in
this chapter, Polaris recommends steering component
repair and adjustment be performed by an authorized
MSD-certified technician when replacing worn or
damaged steering parts.
Use only genuine Polaris replacement parts.

2.27
MAINTENANCE
2
Tie Rod End/Steering Inspection
• To check for play in the tie rod end, grasp the steering
tie rod, pull in all directions feeling for movement.
• Repeat inspection for inner tie rod end on steering post.
• Replace any worn steering components. Steering should
move freely through entire range of travel without
binding.
• Elevate front end of machine so front wheels are off the
ground. Check for any looseness in front hub / wheel
assembly by grasping the tire firmly at top and bottom
first, and then at front and rear. Try to move the wheel
and hub by pushing inward and pulling outward.
• If abnormal movement is detected, inspect the hub and
wheel assembly to determine the cause ( possible loose
wheel nuts or loose front hub components).
• Refer to the Body/Steering Chapter 5 or Final Drive
Chapter 7 for service procedures.
Camber and Caster
The camber and caster are non-adjustable.
Wheel Alignment
1. Place machine on a smooth level surface.
2. Set handlebars in a straight ahead position and secure
handlebars in this position. NOTE: The steering arm center
section can be used as an indicator of whether the
handlebars are straight. The center section should always
point straight back from the steering post.
3. Place a chalk mark on the center line of the front tires
approximately 10" (25.4 cm) from the floor or as close to
the hub/axle center line as possible. NOTE: It is important
that the height of both marks be equally positioned in order
to get an accurate measurement.
4. Measure the distance between the marks and record the
measurement. Call this measurement “A”.
5. Rotate the tires 180o by moving vehicle forward or
backward. Position chalk marks facing rearward, even with
the hub/axle centerline.
6. Again measure the distance between the marks and record.
Call this measurement “B”. Subtract measurement “B”
from measurement “A”. The difference between
measurements “A” and “B” is the vehicle toe alignment.
The recommended vehicle toe tolerance is 1/8" to 1/4" (.3
to.6 cm) toe out. This means the measurement at the front
of the tire (A) is 1/8" to 1/4" (.3 to .6 cm) wider than the
measurement at the rear (B)
Check for Loose Wheel or Hub = In. / mm.
Wheel Toe-Out:
(A) - (B) = 1/8 - 1/4" (.3 to .6 cm)
III. 1
Chalk Line
Measurement
“A” Measurement “B”

2.28
MAINTENANCE
Toe Alignment Adjustment
If toe alignment is incorrect, measure the distance between
vehicle center and each wheel. This will tell you which tie rod
needs adjusting. NOTE: Be sure handlebars are straight ahead
before determining which tie rod(s) need adjustment.
To adjust toe alignment:
• Hold tie rod end to keep it from rotating.
• Loosen jam nuts at both end of the tie rod.
• Shorten or lengthen the tie rod until alignment is as
required to achieve the proper toe setting as specified in
Method 1 or Method 2.
•IMPORTANT: When tightening the tie rod end jam
nuts, the rod ends must be held parallel to prevent rod
end damage and premature wear. Damage may not be
immediately apparent if done incorrectly. See
illustration 2.
• After alignment is complete, torque jam nuts to
specification.
Exhaust Pipe
The exhaust pipe must be periodically purged of accumulated
carbon as follows:
1. Remove the clean out plugs located on the bottom of the
muffler.
2. Place the transmission in Park and start the engine. Purge
accumulated carbon from the system by momentarily
revving the engine several times.
CAUTION
During tie rod adjustment, it is very important that the
following precautions be taken when tightening tie
rod end jam nuts. If the rod end is positioned
incorrectly it will not pivot, and may break
= T
Tie Rod Jam Nut Torque:
12-14 ft. lbs. (16-19 Nm)
Hold
Rod End
Correctly
Tightened
Jam Nut
Incorrectly
Tightened
Jam Nut
III. 2
WARNING
• Do not perform clean out immediately after the
engine has been run, as the exhaust system
becomes very hot. Serious burns could result
from contact with exhaust components.
• To reduce fire hazard, make sure that there are no
combustible materials in the area when purging
the spark arrestor.
• Wear eye protection.
• Do not stand behind or in front of the vehicle
while purging the carbon from the spark arrestor.
• Never run the engine in an enclosed area.Exhaust
contains poisonous carbon monoxide gas.
• Do not go under the machine while it is
inclined.Set the hand brake and block the wheels
to prevent roll back.
Failure to heed these warnings could result in serious
personal injury or death.
III. 1 Clean Out Plug

2.29
MAINTENANCE
2
3. If some carbon is expelled, cover the exhaust outlet and
lightly tap on the pipe around the clean out plugs with a
rubber mallet while revving the engine several more times.
4. If particles are still suspected to be in the muffler, back the
machine onto an incline so the rear of the machine is one
foot higher than the front. Set the hand brake and block the
wheels. Make sure the machine is in Park and repeat Steps
2 and 3. SEE WARNING
5. If particles are still suspected to be in the muffler, drive the
machine onto the incline so the front of the machine is one
foot higher than the rear. Set the hand brake and block the
wheels. Make sure the machine is in Park and repeat Steps
2 and 3. SEE WARNING
6. Repeat steps 2 through 5 until no more particles are
expelled when the engine is revved.
7. Stop the engine and allow the arrestor to cool.
8. Reinstall the clean out plugs.
Brake System Inspection
The following checks are recommended to keep the brake
system in good operating condition. Service life of brake system
components depends on operating conditions. Inspect brakes in
accordance with the maintenance schedule and before each ride.
• Keep fluid level in the master cylinder reservoir to the
indicated level inside reservoir.
• Use Polaris DOT 3 Brake Fluid
• Use Polaris DOT 3 Brake Fluid
• Check brake for excessive travel or spongy feel.
• Check brake system for fluid leaks.
• Check friction pads for wear, damage or looseness.
• Check surface condition of the disc.
1 ft.
Sight Glass
Parking Lock Brake

2.30
MAINTENANCE
Brake Pad Inspection
Pads should be changed when the friction material is worn to
.180” / 4.6 mm, or about the thickness of a dime.
Hose/Fitting Inspection
Check brake system hoses and fittings for cracks, deterioration,
abrasion, and leaks.Tighten any loose fittings and replace any
worn or damaged parts.
Auxiliary Brake Testing
The auxiliary brake should be checked for proper function.
1. Support the rear wheels off the ground.
2. While turning the rear wheels by hand, apply the auxiliary
foot brake. This brake should not stop the wheels from
turning until the lever is half way between its rest position
and bottoming on the footrest.
Auxiliary Brake Adjustment (Hydraulic)
Use the following procedure to inspect the hydraulic auxiliary
(foot) brake system and adjust or bleed if necessary:
First, check foot brake effectiveness by applying 50 lb.
(approx.) downward force on the pedal. The top of the pedal
should be at least 1 inch, (25.4mm) above the surface of the
footrest.
If less than one inch, two things must be examined:
Free Play:
If free play is excessive, inspect pedal, linkage, and master
cylinder for wear or damage and replace any parts as needed.
Bleeding:
If free play is correct and brake pedal travel is still excessive, air
may be trapped somewhere in the system. Bleed the hydraulic
auxiliary brake system in a conventional manner, following the
procedure outlined in Brake Chapter 9.
= In. / mm.
Brake Pad Service Limit:
.180" (4.6 mm)
Minimum Thickness
.180” / 4.6 mm,
Auxiliary Brake
= In. / mm.
Foot Brake Freeplay:
1/8 - 1/4 inch (3.2 - 6.35 mm)
Full Height Full
Engagement
Floor
Board Surface
Auxiliary Foot Brake Pedal
1” or
greater
1/8, to 1/4,
Free Play
Floorboard
50 lbs

2.31
MAINTENANCE
2
Suspension Spring
Preload Adjustment
Operator weight and vehicle loading affect suspension spring
preload requirements. Adjust as necessary, using the spanner
wrench (2) to turn the adjustment cam (1).
Front Suspension
Compress and release front suspension. Damping
should be smooth throughout the range of travel.
Check all front suspension components for wear or damage.
Inspect front strut cartridges for leakage.
CV Shaft Boot Inspection
Inspect the CV shaft boots in the front and rear of the ATV for
damage, tears, wear, or leaking grease. If the rubber boot
exhibits any of these symptoms, replace the boot. Refer to
Chapter 7 for CV boot replacement.
Controls
Check controls for proper operation, positioning and
adjustment.
Brake control and switch must be positioned to allow brake
lever to travel throughout entire range without contacting switch
body.
Align throttle control assembly clamp with knurl on handlebar.
Wheels
Inspect all wheels for runout or damage. Check wheel nuts and
ensure they are tight. Do not over tighten the wheel nuts.
Inspect all wheels for runout or damage. Check wheel nuts and
ensure they are tight. Do not over tighten the wheel nuts.
Shock Spanner Wrench
(PN 2871095)
Center Spring
Adjustment Ring
1
2
Inspect Boots
WARNING
Operating an ATV with worn tires will increase the
possibility of the vehicle skidding and possible loss
of control.
Worn tires can cause an accident.
Always replace tires when the tread depth
measures 1/8” (.3 cm) or less.
Throttle
assembly
clamp
Align clamp
edge with
knurl

2.32
MAINTENANCE
Wheel, Hub, And Spindle
Torque Table
Wheel Removal Front or Rear
1. Stop the engine, place the transmission in Park and lock
the parking brake.
2. Loosen the wheel nuts slightly.
• Elevate the side of the vehicle by placing a suitable
stand under the footrest frame.
3. Remove the wheel nuts and remove the wheel.
Wheel Installation
1. With the transmission in Park and the parking brake
locked, place the wheel in the correct position on the wheel
hub. Be sure the valve stem is toward the outside and
rotation arrows on the tire point toward forward rotation.
2. Attach the wheel nuts and finger tighten them.
3. Lower the vehicle to the ground.
4. Securely tighten the wheel nuts to the proper torque listed
in the table.
Tire Pressure
Item Specification
Steel - Front Wheel Nuts 27 Ft. Lbs. (37 Nm)
Steel - Rear Wheel Nuts 27 Ft. Lbs. (37Nm)
Aluminum
Front Wheel Nuts 90 Ft. Lbs. (122 Nm)
Aluminum
Rear Wheel Nuts 90 Ft. Lbs. (122 Nm)
Front Hub Retaining Nut 70 ft.lbs. (90 Nm)
Rear Hub Retaining Nut 80 Ft. Lbs. (108 Nm)
Front & Rear Wheels
Front & Rear
Wheel Nuts (4)
See table Below
Front Hub Nut
70 ft. lbs. (95 Nm)
Rear Hub Nut
80 ft. lbs. (108 Nm)
CAUTION
If wheels are improperly installed it could affect
vehicle handling and tire wear. On vehicles with
tapered rear wheel nuts, make sure tapered end of
nut goes into taper on wheel.
CAUTION
Maintain proper tire pressure. Refer to the warning tire
pressure decal applied to the vehicle.
Tire Pressure Inspection (PSI - Cold)
Front Rear
55
Steel Wheel Aluminium Wheel

2.33
MAINTENANCE
2
Tire Inspection
• Improper tire inflation may affect ATV
maneuverability.
• When replacing a tire always use original equipment
size and type.
• The use of non-standard size or type tires may affect
ATV handling.
Tire Tread Depth
Always replace tires when tread depth is worn to 1/8" (3 mm)
or less.
Frame, Nuts, Bolts, Fasteners
Periodically inspect the torque of all fasteners in accordance
with the maintenance schedule. Check that all cotter pins are in
place. Refer to specific fastener torques listed in each chapter.
Storage Compartments
The storage compartments are easily accessible. To open the
front compartment turn the latch handle to the horizontal
position on both sides. To close the storage compartment turn
the latch handles just past the vertical position. Use the arrow
located on top of the latch as a reference.
WARNING
Operating an ATV with worn tires will increase the
possibility of the vehicle skidding easily with
possible loss of control.
Worn tires can cause an accident.
Always replace tires when the tread depth
measures 1/8” (.3 cm) or less.
Tread
Depth 1/8” (3 mm)
Unlatch
Latch

2.34
MAINTENANCE
Winch Operation (If Equipped)
This information is for Sportsman models equipped with a
winch in the front.
Winch Handlebar Controls
The winch is located in the front bumper area.
The mini-rocker (IN/OUT) control controls the direction of the
cable for the winch. IN pulls the cable into the winch and OUT
feeds the cable out of the winch.
Winch Control
The winch control located on the side of the winch gives the
operator easy access to switch between ENGAGED and
FREESPOOL.
When the winch is ENGAGED, the winch only allows the cable
to be pulled IN or released OUT via the mini-rocker switch on
the handlebar.
When the winch is FREESPOOL, the winch allows the cable to
be pulled out freely.
NOTE: The switch on the handlebar does not have to be in
the OUT position.
Winch Wire Locations
The winch wires can be located under the front cab area. Locate
the wires, remove the cap and hook up to winch the Blue and
FREESPOOL
L
ENGAGE

2.35
MAINTENANCE
2
Yellow (6 Ga.) wires to the winch. Refer to the installation
instructions for more details.
Locate the Red wire (6 Ga.) with the yellow crimp cover is
located in the rear fender area. The red wire connects to the
battery.
The Orange/White wires are located under the front cover
(under headlight pod). The Orange/White wires supply the
control power to the winch.
Winch Connector
Splash Guard for Contactor mount Winch Connecting
Harness
Right Side Front Fender
Winch Connecting Wire

2.36
MAINTENANCE
ATV Cleaning & Storage
Cleaning the ATV
Keeping your ATV clean will not only improve its appearance
but it can also extend the life of various components. With a few
precautions, your ATV can be cleaned much like an automobile.
Washing the ATV
The best and safest way to clean your ATV is with a garden hose
and a pail of mild soap and water. Use a professional type
washing mitten, cleaning the upper body first and the lower parts
last. tRinse with water frequently and dry with a chamois to
prevent water spots. NOTE: If warning and safety labels are
damaged, contact your a Polaris dealer for free replacement.
Polaris does not recommend the use of a high pressure type car
wash system for washing the ATV. If a high pressure system is
used, exercise extreme care to avoid water damage to the wheel
bearings, transmission seals, body panels, brakes and warning
labels. NOTE: Grease all zerk fittings immediately after
washing, and allow the vehicle to run for a while to evaporate
any water that may have entered the engine or exhaust system.
Waxing the ATV
Your ATV can be waxed with any non-abrasive automotive
paste wax. Avoid the use of harsh cleaners since they can scratch
the body finish. Polaris offers a detailing kit for ATVs.
Storage Tips
See Page 2.9 for the part numbers of Polaris products.
Clean the Exterior
Make necessary repairs and then clean the ATV thoroughly with
mild soap and warm water to remove all dirt and grime. Don’t
use harsh detergents or high pressure washers. Some detergents
deteriorate rubber parts. Use dish soap type cleaners only. High
pressure washers may force water past seals.
Stabilize the Fuel
Fill the fuel tank. Add Polaris Carbon Clean Fuel Treatment or
Polaris Fuel Stabilizer. Follow the instructions on the container
for the recommended amount. (Carbon clean will also reduce
the possibility of bacterial growth in the fuel system). Allow 15-
20 minutes of operation for the stabilizer to disperse through the
fuel in the tank and EFI sytem / carburetor. Turn the fuel valve
off and drain the carburetor bowl (450 only).
Oil and Filter
Warm the engine and change the oil and filter. Follow the
procedure in this chapter for proper oil change.
Air Filter / Air Box
Inspect and clean or replace the pre-cleaner and air filter. Clean
the air box and drain the sediment tube.
Breather Filter
Inspect and clean or replace the breather filter.
Fluid Levels
Inspect the following fluid levels and change if necessary: front
gearcase; transmission; brake fluid (change every two years or
as required if fluid looks dark or contaminated).
Drain the Recoil Housing
Remove the recoil housing drain plug and drain any moisture.
Storage Kits
Polaris offers storage kits for ATVs. See a Polaris dealer or visit
www.purepolaris.com.
Fog the Engine
To properly store the engine, use Polaris Fogging Oil according
to the directions.
If you choose not to use Polaris Fogging Oil, perform the
following procedure:
1. Support the front end of the machine so the engine is level
or tilted slightly rearward.
2. Treat the fuel system with Polaris Carbon Clean according
to the directions.
3. Remove the spark plug and add 2-3 tablespoons of
Premium 4 Synthetic 0W-40 engine oil. To access the plug
hole, use a section of clear 1/4” hose and a small plastic
squeeze bottle filled with the pre-measured amount of oil.
Note: Do this carefully! If you miss the plug hole, oil will
drain from the spark plug cavity into the hole at the front
of the cylinder head, and appear to be an oil leak. Install
the spark plug and pull the engine over slowly with the
recoil starter. Oil will be forced in and around the piston
rings and ring lands, coating the cylinder with a protective
film of fresh oil.
4. Apply dielectric grease to the inside of the spark plug cap
and install the cap onto the plug.
CAUTION
Certain products, including insect repellents and
chemicals, will damage plastic surfaces. Use caution
when using these products near plastic surfaces.
CAUTION
Starting the engine during the storage period will
disturb the protective film created by fogging and
damage could occur. Never start the engine during
the storage period.

2.37
MAINTENANCE
2
5. Turn the engine over several times with the recoil only to
ensure coverage of piston rings, cylinder walls and
crankshaft bearings.
6. If Polaris fuel system additive is not used, fuel tank, and fuel
lines should be completely drained of gasoline.
Lubricate
Inspect all cables and lubricate with Polaris Cable Lubricant.
Follow lubrication guidelines in the maintenance section of the
service or owner’s manual to completely grease and lubricate
the entire vehicle with Polaris Premium All Season Grease.
Storage Tips
Battery Storage
Remove the battery from the vehicle and ensure that it’s fully
charged before placing it in storage. See Chapter 10 for
instructions.
Engine Anti-Freeze
Test engine coolant strength and change if necessary. Coolant
should be replaced every two years.
Storage Area/Covers
Set the tire pressure and safely support the ATV with the tires 1-
2” off the ground. Be sure the storage area is well ventilated, and
cover the machine with a genuine Polaris ATV cover. NOTE:
Do not use plastic or coated materials. They do not allow enough
ventilation to prevent condensation, and may promote corrosion
and oxidation.
Transporting the ATV
Follow these procedures when transporting the vehicle.
1. Turn off the engine and remove the key to prevent loss
during transporting.
2. Always place the transmission in park and lock the parking
brake.
3. Turn the fuel valve off.
4. Be sure the fuel cap, oil cap and seat are installed correctly.
5. Always tie the frame of the ATV to the transporting unit
securely using suitable straps or rope.

2.38
MAINTENANCE
Maintenance Schedule
Service Date Hours / Miles Service Performed Serviced By:

3.1
CHAPTER 3
ENGINE
3
ENGINE
SPECIFICATIONS. . . . . . . . . . . . . . . . . . . . . . . . . . . . . . . . . . . . . . . . . . . . . . . . . . . . . . . 3.3
TORQUE SPECIFICATIONS . . . . . . . . . . . . . . . . . . . . . . . . . . . . . . . . . . . . . . . . . . . . . . 3.3
SPECIAL TOOLS . . . . . . . . . . . . . . . . . . . . . . . . . . . . . . . . . . . . . . . . . . . . . . . . . . . . . . . 3.3
ENGINE FASTENER TORQUE PATTERNS . . . . . . . . . . . . . . . . . . . . . . . . . . . . . . . . . . 3.3
ENGINE SERVICE DATA. . . . . . . . . . . . . . . . . . . . . . . . . . . . . . . . . . . . . . . . . . . . . . . . . 3.4
ENGINE SERVICE DATA. . . . . . . . . . . . . . . . . . . . . . . . . . . . . . . . . . . . . . . . . . . . . . . . . 3.5
GENERAL ENGINE SERVICE . . . . . . . . . . . . . . . . . . . . . . . . . . . . . . . . . . . . . . . . . . . . . 3.6
PISTON IDENTIFICATION. . . . . . . . . . . . . . . . . . . . . . . . . . . . . . . . . . . . . . . . . . . . . . . . 3.6
COOLING SYSTEM SPECIFICATIONS. . . . . . . . . . . . . . . . . . . . . . . . . . . . . . . . . . . . . . 3.6
COOLING SYSTEM . . . . . . . . . . . . . . . . . . . . . . . . . . . . . . . . . . . . . . . . . . . . . . . . . . . . . 3.7
ACCESSIBLE COMPONENTS. . . . . . . . . . . . . . . . . . . . . . . . . . . . . . . . . . . . . . . . . . . . . 3.8
ENGINE REMOVAL (TYPICAL) . . . . . . . . . . . . . . . . . . . . . . . . . . . . . . . . . . . . . . . . . . . . 3.8
ENGINE INSTALLATION NOTES . . . . . . . . . . . . . . . . . . . . . . . . . . . . . . . . . . . . . . . . . . 3.9
CYLINDER HONE SELECTION/ HONING PROCEDURE. . . . . . . . . . . . . . . . . . . . . . . . 3.9
HONING TO OVERSIZE . . . . . . . . . . . . . . . . . . . . . . . . . . . . . . . . . . . . . . . . . . . . . . . . . 3.9
CLEANING THE CYLINDER AFTER HONING . . . . . . . . . . . . . . . . . . . . . . . . . . . . . . . 3.10
CRANKSHAFT STRAIGHTENING. . . . . . . . . . . . . . . . . . . . . . . . . . . . . . . . . . . . . . . . . 3.10
ENGINE LUBRICATION - EH 50PL . . . . . . . . . . . . . . . . . . . . . . . . . . . . . . . . . . . . . . . . 3.11
OIL PRESSURE TEST - EH 50PL . . . . . . . . . . . . . . . . . . . . . . . . . . . . . . . . . . . . . . . . . 3.11
OIL PUMP PRIMING PROCEDURE . . . . . . . . . . . . . . . . . . . . . . . . . . . . . . . . . . . . . . . 3.11
OIL FLOW - EH50PL . . . . . . . . . . . . . . . . . . . . . . . . . . . . . . . . . . . . . . . . . . . . . . . . . . . 3.11
EH50PL OIL FLOW DIAGRAM. . . . . . . . . . . . . . . . . . . . . . . . . . . . . . . . . . . . . . . . . . . . 3.12
EH50PL ENGINE EXPLODED VIEWS. . . . . . . . . . . . . . . . . . . . . . . . . . . . . . . . . . . . . . 3.13
ENGINE DISASSEMBLY. . . . . . . . . . . . . . . . . . . . . . . . . . . . . . . . . . . . . . . . . . . . . . . . . 3.14
CAM CHAIN TENSIONER/ROCKER ARM/ CAMSHAFT REMOVAL . . . . . . . . . . . . . . 3.14
CAM CHAIN TENSIONER INSPECTION. . . . . . . . . . . . . . . . . . . . . . . . . . . . . . . . . . . . 3.14
ROCKER ARM/SHAFT INSPECTION . . . . . . . . . . . . . . . . . . . . . . . . . . . . . . . . . . . . . . 3.15
CAMSHAFT REMOVAL . . . . . . . . . . . . . . . . . . . . . . . . . . . . . . . . . . . . . . . . . . . . . . . . . 3.16
AUTOMATIC COMPRESSION RELEASE REMOVAL/INSPECTION . . . . . . . . . . . . . . 3.17
AUTOMATIC COMPRESSION RELEASE INSTALLATION. . . . . . . . . . . . . . . . . . . . . . 3.18
CAMSHAFT INSPECTION . . . . . . . . . . . . . . . . . . . . . . . . . . . . . . . . . . . . . . . . . . . . . . . 3.18
CYLINDER HEAD REMOVAL . . . . . . . . . . . . . . . . . . . . . . . . . . . . . . . . . . . . . . . . . . . . 3.19
CYLINDER HEAD EXPLODED VIEW, EH50PL. . . . . . . . . . . . . . . . . . . . . . . . . . . . . . . 3.20
CYLINDER HEAD INSPECTION . . . . . . . . . . . . . . . . . . . . . . . . . . . . . . . . . . . . . . . . . . 3.21
CYLINDER HEAD WARP. . . . . . . . . . . . . . . . . . . . . . . . . . . . . . . . . . . . . . . . . . . . . . . . 3.21
CYLINDER HEAD DISASSEMBLY . . . . . . . . . . . . . . . . . . . . . . . . . . . . . . . . . . . . . . . . 3.21
VALVE INSPECTION . . . . . . . . . . . . . . . . . . . . . . . . . . . . . . . . . . . . . . . . . . . . . . . . . . . 3.22
COMBUSTION CHAMBER. . . . . . . . . . . . . . . . . . . . . . . . . . . . . . . . . . . . . . . . . . . . . . . 3.23
VALVE SEAT RECONDITIONING . . . . . . . . . . . . . . . . . . . . . . . . . . . . . . . . . . . . . . . . . 3.23
CYLINDER HEAD ASSEMBLY . . . . . . . . . . . . . . . . . . . . . . . . . . . . . . . . . . . . . . . . . . . 3.26
VALVE SEALING TEST . . . . . . . . . . . . . . . . . . . . . . . . . . . . . . . . . . . . . . . . . . . . . . . . . 3.26
VALVE CLEARANCE ADJUSTMENT . . . . . . . . . . . . . . . . . . . . . . . . . . . . . . . . . . . . . . 3.26
CYLINDER/PISTON REMOVAL AND INSPECTION . . . . . . . . . . . . . . . . . . . . . . . . . . . 3.27
PISTON REMOVAL . . . . . . . . . . . . . . . . . . . . . . . . . . . . . . . . . . . . . . . . . . . . . . . . . . . . 3.28
CYLINDER INSPECTION. . . . . . . . . . . . . . . . . . . . . . . . . . . . . . . . . . . . . . . . . . . . . . . . 3.28
PISTON-TO-CYLINDER CLEARANCE . . . . . . . . . . . . . . . . . . . . . . . . . . . . . . . . . . . . . 3.29
PISTON/ROD INSPECTION. . . . . . . . . . . . . . . . . . . . . . . . . . . . . . . . . . . . . . . . . . . . . . 3.29
PISTON RING INSTALLED GAP . . . . . . . . . . . . . . . . . . . . . . . . . . . . . . . . . . . . . . . . . . 3.30
CRANKCASE DISASSEMBLY . . . . . . . . . . . . . . . . . . . . . . . . . . . . . . . . . . . . . . . . . . . . 3.30
STARTER DRIVE REMOVAL/INSPECTION . . . . . . . . . . . . . . . . . . . . . . . . . . . . . . . . . 3.31
FLYWHEEL/STATOR REMOVAL/INSPECTION . . . . . . . . . . . . . . . . . . . . . . . . . . . . . . 3.31
CAM CHAIN/TENSIONER BLADE. . . . . . . . . . . . . . . . . . . . . . . . . . . . . . . . . . . . . . . . . 3.32
ONE WAY VALVE REMOVAL . . . . . . . . . . . . . . . . . . . . . . . . . . . . . . . . . . . . . . . . . . . . 3.32
CRANKCASE SEPARATION . . . . . . . . . . . . . . . . . . . . . . . . . . . . . . . . . . . . . . . . . . . . . 3.33

3.2
ENGINE
OIL PUMP REMOVAL/INSPECTION. . . . . . . . . . . . . . . . . . . . . . . . . . . . . . . . . . . . . . . 3.33
OIL PUMP ASSEMBLY . . . . . . . . . . . . . . . . . . . . . . . . . . . . . . . . . . . . . . . . . . . . . . . . . 3.34
COUNTER BALANCER SHAFT REMOVAL/INSPECTION . . . . . . . . . . . . . . . . . . . . . . 3.34
CRANKSHAFT REMOVAL/INSPECTION . . . . . . . . . . . . . . . . . . . . . . . . . . . . . . . . . . . 3.35
CRANKCASE BEARING INSPECTION . . . . . . . . . . . . . . . . . . . . . . . . . . . . . . . . . . . . . 3.36
PUMP SHAFT OIL SEAL/WATER PUMP MECHANICAL SEAL REMOVAL . . . . . . . . 3.36
CRANKCASE INSPECTION . . . . . . . . . . . . . . . . . . . . . . . . . . . . . . . . . . . . . . . . . . . . . 3.36
BEARING INSTALLATION. . . . . . . . . . . . . . . . . . . . . . . . . . . . . . . . . . . . . . . . . . . . . . . 3.37
END PLAY INSPECTION/ADJUSTMENT . . . . . . . . . . . . . . . . . . . . . . . . . . . . . . . . . . . 3.37
CRANKSHAFT END PLAY ADJUSTMENT . . . . . . . . . . . . . . . . . . . . . . . . . . . . . . . . . . 3.37
COUNTER BALANCER SHAFT END PLAY ADJUSTMENT. . . . . . . . . . . . . . . . . . . . . 3.38
OIL PUMP SHAFT END PLAY ADJUSTMENT . . . . . . . . . . . . . . . . . . . . . . . . . . . . . . . 3.39
ENGINE REASSEMBLY . . . . . . . . . . . . . . . . . . . . . . . . . . . . . . . . . . . . . . . . . . . . . . . . . 3.40
PUMP SHAFT OIL SEAL INSTALLATION. . . . . . . . . . . . . . . . . . . . . . . . . . . . . . . . . . . 3.40
CRANKSHAFT/COUNTER BALANCE/OIL PUMP INSTALLATION . . . . . . . . . . . . . . . 3.40
CRANKCASE ASSEMBLY. . . . . . . . . . . . . . . . . . . . . . . . . . . . . . . . . . . . . . . . . . . . . . . 3.41
WATER PUMP MECHANICAL SEAL INSTALLATION . . . . . . . . . . . . . . . . . . . . . . . . . 3.41
WATER PUMP MECHANICAL SEAL REMOVAL - ENGINE INSTALLED . . . . . . . . . . 3.41
ONE WAY VALVE INSTALLATION . . . . . . . . . . . . . . . . . . . . . . . . . . . . . . . . . . . . . . . . 3.42
CAM CHAIN DRIVE SPROCKET INSTALLATION . . . . . . . . . . . . . . . . . . . . . . . . . . . . 3.43
TENSIONER BLADE INSTALLATION . . . . . . . . . . . . . . . . . . . . . . . . . . . . . . . . . . . . . . 3.43
PISTON RING INSTALLATION . . . . . . . . . . . . . . . . . . . . . . . . . . . . . . . . . . . . . . . . . . . 3.43
PISTON INSTALLATION . . . . . . . . . . . . . . . . . . . . . . . . . . . . . . . . . . . . . . . . . . . . . . . . 3.44
CYLINDER INSTALLATION. . . . . . . . . . . . . . . . . . . . . . . . . . . . . . . . . . . . . . . . . . . . . . 3.44
CYLINDER HEAD INSTALLATION . . . . . . . . . . . . . . . . . . . . . . . . . . . . . . . . . . . . . . . . 3.45
CAM CHAIN/CAMSHAFT INSTALLATION . . . . . . . . . . . . . . . . . . . . . . . . . . . . . . . . . . 3.45
CAMSHAFT TIMING . . . . . . . . . . . . . . . . . . . . . . . . . . . . . . . . . . . . . . . . . . . . . . . . . . . 3.46
CAMSHAFT TIMING . . . . . . . . . . . . . . . . . . . . . . . . . . . . . . . . . . . . . . . . . . . . . . . . . . . 3.48
CAM CHAIN TENSIONER INSTALLATION. . . . . . . . . . . . . . . . . . . . . . . . . . . . . . . . . . 3.49
STATOR, FLYWHEEL AND STARTER DRIVE INSTALLATION. . . . . . . . . . . . . . . . . . 3.49
ROCKER SHAFT/ROCKER ARM ASSEMBLY INSTALLATION . . . . . . . . . . . . . . . . . . 3.50
THERMOSTAT INSTALLATION . . . . . . . . . . . . . . . . . . . . . . . . . . . . . . . . . . . . . . . . . . 3.50
OIL PIPES . . . . . . . . . . . . . . . . . . . . . . . . . . . . . . . . . . . . . . . . . . . . . . . . . . . . . . . . . . . 3.50
RECOIL . . . . . . . . . . . . . . . . . . . . . . . . . . . . . . . . . . . . . . . . . . . . . . . . . . . . . . . . . . . . . . 3.51
RECOIL DISASSEMBLY/INSPECTION. . . . . . . . . . . . . . . . . . . . . . . . . . . . . . . . . . . . . 3.51
RECOIL ASSEMBLY . . . . . . . . . . . . . . . . . . . . . . . . . . . . . . . . . . . . . . . . . . . . . . . . . . . 3.52
TROUBLESHOOTING. . . . . . . . . . . . . . . . . . . . . . . . . . . . . . . . . . . . . . . . . . . . . . . . . . . 3.53
SPARK PLUG FOULING . . . . . . . . . . . . . . . . . . . . . . . . . . . . . . . . . . . . . . . . . . . . . . . . 3.53
ENGINE . . . . . . . . . . . . . . . . . . . . . . . . . . . . . . . . . . . . . . . . . . . . . . . . . . . . . . . . . . . . .3.53
COOLING SYSTEM . . . . . . . . . . . . . . . . . . . . . . . . . . . . . . . . . . . . . . . . . . . . . . . . . . . . 3.54

3.3
ENGINE
3
SPECIFICATIONS
Torque Specifications
Special Tools
Engine Fastener Torque Patterns
Tighten cylinder head, cylinder base, and crankcase fasteners in
3 steps following the sequence outlined.
TORQUE SPECIFICATIONS
Fastener Size EH50PLE
Ft. Lbs. (Nm)
Blind Plug (Oil
Pressure) 1/8 PT
(28tpi) 6.5-11 (9-15 Nm)
Camshaft Sprocket 6mm 5-6.5 (7-9 Nm)
Camshaft Chain
Tensioner Lever 6mm 5-6.5 (7-9 Nm)
Camshaft Chain
Tensioner 6mm 5-6.5 (7-9 Nm)
Camshaft Chain
Tensioner Cap 11mm 14-19 (20-25 Nm)
Carburetor Adaptor 8mm 12-14 (16-20 Nm)
Crankcase 8mm 14-15 (19-21 Nm)
Crankshaft Slotted Nut
(Cam Chain Drive
Sprocket)
28mm 35-51 (47-69 Nm)
Cylinder Base Bolts 10mm
6mm 45-49 (61-67 Nm)
6-8 (9-11 Nm)
Cylinder Head Bolts 11mm
6mm Refer to Engine
Assembly for torque
procedure
Drive Clutch Bolt 7/16 - 20 40 (55 Nm)
Flywheel 16mm 58-72 (78-98 Nm)
Oil Delivery Pipe 12mm 11-15 (15-21 Nm)
Oil Drain Bolt
(Crankcase) 14mm 14-17 (19-23 Nm)
Oil Filter Pipe Fitting 20mm 36-43 (49-59 Nm)
Oil Hose Fitting 1/8 Pipe
Thread 6.5-11 (9-15 Nm)
Hard Metal Oil Line
Banjo Fitting N/A 11-16 ft.lbs. (15-21
Nm)
Oil Pump 6mm 5-6.5 (7-9 Nm)
Oil Pump Case Screw 5mm 1.5-2 (2-3 Nm)
One Way Valve 11mm 14-19 (20-25 Nm)
Recoil Housing 6mm 5-6.5 (7-9 Nm)
Rocker Cover 6mm 7-8 (9-11 Nm)
Rocker Support 8mm 8-10 (11-13 Nm)
Rocker Adjuster Screw 6mm 6-7 (8-10 Nm)
Water Pump Impeller
Nut 6mm 5-6.5 (7-9 Nm)
Water Pump Housing
Cover 6mm 5-6.5 (7-9 Nm)
Stator Plate 6mm 5-6.5 (7-9 Nm)
Starter Motor 6mm 5-6.5 (7-9 Nm)
Spark Plug 14mm 9-11 (12-15 Nm)
Thermistor -- 26 ± 2.1 (35 ± 3 Nm)
PART NUMBER TOOL DESCRIPTION
2200634 Valve Seat Reconditioning
Kit
2870390 Piston Support Block
2871043 Flywheel Puller
2871283 Crankshaft/Water Pump
Seal Install Kit
5131135 Water Pump Install Kit
2870569 Crankshaft Truing Stand
2870975 Mity Vac™ Pressure Test
Tool
PV-43527 OIl Filter Wrench
1
2
3
4
5
6
7
8
910
1
2
3
4
5
6
6mm
Cylinder Head
Cylinder Base
Pattern
Crankcase
Pattern

3.4
ENGINE
Engine Service Data
Cylinder Head / Valve EH50PLE
Rocker Arm Rocker arm ID .8669-.8678" (22.020-22.041 mm)
Rocker shaft OD .8656-.8661" (21.987-22.0 mm)
Rocker shaft Oil Clearance Std .0008-.0021" (.020-.054 mm)
Limit .0039" (.10 mm)
Camshaft Cam lobe height In Std 1.2884-1.2924” (32.726-32.826 mm)
Limit 1.2766" (32.426 mm)
Ex Std 1.2884-1.2924” (32.726-32.826 mm)
Limit 1.2766" (32.426 mm)
Camshaft journal OD Mag 1.4935-1.4941” (37.935-37.950 mm)
PTO 1.4935-1.4941” (37.935-37.950 mm)
Camshaft journal bore ID Mag 1.4963-1.4970” (38.005-38.025 mm)
PTO 1.4963-1.4970” (38.005-38.025 mm)
Camshaft Oil clearance Std .022-.0035”(.055-.090 mm)
Limit .0039" (.10 mm)
Cylinder Head Surface warpage limit .0020" (.05 mm)
Standard Height 3.870" (98.3 mm)
Valve Seat Contacting width In Std .028" (.7 mm)
Limit .055" (1.4 mm)
Ex Std .039" (1.0 mm)
Limit .071" (1.8 mm)
Valve Guide Inner diameter .2362-.2367" (6.0-6.012 mm)
Protrusion above head .689-.709" (17.5-18.0 mm)
Valve Margin Thickness In Std .039" (1.0 mm)
Limit .031" (.8 mm)
Ex Std .047" (1.2 mm)
Limit .031" (.8 mm)
Valve Stem diameter In .2343-.2348" (5.950-5.965 mm)
Ex .2341-.2346" (5.945-5.960 mm)
Stem Oil Clearance Std In .0014-.0024" (.035-.062 mm)
Ex .0016-.0026" (.040-.067 mm)
Limit .0059" (.15 mm)
Overall length In 3.976" (101.0 mm)
Ex 3.984" (101.2 mm)
Valve Spring Overall Length Std 1.654" (42.0 mm)
Limit 1.575" (40.0 mm)
Squareness .075” (1.9 mm)

3.5
ENGINE
3
Engine Service Data
KEY - Std: Standard; OS: Oversize; ID: Inner Diameter; OD: Outer Diameter; Mag: Magneto Side;
PTO: Power Take Off.
Cylinder / Piston / Connecting Rod EH50PLE
Cylinder Surface warpage limit (mating with cylinder
head) .0020” (0.05 mm)
Cylinder bore Std 3.6221-3.6228” (92.00-92.02 mm)
Taper limit .0020” (0.05 mm)
Out of round limit .0020” (0.05 mm)
Piston clearance Std .0006-.0018" (0.015-0.045 mm)
Limit .0024” (0.060 mm)
Boring Limit .020” (.5 mm)
Piston Outer diameter Std 3.6204-3.6215” (91.970-91.985mm)
.0098" (.25 mm) OS 3.6304-3.6310” (92.21-92.23 mm)
.0197" (.50 mm) OS 3.6403-3.6407” (92.46-92.47 mm)
Standard inner diameter of piston pin bore .9055-.9057” (23.0-23.006 mm)
Piston Pin Outer diameter .9053-.9055” (22.994-23.0 mm)
Standard clearance-piston pin to pin bore .0002-.0003” (.004-.008 mm)
Degree of fit Piston Pin must be a push (by hand) fit at 68o F (20o
Piston Ring Piston Ring Installed
gap Top ring Std .0079-.0138" (.20-.36 mm)
Limit .039” (1.0 mm)
Second
ring Std .0079-.0138" (.20-.36 mm)
Limit .039” (1.0 mm)
Oil ring Std .0079-.0276" (0.20-0.70 mm)
Limit .059" (1.5 mm)
Piston Ring Standard clearance -
piston ring to ring
groove
Top ring Std .0016-.0031" (0.040.-080 mm)
Limit .0059" (.15 mm)
Second
ring Std .0012-.0028" (0.030-0.070 mm)
Limit .0059" (.15 mm)
Connecting
Rod Connecting rod small end ID .9058- .9063” (23.007 - 23.020 mm)
Connecting rod small end radial
clearance Std .0003-.0010” (.007-.026 mm)
Limit .0020 (.05 mm)
Connecting rod big end side
clearance Std .0039-.0256” (.1-.65 mm)
Limit .0315” (.80 mm)
Connecting rod big end radial
clearance Std .0004-.0015” (.011-.038 mm)
Limit .0020” (.05 mm)
Crankshaft Crankshaft runout limit .0024” (.06 mm)

3.6
ENGINE
GENERAL ENGINE SERVICE
Piston Identification
The piston may have an identification mark or the piston may
not have an identification mark for piston placement. If the
piston has an identification mark, follow the directions for
piston placement below. If the piston does not have an
identification mark, the direction for placement of the piston
does not matter.
Note the directional and identification marks when viewing the
pistons from the top. The letter “F”, “J ”,“ X” or : must always
be toward the flywheel side of the engine. The other numbers are
used for identification as to diameter, length and design. Four
stroke engine rings are rectangular profile. See text for oil
control ring upper rail installation. Use the information below to
identify pistons and rings.
*Pistons and rings marked 25 equal .25mm (.010”) oversized
*Pistons and rings marked 50 equal .50mm (.020”) oversized
Cooling System Specifications
THERMISTOR READING DURING OPERATION
Engine
Model No.
Oversize
Available* (mm)
Piston
Length
Standard
Piston
Identification
EH50PLE .25
.50
72 mm C
EH42PLE .25
.50
66 mm B
Condition Approx. Reading
(Min-Max) Temperature
Temperature 37.3 - 39.2 k Ω68° F (20° C)
System
Capacity
2.25 Quarts
(2.13L)
Radiator Cap
Relief
Pressure
13 PSI (89.6 kpa)
Sensor
18.5 + ft. lbs.
(25 Nm)

3.7
ENGINE
3
Cooling System System Pressure Test
1. Remove radiator cap cover located in storage box.
2. Remove recovery bottle hose from coolant filler.
3. Connect a Mity Vac™ (PN 2870975) to radiator and
pressurize system to 10 PSI (68.9 kpa). The system must
retain 10 lbs of pressure for five minutes or longer. If
pressure loss is evident within five minutes, check radiator,
all cooling system hoses and clamps, or water pump seal.
Radiator Cap Pressure Test
1. Remove radiator cap and test using a cap tester
(commercially available).
2. The radiator cap relief pressure is 13 lbs (89.6 kpa).
WARNING
Never remove radiator cap when engine is warm or hot.
The cooling system is under pressure and serious burns
may result. Allow the engine and cooling system to cool
before servicing.
Radiator
Water Pump
Cylinder
Cylinder
Thermostat
FLOW
Head
Upper Hose
Radiator
Fan
Lower Hose
Filler Neck
Overflow Bottle
Top
Bottom
Radiator
Left Side
View
Radiator
Front
View

3.8
ENGINE
RECOMMENDED COOLANT
Use only high quality antifreeze/coolant mixed with distilled
water in a 50/50 or 60/40 ratio, depending on freeze protection
required in your area..
Accessible Components
The following components can be serviced or removed with the
engine installed in the frame:
• Flywheel
• Alternator/Stator
• Starter Motor/Starter Drive
• Cylinder Head
• Cylinder
• Piston/RIngs
• Camshaft
• Rocker Arms
• Cam Chain and Sprockets
• Water Pump / Water Pump Mechanical Seal*
The following components require engine removal for
service:
• Oil pump / Oil Pump Drive Gear
• Counterbalance Shaft or Bearing(s)
• Connecting Rod
• Crankshaft
• Crankshaft Main Bearings
• Crankcase
*It may be necessary to loosen engine mounts and move
engine slightly to access water pump. Use the Water
Pump Mechanical Seal Puller (PN 2872105) to replace
mechanical seal with engine in frame.
Engine Removal (TYPICAL)
1. Clean work area.
2. Thoroughly clean the ATV engine and chassis.
3. Disconnect battery negative(-) cable.
4. Remove the following parts as required.
•Seat
• Left and Right Side Covers (Refer to Chapter 5)
• Fuel Tank Cover / Front Cab (Refer to Chapter 5)
• Fuel Tank (Refer to Chapter 4)
5. Disconnect spark plug high tension lead.
6. Remove springs from exhaust pipe and remove pipe.
7. Drain coolant and engine oil.
8. Remove air pre-cleaner and duct.
9. Remove airbox.
10. Remove carburetor. Insert a shop towel into the carburetor
flange to prevent dirt from entering the intake port.
11. Remove center chain guard on chain drive AWD models.
12. Remove center drive and driven sprocket bolts and remove
chain and sprockets as an assembly.
13. Refer to PVT System to remove outer clutch cover, drive
belt, drive clutch, driven clutch, and inner cover.
14. Starter motor. Note ground cable location. Mark positive
(+) cable mounting angle and remove cable.
15. Remove transmission linkage rod(s) from gear selector and
secure out of the way.
16. Disconnect coolant temperature sensor wire.
17. Remove engine to chassis ground cable.
18. Remove all engine mount nuts and / or engine mount plates.
19. Remove engine through right side of frame.
CAUTION
Using tap water in the cooling system will lead to a
buildup of deposits which may restrict coolant flow
and reduce heat dissipation, resulting in possible
engine damage. Polaris Premium 60/40 Antifreeze/
Coolant is recommended for use in all cooling
systems, and comes pre-mixed, ready to use.

3.9
ENGINE
3
Engine Installation Notes
After the engine is installed in the frame, review this checklist
and perform all steps that apply.
General Items
1. Install previously removed components using new gaskets,
seals, and fasteners where applicable.
2. Perform regular checks on fluid levels, controls, and all
important areas on the vehicle as outlined in the daily pre-
ride inspection checklist (refer to Chapter 2 or the Owner’s
Safety and Maintenance Manual).
PVT System
1. Adjust center distance of drive and driven clutch. (Chapter
6)
2. Adjust clutch offset, alignment, and belt deflection.
(Chapter 6)
3. Clean clutch sheaves thoroughly and inspect inlet and
outlet ducts for proper routing and sealing. (Chapter 6)
Transmission
1. Inspect transmission operation and adjust linkage if
necessary. Refer to Chapter 2 and Chapter 8.
Exhaust
1. Replace exhaust gaskets. Seal connections with high temp
silicone sealant if required.
2. Check to be sure all springs are in good condition.
Bleed Cooling System
1. Remove radiator cap and slowly add coolant to top of filler
neck.
2. Fill coolant reservoir tank to full mark.
3. Install radiator cap and squeeze coolant lines to force air out
of system.
4. Again remove radiator cap and slowly add coolant to top
of fill neck.
5. Start engine and observe coolant level in the radiator. Allow
air to purge and top off as necessary. Reinstall radiator cap
and bring engine to operating temp. Check level in reservoir
tank after engine is cool and add coolant if necessary.
Engine Break In Period
4 Cycle Engine Break-In Period is defined as the first 10
hours of engine operation or 2 full tanks of fuel.
1. Use only Polaris Premium 4 All Season synthetic oil, or
API certified “SH” oil.Never substitute or mix oil brands.
Serious engine damage can result.
2. Use fuel with a minimum octane of 87 (R+M)/2 method.
3. Change break-in oil and filter at 20 hours or 500 miles,
whichever comes first.
Cylinder Hone Selection/ Honing Procedure
Cylinders may be wet or dry honed depending upon the
hone manufacturer’s recommendations. Wet honing
removes more material faster and leaves a more distinct
pattern in the bore.
NOTE: See next page for more information on honing.
Honing To Oversize
CAUTION
Selecting a hone which will straighten as well as
remove material from the cylinder is very important.
Using a common spring loaded finger type glaze
breaker for honing is never advised. Polaris
recommends using a rigid hone or arbor honing
machine which also has the capability of oversizing.
CAUTION
If cylinder wear or damage is excessive, it will be
necessary to oversize the cylinder using a new oversize
piston and rings. This may be accomplished by either
boring the cylinder and then finish honing to the final bore
size, or by rough honing followed by finish honing.
CAUTION
For oversize honing, always wet hone using honing oil
and a coarse roughing stone. Measure the piston (see
piston measurement) and rough hone to the size of the
piston. Always leave .002 - .003" (.05 - .07 mm) for finish
honing. Refer to piston-to-cylinder clearance
specifications before honing. Complete the sizing with
fine grit stones to provide the proper cross-hatch finish
and required piston clearance.
EXAMPLE OF CROSS HATCH PATTERN

3.10
ENGINE
A finished cylinder should have a cross-hatch pattern to ensure
piston ring seating and to aid in the retention of the fuel/oil
mixture during initial break in. Hone cylinder according to hone
manufacturer’s instructions, or these guidelines:
• Use a motor speed of approximately 300-500
RPM, run the hone in and out of the cylinder
rapidly until cutting tension decreases. Remember
to keep the hone drive shaft centered (or cylinder
centered on arbor) and to bring the stones
approximately 1/2” (1.3 cm) above and below the
bore at the end of each stroke.
• Release the hone at regular intervals and inspect
the bore to determine if it has been cleared, and to
check piston fit. NOTE: Do not allow cylinder to
heat up during honing. The thinner areas of the
liner around the ports will expand causing uneven
bore.
• After honing has been completed inspect all port
opening areas for rough or sharp edges. Apply a
slight chamfer to all ports to remove sharp edges
or burrs, paying particular attention to the corners
of the intake and exhaust ports.
Cleaning the Cylinder After Honing
It is very important that the cylinder be thoroughly cleaned after
honing to remove all grit material. Wash the cylinder in a
solvent, then in hot, soapy water. Pay close attention to areas
where the cylinder sleeve meets the aluminum casting (transfer
port area). Use electrical contact cleaner if necessary to clean
these areas. Rinse thoroughly, dry with compressed air, and oil
the bore immediately with Polaris 2 Cycle Lubricant.
Crankshaft Straightening
Lubricate the bearings and clamp the crankshaft securely in the
Crankshaft Truing Stand (PN 2870569). Refer to the
illustrations below.
NOTE: The rod pin position in relation to the dial
indicator position tells you what action is required to
straighten the shaft.
1. To correct a situation like the one shown in the illustration,
strike the shaft at point A with a brass hammer.
2. To correct a situation like the one shown in the illustration,
squeeze the crankshaft at points A. (Use tool from
alignment kit).
Crankshaft Truing Stand
(PN 2870569)
A
B
HIGH .004 (.1 mm)
HIGH .004 (.1 mm)
SUPPORT CRANKSHAFT HERE
A
A
HIGH .002 (.05 mm)
HIGH .005 (.13 mm
)
A
A
HIGH .002 (.05 mm)
HIGH .005 (.13 mm)

3.11
ENGINE
3
3. If the crank rod pin location is 180o from the dial indicator
(opposite that shown above), it will be necessary to spread
the crankshaft at position A as shown in the illustration at
right. When rebuilding and straightening a crankshaft,
runout must be as close to zero as possible.
NOTE: Maximum allowable runout is .0024”.
Engine Lubrication-
EH 50PL
Oil Type:Polaris Premium 4 Synthetic
(PN 2871281); or API certified “SH” 0-40W oil
Capacity:. . . . . . . .Approximately 2 U.S. Quarts (1.9 l)
Filter Wrench . . . .(PV-43527)
*Drain Plug / Screen Fitting...14 ft. lbs. (19 Nm) (If fitting is
removed, follow oil pump priming procedure).
*Oil Pressure Specification...20 PSI @ 5500 RPM, Polaris
0W-40 Synthetic (Engine Hot)
Oil Pressure Test - EH 50PL
1. Remove blind plug on front left cylinder head.
2. Insert a 1/8 NPT oil pressure gauge adaptor into the cylinder
head and attach the gauge.
3. Start engine and allow it to reach operating temperature,
monitoring gauge indicator.
NOTE: Use only Polaris Premium 4 Synthetic Engine
Lubricant (PN 2871281).
Oil Pump Priming Procedure
See “Oil Pump Priming Procedure” on page 2.25.
Oil Flow - EH50PL
The following chart describes the flow of oil through the
EH50PL engine. Beginning at the oil tank, the oil flows through
a screen fitting in the bottom of the tank and into the oil supply
hose. The feed side of the oil pump draws oil through the hose
and into the crankcase oil gallery, and then pumps the oil
through another passage to the one way valve. (When the engine
is off, the one way valve closes to prevent oil in the tank from
draining into the crankcase.) The oil is pumped through a
delivery pipe to the oil filter. If the oil filter is obstructed, a
bypass valve contained in the filter allows oil to bypass the filter
element.
At this point, the oil is diverted in two directions. Oil is supplied
to the camshaft through the left front cylinder stud, and an oil
passage in the head. Oil enters the camshaft through the PTO (L)
journal. The camshaft journals, cam lobes, and rocker arms are
lubricated through holes in the camshaft. The oil lubricates the
cam chain and sprocket and drains to the sump.
The other oil path from the filter leads through a delivery pipe
to the crankcase main oil gallery, which leads to the stator plate
oil passage. Here it passes through the slotted friction bearing
(located in the stator plate) into the crankshaft. An oil seal on the
stator plate prevents oil from entering the stator/flywheel area.
Oil travels through the crankshaft to the crank pin, lubricating
the connecting rod large end bearing directly. Oil also passes
through an oil jet (drilled orifice) in the end of the crank pin to
the PTO end main bearings and counterbalancer gears.
Residual oil from the lubrication of the crankshaft and
connecting rod indirectly lubricates the cylinder wall, piston,
rings, connecting rod small end bearing, piston pin, oil/water
pump drive gears, cam chain and drive sprocket, and Magneto
end crankshaft main bearing.
The one-way valve is located on the front left (PTO) side of the
crankcase. The valve prevents oil in the tank from draining into
the engine sump when the engine is off. The valve mechanism
consists of a plunger, return spring, guide plug, and sealing
washer. When the engine is running, oil pressure lifts the
plunger off the seat, allowing oil flow. When the engine is off,
spring pressure forces the plunger against the oil passage seat,
preventing oil flow from the tank to the sump. The one-way
valve requires very little maintenance. If engine oil drains into
the sump when the engine is off, inspect the valve sealing
surface for debris or damage. Inspect the return spring for
distortion or damage.
Oil Pressure at 5500 RPM (Engine Hot):
Standard: 20 PSI
Minimum: 12 PSI

3.12
ENGINE
EH50PL Oil Flow Diagram
EH50PL Oil Flow Chart
Vent Hose
Oil Tank
Oil Filter
Oil feed to filter
From filter to
One way valve
crankshaft
Top fitting is oil
feed or intake
from bottom of tank
Bottom fitting is oil
exhaust or return
to tank
Internal passage to
camshaft (front left
head bolt)
Oil Tank Oil Hose Crankcase
Oil Gallery
Crankcase
Oil Gallery
Oil Pump
(Scavenging)
Oil Hose
Oil Strainer
Crankcase
Oil Gallery
Oil Pump
(Feed)
One Way Valve
Bypass Oil Filter
Delivery Pipe
Crankshaft
Prevents oil from
draining into
crankcase with
engine off
Top of Oil Tank
Delivery Pipe
Delivery Pipe
Crank Pin
Large End
Bearing
Cylinder Sleeve
Small End
Bearing
Crankcase
(PTO)
Main Bearing
Cam Shaft
Journal
Cam Lobe
Cam Shaft
Journal
Chain Room Sprocket
Chain
Metal
Union Fitting (Lower)
Union Fitting
(Upper)
Through Cylinder
Stud Front Left
Oil
Jet
Indirect
Lubrication
Screen Fitting
(Bottom of Tank)
Rocker Arm
Rocker Shaft

3.13
ENGINE
3
EH50PL Engine Exploded Views
Crankshaft
Cylinder/
and Piston
Cylinder Head
Crankcase
Valvetrain

3.14
ENGINE
ENGINE DISASSEMBLY
Cam Chain Tensioner/ROCKER ARM/
CAMSHAFT Removal
1. Remove ignition timing inspection plug from recoil
housing.
To position crankshaft at Top Dead Center (TDC) on
compression stroke:
2. Rotate engine slowly in the direction of rotation watching
intake valves open and start to close.
3. Continue to rotate engine slowly, watching camshaft
sprocket marks and the mark in the timing inspection hole.
4. Align single (TDC) mark on flywheel with projection in
inspection hole, and the cam sprocket pin (facing upward)
aligned with the camshaft to crankshaft center line.
NOTE: The cam lobe should be pointing down and
valves should have clearance at this point.
5. Remove cam chain tensioner plug, sealing washer, and
spring.
6. Remove the two 6x25 mm cam chain tensioner flange
bolts.
7. Tap lightly on tensioner body with a soft face hammer to
loosen and remove tensioner.
Cam Chain Tensioner Inspection
1. Pull cam chain tensioner plunger outward to the end of its
travel. Inspect teeth on ratchet pawl (A) and plunger teeth
(B) for wear or damage.
Advance Marks
Rotation
TDC “T” Mark
CAUTION
The plug is under spring tension. Maintain inward
pressure while removing.
AB

3.15
ENGINE
3
2. Push ratchet pawl and hold it. The plunger should move
smoothly in and out of the tensioner body.
3. Release ratchet pawl and push inward on plunger. It should
remain locked in position and not move inward.
4. Measure free length of tensioner spring. Replace spring if
excessively worn. Compare to specifications.
5. Replace entire tensioner assembly if any part is worn or
damaged.
Rocker Arm/Shaft Inspection
1. Mark or tag rocker arms to keep them in order for
assembly.
2. Inspect each rocker arm cam follower surface. If there is
any damage or uneven wear, replace the rocker arm.
NOTE: Always inspect camshaft lobe if rocker arms are
worn or damaged.
3. Measure O.D. of rocker shaft. Inspect it for wear or damage.
Compare to specifications.
Tensioner Spring Free Length:
2.02” (5.13 cm)
Limit 1.92 (4.88cm) Rocker Shaft O.D.:
.8656 - .8661 (21.987-22.0 mm)
Rocker Arm & Support I.D.:
.8669 - .8678 (22.020-22.041 mm)

3.16
ENGINE
4. Measure I.D. of each rocker arm and compare to
specifications.
5. Measure I.D. of both rocker arm shaft supports and visually
inspect surface. Compare to specifications.
6. Subtract rocker shaft O.D. from rocker arm & shaft support
I.D. This is the oil clearance. Compare to specifications.
7. Inspect rocker adjuster screws for wear, pitting, or damage
to threads of the adjuster or locknut. Replace all worn or
damaged parts. NOTE: The end of the adjuster screw is
hardened and cannot be ground or re-faced.
Camshaft Removal
1. Remove thermostat housing.
2. Remove camshaft sprocket inspection cover.
3. Loosen three camshaft sprocket bolts.
4. Remove camshaft end cap and O-Ring.
5. Inspect camshaft end cap (thrust face) for wear. Replace if
worn or damaged.
6. Place a clean shop towel in the area below cam chain
sprocket and remove sprocket retaining bolts.
7. Slide camshaft inward to allow removal of cam sprocket
and remove sprocket from camshaft and chain.
Rocker Shaft Oil Clearance:
Std: .0008 - .0021 (.020-.054 mm)
Limit: .0039” (.10 mm)

3.17
ENGINE
3
8. Secure cam chain with a wire to prevent it from falling into
the crankcase.
9. Inspect cam sprocket teeth for wear or damage. Replace if
necessary.
10. Slide camshaft out the PTO side of the cylinder head.
Automatic Compression Release Removal/
Inspection
NOTE: The automatic compression release mechanism can
be inspected and serviced without removing the camshaft from
the cylinder head. The actuator ball (C) in the camshaft is not
replaceable. Replace the camshaft as an assembly if the
actuator ball is worn or damaged.
1. Check release lever shaft (A) for smooth operation
throughout the entire range of rotation. The spring (B)
should hold the shaft weight against the stop pin. In this
position, the actuator ball (C) will be held outward in the
compression release mode.
2. Remove release lever shaft and return spring.
3. Inspect shaft for wear or galling.
4. Inspect lobe on end of release lever shaft and actuator ball
for wear and replace if necessary.
Sprocket Teeth
Inspect for Areas of Tooth
Wear or Damage
Decompressor Shaft
Decompressor Ball
Retainer Sleeve
A
C
B

3.18
ENGINE
Automatic Compression Release Installation
1. Slide spring onto shaft.
2. Apply engine oil to release lever shaft.
The actuator ball must be held outward to allow installation
of the release lever shaft.
If Camshaft Is Removed From Engine:
3. Turn the camshaft until the actuator ball is in the lowest
position and install the release lever shaft.
If Camshaft Is Installed In The Engine:
4. Use a small magnet to draw the actuator ball outward, or
rotate the engine until the cam lobes face upward and install
release lever shaft.
5. Position camshaft as shown at bottom of illustration at
right.
6. Place arm of spring under stop pin as shown and push
release lever inward until fully seated. Do not pre-wind the
spring one full turn or the compression release will not
disengage when the engine starts. Check operation of
mechanism as outlined in Step 1 of Removal (above).
NOTE: When shaft is properly installed, actuator ball will
be held in the “out” position. It is important to note that
spring pressure is very light.
Camshaft Inspection
1. Visually inspect each cam lobe for wear, chafing or
damage.
2. Thoroughly clean the cam shaft, making sure the oil feed
holes are not obstructed.
Stop Pin
Spring in relaxed position
Cam Lobe Height (Intake & Exhaust)
Std: 1.2884-102924” (32.726-32.826 mm)
Limit: 1.2766” (32.426 mm)
Lubrication holes
Lobe Height

3.19
ENGINE
3
3. Measure height of each cam lobe using a micrometer.
Compare to specifications.
4. Measure camshaft journal outside diameter (O.D.)
5. Measure ID of camshaft journal bore.
Calculate oil clearance by subtracting journal OD from
journal bore ID. Compare to specifications.
NOTE: Replace camshaft if damaged or if any part is
worn past the service limit.
NOTE: Replace cylinder head if camshaft journal bore is
damaged or worn excessively.
Cylinder Head Removal
1. Remove the two 6mm flange bolts (A) from cylinder head.
See next exploded view on next page.
2. Loosen each of the four cylinder head bolts (B) evenly 1/8
turn each time in a criss-cross pattern until loose.
3. Remove bolts (B) and tap cylinder head lightly with a
plastic hammer until loose. CAUTION: Tap only in
reinforced areas or on thick parts of cylinder head casting
to avoid damaging the thread.
4. Remove cylinder head and head gasket.
Camshaft Journal O.D.:
Mag & PTO End: 1.4935-1.4941”
(37.935- 37.950 mm)
Camshaft Journal I.D.:
Mag & PTO End: 1.4963-1.4970”
(38.005- 38.025 mm)
Camshaft Oil Clearance:
Std: .0022-.0035” (.055-.090 mm)
Limit: .0039” (.10 mm)
Journal
Journal O.D
B

3.20
ENGINE
Cylinder Head Exploded View, EH50PL
EH50PL
A

3.21
ENGINE
3
Cylinder Head Inspection
1. Thoroughly clean cylinder head (A) surface to remove all
traces of gasket material and carbon.
Cylinder Head Warp
1. Lay a straight edge across the surface of the cylinder head
at several different points and measure warpage by
inserting a feeler gauge between the straight edge and the
cylinder head surface. If warpage exceeds the service limit,
replace the cylinder head.
Cylinder Head Disassembly
NOTE: Keep all parts in order with respect to their
location in the cylinder head.
1. Using a valve spring compressor (A), compress the valve
springs and remove the split keeper. NOTE: To prevent
loss of tension, do not compress the valve spring more than
necessary.
2. Remove spring retainer and spring.
NOTE: The valve springs should be positioned with the
tightly wound coils against the cylinder head on
progressively wound springs (A).
3. Push valve out, keeping it in order for reassembly in the
same guide.
CAUTION
Use care not to damage sealing surface.
Cylinder Head Warp Limit:
.002” (.05 mm)
(A)
WARNING
Wear eye protection or a face shield during cylinder
head disassembly and reassembly.
A
A

3.22
ENGINE
4. Measure free length of spring with a Vernier caliper. Check
spring for squareness. Compare to specifications. Replace
spring if either measurement is out of specification
5. Remove valve seals. CAUTION: Replace seals whenever
the cylinder head is disassembled. Hardened, cracked or
worn valve seals will cause excessive oil consumption and
carbon buildup.
Valve Inspection
1. Remove all carbon from valve with a soft wire wheel.
2. Check valve face for runout, pitting, and burnt spots. To
check for bent valve stems, mount valve in a drill or use “V”
blocks and use a dial indicator.
3. Check end of valve stem for flaring, pitting, wear or damage
(A).
4. Inspect split keeper groove for wear or flaring of the keeper
seat area (B). NOTE: The valves cannot be re-faced or end
ground. Valves must be replaced if worn, bent, or damaged.
5. Measure diameter of valve stem with a micrometer in three
places and in two different directions (six measurements
total). Compare to specifications.
6. Measure valve guide inside diameter at the top middle and
end of the guide using a small hole gauge and a micrometer.
Measure in two directions, front to back and side to side.
7. Subtract valve stem measurement to obtain stem to guide
clearance.
NOTE: Be sure to measure each guide and valve
combination individually
8. Replace valve and/or guide if clearance is
excessive.Compare to specifications.
NOTE: If valve guides are replaced, valve seats must be
reconditioned. Refer to Valve Seat Reconditioning for
procedure.
A
B
Valve Stem Diameter:
Intake: .2343-.2348” (5.950-5.965 mm)
Exhaust: .2341-.2346” (5.945-5.960 mm)
Valve Guide I.D.:
.2362-.2367” (6.0-6.012 mm)
Measure valve stem in several places

3.23
ENGINE
3
Combustion Chamber
Clean all accumulated carbon deposits from combustion
chamber and valve seat area with a soft wire brush.
Valve Seat ReconditionING
Valve Seat Inspection
Inspect valve seat in cylinder head for pitting, burnt spots,
roughness, and uneven surface. If any of the above
conditions exist, the valve seat must be reconditioned. If
the valve seat is cracked the cylinder head must be
replaced.
Cylinder Head Reconditioning
NOTE: Servicing the valve guides and valve seats
requires special tools and a thorough knowledge of
reconditioning techniques. Follow the instructions
provided in the cylinder head service tool kit.
Valve Guide Removal/Installation
1. Remove all carbon deposits from the combustion chamber,
valve seat and valve guide area before attempting to
remove valve guides.
2. Place new valve guides in a freezer for at least 15 minutes
while heating cylinder head.
3. Heat cylinder head in an oven or use a hot plate to bring
cylinder head temperature to 212o F (100o C).
Follow the manufacturers instructions provided with the
valve seat cutters in the Valve Seat Reconditioning Kit (PN
2200634). Abrasive stone seat reconditioning equipment
can also be used. Keep all valves in order with their
respective seat.
NOTE: Valve seat width and point of contact on the
valve face is very important for proper sealing. The valve
must contact the valve seat over the entire
circumference of the seat, and the seat must be the
proper width all the way around. If the seat is uneven,
compression leakage will result. If the seat is too wide,
seat pressure is reduced, causing carbon accumulation
and possible compression loss. If the seat is too narrow,
heat transfer from valve to seat is reduced and the valve
may overheat and warp, resulting in burnt valves.
1. When thoroughly heated, place cylinder head on blocks of
wood which will allow the old guides to be removed.
2. Using valve guide driver, drive guides out of the cylinder
head from the combustion chamber side. Be careful not to
damage guide bore or valve seat when removing guides.
CAUTION
Wear eye protection when performing cylinder head
service. Valve guide replacement will require heating of
the cylinder head. Wear gloves to prevent burns.
CAUTION
Carbon deposits are extremely abrasive and may
damage the valve guide bore when guides are removed.
CAUTION
Do not use a torch to heat cylinder head or warpage may
result from uneven heating. Head temperature can be
checked with a pyrometer or a welding temperature
stick. Wear the appropriate safety equipment for
working with heated metal.
Too Uneven Good Too
Wide Narrow

3.24
ENGINE
3. Place cylinder head on cylinder head table. NOTE: Be sure
cylinder head is still at 212o F (100o C) before installing
new guides.
4. Place a new guide in the valve guide installation tool and
press guide in to proper depth. Check height of each guide
above the cylinder head (A). NOTE: The guide can also be
driven in to the proper depth. Inspect the guide closely for
cracks or damage if a driver is used.
Reaming The Valve Guide
5. Allow cylinder head to cool to room temperature. Apply
cutting oil to the reamer. Guides should be reamed from the
valve spring side of the cylinder head. Ream each guide to
size by turning the reamer clockwise continually. Continue
to rotate reamer clockwise during removal of the tool.
6. Clean guides thoroughly with hot soapy water and a nylon
brush. Rinse and dry with compressed air. Apply clean
engine oil to guides.
7. Install pilot into valve guide.
8. Apply cutting oil to valve seat and cutter.
9. Place 46o cutter on the pilot and make a light cut.
10. Inspect the cut area of the seat.
• If the contact area is less than 75% of the
circumference of the seat, rotate the pilot 180o and
make another light cut.
• If the cutter now contacts the uncut portion of the
seat, check the pilot. Look for burrs, nicks, or
runout. If the pilot is bent it must be replaced.
• If the contact area of the cutter is in the same
place, the valve guide is distorted from improper
installation and must be replaced. Be sure the
cylinder head is at the proper temperature and
replace the guide.
• If the contact area of the initial cut is greater than
75%, continue to cut the seat until all pits are
removed and a new seat surface is evident.
NOTE: Remove only the amount of material
necessary to repair the seat surface.
11. To check the contact area of the seat on the valve face, apply
a thin coating of Prussian Blue™ paste to the valve seat. If
using an interference angle (46o) apply black permanent
marker to the entire valve face (A).
12. Insert valve into guide and tap valve lightly into place a few
times.
Valve Guide Height:
.689-.709” (17.5-18.0 mm)
Valve Guide Installed Height
(A)

3.25
ENGINE
3
13. Remove valve and check where the Prussian Blue™
indicates seat contact on the valve face. The valve seat
should contact the middle of the valve face or slightly
above, and must be the proper width.
• If the indicated seat contact is at the top edge of
the valve face and contacts the margin area(B) it is
too high on the valve face. Use the 30o cutter to
lower the valve seat.
• If too low use the 60o or 75o cutter to raise the
seat. When contact area is centered on the valve
face, measure seat width.
• If the seat is too wide or uneven, use both top and
bottom cutters to narrow the seat.
• If the seat is too narrow, widen using the 45o cutter
and re-check contact point on the valve face and
seat width after each cut.
NOTE: When using an interference angle, the seat
contact point on the valve will be very narrow, and is a
normal condition. Look for an even and continuous
contact point on the black marker, all the way around the
valve face.
14. Clean all filings from the area with hot soapy water, rinse,
and dry with compressed air.
15. Lubricate the valve guides with clean engine oil, and apply
oil or water based lapping compound to the face of the
valve. Lapping is not required with an interference angle.
16. Insert the valve into its respective guide and lap using a
lapping tool or a section of fuel line connected to the valve
stem.
17. Rotate the valve rapidly back and forth until the cut sounds
smooth. Lift the valve slightly off of the seat, rotate 1/4 turn,
and repeat the lapping process. Do this four to five times
until the valve is fully seated, and repeat process for the
other valve(s).
18. Clean cylinder head, valves, and camshaft oil supply
passage (A) thoroughly.
19. If oil passage blind plug was removed, apply Crankcase
Sealant (PN 2871557) or equivalent sealer to the threads
and install, torquing to 8 ft. lbs. (11 Nm).
20. Spray electrical contact cleaner into oil passage and dry
using compressed air.
Valve Seat Width:
Intake Std: .028” (.7 mm)
Limit: .055” (1.4 mm)
Exhaust Std: .039” (1.0 mm)
Limit: .071” (1.8 mm)
Seat
Width
Bottom - 60o or 75o Seat - 45o or 46o
Top - 30oCAUTION
Do not allow sealant to enter oil passage.
A

3.26
ENGINE
Cylinder Head Assembly
NOTE: Assemble the valves one at a time to maintain
proper order.
1. Install new valve seals on valve guides.
2. Apply engine oil to valve guides and seats.
3. Coat valve stem with molybdenum disulfide grease.
4. Install valve carefully with a rotating motion to avoid
damaging valve seal.
5. Dip valve spring and retainer in clean engine oil and install
spring with closely spaced coils toward the cylinder head.
6. Place retainer on springs and install valve spring
compressor. Compress spring only enough to allow split
keeper installation and prevent loss of spring tension.
Install split keepers with the gap even on both sides.
7. Repeat procedure for remaining valve.
8. When all valves are installed, tap lightly with soft faced
hammer on the end of the valves to seat the split keepers.
Valve Sealing Test
1. Clean and dry the combustion chamber area.
2. Pour a small amount of clean, high flash point solvent into
the intake port and check for leakage around each intake
valve. The valve seats should hold fluid with no seepage.
3. Repeat for exhaust valves by pouring fluid into exhaust
port.
Valve Clearance Adjustment
NOTE: The valves share a common rocker arm, and
must be adjusted using two feeler gauges.
1. Insert .006 feeler gauge(s) between end of exhaust valve
stem and adjuster screw(s).
2. Loosen locknut(s) and turn adjuster screw(s) until there is
a slight drag on feeler gauge(s). The Valve/Clutch Adjuster
Tool (PA-44689) can be used to adjust the 500 engines
valves.
NOTE: Both feeler gauges should remain inserted
during adjustment of each valve
3. When clearance is correct, hold adjuster screw and tighten
locknut securely
4. Re-check the valve clearance.
5. Repeat adjustment procedure if necessary until clearance is
correct with locknut secured.
CAUTION
Wear eye protection during assembly.
VALVE CLEARANCE
.006” (.15 mm)
Feeler gauge for both valves

3.27
ENGINE
3
Cylinder/Piston Removal and Inspection
NOTE: Follow engine disassembly procedures to
remove valve cover, camshaft and rocker arms, and
cylinder head.
1. Remove cam chain guide at front of cylinder.
2. Loosen all four oil pipe banjo bolts and then remove the
bolts and eight sealing washers. Remove the pipes.
3. Loosen hose clamps and remove coolant inlet hose.
4. Remove the two 6 mm cylinder base bolts.
5. Loosen each of the four large cylinder base bolts 1/4 turn
at a time in a criss-cross pattern until loose and remove
bolts.
NOTE: The bolts are inside the water jacket.
6. Tap cylinder lightly with a plastic hammer in the reinforced
areas only until loose.
7. Rock cylinder forward and backward and lift it from the
crankcase, supporting piston and connecting rod. Support
piston with Piston Support Block (PN 2870390).
8. Remove dowel pins from crankcase.

3.28
ENGINE
Piston Removal
1. Remove circlip. Note piston directional arrow pointing
toward the right (Mag) side of engine.
1. Remove piston circlip and push piston pin out of piston. If
necessary, heat the crown of the piston slightly with a
propane torch.
2. Remove top compression ring.
*Using a piston ring pliers: Carefully expand ring and lift it off
the piston.
*By hand: Placing both thumbs as shown, spread the ring open
and push up on the opposite side. Do not scratch the ring lands.
3. Repeat procedure for second ring.
The oil control ring is a three piece design consisting of a top and
bottom steel rail and a center expander section. The top rail has
a locating tab on the end which fits into a notch (A) in the upper
oil ring land of the piston.
4. Remove the top rail first followed by the bottom rail.
5. Remove the expander.
Cylinder Inspection
1. Remove all gasket material from the cylinder sealing
surfaces.
2. Inspect the top of the cylinder for warpage using a straight
edge and feeler gauge.
CAUTION
Do not apply heat to the piston rings. The ring may
lose radial tension
CAUTION
Do not expand the ring more than necessary to
remove it from the piston or the ring may break
Cylinder Warp Limit:
.002” (.05 mm)
A

3.29
ENGINE
3
3. Inspect cylinder for wear, scratches, or damage.
4. Inspect cylinder for taper and out of round with a
telescoping gauge or a dial bore gauge. Measure in two
different directions, front to back and side to side, on three
different levels (1/2” down from top, in the middle, and 1/
2” up from bottom).
5. Record measurements. If cylinder is tapered or out of round
beyond .002, the cylinder must be re-bored oversize or
replaced.
Piston-to-Cylinder Clearance
1. Measure piston outside diameter at a point 40 mm down
from the top of the piston at a right angle to the direction
of the piston pin.
2. Subtract this measurement from the maximum cylinder
measurement obtained in Step 5 above.
Piston/Rod Inspection
1. Measure piston pin bore.
Cylinder Taper
Limit: .002 Max.
Cylinder Out of Round
Limit: .002 Max.
Standard Bore Size:
3.6221-3.6228” (92.00 - 92.012 mm)
1/2” Down From Top of Cylinder
1/2” Up From Bottom
X
X
X
Y
Y
Y
Piston Pin
Piston
40 mm
Piston to Cylinder Clearance
Std: .0006- .0018” (.015- .045 mm)
Piston O.D.:
Std: 3.6204- 3.6215” (91.970-91.985 mm)
Piston Pin Bore:
.9055-.9057” (23.0-23.006 mm)
Piston Pin O.D.
.9053-.9055” (22.994-23.0 mm)
Piston Pin Bore
Piston Pin Measurement Locations

3.30
ENGINE
2. Measure piston pin O.D. Replace piston and/or piston pin
if out of tolerance.
3. Measure connecting rod small end ID.
4. Measure piston ring to groove clearance by placing the ring
in the ring land and measuring with a thickness gauge.
Replace piston and rings if ring-to-groove clearance
exceeds service limits
Piston Ring Installed Gap
1. Place each piston ring inside cylinder using piston to push
ring squarely into place as shown at right.
2. Measure installed gap with a feeler gauge at both the top
and bottom of the cylinder.
NOTE: A difference in end gap indicates cylinder taper.
The cylinder should be measured for excessive taper
and out of round
3. If the bottom installed gap measurement exceeds the
service limit, replace the rings. If ring gap is below
specified limit, file ring ends until gap is within specified
range.
NOTE: Always check piston ring installed gap after re-
boring a cylinder or when installing new rings. A re-bored
cylinder should always be scrubbed thoroughly with hot
soapy water, rinsed, and dried completely. Wipe cylinder
bore with an oil rag immediately to remove residue and
prevent rust.
Crankcase Disassembly
NOTE: The recoil starter, starter motor, starter drive, flywheel,
stator, cam chain and sprockets can be serviced with the engine
in the frame.
Piston Ring-to-Groove Clearance
Top Ring Std: .0016-.0031” (.040-.080 mm)
Limit: .0059” (15 mm)
Second Ring Std: .0012-.0028” (.030-.070 mm)
Limit: .0059” (15 mm)
Piston
Ring
Feeler Gauge
Piston Ring Installed Gap
Top Ring
Std: .0079- .0138” (.20- .36 mm)
Limit: .039” (1.0 mm)
Second Ring
Std: .0079- .0138” (.20- .36 mm)
Limit: .039” (1.0 mm)
Oil Ring
Std: .0079- .0276” (.20- .70 mm)
Limit: .059” (1.5 mm)
Feeler Gauge
Cylinder
Piston Ring
25-50 mm

3.31
ENGINE
3
Starter Drive Removal/Inspection
1. Remove recoil housing bolts and remove housing.
2. Remove starter drive assembly. Note the thrust washer
located at the rear of the drive mechanism.
3. Inspect the thrust washer for wear or damage and replace
if necessary.
4. Measure the OD of the starter drive shaft on both ends and
record.
5. Measure the ID of the bushing in the recoil housing (A) and
in the crankcase and record. Measure in two directions 90o
apart to determine if bushing is out of round. Calculate
bushing clearance. Replace bushing if clearance exceeds
the service limit.
6. Inspect gear teeth on starter drive. Replace starter drive if
gear teeth are cracked, worn, or broken.
Flywheel/Stator Removal/Inspection
1. Remove flywheel nut and washer.
2. Install Flywheel Puller (PN 2871043) and remove
flywheel.
3. Mark or note position of stator plate on crankcase.
4. Remove bolts and carefully remove stator assembly, being
careful not to damage crankshaft bushing on stator plate.
5. Replace crankshaft seal (A).
6. Remove oil passage O-Ring (B).
Std. Bushing ID:
.4735”-.4740” (11.11-12.04 mm)
Std. Shaft OD:
.470”-.472” (11.93-11.99 mm)
Starter Drive Bushing Clearance:
Std: .0015-.004” (.038-.102 mm)
Service Limit:
.008” (.203 mm)
A
CAUTION
Do not thread the puller bolts into the flywheel more
than 1/4" or stator coils may be damaged
A
B

3.32
ENGINE
7. Remove large sealing O-Ring from outer edge of stator
plate.
Cam Chain/Tensioner Blade
1. Remove bolt securing tensioner blade to crankcase (A).
2. Remove blade and inspect for cracks, wear, or damage.
3. Remove cam chain (B). Inspect chain for worn or missing
rollers or damage. Stretch chain tight on a flat surface and
apply a 10 lb. (4.53 kg) load. Measure length of a 20 pitch
section of chain. Replace if worn past service limit.
4. Using the special socket, remove the crankshaft slotted nut.
NOTE: The crankshaft slotted nut is a left-hand thread.
5. Remove cam chain drive sprocket and woodruff key from
crankshaft.
6. Inspect sprocket teeth for wear or damage.
7. Inspect woodruff key for wear.
8. Replace any worn or damaged parts.
One Way Valve Removal
The one way valve prevents oil from draining out of the oil
tank and into the crankcase when the engine is off. It must
be clean and have adequate spring pressure in order to
seal properly.
1. Remove cap bolt (A), sealing washer (B), spring (C), and
one way valve (D) from PTO side crankcase.
2. Inspect free length of spring and check coils for distortion.
3. Inspect valve for wear.
4. Check seat area for nicks or foreign material that may
prevent proper sealing of valve.
A
B
20 Pitch Section
Chain Service Limit: 5.407” (13.7 cm)
One Way Valve Spring Free Length:
Std: 1.450” (3.68 cm)
DCBA

3.33
ENGINE
3
Crankcase Separation
1. Remove flange bolts (10) from magneto side crankcase
evenly in a criss-cross pattern.
2. Separate crankcase by tapping with a soft faced hammer in
reinforced areas.
3. Tap lightly on balancer gear with a brass drift through the
hole in the crankcase if necessary, to ensure the balancer
shaft stays in the PTO side crankcase. Watch the gap along
the crankcase mating surface and separate the crankcase
evenly. It may also be necessary to tap the oil pump shaft
lightly to separate the crankcase.
4. Remove the Mag (RH) crankcase from the PTO case.
Oil Pump Removal/Inspection
1. Remove pump shaft bearing (A) and thrust washer (B)
from pump shaft.
2. Remove (2) bolts holding pump drive gear (C).
3. Inspect drive gear teeth for cracks, damage or excessive
wear.
4. Remove three oil pump retaining bolts and pump.
5. Inspect mating surface of crankcase and oil pump. Check
for nicks, burrs, or surface irregularities.
6. Remove the three screws and strainer screen from pump.
7. Clean screen thoroughly.
8. Remove pump body screw and feed chamber cover.
CAUTION
Do not strike the oil pump shaft at an angle or the
shaft may bend, causing irreparable damage. Tap
only lightly on the pump shaft if necessary.
CBA

3.34
ENGINE
9. Measure pump end clearance using a feeler gauge and
straight edge.
10. Measure clearance between outer feed rotor and pump body
with a feeler gauge.
11. Measure rotor tip clearance with a feeler gauge.
12. Remove inner and outer feed rotor and pump chamber
body.
13. Repeat measurements for scavenge rotor.
14. Remove inner and outer scavenge rotor and inspect pump
shaft for wear.
Oil Pump Assembly
1. Clean and dry all parts thoroughly. Apply clean engine oil
to all parts. Do not use gasket sealer on the pump body
mating surfaces or oil passages will become plugged.
2. Install pump shaft and scavenge rotor drive pin.
3. Install outer scavenge rotor, inner scavenge rotor, and
scavenge casing.
4. Install outer feed rotor and inner feed rotor drive pin.
5. Install inner feed rotor and feed chamber cover with screw.
6. Tighten screw securely.
7. Install screen on pump body.
8. Install oil pump on crankcase and torque bolts to 6 ft. lbs.
(8 Nm).
Counter Balancer Shaft Removal/Inspection
1. Remove the shim washer (A) from the counter balancer
shaft.
2. Note the alignment dots on the balancer and crankshaft
gears, the marks must be aligned during reassembly.
Pump End Clearance:
Std: .001 -.003 (.0254-.0762 mm)
Wear Limit: .004 (.1016 mm)
Rotor Tip Clearance:
Std: .005 (.127 mm)
Wear Limit: .008 (.2032 mm)
Oil Pump Attaching Bolt Torque:
6 ft. lbs. (8 Nm)
A

3.35
ENGINE
3
3. Turn the shaft until balancer counter weights clear the
crankshaft and remove the balancer shaft from the
crankcase.
4. Inspect the balancer drive gear and pump shaft drive gear.
5. Replace the shaft if gear teeth are abnormally worn or
damaged.
6. Inspect the balancer shaft bearings.
NOTE: Due to extremely close tolerances and minimal
wear, the balancer shaft ball bearings must be inspected
visually and by feel. Look for signs of discoloration,
scoring or galling. Turn the inner race of each bearing.
The bearings should turn smoothly and quietly. The outer
race of each bearing should fit tightly in the crankcase.
The inner race should be firm with minimal side to side
movement and no detectable up and down movement.
Crankshaft Removal/Inspection
7. Remove the shim washer (A) from the crankshaft.
8. Support the PTO side crankcase and crankshaft; press the
crankshaft out. Be careful not to damage the crankcase
mating surface or connecting rod.
9. Use a feeler gauge to measure the connecting rod big end
side clearance.
10. Place the crankshaft in a truing stand or V-blocks and
measure the runout on both ends with a dial indicator.
11. Measure the connecting rod big end radial clearance.
12. Inspect the crankshaft main bearing journals for scoring
and abnormal wear.
A
Connecting Rod Big End Side Clearance:
Std: .0039-.0256” (.1-.65 mm)
Limit: .0315” (.80 mm)
Max Runout: .0024” (.06 mm)
Big End Radial Clearance:
Std: .0004-.0015” (.011-.038 mm)
Limit: .0020” (.05 mm)

3.36
ENGINE
Crankcase Bearing Inspection
1. Remove the seal from the PTO side crankcase.
2. Inspect the crankshaft main bearings, balancer shaft
bearings, and pump shaft bearing.
NOTE: Due to extremely close tolerances and minimal
wear, the bearings must be inspected visually, and by
feel. Look for signs of discoloration, scoring or galling.
Turn the inner race of each bearing. The bearings should
turn smoothly and quietly. The outer race of each bearing
should fit tightly in the crankcase. The inner race should
be firm with minimal side to side movement and no
detectable up and down movement.
3. Support the crankcase and drive or press the main bearings
out of each crankcase.
4. To remove balancer shaft bearings and pump shaft bearing
use a blind hole bearing puller.
NOTE: Bearings are stressed during the removal
process and should not be re-used!
Pump Shaft Oil Seal/Water Pump Mechanical
Seal Removal (Engine Disassembled)
NOTE: The water pump mechanical seal can be
removed without removing the engine. Refer to Water
Pump Mechanical Seal Installation.
Replace the pump shaft seal and water pump mechanical
seal whenever the crankcase is disassembled.
1. Remove the pump shaft bearing from the Magneto (right
hand) side crankcase.
2. Pry out the oil seal, noting the direction of installation with
the spring side facing IN (toward inside of case).
3. Drive the water pump mechanical seal out of the crankcase
from inside to outside. Note: The new mechanical seal must
be installed after the crankcases are assembled, using a
special tool. See Mechanical Seal Installation.
Crankcase Inspection
1. Remove all traces of gasket sealer from the crankcase
mating surfaces. Inspect the surfaces closely for nicks,
burrs or damage.
2. Check the oil pump and oil passage mating surfaces to be
sure they are clean and not damaged.

3.37
ENGINE
3
Bearing Installation
NOTE: To ease bearing installation, warm the
crankcase until hot to the touch. Place the bearings in a
freezer.
1. Install the bearings so the numbers are visible.
2. Drive or press new bearings into the crankcases, using the
proper driver.
• 70 mm (2.755") driver- For crankshaft main
bearings.
• 46 mm (1.810") For counter balancer bearings.
• 28 mm (1.100") For pump shaft bearing.
End Play Inspection/Adjustment
Before reassembling the crankcase,the following steps should
be performed to determine the amount of crankshaft, counter
balancer shaft, and pump shaft end play. Excessive end play may
cause engine noise at idle and slow speeds. Too little play will
side load the bearings which may lead to premature bearing
failure.
Crankshaft End Play Adjustment
3. Make sure all bearings are firmly seated in the both Mag
and PTO crankcase.
4. Measure the distance from the PTO crankcase mating
surface to the main bearing using a dial caliper and a
straight edge.
5. Subtract the thickness of the straightedge from the
measurement obtained in Step 2 and record.
PTO Case Depth_________________________
CAUTION
Press only on outer race of bearing
to prevent bearing damage

3.38
ENGINE
6. Measure the distance from the Magneto crankcase mating
surface to the main bearing using the same method and
record.
7. Subtract the thickness of the straightedge from the
measurement obtained in Step 4 and record.
Mag Case Depth_______________
8. Add the readings recorded in Step 3 and Step 5 and record
below.
Total Case Width_________________
9. Measure the width of the crankshaft at the bearing seats
with a micrometer or dial caliper and record.
Crankshaft Width____________
10. Subtract the Crankshaft Width measured in Step 7 from the
Total Case Width recorded in Step 6, and record below.
Total End Play_____________
11. Subtract the thickness of the existing shim from the result
of Step 8 to determine if a different shim is required. The
result must be within the specified range listed.
Counter Balancer Shaft End Play
Adjustment.
12. Make sure all bearings are firmly seated in the crankcase.
13. Measure the width of the counter balancer shaft at the
bearing seats with a dial caliper or micrometer, and record
reading.
Crankshaft End Play: .008-.016” (.02-.04 cm)

3.39
ENGINE
3
14. Measure the distance from the Mag crankcase mating
surface to the balance shaft bearing using a dial caliper and
a straight edge. Subtract the thickness of the straightedge
and record.
15. Measure the distance from the PTO crankcase mating
surface to the bearing using the same method outlined in
Step 1, 2, and-3.
16. Add the readings obtained in Step 3 and Step 4.
17. Subtract the counter balancer shaft width measured in Step
2 from the figure obtained in Step 5.
18. Subtract the thickness of the existing shim from the result
of Step 6 to determine if a different shim is needed. The
result must be within the specified range listed at below.
Oil Pump Shaft End Play Adjustment
1. Make sure the pump shaft bearing is firmly seated in the
Magneto side crankcase.
2. Measure the distance from the magneto crankcase mating
surface to the bearing using a dial caliper and a straight
edge. Subtract the thickness of the straightedge and record.
3. Install the gear on the oil pump and measure the width of
the pump and gear. Subtract this measurement from the
measurement recorded in Step 2.
4. Subtract the thickness of the existing shim from the result
of Step 3 to determine if a different shim is needed. See
Shaft End Play Spec.
Counter Balance Shaft End Play:
.008”-.016” (.02-.04 cm)
Oil Pump Shaft End Play:
.008”-.016” (.02-.04 cm)

3.40
ENGINE
ENGINE REASSEMBLY
Pump Shaft Oil Seal Installation
1. Install the seal from the outside of the crankcase (water
pump side) with the spring facing inward, toward the pump
shaft bearing.
2. Drive or press the seal into place using a 25 mm (.985") seal
driver, until flush with the outer edge of the seal bore.
3. Lubricate the seal lip with grease.
Crankshaft/Counter Balance/Oil Pump
Installation
Lubricate all bearings with clean engine oil before
assembly.
Use the Crankshaft/Water Pump Installation Kit (PN
2871283) to prevent damage to the crankshaft and main
bearings during installation.
1. Install the crankshaft into the PTO side crankcase. Screw
the threaded rod into the crankshaft until the threads are
engaged a minimum of one inch (25.4mm).
2. Install the collar, washer, and nut onto the threaded rod.
Hold the crankshaft and tighten the nut to draw the
crankshaft into the main bearings until fully seated. Loosen
the nut and remove the threaded rod from the crankshaft.
If removal is difficult, install two nuts on the end of the
threaded rod and tighten against each other.
3. Install the proper shim on the magneto end of the
crankshaft.
4. Place the balancer shaft in the PTO crankcase aligning the
timing marks on the crankshaft and balancer gears. Install
the proper shim washer on the shaft.
5. Inspect the oil pump sealing surface on the crankcase.
Apply a light film of engine oil to the surface and install the
oil pump.
NOTE: Do not use gasket sealer on the pump mating
surfaces.
NOTE: After engine is assembled and machine is
readied for field operation, oil pump MUST be primed.
Follow oil pump priming procedure.
6. Align the drive gear with the drive pin on the pump shaft
and install the gear. Be sure the gear is fully seated and
properly engaged.
7. Install the proper shim washer on the pump shaft.
Oil Pump Bolt Torque:
6 ft. lbs. (8 Nm)

3.41
ENGINE
3
Crankcase Assembly
1. Apply Crankcase Sealant (PN 2871557) to the crankcase
mating surfaces. Be sure the alignment pins are in place.
2. Set the crankcase in position carefully to avoid damaging
the pump shaft seal, and install the magneto end crankshaft
installation tool (follow instructions provided with the
Crankshaft/Water Pump Installation Kit (PN 2871283).
Draw the crankcase halves together by tightening the nut
on the tool and tapping lightly in the pump shaft area with
a soft faced hammer to maintain alignment. Continually
check alignment of the cases during installation, closing the
gap equally until the surfaces are tightly seated.
3. Remove the tool.
4. Install the crankcase flange bolts and tighten in 3 steps
following the pattern to specified torque.
Water Pump Mechanical Seal Installation
5. Clean the seal cavity to remove all traces of old sealer.
6. Place a new mechanical seal in the seal drive collar, and
install on the pump shaft.
7. Screw the guide onto the end of the pump shaft.
8. Install the washer and nut and tighten to draw seal into place
until fully seated.
9. Remove the guide adaptor using the additional nut as a jam
nut if necessary.
Water Pump Mechanical Seal Removal -
Engine Installed
This tool allows a technician to replace the mechanical
water pump seal on EH50PL engines without removing
the engine and splitting the cases.
1. After the coolant has been drained, remove the water pump
cover, impeller and the sealing washer. (Ill. 1).
Crankcase Bolt Torque:
14 ft. lbs. (19 Nm)
Crankcase Sealant:
(PN 2871557)
Water Pump Mechanical Seal
Puller: (PN 2872105)
Replacement T-Handle:
(PN 2872106)
CAUTION
Improper or careless use of this tool or procedure
can result in a bent water pump shaft.Pump shaft
replacement requires engine removal and
crankcase separation. Use caution while performing
this procedure. Make sure that the puller is parallel
to the shaft at all times. Do not place side loads on
the water pump shaft or strike the puller or shaft in
any way.
Sealing Washer
Sealing Washer
(Copper or Aluminium)
Coolant Drain
Bolt
Impeller
Mechanical Seal
III. 1
Oil
Seal

3.42
ENGINE
2. Slide the main puller body over the outer portion of the
mechanical seal as shown in Ill. 2 and turn T-Handle
clockwise until it contacts water pump shaft. Continue
rotating until outer portion of mechanical seal is separated
from the metal seal body.
3. Insert the puller legs between the water pump drive shaft
and the remaining portion of the mechanical seal. Attach
the puller legs to the main puller body. Ill. 3
4. Ensure that the split between the puller legs are fully
supported by the main body of the tool (Ill 4).
5. Tighten the hex socket screws on the puller legs sufficiently
so the lip of the puller legs will grasp the mechanical seal.
Ill. 5.
6. Turn the puller T-Handle clockwise until it contacts the
water pump shaft. Continue rotating until the remaining
portion of mechanical seal has been removed from the
cases. Ill. 6 Pump shaft oil seal can also be replaced at this
time if necessary.
7. The Water Pump Install Kit (PN 5131135) is required to
install the new mechanical seal. This tool is available
separately and it is also included in the Crankshaft/Water
Pump Seal Installation Kit (PN 2871283).
One Way Valve Installation
Install the one way valve plunger, spring, and plug using a
new sealing washer.
III. 2
Main Puller Body
T-Handle
III.3
Position the split
90o to opening
on main puller
body
Main puller
body
Hex Socket Screws
Puller Legs
Lip must grasp inside of
mechanical seal
III. 4
One Way Valve Plug Torque:
16 ft. lbs. (22 Nm)
III. 5
T-Handle
Main Puller Body

3.43
ENGINE
3
Cam Chain Drive Sprocket Installation
1. Install the Woodruff key, drive sprocket, and slotted nut.
Tighten the nut to the specified torque.
Tensioner Blade Installation
1. Install the tensioner blade and tighten the mounting bolt to
specified torque.
Piston Ring Installation
NOTE: Apply clean engine oil to all ring surfaces and
ring lands. Always check piston ring installed gap before
rings are installed on piston. If the piston has been in
service clean any accumulated carbon from the ring
grooves and oil control ring holes.
1. Place the oil control ring expander in oil ring groove with
the end gap facing forward. The expander has no up or
down marking and can be installed either way. The ends
should butt squarely together and must not overlap.
2. Install the oil ring top rail.
NOTE: The top rail has a locating tab to prevent
rotation. The tab must be positioned in the notch on the
side of the piston as shown (A).
3. Install the bottom rail with the gap at least 30o from the end
of the expander on the side opposite the top rail gap.(See
ILL. 1).
4. Install the second ring with the “R” mark facing up.
Position the end gap toward the rear (intake) side of the
piston.
5. Install the top ring (chrome faced) with the “R” mark facing
up and the end gap facing forward (toward the exhaust).
(See ILL. 1).
6. Check to make sure the rings rotate freely in the groove
when compressed.
Slotted Nut Torque:
35-51 ft. lbs. (47-69 Nm)
Tensioner Blade Mounting Bolt Torque:
6 ft. lbs. (8 Nm)
Tighten
A
B
Ring Profile
Top
Mark- up
Second
Mark- up
ILL. 1

3.44
ENGINE
Piston Installation
1. Clean the gasket surfaces on the cylinder and crankcase.
Remove all traces of old gasket material.
2. Make sure the cylinder mounting bolt holes are clean and
free of debris.
3. Install a new circlip on one side of the piston with the end
gap facing up or down, and tang outward.
4. Apply clean engine oil to the piston rings, ring lands, piston
pin bore, piston pin, and piston skirt. Lubricate the
connecting rod (both ends), balancer drive gear, and
crankshaft main bearing area.
5. Install the piston on the connecting rod with the arrow or :
mark facing the magneto (RH) end of the crankshaft. The
piston pin should be a push fit in the piston.
6. Install the other circlip with the gap facing up or down and
tang outward. (See Caution with Step 3 above). Push the
piston pin in both directions to make sure the clips are
properly seated in the groove.
Cylinder Installation
7. Place the dowel pins in the crankcase and install a new
cylinder base gasket.
8. Position the Piston Support Block (PN 2870390) (A)
beneath the piston skirt to support the piston during
cylinder installation.
9. Apply clean engine oil to a ring compressor and install the
compressor following manufacturers instructions.
CAUTION
Circlips become deformed during the removal process.
Do not re-use old circlips. Do not compress the new clip
more than necessary upon installation to prevent loss of
radial tension. Severe engine damage may result if
circlips are re-used or deformed during installation.
Tang Outward
or :
Mag
CAUTION
Make sure the oil control ring upper rail tab is
positioned properly in the notch of the piston. Verify
all ring end gaps are correctly located.
A

3.45
ENGINE
3
10. Apply clean engine oil liberally to the cylinder bore and
tapered area of the sleeve. Install the cylinder with a slight
rocking motion until the rings are captive in the sleeve.
11. Remove the ring compressor and support block.
12. Push the cylinder downward until fully seated on the base
gasket.
13. Apply a light film of oil to the threads and flange surface
of the cylinder mounting bolts.
14. Install all four bolts finger tight. Rotate the engine and
position the piston at BDC.
NOTE: If cam chain is installed, hold it up while rotating
the engine to avoid damage to the chain, drive sprocket
teeth, or tensioner blade.
15. Tighten the cylinder bolts in three steps in a criss cross
pattern and torque to specifications.
16. Install the two 6 mm bolts and torque to specifications.
Cylinder Head Installation
Clean the gasket surfaces on the cylinder head and
cylinder. Remove all traces of old gasket material.
Refer to disassembly photos.
1. Install the cam chain tensioner guide. Be sure bottom end
of guide is located properly in crankcase.
2. Install the two dowel pins and a new cylinder head gasket.
3. Place the cylinder head on the cylinder. Apply a film of
engine oil to the cylinder head bolt threads and washers, and
hand tighten the bolts.
The following procedure must be used to torque the
cylinder head properly:
Cam Chain/Camshaft Installation
Install the cam chain over the crankshaft.
Cylinder Bolt Torque:
10 mm - 46 ft. lbs. (62 Nm)
6 mm - 6 ft. lbs. (8 Nm)
Torque all bolts evenly in a criss- cross pattern
*Torque bolts to 22 ft. lbs. (30 Nm)
*Torque bolts to 51 ft. lbs. (70 Nm)
*Loosen bolts evenly 180o (1/2 turn)
*Loosen bolts again another 180o (1/2 turn)
*Torque bolts to 11 ft. lbs. (15 Nm)
*From this point, tighten bolts evenly 90o (1/4 turn)
*Finally, tighten another 90o (1/4 turn)
*Install two 6 mm bolts and torque to 6 ft. lbs. (8 Nm)
CAUTION
Serious engine damage may result if the camshaft
is not properly timed to the crankshaft.
Guide in
recess

3.46
ENGINE
IMPORTANT CAMSHAFT TIMING NOTE: In order to
time the camshaft to the crankshaft, the piston must be
precisely located at Top Dead Center (TDC).
Camshaft Timing
1. Apply Polaris Premium Starter Drive Grease (PN
2871460) to the camshaft main journals and cam lobes.
Lubricate automatic compression release mechanism with
clean engine oil.
2. Install the camshaft with the lobes facing downward and the
sprocket alignment pin facing upward.
3. Disconnect the wire from the cam chain and rotate the
engine to align the single (TDC ) timing mark (Top Dead
Center) on the flywheel with the notch in the timing
inspection window. Be sure to use the single TDC mark
when installing the cam. Do not use the advance marks. See
illustration.
4. Loop the cam chain on the cam sprocket with the dots on
the sprocket facing outward and the alignment pin notch
facing directly upward.
5. Before positioning the sprocket on the camshaft, check the
position of the cam sprocket alignment pin. When the cam
is positioned properly, the cam sprocket alignment pin (A)
is directly in line with the crankshaft/camshaft centerline
(B).
Single (TDC)
Mark Aligned
A
A
B

3.47
ENGINE
3
6. Install the sprocket on the camshaft. Apply Loctite™ 242
(PN 2871949) to the cam sprocket bolts and torque to
specification.
7. Verify TDC mark in timing inspection hole and alignment
pin is directly in line with crankshaft to camshaft centerline.
Refer to illustration.
8. Apply Crankcase Sealant (PN 2871557) to the camshaft
end cap and install using a new O-Ring.
9. Check all cam timing marks to verify proper cam timing,
and install the cam chain tensioner body with a new gasket.
10. After tensioner installation, rotate engine at least two
revolutions and re-check marks/timing.
Cam Sprocket Bolt Torque:
6 ft. lbs. (8 Nm)
Mark Aligned
Single (TDC)

3.48
ENGINE
CAMSHAFT TIMING
Dots
Crankshaft to Camshaft Centreline
Sprocket Alignment Pin
Single TDC Mark Aligned
TDC Mark
Rotation
Do Not Use
Advance Marks

3.49
ENGINE
3
Cam Chain Tensioner Installation
1. Release the ratchet pawl (A) and push the tensioner
plunger (B) all the way into the tensioner body.
2. Install the tensioner body with a new gasket and tighten the
bolts.
3. Install the spring, new sealing washer, and tensioner plug.
4. Slowly rotate engine two to three revolutions and re-check
cam timing.
Stator, Flywheel and Starter Drive
Installation
NOTE: The stator, flywheel, starter drive, and recoil can
be assembled with the engine in the frame.
Stator
1. Apply a light film of grease to the crankshaft seal. Apply
molybdenum disulfide grease or assembly lubricant to the
crankshaft bushing.
2. Install a new O-Ring in the oil passage recess in the
crankcase.
3. Apply 3 Bond 1215 (PN 2871557) or an equivalent sealer
to the stator plate outer surface and install a new O-Ring.
4. Install the stator plate being careful not to damage the seal.
Align timing reference marks on the plate and crankcase.
Be sure the plate is fully seated.
NOTE: This is a static timing mark. Strobe timing should
be performed after start up.
5. Torque bolts evenly to specification.
6. Seal stator wire grommet with Crankcase Sealant (PN
2871557) or equivalent sealer.
Flywheel
1. Install flywheel, washer, and nut. Torque flywheel to
specification.
Starter Drive
1. Be sure the washer is positioned on the back of the drive
Tensioner Bolt Torque:
6 ft. lbs. (8 Nm)
Tensioner Plug Torque:
17 ft. lbs. (23 Nm)
AB
Stator Plate Bolt Torque:
5-6.5 ft. lbs. (7-9 Nm)
Flywheel Nut Torque:
58-72 ft. lbs. (78-98 Nm)

3.50
ENGINE
gear.
2. Apply starter drive grease to the drive bushing in the
crankcase and all moving surfaces of the starter drive
mechanism. Install the starter drive.
3. Install recoil housing gasket and recoil housing.
Rocker Shaft/Rocker Arm Assembly
Installation
1. Assemble rocker arms, rocker shaft, and shaft supports.
2. Install and tighten rocker arm shaft locating bolt.
3. Apply starter drive grease to the cam lobes and cam
follower surfaces.
4. Rotate the engine until the cam lobes are pointing
downward.
5. Be sure the dowel pins are in place and install the rocker
shaft assembly.
6. Apply a light film of engine oil to the threads of the bolts
and tighten evenly.
7. Adjust valves according to the valve adjustment procedure
found in Chapter 2, Maintenance.
8. Apply clean engine oil liberally to the valve springs, cam
chain, rocker arms, and camshaft.
9. Place a new rocker cover gasket on the cylinder head and
install the cover and bolts.
Thermostat Installation
Install the thermostat with one of the air bleed holes
positioned next to the upper thermostat cover bolt hole as
shown.
Oil Pipes
Install the oil pipes with new sealing washers. Tighten all
bolts evenly to specified torque.
Starter Drive Grease:
(PN 2871460)
Rocker Shaft Support Tower Bolt Torque:
9 ft. lbs. (12 Nm)
Rocker Shaft Locating Bolt Torque:
6 ft. lbs. (8 Nm)
Apply Starter Drive
Grease to Bushing Rocker Cover Bolt Torque:
6 ft. lbs. (8 Nm)
Oil Pipe Bolt Torque:
20 ft. lbs. (27 Nm)

3.51
ENGINE
3
RECOIL
Recoil Disassembly/Inspection
Replace any parts found to be worn or damaged.
1. Remove bolts and recoil from the engine.
2. Pull recoil rope (if applicable) so it is extended
approximately 12-18" (30-46cm). Check handle c-ring for
proper tension, and the handle for cracks or damage which
may allow water or dirt to enter the recoil housing through
the rope.
3. Remove handle from the rope and allow spring tension on
recoil to relax.
NOTE: The handle must seal tightly on the recoil
housing to prevent water from entering.
4. Remove center bolt from recoil friction plate (A).
5. Inspect plate for wear or damage. Inspect plate friction
spring for wear, damage, and proper tension. The spring
should fit tightly on friction plate.
6. Remove ratchet pawl with spring and inspect. Replace
spring or ratchet pawl if worn, broken, or damaged.
NOTE: Long arm of spring engages reel. Short end
against pawl.
7. Hold reel firmly in housing. Pull rope handle until 12-18"
(30-46cm) of rope is exposed, and hold reel in place.
8. Place rope in notch on outer edge of reel. Release tension
on hub and allow reel to unwind approximately 6-7 turns
until spring tension is released.
9. Slowly and carefully remove reel from recoil housing
making sure the spring remains in the housing. Inspect the
reel hub and bushing (A) for wear.
10. Unwind rope and inspect for cuts or abrasions.
11. Inspect drive tab on hub return spring for damage. To
remove hub return spring, hold outer coils in place with one
hand and slowly remove spring one coil at a time from the
inside out.
12. Pull knot out of recoil reel. Untie knot. Remove rope from
reel.
CAUTION
The recoil is under spring tension. A face shield and
eye protection is required during this procedure.
A
A

3.52
ENGINE
Recoil Assembly
To install a new spring:
1. Place spring in housing with the end positioned so the
spring spirals inward in a counterclockwise direction. See
photo at right.
2. Hold spring in place and cut retaining wire.
To reinstall an old spring:
1. Hook outer tab in place in recoil housing and wind spring
in a counterclockwise direction one coil at a time while
holding the installed coils in place.
2. Lubricate the spring with light lubricant such as Premium
All Season Grease (PN 2871423).
To complete recoil assembly:
1. Route rope through guide bushing in recoil housing and
into reel. Tie a secure knot in end of the rope.
2. Wind rope counterclockwise onto the reel, as viewed from
ratchet side of reel.
3. Lock rope into notch on outer edge of reel.
4. Apply a small amount of grease or equivalent to the center
post of the housing and the bushing.
5. Install reel into housing making sure the spring drive tab on
the reel engages the spring and the reel is fully seated in the
housing.
6. Apply downward pressure on the reel and rotate
counterclockwise approximately 6-7 turns to pre-wind the
spring. Continue rotating counterclockwise until rope on
outer edge aligns with rope guide bushing.
7. Release rope from notch and allow reel to rewind
completely. If more pre-wind is required, place rope in
notch and add additional turns of pre-wind.
8. Install ratchet pawl and return spring, with long leg of
spring engaged in reel.
9. Reinstall friction plate.
NOTE: The friction plate must be positioned with both
end tabs of the friction spring opposite the ratchet pawl.
10. Torque friction plate retaining bolt to 5-6 ft. lbs. (7-9 Nm).
11. Reinstall recoil housing using a new gasket. Seal stator wire
harness grommet with RTV silicone.
CAUTION
Be sure to wear a face shield and eye protection
when performing this procedure.

3.53
ENGINE
3
TROUBLESHOOTING
Spark Plug Fouling
• Spark plug cap loose or faulty
• Choke cable adjustment or plunger/cable sticking
• Foreign material on choke plunger seat or plunger
• Incorrect spark plug heat range or gap
• Carburetor inlet needle and seat worn
• Jet needle and/or needle jet worn or improperly
adjusted
• Excessive carburetor vibration (loose or missing
needle jet locating pins)
• Loose jets in carburetor or calibration incorrect for
altitude/temperature
• Incorrect float level setting
• PVT system calibrated incorrectly or components
worn or mis-adjusted
• Fuel quality poor (old) or octane too high
• Low compression
• Restricted exhaust
• Weak ignition (loose coil ground, faulty coil, stator,
or ETC switch)
• ETC switch mis-adjusted
• Restricted air filter (main or pre-cleaner) or
breather system
• Improperly assembled air intake system
• Restricted engine breather system
• Oil contaminated with fuel
• Restricted oil tank vent
Engine
Engine Turns Over But Fails to Start
• No fuel
• Dirt in fuel line or filter
• Fuel will not pass through fuel valve
• Fuel pump inoperative/restricted
• Tank vent plugged
• Carb starter circuit
• Engine flooded
• Low compression (high cylinder leakage)
• No spark (Spark plug fouled)
Engine Does Not Turn Over
• Dead battery
• Starter motor does not turn
• Engine seized, rusted, or mechanical failure
Engine Runs But Will Not Idle
• Restricted carburetor pilot system
• Carburetor misadjusted
• Choke not adjusted properly
• Low compression
• Crankcase breather restricted
Engine Idles But Will Not Rev Up
• Spark plug fouled/weak spark
• Broken throttle cable
• Obstruction in air intake
• Air box removed (reinstall all intake components)
• Incorrect or restricted carburetor jetting
• ETC switch limiting speed
• Reverse speed limiter limiting speed
• Carburetor vacuum slide sticking/diaphragm
damaged
• Incorrect ignition timing
• Restricted exhaust system

3.54
ENGINE
Engine Has Low Power
• Spark plug fouled
• Cylinder, piston, ring, or valve wear or damage
(check compression)
• PVT not operating properly
• Restricted exhaust muffler
• Carburetor vacuum slide sticking/diaphragm
damaged
• Dirty carburetor
Piston Failure - Scoring
• Lack of lubrication
• Dirt entering engine through cracks in air filter or
ducts
• Engine oil dirty or contaminated
Excessive Smoke and Carbon Buildup
• Excessive piston-to-cylinder clearance
•Wet sumping
• Worn rings, piston, or cylinder
• Worn valve guides or seals
• Restricted breather
• Air filter dirty or contaminated
Low Compression
• Decompressor stuck
• Cylinder head gasket leak
• No valve clearance or incorrectly adjusted
• Cylinder or piston worn
• Piston rings worn, leaking, broken, or sticking
• Bent valve or stuck valve
• Valve spring broken or weak
• Valve not seating properly (bent or carbon
accumulated on sealing surface)
• Rocker arm sticking
Backfiring
• ETC or speed limiter system malfunction
• Fouled spark plug or incorrect plug or plug gap
• Carburetion faulty - lean condition
• Exhaust system air leaks
• Ignition system faulty:
Spark plug cap cracked/broken
Ignition coil faulty
Ignition or kill switch circuit faulty
Ignition timing incorrect
Sheared flywheel key
• Poor connections in ignition system
• System wiring wet
• Valve sticking
• Air leaks in intake
• Lean condition
Cooling System
Overheating
• Low coolant level
• Air in cooling system
• Wrong type of coolant
• Faulty pressure cap or system leaks
• Restricted system (mud or debris in radiator fins or
restriction to air flow, passages blocked in radiator,
lines, pump, or water jacket)
• Lean mixture (restricted jets, vents, fuel pump or
fuel valve)
• Fuel pump output weak
• Restricted radiator (internally or cooling fins)
• Water pump failure
• Cooling system restriction
• Cooling fan inoperative or turning too slowly
(perform current draw test)
• Ignition timing misadjusted
• Low oil level
• Spark plug incorrect heat range
• Faulty hot light circuit
• Thermostat stuck closed or not opening
completely
Temperature Too Low
• Thermostat stuck open
Leak at Water Pump Weep Hole
• Faulty water pump mechanical seal (coolant leak)
• Faulty pump shaft oil seal (oil leak)

FUEL SYSTEM
4.1
CHAPTER 4
FUEL SYSTEM
4
ELECTRONIC FUEL INJECTION . . . . . . . . . . . . . . . . . . . . . . . . . . . . . . . . 4.3 - 4.30
CARBURETOR (SPORTSMAN 450) . . . . . . . . . . . . . . . . . . . . . . . . . . . . . 4.31 - 4.47

4.2
FUEL SYSTEM

FUEL INJECTION
4.3
CHAPTER 4
FUEL INJECTION
4
SPECIAL TOOLS . . . . . . . . . . . . . . . . . . . . . . . . . . . . . . . . . . . . . . . . . . . . . . . . . . . . . . . 4.5
PART NUMBERS / DESCRIPTIONS . . . . . . . . . . . . . . . . . . . . . . . . . . . . . . . . . . . . . . . . 4.5
EFI SERVICE NOTES . . . . . . . . . . . . . . . . . . . . . . . . . . . . . . . . . . . . . . . . . . . . . . . . . . . . 4.7
GENERAL SERVICE INFORMATION . . . . . . . . . . . . . . . . . . . . . . . . . . . . . . . . . . . . . . . 4.7
EFI SYSTEM EXPLODED VIEW. . . . . . . . . . . . . . . . . . . . . . . . . . . . . . . . . . . . . . . . . . . . 4.8
EFI SYSTEM . . . . . . . . . . . . . . . . . . . . . . . . . . . . . . . . . . . . . . . . . . . . . . . . . . . . . . . . . . . 4.9
COMPONENT LOCATIONS/IDENTIFICATION . . . . . . . . . . . . . . . . . . . . . . . . . . . . . . . . 4.9
FUEL TANK . . . . . . . . . . . . . . . . . . . . . . . . . . . . . . . . . . . . . . . . . . . . . . . . . . . . . . . . . . . 4.10
EXPLODED VIEW . . . . . . . . . . . . . . . . . . . . . . . . . . . . . . . . . . . . . . . . . . . . . . . . . . . . . 4.10
ELECTRONIC FUEL INJECTION . . . . . . . . . . . . . . . . . . . . . . . . . . . . . . . . . . . . . . . . . . 4.10
GENERAL INFORMATION. . . . . . . . . . . . . . . . . . . . . . . . . . . . . . . . . . . . . . . . . . . . . . . 4.10
EFI OPERATION OVERVIEW . . . . . . . . . . . . . . . . . . . . . . . . . . . . . . . . . . . . . . . . . . . . 4.10
INITIAL PRIMING / STARTING PROCEDURE . . . . . . . . . . . . . . . . . . . . . . . . . . . . . . . 4.11
FUEL LINES . . . . . . . . . . . . . . . . . . . . . . . . . . . . . . . . . . . . . . . . . . . . . . . . . . . . . . . . . . 4.11
QUICK CONNECT REMOVAL/INSTALLATION. . . . . . . . . . . . . . . . . . . . . . . . . . . . . . . 4.11
ELECTRONIC CONTROL MODULE (ECM) . . . . . . . . . . . . . . . . . . . . . . . . . . . . . . . . . . 4.12
OPERATION OVERVIEW . . . . . . . . . . . . . . . . . . . . . . . . . . . . . . . . . . . . . . . . . . . . . . . 4.12
ECM REPLACEMENT . . . . . . . . . . . . . . . . . . . . . . . . . . . . . . . . . . . . . . . . . . . . . . . . . . 4.12
ECM SERVICE . . . . . . . . . . . . . . . . . . . . . . . . . . . . . . . . . . . . . . . . . . . . . . . . . . . . . . . . 4.12
FUEL PUMP ASSEMBLY . . . . . . . . . . . . . . . . . . . . . . . . . . . . . . . . . . . . . . . . . . . . . . . . 4.13
OPERATION / TESTING . . . . . . . . . . . . . . . . . . . . . . . . . . . . . . . . . . . . . . . . . . . . . . . . 4.13
FUEL PUMP TEST . . . . . . . . . . . . . . . . . . . . . . . . . . . . . . . . . . . . . . . . . . . . . . . . . . . . . 4.13
FUEL PUMP / TANK ASSEMBLY REPLACEMENT . . . . . . . . . . . . . . . . . . . . . . . . . . . 4.14
FUEL PRESSURE REGULATOR . . . . . . . . . . . . . . . . . . . . . . . . . . . . . . . . . . . . . . . . . . 4.15
GENERAL INFORMATION. . . . . . . . . . . . . . . . . . . . . . . . . . . . . . . . . . . . . . . . . . . . . . . 4.15
FUEL FILTERS . . . . . . . . . . . . . . . . . . . . . . . . . . . . . . . . . . . . . . . . . . . . . . . . . . . . . . . . 4.16
GENERAL INFORMATION. . . . . . . . . . . . . . . . . . . . . . . . . . . . . . . . . . . . . . . . . . . . . . . 4.16
FUEL INJECTOR. . . . . . . . . . . . . . . . . . . . . . . . . . . . . . . . . . . . . . . . . . . . . . . . . . . . . . . 4.16
GENERAL INFORMATION. . . . . . . . . . . . . . . . . . . . . . . . . . . . . . . . . . . . . . . . . . . . . . . 4.16
CRANKSHAFT POSITION SENSOR (CPS) . . . . . . . . . . . . . . . . . . . . . . . . . . . . . . . . . . 4.17
GENERAL INFORMATION. . . . . . . . . . . . . . . . . . . . . . . . . . . . . . . . . . . . . . . . . . . . . . . 4.17
MANIFOLD AIR PRESSURE SENSOR (MAP) . . . . . . . . . . . . . . . . . . . . . . . . . . . . . . . . 4.18
OPERATION OVERVIEW . . . . . . . . . . . . . . . . . . . . . . . . . . . . . . . . . . . . . . . . . . . . . . . 4.18
MAP SENSOR TEST . . . . . . . . . . . . . . . . . . . . . . . . . . . . . . . . . . . . . . . . . . . . . . . . . . . 4.18
MAP SENSOR REPLACEMENT . . . . . . . . . . . . . . . . . . . . . . . . . . . . . . . . . . . . . . . . . . 4.18
INTAKE AIR TEMPERATURE SENSOR (IAT) . . . . . . . . . . . . . . . . . . . . . . . . . . . . . . . . 4.19
OPERATION OVERVIEW . . . . . . . . . . . . . . . . . . . . . . . . . . . . . . . . . . . . . . . . . . . . . . . 4.19
INTAKE AIR TEMPERATURE SENSOR TEST . . . . . . . . . . . . . . . . . . . . . . . . . . . . . . . 4.19
INTAKE AIR TEMPERATURE SENSOR REPLACEMENT . . . . . . . . . . . . . . . . . . . . . . 4.19
IDLE AIR CONTROL (IAC) . . . . . . . . . . . . . . . . . . . . . . . . . . . . . . . . . . . . . . . . . . . . . . . 4.19
GENERAL INFORMATION. . . . . . . . . . . . . . . . . . . . . . . . . . . . . . . . . . . . . . . . . . . . . . . 4.19
THROTTLE POSITION SENSOR (TPS) . . . . . . . . . . . . . . . . . . . . . . . . . . . . . . . . . . . . . 4.20
OPERATION OVERVIEW . . . . . . . . . . . . . . . . . . . . . . . . . . . . . . . . . . . . . . . . . . . . . . . 4.20
THROTTLE POSITION SENSOR TEST . . . . . . . . . . . . . . . . . . . . . . . . . . . . . . . . . . . . 4.20
THROTTLE POSITION SENSOR REPLACEMENT. . . . . . . . . . . . . . . . . . . . . . . . . . . . 4.21
THROTTLE POSITION SENSOR (TPS) INITIALIZATION. . . . . . . . . . . . . . . . . . . . . . . 4.21
ENGINE TEMPERATURE SENSOR. . . . . . . . . . . . . . . . . . . . . . . . . . . . . . . . . . . . . . . . 4.22
GENERAL INFORMATION. . . . . . . . . . . . . . . . . . . . . . . . . . . . . . . . . . . . . . . . . . . . . . . 4.22
ENGINE TEMPERATURE SENSOR TEST . . . . . . . . . . . . . . . . . . . . . . . . . . . . . . . . . . 4.22
ENGINE TEMPERATURE SENSOR REPLACEMENT . . . . . . . . . . . . . . . . . . . . . . . . . 4.22

4.4
FUEL INJECTION
FUEL SYSTEM TROUBLESHOOTING. . . . . . . . . . . . . . . . . . . . . . . . . . . . . . . . . . . . . . 4.23
FUEL STARVATION / LEAN MIXTURE. . . . . . . . . . . . . . . . . . . . . . . . . . . . . . . . . . . . . 4.23
EFI DIAGNOSTICS USING ‘BLINK CODES’ . . . . . . . . . . . . . . . . . . . . . . . . . . . . . . . . . 4.24
BLINK CODES - OPERATION . . . . . . . . . . . . . . . . . . . . . . . . . . . . . . . . . . . . . . . . . . . 4.24
TROUBLESHOOTING DIAGRAMS . . . . . . . . . . . . . . . . . . . . . . . . . . . . . . . . . . . . . . . . 4.26
EFI CIRCUIT - POWER ON . . . . . . . . . . . . . . . . . . . . . . . . . . . . . . . . . . . . . . . . . . . . . . 4.26
EFI CIRCUIT - CRANK POSITION SENSOR . . . . . . . . . . . . . . . . . . . . . . . . . . . . . . . . 4.26
EFI CIRCUIT - FUEL PUMP. . . . . . . . . . . . . . . . . . . . . . . . . . . . . . . . . . . . . . . . . . . . . . 4.27
EFI CIRCUIT - IGNITION COIL . . . . . . . . . . . . . . . . . . . . . . . . . . . . . . . . . . . . . . . . . . . 4.27
EFI CIRCUIT - IDLE AIR CONTROL . . . . . . . . . . . . . . . . . . . . . . . . . . . . . . . . . . . . . . . 4.28
EFI CIRCUIT - THROTTLE POSITION SENSOR . . . . . . . . . . . . . . . . . . . . . . . . . . . . . 4.28
EFI CIRCUIT - MANIFOLD ABSOLUTE PRESSURE SENSOR . . . . . . . . . . . . . . . . . . 4.29
EFI CIRCUIT - ENGINE COOLANT TEMPERATURE. . . . . . . . . . . . . . . . . . . . . . . . . . 4.29
EFI CIRCUIT - AIR TEMPERATURE SENSOR. . . . . . . . . . . . . . . . . . . . . . . . . . . . . . . 4.30
EFI CIRCUIT - MALFUNCTION INDICATOR LIGHT. . . . . . . . . . . . . . . . . . . . . . . . . . . 4.30

4.5
FUEL INJECTION
4
SPECIAL TOOLS
Part Numbers / Descriptions
Fuel Pressure Tester - PU-43506
IMPORTANT: The EFI fuel system remains under high
pressure, even when the engine is not running.
Before attempting to service any part of the fuel
system, the pressure must be relieved. The pressure
adapter has an integrated relief valve. Connect to the
test valve and release the pressure.
Fuel Pressure Test Valve - PU-47476
Polaris EFI Diagnostic Software
Digital Wrench - PU-47063
This dealer-only software installs on laptop computers equipped
with a CD drive and serial port connection, and is designed to
replace multiple shop tools often used to test EFI components.
It also includes step-by-step diagnostic procedures to aid
technician repair and troubleshooting.
Table 4-1:
PART NUMBER TOOL DESCRIPTION
PU-47063 Polaris EFI Diagnostic
Software (Digital
Wrench)
PU-43506 Fuel Pressure
Test Kit
PU-47476 Fuel Pressure
Test Valve Kit
2201519 Throttle Position Sensor
Tester
PU-47471 Digital Wrench
SmartLink Kit
WARNING
Gasoline is extremely flammable and explosive
under certain conditions.
EFI components are under high pressure. Verify
system pressure has been relieved before
disassembly.
Never drain the fuel system when the engine is
h o t. S ev er e bu r ns m ay r es u lt .
Do not overfill the tank. The tank is at full capacity
when the fuel reaches the bottom of the filler neck.
Leave room for expansion of fuel.
Never start the engine or let it run in an enclosed
area. Gasoline powered engine exhaust fumes are
poisonous and can cause loss of consciousness
and death in a short time.
Do not smoke or allow open flames or sparks in
or near the area where refueling is performed or
where gasoline is stored.
If you get gasoline in your eyes or if you should
swallow gasoline, seek medical attention
immediately.
If you spill gasoline on your skin or clothing,
immediately wash with soap and water and change
clothing.
Always stop the engine and refuel outdoors or in
a well ventilated area.
Fuel Pressure Tester -
PU-43506
Test Valve

4.6
FUEL INJECTION
Digital Wrench SmartLink Module Kit - PU-47471
Available to Polaris dealers through our tool supplier, SPX (1-800-328-6657) This module kit contains the necessary cables and
hardware to communicate between the vehicle ECM and the Digital Wrench diagnostic software. Polaris dealers can also order
separately: SmartLink Module PU-47468, Vehicle Interface Cable PU-47469 and PC Interface Cable PU-47470. For use on all 15-
pin connector-based Polaris EFI systems.
Throttle Position Sensor Tester - 2201519
This tester allows the use of a digital multi-meter to test TPS function as well perform initialization procedures. Polaris Dealers can
order special tools from SPX.
PU-47468
PU-47469
PU-47470

4.7
FUEL INJECTION
4
EFI SERVICE NOTES
General Service Information
•For more convenient and accurate testing of EFI components, it is recommended dealers utilize the
Polaris Diagnostic Software (dealer only), or limited testing may be done manually using the
procedures provided.
•80% of all EFI problems are caused by wiring harness connections. Follow a common sense
approach when diagnosing a potential EFI issue:
1. Disconnect the harness at the suspected sensor connector.
2. Inspect the connector ends for damage or contamination. If damaged, repair; if contaminated, clean. Reconnect and
check function.
3. If the problem persists, perform a sensor bench test according to the specific sensor requirements.
4. If the sensor bench tests pass, disconnect the connector at the ECM and perform a continuity check between the sensor
connector and the appropriate pin at the ECM connector (all connections for that sensor). Wiring resistance should be
less than five (5) ohms.
5. If the resistance is high (or open), a wiring harness inspection is dictated (including a thorough inspection of the ECM
connector for contamination or damage).
6. If the sensor passes and the wiring passes inspection, and reconnecting the ECM does not resolve the issue, then at that
point a known-good ECM (from another 500 EFI ATV) could be connected and tested for problem resolution.
• For the purpose of troubleshooting difficult running issues, a known-good ECM from a same-model
Polaris 500 ATV EFI system may be used without damaging system or engine components.
• Do not use dielectric grease on sealed connectors (connectors with a rubber grommet), as it may
displace the rubber seal and allow contaminants to enter the connector.
• Never attempt to service any fuel system component while engine is running or ignition switch is
turned to "on".
•USE CARE when removing or installing the ECM connector, as well as all other harness
connections on the ATV. Dirt, even in small quantities, can cause significant problems. Clean
connectors thoroughly before opening to prevent dirt from entering. Properly connect and disconnect
the ECM harness to minimize damage to the connector pins and locking mechanism.
• Do not use compressed air if the EFI system is open. Cover any parts removed and wrap any open
joints with plastic if they will remain open for any length of time. New parts should be removed from
their protective packaging just prior to installation.
• Although every precaution has been taken to prevent water intrusion failure, avoid direct water or
spray contact with system components.
• Do not disconnect or reconnect the wiring harness connector to the control unit or any individual
components with the ignition "on." This can send a damaging voltage spike through the ECM.
• Do not allow the battery cables to touch opposing terminals. When connecting battery cables attach the
positive (+) cable to positive (+) battery terminal first, followed by negative (-) cable to negative (-)
battery terminal.
• Never start the engine when the cables are loose or poorly connected to the battery terminals.
• Never disconnect battery while engine is running.
• Never use a quick-start battery charger to start the engine.
•Always unplug ECM from the wire harness before performing any welding on the ATV.

4.8
FUEL INJECTION
EFI SYSTEM EXPLODED VIEW
1. Electronic Control Module (ECM)
2. Manifold Absolute Pressure Sensor (MAP)
3. Intake Air Temperature Sensor (IAT)
4. Idle Air Control (IAC)
5. Crankshaft Position Sensor (CPS - inside cover)
6. Fuel Injector
7. Fuel Rail
8. Fuel Filter(s)
9. Fuel Pump/Tank Assy.
10. Engine Coolant Temperature Sensor (ECT)
11. Throttle Position Sensor (TPS) LH side of Throttle body
12. Throttle Body
1
2
3
4
5
6
7
8
9
10
12
3
11

4.9
FUEL INJECTION
4
EFI SYSTEM
Component Locations/Identification
1. Electronic Control Module (ECM)
2. Manifold Absolute Pressure Sensor (MAP)
3. Intake Air Temperature Sensor (IAT)
4. Idle Air Control (IAC)
5. Crankshaft Position Sensor (CPS) - inside recoil cover
6. Fuel Injector
7. Fuel Rail
8. Fuel Filters (1 located in tank, 1 under front cab)
9. Fuel Pump / Regulator / Gauge Sender Assembly
(located In tank as an assembly)
10. Throttle Position Sensor (TPS)
11. Throttle Body
12. Wire Harness Assembly
13. Engine Coolant Temperature Sensor (ECT)
2
9 & 10
2
9 & 10
6
7
2
9 & 10
2
9 & 10
2
9 & 10
10 11
11

4.10
FUEL INJECTION
FUEL TANK
Exploded View
ELECTRONIC FUEL INJECTION
General Information
The Electronic Fuel Injection (EFI) system is a complete engine
fuel and ignition management design. This system contains the
following principal components:
•Fuel Pump
• Fuel Rail
• Fuel Line(s)
•Fuel Filter(s)
• Fuel Injector
• Pressure Regulator
• Throttle Body / lntake Manifold
• Engine Control Module (ECM)
• Ignition Coils
• Engine Coolant Temperature Sensor (ECT)
• Throttle Position Sensor (TPS)
• Crankshaft Position Sensor (CPS)
• Manifold Absolute Pressure Sensor (MAP)
• Idle Air Control (IAC)
• Intake Air Temperature Sensor (IAT)
• Wire Harness Assembly
• Check Engine Light (MIL)
Efi Operation Overview
The EFI system is designed to provide peak engine performance
with optimum fuel efficiency and lowest possible emissions.
The ignition and injection functions are electronically
controlled, monitored and continually corrected during
operation to maintain peak performance.
The central component of the system is the Visteon Engine
Control Module (ECM) which manages system operation,
determining the best combination of fuel mixture and ignition
timing for the current operating conditions.
An in-tank electric fuel pump is used to move fuel from the tank
through the fuel line and in-line fuel filter. The in-tank fuel
pressure regulator maintains a system operating pressure of 39
psi and returns any excess fuel to the tank. At the engine, fuel is
fed through the fuel rail and into the injector, which injects into
the intake port. The ECM controls the amount of fuel by varying
the length of time that the injectors are "on." This can range from
1.5-8.0 milliseconds depending on fuel requirements. The
controlled injection of the fuel occurs every other crankshaft
revolution, or once for each 4-stroke cycle. The total amount of
fuel needed for one firing of a cylinder is injected during each
cycle. When the intake valve opens, the fuel/air mixture is
drawn into the combustion chamber, ignited and burned.
The ECM controls the amount of fuel being injected and the
ignition timing by monitoring the primary sensor signals for air
temperature, manifold absolute pressure, engine temperature,
engine speed (RPM), and throttle position (load). These primary
signals are compared to the programming in the ECM computer
chip, and the ECM adjusts the fuel delivery and ignition timing
to match the values.
During operation the ECM has the ability to re-adjust
temporarily, providing compensation for changes in overall
engine condition and operating environment, so it will be able
to maintain the ideal air/fuel ratio.
During certain operating periods such as cold starts, warm up,
acceleration, etc., a richer air/fuel ratio is automatically
calculated by the ECM.
1. Cap 2. Tank Vent In/Out 3. Tank Mount 4. Fuel Pump/
Tank Assembly 5. Seat Foam 6. Protective Foil 7. Fuel
Lines 8. Fuel Filter
1
2
34
6
5
8
7
Fuel Tank
* Fuel Filter
(30 micron)
* Fuel Pump /
Pressure Regulator
Unit
External Fuel
Filter - 10 micron
Fuel Supply Rail Injectors
Fuel Flow
* component
located in fuel tank

4.11
FUEL INJECTION
4
Initial Priming / Starting Procedure
NOTE: The Injection system must be purged of all
air prior to the initial start up, and/or any time the
system has been disassembled.
If the EFI system is completely empty of fuel or has been
disassembled and repaired:
1. Cycle the key switch from “OFF” to “ON” 6 times,
waiting for approximately 3 seconds at “ON” and 5
seconds at “OFF” in sequence to allow the fuel pump to
cycle and shut down.
2. Once step 1 is completed, turn the key switch to “START”
until the engine starts or 5 seconds has passed.
3. If the engine failed to start, repeat step 1 for 2 more cycles
and attempt to start the engine.
If the engine fails to start, a problem may still exist, and should
be diagnosed.
NOTE: Accurate testing of EFI components is
recommended utilizing the Polaris Diagnostic
Software (dealer only).
FUEL LINES
Quick Connect Removal/Installation
Sportsman 500 EFI models use quick connect fuel lines. Refer
to the steps for fuel line removal / installation:
1. Thoroughly clean the connector. Place a shop towel
around the fuel line to catch any dripping fuel. Squeeze the
connector tabs together and push the locking tab out.
2. Pull out on the fuel line for removal.
3. To install the line, verify the connector and nipple are clean
and free of debris.
4. Snap the fuel line back over the nipple, verify the connector
tabs snap back into place.
CAUTION
Verify fuel system has been depressurized before
performing this procedure.
Squeeze Connector Tabs

4.12
FUEL INJECTION
ELECTRONIC CONTROL MODULE
(ECM)
Operation Overview
The ECM is the brain or central processing computer of the
entire EFI fuel/ignition management system. During operation,
sensors continuously gather data which is relayed through the
wiring harness to input circuits within the ECM. Signals to the
ECM include: ignition (on/off), crankshaft position and speed
(RPM), throttle position, engine coolant temperature, air
temperature, intake manifold air pressure and battery voltage.
The ECM compares the input signals to the programmed maps
in its memory and determines the appropriate fuel and spark
requirements for the immediate operating conditions. The ECM
then sends output signals to set the injector duration and ignition
timing.
During operation, the ECM continually performs a diagnostic
check of itself, each of the sensors, and system performance. If
a fault is detected, the ECM turns on the Malfunction Indicator
Light (MIL) (Check Engine Light) on the speedometer and
stores the fault code in its fault memory. A technician can
access the stored fault codes manually using a “blink code”
diagnosis flashed out through the instrument cluster or using the
Digital Wrench Diagnostic Software. The ECM requires a
minimum of 7.0 volts to operate. The memory in the ECM is
operational the moment the battery cables are connected.
Depending on the significance or severity of the fault, normal
operation may continue, or a "Fail-Safe" operation may be
initiated. In the event a “Fail-Safe” mode occurs, a base fueling
table is used to determine the injector pulse width. This strategy
will not compensate for engine temperature, intake air
temperature, or altitude change, but instead operates based on
the latest valid information taken from those sensors.
To prevent engine over-speed and possible failure, an RPM-
limiting feature is programmed into the ECM. If the maximum
RPM limit (7000) is exceeded, the ECM will suppress the
ignition signal or injection signal. This process repeats itself in
rapid succession, limiting operation to the preset maximum.
Sportsman 500 EFI RPM Limit:
This EFI system utilizes 2 methods -
“Hard” Limit - Ignition suppression occurs when RPM peaks
rapidly:
• High: 7000 RPM
• Returns: 6900 RPM
“Soft” Limit - Injector suppression occurs when RPM reaches
peak gradually:
• High: 7000 RPM
• Returns: 6900 RPM
RPM limits may vary slightly under operating conditions.
ECM Replacement
1. Remove the 2 retaining screws holding the ECM. NOTE:
Retain upper-left spacer located behind the ECM for re-
installation.
2. With the ignition turned off, disconnect the wire harness by
pulling the black slider away from the ECM. Once the slider
is fully extended, pull the connector from the ECM, using
great care not to damage the harness connector or locking
mechanism. NOTE: Should the black slider become
broken, replacement parts are available.
3. To install, reverse the procedures, DO NOT apply dielectric
grease to the connector, as it is a sealed connector. Install
the upper-left retaining screw spacer and screws. Tighten
screws to 10 in. lbs. (1.1 Nm).
ECM Service
Never attempt to disassemble the ECM. It is sealed to prevent
damage to internal components. Warranty is void if the case is
opened or tampered with in any way.
All operating and control functions within the ECM are pre-set.
No internal servicing or readjustment may be performed. If a
problem is encountered, and you determine the ECM to be
faulty, contact the Polaris Service Department for specific
handling instructions. Do not replace the ECM without factory
authorization.
The relationship between the ECM and the throttle position
sensor (TPS) is very critical to proper system operation. If the
TPS is faulty, or the mounting position of the TPS is altered, the
TPS must be re-initialized.
For the purpose of troubleshooting, a known-good ECM from a
same-model Polaris 500 ATV EFI may be used without system
or engine component damage.
ECM

4.13
FUEL INJECTION
4
FUEL PUMP ASSEMBLY
Operation / Testing
NOTE: All EFI units utilize quick connect fuel lines.
An electric fuel pump assembly is used to transfer fuel to the EFI
system from inside the fuel tank. This assembly includes the fuel
pump, regulator and fuel gauge sender. The pump is rated for a
minimum output of 25 liters per hour at 39 psi and has a non-
serviceable internal 30-micron filter. In addition, the pump has
a replaceable 10-micron filter attached to the pump outlet,
which is located under the strut mount.
When the key switch is turned to "ON", the ECM activates the
fuel pump, which pressurizes the system for start-up.
The ECM switches off the pump preventing the continued
delivery of fuel in these instances:
• If the key switch is not promptly turned to the "start"
position.
• If the engine fails to start, or
• If the engine is stopped with the key switch "on" (as in
the case of an accident)
In these situations, the “check engine” light will go on, but will
turn off after 4 cranking revolutions if system function is OK.
Once the engine is running, the fuel pump remains on.
NOTE: FUEL GAUGE SENDER TEST - To test fuel
gauge sender function, refer to Chapter 10 in this
service manual.
FUEL PUMP TEST
NOTE: The fuel pump/tank assembly is a non-
serviceable assembly and must be replaced if
determined to be faulty. If a fuel delivery problem is
suspected, make certain the filters are not plugged,
that the pump is being activated through the ECM,
all electrical connections are properly secured, the
fuses are good, and a minimum of 7.0 volts is being
supplied. If during starting, the battery voltage drops
below 7.0 volts, a reduction of fuel pressure may
occur resulting in a lean starting condition. If
required, testing of the fuel pump and circuitry may
be conducted.
1. Insert the fuel test valve adapter PU-47476. Connect the
pressure hose of the Polaris pressure tester (PN PU-43506)
to the test valve. Route the clear hose into a portable
gasoline container or the equipment fuel tank.
2. Turn on the key switch to activate the pump and check the
system pressure on the gauge. If system pressure of 39 psi
3 is observed, the ignition switch, ECM, fuel pump, and
pressure regulator are working properly. Turn the key
switch “off” and depress the valve button on the tester to
relieve the system pressure.
NOTE: If the pressure is too high or too low, replace
the fuel pump assembly.
Fuel pump not
replaceable, picture
for reference only.
Regulator
Fuel Pump
Internal 30 Micron
Strainer (Bottom)
Fuel Gauge
Sender
CAUTION
Check the fuel test valve for any possible fuel
seepage after performing any tests or procedures.
Fuel is extremely flammable and may cause severe
burns, injury, or death. Do not use any device that
produces a flame or electrical devices that may
spark around fuel or fuel vapors.
Fuel Pump Pressure - 39 psi 3

4.14
FUEL INJECTION
3. If the pump did not activate (Step 2), disconnect the plug
from the fuel pump. Connect a DC voltmeter across
terminals “A” and “C” in the plug, turn on the key switch
and observe if a minimum of 7 volts is present. If voltage
is between 7 and 14, turn key switch off and connect an
ohmmeter between the terminals “A” and “C”' on the pump
to check for continuity.
NOTE: If there was no continuity between the pump
terminals, replace the fuel pump/tank assembly.
NOTE: If the voltage is below 7Vdc, test the battery,
ignition switch, wiring harness and ECM.
4. If voltage at the plug was good, and there was continuity
across the pump terminals, reconnect the plug to the pump,
making sure you have good, clean connections. Turn on the
key switch and listen for the pump to activate.
NOTE: If the pump starts, repeat steps 1 and 2 to
verify correct pressure.
NOTE: If the pump still does not operate, check for
correct ECM operation by plugging in a known-good
ECM.
NOTE: If the pump still does not operate, replace the
pump/tank assembly.
Fuel Pump / Tank Assembly Replacement
NOTE: All EFI units utilize quick connect fuel lines.
NOTE: The fuel pump cannot be replaced as an
individual part, the entire fuel pump and fuel tank is
replaced as an assembly. Refer to your parts book
for the proper part number.
1. Disconnect the negative battery cable.
2. Remove the side panels and front cab assembly. Refer to
“COVER PANEL REMOVAL” in Chapter 5 for details.
3. Remove the clamps on the PVT intake duct and remove the
PVT duct.
4. Remove the gas tank cover vent hoses. Be sure to properly
route the vent hoses upon reassembly.
5. With all the body panels removed from the front of the ATV
and the gas tank exposed, disconnect the pump wiring
harness.
6. Relieve the fuel pressure at the fuel test valve.
WARNING
Always wear safety goggles when working with
high pressure or flammable fluids. Failure to do so
could result in serious injury or complications. WARNING
Wear safety goggles while performing this
procedure, failure to do so could result in serious
injuries.

4.15
FUEL INJECTION
4
7. Loosen the fuel tank hose and pull the fuel line from the
tank.
NOTE: A small amount of fuel may come out of the
fuel line or tank. Plug the fuel line and tank inlet or
use a shop towel during removal.
8. Remove the air box cover and remove the two gas tank
mounting bolts at the rear of the gas tank.
9. Carefully pull the fuel tank out of the frame. Keep the fuel
tank horizontal during removal, this will keep the fuel in the
tank from spilling out the top inlet.
Fuel Tank Installation
1. Reinstall the tank assembly.
2. Reconnect the sender wiring harness and route the harness
properly. Install the fuel line(s) and verify they are secure.
3. Reinstall the two fuel tank mounting bolts at back of tank.
4. Reinstall the PVT intake duct, gas tank vent line, front cab
assembly, and side panels.
NOTE: Properly route the gas tank vent lines, use
tape to secure the vent line in place. (See Pic 1).
5. Reconnect the negative battery cable. Test the sender for
proper operation.
FUEL PRESSURE REGULATOR
General Information
The fuel pressure regulator maintains the required operating
system pressure of 39 psi + 3psi. A rubber-fiber diaphragm
divides the regulator into two separate sections, the fuel
chamber and the pressure regulating chamber. The pressure
regulating spring presses against the valve holder (part of the
diaphragm), pressing the valve against the valve seat. The
combination of atmospheric pressure and regulating spring
tension equals the desired operating pressure. Any time the fuel
pressure against the bottom of the diaphragm exceeds the
desired (top) pressure, the valve opens, relieving the excess
pressure, returning the excess fuel back to the tank.
Fuel Pressure Regulator Test
Refer to the “FUEL PUMP TEST” procedure.
Fuel Pressure Regulator Replacement
The regulator is a sealed, non-serviceable assembly. If it is
faulty, the pump assembly must be replaced. Refer to the Fuel
Pump/Tank Assembly Replacement procedure.
CAUTION
Check the fuel test valve for any possible fuel
seepage after performing any tests or procedures.
Fuel is extremely flammable and may cause severe
burns, injury, or death. Do not use any device that
produces a flame or electrical devices that may
spark around fuel or fuel vapors.
Fuel Line
Fuel Pump

4.16
FUEL INJECTION
FUEL FILTERS
General Information
NOTE: All EFI units utilize quick connect fuel lines.
EFI Engines use a non-serviceable, high-volume, high-
pressure, 30-micron internal fuel pump filter and a replaceable
10-micron, in-line fuel filter. Only the 10-micron filter is
replaceable.
Fuel Filter Service
In line filter replacement is recommended every 2 years of
operation or more frequently under extremely dusty, dirty
conditions. Use only the specified filter, and install it according
to the directional arrows. DO NOT use an aftermarket filter, as
operating performance and safety can be affected.
Fuel Filter Replacement
1. Relieve system pressure through the test valve in the fuel
rail before servicing.
2. Loosen clamps and slide hose off the filter ends.
3. Install new filter with arrow pointing to the fuel line
connected to the injector rail and reinstall the clamps.
NOTE: When replacing the fuel filter, wet the interior
of the new filter with gasoline before installation to
ensure high pump pressure doesn't tear the filtering
material.
FUEL INJECTOR
General Information
The fuel injector mounts into the intake manifold, and the fuel
rail attaches at the top end. Replaceable O-Rings on both ends
of the injector prevent external fuel leakage and also insulate it
from heat and vibration.
When the key switch is on, the fuel rail is pressurized, and
voltage is present at the injector. At the proper instant, the ECM
completes the ground circuit, energizing the injector. The valve
needle in the injector is opened electromagnetically, and the
pressure in the fuel rail forces fuel down through the inside. The
“director plate” at the tip of the injector contains a series of
calibrated openings which directs the fuel into the intake port in
a cone-shaped spray pattern.
The injector is opened and closed once every other crankshaft
revolution. The total amount of fuel needed for one firing is
injected during each opening. The amount of fuel injected is
controlled by the ECM and determined by the length of time the
valve needle is held open, also referred to as the “injection
duration” or “pulse width”. It may vary in length from 1.5-8
milliseconds depending on the speed and load requirements of
the engine.
Fuel Injector Service
Injector problems typically fall into three general categories-
electrical, dirty/clogged, or leakage. An electrical problem
usually causes the injector to stop functioning.
NOTE: Do not apply voltage directly to the fuel
injector(s). Excessive voltage will burn out the
injector(s). Do not ground the injector with the
ignition “on”. lnjector will open/turn on if relay is
energized.
If an injector is not operating, it can indicate either a bad injector,
or a wiring/electrical connection problem. Check as follows:
Injector leakage is very unlikely, but in rare instances it can be
internal (past the tip of the valve needle), or external (weeping
around the injector body). The loss of system pressure from the
leakage can cause hot restart problems and longer cranking
times.
10 Micron Filter
Injector
Injector

4.17
FUEL INJECTION
4
Injector problems due to dirt or clogging are unlikely due to the
design of the injectors, the high fuel pressure, the use of filters
and the detergent additives in the gasoline. Symptoms that could
be caused by dirty/clogged injectors include rough idle,
hesitation/stumble during acceleration, or triggering of fault
codes related to fuel delivery. Injector clogging is usually
caused by a buildup of deposits on the director plate, restricting
the flow of fuel, resulting in a poor spray pattern. Some
contributing factors to injector clogging include; dirty air filters,
higher than normal operating temperatures, short operating
intervals and dirty, incorrect, or poor quality fuel. Cleaning of
clogged injectors is not recommended; they should be replaced.
Additives and higher grades of fuel can be used as a preventative
measure if clogging has been a problem.
Fuel Injector Resistance Test
If an injector is not operating, it can indicate either a bad injector,
or a wiring/electrical connection problem. Check as follows:
• Using an ohmmeter, test for continuity by placing the
test leads on each pin of the injector.
• Resistance specification is 12.0 ±0.4 (20°C, 68°F)
Fuel Injector Replacement
1. Engine must be cool. Depressurize fuel system through
test valve in fuel rail.
2. Remove the front fender assembly and fuel tank.
3. Thoroughly clean the area around and including the throttle
body/manifold and the injectors.
4. Disconnect the fuel injector harness.
5. Remove the fuel rail mounting screws, doubler plate and
carefully loosen / pull the rail away from the injector.
6. Reverse the procedures to install the new injector and
reassemble. Use new O-rings any time an injector is
removed (new replacement injectors include new O-rings).
Lubricate the upper O-ring lightly with soapy water to aid
installation. The lower O-ring should remain dry. Torque
the fuel rail mounting screws to 5~7 ft. lbs. (6-9 Nm). Then
install the doubler plate and torque to 8~9.5 ft. lbs. (11-13
Nm).
CRANKSHAFT POSITION SENSOR
(CPS)
General Information
The engine speed sensor is essential to engine operation,
constantly monitoring the rotational speed (RPM) of the
crankshaft.
A ferromagnetic 36-1 ring gear is cast onto the flywheel. The
inductive crankshaft sensor is mounted 0.4 - 1.2 mm (0.015 -
.047 in.) away from this ring gear. During rotation, an AC pulse
is created within the sensor for each passing tooth. The tooth
gap creates an “interrupt” input signal, corresponding to specific
crankshaft position for PTO cylinder. This signal serves as a
reference for the control of ignition timing by the ECM.
Within one (1) revolution at start-up, the ECM calculates
crankshaft position from the time interval between the
consecutive pulses. Synchronization of the CPS, ECM and
MAP sensor takes place during the first two (2) revolutions each
time the engine is started. Once the engine is started, the ECM
monitors the MAP sensor for the engine intake stroke. The CPS
must be properly connected at all times. If the sensor fails or
becomes disconnected for any reason, the engine will quit
operating.
Crankshaft Position Sensor Test
The crankshaft position sensor is a sealed, non-serviceable
assembly. If fault code diagnosis indicates a problem within this
area, test and correct as follows:
1. Disconnect main harness connector from ECM.
2. Connect an ohmmeter between the pin terminals. A
resistance value of 185 20% at room temperature (20
C, 68 F) should be obtained. If resistance is correct, check
the mounting, air gap, toothed ring gear (damage, runout,
etc.), and flywheel key.
Injector Resistance Specification:
12.0 ±0.4 (20°C, 68°F)
= T
Fuel Rail Mounting Screws:
5~7 ft. lbs. (6-9 Nm)
Doubler Plate Screws
8~9.5 ft. lbs. (11-13 Nm)
Crankshaft Position Sensor Air Gap:
0.4 - 1.2 mm (0.015 - .047 in.)
Crankshaft Position Sensor Resistance:
185 ± 20% @ (20° C , 68° F)
CPS
Interrupt

4.18
FUEL INJECTION
3. Disconnect crankshaft sensor connector from wiring
harness. Test resistance between the terminals. A reading
of 185 20% at room temperature (20C, 68 F)
should again be obtained.
NOTE: If the resistance reading is incorrect, remove
the screws securing the sensor to the mounting
bracket and replace the sensor. If the resistance in
step 2 was incorrect, but the resistance of the
sensor alone was correct, test the main harness
circuit between the sensor connector terminals and
the corresponding pin terminals in the main
connector. Correct any observed problem,
reconnect the sensor, and perform step 2 again.
Crankshaft Position Sensor Replacement
1. Remove the RH footwell and rear body panel to gain
access to the recoil cover.
2. Disconnect sensor harness connector.
3. Using an 8 mm socket, remove the recoil cover retaining
bolts. A mallet or soft hammer may be required to loosen
the cover for removal.
4. Remove the retainer screws securing the sensor.
5. Install the new sensor, routing the harness wire through the
top of the case housing as was previously installed.
6. Set the air gap of the new sensor to the specified distance
away from the ring gear. Torque the retaining screws to
specification and reverify air gap.
MANIFOLD AIR PRESSURE SENSOR
(MAP)
Operation Overview
Mounted on the throttle body intake, the manifold air pressure
sensor (MAP) measures air passing and provides the ECM with
the manifold pressure during engine operation. This allows the
ECM to adjust the fueling according to actual engine load as
well as identify which stroke is the intake stroke. The MAP
sensor also provides the ECM with the ability to compensate for
high altitude operation without any recalibration.
During initial start-up, the ECM is in a “waste spark - waste
fuel” mode until the MAP sensor sends a negative pressure
reading, indicating that the engine is on the intake stroke. Once
this has been ‘learned’, the ECM will then monitor the MAP
sensor and cease the initial start-up program.
Map Sensor Test
MAP sensors are a non-serviceable item. If it is faulty, it must
be replaced. This sensor requires a 5 Vdc input to operate,
therefore the MAP sensor should only be tested using Polaris
Diagnostic Software (dealer only). Refer to the EFI Diagnostic
Software Manual for more information.
Map Sensor Replacement
1. Disconnect sensor from engine harness.
2. Using a suitable tool, remove the retaining screw and
replace the sensor, using a light coating of soapy water on
the grommet to aid installation.
NOTE: Replacement MAP sensors may have an o-
ring installed that must be removed prior to
installing the grommet.
3. Install the sensor as shown in Figure 1, inserting it with a
twisting motion to properly seat the grommet. Verify that
the connector centerline is aligned with the throttle body
centerline.
4. Install the retaining bracket. NOTE: Do not allow the
retaining bracket to contact the MAP body. Torque the
retaining screw to specification.
= In. / mm.
CPS Air Gap:
0.4 - 1.2 mm (0.015 - .047 in.)
= T
CPS Retaining Screws:
26-34 in. lbs. (2.9-3.92 Nm)
0.4 - 1.2 mm (0.015 - .047 in.)
= T
MAP Retaining Screw:
29 in. lbs. (3.3 Nm)
Do not allow bracket to contact MAP

4.19
FUEL INJECTION
4
INTAKE AIR TEMPERATURE SENSOR
(IAT)
Operation Overview
The intake air temperature sensor (IAT) is used to indicate
charge air temperatures to the ECM.
Mounted on the rear of the air box, the IAT sends a varying
voltage signal to the ECM in direct correlation to the ambient air
temperature. This signal is processed by the ECM and compared
to the internal pre-programmed maps to determine the required
fuel and ignition settings for the amount of engine load.
Intake Air Temperature Sensor Test
The IAT sensor is a non-serviceable item. If it is faulty, it must
be replaced. It can be tested using the following method:
• With the test leads connected and the meter set to the
ohms scale, observe the reading at room temperature
(20°C, 68°F).
• The reading should be:
• If the sensor does not read correctly, replace it.
Intake Air Temperature Sensor Replacement
1. Disconnect engine harness from sensor.
2. Using a suitable tool, remove the sensor from the grommet.
3. Lightly coat the grommet with soapy water and install a
new sensor, using a twisting motion to properly seat the
sensor in the grommet.
4. Re-connect the harness.
IDLE AIR CONTROL (IAC)
General Information
The Idle Air Control (IAC) is used to stabilize the idle quality of
the engine at cold start-up and after warm-up operations.
Mounted on the throttle body, the IAC contains 1 stepper motor
which receives varying voltage signal pulses from the ECM.
These pulses determine the IAC plunger setting, thereby
controlling the amount of air bypassing the closed throttle body
for idle control. If the IAC is disconnected or inoperative, it will
remain at it’s last operated position.
Idle Air Control Test
The IAC is a non-serviceable item. If it is faulty, it must be
replaced. It can be ‘bench tested’ using the following method:
1. With the test leads connected and the meter set to the ohms
scale, observe the reading at the following pin locations of
the IAC:
1. If any of the readings are out of specification, replace the
IAC.
Idle Air Control Replacement
1. Disconnect the IAC from the engine harness.
2. Using a suitable tool, remove the retaining screws and
replace the sensor.
3. Torque the retaining screws to
IAT Resistance:
2.45±0.24 (New)
2.45±0.36 (Used)
= T
IAC Retaining Screws:
17.7 in. lbs. (2 ± 0.5 Nm)

4.20
FUEL INJECTION
THROTTLE POSITION SENSOR (TPS)
Operation Overview
The throttle position sensor (TPS), mounted to the throttle body,
is used to indicate throttle plate angle to the ECM.
Mounted on the throttle body and operated directly off the end
of the throttle shaft, the TPS works like a rheostat, varying the
voltage signal to the ECM in direct correlation to the angle of the
throttle plate. This signal is processed by the ECM and
compared to the internal pre-programmed maps to determine the
required fuel and ignition settings for the amount of engine load.
Throttle Position Sensor Test
The throttle position sensor (TPS) is a non-serviceable item. If
it is faulty, it must be replaced. It can be tested using the
following method:
Using an ohmmeter-
1. With the test leads connected and the meter set to the ohms
scale, observe the reading at the following pin locations of
the TPS:
Using TPS Test Adapter Harness 2201519-
• Set up the TPS Test Harness 2201519 according to the
instructions. Verify that the 9 volt battery is new. Figure
2
• Connect the test leads connected as shown in Figure 2
and the meter set to the “vdc” scale, move the throttle
open and closed slowly while reading the display. The
voltage should increase smoothly with no “jumps” or
decreases when the throttle is applied.
• If the TPS does not function correctly, replace it.
The correct position of the throttle body idle
stop is established and set at the factory. Do not
loosen the throttle body idle stop or alter the
stop position in any fashion. If the stop is
repositioned, the entire throttle body assembly
must be replaced.
Table 4-1: TPS Resistance Readings
Pin Throttle Position Resistance
d-GND -----
c-dClosed 4K(reference)
c-dOpen 820(reference)
c-e----- 4k6k
123
Use NEW
9V battery
Tester 2201519
Tester 2201519 No “Jumps” in read out

4.21
FUEL INJECTION
4
Tps Tester - Correct Reference Voltage
A 5 volt reference voltage signal from the test harness is
required for the TPS test to be accurate. Refer to the instructions
provided with the TPS Test Adapter Harness (2201519) or
follow these steps to check reference voltage.
• Harness Test: Insert black voltmeter probe into the
“Bk” test port.
• Connect the red meter probe into the “R” port and
verify the voltage is 4.99-5.01 vdc. If this reading is
low, verify the 9 volt battery is good or try a new 9 volt
battery.
Throttle Position Sensor Replacement
NOTE: The correct position of the TPS is established and set at
the factory. If the TPS is repositioned, replaced or loosened it
must be recalibrated.
1. Remove the LH side panel assembly.
2. Disconnect sensor from the engine harness.
3. Loosen and rotate the throttle body (B) to gain access to the
retaining screws (if required).
4. Remove the retaining screws and replace the sensor, but do
not tighten the screws at this point.
5. Refer to “TPS Initialization” for setting the TPS voltage.
Throttle Position Sensor (Tps) Initialization
Establishing a TPS setting : This step is crucial as it sets the
TPS position using the fixed physical stop.
• Open and close throttle plate a couple of times to ensure
full throttle closing. Do not snap closed, as this could
cause unnecessary throttle plate to throttle body
interference and/or damage.
• Set up the TPS Test Adapter Harness 2201519. Verify
that the 9 volt battery is new. Figure 2.
•(NOTE: Applies to 500 EFI ONLY) Attach the RED
meter lead to the “R” port and BLACK meter lead to
the “Y” port of the TPS Tester Harness
2201519, verify the voltage output of the TPS reads
1.10 - 1.14 vdc.
• If it does not read 1.10 - 1.14 vdc, loosen the screws
holding the TPS to the throttle body. Rotate TPS until
voltmeter reads 1.10 - 1.14 vdc.
• Retighten TPS mounting screws to specification and
verify the voltage did not change.
The correct position of the throttle body idle
stop is established and set at the factory. Do not
loosen the throttle body idle stop or alter the
stop position in any fashion. If the stop is
repositioned, the entire throttle body assembly
must be replaced.
500 EFI engines - Apply RED meter lead to the “R”
port and BLACK meter lead to the “Y” port of TPS
Tester Harness to obtain correct reading.
= T
TPS Retaining Screws:
17.7 in. lbs. (2 ± 0.5 Nm)
TPS Tester Adapter
Harness- 2201519
Fig. 2
1.12v
Should Read: 1.10 - 1.14 vdc

4.22
FUEL INJECTION
ENGINE TEMPERATURE SENSOR
General Information
Mounted on the cylinder, the engine temperature sensor
measures coolant temperature. The engine temperature sensor
is a Negative Temperature Coefficient (NTC) type sensor, as the
temperature increases the resistance decreases.
Coolant passes through the cylinder and by the sensor probe,
varying a resistance reading which is relayed to the ECM. This
signal is processed by the ECM and compared to it's
programming for determining the fuel and ignition
requirements during operation. The ECM also uses this signal to
determine when to activate the fan during operation. If for any
reason the engine temperature sensor circuit is interrupted, the
fan will default to “ON”.
Engine Temperature Sensor Test
Polaris dealers can test the sensor by using the Polaris Digital
Wrench Software (dealer only). Refer to the Digital
Wrench Software Manual for more information.
To measure the sensor using an ohmmeter, place the tester leads
on each terminal an read the resistance with the sensor at an
ambient temperature of 68F (20C).
Engine Temperature Sensor Replacement
1. Disconnect sensor from engine harness.
2. Using a wrench, remove and replace the sensor, applying
a light coating of thread sealant to aid installation.
3. Torque the sensor to specification.
Engine Coolant Temperature Sensor (ECT)
Table 4-1: Resistance Readings
TEMPERATURE F (C) RESISTANCE
68 F (20 C) 37.3 - 39.2 k
= T
ETS Installation Torque:
18.5 ft. lbs. (25 Nm)

4.23
FUEL INJECTION
4
FUEL SYSTEM TROUBLESHOOTING
FUEL STARVATION / LEAN MIXTURE
Symptoms: Hard start or no start, bog, backfire, popping
through intake / exhaust, hesitation, detonation, low power,
spark plug erosion, engine runs hot, surging, high idle, idle
speed erratic.
• No fuel in tank
• Restricted tank vent, or routed improperly
• Fuel lines or fuel injectors restricted
• Fuel filter plugged
• Fuel pump inoperative
• Air leak in system
• Intake air leak (throttle shaft, intake boot, gasket or
grommet)
• Throttle stop screw tampering - replace throttle body
• Failed Sensor or disconnected wiring
RICH MIXTURE
Symptoms: Fouls spark plugs, black, sooty exhaust smoke,
rough idle, poor fuel economy, engine runs rough/ misses, poor
performance, bog, engine loads up, backfire.
• Air intake restricted (inspect intake duct)
• Air filter dirty/plugged
• Poor fuel quality (old fuel)
• Fouled spark plug
• TPS setting incorrect
• Injector failure
• Failed Sensor or disconnected wiring
• Throttle stop screw tampering - replace throttle body
POOR IDLE
Symptom: Idle Too High (If greater than 1300 RPM when
engine is warm)
• Throttle stop screw tampering - replace throttle body
• Throttle cable sticking, improperly adjusted, routed
incorrectly
• Failed Sensor or disconnected wiring
• IAC stuck or inoperative
• Intake air leak
Symptom: Idle Too Low (if less than 900 RPM when engine
is warm)
• Plugged air filter
• Leaking injector (rich condition)
• Belt dragging
• Throttle stop screw tampering - replace throttle body
• Failed Sensor or disconnected wiring
Symptom: Erratic Idle
• Throttle cable incorrectly adjusted
• Air Leaks, dirty injector
• TPS damaged or adjusted
• Tight valves
• Belt dragging
• Dirty air cleaner
•Engine worn
• Spark Plug fouled
• Throttle stop screw tampering - replace throttle body
• Failed Sensor or disconnected wiring
The correct position of the throttle body idle
stop is established and set at the factory. Do not
loosen the throttle body idle stop or alter the
stop position in any fashion. If the stop is
repositioned, the entire throttle body assembly
must be replaced.

4.24
FUEL INJECTION
EFI DIAGNOSTICS USING ‘BLINK
CODES’
Blink Codes - Operation
To enable the blink codes, turn the ignition from “OFF” to
“ON” 3 times, leaving it 'on' the 3rd time, within 5 seconds.
Any “blink codes” that are stored in the ECM will display, one
at a time, in numerical order. The word ‘WAIT’ will appear on
the LCD display and the Malfunction Indicator Light (MIL) or
Check Engine light will begin to flash. Read and record the
number of flashes of the MIL light. A code ‘12’ indicates the
beginning of the diagnostic sequence. A code ‘61’ will flash
after all codes have been transmitted.
NOTE: To clear codes manually, disconnect the
positive battery lead for 20 seconds.
ON
Malfunction Indicator Light (MIL) Diagnostic Example
Sequence Begin
Trouble Code
Trouble Code
Trouble Code
Sequence End

4.25
FUEL INJECTION
4
Table 4-1: DIAGNOSTIC “BLINK CODES” CHART
BLINK
CODE NAME MIL LIGHT
ON?
12 BEGIN SEQUENCE --
21 Loss of Synchronization Yes
22 TPS Circuit: Sensor Low Yes
22 TPS Circuit: Sensor High Yes
31 System Voltage Low Yes
31 System Voltage High Yes
41 Air Temp Sensor (IAT): Low Voltage Yes
41 Air Temp Sensor (IAT): High Voltage Yes
42 Engine Temperature Sensor Circuit (ECT): Low Voltage Yes
42 Engine Temperature Sensor Circuit (ECT): High Voltage Yes
44 CPS Circuit Fault Yes
45 Barometric Pressure Sensor: MAP Circuit Low Input Yes
46 Barometric Pressure Sensor: MAP Circuit High Input Yes
47 IAC: Open Load Yes
47 IAC: Short to Ground Yes
51 Injector 1: Open Load / Short Circuit to Ground Yes
51 Injector 1: Short Circuit to Battery Yes
55 Diagnostic Lamp: Open Load Yes
55 Diagnostic Lamp: Short Circuit to Ground Yes
55 Diagnostic Lamp: Short Circuit To Battery Yes
56 Fuel Pump: Open Load / Short Circuit to Ground Yes
56 Fuel Pump: Short Circuit to Battery Yes
58 Cooling Fan: Open Load / Short Circuit to Ground Yes
58 Cooling Fan: Short Circuit to Battery Yes
61 END SEQUENCE --

4.26
FUEL INJECTION
TROUBLESHOOTING DIAGRAMS
EFI CIRCUIT - Power On
EFI CIRCUIT - Crank Position Sensor

4.27
FUEL INJECTION
4
EFI CIRCUIT - Fuel Pump
EFI CIRCUIT - Ignition Coil

4.28
FUEL INJECTION
EFI CIRCUIT - Idle Air Control
EFI CIRCUIT - Throttle Position Sensor

4.29
FUEL INJECTION
4
EFI CIRCUIT - Manifold Absolute Pressure Sensor
EFI CIRCUIT - Engine Coolant Temperature

4.30
FUEL INJECTION
EFI CIRCUIT - Air Temperature Sensor
EFI CIRCUIT - Malfunction Indicator Light

CARBURETOR - SPORTSMAN 450
4.31
CHAPTER 4
CARBURETOR - SPORTSMAN 450
4
GENERAL INFORMATION AND SPECIFICATIONS . . . . . . . . . . . . . . . . . . . . . . . . . . . 4.32
SPECIAL TOOLS . . . . . . . . . . . . . . . . . . . . . . . . . . . . . . . . . . . . . . . . . . . . . . . . . . . . . . 4.32
CARBURETOR JETTING. . . . . . . . . . . . . . . . . . . . . . . . . . . . . . . . . . . . . . . . . . . . . . . . 4.32
MIKUNI JET PART NUMBERS . . . . . . . . . . . . . . . . . . . . . . . . . . . . . . . . . . . . . . . . . . . 4.32
CARBURETOR SPECIFICATIONS . . . . . . . . . . . . . . . . . . . . . . . . . . . . . . . . . . . . . . . . 4.32
CARBURETION. . . . . . . . . . . . . . . . . . . . . . . . . . . . . . . . . . . . . . . . . . . . . . . . . . . . . . . . 4.33
BST 34 CARBURETOR EXPLODED VIEW 1 OF 2. . . . . . . . . . . . . . . . . . . . . . . . . . . . 4.33
BST 34 CARBURETOR EXPLODED VIEW 2 OF 2. . . . . . . . . . . . . . . . . . . . . . . . . . . . 4.34
CV CARBURETOR SYSTEM FUNCTION . . . . . . . . . . . . . . . . . . . . . . . . . . . . . . . . . . . 4.35
CARBURETOR VENTING . . . . . . . . . . . . . . . . . . . . . . . . . . . . . . . . . . . . . . . . . . . . . . . 4.35
MIKUNI CV CARB OPERATION . . . . . . . . . . . . . . . . . . . . . . . . . . . . . . . . . . . . . . . . . . 4.35
STARTER SYSTEM (CHOKE OR ENRICHMENT) . . . . . . . . . . . . . . . . . . . . . . . . . . . . 4.36
PILOT (IDLE AND SLOW) SYSTEM . . . . . . . . . . . . . . . . . . . . . . . . . . . . . . . . . . . . . . . 4.36
MAIN SYSTEM . . . . . . . . . . . . . . . . . . . . . . . . . . . . . . . . . . . . . . . . . . . . . . . . . . . . . . . . 4.37
FLOAT SYSTEM. . . . . . . . . . . . . . . . . . . . . . . . . . . . . . . . . . . . . . . . . . . . . . . . . . . . . . . 4.37
PILOT SCREW . . . . . . . . . . . . . . . . . . . . . . . . . . . . . . . . . . . . . . . . . . . . . . . . . . . . . . . . 4.38
AIR/FUEL MIXTURE RATIO. . . . . . . . . . . . . . . . . . . . . . . . . . . . . . . . . . . . . . . . . . . . . . 4.38
JET NEEDLE . . . . . . . . . . . . . . . . . . . . . . . . . . . . . . . . . . . . . . . . . . . . . . . . . . . . . . . . . 4.39
NEEDLE JET . . . . . . . . . . . . . . . . . . . . . . . . . . . . . . . . . . . . . . . . . . . . . . . . . . . . . . . . . 4.39
THROTTLE OPENING VS. FUEL FLOW. . . . . . . . . . . . . . . . . . . . . . . . . . . . . . . . . . . . 4.39
CARBURETOR DISASSEMBLY – MIKUNI CV . . . . . . . . . . . . . . . . . . . . . . . . . . . . . . . 4.39
CARBURETOR CLEANING . . . . . . . . . . . . . . . . . . . . . . . . . . . . . . . . . . . . . . . . . . . . . . 4.40
CARBURETOR INSPECTION . . . . . . . . . . . . . . . . . . . . . . . . . . . . . . . . . . . . . . . . . . . . 4.41
CARBURETOR ASSEMBLY . . . . . . . . . . . . . . . . . . . . . . . . . . . . . . . . . . . . . . . . . . . . . 4.41
FLOAT HEIGHT ADJUSTMENT. . . . . . . . . . . . . . . . . . . . . . . . . . . . . . . . . . . . . . . . . . . 4.42
NEEDLE AND SEAT LEAKAGE TEST. . . . . . . . . . . . . . . . . . . . . . . . . . . . . . . . . . . . . . 4.42
FUEL LEVEL TEST . . . . . . . . . . . . . . . . . . . . . . . . . . . . . . . . . . . . . . . . . . . . . . . . . . . . 4.43
FUEL TANK/FUEL DELIVERY SYSTEM . . . . . . . . . . . . . . . . . . . . . . . . . . . . . . . . . . . . 4.44
FUEL SYSTEM EXPLODED VIEW . . . . . . . . . . . . . . . . . . . . . . . . . . . . . . . . . . . . . . . . 4.44
FUEL PUMP . . . . . . . . . . . . . . . . . . . . . . . . . . . . . . . . . . . . . . . . . . . . . . . . . . . . . . . . . . 4.45
FUEL PUMP TESTING. . . . . . . . . . . . . . . . . . . . . . . . . . . . . . . . . . . . . . . . . . . . . . . . . . 4.45
FUEL PUMP DISASSEMBLY. . . . . . . . . . . . . . . . . . . . . . . . . . . . . . . . . . . . . . . . . . . . . 4.45
FUEL PUMP INSPECTION AND REASSEMBLY . . . . . . . . . . . . . . . . . . . . . . . . . . . . . 4.46
FUEL FILTER REPLACEMENT . . . . . . . . . . . . . . . . . . . . . . . . . . . . . . . . . . . . . . . . . . . 4.46
FUEL GAUGE SENDING UNIT. . . . . . . . . . . . . . . . . . . . . . . . . . . . . . . . . . . . . . . . . . . . 4.46
SENDING UNIT REMOVAL . . . . . . . . . . . . . . . . . . . . . . . . . . . . . . . . . . . . . . . . . . . . . . 4.46
TESTING . . . . . . . . . . . . . . . . . . . . . . . . . . . . . . . . . . . . . . . . . . . . . . . . . . . . . . . . . . . . 4.47
SENDING UNIT INSTALLATION . . . . . . . . . . . . . . . . . . . . . . . . . . . . . . . . . . . . . . . . . . 4.47
TROUBLESHOOTING. . . . . . . . . . . . . . . . . . . . . . . . . . . . . . . . . . . . . . . . . . . . . . . . . . . 4.47
FUEL STARVATION/LEAN MIXTURE. . . . . . . . . . . . . . . . . . . . . . . . . . . . . . . . . . . . . . 4.47

4.32
CARBURETOR - SPORTSMAN 450
GENERAL INFORMATION AND
SPECIFICATIONS
Special Tools
NOTE: It is strongly recommended that Polaris Carbon
Clean be added regularly as directed to the fuel systems
of all Polaris ATVs. Carbon Clean stabilizes the fuel,
preventing clogging of the small passages and orifices
common to ATV carburetors, and ensures constant
performance, reliability and easier starting.
Carburetor Jetting
IMPORTANT: The following guidelines must be followed
when establishing a main jet setting:
1. Select the lowest anticipated temperature and altitude at
which the machine will be operated.
2. Select the correct main jet according to the engines fuel/
performance requirements.
Mikuni Jet Part Numbers
Main Jets Pilot Jets
Jet Number Part Number Jet Number Part Number
130 3131537 25 3131538
132.5 3131536 27.5 3131539
135 3131535 30 3131540
137.5 3131534 32.5 3131541
140 3131522 35 3131542
142.5 3131523 37.5 3131543
145 3131524 40 3131544
147.5 3131525 42.5 3131545
152.5 3131526 47.5 3131546
155 3131527 50 3131547
157.5 3131528 52.5 3131548
160 3131529 55 3131549
162.5 3131530 57.5 3131550
165 3131531 60 3131551
167.5 3131532 65 3131552
170 3131533 70 3131553
Carburetor Specifications
PART NUMBER TOOL
DESCRIPTION
2870975 Mity VacTM Pressure Test
Tool
2872314 Carburetor Float
Adjustment Tool
WARNING
Gasoline is extremely flammable and explosive
under certain conditions.
Always stop the engine and refuel outdoors
or in a well ventilated area.
Do not overfill the tank. The tank is at full
capacity when the fuel reaches the bottom of
the filler neck. Leave room for expansion of
fuel.
Never start the engine or let it run in an
enclosed area. Gasoline powered engine
exhaust fumes are poisonous and can cause
loss of consciousness and death in a short
time.
Never drain the float bowl when the engine is
hot. Severe burns may result.
Do not smoke or allow open flames or sparks
in or near the area where refueling is
performed or where gasoline is stored.
If you get gasoline in your eyes or if you
should swallow gasoline, seek medical
attention immediately.
If you spill gasoline on your skin or clothing,
immediately wash with soap and water and
change clothing.
CAUTION
A main jet that is too small will cause a lean
operating condition resulting in serious engine
damage. Select the correct main jet carefully for
elevation and temperature according to the charts in
the Specifications section or in the Owner’s Safety
and Maintenance Manual for each particular model.
Fuel System
Carburetor Mikuni BST 34mm
Main Jet 167.5
Pilot Jet 42.5
Jet Needle / Clip Position 4IB33 - 3
Needle Jet P-6M (829)
Pilot Screw 2 3/4 Turns Out (initial)
Pilot Air Jet 1.3
Float Height 13mm 1 (.51 0.40")
Fuel Delivery Fuel Pump
Fuel Capacity / Requirement 4.25 gal US / 19.9 liters
87 Octane (minimum)
or 89 Oxygenated

4.33
CARBURETOR - SPORTSMAN 450
4
CARBURETION
BST 34 Carburetor Exploded View 1 of 2
Table 4-1: Carburetor Components
REFERENCE DESCRIPTION REFERENCE DESCRIPTION
A Jet Needle J Throttle Control Cover Plate
B Diaphragm Assembly K Carburetor Body
C Needle Jet L Enrichment Plunger
D Jet Block Assembly M Enrichment Spring
E Washer N Cable guide
F Main jet P Pilot Air Jet
G Cover
H Spring
A
B
C
D
E
F
G
H
J
K
LM
N
P

4.34
CARBURETOR - SPORTSMAN 450
BST 34 Carburetor Exploded View 2 of 2
Table 4-2: Carburetor Components
REFERENCE DESCRIPTION REFERENCE DESCRIPTION
A Throttle Plate Shaft Retaining Components J Float Bowl O Ring
B Pilot Jet K Float Bowl
C Needle Valve Assembly L Float Bowl Drain Screw
D Throttle Plate M Throttle Shaft
E Idle RPM Speed Adjustment Screw N Throttle Shaft Return Spring
F Spring
G Needle Valve Retaining Plate
HFloats
A
B
C
D
E
F
G
H
J
K
L
M
N

4.35
CARBURETOR - SPORTSMAN 450
4
CV Carburetor System Function Carburetor Venting
The carburetor float bowl vent lines supply atmospheric
pressure to the float bowl. The lines must be free of kinks,
restrictions and be properly routed. This allows fuel to flow in
the proper amount and prevents contaminants from entering the
carburetor.
Mikuni CV Carb Operation
The constant velocity carburetor incorporates a mechanically
operated throttle plate and a vacuum controlled slide valve
(vacuum slide). The venturi cross–sectional area in the
carburetor bore is increased or decreased automatically by the
vacuum slide, which moves according to the amount of negative
pressure (less than atmospheric) present in the venturi.
A diaphragm attached to the top of the vacuum slide is sealed to
the slide and to the carburetor body forming two chambers. The
chamber above the diaphragm is connected to the venturi area
by a drilled orifice in the center of the vacuum slide. The
chamber below the diaphragm is vented to atmospheric pressure
by a passage on the air box side of the carburetor. A spring,
installed in the center of the vacuum slide, dampens the slide
movement and assists the return of the slide.
When the throttle plate is opened and engine speed begins to
increase, the pressure in the venturi (and therefore in the
chamber above the diaphragm) becomes significantly lower
than atmospheric. Atmospheric pressure in the chamber below
the diaphragm forces the diaphragm upward, raising the slide
against spring pressure.
Carburetor Component Function
System Main
Components Main
Function Main
Affect
Float
System
(Level
Control)
Inlet Pipe,
Needle and
Seat, Float,
Float Pin
Maintains
specified fuel
level in float
chamber
(carburetor float
bowl)
All systems
All throttle
ranges
Venting Passages in
Carburetor, Vent
lines
to frame
Supplies
atmospheric
pressure to float
chamber
All systems
All throttle
ranges
Starter
(Choke/
Enrichment)
Choke Lever,
Cable, Plunger,
Return Spring,
Carb Passages
(Starter Jet,
Starter Bleed
Pipe)
Supplies
additional fuel
air mixture
necessary for
cold starting
All throttle
ranges
Greatest
effect at low
throttle
settings and
idle
Pilot (Idle
System) Pilot Jet/
Passage-ways,
Pilot–Mixture
Screw with
Spring Washer
and Sealing O–
Ring, By-pass
Ports (Behind
Throttle Plate),
Pilot Air Jet, Pilot
Outlet, Throttle
Plate
Primarily
supplies fuel at
idle and low
throttle positions
Mainly idle
to 1/4
throttle
Minimal
effect after
1/2 throttle
Main
System Main Jet, Main
Air Jet, Main Air
Passage,
Needle Jet, Jet
Needle, Vacuum
Slide, Throttle
Plate
Supplies fuel at
mid–range and
high throttle
settings.
1/4 to full
throttle
Throttle Plate
Diaphragm Low Pressure
From Venturi
Atmospheric
Pressure
Air inlet
Atmospheric
Vacuum
Slide
Venturi
= Air Flow = Low pressure

4.36
CARBURETOR - SPORTSMAN 450
When the pressure above and below the diaphragm are nearly
equal, the slide moves downward under spring pressure. Raising
or lowering the slide increases or decreases the cross sectional
area in the venturi, and therefore the air velocity in the venturi
is kept relatively constant. This provides improved fuel
atomization and optimum fuel/air ratio.
Starter System (Choke or Enrichment)
When the choke cable (1) is activated, the starter plunger (5) is
lifted off the seat.
Fuel is drawn into the starter circuit from the float chamber (2)
through the starter jet (3). Starter jet meters this fuel, which then
flows into starter pipe (4) and mixes with the air (7) coming from
the float chamber. The mixture, rich in fuel content, reaches
starter plunger and mixes again with the air coming through a
passage (8) extending from underneath the diaphragm. The rich
fuel/air mixture for starting is discharged through starter outlet
(6) in the main bore.
Pilot (Idle and Slow) System
This system supplies fuel during engine operation with throttle
valve closed (1) or slightly opened. The fuel from float chamber
(2) is metered by pilot jet (3) where it mixes with air coming in
through pilot air jet (4). The mixture then goes up through pilot
passage to pilot screw (5). A part of the mixture is discharged
into the main bore out of bypass ports (6). The remainder is then
metered by pilot screw and discharged into the main bore
through pilot outlet (7).
Note: Diagrams are for explanation of theory only, and are not true
representations of Mikini BST carburetor.
1
2
3
4
5
6
7
8
4
1
6
7
5
2
3

4.37
CARBURETOR - SPORTSMAN 450
4
Main System
As throttle valve (1) is opened, engine speed rises, and this
increases negative pressure in the venturi. Consequently the
vacuum slide (2) moves upward. The fuel in float chamber (3)
is metered by main jet (4), and the metered fuel enters needle jet
(5), in which it mixes with the air admitted through main air jet
(6) to form an emulsion. The emulsified fuel then passes through
the clearance between needle jet (5) and jet needle (7), and is
discharged into the venturi (A). Mixture proportioning is
accomplished in needle jet (5); the clearance through which the
emulsified fuel must flow is determined ultimately by throttle
position and vacuum slide height.
Float System
Fuel enters the float chamber (3) by means of the inlet pipe and
passage, through a screen on the back of the inlet needle seat (4),
and around the inlet needle (2). As the fuel fills the float
chamber, the float (1) rises and forces the inlet needle against the
seat, shutting off the orifice in the seat. When fuel level is up in
float chamber, floats are up and needle valve remains pushed up
against valve seat. Under this condition, no fuel enters the float
chamber. As the fuel level falls, floats go down and needle valve
unseats itself to allow fuel into the chamber. In this manner, the
needle valve releases and shuts off fuel alternately to maintain
a constant fuel level inside the float chamber.
1
2
3
4
5
6
7
A
Inlet
Pipe
1
2
3
4

4.38
CARBURETOR - SPORTSMAN 450
Pilot Screw
The pilot system supplies fuel during engine operation with the
throttle valve closed or slightly opened. The fuel/air mixture is
metered by pilot screw and discharged into the main bore
through the pilot outlet.
Air/Fuel Mixture Ratio
A carburetor with a slide type throttle valve is also called a
variable venturi type carburetor. In this type of carburetor, the
needle jet and jet needle serve to control proper air/fuel mixture
ratio at the medium throttle valve opening (between 1/4 and 3/
4 opening).
Having the proper needle jet and jet needle has a major impact
on engine performance at partial load. The jet needle tapers off
at one end and the clearance between the jet needle and the
needle jet increases as the throttle valve opening gets wider. The
air/fuel mixture ratio is controlled by the height of the “E” clip
inserted into one of the five slots provided in the head of the jet
needle. The previous chart shows the variation of fuel flow
based on the height of the “E” clip.
CAUTION
The pilot screw is calibrated at the factory to meet
EPA / CARB regulations for air quality standards
and is sealed with a brass plug to prevent tampering.
Removal of the tamper proof plug is not permitted.
For service purposes, cleaning of the pilot circuit can
be done only by a certified repair shop to ensure air
quality standards are not exceeded.
Pilot Screw Location
Brass Plug Installed
Brass Plug Removed
E-Clip Position vs. Fuel Flow
Throttle Valve Opening
2
3
4
4
3
2
15 50 75 100%

4.39
CARBURETOR - SPORTSMAN 450
4
Jet Needle
The jet needle has five adjustment grooves cut into the upper
portion, and is tapered from approximately the middle of the
needle to the lower end. The top is fixed to the center of the
throttle valve by the needle clip, and the tapered end extends into
the needle jet. Fuel flows through the space between the needle
jet and jet needle. This space does not vary until the throttle
reaches the 1/4 open point. At that time the tapered portion of the
needle begins to move out of the jet, affecting fuel flow as the
opening enlarges. If the needle clip is changed from the standard
position to a lower groove, the needle taper starts coming out of
the jet sooner, resulting in a richer mixture. Moving the clip
higher produces a leaner mixture. If the taper is worn due to
vibration, fuel flow may be significantly affected.
Needle Jet
The needle jet works in conjunction with the jet needle to
regulate fuel flow rate. An air bleed opening in the side of the
needle jet brings in air measured by the air jet. This air initiates
the mixing and atomizing process inside the needle jet.
Throttle Opening vs. Fuel Flow
In a full throttle condition the cross sectioned area between the
jet needle and the needle jet is larger than the cross sectioned
area of the main jet. The main jet therefore has greater control
over fuel flow.
Carburetor Disassembly – Mikuni CV
Use the following disassembly, assembly, and inspection
techniques to service a CV carburetor.
1. Remove carburetor diaphragm chamber cover with a
ratchet style screwdriver. DO NOT use an impact driver to
remove the screws or carburetor may be permanently
damaged.
2. Remove float bowl. Remove the float pin screw. The float
Leaner
Richer
Position#
Jet Needle
Needle Jet
Main Jet
Closed
Throttle
One-half
Throttle
Full
Throttle
Small
Clearance Medium
Clearance Large
Clearance

4.40
CARBURETOR - SPORTSMAN 450
and float pin can be removed.
3. Remove inlet needle seat retaining screw along with plate,
and carefully remove needle seat. NOTE: Do not use a
pliers to remove the seat or permanent damage may occur.
4. Remove the pilot mixture screw, spring, flat washer, and
O–Ring. If an anti–tamper plug is installed over the pilot
screw cavity, it must be removed for access.
NOTE: The starter jet is removable. Upon disassembly,
place the parts in a container for safe keeping.
Carburetor Cleaning
1. Thoroughly clean the carburetor body, jets, and all
passages with carburetor cleaner or electrical contact
cleaner.
2. If the carburetor is extremely dirty or contaminated with
fuel residue and varnish, soak for short periods only in
carburetor cleaner, and rinse in hot water.
3. Replace the jets if they have a buildup of fuel residue or
bacterial growth that cannot be removed. Even a small
amount of residue will reduce the flow characteristics of the
jet.
4. Verify all passages and jets are unobstructed by spraying
electrical contact cleaner through the passages.
CAUTION: Do not use wire or welding tip cleaners as the
orifice size may be altered.
5. Use low pressure air to dry carburetor body and all
components.
Remove Screw
O-Ring
Washer
Spring
Pilot Screw
WARNING
Protect eyes from contact with cleaner. Take
appropriate safety measures during these
procedures. Safety glasses and chemical resistant
gloves are required. Should you get cleaner in your
eyes or if you swallow cleaner, seek medical
attention immediately.
Carburetor cleaners can be extremely caustic.
Extended periods of soaking can loosen the
adhesive sealer on the passage drill-way plugs. Do
not soak rubber or plastic components (such as the
vacuum slide diaphragm, needle seat screen, or O-
Rings in caustic cleaning solutions. Damage may
occur. Do not use agitator-type carburetor cleaning
equipment. Rubber parts must be cleaned with mild
detergent and hot water only.

4.41
CARBURETOR - SPORTSMAN 450
4
Carburetor Inspection
1. Inspect jet needle and needle jet for wear. Look for
discoloration, shiny spots, or an area that looks different
than the rest of the needle. The middle to upper portion of
the needle contacts the needle jet and is the most likely
wear point. If jet needle shows signs of wear replace both
the needle and needle jet to prevent a rich condition. TIP:
A worn needle jet is difficult to spot. To check, slide a
slightly larger new jet needle into the needle jet and hold it
to a light source. Light will be visible between the needle
and needle jet if it is worn.
2. Inspect the inlet needle tapered surface for any sign of wear
or damage. Be sure the spring loaded pin is free moving and
returns freely when pushed. The inlet needle and seat
should be pressure tested after assembly.
Carburetor Assembly
Inspect the diaphragm (A) for holes, deterioration, or damage.
Make sure the diaphragm is pliable but not swollen. The
diaphragm should fit properly in the carburetor body. Replace
diaphragm assembly if diaphragm is damaged.
1. Replace parts in proper order. The spring seat (B) is
stepped and must be placed on TOP of “E” Clip (C).
Spacer washer (D) must be installed below the E–Clip.
Refer to parts manual for more information.
2. Be sure the tab (E) on outer edge of diaphragm is positioned
properly in the carburetor body.
3. Install the pilot mixture screw, spring, washer, and O–ring
as an assembly. Lubricate the O–Ring with oil or light
grease before installation. CAUTION: Do not damage the
O–ring during installation. Turn the screw in until it lightly
contacts the seat. Back out the specified number of turns.
NOTE: The final pilot (idle) mixture must be adjusted with
Inspect this
area
Jet Needle Needle Jet
Good Condition Worn, Deposits
Seat
Needle
Wear areas
FRONT
(Engine)
Pilot Screw

4.42
CARBURETOR - SPORTSMAN 450
the engine running. Refer to Page 2.10.
Float Height Adjustment
1. Illustration 1: Place the throttle side of the carburetor on
a level surface to remove weight from float arm. In this
position, the float tongue will rest slightly outward.
2. Illustration 2: With the carburetor still resting on the level
surface, use one hand to slightly tilt the carburetor back.
The float will then fall into the correct position, with the
float tongue resting lightly on the inlet needle valve pin
without compressing the spring. The bottom of the float
should be parallel with the float bowl mating surface.
Illustration 3: NOTE: If the float is past parallel with the
mating surface, the carburetor has been tilted back too far
and the float tongue is likely compressing the needle valve
pin.
3. Measure the height from the float bowl mating surface to
the top of step of the float as shown in Illustration 2. Both
sides of float should be parallel to each other. The
measurement should be made at the mid–point on top of the
float using Float Adjustment Tool (PN 2872314) or a
vernier caliper. When measuring the height, be sure the
inlet needle valve spring is not compressed.
4. If adjustment is necessary, bend the tongue slightly. Be sure
float measurement is even on left and right side.
Needle and Seat Leakage Test
1. Install the float bowl. Invert the carburetor and install a
Mity–Vac™ (PN 2870975) to the fuel inlet fitting. Apply
5 PSI pressure to inlet fitting. The needle and seat should
hold pressure indefinitely. If not, inspect needle and seat
and seat O–ring.
Pilot Screw Base Setting
(Set at Factory)
Factory Specification: 2.5 Turns Out
Float parallel with float
bowl mating surface
Float Bowl Height: 13-14 mm
Mity VacTM (PN 2870975)

4.43
CARBURETOR - SPORTSMAN 450
4
Fuel Level Test
A fuel level test can be performed on some models if the drain
hose fitting is accessible. Be sure to re–attach the bowl drain
hose after performing the test. A fuel level test allows you to
observe the height of the fuel in the float bowl without removing
the carburetor. The fuel level can be observed with the engine
either running or shut off, however, engine must run briefly to
allow fuel level to stabilize.
1. Attach a clear line to drain fitting. Be sure line fits tightly
on fitting. Position hose along side of carburetor as shown.
2. Open bowl drain screw by turning counterclockwise
approximately two turns. Start and run engine for 3 to 5
seconds to allow fuel level to stabilize in the line. If level
is out of specification, remove carburetor and inspect inlet
needle and seat, float height, passages, etc.
NOTE: If a line was removed to perform this procedure,
it must be replaced.
Bowl Mating
Surface
1.5 mm
.060 in.

4.44
CARBURETOR - SPORTSMAN 450
FUEL TANK/FUEL DELIVERY SYSTEM
Fuel System Exploded View

4.45
CARBURETOR - SPORTSMAN 450
4
FUEL PUMP
Fuel Pump Testing
This ATV is equipped with a pressure regulated fuel pump (1-
3 PSI). The pump is located under the left front fender of the
machine.
To test the fuel pump:
1. Turn fuel off.
2. Disconnect impulse line from pump.
3. Connect Mity-Vac™(PN 2870975) to the impulse line
fitting on the pump.
4. Apply 5 inches (Hg) vacuum to the pump fitting. The
diaphragm should hold vacuum indefinitely.
If fuel is present in the impulse line or vacuum chamber of the
pump, the diaphragm is ruptured. The pump diaphragms must
be replaced.
Fuel Pump Disassembly
1. Remove the screws from the pump assembly.
NOTE: Mark the location of the 2 longer screws for
reassembly.
2. Remove the diaphragm cover, gasket, diaphragm, and
valve body gasket.
3. Remove the outlet check-valve cover, diaphragm and
gasket.
Impulse Line

4.46
CARBURETOR - SPORTSMAN 450
Fuel Pump Inspection and Reassembly
1. Inspect inlet and outlet check valves for cracks, warping or
damage.
2. Inspect the diaphragms for cracks, holes or swelling.
3. To clean the valves or pump body, remove the set screw and
washer. Remove the valve assembly and wash with soap
and water.
NOTE: Carburetor cleaner may used to clean the
pump body when the check valves are removed.
4. Carefully remove all traces of old gaskets and check the
surfaces for damage. Replace diaphragms and gaskets as a
set.
5. Reassemble the pump in reverse order of disassembly.
Tighten all screws evenly.
Fuel Filter Replacement
1. Loosen the filter clamps and remove filter.
2. Install new filter onto fuel lines and install clamps.
FUEL GAUGE SENDING UNIT
Sending Unit Removal
1. Disconnect the negative battery cable.
2. Remove the side panels and front cab assembly. Refer to
Chapter 5 for details.
3. Remove the gas tank cover vent hose. Be sure to properly
route the vent hose upon reassembly.
4. Remove the clamps on the PVT intake duct and remove the
PVT duct.
5. With all the body panels removed from the front of the ATV
and the gas tank exposed, disconnect the fuel sender wiring
harness.
CAUTION
Carburetor cleaners are caustic and should not be
used to clean non-metal parts of the fuel pump.
Avoid breathing of vapors.
Typical Filter
Location

4.47
CARBURETOR - SPORTSMAN 450
4
6. Remove the 5 screws that secure the fuel sender to the tank.
7. Slowly lift the sender out of the tank. Lift the sender out at
an angle, so the float will more easily come out of the fuel
tank.
Testing
Refer to Chapter 10 for fuel gauge sending unit troubleshooting.
Sending Unit Installation
1. Reinstall the fuel sender with a new gasket, using care not
to bend or damage the float arm.
2. Install the 5 screws and torque the screws to specification.
Reconnect the sender and route the harness properly.
3. Reinstall the PVT intake duct, gas tank vent line, front cab
assembly, and side panels.
NOTE: Properly route the gas tank vent line, use
tape to secure the vent line in place. (See Pic 1).
4. Reconnect the negative battery cable. Test the sender for
proper operation.
TROUBLESHOOTING
FUEL STARVATION/LEAN MIXTURE
Symptoms: Hard start or no start, bog, backfire, popping
through intake / exhaust, hesitation, detonation, low power,
spark plug erosion, engine runs hot, surging, high idle, idle
speed erratic.
• No fuel in tank
• Restricted tank vent, or routed improperly
• Fuel lines or fuel valve restricted
• Fuel filter plugged
• Carburetor vent line(s) restricted
• Plugged or restricted inlet needle and seat screen
or inlet passage
• Clogged jets or passages
• Float stuck, holding inlet needle closed or inlet
needle stuck
• Float level too low
• Intake air leak ( throttle shaft, intake ducts, airbox
or air cleaner cover)
• Jet needle position incorrect
• Incorrect pilot screw adjustment
RICH MIXTURE
Symptoms: Fouls spark plugs, black, sooty exhaust smoke,
rough idle, poor fuel economy, engine runs rough/ misses, poor
performance, bog, engine loads up, backfire.
• Air intake restricted (inspect intake duct)
• Air filter dirty/plugged
• Electric choke inoperative
• Incorrect pilot air/fuel screw adjustment
• Faulty inlet needle and seat
• Faulty inlet needle seat O-Ring
• Float level too high
• Poor fuel quality (old fuel)
•Loose jets
• Worn jet needle/needle jet or other carburetor
parts
• Dirty carburetor (air bleed passages or jets)
= T
Sending Unit Screw Torque:
18--24 in.lbs. (2--3 Nm) in criss-cross pattern

4.48
CARBURETOR - SPORTSMAN 450
POOR IDLE
Idle Too High
• Idle adjusted improperly/idle mixture screw
damaged
• Sticky vacuum slide
• Throttle cable sticking, improperly adjusted, routed
incorrectly
• Choke cable sticking, improperly adjusted, routed
incorrectly
• Plugged or restricted idle jet
Idle Too Low
• Choke cable bending or incorrectly adjusted
• Idle speed set incorrectly
• Idle mixture screw misadjusted or damaged
• Belt dragging
• Ignition timing incorrect
• Worn jet needle/needle jet
• Plugged or restricted idle jet
Erratic Idle
• Choke cable bending or incorrectly adjusted
• Throttle cable incorrectly adjusted
• Air leaks, dirty carburetor passages (pilot circuit)
• Pilot mixture screw damaged or adjusted
incorrectly
• Tight valves
• Ignition timing incorrect
• Belt dragging
• Dirty air cleaner
• Engine worn
• Spark plug fouled
• Idle speed set incorrectly (speed limiter)
• Worn jet needle/needle jet
• Plugged or restricted idle jet

BODY / STEERING / SUSPENSION
5.1
CHAPTER 5
BODY / STEERING / SUSPENSION
5
GENERAL INFORMATION . . . . . . . . . . . . . . . . . . . . . . . . . . . . . . . . . . . . . . . . . . . . . . . . 5.2
TORQUE SPECIFICATIONS . . . . . . . . . . . . . . . . . . . . . . . . . . . . . . . . . . . . . . . . . . . . . . 5.2
SPECIAL TOOLS . . . . . . . . . . . . . . . . . . . . . . . . . . . . . . . . . . . . . . . . . . . . . . . . . . . . . . . 5.2
DECAL REPLACEMENT . . . . . . . . . . . . . . . . . . . . . . . . . . . . . . . . . . . . . . . . . . . . . . . . . 5.2
PLASTIC INSERT REMOVAL / INSTALLATION . . . . . . . . . . . . . . . . . . . . . . . . . . . . . . . 5.3
BODY. . . . . . . . . . . . . . . . . . . . . . . . . . . . . . . . . . . . . . . . . . . . . . . . . . . . . . . . . . . . . . . . . 5.4
SIDE PANEL REMOVAL . . . . . . . . . . . . . . . . . . . . . . . . . . . . . . . . . . . . . . . . . . . . . . . . . 5.4
FRONT COVER REMOVAL / INSTALLATION. . . . . . . . . . . . . . . . . . . . . . . . . . . . . . . . . 5.4
FOOT WELL REMOVAL / INSTALLATION . . . . . . . . . . . . . . . . . . . . . . . . . . . . . . . . . . . 5.5
X2 FOOT WELL REMOVAL / INSTALLATION. . . . . . . . . . . . . . . . . . . . . . . . . . . . . . . . . 5.5
FRONT STORAGE REMOVAL . . . . . . . . . . . . . . . . . . . . . . . . . . . . . . . . . . . . . . . . . . . . 5.6
FRONT STORAGE INSTALLATION . . . . . . . . . . . . . . . . . . . . . . . . . . . . . . . . . . . . . . . . 5.8
SPORTSMAN REAR RACK REMOVAL / INSTALLATION . . . . . . . . . . . . . . . . . . . . . . . 5.8
FRONT CAB/FENDER REMOVAL/INSTALLATION . . . . . . . . . . . . . . . . . . . . . . . . . . . . 5.9
SPORTSMAN REAR CAB / FENDER REMOVAL / INSTALLATION. . . . . . . . . . . . . . . 5.10
X2 REAR QUARTER PANEL REMOVAL / INSTALLATION . . . . . . . . . . . . . . . . . . . . . 5.10
SPORTSMAN REAR STORAGE REMOVAL / INSTALLATION . . . . . . . . . . . . . . . . . . 5.11
RADIATOR SCREEN REMOVAL. . . . . . . . . . . . . . . . . . . . . . . . . . . . . . . . . . . . . . . . . . 5.11
SPORTSMAN BODY ASSEMBLY EXPLODED VIEW. . . . . . . . . . . . . . . . . . . . . . . . . . 5.12
X2 BODY ASSEMBLY EXPLODED VIEW. . . . . . . . . . . . . . . . . . . . . . . . . . . . . . . . . . . 5.13
BODY RACK EXPLODED VIEWS . . . . . . . . . . . . . . . . . . . . . . . . . . . . . . . . . . . . . . . . . 5.14
HEADLIGHT POD EXPLODED VIEW . . . . . . . . . . . . . . . . . . . . . . . . . . . . . . . . . . . . . . 5.15
STEERING . . . . . . . . . . . . . . . . . . . . . . . . . . . . . . . . . . . . . . . . . . . . . . . . . . . . . . . . . . . 5.16
HANDLEBAR BLOCK INSTALLATION PROCEDURE . . . . . . . . . . . . . . . . . . . . . . . . . 5.16
STEERING / A-ARM EXPLODED VIEW . . . . . . . . . . . . . . . . . . . . . . . . . . . . . . . . . . . . 5.17
A-ARM REPLACEMENT . . . . . . . . . . . . . . . . . . . . . . . . . . . . . . . . . . . . . . . . . . . . . . . . 5.18
BALL JOINT REPLACEMENT . . . . . . . . . . . . . . . . . . . . . . . . . . . . . . . . . . . . . . . . . . . . 5.19
STEERING POST REMOVAL . . . . . . . . . . . . . . . . . . . . . . . . . . . . . . . . . . . . . . . . . . . . 5.20
STEERING POST ASSEMBLY . . . . . . . . . . . . . . . . . . . . . . . . . . . . . . . . . . . . . . . . . . . 5.20
SUSPENSION . . . . . . . . . . . . . . . . . . . . . . . . . . . . . . . . . . . . . . . . . . . . . . . . . . . . . . . . . 5.20
FRONT STRUT CARTRIDGE REPLACEMENT . . . . . . . . . . . . . . . . . . . . . . . . . . . . . . 5.20
STRUT ASSEMBLY . . . . . . . . . . . . . . . . . . . . . . . . . . . . . . . . . . . . . . . . . . . . . . . . . . . . 5.21
SPORTSMAN REAR SUSPENSION ASSEMBLY. . . . . . . . . . . . . . . . . . . . . . . . . . . . . 5.22
X2 REAR SUSPENSION EXPLODED VIEW . . . . . . . . . . . . . . . . . . . . . . . . . . . . . . . . . 5.23
X2 TORSION BAR EXPLODED VIEW. . . . . . . . . . . . . . . . . . . . . . . . . . . . . . . . . . . . . . 5.24
X2 CARGO BOX . . . . . . . . . . . . . . . . . . . . . . . . . . . . . . . . . . . . . . . . . . . . . . . . . . . . . . . 5.25
EXPLODED VIEW . . . . . . . . . . . . . . . . . . . . . . . . . . . . . . . . . . . . . . . . . . . . . . . . . . . . . 5.25
REMOVAL / INSTALLATION . . . . . . . . . . . . . . . . . . . . . . . . . . . . . . . . . . . . . . . . . . . . . 5.26
X2 SEAT ASSEMBLY . . . . . . . . . . . . . . . . . . . . . . . . . . . . . . . . . . . . . . . . . . . . . . . . . . . 5.28
EXPLODED VIEWS . . . . . . . . . . . . . . . . . . . . . . . . . . . . . . . . . . . . . . . . . . . . . . . . . . . . 5.28
X2 SEAT OPERATION - CONFIGURING CARGO BOX FOR PASSENGER RIDING . 5.29
DRIVER SEAT BACKREST REMOVAL / INSTALLATION . . . . . . . . . . . . . . . . . . . . . . 5.30
PASSENGER SEAT BACKREST REMOVAL / INSTALLATION . . . . . . . . . . . . . . . . . . 5.30

5.2
BODY / STEERING / SUSPENSION
GENERAL INFORMATION
Torque Specifications
NOTE: Refer to exploded views throughout this
chapter for identification and location of
components.
Special Tools
Decal Replacement
Flame Treating Decal Area
Plastic polyethylene material must be “flame treated" prior to
installing a decal to ensure good adhesion. The flame treating
procedure can often be used to reduce or eliminate the whitish
stress marks that are sometimes left after a fender or cab is bent,
flexed, or damaged.
1. Pass the flame of a propane torch back and forth quickly
over the area where the decal is to be applied until the
surface appears slightly glossy. This should occur after
just a few seconds of flame treating. Do not hold the torch
too close to the surface. Keep the torch moving to prevent
damage.
2. Apply the decal.
Table 5-1:
COMPONENT FT.LBS.
(IN.LBS.) NM
Front Hug Nut 70 95
Front A-Arm Attaching Bolt 30 41
Front A-Arm Ball Joint Stud Nut 25 35
Handlebar Adjuster Block 11-13 15-18
Master Cylinder Clamp Bolt (45-55) 5.2-6.3
Rear Shock Bolt (Upper) 30 41
Rear Shock Bolt (Lower) 30 41
Rear Wheel Hub Nut 80 108
Upper Stabilizer Support Nuts 17 27
Upper Control Arm Mounting Bolt 35 48
Lower Wheel Bearing Carrier Bolt 50 68
Strut Rod Retaining Nut (Top) 15 21
Strut Casting Pinch Bolt 15 21
Tie Rod End Jam Nut 12-14 17-19
Tie Rod End Castle Nut 40-45 54-61
Tie Rod End Attaching Bolt 25-30 35-41
Table 5-2:
PART NUMBER DESCRIPTION
2870871 Ball Joint Replacement Tool
2870872 Shock Spanner Wrench
2870623 Shock Absorber Spring Compression
Tool
2871572 Strut Rod Wrench
2871573 LH Strut Spring Compressor
2871574 RH Strut Spring Compressor
7052069 Charging Needle
2200421 Gas Shock Recharging Kit
2871352 Shock Rod Holding Tool
2871199 Seal Sleeve Installation Tool Kit
2870872 Shock Spanner Wrench
2871351 Fox Shock IFP Depth Tool
WARNING
The following procedure involves the use of an
open flame. Wear the appropriate safety equipment
at all times. Perform this procedure in a well
ventilated area, away from gasoline or other
flammable materials. Verify the area to be flame
treated is clean and free of gasoline or flammable
residue.

5.3
BODY / STEERING / SUSPENSION
5
Plastic Insert Removal / Installation
Some Polaris ATVs use a two piece plastic insert in place of a
metal screw. The plastic inserts are simple to remove and install.
1. Use a a pair of diagonal side cutters to lift the plastic insert
(A) until you feel some slight pressure or lift the insert
approximately 1/4" (6.35 mm). Apply just enough
pressure on the side cutters to lift up on the insert. DO
NOT apply too much pressure on the side cutters, or
damage to the insert will occur.
2. Next, use the diagonal side cutters under outside insert (B)
to completely remove the assembly. NOTE: The inside
insert (A) will still be installed in the outside insert (B).
NOTE: The inside insert (A) will still be installed in
the outside insert (B).
3. To install the inserts, press outside insert (B) into the hole.
Press inside insert (A) until it snaps into place.
NOTE: The outside insert (B) should be flush
surface after installation.
The inside insert (A) should be flush with the top of the outside
insert (B).
A
B
A
B

5.4
BODY / STEERING / SUSPENSION
BODY
Side Panel Removal
Side panel removal is quick and easy, use the following
instructions for removal and installation.
1. Remove seat by releasing the latch and lifting up on the
seat.
2. Grasp the rear of the side panel near the rear cab. With a
firm motion, pull the panel outward to disengage the side
panel from the grommet. Pull the panel downward and
rearward to remove it from the ATV.
3. Reinstall the side panel by reversing the removal procedure.
Front Cover Removal / Installation
1. Open the front storage compartment
2. Pull up and outward on the front cover to remove the cover.
3. To install the front cover, insert the tabs of the front cover
into the inserts of the cab. Make sure the tabs are aligned
with the slots. Then press the rear tabs into the slots.
Step 1
Step 2
Step 3

5.5
BODY / STEERING / SUSPENSION
5
Foot Well Removal / Installation
1. Remove the four plastic inserts (A) that secure the wheel
well to the front and rear cabs. (See “PLASTIC INSERT
REMOVAL / INSTALLATION” for help).
2. Remove the four screws (B) from the bottom of the foot
well. Remove the footwell.
3. Reverse the removal procedures to install the foot well. Be
sure to properly align the cab ends into the foot wells upon
reassembly.
X2 Foot Well Removal / Installation
1. Remove the four plastic inserts (A) that secure the wheel
well to the front and rear cabs. (See “PLASTIC INSERT
REMOVAL / INSTALLATION” for help).
2. Remove the six screws (B) from the bottom of the foot well.
Remove the footwell.
3. Reverse the removal procedures to install the foot well. Be
sure to properly align the cab ends into the foot wells upon
reassembly.
A
B
A
18 in.lbs. (
A
B
A

5.6
BODY / STEERING / SUSPENSION
Front Storage Removal
1. Remove the front radiator cap cover (A) by lifting upward
on the cover.
2. Remove the four bolts that secure the storage rack to the
frame.
3. Remove the two (T25) screws that secure the storage box
to the front fender well areas (each side).
4. Remove the two (T25) screws that secure the outside of the
storage box to the front fenders (each side).
Front Storage
T-25 Screws
A
Remove Bolts
Remove Bolts
T-25 Screws

5.7
BODY / STEERING / SUSPENSION
5
Winch Installation Area
5. Remove the front cover piece by lifting up on sides of the
two locking tabs as shown. Pull the tabs out of the notches
and lift up on the cover piece.
To install the front cover place top lip of the cover into and lift
up to remove.
6. Remove the front headlights (C) or simply disconnect the
electric connector (D) before removing the front plastic
bumper.
7. Remove the remaining bolts and screws that secure the
front bumper section to the frame.
Pull Out to Remove
1. Place Lip In Groove Groove Lip
2. Press in Tabs
CD

5.8
BODY / STEERING / SUSPENSION
Front Storage Installation
1. Place the front storage rack onto the frame.
2. Install the four bolts (A) into the inside of the compartment
hand tight.
3. Install the four screws and washers (B) (T-25) under the
fender area (2 each side).
4. Install the four screws (C) (T-25) into the front fender area
of the storage box (2 each side).
5. Install the two screws (D) into the rear area of the cab (if
removed).
6. Install the two plastic inserts (E) into the front cab (if
removed).
7. Torque all bolts and screws according to the illustration.
8. Install the front radiator cap cover (E) .
Sportsman Rear Rack Removal / Installation
1. Remove the six (A) T27 screws and two bolts (B) that
secure the rear rack to the rear cab and frame.
2. Lift the rear rack from the ATV. Remove the two rack
spacers (C).
Front Storage
A
BCCB
D
E
inserts
T-25 Screw
A. 14 ft.lbs. (19 Nm)
B. 10 in.lbs. (1.13 Nm)
C. 10 in.lbs. (1.13 Nm)
D. 24 in.lbs (2.7 Nm)
E
F
T-27 Screw
A. 36 in.lbs. (4 Nm) B. 18 in.lbs. ( 2 Nm)
A
A
A
AB
B
C
C

5.9
BODY / STEERING / SUSPENSION
5
3. Place spacers on frame.
4. Install rear rack onto rear frame and cab.
5. Install the two bolts (B) and six (A) T-27 screws. Torque
the bolts (A) to 18 in.lbs. (2 Nm) and six T-27 screws to 36
in.lbs. (4 Nm). Refer to the illustration for torque values.
Front Cab/Fender Removal/Installation
1. Follow the “FRONT RACK / BUMPER REMOVAL”
section to begin removal of the front cab, rack, and
bumper.
2. Remove the plastic inserts (A) that secure the front cab to
the upper strut support.
3. Remove the two screws (B) that secure the front cab to the
frame in the fuel tank mount area.
4. Remove the side panels (D), refer to the “SIDE PANEL
REMOVAL” section.
5. Remove the plastic inserts (E) that secure the front of the
foot wells to the front cab.
6. Remove the fuel cap and place a clean lint free shop towel
into the tank neck to keep any debris from falling into the
tank.
7. The front cab should now slide back over the fuel tank and
fuel tank neck.
NOTE: When removing the front cab use caution so
the plastic cab does not scratch or get caught on
other components.
8. Reverse the removal steps for installation. Torque two
front cab to frame screws to specification.
A
= T
Cab to Frame Screws
24 in.lbs. (2.7 Nm)
B
B
A
D
E

5.10
BODY / STEERING / SUSPENSION
Sportsman Rear Cab / Fender Removal /
Installation
1. Follow the “REAR RACK REMOVAL” procedure to
remove the rear rack.
2. Remove the three screws (A) (T-25) that secure the rear cab
to the storage container.
3. Remove the ten plastic inserts that secure the rear cab to the
frame and plastic.
4. Disconnect the rear lights by pulling the locks on each side
and removing the connectors. Lift the rear cab from the
frame.
5. Reverse the removal steps for installation.
X2 Rear Quarter Panel Removal / Installation
1. Remove the seat.
2. Remove the plastic inserts (circled) that secure the quarter
panel to the rear footwell. (See “PLASTIC INSERT
REMOVAL / INSTALLATION” for information).
3. Reverse the removal procedures to install the quarter
panels. Verify panels are properly aligned to the footwell
end upon reassembly.
A
T-25 - 6 in.lbs.
Remove plastic dart inserts.
Remove Connectors
Lock

5.11
BODY / STEERING / SUSPENSION
5
Sportsman Rear Storage Removal /
Installation
1. Follow the “REAR RACK REMOVAL” and “REAR
CAB REMOVAL” procedure to remove the rear storage
compartment. After the rear cab is removed the storage
compartment comes out.
2. Remove the two plastic inserts that hold the rear storage
compartment in place.
3. For installation, reverse the removal steps.
4. Torque the three T-25 screws that hold the rear storage to
the rear cab to specification.
Radiator Screen Removal
1. Pull out slightly on the top of the radiator screen.
2. With the top free, pull out on the bottom of the screen to
remove the screen.
3. To install the screen, simply press the tabs on the screen
back into the mounting grommets. Be sure the screen is
securely in place.
= T
T-25 Screw Torque
6 in. lbs. (0.70 Nm)

5.12
BODY / STEERING / SUSPENSION
Sportsman Body Assembly Exploded View
Rear Cab Assembly Pull UP on rear of seat and
back to disengage tabs at front
of seat.
Seat Latch
Rear Cab
Storage
Frame
Wheelwell
Frame
Front Brush Guard
Support
Side Cover
Splash Shields
Front Cab
Front Cover
Front Cab Assembly

5.13
BODY / STEERING / SUSPENSION
5
X2 Body Assembly Exploded View
Rear Cab Assembly
Frame
Front Brush Guard
Support
Side Cover
Splash Shields
Front Cab
Front Cover
Front Cab Assembly
Footwell
Frame
RH Rear Cab
Footwell Support

5.14
BODY / STEERING / SUSPENSION
Body / Rack Exploded Views
Rack Rails
Rear Rack
Rear Rack Support
Frame
Front Brush Guard
Radiator Shield
Radiator Screen
Grill
Front Bumper
Panel
Rack Rails
Box Assembly
Cover
Sportsman Only

5.15
BODY / STEERING / SUSPENSION
5
Headlight Pod Exploded View
Disassembly
• Remove two side Phillips screws (A)
• Remove one rear Phillips screw (B)
• Lift top half of pod
• Disconnect instrument cluster wire connectors
• Disconnect work light switch connector
• Disconnect 12Vdc power plug (G)
• Disconnect headlight harness
• Remove ignition switch (C) and choke cable (D)
• Remove headlight (F) with adjuster
• Remove two screws securing bottom half of pod (E)
Assembly
• Install bottom of pod onto handlebar and secure to
brackets
• Install key switch, choke cable, and headlight
• Connect 12Vdc power outlet (where applicable)
• Connect headlight
• Connect instrument cluster connectors to instrument
cluster
• Install top of pod onto bottom half, making sure
interlocking tabs mate properly
• Install two side Phillips screws
• Install one rear Phillips screw
• To adjust headlight, refer to procedure outlined in
Chapter 2
Worklight Switch
Instrument
Cluster A
A
F
B
C
C
E
D
Brake
Clean knurling when
repositioning handlebars
Wheel Speed Sensor - Sportsman
G
ETC
(X2 Speed Sensor Located on Transmission)

5.16
BODY / STEERING / SUSPENSION
STEERING
Handlebar Block Installation Procedure
1. The pin (A) on the bottom side of the top handlebar block faces down and to the front of the ATV.
2. The bottom handle bar block has a side with 3 holes, the side with 3 holes faces up and to the front of the ATV.
3. Align the pin (A) in the top block with the middle hole (B) in the bottom block for proper installation. The pin (A) and middle
hole (B) should face the front of the ATV.
4. Install the pin side bolts first and evenly tighten the bolts down. Evenly torque the 2 front bolts to specification.
5. Install the rear bolts and tighten evenly. Evenly torque the 2 rear bolts to specification.
NOTE: There will be a slight gap on the backside of the blocks after the procedure is performed.
= T
Handle Bar Bolt Torque
11-13 ft.lbs.(15-18 Nm)
A
Clean knurling when
repositioning handlebars
B

5.17
BODY / STEERING / SUSPENSION
5
Steering / A-arm Exploded View
NOTE: To avoid damage to tie rods and other steering components, be sure to install tie rod end bolts in the
proper direction. The steering post arm bolt (B) points up; the rod end bolts (A) point down. Verify inner rod
ends are placed between the steering post arms.
Apply Loctite 242 to bolt threads.
8 ft.lbs. (11 Nm)
25 ft.lbs. (35 Nm)
2
2
2
Always use new cotter pins upon
reassembly. Install with open end
toward rear of machine.
1Always use new bolts
upon reassembly.
1
1
25-30 ft.lbs.
(35-41 Nm)
Steering Post
Steering Post Arm
12-14 ft.lbs. (17-19 Nm)
A
30 ft.lbs. (41 Nm)
40-45 ft.lbs. (54-61 Nm)
30 ft.lbs. (41 Nm)
3
3
B

5.18
BODY / STEERING / SUSPENSION
A-Arm Replacement
1. Elevate and safely support vehicle with weight removed from front wheel(s).
2. Remove cotter pin from ball joint stud at wheel end of A-arm and loosen nut until it is flush with end of stud.
3. Using a soft face hammer, tap nut to loosen A-arm from bolt. Remove nut and A-arm from hub strut assembly.
4. Loosen two bolts on A-arm tube by alternating each about 1/3 of the way until A-arm can be removed.
5. Examine A-arm shaft. Replace if worn. Discard hardware.
6. Insert A-arm shaft into new A-arm.
7. Install CV joint shields.
8. Install new A-arm assembly onto vehicle frame. Torque new bolts to specification.
9. Attach A-arm to hub strut assembly. Tighten ball joint nut to specification. If cotter pin holes are not aligned, tighten nut
slightly to align. Install a new cotter pin with open ends toward rear of machine. Bend both ends in opposite directions around nut
= T
A-Arm Bolt Torque: 30 ft. lbs. (41.4 Nm)
WARNING
The locking features on the existing bolts were
destroyed during removal. DO NOT reuse old
bolts. Serious injury or death could result if
fasteners come loose during operation.
= T
Ball Joint Nut Torque: 25 ft. lbs. (35 Nm)
WARNING
Upon A-arm installation completion, test vehicle at
low speeds before putting into regular service.
30 ft.lbs. (41 Nm)
A-arm Shaft
Apply Loctite 242
to the bolt threads.
Vehicle Frame Bolt - 30 ft.lbs. (41 Nm)
Bushing Ball Joint Stud
8 ft.lbs. (11 Nm)
Cotter Pin - (Install New)
25 ft.lbs. (35 Nm)
A-Arm Tube

5.19
BODY / STEERING / SUSPENSION
5
Ball Joint Replacement
NOTE: Refer to the illustration on the previous page
for this procedure.
1. Loosen front wheel nuts slightly.
2. Elevate and safely support machine under footrest/frame
area.
3. Remove wheel nuts and wheels.
4. Remove cotter pin (A) from ball joint castle nut (B).
5. Remove castle nut (B) and separate A-arm (C) from ball
joint stud.
6. Remove screws (D) and ball joint retaining plate (E).
7. Use the Ball Joint Replacement Tool (PN 2870871),
remove ball joint (F) from strut housing. Refer to photos.
8. Install puller guide (G) with extension cap (H).
9. Apply grease to extension cap and threads of puller bolt to
ease removal.
10. Thread bolt (J) with nut (I) onto ball joint stud as shown.
11. Apply heat to ease removal.
12. Hold bolt (J) and turn nut (I) clockwise until ball joint is
removed from strut housing.
13. To install a new ball joint, Remove extension cap and
attach puller guide using short bolts provided in the kit.
14. Remove extension cap and attach puller guide using short
bolts provided in the kit.
15. Insert new ball joint (K) into driver (L).
16. Slide ball joint/driver assembly into guide.
17. Apply heat to ease installation.
18. Drive new joint into strut housing until fully seated.
19. Apply Loctite 242 (PN 2871949) to threads of retaining
plate screws or install new screws with pre-applied locking
agent. Torque screws to specification.
20. Install A-arm on ball joint and torque castle nut to
specification.
21. Reinstall cotter pin with open ends toward rear of machine.
CAUTION
Serious injury may result if machine tips or falls. Be
sure machine is secure before beginning this
service procedure.
F
E
DA
B
G
H
I
J
= T
Retaining Screw Torque: 8 ft. lbs. (11 Nm)
= T
Castle Nut Torque: 25 ft. lbs. (35 Nm)
K
L

5.20
BODY / STEERING / SUSPENSION
Steering Post Removal
1. Remove the front cab.
2. Remove the handle bar pod.
3. Remove the handle bar.
4. Remove the fuel tank bracket assembly.
5. Remove the steering tie rod ends from the steering bracket.
Note the orientation of the fasteners and bracket on the
steering assembly.
6. Remove the steering post nut (A) at the mount plate.
7. Remove the top steering bracket .
8. Remove the steering post.
Steering Post Assembly
1. Hand tighten steering post slotted nut (A).
2. Align the cotter pin hole on the steering post slotted nut (A).
3. Install the cotter pin (B). Bend both ends of the cotter pin
around the slotted nut (A) in opposite directions.
4. Check the steering, the handle bars must move freely and
easily from full left to full right without binding.
SUSPENSION
Front Strut Cartridge Replacement
NOTE: Refer to illustration on following page.
1. Hold strut rod and remove top nut.
2. Remove upper strut pivot assembly.
3. Compress spring using any commercially available spring
compressor tool and remove the spacer nut.
4. Remove coil spring and collapse strut cartridge.
5. Remove two pinch bolts from strut casting.
6. Remove strut cartridge.
7. Install cartridge until bottomed in strut casting.
8. Install pinch bolts with wire clamp(s). Torque pinch bolts
to specification.
9. Reassemble spring and top pivot assembly. Be sure all
parts are installed properly and seated fully.
10. Torque strut rod nut to specification. Do not over torque
the nut.
12 ft.lbs. (16 Nm)
Strut Rod Wrench:
(PN 2871572)
Strut Spring Compressor Tools:
(PN 2871573) and (PN 2871574)
= T
Pinch Bolt Torque:
15 ft. lbs. (21 Nm)
= T
Strut Rod Nut Torque:
15 ft. lbs. (21 Nm)

5.21
BODY / STEERING / SUSPENSION
5
Strut Assembly
Nut - 15 ft.lbs.
(21 Nm)
Washer
Spacer Rubber
Upper Pivot Ball
Spacer Nut
Lower Pivot Ball
Spring Retainer
Spring
Strut Bumper
Strut
Washer
Bolts
Hubstrut Bearing
Retaining Ring
Brake Caliper
18 ft.lbs. (25 Nm)
Clamp
15 ft.lbs. (21
Nm)

5.22
BODY / STEERING / SUSPENSION
Sportsman Rear Suspension Assembly
17 ft.lbs. (24 Nm)
Stabilizer Bar
35 ft.lbs. (48 Nm)
30 ft.lbs.
(41 Nm)
Rear Shock
Lower Control Arm
Bushings
35 ft.lbs. (48 Nm)
Upper Control Arm
30 ft.lbs.
(41 Nm)
Rear Front
1
Orientate Bushings
Correctly
1
1
35 ft.lbs.
(48 Nm)
Bushing Orientation
50 ft.lbs.
(68 Nm)

5.23
BODY / STEERING / SUSPENSION
5
X2 Rear Suspension Exploded View
Upper Control Arm
Lower Control Arm
Rear Shock Bushings
Rear Compression Spring
Preload Adjustment Cam
A-Arm Shaft
Wheel Bearing Carrier
Grease Zerk
Boot Shield
Control Arm Pivot Bracket

5.24
BODY / STEERING / SUSPENSION
X2 Torsion Bar Exploded View
Linkage Bushing Stabilizer Bar
Torsion Mount
Linkage Asm.
Bushing
Stabilizer Bushing

5.25
BODY / STEERING / SUSPENSION
5
X2 CARGO BOX
Exploded View

5.26
BODY / STEERING / SUSPENSION
Removal / Installation
IMPORTANT: Before attempting to remove the cargo
box, be sure that the cargo box is not set up for 2-UP
riding. The passenger backrest should be face down
in the cargo box and the driver seat backrest should
be locked into position.
1. Open the tailgate and remove the 2 torx head screws (A)
securing the rear taillights on each side of the cargo box as
illustrated below.
2. Remove the taillight assembly from the cargo box.
3. Disconnect the two wire harnesses connected to each of
the taillights.
4. Carefully pull out the red locking tab on the connector.
5. Once the red tab is pulled out, press in on the black tab and
pull out to disconnect harness.
A
CAUTION
Use caution when disconnecting the smaller light
bulb. Follow the procedure below to keep from
damaging the connector. Damaging a connector
may require wire harness replacement.
Black Tab
Red Tab

5.27
BODY / STEERING / SUSPENSION
5
6. Lift up firmly in the cargo box release lever on either side
of the ATV.
7. Remove the four bolts attaching the rear of the cargo box
to the frame. There are two on each side.
8. Support the cargo box and remove the clip and pin holding
the gas shock to the cargo box.
9. Carefully remove the cargo box from the ATV.
10. Reverse the removal steps to reinstall the cargo box. Refer
to the standard fastener torque values in Chapter 1 during
assembly.
See “Standard Torque Specifications” on page 1.12.
Clip Pin

5.28
BODY / STEERING / SUSPENSION
X2 SEAT ASSEMBLY
Exploded Views

5.29
BODY / STEERING / SUSPENSION
5
X2 Seat Operation - Configuring Cargo Box
For Passenger Riding
1. Unlatch the driver seat backrest by turning the engagement
knobs on each side in the directions shown below.
2. While pulling the backrest towards the front of the ATV,
lift up on the passenger backrest loop that is face down in
the cargo box.
3. Lift the passenger backrest up and into place, then lay the
driver seat backrest down into place
4. Fold the driver seat backrest down into place to serve as the
passenger seat bottom.
5. Lift the latch on the passenger backrest to set the proper
backrest height desired by the passenger.
A
B
Passenger Backrest
Driver Seat Backrest
A
B
Passenger Backrest
Driver Seat Backrest / Passenger Seat Bottom

5.30
BODY / STEERING / SUSPENSION
Driver Seat Backrest Removal / Installation
1. Configure the seating for 2-UP riding. With the passenger
seat bottom in place, remove the two screws retaining the
seat bottom.
2. Remove the two pivot pins holding the seat bottom to the
frame and then lift up on the seat bottom to remove.
3. For installation, reverse the removal steps.
Passenger Seat Backrest Removal /
Installation
1. Configure the seating for 2-UP riding. Lift up on the latch
for the passenger backrest and lift the backrest to the full
up position.
2. Lift up on the latch for the passenger seat bottom and lock
it in the upright position as shown below.
3. Remove the two screws retaining the passenger backrest.
4. Remove the two pivot pins holding the backrest to the
frame.
5. Lift up on the backrest latch and tilt the backrest in towards
the cargo box and lift up to remove it.
6. For installation, reverse the removal steps.

CLUTCH SYSTEM
6.1
CHAPTER 6
CLUTCH SYSTEM
6
SPECIAL TOOLS AND SPECIFICATIONS. . . . . . . . . . . . . . . . . . . . . . . . . . . . . . . . . . . . 6.2
SPECIAL TOOLS . . . . . . . . . . . . . . . . . . . . . . . . . . . . . . . . . . . . . . . . . . . . . . . . . . . . . . . 6.2
COMPONENT FASTENER TORQUES . . . . . . . . . . . . . . . . . . . . . . . . . . . . . . . . . . . . . . 6.2
PVT EXPLODED VIEWS. . . . . . . . . . . . . . . . . . . . . . . . . . . . . . . . . . . . . . . . . . . . . . . . . . 6.3
PVT SEALING AND DUCTING COMPONENTS . . . . . . . . . . . . . . . . . . . . . . . . . . . . . . . 6.3
DRIVE CLUTCH EXPLODED VIEW. . . . . . . . . . . . . . . . . . . . . . . . . . . . . . . . . . . . . . . . . 6.3
ENGINE BRAKING SYSTEM (EBS) EXPLODED VIEW . . . . . . . . . . . . . . . . . . . . . . . . . 6.4
EBS DRIVEN CLUTCH EXPLODED VIEW . . . . . . . . . . . . . . . . . . . . . . . . . . . . . . . . . . . 6.5
PVT SYSTEM . . . . . . . . . . . . . . . . . . . . . . . . . . . . . . . . . . . . . . . . . . . . . . . . . . . . . . . . . . 6.6
PVT OPERATION OVERVIEW . . . . . . . . . . . . . . . . . . . . . . . . . . . . . . . . . . . . . . . . . . . . 6.6
DRIVE CLUTCH OPERATION. . . . . . . . . . . . . . . . . . . . . . . . . . . . . . . . . . . . . . . . . . . . . 6.6
DRIVEN CLUTCH OPERATION. . . . . . . . . . . . . . . . . . . . . . . . . . . . . . . . . . . . . . . . . . . . 6.6
EBS CLUTCH OPERATION. . . . . . . . . . . . . . . . . . . . . . . . . . . . . . . . . . . . . . . . . . . . . . . 6.7
PVT MAINTENANCE / INSPECTION. . . . . . . . . . . . . . . . . . . . . . . . . . . . . . . . . . . . . . . . 6.7
DRIVE CLUTCH SPRING. . . . . . . . . . . . . . . . . . . . . . . . . . . . . . . . . . . . . . . . . . . . . . . . . 6.8
OPTIONAL SHIFT WEIGHTS. . . . . . . . . . . . . . . . . . . . . . . . . . . . . . . . . . . . . . . . . . . . . . 6.9
PVT DRYING . . . . . . . . . . . . . . . . . . . . . . . . . . . . . . . . . . . . . . . . . . . . . . . . . . . . . . . . . 6.10
PVT DISASSEMBLY. . . . . . . . . . . . . . . . . . . . . . . . . . . . . . . . . . . . . . . . . . . . . . . . . . . . 6.10
PVT INSTALLATION . . . . . . . . . . . . . . . . . . . . . . . . . . . . . . . . . . . . . . . . . . . . . . . . . . . 6.11
DRIVE BELT REMOVAL / INSPECTION . . . . . . . . . . . . . . . . . . . . . . . . . . . . . . . . . . . . 6.12
DRIVE BELT INSTALLATION . . . . . . . . . . . . . . . . . . . . . . . . . . . . . . . . . . . . . . . . . . . . 6.13
CLUTCH ALIGNMENT . . . . . . . . . . . . . . . . . . . . . . . . . . . . . . . . . . . . . . . . . . . . . . . . . . 6.14
CLUTCH OFFSET . . . . . . . . . . . . . . . . . . . . . . . . . . . . . . . . . . . . . . . . . . . . . . . . . . . . . 6.14
EBS DRIVE CLUTCH SERVICE . . . . . . . . . . . . . . . . . . . . . . . . . . . . . . . . . . . . . . . . . . . 6.15
DRIVE CLUTCH DISASSEMBLY. . . . . . . . . . . . . . . . . . . . . . . . . . . . . . . . . . . . . . . . . . 6.15
SPIDER REMOVAL . . . . . . . . . . . . . . . . . . . . . . . . . . . . . . . . . . . . . . . . . . . . . . . . . . . . 6.15
BUTTON TO TOWER CLEARANCE INSPECTION. . . . . . . . . . . . . . . . . . . . . . . . . . . . 6.17
SHIFT WEIGHT INSPECTION . . . . . . . . . . . . . . . . . . . . . . . . . . . . . . . . . . . . . . . . . . . . 6.17
DRIVE CLUTCH INSPECTION . . . . . . . . . . . . . . . . . . . . . . . . . . . . . . . . . . . . . . . . . . . 6.17
MOVEABLE SHEAVE BUSHING INSPECTION . . . . . . . . . . . . . . . . . . . . . . . . . . . . . . 6.18
DRIVE CLUTCH BUSHING SERVICE . . . . . . . . . . . . . . . . . . . . . . . . . . . . . . . . . . . . . . 6.18
ONE-WAY CLUTCH INSPECTION (DRIVE CLUTCH) . . . . . . . . . . . . . . . . . . . . . . . . . 6.20
DRIVE CLUTCH REASSEMBLY . . . . . . . . . . . . . . . . . . . . . . . . . . . . . . . . . . . . . . . . . . 6.20
EBS DRIVEN CLUTCH SERVICE. . . . . . . . . . . . . . . . . . . . . . . . . . . . . . . . . . . . . . . . . . 6.22
DRIVEN CLUTCH DISASSEMBLY . . . . . . . . . . . . . . . . . . . . . . . . . . . . . . . . . . . . . . . . 6.22
DRIVEN CLUTCH BUSHING REMOVAL/INSTALLATION . . . . . . . . . . . . . . . . . . . . . . 6.24
EBS DRIVEN CLUTCH REASSEMBLY. . . . . . . . . . . . . . . . . . . . . . . . . . . . . . . . . . . . . 6.25
STANDARD DRIVE CLUTCH . . . . . . . . . . . . . . . . . . . . . . . . . . . . . . . . . . . . . . . . . . . . . 6.28
DRIVE CLUTCH DISASSEMBLY. . . . . . . . . . . . . . . . . . . . . . . . . . . . . . . . . . . . . . . . . . 6.28
SPIDER REMOVAL . . . . . . . . . . . . . . . . . . . . . . . . . . . . . . . . . . . . . . . . . . . . . . . . . . . . 6.29
BUTTON TO TOWER CLEARANCE INSPECTION. . . . . . . . . . . . . . . . . . . . . . . . . . . . 6.30
SHIFT WEIGHT INSPECTION . . . . . . . . . . . . . . . . . . . . . . . . . . . . . . . . . . . . . . . . . . . . 6.30
DRIVE CLUTCH REASSEMBLY . . . . . . . . . . . . . . . . . . . . . . . . . . . . . . . . . . . . . . . . . . 6.31
SHEAVE / BUSHING INSPECTION. . . . . . . . . . . . . . . . . . . . . . . . . . . . . . . . . . . . . . . . 6.32
STANDARD DRIVEN CLUTCH. . . . . . . . . . . . . . . . . . . . . . . . . . . . . . . . . . . . . . . . . . . . 6.33
DISASSEMBLY. . . . . . . . . . . . . . . . . . . . . . . . . . . . . . . . . . . . . . . . . . . . . . . . . . . . . . . . 6.33
INSPECTION . . . . . . . . . . . . . . . . . . . . . . . . . . . . . . . . . . . . . . . . . . . . . . . . . . . . . . . . . 6.33
ASSEMBLY . . . . . . . . . . . . . . . . . . . . . . . . . . . . . . . . . . . . . . . . . . . . . . . . . . . . . . . . . . 6.34
PVT TROUBLESHOOTING. . . . . . . . . . . . . . . . . . . . . . . . . . . . . . . . . . . . . . . . . . . . . . . 6.35
OVERHEATING . . . . . . . . . . . . . . . . . . . . . . . . . . . . . . . . . . . . . . . . . . . . . . . . . . . . . . . 6.35
PROBLEM, CAUSE AND REMEDY CHART . . . . . . . . . . . . . . . . . . . . . . . . . . . . . . . . . 6.36

6.2
CLUTCH SYSTEM
SPECIAL TOOLS AND
SPECIFICATIONS
Special Tools
Component Fastener Torques
TOOL DESCRIPTION PART NUMBER
Clutch Puller 2870506
Clutch Holding Wrench 9314177
Clutch Holding Fixture 2871358
Spider Nut Socket 2870338
Drive Clutch Spider Removal
& Install Tool 2870341
Driven Clutch Puller 2870913
Roller Pin Tool 2870910
Clutch Bushing Replacement
Tool Kit 2871226
Piston Pin Puller 2870386
EBS Clutch Alignment Tool 2872292
EBS Bushing Replacement Kit 2201379
Clutch Compression Tool 8700220
Clutch Bushing Replacement
Tool Kit 2871025
Clutch Compression Tool
Extensions PS-45909
COMPONENT FT.LBS.
(IN.LBS.) NM
Drive Clutch Retaining Bolt 40 54
Driven Clutch Retaining
Bolt 17 23
PVT Inner Cover Bolts 12 16
Drive Clutch Spider EBS
Clutch 200 271
Drive Clutch Spider Lock
Nut 15 20.3
Drive Clutch Cover Plate (90) 10

6.3
CLUTCH SYSTEM
6
PVT EXPLODED VIEWS
PVT Sealing And Ducting Components
Drive Clutch Exploded Views (Standard and Deluxe)
Clutch Inlet Duct
Clamps
Boot Duct
Clutch Cover
Clutch Cover Seal
Seal Retainer Bracket
Inner Seal Cover
Inner Clutch Cover
Transmission Cover Seal
NON-EBS
One Way Clutch
“Standard” Models
“Deluxe” Models
EBS

6.4
CLUTCH SYSTEM
Driven Clutch Exploded Views (Standard and Deluxe)
STANDARD - NON EBS
1. Torx Screw
2. Cam Assembly
3. Retaining Ring
4. E-clip
5. Washer
6. Roller
7. Outer Spider
8. Spring
9. Shaft
10. Thrust Washer
11. Moveable Sheave
12. Roller Pin
13. Spring Pin
14. Stationary Sheave
15. Bearing
16. Retaining Ring
17. Retaining Ring
18. Inner Spider Plate
19. Spider Dampener
20. Clutch Roller
DELUXE - EBS

6.5
CLUTCH SYSTEM
6
Engine Braking System (EBS) Exploded View
Washer
One Way Clutch Drive
Washer
Spacer
Shift Weights
Roller/Bushing
Assembly - Torque
200 ft.lbs.
Spider Lock Nut
Coil Spring
Bushing Cover
Drive Belt
Cam Assembly
Retaining Ring
Spider Assembly
Compression Spring
Clutch Shaft
Spacer Washer
Sheaves
Clutch Rollers
Bearing
Retaining Rings

6.6
CLUTCH SYSTEM
PVT SYSTEM
PVT Operation Overview
The Polaris Variable Transmission (PVT) consists of three
major assemblies: 1) The Drive Clutch; 2) The Driven Clutch;
and 3) The Drive Belt. The internal components of the drive
clutch and driven clutch control engagement (initial vehicle
movement), clutch upshift and backshift. During the
development of a Polaris ATV, the PVT system is matched first
to the engine power curve; then to average riding conditions and
the vehicle's intended usage. Therefore, modifications or
variations of components at random are never recommended.
Proper clutch setup and careful inspection of existing
components must be the primary objective when
troubleshooting and tuning.
Drive Clutch Operation
Drive clutches primarily sense engine RPM. The two major
components which control its shifting function are the shift
weights and the coil spring. Whenever engine RPM is
increased, centrifugal force is created, causing the shift weights
to push against rollers on the moveable sheave, which is held
open by coil spring preload. When this force becomes higher
than the preload in the spring, the outer sheave moves inward
and contacts the drive belt. This motion pinches the drive belt
between the spinning sheaves and causes it to rotate, which in
turn rotates the driven clutch.
At lower RPM, the drive belt rotates low in the drive clutch
sheaves. As engine RPM increases, centrifugal force causes the
drive belt to be forced upward on drive clutch sheaves.
Driven Clutch Operation
Driven clutches primarily sense torque, opening and closing
according to the forces applied to it from the drive belt and the
transmission input shaft. If the torque resistance at the
transmission input shaft is greater than the load from the drive
belt, the drive belt is kept at the outer diameter of the driven
clutch sheaves.
As engine RPM and horsepower increase, the load from the
drive belt increases, resulting in the belt rotating up toward the
outer diameter of the drive clutch sheaves and downward into
the sheaves of the driven clutch. This action, which increases
the driven clutch speed, is called upshifting.
Should the throttle setting remain the same and the vehicle is
subjected to a heavier load, the drive belt rotates back up toward
the outer diameter of the driven clutch and downward into the
sheaves of the drive clutch. This action, which decreases the
driven clutch speed, is called backshifting.
In situations where loads vary (such as uphill and downhill) and
throttle settings are constant, the drive and driven clutches are
continually shifting to maintain optimum engine RPM. At full
throttle a perfectly matched PVT system should hold engine
RPM at the peak of the power curve. This RPM should be
maintained during clutch upshift and backshift. In this respect,
the PVT system is similar to a power governor. Rather than vary
throttle position, as a conventional governor does, the PVT
system changes engine load requirements by either upshifting or
backshifting.
WARNING
All PVT maintenance or repairs should be
performed only by a certified Polaris Master Service
Dealer (MSD) technician who has received the
proper training and understands the procedures
outlined in this manual. Because of the critical
nature and precision balance incorporated into the
PVT components, it is absolutely essential that no
disassembly or repair be made without factory
authorized special tools and service procedures.

6.7
CLUTCH SYSTEM
6
EBS Clutch Operation
This EBS driven clutch provides the same engine braking
abilities as the EBS drive clutch.
When the ATV is moving the drivetrain turns in the direction of
engine rotation as the clutches, belt, and one-way clutches at the
same speed. When the drivetrain rotational speed exceeds the
one-way clutch rotation (see exploded view of drive clutch) , the
one-way clutch locks to the clutch shaft and engine braking
occurs. Essentially, the driven clutch has become the driving
clutch. The spider assembly with the two rollers, fixed to the
transmission shaft, rotates in the pockets of the sheave, allowing
the stationary sheave to rotate with the moveable sheave as the
rollers move to the other side of the ramp, providing instant
EBS. Engine braking (EBS) continues until the drive clutch
speed exceeds the one-way clutch speed, or until the throttle is
applied and the engine reaches clutch engagement speed.
PVT Maintenance / Inspection
Under normal operation the PVT system will provide years of
trouble free operation. Periodic inspection and maintenance is
required to keep the system operating at peak performance. The
following list of items should be inspected and maintained to
ensure maximum performance and service life of PVT
components. Refer to the troubleshooting checklist at the end of
this chapter for more information.
1. Drive to Driven Clutch Offset, Belt Width.
See “Clutch Alignment” on page 6.14.
2. Drive and Driven Clutch Rollers and Bushings, Drive
Clutch Shift Weights and Pins, Drive Clutch Spider Rollers
and Roller Pins, Drive and Driven Clutch Springs.
See “Drive Clutch Inspection” on page 6.17.
3. Sheave Faces. Clean and inspect for wear.
4. PVT System Sealing. Refer to appropriate illustrations and
photos. The PVT system is air cooled by fins on the drive
clutch stationary sheave. The fins create a low pressure
area in the crankcase casting, drawing air into the system
through an intake duct. The opening for this intake duct is
located at a high point on the vehicle (location varies by
model). The intake duct draws fresh air through a vented
cover. All connecting air ducts, as well as the inner and
outer covers, must be properly sealed to ensure clean air is
being used for cooling the PVT system. This also will
prevent water and other contaminants from entering the
PVT area. A sealed PVT is especially critical on units
subjected to frequent water forging.
CAUTION
Driven clutches must be disassembled from the
helix end to reduce spring pressure. Review all
information below before proceeding.
One-Way Clutch
Drive Clutch
Assembly
Downhill Belt
Rotation
Driven
Drive

6.8
CLUTCH SYSTEM
Drive Clutch Spring
The drive clutch spring has two primary functions:
1. Controls clutch engagement RPM. The springs which
have a higher rate when the clutch is in neutral will
increase clutch engagement RPM.
2. Controls the rate at which the drive belt moves upward
in the drive clutch sheaves. This is referred to as drive
clutch upshift.
The drive clutch spring is one of the most critical components
of the PVT system. It is also one of the easiest to service. Due
to the severe stress the coil spring is subject to during operation,
it should always be inspected for tolerance limits during any
clutch diagnosis or repair.
There are other components which control upshift, but the
spring is one of the primary components in insuring optimum
performance. It is very important that the spring is of correct
design and is in good condition.
Measuring Spring Length: With the spring resting on a flat
surface, measure its free length from the outer coil surfaces as
shown. Refer to the spring specification chart for specific free
length measurements and tolerances. Also check to see that
spring coils are parallel to one another. Distortion of the spring
indicates stress fatigue, requiring replacement.
CAUTION
Never shim a drive clutch spring to increase its
compression rate. This may result in complete stacking
of the coils and subsequent clutch component failure.
Table 6-1: Primary Clutch Springs
PART # COLOR
CODE WIRE DIA.FREE L ENGTH
”
7041021 Plain .157” 4.38”
7041022 Black .140” 4.25”
7041063 Purple .168” 4.37”
7041132 White .177” 2.92”
7041168 Green .177” 3.05”
7041157 Blue/Green .177” 2.53”
Table 6-2: Secondary Clutch Springs
PART #DESCRIPTION
3234199 White

6.9
CLUTCH SYSTEM
6
Optional Shift Weights
Shown below are optional shift weights which may be used in the PVT system. These shift weights have many different factors
designed into them for controlling engagement RPM and shifting patterns. Shift weights should not be changed or altered without
first having a thorough understanding the effects they have on belt to sheave clearance, clutch balance, engagement and shifting
characteristics.
- NLA -
- NLA -
698

6.10
CLUTCH SYSTEM
PVT Drying
IMPORTANT: If operating the ATV through water, be
sure to check the PVT cover and other ATV
components for water ingestion. The ATV should be
checked immediately. Refer to Owner's Manual for
Safe Riding Tips.
To drain any water that may be trapped inside the PVT cover,
simply remove the PVT drain plug and O-ring located on the
bottom of the PVT cover and let the water drain out. The PVT
drain plug is shown below.
To further expel water in the PVT cover and to dry out the PVT
system, shift the transmission to neutral and rev engine slightly
to expel the moisture. This will also air-dry the belt and clutches.
Allow engine RPM to settle to idle speed, shift transmission to
lowest available range and test for belt slippage. Repeat as
needed. Operate ATV in lowest available range for a short
period of time until PVT system is dry.
PVT Disassembly
NOTE: Some fasteners and procedures will vary.
Refer to the appropriate parts manual for proper
fasteners and fastener placement.
1. Remove seat.
2. Remove or loosen cab and footwell fasteners as necessary
to gain access to PVT outer cover.
3. Remove PVT air outlet duct hose.
4. Remove outer PVT cover screws.
5. Mark the drive belt direction of rotation and remove drive
belt. See the “DRIVE BELT REMOVAL” procedure later
in this chapter.
6. Remove drive clutch retaining bolt and remove drive clutch
using puller.
7. Remove driven clutch retaining bolt and driven clutch. Use
puller if necessary.
PVT Drain Plug
PVT Drain Plug & O-Ring
Drive Clutch Puller: (PN 2870506)
Clutch Holding Wrench: (PN 9314177)
Driven Clutch Puller: (PN 2870913)

6.11
CLUTCH SYSTEM
6
8. Remove driven clutch offset spacers from the transmission
input shaft. NOTE: Remember to keep spacers in order for
proper clutch offset on reassembly.
9. Remove cover screws and retainer plate.
10. Remove inner cover retaining bolts at rear of cover.
11. Remove cover along with foam seal on back of cover or
shaft.
PVT Installation
1. Inspect PVT inner cover-to-engine seal. Replace if
cracked or damaged. Align the alignment mark on the
cover with the mark on the engine seal.
2. Place a new seal on transmission input shaft.
3. Apply RTV silicone sealant to outside edge of inner cover-
to-engine seal, to ensure a water tight fit between the seal
and the cover on engine side. Surfaces must be clean to
ensure adhesion of silicone sealant.
4. Reinstall cover and tighten rear cover bolts just enough to
hold it in place.
5. Fit lip of inner cover seal (A) to engine. Install seal retainer
plate and tighten screws securely.
6. Torque rear inner cover bolts (B) to specification.
Offset Spacer
Inner Cover
Retainer Seal
Foam Seal
= T
Inner Cover Bolt Torque (B):
12 ft. lbs. (16.6 Nm)
Seal This Edge To Cover On Engine
B
C
Seal Outer Edge To Cover
w/ RTV silicone sealant
A

6.12
CLUTCH SYSTEM
7. Install clutch offset spacer(s) on transmission input shaft.
8. Clean splines inside driven clutch and on the transmission
input shaft.
9. Apply a light film of grease to the splines on the shaft.
10. Install the driven clutch, washer, lock washer, and retaining
bolt. Torque to specification.
11. Clean end of taper on crankshaft and the taper bore inside
drive clutch.
12. Install drive clutch and torque retaining bolt to
specification.
13. Reinstall drive belt noting direction of rotation. If a new
belt is installed, install so numbers can be easily read.
14. Only replace PVT outer cover rubber gasket if it is
damaged. Place the gasket with the narrow side out (C).
15. Reinstall PVT outer cover and secure with screws. Torque
to specification.
16. Reinstall cab/footwell assembly, panel and seat.
Drive Belt Removal / Inspection
1. Remove outer PVT cover as described in PVT
Disassembly.
2. Mark drive belt direction of rotation so that it can be
installed in the same direction. The belt is normally
positioned so part numbers are easily read.
3. To remove drive belt, apply brake, pull upward and
rearward on belt while turning the back (moveable) driven
sheave clockwise to open driven clutch sheaves. Pull out
and down on belt to slip over the driven clutch outer sheave.
4. Measure belt width and replace if worn. Generally, belts
should be replaced if clutches can no longer be adjusted to
provide proper belt deflection.
NOTE: If the top edges are trimmed on some drive
belts, it will be necessary to project the side profiles
in order to measure from corner-to-corner.
5. Place a straight edge on each side of the drive belt. Place
another straight edge on top of belt.
= T
Driven Clutch Retaining Bolt Torque:
17 ft. lbs. (23.5 Nm)
= T
Drive Clutch Retaining Bolt Torque:
40 ft. lbs. (55 Nm)
Offset Spacer
PVT Cover Gasket
Towards Outside Cover

6.13
CLUTCH SYSTEM
6
6. Measure the distance where the side straight edges intersect
the top, as shown in the illustration.
7. Inspect belt for loose cords, missing cogs, cracks,
abrasions, thin spots, or excessive wear. Replace if
necessary.
8. Inspect belt for hour glassing (extreme circular wear in at
least one spot and on both sides of the belt). Hour glassing
occurs when the drive train does not move and the drive
clutch engages the belt continuously in one spot.
9. Measure belt length with a tape measure around the outer
circumference of the belt. Belts which measure longer than
nominal length may require driven shimming or engine
adjustment for a longer center distance to obtain proper belt
deflection. Belts which measure shorter than nominal
length may require driven shimming or a shorter center
distance. Remember, proper belt deflection is the desired
goal - not a specific center distance.
10. Replace belt if worn past the service limit. Belts with thin
spots, burn marks, etc., should be replaced to eliminate
noise, vibration, or erratic PVT operation. See
Troubleshooting Chart at the end of this chapter for
possible causes.
DRIVE BELT INSTALLATION
NOTE: Be sure to position belt so part number is easily
read. Verify new belt is seated properly in the clutches
before operating the ATV.
1. Loop belt over drive and over top of driven sheave.
2. While pushing down on top of belt, turn the back or
moveable driven sheave clockwise.
3. The belt then should be able to be pushed down into and
between the sheaves.
4. Install clutch cover temporarily. Verify engine is in PARK.
Start engine and raise engine RPM enough to engage the
clutch, rotating the belt and seating it in the clutches.
Remove clutch cover and verify belt is seated properly
before final cover installation.
Belt Width:
Wear Limit 1.125" (2.86 cm)
Clutch Center Distance:
10” .1 -.05 (254 2.51-.3mm)
Belt Nominal Length:
40.875” cm
Projected Belt Width
Center
Distance

6.14
CLUTCH SYSTEM
Clutch Alignment
1. Remove belt and install the Clutch Offset Alignment Tool
(PN 2872292) as shown.
2. With tool touching rear of driven clutch inner sheave, the
distance at point “A” should be 1/8”.
NOTE: If the distance is greater than 1/8, or less
than 1/16,, clutch alignment must be adjusted as
follows:
3. Remove drive and driven clutch. See “PVT
DIASSEMBLY” at the beginning of the chapter.
4. Remove PVT inner cover.
5. Loosen all engine mounts. Move front of engine to the right
or left slightly until alignment is correct.
6. Tighten engine mounts and verify alignment is correct.
7. Measure belt deflection and measure offset both above and
below shaft centerlines. Adjust if necessary.
NOTE: On some models, minor adjustments can be
made by adding shims between the frame and front
lower left engine mount to increase the distance at
point “A”. If a shim is present, it can be removed to
decrease the distance at point “A”.
Clutch Offset
IMPORTANT: Inspect clutch alignment and center
distance before adjusting offset.
Offset is correct when rear of tool contacts rear of inner sheave
with driven clutch pushed completely inward, spacers installed
(if required) on shaft and bolt torqued to specification.
1. Install alignment tool as shown. Remember to measure
above and below the shaft centerlines.
2. Adjust offset by adding or removing spacer washers
between back of driven clutch and spacer.
B
A1/8” + 0 / -1/16
(3.2mm + 0 / - 1.6)
Offset Alignment
Tool (PN 2872292)
Shim Kit (PN 2200126)
Spacer Washer (PN 7556401)
Center Line
Measure Above and Below Centerline

6.15
CLUTCH SYSTEM
6
EBS DRIVE CLUTCH SERVICE
Drive Clutch Disassembly
1. Using a permanent marker, mark the cover, spider, and
moveable and stationary sheaves for reference, as the cast-
in “X's” may not have been in alignment before
disassembly.
2. Remove cover bolts evenly in a cross pattern and remove
cover plate.
3. Inspect cover bushing (A). The outer cover bushing is
manufactured with a Teflon coating. Wear is determined
by the amount of Teflon remaining on the bushing.
4. Inspect area on shaft where bushing rides for wear, galling,
nicks, or scratches. Replace clutch assembly if worn or
damaged.
5. Remove and inspect spring. See “Drive Clutch Spring
Specifications” for spring inspection.
Spider Removal
1. Remove the limiter nut using the Clutch Spider Nut Socket
(PN 2870338). Install clutch in holding fixture and loosen
the spider (counterclockwise) using Clutch Spider Install
Tool (PN 2870341).
Cover Bushing Inspection:
Replace the cover bushing if more
brass than Teflon is visible on
the bushing. Refer to bushing
replacement in this chapter.
A
Clutch Holding Fixture: (PN 2871358)
Spider Removal Tool: (PN 2870341)
Inspect Shaft

6.16
CLUTCH SYSTEM
NOTE: It is important that the same number and
thickness of washers are reinstalled beneath the
spider during assembly. Be sure to note the number
and thickness of these washers.
2. Inspect the Teflon coating on the moveable sheave
bushing.
3. Inspect all rollers, bushings and roller pins by pulling a flat
metal rod across the roller. Turn roller with your finger. If
you notice resistance, galling, or flat spots, replace rollers,
pins and thrust washers in sets of three. Also inspect to see
if roller and bushing are separating. Bushing must fit
tightly in roller. Use the Roller Pin Tool (PN 2870910) to
replace rollers and pins. Take care not to damage roller
bushing or bearing surface of the new pin during
installation.
4. Rubber-backed buttons can and should be used in all ATV
clutches if the hollow roller pin is changed to a solid roller
pin.
NOTE: Rubber side of the button is positioned
toward the solid roller pin. It is recommended to
switch all buttons to the rubber version during
service (if needed).
Moveable Sheave Bushing Inspection:
Replace the cover bushing if more
brass than Teflon is visible
on the bushing. Refer to bushing
replacement in this chapter.
To maintain proper clutch balance and belt-to-sheave
clearance, be sure to reinstall original quantity and
thickness washers

6.17
CLUTCH SYSTEM
6
Button To Tower Clearance Inspection
1. Inspect for any clearance between spider button to tower.
If clearance exists, replace all buttons and inspect surface
of towers. See “Spider Removal” procedure.
2. Inspect sheave surfaces. Replace the entire clutch as an
assembly if worn, damaged or cracked.
Shift Weight Inspection
1. If clutch is not disassembled, inspect as shown, using a
clutch holding tool to compress the moveable sheave. The
contact surface of the weight should be smooth and free of
dents or gall marks. Remove shift weight bolts and
weights.
2. Inspect the weight pivot bore and pivot bolts for wear or
galling. If weights or bolts are worn or broken, replace in
sets of three with new bolts.
NOTE: A damaged shift weight is usually caused by
a damaged or stuck roller in the spider assembly.
See roller inspection, see “Roller, Pin, and Thrust
Washer Inspection”.
Drive Clutch Inspection
NOTE: Remove cover, spring, and spider following
instructions for drive clutch removal, then proceed
as follows:
1. Remove moveable sheave spacer sleeve (1) and the thrust
washer (2). Visually inspect the washer for damage.
Measure the thickness and compare to specification.
Replace if worn or damaged.
Button to Tower Clearance: .000-.001
WARNING
The clutch assembly is a precisely balanced unit.
Never replace parts with used parts from another
clutch assembly!
All PVT maintenance or repairs should be
performed only by a certified Polaris Master Service
Dealer (MSD) technician who has received the
proper training and understands the procedures
outlined in this manual.
Because of the critical nature and precision
balance incorporated into the PVT system, it is
absolutely essential that no attempt at
disassembly or repair be made without factory
authorized special tools and service
procedures.
Thrust Washer Thickness
Standard: .030, (.76mm)
Service Limit: .025, (.64mm)
1
2

6.18
CLUTCH SYSTEM
2. Lift one-way clutch (3) and thrustwasher (4) off shaft.
Replace as an assembly if worn, damaged, or if problems
were noted.
3. Inspect surface of shaft for pitting, grooves, or damage.
Measure the outside diameter and compare to
specifications. Replace the drive clutch assembly if shaft
is worn or damaged.
4. Visually inspect PTFE thrustwasher for damage. Measure
the thickness and compare to specification. Replace if
worn or damaged
Moveable Sheave Bushing Inspection
Inspect the Teflon coating (arrow) on the moveable sheave
bushing. Inspect BOTH sheaves for signs of wear, grooving or
cracking. De-glaze surfaces with a 3M pad if needed.
Drive Clutch Bushing Service
NOTE: Special Tool Required: EBS CLUTCH
BUSHING REMOVAL AND INSTALLATION
= In. / mm.
Shaft Diameter:
Standard: 1.3745 - 1.375 (
Service Limit: 1.3730”
= In. / mm.
PTFE Washer Thickness
Standard: .030” (.76mm)
Service Limit: .025” (.64mm)
Moveable Sheave Bushing Inspection:
Replace the cover bushing if more brass than
Teflon is visible on the bushing. Refer to
bushing replacement in this chapter.
Table 6-1: Special Tools
ITEM QTY PART DESCRIPTION PART #
A, B 1 EBS Puller Tool 5132027
C 1 EBS Puller Nut 5132501
D 1 EBS Main Adapter 5132029
E 1 EBS Bushing Removal 5132028
-- 1 Bushing Replacement Kit 2871226
-- 1 Piston Pin Puller 2870386
-- 1 Instructions 9915111

6.19
CLUTCH SYSTEM
6
NOTE: Bushings are installed at the factory using
Loctite 609. In order to remove bushings it will be
necessary to apply heat evenly to the area around
each bushing. Clean all residual Loctite from
bushing bore prior to installing new bushing.
Drive Clutch Bushing Removal
1. Remove clutch as outlined previously in this chapter.
2. Install handle end of Piston Pin Puller (PN 2870386)
securely into bench vise and lightly grease puller threads.
3. Remove nut from puller rod and set aside.
4. Install puller adapter (Item 10 from kit PN 2871226).
5. Install main adapter (Item D) onto puller.
6. With towers pointing toward the vise, slide sheave onto
puller rod.
7. Install removal tool (Item A/B) into center of sheave with
A side" toward sheave. NOTE: Smooth One-way Clutch
- Use Bushing Tool PA-47336.
8. Install nut (C) onto end of puller rod and hand tighten. Turn
puller barrel to increase tension on sheave if needed. Using
a hand held propane torch, apply heat around outside of
bushing until tiny smoke tailings appear.
9. Turn sheave counterclockwise on puller rod until it comes
free. Lift sheave off puller.
10. Remove nut from puller rod and set aside.
11. Pull bushing removal tool and adapter from puller rod.
Remove bushing from tool and discard.
Drive Clutch Bushing Installation
1. Place main adapter (Item 8) on puller.
2. Apply Loctite 609 evenly to bushing bore inside
moveable sheave.
3. Set bushing in place on sheave.
4. Insert installation puller tool (Item A/B) with “A” side
down, into center of bushing. NOTE: 800 EFI Clutch -
Use Bushing Tool PA-47336.
5. With towers pointing upward, slide sheave, bushing and
tool onto puller rod.
6. Install nut on puller rod and hand tighten. Turn barrel to
apply additional tension if needed.
7. Turn sheave counterclockwise, making sure bushing is
drawn straight into bore. Continue until bushing is seated.
8. Remove nut from puller rod and set aside.
9. Remove sheave from puller.
10. Remove installation tool.
CAUTION
Clutch components will be hot! In order to avoid
serious burns, wear insulated gloves during the
removal process.
Puller Tool (A,B)
Side “A” toward
sheave
Nut (C)
Main
Adapter (D)
Puller
Adapter (10)
Piston Pin
Puller
Puller Tool (A,B) Side
“A” toward sheave Nut (C)
Bushing
Main Adapter (8)
Piston Pin Puller

6.20
CLUTCH SYSTEM
Cover Bushing Removal
1. Install main adapter (Item 8) on puller.
2. Install adapter reducer (Item 9).
3. From outside of clutch cover, insert removal tool (Item 3)
into cover bushing.
4. With inside of cover toward vise, slide cover onto puller.
5. Install nut onto puller rod and hand tighten. Turn puller
barrel to increase tension as needed.
6. Turn clutch cover counterclockwise on puller rod until
bushing is removed and cover comes free.
7. Remove nut from puller rod and set aside.
8. Remove bushing and bushing removal tool from puller.
Discard bushing.
Cover Bushing Installation
1. Apply Loctite 609 evenly to bushing bore in cover.
2. Working from inside of cover, insert new bushing and
bushing installation tool into center of clutch cover.
3. With main adapter on puller, insert cover onto puller rod,
placing outside of cover toward vise.
4. Install nut on rod and hand tighten. Turn puller barrel to
apply more tension if needed.
5. Turn clutch cover counterclockwise on puller rod until
bushing is seated.
6. Remove nut from puller rod. Take installation tool and
clutch cover off rod.
One-Way Clutch Inspection (Drive Clutch)
1. Rotate one-way clutch clockwise (as viewed from the
cover plate side). The clutch should rotate on the shaft
with only slight amount of drag. Verify there is no binding
or rough spots. When rotated counterclockwise, the clutch
should lock to the shaft without slipping. If problems are
noted in either direction, continue with disassembly.
Drive Clutch Reassembly
NOTE: It is important that the same number and
thickness of washers are reinstalled beneath the
spider during assembly. The Teflon bushings are
self-lubricating.
1. Reassemble drive clutch in the following sequence. Be
sure the “X”, or the marks that were made earlier, are
aligned during each phase of assembly.
A) “X”, or the marks that were made earlier on cover
B) “X” on spider, making sure spacer washers are installed
underneath spider and positioned properly in recess
Removal Tool (3) Nut (C)
Adapter Reducer (9)
Piston Pin Pulle
Main Adapter (8)
CAUTION
Do not apply oil or grease to the bushings.

6.21
CLUTCH SYSTEM
6
C) “X”, or the marks that were made earlier under weight
2. Install moveable sheave onto fixed sheave.
3. Install spider spacers. Use same quantity and thickness as
were removed.
4. Compress spider buttons for each tower and install spider,
making sure that “X”, or the marks that were made earlier,
on spider aligns with “X”, or the marks that were made
earlier on the moveable sheave.
5. Torque spider to specification using the holding fixture and
spider tool. Torque with smooth motion to avoid damage
to the stationary sheave.
6. Install limiter nut on top of spider using the Clutch Spider
Nut Socket (PN 2870338). Torque to specification.
Reinstall shift weights using new lock nuts on the bolts.
7. Reinstall clutch spring.
8. Reinstall cover, aligning bosses on the tower and cover.
Torque cover bolts evenly to specification.
CAUTION
Verify spider spacer washers are fully
seated in the recessed area of the spider.
Any misalignment will alter clutch balance.
Inverting the clutch while initially tightening the
spider will help position the washers.
= T
Spider Torque:
200 ft. lbs. (271 Nm)
Spacer Washers
= T
Spider Nut Torque:
15 ft. lbs. (20 Nm)
= T
Cover Screw Torque:
90 in. lbs. (10.4 Nm)
Engine
Rotation
Nut on trailing side

6.22
CLUTCH SYSTEM
EBS DRIVEN CLUTCH SERVICE
Driven Clutch Disassembly
1. Remove driven clutch from the transmission input shaft.
Do not attempt disassembly of the driven clutch from the
outside snap ring. The driven clutch must be disassembled
from the helix side.
2. It is important to mark the position of the shaft, cam cover,
and sheave before disassembly or use the “X’s” on the
components for reference. This will aid in reassembly and
helps to maintain clutch balance after reassembly.
3. Remove the four torx screws that secure the cam assembly
(helix) using a T25 torx.
4. Place the clutch into Clutch Compression Tool PN
8700220. Using Compression Extensions PN PS-45909,
Press down on top of the spider assembly, compressing the
spider onto the shaft. Remove snap ring (A) and slowly
release the assembly.
5. Remove the spider assembly, spring (B), and spacer washer
(C). NOTE: Spring is compression only and has no
torsional wind
Do not disassemble from this side
Press down on spider
B
C

6.23
CLUTCH SYSTEM
6
6. Remove the inside spider plate (D) and spider dampener
(E). Inspect the spider dampener (E) for wear and replaced
if needed.
7. Remove the E-clip (F), washer (G), and the clutch rollers
(H). Inspect the rollers for wear replace if worn.
8. Remove the clutch assembly from the holding tool.
Remove the large outer retaining ring (I) and the inner
retaining ring (J).
9. Press out the spring pins (K) in the inner sheave.
10. Pull out the clutch roller pins (L) and rollers (M).
11. Press the shaft and bearing out of the outer sheave using a
press.
ED
HGF
I
J
K
K
ML
Press Shaft & Bearing Out
Inspect Bearing

6.24
CLUTCH SYSTEM
12. Inspect the bearing for wear. Spin the bearing, if the
bearing does not spin smoothly replace as needed. To
remove the bearing, simply press the bearing from the shaft.
13. Inspect the bearing for wear. Spin the bearing, if the
bearing does not spin smoothly replace as needed. To
remove the bearing, simply press the bearing from the shaft.
14. Inspect the cam assembly (helix) bushing for wear. If the
bushing is worn or the shaft does not fit snug into the
bushing, replace the cam assembly (cover).
DRIVEN CLUTCH BUSHING REMOVAL/
INSTALLATION
NOTE: Special Tool Required: EBS CLUTCH
BUSHING REMOVAL AND INSTALLATION
NOTE: Bushings are installed at the factory using
Loctite 609. In order to remove bushings it will be
necessary to apply heat evenly to the area around
each bushing. Clean all residual Loctite from
bushing bore prior to installing new bushing.
Driven Clutch Bushing Removal
1. Install main puller adapter (Item 8) onto puller.
2. Install adapter reducer (Item 9).
3. Using a hand held propane torch, apply heat around outside
of bushing until tiny smoke tailings appear.
4. Flip sheave over so bushing faces downward and install
onto puller.
5. Install bushing tool (Item 2).
6. Install left hand nut (C) and spacer onto puller rod and
tighten by hand. Turn puller barrel for further tension if
needed.
7. Turn clutch sheave counterclockwise until bushing is
removed and sheave comes free.
8. Remove nut (C) (left hand thread) from puller rod and set
aside.
9. Remove adapters from puller.
10. Remove bushing and removal tool from adapters. Discard
bushing.
Table 6-1:
ITEM QTY PART DESCRIPTION PART #
A, B 1 EBS Puller Tool 5132027
C 1 EBS Puller Nut 5132501
D 1 EBS Main Adapter 5132029
E1
EBS Bushing Removal
Tool Instructions 5132028
Inspect Sheave Surface
Inspect Bushing
-- 1 Bushing Replacement Kit 2871226
-- 1 Piston Pin Puller 2870386
-- 1 Instructions 9915111
Table 6-1:
ITEM QTY PART DESCRIPTION PART #

6.25
CLUTCH SYSTEM
6
Driven Clutch Bushing Installation
1. Install puller adapter (Item 10) onto puller.
2. Install adapter (Item 9) onto puller.
3. Apply Loctite 609 evenly to bushing bore inside
moveable sheave.
4. Install sheave face down on puller.
5. Install new bushing on installation tool (Item 2) and install
assembly into sheave.
6. Install left hand thread nut (C) onto puller rod and hand
tighten against installation tool.
7. Turn clutch sheave counterclockwise, making sure bushing
is drawn straight into bore. Continue until bushing is
seated.
8. Remove nut (C) from puller rod and set aside.
9. Remove installation tool and clutch sheave from puller.
EBS DRIVEN CLUTCH REASSEMBLY
1. Press a new bearing onto the output shaft using a press.
2. Install the shaft/bearing into the outer sheave.

6.26
CLUTCH SYSTEM
3. Install the small and large retaining rings into the outer
sheave above the bearing.
4. Line up the “X” on the moveable sheave with the “X” on
the stationary sheave or use the marks previously used. Put
the sheaves together.
5. Install the roller (A) onto the roller pin (B). (Both Sides).
6. Install the roller pin into the sheave assembly. (Both sides).
The flat side of the roller pin faces downward when the
shaft side is laying flat on the bench.
7. Install the spring pins (C) to secure the roller pins. Install
until flush with sheave surface.
Align “X’s”
A
B
Flat Side Down
C

6.27
CLUTCH SYSTEM
6
8. Install the spacer washer.
9. Install the spring over the shaft (arrow).
10. Install the clutch rollers (D) onto each side of the outside
spider. Install the washers (E) and E-clips (F) to secure the
rollers. Spin the roller, the rollers should spin freely.
11. Install the spider dampener (G) inside the outer spider and
install the inside spider plate (H).
12. Install the spider assembly onto the shaft with the retaining
ring on top of the spider. NOTE: Use the marks previously
made to align the skip tooth spider, or use the “X” on top
of the spider and align it with the skip tooth on the shaft.
13. Place the clutch into Clutch Compression Tool PN
8700220. Using Compression Extensions PN PS-45909,
Press down on the top of the spider assembly, pushing the
spider onto the shaft.
14. Slowly compress the spider into place. If the spider appears
to bind while compressing, stop and make sure the skip
tooth on the shaft and the spider are aligned. Once the
spider passes the retaining ring notch on the shaft, install
the retaining ring (A).
Install Spacer Washer
Outer Spider
H
G
DEF
Align Marks
Press Down on Spider
A

6.28
CLUTCH SYSTEM
15. Install the cam assembly (helix) over the shaft. Line up the
“X” on the cam, “X” on spider, and “X” on the stationary
sheave or use the marks previously made before
disassembly. NOTE: If the cam assembly (helix) is
difficult to install, be sure the sheaves are aligned. To align
the sheaves place the clutch assembly on a flat surface with
the cam assembly (helix) side down. Press down on the
moveable sheave belt face with both hands and the helix
will release.
16. Use a T25 torx to install the four torx screws and torque to
specification.
STANDARD DRIVE CLUTCH
Drive Clutch Disassembly
1. Using a permanent marker, mark the cover, spider, and
moveable and stationary sheaves for reference, as the
previous “X's” may not have been in alignment before
disassembly.
2. Remove cover bolts evenly in a cross pattern and remove
cover plate.
3. Inspect cover bushing (A). The outer cover bushing is
manufactured with a Teflon coating. Wear is determined
by the amount of Teflon remaining on the bushing.
4. Inspect area on shaft where bushing rides for wear, galling,
nicks, or scratches. Replace clutch assembly if worn or
damaged.
5. Remove and inspect spring. See “Drive Clutch Spring
Specifications” for spring inspection.
= T
T25 Torx:
42-52 in. lbs. (4.75 - 5.88 Nm)
Press Down to Loosen Helix
Cover Bushing Inspection:
Replace the cover bushing if more
brass than Teflon is visible on
the bushing. Refer to bushing
replacement in this chapter.
A
Inspect Shaft

6.29
CLUTCH SYSTEM
6
Spider Removal
1. Remove the limiter nut using the Clutch Spider Nut Socket
PN 2870338. Install clutch in holding fixture and loosen
the spider (counterclockwise) using Clutch Spider Install
Tool PN 2870341.
NOTE: It is important that the same number and
thickness of washers are reinstalled beneath the
spider during assembly. Be sure to note the number
and thickness of these washers.
2. Inspect the Teflon coating on the moveable sheave
bushing.
3. Inspect all rollers, bushings and roller pins by pulling a flat
metal rod across the roller. Turn roller with your finger. If
you notice resistance, galling, or flat spots, replace rollers,
pins and thrust washers in sets of three. Also inspect to see
if roller and bushing are separating. Bushing must fit
tightly in roller. Use the Roller Pin Tool (PN 2870910) to
replace rollers and pins. Take care not to damage roller
bushing or bearing surface of the new pin during
installation.
Clutch Holding Fixture: PN 2871358
Spider Removal Tool: PN 2870341
To maintain proper clutch balance and belt-to-sheave
clearance, be sure to reinstall original quantity and
thickness washers under the spider assembly.
Moveable Sheave Bushing Inspection:
Replace the cover bushing if more
brass than Teflon is visible
on the bushing. Refer to bushing
replacement in this chapter.

6.30
CLUTCH SYSTEM
4. Rubber backed buttons can and should be used in all ATV
clutches if the hollow roller pin is changed to a solid roller
pin.
NOTE: The rubber side of the button is positioned
toward the solid roller pin. It is recommended to
switch all buttons to the rubber version during
service (if needed).
Button To Tower Clearance Inspection
1. Inspect for any clearance between spider button to tower.
If clearance exists, replace all buttons and inspect surface
of towers. See “Spider Removal” procedure.
2. Inspect sheave surfaces. Replace the entire clutch as an
assembly if worn, damaged or cracked.
Shift Weight Inspection
1. If clutch is not disassembled, inspect as shown, using a
clutch holding tool to compress the moveable sheave. The
contact surface of the weight should be smooth and free of
dents or gall marks. Remove shift weight bolts and
weights.
2. Inspect the weight pivot bore and pivot bolts for wear or
galling. If weights or bolts are worn or broken, replace in
sets of three with new bolts.
NOTE: A damaged shift weight is usually caused by
a damaged or stuck roller in the spider assembly.
See roller inspection, see “Roller, Pin, and Thrust
Washer Inspection”.
Button to Tower Clearance: .000-.001
WARNING
The clutch assembly is a precisely balanced unit.
Never replace parts with used parts from another
clutch assembly!
All PVT maintenance or repairs should be
performed only by a certified Polaris Master Service
Dealer (MSD) technician who has received the
proper training and understands the procedures
outlined in this manual.
Because of the critical nature and precision
balance incorporated into the PVT system, it is
absolutely essential that no attempt at
disassembly or repair be made without factory
authorized special tools and service
procedures.

6.31
CLUTCH SYSTEM
6
Sheave / Bushing Inspection
Inspect the Teflon coating on the sheave bushings and cover
bushing. Inspect BOTH sheaves for signs of wear, grooving or
cracking. Clean sheave surfaces with a 3M pad if needed.
Drive Clutch Bushing Service
NOTE: Special Tool Required: CLUTCH BUSHING
REMOVAL AND INSTALLATION KIT
NOTE: Bushings are installed at the factory using
Loctite 609. In order to remove bushings it will be
necessary to apply heat evenly to the area around
each bushing. Clean all residual Loctite from
bushing bore prior to installing new bushing.
Drive Clutch Bushing Removal
1. Remove clutch as outlined previously in this chapter.
2. Install handle end of Piston Pin Puller (PN 2870386)
securely into bench vise and lightly grease puller threads.
3. Remove nut from puller rod and set aside.
4. Install puller adapter (Item 10 from kit PN 2871226).
5. Install main adapter onto puller.
6. With towers pointing toward the vise, slide sheave onto
puller rod.
7. Install removal tool into center of sheave.
8. Install nut onto end of puller rod and hand tighten. Turn
puller barrel to increase tension on sheave if needed. Using
a hand held propane torch, apply heat around outside of
bushing until tiny smoke tailings appear.
9. Turn sheave counterclockwise on puller rod until it comes
free. Lift sheave off puller.
10. Remove nut from puller rod and set aside.
11. Pull bushing removal tool and adapter from puller rod.
Remove bushing from tool and discard.
Cover / Sheave Bushing Inspection:
Replace bushing if more brass than Teflon is
visible on the bushing. Do not clean bushings.
ITEM QTY PART DESCRIPTION PART #
-- 1 Bushing Replacement Kit 2871025
-- 1 Piston Pin Puller 2870386
CAUTION
Clutch components will be hot!
In order to avoid serious burns, wear
insulated gloves during the removal process.

6.32
CLUTCH SYSTEM
Drive Clutch Bushing Installation
1. Place main adapter on puller.
2. Apply Loctite 609 evenly to bushing bore inside
moveable sheave.
3. Set bushing in place on sheave.
4. Insert installation puller tool into center of bushing.
5. With towers pointing upward, slide sheave, bushing and
tool onto puller rod.
6. Install nut on puller rod and hand tighten. Turn barrel to
apply additional tension if needed.
7. Turn sheave counterclockwise, making sure bushing is
drawn straight into bore. Continue until bushing is seated.
8. Remove nut from puller rod and set aside.
9. Remove sheave from puller.
10. Remove installation tool.
Cover Bushing Removal
1. Install main adapter on puller.
2. Install adapter reducer.
3. From outside of clutch cover, insert removal tool into cover
bushing.
4. With inside of cover toward vise, slide cover onto puller.
5. Install nut onto puller rod and hand tighten. Turn puller
barrel to increase tension as needed.
6. Turn clutch cover counterclockwise on puller rod until
bushing is removed and cover comes free.
7. Remove nut from puller rod and set aside.
8. Remove bushing and bushing removal tool from puller.
Discard bushing.
Cover Bushing Installation
1. Apply Loctite 609 evenly to bushing bore in cover.
2. Working from inside of cover, insert new bushing and
bushing installation tool into center of clutch cover.
3. With main adapter on puller, insert cover onto puller rod,
placing outside of cover toward vise.
4. Install nut on rod and hand tighten. Turn puller barrel to
apply more tension if needed.
5. Turn clutch cover counterclockwise on puller rod until
bushing is seated.
6. Remove nut from puller rod. Take installation tool and
clutch cover off rod.
Drive Clutch Reassembly
NOTE: It is important that the same number and
thickness of washers are reinstalled beneath the
spider during assembly. The Teflon bushings are
self-lubricating. Do not apply oil or grease to the
bushings.
Reassemble drive clutch in the following sequence. Be sure the
“X”, or the marks that were made earlier, are aligned during
each phase of assembly.
A) “X”, or the marks that were made earlier on cover
B) “X” on spider, making sure spacer washers are installed
underneath spider and positioned properly in recess
C) “X”, or the marks that were made earlier under weight
1. Install moveable sheave onto fixed sheave.
2. Install spider spacers. Use same quantity and thickness as
were removed.
3. Compress spider buttons for each tower and install spider
towers on the moveable sheave. Verify that the alignment
marks on spider align with the marks that were made on the
moveable sheave.
4. Torque spider to specification using the holding fixture and
spider tool. Torque with smooth motion to avoid damage
to the stationary sheave.

6.33
CLUTCH SYSTEM
6
5. Install limiter nut on top of spider using the Clutch Spider
Nut Socket (PN 2870338). Torque to specification.
6. Reinstall shift weights using new lock nuts on the bolts.
7. Reinstall clutch spring.
8. Reinstall cover, aligning bosses on the tower and cover.
Torque cover bolts evenly to specification.
= T
Spider Torque:
200 ft. lbs. (271 Nm)
CAUTION
Verify spider spacer washers are
fully seated in the recessed area of the spider.
Any misalignment will alter clutch balance.
Inverting the clutch while initially tightening the
spider will help position the washers.
= T
Spider Limiter Nut Torque:
15 ft. lbs. (20 Nm)
Spacer Washers
Engine
Rotation
Nut on trailing side
= T
Cover Screw Torque:
90 in. lbs. (10.4 Nm)

6.34
CLUTCH SYSTEM
STANDARD DRIVEN CLUTCH
Disassembly
1. Using special tool PN 8700220, apply and hold downward
pressure on the outer spring retainer and remove the snap
ring (A).
2. With snap ring (A) removed and spring pressure relieved,
remove the outer retainer (B) and spring (C).
3. Separate the clutch sheaves by pulling upward while
rotating the inner sheave.
Inspection
1. Inspect both the inner and outer sheave surfaces. Replace
the entire clutch assembly if worn, damaged or cracked.
2. Inspect the inner sheave helix (E) and spring retainer (F)
for signs of wear.
3. Remove the inner spring retainer (F) from the inner sheave
and inspect for signs of wear.
CAUTION
Wear eye protection when working with spring
tensioned components to avoid serious injury.
A
C
B
E
F

6.35
CLUTCH SYSTEM
6
4. Inspect the rollers in the stationary sheave for signs of wear.
NOTE: Rollers and helix are non-serviceable items.
Replacement of clutch assembly is required if
damaged beyond usable condition.
5. Inspect the bushings inside the moveable sheave. If
replacement is required, use Bushing Removal Kit PN
2871226, following the instructions.
Assembly
1. Install inner spring retainer (if removed).
2. Install the inner sheave onto the outer sheave.
NOTE: Verify ‘X’ marks on each side of the sheaves
are aligned upon reassembly of sheaves.
3. Install the compression spring.
4. Install the outer retainer on top of spring.
5. Using special tool PN 8700220, compress the outer retainer
onto the shaft and install the snap ring.
Sheave Bushing Inspection:
Replace bushing if more brass than Teflon is
visible on the bushing. Do not clean bushings.
CAUTION
Wear eye protection when working with spring
tensioned components to avoid serious injury.

6.36
CLUTCH SYSTEM
PVT TROUBLESHOOTING
Overheating
IMPORTANT: During routine maintenance or
whenever PVT system overheating is evident, it's
important to check the inlet and outlet ducting for
obstructions. Obstructions to air flow through the
ducts will significantly increase PVT system
operating temperatures. The ATV should be operated
in low range when pulling or plowing heavy loads, or
if extended low speed operation is anticipated.
General Range Operation Guidelines
LOW RANGE: Heavy pulling, basic operational speeds less
than 7 MPH, riding through rough terrain (swamps, mountains,
etc..), low ground speeds.
HIGH RANGE: High ground speeds, speeds above 7 MPH.
Table 6-1: Cause and Remedy
DIAGNOSIS OF CLUTCH DRIVE BELT & COVER RELATED ISSUES:
POSSIBLE CAUSES SOLUTIONS/WHAT TO DO
Loading the ATV into a pickup or
tall trailer when in high range. Shift transmission to low range during loading of the ATV to prevent belt burning.
Starting out going up a steep
incline. When starting out on an incline, use low range, or dismount the ATV after first applying the park
brake and perform the “K” turn.
Driving at low RPM or low
ground speed (at approximately
3-7 MPH).
Drive at higher speed or use Low Range. The use of Low Range is highly recommended for
cooler PVT operating temperatures and longer component life.
Insufficient warm-up of ATVs
exposed to low ambient
temperatures.
Warm engine at least 5 min., then with transmission in neutral, advance throttle to 1/8 throttle
in short bursts, 5 to 7 times. The belt will become more flexible and prevent belt burning.
Slow and easy clutch
engagement. Fast, effective use of the throttle for efficient engagement. Continuous operation at the point of
engagement (initial vehicle movement) increases PVT temperatures and component wear.
Towing/Pushing at low RPM/low
ground speed. Use Low Range only.
Plowing snow, dirt, etc./utility
use. Use Low Range only.
Stuck in mud or snow. Shift the transmission to Low Range, carefully use fast, aggressive throttle application to engage
clutch. Warning: Excessive throttle may cause loss of control and vehicle overturn.
Climbing over large objects from
a stopped position. Shift the transmission to Low Range, carefully use fast, aggressive, throttle application to
engage clutch. Warning: Excessive throttle may cause loss of control and vehicle overturn.
Belt slippage from water or snow
ingestion into the PVT system.
Shift the transmission to neutral. Using the throttle, vary the engine rpm from idle to 3/4 throttle.
Engage transmission in the lowest possible range and test for belt slippage Repeat several times
as required. During this procedure, the throttle should not be held at the full position for more
than 10 seconds. PVT seals should be inspected for damage if repeated leaking occurs.
Clutch malfunction. Inspection/repair of clutch components should be performed by a certified Polaris MSD
technician.

6.37
CLUTCH SYSTEM
6
Problem, Cause and Remedy Chart
Table 6-2: Problem, Cause and Remedy
SITUATION POSSIBLE CAUSE REMEDY
Engine RPM below
specified operating range
although engine is
properly tuned.
-Wrong or broken drive clutch spring. -Replace with recommended spring.
-Drive clutch shift weight too heavy. -Install correct shift weight kit to match engine
application.
-Driven clutch spring broken or installed wrong . -Replace spring; refer to proper installation location
Erratic engine operating
RPM during acceleration
or load variations.
-Drive clutch binding. a. Disassemble drive clutch; inspect shift weights for
wear and free operation.
-Belt worn unevenly - thin/burnt spots Replace belt
-Driven clutch malfunction. a. Replace ramp buttons.
b. Inspect movable sheave for excessive bushing
-Sheave face grooved. -Replace the clutch.
Engine RPM above
specified operating range.
-Incorrect drive clutch spring (too high spring
rate). -Install correct recommended spring.
-Drive clutch shift weights incorrect for
application (too light) -Install correct recommended shift weights.
-Drive clutch binding. -Disassemble and clean clutch, inspecting shift
weights and rollers. Reassemble without the spring
-Driven clutch binding. -Disassemble, clean, and inspect driven clutch, noting
worn sheave bushing and ramp buttons and helix
-Converter sheaves greasy; belt slippage. -Clean sheaves with denatured alcohol or brake
cleaner, install new belt.
Harsh drive clutch
engagement.
-Drive belt worn too narrow. -Replace belt.
-Excessive belt/sheave clearance with new belt. -Perform belt/sheave clearance adjustment with shim
washers beneath spider.
Drive belt turns over
-Wrong belt for application. -Replace with correct belt.
-Clutch alignment out of spec. -Adjust alignment offset.
-Engine mount broken or loose -Inspect/adjust or replace.
PVT cover overheating
(melting)
-Plugged air intake or outlet -Clear obstruction.
-Belt slippage due to water, oil, grease, etc.,
rubbing on cover -Inspect system. Clean , repair or replace as necessary.
Seal PVT system ducts.
-Clutches or weight being applied to cover while
in operation Remove weight. Inform operator.
-Use of High vs. low range -Instruct operator on guidelines for operation in wet
terrain as outlined in Owner's Safety and Maintenance
Water Ingestion
-Cover seals or ducts leaking -Find leak and repair as necessary.
-Operator error -Instruct operator on guidelines for operation in wet
terrain as outlined in Owner's Safety and Maintenance
Belt Slipping
-Belt worn out -Replace belt.
-Water ingestion -Inspect and seal PVT system.
-Belt contaminated with oil or grease -Inspect and clean.

6.38
CLUTCH SYSTEM
Belt burnt, thin spots
-Abuse (continued throttle application when
vehicle is stationary, excess load) -Caution operator to operate machine within
guidelines.
-Dragging brake -Vehicle operated with park brake on. Inspect brake
system.
-Slow, easy clutch engagement -Instruct firm, effective use of throttle for efficient
engagement.
PVT noise
-Belt worn or separated, thin spots, loose
belt -Replace belt.
-Broken or worn clutch components, cover
hitting clutches -Inspect and repair as necessary.
Engagement
erratic or “jerks”
-Thin spots on belt, worn belt -Replace belt. Refer to belt burnt troubleshooting and
instruct operator.
-Drive clutch bushings stick -Inspect and repair clutches.
Table 6-2: Problem, Cause and Remedy
SITUATION POSSIBLE CAUSE REMEDY

FINAL DRIVE
7.1
CHAPTER 7
FINAL DRIVE
7
SPECIFICATIONS. . . . . . . . . . . . . . . . . . . . . . . . . . . . . . . . . . . . . . . . . . . . . . . . . . . . . . . 7.2
TORQUE TABLE . . . . . . . . . . . . . . . . . . . . . . . . . . . . . . . . . . . . . . . . . . . . . . . . . . . . . . . 7.2
SPECIAL TOOLS . . . . . . . . . . . . . . . . . . . . . . . . . . . . . . . . . . . . . . . . . . . . . . . . . . . . . . . 7.2
GEARCASE FLUID / CAPACITY . . . . . . . . . . . . . . . . . . . . . . . . . . . . . . . . . . . . . . . . . . . 7.2
FRONT DRIVE AXLE . . . . . . . . . . . . . . . . . . . . . . . . . . . . . . . . . . . . . . . . . . . . . . . . . . . . 7.2
REMOVAL . . . . . . . . . . . . . . . . . . . . . . . . . . . . . . . . . . . . . . . . . . . . . . . . . . . . . . . . . . . .7.2
INSTALLATION . . . . . . . . . . . . . . . . . . . . . . . . . . . . . . . . . . . . . . . . . . . . . . . . . . . . . . . . 7.4
FRONT DRIVE SHAFT (CV) BOOT . . . . . . . . . . . . . . . . . . . . . . . . . . . . . . . . . . . . . . . . . 7.4
INSPECTION . . . . . . . . . . . . . . . . . . . . . . . . . . . . . . . . . . . . . . . . . . . . . . . . . . . . . . . . . . 7.4
REPLACEMENT. . . . . . . . . . . . . . . . . . . . . . . . . . . . . . . . . . . . . . . . . . . . . . . . . . . . . . . . 7.4
FRONT HUB . . . . . . . . . . . . . . . . . . . . . . . . . . . . . . . . . . . . . . . . . . . . . . . . . . . . . . . . . . . 7.6
DISASSEMBLY. . . . . . . . . . . . . . . . . . . . . . . . . . . . . . . . . . . . . . . . . . . . . . . . . . . . . . . . . 7.6
ASSEMBLY . . . . . . . . . . . . . . . . . . . . . . . . . . . . . . . . . . . . . . . . . . . . . . . . . . . . . . . . . . . 7.6
PROP SHAFT - FRONT OR REAR. . . . . . . . . . . . . . . . . . . . . . . . . . . . . . . . . . . . . . . . . . 7.7
REMOVAL AND INSTALLATION. . . . . . . . . . . . . . . . . . . . . . . . . . . . . . . . . . . . . . . . . . . 7.7
U-JOINT. . . . . . . . . . . . . . . . . . . . . . . . . . . . . . . . . . . . . . . . . . . . . . . . . . . . . . . . . . . . . . . 7.7
DISASSEMBLY. . . . . . . . . . . . . . . . . . . . . . . . . . . . . . . . . . . . . . . . . . . . . . . . . . . . . . . . . 7.7
ASSEMBLY . . . . . . . . . . . . . . . . . . . . . . . . . . . . . . . . . . . . . . . . . . . . . . . . . . . . . . . . . . . 7.8
DRIVE AXLE EXPLODED VIEWS. . . . . . . . . . . . . . . . . . . . . . . . . . . . . . . . . . . . . . . . . . 7.10
DRIVE SHAFTS AND PROPSHAFTS . . . . . . . . . . . . . . . . . . . . . . . . . . . . . . . . . . . . . . 7.10
FRONT GEARCASE - CENTRALIZED HILLIARD (STANDARD MODELS). . . . . . . . . . 7.11
EXPLODED VIEW (STANDARD MODELS). . . . . . . . . . . . . . . . . . . . . . . . . . . . . . . . . . 7.11
OPERATION. . . . . . . . . . . . . . . . . . . . . . . . . . . . . . . . . . . . . . . . . . . . . . . . . . . . . . . . . . 7.12
GEARCASE REMOVAL . . . . . . . . . . . . . . . . . . . . . . . . . . . . . . . . . . . . . . . . . . . . . . . . . 7.12
DISASSEMBLY / INSPECTION . . . . . . . . . . . . . . . . . . . . . . . . . . . . . . . . . . . . . . . . . . . 7.13
REASSEMBLY / INSPECTION. . . . . . . . . . . . . . . . . . . . . . . . . . . . . . . . . . . . . . . . . . . . 7.17
SETTING RING GEAR BACKLASH. . . . . . . . . . . . . . . . . . . . . . . . . . . . . . . . . . . . . . . . 7.18
FRONT GEARCASE DIAGNOSIS . . . . . . . . . . . . . . . . . . . . . . . . . . . . . . . . . . . . . . . . . 7.19
GEARCASE INSTALLATION . . . . . . . . . . . . . . . . . . . . . . . . . . . . . . . . . . . . . . . . . . . . . 7.20
FRONT GEARCASE - ACTIVE DESCENT CONTROL (DELUXE MODELS). . . . . . . . . 7.21
ADC GEARCASE EXPLODED VIEW (DELUXE MODELS). . . . . . . . . . . . . . . . . . . . . . 7.21
OPERATION. . . . . . . . . . . . . . . . . . . . . . . . . . . . . . . . . . . . . . . . . . . . . . . . . . . . . . . . . . 7.22
ADC COIL TESTING . . . . . . . . . . . . . . . . . . . . . . . . . . . . . . . . . . . . . . . . . . . . . . . . . . . 7.23
ADC DIFFERENTIAL HYDRAULIC CIRCUIT BLEEDING . . . . . . . . . . . . . . . . . . . . . . . 7.23
DISASSEMBLY / INSPECTION . . . . . . . . . . . . . . . . . . . . . . . . . . . . . . . . . . . . . . . . . . . 7.24
ADC GEARCASE PISTON REPLACEMENT PROCEDURE. . . . . . . . . . . . . . . . . . . . . 7.28
ASSEMBLY . . . . . . . . . . . . . . . . . . . . . . . . . . . . . . . . . . . . . . . . . . . . . . . . . . . . . . . . . . 7.30
REAR HUB . . . . . . . . . . . . . . . . . . . . . . . . . . . . . . . . . . . . . . . . . . . . . . . . . . . . . . . . . . . 7.33
REMOVAL . . . . . . . . . . . . . . . . . . . . . . . . . . . . . . . . . . . . . . . . . . . . . . . . . . . . . . . . . . . 7.33
DISASSEMBLY. . . . . . . . . . . . . . . . . . . . . . . . . . . . . . . . . . . . . . . . . . . . . . . . . . . . . . . . 7.34
ASSEMBLY . . . . . . . . . . . . . . . . . . . . . . . . . . . . . . . . . . . . . . . . . . . . . . . . . . . . . . . . . . 7.35
INSTALLATION . . . . . . . . . . . . . . . . . . . . . . . . . . . . . . . . . . . . . . . . . . . . . . . . . . . . . . . 7.35
REAR DRIVE (CV) SHAFT . . . . . . . . . . . . . . . . . . . . . . . . . . . . . . . . . . . . . . . . . . . . . . . 7.36
REMOVAL . . . . . . . . . . . . . . . . . . . . . . . . . . . . . . . . . . . . . . . . . . . . . . . . . . . . . . . . . . . 7.36
SERVICE . . . . . . . . . . . . . . . . . . . . . . . . . . . . . . . . . . . . . . . . . . . . . . . . . . . . . . . . . . . . 7.37
CV BOOT REPLACEMENT . . . . . . . . . . . . . . . . . . . . . . . . . . . . . . . . . . . . . . . . . . . . . . 7.38
INSTALLATION . . . . . . . . . . . . . . . . . . . . . . . . . . . . . . . . . . . . . . . . . . . . . . . . . . . . . . . 7.39
DRIVE SHAFT AND CV JOINT HANDLING TIPS . . . . . . . . . . . . . . . . . . . . . . . . . . . . . 7.40

7.2
FINAL DRIVE
SPECIFICATIONS
Torque Table
IMPORTANT: Verify which type of wheel ATV is
equipped with (aluminum or steel) when torquing
wheel nuts.
Special Tools
Gearcase Fluid / Capacity
FRONT DRIVE AXLE
Removal
1. Set the ATV in park. Remove hub dust cap.
2. Remove cotter pin.
3. Loosen the hub retaining nut.
4. Loosen - but do not remove - the wheel nuts.
5. Safely lift and support the front of the ATV.
6. Remove wheel.
7. Remove the two brake caliper attaching bolts.
COMPONENT FT.LBS.
(IN.LBS.) NM
F/R Steel Wheel Nuts 30 41
F/R Aluminum Wheel Nuts 90 122
Front Hub Nut 70 95
Rear Hub Nut 80 109
Front Gearcase Mount Bolts 30 41
Standard Gearcase Screws 14 19
Lower Hub Carrier Bolts 50 68
Upper Hub Carrier Bolts 35 48
ADC Pump Screws (17-23) 1.9 - 2.5
ADC Cover Screws 7 - 11 9.4 - 14.9
ADC Bleed Valves (80) 9
PART NUMBER TOOL DESCRIPTION
2872608 Roller Pin Removal Tool
8700226 CV Boot Clamp Pliers
2870772 1 3/4” Straight Wrench
PA-48542 ADC Gearcase Piston
Installation Tool
GEARCASE DESCRIPTION
Centralized Hilliard
(Standard Models)
Demand Drive LT
Premium Hub Fluid
8.97 oz. (265 ml)
Centralized Hilliard
w/ ADC
(Deluxe Models)
Demand Drive LT
Premium Hub Fluid
9.3 oz. (275 ml)
ADC Gearcase
Pump Reservoir Polaris ADC or AW ISO 10
Hydraulic Fluid
CAUTION
Serious injury could occur if machine tips or falls.
CAUTION
Do not hang the caliper by the brake line. Use wire
to hang the caliper to prevent possible damage to
the brake line.

7.3
FINAL DRIVE
7
8. Remove hub.
9. Remove cotter pin and nut from lower A-arm ball joint.
Remove lower A-arm from ball joint.
10. Pull strut assembly out while pivoting front drive shaft
downward until it clears strut assembly.
11. Pull strut assembly out while pivoting front drive shaft
downward until it clears strut assembly.

7.4
FINAL DRIVE
Installation
1. Install new spring ring on drive shaft. Apply an anti-seize
compound to splines. Align splines of drive shaft with
front gearcase and install by lightly tapping on drive shaft
with rubber faced hammer.
2. Install drive shaft in strut.
3. Install lower ball joint, torque nut to specification and
install new cotter pin.
4. Install hub and tighten hub nut to specification.
FRONT DRIVE SHAFT (CV) BOOT
Inspection
Check the front and rear driveshaft CV boots for any tears or
leaking grease. If the driveshaft boot loses all of the grease CV
joint failure will occur.
Replacement
1. Remove wheel, brake caliper, and wheel hub. Refer to
“FRONT DRIVE AXLE REMOVAL” earlier in this
chapter for procedure.
2. Remove cotter pin and castle nut from A-arm ball joint.
= T
Ball Joint Retaining Nut Torque:
25 ft. lbs. (34.5 Nm)
= T
Front Hub Retaining Nut Torque:
70 ft. lbs. (95 Nm)

7.5
FINAL DRIVE
7
3. Disconnect A-arm from ball joint using a tie rod fork.
4. Slide strut off end of drive shaft and tie it up out of the way
of the shaft.
5. Remove clamps from rubber boot using the proper boot
clamp pliers.
6. Remove the large end of the boot from the CV joint, slide
the boot back and separate the wheel spindle and CV joint
assembly from the axle shaft by pulling the shaft sharply
outward, away from the CV joint. It may be necessary to
tap the CV joint assembly outward with a soft faced
hammer.
7. Remove small clamp and boot from driveshaft.
NOTE: If the ATV has been operated with a damaged
boot, the CV joint grease may be contaminated.
Inspect the grease carefully for contamination, and
clean the joint thoroughly if necessary. Front drive
axle CV boot replacement requires 3.5 oz. of grease.
8. Before installing the new boot, remove all grease from the
boot area and shaft.
NOTE: It is very important to use the correct type
and quantity of grease. Use only the grease
contained in the boot kit. DO NOT use a substitute
grease and DO NOT overfill or under fill the CV joint.
9. Slide the new clamp and boot (small end first) over the
splined shaft, then slide (tap) the CV joint into the splines
of the axle.
10. Add grease through large end of boot.
11. Install a new boot onto the axle shaft and fill the CV joint
and boot with the correct type and amount of grease.
12. While pulling out on the CV shaft, fully extend the CV joint
and slide a straight O-ring pick or a small slotted screw
driver between the small end of the boot and the shaft. This
will allow the air pressure to equalize in the CV boot in the
position that the joint will spend most of its life. Before you
remove your instrument, be sure the small end of the boot
is in its correct location on the axle. CARE MUST BE
TAKEN TO AVOID DAMAGE TO THE NEWLY
INSTALLED BOOT.
Retaining Ring
Pull Shaft to Remove from
CV Joint
CV Joint Grease -3.5 oz.
( R e f e r t o p a r t s m a n u a l f o r b o o t k i t )
CV Boot Clamp Pliers:
Earless Type: (PN 8700226)
Boot replacement with complete CV joint
cleaning requires the entire 3.5 oz. of grease.

7.6
FINAL DRIVE
13. Install the small clamp on the boot.
FRONT HUB
Disassembly
1. Remove outer snap ring.
2. From the back side, tap on the outer bearing race with a drift
punch in the reliefs as shown.
NOTE: Drive bearing out evenly by tapping on outer
race only. Once bearing is at bottom of casting,
support casting on outer edges so bearing can be
removed.
3. Inspect the bearing.
NOTE: Due to extremely close tolerances and
minimal wear, the bearings must be inspected
visually, and by feel. While rotating bearings by
hand, inspect for rough spots, discoloration, or
corrosion. The bearings should turn smoothly and
quietly, with no detectable up and down movement
and minimal movement sideways between inner and
outer race.
4. Inspect bearing housing for scratches, wear or damage.
Replace housing if damaged.
Assembly
1. Support bottom of hubstrut housing.
2. Start bearing in housing.
3. Press bearing into place until outer race bottoms on
housing.
4. Install snap ring into groove.
Front Shaft
CAUTION
When using an arbor press be sure to press only on
the outer race to avoid bearing damage.

7.7
FINAL DRIVE
7
PROP SHAFT - FRONT OR REAR
Removal and Installation
1. Using Roll Pin Removal Tool (PN 2872608), remove the
roll pin from prop shaft at rear of housing (front only) or
transmission output shaft (rear only). Slide prop shaft back
and away from housing, then pull sharply forward to
remove from transmission shaft.
2. For installation, reverse the removal procedure.
NOTE: If removing rear propshaft, loosening and/or
removal of rear gearcase mounting bolts may be
required to gain necessary clearance for propshaft
removal.
U-JOINT
Disassembly
1. Remove internal or external snap ring from all bearing
caps.
NOTE: If yoke or bearing is removed, cross bearing
must be replaced. Note orientation of grease fitting
(if equipped) and mark inner and outer yoke for
correct re-positioning during installation.
2. Support inner yoke as shown and drive outer yoke down
(bearing cap out) with a soft face hammer.
CAUTION
Always wear eye protection when working with
spring-tensioned components

7.8
FINAL DRIVE
3. Support U-joint in vise as shown and drive inner yoke down
to remove remaining bearing ca
4. Force U-joint cross to one side and lift out of inner yoke.
Assembly
1. Install new bearing caps in yoke by hand. Carefully install
U-joint cross with grease fitting properly positioned
inward toward center of shaft. Take care not to dislodge
needle bearings upon installation of cross joint. Tighten
vise to force bearing caps in.
2. Using a suitable arbor, fully seat bearing cap in one side.
Continually check for free movement of bearing cross as
bearing caps using a suitable arbor, fully seat bearing cap
in one side. Continually check for free movement of
bearing cross as bearing caps are assembled. are assembled.
3. Install snap ring to contain bearing cap just installed.
Repeat procedure for other side.

7.9
FINAL DRIVE
7
4. Install snap ring to contain bearing cap just installed.
Repeat procedure for other side.
5. Install snap ring to contain bearing cap just installed.
Repeat procedure for other side.
6. Seat all bearing caps against snap rings by supporting cross
shaft and tapping on each corner as shown.
7. When installation is complete, yokes must pivot freely in
all directions without binding. If the joint is stiff or binding,
tap the yoke lightly to center the joint until it pivots freely
in all directions.

7.10
FINAL DRIVE
DRIVE AXLE EXPLODED VIEWS
Drive Shafts and Propshafts
NOTE: Refer to your parts manual for the proper replacement parts.
Circlip
Inner CV Joint Circlip Inner Boot Outer Boot Circlip Outer CV Joint
Drive Axle Components
Drive Boot Replacement Kits
Prop Shaft Components
Clamps
Outer Clamp
Boot
Clamp 3.5 oz. grease
Propshaft Assy.
Cross & Bearing Kit Prop Shaft O-Ring
Yoke, Prop to Transmission
Yoke, Front Gearcase
Yoke, Rear Gearcase Prop Shaft Yoke, Prop to Transmission

7.11
FINAL DRIVE
7
FRONT GEARCASE - CENTRALIZED HILLIARD (STANDARD MODELS)
Exploded View (Standard Models)
Ref. # Description Qty Ref. # Description Qty
1 Bolt 8 12 Vent Tube 1
2 Oil Seal 1 13 Plug 1
3 Input Cover Plate Asm. 1 14 Gearcase Sub Asm. 1
4 O-Ring 1 15 Ring Gear / Clutch Housing 1
5 Retaining Ring 1 16 Output Hub Asm. 2
6 Bearing 3 17 Roll Cage Asm. 1
7 Pinion Gear Asm. 1 18 Armature Plate 1
8 Pinion Bushing 1 19 Output Cover Asm. 1
9 Magnetic Drain Plug 1 20 Connector Asm. 1
10 Oil Seal 2 21 Thrust Button Asm. 1
11 Plug Cap 1 22 Set Screw 1
1
2
3
4
5
6
7
8
9
10 11 12 13
14
15
16 17 18
16 6
1
10 20
21 22
19

7.12
FINAL DRIVE
Operation
Engaging front gearcase: The AWD switch may be turned on
or off while the vehicle is moving. AWD will not enable until
the engine rpm is below 3100 RPM. Once enabled, the AWD
remains engaged while the front gearcase is moving and will not
disengage until the rear wheels regain traction.
Engage the AWD switch before getting into conditions where
the front wheel drive may be needed. If the rear wheels are
spinning , release the throttle before switching to AWD.
With the AWD switch off the vehicle drives only the rear wheels
(2 wheel drive). When the AWD switch is activated it engages
the hilliard, locking both front axles into all wheel drive when
there is a loss of rear wheel traction.
4x4 Engagement: When the AWD switch is activated, a 12 Vdc
current charges the central coil, creating a magnetic field. This
magnetic field attracts an armature plate keyed to a roller cage
that contains 14 rollers and roller cam. The difference in rpm
between the input shaft and front axles forces the rollers up the
external cam. The rollers engage, or “wedge” themselves
between the pinion gear and output hubs that link both front
axles, resulting in true all wheel drive.
Disengagement: As the front and rear wheels gain equal
traction, rotating very close to the same speed, the transmission
shaft “overdrives" the front gearcase input. The rollers are
forced outward, disengaging the AWD. The vehicle is now back
to rear wheel drive until the next loss of rear wheel traction.
Gearcase Removal
1. Stop engine, place machine in Park and set parking brake.
2. Loosen left front wheel nuts slightly.
3. Elevate the machine until the front wheels are off the
ground and support machine under footrest/frame area.
4. Remove left wheel nuts and wheel.
CAUTION
Switching to AWD while the rear wheels are
spinning may cause severe drive shaft and
gearcase damage. Always switch to AWD while the
rear wheels have traction or are at rest.
Armature Plate
Roll Cage Output Hubs
Ring Gear Magnetic Coil
CAUTION
If the rear wheels are spinning, release the throttle
before turning the AWD switch on. If AWD is
engaged while the wheels are spinning, severe
drive shaft and clutch damage could result.
CAUTION
Serious injury may result if machine tips or falls. Be
sure machine is secure before beginning this
service procedure. Wear eye protection when
removing and installing bearings and seals.
Ring Gear
Rollers
Roll Cage

7.13
FINAL DRIVE
7
5. Remove cotter pin, lower ball joint nut and A-arm from
ball joint.
6. Pull the hub and strut assembly out and pull the drive-shaft
out of the hub.
7. Remove the roller pin from the front prop shaft. Use the
Roller Pin Removal Tool (PN 2872608).
8. Remove bolts securing the bottom of housing to the skid
plate frame. Bolts and fluid drain plug are accessible
through the skid plate.
9. Remove vent line.
10. Remove the front gearcase from left side of frame, pulling
both the remaining CV shaft and propshaft from the
gearcase. Replace the circlips on the CV shaft ends prior
to reassembly.
Disassembly / Inspection
1. Drain and properly dispose of used oil. Remove any metal
particles from the drain plug magnet.
Front Gearcase Removal
Remove 4 Bolts

7.14
FINAL DRIVE
2. Remove bolts retaining the outer cover plate assembly.
3. Remove the outer cover plate assembly.
NOTE: Thrust bearing located between the two
output hubs is pressed into assembly.
4. Remove the armature plate and RH output hub assembly
from the outer cover plate. Inspect the bearing and contact
surfaces of the output hub for signs of wear or damage.
Replace component if found to be worn or damaged
5. Remove the roll cage assembly, rollers, and ring gear.
Thrust Bearing
Armature Plate
Output Hub Assembly

7.15
FINAL DRIVE
7
6. Remove the LH output hub. Inspect the bearing and
contact surfaces of the output hub for signs of wear or
damage. Replace component if found to be worn or
damaged.
7. Thoroughly clean all parts. Inspect the bearing surfaces of
the output hub. Inspect the rollers (A) for nicks, scratches
and flat spots. Inspect the roll cage (B) for damage or
cracks. The rollers must slide up and down freely within
the roller cage surfaces.
8. Inspect the ring gear (C) for consistent wear patterns. The
surfaces should be free of nicks or burrs.
9. Inspect roll cage (B) sliding surface. This surface must be
clean and free of nicks, burrs or scratches. Inspect the H-
springs, but do not remove them from the roll cage.
10. Inspect the armature plate for a consistent wear pattern.
Uneven wear of the armature plate indicates a warped
plate, which may cause intermittent operation.
NOTE: See “FRONT GEARCASE DIAGNOSIS” later
in this chapter for more details.
CB
A
BH-Spring

7.16
FINAL DRIVE
11. Inspect the magnetic coil (A) in the outer cover plate
assembly. Inspect the backlash pad (B) for excessive wear.
NOTE: See “FRONT GEARCASE DIAGNOSIS” later
in this chapter for more details on the coil.
NOTE: The backlash for the centralized hilliard is set
at the factory. No adjustment is required, unless the
front cover needs to be replaced, or the back lash
pad screw is removed. See the “FRONT GEARCASE
ASSEMBLY” procedure later in this chapter for
details on backlash setting.
12. Remove the bolts retaining the input shaft cover and pinion
gear assembly.
13. Remove the snap ring retaining the input shaft assembly.
14. Remove the input shaft assembly. Inspect the pinion gear
(C) for chipped, broken, or missing teeth. Inspect the input
shaft bearing (D) for signs of wear. Replace the input shaft
cover O-ring prior to reassembly.
15. Inspect the input shaft bushing.
16. Thoroughly clean the gearcase components before
beginning reassembly.
A
B
CD

7.17
FINAL DRIVE
7
Reassembly / Inspection
1. Replace all O-rings, seals, and worn components.
2. Press the pinion shaft seal into the pinion cover, until the
seal is flush with the sealing surface.
3. Inspect bearings on output and pinion shafts. To replace,
press new bearing on to shaft.
NOTE: Due to extremely close tolerances and
minimal wear, the bearings must be inspected
visually, and by feel. While rotating bearings by
hand, inspect for rough spots, discoloration, or
corrosion. The bearings should turn smoothly and
quietly, with no detectable up and down movement
and minimal movement side to side.
4. Install input shaft, bearing, snap ring, and input cover with
new o-ring. Torque bolts to specification.
5. Install the LH output hub (A) into the gearcase housing.
The output hub should spin freely.
6. Install the RH output hub (B) into the output cover. The
output hub should spin freely.
7. Install the rollers and roll cage into the ring gear. Insert the
rollers as the roll cage is installed.
= T
Input Cover Bolt Torque
14 ft. lbs. (19 Nm)
A
A
B
CB

7.18
FINAL DRIVE
8. Install the ring gear and roll cage assembly into the
gearcase housing.
9. Install the armature plate on top of the roll cage / ring gear
assembly. Be sure that the armature plate tabs are fully
engaged into the roll cage assembly.
NOTE: Verify armature plate tabs are placed into the
slots on roll cage. (See Photo Below)
10. Install the cover plate assembly with new o-ring onto the
main gearcase.
NOTE: Verify the square O-ring (arrow) is placed flat
on the cover surface. If the O-ring is twisted fluid
leakage may occur.
11. Torque the cover plate bolts to specification.
12. Lay the gearcase on the side with the output cover facing up.
Setting Ring Gear Backlash
NOTE: Ring gear backlash is set at the factory. No
adjustment is required, unless the front cover is
replaced or the back lash pad screw is removed.
1. The backlash screw has locking agent that holds it into
place. Use a heat gun to lightly heat up the locking agent
on the screw.
= T
Output Cover Bolt Torque
14 ft. lbs. (19 Nm)
14 ft.lbs. (19 Nm)

7.19
FINAL DRIVE
7
2. Using a 3/32 hex wrench, turn the back-lash screw out 3-4
turns. Re-apply Loctite 262 onto the bottom screw
threads.
3. Turn the screw in until it is lightly seated, then turn the
screw out 1/4 turn.
4. Set the gearcase upright. Rotate the input shaft at least 4
times. This ensures the ring gear completes one full
rotation.
5. If a tight spot is felt during rotation, loosen the backlash
screw another 1/8 turn. Perform the step 16 again. Repeat
this procedure until the pinion shaft rotates smoothly 4
times (1 revolution of ring gear).
Front Gearcase Diagnosis
•Symptom: AWD Will Not Engage
1. Check the gearcase coil resistance. To test the gearcase
coil resistance, use the coil harness (Grey & Brown/
White).
NOTE: To test the gearcase coil resistance, use the
coil harness. The gearcase coil should measure
between 22.8 ohms and 25.2 ohms.
2. Check the minimum battery voltage at the Grey & Brown/
White wires that feed the hub coil wires. There should be
a minimum of 11.80-12.0 Volts present for proper
operation.
3. Inspect the armature plate for a consistent wear pattern.
There should be two distinct wear bands (one band inside
the other). If only one band of wear is present (or if there
is wear between the two bands, inspect the coil area as
indicated in Step 4. A band with an interrupted wear mark
may indicate a warped plate, which may cause intermittent
operation.
Front Gearcase Coil Resistance:
24 ±10%
AWD Coil Applied Battery Voltage:
11.80-12.0 Vdc
Armature Plate
Check for Wear Bands

7.20
FINAL DRIVE
4. Check to make sure the coil is seated in the U-shaped insert
that is pressed into the gearcase cover. The top of the coil
should be seated below the U-shaped insert. The U-shaped
insert controls the pole gap. If the top of the coil is above
the surface of the U-shaped insert it raises the armature
plate, thereby increasing pole gap. If the pole gap
increases the coil will not be strong enough to engage the
AWD system. If this is the cause order a new Cover Plate
Assembly.
5. Inspect the rollers for nicks, scratches, and flat spots. Also
inspect the roll cage for cracks and ensure the rollers are
able to slide up and down and in and out freely within the
roll cage sliding surfaces.
Gearcase Installation
1. To install gearcase, reverse removal procedures. Use new
roll pin in front prop shaft.
2. Torque mounting bolts in skid plate to 30 ft.lbs. (41 Nm).
3. Add the proper lubricant to the front gearcase. Check drain
plug for proper torque. Refer to Chapter 2 for fluid fill and
change information.
U-Shaped Insert
Coil
Cutaway View of Gearcase Cover
Rollers
= T
Gearcase Mounting Bolt Torque:
30ft.lbs. (41 Nm)
30ft.lbs. (41 Nm)
New Roll Pin

7.21
FINAL DRIVE
7
FRONT GEARCASE - ACTIVE DESCENT CONTROL (DELUXE MODELS)
ADC Gearcase Exploded View (Deluxe Models)
Ref. # Description Qty Ref. # Description Qty
1 O-ring 2 17 Roll Cage Assembly 1
21/4" Tubing 118
8-32 x 3/8" Screws 4
3 1/4-20 Screws 5 19 Spacer, Gear 1
4 Armature Plate 1 20 Pump Assembly 1
5 Clutch Assy - LH Exploded View 121 Wire Connector 1
6 Vent 1 22 O-ring, Outer 2
7 Cap, Bleed Screw 2 23 O-ring, Inner 2
8 Spacer, Clutch Basket 1 24 Bleeder Valve 2
9 Cover Assembly 1 25 Cam Assembly 1
10 Cover Bracket 1 26 Armature Plate 1
11 Gear Case Sub-Assembly 1 27 Pinion Cover Assembly 1
12 Hose Clamp 2 28 Retaining Ring 1
13 Clutch Assembly - RH 2 29 Pinion Gear Assembly 1
14 Plastic Clip 2 30 Fill Plug 1
15 Reservoir 1 31 Drain Plug 1
16 Ring Gear 1 32 Piston Assembly 2
33 1/4-20 Screws 3
5

7.22
FINAL DRIVE
Operation
Engaging Front Gearcase: Active Descent Control (ADC) is
controlled by the ECU and will not enable until the following
conditions are met:
• Vehicle speed is below 15 Mph (24Kph)
• Throttle Position Sensor (TPS) is at idle position
• The AWD switch is switched to ‘AWD’
Once the conditions are met for engagement, ADC remains
engaged as long as the conditions are met.
With the AWD switch off, the vehicle drives only the rear
wheels (2 wheel drive). When the AWD switch is ‘ON’ the
magnetic coils are active, the AWD coil indexes the clutch
mechanism so that both front axles will engage when there is a
loss of rear wheel traction. In addition to the rear wheel engine
braking, the ADC coil provides front wheel engine braking at
speeds less than 15 Mph (24Kph) with the TPS at idle position.
ADC Engagement: When the AWD switch is activated, a 12
Vdc current is present at the input shaft coil (1). Operation is
controlled by the ECU grounding and ungrounding the coil. The
coil’s magnetic field attracts a splined armature plate (2) on the
pinion (input) shaft (4). The energized splined armature plate
attracts the unsplined eccentric cam (3), which begins to turn
with the input shaft. The eccentric cam drives a hydraulic
piston/pump assembly (5). The pressure created by the pump
assembly forces hydraulic fluid through passages to the piston
assemblies (6) located in each case half. Hydraulic pressure
forces the piston assemblies inward to compress the splined
clutch packs (7) forming a dynamic coupling to each front drive
axle, resulting in true all-wheel EBS operation upon
deceleration.
Disengagement: Current to the ADC coil is turned off by the
ECU anytime the following conditions are met:
• Throttle Position Sensor (TPS) moves off idle position
• The AWD switch is switched to ‘OFF’
• Vehicle speed is above 15 Mph (24Kph)
Hydraulic pressure stops and the pistons release, disengaging
the ADC function. The vehicle returns to rear wheel drive until
the next deceleration.
1
23
4
5
6
7
7

7.23
FINAL DRIVE
7
ADC Coil Testing
Refer to the following tests in Chapter 10:
See “ALL WHEEL DRIVE (AWD) COIL” on page 10.24.
See “ACTIVE DESCENT CONTROL (ADC) COIL” on
page 10.24.
ADC Differential Hydraulic Circuit Bleeding
1. Make sure vehicle is parked on flat ground and allowed to
sit at least 30 minutes prior to bleeding hydraulic circuit.
2. Thoroughly clean area around and on remote reservoir and
hydraulic bleeders.
3. Remove reservoir cap and diaphragm assembly.
4. Make sure hydraulic oil inside reservoir is free of debris.
If any debris is found, use clean rag or suction device to
remove from the reservoir.
NOTE: Debris in reservoir may block porting and
produce inadequate bleeding of the system.
Decreased performance may be encountered with
inadequate bleed of the hydraulic circuit.
5. Begin the bleeding process by filling reservoir to ‘MAX’
line with clean Polaris ADC oil . (AW ISO 10 hydraulic
fluid equivalent).
6. Locate bleeder valves found on either side of differential
and remove the protective caps.
7. Turn bleeder valves counter-clockwise to loosen. Loosen
bleeder screw slowly, allowing oil and any trapped air to
flow out of fitting.
IMPORTANT: Do not allow hydraulic fluid in reservoir
to drain below minimum fill line. Close bleeder valve
before oil level falls below minimum fill line. Refilling
empty reservoir will result in air pockets becoming
trapped.
NOTE: If empty reservoir is encountered, filling of
fluid is still possible. Verify air is not trapped before
proceeding with step 7.
8. Continue steps 6-8 on both sides in sequence until no air
bubbles are seen when bleeding occurs.
9. Re-torque both bleeder valves to specification and reinstall
cover caps.
10. Fill reservoir with to a level midway between ‘MAX’ and
‘MIN’ fill lines. Verify no debris is found in reservoir oil.
11. Replace reservoir cap securely and wipe clean any residue.
Disassembly / Inspection
1. Drain and properly dispose of used oil. Remove any metal
particles from the drain plug magnet.
2. Remove the piston pump assembly from the gearcase.
NOTE: Piston pump assembly is a non-serviceable
item and should not be disassembled. Replace as an
assembly if found to be damaged or non-working.
3. Remove bolts (arrows) retaining the outer cover plate
assembly.
= T
Bleeder Valve Torque:
80 in. lbs. (9 Nm)

7.24
FINAL DRIVE
4. Remove the outer cover plate assembly. Remove and
inspect the cover o-ring (1). Inspect thrust bearing (2) for
wear. Replace items as required.
NOTE: Thrust bearing (2) located between the two
output assemblies is pressed into the clutch pack
and is not removable.
5. Remove the output clutch assemblies. Inspect the bearings,
contact surfaces and splines of the output clutch for signs
of wear or damage. Visually inspect the clutch plate area.
If plates are steel-on-steel, or if the friction material is worn,
the assembly should be replaced.
NOTE: Excessive debris in the oil and/or noise
coming from the front drive on deceleration with
ADC active are key indicators of clutch pack failure.
Replace clutch as an assembly if found to be worn or
damaged.
NOTE: Locating pins / holes (circle) aid installation.
Note for reassembly.
6. Remove the armature plate. Inspect the armature plate for
wear, distortion or other damage. Replace component as
required.
7. Remove the spacer. Inspect for signs of wear or damage.
Replace component as required.
NOTE: locating pins (arrow) are for spacer
installation. Note for reassembly.
2
1

7.25
FINAL DRIVE
7
8. Remove the ring gear (1) and spacer (2).
9. Remove and inspect the bearing surfaces of the output hub.
10. Thoroughly clean all parts.
11. Inspect the rollers (1) for nicks, scratches and flat spots.
Inspect the roll cage (2) for damage or cracks. The rollers
must slide up and down freely within the roller cage
surfaces. Inspect the ring gear (3) for consistent wear
patterns. Surfaces should be free of nicks or burrs.
12. Inspect roll cage sliding surface (2). This surface must be
clean and free of nicks, burrs or scratches. Remove and
inspect the H-springs (4). Replace any components as
required.
13. Inspect the armature plate for a consistent wear pattern.
Uneven wear of the armature plate indicates a warped
plate, which may cause intermittent operation.
NOTE: See “Front Gearcase Diagnosis” on
page 7.19.
1
2
32
1
24

7.26
FINAL DRIVE
14. Inspect the magnetic coil (1) in the outer cover plate
assembly. Inspect the backlash pad (2) for excessive wear.
NOTE: See “FRONT GEARCASE DIAGNOSIS” in this
chapter.
NOTE: Ring gear backlash (2) is set at the factory.
No adjustment is required, unless the front cover is
replaced or the back lash pad screw is removed.
See the “FRONT GEARCASE ASSEMBLY” in this
chapter for details on backlash setting.
15. Remove the bolts retaining the input shaft cover and pinion
gear assembly.
16. Inspect the magnetic coil (1) and bushing in the input cover
plate assembly. Replace the input cover seal.
17. Remove the splined armature plate (1).
18. Remove the eccentric cam assembly. Inspect the cam (1)
and bushing (2) for wear or damage. Replace component
as required.
12
1
1
1
2

7.27
FINAL DRIVE
7
19. Remove the snap ring retaining the input shaft assembly.
20. Remove the input shaft assembly. Inspect the pinion gear
(1) for chipped, broken, or missing teeth. Inspect the input
shaft bearing (2) for signs of wear. Replace the input shaft
cover O-ring (3) prior to reassembly.
21. Inspect the input shaft bushing. Replace case if worn.
ADC Gearcase Piston Replacement
Procedure
1. Place ADC Piston Tool PA-48542 on top of the piston.
Using moderate hand pressure, hold the tool on top of the
piston while using compressed air at the gearcase passage
(circled) to force piston up and out of the case. (See photo)
2. Repeat procedure for the other piston. (See photo)
3. Remove and discard the inner and outer o-rings from the
piston assembly.
NOTE: Never re-use o-rings. Always replace with
new.
1
23
CAUTION
This repair procedure involves the
use of compressed air. Safety glasses
or a face shield are required.
AIR
ADC Piston Tool
PA-48542
PA-48542
AIR

7.28
FINAL DRIVE
4. Coat new piston and o-rings with a moderate amount of
white lithium grease or assembly lube. Coat the edges of the
piston cavities. Install the inner and outer piston o-rings.
5. Place the piston in the piston cavity, aligning the pins with
the pin bosses. Using the casting and piston marks as a
guide as shown will aid pin alignment.
6. Place ADC Piston Tool PA-48542 on top of the piston and
verify alignment of the sight hole (circled) and piston mark
with the casting marks. Support the case and press the
piston down evenly. The piston is fully seated and located
in the pin bosses when the piston surface is just below the
cavity edge.
7. Repeat procedure for the other gearcase half.
NOTE: Verify that the o-rings are seated properly
and that no o-ring shavings exist outside of the
piston area, which is an indication of damage during
installation.
Inner
Outer
Tool PA-48542

7.29
FINAL DRIVE
7
Assembly
1. Thoroughly clean the gearcase components before
beginning reassembly.
2. Install a new seal in the main gearcase halve.
3. Install the input shaft assembly. Install the pinion gear/
bearing assembly (1). Install a new seal and o-ring the
input shaft cover (2) prior to reassembly.
4. Install the snap ring retaining the input shaft assembly.
5. Install the eccentric cam assembly (1).
6. Install the splined armature plate (1).
7. Install the input shaft cover assembly, bolts and bracket.
Torque to specification.
12
= T
Input Cover Bolt Torque:
7-11 ft. lbs. (9.4-14.9 Nm)
1
1

7.30
FINAL DRIVE
8. Install a new seal (1) in the outer cover plate assembly.
Install a new o-ring on the backlash pad (2) stem .
NOTE: Ring gear backlash (2) is set at the factory.
No adjustment is required, unless the front cover is
replaced or the back lash pad screw is removed.
9. Install the roll cage and rollers into the ring gear. Insert the
rollers as the roll cage is installed.
10. Install the clutch pack (1), spacer (2) and ring gear (3).
NOTE: Align locating pins / holes for installation.
NOTE: Align locating pins / holes for installation
(arrow).
11. Install the armature plate. Verify the armature plate tabs
align with tab recesses in the roll cage.
12
3
2
1

7.31
FINAL DRIVE
7
12. Install new cover o-ring (1) on the cover plate assembly
and a new passage o-ring (2) on the gear case.
13. Install the remaining output clutch assembly.
NOTE: Align locating pins / holes for installation.
14. Place cover assembly on Install bolts (arrows) retaining the
outer cover plate assembly and torque to specification.
15. Install a new passage o-ring (dotted circle) on the gearcase
and install the piston pump assembly. Torque the screws to
specification.
NOTE: See “Gearcase Installation” on page 7.20.
Properly route and install the ADC reservoir and line.
1
2
= T
Input Cover Bolt Torque:
7-11 ft. lbs. (9.4-14.9 Nm)
= T
Pump Assembly Screw Torque:
17-23 in. lbs. (1.9-2.5 Nm)

7.32
FINAL DRIVE
REAR HUB
Removal
1. Place the ATV in Park and lock the parking brake.
Remove rear hub cap.
2. Remove cotter pin (A).
3. Loosen the hub retaining nut (B).
4. Loosen the wheel nuts (C).
5. Safely support the rear of the ATV.
6. Remove wheel nuts and wheel.
7. Remove the rear brake caliper and safely suspend the
caliper from the frame with a piece of wire.
8. Remove hub nut, domed washer and flat washer.
9. Remove hub.
10. Remove upper control arm bolt as shown.
A
BC

7.33
FINAL DRIVE
7
11. Remove both lower control arm bolts.
12. Remove bearing carrier.
Disassembly
1. Remove outer snap ring.
2. From the back side, tap on the outer bearing race with a drift
punch in the reliefs as shown or press out using a hydraulic
press.
NOTE: Drive bearing out evenly by tapping on outer
race only. Once bearing is at bottom of casting,
support casting on outer edges so bearing can be
removed.
3. Inspect bearing.
NOTE: Due to extremely close tolerances and
minimal wear, the bearings must be inspected
visually, and by feel. While rotating bearings by
hand, inspect for rough spots, discoloration, or
corrosion. The bearings should turn smoothly and
quietly, with no detectable up and down movement
and minimal movement sideways between inner and
outer race.
4. Inspect bearing housing for wear or damage. Replace
housing if damaged.

7.34
FINAL DRIVE
Assembly
1. Support bottom of bearing carrier housing.
2. Start bearing in housing.
3. Press bearing into place until outer race bottoms on
housing.
4. Install snap ring into groove.
Installation
1. Insert bearing carrier on drive shaft.
2. Align bottom of carrier housing and lower control arm.
Grease and slide lower control arm bushings into place,
securing corner housing.
3. Install and torque both lower control arm bolts.
CAUTION
Use an arbor press only on the outer race
to avoid bearing damage.
= T
Upper Control Arm Bolt Torque:
35 ft. lbs. (48 Nm)

7.35
FINAL DRIVE
7
4. Lift bearing carrier until top aligns with upper control arm.
Install and torque upper control arm bolt and torque to
specification.
5. Pull drive shaft outward and install hub onto driveshaft
splines.
6. Install cone washers with domed side facing outward.
7. Install retainer nut, wheel and wheel nuts.
8. Remove jackstand and torque axle nut and wheel nuts to
specification.
9. Install a new cotter pin. Tighten nut slightly to align holes
if required.
REAR DRIVE (CV) SHAFT
Removal
1. Remove rear hub, see “REAR HUB REMOVAL”.
2. Remove upper carrier bolt. Tip hub outward and remove
shaft from carrier.
3. Pull sharply outward to remove shaft from transmission.
Install a new lock ring upon assembly.
= T
Lower Control Arm Bolt Torque:
50 ft. lbs. (68 Nm)
= T
Wheel Nut Torque:
See “Torque Table” on page 7.2.
= T
Hub Nut Torque:
80 ft. lbs. (109 Nm)
Pull outward sharply to remove
from transmission
Lock Ring

7.36
FINAL DRIVE
Service
1. Remove clamps from rubber boot(s) using the CV Boot
Clamp Pliers (PN 8700226) (A).
2. Photo below is shown without shaft for clarity.
Wipe grease away from recess in CV joint inner
hub to locate snap ring
3. Open the snap ring using a snap ring pliers or small needle
nose pliers. Tap CV housing off shaft with a soft faced
hammer while holding snap ring open.
4. Place a new snap ring in the groove of the CV joint inner
hub, with tabs facing the shaft as shown.
A
Snap Ring
Snap Ring Located in recessed area
Tap CV housing off
shaft
Spread ends of snap ring to
remove joint from shaft
Tabs face shaft

7.37
FINAL DRIVE
7
5. Refit CV joint on interconnecting shaft by tapping with a
plastic hammer on the joint housing. Take care not to
damage threads on the outboard CV joint. The joint is fully
assembled when the snap ring is located in the groove on
the interconnecting shaft.
6. Install and tighten large boot clamp with boot clamp pliers.
7. Remove excess grease from the CV joint's external surfaces
and position joint boot over housing, making sure boot is
seated in groove. Position clamp over boot end and make
sure clamp tabs are located in slots. NOTE: Before
tightening boot clamp on inboard joint, make sure any air
pressure which may have built up in joint boot has been
released. The air should be released after the plunging joint
has been centered properly. Tighten boot clamp using boot
clamp pliers.
CV Boot Replacement
1. Remove CV joint from end of shaft.
2. Remove boot from shaft.
NOTE: When replacing a damaged boot, check the
grease for contamination by rubbing it between two
fingers. A gritty feeling indicates contamination. If
the grease is not contaminated, the boot can be
replaced without cleaning the CV joint. Use the
recommended amount of grease for boot
replacement only (see below). Proceed to Boot
Installation.
3. Thoroughly clean and dry the CV joint and inspect ball
tracks and cages for wear, cracks or other damage.
NOTE: Shiny areas in ball tracks and on the cage
spheres are normal. Do not replace CV joints
because parts have polished surfaces. Replace CV
joint only if components are cracked, broken, worn
or otherwise unserviceable.
4. Add the recommended amount of grease for CV joint
cleaning to the joint as shown below. Be sure grease
penetrates all parts of the joint.
5. Refit CV joint on interconnecting shaft by tapping with a
plastic hammer on the joint housing. Take care not to
damage threads on the outboard CV joint. The joint is fully
assembled when the snap ring is located in the groove on
the interconnecting shaft.
6. Add grease through large end of boot.
7. Install a new boot onto the axle shaft and fill the CV joint
and boot with the correct type and amount of grease.
Tap joint onto shaft
Open snap ring and pull CV
joint away from shaft

7.38
FINAL DRIVE
8. While pulling out on the CV shaft, fully extend the CV joint
and slide a straight O-ring pick or a small slotted screw
driver between the small end of the boot and the shaft. This
will allow the air pressure to equalize in the CV boot in the
position that the joint will spend most of its life. Before you
remove your instrument, be sure the small end of the boot
is in its correct location on the axle.
9. Install the small clamp on the boot.
10. Be sure to use only the Constant Velocity Joint grease
supplied with boot service kit. IF CV JOINT WAS
CLEANED, add the recommended amount of grease to the
joint in addition to the grease pack supplied with boot kit.
NOTE: CV Joint Grease Capacity:
Outboard Joint - 30g if boot is replaced only. Another 50g (80
total) if joint is cleaned.
Inboard Joint - 50g if boot is replaced only. Another 50g (100
total) if joint is cleaned.
INSTALLATION
1. Slide shaft assembly into bearing carrier hub.
2. Apply anti-seize compound to splines of shaft.
3. Install a new lock ring and install the shaft.
4. Lift bearing carrier into place and install bolt to upper
control arm. Torque bolt to specification.
5. Install hub, flat washer, domed washer (domed side out)
and nut. Torque center hub nut to specification. Install new
cotter pin and hub cap.
CV Joint Grease:
30g PN 1350046 50g PN 1350047
Joint Capacity -
50 grams
Boot Capacity -
30 Grams
Outboard - 80g Total
Joint Capacity - 50
grams
Boot Capacity - 50
grams
Inboard - 100g Total
= T
Upper Hub Carrier Bolt Torque:
35 ft. lbs. (48 Nm)
= T
Hub Nut Torque:
80 ft. lbs. (109 Nm)

7.39
FINAL DRIVE
7
6. Install rear wheel and torque wheel nuts to specification.
7. Grease all fittings thoroughly with Premium U-Joint
Lubricant (PN 2871551).
Drive Shaft and CV Joint Handling Tips
Care should be exercised during driveshaft removal or when
servicing CV joints. Driveshaft components are precision parts.
Cleanliness and following these instructions is very important to
ensure proper shaft function and a normal service life.
• The complete driveshaft and joint should be handled by
getting hold of the interconnecting shaft to avoid
disassembly or potential damage to the driveshaft
joints.
• Over-angling of joints beyond their capacity could
result in boot or joint damage.
• Make sure surface-ground areas and splines of shaft are
protected during handling to avoid damage.
• Do not allow boots to come into contact with sharp
edges or hot engine and exhaust components.
• The driveshaft is not to be used as a lever arm to
position other suspension components.
• Never use a hammer or sharp tools to remove or to
install boot clamps.
• Be sure joints are thoroughly clean and that the proper
amount and type of grease is used to refill when joint
boots are replaced and when joints are cleaned. Refer
to text for grease capacity of CV joints and CV joint
boots.
Refer to Page 7.2 for Wheel Nut Torque.
80 ft.lbs. (109 Nm)

NOTES
FINAL DRIVE
7.40

GENERAL INFORMATION
8.1
CHAPTER 8
GENERAL INFORMATION
8
TRANSMISSION - GENERAL . . . . . . . . . . . . . . . . . . . . . . . . . . . . . . . . . . . . . . . . . . . . . . 8.2
MOUNTING EXPLODED VIEW . . . . . . . . . . . . . . . . . . . . . . . . . . . . . . . . . . . . . . . . . . . . 8.2
TORQUE SPECIFICATIONS . . . . . . . . . . . . . . . . . . . . . . . . . . . . . . . . . . . . . . . . . . . . . . 8.3
SPECIAL TOOLS . . . . . . . . . . . . . . . . . . . . . . . . . . . . . . . . . . . . . . . . . . . . . . . . . . . . . . . 8.3
LUBRICATION . . . . . . . . . . . . . . . . . . . . . . . . . . . . . . . . . . . . . . . . . . . . . . . . . . . . . . . . . 8.3
GEAR SELECTOR REMOVAL. . . . . . . . . . . . . . . . . . . . . . . . . . . . . . . . . . . . . . . . . . . . . 8.3
TRANSMISSION REMOVAL . . . . . . . . . . . . . . . . . . . . . . . . . . . . . . . . . . . . . . . . . . . . . . 8.3
TRANSMISSION INSTALLATION . . . . . . . . . . . . . . . . . . . . . . . . . . . . . . . . . . . . . . . . . . 8.5
TROUBLESHOOTING CHECKLIST. . . . . . . . . . . . . . . . . . . . . . . . . . . . . . . . . . . . . . . . . 8.6
TRANSMISSION SERVICE. . . . . . . . . . . . . . . . . . . . . . . . . . . . . . . . . . . . . . . . . . . . . . . . 8.7
EXPLODED VIEW . . . . . . . . . . . . . . . . . . . . . . . . . . . . . . . . . . . . . . . . . . . . . . . . . . . . . . 8.7
TRANSMISSION DISASSEMBLY . . . . . . . . . . . . . . . . . . . . . . . . . . . . . . . . . . . . . . . . . . 8.9
TRANSMISSION ASSEMBLY . . . . . . . . . . . . . . . . . . . . . . . . . . . . . . . . . . . . . . . . . . . . 8.14
TRANSMISSION FRONT OUTPUT SHAFT BACKLASH PROCEDURE . . . . . . . . . . . 8.15

8.2
GENERAL INFORMATION
TRANSMISSION - GENERAL
Mounting Exploded View
x2
x3
x4
x4
x2
x1
x1
x1

8.3
GENERAL INFORMATION
8
Torque Specifications
Special Tools
Lubrication
Refer to Chapter 2 for transmission lubricant type and capacity.
Gear Selector Removal
1. Disconnect linkage rod from gear selector handle.
2. Remove two bolts attaching gear selector mount to machine
frame.
3. Lift gear selector out of mounting bracket and away from
frame.
Transmission Removal
1. Place vehicle in “park”. Raise and securely support rear of
ATV at the frame. Remove both rear wheels.
2. Drain transmission lubricant (if required).
3. Remove seat, both side panels, both rear cab quarter panels
and both footwells. See Chapter 5.
4. Disconnect the differential, speed sensor and gear selection
switch connectors from the transmission.
5. Disconnect transmission vent line (A).
6. Disconnect shift rod end (B) from transmission bellcrank
(C).
7. Remove PVT outer cover, drive and driven clutches, and
the inner PVT cover. (refer to Clutch Removal in Chapter
6).
8. Remove both rear drive shafts. Brake caliper removal is
required. Do not let calipers hang by the brake line. See
Chapters 7 and 9.
9. Remove both upper shock absorber mounting bolts and
swing shocks away from the transmission.
10. Remove the torsion bar mountings from the control arms.
COMPONENT FT. LBS.
(IN.LBS.) NM
Transmission Case Bolts 25-30 36-43
Bell Crank Nut 12-18 17-26
Transmission Fill/Drain Plug 20-25 29-36
Trans. Mounting Bolts 40 57
Gear Sector Cover 8-12 11-17
Oil Deflector Screws (20-30) 2-3.6
Snorkel Torx Screw 8-12 11-17
Bearing Cover 8-12 11-17
Carrier Cover 23-27 33-39
Shift Fort Retainer Screws 8-12 11-17
Park Plate 8-12 11-17
PART NUMBER TOOL
DESCRIPTION
2871695 (Part of 2871702 Kit) Backlash Setting Tool
2871698 (Part of 2871702 Kit) Rear Output Seal
Driver
2871699 (Part of 2871702 Kit) Rear Driveshaft Seal
Guide
2871282 Bearing Seal Driver
(50 mm)
A
C
B

8.4
GENERAL INFORMATION
11. Remove all fasteners (X) attaching the torsion mount, and
completely remove the mount (Z) from the ATV.
12. Remove both upper control arms (I). Refer to Chapter 7 for
more details.
13. Remove all lower transmission mounting fasteners (J) from
each side.
14. Remove the middle transmission support bracket (K)
completely from the ATV.
15. Remove the rear transmission support brackets (L)
completely from the ATV.
16. Lift and remove transmission out right side of frame while
pulling the output shaft from the propshaft yoke.
X
X
X
X
Z
H
I
J
J
J
K
L

8.5
GENERAL INFORMATION
8
Transmission Installation
1. Apply Polaris Premium All Season Grease (PN 2871423)
to splines of front output shaft ,install new O–ring in prop
shaft.
2. With the help of an assistant, rotate transmission into place
from the right side of the frame, aligning the forward
transmission bracket into the rear engine mounting holes
while ensuring that the output shaft and propshaft align and
slide together.
3. Loosely install lower transmission mounting fasteners and
forward engine mounting nuts.
4. Install the rear support bracket, middle support bracket and
torsion bar support bracket. Torque all lower bracket bolts
to 40 ft.lbs. (57Nm). Torque all upper rear and middle
support bracket bolts (circled) to 17 ft.lbs. (24 Nm).
5. Install the upper control arms. Refer to Chapter 5 for
procedures and torque specifications.
6. Reconnect the torsion bar to both lower control arms.
Torque to 17 ft.lbs. (24 Nm).
7. Install both upper shock absorber mounts and torque to 30
ft.lbs. (43 Nm).
8. Apply anti-seize to splines of rear drive shafts and insert
drive shafts into carriers and transmission. Install rear
carriers and hubs.
Torque lower carrier bolts to 50 ft.lbs. (71 Nm). Torque all
other control arm bolts and remaining carrier bolts to 35
ft.lbs. (50 Nm).
9. Install the rear hubs, rear brake disc and brake caliper. Refer
to Chapters 5 and 9 for procedures and torque
specifications.
10. Install PVT system. Refer to Chapter 6 PVT section for
procedures and torque specifications.
Apply anti-seize to splines

8.6
GENERAL INFORMATION
11. Once the PVT system is installed. Tighten all remaining
transmission mounting bolts to 40 ft.lbs. (57Nm). See page
8.2 for transmission bolt placement.
12. Install transmission vent line. Be sure vent line is not kinked
or pinched.
13. Install seat, both side panels, both rear cab quarter panels
and both footwells. See Chapter 5.
14. Reconnect the differential, speed sensor and gear selection
switch connectors to the transmission.
15. Reconnect the shift rod. Torque to standard specification.
16. Install the rear wheel nuts and torque to specification.
17. With the ATV on level ground, add Polaris AGL Gearcase
Lubricant to the proper level. See Chapter 2 for proper fill
procedures and Torque Specifications.
Troubleshooting Checklist
Check the following items when shifting difficulty is
encountered.
• Idle speed adjustment
• Transmission oil type/quality
• Drive belt deflection
• *Worn, broken or damaged internal transmission
components
Rear Wheel Nut Torque
Refer to Chapter 2
Polaris AGL Gearcase Lubricant
(PN 2873602) (12 oz.)
(PN 2873603) (Gallon)

8.7
GENERAL INFORMATION
8
TRANSMISSION SERVICE
Exploded View
262
242
= THREAD LOCKING AGENT FOR ALL ‘FT. LBS.’ FASTENERS
= THREAD LOCKING AGENT FOR ‘INCH LBS. ‘ FASTENERS

8.8
GENERAL INFORMATION
242
262
262
262
262
262

8.9
GENERAL INFORMATION
8
Transmission Disassembly
1. Place the transmission in the Neutral gear before
disassembly.
2. Drain and properly dispose of transmission oil. See Chapter
2.
3. Remove the bellcrank nut (1) and remove the bellcrank (2).
4. Remove the c-clip (3) that holds the gear selector switch (4)
onto the shaft and remove the selector switch.
5. Remove the sector cover bolts (5) and remove the sector
cover (6). Removal can be aided by using your thumbs to
press down on the shafts and pulling up the cover with your
fingers.
6. Remove the compression spring (7).
7. Remove the detent star (8). Note how the detent star fits
onto the splined shaft and the raised edge facing outward
for reassembly.
8. Remove the lockout disc (9). Note the raised edge facing
outward for reassembly.
9. Remove the shift shaft (10) and the shift gears (11,12).
NOTE: Note the timing marks on the shift gears (12,13)
for reassembly.
1
234
6
5
7
8
9
10
11
12
713

8.10
GENERAL INFORMATION
10. Remove all cover bolts. Using suitable pry tools, remove
the cover using the designated pry points. Tap cover with
soft face hammer to remove. The pry points are indicated
by the white arrows in the photo below.
11. Note location of chain tensioner cam (17). If fully extended,
chain is worn beyond service limit. Replace chain and chain
tensioner shoe.
12. Remove the cam chain tensioner spring (14). Slide the cam
chain tensioner shoe (15), pins (16), and cam chain
tensioner cam (17) from the assembly.
13. Remove the differential gear (18) and chain by gently
prying underneath or tapping the differential gear from the
opposite side until it tips toward the output gear (19). The
differential gear is connected to the shift fork and must slide
backwards to clear the fork arms once the chain is removed.
14. Remove the T20 screws that secure the oil deflector (20)
with a T20 hex socket or driver.
CAUTION
Do not pry on case half sealing surfaces. Use
only the designated pry points on the
transmission.
Pry points
16
15
14
16
17
18
19
20

8.11
GENERAL INFORMATION
8
15. Remove the T27 screws that secure the output gear (21)
with a T27 hex socket or driver.
16. Remove the shift drum (22) from the gearcase by moving
the drum up and to the right to clear the shift shaft.
17. Remove the output gear (21) and gear cluster assembly
from the gearcase by pulling both assemblies straight up.
Place the gear cluster assembly on a clean surface for
inspection.
Gear Cluster Disassembly
18. Remove the bearing from the reverse shaft using a bearing
puller. Slide the engagement dog (1) off of the reverse shaft.
19. Remove the retaining ring and washer from the reverse
shaft.
20. Remove the bearing from the input shaft using a bearing
puller.
21. Remove the 33T gear (3) and needle bearing (2) from the
reverse shaft.
21
22
21
Bearing
Input Shaft
Bearing
Reverse
Needle
33T Gear (3)
Washer
Retaining Ring
Bearing (2)
Engagement
Dog (1)
Bearing
Shaft

8.12
GENERAL INFORMATION
22. The reverse shaft should slide out of the silent chain (4) to
separate the assembly.
23. Remove the rest of the bearings from the shafts.
24. Remove the engagement dog (5) from the reverse shaft.
25. Remove the retaining ring (6) and then washer (7), gear (8),
and split bearing (9) from the reverse shaft.
26. To disassemble the shift fork rail remove the snap ring (10)
from the end of the shift rail on either side.
Transmission Snorkel Shaft Removal
27. Remove the snorkel lock screw located inside the gearcase.
Use a T27 hex socket or driver.
28. Mark the snorkel tube and case with a white pen or marker.
This is used to ease reassembly of the gearcase.
4
REVERSE SHAFT
Towards Inside
of Case
5
678
9
CAUTION
Use caution when disassembling the shift rail. The
compressed springs on the shift rail may pop off causing
eye or face injury.
10
10

8.13
GENERAL INFORMATION
8
29. Use a 2 3/8” wrench to loosen and remove the front drive
shaft snorkel tube (11). 30. If needed, remove the seal from the front of the snorkel
tube. Remove the snap ring (12).
31. Remove the second snap ring (13) and spacer (14) from the
snorkel shaft.
NOTE: Shim may or may not be present. Depending on
input shaft tolerance.
32. To remove the snorkel shaft from the snorkel tube, use a
press to press the snorkel shaft out.
11
Front Drive Snorkel Assembly
A. O-ring
B. Seal
C. Retaining Ring
D. Retaining Ring
E. Spacer
F. Ball Bearing
G. Snorkel tube
H. Retaining Ring
I. Ball Bearing
J. Snorkel Shaft
A
A
BE
D
C
I
H
G
F
J
12
13
14

8.14
GENERAL INFORMATION
33. To remove the remaining bearing on the snorkel shaft (15),
remove the retaining ring and press the bearing off.
Transmission Assembly
1. Install all new seals in the gearcases. Use the Rear Output
Seal Driver (PN 2871698) and Rear Driveshaft Seal Guide
(PN 2871699) to install the seals into the gearcases. See
illustration 1 to identify seals for replacement.
2. Reverse the disassembly procedure for the assembly of the
snorkel shaft assembly.
3. Inspect the output gear assembly (1), replace bearings if
needed. Inspect the 91T gear for nics, chips, or abnormal
worn teeth.
4. Install 2 new O-rings onto the snorkel tube. Apply a white
lithium grease onto the O-rings and threads of the snorkel
tube.
5. Install the snorkel shaft assembly into the gearcase. Install
the snorkel shaft assembly in until the second O-ring is
contacting the gearcase, but is still visible.
15
LH Gearcase
Cover Seals
Gearcase Seal ILL 1
1

8.15
GENERAL INFORMATION
8
6. Install the output gear assembly. Be sure to properly mesh
the snorkel shaft bevel gear with the output bevel gear.
Install the 4 torx screws (2) to secure the output gear
assembly into place. Torque screws to 8-12 ft.lbs. (11-17
Nm).
NOTICE! : It is important to set zero lash between the
output gear and the snorkel shaft gear. If there is binding or
excess lash, tighten or loosen the snorkel shaft until there
is zero lash.
Transmission Front Output Shaft Backlash
Procedure and Reassembly
1. The following steps must be performed to obtain proper
front output gear backlash adjustment:
• Upon completion of Step 6, make sure the snorkel gear
and output bevel gear are lightly seated or meshing so
there is ‘zero’ lash. Do not overtighten. Gears should
rotate freely without binding.
• Before turning the snorkel tube, look down into the
gearcase at the snorkel lock screw hole opening (Photo
2) to reference your starting point. Next, slowly rotate
the snorkel tube counterclockwise (Photo 3), counting
the number of notches passing through the thread hole
as you rotate the tube. Rotate the snorkel tube to the
7th notch from ‘seated’ position (Photo 1 & 2) using
a 2 3/8” wrench.
• Check the output shaft gear backlash again by feel. If
the output shaft lash appears to be too tight, rotate the
snorkel shaft counterclockwise to the next notch (or
8th) notch.
2
Notches
1
Count 7 notches of snorkel tube through
lock screw hole.
2
Rotate snorkel counterclockwise 7 notches
3

8.16
GENERAL INFORMATION
2. Once the gear backlash is found, to install the snorkel lock
screw, you may have to rotate the snorkel tube clockwise
or counterclockwise slightly. This will allow the lock screw
to thread itself into one of the slots of the snorkel tube (See
illustration below) to secure the snorkel tube.
3. With the snorkel shaft assembly in place, remove the 4 Torx
screws from the output shaft assembly. Remove the output
shaft assembly.
4. Assemble the input shaft assembly if previously
disassembled.
5. Assemble the reverse shaft assembly if previously
disassembled.
Screw Fits in Slots of Snorkel Tube
8-12 ft-lb. (11-17) Nm
Input Shaft Assembly
A. Ball Bearing
B. Input Shaft
C. Silent Chain
A
A
B
C
REVERSE SHAFT
Towards Inside
of Case
A. Ball Bearing
B. Engagement Dog
C. Retaining Ring
D. Washer
E. Gear
F. Needle Bearing
G. Reverse Shaft
H. Needle Bearing
I. Sprocket
J. Washer
K. retaining Ring
L. Engagement Dog
M. Washer
N. Needle Bearing
O. Gear
P. Washer
Q. Retaining Ring
R. Ball bearing
A
B
CD
EF
G
H
IJK
L
R
Q
P
O
N
M

8.17
GENERAL INFORMATION
8
6. Inspect the shift drum for any damage or wear. Inspect the
splines of the shift drum. Replace the O-rings on the end of
the shift drum and lubricate them before assembly.
7. Stretch the silent chain on a flat surface and measure the
length of 8 pitches in a minimum of three places on the
chain. Replace the chain if the measurement is longer than
3.0904” (7.8496 cm).
8. The shift drum (C), reverse shaft (D), input shaft (E), and
output gear assembly must be installed at the same time to
properly align all components.
NOTE: To ease assembly use a plastic tie strap to hold
the shift forks (D) and the shift drum (C) together during
assembly.
9. With the gearcase on it’s side, hold the gear cluster
assembly and output assembly together. Carefully install
each shaft into their respective recess in the gearcase.
10. With all of the components in the correct positions install
the 4 output gear assembly screws. Apply Loctite™ 262
(PN 2871952) to the threads of the screws. Torque the
screws to 8-12 ft.lbs. (11-17 Nm). NOTE: If the
transmission is in locked in Park, place the transmission in
Neutral.
Silent Chain Length:
3.0904” (7.8496 cm)
D
E
C

8.18
GENERAL INFORMATION
11. Install the oil deflector shield into the gearcase. Apply
Loctite™ 242 to the threads of the screws. Torque the
screws to 16-30 in.lbs. (2-3.6 Nm).
12. Install the rear drive differential and drive chain, following
these precautions:
• The case half rear output seal should be removed prior
to installation of the differential, as seal damage can
occur with seal installed due to the angle of entry.
• Install the differential sliding geardog onto the shift
fork arms at the same time the silent chain is installed.
• The differential gear bearing may be lightly tapped into
place. The case half seal can be installed once the
assembly is in place.
13. Tensioner Installation:
NOTE: Case-halve mating may be difficult due to tensioner
installation. Release tension to aid installation.
• Place the tensioner cam on the front spacer and
tensioner shoe on the rear spacer.
• Insert the pins through the cam and through the shoe.
• Place the spring over the front pin and hook the spring
leg under the cam.
14. Lift the leg of the spring up and over the rear pin. The
tensioner cam will lift the shoe and tension chain.
Tensioner Assembly - Top View
Forward
Spring Leg Tensioner
Lock Cam
View From Left Side of Transmission
Forward
Hook Spring Leg Under Cam
Lift Spring Over Rear
Mounting Pin

8.19
GENERAL INFORMATION
8
15. Apply a continuous bead of Crankcase Sealant (3-Bond)
(PN 2871557) to the LH gearcase mating surface and install
the cover. Install and tighten the 22 screws in a criss cross
pattern to evenly secure the cover. Torque the screws to 25-
30 ft.lbs. (36-43 Nm).
NOTE: Case-halve mating may be difficult due to tensioner
installation. Release tension to aid installation.
16. Place a small amount of grease (PN 2871551) into the
pocket before installing the sector gear.
17. Install the shift gear (16T) (G) on the shift drum shaft.
Install the sector gear (F) in the bushing pocket on the left
side. Aligning the timing marks on the gears.
18. Install the O-ring (if not yet done) and lockout disc (H) onto
the shift drum shaft. Be sure to install the lockout disc (H)
and detent star (J) with the raised edge facing outward.
19. Install the detent pawl (I) onto the shift shaft. Install the
detent star (J). Install a new O-ring onto the shift shaft.
Apply a small amount of grease onto the O-rings and end
of the shift drum.
20. Install the compression spring (K).
21. Apply Crankcase Sealant (3-Bond) (PN 2871557) onto the
cover and case mating surfaces.
25-30 ft-lb. (36-43 Nm)
G
H
Timing marks
H

8.20
GENERAL INFORMATION
22. Install the bellcrank onto the shift shaft. Note the key
splined on the bellcrank and shaft. Install the nut. Torque
the nut to 12-18 ft.lbs. (16-26 Nm).
23. Install the transmission switch and secure the switch with
the retaining ring.

BRAKES
9.1
CHAPTER 9
BRAKES
9
SPECIFICATIONS. . . . . . . . . . . . . . . . . . . . . . . . . . . . . . . . . . . . . . . . . . . . . . . . . . . . . . . 9.2
TORQUE TABLE . . . . . . . . . . . . . . . . . . . . . . . . . . . . . . . . . . . . . . . . . . . . . . . . . . . . . . . 9.2
COMPONENT SERVICE LIMITS . . . . . . . . . . . . . . . . . . . . . . . . . . . . . . . . . . . . . . . . . . . 9.2
BRAKE SYSTEM EXPLODED VIEWS . . . . . . . . . . . . . . . . . . . . . . . . . . . . . . . . . . . . . . . 9.3
X2 SYSTEM COMPONENT EXPLODED VIEW. . . . . . . . . . . . . . . . . . . . . . . . . . . . . . . . 9.3
SPORTSMAN SYSTEM COMPONENT EXPLODED VIEW . . . . . . . . . . . . . . . . . . . . . . 9.4
BRAKE CALIPER EXPLODED VIEWS . . . . . . . . . . . . . . . . . . . . . . . . . . . . . . . . . . . . . . . 9.5
SPORTSMAN AND X2 FRONT CALIPER ASSEMBLY. . . . . . . . . . . . . . . . . . . . . . . . . . 9.5
X2 REAR CALIPER ASSEMBLY . . . . . . . . . . . . . . . . . . . . . . . . . . . . . . . . . . . . . . . . . . . 9.5
SPORTSMAN REAR CALIPER ASSEMBLY . . . . . . . . . . . . . . . . . . . . . . . . . . . . . . . . . . 9.6
HYDRAULIC BRAKE SYSTEM . . . . . . . . . . . . . . . . . . . . . . . . . . . . . . . . . . . . . . . . . . . . . 9.6
OPERATION OVERVIEW . . . . . . . . . . . . . . . . . . . . . . . . . . . . . . . . . . . . . . . . . . . . . . . . 9.6
BRAKE NOISE TROUBLESHOOTING . . . . . . . . . . . . . . . . . . . . . . . . . . . . . . . . . . . . . . 9.7
BRAKE BLEEDING / FLUID CHANGE. . . . . . . . . . . . . . . . . . . . . . . . . . . . . . . . . . . . . . . 9.7
FRONT MASTER CYLINDER . . . . . . . . . . . . . . . . . . . . . . . . . . . . . . . . . . . . . . . . . . . . . . 9.9
REMOVAL . . . . . . . . . . . . . . . . . . . . . . . . . . . . . . . . . . . . . . . . . . . . . . . . . . . . . . . . . . . .9.9
INSTALLATION . . . . . . . . . . . . . . . . . . . . . . . . . . . . . . . . . . . . . . . . . . . . . . . . . . . . . . . . 9.9
FRONT BRAKES. . . . . . . . . . . . . . . . . . . . . . . . . . . . . . . . . . . . . . . . . . . . . . . . . . . . . . . 9.10
PAD REMOVAL . . . . . . . . . . . . . . . . . . . . . . . . . . . . . . . . . . . . . . . . . . . . . . . . . . . . . . . 9.10
ASSEMBLY . . . . . . . . . . . . . . . . . . . . . . . . . . . . . . . . . . . . . . . . . . . . . . . . . . . . . . . . . . 9.11
BRAKE BURNISHING PROCEDURE . . . . . . . . . . . . . . . . . . . . . . . . . . . . . . . . . . . . . . 9.12
FRONT BRAKE DISC . . . . . . . . . . . . . . . . . . . . . . . . . . . . . . . . . . . . . . . . . . . . . . . . . . . 9.12
INSPECTION . . . . . . . . . . . . . . . . . . . . . . . . . . . . . . . . . . . . . . . . . . . . . . . . . . . . . . . . . 9.12
REMOVAL / REPLACEMENT . . . . . . . . . . . . . . . . . . . . . . . . . . . . . . . . . . . . . . . . . . . . 9.13
FRONT CALIPER . . . . . . . . . . . . . . . . . . . . . . . . . . . . . . . . . . . . . . . . . . . . . . . . . . . . . . 9.14
REMOVAL . . . . . . . . . . . . . . . . . . . . . . . . . . . . . . . . . . . . . . . . . . . . . . . . . . . . . . . . . . . 9.14
INSPECTION . . . . . . . . . . . . . . . . . . . . . . . . . . . . . . . . . . . . . . . . . . . . . . . . . . . . . . . . . 9.15
REASSEMBLY . . . . . . . . . . . . . . . . . . . . . . . . . . . . . . . . . . . . . . . . . . . . . . . . . . . . . . . . 9.15
INSTALLATION . . . . . . . . . . . . . . . . . . . . . . . . . . . . . . . . . . . . . . . . . . . . . . . . . . . . . . . 9.16
REAR BRAKE PAD . . . . . . . . . . . . . . . . . . . . . . . . . . . . . . . . . . . . . . . . . . . . . . . . . . . . . 9.17
X2 PAD REMOVAL. . . . . . . . . . . . . . . . . . . . . . . . . . . . . . . . . . . . . . . . . . . . . . . . . . . . . 9.17
X2 PAD INSTALLATION. . . . . . . . . . . . . . . . . . . . . . . . . . . . . . . . . . . . . . . . . . . . . . . . . 9.18
SPORTSMAN REAR PAD REMOVAL . . . . . . . . . . . . . . . . . . . . . . . . . . . . . . . . . . . . . . 9.19
SPORTSMAN REAR PAD INSTALLATION . . . . . . . . . . . . . . . . . . . . . . . . . . . . . . . . . . 9.20
BRAKE BURNISHING PROCEDURE . . . . . . . . . . . . . . . . . . . . . . . . . . . . . . . . . . . . . . 9.20
X2 REAR CALIPER . . . . . . . . . . . . . . . . . . . . . . . . . . . . . . . . . . . . . . . . . . . . . . . . . . . . . 9.21
REMOVAL . . . . . . . . . . . . . . . . . . . . . . . . . . . . . . . . . . . . . . . . . . . . . . . . . . . . . . . . . . . 9.21
INSPECTION . . . . . . . . . . . . . . . . . . . . . . . . . . . . . . . . . . . . . . . . . . . . . . . . . . . . . . . . . 9.22
REASSEMBLY . . . . . . . . . . . . . . . . . . . . . . . . . . . . . . . . . . . . . . . . . . . . . . . . . . . . . . . . 9.22
SPORTSMAN REAR CALIPER. . . . . . . . . . . . . . . . . . . . . . . . . . . . . . . . . . . . . . . . . . . . 9.23
REMOVAL AND INSPECTION. . . . . . . . . . . . . . . . . . . . . . . . . . . . . . . . . . . . . . . . . . . . 9.23
ASSEMBLY . . . . . . . . . . . . . . . . . . . . . . . . . . . . . . . . . . . . . . . . . . . . . . . . . . . . . . . . . . 9.24
REAR BRAKE DISC . . . . . . . . . . . . . . . . . . . . . . . . . . . . . . . . . . . . . . . . . . . . . . . . . . . . 9.25
INSPECTION . . . . . . . . . . . . . . . . . . . . . . . . . . . . . . . . . . . . . . . . . . . . . . . . . . . . . . . . . 9.25
REAR MASTER CYLINDER . . . . . . . . . . . . . . . . . . . . . . . . . . . . . . . . . . . . . . . . . . . . . . 9.26
X2 EXPLODED VIEW. . . . . . . . . . . . . . . . . . . . . . . . . . . . . . . . . . . . . . . . . . . . . . . . . . . 9.26
OVERVIEW. . . . . . . . . . . . . . . . . . . . . . . . . . . . . . . . . . . . . . . . . . . . . . . . . . . . . . . . . . . 9.27
X2 REAR MASTER CYLINDER REMOVAL AND INSTALLATION . . . . . . . . . . . . . . . . 9.27
SPORTSMAN REAR MASTER CYLINDER REMOVAL / INSTALLATION . . . . . . . . . . 9.28
PEDAL REMOVAL AND INSTALLATION . . . . . . . . . . . . . . . . . . . . . . . . . . . . . . . . . . . 9.29
TROUBLESHOOTING. . . . . . . . . . . . . . . . . . . . . . . . . . . . . . . . . . . . . . . . . . . . . . . . . . . 9.29
BRAKES SQUEAL . . . . . . . . . . . . . . . . . . . . . . . . . . . . . . . . . . . . . . . . . . . . . . . . . . . . . 9.29
POOR BRAKE PERFORMANCE . . . . . . . . . . . . . . . . . . . . . . . . . . . . . . . . . . . . . . . . . . 9.29
LEVER VIBRATION . . . . . . . . . . . . . . . . . . . . . . . . . . . . . . . . . . . . . . . . . . . . . . . . . . . . 9.29
CALIPER OVERHEATS (BRAKES DRAG) . . . . . . . . . . . . . . . . . . . . . . . . . . . . . . . . . . 9.29
BRAKES LOCK. . . . . . . . . . . . . . . . . . . . . . . . . . . . . . . . . . . . . . . . . . . . . . . . . . . . . . . . 9.29

9.2
BRAKES
SPECIFICATIONS
Torque Table
NOTE: Refer to tightening procedures in this chapter. Some special procedures are used when torquing
certain bolts and fasteners.
Component Service Limits
TORQUE SPECIFICATIONS (Sportsman and X2)
ITEM TORQUE FT.LBS. (IN.LBS.) TORQUE NM
Front / Rear Caliper Mounting Bolts 18 24
Handlebar Master Cylinder Clamp Bolts (25 in.lbs.) 3.0
Hand Master Cylinder Reservoir Cover Screws (7 in.lbs.) 0.79
Brake Line Banjo Bolt 15.0 21
Brake Line Flared Fittings 12-15 16-21
Brake Disc Bolts 18.0 24
Brake Switch 12-15 16-21
Caliper Mounting Bolts 18.0 24
Sportsman Caliper Slide Pins 30-35 41-48
Rear Master Cylinder-to-Frame Bolts 8 11
FRONT BRAKE CALIPER (Sportsman and X2)
ITEM STANDARD SERVICE LIMIT
Brake Pad Thickness .298” / 7.6 mm .180” / 4.6 mm
Brake Disc Thickness .150-.165” / 3.81-4.19 mm .140” / 3.556 mm
Brake Disc Thickness Variance -- .002” / .051 mm
Brake Disc Runout -- .010 / .254 mm
REAR BRAKE CALIPER (X2 ONLY)
ITEM STANDARD SERVICE LIMIT
Brake Pad Thickness .298” / 7.6 mm .180” / 4.6 mm
Brake Disc Thickness .180-.195” / 4.57-4.95 mm .170” / 4.318 mm
Brake Disc Thickness Variance -- .002” / .051 mm
Brake Disc Runout -- .010” / .254 mm
REAR BRAKE CALIPER (Sportsman ONLY)
ITEM STANDARD SERVICE LIMIT
Brake Pad Thickness .318” / 7.6 mm .180” / 4.6 mm
Brake Disc Thickness .150-.165” / 3.81-4.19 mm .140” / 3.56 mm
Brake Disc Thickness Variance -- .002” / .051 mm
Brake Disc Runout -- .010” / .254 mm

9.3
BRAKES
9
BRAKE SYSTEM EXPLODED VIEWS
X2 System Component Exploded View
1) Master Cylinder Cover Screws: 7 in.lbs. (0.79 Nm)
2) Banjo Style Fitting: 15 ft.lbs. (21 Nm)
3) Flare Style Fittings: 12-15 ft.lbs. (16-21 Nm)
4) Brake Switch: 12-15 ft.lbs. (16-21 Nm) *Apply Pipe Sealant to Threads
2
2
1
2
2
3
3
2
2
3
4
*All Bleed Screws: 25-30 in.lbs. (2.80-3.40 Nm)
5) Dual Input Master Cylinder and Bleed Screw: 25-30 in. lbs. (2.8-3.4 Nm)
6) Front and Rear Caliper Bleed Screws: 36-60 in. lbs. (4.07-6.78 Nm)
6
5

9.4
BRAKES
Sportsman System Component Exploded View
All Banjo Style
Fittings: 15 ft.lbs.
(21 Nm)
All Flare Style
Fittings: 12-15 ft.lbs.
(16-21 Nm)
All Bleed Screws: 25-30
in.lbs. (2.80-3.40 Nm)
Apply Pipe Sealant
To Threads
2 Screws - 7 in.lbs. (0.79 m)

9.5
BRAKES
9
BRAKE CALIPER EXPLODED VIEWS
Sportsman and X2 Front Caliper Assembly
X2 Rear Caliper Assembly
A. Socket Set Screw
B. Bleeder Screw
C. Caliper Asm.
D. Boot
E. Square O-rings
F. Piston
G. Caliper Mount
H. Brake PAds
A
B
C
D
E
F
GH
Apply Polaris All
Purpose Grease
3
3Apply Polaris DOT approved
Brake Fluid to Component
A. Socket Set Screw
B. Bleeder Screw
C.Caliper Asm
D. Boot
E. Caliper Seals
F. Piston
G. Caliper Mount
H. Brake Pads
A
B
C
D
E
F
G
H
Apply Polaris DOT-approved
Brake Fluid to Component
3
3

9.6
BRAKES
Sportsman Rear Caliper Assembly
HYDRAULIC BRAKE SYSTEM
Operation Overview
The Polaris disc brake system consists of the following
components or assemblies: brake lever; master cylinder;
hydraulic hose; brake calipers (slave cylinder); brake pads; and
brake discs, which are secured to the drive line.
When the hand activated brake lever (A) is applied it contacts
piston (B) within the master cylinder. As the master cylinder
piston moves inward it closes a small opening (compensating
port C) within the cylinder and starts to build pressure within the
brake system. As the pressure within the system is increased,
the piston (D) located in the brake caliper moves outward and
applies pressure to the brake pad. This pad contacts the brake
disc and moves the caliper in its floating bracket, pulling the
stationary side pad into the brake disc. The resulting friction
reduces brake disc and vehicle speed. As the lever pressure is
increased, the braking affect is also increased.
The friction applied to the brake pads will cause the pads to
wear. As these pads wear, the piston within the caliper moves
further outward and becomes self adjusting. Fluid from the
reservoir fills the additional area created when the caliper piston
moves outward.
Brake fluid level is critical to proper system operation. Too little
fluid will allow air to enter the system and cause the brakes to
feel spongy. Too much fluid could cause brakes to drag due to
fluid expansion.
Located within the master cylinder is the compensating port (C)
which is opened and closed by the master cylinder piston
assembly. The port is open when the lever is released and the
master cylinder piston is outward. As the temperature within the
hydraulic system changes, this port compensates for fluid
expansion (heated fluid) or contraction (cooled fluid). During
system service, be sure this port is open. Due to the high
temperatures created within the system during heavy braking, it
is very important that the master cylinder reservoir has adequate
space to allow for fluid expansion. Never overfill the
reservoir! Fill to 1/4, - 5/16, (.64 - .80 cm) from top of the
cylinder.
A. Anvil Bolts
B. Bleed Screws
C. Washers
D. O-rings
E. Rear Housing
F. Seals
G. Piston
H. Slide Pins
I. Bushings
J. Seal
K. Bracket
L. Pad
M.Front Housing
N. Retaining Clips
3Apply Polaris DOT approved Brake fluid
to component.
A
B
C
D
E
F
G
H
I
J
K
L
M
N
3
3
30-35 ft.lbs.
(41-48 Nm) 25-30 in lbs.
(2.80-3.40 Nm)
16-18 ft.lbs.
(22-24 Nm)
AB
C
D
E
F
Must be clear to
allow proper
diaphragm
movement
Compensating port
compensates for
temperature changes by
allowing fluid back to
master cylinder
Move Brake Pad

9.7
BRAKES
9
This system also incorporates a diaphragm (E) as part of the
cover gasket; and a vent port (F) located between the gasket and
the cover. The combination diaphragm and vent allow for the air
above the fluid to equalize pressure as the fluid expands or
contracts. Make sure the vent is open and allowed to function.
If the reservoir is over filled or the diaphragm vent is plugged the
expanding fluid may build pressure in the brake system leading
to brake fail
When servicing Polaris ATV brake systems, use only Polaris
DOT-approved brake fluid.
Brake Noise Troubleshooting
Dirt or dust buildup on the brake pads and disc is the most
common cause of brake noise (squeal caused by vibration). If
cleaning does not reduce the occurrence of brake noise, a
product such as Permatex Disc Brake Quiet can be applied to
the back of the pads. Follow directions on the package. This will
keep pads in contact with caliper piston(s) to reduce the chance
of squeaks caused by dirt or dust.
Brake Bleeding / Fluid Change
NOTE: When bleeding the brakes or replacing the
fluid, always start with the caliper farthest from the
master cylinder.
NOTE: Do not remove brake lever when reservoir
fluid level is low.
This procedure should be used to change fluid or bleed brakes
during regular maintenance.
1. Clean reservoir cover thoroughly.
2. Remove screws, cover and diaphragm (C) from reservoir.
WARNING
Once a bottle is opened, use what is necessary and
discard the rest in accordance with local laws. Do
not store or use a partial bottle of brake fluid. Brake
fluid is hygroscopic, meaning it rapidly absorbs
moisture. This causes the boiling temperature of
the brake fluid to drop, which can lead to brake fade
and the possible loss of control.
BRAKE NOISE TROUBLESHOOTING
POSSIBLE CAUSE REMEDY
Dirt, dust, or imbedded
material on pads or disc
Spray disc and pads with CRC
Brake Kleen or equivalent
non-flammable aerosol brake
cleaner. Remove pads and/or
disc hub to clean imbedded
material from disc or pads.
Pad(s) dragging on disc (noise
or premature pad wear) Adjust pad stop
Insufficient lever or pedal
clearance Set to proper level
Master cylinder reservoir
overfilled Check brake fluid level,
adjust as needed
Master cylinder
compensating port
restricted, Master cylinder
piston not returning
completely, Caliper piston(s)
not returning
Clean piston(s) seal
Operator error (riding the
brake / park brake
applied) Educate operator
Loose wheel hub or bearings Tighten wheel, hub nuts or
replace bearings if worn
Brake disc warped or
excessively worn Replace disc
Brake disc misaligned or
loose Inspect and repair as
necessary
Noise is from other source
(chain, axle, hub, disc or
wheel)
If noise does not change when
brake is applied check other
sources. Inspect and repair as
necessary
Wrong pad for
conditions Change to a softer or harder
pad (if available)
CAUTION
Always wear safety glasses during these
procedures. Brake fluid will damage finished
surfaces. Do not allow brake fluid to come in contact
with finished surfaces.
BRAKE NOISE TROUBLESHOOTING
POSSIBLE CAUSE REMEDY

9.8
BRAKES
3. Inspect vent slots (A) in cover and remove any debris or
blockage.
4. If changing fluid, remove old fluid from reservoir with a
Mity Vac pump (PN 2870975) or similar tool.
5. Begin bleeding procedure with the caliper that is farthest
from the master cylinder. Install a box end wrench on
caliper bleeder screw. Attach a clean, clear hose to fitting
and place the other end in a clean container. Be sure the
hose fits tightly on fitting.
NOTE: Fluid may be forced from supply port (B)
when brake lever is pumped. Place diaphragm (C) in
reservoir to prevent spills. Do not install cover. See
Illustration above.
6. Slowly pump the brake lever until pressure builds and
holds.
7. While maintaining lever pressure, open bleeder screw.
Close bleeder screw and release brake lever.
NOTE: Do not release lever before bleeder screw is
tight or air may be drawn into caliper.
8. Repeat procedure until clean fluid appears in bleeder hose
and all air has been purged. Add fluid as necessary to
maintain level in reservoir.
9. Tighten bleeder screw securely and remove bleeder hose.
Torque the bleeder screw to specification.
10. Repeat procedure Steps 5-9 for the remaining caliper(s).
11. Add Polaris DOT-approved Brake Fluid to MAX level
inside reservoir.
A
D
C
B
Sight Glass
Fill Line
Bleeder Screw
CAUTION
Maintain at least 1/2", (1.27 cm) of brake fluid
in the reservoir to prevent air from
entering the master cylinder.
= T
Bleeder Screw Torque:
25-30 in.lbs. (2.80-3.40 Nm)

9.9
BRAKES
9
12. Install diaphragm, sight glass, cap and screws.
13. Wiggle and press down on the cap to be sure it fits evenly
and snug.
14. Torque the screw to specification .
15. Field test machine at low speed before putting into service.
Check for proper braking action and lever reserve. With
lever firmly applied, lever reserve should be no less than 1/
2”, (1.3 cm) from handlebar.
16. Check brake system for fluid leaks and inspect all hoses and
lines for wear or abrasion. Replace hose if wear or abrasion
is found.
FRONT MASTER CYLINDER
Removal
1. Clean master cylinder and reservoir assembly. Make sure
you have a clean work area to disassemble brake
components.
2. Remove master cylinder from handlebars.
3. While holding upright, continue to remove master cylinder.
Cover the brake line to avoid spillage when removing the
brake line banjo bolt.
Installation
1. Install master cylinder on handlebars. Torque mounting
bolts to specification. Torque the inner bolt first as
indicated in the illustration below.
= T
Master Cylinder Cover Screw Torque:
7 in.lbs. (0.79 Nm)
Sight Glass
Master Cylinder Cap
Diaphragm
Cap Screws
Cap Must be Even
Torque Inner
Bolt First
7 in.lbs. (0.79 Nm)
CAUTION
Brake fluid will damage finished surfaces.
Do not allow brake fluid to come in
contact with finished surfaces.
= T
Master Cylinder Mount Bolt Torque:
25 in. lbs. (3 Nm)
Torque Inner Bolt First
7 in.lbs. (.79 Nm)
Torque inner Bolt First
25 in.lbs. (3 Nm)

9.10
BRAKES
2. Place new sealing washers on each side of banjo fitting on
the brake line and torque banjo bolt to specification.
3. Fill reservoir with DOT-approved brake fluid.
NOTE: To speed up the brake bleeding procedure,
the master cylinder can be purged of air before
brake line is attached. Fill with DOT-approved brake
fluid and pump lever slowly two to three times with
finger over the outlet end to purge master cylinder of
air.
4. Follow proper bleeding procedures. Check all connections
for leaks and repair if necessary.
FRONT BRAKES
Pad Removal
1. Elevate and support the of the ATV.
2. Remove the wheel.
3. Loosen pad adjuster screw 2-3 turns.
4. Remove caliper from mounting bracket.
= T
Banjo Bolt Torque:
15 ft.lbs. (21 Nm)
Torque to 15 ft.lbs. (21 Nm)
Banjo Bolt
Sealing Washer
Brake Line
CAUTION
Use care when supporting vehicle so that it does not
tip or fall. Severe injury may occur.

9.11
BRAKES
9
5. Push caliper piston into caliper bore slowly using a C-
clamp or locking pliers with pads installed.
NOTE: Brake fluid will be forced through
compensating port into master cylinder fluid
reservoir when piston is pushed back into caliper.
Remove excess fluid from reservoir as required.
6. Push mounting bracket inward and slip outer brake pad past
edge. Remove inner pad.
7. Measure the thickness of the pad material. Replace pads if
worn beyond the service limit.
Assembly
1. Lubricate mounting bracket pins with a light film of
Polaris Premium All Season Grease (PN 2871423), and
install rubber dust boots.
= In. / mm.
Front Brake Pad Thickness Service Limit:
.180” / 4.6 mm
Measure Pad

9.12
BRAKES
2. Compress mounting bracket and make sure dust boots are
fully seated. Install pads with friction material facing each
other.
3. Install caliper on hub strut, and torque mounting bolts.
4. Slowly pump the brake lever until pressure has been built
up. Maintain at least 1/2, (12.7 mm) of brake fluid in the
reservoir to prevent air from entering the brake system.
5. Install the adjuster screw and turn clockwise until
stationary pad contacts disc, then back off 1/2 turn
(counterclockwise).
6. Verify fluid level in reservoir is up to MAX line inside
reservoir and install reservoir cap.
7. Install wheels and torque wheel nuts. It is required that a
burnishing procedure be performed after installation of new
brake pads to extend service life and reduce noise.
NOTE: Front Wheel Nut Torque: Refer to Chapter 2.
Brake Burnishing Procedure
Start machine and slowly increase speed to 30 mph. Gradually
apply brakes to stop machine. Allow pads and disc to cool
sufficiently during the procedure. Do not allow pads or disc to
become hot or warping may result. Repeat this procedure 10
times.
FRONT BRAKE DISC
Inspection
1. Visually inspect the brake disc for nicks, scratches, or
damage.
WARNING
If pads are contaminated with grease, oil, or liquid
soaked do not use the pads. Use only new clean pads.
18 ft.lbs.
(25 Nm)

9.13
BRAKES
9
2. Measure the disc thickness at eight different points around
the pad contact surface. Replace disc if worn beyond
service limit.
3. Mount dial indicator as shown to measure disc runout.
Slowly rotate the disc and read total runout on the dial
indicator. Replace the disc if runout exceeds specifications.
Removal / Replacement
NOTE: To reduce the possibility of warping, try
removing the brake disc mounting bolts before
applying heat to the bolts.
1. Apply heat to the hub in the area of the brake disc
mounting bolts to soften the bolt locking agent.
2. Remove bolts and disc.
3. Clean mating surface of disc and hub.
4. Install disc on hub.
5. Install new bolts and tighten to specification.
= In. / mm.
Brake Disc Thickness:
Service Limit: .140” / 3.556 mm
= In. / mm.
Brake Disc Thickness Variance Service Limit:
.002” (.051 mm) between measurements.
= In. / mm.
Brake Disc Runout Service Limit:
.010” / .254 mm
= T
Brake Disc Bolt Torque:
18 ft.lbs. (24 Nm)
CAUTION
Always use new brake disc mounting bolts. The
bolts have a pre-applied locking agent which is
destroyed upon removal.

9.14
BRAKES
FRONT CALIPER
Removal
1. Loosen and remove brake line to caliper. Place a container
under caliper to catch fluid draining from brake line.
2. Push upper pad retainer pin inward and slip brake pads past
edge. Loosen pad adjuster.
3. Remove mounting bracket, pin assembly and dust boot.
4. Remove piston, dust seals and piston seals.
5. Clean the caliper body, piston, and retaining bracket with
brake cleaner or alcohol.
NOTE: Be sure to clean seal grooves in caliper
body.
CAUTION
Use care when supporting vehicle so that it does not
tip or fall. Severe injury may occur.
Clean Components

9.15
BRAKES
9
Inspection
1. Inspect caliper body for nicks, scratches or wear. Measure
bore size and compare to specifications. Replace if damage
is evident or if worn beyond service limit.
2. Inspect piston for nicks, scratches, wear or damage.
Measure diameter and replace if damaged or worn beyond
service limit.
3. Inspect the brake disc and pads as outlined for brake pad
replacement in this section. See “BRAKE PAD
INSPECTION” earlier in this chapter.
Reassembly
1. Install new caliper seals (A) in the caliper body (B). Be
sure groove is clean and free of residue or brakes may drag
upon assembly.
2. Coat piston with clean Polaris DOT-approved Brake Fluid
(C). Install piston (D) with a twisting motion while pushing
inward. Piston should slide in and out of bore smoothly,
with light resistance.
3. Lubricate the mounting bracket pins with Polaris Premium
All Season Grease (PN 2871423), and install the rubber
dust seal boots.
= In. / mm.
Front Caliper Piston Bore I.D.:
Service Limit: 1.193” (30.30 mm)
A
B
C
D

9.16
BRAKES
4. Compress the mounting bracket and make sure the dust
seals are fully seated. Install the brake pads. Clean the disc
and pads with brake parts cleaner or denatured alcohol to
remove any dirt, oil or grease.
Installation
5. Install caliper on hub strut, and torque mounting bolts to
specification.
6. Install brake line and torque the banjo bolt to specification.
7. Install the adjuster screw and turn until stationary pad
contacts disc, then back off 1/2 turn.
8. Perform brake bleeding procedure as outlined earlier in this
chapter.
9. Install wheels and torque wheel nuts to specification. Refer
to Chapter 2.
= T
Brake Caliper Mounting Bolt Torque:
18 ft.lbs. (24 Nm)
15 ft.lbs. (21 Nm)
18 ft.lbs.
(24 Nm)
= T
Brake Line Banjo Bolt Torque:
15 ft.lbs. (21 Nm)

9.17
BRAKES
9
REAR BRAKE PAD
X2 Pad Removal
1. Elevate and support the rear of the ATV.
2. Remove the rear wheel
3. Loosen pad adjuster screw 2-3 turns.
4. Remove the two caliper mounting bolts and lift caliper off
the brake disc.
NOTE: When removing caliper, be careful not to
damage brake line. Support caliper so as not to kink
or bend brake line.
5. Push caliper piston into the caliper bore slowly using a C-
clamp or locking pliers with pads installed.
NOTE: Brake fluid will be forced through
compensating port into master cylinder fluid
reservoir when piston is pushed back into caliper.
Remove excess fluid from reservoir as required.
6. Push caliper mounting bracket inward and slip outer brake
pad past the edge to remove.
7. Remove the inner brake pad.
8. Clean the caliper with brake cleaner or alcohol.

9.18
BRAKES
9. Measure the thickness of the pad material. Replace pads if
worn beyond the service limit.
X2 Pad Installation
1. Lubricate mounting bracket pins with a light film of
Polaris Premium All Season Grease (PN 2871423), and
install rubber dust boots.
2. Compress mounting bracket and make sure dust boots are
fully seated. Install pads with friction material facing each
other.
3. Install caliper and torque the mounting bolts to
specification.
4. Slowly pump the brake lever until pressure has been built
up. Maintain at least 1/2, (12.7 mm) of brake fluid in the
reservoir to prevent air from entering the brake system.
5. Install the adjuster screw and turn clockwise until the
stationary pad contacts the disc, then back off 1/2 turn
(counterclockwise).
6. Verify fluid level in reservoir is up to the MAX line inside
reservoir and install reservoir cap.
7. Install wheel(s) and torque wheel nut(s).
8. It is recommended that a burnishing procedure be
performed after installation of new brake pads to extend
service life and reduce noise.
= In. / mm.
Rear Brake Pad Thickness
Service Limit: .180” (4.6 mm)
WARNING
If brake pads are contaminated with grease,
oil, or liquid soaked do not use the pads.
Use only new clean pads.
Measure
Thickness
= T
Caliper Mount Bolt Torque:
18 ft.lbs. (24 Nm)

9.19
BRAKES
9
Sportsman Rear Pad Removal
1. Support the machine. Remove the rear tire.
2. Remove the slide pin clips from the slide bolt.
3. Loosen the slide pins with a hex wrench.
4. Remove caliper mounting bolts and lift caliper off of disc.
NOTE: When removing caliper, be careful not to
damage brake line. Support caliper so as not to kink
or bend brake line.
5. Push caliper pistons into caliper bore slowly with pads
installed.
6. Remove the caliper slide pins and remove the brake pads
from the caliper.
7. Clean the caliper with brake cleaner or alcohol.
8. Measure the thickness of the pad material. Replace pads if
worn beyond the service limit.
= In. / mm.
Rear Brake Pad Thickness
Service Limit: .180” (4.6 mm)
Remove Rear Pads
Measure
Thickness

9.20
BRAKES
Sportsman Rear Pad Installation
1. Install new brake pads in caliper body.
2. Install and tighten the slide pin with a hex wrench.
3. Install caliper and torque the mounting bolts to
specification.
4. Install the slide bolt snap ring. Torque the slide pin to
specification.
5. Slowly pump the brake lever until pressure has been built
up. Maintain at least 1/2, (12.7 mm) of brake fluid in the
reservoir to prevent air from entering the master cylinder.
6. It is recommended that a burnishing procedure be
performed after installation of new brake pads to extend
service life and reduce noise.
Brake Burnishing Procedure
Start machine and slowly increase speed to 30 mph. Gradually
apply brakes to stop machine. Allow pads and disc to cool
sufficiently during the procedure. Do not allow pads or disc to
become hot or warping may result. Repeat this procedure 10
times.
WARNING
If the brake pads are contaminated with grease,
oil, or liquid soaked do not use the pads,
use only new clean pads.
= T
Caliper Mount Bolt Torque:
18 ft.lbs. (24 Nm)
Install Pads
18 ft.lbs. (24 Nm)
= T
Caliper Slide Bolt Torque:
30-35 ft.lbs. (41-48Nm)
30-35 ft.lbs.
(41-48 Nm)

9.21
BRAKES
9
X2 REAR CALIPER
Removal
1. Clean caliper area before removal.
2. Place a container below the caliper to catch brake fluid that
will drain from the brake line. Remove brake line from
caliper
3. Remove the two caliper mounting bolts and the caliper.
4. Loosen the adjuster screw and remove the brake pads.
5. Remove mounting bracket, pin assembly and dust boot.
6. Remove piston, dust seals and piston seals.
7. Clean the caliper body, piston, and retaining bracket with
brake cleaner or alcohol.
NOTE: Be sure to clean seal grooves in caliper
body.
CAUTION
Use care when supporting vehicle so that it does not
tip or fall. Severe injury may occur.
Clean Components

9.22
BRAKES
Inspection
1. Inspect caliper body for nicks, scratches or wear. Measure
bore size and compare to specifications. Replace if damage
is evident or if worn beyond service limit.
2. Inspect piston for nicks, scratches, wear or damage.
Measure diameter and replace if damaged or worn beyond
service limit.
3. Inspect the brake disc and pads as outlined for brake pad
replacement in this section. See “BRAKE PAD
INSPECTION” earlier in this chapter.
Reassembly
1. Install new caliper seals (A) in the caliper body (B). Be
sure groove is clean and free of residue or brakes may drag
upon assembly.
2. Coat piston with clean Polaris DOT-approved Brake
Fluid (C). Install piston (D) with a twisting motion while
pushing inward. Piston should slide in and out of bore
smoothly, with light resistance.
3. Lubricate the mounting bracket pins with Polaris Premium
All Season Grease (PN 2871423), and install the rubber
dust seal boots.
= In. / mm.
Rear Caliper Piston Bore I.D.
Service Limit: 1.193” (30.30 mm)
A
B
C
D

9.23
BRAKES
9
4. Compress the mounting bracket and make sure the dust
seals are fully seated. Install the brake pads. Clean the disc
and pads with brake parts cleaner or denatured alcohol to
remove any dirt, oil or grease.
SPORTSMAN REAR CALIPER
Removal and Inspection
1. Clean caliper area before removal.
2. Using a flare nut wrench, remove hand brake (inner) and
auxiliary brake (outer) lines (arrows). Place a container to
catch brake fluid draining from brake lines.
3. Remove the two caliper mounting bolts and the caliper.
4. Remove the slide bolt snap rings (A), the slide pins (B), the
bracket pad (C), and the brake pads (D).
5. Remove the anvil bolts and separate caliper halves and
remove pistons with piston pliers.
6. Remove seals and O-rings. Clean the O-ring grooves.
7. Clean disc, caliper body, and pistons with brake cleaner or
alcohol.
8. Remove the slide bolt bushings. Inspect the bushings and
O-rings and replace if necessary.
Caliper C
B
D
A
Caliper
Seal
Pistons & O-ring
Anvil Bolts
O-ring
Bushing

9.24
BRAKES
9. Measure the inside diameter of the rear caliper. The caliper
body is a 2-step piston. The rear step is measured as well
as the outside step.
10. Inspect caliper piston bore for scratches, severe corrosion,
or galling and replace if necessary.
11. Inspect surface of caliper piston for nicks, scratches, or
damage and replace if necessary.
Assembly
1. Install new O-rings in the slide bolt bushing holes. Be sure
O-ring and seal grooves are thoroughly cleaned of all
residue, or piston may bind in bore. Apply brake fluid to
piston seals and install carefully with a twisting motion to
ease assembly until fully seated.
2. Carefully assemble caliper body, making sure O-rings are
properly positioned in groove. Tighten the caliper anvil
bolts and then torque the anvil bolts evenly to specification.
3. Install brake pads in caliper body with friction material
facing each other. Install the slide pins and the slide pin
retaining rings. Torque the slide pins to specification.
= In. / mm.
Rear Caliper Piston Bore I.D.
Inner Bore Service Limit: .94” (23.88 mm)
Outer Bore Service Limit: 1.5” (38.1 mm)
.94in. (23.88) mm)
1.5 in. (38.1 mm)
Inspect
= T
Caliper Anvil Bolt Torque:
16-18 ft.lbs. (22-24 Nm)
Seals
16-18 ft.lbs. (22-24

9.25
BRAKES
9
NOTE: The slide pins should be torqued when
installed on caliper mount.
4. Install caliper and torque mounting bolts to specification.
5. Install brake line and tighten securely with a line wrench.
Torque the brake lines to the proper torque specification.
6. Follow bleeding procedure outlined in the “BLEEDING
PROCEDURE” in this chapter.
7. Field test unit for proper braking action before putting into
service. Inspect for fluid leaks and firm brakes. Make sure
the brake is not dragging when lever is released. If the brake
drags, re-check assembly and installation.
REAR BRAKE DISC
Inspection
1. Visually inspect disc for scoring, scratches, or gouges.
Replace the disc if any deep scratches are evident.
2. Use a micrometer and measure disc thickness at 8 different
points around perimeter of disc. Replace disc if worn
beyond service limit.
3. Mount dial indicator and measure disc runout. Replace the
disc if runout exceeds specifications.
= T
Slide Pin Torque:
30-35 ft.lbs. (41-48 Nm)
= T
Caliper Mounting Bolt Torque:
16-18 ft.lbs. (22-24 Nm)
18 ft.lbs.
(24 Nm)
30-35 ft.lbs.
(41-48 Nm)
= In. / mm.
Brake Disc Thickness:
Service Limit: .170” (4.318 mm)
= In. / mm.
Brake Disc Thickness Variance:
Service Limit: .002” (.051 mm)
Between Measurements
= In. / mm.
Brake Disc Runout
Service Limit: .010” / .254 mm
Disc Thickness

9.26
BRAKES
REAR MASTER CYLINDER
X2 Exploded View
A
B
D
E
F
G
I
H
C
D
E
J
A. Master Cylinder Bolts
B. Rear Brake Line
C. Rear Master Cylinder
D. Bushing(s)
E. Washer(s)
F. Cotter Pin
G. Foot Pedal
H. Spring
I. Front Brake Line
J. Banjo Fitting

9.27
BRAKES
9
Overview
Polaris disc brake systems are light weight, low maintenance
and perform well in the conditions ATV’s routinely encounter.
However, there are a few things to remember when replacing
disc brake pads or performing brake system service to ensure
proper system function and maximum pad service life.
• Perform a brake burnishing procedure after installing
new pads to maximize service life.
• Optional pads are available to suit conditions in your
area. Select a pad to fit riding style and environment.
• Do not over-fill the master cylinder fluid reservoir.
• Make sure the brake lever and pedal returns freely and
completely.
• Adjust stop pin on caliper (if applicable) after pad
service.
• Check and adjust master cylinder reservoir fluid level
after pad service.
• Make sure atmospheric vent on reservoir is
unobstructed.
• Test for brake drag after any brake system service and
investigate cause if brake drag is evident.
• Make sure caliper moves freely on guide pins (where
applicable).
• Inspect caliper piston seals for foreign material that
could prevent caliper pistons from returning freely.
X2 Rear Master Cylinder Removal and
Installation
1. Remove the RH footwell to gain access to the rear master
cylinder.
2. If required, remove the rear brake line from the master
cylinder. Use a suitable container to catch the brake fluid.
Dispose of brake fluid properly.
3. Remove the two bolts that secure the rear master cylinder
to the frame. Replace parts as needed.
4. To install the rear master cylinder, mount the master
cylinder to the frame and torque bolts to specification.
5. Reinstall the brake line and torque the banjo bolt to
specification.
6. Perform brake bleeding procedures as outlined in this
chapter.
CAUTION
Use only DOT-approved brake fluid as an assembly
aid for all procedures described in this chapter to
prevent brake system contamination.
DO NOT USE LUBRICANTS OF ANY KIND FOR
ASSEMBLY, AS THEIR USE CAN CAUSE
RUBBER COMPONENTS TO SWELL.
= T
Master Cylinder to Frame Bolt Torque:
8 ft.lbs. (11 Nm)
= T
Banjo Bolt Torque:
15 ft.lbs. (21 Nm)
Frame
Brake Fluid Reservoir
Brake Lever
Front Brake Line
Brake Mount
Rear Brake Line
Spring
Rear Brake MC

9.28
BRAKES
Sportsman Rear Master Cylinder Removal /
Installation
1. Remove the RH footwell to gain access to the rear master
cylinder.
2. Remove the rear brake lines from the master cylinder. Use
a suitable container to catch the brake fluid. Dispose of
brake fluid properly.
3. Remove the two bolts that secure the rear master cylinder
to the brake mount plate. Replace parts as needed.
4. To install the rear brake master cylinder, mount the master
cylinder to the mount plate and torque bolts to specification.
5. Reinstall the brake line and torque the banjo bolt to
specification depending on the style of fitting.
6. Perform brake bleeding procedures as outlined in this
chapter.
= T
Master Cylinder to Frame Bolt Torque:
8 ft.lbs. (11 Nm)
= T
Banjo Bolt Torque:
15 ft.lbs. (21 Nm)
= T
Flare Stye Brake Line Torque:
12-15 ft.lbs. (16-20 Nm)
15 ft.lbs.
(21 Nm)
A. Brake Reservoir
B. Rear Foot Brake Line
C. Rear Master Cylinder
D. Master Cylinder Bolts
E. Bushing
F. Washer
G. Cotter Pin
H. Foot Pedal
I. Mount Plate Bolts
J. Mount Plate
K. Spring
A
B
C
D
E
F
GH
I
J
K
SPORTSMAN

9.29
BRAKES
9
Pedal Removal and Installation
1. Remove the RH footwell to gain access to the rear master
cylinder.
2. Remove the cotter key.
3. Remove the washers, bushings, and tension spring.
4. Reverse the steps for installation, use a new cotter key
during installation.
TROUBLESHOOTING
Brakes Squeal
• Dirty/contaminated friction pads
• Improper alignment
• Worn disc
• Worn disc splines
Poor Brake Performance
•Air in system
• Water in system (brake fluid contaminated)
• Caliper/disc misaligned
• Caliper dirty or damaged
• Brake line damaged or lining ruptured
• Worn disc and/or friction pads
• Incorrectly adjusted lever
• Incorrectly adjusted stationary pad
• Worn or damaged master cylinder or components
• Improper clearance between lever and switch
Lever Vibration
• Disc damaged
• Disc worn (runout or thickness variance exceeds
service limit)
Caliper Overheats (Brakes Drag)
• Compensating port plugged
• Pad clearance set incorrectly
• Auxiliary brake pedal incorrectly adjusted
• Brake lever or pedal binding or unable to return fully
• Parking brake left on
• Residue build up under caliper seals
• Operator riding brakes
Brakes Lock
• Alignment of caliper to disc
X2 Shown

NOTES
BRAKES
9.30

ELECTRICAL
10.1
CHAPTER 10
ELECTRICAL
10
GENERAL INFORMATION . . . . . . . . . . . . . . . . . . . . . . . . . . . . . . . . . . . . . . . . . . . . . . . 10.3
SPECIAL TOOLS . . . . . . . . . . . . . . . . . . . . . . . . . . . . . . . . . . . . . . . . . . . . . . . . . . . . . . 10.3
IGNITION SYSTEM / BASIC ELECTRICAL COMPONENTS . . . . . . . . . . . . . . . . . . . . 10.3
ELECTRICAL SERVICE NOTES . . . . . . . . . . . . . . . . . . . . . . . . . . . . . . . . . . . . . . . . . . 10.4
TROUBLESHOOTING . . . . . . . . . . . . . . . . . . . . . . . . . . . . . . . . . . . . . . . . . . . . . . . . . . 10.4
POWER DISTRIBUTION MODULES (PDM). . . . . . . . . . . . . . . . . . . . . . . . . . . . . . . . . . 10.5
SPORTSMAN EFI OVERVIEW . . . . . . . . . . . . . . . . . . . . . . . . . . . . . . . . . . . . . . . . . . . 10.5
SPORTSMAN 450 OVERVIEW . . . . . . . . . . . . . . . . . . . . . . . . . . . . . . . . . . . . . . . . . . 10.10
INSTRUMENT CLUSTER . . . . . . . . . . . . . . . . . . . . . . . . . . . . . . . . . . . . . . . . . . . . . . . 10.13
OVERVIEW. . . . . . . . . . . . . . . . . . . . . . . . . . . . . . . . . . . . . . . . . . . . . . . . . . . . . . . . . . 10.13
INSTRUMENT CLUSTER DIAGNOSTIC MODE . . . . . . . . . . . . . . . . . . . . . . . . . . . . . 10.14
SETTING A NEW SERVICE INTERVAL . . . . . . . . . . . . . . . . . . . . . . . . . . . . . . . . . . . 10.16
EFI DIAGNOSTIC MODE. . . . . . . . . . . . . . . . . . . . . . . . . . . . . . . . . . . . . . . . . . . . . . . 10.17
SPEEDOMETER REMOVAL . . . . . . . . . . . . . . . . . . . . . . . . . . . . . . . . . . . . . . . . . . . . 10.18
SPEEDOMETER INSTALLATION . . . . . . . . . . . . . . . . . . . . . . . . . . . . . . . . . . . . . . . . 10.18
ALL WHEEL DRIVE AND SPEEDOMETER TROUBLESHOOTING . . . . . . . . . . . . . . 10.19
TEST 1 - NO ALL WHEEL DRIVE . . . . . . . . . . . . . . . . . . . . . . . . . . . . . . . . . . . . . . . . 10.19
TEST 2 - NO SPEEDOMETER DISPLAY . . . . . . . . . . . . . . . . . . . . . . . . . . . . . . . . . . 10.20
TEST 3 - NO REVERSE SPEED LIMIT . . . . . . . . . . . . . . . . . . . . . . . . . . . . . . . . . . . . 10.20
TEST 4 - NO AWD HUB SAFETY LIMIT . . . . . . . . . . . . . . . . . . . . . . . . . . . . . . . . . . . 10.21
TEST 5 - REVERSE SPEED LIMITER ACTIVATED IN FORWARD GEAR . . . . . . . . 10.22
TEST 6 - WHEEL SPEED SENSOR . . . . . . . . . . . . . . . . . . . . . . . . . . . . . . . . . . . . . . 10.22
TEST 7 - FUEL GAUGE DISPLAY NOT WORKING . . . . . . . . . . . . . . . . . . . . . . . . . . 10.23
TEST 8 - SHIFT INDICATOR NOT WORKING . . . . . . . . . . . . . . . . . . . . . . . . . . . . . . 10.23
ACTIVE DESCENT CONTROL (ADC) COIL. . . . . . . . . . . . . . . . . . . . . . . . . . . . . . . . . 10.24
OPERATION OVERVIEW . . . . . . . . . . . . . . . . . . . . . . . . . . . . . . . . . . . . . . . . . . . . . . 10.24
DIAGNOSING SYSTEM FAILURES. . . . . . . . . . . . . . . . . . . . . . . . . . . . . . . . . . . . . . . 10.24
ALL WHEEL DRIVE (AWD) COIL . . . . . . . . . . . . . . . . . . . . . . . . . . . . . . . . . . . . . . . . . 10.24
OPERATION OVERVIEW . . . . . . . . . . . . . . . . . . . . . . . . . . . . . . . . . . . . . . . . . . . . . . 10.24
DIAGNOSING SYSTEM FAILURES. . . . . . . . . . . . . . . . . . . . . . . . . . . . . . . . . . . . . . . 10.24
COOLING SYSTEM COMPONENTS . . . . . . . . . . . . . . . . . . . . . . . . . . . . . . . . . . . . . . 10.25
FAN CONTROL CIRCUIT OPERATION . . . . . . . . . . . . . . . . . . . . . . . . . . . . . . . . . . . 10.25
FAN CONTROL BYPASS TEST. . . . . . . . . . . . . . . . . . . . . . . . . . . . . . . . . . . . . . . . . . 10.25
FAN MOTOR CURRENT DRAW TEST . . . . . . . . . . . . . . . . . . . . . . . . . . . . . . . . . . . . 10.25
COOLANT TEMPERATURE SENSOR . . . . . . . . . . . . . . . . . . . . . . . . . . . . . . . . . . . . 10.26
GEAR POSITION INDICATOR SWITCH. . . . . . . . . . . . . . . . . . . . . . . . . . . . . . . . . . . . 10.26
TEST DIAGRAM. . . . . . . . . . . . . . . . . . . . . . . . . . . . . . . . . . . . . . . . . . . . . . . . . . . . . . 10.26
ELECTRONIC THROTTLE CONTROL (ETC) SWITCH . . . . . . . . . . . . . . . . . . . . . . . . 10.27
OPERATION OVERVIEW . . . . . . . . . . . . . . . . . . . . . . . . . . . . . . . . . . . . . . . . . . . . . . 10.27
ETC TEST. . . . . . . . . . . . . . . . . . . . . . . . . . . . . . . . . . . . . . . . . . . . . . . . . . . . . . . . . . . 10.27
IGNITION SYSTEM . . . . . . . . . . . . . . . . . . . . . . . . . . . . . . . . . . . . . . . . . . . . . . . . . . . . 10.28
OVERVIEW. . . . . . . . . . . . . . . . . . . . . . . . . . . . . . . . . . . . . . . . . . . . . . . . . . . . . . . . . . 10.28
COMPONENTS OF EFI ALTERNATOR AND DC / CDI IGNITION SYSTEM . . . . . . . 10.29
EFI IGNITION SYSTEM TESTING FLOW CHART . . . . . . . . . . . . . . . . . . . . . . . . . . . 10.30
CRANKSHAFT POSITION SENSOR GAP. . . . . . . . . . . . . . . . . . . . . . . . . . . . . . . . . . 10.31
IGNITION TROUBLESHOOTING. . . . . . . . . . . . . . . . . . . . . . . . . . . . . . . . . . . . . . . . . 10.31
IGNITION OUTPUT TEST USING GAP TESTER . . . . . . . . . . . . . . . . . . . . . . . . . . . . 10.31
CHARGING SYSTEM . . . . . . . . . . . . . . . . . . . . . . . . . . . . . . . . . . . . . . . . . . . . . . . . . . 10.32
CURRENT DRAW - KEY OFF . . . . . . . . . . . . . . . . . . . . . . . . . . . . . . . . . . . . . . . . . . . 10.32
BREAK EVEN TEST. . . . . . . . . . . . . . . . . . . . . . . . . . . . . . . . . . . . . . . . . . . . . . . . . . . 10.32
ALTERNATOR OUTPUT TEST . . . . . . . . . . . . . . . . . . . . . . . . . . . . . . . . . . . . . . . . . . 10.32
CHARGING SYSTEM TESTING DIAGRAMS . . . . . . . . . . . . . . . . . . . . . . . . . . . . . . . 10.34
DIFFERENTIAL SOLENOID . . . . . . . . . . . . . . . . . . . . . . . . . . . . . . . . . . . . . . . . . . . . . 10.36
TESTING . . . . . . . . . . . . . . . . . . . . . . . . . . . . . . . . . . . . . . . . . . . . . . . . . . . . . . . . . . . 10.36
REPLACEMENT. . . . . . . . . . . . . . . . . . . . . . . . . . . . . . . . . . . . . . . . . . . . . . . . . . . . . . 10.36

10.2
ELECTRICAL
LIGHTING . . . . . . . . . . . . . . . . . . . . . . . . . . . . . . . . . . . . . . . . . . . . . . . . . . . . . . . . . . . 10.36
HIGH BEAM HEADLIGHT BULB REPLACEMENT . . . . . . . . . . . . . . . . . . . . . . . . . . . 10.36
HEADLIGHT HOUSING RELACEMENT . . . . . . . . . . . . . . . . . . . . . . . . . . . . . . . . . . . 10.37
HIGH BEAM HEADLIGHT ADJUSTMENT. . . . . . . . . . . . . . . . . . . . . . . . . . . . . . . . . . 10.38
LOWER HEADLAMP REMOVAL / INSTALLATION. . . . . . . . . . . . . . . . . . . . . . . . . . . 10.38
LOW BEAM HEADLIGHT ADJUSTMENT . . . . . . . . . . . . . . . . . . . . . . . . . . . . . . . . . . 10.39
HEADLAMP SWITCH TEST. . . . . . . . . . . . . . . . . . . . . . . . . . . . . . . . . . . . . . . . . . . . . 10.39
WORK LIGHT SWITCH . . . . . . . . . . . . . . . . . . . . . . . . . . . . . . . . . . . . . . . . . . . . . . . . 10.40
BRAKE LIGHT / WORK LIGHT REPLACEMENT . . . . . . . . . . . . . . . . . . . . . . . . . . . . 10.40
BRAKE LIGHT SWITCH TEST. . . . . . . . . . . . . . . . . . . . . . . . . . . . . . . . . . . . . . . . . . . 10.41
SPEED SENSOR . . . . . . . . . . . . . . . . . . . . . . . . . . . . . . . . . . . . . . . . . . . . . . . . . . . . . 10.42
TESTING . . . . . . . . . . . . . . . . . . . . . . . . . . . . . . . . . . . . . . . . . . . . . . . . . . . . . . . . . . . 10.42
REPLACEMENT. . . . . . . . . . . . . . . . . . . . . . . . . . . . . . . . . . . . . . . . . . . . . . . . . . . . . . 10.42
FUEL SENDER . . . . . . . . . . . . . . . . . . . . . . . . . . . . . . . . . . . . . . . . . . . . . . . . . . . . . . . 10.42
TESTING . . . . . . . . . . . . . . . . . . . . . . . . . . . . . . . . . . . . . . . . . . . . . . . . . . . . . . . . . . . 10.42
ACCESSORY POWER . . . . . . . . . . . . . . . . . . . . . . . . . . . . . . . . . . . . . . . . . . . . . . . . . 10.43
WIRE CONNECTIONS. . . . . . . . . . . . . . . . . . . . . . . . . . . . . . . . . . . . . . . . . . . . . . . . . 10.43
STARTER SYSTEM . . . . . . . . . . . . . . . . . . . . . . . . . . . . . . . . . . . . . . . . . . . . . . . . . . . 10.44
TROUBLESHOOTING . . . . . . . . . . . . . . . . . . . . . . . . . . . . . . . . . . . . . . . . . . . . . . . . . 10.44
VOLTAGE DROP TEST. . . . . . . . . . . . . . . . . . . . . . . . . . . . . . . . . . . . . . . . . . . . . . . . 10.44
STARTER LOCKOUT TROUBLESHOOTING- EFI MODELS . . . . . . . . . . . . . . . . . . . 10.44
STARTER LOCKOUT TROUBLESHOOTING- SPORTSMAN 450 . . . . . . . . . . . . . . . 10.44
STARTER LOCKOUT DIAGRAM- EFI. . . . . . . . . . . . . . . . . . . . . . . . . . . . . . . . . . . . . 10.45
STARTER LOCKOUT DIAGRAM- SPORTSMAN 450. . . . . . . . . . . . . . . . . . . . . . . . . 10.45
STARTER MOTOR REMOVAL / DISASSEMBLY . . . . . . . . . . . . . . . . . . . . . . . . . . . . 10.46
BRUSH INSPECTION / REPLACEMENT . . . . . . . . . . . . . . . . . . . . . . . . . . . . . . . . . . 10.46
ARMATURE TESTING. . . . . . . . . . . . . . . . . . . . . . . . . . . . . . . . . . . . . . . . . . . . . . . . . 10.47
STARTER REASSEMBLY . . . . . . . . . . . . . . . . . . . . . . . . . . . . . . . . . . . . . . . . . . . . . . 10.48
STARTER SOLENOID BENCH TEST . . . . . . . . . . . . . . . . . . . . . . . . . . . . . . . . . . . . . 10.48
STARTER EXPLODED VIEW . . . . . . . . . . . . . . . . . . . . . . . . . . . . . . . . . . . . . . . . . . . 10.48
STARTER DRIVE . . . . . . . . . . . . . . . . . . . . . . . . . . . . . . . . . . . . . . . . . . . . . . . . . . . . . 10.49
PINION GEAR - ANTI-KICK OUT SHOE, GARTER SPRING REPLACEMENT . . . . . 10.49
STARTER SYSTEM TESTING FLOW CHART. . . . . . . . . . . . . . . . . . . . . . . . . . . . . . . 10.50
BASIC WINCH WIRING . . . . . . . . . . . . . . . . . . . . . . . . . . . . . . . . . . . . . . . . . . . . . . . . 10.51
PRE-WIRED MODELS. . . . . . . . . . . . . . . . . . . . . . . . . . . . . . . . . . . . . . . . . . . . . . . . . 10.51
TROUBLESHOOTING DIAGRAMS . . . . . . . . . . . . . . . . . . . . . . . . . . . . . . . . . . . . . . . 10.52
POWER ON - EFI. . . . . . . . . . . . . . . . . . . . . . . . . . . . . . . . . . . . . . . . . . . . . . . . . . . . . 10.52
START CIRCUIT - EFI . . . . . . . . . . . . . . . . . . . . . . . . . . . . . . . . . . . . . . . . . . . . . . . . . 10.52
IGNITION COIL - EFI . . . . . . . . . . . . . . . . . . . . . . . . . . . . . . . . . . . . . . . . . . . . . . . . . . 10.53
FUEL PUMP - EFI . . . . . . . . . . . . . . . . . . . . . . . . . . . . . . . . . . . . . . . . . . . . . . . . . . . . 10.53
FAN - EFI . . . . . . . . . . . . . . . . . . . . . . . . . . . . . . . . . . . . . . . . . . . . . . . . . . . . . . . . . . . 10.54
CHARGING SYSTEM - EFI . . . . . . . . . . . . . . . . . . . . . . . . . . . . . . . . . . . . . . . . . . . . . 10.54
ALL WHEEL DRIVE - EFI. . . . . . . . . . . . . . . . . . . . . . . . . . . . . . . . . . . . . . . . . . . . . . . 10.55
TRANSMISSION SWITCH - EFI . . . . . . . . . . . . . . . . . . . . . . . . . . . . . . . . . . . . . . . . . 10.55
REVERSE OVERRIDE - EFI . . . . . . . . . . . . . . . . . . . . . . . . . . . . . . . . . . . . . . . . . . . . 10.56
DIFFERENTIAL SOLENOID - X2. . . . . . . . . . . . . . . . . . . . . . . . . . . . . . . . . . . . . . . . . 10.56
BATTERY . . . . . . . . . . . . . . . . . . . . . . . . . . . . . . . . . . . . . . . . . . . . . . . . . . . . . . . . . . . 10.57
BATTERY IDENTIFICATION . . . . . . . . . . . . . . . . . . . . . . . . . . . . . . . . . . . . . . . . . . . . 10.57
BATTERY ACTIVATION. . . . . . . . . . . . . . . . . . . . . . . . . . . . . . . . . . . . . . . . . . . . . . . . 10.57
TERMINAL PREPARATION. . . . . . . . . . . . . . . . . . . . . . . . . . . . . . . . . . . . . . . . . . . . . 10.58
BATTERY REMOVAL. . . . . . . . . . . . . . . . . . . . . . . . . . . . . . . . . . . . . . . . . . . . . . . . . . 10.58
BATTERY INSTALLATION. . . . . . . . . . . . . . . . . . . . . . . . . . . . . . . . . . . . . . . . . . . . . . 10.58
OFF SEASON STORAGE . . . . . . . . . . . . . . . . . . . . . . . . . . . . . . . . . . . . . . . . . . . . . . 10.59
LOW MAINTENANCE BATTERY OFF-SEASON STORAGE . . . . . . . . . . . . . . . . . . . 10.59
BATTERY TESTING. . . . . . . . . . . . . . . . . . . . . . . . . . . . . . . . . . . . . . . . . . . . . . . . . . . 10.59
CONVENTIONAL BATTERY OCV - OPEN CIRCUIT VOLTAGE TEST . . . . . . . . . . . 10.59
CONVENTIONAL BATTERY SPECIFIC GRAVITY TEST . . . . . . . . . . . . . . . . . . . . . . 10.59
BATTERY LOAD TEST . . . . . . . . . . . . . . . . . . . . . . . . . . . . . . . . . . . . . . . . . . . . . . . . 10.60
CHARGING PROCEDURE . . . . . . . . . . . . . . . . . . . . . . . . . . . . . . . . . . . . . . . . . . . . . 10.60
LOW MAINTENANCE BATTERY CHECK: . . . . . . . . . . . . . . . . . . . . . . . . . . . . . . . . . 10.61
LOW MAINTENANCE BATTERY CHARGING . . . . . . . . . . . . . . . . . . . . . . . . . . . . . . 10.61
LOW MAINTENANCE BATTERY - OCV- OPEN CIRCUIT VOLTAGE TEST . . . . . . . 10.62
LOW MAINTENANCE BATTERY LOAD TEST . . . . . . . . . . . . . . . . . . . . . . . . . . . . . . 10.62
LOW MAINTENANCE BATTERY CHARGING PROCEDURE . . . . . . . . . . . . . . . . . . 10.62

10.3
ELECTRICAL
10
GENERAL INFORMATION
Special Tools
Ignition System / Basic Electrical
Components
Table 10-1:
PART NUMBER TOOL DESCRIPTION
PV-43568 Fluke77 Digital
Multimeter
2870630 Timing Light
2870836 Battery Hydrometer
2460761 Hall Sensor Probe Harness
2871745 Static Timing Light Harness

10.4
ELECTRICAL
Electrical Service Notes
Keep the following notes in mind when diagnosing an electrical
problem:
• Refer to wiring diagram for stator and electrical
component resistance specifications.
• When measuring resistance of a component that has a
resistance value under 10 Ohms, remember to subtract
meter lead resistance from the reading. Connect the
leads together and record the resistance. The resistance
of the component is equal to tested value minus the lead
resistance.
• Become familiar with the operation of your meter. Be
sure leads are in the proper jack for the test being
performed (i.e. 10Ajack for current readings). Refer to
the Owner’s manual included with your meter for more
information.
• Voltage, amperage, and resistance values included in
this manual are obtained with a Fluke 77 Digital
Multimeter (PV-43568). This meter is used for when
diagnosing electrical problems. Readings obtained with
other meters may differ.
• Pay attention to the prefix on the multimeter reading (K,
M, etc.) and the position of the decimal point.
• For resistance readings, isolate the component to be
tested. Disconnect it from the wiring harness or power
supply.
Troubleshooting
No Spark, Weak or Intermittent Spark
• Spark plug gap incorrect
• Fouled spark plug
• Faulty spark plug cap or poor connection to high
tension lead
• Related wiring loose, disconnected, shorted or corroded
• Engine stop switch or ignition switch faulty
• ETC switch misadjusted or faulty
• Wire harness or connections wet, corroded or broken
• Poor ignition coil ground
• Incorrect wiring after repair (inspect color coding in
connectors, etc.)
• Faulty ignition coil windings (measure resistance of
primary and secondary)
• Sheared flywheel key
• Flywheel Loose or damaged
• Excessive crankshaft runout - should not exceed .0024”
• Faulty ECM
• Faulty CPS
• Low Battery

10.5
ELECTRICAL
10
POWER DISTRIBUTION MODULES (PDM)
Sportsman EFI Overview
The Power Distribution Module (PDM) integrates these electronic features found on Polaris 500 and 500 X2 EFI ATVs; rectifier/
regulator, main solid-state circuit breaker (SSCB) output, accessory power output, ignition relay output, fan relay controller,
ECM relay output, ECM/cluster memory power, light output, starter lockout, active descent control (ADC) and differential
solenoid drive (X2 ONLY). There are no service parts in the PDM. If the PDM fails, it must be replaced. Following are overviews
of the various PDM circuits and how they function:
Regulator
The rectifier converts the output of the 3-phase alternator and applies it to the battery and the PDM loads. The regulator monitors
the battery voltage and shuts off the rectifier when full-charge exists on the battery. SCR’s are used to connect and disconnect the
alternator from the battery to achieve regulation of the battery voltage. The regulator shuts off current on the BAT+ pin if the battery
exceeds the over-voltage threshold. The regulator will not turn on unless there exists battery voltage in excess of the minimum battery
voltage requirement. Therefore, do not attempt to charge dead batteries using the vehicle’s charging system.
Power Distribution Module (PDM)
PDM Located Inside Front Grill Cover
SPORTSMAN 500 EFI X2
SPORTSMAN 500 EFI

10.6
ELECTRICAL
Battery Protected Output
The battery protected output (BAT_PROT) provides solid-
state-circuit-breaker (SSCB) outputs and enables most of the
functions on the PDM. The BAT_PROT output must be routed
only to the vehicle key/run switch for proper power up sequence.
BAT_PROT is enabled when the key/run switch connects the
BAT_PROT output to loads (must include RUN input). This
causes the micro-controller to power-up and energize
BAT_PROT. When RUN input goes high, the micro-controller
will remain ’ON’ until RUN input goes low by disconnection of
the BAT_PROT via the key switch or on/off switch. The
BAT_PROT output is protected from overloads and short
circuits. If this occurs, the output turns off. Once tripped, the
SSCBs can be reset by removing the overload or cycling the key/
run switches. The SSCBs will trip again if the issue causing the
overload is not removed.
Fan Relay Controller
The FAN relay is a smart high-side power switch. The FAN
controller requires the RUN input to be active and then is
enabled by the FAN_ON signal. The FAN output current is
monitored by the micro-controller. If the over-current limit is
exceeded for the amount of delay time programmed, the output
will shut off. If the maximum current limit is exceeded, the
current will shut off immediately. The micro-controller disables
the FAN output for a pre-programmed amount of time, then
resets the FAN relay. This will continue until the issue causing
the fault has been removed. When the FAN relay is off, the
micro-controller also monitors the output to see if the fan has
been disconnected.
Fan Status
The FAN_STAT output is control by the micro-controller.
FAN_STAT will go low only when the fan is off. For overloads
the FAN_STAT will go low after the pre-programmed delay
time. For an open fan condition, the micro-controller will wait
the programmed open-fan delay time and then indicate a fan
fault. The FAN_STAT output is current-limited.
Accessory Power:
The ACC_PWR switch uses a smart high-side power switch. It
is enabled when the RUN input is activated and disabled when
it’s removed. If the output current exceeds the short-circuit
limit, the output current will be reduced until the ACC_PWR
thermally shuts down. ACC_PWR will automatically turn back
on when it has cooled, based on thermal recovery. Repeated
cycles will cause the short-circuit limit to turn off repeatedly
until the overload has been removed.
Ignition Relay Output
The IGNITION relay uses a smart high-side power switch. The
IGNITION relay output is enabled when the RUN input is
activated and disabled when it’s removed. If the maximum
output current threshold is exceeded, the output current will be
reduced until the IGNITION circuit thermally shuts down.
IGNITION will automatically turn back on when it has cooled,
based on thermal recovery. Repeated cycles will cause the short-
circuit limit to turn off repeatedly until the overload has been
removed.
ECM Relay Output
The ECM_RELAY is a smart high-side power switch. The
ECM_RELAY relay output is enabled when the RUN input is
activated and KAP_EFI input is low. Once enabled,
ECM_RELAY stays activated until the KAP_EFI input goes
high. The ECM_RELAY output current is monitored by the
micro-controller. If the over-current threshold is exceeded for
the pre-programmed delay time, the output current will shut off.
Exceeding the power switch maximum current limit shuts down
the output immediately. Cycling the KAP_EFI via the key/run
switches will reset the output if RUN is active. Note: If RUN is
not active, the micro-controller powers down, therefore, the
maximum current limit will be the only overload protection
active until the KAP_EFI input disables the ECM_RELAY.
Fuel Pump Relay
The fuel pump circuit utilizes a and a smart high-side power
switch output. The FUEL_PUMP output is enabled when RUN
is activated and FUEL_EN is low. If the maximum output
current threshold is exceeded, the output current will be reduced
until the relay thermally shuts down. It will automatically turn
back on when it has cooled, based on thermal recovery.
Repeated cycles will cause the short-circuit limit to turn off
repeatedly until the overload has been removed.
Active Descent Control
An IPS is provided for current flow to the hub coil. The PDM
receives inputs from the TPS to determine throttle open/closed
and the Speed Sensor signal to determine vehicle speed.
ECM Memory
The ECM_MEM output is a current-limited, high-side power
switch for the ECM and cluster. This output is enabled whenever
battery power is connected to the PDM.
Reverse Polarity Protection
The reverse polarity protection circuit if in series with the
battery positive input of the PDM. It allows forward current to
flow with little voltage drop. When the battery terminals are
connected in reverse, the protection switch is forced off,
interrupting any current flow other than -2mA of bias current.
Light Output
The LIGHTS switch uses a smart-side power switch. The
LIGHTS output is enabled when the RUN input goes high and
disabled when it is low. If the output current exceeds the short-
circuit limit, the output current will be reduced until the device
thermally shuts down. It will automatically turn back on when
it has cooled, based on thermal hysteresis. Repeated cycles will
use the repetitive short-circuit limit to turn off until the overload
has been removed.
Starter Lockout
The starter lockout uses a low-side drive FET to connect the
ground side of the starter solenoid when the lockout is enabled.
To enable the lockout, the brake switch must be pulled high or
the transmission must be in Park or Neutral. The starter solenoid
positive side must be connected to BAT_PROT, as the lockout
relies on the current limit of BAT_PROT.
Differential Solenoid (X2 ONLY)
The differential solenoid driver provides a current-regulated
low-side drive for the solenoid coil. The low side driver sinks
current from the inductive load that is sourced internally via the
ACC_PWR output. The positive side of the differential solenoid
is current limited via ACC_PWR. To active the solenoid driver,
the TURF_MODE input must be high and the SPEED input
must read less than the solenoid speed limit. Once enabled, the
driver provides an initial “pull-in” current for a pre-determined
time and then lowers to a “hold” current until the TURF_MODE
input goes low or the TRANS input is in Park or Neutral and the
SPEED is less than the solenoid speed limit.

10.7
ELECTRICAL
10
CONNECTOR 1 - PIN # SIGNAL NAME DESCRIPTION - IPS = Intelligent Power Switch
J1-A ACC_PWR IPS that provides power to the accessories
J1-B Unused
J1-C TRANS Input signal from the transmission
J1-D IDLE Input signal for Active Descent Control (ADC)
J1-E (X2 Only) TURF_MODE High side enable to control differential solenoid. Uses SPEED and
TRANS signals to determine differential solenoid operation (X2 Only)
J1-F FAN_ON Relay input to control operation of the fan
J1-G KAP_EFI Relay input to control operation of the ECM relay
J1-H BAT+ Battery Positive
J1-J (X2 Only) DIFF_SOL+ IPS that provides power to the differential solenoid
J1-K FAN IPS that operates the fan
J1-L (X2 Only) DIFF_SOL- Low side connection to the differential solenoid
J1-M ADC IPS that activates ADC hub coil
J1-N GND Battery Ground
J1-P Unused
J1-R Unused
J1-S ECM_RELAY IPS to the power the ECM relay output
CONNECTOR 2 - PIN # SIGNAL NAME DESCRIPTION - IPS = Intelligent Power Switch
J2-A COIL 1 Input from stator coil winding 1 - 15k resistance to ground
J2-B RUN Run input signal. Battery voltage when
key/run is on and connected to BAT_PROT
J2-C ECM_MEM Used to provide the instrument cluster constant power for memory
J2-D FAN_STAT Open collector output. Pulsed low upon overload or disconnect of FAN
J2-E FUEL_EN Fuel pump control input
J2-F BRAKE Input from brake switch. Enables starter interlock when high
J2-G LIGHTS High side drive for vehicle lights
J2-H COIL 2 Input from stator coil winding 2
J2-J COIL 3 Input from stator coil winding 3
J2-K SPEED Input from speed sensor for ADC operation
J2-L FUEL_PUMP IPS to power the fuel pump output
J2-M BAT_PROT Protected battery output to general vehicle loads
J2-N STARTER Low side starter solenoid connection.
J2-P IGNITION IPS to power the ignition output.

10.8
ELECTRICAL
10
CHARACTERISTIC PARAMETER UNIT NOTE
Operating Temperature -40 to +55 CAmbient temperatures at which module
should remain within specified limits
Storage Temperature -50 to +85 CAmbient temperatures which should
have no adverse effects
on module operation
CHARACTERISTIC MIN TYP MAX UNIT NOTE
Battery Voltage 10.5 14.4 16 Vdc PDM functions will operate over this range
Batt. Quiescent Current 1.5 2 mA Min. draw from battery with key off
REGULATOR
Regulator Voltage 14.1 14.4 14.8 Vdc
Regulator Output 25 32 Adc Max. total DC amperage available from regulator
Over-Voltage Threshold 16 Vdc Battery voltage that will cause
the regulator to temporarily turn off
Minimum Battery Voltage 2 Vdc Min. voltage required on RUN for
regulator to begin operation
Alternator Coil 1 Resistance 15k Ohm Resistance between alternator signal and ground
Only on this designated alternator signal
BAT_PROT OUTPUT
Output Current 20 Amp Nominal Continuous output current
Limit 30 Amp Current level that will cause turn off after delay
Time Delay 0.6 Sec Time above limit until SSCB trips
Voltage 6.2 Vdc Min Battery voltage for BAT_PROT to remain on
ECM RELAY OUTPUT
Current Output 20 Amp Nominal continuous output
Output Limit 30 Amp Current level that will cause turn off after delay
Overload Delay 0.6 Sec Time above limit until ECM Relay trips
IGNITION RELAY OUTPUT
Output Current 10 25 Amp Max. continuous current
Rep. Short-circuit Limit 26 Amp Typical limit to cause repetitive thermal cycling
ACC_PWR OUTPUT
Output Current 10 25 Amp Max. continuous current
Rep. Short-circuit Limit 26 Amp Typical limit to cause repetitive thermal cycling
FUEL PUMP OUTPUT
Output Current 10 25 Amp Max. continuous current
Rep. Short-circuit Limit 26 Amp Typical limit to cause repetitive thermal cycling
FAN RELAY CONTROLLER
Fan Motor Current 10 12 Amp Current capability of the FAN output
Over-current Limit 18 Amp Threshold to start fan stall delay timer
Fan Load Open Delay 5 Sec Time delay after detection of open fan load
Fan Stall On Time 2 Sec Time FAN output will remain on
after current limit
exceeded
Fan Stall Off Time 10 Sec Time FAN output will remain off after current limit
exceeded. FAN_STAT on during this time

10.9
ELECTRICAL
10
ECM_MEM OUTPUT (constant power for ECM and Instrument Cluster)
MEM Circuit Limit 0.2 1.2 Amp Current capability of the output
REVERSE POLARITY PROTECTION
Battery Reverse Current 1.8 2 mA Max reverse leakage current when connected in reverse
Reverse Bias Voltage -55 Vdc Absolute maximum reverse voltage
before device breakdown.
DIFFERENTIAL SOLENOID DRIVER (X2 ONLY)
Pull-in Current 9 A Max pull-in current when solenoid is energized
Hold Current 2 A Max holding current when solenoid is energized
TURF MODE Input 0 16 V Input voltage range
TURF MODE Input
Pull Down 5K Ohm Resistance to ground on input pin
Solenoid Speed Limit 15 MPH Max SPEED input to prevent
differential solenoid engagement
STARTER LOCKOUT
STARTER Current 10 A Maximum load current
TRANS Park Limits 0.32 1.02 V Voltage range to enable STARTER output
TRANS Neutral Limits 1.83 2.53 V Voltage range to enable STARTER output
BRAKE Input 0 16 V Input voltage range
CHARACTERISTIC MIN TYP MAX UNIT NOTE

10.10
ELECTRICAL
Sportsman 450 Overview
The Power Distribution Module (PDM) integrates these electronic features found on the Sportsman 450; rectifier/regulator, solid-
state circuit breaker output, starter lockout output and engine temperature controller. There are no service parts in the PDM. If
the PDM fails, it must be replaced. Following are overviews of the various PDM circuits and how they function:
Regulator
The rectifier converts the output of the 3-phase alternator (COIL 1,2,3) and applies it to the battery and the PDM loads. The regulator
monitors the battery voltage and shuts off the rectifier when full-charge exists on the battery. SCR's are used to connect and
disconnect the alternator from the battery to achieve regulation of the battery voltage. The regulator shuts off current on the BAT+
pin if the batter exceeds the over-voltage threshold. A high voltage transient will cause the regulator to turn off for a short period
of time. If there truly is an open battery condition then the regulator will remain off, as the minimum battery requirement will not
be met. The regulator will not turn on unless there exists battery voltage in excess of the minimum battery voltage requirement.
Therefore, do not attempt to charge dead batteries using the vehicle's charging system. NOTE: COIL 1 has a resistance to ground.
Battery Protected Output
The battery protected output (BAT_PROT) provides solid-state-circuit-breaker (SSCB) outputs and enables most of the functions
on the PDM. The BAT_PROT output must be routed only to the vehicle key/run switch for proper power up sequence. BAT_PROT
is enabled when the key/run switch connects the BAT_PROT output to loads (must include RUN input). When RUN input goes high,

10.11
ELECTRICAL
10
the micro-controller will remain 'ON' until RUN input goes low
by disconnection of the BAT_PROT via the key switch or on/off
switch. It will remain 'ON' for 5 seconds before turning off The
BAT_PROT output is protected from overloads and short
circuits. If this occurs, the output turns off. Once tripped, the
SSCBs can be reset by removing the overload or cycling the key/
run switches. The SSCBs will trip again if the issue causing the
overload is not removed.
Engine Temperature Controller
The engine temperature controller has several features and two
outputs: HOT INDICATOR and FAN. The engine hot output is
low and sinks the indicator signal to ground. The fan output is
active high and sources battery power to turn on the fan. The
controller's primary function is to control the fan motor. The fan
motor is turned on and off at pre-set resistances as determined
by the engine temperature thermistor. The FAN output is
protected against short circuit and overload. If the fan current
exceeds the overload limit longer than the time allowed for
inrush, the fan will shut off and the HOT INDICATOR will turn
on. After a delay, the FAN output will then reset itself and turn
on again. If the overload persists, the controller will cycle the
FAN output on and off at set interval until the overload is
removed. If the maximum temperature of the switching device
is exceeded the fan output will turn off. The fan will cycle on and
off as previously described until the device temperature drops.
The FAN output driver also monitors to see if the fan is
connected during 'ON' state only. If the FAN output is open
circuit upon power up, the engine temperature controller will
activate the hot indicator. If the engine temperature exceeds the
engine hot thermistor limit, or detects a fan overload condition,
the hot indicator will activate. The controller also contains
provisions for detecting an open or shorted thermistor. A
thermistor fault will cause the engine hot indicator and FAN
output to activate.
Accessory Power:
The ACC_PWR switch uses a smart high-side power switch. It
is enabled when the RUN input is activated and disabled when
it's removed. If the output current exceeds the short-circuit limit,
the output current will be reduced until the ACC_PWR
thermally shuts down. ACC_PWR will automatically turn back
on when it has cooled, based on thermal recovery. Once tripped,
this output will remain off until the key switch is cycled on and
off again.
Lights Output
The LIGHTS output uses a smart high-side power switch. The
LIGHTS relay output is enabled when the RUN input is
activated and disabled when it's removed. If the maximum
output current threshold is exceeded, the output current will be
reduced until the LIGHTS circuit thermally shuts down. Once
tripped, this output will remain off until the key switch is cycled
on and off again.
HOT Indicator Output
The HOT Indicator output uses a low-side power switch 'smart
FET' that indicates when the thermistor input exceeds the values
programmed in the PDM. It also indicates a stalled or open fan
condition. The output is protected against shorts to battery, over-
load, over-voltage and over-temperature conditions.
Starter Lockout
Starter Lockout monitors the brake input and transmission
signal to determine if the STARTER output FET will enable a
ground path for the starter solenoid. The output is enabled if
either the BRAKE input is high or the TRANS signal voltage
indicates PARK or NEUTRAL. TRANS voltage is based on a
5Vdc power supply with a 220-ohm with 24-ohm for park and
160-ohm for neutral. RUN input must be enabled for the starter
lockout to function. This output is overload and short circuit
protected by the BAT-PROT output on the high side.
Reverse Polarity Protection
The reverse polarity protection circuit is in series with the
battery positive input of the PDM. It allows forward current to
flow with little voltage drop. When the battery terminals are
connected in reverse, the protection switch is forced off,
interrupting any current flow other than -2mA of bias current.
CONNECTOR 1 - PIN # SIGNAL NAME DESCRIPTION - IPS = Intelligent Power Switch
J1-A STARTER Starter output provides ground path when active.
J1-B BRAKE Brake input for starter lockout. Active high.
J1-C RUN PDM enable input. Connected to BAT_PROT via ignition and run
J1-D HOT_INDICATOR Engine hot signal. Provides a ground path for the hot indicator lamp
J1-E THERM_RTN Thermistor ground
J1-F THERM Thermistor input
J1-G TRANS Transmission signal voltage input for starter lockout
J1-H LIGHTS Powers vehicle lighting
J1-J COIL 3 Alternator coil input
J1-K COIL 2 Alternator coil input
J1-L COIL 1 Alternator coil input w/resistance to ground
J1-M BAT+ Battery Positive
J1-N ACC_PWR Battery Ground
J1-P GND Cathode side of AWD circuit
J1-R BAT_PROT SSCB output provides battery power to loads
J1-S FAN Relay control input to enable operation of the fan

10.12
ELECTRICAL
CHARACTERISTIC PARAMETER UNIT NOTE
Operating Temperature -40 to +55 CAmbient temperatures at which module
should remain within specified limits
Storage Temperature -50 to +85 CAmbient temperatures which should
have no adverse effects
on module operation
CHARACTERISTIC MIN TYP MAX UNIT NOTE
Battery Voltage 7 14.4 16 Vdc PDM functions will operate over this range
Batt. Quiescent Current 2 mA Min. draw from battery with key off
REGULATOR
Regulator Voltage 14.1 14.4 14.8 Vdc
Regulator Output 18 Adc Max. total DC amperage available from regulator
Minimum Battery Voltage 2 Vdc Min. voltage required on RUN for
regulator to begin operation
Alternator Coil 1 Resistance 14.7k 15k 15.2k Ohm Resistance between alternator signal and ground
Only on this designated alternator signal
BAT_PROT OUTPUT
Output Current 8Amp Nominal Continuous output current
Limit 911 20 Amp Current level that will cause turn off after delay
Time Delay 100 150 mSec Time above limit until SSCB trips
Voltage 5.5 Vdc Min Battery voltage for BAT_PROT to remain on
ACC_PWR OUTPUT
Output Current 10 25 Amp Max. continuous current
Nominal Current 26 Amp Current above which the output will shut off after
15 - 25 seconds
Overload Current 13 16 19 Amp Current above which the output will shut off after
1.5 - 2.5 seconds
Peak Current - Hardware 31 50 65 Amp Initial peak short circuit current limit above which the device
will current limit then quickly shut down
Power Off Delay 710 13 Sec Delay after run switch is turned off
LIGHTS OUTPUT
Output Current 18 Amp MAX Continuous Current
Current Limit 40 65 65 Amp Current limit above which device will shut down within
thermal shutdown time
Repetitive Short Circuit
Limit 65 Amp Current level that will cause turn off and on after delay
Inrush Time 50 100 500 mSec Inrush time delay
STARTER OUTPUT
Current 6 Amp Current capability of the STARTER output
TRANS
Park Voltage 118 490 870 mVdc Current capability of the output
Neutral Voltage 1.73 2.11 2.48 Vdc Current capability of the output
REVERSE POLARITY PROTECTION
Battery Reverse Current 1.8 2mA Max reverse leakage current when connected in reverse
Reverse Bias Voltage 2 -55 Vdc Absolute maximum reverse voltage before device breakdown.

10.13
ELECTRICAL
10
INSTRUMENT CLUSTER
Overview
Introduction
Refer To Illustration 1:
The Polaris ATV Instrument Cluster is powered by battery
voltage (12 VDC) and requires inputs from the engine RPM,
transmission gear, and transmission speed sensor for proper
operation. Two harnesses plug into the cluster head; one from
the transmission speed sensor, and one from the vehicle main
harness. A non-serviceable internal memory battery maintains
odometer and hour meter data when the machine is not running.
The illumination lamp inside the gauge is non-serviceable and
is designed to last for the life of the unit. (A) The speedometer
needle indicates speed from an electronic wheel speed sensor
located on the transmission and the needle also flashes during a
warning condition. The speedometer needle indicates speed in
MPH and KPH. NOTE: A flashing needle could indicate a hot
engine, low battery warning, or the No. 10 Pin could be
grounded. (B) The speedometer features numbers in Mile Per
Hour (MPH) and Kilometers Per Hour (KPH). (C) The Rider
Information Center performs a number of functions (See
Illustration 2):
1. Odometer / Tachometer / Trip meter / Hour Meter / Clock
•Odometer - records the miles traveled by the ATV.
•Tachometer - displays engine RPM. This feature will
also display with the vehicle in motion NOTE: Small
RPM fluctuations from day to day are normal because
of changes in humidity, temperature, and elevation
•Trip meter - records the miles traveled by the ATV if
reset before each trip or total miles to 999. To reset the
trip meter, select the trip meter mode. Press and hold
the mode button (override button) until the total
changes to 0. NOTE: In the Rider Information Center,
the trip meter display contains a decimal point, but the
odometer displays without a decimal point.
•Hour meter - logs the total hours the engine has been
in operation.
•Clock - displays hours and minutes.
2. Programmable Service Interval / Diagnostic Mode
•Service Interval - The purpose of the programmable
service interval is to provide the consumer and the
dealer with a convenient way to schedule routine
maintenance. When the ATV leaves the factory, this
feature is set at “50 hours". When the first 50 hours of
engine operation are finished the wrench icon will flash
for 10 seconds each time the ATV is started as a
reminder that ATV maintenance is due. NOTE: To
reset the Service Interval, follow the directions for
“SETTING NEW SERVICE INTERVAL” later in this
chapter.
3. Check Engine Warning Indicator
• The word HOT will display alpha numerically when the
engine is overheating. Do not continue to operate the
ATV if this warning appears. Refer to Chapter 3
“COOLING SYSTEM TROUBLESHOOTING” for
help with diagnosis of overheating.
(A) Needle (also flashes during warning condition)
(B) Speedometer
in MPH/KPH
(C) Rider Information Center ILL. 1
1
4
2
5
6
78
3
9
9
ILL. 2

10.14
ELECTRICAL
4. High/Low Battery Voltage
• This warning usually indicates that the ATV is being
operated at an RPM too low to keep the battery
charged. A low battery warning may also occur under
normal operation if the machine is at idle and high
electrical load (lights, cooling fan, accessories) is
applied. Driving at a higher RPM or connecting a
battery charger will usually clear the warning.
5. Engine Hour Display Indicator
• Displays number of hours of engine operation.
6. AWD Indicator
• Illuminates when the electrical portion of the AWD
system is enabled.
7. Gear Indicator
• Specifies what position the shift lever and transmission
are in. This area is blank if a fault occurs.
8. Mode Indicator
• Indicates which modes are being utilized.
9. Fuel Gauge
• The segments of the fuel gauge indicate the level of fuel
in the fuel tank. When the last segment clears, a low
fuel warning is activated. All related icons will flash,
“FUEL” will display in the LCD, and the speedometer
needle will blink. If riding, be sure to refuel
immediately.
Instrument Cluster Diagnostic Mode
NOTE: This gauge features auto shut-off protection
if the voltage on the DC bus is excessive. This is
usually the result of an open battery condition, and
the gauge is designed to survive such an event.
NOTE: If the gauge will not indicate what gear it is in
and will not allow AWD operation, AWD can still be
enabled by holding in the mode/override button.
NOTE: As long as you are in the diagnostic mode,
the wrench icon will remain lit.
NOTE: Any movement of the tires will trigger the
speedometer out of the diagnostic mode and into
standard display mode.
NOTE: To leave the diagnostic mode, turn the key
switch off and on.
1. Turn the key switch off and wait 10 seconds.
2. Set the park brake and shift the transmission to neutral.
3. Hold the mode/reverse override button as you turn the key
switch on.
4. Release the switch as soon as the display is activated.
Use the mode/reverse override button to toggle through the
diagnostic screens.
NOTE: The initial screen display refers to the
software version installed on your ATV. This
information is only displayed briefly.
Screen 1: The first screen indicates battery voltage. Refer to Ill.
2.
Blink When Low On Fuel
Ill. 2

10.15
ELECTRICAL
10
Screen 2: Tachometer (Ill. 3) indicates engine rpm.
Screen 3: AWD diagnostic screen. This screen indicates
whether or not current is flowing through the AWD coil on
models with switchable AWD.
Screen 4: Gear Circuit Diagnostic
This screen displays the resistance value (in ohms) being read at
the gear switch input of the gauge.
NOTE: 10-20% Variance from these reading is within
normal parameters.
Ill.3
AWD Off
AWD On
23 Ohms in Park
158 Ohms in Neutral
75 Ohms in Reverse

10.16
ELECTRICAL
5. Programmable Service Interval:
The purpose of the programmable service interval is to provide
the consumer and dealer with a convenient reminder for routine
maintenance. When the ATV leaves the factory, this feature is
set at 50 hours.
Once the service interval mode is set with the hours when
service is due, the hours of actual engine operation are
subtracted from the set hours until 0 is reached. When the
counter reaches 0, the wrench icon will flash quickly for 10
seconds each time the vehicle is started as a reminder that the
periodic maintenance is due.
Setting A New Service Interval
1. While in the service interval mode, press and hold the
mode/override button until the wrench icon flashes. When
it begins to flash, release the button.
2. The setting will increase by one hour each time the button
is pressed. Pressing and holding the button will allow the
numbers to escalate much faster.
3. When the desired time increment is displayed, release the
button and wait for the wrench to stop flashing. When the
wrench stops blinking, your service hours are set.
NOTE: If you scroll past the intended number, hold
the button down until the count turns over to 0. You
can then reset the number.
Turn Service Interval OFF:
1. If the service interval is enabled (functioning) on your
ATV and you wish to turn it off, toggle to the service
interval mode.
2. Press and hold the mode button for approximately 7
seconds until the word OFF appears in the Rider
Information Center. The service interval is now OFF.To
enable (turn on) the service interval mode, repeat the steps
above in “Setting Service Interval After Countdown”.
Change Service Interval Time:
If you would like to change the service interval time, (for
example change the interval from 50 hrs. to 55 hrs.). Follow the
steps below:
1. While in the service interval mode, press and hold the
mode button for approximately 7 seconds until the word
OFF appears in the Rider Information Center.
2. Wait 5 seconds and then press the mode button in until the
wrench icon flashes.
3. Press the mode button again to set the desired service
increment.
4. Release the button and wait for the wrench icon to stop
flashing. The new service interval is now set.
297 Ohms in Low
628 Ohms in High
Set at 50 hours from factory.

10.17
ELECTRICAL
10
Screen 6: Miles/Kilometers:
The display in the trip meter and odometer can be changed to
display either kilometers or miles. The current display mode
will be shown as “KM” or “MP”. To change, hold in the mode
button until the letters flash, then press and release the button
once. When the display stops flashing, the mode has been set.
EFI Diagnostic Mode
NOTE: The EFI diagnostic mode is intended to
quickly view fault codes stored in the EFI module.
Polaris dealers are equipped with the proper
diagnostic tools to further diagnose the blink codes.
To recall blink codes (fail codes) from the ECM:
1. Verify the ATV key switch is off and the transmission is in
park.
2. Turn the key switch ON and OFF 3 times within 5 seconds
and leave the key switch in the ON position on the third
turn.
3. The word “Wait” will appear, the ECM is now searching
for blink codes. READ AND RECORD THE NUMBER
OF FLASHES OF THE ‘MIL’ (Check Engine) LIGHT.
Codes ‘12’ and ‘61’ indicate the beginning and end of the
check sequence.
NOTE: The ‘check engine’ icon (mil) will flash the
codes during this mode. Record the flash
sequences.
4. The word “End” will display after all of the codes have been
displayed.
MP = Miles
KM = Kilometers
ON

10.18
ELECTRICAL
Speedometer Removal
1. Remove the three screws that secure the headlight pod
cover and disconnect the wire connectors from the
instrument cluster.
2. Push the instrument cluster out from the backside of the
pod, while securely holding the pod.
NOTE: Do not remove the rubber grommet in the
pod. Only remove the rubber grommet if necessary.
The bezel is a snap-on assembly and is a serviceable
part.
Speedometer Installation
1. Spray a soap and water mixture onto the outer surface area
of the instrument cluster. This will help the instrument
cluster slide into the pod assembly more easily.
2. Be sure the rubber grommet inside the pod is fully installed
and that the indexing key is in the headlight pod keyway.
3. Hold the pod assembly securely and insert the instrument
cluster into the pod assembly. Twist the instrument cluster
gently in a clockwise motion to properly seat the instrument
cluster into the pod assembly. Apply pressure on the bezel
while pressing down on the instrument cluster.
NOTE: Do not allow alcohol or petroleum products
to come in contact with the instrument cluster lens.
Pod
Rubber Mount
Instrument Bezel
Bezel
Push Instrument
Cluster Outward
Align

10.19
ELECTRICAL
10
ALL WHEEL DRIVE AND SPEEDOMETER TROUBLESHOOTING
TEST 1 - No All Wheel Drive

10.20
ELECTRICAL
TEST 2 - No Speedometer Display
TEST 3 - No Reverse Speed Limit

10.21
ELECTRICAL
10
TEST 4 - No AWD Hub Safety Limit

10.22
ELECTRICAL
TEST 5 - Reverse Speed Limiter Activated In Forward Gear
TEST 6 - Wheel Speed Sensor

10.23
ELECTRICAL
10
TEST 7 - Fuel Gauge Display Not Working
TEST 8 - Shift Indicator Not Working

10.24
ELECTRICAL
ACTIVE DESCENT CONTROL (ADC)
COIL
Operation Overview
• AWD switch must be ‘ON’.
• PDM pin ‘M’ on SSCB #1 controls the power to the
ADC hub coil for operation.
• PDM pin ‘C’ on SSCB #1 senses the gear signal
indicating the transmission is engaged and is not in Park
or Neutral.
• PDM pin ‘K’ on SSCB #2 senses the speed sensor
signal for determining if vehicle speed is below 15
Mph.
• ECU pin #21 sends a signal to PDM pin ‘D’ on SSCB
#1 to determine the TPS position and will cancel ADC
operation if TPS moves off ‘idle’ position.
• System must be grounded to operate.
Diagnosing System Failures
• Verify the AWD switch is functional.
• Verify the ADC hub coil is functional. Test the ADC
hub coil using an ohm meter.
• Verify the TPS is functioning correctly. Test using
Digital Wrench Diagnostic Software. (Dealer Only)
• Verify the wiring harness, wiring, connectors,
connector pins, grounds and PDM / ECU pin locations
are undamaged, clean and connect properly.
• Verify continuity of wire connections with a known
good volt/ohm meter.
IMPORTANT: Verify all wires and wiring connections
have been tested properly with a known good volt/
ohm meter before suspecting a component failure.
80% of all electrical issues are caused by bad/failed
connections and grounds.
NOTE: Refer to the ADC subsystem diagram located
in ‘Wire Diagrams’ at the end of this chapter.
ALL WHEEL DRIVE (AWD) COIL
Operation Overview
• AWD switch must be ‘ON’. 12Vdc power is present at
the ADC hub coil.
• The instrument cluster senses grounding at pin #16.
AWD icon should turn on at the instrument cluster.
• System must be grounded to operate.
Diagnosing System Failures
• Verify the AWD switch is functional.
• Verify the AWD hub coil is functional. Test the AWD
hub coil using an ohm meter.
• Verify the wiring harness, wiring, connectors,
connector pins and grounds are undamaged, clean and
connect properly.
• Verify continuity of wire connections with a known
good volt/ohm meter.
IMPORTANT: Verify all wires and wiring connections
have been tested properly with a known good volt/
ohm meter before suspecting a component failure.
80% of all electrical issues are caused by bad/failed
connections and grounds.
ADC Hub Coil Resistance:
12 ± 5%
AWD Hub Coil Resistance:
24 ± 5%

10.25
ELECTRICAL
10
COOLING SYSTEM COMPONENTS
Fan Control Circuit Operation
Power is supplied to the fan via the Orange/Black wire when the
relay is ON. The ground path for the fan motor is through the
Brown harness wire. Refer to “RELAYS” later in this chapter
for more information on fan functions.
NOTE: The fan may not function or operation may
be delayed if coolant level is low or if air is trapped in
the cooling system. Be sure cooling system is full
and purged of air. Refer to Maintenance Chapter 2
for cooling system information.
Fan Control Bypass Test
1. Disconnect harness from coolant temperature sensor on
engine.
2. With the ATV in “Park” and with the parking brake on, turn
the ignition key (and engine stop switch) “ON”. The fan
should start running.
3. If the fan does not run or runs slowly, check the fan motor
wiring, ground, motor condition for proper operation (refer
to “FAN MOTOR CURRENT DRAW” in this section).
Repair or replace as necessary. If the fan runs with the
sensor harness disconnected, but will not turn on when the
engine is hot, check the coolant temperature sensor and
connector terminals.
Fan Motor Current Draw Test
A current draw test will provide a good indication of fan motor
condition. A worn or damaged fan motor will draw more
current, which causes a reduction in blade speed and reduced
cooling.
1. Disconnect the harness from the coolant sensor.
2. Connect a DC ammeter in between the fan switch harness
wires as shown.
3. Be sure fan blade is free to rotate.
4. Turn ignition key and engine stop switch to ON" position.
Read the current draw on ammeter with fan running.
5. If the fan motor draws more than 10 Amps, replace the
motor.
NOTE: This fan motor current draw specification
only applies to Sportsman EFI models.
CAUTION
Keep hands away from fan blades during operation.
Serious personal injury could result.
Fan Motor Current Draw:
Should Be Less Than 10 Amps
Connect Ammeter
Between OG/Black
OG/
Fan
Brn
OG/
Fan

10.26
ELECTRICAL
Coolant Temperature Sensor
The coolant temperature sensor can be tested using an ohmmeter
or voltmeter.
If the ECT circuit is open the engine Hot light and fan will both
come on. With engine at an ambient temperature of 68F
(20C), disconnect lead and measure the resistance of sensor
between the two ECT terminals and compare to the specification
listed.
1. With the engine and temperature sensor at room
temperature (68F = 20C), disconnect the harness
connector.
2. With the meter in the ohms mode, place the meter leads
onto the sensor contacts.
3. Use the Temperature / Resistance table to determine if the
sensor needs to be replaced.
NOTE: If the coolant temperature sensor or circuit
malfunctions the radiator fan will default to 'ON'.
NOTE: The fan may not function or operation may
be delayed if coolant level is low or if air is trapped in
the cooling system. Be sure cooling system is full
and purged of air. Refer to Maintenance Chapter 2
for cooling system information.
GEAR POSITION INDICATOR SWITCH
Test Diagram
Table 10-1:
TEMPERATURE F (C) RESISTANCE
68F (20 C) 37.3 k
212F (100 C) 2.1 k
NOTE: Also see “INSTRUMENT CLUSTER
TROUBLESHOOTING” for gear switch resistance.
High Range
Low Range
Neutral
Reverse
Park
Orange/Red
Violet (purple)
Green/White Brown/Red
White/Blue
Blue/Red
TRANSMISSION SWITCH
High/Low/Neutral/Reverse/Park

10.27
ELECTRICAL
10
ELECTRONIC THROTTLE CONTROL
(ETC) SWITCH
Operation Overview
The Electronic Throttle Control (ETC) system is designed to
stop the engine of an ATV in the event of a mechanical problem
with the throttle mechanism. The ETC switch is mounted
independently of the throttle actuator lever inside the throttle
block assembly. This is a normally closed switch, and is held in
the open position (contacts are separated (as shown below) by
throttle cable tension. The contacts are open" during normal
operation regardless of throttle lever position. In the event of a
mechanical problem in the throttle mechanism (cable tension is
lost), the switch contacts close, connecting the black wire to
ground, which prevents ignition spark. This is the same as
turning the key or engine stop switch “OFF”.
NOTE: Test the ETC switch at the harness
connector. ETC will not activate unless there is
throttle plate movement off of “zero” detected by the
ECM. Adjust throttle cable freeplay (ETC switch) and
make sure throttle mechanism is functioning
properly before testing the switch. Refer to
Maintenance Chapter 2 for cable adjustment
procedure.
ETC Test
1. Remove throttle block cover by carefully releasing all tabs
around edge of cover.
2. Place transmission in neutral and apply parking brake.
3. Start engine and open throttle lever slightly until engine
RPM is just above idle speed.
4. Hold throttle cable with fingers at point “A” as shown
below and release throttle lever. If the ETC system is
functioning properly, the engine will lose spark and stop.

10.28
ELECTRICAL
IGNITION SYSTEM
Overview
The Sportsman has incorporated into it's design a DC/ CDI ignition system. The DC/ ignition system relies on battery power for
ignition.
EFI - Instead of generating DC voltage via flywheel magnetic induction, a 12 volt DC current is supplied directly from the battery
to the PDM. At the PDM, DC current is supplied to the ignition coil for the initial ignition charge. A small A/C signal from the CPS
helps the ECM pre-determine Top Dead Center (TDC), which in turn signals the ECM to release the electrical charge collapsing the
coil field for ignition (based on the ECM timing map).
CDI- A 12 volt DC current is supplied directly from the battery to the CDI. At the CDI, a current is supplied to the coil for the initial
ignition charge. A small A/C signal from the stator pulse coil triggers the CDI to fire the coil.
DC/ignition systems have the ability to ignite with as little as 6 volts of power.
Some of the advantages of DC ignition are:
• Stronger, more consistent spark at low rpm for better performance
• Easier starts
• Fault detection by the ECM (EFI)
NOTE: Do not remove wiring harness while the key switch is on or while the engine is running. Damage to
electronic components may occur!
SPORTSMAN 500 / 500 X2 EFI
SPORTSMAN 450

10.29
ELECTRICAL
10
Components of EFI Alternator and DC / CDI Ignition System

10.30
ELECTRICAL
EFI Ignition System Testing Flow Chart

10.31
ELECTRICAL
10
Crankshaft Position Sensor Gap
Measure trigger coil gap with a feeler gauge. The gap should be
0.4 - 1.2 mm (0.015 - .047 in.).
Ignition Troubleshooting
No Spark, Weak, or Intermittent Spark
• Spark plug gap incorrect
• Fouled spark plug
• Faulty spark plug cap or poor connection to high
tension lead
• Related wiring loose, disconnected, shorted, or
corroded
• Engine Stop switch or ignition switch faulty
• ETC switch misadjusted or faulty
• Wire harness or connections wet, corroded
• Poor ignition coil ground (e.g. coil mount loose or
corroded)
• Incorrect wiring (inspect color coding in connectors
etc)
• Faulty ignition coil winding (measure resistance of
primary and secondary)
• Sheared flywheel key
• Flywheel loose or damaged
• Faulty ECU
Ignition Output Test Using Gap Tester
Re-connect all wires. Disconnect spark plug wire from the spark
plug. Connect gap tester lead to engine ground and the other to
the ignition coil primary wire leading from the coil. Crank
engine and check output. Spark should jump a 1/4" (6mm) gap.
Reconnect coil wire.
Crankshaft Position Sensor Gap:
0.4 - 1.2 mm (0.015 - .047 in.)
CPS
Interrupt
Table 10-1:
TEST CONNECT GAP
TESTER TO:READING
Spark Gap
Output Test Spark plug lead and
ground
White/Blue spark
jumps 1/4" (6mm)
gap

10.32
ELECTRICAL
CHARGING SYSTEM
Current Draw - Key Off
Connect an ammeter in series with the negative battery cable.
Check for current draw with the key off. If the draw is excessive,
loads should be disconnected from the system one by one until
the draw is eliminated. Check component wiring as well as the
component for partial shorts to ground to eliminate the draw.
Break Even Test
The “break even” point of the charging system is the point at
which the alternator overcomes all system loads (lights, etc.)
and begins to charge the battery. Depending on battery
condition and system load, the break even point may vary
slightly. The battery should be fully charged before performing
this test.
1. Connect a tachometer to the engine.
2. Using an inductive amperage metering device, (set to DC
amps) connect to the negative battery cable.
3. With engine off and the key, kill switch, and lights in the
ON position, the ammeter should read negative amps
(battery discharge). Reverse meter lead if a positive
reading is indicated.
4. Shift transmission into Park and start the engine. With the
engine running at idle, observe meter readings.
5. Increase engine RPM while observing ammeter and
tachometer.
6. Note RPM at which the battery starts to charge (ammeter
indication is positive).
7. With lights and other electrical loads off, the “break even”
point should occur at approximately 1500 RPM or lower.
8. With the engine running, turn the lights on and engage
parking brake lock to keep brake light on.
9. Repeat test, observing ammeter and tachometer. With
lights on, charging should occur at or below 2000 RPM.
Alternator Output Test
Three tests can be performed using a multimeter to determine
the condition of the stator (alternator).
CAUTION
Do not connect or disconnect the battery cable or
ammeter with the engine running. Damage will
occur to electrical components.
CAUTION
Do not connect or disconnect the battery cable or
ammeter with the engine running. Damage will
occur to electrical components.
WARNING
Never start the engine with an ammeter connected
in series. Damage to the meter or meter fuse will
result. Do not run test for extended period of time.
Do not run test with high amperage accessories.
YB30L-B
Current Draw Inspection (key off)
Current Draw - Key Off:
Maximum of .01 DCA (10 mA)

10.33
ELECTRICAL
10
TEST 1: Resistance Value of Each Stator Leg
1. Measure the resistance value of each of the three stator legs: Y1 to Y2, Y1 to Y3, and Y2 to Y3. Each should measure 0.19
15 %.
NOTE: If there are any significant variations in ohm's readings between the three legs; it is an indication that
one of the three stator legs maybe weak or failed.
TEST 2: Resistance Value of Stator Leg to Ground
1. Measure the resistance value of each of the stator legs to ground: Y1 to Ground, Y2 to Ground, Y3 to Ground.
NOTE: Any measurement other than Infinity (open) will indicate a failed or shorted stator leg.
TEST 3: Measure AC Voltage Output of Each Stator Leg at Charging RPM
1. Set the selector dial to measure AC Voltage.
2. Start the engine and let it idle.
3. While holding the ATV at a specified RPM, separately measure the voltage across each “leg” of the stator by connecting the
meter leads to the wires leading from the alternator (Y1 to Y2, Y1 to Y3, Y2 to Y3).
4. Refer to the table below for approximate Voltage AC readings according to RPM. Test each leg at the specified RPM in the
table. Example: The alternator voltage output reading should be no less than 30-40 Vac above 2000 RPM between each 'leg'.
NOTE: If one or more of the stator leg output AC voltage varies significantly from the specified value, the
stator may need to be replaced.
Table 10-2:
TEST CONNECT METER
WIRES TO:READING IN OHMS
Charge Coil Y1 to Y2 0.43 15%
Charge Coil Y1 to Y3 0.43 15%
Charge Coil Y2 to Y3 0.43 15%
Charge Coil Y1, Y2, or Y3 to
Ground Open (Infinity)

10.34
ELECTRICAL
Charging System Testing Diagrams
Whenever charging system problems are suspected, proceed with the following system check after verifying that all wires are in good
condition, connected and not kinked or pinched.
SPORTSMAN 500 / 500 X2 EFI
SPORTSMAN 450

10.35
ELECTRICAL
10
(PDM)

10.36
ELECTRICAL
DIFFERENTIAL SOLENOID
Testing
Disconnect from the wire harness. Using a digital ohmmeter,
test the solenoid at the connector leads and compare to the
specification. Replacement of solenoid is required as it is not
serviceable.
NOTE: See “Trouble Shooting Diagrams” in this
chapter for a Differential Solenoid system break-out.
Replacement
1. Remove the solenoid using a suitable tool.
2. Coat threads of new solenoid with anti-seize compound or
sealant.
3. Thread new solenoid into gearcase housing. Tighten to
specification.
LIGHTING
High Beam Headlight Bulb Replacement
1. Remove three Phillips screws on the headlight pod.
2. Lift pod cover up.
3. Disconnect instrument cluster harness (A) and work light
switch (B).
Differential Solenoid Resistance:
1.45 5 %
= T
Differential Solenoid Torque
23-27 ft. lbs. (31-37 Nm)
CAUTION
Do not service while headlight is hot. Serious burns
may result. Protect lamp during install.
Remove 3 Screws
A B

10.37
ELECTRICAL
10
4. Turn the headlight lamp socket counter-clockwise and
remove.
5. Carefully remove head lamp bulb from housing.
6. Remove the head lamp and replace with a new head lamp.
NOTE: Do not touch the lamp with bare fingers.
Hold the plastic part (1) of the lamp. Oil from your
skin leaves a residue, causing a hot spot that will
shorten the life of the lamp.
7. Install the new head lamp and harness assembly into the
headlight assembly. Turn the headlight harness clockwise
to secure the head lamp into place.
Headlight Housing Relacement
1. Remove three Phillips screws on the headlight pod.
2. Disconnect instrument cluster harness (A) and work light
switch (B).
3. Unplug head lamp harness (C).
4. Remove O-Ring (D) from headlight pivot pins. (Both
Sides)
5. Pull the headlight housing up to release from the locking
tabs.
6. Lift the adjusting knob up to remove from the locking tabs.
7. Carefully pull the assembly up and out of pod.
Turn Harness Assembly
Tighten
Loosen
AB
C
D
l
Pull Upward

10.38
ELECTRICAL
8. Reverse the steps to install the new housing and reassemble
the pod.
NOTE: he distance from the head lamp parting line
to the end of the adjustment knob stop is 5 1/8”, (13
cm). See illustration.
9. Adjust the headlight aim by turning the adjusting knob.
High Beam Headlight Adjustment
The headlight beam can be adjusted to any position desired by
turning the adjusting knob located on the bottom right side of the
headlight pod.
Raise Headlight - Turn knob counter- counterclockwise
Lower Headlight - Turn knob clockwise
1. Place the vehicle on a level surface with the headlight
approximately 25' (7.6 m) from a wall.
2. Measure the distance from the floor to the center of the
headlight and make a mark on the wall at the same height.
3. Start the engine and turn the headlight switch to high beam.
4. Observe headlight aim. The most intense part of the
headlight beam should be aimed 2” (5.1 cm) below the
mark placed on the wall in Step 2.
NOTE: Rider weight must be included on the seat.
On machines with separate low beam lights, the
drop should be 8, (20.3 cm) in 25' from the center of
the low beam lamp.
5. Adjust beam to desired position.
Lower Headlamp Removal / Installation
1. Turn the back of the head lamp harness in a counter-
clockwise direction to loosen.
5 1/8” (13 cm)
25’ (7.6 m)
2” (5.1 cm)
Lamp Center Height
Remove Install
Turn Harness Assembly

10.39
ELECTRICAL
10
2. Pull the harness assembly out from the headlight assembly.
3. Remove the lamp and replace with a new head lamp.
NOTE: Do not touch the new lamp with bare fingers.
Hold the plastic part (1) of the lamp. Oil from your
skin leaves a residue, causing a hot spot that will
shorten the life of the lamp.
4. Install the harness assembly into the headlight assembly.
Turn the headlight harness clockwise to secure the head
lamp into place.
Lower Head Lamp Housing Removal (if required)
5. Remove the screw that secures the lower head lamp.
6. Pull the head lamp out of the locking tab.
Low Beam Headlight Adjustment
1. The low beam can be adjusted slightly upward or
downward.
2. Loosen the phillips screw located at the rear of the head
lamp.
3. Tilt the head lamp upward or downward.
4. Tighten the screw.
Headlamp Switch Test
1. Remove the headlight pod cover.
2. Set meter to DC Volts and probe the head lamp plug wires
(Brown and Yellow) at back of connector for 12 Volts.
3. Turn ignition and headlight on. If there is no power,
continue with checks to the harness and PDM.
Remove Screw
Loosen Screw
Brown
Yellow
Upper Headlamp Plug Wires
Brown
Green
Lower Headlamp Plug Wires

10.40
ELECTRICAL
Work Light Switch
Remove the headlight pod cover to locate the switch wires. The
switch (A) snaps out by pushing in on the tabs on both sides of
the switch.
• Check for continuity between the switch contacts -
Place meter leads between two contacts with switch in
ON position.
• Probe the worklight plug wires at back of vehicle, there
should be at least 12V at the plug.
• Check for 12 volt power at the blue wire.
Brake Light / Work Light Replacement
The brake light (A) and the work light (B) are both located in the
rear tail lamp housing.
1. X2 - Open the tailgate and remove the 2 torx head screws
(A) securing the rear taillights on each side of the cargo
box as illustrated below.
2. X2 - Remove the taillight assembly from the cargo box.
A
Squeeze Tabs - Push Through
Pod To Remove
Brown
Blue
Worklight Connector Wires
CAUTION
Use caution when disconnecting the smaller light
bulb. Follow the procedures to keep from damaging
the connector. Damaging a connector may require
wire harness replacement.
A

10.41
ELECTRICAL
10
3. X2 and Sportsman - Carefully pull out the red locking tab
on the connector.
4. X2 and Sportsman - Once the red tab is pulled out, press
in on the black tab and pull out to disconnect harness.
5. X2 and Sportsman - Disconnect the two wire harnesses
connected to each of the taillights. Twist bulb housing to
remove from lamp assembly and replace bulb.
Brake Light Switch Test
1. Remove the front cover.
2. Disconnect wire harness from switch.
3. Connect an ohmmeter across switch contacts. Reading
should be infinite (.
4. Apply brake at handlebar lever and check for continuity
between switch contacts. Replace switch if there is no
continuity or greater than .5 ohms resistance when the brake
is applied with slight pressure.
Black Tab
Red Tab
Remove
Install
Brake Lamp Switch
Brake Switch
Location

10.42
ELECTRICAL
SPEED SENSOR
Testing
Using the special tools listed, test the speed sensor according to
the tester instructions. Remove sensor and inspect the o-ring
seal for damage or wear and replace as required. Replacement
of sensor is required as it is not serviceable.
Replacement
1. Remove the sensor retaining using a suitable tool.
2. Coat o-ring of new sensor with anti-seize compound or
sealant.
3. Push new sensor into gearcase housing. Install bolt and
tighten to specification.
FUEL SENDER
Testing
1. Drain the fuel tank and remove it from the ATV.
2. Set the fuel tank on a flat surface.
3. Hook up an ohm meter to the fuel sender harness wire (B)
and wire (C).
4. With the sender float in the empty position, the meter
should read 5 ohms.
5. Slowly tilt invert the tank so that gravity moves the sender
float to the full position, the meter should now read 90
ohms.
6. If the readings are not between 5 ohms and 90 ohms, or if
the reading is erratic or LCD display “sticks”, check the
following before replacing the tank assembly.
• Loose float
• Float contact with tank
• Bent Float Rod
If none of the conditions exists, the sender assembly is faulty.
**Fuel tank assembly replacement is required on EFI models, as
the sender assembly is not serviceable.
Speed Sensor
Test Using Special Tools:
Static Timing Light Harness
PN 2871745
Hall Sensor Probe Harness
PN 2460761
= T
Speed Sensor Bolt Torque
8-12 ft. lbs. (11-17 Nm)
Fuel Sender
Empty: 6 Half
Full

10.43
ELECTRICAL
10
ACCESSORY POWER
Wire Connections
Winch Installation
The Sportsman models have the main winch cables routed and
installed from the factory. This enables quick installation.
Refer to Chapter 2 for more information on winch installation
and operation.
Accessory Power Wires
The accessory power leads for all accessories are located under
the front cover. The wires are 12 Volt wires and are Orange /
White in color. To locate the wires, remove the front cover. The
wires will be located in the main wire loom on the right side.
If you have trouble locating the Orange / White wires remove
the left side panel and search under the front fender area.
NOTE: Refer to the accessory instructions for
accessory hook-up and installation.
Orange/White Wires Located In This Area
Orange/White Wires
Accessory Wires
Located in Pod
Located in Lower
Head Lamp Area

10.44
ELECTRICAL
STARTER SYSTEM
Troubleshooting
Starter Motor Does Not Run
• Battery discharged. Low specific gravity
• Loose or faulty battery cables or corroded connections
(see Voltage Drop Tests)
• Related wiring loose, disconnected, or corroded
• Poor ground connections at battery cable, starter motor
or starter solenoid (see Voltage Drop Tests)
• Faulty key switch
• Faulty kill switch
• Faulty starter solenoid or starter motor.
• Engine problem - seized or binding (Can engine be
rotated easily with recoil starter?)
• Starter lockout malfunction
Starter Motor Turns Over Slowly
• Battery discharged - low specific gravity
• Excessive circuit resistance - poor connections (see
Voltage Drop Test below)
• Engine problem - seized or binding (Can engine be
rotated easily?)
• Faulty or worn brushes in starter motor
Starter Motor Turns - Engine Does Not Rotate
• Faulty starter drive
• Faulty starter drive gears or starter motor gear
• Faulty flywheel gear or loose flywheel
VOLTAGE DROP TEST
The Voltage Drop Test is used to test for bad connections. When
performing the test, you are testing the amount of voltage drop
through the connection. A poor or corroded connection will
appear as a high voltage reading. Voltage shown on the meter
when testing connections should not exceed .1 VDC per
connection or component.
To perform the test, place the meter on DC volts and place the
meter leads across the connection to be tested. Refer to the chart
on 1.47 to perform voltage drop tests on the starter system.
Starter Lockout Troubleshooting- EFI
Models
The starter lockout is controlled by the PDM. Pin 'C' on SSCB
#1 of the PDM senses the transmission signal and determines if
the switch is in Neutral or Park. When the conditions are met, the
PDM will activate SSCB #2 Pin 'N' to ground the starter
solenoid.
Pin 'G' on SSCB #2 of the PDM senses when the brake is applied
and activates SSCB #2 pin ‘N’ to ground the solenoid. The PDM
will allow starting in Neutral or Park without the brake applied.
Applying the brake overrides this system and allows starting
regardless of transmission shift position.
Items to check when diagnosing a no-start condition are:
• Transmission switch for proper function
• Starter solenoid for proper function
• Brake switch for proper function
• Wire harness, loose connections/pins (including the
PDM) leading to and from these components
• Proper ground to frame
Should all these items be found in working order, the PDM may
be at fault.
Starter Lockout Troubleshooting-
Sportsman 450
The starter lockout is controlled by the PDM. Pin 'G' on SSCB
#1 of the PDM senses the transmission signal and determines if
the switch is in Neutral or Park. When the conditions are met, the
PDM will activate Pin 'A' to ground the starter solenoid.
Pin 'H' on SSCB #1 of the PDM senses when the brake is applied
and activates pin ‘A’ to ground the starter solenoid. The PDM
will allow starting in Neutral or Park without the brake applied.
Applying the brake overrides this system and allows starting
regardless of transmission shift position.
Items to check when diagnosing a no-start condition are:
• Transmission switch for proper function
• Starter solenoid for proper function
• Brake switch for proper function
• Wire harness, loose connections/pins (including the
PDM) leading to and from these components
• Proper ground to frame
Should all these items be found in working order, the PDM may
be at fault.
Voltage should not exceed
.1 DC volts per connection

10.45
ELECTRICAL
10
Starter Lockout Diagram- EFI
Starter Lockout Diagram- Sportsman 450

10.46
ELECTRICAL
Starter Motor Removal / Disassembly
NOTE: Use electrical contact cleaner to clean starter
motor parts. Some solvents may leave a residue or
damage internal parts and insulation.
1. Remove the starter from the engine.
2. Remove the two bolts, washers, and sealing O-Rings.
Inspect O-Rings and replace if damaged.
NOTE: Note the alignment marks on both ends of
the starter motor casing. These marks must align
during reassembly.
3. Remove the rear brush housing assembly, holding the front
housing and armature assembly together.
4. Remove the shims from the armature shaft and inspect the
O-rings located on the armature housing.
NOTE: The shims must be reinstalled during
reassembly.
Brush Inspection / Replacement
1. Measure resistance between starter input terminal and
insulated brushes. The reading should be .3 ohms or less.
Measure the resistance between the cable terminal and
brush housing. Make sure the brush is not touching the
case. The reading should be infinite.
2. Remove nut, flat washer, large phenolic washer, two small
phenolic washers, and O-Ring from brush terminal. Inspect
the O-Ring and replace if damaged.
3. Remove brush plate and brushes. Measure length of
brushes and replace if worn past the service limit. Replace
springs if they are discolored or have inadequate tension.
NOTE: The electrical input post must stay with the
field coil housing.
O-Rings
CAUTION
Some cleaning solvents may damage the insulation
in the starter. Care should be exercised when
selecting an appropriate solvent. If the commutator
needs cleaning use only electrical contact cleaner.
O-Rings
Shims

10.47
ELECTRICAL
10
4. Inspect surface of commutator for wear or discoloration.
See Steps 3-6 of ‘Armature Testing’.
Brush Inspection
1. Measure length of each carbon brush. Replace brush
assembly when worn to 5/16” (8 mm) or less. The brushes
must slide freely in their holders.
Brush Replacement
1. Install a new carbon brush assembly in the brush housing.
NOTE: Be sure that the terminal bolt insulating washer is
properly seated in the housing, and the tab on the brush
plate engages the notch in the brush plate housing.
2. Place a wrap of electrical tape on the threads of the terminal
bolt to prevent O-Ring damage during reinstallation.
3. Install the O-Ring over the bolt. Make sure the O-ring is
fully seated.
4. Remove the electrical tape and reinstall the two small
phenolic washers, the large phenolic washer, flat washer,
and nut.
Armature Testing
1. Remove armature from starter casing.
NOTE: Note order of shims on drive end for reassembly.
2. Inspect surface of commutator. Replace if excessively
worn or damaged.
3. Using a digital multitester, measure the resistance between
each of the commutator segments. The reading should be
.3 ohms or less.
4. Measure the resistance between each commutator segment
and the armature shaft. The reading should be infinite (no
continuity).
5. Check commutator bars for discoloration. Bars discolored
in pairs indicate shorted coils, requiring replacement of the
starter motor.
6. Place armature in a growler. Turn growler on and position
a hacksaw blade or feeler gauge lengthwise 1/8” (.3 cm)
above armature coil laminates. Rotate armature 360. If
hacksaw blade is drawn to armature on any pole, the
armature is shorted and must be replaced.
Limit 5/16” (8 mm)
Brush Length

10.48
ELECTRICAL
Starter Reassembly
1. Inspect permanent magnets in starter housing. Make sure
they are not cracked or separated from housing. Place
armature in field magnet casing.
2. Place shims on drive end of armature shaft with phenolic
washer outermost on shaft. Engage tabs of stationary
washer in drive end housing, holding it in place with a light
film of grease.
3. Install case sealing O-Ring. Make sure O-Ring is in good
condition and not twisted on the case. Lubricate needle
bearing and oil seal with a light film of grease, and install
housing, aligning marks.
4. Install O-Ring on other end of field magnet casing. Make
sure it is in good condition and not twisted on the case.
5. Align casing marks and install housing, pushing back
brushes while installing shaft in bushing.
6. Reinstall starter motor housing bolts. Make sure O-Rings
are in good condition and seated in groove.
7. Align brush plate and install cover and screws.
8. Install the starter onto the engine case. Hand tighten the
starter bolt. Torque the bolt to 9 ft.lbs. (12 Nm).
Starter Solenoid Bench Test
To measure the resistance of the pull-in coil, connect one meter
lead to the solenoid lead wire and the other to ground. The
resistance should be 3.7 ohms . Refer to “Electric Starter
System Testing” in this section to further test the solenoid.
Starter Exploded View
CAUTION
Use care when handling starter housing. Do not
drop or strike the housing as magnet damage is
possible. If magnets are damaged, starter must be
replaced.

10.49
ELECTRICAL
10
STARTER DRIVE
Pinion Gear - Anti-Kick Out Shoe, Garter Spring Replacement
If the garter spring is damaged, the overrun clutch may fail to return properly. Use either of the following methods to remove and
install a new garter spring:
1. Screw the overrun clutch out to the engaged position on the pinion shaft assembly. Use a small piece of wire with the end bent
in a hook and pick the old spring out of its channel. Slide it off the end of the shaft. Slide the new spring over the overrun
clutch and into the spring groove. Make sure that the spring is positioned between the shoe alignment pins and the back flange
of the anti kick-out shoes.
2. Remove the retaining ring, thrust washer, spring retainers and clutch return spring. Screw the overrun clutch off the end of the
pinion shaft. Remove the old spring and install a new one. Lightly grease the pinion shaft and reinstall the clutch, spring,
retainers, end washer and lock ring in the reverse order. Make sure the end washer is positioned properly so that it will hold
the lock ring in its groove.
A. Gear Assembly
B. Thrust Washer
C. Bushing
D. Retaining Ring
E. Thrust Washer
F. Stopper
G. Cover
H. Spring
A
B
C
D
E
F
G
H

10.50
ELECTRICAL
STARTER SYSTEM TESTING FLOW CHART
Condition: Starter fails to turn motor. NOTE: Make sure engine crankshaft is free to turn
before proceeding with dynamic testing of starter system. A digital multitester must be used
for this test. This flow chart assumes that the starter lockout system is functional.
With the tester on the VDC position, place the
tester's black lead on the battery negative and the
red lead on the battery positive. Reading should
be 12.4 V D. C. or greater.
Remove battery and properly service. Install
fully charged shop battery to continue test.
Disconnect coil engagement wire from the starter
solenoid. Connect tester black wire to battery
ground. Connect red tester lead to harness wire at
solenoid. Turn on ignition switch. Tester should
read battery voltage.
Check voltage on both sides of circuit
breaker, ignition switch/engine stop switch.
The voltage on both sides should be the same.
NOTE: The ignition switch and engine stop
switch must be ‘on’. Replace component if
failed .
Test starter solenoid coil by connecting an ohmmeter between the solenoid
wire and the solenoid mounting plate. Check solenoid ground path by
measuring resistance between mounting plate and battery negative terminal
(-). There should be no continuity.
Reconnect the solenoid. Connect the tester black
lead to the battery positive and the red lead to the
solenoid end of the battery-to-solenoid wire.
Depress starter button. Reading should be less than
.1 V D.C.
Clean the battery-to-solenoid cable ends
or replace the cable.
Connect the black tester lead to solenoid end of
battery-to-solenoid cable. Connect red tester lead
to solenoid end of solenoid-to-starter cable.
Depress starter button. Reading should be less than
.1 V D.C.
Replace the starter solenoid.
Connect the black tester lead to the solenoid end of
the solenoid-to-starter cable. Connect the red
tester lead to the starter end of the same cable.
Depress the starter button. The reading should be
less than .1 V D.C.
Clean the solenoid-to-starter cable ends or
replace the cable.
If all of these indicate a good condition, yet the starter still fails to
turn, the starter must be removed for static testing and inspection.
Yes
Yes
Yes
Yes
No
No
No
Yes
No
No
Voltage Drop
Testing

10.51
ELECTRICAL
10
BASIC WINCH WIRING
Pre-wired Models

10.52
ELECTRICAL
TROUBLESHOOTING DIAGRAMS
Power On - EFI
Start Circuit - EFI
To ECU Pin 12

10.53
ELECTRICAL
10
Ignition Coil - EFI
Fuel Pump - EFI

10.54
ELECTRICAL
Fan - EFI
Charging System - EFI

10.55
ELECTRICAL
10
All Wheel Drive - EFI
Transmission Switch - EFI

10.56
ELECTRICAL
Reverse Override - EFI
Differential Solenoid - X2

10.57
ELECTRICAL
10
BATTERY
Battery Identification
NOTE: It is important to identify what type of battery
you have installed in your ATV. Different types of
batteries require different service procedures.
Proper servicing and upkeep of your battery is very
important for maintaining long battery life.
Your ATV may have a Conventional Battery or a Sealed Low
Maintenance Battery. To identify which type of battery your
ATV has, refer to the illustration below and follow the correct
service and charging procedures that follow in the manual.
Battery Activation
To ensure maximum service life and performance from a new
battery, perform the following steps.
NOTE: Do not service the battery unless it will be
put into regular service within 30 days. After initial
service, add only distilled water to the battery.
Never add electrolyte after a battery has been in
service.
NOTE: New Battery: Battery must be fully charged
before use or battery life will be significantly
reduced 10-30% of the battery's full potential.
To activate a new battery:
1. Remove vent plug from vent fitting. Remove cell caps.
2. Fill battery with electrolyte to upper level marks on case.
3. Set battery aside to allow for acid absorption and
stabilization for 30 minutes.
Removable
Caps
Top View
Electrolyte Level
Indicator
No Caps (Non-
Removable)
Top View
No Electrolyte
Level Indicator
Sealed Low Maintenance Battery
Conventional Battery
WARNING
Battery electrolyte is poisonous. It contains sulfuric
acid. Serious burns can result from contact with
skin, eyes or clothing. Antidote:
External: Flush with water.
Internal: Drink large quantities of water or milk.
Follow with milk of magnesia, beaten egg, or
vegetable oil. Call physician immediately.
Eyes: Flush with water for 15 minutes and get
prompt medical attention.
Batteries produce explosive gases. Keep sparks,
flame, cigarettes, etc. away. Ventilate when
charging or using in an enclosed space. Always
shield eyes when working near batteries. KEEP
OUT OF REACH OF CHILDREN.
WARNING
The gases given off by a battery are explosive. Any
spark or open flame near a battery can cause an
explosion which will spray battery acid on anyone
close to it. Should there be contact with battery
acid, wash the affected area with large quantities of
cool water and seek immediate medical attention.

10.58
ELECTRICAL
4. Add electrolyte to bring level back to upper level mark on
case.
NOTE: This is the last time that electrolyte should
be added. If the level becomes low after this point,
add only distilled water.
5. Charge battery at 1/10 of its amp/hour rating. Examples:
1/10 of 9 amp battery = .9 amp; 1/10 of 14 amp battery =
1.4 amp; 1/10 of 18 amp battery = 1.8 amp (recommended
charging rates).
6. Check specific gravity of each cell with a hydrometer to
assure each has a reading of 1.270 or higher (excludes low
maintenance batteries).
Terminal Preparation
Use Polaris corrosion resistant Nyogel grease (PN 2871329) on
battery bolts and terminals when installing a battery. This will
help to prevent corrosion and maintain good electrical
connection. See “BATTERY INSTALLATION”.
Battery Removal
SPORTSMAN - The battery is located under the seat.
X2 - The battery is located under fuel tank and can be accessed
by removing the right hand side panel.
Inspect the battery fluid level. When the battery fluid nears the
lower level, remove the battery and fill with distilled water only
to the upper level line. To remove the battery:
1. Disconnect holder strap and remove covers.
2. Disconnect battery negative (-) (black) cable first, followed
by the positive (+) (red) cable.
3. Remove the battery.
4. Remove the filler caps and add distilled water only as
needed to bring each cell to the proper level. Do not overfill
the battery.
NOTE: Refill using only distilled water. Tap water
contains minerals which are harmful to a battery.
NOTE: Do not allow cleaning solution or tap water
inside the battery. Battery life may be reduced.
5. Reinstall the battery caps.
Battery Installation
1. Clean battery cables and terminals with a stiff wire brush.
Corrosion can be removed using a solution of one cup
water and one tablespoon baking soda. Rinse well with
clean water and dry thoroughly.
2. Route the cables correctly.
3. Reinstall battery, attaching positive (+) (red) cable first and
then the negative (-) (black) cable. Coat terminals and bolt
threads with Nyogel Grease (PN 2871329).
BATTERY
CAUTION
Whenever removing or reinstalling the battery,
disconnect the negative (black) cable first and
reinstall the negative cable last
Maintain
between
upper and
lower level
marks

10.59
ELECTRICAL
10
4. Install clear battery vent tube from vehicle to battery vent.
5. Reinstall the holder strap.
Off Season Storage
To prevent battery damage during extended periods of non-use,
the following basic battery maintenance items must be
performed:
• Remove the battery from the machine and wash the
case and battery tray with a mild solution of baking
soda and water. Rinse with lots of fresh water after
cleaning. NOTE: Do not get any of the baking soda
into the battery or the acid will be neutralized.
• Using a wire brush or knife, remove any corrosion from
the cables and terminals.
• Make sure that the electrolyte is at the proper level.
Add distilled water if necessary.
• Charge at a rate no greater than 1/10 of the battery's
amp/hr capacity until the electrolyte's specific gravity
reaches 1.270 or greater.
• Store the battery either in the machine with the cables
disconnected, or store in a cool place.
NOTE: Recharge to full capacity every 30 to 60 days
during a non-use period. If the battery is stored
during the winter months, electrolyte will freeze at
higher temperatures as the battery discharges. The
chart below indicates freezing points by specific
gravity.
Low Maintenance Battery Off-Season
Storage
Battery voltage should be checked with a digital multitester.
Readings of 12.8 volts or less require further battery testing and
charging. See charts and Load Test.
• Remove the battery from the machine and wash the
case and battery tray with a mild solution of baking
soda and water. Rinse with lots of fresh water after
cleaning.
• Using a wire brush or knife, remove any corrosion from
the cables and terminals.
• Make sure that the electrolyte is at the proper level.
• Charge at a rate no greater than 1/10 of the battery's
amp/hr capacity until the electrolyte's specific gravity
reaches 1.270 or greater.
• Store the battery either in the machine with the cables
disconnected, or store in a cool place.
NOTE: Stored batteries lose their charge at the rate
of 1% per day. Recharge to full capacity every 30 to
60 days during a non-use period. If the battery is
stored during the winter months, electrolyte will
freeze at higher temperatures as the battery
discharges. The chart below indicates freezing
points by specific gravity.
Battery Testing
Whenever a service complaint is related to either the starting or
charging systems, the battery should be checked first.
Following are three tests which can easily be made on a battery
to determine its condition: OCV Test, Specific Gravity Test and
Load Test.
Conventional Battery OCV - Open Circuit
Voltage Test
Battery voltage should be checked with a digital multitester.
Readings of 12.6 volts or less require further battery testing and
charging. See charts and Load Test below.
NOTE: Lead-acid batteries should be kept at or near
a full charge as possible. Electrolyte level should be
kept between the low and full marks. If the battery is
stored or used in a partially charged condition, or
with low electrolyte levels, hard crystal sulfation will
form on the plates, reducing the efficiency and
service life of the battery.
Conventional Battery Specific Gravity Test
A tool such as a Battery Hydrometer (PN 2870836) can be used
to measure electrolyte strength or specific gravity. As the
battery goes through the charge/discharge cycle, the electrolyte
goes from a heavy (more acidic) state at full charge to a light
(more water) state when discharged. The hydrometer can
measure state of charge and differences between cells in a multi-
WARNING
Vent tube must be free from obstructions and kinks and
securely installed. If not, battery gases could accumulate
and cause an explosion. The vent tube should be routed
away from frame and body to prevent contact with Route
the cables correctly.
Table 10-1: ELECTROLYTE FREEZING POINTS
SPECIFIC GRAVITY OF
ELECTROLYTE FREEZING POINT
1.265 -75F
1.225 -35F
1.200 -17F
1.150 +5F
1.100 +18F
1.050 +27F

10.60
ELECTRICAL
cell battery. Readings of 1.270 or greater should be observed in
a fully charged battery. Differences of more than .025 between
the lowest and highest cell readings indicate a need to replace
the battery.
* Measurement at 80 F
NOTE: Subtract .01 from the specific gravity reading
at 40 F
Battery Load Test
NOTE: This test can only be performed on machines
with electric starters. This test cannot be performed
with an engine or starting system that is not working
properly.
A battery may indicate a full charge condition in the OCV test
and the specific gravity test, but still may not have the storage
capacity necessary to properly function in the electrical system.
For this reason, a battery capacity or load test should be
conducted whenever poor battery performance is encountered.
To perform this test, hook a multitester to the battery in the same
manner as was done in the OCV test. The reading should be 12.6
volts or greater. Engage the starter and observe the battery
voltage while cranking the engine. Continue the test for 15
seconds. During cranking the observed voltage should not drop
below 9.5 volts. If the beginning voltage is 12.6 volts or higher
and the cranking voltage drops below 9.5 volts during the test,
replace the battery.
Charging Procedure
1. Remove the battery from the ATV to prevent damage from
leaking or spilled acid during charging.
2. Charge the battery with a charging output no larger than 1/
10 of the battery's amp/hr rating. Charge as needed to raise
the specific gravity to 1.270 or greater.
3. Install battery in vehicle with positive terminal toward the
front. Coat threads of battery bolt with a corrosion resistant
dielectric grease (PN 2871329).
4. Connect battery cables.
5. After connecting the battery cables, install the cover on the
battery and attach the hold down strap.
Table 10-1: OPEN CIRCUIT VOLTAGE
STATE OF
CHARGE
CONVENTIONAL
LEAD - ACID LOW MAINTENANCE
100% 12.60V 12.70V
Charged 12.40V 12.50V
75% Charged 12.10V 12.20V
50% Charged 11.90V 12.0V
25% Charged less than 11.80V Less than 11.90V
0% Charged - -
Table 10-2: SPECIFIC GRAVITY
STATE OF
CHARGE* CONVENTIONAL
LEAD - ACID
LOW
MAINTENANCE
100% 1.265 1.275
Charged 1.210 1.225
75% Charged 1.160 1.175
50% Charged 1.120 1.135
25% Charged less than 1.100 Less than 1.115
0% Charged - -
Battery Hydrometer (PN 2870836)
CAUTION
To prevent shock or component damage, remove
spark plug high tension leads and connect securely
to engine ground before proceeding.
WARNING
To avoid the possibility of explosion, connect
positive (red) cable first and negative (black) cable
last.

10.61
ELECTRICAL
10
6. Install clear battery vent tube from vehicle to battery vent.
7. Route cables so they are tucked away in front and behind
battery.
Low Maintenance Battery Check:
NOTE: All Low Maintenance batteries are fully
charged and tested at the factory before installation.
Expected shelf life varies on storage conditions. As
a general rule before placing the battery into service,
check the battery condition and charge accordingly.
1. Check the date label on the side of the battery to calculate
when to check voltage. The battery should be checked
every 3 months.
2. Check the voltage with a voltmeter or multimeter. A fully
charged battery should be 12.8 V or higher.
3. If the voltage is below 12.8 V, the battery will need to be
recharged.
NEW BATTERIES: Batteries must be fully charged before
use or battery life can be reduced by 10-30% of full potential.
Charge battery for 3-5 hours using a variable rate charger. Do
not use the alternator to charge a new battery. A high rate battery
charger can cause battery damage.
Low Maintenance batteries are permanently sealed at the time of
manufacture. The use of lead-calcium and AGM technology
instead of lead-antimony allows the battery acid to be fully
absorbed. For this reason, a Low Maintenance battery case is
dark and the cell caps are not removable, since there is no need
to check electrolyte level.
NEVER attempt to add electrolyte or water to a Low
Maintenance battery. Doing so will damage the case and shorten
the life of the battery. Refer to the Battery Activation and
Maintenance Video (PN 9917987) for proper instruction on
servicing Low Maintenance batteries.
NOTE: New Batteries: Batteries must be fully
charged before use or battery life will be reduced by
10-30% of full potential. Charge battery for 3-5 hours
at a current equivalent of 1/10 of the battery's rated
amp/hour capacity. Do not use the alternator to
charge a new battery. (Refer to Battery Activation
and Maintenance video PN 9917987)
NEVER attempt to add electrolyte or water to a Low
Maintenance battery. Doing so will damage the case and shorten
the life of the battery. Refer to the Battery Maintenance Video
(PN 9917987) for proper instruction on servicing Low
Maintenance batteries.
TO SERVICE A LOW MAINTENANCE BATTERY:
1. Remove battery from the vehicle.
2. Test battery with a voltage meter or load tester to determine
battery condition. This will determine the length of time
required to charge the battery to full capacity. Refer to
capacity table.
3. Charge battery using a variable rate charger.
Low Maintenance Battery Charging
If battery voltage is 12.8 V or less, the battery may need
recharging. When using an automatic charger, refer to the
charger manufacturer's instructions for recharging. When using
a constant current charger, use the following guidelines for
recharging.
NOTE: Always verify battery condition before and 1-
2 hours after the end of charging.
WARNING
Vent tube must be free from obstructions and kinks
and securely installed. If not, battery gases could
accumulate and cause an explosion. Vent should
be routed away from frame and body to prevent
contact with electrolyte. Avoid skin contact with
electrolyte, as severe burns could result. If
electrolyte contacts the vehicle frame, corrosion will
occur.
WARNING
An overheated battery could explode, causing
severe injury or death. Always watch charging
times carefully. Stop charging if the battery
becomes very warm to the touch. Allow it to cool
before resuming charging.

10.62
ELECTRICAL
Low Maintenance Battery - OCV- Open
Circuit Voltage Test
Battery voltage should be checked with a digital multitester.
Readings of 12.8 volts or less require further battery testing and
charging. See charts and Load Test.
NOTE: Lead-acid batteries should be kept at or near
a full charge as possible. If the battery is stored or
used in a partially charged condition, or with low
electrolyte levels, hard crystal sulfation will form on
the plates, reducing the efficiency and service life of
the battery.
NOTE: Use a voltmeter or multimeter to test battery
voltage.
* Measurement at 80 F
NOTE: Subtract .01 from the specific gravity reading
at 40 F.
Low Maintenance Battery Load Test
NOTE: This test can only be performed on machines
with electric starters. Test cannot be performed with
an engine or starting system that is not working
properly.
A battery may indicate a full charge condition in the OCV test
and the specific gravity test, but still may not have the storage
capacity necessary to properly function in the electrical system.
For this reason, a battery capacity or load test should be
conducted whenever poor battery performance is encountered.
To perform this test:
1. Hook a multitester to the battery in the same manner as was
done in the OCV test. The reading should be 12.8 volts or
greater.
2. Engage the starter and observe the battery voltage while
cranking the engine. Continue the test for 15 seconds.
3. During cranking the observed voltage should not drop
below 9.5 volts.
4. If the beginning voltage is 12.8 volts or higher and the
cranking voltage drops below 9.5 volts during the test,
replace the battery.
Low Maintenance Battery Charging
Procedure
1. Remove the battery from the ATV to prevent damage from
leaking or spilled acid during charging.
2. Charge the battery with a variable rate charging output.
Charge as needed to raise the specific gravity to 1.270 or
greater.
3. Install battery in vehicle with positive terminal toward the
front. Coat threads of battery bolt with a corrosion resistant
Nyogel Grease (PN 2871329).
4. Route cables so they are tucked away in front and behind
battery.
5. Connect battery cables.
6. Install cover on the battery and attach hold down strap.
Table 10-1: LOW MAINTENANCE BATTERY
CHARGING REFERENCE TABLE
STATE OF
CHARGE VOLTAGE ACTION CHARGE
TIME
100% 12.8-13 V
None, check
voltage at 3 mos.
after manufacture
date
None
Required
75-100% 12.5-12.8 V May need slight
charge 3-6 Hours
50-75% 12.0-12.5 V Needs Charge 5-11 Hours
25-50% 11.5-12.0 V Needs Charge At least 13
hours, verify
state of charge
0-25% 11.5 V or less Needs Charge At least 20
hours
Table 10-1: OPEN CIRCUIT VOLTAGE
STATE OF
CHARGE
LOW M AINTENANCE
BATTERY
CONVENTIONAL
BATTERY
100 % 13.0V 12.70V
75% Charged 12.80V 12.50V
50% 12.50V 12.20V
25% 12.20V 12.0V
0% Charged less than 12.0V less than 11.9V
CAUTION
To prevent shock or component damage, remove
spark plug high tension leads and connect securely
to engine ground before proceeding.
WARNING
To avoid the possibility of sparks and explosion,
connect positive (red) cable first and negative
(black) cable last.

11.1
500 EFI INTERNATIONAL / QUADRICYCLE
11
500 EFI INTERNATIONAL / QUADRICYCLE BRAKE SYSTEM . . . . . . . . . . . . . . . . . . . 11.2
OVERVIEW . . . . . . . . . . . . . . . . . . . . . . . . . . . . . . . . . . . . . . . . . . . . . . . . . . . . . . . . . . 11.2
EXPLODED VIEW . . . . . . . . . . . . . . . . . . . . . . . . . . . . . . . . . . . . . . . . . . . . . . . . . . . . . 11.3
500 EFI INTERNATIONAL / QUADRICYCLE STEERING POST AND LOCK. . . . . . . . . 11.4
STEERING ASSEMBLY EXPLODED VIEW . . . . . . . . . . . . . . . . . . . . . . . . . . . . . . . . . 11.4
500 EFI QUADRICYCLE EMISSIONS SYSTEM . . . . . . . . . . . . . . . . . . . . . . . . . . . . . . . 11.5
OVERVIEW . . . . . . . . . . . . . . . . . . . . . . . . . . . . . . . . . . . . . . . . . . . . . . . . . . . . . . . . . . 11.5
500 QUADRICYCLE ELECTRICAL . . . . . . . . . . . . . . . . . . . . . . . . . . . . . . . . . . . . . . . . . 11.6
TURN / HAZARD SIGNAL DIAGRAM . . . . . . . . . . . . . . . . . . . . . . . . . . . . . . . . . . . . . . 11.6
NOTE: This chapter illustrates components that are unique to the
Sportsman 500 EFI International and Quadricycle models.
Except where noted, any servicing of these components or other components
on the ATV can be done using this service manual’s procedures and illustrations.

11.2
500 EFI INTERNATIONAL / QUADRICYCLE
11
500 EFI INTERNATIONAL / QUADRICYCLE BRAKE SYSTEM
Overview
The Sportsman International / Quadricycle brake system consists of a complete hydraulic brake system. All-wheel braking is
integrated into the foot brake and hand brake systems and allows 4 wheel braking from either control separately, or at the same time.
When the foot brake is applied, all brake calipers are active, as braking pressure is routed from the foot brake master cylinder through
the proportioning valve and distribution block, exiting one line to the front calipers, while the other line exits the proportioning valve
and feeds the outer line of the rear calipers.
When the hand brake is applied, all brake calipers are active, as braking pressure is routed from the hand brake master cylinder
through the distribution block, exiting one line to the front calipers, while the other line feeds the inner line of the rear calipers.

11.3
500 EFI INTERNATIONAL / QUADRICYCLE
11
Exploded View
Foot Brake Supply
Hand Brake Supply

11.4
500 EFI INTERNATIONAL / QUADRICYCLE
11
500 EFI INTERNATIONAL / QUADRICYCLE STEERING POST AND LOCK
Steering Assembly Exploded View
The 500 EFI International / Quadricycle Sportsman is equipped with a steering locking mechanism to prevent theft or unauthorized
use. Steering post removal may be required for lock service or repair.
Lock System Item Number / Description:
11. Lock Collar
12. Lock Set
13. Bolt, Lock Set
14. Bolt(s), Lock Collar
15. Nut(s), Lock Collar

11.5
500 EFI INTERNATIONAL / QUADRICYCLE
11
500 EFI QUADRICYCLE EMISSIONS SYSTEM
Overview
500 EFI Quadricycle model ATVs are equipped with an emissions system from the factory. The emission system is designed to meet
the various international emissions standards.
The emissions system consists of:
• A. Air Valve Filter
• B. Air Valve Assembly (one way operation)
• C. Tubing
• D. Air Injection Tube
• E. Catalyst
The emissions system utilizes an air valve filter (A), one-way air valve system (B), and vacuum to help reduce emissions. The air
valve assembly (B) contains a vacuum shutoff. When engine RPM drops quickly or is at high RPM, the air valve closes. During
idle through mid-range RPM the air valve is open and air is drawn into the from the PVT intake duct. The air valve assembly (B)
opens and closes based on the vacuum pressure connected to the air duct.
The exhaust pipe creates a vacuum after each engine exhaust pulse. The air valve (B) opens and closes based on this engine pulse.
Fresh air then travels through the air injection tubes (C and D) and into the exhaust. This air (oxygen) enters the exhaust pipe and
mixes with the exhaust gases from the engine, reducing emissions. The air and exhaust gas mixture then passes through the silencer
(E), which contains a catalyst. This catalyst also reduces emissions by interacting with the exhaust as it passes through the silencer.
NOTE: No maintenance or service of the catalyst is required.
A
B
D
Air Flow
E
C

11.6
500 EFI INTERNATIONAL / QUADRICYCLE
500 INTERNATIONAL & QUADRICYCLE ELECTRICAL
Turn / Hazard Signal Diagram

IX.1
IX
A
A-Arm Replacement . . . . . . . . . . . . . . . . . . . . . . . . . . . . 5.18
Active Descent Control (ADC) Coil . . . . . . . . . . . . . . 10.24
Active Descent Control Gearcase . . . . . . . . . . . . . . . . . . 7.22
ADC Gearcase Piston Service . . . . . . . . . . . . . . . . . . . . 7.27
ADC Gearcase, Disassembly / Inspection . . . . . . . . . . . 7.23
ADC reservoir level inspection . . . . . . . . . . . . . . . . . . . 2.18
Air Filter, Service . . . . . . . . . . . . . . . . . . . . . . . . . . . . . . 2.20
Alignment, Wheel . . . . . . . . . . . . . . . . . . . . . . . . . . . . . . 2.27
All Wheel Drive (AWD) Coil . . . . . . . . . . . . . . . . . . . 10.24
All Wheel Drive and Speedometer Troubleshooting Tests . .
10.19
Alternator / Ignition Components . . . . . . . . . . . . . . . . . 10.29
Alternator Output Test . . . . . . . . . . . . . . . . . . . . . . . . . 10.32
ATV Cleaning and Storage . . . . . . . . . . . . . . . . . . . . . . . 2.36
B
Ball Joint Replacement, Front . . . . . . . . . . . . . . . . . . . . 5.19
Battery Activation, Conventional . . . . . . . . . . . . . . . . . 10.57
Battery Charging Procedure, Low Maintenance . . . . . 10.62
Battery Load Test . . . . . . . . . . . . . . . . . . . . . . . . . . . . . 10.60
Battery Load Test, Low Maintenance . . . . . . . . . . . . . 10.62
Battery Off Season Storage . . . . . . . . . . . . . . . . . . . . . 10.59
Battery Off Season Storage, Low Maintenance . . . . . . 10.59
Battery Open Circuit Voltage (OCV), Low Maintenance . . .
10.62
Battery Removal / Inspection, Conventional . . . . . . . . 10.58
Battery Specific Gravity Tes, Conventional . . . . . . . . . 10.59
Battery Terminals/Bolts . . . . . . . . . . . . . . . . . . . . . . . . 10.58
Battery, Installation . . . . . . . . . . . . . . . . . . . . . . . . . . . 10.58
Battery, Maintenance . . . . . . . . . . . . . . . . . . . . . . . . . . . 2.18
Body and Steering Torque Values . . . . . . . . . . . . . . . . . . 5.2
Body Assembly Exploded View . . . . . . . . . . . . . . 5.12, 5.13
Body Rack Exploded View . . . . . . . . . . . . . . . . . . . . . . 5.14
Brake Bleeding . . . . . . . . . . . . . . . . . . . . . . . . . . . . . . . . . 9.7
Brake Burnishing Procedure . . . . . . . . . . . . . . . . . . . . . . 9.12
Brake Caliper Exploded View . . . . . . . . . . . . . . . . . . . . . 9.5
Brake Caliper Removal, Rear . . . . . . . . . . . . . . . . 9.21, 9.23
Brake Caliper, Assembly . . . . . . . . . . . . . . . . . . . . . . . . 9.24
Brake Caliper, Front . . . . . . . . . . . . . . . . . . . . . . . . . . . . 9.14
Brake Disc, Front . . . . . . . . . . . . . . . . . . . . . . . . . . . . . . 9.12
Brake Disc, Inspection . . . . . . . . . . . . . . . . . . . . . . . . . . 9.25
Brake Light / Work Light Switch Replacement . . . . . . 10.40
Brake Light Switch . . . . . . . . . . . . . . . . . . . . . . . . . . . . 10.41
Brake Noise Troubleshooting . . . . . . . . . . . . . . . . . . . . . . 9.7
Brake Pad Install, Rear . . . . . . . . . . . . . . . . . . . . . . . . . . 9.20
Brake Pad Removal, Rear . . . . . . . . . . . . . . . . . . . . . . . . 9.19
Brake Pad, Rear . . . . . . . . . . . . . . . . . . . . . . . . . . . . . . . 9.17
Brake Pad, Removal and Installation . . . . . . . . . . . . . . . 9.10
Brake System Components, Std, Sportsman . . . . . . . . . . 9.4
Brake System Components, X2 . . . . . . . . . . . . . . . . . . . . 9.3
Brake System Exploded View, International . . . . . . . . . 11.3
Brake System Exploded Views . . . . . . . . . . . . . . . . . . . . 9.3
Brake System Overview, International . . . . . . . . . . . . . . 11.2
Brake, Master Cylinder Removal . . . . . . . . . . . . . . . . . . . 9.9
Brake, Rear Auxiliary Brake . . . . . . . . . . . . . . . . . . . . . 9.28
Brake, Rear Auxiliary Master Cylinder . . . . . . . . . . . . .9.26
Brake, Torque Specifications . . . . . . . . . . . . . . . . . . . . . .9.2
Brakes, Inspection . . . . . . . . . . . . . . . . . . . . . . . . . . . . . .2.29
Brakes, Operation Overview . . . . . . . . . . . . . . . . . . . . . . .9.6
Brakes, Troubleshooting . . . . . . . . . . . . . . . . . . . . . . . . .9.29
C
Cam Chain Removal . . . . . . . . . . . . . . . . . . . . . . . . . . . .3.14
Cam Chain Tensioner, Inspection . . . . . . . . . . . . . . . . . .3.14
Camshaft Removal . . . . . . . . . . . . . . . . . . . . . . . . . . . . .3.16
Camshaft Timing . . . . . . . . . . . . . . . . . . . . . . . . . . . . . . .3.46
Carburetor (BST34) Exploded View . . . . . . . . . . . . . . . .4.33
Carburetor Jetting . . . . . . . . . . . . . . . . . . . . . . . . . . . . . .4.32
Carburetor Operation . . . . . . . . . . . . . . . . . . . . . . . . . . . .4.35
Carburetor Venting . . . . . . . . . . . . . . . . . . . . . . . . . . . . .4.35
Carburetor, Air/Fuel Ratio . . . . . . . . . . . . . . . . . . . . . . .4.38
Carburetor, Assembly . . . . . . . . . . . . . . . . . . . . . . . . . . .4.41
Carburetor, Choke System . . . . . . . . . . . . . . . . . . . . . . .4.36
Carburetor, Cleaning . . . . . . . . . . . . . . . . . . . . . . . . . . . .4.40
Carburetor, Disassembly . . . . . . . . . . . . . . . . . . . . . . . . .4.39
Carburetor, Float Adjustment . . . . . . . . . . . . . . . . . . . . .4.42
Carburetor, Float System . . . . . . . . . . . . . . . . . . . . . . . . .4.37
Carburetor, Idle System . . . . . . . . . . . . . . . . . . . . . . . . . .4.36
Carburetor, Inspection . . . . . . . . . . . . . . . . . . . . . . . . . . .4.41
Carburetor, Jet Needle . . . . . . . . . . . . . . . . . . . . . . . . . . .4.39
Carburetor, Main System . . . . . . . . . . . . . . . . . . . . . . . .4.37
Carburetor, Needle Jet . . . . . . . . . . . . . . . . . . . . . . . . . . .4.39
Carburetor, Operation . . . . . . . . . . . . . . . . . . . . . . . . . . .4.35
Carburetor, Pilot Screw . . . . . . . . . . . . . . . . . . . . . . . . . .4.38
Carburetor, Throttle Opening vs. Fuel Flow . . . . . . . . . .4.39
Cargo Box, Removal and Installation . . . . . . . . . . . . . . .5.26
Charging Procedure . . . . . . . . . . . . . . . . . . . . . . . . . . . .10.60
Charging System - Break Even Test . . . . . . . . . . . . . . .10.32
Charging System Flow Chart . . . . . . . . . . . . . . 10.30, 10.34
Choke System . . . . . . . . . . . . . . . . . . . . . . . . . . . . . . . . .4.36
Clutch Alignment . . . . . . . . . . . . . . . . . . . . . . . . . . . . . .6.14
Clutch Offset . . . . . . . . . . . . . . . . . . . . . . . . . . . . . . . . . .6.14
Clutch, Troubleshooting . . . . . . . . . . . . . . . . . . . . . . . . .6.36
Clutching Chart . . . . . . . . . . . . . . . . . . . . . . . . 1.6, 1.8, 1.10
Component Locations . . . . . . . . . . . . . . . . . . . . . . . . . . . .2.8
Component Locations, Sportsman . . . . . . . . . . . . . . . . . .2.7
Compression Test . . . . . . . . . . . . . . . . . . . . . . . . . . . . . .2.17
Controls, Inspection . . . . . . . . . . . . . . . . . . . . . . . . . . . .2.31
Conversion Table . . . . . . . . . . . . . . . . . . . . . . . . . . . . . .1.14
Coolant Sensor Test . . . . . . . . . . . . . . . . . . . . . . . . . . .10.26
Coolant, Level Inspection . . . . . . . . . . . . . . . . . . . . . . . .2.20
Coolant, Recommended Ratio . . . . . . . . . . . . . . . . . . . . . .3.8
Cooling System Pressure Test . . . . . . . . . . . . . . . . . . . . . .3.7
Cooling System Specifications . . . . . . . . . . . . . . . . . . . . .3.6
Cooling System, Maintenance . . . . . . . . . . . . . . . . . . . . .2.19
Counter Balancer Endplay Adjustment . . . . . . . . . . . . . .3.38
Counter Balancer, Removal and Inspection . . . . . . . . . .3.34
Crankcase Breather Filter, Service . . . . . . . . . . . . . . . . .2.22
Crankcase Separation . . . . . . . . . . . . . . . . . . . . . . . . . . .3.33
Crankshaft Endplay Adjustment . . . . . . . . . . . . . . . . . . .3.37
Crankshaft Position Sensor (CPS) . . . . . . . . . . . . . . . . . .4.17

IX.2
Crankshaft Position Sensor Gap . . . . . . . . . . . . . . . . . .10.31
Crankshaft Straightening . . . . . . . . . . . . . . . . . . . . . . . . .3.10
Crankshaft, Removal and Inspection . . . . . . . . . . . . . . . .3.35
Current Draw - Key Off Test . . . . . . . . . . . . . . . . . . . .10.32
CV Boot, Inspection . . . . . . . . . . . . . . . . . . . . . . . . . . . .2.31
CV Boot, Replacement . . . . . . . . . . . . . . . . . . . . . . . . . . .7.4
CV Carburetor System Function . . . . . . . . . . . . . . . . . . .4.35
Cylinder Head Removal . . . . . . . . . . . . . . . . . . . . . . . . .3.19
Cylinder Head Torque Procedure . . . . . . . . . . . . . . . . . .3.45
Cylinder Honing . . . . . . . . . . . . . . . . . . . . . . . . . . . . . . . .3.9
Cylinder Installation . . . . . . . . . . . . . . . . . . . . . . . . . . . .3.44
Cylinder Removal . . . . . . . . . . . . . . . . . . . . . . . . . . . . . .3.27
D
Decal Replacement . . . . . . . . . . . . . . . . . . . . . . . . . . . . . .5.2
Diagnostic Codes . . . . . . . . . . . . . . . . . . . . . . . . . . . . . .10.17
Diagnostic Mode, EFI System . . . . . . . . . . . . . . . . . . .10.17
Differential Solenoid . . . . . . . . . . . . . . . . . . . . . . . . . . .10.36
Drive Belt, Installation . . . . . . . . . . . . . . . . . . . . . . . . . .6.13
Drive Belt, Removal/Inspection . . . . . . . . . . . . . . . . . . .6.12
Drive Clutch Springs . . . . . . . . . . . . . . . . . . . . . . . . . . . . .6.8
Drive Clutch Weights . . . . . . . . . . . . . . . . . . . . . . . . . . . .6.9
Drive Clutch, Operation . . . . . . . . . . . . . . . . . . . . . . . . . .6.6
Drive Clutch, Standard Service . . . . . . . . . . . . . . . . . . . .6.28
Drive Shaft Boot Inspection . . . . . . . . . . . . . . . . . . . . . . .7.4
Driven Clutch, Operation . . . . . . . . . . . . . . . . . . . . . . . . .6.6
Driven Clutch, Standard Service . . . . . . . . . . . . . . . . . . .6.34
E
EBS Drive Clutch Service . . . . . . . . . . . . . . . . . . . . . . . .6.15
EBS Driven Clutch Service . . . . . . . . . . . . . . . . . . . . . . .6.22
EBS Exploded View . . . . . . . . . . . . . . . . . . . . . . . . . 6.4, 6.5
EBS, Driven Clutch Operation . . . . . . . . . . . . . . . . . . . . .6.7
EFI Operation Overview . . . . . . . . . . . . . . . . . . . . . . . . .4.10
EFI Priming / Starting Procedure . . . . . . . . . . . . . . . . . .4.11
Electrical Service Notes . . . . . . . . . . . . . . . . . . . . . . . . .10.4
Electrical, Service Notes . . . . . . . . . . . . . . . . . . . . . . . . .10.4
Electrical, Special Tools . . . . . . . . . . . . . . . . . . . . . . . . .10.3
Electronic Control Unit (ECU) . . . . . . . . . . . . . . . . . . . .4.12
Elelctrical, Troubleshooting Diagrams . . . . . . . . . . . . .10.52
Engine Diagnostic Codes . . . . . . . . . . . . . . . . . . . . . . . .4.24
Engine Disassembly . . . . . . . . . . . . . . . . . . . . . . . . . . . .3.14
Engine Exploded Views . . . . . . . . . . . . . . . . . . . . . . . . .3.13
Engine Installation Notes . . . . . . . . . . . . . . . . . . . . . . . . .3.9
Engine Oil, Inspection . . . . . . . . . . . . . . . . . . . . . . . . . . .2.23
Engine Reassembly . . . . . . . . . . . . . . . . . . . . . . . . . . . . .3.40
Engine Removal . . . . . . . . . . . . . . . . . . . . . . . . . . . . . . . .3.8
Engine Service Data . . . . . . . . . . . . . . . . . . . . . . . . . . . . .3.4
Engine Temperature Sensor . . . . . . . . . . . . . . . . . . . . . .4.22
Engine Temperature Sensor Replacement . . . . . . . . . . .4.22
Engine Temperature Sensor Test . . . . . . . . . . . . . . . . . .4.22
Engine, Fastener Torque Patterns . . . . . . . . . . . . . . . . . . .3.3
Engine, Lubrication Requirements . . . . . . . . . . . . . . . . .3.11
Engine, Oil and Filter Change . . . . . . . . . . . . . . . . . . . . .2.23
Engine, Oil Pump Priming . . . . . . . . . . . . . . . . . . . . . . .2.25
Engine, Torque Specifications . . . . . . . . . . . . . . . . . . . . .3.3
Engine, Valve Clearance / Adjustment . . . . . . . . . . . . . .2.25
ETC Operation Test . . . . . . . . . . . . . . . . . . . . . . . . . . . 10.27
ETC Switch Operation . . . . . . . . . . . . . . . . . . . . . . . . . 10.27
F
Fan Control Circuit Operation . . . . . . . . . . . . . . . . . . . 10.25
Fan Control Circuit Operation / Testing . . . . . . . . . . . 10.25
Fan Motor Current Draw . . . . . . . . . . . . . . . . . . . . . . . 10.25
Final Drive Torque Specifications . . . . . . . . . . . . . . . . . . 7.2
Flywheel / Stator Removal . . . . . . . . . . . . . . . . . . . . . . . 3.31
Foot Well Removal / Installation . . . . . . . . . . . . . . . . . . . 5.5
Front Cab Removal / Installation . . . . . . . . . . . . . . . . . . . 5.9
Front Cover Removal / Installation . . . . . . . . . . . . . . . . . 5.4
Front Drive Axle Installation . . . . . . . . . . . . . . . . . . . . . . 7.4
Front Drive Axle Removal . . . . . . . . . . . . . . . . . . . . . . . . 7.2
Front Gearcase - Back Lash Pad Adjustment . . . . . . . . 7.18
Front Gearcase Coil Resistance . . . . . . . . . . . . . . .7.14, 7.23
Front Gearcase Lubrication . . . . . . . . . . . . . . . . . . . . . . 2.12
Front Gearcase, Active Descent Control Exploded View 7.21
Front Gearcase, Diagnoses . . . . . . . . . . . . . . . . . . . . . . . 7.19
Front Gearcase, Disassembly / Inspection . . . . . . . . . . . 7.13
Front Gearcase, Exploded View . . . . . . . . . . . . . . . . . . 7.11
Front Gearcase, Installation . . . . . . . . . . . . . . . . . . . . . . 7.20
Front Gearcase, Operation . . . . . . . . . . . . . . . . . . . . . . . 7.11
Front Gearcase, Reassembly . . . . . . . . . . . . . . . . . . . . . 7.29
Front Gearcase, Reassembly / Inspection . . . . . . . . . . . 7.17
Front Gearcase, Removal . . . . . . . . . . . . . . . . . . . . . . . . 7.12
Front Hub, Assembly . . . . . . . . . . . . . . . . . . . . . . . . . . . . 7.6
Front Hub, Disassembly . . . . . . . . . . . . . . . . . . . . . . . . . . 7.6
Front Storage Installation . . . . . . . . . . . . . . . . . . . . . . . . . 5.8
Front Storage Removal . . . . . . . . . . . . . . . . . . . . . . . . . . 5.6
Fuel Filter . . . . . . . . . . . . . . . . . . . . . . . . . . . . . . . . . . . . 4.16
Fuel Filter, Replacement . . . . . . . . . . . . . . . . . . . .2.17, 4.46
Fuel Gauge Sender, Installation . . . . . . . . . . . . . . . . . . . 4.47
Fuel Gauge Sender, Removal . . . . . . . . . . . . . . . . . . . . . 4.46
Fuel Injection, Component Locations . . . . . . . . . . . . . . . 4.9
Fuel Injection, Exploded View . . . . . . . . . . . . . . . . . . . . 4.8
Fuel Injection, Service Notes . . . . . . . . . . . . . . . . . . . . . . 4.7
Fuel Injection, Special Tools . . . . . . . . . . . . . . . . . . . . . . 4.5
Fuel Injector . . . . . . . . . . . . . . . . . . . . . . . . . . . . . . . . . . 4.16
Fuel Level Test . . . . . . . . . . . . . . . . . . . . . . . . . . . . . . . . 4.43
Fuel Pressure Regulator . . . . . . . . . . . . . . . . . . . . . . . . . 4.15
Fuel Pump / Tank Assembly . . . . . . . . . . . . . . . . . . . . . 4.13
Fuel Pump, Testing . . . . . . . . . . . . . . . . . . . . . . . . . . . . 4.45
Fuel Sender Test . . . . . . . . . . . . . . . . . . . . . . . . . . . . . . 10.42
Fuel System Special Tools . . . . . . . . . . . . . . . . . . . . . . . 4.32
Fuel System, EFI Circuit Diagrams . . . . . . . . . . . . . . . . 4.26
Fuel System, Inspection . . . . . . . . . . . . . . . . . . . . . . . . . 2.16
Fuel Tank Location . . . . . . . . . . . . . . . . . . . . . . . . . . . . 4.10
Fuel Tank/Fuel Delivery System . . . . . . . . . . . . . . . . . . 4.44
G
Gear Position Indicator Switch Test . . . . . . . . . . . . . . 10.26
Gearcase, ADC Hydraulic Fluid Change . . . . . . . . . . . . 2.14
Gearcase, Front Capacity and Fluid Type . . . . . . . . . . . . 7.2
Glossary of Terms . . . . . . . . . . . . . . . . . . . . . . . . . . . . . 1.15

IX.3
IX
H
Handlebar Block Installation Procedure . . . . . . . . . . . . . 5.16
Headlamp Switch Test . . . . . . . . . . . . . . . . . . . . . . . . . 10.39
Headlight Housing Replacement . . . . . . . . . . . . . . . . . 10.37
Headlight Pod Exploded View . . . . . . . . . . . . . . . . . . . . 5.15
High Beam Bulb Replacement . . . . . . . . . . . . . . . . . . . 10.36
High Beam Headlight Adjustment . . . . . . . . . . . . . . . . 10.38
Hydraulic Brake System Operation Overview . . . . . . . . . 9.6
I
Ignition System . . . . . . . . . . . . . . . . . . . . . . . . . . . . . . . 10.28
Ignition System Troubleshooting . . . . . . . . . . . . . . . . . 10.31
Instrument Cluster (Speedometer) Overview . . . . . . . . 10.13
Instrument Cluster Diagnostic Mode . . . . . . . . . . . . . . 10.14
Instrument Cluster Overview . . . . . . . . . . . . . . . . . . . . 10.13
Instrument Cluster, Setting New Service Interval . . . . 10.16
K
Keys, Replacement . . . . . . . . . . . . . . . . . . . . . . . . . . . . . . 1.3
L
Low Beam Headlight Adjustment . . . . . . . . . . . . . . . . 10.39
Low Maintenance Battery Charging . . . . . . . . . . . . . . . 10.61
Low Maintenance Battery Info . . . . . . . . . . . . . . . . . . . 10.61
Lower Headlamp Housing Removal . . . . . . . . . . . . . . 10.39
Lower Headlamp Removal . . . . . . . . . . . . . . . . . . . . . . 10.38
Lubricants/Fluids, Polaris Brand Part Numbers . . . . . . . . 2.9
Lubricants/Fluids, Polaris Brand Symbol Identification Chart
2.10 M
Maintenance Chart . . . . . . . . . . . . . . . . . . . . . . . . . . . . . . 2.4
Maintenance Schedule . . . . . . . . . . . . . . . . . . . . . . . . . . 2.38
Maintenance, General Information . . . . . . . . . . . . . . . . . . 2.3
MAP Sensor . . . . . . . . . . . . . . . . . . . . . . . . . . . . . . . . . . 4.18
Mikuni Jet Part Numbers . . . . . . . . . . . . . . . . . . . . . . . . 4.32
Misc. Tables . . . . . . . . . . . . . . . . . . . . . . . . . . . . . . . . . . 1.12
Model . . . . . . . . . . . . . . . . . . . . . . . . . . . . . . . . . . . . . . . . 1.2
Model Number Information . . . . . . . . . . . . . . . . . . . . . . . 1.2
N
Needle and Seat, Leakage Test . . . . . . . . . . . . . . . . . . . . 4.42
O
Oil Flow Chart . . . . . . . . . . . . . . . . . . . . . . . . . . . . . . . . 3.12
Oil Flow, Overview . . . . . . . . . . . . . . . . . . . . . . . . . . . . 3.11
Oil Pressure Test, Engine . . . . . . . . . . . . . . . . . . . . . . . . 3.11
Oil Pump Priming Procedure . . . . . . . . . . . . . . . . . . . . . 3.11
Oil Pump Shaft Endplay Adjustment . . . . . . . . . . . . . . . 3.39
Oil Pump, Removal and Inspection . . . . . . . . . . . . . . . . 3.33
P
Paint Codes . . . . . . . . . . . . . . . . . . . . . . . . . . . . . . . . . . . . 1.3
Passenger Seat, Operation . . . . . . . . . . . . . . . . . . . . . . . 5.29
PDM, 450 and 500 EFI Overview . . . . . . . . . . . . . . . . . 10.5
PDM, 450 Connector Pin Table . . . . . . . . . . . . . . . . . . 10.11
PDM, X2/EFI Connector Pin Table . . . . . . . . . . . . . . . . 10.7
Pilot System . . . . . . . . . . . . . . . . . . . . . . . . . . . . . . . . . . 4.36
Piston Identification . . . . . . . . . . . . . . . . . . . . . . . . . . . . . 3.6
Piston Removal . . . . . . . . . . . . . . . . . . . . . . . . . . . . . . . .3.28
Piston Ring Installation . . . . . . . . . . . . . . . . . . . . . 3.30, 3.43
Plastic Inserts . . . . . . . . . . . . . . . . . . . . . . . . . . . . . . . . . . .5.3
Power Distribution Module . . . . . . . . . . . . . . . . . . . . . . .10.5
Pre-ride Checklist . . . . . . . . . . . . . . . . . . . . . . . . . . . . . .2.10
Propshaft, Removal . . . . . . . . . . . . . . . . . . . . . . . . . . . . . .7.7
Publication Numbers . . . . . . . . . . . . . . . . . . . . . . . . . . . . .1.3
PVT Assembly . . . . . . . . . . . . . . . . . . . . . . . . . . . . . . . .6.11
PVT Disassembly . . . . . . . . . . . . . . . . . . . . . . . . . . . . . .6.10
PVT Drive Clutch Operation . . . . . . . . . . . . . . . . . . . . . . .6.6
PVT Drive Clutch Shift Weights . . . . . . . . . . . . . . . . . . .6.9
PVT Drive Clutch Specifications . . . . . . . . . . . . . . . . . . .6.8
PVT Driven Clutch Operation . . . . . . . . . . . . . . . . . . . . . .6.6
PVT Drying . . . . . . . . . . . . . . . . . . . . . . . . . . . . . . . . . . .6.10
PVT Ducting . . . . . . . . . . . . . . . . . . . . . . . . . . . . . . . . . . .6.3
PVT Maintenance / Inspection . . . . . . . . . . . . . . . . . . . . .6.7
PVT Operation . . . . . . . . . . . . . . . . . . . . . . . . . . . . . . . . .6.6
PVT Overheating Chart . . . . . . . . . . . . . . . . . . . . . . . . . .6.36
PVT Special Tools . . . . . . . . . . . . . . . . . . . . . . . . . . . . . .6.2
PVT Torque Specs . . . . . . . . . . . . . . . . . . . . . . . . . . . . . .6.2
PVT Troubleshooting Chart . . . . . . . . . . . . . . . . . . . . . .6.37
PVT, Button to Tower Clearance . . . . . . . . . . . . . 6.17, 6.30
PVT, Clutch Alignment . . . . . . . . . . . . . . . . . . . . . . . . . .6.14
PVT, Clutch Offset . . . . . . . . . . . . . . . . . . . . . . . . . . . . .6.14
PVT, Drive Belt Installation . . . . . . . . . . . . . . . . . . . . . .6.13
PVT, Drive Belt Removal/Inspection . . . . . . . . . . . . . . .6.12
PVT, Drive Clutch Disassembly . . . . . . . . . . . . . . 6.15, 6.28
PVT, Drive Clutch Exploded View . . . . . . . . . . . . . . . . . .6.3
PVT, Drive Clutch Reassembly . . . . . . . . . . . . . . 6.20, 6.32
PVT, Drive Clutch Spider Removal . . . . . . . . . . . 6.15, 6.29
PVT, Driven Clutch Bushing Service . . . . . . . . . . . . . . .6.24
PVT, Driven Clutch Disassembly . . . . . . . . . . . . . . . . . .6.22
PVT, Driven Clutch Reassembly . . . . . . . . . . . . . . . . . .6.25
PVT, EBS Clutch Operation . . . . . . . . . . . . . . . . . . . . . . .6.7
PVT, EBS Drive Clutch Bushing Service . . . . . . . 6.18, 6.31
PVT, EBS Drive Clutch Cover Bushing Remove/Install 6.19,
6.32
PVT, Moveable Sheave Inspection . . . . . . . . . . . . 6.18, 6.31
R
Radiator Cap Pressure Test . . . . . . . . . . . . . . . . . . . . . . . .3.7
Radiator Screen Removal . . . . . . . . . . . . . . . . . . . . . . . .5.11
Rear Cab Removal / Installation . . . . . . . . . . . . . . . . . . .5.10
Rear Master Cylinder, Exploded View . . . . . . . . . . . . . .9.26
Rear Rack Removal / Installation . . . . . . . . . . . . . . . . . . .5.8
Rear Storage Removal / Installation . . . . . . . . . . . . . . . .5.11
Rear Suspension Assembly . . . . . . . . . . . . . . . . . . 5.22, 5.23
Recoil Housing, Draining / Inspection . . . . . . . . . . . . . .2.22
Recoil, Reassembly . . . . . . . . . . . . . . . . . . . . . . . . . . . . .3.52
Recoil, Removal . . . . . . . . . . . . . . . . . . . . . . . . . . . . . . .3.51
S
Shift Linkage Inspection . . . . . . . . . . . . . . . . . . . . . . . . .2.14
Side Panel Removal . . . . . . . . . . . . . . . . . . . . . . . . . . . . .5.4
Solenoid, Differential . . . . . . . . . . . . . . . . . . . . . . . . . .10.36
Spark Plug, Inspection / Replacement . . . . . . . . . . . . . . .2.18
Special Tools, Body & Steering . . . . . . . . . . . . . . . . . . . .5.2

IX.4
Special Tools, EFI . . . . . . . . . . . . . . . . . . . . . . . . . . . . . . .4.5
Special Tools, Engine . . . . . . . . . . . . . . . . . . . . . . . . . . . .3.3
Special Tools, Final Drive . . . . . . . . . . . . . . . . . . . . . . . . .7.2
Special Tools, Speed Sensor . . . . . . . . . . . . . . . . . . . . .10.42
Specificaiton, Stator Plate Bolt Torque . . . . . . . . . . . . . .3.49
Specification, Brake Disc Service Limit . . . . . . . . . . . . .9.25
Specification, Brake Disc Thickness . . . . . . . . . . . . . . . .9.25
Specification, Brake Pad Thickness . . . . . . . . . . . . . . . .9.19
Specification, Cam Chain Stretch . . . . . . . . . . . . . . . . . .3.32
Specification, Cam Chain Tensioner Spring . . . . . . . . . .3.15
Specification, Camshaft Lobe Height . . . . . . . . . . . . . . .3.18
Specification, Crankcase Bolt Torque . . . . . . . . . . . . . . .3.41
Specification, Crankshaft Slotted Nut Torque . . . . . . . .3.43
Specification, Cylinder Compression . . . . . . . . . . . . . . .2.17
Specification, Cylinder Head Torque Procedure . . . . . . .3.45
Specification, Cylinder Head Warp . . . . . . . . . . . . . . . . .3.21
Specification, Cylinder Taper . . . . . . . . . . . . . . . . . . . . .3.29
Specification, Cylinder Warp . . . . . . . . . . . . . . . . . . . . .3.28
Specification, Differential Solenoid Resistance 10.36, 10.42
Specification, Differential Solenoid Torque . . . 10.36, 10.42
Specification, Drill and Tap Sizes . . . . . . . . . . . . . . . . . .1.13
Specification, Flywheel Nut Torque . . . . . . . . . . . . . . . .3.49
Specification, Fuel Pump Pressure . . . . . . . . . . . . . . . . .4.13
Specification, Oil and Filter . . . . . . . . . . . . . . . . . . . . . .2.23
Specification, Oil Pip Bolt Torque . . . . . . . . . . . . . . . . .3.50
Specification, Oil Pump Bolt Torque . . . . . . . . . . . . . . .3.34
Specification, Oil Pump Shaft Endplay . . . . . . . . . . . . . .3.39
Specification, One Way Valve Spring Length . . . . . . . .3.32
Specification, Piston to Cylinder Clearance . . . . . . . . . .3.29
Specification, PVT Center-to-Center Distance . . . . . . . .6.13
Specification, PVT Component Torque Table . . . . . . . . .6.2
Specification, PVT Drive Belt Width . . . . . . . . . . . . . . .6.13
Specification, Rocker Arm and Shaft . . . . . . . . . . . . . . .3.15
Specification, Rocker Shaft Bolt Torque . . . . . . . . . . . .3.50
Specification, Spark Plug Gap . . . . . . . . . . . . . . . . . . . .2.18
Specification, Speed Sensor Bolt Torque . . . . . . . . . . .10.42
Specification, Tensioner Blade Bolt Torque . . . . . . . . . .3.43
Specification, Transmission Silent Chain Length . . . . . .8.17
Specification, Valve Clearance . . . . . . . . . . . . . . . 2.26, 3.26
Specification, Valve Guide Height . . . . . . . . . . . . . . . . .3.23
Specification, Valve Stem and Guide . . . . . . . . . . . . . . .3.22
Specifications, Body and Steering Torque Values . . . . . .5.2
Specifications, Brake Component Service Limits . . . . . . .9.2
Specifications, Brake Component Torque Values . . . . . .9.2
Specifications, Engine Fastener Torque . . . . . . . . . . . . . .3.3
Specifications, Engine Service Data . . . . . . . . . . . . . . . . .3.4
Specifications, Final Drive Torque Values . . . . . . . . . . . .7.2
Specifications, Front Gearcase Lubrication Type/Capacity 7.2
Specifications, Piston . . . . . . . . . . . . . . . . . . . . . . . . . . .3.29
Specifications, Power Distribution Module . . . . . . . . .10.10
Specifications, Standard Torque Values . . . . . . . . . . . . .1.12
Specifications, Vehicle . . . . . . . . . . . . . . . . . . 1.6, 1.8, 1.10
Speed Sensor . . . . . . . . . . . . . . . . . . . . . . . . . . . . . . . . .10.42
Speedometer Installation . . . . . . . . . . . . . . . . . . . . . . . .10.18
Speedometer Removal . . . . . . . . . . . . . . . . . . . . . . . . . .10.18
Speedometer Troubleshooting Tests . . . . . . . . . . . . . . 10.19
Starter Armature Testing . . . . . . . . . . . . . . . . . . . . . . . 10.47
Starter Assembly Exploded View . . . . . . . . . . . . . . . . 10.48
Starter Brush Inspection / Replacement . . . . . . . . . . . . 10.46
Starter Drive . . . . . . . . . . . . . . . . . . . . . . . . . . . . . . . . . 10.49
Starter Drive Removal . . . . . . . . . . . . . . . . . . . . . . . . . . 3.31
Starter Lockout, Troubleshooting . . . . . . . . . . . . . . . . 10.44
Starter Motor Dissassembly / Replacement . . . . . . . . . 10.46
Starter Reassembly / Installation . . . . . . . . . . . . . . . . . 10.48
Starter System Flow Chart . . . . . . . . . . . . . . . . . . . . . . 10.50
Steering A-Arm Exploded View . . . . . . . . . . . . . . . . . . 5.17
Steering Lock, Exploded View . . . . . . . . . . . . . . . . . . . 11.4
Steering Post Assembly . . . . . . . . . . . . . . . . . . . . . . . . . 5.20
Steering Post Removal . . . . . . . . . . . . . . . . . . . . . . . . . . 5.20
Steering Torque Values . . . . . . . . . . . . . . . . . . . . . . . . . . 5.2
Steering, Inspection . . . . . . . . . . . . . . . . . . . . . . . . . . . . 2.26
Storage Compartment, Latch Operation . . . . . . . . . . . . 2.33
Strut Assembly . . . . . . . . . . . . . . . . . . . . . . . . . . . . . . . . 5.21
Strut Cartridge Replacement, Front . . . . . . . . . . . . . . . . 5.20
Suspension, Inspection . . . . . . . . . . . . . . . . . . . . . . . . . . 2.31
T
Thermostat Installation . . . . . . . . . . . . . . . . . . . . . . . . . 3.50
Throttle Cable . . . . . . . . . . . . . . . . . . . . . . . . . . . . . . . . 2.15
Throttle Position Sensor . . . . . . . . . . . . . . . . . . . . . . . . . 4.20
Throttle Position Sensor Initialization . . . . . . . . . . . . . . 4.21
Throttle Position Sensor Replacement . . . . . . . . . . . . . . 4.21
Throttle, Linkage Inspection . . . . . . . . . . . . . . . . . . . . . 2.15
Tie Rod, Inspection . . . . . . . . . . . . . . . . . . . . . . . . . . . . 2.27
Trail Boss Emissions System . . . . . . . . . . . . . . . . . . . . . 11.5
Transmission . . . . . . . . . . . . . . . . . . . . . . . . . . . . . . . . . . 8.1
Transmission I.D. Information . . . . . . . . . . . . . . . . . . . . . 1.2
Transmission Mounts, Exploded View . . . . . . . . . . . . . . 8.2
Transmission, Disassembly . . . . . . . . . . . . . . . . . . . . . . . 8.9
Transmission, Exploded View . . . . . . . . . . . . . . . . . . . . . 8.7
Transmission, Fluid Check / Change . . . . . . . . . . . . . . . 2.13
Transmission, Install . . . . . . . . . . . . . . . . . . . . . . . . . . . . 8.5
Transmission, Output Shaft Backlash Procedure . . . . . . 8.15
Transmission, Reassembly . . . . . . . . . . . . . . . . . . . . . . . 8.14
Transmission, Removal . . . . . . . . . . . . . . . . . . . . . . . . . . 8.3
Transmission, Special Tools . . . . . . . . . . . . . . . . . . . . . . 8.3
Troubleshooting Diagrams, Elelctrical . . . . . . . . . . . . 10.52
Troubleshooting, EFI Circuit Diagrams . . . . . . . . . . . . . 4.26
Troubleshooting, Engine . . . . . . . . . . . . . . . . . . . . . . . . 3.53
U
U-joint, Disassembly and Assembly . . . . . . . . . . . . . . . . 7.7
V
Valve Clearance Adjustment . . . . . . . . . . . . . . . . .2.26, 3.26
Valve Seat Reconditioning . . . . . . . . . . . . . . . . . . . . . . . 3.23
Vehicle Identification Number (VIN) . . . . . . . . . . . . . . . 1.2
Voltage Drop Test . . . . . . . . . . . . . . . . . . . . . . . . . . . . 10.44
W
Warn Winch Operation . . . . . . . . . . . . . . . . . . . . . . . . . 2.34
Water Pump Seal, Installation . . . . . . . . . . . . . . . . . . . . 3.41
Wheel Alignment . . . . . . . . . . . . . . . . . . . . . . . . . . . . . . 2.27

IX.5
IX
Wheels, Removal . . . . . . . . . . . . . . . . . . . . . . . . . . . . . . 2.32
Wheels, Tire Pressure . . . . . . . . . . . . . . . . . . . . . . . . . . . 2.32
Wheels, Torque Table . . . . . . . . . . . . . . . . . . . . . . . . . . . 2.32
Wire Diagram, Winch Basic . . . . . . . . . . . . . . . . . . . . . 10.51
Wire Diagrams, Electrical . . . . . . . . . . . . . . . . . . . . . . 10.52
Work Light Switch . . . . . . . . . . . . . . . . . . . . . . . . . . . . 10.40
X
X2, Seat Disassembly . . . . . . . . . . . . . . . . . . . . . . . . . . . 5.30

IX.6

WD-1
WIRE DIAGRAM
2007 SPORTSMAN ACTIVE DESCENT CONTROL (ADC) WIRE DIAGRAM

WD-2
WIRE DIAGRAM
INTENTIONAL BLANK PAGE

WD-3
WIRE DIAGRAM
2007 SPORTSMAN 450 WIRE DIAGRAM

WD-4
WIRE DIAGRAM

WD-5
WIRE DIAGRAM
2007 SPORTSMAN 500 EFI ‘STANDARD’ WIRE DIAGRAM

WD-6
WIRE DIAGRAM

WD-7
WIRE DIAGRAM
2007 SPORTSMAN 500 EFI ‘DELUXE’ WIRE DIAGRAM

WD-8
WIRE DIAGRAM

WD-9
WIRE DIAGRAM
2007 SPORTSMAN 500 EFI INTERNATIONAL WIRE DIAGRAM

WD-10
WIRE DIAGRAM

WD-11
WIRE DIAGRAM
2007 SPORTSMAN 500 EFI X2 WIRE DIAGRAM

WD-12
WIRE DIAGRAM

WD-13
WIRE DIAGRAM
2007 SPORTSMAN 500 EFI X2 QUADRICYCLE WIRE DIAGRAM

WD-14
WIRE DIAGRAM