Polaroid Pv 360 Users Manual User Guide
PV 360 to the manual 6034a738-505e-439d-94e0-d03b06a3fd75
2015-01-24
: Polaroid Polaroid-Pv-360-Users-Manual-223129 polaroid-pv-360-users-manual-223129 polaroid pdf
Open the PDF directly: View PDF
.
Page Count: 35
- Contents
- Before Use
- Checking the package Contents
- Names and functions of each part
- Installation
- Basic operations
- Adjustments and functions
- Connection to the video signal terminals
- Connection to the RGB signal terminal
- Connecting the USB
- Connection to the control signal terminal
- Example of system setup
- Cleaning the Air filter
- Message table
- When you think something wrong
- Specifications
- About the warranty and after-service

1
Outline
This liquid crystal projector is used to project
various computer signals as well as
N T S C / PAL/SECAM video signals onto a
screen. Little space is required for installation
and large images can easily be realized.
Features
(1) Outstanding brightness
The UHB lamp and high-efficiency optical
system assure a high level of brightness.
(2) Partial magnification function
Interesting parts of images can be magnified for
closer viewing.
(3) Distortion correction function
Distortion-free images are quickly available.
(4) Power zoom and power focus.
( 5 ) P in P function
(6) USB jack
Before Use ................................................3
Checking the package Contents................8
Names and functions of each part ............8
Installation ..............................................12
Basic operations ......................................13
Adjustments and functions ......................17
Connection to the video signal
terminals ................................22
Connection to the RGB signal
terminal ..................................22
Connecting to the USB ............................25
Connection to the CONTROL signal
terminal ..................................26
Example of system setup ........................31
Cleaning the air filter................................31
Lamp ..............................................32
Message table..........................................32
When you think something wrong............33
Specifications ..........................................34
About the warranty and
after-service ..........................35
Contents Page
Liquid Crystal Projector
Model 360
USER’S GUIDE
Thank you for purchasing the Polaroid liquid crystal projector. Please read this user’s manual
thoroughly to ensure correct usage through understanding. After reading, store this instruction
manual in a safe place for future reference.

FOR THE CUSTOMERS IN U.K
THIS PRODUCT IS SUPPLIED WITH A TWO PIN MAINS PLUG FOR USE IN MAINLAND EUROPE.
FOR THE U.K PLEASE REFER TO THE NOTES ON THIS PAGE.
IMPORTANT FOR UNITED KINGDOM
WORDING FOR CLASS I EQUIPMENT INSTRUCTION BOOKS AND LABELS
The mains lead on this equipment is supplied with a moulded plug incorporating a fuse, the value of which is
indicated on the pin face of the plug. Shoud the fuse need to be replaced, an ASTA or BSI approved BS 1362
fuse must be used of the same rating. If the fuse cover is detachable never use the plug with the cover omitted.
If a replacement fuse cover is required, ensure it is of the same colour as that visible on the pin face of the plug.
Fuse covers are available from your dealer.
DO NOT cut off the mains plug from this equipment. If the plug fitted is not suitable for the power points in
your home or the cable is too short to reach a power point, then obtain an appropriate safety approved extension
lead or consult your dealer.
Shoud it be necessary to change the mains plugs, this must be carried out by a competent person, preferable a
qualified electrician.
If there is no alternative to cutting off the mains plug, ensure that you dispose of it immediately, having first
removed the fuse, to avoid a possible shock hazard by inadvertent connection to the mains supply.
WARNING: THIS EQUIPMENT MUST BE EARTHED
IMPORTANT:
The wires in the mains lead are coloured in accordance with the following code:
Green and Yellow = Earth, Blue = Neutral, Brown = Live.
Green & Yellow to Earth
Blue to Neutral
Brown to Live
Fuse
Cord Clamp
As these colours may not correspond with the coloured makings identifying the terminals in your plug, proceed
as follows:
The wire which is coloured Green and Yellow must be connected to the terminal in the plug which is marked
with the letter E or by the earth symbol or coloured Green or Green and Yellow.
The wire coloured Blue must be connected to the terminal marked with the letter N or coloured BLUE or
BLACK. The wire coloured BROWN must be connected to the terminal marked with the letter L or coloured
BROWN or RED.
• VGA and XGA are trademarks of IBM (International Business Machines Corporation).
• Macintosh is a registered trademark of Apple Computer Corporation of the U.S.
• VESA and SVGA are trademarks or registered trademarks of Video Electronics Standards association.
• Windows95 and Windows98 are registered trademarks of Microsoft Corporation in the U.S. and other countries.
Carefuly observe the trademarks and registered trademarks of all companies, even when not mentioned.
About Trademarks

WARNING: This equipment has been tested and found to comply with the limits for a Class A digital
device, pursuant to Part 15 of the FCC Rules. These limits are designed to provide reasonable protection
against harmful interference when the equipment is operated in a commercial environment. This equipment
generates, uses, and can radiate radio frequency energy and, if not installed and used in accordance with the
instruction manual, may cause harmful interference to radio communications, Operation of this equipment in
a residential area is likely to cause harmful interference in which case the user will be required to correct the
interference at his own expense.
3
<Before Using>
About the Symbols Various symbols are used in this instruction manual and on the product itself to
ensure correct usage, to prevent danger to the user and others, and to prevent
property damage. The meanings of these symbols are described below. It is
important that you read these descriptions thoroughly and fully understand the
contents.
Warning This symbol indicates information that, if ignored, could possibly
result in personal injury or even death due to incorrect handling.
Caution This symbol indicates information that, if ignored, could result
possibly in personal injury or physical damage due to incorrect
handling.
Typical Symbols
This symbol indicates an additional warning (including cautions). An
illustration is provided to clarify the contents (the illustration to the left
indicates danger of electrical shock).
This symbol indicates a prohibited action. The contents will be clearly
indicated in an illustration or nearby (the symbol to the left indicates that
disassembly is prohibited).
This symbol indicates a compulsory action. The contents will be clearly
indicated in an illustration or nearby (the symbol to the left indicates that
the power plug should be disconnected from the power outlet).
Before Use
Instructions to Users:
This equipment complies with the requirements of FCC (Federal Communication Commission) Class A
equipments provided that following conditions are met.
(1) Video signal cables:
Double shielded coaxial cables (so called FCC shield cable) must be used and the outer shield must be
connected to the ground. Or, if normal coaxial cables are used, the cables must be enclosed in metal pipes
or similar way to reduce the interference noise radiation.
(2) Power cord:
Shielded power cord must be used. The outer shield must be connected to the ground.
(3) Video inputs:
The input signal amplitude must no exceed the specified level.

4
■If a problem should occur.
•If smoke or a strange odor arise, continued
use could result in fire or electrical shock. In
such case, immediately turn off the power
switch and then disconnect the power plug
from the power outlet. After making sure that
the smoke or odor has stopped, contact your
dealer for repairs. Never attempt to make
repairs yourself because this is dangerous.
•Do not use this projector if
there is no image or
sound, or if the sound is
distorted. Continued use
could result in fire or
electrical shock.
In such case, immediately turn off the power
switch, disconnect the power plug from the
power outlet and contact your dealer.
•If water should enter the inside of this
p r o j e c t o r, immediately turn off the power
switch, disconnect the power plug from the
power outlet and contact your dealer.
■Do not install on an unstable surface.
•Do not install this projector on an
unstable surface such as a wobbly
stand or incline because this could
result in the projector falling and
causing injury.
■Do not open the cabinet.
•Never open the cabinet.
There is high voltage
inside which can cause
electrical shock.
Contact your dealer for
internal inspection, adjustment and
repair.
■Do not modify.
Do not modify this projector because
this could result in fire or electrical shock.
■Do not use in the bathroom.
Do not use this projector in the
bathroom because this could result in
fire or electrical shock.
■Do not insert foreign objects.
•Do not insert metal objects through
the ventilation openings, etc., of
this projector or drop such objects
inside because this could result in
fire or electrical shock.
•If a foreign object should enter this
p ro j e c t o r, immediately turn off the pow e r
sw i t c h, disconnect the
p o wer plug from the
p ower outlet and contact
your dealer.
Continued use could result in
fire or electrical shock. Use
special caution in households
where children are present.
■Do not look through the lens
when the lamp is on.
Never look through the lens when the
lamp is on. The powerful light could adversely
affect vision. Use special caution in households
where children are present.
■Avoid shock or impact on the pro j e c t o r.
If the projector should fall,
resulting in damage to the
cabinet, immediately turn off
the power switch, disconnect
the power plug from the power
outlet and contact your dealer.
Continued use could result in
fire or electrical shock.
■Do not place this projector in
a container containing liquid.
Do not place flower vases, flow e r
pots, cups, cosmetics, liquids
s u c h as water, etc., on top of this pro j e c t o r.
Spillage could result in fire or electrical shock.
■Use only the indicated power
supply.
Use only the indicated pow e r
s u p p ly. The use of any other power supply
could result in fire or electrical shock.
Disconnect the
plug from the
power outlet.
Disconnect the
plug from the
power outlet.
Disconnect the
plug from the
power outlet.
Electric shock
hazard.
Do not
disassemble.
Do not
disassemble.
Do not use near
water.
[Safety Precaution]
Warning

■Handle the power cord with care.
•Do not damage, cut, process or
s t ro n g ly twist the power cord. P l a c i n g
heavy objects on the power cord, heating or
strongly pulling the power cord can result in
damage as well as fire or electrical shock.
• Pulling on the power cord
•Placing heavy objects on the power cord
• Damaging the cord
• Placing near heaters
•Do not position the pow e r
c o rd under the pro j e c t o r. This can
damage the power cord and cause fire or
electrical shock. Also, do not place a spread,
c o v e r, etc., over the power cord because this
could result in the inadvertent placing of
heavy objects on the concealed power cord.
•If the power cord is damaged
(exposed or broken core wires,
etc.), contact your dealer for
replacement; otherwise, fire or
electrical shock could result.
•Make sure there is no dust, etc., on the power
plug and insert a knife blade to make sure that
there is no looseness.
■Do not allow the laser beam to enter the
eye s .
•This remote control is equipped with a
laser pointer and a laser beam is emitted
from the laser outlet. Do not look directly
into the laser beam outlet or direct the
laser beam at other people.
Vision can be impaired if the laser beam
enters the eyes. Especially pay attention if
children are present.
5
Laser beam outlet
Warning
■High temperatures are generated when
the lamp is lit, so do not place objects in
f ront of the lens.

6
■Do not sit or place heavy objects on
this projector.
•Do not sit on this projector.
This could result in overturning,
leading to damage or personal injury.
Use special caution in households
where children are present.
•Do not place heavy objects on this
projector.
Placing heavy objects on this projector
could result in loss of balance or falling
and cause personal injury.
■Do not bl o c k the ventilation openings.
Do not block the ventilation openings of
this projector. Blocking ventilation could lead
to internal overheating which could result in
fire. Do not place this projector on its
side during use or push it into a small,
poorly ventilated location. Do not
place this projector on a carpet or
bedding or cover it with a table cloth,
etc. Also, when installing this projector, make
sure the ventilation openings are at least 30cm
from the wall.
■Care and maintenance.
For safety purposes, disconnect the power
plug from the power outlet
before starting the care and
maintenance of this projector.
■Battery usage.
•Use only the specified batteries with
this pro j e c t o r. Do not mix old
and new batteries because this
could result in fire or personal
injury due to battery cracking or
leakage.
•Make sure the plus and minu s
terminals are correctly aligned
when loading the batteries.
Incorrect loading could result in
personal injury or contamination of
the surroundings due to battery cracking or
leakage.
■Clean the projector interior once
every two years.
Request your dealer to clean the interior
of the projector approximately every two
ye a rs . Accumulations of dust inside the
projector can result in fire or
malfunction if not cleaned for an
extended period. This cleaning is
more effective if performed befor
every humid periods such as rainy
season, etc. Ask your dealer for details about
internal cleaning.
■Avoid installation in humid or dusty
locations.
•Do not install this projector in a humid
or dusty location. This could
result in fire or electrical shock.
•Avoid installation near the
kitchen, a humidifier or other locations
where there is oily smoke or humidity.
This could result in fire or electrical shock.
■Use the caster brakes.
When installing this projector on a stand
with casters, use the caster
brakes to prevent the stand
m o ving or ov e r turning and
causing personal injury.
■Do not handle the power cord ro u g h l y.
•Keep the power cord aw ay fro m
h e a t e rs because the heat could melt the
power cord and cause fire or electrical shock.
•Do not touch the power plug
with wet hands because this
could result in electrical shock.
•When disconnecting the
p ower plug, do not pull on the pow e r
cord. This could damage the power cord and
cause fire or electrical shock. Always grip the
plug when disconnecting.
Disconnect the
plug from the
power outlet.
Caution

7
■Avoid excessively hot locations.
Do not place this projector in direct
sunlight or near a hot object such as a
stove, etc., because the heat could
have adverse influence on the cabinet
and other parts.
■Sound volume.
Set the volume at a suitable level to avoid
bothering other people. It is also better to keep
the volume level low and close the windows at
night to protect the neighborhood environment.
■Lens care
Use commercially available lens
tissue to clean the lens (used to clean
cameras, eyeglasses, etc.). Be careful
not to scratch the lens with hard
objects.
■Cabinet care.
•The cabinet is made of plastic and discoloration
or paint peeling can occur if wiped with a solvent
such as benzine, thinner, etc.
•Before using chemical wipes, be sure to read
and observe the instructions.
•Do not spray volatile substances such as
insect repellent on the cabinet. Also, do not
allow long-term close contact with rubber or
vinyl products because this could result in
discoloration, peeling paint, etc.
•Use a soft cloth to clean the cabinet and
operation panel. When excessively soiled,
dilute a neutral detergent in water, wet and
wring out the cloth and afterward wipe with a
dry cloth. Do not apply undiluted deterg e n t
directly to the projector.
■Extended usage.
When using this projector for an extended
period, stop periodically to rest the eyes to
prevent eye fatigue.
Caution
■When the projector is not to be used
for an extended period.
For safety purposes when the
projector is not to be used for an
extended period because of travel,
etc., always disconnect the power
plug from the power outlet. Also
close the lens cover to prevent the lens
surface being scratched.
■Moving the projector.
•When moving the projector, be sure
to replace lens cap, disconnect the
power plug from the power outlet
and disconnect all external
connections. Failure to do this
could damage the power cord
and cause fire or electrical shock.
Avoid any impact or shock to the projector
because this could result in malfunction.
•When moving this projector outdoors, protect
it from wetting due to rain, etc. If the
projector should become wet, dry it
thoroughly before further use.
Continued use while wet could
result in fire or electrical shock.
Disconnect the
plug from the
power outlet.
Disconnect the
plug from the
power outlet.
[General Cautions]

8
Checking the package Contents
Make sure all of the following items are included in the package. If anything is missing, please contact your
dealer.
• Use the remote control in front of the remote control photoreceptor at a distance
of about 5 m or less and an angle of 30 degrees to the left or right of the center.
Main unit
STANDBY / ON button
Press this button to turn the power on
and off. When turned off, the projector
enters standby status. Refer to page 13
- 14 for details.
MUTE button
This button turns the sound on and
off. Press once to turn the sound off;
then press again to turn the sound
back on.
ZOOM button
Used to adjust the size of the
image. (Refer to page 13.)
POWER indicator
This indicator lights or blinks during standby
and during operation. Refer to page 33 for
details.
TEMP indicator
Blinks when the fan malfunctions. Refer to
page 33 for details.
Remote control I/R receiver
Lens
Lens cap
Speaker
Cooling fan
(intake side)
Cooling fan
(exhaust side)
Carring handle
Projector unit
3 - C o n d u c t o r
video/Audio cable RGB cable
(15-15 pin M/M) Mac adapter
with dip switch Mouse cable × 3
Power Cord
110V-US
220-UK, Europe
Remote control Remote control
Batteries
User’s Guide (this document)
Speaker
RESET button
Used to reset the initial settings.
Refer to page 10.17.25.26 for details.
LAMP indicator
Lights or flashes when the temperature
inside the projector increases or the lamp
does not light. Refer to page 33 for details.
INPUT button
Press this button to switch the input. The input
changes in the following sequence each time
this button is pressed.
MENU button
Displays the image menu. Refer to page 17 -
21 for details.
FOCUS button
Used to adjust the focus of the image on the
screen. (Refer to page 13.)
RGB1 RGB2 VIDEO
Names and functions of each part

9
Names and functions of each part (continued)
Main power switch
Used to turn the power on and off.
: OFF
: ON
VIDEO IN jack
S-VIDEO IN jack
Mini DIN 4-pin connector
VIDEO IN jack
RCA jack
AUDIO L/R IN jack
RCA jack
AC IN jack
Used to connect the
accessory power cord.
RGB IN jack
D-sub 15-pin shrink (1/2)
CONTROL jack
D-sub 15-pin shrink
AUDIO OUT jack (RGB/VIDEO)
Stereo mini jack
AUDIO IN jack (RGB)
Stereo mini jack
Connecting to the AC IN jack
Make sure the accesory power cord is plugged into
the AC IN jack as far as it will go. Incomplete
connection can result in fire or electrical shock.
Remote control I/R receiver
RGB OUT jack
D-sub 15-pin shrink
USB jack
The mouse cursor can be controlled by
remote control by connecting to a
personal computer.

10
Names and functions of each part (continued)
Remote control transmitter
FOCUS button
Used to adjust the focus of the image on the
screen. (Refer to page 13.) ZOOM button
Used to adjust the size of the image. (Refer to
page 13.)
FREEZE button
Used to turn the freeze (still) image display on and off.
(Refer to page 15.)
AUTO button
Used to execute auto-adjust.*3
*
These functions do not operate when initial screen message “NO INPUT IS DETECTED” or “SYNC IS OUT OF RANGE” is displayed.
MAGNIFY button
Used to magnify the displayed image.
(Refer to page 16.)
BLANK button
Used to turn blanking on and off.
(Refer to page 20.)
*2 P in P function
With the P in P function, signals are input to both RGB and
VIDEO. This function operates only when the RGB signal has
been selected. There is no display in the case of the no signal and
when the RGB signal is outside the sync range.
When P in P is used, audio is automatically switched to video.
In P in P, audio input can be switched by pressing the VOL and
VOL keys of the remote control, displaying the audio bar and
moving DISK PAD left and right during the display.
VIDEO, RGB button
Press to switch the input. (Refer to page 13, 19.)
STANDBY / ON button
Used to turn the power on and off.
Press for 1 sec. or more to turn the power off
(enter standby status).
(Refer to pages13 and 14.)
POSITION button
Press Position, then use the mouse Disk Pad to adjust
the image position (RGB mode only).
(Refer to page 16.)
DISK PAD / MOUSE button
(1) Used to select menu items when the menu
screen is displayed (refer to page 16 - 18).
(2) When the menu is not displayed, the mouse
shift function and left click function are active.
(3) After the POSITION button has been
pressed, the screen can be moved upward,
downward and to the left and right.
MENU button
Used to turn the menu screen display on and off.
(Refer to page 17 - 21.)
MUTE button
Applies Mute. (Press the Play button again to
cancel.)
VOLUME button
Adjusts the volume of the sound. Press [ ] to
increase the volume and ( ) to decrease the volume.
When there is no video signal input, operation is not
possible when the input video signal is outside the
sync range.
LASER button
Turns the laser beam on and off. Refer to page
11 conceming usage and observe the cautions.
RESET / MOUSE RIGHT button
(1)Operates as the RESET button when the menu
is displayed. Press this button to return to the
initial settings.
(2)Used to click the right mouse button when the
menu is not displayed (refer to page 25,26).
(3)Pressing this button after scrolling the screen
with POSITION returns the screen to the original
position.
TIMER button
Turns the display of the time set with the Timer
on the Menu screen on and off.
The timer is not displayed when no input signal
is detected or when SYNC is out of range or
during blanking or during freezing.
Refer to page 21 concerning the method used to
set the timer.
*1 POSITION icon
When the POSITION button is pressed, the moving display icon
will appear at the bottom right of the screen.
While displaying the icon, you can operate POSITION.
*3 Auto adjustment function
The projector automatically adjusts 4 items (V. POSIT, H. POSIT,
H. PHASE, H. SIZE).
When you choose AUTO (move the cursor to the right from the
manual operation position), the AUTO confirmation menu shown
below is indicated.
*4 Disk Pad method of operation
• Move and select by tilting Disk Pad in the required direction.
•Press Disk Pad in to realize the function of the mouse left
button.
•A mouse cable is necessary if a mouse is to be used.
(Refer to pages 26, 27.)
P in P button *2
Used to turn P in P (Picture In Picture: displays sub video
signal images in the RGB signal) on and off.
Each time this button is pressed, operation will change in
the following sequence:
(1) Reduce sub screen (2) Magnify sub screen (3)Off.
(1) ∼( 3 )
(Refer to page 20.)
*1 *1
*
*
*
*
*
*
*
*
*
*4

11
Names and functions of each part (continued)
Loading the batteries Loading AA batteries into the remote control.
The laser pointer of the remote control is used as a pointer.
N ever look directly into the laser beam outlet or point the laser beam at
other people.
The laser beam can cause vision problems.
Warning
1R e m ove the battery
cover.
Push the knob while
lifting up the battery
cover.
2Loading the batteries.
Make sure the plus and
minus poles are correctly
o r i e n t e d .
3Close the battery cover.
Battery usage cautions
•Use only the specified batteries with this projector. Also, do
not mix new and old batteries. This could cause in battery
cracking or leakage, which could result in fire or personal
injury.
•When loading the batteries, make sure the plus and minus
poles are correctly oriented as indicated in the projector.
Incorrect orientation could cause battery cracking or leakage,
which could result in personal injury or pollution of the
surrounding environment.
Remote control usage cautions
•Do not drop the remote control or apply impact.
•Do not wet the remote control or place it on any wet object.
Such actions could result in malfunction.
•When not to be used for an extended period, remove the
batteries from the remote control.
•Replace the batteries when remote control operation
becomes difficult.
•Do not place the remote control close to the cooling fan of
the projector.
•Do not disassemble the remote control in case of
malfunction. please bring it to the service station.
• Auto adjust can take up to 30 seconds.
• Auto adjust may not operate correctly in some cases, depending on the computer connected and the signal.
• Be sure to expand images to full screen size when displaying low resolution images.
• After auto adjust, the image may be slightly dark in some cases due to automatic adjustment of the signal level.
• Auto adjust can not execute when the initial display is “NO INPUT IS DETECTED” or “SYNC IS OUT OF RANGE”
during FREEZE or MAGNIFY.
• Auto Adjust is executed when the following operations are performed.
1. When the type of input source signal is changed.
2. When the Auto Adjust (AUTO) button is pressed.
• The message AUTO IN PROGRESS will be displayed on the screen during automatic adjustment.
• The screen may be disrupted during automatic adjustment but this is not a malfunction.
• RGB1 or RGB2 only can be used as the input signal.
• Auto Adjust can also be executed using the operation buttons of the main unit. Hold down the RESET button and press
the input switch (INPUT) button.

12
Installation
Typical LCD Projector and Screen Installation
Using the adjusters
a. Distance from the LCD projector to the screen
b.Distance from the lens center to the bottom of
the screen (a,b : +/-10%).
The projection distances shown in the diagram to
the left are for full size (1,024 x 768 dots).
The LCD projector should normally be used
level (the legs can point upward).
Positioning the projector sideways, or with the
lens pointing upward or downward can cause the
internal temperature to rise, which could result in
a malfunction.
Use the diagram below as reference to determine the screen size and projection distnace.
•Do not release the locks unless the projector is being held; otherwise, the projector could
overturn or the fingers could get caught and cause personal injury.
• Do not force the adjusters to rotate. This could damage the adjusters or cause the lock to fail.
• Lock the adjusters firmly. If the lock is difficult to operate, change the angle slightly and try again.
Use the adjusters on the bottom to adjust the projection angle.
1. Lift up the projector and release the adjuster lock.
2. After adjusting the projection angle, firmly lock the adjusters.
3. Rotate the adjusters for fine adjustment.
Screen Top view Side view
Lens center
Front view
Adjuster
Side view
Variable within the range of approximately 0°- 9°
Screen size (inches) Minimum
a
Maximum b (inches)
40 55 73 1
60 85 114 2
80 114 151 2
100 144 191 3
120 176 231 3
150 220 282 4
200 291 386 6
a (inches)

13
Basic operations
To project 2
4
5
7
2
3
54
7
1
1Turn on the main power switch of the projector [ I: ON].
• The Power indicator lights orange.
2Press the STANDBY / ON button.
• The Power indicator will blink green and then light green.
• The green blinking indicates warmup.
3Remove the lens cap.
4Use the ZOOM button to adjust the screen size.
5Use the FOCUS button to adjust the focus.
(1) The display shown to the right will appear when the FOCUS button is pressed.
(2) Use the FOCUS button to adjust the focus until the image is sharp.
(3) The message “Focus” will disappear if any other button is pressed.
• (
When there is no input signal, the Focus characters are not displayed when the input signal is outside the sync range.)
6Turn on the power to the connected equipment.
Refer to page 31 concerning the connection of other equipment.
7Press either the INPUT button of the
p r ojector or the VIDEO/RGB button of the
remote control to select the signal to be
projected on the screen.
The selected signal input channel will be displayed in the lower right part of the screen.
Example on-screen display

14
Turning off the power
Plug & Play
Basic operations (continued)
1Press the STANDBY/ON button for approximately 1 sec.
• The Power indicator will blink orange, then the lamp will turn off. Approximately 1 sec. after that, the
indicator will light orange.
• After the power is turned off, the lamp will be cooled for approximately 1 min. and the power cannot
be turned off even by pressing the STANDBY/ON button.
• The standby status will not be entered if the time which the STANDBY/ON button is pressed is too
short.
2Turn off the main power switch of the projector [ : OFF].
3Attach the lens cap.
The fan will continue running for approximately 1 min. after the STANDBY/ON button is pressed.
Do not turn off the main power switch while the lamp is on because this will shorten the service life of
the lamp.
• Use the RGB cable included with this projector when using plug & play. With other cables,
pins (12) - (15) are sometimes not connected (effective only for RGB1).
• This device is recognized as a plug-and-play monitor. Use the standard Windows95/98 display
drivers.
• This function may not operate, depending on the personal computer used.
• When the DDC function does not operate on a personal computer running Wi n d o w s 9 5 / 9 8 ,
select the display type from Screen Priority. It is recommended that Super VGA 1024 x 768
(60-75Hz) be selected as the display type.
The DDC function will not operate when connected to a Macintosh.
This projector is VESA DDC 1/2B compatible. Plug & play is possible by connecting to a computer that is
VESA DDC (Display Data Channel) compatible.
(Plug & play is a system configured with peripheral equipment including a computer and display, and an
operating system.
1
1
3
2

15
Freeze function
Basic operations (continued)
1Press the FREEZE button.
• The image being displayed will freeze.
• The [ ] mark appears in the lower right corner of the screen when the Freeze function is on.
1Press the FREEZE button.
• The FREEZE function will be cancelled.
• The [ ] mark will be displayed for approximately 3 sec. when the FREEZE function is cancelled.
1
This function is used to freeze the image being displayed.
(refer to page 10)
Cancelling the FREEZE function
•When there is no input signal, the Freeze function is not effective when the input signal is
outside the sync range.
• Pressing the FREEZE button alternately turns the freeze function on and off.
• The FREEZE function will be cancelled when the input select button is pressed or the display
mode of the PC being used for display is changed.
•When a still image signal is input when the FREEZE function is on, make sure not to forget to
cancel the FREEZE function.
•FREEZE function will be cancelled after the operations such as “FOCUS +, –”, “TIMER”,
“P in P”, “AUTO”, “BLANK”, “VOLUME ”,
“
MENU”,
“
MUTE” and “POSITION”.

16
1Press the MAGNIFY +button.
• The center part of the image will be displayed magnified approximately 2x.
2Press the MAGNIFY +bu t t o n .
• When this button is pressed, the image will be displayed even larger.
3Press the MAGNIFY –button.
• When this button is pressed, the image will be displayed even smaller.
4Press the POSITION button.
5Press the DISK PAD up, down, left and right buttons.
• The magnified area will move in accordance with the button pressed.
6Press the MAGNIFY OFF button.
Magnify function
Changing the magnification ratio
Moving the display area
Returning to normal display
1,2
3
5
4
6
Part of an image can be displayed magnified.
(refer to page 10)
Basic operations (continued)
•When there is no video signal input, Magnify is not effective when the video signal input is
outside the sync range.
•The magnify function will be cancelled when the input select button is pressed or the display
mode of the PC being used for display is changed.
•
The Magnify function will be cancelled after the operations such as “AUTO”, “KEYSTONE”.

17
Returning to the initial settings
Adjustments and functions
1Press the MENU ( ) buttons of the projector or the
MENU button of the remote control.
• The Menu screen will appear. (refer to page 18 - 21 for details.)
2Press the MENU ( ) buttons of the projector or the DISK
PAD button of the remote control to select the menu item to be
a d j u s t e d . • The selected menu item will be displayed in orange.
3Adjust the selected menu item with the MENU ( )
buttons of the projector or the DISK PAD button of the
remote control.
• The selected menu item will be displayed in orange.
• Select the adjustment item to be returned to the initial settings.
• Press the RESET button.
1, 3
1, 2, 3
1
2, 3
3

18
Adjustments and functions (continu e d )
RGB signal input Video signal input
•The menu cannot be displayed while the initial screen (“No input is detected.” or “Sync is
out of range.”) is being displayed.
• Tint cannot be adjusted with N-PAL, M-PAL, PAL or SECAM video signal input.
• Tint, color and sharpness cannot be adjusted with RGB signal input.
• V. POSIT, H. POSIT, H. PHASE and H. SIZE cannot be adjusted with video signal input.
• FREEZE function will be cancelled after the operation “Menu”.
• Displaying the menu cancels freeze operations.
SET UP
Images and display positions can be adjusted from the SETUP menu.
Adjustment item
VOLUME
BRIGHT
(BRIGHTNESS)
CONTRAST
SHARPNESS
COLOR
TINT
V. POSIT
(V. POSITION)
H. POSIT
(H. POSITION)
H. PHASE
H. SIZE
COLOR BAL R
(COLOR BALANCE Red)
COLOR BAL B
(COLOR BALANCE Blue)
Adjustment description
Volume decreases Volume increases
Darker Brighter
Lower contrast Stronger contrast
Softer image Sharper image
Less More
Redder Greener
Moves the image up and down.
Moves the image left and right.
Eliminates blanking.
Adjusts the horizontal size of the image.
Less red More red
Less blue More blue
Move the cursor to the item to be adjusted and move the MENU button of the projector or the DISK PA D
button of the remote control to change the length of the bar display.
Using the SETUP Menu

19
Adjustments and functions (continu e d )
INPUT
The INPUT menu is used to select RGB signal sync signal frequency of the monitor and the VIDEO signal.
Adjustment item
RGB
VIDEO
Adjustment description
Displays the following RGB inputs
fH: horizontal sync frequency
fV: vertical sync frequency
Sets the video signal system. When the screen is unstable (no color)
or rolls, select the mode that matches the input signal.

20
Adjustments and functions (continu e d )
Adjustment item
KEYSTONE
MIRROR
BLANK
START UP
P in P
Adjustment description
Reduces keystone Reduces keystone
distortion at the bottom distortion at the top
Sets vertical or horizontal inversion of the projected image.
H: horizontal inversion only
V: vertical inversion only
H&V: both horizontal and vertical inversion.
Sets the color to be used for blanking with BLANK ON or when there is no signal.
Blanking is turned on, when there is no signal for approximately 5 min.
Opens and closes the initial settings screen during signal input at start up.
When canceled, the background color will change to blue.
Selects the P in P sub screen display position.
IMAGE
Projection image inversion, etc., can be selected from the IMAGE menu.

21
Adjustments and functions (continu e d )
OPT
Communication functions, etc., can be set from the OPT menu.
Adjustment item
COM. SPEED
COM. BITS
TIMER
LANGUAGE
AUTO OFF
SYNC ON G
Adjustment description
Sets the communication speed (5 steps).
Sets the bit configuration for the communication data.
7N1...7 data bits, No parity, 1 stop bit.
8N1...8 data bits, No parity, 1 stop bit.
Sets the timer display time (0 - 99) min.
Selects the menu screen language
(English, French, German, Spanish, Italian, Norwegian, Dutch, Japanese).
Sets the time after which the power will be turned off (standby status) when
there is no input signal. The settings are 1 - 99 min, 0 and None.
Sets the SYNC ON G feature on/off.

22
Connection to the video signal terminals
Connection to the RGB signal terminal
1. Input signals
2. Signal input jacks
1. Input signals
2. Signal input jacks
S-VIDEO input (mini DIN 4-pin)
Color signal
Ground Ground
Brightness signal
The priority sequence of the video input jacks is as follows.
(1) S-VIDEO input jack (2) RCA jack input jack
When video signals are being projected, the audio input by the video is output to the audio
output jack (RGB/VIDEO).
D-sub 15-pin
shrink jack
Video signal Analog, 0.7V p-p, 75 Ωterminator (positive polarity)
Horizontal sync signal TTL level (positive/negative polarity)
Vertical sync signal TTL level (positive/negative polarity)
Compound sync signal TTL level
Audio signal Input 200mV rms, 20k Ωor less (max. 3.0V p-p)
Output 0~200mVrms,1k Ω
1 Video input (red) 9 N.C
2 Video input (green) 10 Ground
3 Video input (blue) 11 N.C
4 N.C 12 DDC jack (Display Data Channel)
5 N.C 13 Horizontal sync signal/compound sync signal
6 Ground (red) 14 Vertical sync signal
7 Ground (green) 15 DDC jack (Display Data Channel)
8 Ground (blue)
S-VIDEO signal
VIDEO signal
Audio signal Input
Output
Brightness signal 1.0V p-p, 75 Ωterminator
Color signal 0.286V p-p (burst signal), 75 Ωterminator
1.0V p-p, 75 Ωterminator
200mV rms, 20k Ωor less (max. 3.0V p-p)
0∼200mVrms,1k Ω

23
Connection to the RGB signal terminal (continued)
•Some computers may have multiple display screen modes. Use of some of these modes will
not be possible with this projector.
•Be sure to check jack type, signal level, timing and resolution before connecting this
projector to a computer.
•Depending on the input signal, full-size display may not be possible in some cases.
3. Example of computer signal
Resolution fH fV Rating Signal mode Display mode Note 1
H× V (kHz) (Hz)
640 ×400 24.8 56.4 NEC PC9800 Zoom in
640 ×350 37.9 85.1 VESA VGA-1 Zoom in
640 ×400 37.9 85.1 VESA VGA-2 Zoom in
720 ×400 37.9 85.0 VESA TEXT Zoom in
640 ×480 31.5 59.9 VESA VGA-3 Zoom in
640 ×480 35.0 66.7 Mac13"mode Zoom in
640 ×480 37.9 72.8 VESA VGA-3(72Hz) Zoom in
640 ×480 37.5 75.0 VESA VGA-3(75Hz) Zoom in
640 ×480 43.3 85.0 VESA VGA-3(85Hz) Zoom in
800 ×600 35.2 56.3 VESA SVGA(56Hz) Zoom in
800 ×600 37.9 60.3 VESA SVGA(60Hz) Zoom in
800 ×600 48.1 72.2 VESA SVGA(72Hz) Zoom in
800 ×600 46.9 75.0 VESA SVGA(75Hz) Zoom in
800 ×600 53.7 85.1 VESA SVGA(85Hz) Zoom in
832 ×624 49.7 74.5 Mac16"mode Zoom in
1024 ×768 48.4 60.0 VESA XGA(60Hz)
1024 ×768 56.5 70.1 VESA XGA(70Hz)
1024 ×768 60.0 75.0 VESA XGA(75Hz)
1152 ×864 67.5 75.0 VESA SXGA(75Hz) Zoom out
1280 ×960 60.0 60.0 VESA SXGA(60Hz) Zoom out
1280 ×1024 64.0 60.0 VESA SXGA(60Hz) Zoom out
1280 ×1024 80.0 75.0 VESA SXGA(75Hz) Zoom out
SW 1 ON
SW 2 ON
SW 2 ON
SW 4 ON
Note 1: Mac adapter is necessary to the resolution mode.
Projector is compatible with 13 inch mode and 16 inch mode.
Mac 13" mode=switch 1 and switch 2 are ON.
Mac 16" mode=switch 2 and switch 4 are ON.
(Example 16 inch mode)

24
Connection to the RGB signal terminal (continued)
4. Initial set signals
The following signals are used for the initial settings.
The signal timing of some computer models may be different. In such case, refer to pages 17 and 18 and adjust
the V.POSIT and H.POSIT of the menu.
Computer/Signal Horizontal signal timing (µs)
a b c d
VGA-1(85Hz) 2.0 3.0 20.3 1.0
VGA-2(85Hz) 2.0 3.0 20.3 1.0
PC-9800 3.0 3.8 30.4 3.0
TEXT 2.0 3.0 20.3 1.0
VGA-3 3.8 1.9 25.4 0.6
Mac 13"mode 2.1 3.2 21.2 2.1
VGA-3(72Hz) 1.3 3.8 20.3 1.0
VGA-3(75Hz) 2.0 3.8 20.3 0.5
VGA-3(85Hz) 1.6 2.2 17.8 1.6
SVGA(56Hz) 2.0 3.6 22.2 0.7
SVGA(60Hz) 3.2 2.2 20.0 1.0
Computer/Signal Horizontal signal timing (µs)
a b c d
SVGA (72Hz) 2.4 1.3 16.0 1.1
SVGA (75Hz) 1.6 3.2 16.2 0.3
SVGA (85Hz) 1.1 2.7 14.2 0.6
Mac 16"mode 1.1 3.9 14.5 0.6
XGA (60Hz) 2.1 2.5 15.8 0.4
XGA (70Hz) 1.8 1.9 13.7 0.3
XGA (75Hz) 1.2 2.2 13.0 0.2
SXGA (1152 X 864, 75Hz)
1.2 2.4 10.7 0.6
SXGA (1280 X 960, 60Hz)
1.0 2.9 11.9 0.9
SXGA (1280 X 1024, 60Hz)
1.0 2.9 11.9 0.9
SXGA (1280 X 1024, 75Hz)
1.1 1.8 9.5 0.1
Computer/Signal
Vertical signal timimg (lines)
a b c d
VGA-1 (85Hz) 3 60 350 32
VGA-2 (85Hz) 3 41 400 1
PC-9800 8 25 400 7
TEXT 3 42 480 1
VGA-3 2 33 480 10
Mac 13"mode 3 39 480 3
VGA-3 (72Hz) 3 28 480 9
VGA-3 (75Hz) 3 16 480 1
VGA-3 (85Hz) 3 25 480 1
SVGA (56Hz) 2 22 600 1
SVGA (60Hz) 4 23 600 1
Computer/Signal
Vertical signal timimg (lines)
a b c d
SVGA (72Hz) 6 23 600 37
SVGA (75Hz) 3 21 600 1
SVGA (85Hz) 3 27 600 1
Mac 16"mode 3 39 624 1
XGA (60Hz) 6 29 768 3
XGA (70Hz) 6 29 768 3
XGA (75Hz) 3 28 768 1
SXGA (1152 X 864, 75Hz)
3 32 864 1
SXGA (1280 X 960, 60Hz)
3 36 960 1
SXGA (1280 X 1024, 60Hz)
3 38 1024 1
SXGA (1280 X 1024, 75Hz)
3 38 1024 1
Display interval c
Back porch b
Sync a
Front porch d
Display interval c
Back porch b
Sync a
Front porch d

25
Connecting the USB
1. Connect the projector and computer with a suitable commercially available cable. Disconnect the mouse
cable from the projector.
2. Press the INPUT button of the projector or the RGB 1/2 button of the remote control and select the input
where the computer is to be connected.
3. Start the mouse function.
4. Refer to page 10 concerning the remote control of mouse operations.
5. Varying the force with which the DISK PAD button is pressed varies the speed of mouse operation.
USB jack
(B type) USB jack
(A type)
Projector
USB cable
Computer
• Before making connections, read the instruction manual of the equipment to be connected.
• Use the optional USB cable to connect.
• Effective with USB only when the mouse is used.
• Do not use with any device other than a personal computer.
• When using with Windows 95, it is necessary to set so that USB can be used with version
OSR 2.1 or higher. Depending on the kind or the virsion of the host controller, operation may
not be possible in some cases.
• In the case of notebook type computers with a built-in pointing device such as a track ball, in
some cases the built-in pointing device will have priority even if a mouse is connected and
the mouse may not be selected.
In such case, disable the built-in pointing device and change the BIOS setting (system setup)
so that an external mouse can be selected.
After changing the BIOS setting, perform the operations described in 1 - 3 above.
Refer to the computer hardware manual concerning the BIOS setting.
Also, some computers may not have a utility program to operate a mouse. Refer to the
computer hardware manual.

26
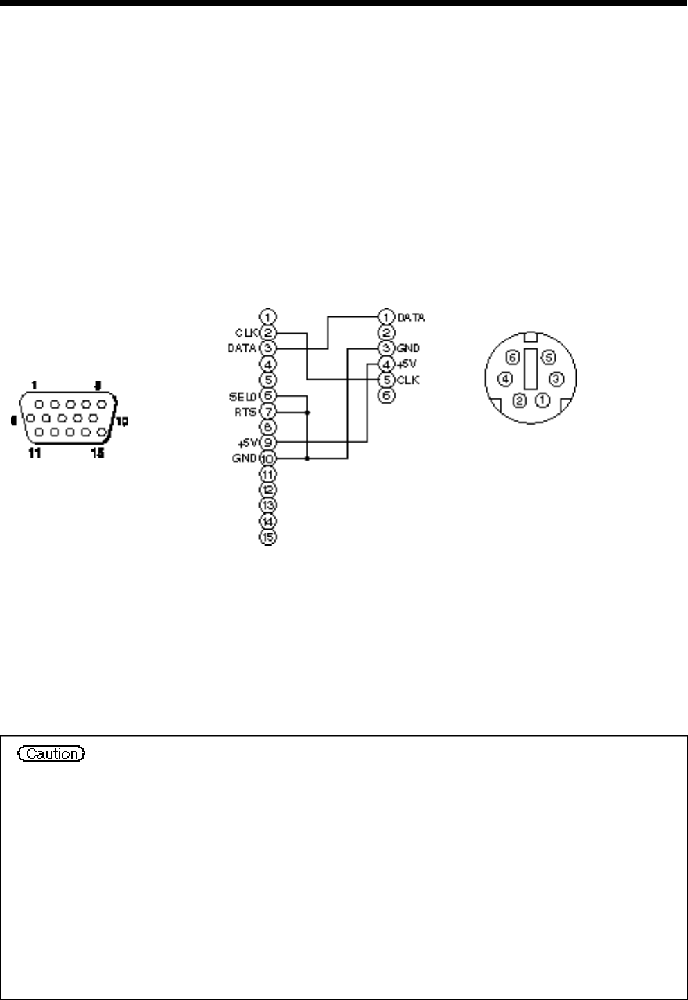
Connection to the control signal terminal
Use the mouse cable provided or a PS/2 mouse cable (for IBM and compatibles).
Cables for ADB mouse (Apple), bus mouse (NEC) and serial mouse are available as options.
control jack
D-sub 15-pin shrink jack
Projector Computer Mouse jack Mini
DIN 6-pin
Mouse cable (PS/2)
• Before making connections, read the instruction manual of the equipment to be connected.
• Turn off the projector and computer power supplies before connecting.
Connecting the mouse cable with the computer power on can result in a malfunction.
Use the mouse cable provided or an optional mouse cable to make the connection.
• In the case of notebook type computers with a built-in pointing device such as a track ball, in
some cases the built-in pointing device will have priority even if a mouse is connected and
the mouse may not be selected.
In such case, disable the built-in pointing device and change the BIOS setting (system setup)
so that an external mouse can be selected.
After changing the BIOS setting, perform the operations described in (1) - (3) above.
Refer to the computer hardware manual concerning the BIOS setting.
Also, some computers may not have a utility program to operate a mouse. Refer to the
computer hardware manual.
1. Mouse functions
(1)Turn off the main power switches of the projector and computer and connect the two units with the cable
provided or an optional suitable commercially available cable. Disconnect the USB cable from the
projector.
(2)Turn on the main switch of the projector (the POWER indicator lamp will light green).
(3) Press the INPUT button of the projector or the RGB button of the remote control and select the input
where the computer is to be connected.
(4) Turn on the computer power supply.
(5) Start the mouse function.
If the mouse has not been started, reboot the computer (soft reboot or reboot buttons).
(6) Refer to page 10 concerning remote control operation.
(7) Varying the force with which the DISK PAD button is pressed varies the speed of mouse operation.
PS/2 Mouse

27
Connection to the control signal terminal (continu e d )
CONTROL signal jack
ADB (Mac) mouse
Projector Computer Mouse jack
Mini DIN 4-pin
Mouse cable (ADB) (option)
Serial mouse
Projector Computer Mouse jack
D-sub 9-pin
Mouse cable (serial) (option)
Pin no. RS-232C Mouse
PS/2 ADB Serial
1
2 CLK
3 DATA DATA
4
5
6 SELO SELO SELO
7 RTS RTS RTS RTS
8
9 +5V +5V
10 GND GND GND GND
11
12
13 RD
14 TD TD
15

28
Connection to the control signal terminal (continu e d )
2. RS232C communication
(1) Turn off the projector and computer power supplies and connect with the RS232C cable.
(2) Turn on the computer power supply and, after the computer has started up, turn on the projector power supply.
(3) Refer to page 21 and set the communication speed and the number of communication bits.
(4) Start RS232C communication.
Control jack
D-sub 15-pin shrink
RS232C jack
D-sub 9-pin
RS232C cable
Projector Computer
Projector→computer Computer
→
projector
Command Response code Inquiry code Setting code
Default setting code
1st 2nd data 1st 2nd 1st 2nd data 1st 2nd
MOUSE 11h 05h +1 20h 05h 31h 05h +1 40h 05h
COMMUNICATE 11h 06h +1 20h 06h 31h 06h +1 40h 06h
POWER 11h 11h +1 20h 11h 31h 11h +1 ––––––
ZOOM 11h 12h +1 –––––– 31h 12h +1 ––––––
FOCUS 11h 13h +1 –––––– 31h 13h +1 ––––––
MIRROR 11h 14h +1 20h 14h 31h 14h +1 40h 14h
INPUT 11h 21h +1 20h 21h 31h 21h +1 40h 21h
(VIDEO)SYSTEM 12h 22h +2 20h 22h 32h 22h +2 40h 22h
VOLUME 11h 23h +1 20h 23h 31h 23h +1 40h 23h
MUTE 11h 24h +1 20h 24h 31h 24h +1 40h 24h
BRIGHT 13h 31h +3 20h 31h 33h 31h +3 40h 31h
CONTRAST 13h 32h +3 20h 32h 33h 32h +3 40h 32h
COLOR 13h 33h +3 20h 33h 33h 33h +3 40h 33h
TINT 13h 34h +3 20h 34h 33h 34h +3 40h 34h
SHARPNESS 13h 35h +3 20h 35h 33h 35h +3 40h 35h
H.PHASE 13h 37h +3 20h 37h 33h 37h +3 40h 37h
H.POSIT 14h 38h +4 –––––– 34h 38h +4 40h 38h
H.SIZE 14h 36h +4 –––––– 34h 36h +4 40h 36h
V.POSIT 14h 3Ah +4 –––––– 34h 3Ah +4 40h 3Ah
COLOR BALANCE R 13h 3Bh +3 20h 3Bh 33h 3Bh +3 40h 3Bh
COLOR BALANCE B 13h 3Dh +3 20h 3Dh 33h 3Dh +3 40h 3Dh
AUTO ADJUST 11h 3Ch +1 20h 3Ch 31h 3Ch +1 40h 3Ch
BLANK 11h 41h +1 20h 41h 31h 41h +1 40h 41h
MAGNIFY 11h 15h +1 20h 15h 31h 15h +1 40h 15h
FREEZE 11h 16h +1 20h 16h 31h 16h +1 40h 16h

29
Connection to the control signal terminal (continu e d )
The command code configuration consists of a 2-byte command and the following data.
• The first byte of a command indicates the command type with 3 bits on the MSB side and the data length
with 4 bits on the LSB side.
Projector - computer Computer - projector
‘0xH’ : Error code ‘2xH’ : inquiry code
‘1xH’ : response code ‘3xH’ : setting code
‘70H’ : frame error code ‘4xH’ : default setting code
‘x’ indicates the data length (example: x=2 means a 2-byte command).
• The second byte of a command indicates the command contents.
Command data chart
Item Data code
MOUSE 00h=disable mouse function, 01 ∼ 7Fh=start mouse function
COMMUNICATE 0Xh=8N1, 1Xh=7N1
X0h=1200bps, X1h=2400bps, X2h=4800bps, X3h=9600bps, X4h=19200bps
POWER 3Eh=power off (standby status), 3Fh=power on
ZOOM 01 ∼ 3Fh=Zoom +, 41 ∼ 7Fh=Zoom –
FOCUS 01 ∼ 3Fh=Focus +, 41 ∼ 7Fh=Focus –
MIRROR 00h=Normal, 01h=H : Invert, 02h=V : Invert, 03h=H & V : Invert
INPUT 11h=VIDEO, 21h=RGB1, 22h=RGB2
SYSTEM (VIDEO) 00h 00h=Auto, 00h 01h=NTSC, 00h 04h=NTSC4. 43
00h 02h=PAL, 00h 03h=SECAM, 00h 05h=M-PAL, 00h 06h=N-PAL
VOLUME 00h (low volume) ∼ 24h (high volume)
MUTE 00h=mute off, 01h=mute on
BRIGHT 00h 00h 00h (dark) ∼ 00h 00h 24h (bright)
CONTRAST 00h 00h 00h (low) ∼ 00h 00h 24h (strong)
COLOR 00h 00h 00h (pale) ∼ 00h 00h 24h (dense)
TINT 00h 00h 00h (reddish) ∼ 00h 00h 24h (greenish)
SHARPNESS 00h 00h 00h (soft) ∼ 00h 00h 24h (sharp)
H.PHASE 00h 00h 00h ∼ 00h 00h 24h
H.POSIT 00h 00h 00h 01h (Right) moves one step
00h 00h 00h 7Fh (Left) moves one step
H.SIZE 00h 00h 00h 01h (Large) moves two step
00h 00h 00h 7Fh (Small) moves two step
V.POSIT 00h 00h 00h 01h (Up) moves one step
00h 00h 00h 7Fh (Down) moves one step
COLOR BALANCE R
00h 00h 00h (Light red) ∼ 00h 00h 24h (Dark red)
COLOR BALANCE B
00h 00h 00h (Light blue) ∼ 00h 00h 24h (Dark blue)
AUTO ADJUST 00h (AUTO ADJUST (Play))
BLANK 0Xh=blanking off, 1Xh=blanking on
X=8 Black, X=9 Blue, X=F White
MAGNIFY 00h=normal display, 01h=zoom Magnify display or Magnify ratio up.
7Fh=zoom ratio down
FREEZE 00h=normal display, 01h=still image display

30
Connection to the control signal terminal (continu e d )
Requesting projector status
(1) Send the request code ‘20H’ +
‘
yyH’ from the computer to the projector.
(2) The projector returns the response code ‘1xH’ + ‘yyH’ +data to the computer.
Changing the projector settings
(1) Send the setting code ‘3xH’ + ‘yyH’ +data from the computer to the projector.
(2) The projector changes the setting based on the above setting code.
(3) The projector returns the response code ‘1xH’ + ‘yyH’ +data to the computer.
Using the projector default settigns
(1) The computer sends the default setting code ‘40H’ + ‘yyH’ to the projector.
(2) The projector changes the specified setting to the default value.
(3) The projector returns the default value with the response code ‘1xH’ + ‘yyH’ =data.
When a command sent by the projector cannot be understood by the computer
(1) The computer sends the command code
‘
3xH’ , ‘4xH’ or ‘4xH’ + ‘yyH’ +data to the projector.
(2) When the command sent by the projector cannot be understood, the error command ‘00H’ + ‘yyH’ is
returned by the computer.
When data sent by the projector cannot be understood
(1) The computer sends the command code ‘3xH’ , ‘4xH’ or ‘4xH’ + ‘yyH’ +data to the projector.
(2) When the command sent by the projector cannot be understood, the the error code ‘0xH’ +‘yyH’ +data is
returned.
When the data length is greater than indicated by the data length code, the projector will ignore the excess data code.
Conversely, when the data length is shorter than indicated by the data length code, an error code will be
returned to the projector.
When a frame error occurs
Repeats 10 times per second until there is some sort of response to the error code 70H + 70H.
When the interval between bytes in one command is 500ms or greater
When a command or data is not sent within 500ms after the command code ‘2xH’ , ‘3xH’ or ‘4xH’ is sent by
the computer, the error command ‘70H’ +‘70H’ will be returned as soon as the 500ms elapses. After this, if
there is no response within 1 sec., a frame error will occur.
The response data in (3) above need not match the setting data in (1).
For example, when the projector cannot set the setting data in (1), the projector may set the
closest value. That value will be used as the response data in (3). Or else the projector will
return the error code ‘0xH’ + ‘yyH’ +data.
• Operation cannot be guaranteed when the projector receives an undefined command or data.
• Provide an interval of at least 40ms between the response code and any other code.

31
Example of system setup
Cleaning the Air filter
Turn power off to all devices before connecting.
Refer to the instruction manual of each device before connecting.
AC input
Video tape recorder with S jack
Video tape recorder
Speaker (with built-in amp) Display monitor
Computer
(desktop type)
Computer
(notebook type)
Clean the air filter about every 100 hours .
1Turn off the MAIN POWER switch of the projector and
pull out the power cord.
2Remove the front air filter.
F i l t e r Parts Number
Air Filter M U 0 0 8 3 1

32
Cleaning the Air filter (continued)
3Cleaning the air filter with a vacuum cleaner
4Installing the air filter
When the air filter becomes clogged with dust, etc., the projector power may turn off to
prevent the internal heat level rising. (The lamp indicator color changes to red.)
Do not operate the projector with the air filter removed. (If used with the air filter removed,
dust can enter the LCD panel and produce an adverse effect on image quality.)
Lamp
Message table
Even when the lamp is at a high temperature, the power to the projector may cut off to prevent
an excessive temperature increase inside the projector. (The POWER indicator turns off.) Turn
o ff the MAIN POWER switch, wait for some 20 minutes and turn on the MAIN POWER
switch again. If the projector is not recovered after turning on the MAIN POWER switch,
please contact your dealer or service company.
The light source lamp has a service life.
When used for an extended time, the images may become darker and the colors may deteriorate.
A malfunction could occur if the projector is used in this condition, so replace the lamp with a new one.
The following indicator or a message which appears when the power is turned on will indicate when the lamp
should be replaced.
At such time, it is necessary to replace the lamp with a new one. For lamp replacement, please contact your
dealer or service company.
The following messages are displayed on the screen.
*
1 This display will disappear after 3min. but will reappear when the power is turned on again.
Screen displays
CHANGE THE LAMP“CALL
A MAINTENANCE PERSON”
“CHANGE THE LAMP”
“CALL
A MAINTENANCE PERSON”
“THE POWER WILL
TURN OFF AFTER *hr.”
Blinking of
“CHANGE THE LAMP”
NO INPUT IS DETECTED
SYNC IS OUT OF RANGE
The total lamp usage time is nearing the service life of the lamp. Replace with a new lamp.
The lamp will turn off automatically when the lamp replacement time has been exceeded.
*
1
The total lamp time is nearing the lamp replacement time. After (*) hours, the lamp will turn
off. Quickly replace with a new lamp. *1
*Indicates the number of hours until the lamp turns off automatically.
The total lamp time has exceeded the replacement time. The indicator will blink for
approximately 10 min. and then turn off automatically. Replace with a new lamp.
There is no signal input (refer to pages 22, 23).
The current horizontal or vertical frequency cannot be used by this projector (refer to pages 23, 24).

33
Message table (continued)
Indicators
The POWER indicator, LAMP indicator and TEMP indicator light or blink in the following cases.
POWER
indicator
Lights orange
Flashes green
Lights green
Flashes orange
Lights red
Lights red
Lights red
Flashes red
LAMP
indicator
Turns off
Turns off
Turns off
Turns off
Lights red
Flashes red
Turns off
Flashes red
TEMP
indicator
Turns off
Turns off
Turns off
Turns off
Turns off
Turns off
Flashes red
Turns off
Status
Standby status
Warming up
Operation status
*
1
Cool down
The lamp does not light.
*
2
The interior is too hot.
A lamp has not been inserted
or the lamp cover is missing.
The cooling fan is not operating.
The total lamp time has
exceeded the replacement time.
Processing
Wait some time (approx. 20 min.) before
turning the power on again. Clean the air
filter before turning the power on. If the
indicator still lights,
contact your dealer.
Contact your dealer.
Contact your dealer.
Contact your dealer.
When the LAMP or TEMP indicator lights or flashes, turn off the MAIN POWER switch before proceeding. If the problem still persists, contact your
dealer or service company.
*1: When the cooling fan is stopped and the interior becomes overheated, the power will turn off automatically to allow cooling (the indicator will turn
off). In such cases, turn off the projector power, allow the set to cool and then turn the projector power on again. The lamp will then light. If the lamp
does not light, contact your dealer or service company.
*2: In some cases, when the air holes becomes blocked and the interior temperature rises, the lamp will be turned off for protection and the LAMP
indicator will flash red. In such cases, turn off the MAIN POWER switch, allow the set to cool (for approx. 20 min.) and then turn the power on again.
When you think something wrong
Before requesting repair, check in accordance with the following chart. If the situation cannot be corrected, then
contact your dealer.
A bright dot may be seen in the picture. This is a phenomenon peculiar to the liquid crystal and is not a problem.
Symptom
The power is not
turned on.
No video or audio.
Video is present but
no audio.
Audio is present but
no video.
Colors are pale and
color matching is poor.
Images are dark.
Video is blurred.
The LAMP indicator
lights red.
Possible cause
•The main power switch is not turned on.
•The power cord is disconnected.
•The input is not correctly set.
•No signal input.
•The projector is not correctly connected.
•The volume is set to minimum.
•Mute is turned on.
•
Audio is switched to RGB when P in P is on.
•The projector is not correctly connected.
•The brightness adjustment knob is rotated
fully clockwise.
•The lens cap is still on.
Color density and color matching are not
correctly adjusted.
•
Brightness and contrast are not correctly adjusted.
•
The lamp is nearing the end of its service life.
Focus or H PHASE is out of adjustment.
Lamp failure.
Internal overheating.
Remedy
•
Turn on the main power switch.
•
Plug the power cord into an AC power outlet.
•Use the projector or remote control to set.
•Connect correctly.
•Connect correctly.
•
Press VOLUME + on the remote control or display
the menu screen and adjust the volume.
•Press the MUTE button.
•
Displays the Volume bar and switches the Audio input.
•Connect correctly.
•Select BRIGHT with the MENU button and then
press the ( ) key.
•Remove the lens cap.
Adjust the video.
•Adjust the video.
•Replace with a new lamp.
Adjust the focus or H PHASE.
Wait approximately 20 min. and then turn the
power on again.
•
Make sure the ventilation openings are not blocked.
•Clean the air filter.
•
Lower the ambient temperature to 35 degrees C or less.
Page
P.13
P.9
P.8,10,
13,19
P.9,31
P.9,31
P.10,18
P.8,10
P.10
P.9,31
P.17
P.13
P.18
P.18
P.32
P.13,18
P.33
P.31,32

34
Specifications
Dimensional Diagram
· These specifications are subject to change without notice.
Unit: inches
Product name Liquid crystal projector
Model Polaroid360
Display method Three liquid crystal panels, three primary color system.
Liquid crystal Panel size 3.3 cm (1.3 type)
panel Drive system TFT active matrix
Number of pixels 786,432 pixels (1,024 horizontal ×768 vertical)
Lens Zoom lens F=1.7~2.3 f=49~64mm
Lamp 190w UHB
Speaker 1.2W + 1.2W (Stereo)
Power supply AC100 ~ 120V, 3.7A / AC220 ~ 240V, 1.5A.
Power consumption 320W
Operating temperature range 0 ~ 35˚C
Size 11" (W) ×5" (H) ×14" (D), 289mm(W) × 124mm(H) ×345mm(D)
Weight (mass) 13 lbs, 5.9kg
S VIDEO: mini DIN 4-pin jack
VIDEO signal input jacks VIDEO: RCA jack
AUDIO: RCA jack
RGB signal input/output jacks RGB signals: D-sub 15-pin shrink jack
Audio: stereo mini-jack
CONTROL signal jack D-sub 15-pin shrink jack
USB jack B type

35
About the warranty and after-service