Utopia Owners Manual
2019-02-26
: Pools Spas Utopia-Owners-Manual utopia-owners-manual 2019 Caldera Spas s
Open the PDF directly: View PDF
.
Page Count: 40

UTOPIA
® SERIES
2019 OWNER’S MANUAL

OWNER’S MANUAL
This Owner’s Manual will acquaint you with the operation and general maintenance of your new spa. We suggest that you
take some time to carefully review all sections. Please keep this manual available for reference.
If you have questions about any aspect of your spa’s set-up, operation or maintenance, contact your authorized CALDERA
dealership. They are trained professionals who are familiar with the product as well as new spa ownership concerns. Their
expertise will facilitate the enjoyment of your new CALDERA spa.
The serial number/identification label is located within the equipment compartment of your CALDERA spa. The serial
number should also be documented on the delivery receipt from your dealer.
IMPORTANT: WATKINS WELLNESS reserves the right to change specifications, or design, without notification and without
incurring any obligation.
DATE PURCHASED: ___________________________________
DATE INSTALLED: _____________________________________
DEALER: ____________________________________________
ADDRESS: ___________________________________________
TELEPHONE: _________________________________________
SPA MODEL/SERIAL NUMBER: __________________________
COVER SERIAL NUMBER: ______________________________
In most cities and counties, permits will be required for the installation of electrical circuits or the construction of exterior surfaces (decks and
gazebos). In addition, some communities have adopted residential barrier codes which may require fencing and/or self-closing gates on the property
to prevent unsupervised access to a pool (or spa) by children under 5 years of age. Your CALDERA spa is equipped with a locking cover that meets
the ASTM F1346-91 Standard for Safety Covers, and as a result, is usually exempt from most barrier requirements. As a general practice, your local
Building Department will inform you of any applicable barrier requirements at the time a permit is obtained for the installation of an electrical circuit.
Your CALDERA dealer can provide information on which permits may be required.
WELCOME
Watkins Wellness® congratulates you on your decision to enjoy the finest spa available. Welcome to the
growing family of Caldera® spa owners.
NOTE: This is an example. Your spa’s
label will contain different information.
Peel off top sticker and place here.
MODEL: TAHITIAN
SERIES: UTOPIA
SERIAL: TAB1XXXXX
RATINGS: 240V, 60Hz, 40A
1280 Park Center Dr., Vista, CA 92081
Watkins Manufacturing Corp.
TAB1XXXXX
TAB1XXXXX
TAB1XXXXX
TAB1XXXXX

TABLE OF CONTENTS
SAFETY INFORMATION
IMPORTANT SAFETY INSTRUCTIONS .......................... 1
IMPORTANT SPA INSTRUCTIONS .................................. 3
GETTING STARTED
MAIN SPA FEATURES ......................................................... 4
HYDRO JETS ........................................................................ 5
DIVERTER VALVES ............................................................. 5
ACQUARELLA
®
WATERFALL VALVE.............................. 6
AIR CONTROLS .................................................................... 6
ATLAS
®
NECK JET VALVE ................................................. 6
CALDERA LOGO LIGHT .................................................... 6
QUICK START-UP INSTRUCTIONS ................................. 6
WATER QUALITY AND MAINTENANCE
BASIC INFORMATION ......................................................... 8
CHEMICAL SAFETY ........................................................... 8
HOW TO ADD CHEMICALS TO THE WATER ................. 8
FUNDAMENTALS OF WATER MAINTENANCE ............. 9
THE CALDERA SPA WATER MAINTENANCE
PROGRAM ........................................................................... 10
VANISHING ACT
™
INSTRUCTIONS .............................. 11
VACATION WATER CARE INSTRUCTIONS ................. 12
GLOSSARY ..........................................................................13
OPERATING INSTRUCTIONS
MAIN CONTROL PANEL ...................................................14
HOME SCREEN .................................................................. 14
TEMPERATURE CONTROL ............................................. 15
MEMORY SCREEN ........................................................... 15
CLEAN CYCLE SCREEN ................................................ 15
SETTINGS SCREENS ...................................................... 15
JETS CONTROL SCREEN ............................................... 16
FRESHWATER SALT SYSTEM SCREEN
(OPTIONAL) ......................................................................... 16
MUSIC SYSTEM SCREEN (OPTIONAL) ....................... 16
LIGHTS CONTROL SCREEN ........................................... 17
AUXILIARY PANEL ............................................................. 18
CANTABRIA
®
ULTRAMASSEUSE CONTROL PANEL 18
JET MENU
CANTABRIA JET SYSTEM MENU ................................ 20
GENEVA
®
JET SYSTEM MENU .................................... 21
NIAGARA
®
JET SYSTEM MENU ................................... 22
TAHITIAN
®
......................................................................... 23
FLORENCE
®
...................................................................... 24
PROVENCE
™
..................................................................... 25
SPA CARE AND MAINTENANCE
FILTER MAINTENANCE ....................................................26
FILTER CARTRIDGE REMOVAL AND CLEANING
INSTRUCTIONS .................................................................26
DIVERTER VALVE MAINTENANCE ............................... 26
VERSASSAGE JET MAINTENANCE ............................. 26
DRAINING YOUR SPA ....................................................... 27
PREVENTION OF FREEZING ......................................... 27
WINTERIZING YOUR SPA ................................................ 27
CARE OF THE SPA PILLOWS ........................................ 28
CARE OF THE EXTERIOR ............................................... 28
CARE OF THE SPA COVER ............................................. 28
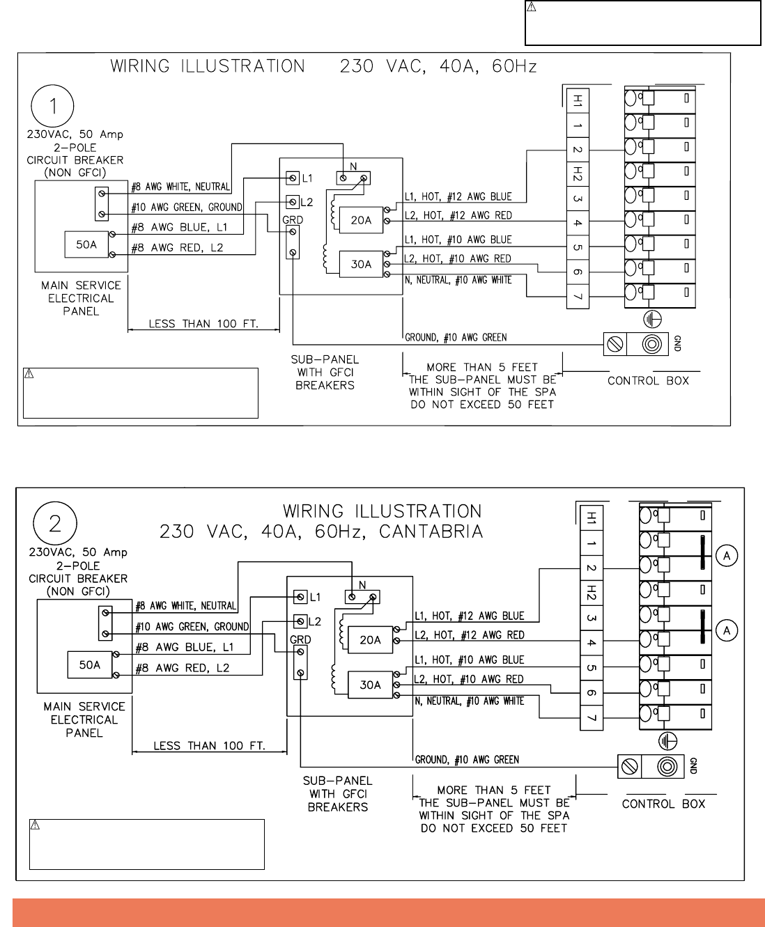
ELECTRICAL REQUIREMENTS
230 VOLT PERMANENTLY CONNECTED ....................29
EQUIPMENT COMPARTMENT ....................................... 29
SERVICE INFORMATION
GENERAL INFORMATION................................................ 32
GFCI AND HIGH LIMIT THERMOSTAT .......................... 32
HEATER AND INTEGRATED PRESSURE SWITCH ... 32
CIRCULATION PUMP AND CIRCULATION PUMP
THERMAL CUT-OFF .......................................................... 32
MISCELLANEOUS SERVICE INFORMATION ............. 32
ACTS INVALIDATING WARRANTY ................................ 33
DISCLAIMERS ....................................................................33
WATKINS CUSTOMER SERVICE ................................... 33
TROUBLESHOOTING ....................................................... 33
DOOR PANEL REMOVAL ................................................. 35

Page 1
Safety Information
Safety Information
IMPORTANT SAFETY
INSTRUCTIONS
(READ AND FOLLOW ALL
INSTRUCTIONS)
AVOIDING THE RISK TO CHILDREN
DANGER - RISK OF CHILD DROWNING
Extreme caution must be exercised to prevent unauthorized access
by children. To avoid accidents, ensure that children cannot use a spa
unless they are supervised at all times.
WARNING
To reduce the risk of injury, do not permit children to use this spa unless
they are closely supervised at all times.
• To reduce the risk of injury, lower water temperatures are
recommended for young children. Children are especially sensitive to
hot water.
• Extreme caution must be exercised to prevent unauthorized access
by children. To avoid accidents, ensure that children cannot use a spa
unless they are supervised at all times.
DO:
• Make sure you always lock the child resistant locks after using the
spa for your children’s safety. Every CALDERA spa is equipped with
a locking cover that meets the ASTM F1346-91 Standard for Safety
Covers.
• Test the water temperature with your hand before allowing children to
enter the spa to be sure that it’s comfortable. Children are especially
sensitive to hot water.
• Remind children that wet surfaces can be very slippery. Make sure
that children are careful when entering or exiting the spa.
DON'T:
• Allow children to climb onto the spa cover.
• Allow children to have unsupervised access to the spa.
AVOIDING THE RISK OF ELECTROCUTION
DANGER - RISK OF ELECTROCUTION
• Connect only to a grounded source.
• Do not bury the power cord. A buried power cord may result in death,
or serious personal injury due to electrocution if direct burial-type cable
is not used, or if improper digging occurs.
• A ground terminal (pressure wire connector) is provided on the control
box inside the unit to permit connection of a minimum No. 8 AWG
(8.4 mm²) solid copper bonding conductor between this point and
any metal equipment, metal water pipe, metal enclosures of electrical
equipment, or conduit within five feet (1.5 m) of the unit as needed to
comply with local requirements.
• Do not operate the audio main controls while inside the spa (if spa is
equipped with an audio component).
• Do not connect any auxiliary components (for example, cable
additional speakers, headphones, additional audio components) to the
audio system unless approved by WATKINS WELLNESS.
• Do not self service audio component by opening or removing spa door
panel as this may expose dangerous voltage or other risk of injury.
Refer all servicing to qualified service personnel.
• Do not attach an external antennae to a spa audio system unless
installed by a licensed electrician in accordance with Article 810 of the
National Electric Code, ANSI/NFPA 70.
WARNING
• To reduce the risk of electrical shock, replace a damaged cord
immediately. Failure to do so may result in death or serious personal
injury due to electrocution.
• Your spa is provided with a Ground Fault Circuit Interrupter (GFCI)
for user and equipment protection. To ensure proper operation of this
important safety device, test according to the following instructions per
electrical configuration.
• 230 volt, permanently installed or converted models:
• A ground terminal is provided on the terminal block (TB-1, system
ground terminal) located inside the control box. To reduce the risk
of electric shock, connect this terminal to the grounding terminal
of your electrical service or supply panel with a continuous green,
insulated copper wire. The wire must be equivalent in size to the
circuit conductors supplying the equipment. In addition, a bonding
terminal (pressure wire connector) is provided on the outside of
the control box for bonding to local ground points. To reduce the
risk of electric shock, this connector should be bonded with a No.
8 AWG (8.4 mm²) solid copper wire to any metal ladders, water
pipes, or other metal within 5 feet (1.5 m) of the spa to comply with
local requirements. The means of disconnection must be readily
accessible, but must be installed at least 5 feet (1.5 m) from the
spa.
• Your spa is provided with a suitably rated circuit breaker to open all
ungrounded supply conductors.
• Your spa uses ground fault circuit interrupters in the electrical
subpanel. Before each use of the spa and with the unit operating,
push the TEST button on each breaker. The switch should click
over to the “Trip” position. Wait 30 seconds and reset each GFCI
breaker by switching it completely off and then completely on.
The switch should then stay on. If either of the interrupters does
not perform in this manner, it is an indication of an electrical
malfunction and the possibility of an electric shock. Disconnect the
power until the fault has been identified and corrected.
DANGER - RISK OF ELECTRICAL SHOCK
• Install at least 5 feet (1.5 m) from all metal surfaces. A spa may
be installed within 5 feet of a metal surface if each metal surface is
permanently connected by a minimum No. 8 AWG (8.4 mm²) solid
copper conductor attached to the wire ground connector on the
terminal box that is provided for this purpose if in accordance with
National Electrical Code ANSI/NMFPA70-1993.

Page 2 Safety Information
• Do not permit any electrical appliances, such as a light, telephone,
radio, or television within 5 feet (1.5 m) of a spa. Failure to maintain
a safe distance may result in death, or serious personal injury due to
electrocution, if the appliance should fall into the spa.
• Install your spa is such a way that drainage is away from the electrical
compartment and from all electrical components.
DO:
• Be sure your spa is connected to the power supply correctly - use a
licensed electrical contractor.
• Disconnect the spa from the power supply before draining the spa or
servicing the electrical components.
• Test the Ground Fault Circuit Interrupter(s) before each use.
• Replace audio components only with identical components (if your spa
is equipped with an audio component).
DON'T:
• Use the spa with the equipment compartment door removed.
• Place electrical appliances within 5 feet (1.5m) of the spa.
• Use an extension cord to connect the spa to its power source. The
cord may not be properly grounded and the connection is a shock
hazard. An extension cord may cause a voltage drop, which will cause
overheating of the jet pump motor and motor damage.
• Attempt to open the electrical control box. There are no user serviceable
parts inside.
RISKS TO AVOID
DANGER - RISK OF INJURY
• To reduce the risk of injury to persons, DO NOT remove suction fittings
(filter standpipes) located in the filter compartment.
• The suction fittings in the spa are sized to match the specific water
flow created by the pump. Never replace a suction fitting with one
rated less than the flow rate marked on the original suction fitting.
• There is a danger of slipping and falling. Remember that wet surfaces
can be very slippery. Take care when entering or exiting the spa.
• Never operate spa if the suction fittings are broken or missing.
• People with infectious diseases should not use the spa.
• Keep any loose articles of clothing, long hair, or hanging jewelry away
from rotating jets or other moving components.
INCREASED SIDE EFFECTS OF MEDICATION
• The use of drugs, alcohol may cause unconsciousness with the
possibility of drowning.
• Persons using medications should consult a physician before using
a spa; some medication may cause a user to become drowsy, while
other medication may affect heart rate, blood pressure, and circulation.
• Persons taking medications which induce drowsiness, such as
tranquilizers, antihistamines, or anticoagulants should not use the spa.
HEALTH PROBLEMS AFFECTED BY SPA USE
• Pregnant women should consult a physician before using spa.
• Persons suffering from obesity, or with a medical history of heart
disease, low or high blood pressure, circulatory system problems, or
diabetes should consult a physician before using spa.
UNCLEAN WATER
• Keep the water clean and sanitized with correct chemical care. The
recommended levels for your CALDERA spa are:
Free Available Chlorine:
1-5ppm
Total Alkalinity:
40-120ppm
Water pH:
7.2-7.8
Calcium Hardness:
Standard 75-150ppm
Salt System 25-75ppm
• Refer to Water Quality and Maintenance section for complete
instructions.
IMPORTANT: Turn on the jet pump for a least ten minutes after adding
ANY spa water chemicals into the filter compartment.
Clean the filter cartridges monthly to remove debris and mineral buildup
which may affect the performance of the hydromassage jets, limit the
flow, or trip the high limit thermostat, which will turn off the entire spa.
AVOIDING THE RISK OF HYPERTHERMIA
Prolonged immersion in hot water can result in HYPERTHERMIA, a
dangerous condition which occurs when the internal temperature of
the body reaches a level above normal 98.6°F (37°C). The symptoms
of hyperthermia include unawareness of impending hazard, failure to
perceive heat, failure to recognize the need to exit the spa, physical
inability to exit the spa, fetal damage in pregnant women, and
unconsciousness resulting in a danger of drowning.
WARNING
The use of alcohol, drugs, or medication can greatly increase the risk of
fatal hyperthermia in hot tubs and spas.
TO REDUCE THE RISK OF INJURY
• The water in the spa should never exceed 104°F (40°C). Water
temperatures between 100°F and 104°F (36°C and 40°C) are
considered safe for a healthy adult. Lower water temperatures are
recommended for extended use (exceeding ten minutes) and for
young children. Extended use can cause hyperthermia.
• Pregnant or possibly pregnant women should limit spa water
temperatures to 100°F (36°C). Failure to do so may result in
permanent injury to your baby.
• Do not use spa immediately following strenuous exercise.
AVOIDING THE RISK OF SKIN BURNS
• To reduce the risk of injury, before entering a spa the user should
measure the water temperature with an accurate thermometer.
• Test the water with your hand before entering the spa to be sure it’s
comfortable.

Page 3Safety Information
SAVE THESE INSTRUCTIONS
SAFETY SIGN
Each CALDERA spa is shipped with a SAFETY SIGN in the owner’s
package. The sign, which is required as a condition of Product Listing,
should be permanently installed where it is visible to the users of the
spa. To obtain additional SAFETY SIGNS, contact your CALDERA
dealer and request Part #70798.
IMPORTANT
SPA INSTRUCTIONS
The following contains important spa information, and we strongly
encourage you to read and apply them.
DO:
• Use and lock the vinyl cover when the spa is not in use, whether it is
empty or full.
• Follow the Spa Care and Maintenance recommendations stated in this
manual.
• Use only approved accessories and recommended spa chemicals and
cleaners.
DON'T:
• Leave the CALDERA spa exposed to the sun without water or the
cover in place. Exposure to direct sunlight can cause solar distress of
the shell material.
• Roll or slide the spa on its side. This will damage the siding.
• Lift or drag the vinyl cover by using the cover lock straps; always lift or
carry the cover by using the handles.
• Attempt to open the electrical control box. There are no user
serviceable parts inside. Opening of the control box by the spa owner
will void the warranty. If you have an operational problem, carefully go
through the steps outlined in the Troubleshooting section. If you are not
able to resolve the problem, contact your authorized CALDERA dealer.
Many problems can easily be diagnosed over the telephone by an
Authorized Service Technician.
SPA SHELL
Your CALDERA spa has an acrylic shell. Stains and dirt generally will
not adhere to your spa’s surface. A soft cloth should easily remove most
dirt. Most household chemicals are harmful to your spa’s shell (see
below for detailed information on cleaning agents). Always rinse off any
spa shell cleaning agent with fresh water.
IMPORTANT:
1. The following products are the ONLY approved cleaning agents
for your CALDERA spa shell: plain water, CALDERA Spa Shine
or Soft Scrub®. The use of alcohol or any other household cleaner
other than those listed to clean the spa shell surface is NOT
recommended. DO NOT use any cleaning products containing
abrasives or solvents since they may damage the shell surface,
specifically: Simple Green®, Windex® or Spa Mitt. NEVER USE
HARSH CHEMICALS! Damage to the shell by use of harsh
chemicals is not covered under the warranty. Always rinse off any
spa shell cleaning agent with fresh water.
2. Iron and copper in the water can stain the spa shell if allowed to go
unchecked. Ask your CALDERA dealer about a Stain and Scale
Inhibitor to use if your spa has a high concentration of dissolved
minerals. (WATKINS WELLNESS recommends Stain & Scale
Defense.)
3. Keep all cleaners out of the reach of children and use care when
applying.

Page 4
Getting Started
MAIN SPA FEATURES
1 ) The Main control panel provides a quick
visual check of the spa’s status and allows the
user to set different functions of the spa.
2) The Auxiliary control panel allows the user
to activate the jets, air jets and lights across from
the main control panel.
3 ) The Diverter system lets you divert water to
different combinations of jets simply by turning
the lever.
4) The Air Valve lever lets you dial in the ideal
amount of air for your jets.
5) The Water Feature Lever adjusts the amount
of water that flows from the water feature.
6) The ATLAS Neck Jet Lever adjusts the
amount of water that flows through the Neck
Jets.
7) The AdaptaSsage® jet provides a rotating
massage pattern.
8) The AdaptaFlo® jet allow you to redirect the
jet stream by changing the position of the nozzle.
9) The Euro Directional jets, with eyeball
nozzles, deliver a direct, more focused massage.
10) The Euro-Pulse® jets feature a special insert
that creates a soft, pulsating, rotary massage.
11) The VersaSsage® jet may be adjusted to
provide either a stationary, direct stream or, by
positioning the nozzle to one side or the other, a
rotating jet stream.
12) The OrbiSsage® jet provides a unique,
pulsating massage.
13) The Euphoria® jet provides a deep,
powerful,penetrating massage to your thighs,
knees,calves, and feet.
14) FRESHWATER Salt System housing cap.
15) ACQUARELLA water feature
16) 1" Speaker (Optional)
17) Pillow
18) ATLAS Neck Jet Pillow
19) Ozone Jet/Heater Return
20) Suction Screen
21) Grab Rail
22) Filter Compartment Lid
Getting Started
1
2
4
5
7
11
12
13
14
3
10
19
15
ADDITIONAL SPA FEATURES
16
17
20
21
22 9
18
6
(Your spa may look different)

HYDRO JETS
ADAPTAFLO Jets - These jets allow you to redirect the jet stream by
changing the position of the nozzle.
ADAPTASSAGE Jets - These jets provide a rotating massage pattern.
The face plates in the ADAPTAFLO jets and the ADAPTASSAGE jets
are interchangeable. To remove a ADAPTASSAGE face plate, turn it
counter-clockwise until it stops turning. Turn the face once more until
you hear a clicking noise, push it in, and then pull it straight off. Install
the face plate by snapping it into place. Additional ADAPTASSAGE
dual-port nozzles are available from your CALDERA dealer.
Both the ADAPTAFLO and ADAPTASSAGE jets allow you to regulate
the force of the massage. Rotate the fascia ring to reduce or increase
the force. Notice that turning off the flow to some jets increases the
flow to the other jets. To avoid damage to your spa’s plumbing and
components, do not turn off more than half of these jets at the same
time.
Euro Directional - The Euro Directional jets, with eyeball nozzles,
deliver a direct, more focused massage.
EURO-PULSE Jets - The EURO-PULSE jets feature a special insert
that creates a soft, pulsating, rotary massage.
NOTE: Please do not attempt to rotate the jet face on either the Euro
Directional, or EURO-PULSE as these jets do not regulate the force of
the massage.
VERSASSAGE Jets - These jets may be adjusted to provide either a
stationary, direct stream or, by positioning the nozzle to one side or the
other, a rotating jet stream.
The VERSASSAGE jets allow you to regulate the force of the massage.
Rotate the fascia ring counter-clockwise to reduce the force, or
clockwise to increase the force. Notice that turning off the flow to some
jets increases the flow to the other jets. To avoid damage to your spa’s
plumbing and components, do not turn off more than half of these jets at
the same time. For cleaning instructions, see the VERSASSAGE Jets
Maintenance section.
ORBISSAGE Jets - This jet provides a unique, pulsating massage.
The flow is adjustable in that it can be turned completely off or on
(by rotating the jet faceplate). It is also interchangeable with the
VERSASSAGE jet. For cleaning or replacement instructions see
VERSASSAGE Jets in the Spa Care and Maintenance section.
DIVERTER VALVES
The diverter valves on your spa allow you to direct the flow of water
from the pumps to various combinations of jets. The functions of these
diverter valves can best be learned by experimentation as follows:
Set all air controls to the “ON” position.
Turn on both pumps.
Turn the handle on
each diverter valve and
see which groups of
jets are affected. (Note
that you can adjust the
diverter valves to any
position between the
two possible extremes to
achieve the jet pressure
that feels best to you.)
IMPORTANT: Your spa is not designed to provide full power to all jets
when the diverter valves are in the “mid” position. However, with the
diverter valve in this position, you may increase the power to selected
jets by rotating the face of the ADAPTAFLO and ADAPTASSAGE jets
to close the ones that are not in use.
TIP: Turn both pumps on and place the diverter valves to the “Mid-
Position”. Then experiment with each of the air controls to see their
effect.
Page 5
Getting Started
EURO-PULSE Jet
Euro Directional Jet
ADAPTAFLO Jet
ADAPTASSAGE Jet
VERSASSAGE Jet
ORBISSAGE Jet

Page 6 Getting Started
ACQUARELLA WATERFALL VALVE
Your spa is equipped with the ACQUARELLA
waterfall feature. It is activated by turning on Jet
Pump 2 (either low or high speed). The flow is
regulated by turning the waterfall valve on the
inside wall of the spa.
NOTE: On the CANTABRIA, Jet Pump 1 activates the waterfall to the left of the
main control panel, and Jet Pump 2 activates the waterfall to the right of the main
control panel.
AIR CONTROLS
Each jet system has its own air control. These allow
you to change the power of the jets by regulating the
amount of air that is mixed with the water coming out
of the jets.
ATLAS NECK JET VALVE
All UTOPIA spas are equipped with 4 directional neck jets underneath
the pillow of the EcstaSeat®. Two of these jet nozzles (located above
the waterline) can be angled to a position that is comfortable for you.
The flow of these neck jets can be regulated by turning the ATLAS
Neck Jet valve on the inside wall of the spa.
CALDERA LOGO LIGHT
The CALDERA logo on the front of the spa illuminates a orange and
gray color. These colors indicate the power and ready status of the spa
without having to open the cover to look at the control panel.
Orange Indicator: The ORANGE indicator will light when the spa
water temperature is within 2°F (1°C) of the set temperature, and will
turn off when the temperature is outside of that range. If you increase
or decrease the temperature setting of the spa, the ready indicator will
turn off until the water temperature reaches the acceptable range for
the new temperature setting. A flashing ORANGE indicator means a
problem may exists with the temperature sensor (see Troubleshooting
section for more information).
Gray Indicator: The GRAY indicator is ‘on’ when the spa is properly
supplied with power. It also provides a diagnostic function–a flashing
GRAY indicator indicates that the heater high limit has tripped, meaning
that either the spa water is above its acceptable temperature range,
or a malfunction has occurred within the spa (such as low circulation
due to clogged filters). An ‘off’ GRAY indicator means that there is a
problem with the spa control box or the power supplied to the spa (see
Troubleshooting section for more information).
QUICK START-UP INSTRUCTIONS
BEFORE YOU FILL YOUR SPA
Make sure your spa has been properly installed per all local codes, this
includes the location of the spa, the foundation of the spa as well as
the electrical installation of the spa. Installation instructions in the form
of a Pre-Delivery Instruction booklet can be obtained from either your
CALDERA dealer or online.
DO:
• Know which water treatment system you will be using and make sure
you have necessary chemicals available. Read all of the instructions
that come with the system.
• Have FRESHWATER 5-way Test Strips Available.
• Have pH/Alkalinity Up & Down available.
• Know the calcium hardness of your water, contact your dealer to help
you with this information. See Water Quality and Maintenance for more
information.
IMPORTANT: The spa can be filled with “softened” water as long as
the calcium hardness parameters (pg. 2) are maintained.
• Purchase the Clean Screen
®
pre-filter to remove unwanted
contaminants from the tap water. This is recommended, not required.
DON'T:
• Power up the spa until it has been filled with water! Power to the
spa automatically activates critical components within the spa, such
as controls, heater, circulation pump, and other systems. If power
is supplied to these components prior to the spa being filled, the
components will be damaged, and this may result in a non-warranty
component failure.
• Fill the spa with hot water or cold water with cold water temperature
below 50º F (10º C)! Tripping of the high-limit thermostat may
result causing your spa to stop functioning.
• Use your spa after filling until all of the steps listed below START-
UP are completed!
• Add chlorine if treating your spa with polyhexamethylene biguanide
(Biguanide, PHMB, eg. BaquaSpa®) sanitizer.
START-UP
Your CALDERA spa has been thoroughly tested during the
manufacturing process to ensure reliability and long-term customer
satisfaction. A small amount of water may have remained in the
plumbing after testing and, as a result, may have spotted the spa shell
or the spa siding prior to delivery. Before filling the spa, wipe the spa
shell clean with a soft rag. The following instructions must be read and
followed exactly to ensure a successful start-up or refill.
CAUTIONS
• Do NOT fill the spa with hot water, as tripping of the high-limit
thermostat may result.
• DO NOT CONNECT POWER TO AN EMPTY SPA. Power to the
spa automatically activates critical components within the spa, such
as controls, heater, and other systems. If power is supplied to these
components prior to the spa being filled, the components will be
damaged, and this may result in a non-warranty component failure.
• DO NOT use your spa after filling until all of the steps listed below are
completed.
• DO NOT add chlorine if treating your spa with polyhexamethylene
biguanide (Biguanide, PHMB, eg. BaquaSpa
®) sanitizer.
• Before filling your spa for the first time, remove the equipment
compartment door and check to ensure that the unions on either side
of the pump(s) and heater are hand-tight.
Gray indicator - Power to spa is on
Orange indicator - Water is ready, within 2°F (1°C) of set temperature

Page 7
Getting Started
1. CLOSE DRAIN, remove the filter compartment cover, skimmer
basket, weir, and filter. Fill your spa through the filter compartment
using the CleanScreen™ pre-filter that attaches to your garden hose.
The water level of your spa should be maintained at a level 1"
(2.5 cm) above the highest jet in shell of spa. Reinstall the filter and
then the skimmer basket, and weir once the spa is filled.
2. AFTER THE SPA HAS BEEN FILLED with water and the
equipment compartment door is secured, power must be applied to
the spa.
• FIRST activate power to the subpanel from the main house panel.
• NEXT open the door of the electrical subpanel and reset the GFCI
breaker.
• FINALLY, close and secure the subpanel door.
3. TO CHECK THE OPERATION OF THE JET SYSTEM and to purge
any remaining air from the heating system complete the following
steps:
• Press the
JETS
OFF
OFF
OFF
1
2
3
icon on the Jet screen for each pump to place
the jet pumps on High.
• Once the jet system is fully operational (as indicated by strong,
non-surging jets), priming of the spa is complete
• To turn off the jets, press
the on the jet screen
to turn all
functions off simultaneously.
• If you do not feel a steady stream of water from your jets,
refer to the instructions for priming the pump in the SPA
TROUBLESHOOTING section.
IMPORTANT: Be sure that the diverter(s) are in the middle position.
4. SET THE TEMPERATURE CONTROL to the desired temperature
between 100°F (38°C) and 104°F (40°C), then place the spa
cover on the spa and allow the water temperature to stabilize
(approximately 24 hours). Make sure you secure the cover in place
using the cover locks. Periodically check the spa water temperature.
When the water temperature climbs above 90°F (32°C), proceed
to the next step. The spa temperature is pre-programmed to reach
100F (39°C), and will normally do so within 18 to 24 hours. You
may change the water temperature by pressing the temperature
on the home screen, then press the
on the screen to raise the
temperature, or ▼ to lower the temperature. After a few hours, the
water temperature will remain within 3˚F (1.5°C) of your selected
temperature.
5. USING A TEST STRIP AND APPLICABLE CHEMICALS
adjust Total Alkalinity (TA) to 40-120ppm, calcium hardness (CH)
75-150ppm, then spa water pH between 7.2 and 7.8. These
procedures are listed in the “Water Quality and Maintenance”
section.
OPERATION NOTE: Adjusting the Total Alkalinity as the first step is
important, as out-of balance TA will affect your ability to adjust the pH
correctly and will prevent the sanitizer from operating effectively.
When using the FRESHWATER Salt system the calcium hardness
must be 25-75ppm, if calcium hardness is above 75ppm use
VANISHING ACT (see pg. 11).
IMPORTANT: Activate the Clean cycle (Press on the home
screen then Start) before adding spa water chemicals directly into
the filter compartment. Make sure all diverter valves are set to the
middle position.
6. SUPERCHLORINATE THE SPA WATER by adding 1½ teaspoons
of chlorine (sodium dichlor) per 250 gallons (950 liters) of spa water,
then activate the Clean cycle.
7. TEST THE SPA WATER FOR CHLORINE RESIDUAL. If the
residual is between 3 and 5 ppm on the test strips, go on to the next
step. If the residual is less than 3 ppm, activate the Clean cycle, and
then retest, add more chlorine as necessary.
WARNING: High sanitizer levels can cause discomfort to the
user’s eyes, lungs and skin. Always allow the sanitizer level to fall
to the recommended range before using the spa.
8. RECHECK the Total Alkalinity (TA) 40-120ppm, calcium hardness
(CH) between 75-150ppm, then spa water pH at between 7.2 and 7.8.
OPERATION NOTE: Make sure you adjust your Total Alkalinity and
pH correctly, this will affect
the sanitizers effectiveness.
The spa is ready for use when the spa water has circulated and
the chlorine level remains between 3 and 5ppm.
OPERATION NOTE: For proper water circulation during the ten-minute
Clean cycle the following steps should be performed.
• Place the diverter valve in the middle (split flow) position.
• Place air control levers in OFF position by rotating clockwise.

Page 8
Water Quality and
Maintenance
BASIC INFORMATION
It’s important to have clean water. Water maintenance is one of the
least understood, yet most important, areas of spa ownership. Your
dealer can guide you through the process of achieving and maintaining
balanced water in your spa, given your local conditions.
IMPORTANT: Water Terminology can be found at the end of this
section.
• Always read & refer to the owner's manual for complete information.
• Test your water with a test strip once a week, or each time the spa is
used.
• Add chemicals in frequent small amounts to prevent overdosing the
spa.
• Use the spa only when the chlorine level is between 1-5 ppm
manually add chlorine as needed.
• It is the spa owner's responsibility to prevent over or under
chlorination.
IMPORTANT: Remember to change your water every three to four
months (up to 1 year when using the FRESHWATER Salt System).
Check with your CALDERA dealer to determine if water in your region
has unique qualities - such as high metal or mineral content - that should
be addressed, especially when using the FRESHWATER Salt System.
Your program will depend on your water’s mineral content, how often
you use your spa, and how many people use it.
WATER QUALITY CHART
PARAMETER TARGET MIN - "OK" RANGE - MAX
pH 7.4 7.2 7.8
ALKALINITY 80 ppm 40 ppm 120 ppm
HARDNESS 100 ppm 75 ppm 150 ppm
HARDNESS (SALT SYSTEM) 50 ppm 25 ppm 75 ppm
CHLORINE 3 ppm 1 ppm 5 ppm
Maintaining the water quality and the cleanliness of the filters in your spa
is your responsibility. Keeping the spa water balanced prolongs the life
of the spa components and will make the water more comfortable. Your
dealer can guide you through the process of achieving and maintaining
perfect water in your spa, given your local conditions. Your program will
depend on your water’s mineral content, how often you use your spa,
and how many people use it. WATKINS WELLNESS has developed
several water care systems and products to simplify water care which
are available from authorized CALDERA dealers.
FRESHWATER Salt System Vanishing Act
®
Calcium Remover
FRESHWATER Salt Test Strips FRESHWATER 5-way Test Strips
FRESHWATER Spa Salt CLEAN SCREEN Prefilter
CHEMICAL SAFETY
When using chemicals, read the labels carefully and follow directions
precisely. Though chemicals protect you and your spa when used
correctly, they can be hazardous in concentrated form. Always observe
the following guidelines:
• Allow only a responsible person to handle spa chemicals. Keep them
out of the reach of children.
• Accurately measure the exact quantities specified, never more. Do not
overdose your spa.
• Handle all containers with care. Store in a cool, dry, well ventilated
place.
• Always keep chemical containers closed when not in use. Replace
caps on their proper containers.
• Don't inhale fumes, or allow chemicals to come in contact with your
eyes, nose, or mouth. Wash your hands immediately after use.
• Follow the emergency advice on the product label in case of accidental
contact, or if the chemical is swallowed. Call a doctor or the local
Poison Control Center. If a doctor is needed, take the product container
along with you so that the substance can be identified.
• Don't let chemicals get on surrounding surfaces or landscaping. Don't
use a vacuum cleaner to clean up chemical spills.
• Never smoke around chemicals. Some fumes can be highly flammable.
• Don't store any chemicals in the spa equipment compartment.
HOW TO ADD CHEMICALS
TO THE WATER
IMPORTANT: All spa water chemicals must always be added directly
into or in front of the filter compartment while a jet pump is running, and
it must run for a minimum of ten minutes.
TO ADMINISTER SPA WATER CHEMICALS:
1. Fold back the cover and remove the filter compartment cover.
2. To activate the Clean Cycle, press on the Home Screen and
Start below Clean Screen.
3. Carefully measure the recommended amount of chemical and
slowly pour it over the filter basket area. Use care not to splash
chemicals on your hands, in your eyes, on the spa sheet surface, or
on the siding.
4. Replace the filter compartment cover and close the spa cover.
Risk of Drowning: Never leave an open spa unattended!
WARNING: High sanitizer levels can cause discomfort to the user’s
eyes, lungs and skin. Always allow the sanitizer level to fall to the
recommended range before using the spa.
IMPORTANT “SUPER CHLORINATION/NON-CHLORINE SHOCK
TREATMENT” NOTE: After administering a super chlorination treatment
or non-chlorine shock to your spa, leave the cover open for a minimum
of 20 minutes to allow the oxidizer gas to vent. A high concentration
of trapped oxidizer gas which may exist as a result of the shock
treatment (not daily sanitation) may eventually cause discoloration or
vinyl degradation to the bottom of the cover. This type of damage is
considered chemical abuse and is not covered under the terms of the
limited warranty.
Water Quality and Maintenance

Page 9
FUNDAMENTALS OF
WATER MAINTENANCE
• Testing: Test the water weekly or each time the spa is used with
convenient FRESHWATER 5-way Test Strips or more accurate liquid/
tablet reagent test kit per instructions. Critical parameters: sanitizer
level, pH, Calcium Hardness (CH), and Total Alkalinity (TA). Store test
equipment in a dark, cool, dry place to maintain potency.
• Water Filtration: The filtration used in CALDERA spas helps keep
water clean by circulating sanitizer and removing waste from the spa.
Regularly inspect and clean filters for peak performance.
• Chemical Balance/pH Control: It is important to adjust the primary
water parameters (Total Alkalinity, Calcium Hardness, pH) into the
recommended ranges so that they are stabilized or balanced. Balance
the water chemistry every time you fill the spa with new water and
then during the life of that body of water. Keeping the water in balance
prevents damage by holding
the pH in a safe range and
preventing calcium scale
formation on spa equipment.
A low pH can damage metal
components whereas a high
pH can cause high levels
of calcium to form scale.
Your dealer should provide
a detailed water chemistry
orientation soon after your
new spa is filled for the very
first time.
• The following three water components must be kept in
balance to avoid damage to the spa. Do balance these components
in the order they are listed here as each will help you balance the next
using a minimum amount of chemicals.
1. Calcium Hardness (CH) – CH is the measure of the amount
of dissolved calcium in the water. Low levels can make the
water corrosive and high levels cause scale formation of spa
components. The recommended CH reading is between
75 - 150 ppm. A calcium hardness between 25 - 75 ppm is
recommended with the FRESHWATER Salt System If the CH level
is too high, lower it with the VANISHING ACT calcium remover
per instructions. Once in balance, the CH reading normally
remains stable until new water is added. Great care must be taken
when filling the spa from a water softener to ensure that the calcium
remains in balance and avoids damage to the spa.
2. Total Alkalinity (TA) - TA is a measure of the water’s ability to
resist changes of pH or buffer capacity. A low TA allows the pH
to fluctuate easily. The recommended TA reading is between
40 - 120 ppm. To raise the TA, use pH/Alkalinity Up (sodium
hydrogen carbonate). To lower the TA, use pH/Alkalinity Down
(sodium bisulfate). Once the TA is balanced, it normally remains
stable until the next drain/refill. We recommend you check the TA
reading once per month. Raising/lowering the TA may cause the
pH readings to fluctuate widely. Ignore the pH readings on the test
strip while you are balancing the TA.
3. pH - The pH is the measure of the acidity and alkalinity.
Maintaining the proper pH level will optimize the effectiveness of
the sanitizer, preventing damage to the spa and physical discomfort
for spa users. A low pH dissipates sanitizer, causes corrosion, and
irritates spa users. A high pH level will neutralize sanitizer, promote
scaling and cloud water. The recommended pH reading is between
7.2 - 7.8. To lower the pH level, use pH/Alkalinity Down (sodium
bisulfate). To raise the pH level, use pH/Alkalinity Up (sodium
carbonate).
• Water Conditioners: Spa fill water varies from location to location and
user to user, therefore it is important to consult with your dealer for an
appropriate program.
a. VANISHING ACT – High levels of calcium and some minerals
can be removed from the water with the single use VANISHING
ACT. High calcium levels can cause scale formation on the spa
equipment and shell (see page 11 for instructions).
b. CLEAN SCREEN pre-filter –The CLEAN SCREEN pre-flter
should be used at every fill and top-off to remove contaminants
from the fill water, especially iron, copper, and manganese. Many
water sources including well water contain high concentrations of
minerals that can cause staining of the shell and plastics.
c. Stain and Scale control – For water high in calcium and minerals,
it may be necessary to use an anti-scalant like Stain and Scale
control. As water evaporates from your spa and new water is
added, the amount of dissolved minerals like calcium, copper, iron,
and manganese will increase. (Minimize evaporation by keeping
the cover on the spa whenever possible.) High iron or copper
content in the water may produce green or brown stains on the spa.
d. Foam Inhibitors - Soap is introduced into the spa water from users’
bodies and swimming apparel and can cause the spa water to
foam when the jets are used. Low levels of calcium hardness
(soft water) can increase foaming. Although ozone can oxidize
soap residual, it may become necessary to add Foam Inhibitors
to suppress the foam. Excessive soap in the water may require a
water change to resolve.
• Oxidizers: Ozone and Monopersulfate (MPS) are oxidizers used to
prevent the buildup of contaminants, maximize sanitizer efficiency,
minimize combined chlorine, and improve water clarity. They are to
be used in conjunction with EPA registered sanitizers. The high output,
Corona Discharge ozone system produces a high concentration of
ozone which is injected into the spa water 24 hours per day. Chlorine-
Free Oxidizer, Monopersulfate (MPS) is a granular oxidizing chemical.
• Sanitizers: Maintaining the recommended residual level of an EPA
registered sanitizer at all times will decrease the occurrence of unsafe
bacteria and viruses in your spa water. The recommended Free
Available Chlorine (FAC), the amount of available chlorine sanitizer,
is 3.0 - 5.0 ppm. A low FAC can allow bacteria and viruses to grow
rapidly in the warm water, and a high FAC can cause discomfort to the
user’s eyes, lungs, and skin. Each sanitizer carries its own instructions
regarding how much to use and when to add it to the spa water.
Consult your dealer for their recommendations and instructions on
proper sanitizing of the spa.
WATKINS WELLNESS recommends the following sanitizers:
• FRESHWATER Salt System
• Concentrated chlorinating granules (dichlor)
• Liquid chlorine (sodium hypochlorite)
WATKINS WELLNESS also approves the following sanitizers:
• Biguanide
WARNING: DO NOT use tri-chlor chlorine, bromo-chloro-dimethyl-
hydantoin (BCDMH), or any type of compressed bromine or chlorine,
acid or any type of sanitizer which is not recommended by WATKINS
WELLNESS.
Water Quality and Maintenance
ALKALINE SPA
WATER
(SCALING
ZONE)
ADD pH
DECREASER
TO LOWER
pH
ADD pH
INCREASER
TO RAISE
pH
ACIDIC SPA
WATER
(CORROSIVE
ZONE)
COMFORT
ZONE IDEAL

Page 10 Water Quality and Maintenance
THE CALDERA SPA WATER
MAINTENANCE PROGRAM
FILLING THE SPA WITH WATER
Use the CLEAN SCREEN pre-filter to remove unwanted contaminants
such as rust, dirt, detergents, and algae from the fill water. Dissolved
metals, copper, iron, and manganese are also removed. Instructions are
included with the CLEAN SCREEN pre-filter. Always fill the spa through
the filter compartment. Do not fill your spa using water from a swimming
pool as pool
chemicals are very different from those used in a spa and
can damage your spa.
ADDING CHEMICALS TO THE WATER
All spa water chemicals, including granulated dichlor, MPS, granulated
pH increaser or decreaser, granulated total alkalinity increaser, liquid
stain and scale inhibitor, and liquid defoamer must always be added
directly into the filter compartment while the jet pump is running in its
high speed mode, and it must run for a minimum of ten minutes with the
cover off. Use the Clean icon feature to ensure that the chemicals are
properly mixed when adding.
BUILDING A SANITIZER ROUTINE
During the first month of ownership, measure the sanitizer residual
daily in order to establish a baseline of sanitizer needed vs. spa usage.
Sanitizer needed is the amount of Free Available Chlorine needed to
accommodate the number of users and their combined usage time. For
example, two spa users for twenty minutes every day creates regular
demand on the sanitizer that is used to determine how much sanitizer
to add in order to maintain the proper residual. If the usage pattern
increases dramatically with invited guests, the amount and frequency of
sanitizer required increases dramatically.
PERFORMING SUPER CHLORINATION/
NON-CHLORINE SHOCK TREATMENT
A weekly or monthly super chlorination (1.5 tsp dichlor/250 gal) or shock
(4tbsp mps/250 gal) may be required of your chosen sanitation program.
Increasing chlorine to 5 ppm for 24-48 hours removes excess waste and
chloramines from the water. Sodium dichlor is 6x stronger than MPS
and may be a more appropriate for those users that experience heavy
bather load conditions. Operate all jets and leave the cover open for
a minimum of 20 minutes to allow the oxidizer gas to vent to prevent
damage and discoloration to the cover and pillows after administering
a super chlorination or shock to your spa. This type of damage is
considered chemical abuse and is not covered under the terms of the
limited warranty.
IMPORTANT
: Always allow the Free Available Chlorine to fall below 5
ppm before using your spa.
DANGER: Never leave an open spa unattended, especially if there
are children present!
FRESHWATER SALT SYSTEM (OPTIONAL)
The FRESHWATER Salt System converts water and sodium chloride
salt into chlorine sanitizer. The FRESHWATER Salt System is
compatible with chlorine based systems and chemicals. Although the
system is reduced manintenance, it is not automatic. It is important that
the user regularly tests and balances the water. A calcium hardness
between 25-75ppm is recommended to extend the life of the hardware.
Consult the FRESHWATER Salt System manual for additional
instructions.
ADDITIONAL WATER CARE PRODUCTS
• CLEAN SCREEN Pre-filter
• Concentrated Chlorinating Granules, Sodium Dichlor
• Chlorine-Free Oxidizer, Monopersulfate (MPS)
• High output ozone system
• Silver Ion purifier
The Silver Ion purifier introduces silver ions into the spa water via
erosion of silver infused beads which inhibits bacteria growth. When
combined with MPS, or chlorine, waste is oxidized and removed from
the water.
It is important to follow the recommended application and maintenance
programs outlined for each product’s use. If the spa is being used over
an extended period of time, such as a whole afternoon or evening,
additional sanitizer will be needed.
Required: Weekly Super Chlorinate/Shock the spa to reactivate the
silver ion cartridge, allow the release of silver ions, and quickly destroy
any remaining contaminants. Without this weekly shock treatment, the
silver ion cartridge may stop releasing silver ions into the water.
IMPORTANT: Use only granulated sodium dichlor or liquid chlorine
sanitizer. Silver is not compatible with bromine and biguanides. Don't use
a water clarifier. Clarifiers will cause the spa water to become cloudy.
MANUAL CHLORINE (SODIUM DICHLOR)
WATKINS WELLNESS recommends the use of Concentrated
Chlorinating Granules (sodium dichlor) for sanitizing the water. Sodium
dichlor is preferred because it is totally soluble, dissolves quickly, and is
nearly pH neutral. The recommended Free Available Chlorine (FAC),
the amount of available chlorine sanitize the spa, 3.0-5.0 ppm.
If the FAC is too low: Increase the FAC by adding granulated sodium
dichlor.
If the FAC is too high: Allow time to pass and the FAC level will
naturally drop over time.
If the spa smells of chlorine: super chlorinate or shock the spa FAC
chlorine does not have an odor whereas combined spent chlorine
(chloramines) has a strong chlorine odor that can be eliminated by
shocking the water.
IMPORTANT: There are several forms of stabilized chlorine available
for use in spas and swimming pools. It is extremely important to choose
one specifically designed for spas. Use of an incorrect product such
as tri-chlor which has a very low pH (2.6) and dissolves too quickly
in hot water, results in extremely high levels of chlorine that WILL
cause damage to your spa. Use of a compressed bromine/chlorine or
unapproved sanitizer WILL damage your spa and is specifically not
covered under the terms of the limited warranty.

Page 11
Water Quality and Maintenance
VANISHING ACT INSTRUCTIONS
Instructions for Use:
1. After Filling your hot tub, use a test strip to measure the calcium
hardness level of the water. If calcium hardness is above 100
ppm, use the VANISHING ACT calcium remover to soften the
water.
Suggested Calcium Hardness Level: between 75 - 150
ppm, (it must be between 25 - 75 ppm when using the
FRESHWATER Salt System in order to work).
2. Rinse the VANISHING ACT calcium remover with running water
until water runs clear. When placed in the hot tub, slight color
transfer to the water may occur and can be easily resolved with
chlorine.
3. Locate your spa above to determine which jet suction fitting the
VANISHING ACT calcium remover will be placed up over. Use
the circle to determine location.
a. Press
on Home screen to display the Clean Cycle screen.
Press Start below VANISHING ACT to start jet pump on low
speed.
b. Place the VANISHING ACT calcium remover firmly against
the associated jet suction fitting.
c. Test the spa water for hardness after jets shut off, this will
take around 6 hours.
IMPORTANT:
• Always make sure water is balanced and properly sanitized,
using the EPA approved sanitizer, before entering your hot
tub.
• For maximum effectiveness, ensure that the calcium
remover remains on the suction fitting while the calcium
remover is in use.
• Calcium remover may not be necessary if water hardness is
already in or below the suggested range.
• Multiple calcium removers maybe needed if initial water
hardness is above 200ppm.
CANTABRIA GENEVA NIAGARA
TAHITIAN FLORENCE PROVENCE

Page 12 Water Quality and Maintenance
OZONE MAINTENANCE (IF EQUIPPED)
If Reduced or no ozone bubbles are coming from the heater return
(clogged ozone injector) or no ozone, clean the injector:
DANGER: Nitric acid accumulates in the air lines of the ozonator
and injector, and will cause severe chemical burns if direct skin contact
is made. Always wear protective gloves, glasses and clothing when
working on the ozonator or injector lines. To prevent inhalation or
ingestion of the nitric acid, DO NOT blow or inhale with your mouth to
any of the adapters, fittings or tubing of the ozonator or injector air lines.
1. Place 16 ounces (.5 liter) of white vinegar into a cup or bucket.
2. Carefully loosen the long tubing attached to the bottom of the
ozonator, located in the equipment compartment.
3. Place the end of the tubing into the vinegar, making certain that the
end of the tubing sits at the bottom of the container.
4. Run the spa until all 16 ounces (.5 liter) of the vinegar is gone. This
should allow
an ample flow of vinegar to be run through the injector and
clear the blockage.
5. Reinstall the tubing to the bottom of the ozonator.
Water chemistry damage is not covered by the warranty. The chemical
levels and water quality in the spa are under your direct control.
With proper basic care, the spa will provide many years of hot water
relaxation. If you are unsure about any chemical or its usage in the spa,
contact your Authorized Dealer, or WATKINS WELLNESS.
DO:
• Add all chemicals slowly into the filter compartment with the jet pump
operating for ten minutes.
• Use special care if using baking soda to clean either the interior or
exterior plastic surfaces.
• Use granular (dichlor) or liquid (sodium hypochlorite) chlorine.
IMPORTANT: WATKINS WELLNESS DOES NOT recommend the
use of any floating chemical dispenser. Damage to the spa shell or
components caused by a floating chemical dispenser is specifically not
covered under the terms of the limited warranty. Floating dispensers can
become trapped in one area and cause an over-sanitization or release
large chunks of sanitizer that very quickly chemically burn the shell and
cover.
DON'T:
• Use compressed sanitizers.
• Use a floater type sanitization system as a low or no maintenance
solution to your spa maintenance program.
• Use a sanitizer which is not designed for spas.
• Use swimming pool (muriatic) acid to lower pH.
• Broadcast or sprinkle the chemicals onto the water surface. This
method may cause chemically-induced spa surface blistering (chemical
abuse).
VACATION WATER CARE
INSTRUCTIONS
If you plan to be away from home, follow these instructions to ensure
that the water quality of your spa is maintained:
SHORT TIME PERIODS (3-5 DAYS)
1. Adjust the pH by following the instructions outlined in the Water Quality
and Maintenance section.
2. Sanitize the water by following the shock procedures also listed in the
Water Quality and Maintenance section.
3. Lock your cover in place using the coverlocks.
4. Upon your return, sanitize the water by following the shock procedures,
and balance the pH.
5. If FRESHWATER Salt System is installed, please refer to Tips section,
vacation or limited use in the Salt System Owner's Manual.
LONG TIME PERIODS (5-14 DAYS)
Prior to leaving:
1. At least one day before you leave, set the temperature to its lowest
level. This setting should represent an approximate water temperature
of 80°F (27°C)
IMPORTANT: Spa water oxidizers such as sodium dichlor (chlorine)
maintain their level of effectiveness substantially longer in warm water
80°F
(27°C)
than in hot water 101°F to 104°F (38°C - 40°C).
2. Adjust the pH as required. Sanitize the water by following the shock
procedures.
Upon your return:
3. Sanitize the water by following the shock procedures. Return the set
temperature to its original setting. The spa water will be safe for you to
use once the Free Available Chlorine residual level has dropped below
5.0 ppm.
IMPORTANT: If you will not be using your spa for an extended period
of time (in excess of 14 days) and an outside maintenance service (or
neighbor) is not available to assist with the water maintenance, draining
or winterizing of the spa is recommended.

Page 13
SUPPLEMENTAL WATER MAINTENANCE
Proper water sanitation and mineral balance (pH control) are absolutely
essential for a complete spa water maintenance program. Here are two
other popular water additives that are optional:
Mineral Deposit Inhibitors
As water evaporates from your spa and new water is added, the amount
of dissolved minerals will increase. (Minimize evaporation by keeping
the cover on the spa whenever possible.) The spa water may eventually
become “hard” (Calcium Hardness too high) enough to damage the
heater by calcifying its surface. Proper pH control can minimize this.
Normal soap build-up will require water replacement regularly enough
that mineral deposits normally are not a problem.
Occasionally, high iron or copper content in the water may produce
green or brown stains on the spa. A stain and scale inhibitor may help to
reduce these metals.
IMPORTANT: Well water may contain high concentrations of minerals.
The use of a low water volume, extra-fine pore water filter (in-line pre-
filter such as the CLEAN SCREEN pre-filter) will help to remove many of
the larger particles during the filling of the spa. In-line pre-filters can be
purchased at your local CALDERA dealer.
Foam Inhibitors
Spa water requires changing due to the buildup of soap in the water.
Typically, soap will cause the spa water to foam when the jets are used.
Soap is introduced into the spa water from two sources: users’ bodies,
which retain a soap residual after showering, and swimming apparel,
which retains soap after washing.
Foam inhibitors can suppress foam, but cannot remove soap from the
water. Soap is very difficult to remove from the water because soap is
not oxidized by any chemical added to the spa. Only ozone can oxidize
soap. Eventually the soap build-up in the water will be concentrated,
resulting in an unclean feeling on the bather’s skin, which is impossible
to remedy. When this occurs, it’s time to drain and refill the spa.
Depending on the soap input, the water should last about four months
before needing to be drained.
GLOSSARY
The following chemical terms are used in this Water Quality and
Maintenance section. Understanding their meaning will help you to
better understand the water maintenance process.
Bromamines: Compounds formed when bromine combines with
nitrogen from body oils, urine, perspiration, etc. Unlike chloramines,
bromamines have no pungent odor, and are effective sanitizers.
Bromine: A halogen sanitizer (in the same chemical family as chlorine).
Bromine is commonly used in stick, tablet, or granular form however,
stick and tablet form should NOT be used.
Calcium Hardness: The amount of dissolved calcium in the spa water.
This should be between 75 - 150ppm (Salt System: between
25 - 75ppm). High levels of calcium can cause cloudy water and scaling.
Low levels can cause harm to the spa equipment.
Chloramines: Compounds formed when chlorine combines with
nitrogen from body oils, urine, perspiration, etc. Chloramines can cause
eye irritation as well as having a strong odor. Unlike bromamines,
chloramines are weaker, slower sanitizers.
Chlorine: An efficient sanitizing chemical for spas. WATKINS
WELLNESS recommends the use of sodium dichlor-type granulated
chlorine. This type is preferred because it is totally soluble and nearly pH
neutral.
Chlorine (or Bromine) Residual: The amount of chlorine or bromine
remaining after chlorine or bromine demand has been satisfied. The
residual is, therefore,
the amount of sanitizer which is chemically available to
kill bacteria, viruses and algae.
Corrosion: The gradual wearing away of metal and plastic spa parts,
usually caused by chemical action. Generally, corrosion is caused by low
pH or by
water with levels of TA, CH, pH or sanitizer which are outside the
recommended ranges.
Halogen: Any one of these five elements: fluorine, chlorine, bromine,
iodine, and astatine.
MPS: Monopersulfate is a non-chlorine oxidizer.
Nitric Acid: The formulation of nitric acid, a highly corrosive chemical,
is a byproduct of the ozone generating process. Nitric acid is produced
in very small quantities and is readily dissolved in the water stream with
ozone.
Oxidizer: The use of an oxidizing chemical is to prevent the buildup of
contaminants, maximize sanitizer efficiency, minimize combined chlorine
and improve water clarity. See MPS and Ozone.
Ozone: Ozone is a powerful oxidizing agent which is produced in
nature and artificially by man. Ozone forms no byproducts, oxidizes
chloramines, and will not alter the water’s pH.
pH: The measure of the spa water’s acidity and alkalinity. The
recommended pH for the spa water is 7.2 to 7.8. Below 7.0 (considered
neutral), the spa water is too acidic and can damage the heating system.
Above 7.8, the water is too
alkaline and can result in cloudy water, and
scale formation on the shell and heater.
ppm: The abbreviation of “parts per million”, the standard measurement
of chemical concentration in water. Identical to mg/l (milligrams per liter).
Reagent: A chemical material in liquid, powder, or tablet form for use in
chemical testing.
Sanitizer: Sanitizers are added and maintained at recommended
residuals to protect bathers against pathogenic organisms which can
cause disease and infection in spa water.
Scale: Rough calcium-bearing deposits that can coat spa surfaces,
heaters, plumbing lines, and clog filters. Generally, scaling is caused by
mineral content combined with high pH. Additionally, scale forms more
readily at higher water temperatures.
Super-Chlorination: Also known as “shock treatment.” Super-
Chlorination is a process of adding significant doses of a quick dissolving
sanitizer (“dichlor” is recommended) to oxidize non-filterable organic
waste and to remove chloramines and bromamines.
Total Alkalinity (TA): The amount of bicarbonates, carbonates, and
hydroxides present in spa water. Proper total alkalinity is important for
pH control. If the TA is too high, the pH is difficult to adjust. If the TA is
too low, the pH will be difficult
to hold at the proper level. The desired
range of TA in spa water is 40 to 120 ppm.
Water Quality and Maintenance

Page 14
Operating Instructions
MAIN CONTROL PANEL
The main control panel features a full color LCD touchscreen that
provides a quick visual check of the spa’s status and allows the user to
set the temperature, activate the jets & lights, lock the temperature and/or
spa functions. Other optional functions may also be available depending
on the spa model and accessory equipment that has been installed into
the spa.
HOME SCREEN
The Home screen is the default screen. The temperature displayed
inside the Home screen is the actual temperature of the spa water.
CARE OF YOUR SCREEN:
Use only a clean microfiber cloth and water to clean your LCD screen.
Abrasive cloths, towels, paper towels, and similar items may cause
damage to the screen. Don't use around aerosol sprays, solvents, or
abrasives.
Home Screen Functions:
Power
Press this icon to turn jets on
high and all lights on blue if both
are currently off, or will turn all
jets, lights, and music off if those
features are currently on.
Memory
Screen
Press this icon to access the
Memory screen.
Clean Cycle
Press this icon to access the Clean
Cycle screen. Icon will flash when
Clean Cycle is on.
Settings
Screen
Press this icon to access the first
Settings screen.
Home Screen Features
Jets
Press this icon to access the Jets
Control screen.
Salt System
If installed, press this icon to access
the Water Care screen.
Music
If installed, press this icon to access
the first Music screen.
Lights
Press this icon to access the first
Lighting screen.
Status Indicators
Summer Timer
or
Auto Clean
This indicator is on whenever the
Summer Timer is ON or Auto Clean
is activated.
Spa/Temp Lock
This indicator is on whenever the
Spa Lock or Temperature Lock is ON.
Invert Screen
Press this indicator to invert the
screen.
FRESHWATER
Salt System
This indicator appears when the
FRESHWATER cartridge is over 4
months old and should be changed.
Working Screen Icons
Home Icon Press to return to the Home screen.
or
SETTINGS
TEMPERATURE LOCKOFF ON
SPA LOCKOFF ON
LIGHTS TIMEROFF ON
SUMMER TIMEROFF ON
Return Icon Press to return to the previous
screen.
SETTINGS
TEMPERATURE LOCKOFF ON
SPA LOCKOFF ON
LIGHTS TIMEROFF ON
SUMMER TIMEROFF ON
Advance Icon Press to advance to the next screen.
Touch Screen
Auto Brightness
Sensor
Home Screen
Functions
Home Screen Features
Temperature
Control
{
{
Status
Indicators
When activating a function or feature, press
with a light but distinctive touch, the function or
feature will activate as your finger is removed
from the touchscreen.
IMPORTANT: Never sit, stand or lean on the LCD
touchscreen when entering or exiting the spa because it may
damage the screen.
Operating Instructions

TEMPERATURE CONTROL
Press the actual temperature on Home screen to
display Set Temperature screen.
The set temperature range is from
80°F to 104°F (26°C to 40°C).
NOTE: The water temperature
may vary depending on the current
use and condition of your spa and
outside temperatures.
The factory set temperature of the spa water is 100°F (38°C).
The last temperature value set by the user will be stored in memory. If
power is disconnected from the spa, it will automatically revert to the last set
temperature when power is reapplied.
Press to raise set temperature of spa. Press and hold to
raise the temperature continuously.
Press to lower set temperature of spa. Press and hold to
lower the temperature continuously.
MEMORY SCREEN
Press on Home screen to display Memory screen.
Press to activate the last saved set of
operating functions.
Press to save the current set of operating
functions (jets and lights only).
Press to return to home screen if neither
of the above buttons are used. Screen
will automatically revert back after 10
seconds of non activity.
CLEAN CYCLE SCREEN
Press on Home screen to display Clean Cycle screen.
Press to start the
manual Clean Cycle.The screen
will briefly display CLEAN
CYCLE: ACTIVE. Activates jet
pump 1 on high speed for a ten
minute period
AUTO
CLEAN CYCLE:
START
ONOFF
Press & hold to activate and deactivate the Auto
Clean Cycle. If activated, a clean cycle will run
every 24 hours starting at the time ON was first
pressed (runs Jet 2 for 1 minute and Jet 1 for 9
minutes)
Press to return to Home screen. Screen will
automatically revert back after 10 seconds of non
activity.
VANISHING ACT CYCLE
Press
38.5C
on Home screen to display the VANISHING ACT screen.
Press to start the VANISHING ACT cycle activating
the low speed jet pump for
6 hours, ONLY to be used
with
VANISHING ACT (see page 11)
SETTINGS SCREENS
Press on Home screen to display first Settings Screen.
The first Settings screen allows
you to turn Temperature Lock, Spa
Lock, Lights Timer and Summer
Timer On or Off.
TEMPERATURE LOCK
Press on Home screen to display Temperature Lock.
The Temperature Lock feature
prevents changing the desired
water temperature setting. All other
control panel functions will operate
normally while the Temperature Lock is "ON".
Press and hold ON or OFF for approximately 4 seconds to activate
or deactivate.
SPA LOCK
Press on Home screen to display Spa Lock.
When activated, the Spa Lock
feature disables all functions on the
control panel.
The control panel will not respond to
anything except on the Home screen.
Press and hold ON or OFF for approximately 4 seconds to activate
or deactivate.
LIGHTS TIMER
Press on Home screen to display Lights Timer.
When activated, the exterior lights
of the spa will come on 5 seconds
later will remain lit for 6 hours and
repeat the cycle every 24 hours from activation time.
Press ON or OFF to activate or deactivate.
SUMMER TIMER
Press on Home screen to display Summer Timer.
The Summer Timer can be activated during extremely hot summer
months to help maintain set water
temperatures.
• Activating the Summer Timer
causes the heater to immediately shut down. The circulation pump
will remain on for approximately 5 minutes pushing water through
the heater to cool it down.
MEMORY:
RESTORE
SAVE
AUTO
CLEAN CYCLE:
START
ONOFF
VANISHING ACT®:
START
SETTINGS
TEMPERATURE LOCKOFF ON
SPA LOCKOFF ON
LIGHTS TIMEROFF ON
SUMMER TIMEROFF ON
SETTINGS
TEMPERATURE LOCKOFF ON
SPA LOCKOFF ON
LIGHTS TIMEROFF ON
SUMMER TIMEROFF ON
SETTINGS
TEMPERATURE LOCKOFF ON
SPA LOCKOFF ON
LIGHTS TIMEROFF ON
SUMMER TIMEROFF ON
SETTINGS
TEMPERATURE LOCKOFF ON
SPA LOCKOFF ON
LIGHTS TIMEROFF ON
SUMMER TIMEROFF ON
SETTINGS
TEMPERATURE LOCKOFF ON
SPA LOCKOFF ON
LIGHTS TIMEROFF ON
SUMMER TIMEROFF ON
Page 15
Operating Instructions
AUTO
CLEAN CYCLE:
START
ONOFF
VANISHING ACT®:
START

Page 16 Operating Instructions
• Both heater and circulation pump will remain off for eight hours.
The circulation pump and heater will automatically shut down
for the same eight hours every day until the Summer Timer is
deactivated.
• It is recommended to activate the Summer Timer in the morning so
that the spa is off during the hottest part of the day and so that the
circulation pump will start up again in the evening when you are
ready to enjoy the spa.
SETTINGS
TEMPERATURE LOCKOFF ON
SPA LOCKOFF ON
LIGHTS TIMEROFF ON
SUMMER TIMEROFF ON
Press ON or OFF to activate or deactivate.
TEMPERATURE ºF/ ºC SETTING
Press on Home screen to display first Settings screen, then press
SETTINGS
TEMPERATURE LOCKOFF ON
SPA LOCKOFF ON
LIGHTS TIMEROFF ON
SUMMER TIMEROFF ON
to display Temperature
in second Settings screen.
Press ºF or ºC to activate either
Fahrenheit or Celsius temperature.
SETTINGS
TEMPERATURE
BRIGHTNESS
°F °C
AUTO
ENGLISH
SCREEN BRIGHTNESS
Press on Home screen to display first Settings screen, then press
SETTINGS
TEMPERATURE LOCKOFF ON
SPA LOCKOFF ON
LIGHTS TIMEROFF ON
SUMMER TIMEROFF ON
to display Brightness in second Settings screen.
Press to
activate the auto
brightness feature, a
sensor will automatically
adjust the LCD to the
ambient lighting
conditions.
Press or to turn AUTO brightness off and
manually
increase or decrease the brightness of
the remote's screen. Press and hold either arrow to
continuously change the brightness setting.
LANGUAGE
Press on Home screen to display first Settings screen, then press
SETTINGS
TEMPERATURE LOCKOFF ON
SPA LOCKOFF ON
LIGHTS TIMEROFF ON
SUMMER TIMEROFF ON
to display Brightness in second Settings screen.
The control panel screens can
be viewed in different languages
(ENGLISH illustrated).
Press to display Select Language screen.
NOTE: Press
SETTINGS
TEMPERATURE LOCKOFF ON
SPA LOCKOFF ON
LIGHTS TIMEROFF ON
SUMMER TIMEROFF ON
to see more
languages.
Press and hold on the new desired
language until it turns green.
Press to start the conversion process. The conversion is
finished once the Home screen reappears.
Press to return to second Settings screen if check mark icon
is not pressed. Screen will automatically revert back after 10
seconds of non activity.
JETS CONTROL SCREEN
Press on the Home screen to display the Jets screen.
NOTE: If jets are off when is
pressed on the Home screen, low
speed for jet pump 2 will turn on.
Your screen may look different
depending on how many jet pumps
your spa has.
The Jet pump icon (on home page) will remain displayed until a button
is pressed to turn off the jet pump(s), or after one hour of continuous
operation when the pump(s) is automatically shut off by the control
system.
The jet pump(s) will turn themselves off after one hour of continuous operation
to prevent overheating and conserve energy. The jets can be restarted again
with no delay.
JETS
OFF
OFF
OFF
1
2
3
Press to turn Jet pump off.
JETS
OFF
OFF
OFF
1
2
3
Press to turn Jet pump on low speed.
JETS
OFF
OFF
OFF
1
2
3
Press to turn Jet pump on high speed.
Press to turn ALL jet pumps off (if on) or all to High speed (if
off).
FRESHWATER SALT SYSTEM
SCREEN (OPTIONAL)
Press on the Home Screen to
display the Water Care screen.
This icon will only display on the
Home screen if the spa has the
FRESHWATER Salt
System
installed.
See FRESHWATER Salt System
Owner's Manual for more information.
MUSIC SYSTEM SCREEN (OPTIONAL)
Press on the Home screen to access the Music System screen.
The Music icon will only display on
the Home screen if your spa has
the Music System installed.
Press to turn the Music system ON or OFF.
The primary Music screen will display a music player with volume control
and a Music Source selection box.
NOTE: When the Music system is turned Off there is an 8 second delay
before Music system may be turned back ON.
SETTINGS
TEMPERATURE
BRIGHTNESS
°F °C
AUTO
ENGLISH
SETTINGS
TEMPERATURE
BRIGHTNESS
°F °C
AUTO
ENGLISH
SETTINGS
TEMPERATURE
BRIGHTNESS
°F °C
AUTO
ENGLISH
JETS
OFF
OFF
OFF
1
2
3
4 Months Screen
6 Months Screen
When Level input is “0” When Boost button is On Normal functioning screen
Replace Cartridge Screen starts from here
Step by step instructions with clickable icons.
Cartridge Expired
Restart Salt System?
OK
Replace Cartridge Now?
OK
Turning O Pumps
Salt Water System Restarting
Salt System is ready!
This screen appears for 1 seconds then goes to normal functioning screen
L
L
System is O
O
Low Output Mode
OK
24-Hour Boost Cycle
OK
Okay
OK
Cartridge Reached 4 Months
Replace Cartridge?
6 Month Active Screen
NEW - blue freshwater icon color
0
+
-
O
3
Salt System
OKLater
3
+
-
Salt System Salt System
Salt System
Later
Salt System
Salt System
1
+
-
O
Salt System
Salt System
Salt System
1
+
-
O
Salt System
Salt System
Salt System
Salt System
Salt System
5
O
L
TBr
FCI
Alk
pH
Hard
2
32
Salt System
Inactive - Low Status
Dip Salt Strip or Replace Cartridge
Low
Salt System
Later
13
2
Low
Low
Salt System
Inactive - High Status
Dip Salt Strip or Replace Cartridge
High
Salt System
Service required - Contact Dealer
Error #
Caldera Salt System Control Panel
Or Wake Up Screens
Immediate customer action at rst button push - ash Logo
Home Screen
10 Days Screen
4 Months Screen
6 Months Screen
When Level input is “0” When Boost button is On Normal functioning screen
Replace Cartridge Screen starts from here
Step by step instructions with clickable icons.
Cartridge Expired
Restart Salt System?
OK
Replace Cartridge Now?
OK
Turning O Pumps
Salt Water System Restarting
Salt System is ready!
This screen appears for 1 seconds then goes to normal functioning screen
- Caldera Brand charcoal background, orange home button
- Freshwater logo and system title
- Message displays center aligned
- Flat design buttons with icons
- Water status in circle shape, clickable button,
functionality similar to the original two-sided color
bar. Indicator shows low > ok > high with message
displays in the middle of the button and on screen as well.
#84cac5 #f2e8c4 #eda928 #eb7a54 #6e6f71
Salt System
Inactive - Low Status
Dip Salt Strip or Replace Cartridge
Low
Low
L
L
System is O
O
Low Output Mode
OK
24-Hour Boost Cycle
OK
Okay
OK
Cartridge Reached 4 Months
Replace Cartridge?
6 Month Active Screen
Salt System
Inactive - High Status
Dip Salt Strip or Replace Cartridge
High
Salt System
Inactive - High Status
Dip Salt Strip or Replace Cartridge
1
+
-
O
0
+
-
O
Salt System
Service required - Contact Dealer
Error #
3
Salt System Salt System
OKLater Later
3
+
-
Salt System Salt System
Salt System
Later
Salt System
Salt System
1
+
-
O
On
Salt System
Salt System
Salt System
1
+
-
O
Salt System
Salt System
Salt System
Salt System
Salt System
5
O
13
2
L
TBr
FCI
Alk
pH
Hard
2
3
2
SETTINGS
TEMPERATURE
BRIGHTNESS
°F
°
C
AUTO
ENGLISH
SELECT LANGUAGE:
DANSK
ENGLISH
ESPANOL
FRANCAIS
ITALIANO

Page 17
The player functions consist of Track
Down, Play, Pause and Track Up
Press or to decrease or increase
the volume.
Press icon to display the Select Music
Source screen.
Press on the new desired Music
source.
TV This source requires a spa TV only available from your
CALDERA dealer.
AUX Source from a line level audio input
BLUETOOTH This source will work with any Bluetooth device. Find
My Spa BTXR on your Bluetooth device when pairing
to spa (see pairing information below).
Press to return to Primary Music screen. Screen will
automatically revert back after 10 seconds of non activity.
IMPORTANT: When using the
Bluetooth source, the player
functions may or may not work
depending on your Bluetooth
device. Not all Bluetooth devices
will respond to player functions.
Volume control will work on all
audio sources.
SETTINGS
TEMPERATURE LOCKOFF ON
SPA LOCKOFF ON
LIGHTS TIMEROFF ON
SUMMER TIMEROFF ON
Press to advance to Secondary Music screen.
Press or to decrease or
increase the value for each music
feature. Bass,Treble and Balance
range is from -5 to +5.
Subwoofer range is from 0 to 11.
Press in Tools to scroll
between PAIR, SIGNAL and RESET, press in Tools to activate the
current function.
To PAIR your device:
Press with PAIR displayed inside TOOLS box followed by pressing
"connect" next to My Spa BTXR on your device to pair. If you do not see
this, another device may already be connected (see RESET below To
Disconnect another Bluetooth device).
After pairing, you will be ready to use your Bluetooth device. Only one
paired Bluetooth device will work at a time.
Use RESET to disconnect any device using the spa music system so that
another paired device may be used.
This is also necessary when trying
to pair multiple devices because
pairing is NOT possible when another device is connected to the music
system.
• Press with RESET displayed inside TOOLS box to remove any
device connected to the music system.
To view the signal strength between
your Bluetooth device and the
music system Press with
SIGNAL displayed inside TOOLS box.
LIGHTS CONTROL SCREEN
Press on the Home screen to access the primary Lights screen.
NOTE: If lights are off when is
pressed on the Home screen, all
light zones will turn on to blue.
The primary Lights screen is
divided into two sections, the
MOODS section and the ALL
LIGHTS section.
MOODS (Preset colors and brightness):
LIGHTS
1
2
3
4
MOODS ALL LIGHTS
Press to turn On Underwater lights (blue color).
LIGHTS
1
2
3
4
MOODS ALL LIGHTS
Press to turn On Underwater (magenta), Topside & Waterfall
(aqua) and Exterior lights (white).
LIGHTS
1
2
3
4
MOODS ALL LIGHTS
Press to turn On Underwater & Topside lights (aqua).
LIGHTS
1
2
3
4
MOODS ALL LIGHTS
Press to turn On Topside lights (white).
ALL LIGHTS:
LIGHTS
1
2
3
4
MOODS ALL LIGHTS
Press to turn all lights On or Off. When all lights are
turned On they will all be blue.
Press or to decrease or increase the
brightness setting for all lights that are currently on.
Press any of the color boxes to turn that color on in all
light zones.
Press the multicolored box to turn color wheel on for
all light zones. Press the color wheel a second time to
stop the color wheel at a desired color.
SETTINGS
TEMPERATURE LOCKOFF ON
SPA LOCKOFF ON
LIGHTS TIMEROFF ON
SUMMER TIMEROFF ON
Press to advance to the secondary Lights screen.
Select the color and brightness for
each desired light zone.
NOTE: Different colors and
brightness settings can be selected
for each individual zone.
LIGHTS
TOPSIDE
UNDERWATER
WATERFALL
EXTERIOR
Press the button next to the zone description to select
the desired lighting zone (only one light zone can be
selected at a time).
Press or to decrease or increase the
brightness setting for selected light zone.
Press any of the color boxes to turn that color on in the
selected light zone.
Press the multicolored box to turn color wheel on for
selected light zone. If more than one zone uses the
color wheel, the colors will automatically synchronize.
Press the color wheel a second time to stop the color
wheel at a desired color.
LIGHTS
1
2
3
4
MOODS ALL LIGHTS
MUSIC
+2 BASS
0TREBLE
-2 BALANCE
SUBWOOFER3
TOOLS
PAIR
LIGHTS
TOPSIDE
UNDERWATER
WATERFALL
EXTERIOR
MUSIC
SONG:
ARTIST:
FLY ME TO THE MOON
FRANK SINATRA
SELECT MUSIC SOURCE:
BLUETOOTH
TV
AUX
MUSIC
+2 BASS
0TREBLE
-2 BALANCE
SUBWOOFER3
TOOLS
RESET
MUSIC
+2 BASS
0TREBLE
-2 BALANCE
SUBWOOFER3
TOOLS
SIGNAL
Operating Instructions

Page 18 Operating Instructions
AUXILIARY PANEL
AUXILIARY CONTROL PANEL BUTTONS
The auxiliary control panel, conveniently located opposite the main
control panel allows the user to activate the jets and lights.
JETS BUTTON
There are two buttons which affect the jet pumps. Pressing any JETS
button once displays the jets symbol on the main control panel display.
The symbol will remain displayed until the jet pump is turned off (see
chart below), or after one hour of continuous operation when the pumps
are automatically shut off by the control system.
GENEVA , NIAGARA, TAHITIAN, FLORENCE & PROVENCE models:
JETS 1 button JETS 2 button
1st press: pump 1 on pump 2 on low speed
2nd press: pump 1 off pump 2 on high speed
3rd press: N/A pump 2 off
CANTABRIA model:
JETS 1 button JETS 2&3 button
1st press: pump 1 on low seed pump 2 on low speed
2nd press: pump 1 on high speed pump 2 on high speed
3rd press: pump 1 off pump 2 & 3 on high speed
4th press: N/A pump 2 on low & pump 3 on high speed
5th press: N/A pump 2 off & pump 3 on high speed
6th press: N/A pump 2 & 3 off
LIGHT BUTTON
The “LIGHT” button activates the SPAGLO multi-zone lighting system
and controls the intensity of the light. Pressing the “LIGHT” button
operates the light as follows:
• 1st press of the “LIGHT” button: all lights on.
• 2nd press: topside lights off.
• 3rd press: waterfall light off.
• 4th press: Underwater lights and EUPHORIA Jets lights on
medium intensity; external lights on full intensity.
• 5th press: Underwater lights and EUPHORIA Jets lights on
low intensity external lights on full intensity.
• 6th press: Underwater lights and EUPHORIA Jets lights off
external lights on full intensity.
• 7th press: all lights off.
If any lights are left on, they will automatically be turned off by the
control system after six hours of continuous operation. The light icon on
the control panel will also turn off when the lights are deactivated.
If the light will not turn on, make sure SPA LOCK is deactivated. SPA
LOCK disables the controls on both the main and auxiliary control panel.
(See the SPA LOCK section for more information on the SPA LOCK
feature.)
CANTABRIA ULTRAMASSEUSE
CONTROL PANEL
The UltraMasseuse system turns on automatically in the UltraMasseuse
lounge when jet pump 3 is activated. At this time, all the jets are on, and
only the Speed indicator light is on. Pressing the Sequences button begins
the jet massage.sequences button. See Sequences on next page.
GENEVA
,
NIAGARA, TAHITIAN,
FLORENCE & PROVENCE
JETS 1 button
Activates jet pump 1
LIGHT button
Activates the interior
& exterior lighting
JETS 2 button
Activates jet pump 2
& Waterfall
CANTABRIA
JETS 1 button
Activates jet pump 1
and waterfall
LIGHT button
Activates the interior
and exterior lighting
JETS 2 & 3 button
Activates jet pumps 2
and 3 and waterfall
Massage Sequence Indicator Lights
Speed button
Determines the
amount of time
between steps in a
jet sequence
Pause button
Interrupts sequence and
prolongs jets
Sequences button
Selects pre-
programmed jet
sequence

Page 19
Operating Instructions
SEQUENCES BUTTON
The Sequences button controls the jet massage pattern.
The ULTRAMASSEUSE system is pre-programmed with six
different jet sequences. Pressing the "Sequences" button once
starts the first jet sequence. The corresponding indicator light
will stay lit while the sequence is on.
To scroll through the jet sequences, keep pressing the Sequences button
within 5 seconds. To select a jet sequence, scroll through until you have
found the one you want, and then release the Sequences button.
Steps Sequence 1 Sequence 2 Sequence 3 Sequence 4 Sequence 5 Sequence 6
Step 1 Neck and Upper Back
Jets
Lower Back and Feet Jets
Lower Back and Feet Jets
Leg Jets
Neck and Upper Back
Jets
Leg Jets
Neck and Upper Back
Jets
Neck and Upper Back
Jets
Neck and Upper Back
Jets
Step 2 Lower Back and Feet Jets Neck and Upper Back Jet
Leg Jets
Lower Back and Feet Jets Neck and Upper Back
Jets
Lower Back and Feet Jets
All Jets Lower Back and Feet Jets
Step 3 Leg Jets Neck and Upper Back Jet
Lower Back and Feet Jets
Neck and Upper Back
Jets
Leg Jets
Lower Back and Feet Jets
Leg Jets
All Jets Leg Jets
Step 4 Repeat Steps 1-3 Neck and Upper Back
Jets
Lower Back and Feet Jets
Lower Back and Feet Jets Leg Jets All Jets Leg Jets
Step 5 Neck and Upper Back Jet
Leg Jets
Neck and Upper Back
Jets
Lower Back and Feet Jets
Leg Jets Neck and Upper Back
Jets
Lower Back and Feet Jets
Lower Back and Feet Jets
Step 6 Lower Back and Feet Jets
Leg Jets
Leg Jets Lower Back and Feet Jets
Leg Jets
Neck and Upper Back
Jets
Neck and Upper Back
Jets
Step 7 Repeat Steps 1-6 Neck and Upper Back
Jets
Lower Back and Feet Jets
Neck and Upper Back
Jets
Lower Back and Feet Jets
Repeat Steps 1-6 Repeat Steps 1-6
Step 8 Neck and Upper Back
Jets
Lower Back and Feet Jets
Neck and Upper Back
Jets
Step 9 Lower Back and Feet Jets
Leg Jets
Repeat Steps 1-8
Step 10 Neck and Upper Back
Jets
Step 11 Lower Back and Feet Jets
Leg Jets
Step 12 Neck and Upper Back
Jets
SPEED BUTTON
The Speed button determines the amount of time between steps in a jet sequence. This button only functions when you have selected a sequence. The
Speed indicator light corresponds to the speed chosen.
Press once: 15 seconds between each step (indicator light blinks slowly)
Press twice: 10 seconds between each step (indicator light blinks at medium speed)
Press a third time: 5 seconds between each step (indicator light blinks fast)
PAUSE BUTTON
The Pause button will interrupt the jet sequence and prolong the current jet massage.
Press once to pause the pre-programmed jet sequence and continue the current jet activity. The indicator light will be lit when the sequence is paused.
Press a second time to continue the jet sequence.

Page 20
Jet Menu
CANTABRIA JET SYSTEM MENU
JET PUMP 1 - JET SYSTEM 1
a. 2 Euro-Directional jets
b. 3 VERSASSAGE jets
c. 10 Euro-Directional jets
d. 1 ACQUARELLA Waterfall
= position of diverter valve
to control jet system
a
b
c
c
d
JET PUMP 1 - JET SYSTEM 2
a. 2 Directional Neck jets
b. 16 Euro-Directional jets
c. 2 EURO-PULSE jets
d. 4 Euro-Directional jets
e. 1 ACQUARELLA Waterfall
a
b
b
c
c
d
d
e
JET PUMP 2 - JET SYSTEM 1
a. 8 Euro-Directional jets
b. 2 VERSASSAGE jets
c. 2 EURO-PULSE jets
d. 1 ACQUARELLA Waterfall
a
a
b
c
c
d
JET PUMP 2 - JET SYSTEM 2
a. 2 ADAPTASSAGE jets
b. 6 Euro-Directional jets
c. 2 ADAPTASSAGE jets
d. 1 EUPHORIA jet
e. 1 ACQUARELLA Waterfall
a
b
c
d
e
JET PUMP 3 - ULTRAMASSEUSE SYSTEM
Located in the UltraMassage® lounge:
a. 12 Euro-Directional jets
b. 2 ORBISSAGE jets
c. 2 VERSASSAGE jets
a
a
a
bb
c
a
Jet Menus

Page 21
GENEVA JET SYSTEM MENU
COMBINATION JET SYSTEM
Jet Pump diverter in mid position activates both Jet Pump Systems 1 and 2.
Right Side diverter in mid position activates both Right Side Systems
b
JET PUMP 1 – JET SYSTEM 1
Located in EcstaSeat ®
a. 2 Directional Neck jets
b. 18 Euro Directional jets
c. 2 EURO-PULSE jets
JET PUMP 2 – JET SYSTEM 2
Located in ULTRAMASSAGE lounge:
a. 2 VERSASSAGE jets
b. 2 ORBISSAGE jets
c. 2 Euro Directional jets
d. 2 ADAPTASSAGE jets
e. 1 EUPHORIA jet
f.
ACQUARELLA Waterfall
JET PUMP 2 – JET SYSTEM 1
Located in ULTRAMASSAGE lounge:
a. 2 VERSASSAGE jets
b. 2 ORBISSAGE jets
c. 6 Euro Directional jets
d. 6 Sole Soothers® jet
e. ACQUARELLA Waterfall
JET PUMP 1 – JET
SYSTEM 2 +
Located in ECSTASEAT
a. 2 ADAPTASSAGE jets
b. 1 ADAPTAFLO jet
c. 1 EUPHORIA jet
d. 2 Directional Neck jets
e. 2 Euro Directional jets
JET PUMP 1 – JET
SYSTEM 2 +
a. 2 ADAPTASSAGE jets
Located in LumbarSsage® seat
b. 8 Euro Directional jets
c. 2 ORBISSAGE jets
d. 1 ADAPTAFLO jet
= position of diverter valve
to control jet system
a
b
a
b
ca
b
a
b
a
b
b
c
b
d
cc
de
b
ef
c
d
a
b
c
d
d
e
c
Jet Menus

Page 22 Jet Menus
NIAGARA JET SYSTEM MENU
COMBINATION JET SYSTEM
Jet Pump diverter in mid position activates both Jet Pump Systems 1 and 2.
Right Side diverter in mid position activates both Right Side Systems
b
JET PUMP 2 – JET SYSTEM 1
Located in ECSTASEAT
a. 2 Directional Neck jets
b. 14 Euro Directional jets
c. 2 EURO-PULSE jets
d.
ACQUARELLA Waterfall
JET PUMP 1 – JET SYSTEM 2
Located in ECSTASEAT
a. 2 Directional Neck jets
b. 14 Euro Directional jets
c. 2 EURO-PULSE jets
JET PUMP 1 – JET SYSTEM 1
a. 2 VERSASSAGE jets
b. 4 Euro Directional jets
c. 1 EUPHORIA jet
JET PUMP 2 – JET
SYSTEM 2 +
Located in ECSTASEAT
a. 2 Directional Neck jets
b. 2 Euro Directional jets
Located in ULTRAMASSAGE seat
c. 2 Euro Directional jets
d. 2 ORBISSAGE jets
e. 2 VERSASSAGE jets
f. ACQUARELLA Waterfall
JET PUMP 2 – JET
SYSTEM 2 +
Located in ECSTASEAT
a. 2 Directional Neck jets
b. 2 Euro Directional jets
Located in ULTRAMASSAGE seat
c. 2 ORBISSAGE jets
d. 1 ADAPTAFLO jet
e. 1 EUPHORIA jet
f. 1 ADAPTAFLO jet
g. ACQUARELLA Waterfall
= position of diverter valve
to control jet system
c
b
a
b
c
a
b
c
d
a
b
b
a
c
c
aab
c
d
e
a
d
f
ab
c
d
e
a
f
g

Page 23
b
JET PUMP 1 – JET SYSTEM 1
Located in ECSTASEAT
a. 2 Directional Neck jets
b. 14 Euro Directional jets
JET PUMP 2 – JET SYSTEM 2
Located in ULTRAMASSAGE lounge
a. 2 Euro Directional jets
b. 2 VERSASSAGE jets
c. 2 ORBISSAGE jets
d. 2 ADAPTASSAGE jets
e. 1 EUPHORIA jet
f. ACQUARELLA Waterfall
JET PUMP 2 – JET SYSTEM 1
Located in ULTRAMASSAGE lounge
a. 6 SOLE SOOTHERS
b. 6 Euro Directional jets
c. 2 VERSASSAGE jets
d. 2 ORBISSAGE jets
e. ACQUARELLA Waterfall
JET PUMP 1 – JET
SYSTEM 2 +
a. 2 Euro Directional jets
b. 1 ADAPTAFLO jet
Located in LUMBARSSAGE seat
c. 2 VERSASSAGE jets
d. 6 Euro Directional jets
e. 1 ADAPTAFLO jet
JET PUMP 1 – JET
SYSTEM 2 +
a. 2 Euro Directional jets
b. 1 ADAPTAFLO jet
c. 1 ADAPTAFLO jet
d. 1 EUPHORIA jet
COMBINATION JET SYSTEM
Jet Pump diverter in mid position activates both Jet Pump Systems 1 and 2.
Right Side diverter in mid position activates both Right Side Systems
= position of diverter valve
to control jet system
b
a
bb
c
d
ab
c
de
a
bc
a
b
c
d
a
JET SYSTEM MENUTAHITIAN
e f
d
d
e
a
Jet Menus

Page 24 Jet Menus
FLORENCE JET SYSTEM MENU
b a
b
ba
a
COMBINATION JET SYSTEM
Jet Pump diverter in mid position activates both Jet Pump Systems 1 and 2.
c
d
b
a
c
d
c
d
db
a
a
c
d
b
c
b
e
b
b b
ef
JET PUMP 1 – JET SYSTEM 2
a. 1 EUPHORIA jet
b. 2 ADAPTASSAGE jets
Located in ECSTASEAT
c. 2 VERSASSAGE jets
d. 4 Euro Directional jets
e. 2 Euro Directional jets
JET PUMP 1 – JET SYSTEM 1
Located in LUMBARSSAGE seat
a. 2 Euro Directional jets
b. 2 ORBISSAGE jets
c. 2 VERSASSAGE jets
d. 2 Euro Directional jets
e. 2 ADAPTASSAGE jets
JET PUMP 2 – JET SYSTEM 1
Located in ECSTASEAT
a. 2 Directional Neck jets
b. 14 Euro Directional jets
c. 2 Euro Directional jets
d. 2 EURO-PULSE jets
e. ACQUARELLA Waterfall
f. 4 Euro Directional jets
JET PUMP 2 – JET SYSTEM 2
Located in ECSTASEAT
a. 2 Directional Neck jets
b. 6 Euro Directional jets
c. 2 EURO-PULSE jets
d. 2 ADAPTASSAGE jets
e. 1 EUPHORIA jet
f. ACQUARELLA Waterfall
g. 4 Euro Directional jets
e
e
f g

Page 25
PROVENCE JET SYSTEM MENU
COMBINATION JET SYSTEM
Jet Pump diverter in mid position activates Jet Pump 2 Systems 1 and 2.
JET PUMP 1 – JET SYSTEM
Located in ULTRAMASSAGE lounge:
a. 2 Directional Neck jets
b. 12 Euro Directional jets
c. 2 ORBISSAGE jets
d. 2 VERSASSAGE jets
JET PUMP 2 – JET SYSTEM 1
Located in ECSTASEAT lounge:
a. 22 Euro Directional jets
b. ACQUARELLA Waterfall
a a
b
c
d
b
b
c
JET PUMP 2 – JET SYSTEM 2
Located in ECSTASEAT lounge
a. 12 Euro Directional jets
b. ACQUARELLA Waterfall
c. 1 EUPHORIA jet
d. 2 ADAPTASSAGE jets
a
c
d
b
a
a
a
b
Jet Menus

Page 26
Spa Care and Maintenance
Your CALDERA spa is manufactured from the highest quality, most
durable materials available. Even so, the spa care and maintenance
program you develop will ultimately determine how long your spa, and its
individual components, will last. Regular maintenance and following the
advice in this section will help you to protect your investment.
FILTER MAINTENANCE
At least once a week, check and clean the skimmer basket and weir to
ensure proper filter flow. Remove leaves, foreign matter, and debris. It is
very important to keep your spa filter cartridge clean and free of particles
to ensure proper water flow. A clean filter enables the hydrotherapy
system to function properly and allows for more efficient filter cycles.
Depending on how frequently your spa is used, we recommend cleaning
the spa filter cartridge every four weeks. If this is not done, the filter may
clog and restrict water flow, which causes improper filtration, poor jet
performance and may possibly freeze.
IMPORTANT: The frequency and duration of use, and the number of
occupants all contribute to determining the appropriate time between
filter cleanings. More use means that more frequent filter cleanings will
be required.
FILTER CARTRIDGE REMOVAL AND
CLEANING INSTRUCTIONS
Turn the power to the spa off, then proceed as follows:
Push down slightly and turn filter basket counter-clockwise to unlock, then
pull out the basket and floating weir.
Carefully pull up the filter cartridge and bring it out of the spa.
Always clean the filter using a filter degreaser to remove mineral and oil
build-up. Simply soak the filter in the degreaser (according to the package
directions), then place the filter on a clean surface and spray until clean
using a garden hose. It may be necessary to rotate the filter while spraying
to remove any debris lodged between the filter pleats. Re-insert filter
cartridge.
To return basket and floating weir, insert and rotate clockwise to lock into
position. Then turn spa’s power back on.
NOTE: Replacement filter cartridges are available from your CALDERA
dealer. Refer to the back of this manual to determine the appropriate
size for your spa.
DIVERTER VALVE MAINTENANCE
If your spa’s diverter valves become difficult to turn, it is likely that sand
or grit is lodged inside the valve body. It is very important that this debris
is removed as soon as possible to avoid damage to the valve. To clean
the valves, follow these steps:
1. Turn off power to the spa by tripping both GFCI breakers located in
the subpanel.
2. Unscrew the cap ring to remove the diverter valve’s handle as cap
ring comes upward.
3. Remove the valve body by pulling it upward.
4. Wipe the valve body and the interior walls of the valve clean.
5. Lubricate the o-rings with a waterproof lubricant available from your
CALDERA dealer.
6. Reassemble the valve and turn power to the spa on.
VERSASSAGE JET MAINTENANCE
If you notice that the VERSASSAGE jet spins slower than when the spa
was new, or the jets are sticking, the cause may be built-up deposits
inside the jet bearings. To remove the deposits, use the following
instructions:
1. With the spa off, rotate the VERSASSAGE jet face counter-
clockwise until it stops.
2. Once the face stops rotating, use a little extra force to rotate the
face even more counter-clockwise past the locking position until it
stops. Pull face with the body away from the spa.
3. After flushing the bearing inside the body with water, spin the
rotating eye. It should spin very freely. If it does not, place the
bearing end in a cup of vinegar (the vinegar will soften any
deposits). Allow it to soak overnight. The next day, flush with
water and repeat the spin test.
NOTE: If the jets still don't spin freely, a second night of soaking
maybe required. If the bearing still does not spin, you will need to
purchase a replacement assembly from your CALDERA dealer.
COLD WATER REFILL
• When refilling your spa if the tap water is below 50° F (10° C) the
spa may go into a High Limit
Protection mode (causing your
spa to stop functioning). If high
limit tripping does occur, the
fastest way to reactivate
the spa control system is to first
disconnect power to the spa
completely, then warm the two
sensors on top of the heater
and the vinyl tubing (located in
the equipment compartment) with a hair dryer for approximately 10
minutes. Once you believe the sensors and heater tubing have been
warmed sufficiently, reconnect power to the spa.
• Blending warm water with the cold tap water so it exceeds 50° F
(10° C) during the refilling process will also achieve the same results if
that is an option for you.
FLOATING WEIR
BASKET
FILTER
CARTRIDGE
STANDPIPE
FILTER SYSTEM
Spa Care and Maintenance

Page 27
DRAINING YOUR SPA
1. Turn off all GFCI breakers in sub-panel, or main electrical panel.
2. Locate the main drain valve (bottom front) for the spa. Pull on
handle (Figure 1, pliers may
be used to pull handle) until
you reach the mid position
then rotate handle slightly to
fully extended drain tube (drain
cap and 1” of the drain tube
is exposed) (Figure 2) then
remove the drain cap
(Figure 3).
NOTE: Do not remove drain
cap in mid position. Attach
the garden hose to the end
of the drain (to avoid flooding
of the foundation surrounding
the spa) making sure not to
push the drain tube inward.
Route the outlet of the hose to an
appropriate draining area.
NOTE: Spa water with a high
sanitizer level may harm plants
and grass.
3. Push the garden hose and drain
tube half-way back towards the
spa (Figure 4) which will start the
gravitational flow. Drain tube
must be in the mid position for
the spa to drain.
IMPORTANT: All models will
drain almost completely through
the drain valve. Equipment such
as the jet pump and heating
system may not completely
drain. Any water remaining within the plumbing or equipment after
draining will only need to be removed if the spa is being winterized.
4. After your spa is empty, clean the shell and filter cartridge.
5. Pull and remove garden hose, replace drain cap and push drain
tube back into spa as seen in Figure 1.
6. Follow the “START-UP PROCEDURES” to refill your spa.
PREVENTION OF FREEZING
Your spa has been designed and engineered for year-round use
in any climate. In some areas, extremely cold temperatures (below
10°F) combined with strong wind, may cause partial freezing of the jet
pump, even though the water inside the spa remains at the selected
temperature. The energy efficiency of the spa may also decrease during
these cold periods, as the heater will cycle more frequently. As an
additional precaution against partial freezing of some of the components,
the equipment compartment can be insulated with an insulating kit (P/N
31399) available from your local dealer. This insulating kit will also help
to maximize the spa’s energy efficiency.
NOTE: When warmer weather returns (approx. 60°-70°F or 15°-21°C),
the insulating kit must be removed to prevent overheating of the jet
pump.
WINTERIZING YOUR SPA
If you leave the spa unused for a long period of time in severely cold
weather, you should drain the spa and winterize it to avoid accidental
freezing due to a power or equipment failure.
Use only Propylene Glycol as your anti-freeze (available at most RV or
marine supply stores). This is non-toxic.
DANGER: Never use an automobile anti-freeze (Ethylene Glycol) since
it is toxic!
WARNING: Failure to follow these instructions correctly can lead to
freeze damage not covered by warranty. It is strongly recommended
that you contact your local dealer to perform this service.
1. Drain your spa following the Draining Your Spa section in the
owner’s manual.
2. Remove the filter cartridge, clean and store in a dry place.
IMPORTANT: These additional instructions must be utilized
when draining and winterizing your spa in climates where the
temperature falls below 32°F (0°C). A five (5) gallon combination
(vacuum/blower) wet/dry shop vac must be used to effectively
remove water that is trapped inside the plumbing lines.
3. Attach the vacuum hose to the vacuum side of the shop vac.
Vacuum all openings and orifices as follows:
a. Jet openings: start with the jets at the top and move
downward (if suction is coming from another jet, block off the
other jet using a large rag – this will help pull out the water that
is trapped deeper inside the main line).
b. Filter suction fittings and filter compartment.
c. Main drain outlet (it may be necessary to cover the drain grate
tightly with a rag when vacuuming the main drain to ensure
water is drawn completely from the internal plumbing system).
4. Thoroughly dry the spa shell with a clean towel.
5. Remove pump door first. Once door is removed unscrew the pump
drain plugs located on the front of the pump housing. Allow all
water to drain out. Place the drain plugs in a ziplock bag and store
near the pumps. Replace the drain plugs on Start-up.
6. Unscrew the pump unions and allow the water to drain. Loosen
and remove hose attached to circulation pump to allow any
remaining water from heater and spa to drain out. Replace
circulation pump hose once water is drained. NOTE: Tighten the
pump unions prior to filling the spa.
7. Replace the main drain cap.
8. Using a long-extension funnel, pour anti-freeze into all standpipes,
filter suction fittings, jet orifices and water feature orifices. Add
enough anti-freeze to ensure adequate protection – in many
cases, you will see the liquid in the orifice, or coming out of another
location.
CAUTION: Use only Propylene Glycol as your anti-freeze. This is
non-toxic. Never use an automobile anti-freeze (Ethylene Glycol)
since it is toxic!
9. Close the spa cover and fasten the cover tie downs. Cover the spa
cover with two pieces of plywood to evenly distribute the weight of
snow and ice. Secure a plastic sheet, or tarp, over the spa cover
and plywood.
10. Replace the equipment access door, if removed.
OPENING INSTRUCTIONS:
1. Remove plywood and plastic sheet. Open the spa cover by
unfastening the cover tie downs.
2. Follow the Start-up Procedures in the Getting Started section of
the Owner’s Manual. Do not install filters to prevent them from
exposure to the anti-freeze.
Figure 1
Handle
Figure 2
Drain Cap
with
Handle
Figure 3
Drain
Tube
Garden
Hose
Figure 4
Spa Care and Maintenance

Spa Care and Maintenance
Page 28
3. As part of this process, superchlorinate the spa water by adding
three teaspoons of chlorine (sodium dichlor) per 250 gallons (950
liters) of spa water into the filter compartment. This is twice the
normal amount of chlorine needed for superclorination. This extra
amount of chlorine is needed to destroy the anti-freeze.
NOTE: A defoamer may be needed to decrease the amount of
foam caused by the anti-freeze.
4. Drain your spa to ensure removal of anti-freeze. Do not drain water
on grass or plants due to excessive chlorine level.
5. After the spa has completely drained, re-install your filter and
follow the Start-up Procedures in the Getting Started section of the
Owner’s Manual.
IMPORTANT: Always keep spa covered when not in use, whether it
is empty or full.
CARE OF THE SPA PILLOWS
The spa pillows will provide years of comfort if treated with care. They
have been positioned above the water level to minimize the bleaching
effects of chlorinated water and other spa water chemicals. To extend
their life, whenever the spa shell is being cleaned, the spa pillows should
be removed and cleaned. Body oils can be removed with a mild soap
and water solution. ALWAYS rinse off the spa pillows thoroughly to
remove any soap residue. If the spa is not going to be used for a long
period of time (that is during a vacation or if the spa is winterized), or
when the spa water is being super-chlorinated, the spa pillows should be
removed until the next use of the spa.
TO REMOVE AND REPLACE THE SPA
PILLOWS:
1. Carefully lift one end of the pillow away from the spa shell.
2. Continue lifting one end until all pillow retainers are released from the
pillow.
IMPORTANT: Just pulling the pillow straight up and out of the shell
recess will eventually damage the pillow. This abuse is not covered
under warranty.
3. To reinstall the spa pillow, carefully bend the pillow slightly to allow
one of the pillow retainers to slip into the recess in the back of the
pillow.
4. Keeping the pillow slightly bent, slide the other pillow retainer into the
recess in the back of the pillow.
5. After all the pillow retainers are in place, press the pillow down into
the recess in the spa shell.
CARE OF THE EXTERIOR
SPA SHELL
Your CALDERA
spa has an acrylic shell. Stains and dirt generally will not
adhere to your spa’s surface. A soft rag or a nylon scrubber should easily
remove most dirt. Most household chemicals are harmful to your spa’s
shell (see below for detailed information on cleaning agents). Always
rinse off any spa shell cleaning agent with fresh water.
IMPORTANT:
1. The following products are the ONLY approved cleaning agents
for your
CALDERA
spa shell: plain water,
CALDERA
Spa Shine,
Brillianize® or Soft Scrub®. The use of alcohol or any other
household cleaner other than those listed to clean the spa shell
surface is NOT recommended. DO NOT use any cleaning products
containing abrasives or solvents since they may damage the shell
surface, specifically: Simple Green®, Windex® or Spa Mitt. NEVER
USE HARSH CHEMICALS! Damage to the shell by use of harsh
chemicals is not covered under the warranty. Always rinse off any
spa shell cleaning agent with fresh water.
2. Iron and copper in the water can stain the spa shell if allowed to go
unchecked. Ask your
CALDERA
dealer about a Stain and Scale
Inhibitor to use if your spa has a high concentration of dissolved
minerals. (WATKINS WELLNESS recommends Stain & Scale
Defense.)
3. Keep all cleaners out of the reach of children and use care when
applying.
AVANTE
™ SPA CABINET
All Utopia spas use the exclusive all-climate AVANTE Cabinet designed
for years of performance. The unique, ribbed pattern design is enhanced
by the rich cabinet colors that give the appearance of high-end furniture,
without looking like real wood and, because of the durability of the spa
cabinet material, it comes with a five year warranty against cracking, or
rotting.
CARE OF THE SPA COVER
WARNING: The cover is a manual safety cover that meets or
exceeds all prevailing requirements of ASTM Standards for spa safety
covers when installed and used correctly as of the date of manufacture.
Non-secured or improperly secured covers are a hazard. Open the cover
to its fully open position before use.
VINYL COVER
The vinyl spa cover is an attractive, durable foam insulation product.
Monthly cleaning and conditioning are recommended to maintain its
beauty.
TO CLEAN AND CONDITION THE VINYL
COVER:
SERVICE NOTE: To remove tree sap, use cigarette lighter fluid (not
charcoal lighter fluid). Use sparingly, and rinse with a saddle soap solution
immediately afterwards, then wipe dry.
IMPORTANT REMINDERS:
• DO remove snow buildup to avoid breakage of the foam core from
the additional weight of the snow.
• DO lock cover lock straps to secure the cover when the spa is not
in use.
• DO NOT drag or lift the spa cover using either the flaps or the cover
lock straps.
• DO NOT walk, stand, or sit on the cover.
• DO NOT place any metal or heat transferring object on the cover
or place any type of plastic tarp or drop cloth over the cover as
this may result in a melted foam core, which would not be covered
under the warranty.
• DO NOT use any lifting mechanisms, chemicals or cleaners except
those recommended by WATKINS WELLNESS or its Authorized
Sales and Service Dealer.
• It’s important to have clean water. Water maintenance is one of
the least understood, yet most important areas of spa ownership.
Your dealer can guide you through the process of achieving and
maintaining perfect water in your spa, given your local conditions.
Your program will depend on your water’s mineral content, how
often you use your spa, and how many people use it.
Spa Care and Maintenance

Tahatian
Page 29
Electrical Requirements
IMPORTANT
: Fill the spa with water before turning on the power.
Your CALDERA spa has been carefully designed to give you
maximum safety against electrical shock. Connecting the spa to an
improperly wired circuit will negate many of the spa’s safety features.
Improper wiring may also cause electrocution, risk of fire, and other
risks of injuries. Please read and follow the electrical installation
requirements and instructions for your specific spa model completely!
All CALDERA spa models, are equipped with a power indicator
(CALDERA Logo orange light) which, in addition to showing the spa
has power to it, has a diagnostic function as well. It will begin blinking
if the heater high-limit thermostat has tripped. If the power indicator
light is blinking, follow the instructions in the Troubleshooting section
to identify and correct the cause. The power indicator will stop blinking
once the problem has been corrected. The Power and Ready indicator
lights on the control panel also provide the same diagnostic function.
230 VOLT PERMANENTLY
CONNECTED
CALDERA spas must be wired in accordance with all applicable local
electrical codes. All electrical work should be done by an experienced,
licensed electrician. We recommend the use of appropriate electrical
conduit, fittings, and wire for all circuits.
The diagram on the following pages illustrates how to wire the
spa models:
• An electrical subpanel containing two GFCI breakers is included with
each 230 volt spa. We recommend that this subpanel be used to
supply power to the spa.
• The subpanel requires a 50 amp, single phase, 230 volt, four wire
service (two line, one neutral, one ground).
The grounding conductor must not be less than #10 AWG. Refer to
local codes and to NEC 250-122 (table).
NOTE:
The CANTABRIA will require an additional 20 amp breaker
in order to operate the heater and the Lounge seat (jet pump 3) at
the same time. Without the additional 20 amp breaker, the heater will
NOT operate while the jets in the lounge (jet pump 3) are on.
• Mount the subpanel in the vicinity of the spa, but not closer than
five
feet away, in accordance with all local codes. (N.E.C. 680-38 to
41-A-3)
• Open spa using Door Panel Removal instructions (page 35).
• Insert power wires into spa from either side towards the bottom front,
you will find a plastic cap attached to spa.
• Once your spa has been filled with water, turn it on and test all of
the circuit breakers.
IMPORTANT: If both breakers immediately trip, verify that the wires are
correctly connected. Each breaker should be tested prior to each use.
Here’s how:
1. Push the “TEST” button on each GFCI breaker, and observe it
click OFF.
2. Wait 30 seconds, then push the breaker switch to the OFF (down)
position (to ensure that it has completely disengaged), then push
the breaker switch to the ON (up) positio n. If you don't wait 30
seconds, the spa’s power indicator may continue to blink – try
again.
If any of the GFCI breakers fails to operate in this manner, your spa
may have an electrical malfunction, and you may be at risk of electrical
shock. Turn off all circuits and do not use the spa until the problem has
been corrected by an authorized service agent.
WARNING: Removing, or bypassing any GFCI breaker will result
in an unsafe spa and will void the spa’s warranty.
7
2
3
4
5
6
8 1
EQUIPMENT COMPARTMENT
The illustration below is to be used as a reference only (your spa may look different). The equipment compartment is located behind the front panel of the
spa below the Main Control Panel.
1. Jet pump*
2. EnergyPro
®
heater
3. ENERGY PRO Circulation Pump
4. Advent
®
Control Box
5. Ozone Generator (optional)
6. Bonding terminal
7. Bluetooth Music (optional)
8. Subwoofer (optional)
1
* There are 3 jet pumps located in the Cantabria equipment compartment, only 2 are shown in illustration above.
Electrical Requirements

Page 30
IMPORTANT: If you ever need to move or relocate your CALDERA spa, it is essential that you understand and apply these installation requirements.
Your CALDERA spa has been carefully engineered to provide maximum safety against electric shock. Remember, connecting the spa to an
improperly wired circuit will negate many of its safety features.
NOTE: Long wiring runs may require larger-gauge wire than stated.
GENEVA,
NIAGARA , TAHITIAN, FLORENCE & PROVENCE
CANTABRIA - STANDARD
WARNING: Removing or bypassing any
GFCI breaker will result in an unsafe spa and
will void the spa’s warranty.
WARNING: FILL THE SPA WITH WATER
BEFORE TURNING ON THE POWER! (SEE
STARTUP PROCEDURES.)
WARNING: FILL THE SPA WITH WATER
BEFORE TURNING ON THE POWER! (SEE
STARTUP PROCEDURES.)
Electrical Requirements

Page 31
CAUTIONS
USE COPPER CONDUCTORS ONLY
USE SUPPLY WIRES SUITABLE FOR 75°C/167°F.
DISCONNECT ALL SUPPLY CONNECTIONS BEFORE SERVICING.
CONNECT ONLY TO A CIRCUIT PROTECTED BY A CLASS A
GROUND-FAULT INTERRUPTER.
THESE SPAS ARE INTENDED FOR USE WITH GFCI SUBPANEL
PROVIDED.
ALL CANADIAN SPA MODELS USE #8 AWG GREEN, GROUND.
INCORRECT WIRING WILL DAMAGE CIRCUIT BOARDS.
REFER TO THE WIRING INSTRUCTIONS INCLUDED WITH THE
SUB-PANEL FOR DETAILED WIRING INSTRUCTIONS.
MAIN CONTROL PANEL
230V WIRING ACCESS
230V WIRING ACCESS
DOOR
See page 35 for Door Panel Removal Instructions
DRAIN
CANTABRIA - CONVERTED TO 70 AMP
Remove power
jumpers A from TB
WARNING: FILL THE SPA WITH WATER
BEFORE TURNING ON THE POWER! (SEE
STARTUP PROCEDURES.)
Electrical Requirements

Page 32
Service Information
GENERAL INFORMATION
Your CALDERA spa has been designed to provide years of trouble-
free use. As with any appliance, problems may occasionally occur
that require the expertise of a qualified service person. Though such
simple repairs as resetting a GFCI switch or breaker, or resetting a
high limit thermostat may not require a service call, they may indicate
that a more serious condition exists. These conditions may require an
experienced service person. Before calling for service, please refer to
the Troubleshooting Guide. Always retain your original sales receipt for
future reference.
GFCI AND HIGH LIMIT THERMOSTAT
If your spa fails to operate at any time, first check the power supply to
the spa.
Check each of the GFCI breakers in the subpanel. If a GFCI has tripped,
reset it. If it will not reset, this may be an indication of a ground fault
(short circuit) within the electrical components. Contact an Authorized
Service Technician for a complete diagnosis.
If upon checking the GFCI’s you find that they have not tripped, check
the house breaker panel and ensure the main breaker for the electrical
circuit supplying the spa has not tripped. If it has, this is an indication
that the circuit was either overloaded or a ground fault exists between
the breaker panel and the spa receptacle or subpanel. Contact a
qualified electrician.
If upon checking the main house breaker and spa GFCI’s you find no
failures, check the high limit thermostat. To check it, simply turn off
power to the spa for 30 seconds. This will automatically reset the high
limit thermostat if it has tripped. If the spa energizes once you turn the
power back on, this indicates reduced water flow through the heating
system. Tripping of the high limit thermostat is normally a result of
one or a combination of these problems. 1) clogged filter cartridge(s),
2) blockage within the system plumbing, 3) a non-functioning heater
circulation pump, 4) power was not disconnected from the spa before
it was drained, 5) an air lock in the plumbing lines. The Power Indicator
on the front of the spa’s control panel will also be blinking if the high limit
thermostat circuit has tripped.
If the spa does not function after tripping and resetting the GFCI’s or
resetting the high limit thermostat, then the problem should be referred
to an Authorized Service Technician. Refer to the Troubleshooting Guide
for additional service information.
HEATER AND INTEGRATED
PRESSURE SWITCH
WATKINS WELLNESS unconditionally warrants the heater against
any failure that would require replacement. This warranty’s duration is
equal to the time period identified in the Heater Warranty. This warranty
defines unconditional as warranty coverage without exception provided
that the component has failed to operate properly within the spa’s
system. This means that conditions that would normally invalidate the
limited warranty, such as water chemistry damage, do not apply to the
heater.
It is important to note that the heater is protected by both the heater high
limit thermostat circuit and the integrated pressure switch. The causes of
heater high limit tripping are discussed in the previous section.
If the spa is not heating, the red and green lights are blinking, but
the pump and light are operating, then the pressure switch may be
open. Opening of the pressure switch is normally a result of one or a
combination of these problems:
1. A clogged filter cartridge
2. Blockage within the system plumbing
3. Power was not disconnected to the spa before it was drained
4. An air lock in the plumbing lines
5. Circulation pump not properly working
Once the problem has been identified and corrected the pressure switch
will close which will energize the heater.
CIRCULATION PUMP AND
CIRCULATION PUMP THERMAL
CUT-OFF
The circulation pump is a dedicated, water cooled, energy efficient, quiet
pump that provides continuous filtration for the spa. Since the pump is
water cooled, it is equipped with a thermal cut-off to prevent the pump
from being damaged by running hot when water is not present.
Reset the circulation pump’s thermal cut-off by disconnecting power to
the spa and allowing the pump to cool.
Tripping of the thermal cut-off is normally the result of one or a
combination of these problems: 1) clogged filter cartridge(s), 2) blockage
within the system plumbing, 3) power was not disconnected to the spa
before it was drained, or 4) an air lock in the plumbing lines. Once the
problem has been identified and corrected the pump thermal cut-off will
be able to be reset which will allow it to operate normally.
MISCELLANEOUS SERVICE
INFORMATION
The control and high-limit thermostats are equipped with electronic
sensors that are connected to the spa’s plumbing. Never cut or kink the
wires that connect the sensors to the thermostats within the control box.
The jet pump is equipped with a thermal overload cutoff switch that is
designed to protect the pump from overheating. If the pump shuts itself
off in an older spa, it could indicate failure of the pump motor bearings. If
the pump shuts itself off in a new spa, it is usually the result of one or a
combination of the following factors:
• Thermal overload: Although mass-produced, not all thermal overload
cutoffs are exactly the same. Some are more sensitive than others and
will shut the pump off at lower temperatures.
• High temperature: All CALDERA spa models are equipped with a jet
pump shroud that vents the heat generated by the pump motor to the
outside of the equipment compartment, and back into the spa water. If
the vent is blocked by masonry, grass or debris, overheating of the jet
pump may occur. Once the pump motor has cooled sufficiently and any
blockage has been removed from the vent opening, the jet pump can
be restarted.
• Friction: Sometimes the moving parts of a new pump are tight enough
to cause heat build-up due to friction. After a normal break-in period,
the pump will run cooler.
• Improper wiring: If the spa is connected with an extension cord, and/
or the house wiring is undersized, the pump may starve for voltage and
therefore may draw more amperage and generate excessive heat.
• If the pump is shutting down due to excessive heat, make sure the
equipment compartment has adequate ventilation. The air gap at the
bottom must not be blocked. Should your jet pump continue to shut off
after short periods of use, contact a qualified service technician.
Service Information

Page 33
ACTS INVALIDATING WARRANTY
The limited warranty is void if the CALDERA spa has been improperly
installed, subjected to alteration, misuse, or abuse, or if any repairs
on the spa are attempted by anyone other than an authorized
representative of W atkins Manufacturing Corporation. Alteration shall
include any component or plumbing change, electrical conversion, or
the addition of any non-approved sanitation or water purification device
or heating system which contributes to component or unit failure or
unsafe operating system. Misuse and abuse shall include any operation
of the spa other than in accordance with WATKINS WELLNESS
printed instructions, or use of the spa in an application for which it is not
designed; specifically: use of the spa in a non-residential application;
damage caused by operation* of the spa at water temperatures outside
the range of 35°F and 120 °F; damage caused by a dirty, clogged or
calcified filter cartridge; damage to the spa surface caused by the use
of tri-chloro chlorine, BCDMH, misuse of chemical tablets in a floater,
acid, or any other spa chemicals or spa surface cleaners which are
not recommended by WATKINS WELLNESS; damage caused by
allowing undissolved spa sanitizing chemicals to lie on the spa surface
(no spa surface material can withstand this kind of abuse); damage
to components or spa surface caused by improper water chemistry
maintenance; and damage to the spa surface caused by leaving the spa
uncovered while empty of water and in direct exposure to sunlight (this
may cause solar heating distress in warm weather regions). These are
considered abuses and may invalidate this warranty.
*Operation of the spa does not mean “use” of the spa! WATKINS
WELLNESS does not recommend using the spa if the water
temperature is above or below the spa’s control panel temperature
range.
DISCLAIMERS
WATKINS WELLNESS shall not be liable for loss of use of the
CALDERA spa, or other incidental, consequential, special, indirect, or
punitive costs, expenses or damages, which may include but are not
limited to the removal of a permanent deck or other custom fixture, or the
necessity for crane removal. Any implied warranty shall have a duration
equal to the duration of the applicable limited warranty stated above.
Some states do not allow limitations on how long an implied warranty
lasts. Under no circumstances shall WATKINS WELLNESS or any of its
representatives be held liable for injury to any person or damage to any
property, however arising.
Some states do not allow the exclusion or limitation of incidental or
consequential damages, so the above limitations may not apply to you.
WATKINS CUSTOMER SERVICE
If you have any questions about any aspect of your CALDERA spa
set-up, operation or maintenance that have not been answered by this
manual, consult your CALDERA dealer.
WATKINS WELLNESS can be reached at: 800-669-1881 (Extension
8432), Monday through Friday, 8 am to 5-pm Pacific Standard Time
(PST), or e-mail customerservice@watkinsmfg.com.
TROUBLESHOOTING
Should you experience any problem whatsoever, do not hesitate to
contact your authorized CALDERA dealer. Located below and on the
next page are some tips to help you to diagnose and rectify some more
common sources of trouble yourself, if you choose to do so.
SPA WATER MAINTENANCE TROUBLESHOOTING GUIDE
Problem Probable causes Solutions
Cloudy Water • Dirty filters
• Excessive oils / organic matter
• Improper sanitization
• Suspended particles / organic matter
• Overused or old water
• Clean filters
• Shock spa with sanitizer
• Add sanitizer
• Adjust pH and/or alkalinity to recommended range
• Run jet pump(s) and clean filters
• Drain and refill the spa
Water Odor • Excessive organics in water
• Improper sanitization
• Low pH
• Shock spa with sanitizer
• Add sanitizer
• Adjust pH to recommended range
Chlorine Odor • Chloramine level too high
• Low pH
• Shock spa with sanitizer
• Adjust pH to recommended range
Musty Odor • Bacteria or algae growth • Shock spa with sanitizer–if problem is visible or persistent, drain, clean and refill
the spa
Organic buildup / scum ring around spa • Build-up of oils and dirt • Wipe off scum with clean rag – if severe, drain the spa, use a spa surface and
tile cleaner to remove the scum, and refill the spa
Algae Growth • High pH
• Low sanitizer level
• Shock spa with sanitizer and adjust pH
• Shock spa with sanitizer and maintain sanitizer level
Eye Irritation • Low pH
• Low sanitizer level
• Adjust pH
• Shock spa with sanitizer and maintain sanitizer level
Skin Irritation / Rash • Unsanitary water
• Free chlorine level above 5 ppm
• Shock spa with sanitizer and maintain sanitizer level
• Allow free chlorine level to drop below 5 ppm before spa use
Stains • Total alkalinity and/or pH too low
• High iron or copper in source water
• Adjust total alkalinity and/or pH
• Use a metal deposit inhibitor
Scale • High calcium content in water – total alkalinity and pH
too high
• Adjust total alkalinity and pH – if scale requires removal, drain the spa, scrub off
the scale, refill the spa and balance the water
Service Information

Page 34
GENERAL OPERATION TROUBLESHOOTING GUIDE
Problem Probable causes Solutions
Entire spa is inoperative • Power failure
• GFCI tripped
• Heater high-limit thermostat tripped
• Spa lock activated
• Check power source
• Reset GFCI; call for service if it will not reset
• Disconnect power for at least thirty seconds to reset heater high limit. If it will not
reset, check for clogged filters. If tripping continues, call for service.
• Deactivate spa lock
Spa does not heat; jets and light
operate (Orange logo "Ready", and
Gray logo "Power" indicators are
blinking)
• Integrated pressure switch open
• Circulation pump thermal cut-off tripped
• Check for clogged filters. Integrated pressure switch will reset when the flow of water
through the heater has been restored. Call for service if the heater trips frequently.
• Check for clogged filters or air locks in plumbing. Disconnect power to the spa, allow
circulation pump to cool. Circulation pump thermal cut-off will reset when pump has
cooled and power is reapplied. Call for service if circulation pump thermal cut-off
trips frequently.
Jets weak or surging • Spa water level too low
• Filters clogged
• Air valves are closed
• Add water
• Clean filters
• Open air valves
Lights inoperative
• Spa lock activated
• Light wiring or assembly is faulty
• Deactivate spa lock
• Call for service, replace light assembly
Spa not heating properly • Temperature set too low
• Spa cover improperly positioned
• Dirty Filter
• Summer Timer On
• Set control panel to a higher temperature.
• Align spa cover
• Clean filter
• Turn summer timer mode to off position
Gray Logo "Power" indicator blinking • Heater high-limit thermostat tripped • Disconnect power for at least thirty seconds to reset heater high limit. If it will not
reset, check for clogged filters. If tripping continues, call for service.
Orange Logo "Ready" indicator
blinking
• Temperature sensor problem • Disconnect power for at least thirty seconds. If blinking continues, call for service.
Pump motor will not function • Motor overload condition
• Control switch failure if jet symbol does not
come on
• Let cool for one hour. Motor overload will reset automatically. If problem persists, contact
your CALDERA dealer
• Disconnect spa and contact your CALDERA dealer
Noisy pump or motor • Low water level • Add water to normal level (1 inch or 2.5 cm above highest jet)
Pump motor runs, but low or no water/
jet pressure
• Air control valve closed or blocked
• Low water level
• Dirty filter cartridge
• Jet blocked
• Clogged suction or skimmer basket
• Open or clean air valve
• Add water to normal level (1 inch or 2.5 cm above highest jet)
• Clean filter cartridge
• Remove jet face eyeball and clean orifice
• Clean suction cover or skimmer basket
Diverter valves are difficult to turn
• Sand or grit inside valves
• Clean and lubricate valve per diverter valve maintenance instructions.
After filling or refilling the spa: a jet
pump is operating, but water is not
flowing from any of its jets
• Pump is not properly primed
• Turn off power to the spa at the breaker and remove the equipment compartment door.
• Loosen the union on the top of the pump(s) to allow the air to escape, and then hand-
tighten the union(s).
• Turn power back on, activate the pump, and check to make sure the union is tight
enough to keep it from leaking. Replace the equipment doors.
Service Information

Page 35
DOOR PANEL REMOVAL
* 1
Locate the two buttons
below the front panel
on the same side as the
Main Control Panel
* 2
* 3
Pull bottom away from spa, lower
slightly and remove from spa. Place
door panel in cool shaded place.
Button Button
Push up and hold one of
the buttons using an Allen
wrench less than ¼" (6 mm)
in width or small screw driver
into the center of the safety
lock then pull the door panel
away from the spa next to
that button location. Repeat
procedure on second button.
Main Control Panel
Safety Lock
DOOR PANEL REPLACEMENT
* 1
Raise door panel placing top under
Stainless steel trim with bottom
slightly away from spa.
Push door panel against spa allowing it
to rest above the wood frame. Repeat on
other side of door panel
* 2
* 3
Push bottom of door panel all the
way in making it even with existing
panels.
If necessary, slide door panel from
side to side making the spacing
even on both sides of the door.
Service Information
Safety Lock
The illustrations are to be used as a reference
only (your spa may look different).

Vista, California
USA
This manual contains installation, operating, maintenance, and service information for the following CALDERA spa
303763.19 A (8/18)
UTOPIA SPECIFICATIONS
CAUTION: WATKINS WELLNESS suggests a structural engineer or contractor be consulted before the spa is placed on an elevated deck.
* NOTE: The “Filled weight” and “Dead weight” of the spa includes the weight of the occupants (assuming an average occupant weight of 175 lbs).
For 30 amp or 70 amp conversion contact your local dealer.
CANTABRIA
7'7"
x
9'0"
38"
100
square
feet
4,000 615
gallons
1,310
lbs
7,840
lbs
130
lbs. per
square
foot
230 volt, 50 or 70 amp
Single phase GFCI
protected circuit
GENEVA
7'5"
x
7'5"
38"
100
square
feet
4,000 410
gallons
1000
lbs.
5,470
lbs.
120
lbs. per
square
foot
230 volt, 30 or 50 amp
Single phase GFCI
protected circuit
NIAGARA
7'5"
x
7'5"
38"
100
square
feet
4,000 400
gallons
995
lbs.
5,555
lbs.
122
lbs. per
square
foot
230 volt, 30 or 50 amp
Single phase GFCI
protected circuit
TAHITIAN
7'0"
x
7'0"
36"
100
square
feet
4,000 375
gallons
900
lbs.
5,080
lbs.
125
lbs. per
square
foot
230 volt, 30 or 50 amp
Single phase GFCI
protected circuit
FLORENCE
7'0"
x
7'0"
36"
100
square
feet
4,000 360
gallons
875
lbs.
4,925
lbs.
120
lbs. per
square
foot
230 volt, 30 or 50 amp
Single phase GFCI
protected circuit
PROVENCE
7'0"
x
6'6"
35"
75
square
feet
4,000 265
gallons
865
lbs.
3,775
lbs.
105
lbs. per
square
foot
230 volt, 30 or 50 amp
Single phase GFCI
protected circuit
Footprint
dimensions
Water
capacity
Filled weight*
Electrical
Requirements
Effective
filter area
Height
Heater
(Watts)
Dry weight
Dead weight
©
2018 WATKINS WELLNESS. CALDERA SPAS, UTOPIA, FRESHWATER, ACQUARELLA, ADAPTAFLO, ADAPTASSAGE, ADVENT, ENERGYPRO, SPAGLO, CANTABRIA,
GENEVA,
NIAGARA, TAHITIAN, FLORENCE, PROVENCE, AVANTE, ECSTASEAT, EURO-PULSE, VERSASSAGE, ORBISSAGE, LUMBARSSAGE, SOLE SOOTHERS, EUPHORIA,
ULTRAMASSAGE, AND ULTRAMASSEUSE, ARE TRADEMARKS OF WATKINS WELLNESS. BAQUASPA IS A TRADEMARK OF Arch UK Biocides Limited, Inc.