Poulan PR1742STC Pr1742stc_e User Manual To The Dcc3e931 5bf0 424c B603 1087c4e78b60
User Manual: Poulan PR1742STC to the manual
Open the PDF directly: View PDF
.
Page Count: 48

OWNER'S MANUAL
MODEL:
PR1742STC
LAWN TRACTOR
Always Wear Eye Protection During Operation
WARNING:
Read this Owner's Manual and
follow all Warnings and Safety
Instructions. Failure to do so can
result in serious injury.
IMPORTANT MANUAL Do Not Throw Away
178085 1.08.01 RD
Printed in U.S.A.

2
Safe Operation Practices for Ride-On Mowers
IMPORTANT: THIS CUTTING MACHINE IS CAPABLE OF AMPUTATING HANDS AND FEET AND THROWING OBJECTS.
FAILURE TO OBSERVE THE FOLLOWING SAFETY INSTRUCTIONS COULD RESULT IN SERIOUS INJURY OR DEATH.
SAFETY RULES
I. GENERAL OPERATION
• Read, understand, and follow all instructions in the
manual and on the machine before starting.
• Only allow responsible adults, who are familiar with the
instructions, to operate the machine.
• Clear the area of objects such as rocks, toys, wire, etc.,
which could be picked up and thrown by the blade.
• Be sure the area is clear of other people before mowing.
Stop machine if anyone enters the area.
• Never carry passengers.
• Do not mow in reverse unless absolutely necessary.
Always look down and behind before and while backing.
• Be aware of the mower discharge direction and do not
point it at anyone. Do not operate the mower without
either the entire grass catcher or the guard in place.
• Slow down before turning.
• Never leave a running machine unattended. Always turn
off blades, set parking brake, stop engine, and remove
keys before dismounting.
• Turn off blades when not mowing.
• Stop engine before removing grass catcher or unclog-
ging chute.
• Mow only in daylight or good artificial light.
• Do not operate the machine while under the influence of
alcohol or drugs.
• Watch for traffic when operating near or crossing road-
ways.
• Use extra care when loading or unloading the machine
into a trailer or truck.
• Data indicates that operators, age 60 years and above,
are involved in a large percentage of riding mower-
related injuries. These operators should evaluate their
ability to operate the riding mower safely enough to
protect themselves and others from serious injury.
II. SLOPE OPERATION
Slopes are a major factor related to loss-of-control and
tipover accidents, which can result in severe injury or death.
All slopes require extra caution. If you cannot back up the
slope or if you feel uneasy on it, do not mow it.
DO:
• Mow up and down slopes, not across.
• Remove obstacles such as rocks, tree limbs, etc.
• Watch for holes, ruts, or bumps. Uneven terrain could
overturn the machine.
Tall grass can hide obstacles.
•Use slow speed. Choose a low gear so that you will not
have to stop or shift while on the slope.
•Follow the manufacturer’s recommendations for wheel
weights or counterweights to improve stability.
•Use extra care with grass catchers or other attach-
ments. These can change the stability of the machine.
•Keep all movement on the slopes
slow
and
gradual
. Do
not make sudden changes in speed or direction.
•Avoid starting or stopping on a slope. If tires lose
traction, disengage the blades and proceed slowly
straight
down the slope.
DO NOT:
•
Do not
turn on slopes unless necessary, and then, turn
slowly and gradually downhill, if possible.
•
Do not
mow near drop-offs, ditches, or embankments.
The mower could suddenly turn over if a wheel is over the
edge of a cliff or ditch, or if an edge caves in.
•
Do not
mow on wet grass. Reduced traction could cause
sliding.
•
Do not
try to stabilize the machine by putting your foot
on the ground.
•
Do not
use grass catcher on steep slopes.
III. CHILDREN
Tragic accidents can occur if the operator is not alert to the
presence of children. Children are often attracted to the
machine and the mowing activity.
Never
assume that
children will remain where you last saw them.
•Keep children out of the mowing area and under the
watchful care of another responsible adult.
•Be alert and turn machine off if children enter the area.
•Before and when backing, look behind and
down
for
small children.
•Never carry children. They may fall off and be seriously
injured or interfere with safe machine operation.
•Never allow children to operate the machine.
•Use extra care when approaching blind corners, shrubs,
trees, or other objects that may obscure vision.
IV. SERVICE
•Use extra care in handling gasoline and other fuels.
They are flammable and vapors are explosive.
- Use only an approved container.
- Never remove gas cap or add fuel with the engine
running. Allow engine to cool before refueling. Do
not smoke.
- Never refuel the machine indoors.
- Never store the machine or fuel container inside
where there is an open flame, such as a water heater.
•Never run a machine inside a closed area.
•Keep nuts and bolts, especially blade attachment bolts,
tight and keep equipment in good condition.
•Never tamper with safety devices. Check their proper
operation regularly.
•Keep machine free of grass, leaves, or other debris
build-up. Clean oil or fuel spillage. Allow machine to cool
before storing.
•Stop and inspect the equipment if you strike an object.
Repair, if necessary, before restarting.
•Never make adjustments or repairs with the engine
running.
•Grass catcher components are subject to wear, dam-
age, and deterioration, which could expose moving parts
or allow objects to be thrown. Frequently check compo-
nents and replace with manufacturer's recommended
parts, when necessary.
•Mower blades are sharp and can cut. Wrap the blade(s)
or wear gloves, and use extra caution when servicing
them.
•Check brake operation frequently. Adjust and service
as required.

3
TABLE OF CONTENTS
SAFETY RULES ...................................................... 2 - 3
PRODUCT SPECIFICATIONS ....................................... 4
CUSTOMER RESPONSIBILITIES ................... 4, 14 - 17
ASSEMBLY.............................................................. 6 - 8
OPERATION........................................................... 9 - 13
MAINTENANCE SCHEDULE....................................... 14
SERVICE AND ADJUSTMENTS .......................... 18 - 23
STORAGE ................................................................... 24
TROUBLESHOOTING .......................................... 25 - 26
REPAIR PARTS ................................................... 28 - 43
WARRANTY ................................................................ 45
Safe Operation Practices for Ride-On Mowers
SAFETY RULES
•Check brake operation frequently. Adjust and service
as required.
•Be sure the area is clear of other people before mowing. Stop
machine if anyone enters the area.
•Never carry passengers or children even with the blades off.
•Do not mow in reverse unless absolutely necessary. Always
look down and behind before and while backing.
•Never carry children. They may fall off and be seriously
injured or interfere with safe machine operation.
•Keep children out of the mowing area and under the watchful
care of another responsible adult.
•Be alert and turn machine off if children enter the area.
•Before and when backing, look behind and down for small
children.
•Mow up and down slopes (15° Max), not across.
•Remove obstacles such as rocks, tree limbs, etc.
•Watch for holes, ruts, or bumps. Uneven terrain could over-
turn the machine. Tall grass can hide obstacles.
•Use slow speed. Choose a low gear so that you will not have
to stop or shift while on the slope.
•Avoid starting or stopping on a slope. If tires lose traction,
disengage the blades and proceed slowly straight down the
slope.
•If machine stops while going uphill, disengage blades, shift
into reverse and back down slowly.
•Do not turn on slopes unless necessary, and then, turn slowly
and gradually downhill, if possible.
Look for this symbol to point out im-
portant safety precautions. It means
CAUTION!!! BECOME ALERT!!! YOUR
SAFETY IS INVOLVED.
CAUTION: In order to prevent acciden-
tal starting when setting up, transport-
ing, adjusting or making repairs, al-
ways disconnect spark plug wire and
place wire where it cannot contact spark
plug.
CAUTION: Do not coast down a hill in
neutral, you may lose control of the
tractor.
CAUTION: Tow only the attachments
that are recommended by and comply
with specifications of the manufacturer
of your tractor. Use common sense
when towing. Operate only at the low-
est possible speed when on a slope.
Too heavy of a load, while on a slope,
is dangerous. Tires can lose traction
with the ground and cause you to lose
control of your tractor.
WARNING
Engine exhaust, some of its constituents, and cer-
tain vehicle components contain or emit chemicals
known to the State of California to cause cancer and
birth defects or other reproductive harm.
WARNING
Battery posts, terminals and related accessories
contain lead and lead compounds, chemicals known
to the State of California to cause cancer and birth
defects or other reproductive harm. Wash hands
after handling.

4
PRODUCT SPECIFICATIONS
GASOLINE CAPACITY 2.00 GALLONS
AND TYPE: UNLEADED REGULAR
OIL TYPE (API-SF-SJ): SAE 30 (above 32°F)
SAE 5W-30 (below 32°F)
OIL CAPACITY: W/FILTER: 3.5
W/O FILTER: 3.0
SPARK PLUG: CHAMPION RC12YC
(GAP: .030")
GROUND SPEED (MPH): FORWARD:
1st 1.2
2nd 1.5
3rd 2.4
4th 3.5
5th 4.8
6th 5.3
REVERSE: 1.5
TIRE PRESSURE: FRONT: 14 PSI
REAR: 10 PSI
CHARGING SYSTEM: 3 AMPS BATTERY
5 AMPS HEADLIGHTS
BATTERY: AMP/HR: 25
MIN. CCA: 190
CASE SIZE: U1R
BLADE BOLT TORQUE: 27-35 FT. LBS.
CONGRATULATIONS on your purchase of a new tractor. It
has been designed, engineered and manufactured to give
you the best possible dependability and performance.
Should you experience any problem you cannot easily
remedy, please contact your nearest authorized service
centre/department. We have competent, well-trained tech-
nicians and the proper tools to service or repair this tractor.
Please read and retain this manual. The instructions will
enable you to assemble and maintain your tractor properly.
Always observe the “SAFETY RULES”.
CUSTOMER RESPONSIBILITIES
•Read and observe the safety rules.
•Follow a regular schedule in maintaining, caring for and
using your tractor.
•Follow the instructions under “Customer Responsibili-
ties” and “Storage” sections of this owner’s manual.
WARNING: This tractor is equipped with an internal com-
bustion engine and should not be used on or near any
unimproved forest-covered, brush-covered or grass-cov-
ered land unless the engine’s exhaust system is equipped
with a spark arrester meeting applicable local or state laws
(if any). If a spark arrester is used, it should be maintained
in effective working order by the operator.
A spark arrester for the muffler is available through your
nearest authorized service centre/department (See RE-
PAIR PARTS section of this manual).

5
(1) Large Flat
Washer
(1) Locknut
5/16-18
(1) Hex Bolt 5/16-18 x 1-1/4
(1) Hex Bolt
3/8-16 x 1
(1) Lock
washer 3/8
Steering
Wheel Insert
Steering
Extension
Shaft
Steering
Sleeve
Steering Wheel
Steering
Wheel Adapter
(1) Knob
(1) Washer
17/32 x 1-3/16 x 12 Gauge
Seat
(2) Keys
Keys Slope Sheet
(2) Mulcher Blades
(1) Oil Drain Tube
For Future Use
CONTENTS OF HARDWARE PACK

6
ASSEMBLY
TOOLS REQUIRED FOR ASSEMBLY
A socket wrench set will make assembly easier. Standard
wrench sizes are listed.
(2) 1/2" wrenches Utility knife
(2) 9/16" wrench Tire pressure gauge
Pliers
When right or left hand is mentioned in this manual, it means
when you are in the operating position (seated behind the
steering wheel).
TO REMOVE TRACTOR FROM CARTON
UNPACK CARTON
•Remove all accessible loose parts and parts cartons
from carton.
•Cut, from top to bottom, along lines on all four corners
of carton, and lay panels flat.
•Check for any additional loose parts or cartons and
remove.
Your new tractor has been assembled at the factory with exception of those parts left unassembled for shipping purposes. To
ensure safe and proper operation of your tractor all parts and hardware you assemble must be tightened securely. Use the
correct tools as necessary to insure proper tightness.
FIG. 1
5/16
LOCKNUT
LOWER
STEERING
SHAFT
TABS
EXTENSION
SHAFT
5/16 HEX
BOLT
STEERING
WHEEL
INSERT
ADAPTER
3/8 HEX BOLT
3/8 LOCK WASHER
LARGE FLAT
WASHER
STEERING
BOOT
TAB
SLOTS
BEFORE REMOVING TRACTOR FROM
SKID
ATTACH STEERING WHEEL (See Fig. 1)
ASSEMBLE EXTENSION SHAFT AND BOOT
•Slide extension shaft onto lower steering shaft. Align
mounting holes in extension and lower shafts and install
5/16 hex bolt and locknut. Tighten securely.
•Place tabs of steering boot over tab slots in dash and
push down to secure.
INSTALL STEERING WHEEL
•Position front wheels of the tractor so they are pointing
straight forward.
•Remove steering wheel adapter from steering wheel and
slide adapter onto steering shaft extension.
•Position steering wheel so cross bars are horizontal (left
to right) and slide inside boot and onto adapter.
•Assemble large flat washer, 3/8 lock washer, 3/8 hex
bolt and tighten securely.
•Snap steering wheel insert into center of steering wheel.
•Remove protective materials from tractor hood and grill.
IMPORTANT: CHECK FOR AND REMOVE ANY STAPLES
IN SKID THAT MAY PUNCTURE TIRES WHERE TRACTOR
IS TO ROLL OFF SKID.
HOW TO SET UP YOUR TRACTOR
CHECK BATTERY (See Fig. 2)
•Lift seat pan to raised position and open battery box
door.
•If this battery is put into service after month and year
indicated on label (label located between terminals)
charge battery for minimum of one hour at 6-10 amps.
(See "BATTERY" in CUSTOMER RESPONSIBILITIES
section of this manual for charging instructions).

7
ASSEMBLY
FIG. 2
TO ROLL TRACTOR OFF SKID (See Opera-
tion section, page 10, for location and
function of controls)
•Press lift lever plunger and raise attachment lift lever to
its highest position.
•Release parking brake by depressing clutch/brake pedal.
•Place gearshift lever in neutral (N) position.
•Roll tractor forward off skid.
•Remove banding holding deflector shield up against
tractor.
TO DRIVE TRACTOR OFF SKID (See Opera-
tion section, page 10, for location and func-
tion of controls)
WARNING: Before starting, read, understand and follow
all instructions in the Operation section of this manual. Be
sure tractor is in a well-ventilated area. Be sure the area in
front of tractor is clear of other people and objects.
•Be sure all the above assembly steps have been
completed.
•Check engine oil level and fill fuel tank with gasoline.
•Sit on seat in operating position, depress clutch/brake
pedal and set the parking brake.
•Place gear shift lever in neutral (N) position.
•Press lift lever plunger and raise attachment lift lever to
its highest position.
•Start the engine. After engine has started, move throttle
control to idle position.
•Depress clutch/brake pedal into full “BRAKE” position
and hold. Move gearshift lever to 1st gear.
•Slowly release clutch/brake pedal and slowly drive
tractor off skid.
•Apply brake to stop tractor, set parking brake and place
gearshift lever in neutral position.
•Turn ignition key to “OFF” position.
Continue with the instructions that follow.
BATTERY
BOX DOOR
SEAT PAN
LABEL
TERMINAL TERMINAL
SEAT PAN
SHOULDER
BOLT
ADJUSTMENT
KNOB
FLAT WASHER
SEAT
FIG. 3
NOTE: You may now roll or drive your tractor off the skid.
Follow the appropriate instruction below to remove the
tractor from the skid.
INSTALL SEAT (See Fig. 3)
Adjust seat before tightening adjustment knob.
•Remove adjustment knob and flat washer securing seat
to cardboard packing and set aside for assembly of seat
to tractor.
•Pivot seat upward and remove from the cardboard
packing. Remove the cardboard packing and discard.
•Place seat on seat pan so head of shoulder bolt is
positioned over large slotted hole in pan.
•Push down on seat to engage shoulder bolt in slot and
pull seat towards rear of tractor.
•Pivot seat and pan forward and assemble adjustment
knob and flat washer loosely. Do not tighten.
•Lower seat into operating position and sit on seat.
•Slide seat until a comfortable position is reached which
allows you to press clutch/brake pedal all the way down.
•Get off seat without moving its adjusted position.
•Raise seat and tighten adjustment knob securely.

8
ASSEMBLY
CHECKLIST
BEFORE YOU OPERATE AND ENJOY YOUR NEW TRAC-
TOR, WE WISH TO ASSURE THAT YOU RECEIVE THE
BEST PERFORMANCE AND SATISFACTION FROM THIS
QUALITY PRODUCT.
PLEASE REVIEW THE FOLLOWING CHECKLIST:
All assembly instructions have been completed.
No remaining loose parts in carton.
Battery is properly prepared and charged. (Minimum 1
hour at 6 amps).
Seat is adjusted comfortably and tightened securely.
All tires are properly inflated. (For shipping purposes,
the tires were overinflated at the factory).
Be sure mower deck is properly leveled side-to-side/
front-to-rear for best cutting results. (Tires must be
properly inflated for leveling).
Check mower and drive belts. Be sure they are routed
properly around pulleys and inside all belt keepers.
Check wiring. See that all connections are still secure
and wires are properly clamped.
WHILE LEARNING HOW TO USE YOUR TRACTOR, PAY
EXTRA ATTENTION TO THE FOLLOWING IMPORTANT
ITEMS:
Engine oil is at proper level.
Fuel tank is filled with fresh, clean, regular unleaded
gasoline.
Become familiar with all controls - their location and
function. Operate them before you start the engine.
Be sure brake system is in safe operating condition.
CHECK TIRE PRESSURE
The tires on your tractor were overinflated at the factory for
shipping purposes. Correct tire pressure is important for
best cutting performance.
•Reduce tire pressure to PSI shown in “PRODUCT
SPECIFICATIONS” section of this manual.
CHECK DECK LEVELNESS
For best cutting results, mower housing should be properly
leveled. See “TO LEVEL MOWER HOUSING” in the Service
and Adjustments section of this manual.
CHECK FOR PROPER POSITION OF ALL
BELTS
See the figures that are shown for replacing motion and
mower blade drive belts in the Service and Adjustments
section of this manual. Verify that the belts are routed
correctly.
CHECK BRAKE SYSTEM
After you learn how to operate your tractor, check to see that
the brake is properly adjusted. See “TO ADJUST BRAKE”
in the Service and Adjustments section of this manual.
TO INSTALL MULCHER PLATE (See Fig. 4)
NOTE: If you installed the mulching blades you will need to install
the mulcher plate.
•Raise and hold deflector shield in upright position.
•Place front of mulcher plate over front of mower deck
opening and slide into place, as shown.
•Hook front latch into hole on front of mower deck.
•Hook rear latch into hole on back of mower deck.
CAUTION: Do not remove deflector shield
from mower. Raise and hold shield when
attaching mulcher plate and allow it to
rest on plate while in operation.
DEFLECTOR
SHIELD
FIG. 4
LATCH
HOOKS
TO SET UP YOUR MOWER FOR MULCHING
•Remove high performance blades and install mulcher
blades, (see BLADE REMOVAL in the CUSTOMER
RESPONSABILITY section of this manual).
YOUR MOWER CAME FACTORY EQUIPPED WITH HIGH
PERFORMANCE BLADES, WHICH ARE THE BEST
BLADES FOR BAGGING AND DISCHARGING. TO USE
YOUR MOWER WITH THE HIGH PERFORMANCE BLADES
THE MULCHER PLATE MUST BE REMOVED FROM THE
MOWER (SEE FIG. 4).
IMPORTANT: FOR SHIPPING PURPOSES, THE
MULCHER PLATE WAS PREATTACHED TO YOUR
MOWER. THE MULCHER PLATE MUST ONLY BE USED
WITH THE MULCHING BLADES THAT CAME PACKED
SEPARATELY IN THE CARTON.
TO CONVERT TO BAGGING OR
DISCHARGING
NOTE: The mulcher blades will discharge and bag grass, but
for best bagging and discharging install the high performance
blades.
•Remove mulcher plate and mulcher blades and install
high performance blades, (see BLADE REMOVAL in the
CUSTOMER RESPONSABILITY section of this manual).
•Store mulcher blades and mulcher plate in a safe place.
Your mower is now ready for discharging or installation
of optional grass catcher accessory.
MULCHER
PLATE

9
OPERATION
These symbols may appear on your tractor or in literature supplied with the product. Learn and understand their meaning.
BATTERY CAUTION OR
WARNING REVERSE FORWARD FAST SLOW
ENGINE ON ENGINE OFF OIL PRESSURE LIGHTS ON
FUEL CHOKE MOWER HEIGHT PARKING BRAKE
LOCKED UNLOCKED
REVERSE NEUTRAL HIGH LOW
ATTACHMENT
CLUTCH ENGAGED
MOWER LIFT
DANGER, KEEP HANDS AND FEET AWAY FREE WHEEL
(Automatic Models only)
OVER TEMP
LIGHT
PARKING BRAKE
IGNITION
ATTACHMENT
CLUTCH DISENGAGED
P
KEEP AREA CLEAR SLOPE HAZARDS
15
15
15
(SEE SAFETY RULES SECTION)

10
OPERATION
KNOW YOUR TRACTOR
READ THIS OWNER'S MANUAL AND SAFETY RULES BEFORE OPERATING YOUR TRACTOR
Compare the illustrations with your tractor to familiarize yourself with the locations of various controls and adjustments. Save
this manual for future reference.
ATTACHMENT CLUTCH LEVER: Used to engage the
mower blades, or other attachments mounted to your tractor.
LIGHT SWITCH: Turns the headlights on and off.
THROTTLE/CHOKE CONTROL: Used for starting and
controlling engine speed.
CLUTCH/BRAKE PEDAL: Used for declutching and brak-
ing the tractor and starting the engine.
PARKING BRAKE: Locks clutch/brake pedal into the brake
position.
HEIGHT ADJUSTMENT KNOB - Used to adjust the mower
cutting height.
GEARSHIFT LEVER - Selects the speed and direction of
the tractor.
ATTACHMENT LIFT LEVER: Used to raise, lower, and
adjust the mower deck or other attachments mounted to your
tractor.
LIFT LEVER PLUNGER: Used to release attachment lift
lever when changing its position.
IGNITION SWITCH: Used for starting and stopping the
engine.
AMMETER - Indicates charging (+) or discharging (-) of
battery.
Our tractors conform to the safety standards of the American National Standards Institute.
FIG. 5
PARKING
BRAKE
CLUTCH/
BRAKE
PEDAL
THROTTLE/
CHOKE
CONTROL
AMMETER
GEAR SHIFT
LEVER
ATTACHMENT
LIFT LEVER
LIFT LEVER
PLUNGER
IGNITION
SWITCH
ATTACHMENT
CLUTCH LEVER
LIGHT SWITCH
POSITION
HEIGHT
ADJUSTMENT
KNOB

11
NOTE: Under certain conditions when tractor is standing idle
with the engine running, hot engine exhaust gases may
cause “browning” of grass. To eliminate this possibility,
always stop engine when stopping tractor on grass areas.
CAUTION: Always stop tractor com-
pletely, as described above, before leav-
ing the operator's position; to empty
grass catcher, etc.
TO USE THROTTLE CONTROL (See Fig. 6)
Always operate engine at full throttle.
•Operating engine at less than full throttle reduces the
battery charging rate.
•Full throttle offers the best bagging and mower perfor-
mance.
TO MOVE FORWARD AND BACKWARD (See
Fig. 6)
The direction and speed of movement is controlled by the
gearshift lever.
•Start tractor with clutch/brake pedal depressed and
gearshift lever in neutral (N) position.
•Move gearshift lever to desired position.
•Slowly release clutch/brake pedal to start movement.
IMPORTANT: BRING TRACTOR TO A COMPLETE STOP
BEFORE SHIFTING OR CHANGING GEARS. FAILURE TO
DO SO WILL SHORTEN THE USEFUL LIFE OF YOUR
TRANSAXLE.
OPERATION
The operation of any tractor can result in foreign objects thrown into the eyes, which can
result in severe eye damage. Always wear safety glasses or eye shields while operating
your tractor or performing any adjustments or repairs. We recommend a wide vision
safety mask over spectacles or standard safety glasses.
HOW TO USE YOUR TRACTOR
TO SET PARKING BRAKE (See Fig. 6)
Your tractor is equipped with an operator presence sensing
switch. When engine is running, any attempt by the operator
to leave the seat without first setting the parking brake will
shut off the engine.
•Depress clutch/brake pedal into full “BRAKE” position
and hold.
•Place parking brake lever in “ENGAGED” position and
release pressure from clutch/brake pedal. Pedal should
remain in “BRAKE” position. Make sure parking brake
will hold tractor secure.
PARKING BRAKE
"DISENGAGED"
POSITION
FIG. 6
CLUTCH/BRAKE
PEDAL "DRIVE"
POSITION
STOPPING (See Fig. 6)
MOWER BLADES -
•To stop mower blades,move attachment clutch lever to
“DISENGAGED” position.
GROUND DRIVE -
•To stop ground drive, depress clutch/brake pedal into
full “BRAKE” position.
•Move gearshift lever to neutral (N) position.
ENGINE -
•Move throttle control to slow position.
NOTE: Failure to move throttle control to slow position and
allowing engine to idle before stopping may cause engine to
“backfire”.
•Turn ignition key to “OFF” position and remove key.
Always remove key when leaving tractor to prevent
unauthorized use.
•Never use choke to stop engine.
IMPORTANT: LEAVING THE IGNITION SWITCH IN ANY
POSITION OTHER THAN "OFF" WILL CAUSE THE
BATTERY TO BE DISCHARGED, (DEAD).
ATTACHMENT
CLUTCH LEVER
"ENGAGED"
POSITION
IGNITION KEY
"DISENGAGED"
POSITION
PARKING
BRAKE
"ENGAGED"
POSITION
GEAR SHIFT
LEVER
THROTTLE/
CHOKE
CONTROL
LEVER
"BRAKE"
POSITION
HEIGHT
ADJUSTMENT
KNOB
TO ADJUST MOWER CUTTING HEIGHT (See
Fig. 6)
The cutting height is controlled by turning the height adjust-
ment knob in desired direction.
•Turn knob clockwise ( ) to raise cutting height.
•Turn knob counterclockwise ( ) to lower cutting
height.
The cutting height range is approximately 1-1/2" to 4". The
heights are measured from the ground to the blade tip with
the engine not running. These heights are approximate and
may vary depending upon soil conditions, height of grass
and types of grass being mowed.
•The average lawn should be cut to approximately 2-1/2
inches during the cool season and to over 3 inches
during hot months. For healthier and better looking
lawns, mow often and after moderate growth.
•For best cutting performance, grass over 6 inches in
height should be mowed twice. Make the first cut
relatively high; the second to desired height.
TO OPERATE MOWER (See Fig. 7)
Your tractor is equipped with an operator presence sensing
switch. Any attempt by the operator to leave the seat with
the engine running and the attachment clutch engaged will
shut off the engine.

12
•Select desired height of cut.
•Lower mower with attachment lift control.
•Start mower blades by engaging attachment clutch
control.
•TO STOP MOWER BLADES - disengage attachment
clutch control.
CAUTION: Do not operate the mower
without either the entire grass catcher,
on mowers so equipped, or the deflector
shield in place.
TO OPERATE ON HILLS
CAUTION: Do not drive up or down hills
with slopes greater than 15° and do not
drive across any slope.
•Choose the slowest speed before starting up or down
hills.
•Avoid stopping or changing speed on hills.
•If slowing is necessary, move throttle control lever to
slower position.
ADD GASOLINE
•Fill fuel tank. Use fresh, clean, regular unleaded
gasoline with a minimum of 87 octane. (Use of leaded
gasoline will increase carbon and lead oxide deposits
and reduce valve life). Do not mix oil with gasoline.
Purchase fuel in quantities that can be used within 30
days to assure fuel freshness.
IMPORTANT: WHEN OPERATING IN TEMPERATURES
BELOW 32°F(0°C), USE FRESH, CLEAN WINTER GRADE
GASOLINE TO HELP INSURE GOOD COLD WEATHER
STARTING.
WARNING: Experience indicates that alcohol blended fuels
(called gasohol or using ethanol or methanol) can attract
moisture which leads to separation and formation of acids
during storage. Acidic gas can damage the fuel system of
an engine while in storage. To avoid engine problems, the
fuel system should be emptied before storage of 30 days or
longer. Drain the gas tank, start the engine and let it run until
the fuel lines and carburetor are empty. Use fresh fuel next
season. See Storage Instructions for additional information.
Never use engine or carburetor cleaner products in the fuel
tank or permanent damage may occur.
OPERATION
ATTACHMENT
CLUTCH LEVER
"DISENGAGED"
POSITION
FIG. 7
DEFLECTOR
SHIELD
LOW
POSITION
ATTACHMENT
LIFT LEVER
HIGH
POSITION
"ENGAGED" POSITION
TO TRANSPORT
•Raise attachment lift to highest position with attachment
lift control.
•When pushing or towing your tractor, be sure gearshift
lever is in neutral (N) position.
•Do not push or tow tractor at more than five (5) MPH.
NOTE: To protect hood from damage when transporting your
tractor on a truck or a trailer, be sure hood is closed and
secured to tractor. Use an appropriate means of tying hood
to tractor (rope, cord, etc.).
TOWING CARTS AND OTHER ATTACHMENTS
Tow only the attachments that are recommended by and
comply with specifications of the manufacturer of your
tractor. Use common sense when towing. Too heavy of a
load, while on a slope, is dangerous. Tires can lose traction
with the ground and cause you to lose control of your tractor.
BEFORE STARTING THE ENGINE
CHECK ENGINE OIL LEVEL (See Fig. 14)
•The engine in your tractor has been shipped, from the
factory, already filled with summer weight oil.
•Check engine oil with tractor on level ground.
•Remove oil fill cap/dipstick and wipe clean, reinsert the
dipstick and screw cap tight, wait for a few seconds,
remove and read oil level. If necessary, add oil until
“FULL” mark on dipstick is reached. Do not overfill.
•For cold weather operation you should change oil for
easier starting (See “OIL VISCOSITY CHART” in the
Customer Responsibilities section of this manual).
•To change engine oil, see the Customer Responsibilities
section in this manual.
TO ADJUST GAUGE WHEELS (See Fig. 8)
Gauge wheels are properly adjusted when they are slightly
off the ground when mower is at the desired cutting height in
operating position. Gauge wheels then keep the deck in
proper position to help prevent scalping in most terrain
conditions.
•Adjust gauge wheels with tractor on a flat level surface.
•Adjust mower to desired cutting height (See “TO AD-
JUST MOWER CUTTING HEIGHT” in the Operation
section of this manual).
•With mower in desired height of cut position, gauge
wheels should be assembled so they are slightly off the
ground. Install gauge wheel in appropriate hole with
shoulder bolt, 3/8 washer, and 3/8-16 locknut and tighten
securely.
•Repeat for opposite side installing gauge wheel in same
adjustment hole.
•If stopping is absolutely necessary, push clutch/brake
pedal quickly to brake position and engage parking
brake.
•Move gearshift lever to 1st gear. Be sure you have
allowed room for tractor to roll slightly as you restart
movement.
•To restart movement, slowly release parking brake and
clutch/brake pedal.
•Make all turns slowly.
3/8 WASHER
3/8-16
LOCKNUT
GAUGE
WHEEL
MOUNT-
ING
BRACKET
SHOULDER
BOLT
GAUGE WHEEL
FIG. 8

13
OPERATION
MOWING TIPS
•Mower should be properly leveled for best mowing
performance. See "TO LEVEL MOWER HOUSING" in
the Service and Adjustments section of this manual.
•The left hand side of mower should be used for trimming.
•Drive so that clippings are discharged onto the area that
has been cut. Have the cut area to the right of the
machine. This will result in a more even distribution of
clippings and more uniform cutting.
•When mowing large areas, start by turning to the right so
that clippings will discharge away from shrubs, fences,
driveways, etc. After one or two rounds, mow in the
opposite direction making left hand turns until finished
(See Fig. 9).
FIG. 9
MULCHING MOWING TIPS
IMPORTANT: FOR BEST PERFORMANCE, KEEP MOWER
HOUSING FREE OF BUILT-UP GRASS AND TRASH.
CLEAN AFTER EACH USE.
•The special mulching blade will recut the grass clippings
many times and reduce them in size so that as they fall
onto the lawn they will disperse into the grass and not be
noticed. Also, the mulched grass will biodegrade
quickly to provide nutrients for the lawn. Always mulch
with your highest engine (blade) speed as this will
provide the best recutting action of the blades.
•Avoid cutting your lawn when it is wet. Wet grass tends
to form clumps and interferes with the mulching action.
The best time to mow your lawn is the early afternoon.
At this time the grass has dried and the newly cut area
will not be exposed to the direct sun.
•For best results, adjust the mower cutting height so that
the mower cuts off only the top one-third of the grass
blades (See Fig. 10). For extremely heavy mulching,
reduce your width of cut on each pass and mow slowly.
•Certain types of grass and grass conditions may require
that an area be mulched a second time to completely
hide the clippings. When doing a second cut, mow
across or perpendicular to the first cut path.
•Change your cutting pattern from week to week. Mow
north to south one week then change to east to west the
next week. This will help prevent matting and graining
of the lawn.
MAX 1/3
FIG. 10
TO START ENGINE (See Fig. 6)
When starting the engine for the first time or if the engine has
run out of fuel, it will take extra cranking time to move fuel
from the tank to the engine.
•Sit on seat in operating position, depress clutch/brake
pedal and set parking brake.
•Place gear shift lever in neutral (N) position.
•Move attachment clutch to “DISENGAGED” position.
•Move throttle control to choke ( ) position.
NOTE: Before starting, read the warm and cold starting
procedures below.
•Insert key into ignition and turn key clockwise to
“START” position and release key as soon as engine
starts. Do not run starter continuously for more than
fifteen seconds per minute. If the engine does not start
after several attempts, move throttle control to fast
position, wait a few minutes and try again. If engine still
does not start, move the throttle control back to the
choke ( ) position and retry.
WARM WEATHER STARTING (50° F and above)
•When engine starts, move the throttle control to the fast
position.
•The attachments and ground drive can now be used. If
the engine does not accept the load, restart the engine
and allow it to warm up for one minute using the choke
as described above.
COLD WEATHER STARTING ( 50° F and below)
•When engine starts, allow engine to run with the throttle
control in the choke ( ) position until the engine runs
roughly, then move throttle control to fast position. This
may require an engine warm-up period from several
seconds to several minutes, depending on the tempera-
ture.
•The attachments can also be used during the engine
warm-up period.
NOTE: If at a high altitude (above 3000 feet) or in cold
temperatures (below 32 F) the carburetor fuel mixture may
need to be adjusted for best engine performance. See “TO
ADJUST CARBURETOR” in the Service and Adjustments
section of this manual.
•If grass is extremely tall, it should be mowed twice to
reduce load and possible fire hazard from dried clip-
pings. Make first cut relatively high; the second to the
desired height.
•Do not mow grass when it is wet. Wet grass will plug
mower and leave undesirable clumps. Allow grass to dry
before mowing.
•Always operate engine at full throttle when mowing
to assure better mowing performance and proper dis-
charge of material. Regulate ground speed by selecting
a low enough gear to give the mower cutting perfor-
mance as well as the quality of cut desired.
•When operating attachments, select a ground speed
that will suit the terrain and give best performance of the
attachment being used.
CAUTION: Fill to bottom of gas tank
filler neck. Do not overfill. Wipe off any
spilled oil or fuel. Do not store, spill or
use gasoline near an open flame.

14
CUSTOMER RESPONSIBILITIES
BEFORE EACH USE
T
R
A
C
T
0
R
Adjust Motion Drive Belt(s) Tension
Inspect Muffler/Spark Arrester
Lubrication Chart
Check Brake Operation
Clean Air Filter
Change Engine Oil
Replace Air Filter Paper Cartridge
Replace Spark Plug
Check Battery Level
Check Tire Pressure
Clean Battery and Terminals
FILL IN DATES
AS YOU COMPLETE
REGULAR SERVICE
MAINTENANCE SCHEDULE
EVERY 8 HOURS
EVERY 25 HOURS
EVERY 50 HOURS
EVERY 100 HOURS
EVERY SEASON
SERVICE DATES
Check for Loose Fasteners
BEFORE STORAGE
Check Engine Oil Level
Clean Engine Cooling Fins
Sharpen/Replace Mower Blades
Check Operator Presence and
Interlock Systems
Clean Air Screen
1 - Change more often when operating under a heavy load or in high ambient temperatures.
2 - Service more often when operating in dirty or dusty conditions.
3 - If equipped with oil filter, change oil every 50 hours.
4 - Replace blades more often when mowing in sandy soil.
E
N
G
I
N
E
Replace Oil Filter (If equipped)
Check Transaxle Cooling
Adjust Blade Belt(s) Tension
Replace Fuel Filter
1
4
2
2
2
2
5 - If equipped with adjustable system.
6 - Not required if equipped with maintenance-free battery.
7 - Tighten front axle pivot bolt to 35 ft.-lbs. maximum.
Do not overtighten.
1
,
12,3
,
2
5
5
6
7
GENERAL RECOMMENDATIONS
The warranty on this tractor does not cover items that have
been subjected to operator abuse or negligence. To receive
full value from the warranty, operator must maintain tractor
as instructed in this manual.
Some adjustments will need to be made periodically to
properly maintain your tractor.
All adjustments in the Service and Adjustments section of
this manual should be checked at least once each season.
•Once a year you should replace the spark plug, clean or
replace air filter, and check blades and belts for wear. A
new spark plug and clean air filter assure proper air-fuel
mixture and help your engine run better and last longer.
BEFORE EACH USE
•Check engine oil level.
•Check brake operation.
•Check tire pressure.
•Check operator presence and
interlock systems for proper operation.
•Check for loose fasteners.
2
LUBRICATION CHART
2
SPINDLE ZERK
FRONT WHEEL
BEARING
ZERK
SAE 30 OR 10W30 MOTOR OIL
GENERAL PURPOSE GREASE
REFER TO CUSTOMER RESPONSIBILITIES “ENGINE”
SECTION
IMPORTANT: DO NOT OIL OR GREASE THE PIVOT POINTS
WHICH HAVE SPECIAL NYLON BEARINGS. VISCOUS LUBRI-
CANTS WILL ATTRACT DUST AND DIRT THAT WILL SHORTEN
THE LIFE OF THE SELF-LUBRICATING BEARINGS. IF YOU
FEEL THEY MUST BE LUBRICATED, USE ONLY A DRY, POW-
DERED GRAPHITE TYPE LUBRICANT SPARINGLY.
SPINDLE ZERK
FRONT WHEEL
BEARING ZERK
2
2
3
ENGINE
GEARSHIFT
PIVOTS 1
2
1
3

15
CUSTOMER RESPONSIBILITIES
FIG. 12
FIG. 11
BATTERY
Your tractor has a battery charging system which is suffi-
cient for normal use. However, periodic charging of the
battery with an automotive charger will extend its life.
•Keep battery and terminals clean.
•Keep battery bolts tight.
•Keep small vent holes open.
•Recharge at 6-10 amperes for 1 hour.
NOTE: The original equipment battery on your tractor is
maintenance free. Do not attempt to open or remove caps or
covers. Adding or checking level of electrolyte is not
necessary.
TRACTOR
Always observe safety rules when performing any mainte-
nance.
BRAKE OPERATION
If tractor requires more than six (6) feet stopping distance at
high speed in highest gear, then brake must be adjusted.
(See “TO ADJUST BRAKE” in the Service and Adjustments
section of this manual).
TIRES
•Maintain proper air pressure in all tires (See “PRODUCT
SPECIFICATIONS” section of this manual).
•Keep tires free of gasoline, oil, or insect control chemi-
cals which can harm rubber.
•Avoid stumps, stones, deep ruts, sharp objects and
other hazards that may cause tire damage.
NOTE: To seal tire punctures and prevent flat tires due to
slow leaks, tire sealant may be purchased from your local
parts dealer. Tire sealant also prevents tire dry rot and
corrosion.
OPERATOR PRESENCE SYSTEM
Be sure operator presence and interlock systems are work-
ing properly. If your tractor does not function as described,
repair the problem immediately.
•The engine should not start unless the clutch/brake
pedal is fully depressed and attachement clutch control
is in the disengaged position.
•When the engine is running, any attempt by the operator
to leave the seat without first setting the parking brake
should shut off the engine.
•When the engine is running and the attachment clutch is
engaged, any attempt by the operator to leave the seat
should shut off the engine.
•The attachment clutch should never operate unless the
operator is in the seat.
BLADE CARE
For best results mower blades must be kept sharp. Replace
bent or damaged blades.
BLADE REMOVAL (See Fig. 11)
•Raise mower to highest position to allow access to
blades.
•Remove hex bolt, lock washer and flat washer securing
blade.
•Install new or resharpened blade with trailing edge up
towards deck as shown.
IMPORTANT: TO ENSURE PROPER ASSEMBLY, CENTER
HOLE IN BLADE MUST ALIGN WITH STAR ON MANDREL
ASSEMBLY.
•Reassemble hex bolt, lock washer and flat washer in
exact order as shown.
•Tighten bolt securely (27-35 Ft. Lbs. torque).
IMPORTANT: BLADE BOLT IS GRADE 8 HEAT TREATED.
MANDREL
ASSEMBLY
BLADE
TRAILING
EDGE UP
FLAT WASHER
LOCK WASHER
HEX BOLT (GRADE
8)*
*A GRADE 8 HEAT TREATED BOLT CAN BE
IDENTIFIED BY SIX LINES ON THE BOLT HEAD.
5/8" BOLT
OR PIN
BLADE
CENTER HOLE
CENTER
HOLE
STAR
TO SHARPEN BLADE (See Fig. 12)
NOTE: We do not recommend sharpening blade - but if you
do, be sure the blade is balanced.
Care should be taken to keep the blade balanced. An
unbalanced blade will cause excessive vibration and even-
tual damage to mower and engine.
•The blade can be sharpened with a file or on a grinding
wheel. Do not attempt to sharpen while on the mower.
•To check blade balance, you will need a 5/8" diameter
steel bolt, pin, or a cone balancer. (When using a cone
balancer, follow the instructions supplied with balancer.)
NOTE: Do not use a nail for balancing blade. The lobes of
the center hole may appear to be centered, but are not.
•Slide blade on to an unthreaded portion of the steel bolt
or pin and hold the bolt or pin parallel with the ground. If
blade is balanced, it should remain in a horizontal
position. If either end of the blade moves downward,
sharpen the heavy end until the blade is balanced.

16
CUSTOMER RESPONSIBILITIES
V-BELTS
Check V-belts for deterioration and wear after 100 hours and
replace if necessary. The belts are not adjustable. Replace
belts if they begin to slip from wear.
TRANSAXLE COOLING
Keep transaxle free from build-up of dirt and chaff which can
restrict cooling.
ENGINE
LUBRICATION
Only use high quality detergent oil rated with API service
classification SF-SJ. Select the oil’s SAE viscosity grade
according to your expected operating temperature.
TEMPERATURE RANGE ANTICIPATED BEFORE NEXT OIL CHANGE
SAE VISCOSITY GRADES
-20°0°30°40°80°100°
-30°-20°0°20°30°40°
°
F
°
C
32°
-10°10°
60°
5W-30
SAE 30
FIG. 14
NOTE: Although multi-viscosity oils (5W30, 10W30 etc.)
improve starting in cold weather, these multi-viscosity oils
will result in increased oil consumption when used above
32°F. Check your engine oil level more frequently to avoid
possible engine damage from running low on oil.
Change the oil after every 50 hours of operation or at least
once a year if the tractor is not used for 50 hours in one year.
Check the crankcase oil level before starting the engine and
after each eight (8) hours of operation. Tighten oil fill cap/
dipstick securely each time you check the oil level.
FIG. 13
TO CLEAN BATTERY AND TERMINALS
Corrosion and dirt on the battery and terminals can cause the
battery to “leak” power.
•Open battery box door.
•Disconnect BLACK battery cable first then RED battery
cable and remove battery from tractor.
•Rinse the battery with plain water and dry.
•Clean terminals and battery cable ends with wire brush
until bright.
•Coat terminals with grease or petroleum jelly.
•Reinstall battery (See “REPLACING BATTERY” in the
Service and Adjustment section of this manual).
CLEAN AIR SCREEN
Air screen must be kept free of dirt and chaff to prevent
engine damage from overheating. Clean with a wire brush or
compressed air to remove dirt and stubborn dried gum fibers.
ENGINE COOLING FINS (See Fig. 15)
Remove any dust, dirt or oil from engine cooling fins to
prevent engine damage from overheating.
•Remove oil fill cap/dipstick.
•Remove hex bolts from blower housing and lift housing
off engine.
•Cover oil fill opening to prevent entry of dirt.
•Use compressed air or stiff bristle brush to thoroughly
clean engine cooling fins.
•To reassemble, reverse above procedure.
FIG. 15
ENGINE COOLING FINS
SPARK
PLUG
AIR SCREEN
HEX
BOLTS
HEX
BOLTS BLOWER HOUSING
OILL FILL/
DIPSTICK
TUBE
TO CHANGE ENGINE OIL (See Figs. 13 and 14)
Determine temperature range expected before oil change.
All oil must meet API service classification SF-SJ.
•Be sure tractor is on level surface.
•Oil will drain more freely when warm.
•Catch oil in a suitable container.
•Remove oil fill cap/dipstick. Be careful not to allow dirt
to enter the engine when changing oil.
•Remove cap from bottom fitting of drain valve and install
the drain tube onto the fitting.
•Unlock drain valve by pushing inward and turning coun-
terclockwise.
•To open, pull out on the drain valve.
CLOSED
AND
LOCKED
POSITION
CAP DRAIN
TUBE
OIL DRAIN VALVE
•After oil has drained completely, close and lock the drain
valve by pushing inward and turning clockwise until the
pin is in the locked position as shown.
•Remove the drain tube and replace the cap onto to the
bottom fitting of the drain valve.
•Refill engine with oil through oil fill dipstick tube. Pour
slowly. Do not overfill. For approximate capacity see
“PRODUCT SPECIFICATIONS” section of this manual.
•Use gauge on oil fill cap/dipstick for checking level. Be
sure dipstick cap is tightened securely for accurate
reading. Keep oil at “FULL” line on dipstick.

17
CUSTOMER RESPONSIBILITIES
CLEANING
•Clean engine, battery, seat, finish, etc. of all foreign
matter.
•Keep finished surfaces and wheels free of all gasoline,
oil, etc.
•Protect painted surfaces with automotive type wax.
We do not recommend using a garden hose to clean your
tractor unless the electrical system, muffler, air filter and
carburetor are covered to keep water out. Water in engine
can result in a shortened engine life.
MUFFLER
Inspect and replace corroded muffler and spark arrester (if
equipped) as it could create a fire hazard and/or damage.
SPARK PLUGS
Replace spark plugs at the beginning of each mowing
season or after every 100 hours of use, whichever comes
first. Spark plug type and gap setting is shown in "PROD-
UCT SPECIFICATIONS" section of this manual.
ENGINE OIL FILTER
Replace the engine oil filter every season or every other oil
change if the tractor is used more than 100 hours in one year.
IN-LINE FUEL FILTER (See Fig. 17)
The fuel filter should be replaced once each season. If fuel
filter becomes clogged, obstructing fuel flow to carburetor,
replacement is required.
•With engine cool, remove filter and plug fuel line sec-
tions.
•Place new fuel filter in position in fuel line with arrow
pointing towards carburetor.
•Be sure there are no fuel line leaks and clamps are
properly positioned.
•Immediately wipe up any spilled gasoline.
FIG. 17
FUEL
FILTER
CLAMP
CLAMP
FOAM
PRE-CLEANER
COVER
KNOB
COVER CARTRIDGE
NUT
FIG. 16
PAPER
CARTRIDGE
BASE
AIR FILTER (See Fig. 16)
Your engine will not run properly using a dirty air filter. Clean
the foam pre-cleaner after every 25 hours of operation or
every season. Service paper cartridge every 100 hours of
operation or every season, whichever occurs first.
Service air cleaner more often under dusty conditions.
•Remove knob(s) and cover.
TO SERVICE PRE-CLEANER
•Slide foam pre-cleaner off cartridge.
•Wash it in liquid detergent and water.
•Squeeze it dry in a clean cloth.
•Saturate it in engine oil. Wrap it in clean, absorbent cloth
and squeeze to remove excess oil.
•If very dirty or damaged, replace pre-cleaner.
•Reinstall pre-cleaner over cartridge.
•Reinstall cover and secure with knob(s).
TO SERVICE CARTRIDGE
•Remove cartridge nut.
•Carefully remove cartridge to prevent debris from enter-
ing carburetor. Clean base carefully to prevent debris
from entering carburetor.
•Clean cartridge by tapping gently on flat surface. If very
dirty or damaged, replace cartridge.
•Reinstall cartridge, nut, precleaner, cover and secure
with knob(s).
IMPORTANT: PETROLEUM SOLVENTS, SUCH AS
KEROSENE, ARE NOT TO BE USED TO CLEAN THE
CARTRIDGE. THEY MAY CAUSE DETERIORATION OF
THE CARTRIDGE. DO NOT OIL CARTRIDGE. DO NOT
USE PRESSURIZED AIR TO CLEAN OR DRY CARTRIDGE.

18
SERVICE AND ADJUSTMENTS
CAUTION: BEFORE PERFORMING ANY SERVICE OR ADJUSTMENTS:
•Depress clutch/brake pedal fully and set parking brake.
•Place gearshift lever in neutral (N) position.
•Place attachment clutch in “DISENGAGED” position.
•Turn ignition key “OFF” and remove key.
•Make sure the blades and all moving parts have completely stopped.
•Disconnect spark plug wire from spark plug and place wire where it cannot come in contact with
plug.
TRACTOR
TO REMOVE MOWER (See Fig. 18)
Mower will be easier to remove from the right side of tractor.
•Place attachment clutch in “DISENGAGED” position.
•Move attachment lift lever forward to lower mower to its
lowest position.
•Roll belt off engine pulley.
•Remove small retainer spring, and lift clutch spring off
pulley bolt.
•Remove large retainer spring, slide collar off and push
housing guide out of bracket.
•Disconnect anti-swaybar from chassis bracket by re-
moving retainer spring.
•Disconnect suspension arms from rear deck brackets
by removing retainer springs.
•Disconnect front links from deck by removing retainer
springs.
•Raise lift lever to raise suspension arms. Slide mower
out from under tractor.
IMPORTANT: IF AN ATTACHMENT OTHER THAN THE
MOWER DECK IS TO BE MOUNTED ON THE TRAC-
TOR, REMOVE THE FRONT LINKS AND HOOK THE
CLUTCH SPRING INTO SQUARE HOLE IN FRAME.
TO INSTALL MOWER (See Fig. 18)
•Raise attachment lift lever to its highest position.
•Slide mower under tractor with deflector shield to right
side of tractor.
•Lower lift lever to its lowest position.
•Install mower in reverse order of removal instructions.
SUSPENSION ARMS
RETAINER SPRINGS
(BOTH SIDES)
RETAINER SPRING
ANTI-SWAY BAR
HOUSING GUIDE
FRONT LINK
COLLAR
ENGINE PULLEY
LARGE
RETAINER
SPRING
CLUTCH SPRING
SMALL RETAINER SPRING
BRACKET
SQUARE HOLE
Fig. 18

19
SERVICE AND ADJUSTMENTS
FRONT-TO-BACK ADJUSTMENT (See Figs. 21 and 22)
IMPORTANT: DECK MUST BE LEVEL SIDE-TO-SIDE. IF
THE FOLLOWING FRONT-TO-BACK ADJUSTMENT IS
NECESSARY, BE SURE TO ADJUST BOTH FRONT LINKS
EQUALLY SO MOWER WILL STAY LEVEL SIDE-TO-
SIDE.
To obtain the best cutting results, the mower housing should
be adjusted so that the front is approximately 1/8" to 1/2"
lower than the rear when the mower is in its highest position.
FIG. 22
NUT “E”
BOTH FRONT LINKS MUST BE EQUAL IN LENGTH
TRUNNION
“D”
“D”
FIG. 21
NUT “F”
FRONT LINKS
MANDREL
TO LEVEL MOWER HOUSING
Adjust the mower while tractor is parked on level ground or
driveway. Make sure tires are properly inflated (See “PROD-
UCT SPECIFICATIONS” section of this manual). If tires are
over or underinflated, you will not properly adjust your
mower.
SIDE-TO-SIDE ADJUSTMENT (See Figs. 19 and 20)
•Raise mower to its highest position.
•At the midpoint of both sides of mower, measure height
from bottom edge of mower to ground. Distance “A” on
both sides of mower should be the same or within 1/4"
of each other.
•If adjustment is necessary, make adjustment on one
side of mower only.
•To raise one side of mower, tighten lift link adjustment
nut on that side.
•To lower one side of mower, loosen lift link adjustment
nut on that side.
NOTE: Each full turn of adjustment nut will change mower
height about 1/8".
•Recheck measurements after adjusting.
BOTTOM EDGE
OF MOWER TO
GROUND
FIG. 19
SUSPENSION
ARM
LIFT LINK
ADJUSTMENT NUT
FIG. 20
AA
GROUND LINE
BOTTOM EDGE
OF MOWER TO
GROUND
Check adjustment on right side of tractor. Measure distance
“D” directly in front and behind the mandrel at bottom edge
of mower housing as shown.
•Before making any necessary adjustments, check that
both front links are equal in length. Both links should be
approximately 10-3/8".
•If links are not equal in length, adjust one link to same
length as other link.
•To lower front of mower loosen nut “E” on both front links
an equal number of turns.
•When distance “D” is 1/8" to 1/2" lower at front than rear,
tighten nuts “F” against trunnion on both front links.
•To raise front of mower, loosen nut “F” from trunnion on
both front links. Tighten nut “E” on both front links an
equal number of turns.
•When distance “D” is 1/8" to 1/2" lower at front than rear,
tighten nut “F” against trunnion on both front links.
•Recheck side-to-side adjustment.

20
SERVICE AND ADJUSTMENTS
IDLER
PULLEYS
MANDREL
PULLEYS
FIG. 23
TO REPLACE MOWER BLADE DRIVE BELT
(See Fig. 23)
The mower blade drive belt may be replaced without tools.
Park the tractor on level surface. Engage parking brake.
BELT REMOVAL -
•Remove mower from tractor (See “TO REMOVE
MOWER” in this section of this manual).
•Work belt off both mandrel pulleys and idler pulleys.
•Pull belt away from mower.
BELT INSTALLATION -
•Install new belt in reverse order of removal.
•Make sure belt is in all pulley grooves and inside all belt
guides.
•Install mower in reverse order of removal instructions.
TO ADJUST BRAKE (See Fig. 24)
Your tractor is equipped with an adjustable brake system
which is mounted on the right side of the transaxle.
If tractor requires more than six (6) feet stopping distance at
high speed in highest gear on a level dry concrete or paved
surface, then brake must be adjusted.
•Depress clutch/brake pedal and engage parking brake.
•Measure distance between brake operating arm and nut
“A” on brake rod.
•If distance is other than 1-1/2", loosen jam nut and turn
nut “A” until distance becomes 1-1/2". Retighten jam nut
against nut “A”.
•Road test tractor for proper stopping distance as stated
above. Readjust if necessary. If stopping distance is
still greater than six (6) feet in highest gear, further
maintenance is necessary. Contact your nearest au-
thorized service center/department.
1-1/2"
JAM NUT
WITH PARKING BRAKE
“ENGAGED”
OPERATING
ARM
NUT
“A”
FIG. 24
FIG. 25
TRANSAXLE
PULLEY
STATIONARY
IDLER
CLUTCHING
IDLER
ENGINE
PULLEY
TO REPLACE MOTION DRIVE BELT
(See Fig. 25)
Park the tractor on level surface. Engage parking brake. For
assistance, there is a belt installation guide decal on bottom
side of left footrest.
•Remove mower (See “TO REMOVE MOWER” in this
section of this manual.)
•Remove belt from stationary idler and clutching idler.
•Pull belt slack toward rear of tractor. Remove belt
upwards from transaxle pulley by deflecting belt keep-
ers.
•Pull belt toward front of tractor and remove downwards
from around engine pulley.
•Install new belt by reversing above procedure.

21
SERVICE AND ADJUSTMENTS
TO ADJUST STEERING WHEEL ALIGNMENT
If steering wheel crossbars are not horizontal (left to right)
when wheels are positioned straight forward, remove steer-
ing wheel and reassemble per instructions in the Assembly
section of this manual.
FRONT WHEEL TOE-IN/CAMBER
The front wheel toe-in and camber are not adjustable on your
tractor. If damage has occurred to affect the front wheel toe-
in or camber, contact your nearest authorized service
center/department.
FIG. 27
RETAINING
RING
WASHERS
SQUARE KEY (REAR
WHEEL ONLY)
AXLE COVER
TO REMOVE WHEEL FOR REPAIRS
(See Fig. 27)
•Block up axle securely.
•Remove axle cover, retaining ring and washers to allow
wheel removal (rear wheel contains a square key - Do
not lose).
•Repair tire and reassemble.
•On rear wheels only: align grooves in rear wheel hub and
axle. Insert square key.
•Replace washers and snap retaining ring securely in
axle groove.
•Replace axle cover.
TRANSAXLE GEAR SHIFT LEVER NEUTRAL
ADJUSTMENT (See Fig. 26)
The transaxle should be in neutral when the gear shift lever
is in neutral (N) (lock gate) position. The adjustment is
preset at the factory; however, if adjustment is needed,
proceed as follows:
•Make sure transaxle is in neutral (N).
NOTE: When the tractor rear wheels move freely, the
transaxle is in neutral.
•Loosen adjustment bolt in front of the right rear wheel.
•Position the gear shift lever in the neutral (N) position.
•Tighten adjustment bolt securely.
NOTE: If additional clearance is needed to get to adjustment
bolt, move mower deck height to the lowest position.
ADJUSTMENT
BOLT
NEUTRAL
LOCK GATE
GEARSHIFT LEVER
FIG. 26
TO START ENGINE WITH A WEAK BATTERY
(See Fig. 28)
CAUTION: Lead-acid batteries generate
explosive gases. Keep sparks, flame
and smoking materials away from bat-
teries. Always wear eye protection when
around batteries.
If your battery is too weak to start the engine, it should be
recharged. (See "BATTERY" in the CUSTOMER RESPON-
SIBILITIES section of this manual).
If “jumper cables” are used for emergency starting, follow
this procedure:
IMPORTANT: YOUR TRACTOR IS EQUIPPED WITH A 12
VOLT NEGATIVE GROUNDED SYSTEM. THE OTHER
VEHICLE MUST ALSO BE A 12 VOLT NEGATIVE
GROUNDED SYSTEM. DO NOT USE YOUR TRACTOR
BATTERY TO START OTHER VEHICLES.
TO ATTACH JUMPER CABLES -
•Connect each end of the RED cable to the POSITIVE (+)
terminal of each battery, taking care not to short against
chassis.
•Connect one end of the BLACK cable to the NEGATIVE
(-) terminal of fully charged battery.
•Connect the other end of the BLACK cable to a good
CHASSIS GROUND, away from fuel tank and battery.
TO REMOVE CABLES, REVERSE ORDER -
•BLACK cable first from chassis and then from the fully
charged battery.
•RED cable last from both batteries.
NOTE: To seal tire punctures and prevent flat tires due to
slow leaks, tire sealant may be purchased from your local
parts dealer. Tire sealant also prevents tire dry rot and
corrosion.

22
SERVICE AND ADJUSTMENTS
NEGATIVE TERMINAL
POSITIVE TERMINAL
NEGATIVE TERMINAL
POSITIVE TERMINAL
CHARGED
BATTERY
CABLES
CHASSIS
FIG. 28
TO REPLACE HEADLIGHT BULB
•Raise hood.
•Pull bulb holder out of the hole in the backside of the grill.
•Replace bulb in holder and push bulb holder securely
back into the hole in the backside of the grill.
•Close hood.
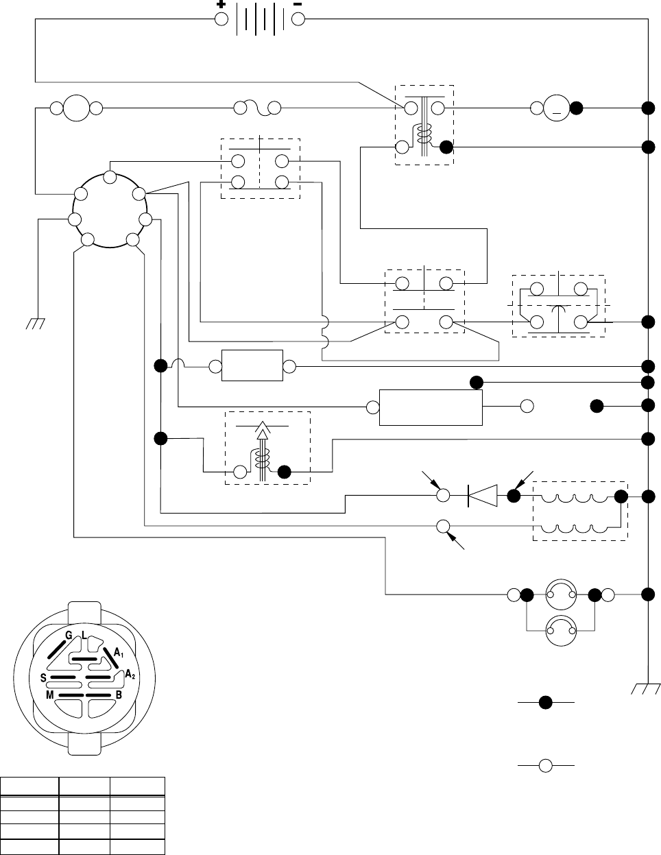
INTERLOCKS AND RELAYS
Loose or damaged wiring may cause your tractor to run
poorly, stop running, or prevent it from starting.
•Check wiring. See electrical wiring diagram in the Repair
Parts section.
TO REPLACE FUSE
Replace with 20 amp automotive-type plug-in fuse. The fuse
holder is located behind the dash.
HOOD
HEADLIGHT
WIRE
CONNECTOR
FIG. 31
TO REMOVE HOOD AND GRILL ASSEMBLY
(See Fig. 31)
•Raise hood.
•Unsnap headlight wire connector.
•Stand in front of tractor. Grasp hood at sides, tilt toward
engine and lift off of tractor.
•To replace, reverse above procedure.
REPLACING BATTERY (See Figs. 29 and 30)
CAUTION: Do not short battery termi-
nals by allowing a wrench or any other
object to contact both terminals at the
same time. Before connecting battery,
remove metal bracelets, wristwatch
bands, rings, etc.
•Lift seat pan to raised position and open battery box
door.
•Disconnect BLACK battery cable first then RED battery
cable and carefully remove battery from tractor.
•Install new battery with terminals in same position as old
battery.
•First connect RED battery cable to positive (+) terminal
with hex bolt and keps nut as shown. Tighten securely.
•Connect BLACK grounding cable to negative (-) terminal
with remaining hex bolt and keps nut. Tighten securely.
•Close battery box door.
Positive terminal must be connected
first to prevent sparking from acciden-
tal grounding.
FIG. 29
FIG. 30
SEAT PAN
BATTERY
BOX DOOR
KEPS
NUT
HEX
BOLT
POSITIVE (RED)
CABLE NEGATIVE
(BLACK) CABLE

23
SERVICE AND ADJUSTMENTS
GOVERNOR
CONTROL LEVER GOVERNOR
CONTROL
PLATE
THROTTLE
CABLE
HOLES “A”
FIG. 32
TO ADJUST CARBURETOR
The carburetor has been preset at the factory and adjust-
ment should not be necessary. However, minor adjustment
may be required to compensate for differences in fuel,
temperature, altitude or load. If the carburetor does need
adjustment, see engine manual.
High speed stop is factory adjusted. Do not adjust - damage
may result.
IMPORTANT: NEVER TAMPER WITH THE ENGINE
GOVERNOR, WHICH IS FACTORY SET FOR PROPER
ENGINE SPEED. OVERSPEEDING THE ENGINE ABOVE
THE FACTORY HIGH SPEED SETTING CAN BE
DANGEROUS. IF YOU THINK THE ENGINE-GOVERNED
HIGH SPEED NEEDS ADJUSTING, CONTACT YOUR
NEAREST AUTHORIZED SERVICE CENTER/
DEPARTMENT, WHICH HAS PROPER EQUIPMENT AND
EXPERIENCE TO MAKE ANY NECESSARY
ADJUSTMENTS.
ENGINE
CLAMP
SCREW
TO ADJUST THROTTLE CONTROL CABLE
(See Fig. 32)
The throttle control has been preset at the factory and
adjustment should not be necessary. Check adjustment as
described below before loosening cable. If adjustment is
necessary, proceed as follows:
•With engine not running, move throttle control lever from
slow to choke position. Slowly move lever from choke
to fast position.
•Check that holes “A” in governor control lever and hole
in governor plate line-up. If holes “A” are not aligned,
loosen clamp screw and move throttle cable until holes
are aligned. Tighten clamp screw securely.

24
STORAGE
Immediately prepare your tractor for storage at the end of the
season or if the tractor will not be used for 30 days or more.
CAUTION: Never store the tractor with
gasoline in the tank inside a building
where fumes may reach an open flame
or spark. Allow the engine to cool
before storing in any enclosure.
TRACTOR
Remove mower from tractor for winter storage. When mower
is to be stored for a period of time, clean it thoroughly,
remove all dirt, grease, leaves, etc. Store in a clean, dry
area.
•Clean entire tractor (See “CLEANING” in the Customer
Responsibilities section of this manual).
•Inspect and replace belts, if necessary (See belt re-
placement instructions in the Service and Adjustments
section of this manual).
•Lubricate as shown in the Customer Responsibilities
section of this manual.
•Be sure that all nuts, bolts and screws are securely
fastened. Inspect moving parts for damage, breakage
and wear. Replace if necessary.
•Touch up all rusted or chipped paint surfaces; sand
lightly before painting.
BATTERY
•Fully charge the battery for storage.
•After a period of time in storage, battery may require
recharging.
•To help prevent corrosion and power leakage during long
periods of storage, battery cables should be discon-
nected and battery cleaned thoroughly (see “TO CLEAN
BATTERY AND TERMINALS” in the Customer Respon-
sibilities section of this manual).
•After cleaning, leave cables disconnected and place
cables where they cannot come in contact with battery
terminals.
•If battery is removed from tractor for storage, do not
store battery directly on concrete or damp surfaces.
ENGINE
FUEL SYSTEM
IMPORTANT: IT IS IMPORTANT TO PREVENT GUM
DEPOSITS FROM FORMING IN ESSENTIAL FUEL SYSTEM
PARTS SUCH AS CARBURETOR, FUEL FILTER, FUEL
HOSE, OR TANK DURING STORAGE. ALSO,
EXPERIENCE INDICATES THAT ALCOHOL BLENDED
FUELS (CALLED GASOHOL OR USING ETHANOL OR
METHANOL) CAN ATTRACT MOISTURE WHICH LEADS
TO SEPARATION AND FORMATION OF ACIDS DURING
STORAGE. ACIDIC GAS CAN DAMAGE THE FUEL
SYSTEM OF AN ENGINE WHILE IN STORAGE.
•Drain the fuel tank.
•Start the engine and let it run until the fuel lines and
carburetor are empty.
•Never use engine or carburetor cleaner products in the
fuel tank or permanent damage may occur.
•Use fresh fuel next season.
NOTE: Fuel stabilizer is an acceptable alternative in
minimizing the formation of fuel gum deposits during stor-
age. Add stabilizer to gasoline in fuel tank or storage
container. Always follow the mix ratio found on stabilizer
container. Run engine at least 10 minutes after adding
stabilizer to allow the stabilizer to reach the carburetor. Do
not drain the gas tank and carburetor if using fuel stabilizer.
ENGINE OIL
Drain oil (with engine warm) and replace with clean engine oil.
(See “ENGINE” in the Customer Responsibilities section of
this manual).
CYLINDER(S)
•Remove spark plug(s).
•Pour one ounce of oil through spark plug hole(s) into
cylinder(s).
•Turn ignition key to “START” position for a few seconds
to distribute oil.
•Replace with new spark plug(s).
OTHER
•Do not store gasoline from one season to another.
•Replace your gasoline can if your can starts to rust.
Rust and/or dirt in your gasoline will cause problems.
•If possible, store your tractor indoors and cover it to give
protection from dust and dirt.
•Cover your tractor with a suitable protective cover that
does not retain moisture. Do not use plastic. Plastic
cannot breathe which allows condensation to form and
will cause your tractor to rust.
IMPORTANT: NEVER COVER TRACTOR WHILE ENGINE
AND EXHAUST AREAS ARE STILL WARM.

25
TROUBLESHOOTING POINTS
Will not start 1. Out of fuel. 1. Fill fuel tank.
2. Engine not “CHOKED” properly. 2. See “TO START ENGINE” in Operation section.
3. Engine flooded. 3. Wait several minutes before attempting to start.
4. Bad spark plug. 4. Replace spark plug.
5. Dirty air filter. 5. Clean/replace air filter.
6. Dirty fuel filter. 6. Replace fuel filter.
7. Water in fuel. 7. Drain fuel tank and carburetor, refill tank with fresh
gasoline and replace fuel filter.
8. Loose or damaged wiring. 8. Check all wiring.
9. Carburetor out of adjustment. 9. See “To Adjust Carburetor” in Service Adjustments
section.
10. Engine valves out of adjustment. 10. Contact an authorized service center/department.
Hard to start 1. Dirty air filter. 1. Clean/replace air filter.
2. Bad spark plug. 2. Replace spark plug.
3. Weak or dead battery. 3. Recharge or replace battery.
4. Dirty fuel filter. 4. Replace fuel filter.
5. Stale or dirty fuel. 5. Drain fuel tank and refill with fresh gasoline.
6. Loose or damaged wiring. 6. Check all wiring.
7. Carburetor out of adjustment. 7. See “To Adjust Carburetor” in Service Adjustments
section.
8. Engine valves out of adjustment. 8. Contact an authorized service center/department.
Engine will not turn over 1. Clutch/brake pedal not depressed. 1. Depress clutch/brake pedal.
2. Attachment clutch is engaged. 2. Disengage attachment clutch.
3. Weak or dead battery. 3. Recharge or replace battery.
4. Blown fuse. 4. Replace fuse.
5. Corroded battery terminals. 5. Clean battery terminals.
6. Loose or damaged wiring. 6. Check all wiring.
7. Faulty ignition switch. 7. Check/replace ignition switch.
8. Faulty solenoid or starter. 8. Check/replace solenoid or starter.
9. Faulty operator presence switch(es). 9. Contact an authorized service center/department.
Engine clicks but will not 1. Weak or dead battery. 1. Recharge or replace battery.
start 2. Corroded battery terminals. 2. Clean battery terminals.
3. Loose or damaged wiring. 3. Check all wiring.
4. Faulty solenoid or starter. 4. Check/replace solenoid or starter.
Loss of power 1. Cutting too much grass/too fast. 1. Set in “Higher Cut” position/reduce speed.
2. Throttle in “CHOKE” position. 2. Adjust throttle control.
3. Build-up of grass, leaves and trash under mower. 3. Clean underside of mower housing.
4. Dirty air filter. 4. Clean/replace air filter.
5. Low oil level/dirty oil. 5. Check oil level/change oil.
6. Faulty spark plug. 6. Clean and regap or change spark plug.
7. Dirty fuel filter. 7. Replace fuel filter.
8. Stale or dirty fuel. 8. Drain fuel tank and refill with fresh gasoline.
9. Water in fuel. 9. Drain fuel tank and carburetor, refill tank with fresh
gasoline and replace fuel filter.
10. Spark plug wire loose. 10. Connect and tighten spark plug wire.
11. Dirty engine air screen/fins. 11. Clean engine air screen/fins.
12. Dirty/clogged muffler. 12. Clean/replace muffler.
13. Loose or damaged wiring. 13. Check all wiring.
14. Carburetor out of adjustment. 14. See “To Adjust Carburetor” in Service Adjustments
section.
15. Engine valves out of adjustment. 15. Contact an authorized service center/department.
Excessive vibration 1. Worn, bent or loose blade. 1. Replace blade. Tighten blade bolt.
2. Bent blade mandrel. 2. Replace blade mandrel.
3. Loose/damaged part(s). 3. Tighten loose part(s). Replace damaged parts.
PROBLEM CAUSE CORRECTION

26
TROUBLESHOOTING POINTS
PROBLEM CAUSE CORRECTION
Engine continues to run 1. Faulty operator-safety presence control system. 1. Check wiring, switches and connections. If not
when operator leaves seat corrected, contact an authorized service center/
with attachment clutch department.
engaged
Poor cut - uneven 1. Worn, bent or loose blade. 1. Replace blade. Tighten blade bolt.
2. Mower deck not level. 2. Level mower deck.
3. Buildup of grass, leaves, and trash under mower. 3. Clean underside of mower housing.
4. Bent blade mandrel. 4. Replace blade mandrel.
5. Clogged mower deck vent holes from buildup of 5. Clean around mandrels to open vent holes.
grass, leaves, and trash around mandrels.
Mower blades will not 1. Obstruction in clutch mechanism. 1. Remove obstruction.
rotate 2. Worn/damaged mower drive belt. 2. Replace mower drive belt.
3. Frozen idler pulley. 3. Replace idler pulley.
4. Frozen blade mandrel. 4. Replace blade mandrel.
Poor grass discharge 1. Engine speed too slow. 1. Place throttle control in “FAST” position.
2. Travel speed too fast. 2. Shift to slower speed.
3. Wet grass. 3. Allow grass to dry before mowing.
4. Mower deck not level. 4. Level mower deck.
5. Low/uneven tire air pressure. 5. Check tires for proper air pressure.
6. Worn, bent or loose blade. 6. Replace/sharpen blade. Tighten blade bolt.
7. Buildup of grass, leaves and trash under mower. 7. Clean underside of mower housing.
8. Mower drive belt worn. 8. Replace mower drive belt.
9. Blades improperly installed. 9. Reinstall blades sharp edge down.
10. Improper blades used. 10. Replace with blades listed in this manual.
11. Clogged mower deck vent holes from buildup of 11. Clean around mandrels to open vent holes.
grass, leaves, and trash around mandrels.
Headlight(s) not working 1. Switch is “OFF”. 1. Turn switch “ON”.
(if so equipped) 2. Bulb(s) burned out. 2. Replace bulb(s).
3. Faulty light switch. 3. Check/replace light switch.
4. Loose or damaged wiring. 4. Check wiring and connections.
5. Blown fuse. 5. Replace fuse.
Battery will not charge 1. Bad battery cell(s). 1. Replace battery.
2. Poor cable connections. 2. Check/clean all connections.
3. Faulty regulator (if so equipped). 3. Replace regulator.
4. Faulty alternator. 4. Replace alternator.
Engine “backfires”1. Engine throttle control not set at “SLOW”1. Move throttle control to “SLOW” position and allow
when turning engine position for 30 seconds before stopping engine. to idle for 30 seconds before stopping engine.
“OFF”

27
TRACTOR - - MODEL NUMBER PR1742STC
SCHEMATIC
BATTERY
FUSE
IGNITION
SWITCH
RED RED
RED BLACK
IGNITION
UNIT
HEADLIGHTS
REMOVABLE
CONNECTIONS
BLACK
BLACK BLACK
WHITE
WHITE
WHITE
RED
BLACK
ORANGE
BLACK
BROWN
BLACK
BLACK
BLACK
STARTER
M
SEAT SWITCH
(NOT OCCUPIED)
GROUNDING
CONNECTOR
ATT'MENT CLUTCH
(CLUTCH OFF)
CLUTCH / BRAKE
(PEDAL UP)
SOLENOID
BLACK
LIGHTING SYSTEM OUTPUT
5 AMP AC @ 3600 RPM
ALTERNATOR
14 VOLTS AC MIN. @ 3600 RPM (LIGHTS OFF)
DIODE
28 VOLTS AC MIN. @ 3600 RPM
(CHARGING SYSTEM DISCONNECTED)
CHARGING SYSTEM OUTPUT
3 AMP DC @ 3600 RPM
NOTE
YOUR TRACTOR IS
EQUIPPED WITH A SPECIAL
ALTERNATOR SYSTEM.
THE LIGHTS ARE NOT
CONNECTED TO THE
BATTERY, BUT HAVE THEIR
OWN ELECTRICAL SOURCE.
BECAUSE OF THIS, THE
BRIGHTNESS OF THE LIGHTS
WILL CHANGE WITH ENGINE
SPEED. AT IDLE THE LIGHTS
WILL DIM. AS THE ENGINE IS
SPEEDED UP, THE LIGHTS
WILL BECOME THEIR BRIGHTEST.
WIRING INSULATED CLIPS
NOTE: IF WIRING INSULATED CLIPS WERE REMOVED FOR
SERVICING OF UNIT, THEY SHOULD BE REPLACED TO
PROPERLY SECURE YOUR WIRING.
A
AMMETER
RED
G
BSM
A1
A2
L
HOUR
METER
(OPTIONAL)
(OPTIONAL)
SPARK
PLUG
GAP
(2 PLUGS ON
TWIN CYL. ENGINES)
IGNITION SWITCH
CIRCUITPOSITION
OFF
B+A1RUN/LIGHT
B + S + A1START
M+G+A1
B+A1RUN
“MAKE”
A2+L
NONE
NONE
NONE
(IF SO EQUIPPED)
NON-REMOVABLE
CONNECTIONS
BLUE
FUEL SHUT-OFF SOLENOID
FUEL
LINE

28
REPAIR PARTS
TRACTOR - - MODEL NUMBER PR1742STC
ELECTRICAL
28
29
26
24 42
43
27 27
25
41
27
27
40
33
30
8
2
1
27
D.C. AMPERES
45
16
2221
52
16
29
KEY PART
NO. NO. DESCRIPTION
1 144925 Battery 12 Volt 25 Amp
2 74760412 Bolt Hex Hd 1/4-20unc X 3/4
8 156417 Case Battery Mech Hinge
16 153664 Switch Interlock Push-In
21 166181 Harness Socket Light
22 4152J Bulb, Light # 1156
24 4799J Cable Battery
25 146147 Cable Battery 6 Ga Red w/16 wire
26 175158 Fuse
27 73510400 Nut Keps Hex 1/4-20 Unc
28 4207J Cable Ground 6ga 12 black
29 121305X Switch Plunger Nc Gray
30 175566 Switch Ign
33 140401 Key Ign Molded Generic
40 170217 Harness Ign
41 71110408 Bolt Fin Hex 1/4-20uncx 1/2
42 131563 Cover Terminal Red
43 175141 Solenoid
45 121433X Ammeter Rectangular
52 141940 Protection Loop
NOTE: All component dimensions given in U.S. inches
1 inch = 25.4 mm
REPAIR PARTS
TRACTOR - - MODEL NUMBER PR1742STC
ELECTRICAL

30
26 25
58
207
20
207
23
64
208
13
208 11
1
3
2
9
208
208
5
5
207
3
3
3142
3
3
3
142
17
29
28
12
51
57
53
52
54
55
145
37
3
37
24
26 25
3
31
24
30
35
3
26
33 10
26
34
35
18
14
38
14
206
212
159
REPAIR PARTS
TRACTOR - - MODEL NUMBER PR1742STC
CHASSIS AND ENCLOSURES
31
REPAIR PARTS
TRACTOR - - MODEL NUMBER PR1742STC
CHASSIS AND ENCLOSURES
KEY PART
NO. NO. DESCRIPTION
1174619 Chassis
2176554 Drawbar
3 17060612 Screw 3/8-16x.75
5 155272 Bumper Hood/Dash
9 168337X012 Dash P/L
10 72140608 Bolt Carriage 3/8-16 x 1
11 155927 Panel Dash Lh
12 145660 Clip Tinnerman
13 172108 Panel Dash Rh
14 17490608 Screw Thdrol 3/8-16 x 1-1/4
17 159639X428 Hood LT/PL
18 126938X Bumper Hood
20 156437 Plate Mtg Battery Fuel Tank Fr
23 124028X Bushing
24 74780616 Bolt Fin Hex 3/8-16 x 1 Gr 5
25 19131312 Washer 13/32 X 13/16 X 12 Ga
26 73800600 Nut Lock Hex W/Ins 3/8-16 Unc
28 170474 Grille LT/PL
29 170472X599 Lens LT/PL
30 169470X428 Fender Footrest STLT Pnt
31 136619 Bracket Support Fender
33 145244X428 Footrest Pnt Lh
34 145243X428 Footrest Pnt Rh
35 72110606 Bolt Rdhd Sht Sqnk 3/8-16 x 3/4
37 17490508 Screw Thdrol 6/16-18 x 1/2 TYT
38 169834 Bracket Asm. Pivot Mower Rear
51 73800400 Nut Lock Hex W/Ins 1/4-20
52 19091416 Washer 9/32 x 7/8 x 16 Ga.
53 144697 Bracjet Grukke Lh
54 161464 Screw Hex Wshd 8-18 x 7/8
55 144696 Bracket Grille Rh
57 74780412 Bolt Hex 1/4-20 x 3/4
58 150127 Duct Air
64 154798 Dash Lower STLT
114 158112 Keeper Belt Rear Lh
115 17060620 Screw 3/8-16 x 1-1/4
142 165867 Plate Reinforcement STLT
145 156524 Rod Pivot Chassis/Hood
159 169473X428 Cupholder
206 170165 Bolt Shoulder 5/16-18
207 17670508 Screw Thdrol 5/16-18 x 1/2
208 17670608 Screw Thdrol 3/8-16 x 1/2
211 145212 Nut Hex Flange Lock
212 156229 Insert Lens Reflect P/L LT
- - 5479J Plug Button
NOTE: All component dimensions given in U.S. inches
1 inch = 25.4 mm

32
66
29
28
112
14
41
42
40
38
42
39
57
51
74
75
78 76
77
1
25
19 24
253
35
34
37
36 35
62
36
64
65
59
56
212
55
63
116
70
77
61
22 27
26
6
113
18
51
5
18
6
85
52 30
32
32 30 52
11
85
80 4
3
13
81
84
82
145
79
16
96
26
27
51
48
150
151
202
49
47
50
120
21
8
10
156
165
168
166
163
14
159
161
198 158
164
83
162
169
89
69
197
6
170
REPAIR PARTS
TRACTOR - - MODEL NUMBER PR1742STC
DRIVE
33
REPAIR PARTS
TRACTOR - - MODEL NUMBER PR1742STC
DRIVE
KEY PART
NO. NO. DESCRIPTION KEY PART
NO. NO. DESCRIPTION
1 - - - - - - Transaxle Peerless (206-545C)
(Order parts from transaxle
manufacturer)
2 146682 Spring Return Brake T/a Zinc
3 123666X Pulley Transaxle 18" tires
4 12000028 Ring Retainer # 5100-62
5 121520X Strap Torque 30 Degrees
6 17060512 Screw 5/16-18 X 3/4
8 165619 Rod Shift Fender Adjust Lt
10 76020416 Pin Cotter 1/8 X 1 Cad
11 105701X Washer Plate Shf 388 Sq Hole
13 74550412 Bolt 1/4-28 Unf Gr 8 W/Patch
14 10040400 Washer Lock Hvy Helical
16 73800500 Nut Lock Hex w/ins 5/16-18
18 74780616 Bolt, Fin Hex 3/8-16 UNC x 1 Gr. 5
19 73800600 Nut Lock 3/8-16 Unc
21 140845 Knob
22 130804 Rod Brake Blk Zinc 26 840
24 73350600 Nut Hex Jam 3/8-16 Unc
25 106888X Spring Rod Brake 2 00 Zinc
26 19131316 Washer 13/32 X 13/16 X 16 Ga
27 76020412 Pin Cotter 1/8 X 3/4 Cad
28 175765 Rod Brake Parking LT/YT
29 71673 Cap Brake Parking
30 169592 Bracket Mtg Transaxle
32 74760512 Bolt Hex Hd 5/16-18unc X 3/4
34 175578 Shaft Asm Pedal Foot
35 120183X Bearing Nylon Blk 629 Id
36 19211616 Washer 21/32 X 1 X 16 Ga
37 1572H Pin Roll 3/16 X 1"
38 165936 Pulley Composite Flat
39 74760648 Bolt Fin Hex 3/8-16 unc X 3
40 175461 Spacer Split Steel
41 175556 Keeper Belt Flat Idler
42 19131312 Washer 13/32 X 13/16 X 12 Ga
47 127783 Pulley Idler V Groove Plastic
48 154407 Bellcrank Asm
49 123205X Retainer Belt Style Spring
50 74760624 Bolt Hex Hd 3/8-16unc X 1-1/2
51 73680600 Nut Crownlock 3/8-16 Unc
52 73680500 Nut Crownlock 5/16-18 Unc
53 105710X Link Clutch
55 105709X Spring Return Clutch 6 75
56 17060616 Screw 3/8-16 x 1
57 130801 V-Belt Ground Drive 95 25
59 169691 Keeper Belt Span Ctr
61 17060612 Screw 3/8-16x.75
62 8883R Cover Pedal Blk Round
63 175410 Engine Pulley
64 71170764 Bolt Hex
65 10040700 Washer Lock Hvy Hlcl Spr 7/16
66 154778 Keeper Belt Engine Foolproof
69 142432 Screw Hex wsh HiLo 1/4 x 1/2 unc
70 134683 Guide Belt Mower Drive RH
74 137057 Spacer Axle
75 121749X Washer 25/32 X 1 1/4 X 16 Ga
76 12000001 E-ring #5133-75
77 123583X Key Square 2 0 X 1845/ 1865
78 121748X Washer 25/32 X 1-5/8 X 16 Ga
79 2228M Key Woodruff #9 3/16 x 3/4
80 145090 Arm Shift
81 165592 Shaft Asm Cross Tapered PMST/20
82 123782X Spring Torsion T/a
83 19171216 Washer 17/32 X 3/4 X 16 Ga
84 166231 Link Transaxle PMST/20" Zinc
85 150360 Nut Lock Center 1/4 - 28 FNTHD
89 169372X428 Console Shift STLT
96 4497H Retainer Spring 1"
112 19091210 Washer 9/32 x 3/4 x 10 Ga.
113 127285X Strap Torque LT
116 72140608 Bolt Rdhd Sq Neck 3/8-16 x 1
120 73900600 Nut Lock Flg. 3/8-16 Unc
145 74490540 Bolt Hex FLGHD 5/16-18 Gr. 5
150 175456 Spacer Retainer
151 19133210 Washer 13/32 x 2 x 10
156 166002 Washer Srrted 5/16ID x 1.125
158 165589 Bracket Shift Mount
159 165494 Hub Tapered Flange Shift Lt
161 72140406 Bolt Rdhd Sqnk 1/4-20 x 3/4 Gr
162 73680400 Nut Crownlock 1/4-20 Unc
163 74780416 Bolt Hex Fin 1/4-20 Unc x 1 Gr 5
164 19091010 Washer 5/8 x .281 x 10 Ga
165 165623 Bracket Pivot Lever
166 166880 Screw 5/16-18 x 5/8
168 165492 Bolt Shoulder 5/16-18 x .561
169 165580 Plate Fastening
170 173898 Keeper Belt Transaxle Gear
197 169613 Nyliner Snap-In
198 169593 Washer Nyliner
202 72110612 Bolt Carr Sh 3/8-16 x 1-1/2 Gr. 5
212 145212 Nut Hexflange Lock
NOTE: All component dimensions given in U.S. inches
1 inch = 25.4 mm

34
5
5
4
3
43
6
43
8
10
40
32
11
8
6
87
46
46
8
6
87
29
88
71
29
17
43
91
2
1
41
42
37
36
37
38
63
11
39
44
51 54
33
35
34
68 67
67
67
13
65
68
15
15
15
29
29
82
REPAIR PARTS
TRACTOR - - MODEL NUMBER PR1742STC
STEERING ASSEMBLY
35
REPAIR PARTS
TRACTOR - - MODEL NUMBER PR1742STC
STEERING ASSEMBLY
KEY PART
NO. NO. DESCRIPTION
1 159944X428 Wheel Steering
2 172393 Axle Asm Cast Iron LT
3 169840 Spindle Asm LH
4 169839 Spindle Asm RH
5 6266H Bearing Race Thrust Harden
6 121748X Washer 25/32 X 1-5/8 X 16 Ga
8 12000029 Ring Klip #t5304-75
10 175121 Link Drag
11 10040600 Washer Lock Hvy Hlcl Spr 3/8
13 136518 Spacer Brg. Axle Front
15 145212 Nut Hex Flange Lock
17 177876 Shaft Asm. Steering
29 17060612 Screw 3/8-16x.75
32 171888 Rod Tie
33 19111216 Washer 11/32 x 3/4 x 16 Ga.
34 10040500 Washer Lock Hvy Hlcl Spr 5/16
35 73540500 Crownlock Nut 5/16-24
36 155099 Bushing Strg
37 152927 Screw
38 159946X428 Insert Cap Strg Wh Au
39 19132411 Washer 13/32 X 2-3/8 X 12 Ga
40 7810H Lock nut
41 159945 Adaptor Wheel Strg
42 145054X428 Boot Steering Dash
43 121749X Washer 25/32 X 1 1/4 X 16 Ga
44 153720 Extension Steering Shaft LR/LT
46 121232X Cap Spindle Fr Top Blk
51 73800500 Nut Lock Hex w/Ins 5/16-18
54 74780520 Bolt Fin Hex 5/16-18 Unc x 1-1/4
63 74780616 Bolt Fin Hex 3/8-16unc x 1 Gr. 5
65 160367 Brace Axle
67 72140618 Bolt Rdhd Sq 3/8-16 Unc x 2-1/4
68 169827 Axle, Brace
71 175146 Steering Asm.
82 169835 Bracket Susp. Chassis Front
87 173966 Washer Flat .781 x 1-1/2 x .14
88 175118 Bolt Shoulder 7/16-20 Unc
91 175553 Clip Steering
NOTE: All component dimensions given in U.S. inches
1 inch = 25.4 mm

36
REPAIR PARTS
TRACTOR - - MODEL NUMBER PR1742STC
SEAT ASSEMBLY
1 171683 Seat
2 140551 Bracket Pivot Seat 8 720
3 71110616 Bolt Fin Hex 3/8-16 Unc X 1
4 19131610 Washer 13/32 X 1 X 10 Ga
5 145006 Clip Push-In
6 73800600 Nut Hex w/Ins. 3/8-16 Unc
7 124181X Spring Seat Cprsn 2 250 Blk Zi
8 17000616 Screw 3/8-16 X 1.5
9 19131614 Washer 13/32 X 1 X 14 Ga.
10 174894 Pan Seat
11 166369 Knob Seat
12 121246X Bracket Mounting Switch
13 121248X Bushing Snap Blk Nyl 50 Id
14 72050412 Bolt Rdhd Sqnk 1/4-20x1-1/2
15 134300 Spacer Split 28x 88
16 121250X Spring Cprsn
17 123976X Nut Lock 1/4 Lge Flg Gr 5 Zinc
21 171852 Bolt Shoulder 5/16-18 Unc
22 73800500 Nut Hex Lock W/Ins 5/16-18
24 19171912 Washer 17/32 X 1-3/16 X 12 Ga.
25 127018X Bolt Shoulder 5/16-18 X 62
KEY PART
NO. NO. DESCRIPTION
KEY PART
NO. NO. DESCRIPTION
NOTE: All component dimensions given in U.S. inches
1 inch = 25.4 mm
1
24
16
15
12
13
17
25
4
3
8
9
7
8
9
7
11
2
6
22
21
5
10
5
14

37
REPAIR PARTS
TRACTOR - - MODEL NUMBER PR1742STC
DECALS
NOTE: All component dimensions given in U.S. inches
1 inch = 25.4 mm
KEY PART
NO. NO. DESCRIPTION
6
2
1
5,8
4,10
3,9
11
7
WHEELS AND TIRES
KEY PART
NO. NO. DESCRIPTION KEY PART
NO. NO. DESCRIPTION
10
3
16
9
1 59192 Cap Valve Tire
2 65139 Stem Valve
3 170455 Tire F Ts 15 X 6 0 - 6 Service
4 59904 Tube Front (Service Item Only)
5 106732X421 Rim Asm 6"front Service
6 278H Fitting Grease (Front Wheel Only)
7 9040H Bearing Flange (Front Wheel Only)
8 106108X421 Rim Asm 8"rear Service
9 170456 Tire R Ts 20x10-8 C Service
10 7152J Tube Rear (Service Item Only)
11 104757X428 Cap Axle Blk 1 50 X 1 00
- - 144334 Sealant, Tire ( 10 oz. Tube)
8
20
14
5
1 156369 Decal Oper
2 176305 Decal Fender Side
3 176308 Decal Hood LH
4 176304 Decal Side Panel Logo
5 176679 Decal HP Engine
8 170563 Decal Warning Mult-Language
9 172740 Decal Fender Logo
10 157140 Decal Fender Danger E/F
11 172743 Decal Ins Strg Whl
1
2
211
19
14 160396 Decal V-Belt Schematic
16 176307 Decal Hood Rh
18 173587 Decal Fender Reflector RH
19 173589 Decal Fender Reflector LH
20 145005 Decal Bat Dan/Psn
- - 133671 Pad Footrest
- - 138311 Decal Handle Lft Height Adjust
- - 178085 Manual Owner's (English)
- - 178086 Manual Owner's (French)
44
18

38
2
1
OPTIONAL EQUIPMENT
Spark Arrester
29
44
46
32
31
33
37
33
40
62
13 4
72
78
81
3
16
78
23
45
14
38
REPAIR PARTS
TRACTOR - - MODEL NUMBER PR1742STC
ENGINE
39
REPAIR PARTS
TRACTOR - - MODEL NUMBER PR1742STC
ENGINE
1 170551 Control Th/ch Flag
2 17720410 Screw Hex Thd Cut 1/4-20x5/8 T
3 - - - - - - - - Engine, Briggs Model 311777
(Order Parts From Engine Manufacturer)
4 137352 Muffler Exhaust
13 165291 Gasket Muffler
14 148456 Tube Drain Oil Easy
16 11050600 Washer Lock Ext Tooth 3/8
23 169837 Shield Brn/Dbr Guard
29 137180 Arrestor Spark
31 174642 Tank Fuel Front 2 00
32 140527 Cap Fuel
33 123487X Clamp Hose Black
37 137040 Line Fuel 20"
38 148315 Plug Drain Oil Easy
40 124028X Bushing Snap Nyl Blk Fuel Line
44 17670412 Screw Hex wsh Thdrol 1/4-20x3/4
45 17000612 Screw Hex Wsh Thdrol 3/8-16 x 3/4
46 19091416 Washer 9/32 X 7/8 X 16 Ga
62 10040500 Washer Lock Hvy Hlcl Spr 5/16
72 71070512 Screw Hex Hd Cap 5/16-18 x 3/4
78 17060620 Screw 3/8-16 x 1-1/4
81 73510400 Nut Keps Hex 1/4-20 Unc
KEY PART
NO. NO. DESCRIPTION
NOTE: All component dimensions given in U. S.
inches 1 inch = 25.4 mm

40
REPAIR PARTS
TRACTOR - - MODEL NUMBER PR1742STC
MOWER DECK
15
14
13
11
10
98
16
68
37
30
31
32
33
146
148
145
150
45
144
147
147
142
149
142
35
49
50
51
54
52
53 55
56
34
1
46
44
21 22
24
25
26
27
2
28
29
23
21
21
21
18
18
20
2
48
59
19
4
3
56
21
40
143
36
40
37
40
159
152
151
153 154
157
158
67
153
156
155
90
90 91 92 93 94
939295
113
117
116
118
119
114
115 112
121
114
117 119
116
115
111
118 121
113
102
102
104
103 105
106
104
105
106
103
101
41
KEY PART
NO. NO. DESCRIPTION
KEY PART
NO. NO. DESCRIPTION
1 165892X421 Mower Deck Assembly, 42"
2 72140506 Bolt
3 138017 Bracket Asm Fr. Sway Bar 3/42
4 165460X421 Bracket Asm Deck 42" Sway Bar
5 4939M Retainer Spring
6 130832 Arm, Suspension, Rear
8 850857 Bolt 3/8-24 x 25 Grade 8 patched
9 10030600 Washer, Lock
10 140296 Washer, Hardened
11 134149 Blade, Mulching 42”
138498 Blade Mower 42” Hi-Lift
13 137645 Shaft Assembly, Mandrel, Vented
14 128774 Housing, Mandrel, Vented
15 110485X Bearing, Ball, Mandrel
16 174493 Stripper, Mandrel Deck
18 72140505 Bolt, Carriage 5/16-18 x 5/8
19 132827 Bolt, Shoulder
20 159770 Baffle, Vortex
21 73680500 Nut
22 134753X421 Stiffener Bracket
23 131267X421 Bracket, Deflector Mower 42"
24 105304X Cap, Sleeve 80 x 112 Blk Mower
25 123713X Spring, Torsion, Deflector 2 52
26 110452X Nut, Push Phos & Oil
27 130968X428 Shield, Deflector 42" Blk
28 19111016 Washer 11/32 x 5/8 x 16 Gauge
29 131491 Rod, Hinge 42" 6 75 W/G
30 157722 Screw Thdrol Washer Head
31 129963 Washer, Spacer Mower Vented
32 173436 Pulley, Mandrel
33 137266 Nut, Toplock 9/16
34 72110614 Bolt
35 133835 Fastener, Christmas Tree
36 173438 Pulley, Idler, Flat
37 19131316 Washer 13/32 x 13/16 x 16 Gauge
40 73680600 Nut
44 140088 Guard, Mandrel, LH
45 4497H Retainer
46 137729 Screw, Thdrol 1/4-20 x 5/8 T
48 133944 Washer, Hardened
49 174284 Roller Assembly, Cam Follower
50 131340 Bolt, Shoulder #10-24 Grade 5
51 69180 Locknut
52 139888 Bolt, Shoulder 5/16-18 UNC
53 131845 Arm Assembly, Pad, Brake
54 133943 Washer, Hardened
55 155046X421 Arm, Idler
56 122052X Spacer, Retainer
59 173442 Guard TUV Idler
67 106932X Knob
68 144959 V-Belt, 42" Mower
90 74760616 Bolt Fin Hex 3/8-16 Unc x 1
91 132274 Bracket Asm. Noseroller LH
92 73800600 Nut, Lock, Hex W/Ins 3/8-16 UNC
93 19171416 Washer 17/32 x 7/8 x 16 Ga.
94 132264 Roller, Nose
95 132273 Bracket Asm. Noseroller RH
101 136420 Mulcher Cover
102 71081010 Screw
103 19061216 Washer, Flat
104 10071000 Washer, Lock
105 160793 Latch Assembly
106 2029J Nut, Weld
111 155197X421 Bracket, Gauge, Wheel LH
112 155198X421 Bracket, Gauge, Wheel RH
113 17060514 Screw Tapping 5/16-18 Unc
114 73510500 Nut, Keps 5/16 - 18 UNC
115 72110504 Bolt, Carriage 5/16-18 x 1/2
116 4898H Bolt, Shoulder
117 165746 Wheel, Gauge
118 73930600 Nut Centerlock 3/8-16
119 19121414 Washer 3/8 x 7/8 x 14 Ga.
121 173986 Bracket, Extruded
142 165890X421 Arm Spring Brake Mower
143 157109X421 Bracket Arm Idler 42"
144 173441 Keeper Belt 42" Clutch Cable
145 173437 Pulley Idler Flat
146 173443 Bolt Carriage Idler
147 131335 Spring Extension
148 169022 Spring Return Idler
149 165898 Retainer Spring Yellow
150 19091216 Washer 9/32 x 3/4 x 16 Ga.
151 169670 Bracket Clutch Cable
152 169676 Clutch Cable 42"
153 169674 Washer Flat 3/8" Type B
154 169675 Spring Retainer
155 169671 Spring Retention LVR CLTCH CAB
156 169672 Spacer Clutch Cable
157 169669 Rod Clutch Cable 3/8"
158 17720410 Screw Hex Thd Cut 1/4-20 x 5/8
159 72140614 Bolt Rdhd Sqn 3/8-16 UNC x 1-3/4
- - 130794 Mandrel Assembly (Includes Key
Numbers 8-10,12-15, 31 and 33)
- - 172559 Mower Deck, Complete (Standard
Deck - Order separately mulcher
plate and gauge wheel components
Key Nos. 101-106, and 111-121)
NOTE: All component dimensions given in U.S. inches
1 inch = 25.4 mm
REPAIR PARTS
TRACTOR - - MODEL NUMBER PR1742STC
MOWER DECK

42
36
15
20
161718 20
20
15
20
4
5
62
31
65
4
7
8
23
24
25
27
28
29
30
50
26
37
41
40
38
12
11
31
32
31
32
19
19
13
13
13
13
49
REPAIR PARTS
TRACTOR - MODEL NUMBER PR1742STC
MOWER LIFT
43
REPAIR PARTS
TRACTOR - MODEL NUMBER PR1742STC
MOWER LIFT
1 159460 Wire Asm Inner/Sprg W/plunger LT
2 159471 Shaft Asm Lift RH w/Inf
3 105767X Pin Groove 1 500 Zinc
4 12000002 E Ring #5133-62
5 19211621 Washer 21/32 X 1 X 21 Ga
6 120183X Bearing Nylon Blk 629 Id
7 125631X Grip Handle
8 170770 Button Plunger Yellow
11 139865 Link Lift LH Fixed Length
12 139866 Link Lift RH Fixed Length
13 4939M Retainer Spring
15 173288 Link Front
16 73350800 Nut Jam Hex 1/2-13 Unc
17 130171 Trunnion Blk Zinc
18 73800800 Nut Lock w/Wsh 1/2-13 Unc
19 139868 Arm Suspension Rear
20 163552 Retainer Spring
23 110807X Nut Special
24 19131016 Washer 13/32 X 5/8 X 16 Ga
25 2876H Spring 2-1/8"
26 169484 Retainer Clip
27 126971X Rod Adj Lift Zinc 7.49 Wrk Lg
28 73350600 Nut Hex Jam 3/8-16 Unc
29 138057 Knob Inf 3/8-16 Unc Blk W/sym
30 150233 Trunnion Infin Height
31 169865 Bearing Pvt Lift
32 73540600 Nut Crownlock 3/8 - 24
36 155097 Pointer Height Indicator
37 123935X Plug Hole Blk 1.485/1.515 Dia.
38 17060516 Screw Thdrol 5/16-18 x 1
40 19112410 Washer 11/32 x 1-1/2 10 Ga.
41 155098 Indicator Height STLT
49 145212 Nut Hex Flange Lock
50 110452X Nut PUsh Phos & Oil
KEY PART
NO. NO. DESCRIPTION
NOTE: All component dimensions given in U.S. inches
1 inch = 25.4 mm

44
NOTES

45
LIMITED WARRANTY
The Manufacturer warrants to the original consumer purchaser that this product as manufactured is free from defects in
materials and workmanship. For a period of two (2) years from date of purchase by the original consumer purchaser, we will
repair or replace, at our option, without charge for parts or labor incurred in replacing parts, any part which we find to be
defective due to materials or workmanship. This Warranty is subject to the following limitations and exclusions.
1. This warranty does not apply to the engine, other than EHP manufactured transaxle/transmission components, battery
(except as noted below) or components parts thereof. Please refer to the applicable manufacturer's warranty on these
items.
2. Transportation charges for the movement of any power equipment unit or attachment are the responsibility of the
purchaser. Transportation charges for any parts submitted for replacement under this warranty must be paid by the
purchaser unless such return is requested by Electrolux Home Products.
3. Battery Warranty: On products equipped with a Battery, we will replace, without charge to you, any battery which we find
to be defective in manufacture, during the first ninety (90) days of ownership. After ninety (90) days, we will exchange
the Battery, charging you 1/12 of the price of a new Battery for each full month from the date of the original sale. Battery
must be maintained in accordance with the instructions furnished.
4. The Warranty period for any products used for rental or commercial purposes is limited to 90 days from the date of
original purchase.
5. This Warranty applies only to products which have been properly assembled, adjusted, operated, and maintained in
accordance with the instructions furnished. This Warranty does not apply to any product which has been subjected to
alteration, misuse, abuse, improper assembly or installation, delivery damage, or to normal wear of the product.
6. Exclusions: Excluded from this Warranty are belts, blades, blade adapters, normal wear, normal adjustments, standard
hardware and normal maintenance.
7. In the event you have a claim under this Warranty, you must return the product to an authorized service dealer.
Should you have any unanswered questions concerning this Warranty, please contact:
giving the model number, serial number and date of purchase of your product and the name and address of the authorized
dealer from whom it was purchased.
THIS WARRANTY DOES NOT APPLY TO INCIDENTAL OR CONSEQUENTIAL DAMAGES AND ANY IMPLIED WARRAN-
TIES ARE LIMITED TO THE SAME TIME PERIODS STATED HEREIN FOR OUR EXPRESSED WARRANTIES. Some areas
do not allow the limitation of consequential damages or limitations of how long an implied Warranty may last, so the above
limitations or exclusions may not apply to you. This Warranty gives you specific legal rights, and you may have other rights
which vary from locale to locale.
This is a limited Warranty within the meaning of that term as defined in the Magnuson-Moss Act of 1975.
In Canada contact:
Electrolux Home Products
a division of WCI Outdoor Products, Inc.
7075 Ordan Drive
Mississauga, Ontario
L5T 1K6
Electrolux Home Products
a division of WCI Outdoor Products, Inc.
Outdoor Products Customer Service Dept.
250 Bobby Jones Expressway
Augusta, GA 30909 USA

46
T
E
C
U
M
S
E
H
®
Issued January 1980
Revised January 1991
T
E
C
U
M
S
E
H
®
SERSER
SERSER
SERVICEVICE
VICEVICE
VICE
POLICY
WW
WW
WARRANTYARRANTY
ARRANTYARRANTY
ARRANTY
LIMITED WARRANTIES
FOR
NEW PEERLESS GEAR POWER TRAIN COMPONENTS
A. Products Warranted
Peerless Gear and Machine Division of Tecumseh Products Company (“Tecumseh”), subject to the limitations contained below,
will,at its option, repair or replace, without charge for parts or labor only, any part of a new Power Train Component (which as used herein
means and includes the transaxle, gear box, transmission, differential and right angle drives, and any part of the Power Train Component),
EXCEPT any new Power Train Component incorporated in equipment used for commercial or rental purposes, which is found upon
examination by any Tecumseh Authorized Service Outlet or by Tecumseh’s factory in Grafton, Wisconsin, to be DEFECTIVE IN MATERIAL
AND/OR WORKMANSHIP if received by Tecumseh or a Tecumseh Authorized Service Outlet for such examination within TWO YEARS
from the date of sale to the original consumer purchaser of Peerless Series 820, 900, 910, 915, 920, 930 transaxles and Series 1100
angle drive and ONE YEAR for all other Peerless products. New Power Train Components incorporated in equipment used for
commercial purposes are warranted in the same manner and to the same extent EXCEPT such Power Train Components are warranted
for NINETY (90) DAYS ONLY, and must be received by Tecumseh or by a Tecumseh Authorized Service Outlet for such examination
within 90 days from the date of sale to the original purchaser. New Power Train Components Incorporated in equipment used for rental
purposes are warranted in the same manner and to the same extent EXCEPT such Power Train Components are warranted for THIRTY
(30) DAYS ONLY, and must be received by Tecumseh or a Tecumseh Authorized Service Outlet within 30 days from the date of sale
to the original purchaser.
B. Products And Items Not Warranted
1. Alterations or Modifications of Power Train Components.
2. Accidents, Normal Maintenance, Failure to follow the Original Equipment Manufacturer’s Manual.
This warranty covers only parts of new Power Train Components which are found upon examination to be defective in material or
workmanship as delivered to the original purchaser. This warranty does not cover defects caused by depreciation or damage caused
by normal wear, accidents, improper maintenance, improper use or abuse of the product, failure to follow the instructions contained in
an Instruction Manual for the operation of the Power Train Component and parts. The cost of normal maintenance and replacement
of service items which are not defective shall be paid for by the original purchaser.
C. Securing Warranty Service
Warranty service can be arranged for by contacting either a Tecumseh Authorized Service Outlet (any Tecumseh Registered Service
Dealer, Tecumseh Authorized Service Distributor, or Tecumseh Central Warehouse Distributor) or by contacting Tecumseh, c/o Service
Manager, Engine and Transmission Group Service Division, 900 North Street, Grafton, Wisconsin 53024. Warranty service can only
be performed by a Tecumseh Authorized Service Outlet or by Tecumseh at its factory in Grafton, Wisconsin. At the time of requesting
warranty service, evidence must be presented of the date of sale to the original purchaser. The purchaser shall pay any charges for
making service calls and/or for transporting the product to and from the place where the inspection and/or warranty work is performed.
The purchaser shall be responsible for any damage or loss incurred in connection with the transportation of Power Train Components
and/or part(s) of the Power Train Components submitted for inspection and/or warranty work.
D. Limitation of Damages and Implied Warranties
The foregoing EXPRESSED WARRANTY IS IN LIEU OF ALL OTHER EXPRESS WARRANTIES. Neither Tecumseh nor any of its
affiliates makes any warranties, representations or promises, written or oral, as to the quality of the Power Train Component or any of
its parts, other than as set forth herein.
ANY IMPLIED WARRANTY OF MERCHANTABILITY OR FITNESS FOR A PARTICULAR PURPOSE, TO THE EXTENT THAT
EITHER MAY APPLY TO ANY PART(S) OF POWER TRAIN COMPONENTS, SHALL BE LIMITED IN DURATION TO THE PERIODS OF
THE EXPRESSED WARRANTIES DEFINED IN PARAGRAPH A HEREOF. IN NO EVENT WILL TECUMSEH BE LIABLE FOR ANY
INCIDENTAL, CONSEQUENTIAL OR SPECIAL DAMAGES AND/OR EXPENSES. Some states do not allow limitations on how long
an implied warranty lasts or the exclusion or limitation of incidental or consequential damages, so the above limitation(s) or exclusion(s)
may not apply to you. This warranty gives you specific legal rights and you may also have other legal rights which vary from state to
state.
E. No Dealer Warranty
Tecumseh neither assumes nor authorizes any other person, natural or corporate, to assume for Tecumseh any other obligations
or liabilities in connection with or with respect to any part(s) of a Power Train Component. The seller or dealer of part(s) of a Power Train
Component has no authority, whatsoever, to make any representations or promises on behalf of Tecumseh or to modify the terms or
limitations of Tecumseh’s warranty in any way.

47
15° MAX.
SIGHT AND HOLD THIS LEVEL WITH
SKY LINE OR TREE.
CUT OUT ON DOTTED LINES
THIS IS A 15° SLOPE
SIGHTING
GUIDE
ONLY RIDE UP AND DOWN HILL,
NOT ACROSS HILL
SUGGESTED GUIDE FOR SIGHTING SLOPES FOR SAFE OPERATION
Operate your Tractor up and down the face of slopes (not
greater than 15°), never across the face. Make turns gradu-
ally to prevent tipping or loss of control. Exercise extreme
caution when changing direction on slopes.

Your POULAN PRO product has been expertly engineered and carefully manufactured to rigid
quality standards. As with all mechanical products, some adjustments or part replacement may be
necessary during the life of your unit.
FOR SERVICE OR REPLACEMENT PARTS:
1. Consult your dealer/place of purchase.
2. Consult the yellow pages of your phone directory for the name of the nearest service dealer
(under “saws” for Chain Saws or under “lawn mowers” for Trimmers, Brushcutters, and
Blowers).
3. For replacement parts, have available the following information:
a. Model Number/Manufacturer's I.D. Number
b. Description of part.
NOTE: Electrolux Home Products provides parts and service through its authorized distribu-
tors and dealers; therefore, all requests for parts and service should be directed to your
local dealer(s). The philosophy of Electrolux Home Products is to continually improve
all of its products. If the operating characteristics or the appearance of your product
differs from those described in this Manual, please contact your local dealer for updated
information and assistance.
PARTS AND SERVICE