Poulan PR625Y22RHP IPL, PRO, PR625Y22RHP, 2009 04, 424636, 96142005300, US User Manual To The 408224fe 06c5 4f97 B1fa F97fd7fd086c
User Manual: Poulan PR625Y22RHP to the manual
Open the PDF directly: View PDF
.
Page Count: 4

424636 Rev. 1 04.08.09 BY Printed in U.S.A.
REPAIR PARTS MANUAL
MODEL NO. PR625Y22RHP
(MFG. ID. NO. 96142005300)
Rotary Lawn Mower
For Parts and Service, contact our authorized distributor: call 1-800-849-1297
For Technical Assistance: call 1-800-829-5886

2
ROTARY LAWN MOWER - - MODEL NUMBER PR625Y22RHP (MFG. ID. NO. 96142005300)
7
SERVICE NOTES

6
LIMITED WARRANTY
The Manufacturer warrants to the original consumer purchaser that this product as
manufactured is free from defects in materials and workmanship. For a period of
two (2) years from date of purchase by the original consumer purchaser, we will re-
pair or replace, at our option, without charge for parts or labor incurred in replacing
parts, any part which we fi nd to be defective due to materials or work man ship. This
Warranty is subject to the following limitations and exclusions.
1. This warranty does not apply to the engine, transaxle/transmission components,
battery (except as noted below) or com po nents parts thereof. Please refer to the
applicable manufacturer's warranty on these items.
2. Transportation charges for the movement of any power equipment unit or at-
tach ment are the responsibility of the purchaser. Transportation charges for any
parts sub mit ted for replacement under this warranty must be paid by the pur-
chaser unless such return is requested by the manufacturer.
3. Battery Warranty: On products equipped with a Battery, we will replace, without
charge to you, any battery which we fi nd to be defective in manufacture, during
the fi rst ninety (90) days of ownership. After ninety (90) days, we will exchange
the Battery, charging you 1/12 of the price of a new Battery for each full month
from the date of the original sale. Battery must be maintained in accordance with
the in struc tions furnished.
4. The Warranty period for any products used for rental or commercial purposes is
limited to 45 days from the date of original purchase.
5. This Warranty applies only to products which have been properly assembled,
adjusted, operated, and maintained in accordance with the instructions fur nished.
This Warranty does not apply to any product which has been subjected to al-
ter ation, misuse, abuse, improper assembly or installation, delivery damage, or to
normal wear of the product.
6. Exclusions: Excluded from this Warranty are belts, blades, blade adapters, nor-
mal wear, normal adjustments, standard hardware and normal maintenance.
7. In the event you have a claim under this Warranty, you must return the product to
an authorized service dealer.
Should you have any unanswered questions concerning this Warranty, contact:
giving the model number, serial number and date of purchase of your product and
the name and address of the au tho rized dealer from whom it was pur chased.
THIS WARRANTY DOES NOT APPLY TO INCIDENTAL OR CONSEQUENTIAL
DAMAGES AND ANY IMPLIED WAR RAN TIES ARE LIMITED TO THE SAME
TIME PERIODS STATED HEREIN FOR OUR EXPRESSED WARRANTIES.
Some areas do not allow the limitation of consequential damages or lim i ta tions
of how long an implied Warranty may last, so the above lim i ta tions or exclusions
may not apply to you. This Warranty gives you specifi c legal rights, and you may
have other rights which vary from locale to locale.
This is a limited Warranty within the meaning of that term as defi ned in the Mag-
nuson-Moss Act of 1975.
In Canada contact:
Poulan Pro
Customer Service Department
5855 Terry Fox Way
Mississauga, Ontario L5V 3E4
Poulan Pro
Customer Service Department
1030 Stevens Creek Road
Augusta, GA 30907 USA
3
ROTARY LAWN MOWER - - MODEL NUMBER PR625Y22RHP (MFG. ID. NO. 96142005300)
NOTE: All component dimensions given in U.S. inches. 1 inch = 25.4 mm.
IMPORTANT: Use only Original Equipment Manufacturer (O.E.M.) replacement parts. Failure to do so could be hazardous, damage your lawn mower and void your warranty.
KEY PART
NO. NO. DESCRIPTION KEY PART
NO. NO. DESCRIPTION
1 194203X479 Upper Handle
2 183567 Cable, Operator Presence
3 850733X004 Bracket, Upstop
4 166649 Mulcher Plug
5 66426 Wire Tie
6 189713X428 Handle Knob
7 750634 Screw
8 194199X421 Control Bar
9 401813X428 Rear Door Assembly
10 128415 Pop Rivet
11 150050 Screw, Self-Tapping
#10-24 x 5/8
12 17060410 Screw, Hex Hex Head,
Sems 1/4-20 x 5/8
14 195622X479 Back Plate
15 410545X479 Side Baffl e
16 176655X479 Discharge Baffl e
17 140661X479 Rear Baffl e
18 132004 Keps Locknut 1/4-20
19 194788 Rope Guide
20 413160 Rear Skirt
21 405421 Spring, Rear Door, LH
24 405423 Spring, Rear Door, RH
25 409149 Nut, Hex, Flanged
26 184193 Bolt, Rear Door
27 195012X421 Wheel & Tire Assembly, Rear
28 174719 Bolt, Shoulder 3/8-16 x 1
29 401630 Washer, Curved, Cylindrical
30 401180X004 Axle Arm Assembly
31 701037X421 Selector Knob
32 401626X004 Selector Spring
33 189917X428 Mulcher Door
34 401629 Spacer
35 700325X005 Wheel Adjusting Bracket
36 175735 Hinge Bracket Assembly
37 17000512 Screw, Sems, Thread Cutting
5/16-18 x 3/4
38 402574X428 Discharge Defl ector
39 195915X479 Handle Bracket Assembly, LH
40 195914X479 Handle Bracket Assembly, RH
41 150406 Screw, Hex Head, Threaded,
Rolled 3/8-16 x 1-1/8
42 193000 Spring, Torsion
43 73800400 Nut, Hex, Nylock
44 419559 Kit, Mower Housing (Includes
Key Numbers 14, 15 and 51)
45 175650 Rod, Hinge
46 189179 Blade Adapter / Pulley
47 406713 Blade, 22"
48 851074 Washer, Hardened
49 850263 Washer, Helical
50 851084 Screw, Machine, Hex Head
3/8-24 x 1-3/8 Grade 8
51 170031 Kit, Front Baffl e
(Includes Key Number 53)
52 404763 Danger Decal
53 17600406 Screw, Serrated, TT 1/4-20
54 88348 Washer, Flat
55 73930600 Nut, Hex 3/8-16
56 88652 Hinge Screw 1/4-20 x 1-1/4
57 51793 Hairpin Cotter
58 151590X479 Lower Handle
59 191574 Handle Bolt
60 74760612 Bolt, Hex Head 3/8-16 x 3/4
62 405843 Debris Shield
63 192325 Screw, Debris Shield
64 - - - Engine, Briggs & Stratton,
Model Number 122T02-1207-
EA (For engine service and
replacement parts, call Briggs
& Stratton at 1-800-233-3723)
65 197480 O-Ring
69 197991 Clip, Cable
71 188839X004 Mounting Bracket,
Debris Shield
- - 404764 Warning Decal (not shown)
- - 193733 Operator’s Manual, English
- - 193736 Operator's Manual, French
- - 424636 Repair Parts Manual
KEY PART
NO. NO. DESCRIPTION

4
ROTARY LAWN MOWER - - MODEL NUMBER PR625Y22RHP (MFG. ID. NO. 96142005300)
5
ROTARY LAWN MOWER - - MODEL NUMBER PR625Y22RHP (MFG. ID. NO. 96142005300)
NOTE: All component dimensions given in U.S. inches. 1 inch = 25.4 mm.
IMPORTANT: Use only Original Equipment Manufacturer (O.E.M.) replacement parts. Failure to do so could be hazardous, damage your lawn mower and void your warranty.
KEY PART
NO. NO. DESCRIPTION KEY PART
NO. NO. DESCRIPTION
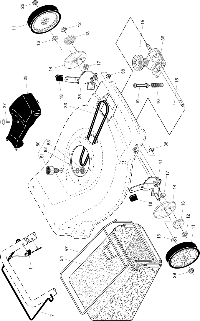
1 194653 Drive Control Assembly (Includes Cable)
6 150495 Retainer, Spring
7 194185X421 Bar, Drive Control
11 193912X421 Wheel & Tire Assembly, Front
12 12000058 E-Ring
13 403849 Pinion
14 189403 Dust Cover
15 404845 Pawl, Drive
16 67725 Washer, Flat 3/8
17 191039 Bearing, Wheel Adjuster
18 701037X421 Selector Knob
27 175262 Pan Head Tapping Screw #10-24 x 2-3/4
28 401271X428 Drive Cover
29 409148 Locknut, Hex
33 146527 V-Belt
35 424201 Kit, Wheel Adjuster, LH
(Includes Knob and Bearing)
36 415226 Gear Case Assembly, Complete
38 73800400 Locknut 1/4-20
40 137090 Spring
41 424200 Kit, Wheel Adjuster, RH
(Includes Knob and Bearing)
54 411062 Grassbag Assembly
57 411952 Frame, Grassbag
80 421114 Water Washout Assembly
81 419735 Fitting, Hose, Water Washout
82 415585 Washer, Lock, Internal Tooth
83 415586 Locknut, Hex, with O-Ring