Poulan Po17542Lt Parts Manual IPL, PO17542STA, TRACTORS/RIDE MOWERS
2015-05-15
: Poulan Poulan-Po17542Lt-Parts-Manual-718694 poulan-po17542lt-parts-manual-718694 poulan pdf
Open the PDF directly: View PDF
.
Page Count: 15

27
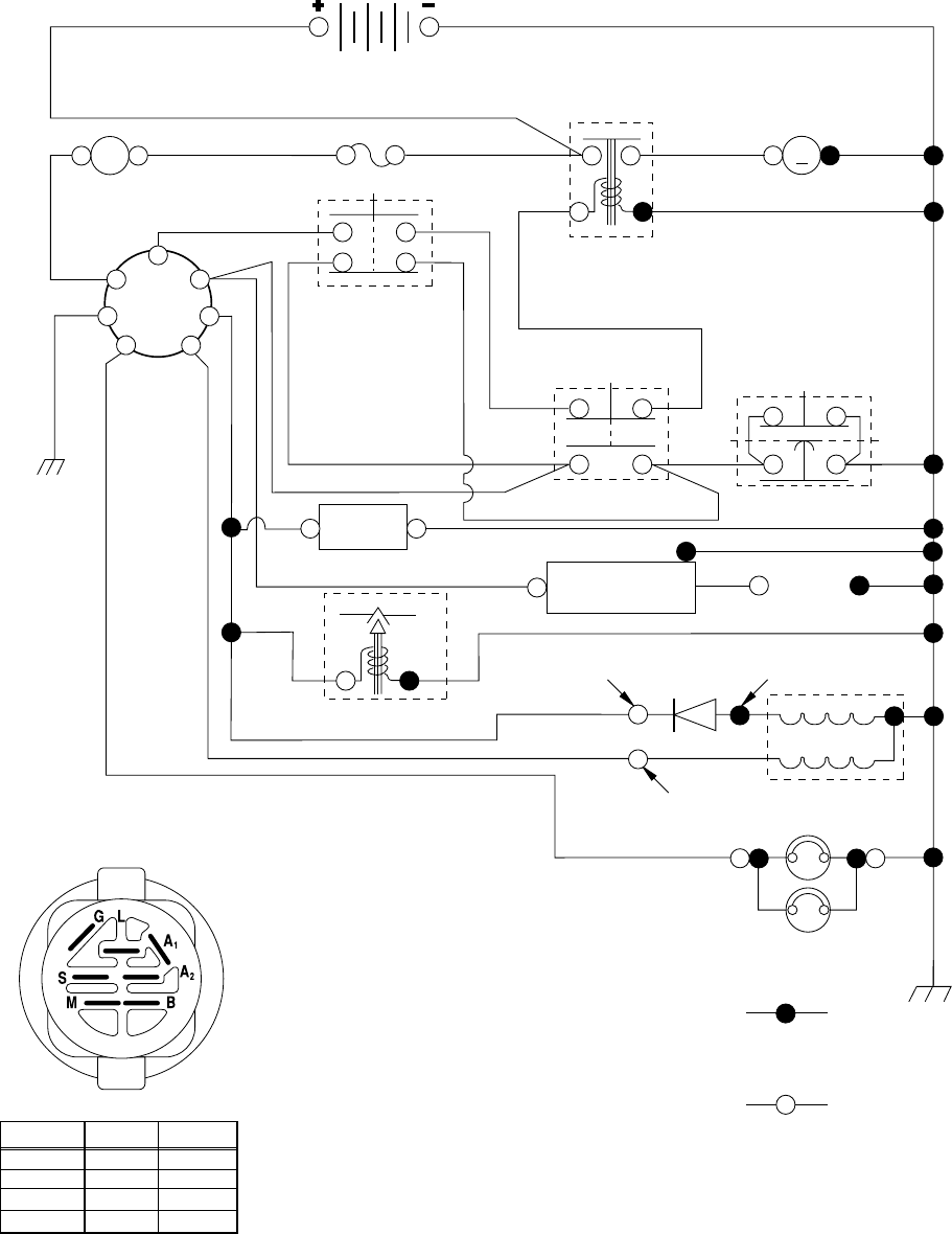
REPAIR PARTS
TRACTOR - - MODEL NUMBER PO17542ST (PO17542STA)
SCHEMATIC
BATTERY
FUSE
IGNITION
SWITCH
RED RED
RED BLACK
IGNITION
UNIT
HEADLIGHTS
REMOVABLE
CONNECTIONS
BLACK
BLACK BLACK
WHITE
WHITE
WHITE
RED
BLACK
ORANGE
BLACK
BROWN
BLACK
BLACK
BLACK
STARTER
M
SEAT SWITCH
(NOT OCCUPIED)
GROUNDING
CONNECTOR
ATT'MENT CLUTCH
(CLUTCH OFF)
CLUTCH / BRAKE
(PEDAL UP)
SOLENOID
BLACK
LIGHTING SYSTEM OUTPUT
5 AMP AC @ 3600 RPM ALTERNATOR
14 VOLTS AC MIN. @ 3600 RPM (LIGHTS OFF)
DIODE
28 VOLTS AC MIN. @ 3600 RPM
(CHARGING SYSTEM DISCONNECTED)
CHARGING SYSTEM OUTPUT
3 AMP DC @ 3600 RPM
NOTE
YOUR TRACTOR IS
EQUIPPED WITH A SPECIAL
ALTERNATOR SYSTEM.
THE LIGHTS ARE NOT
CONNECTED TO THE
BATTERY, BUT HAVE THEIR
OWN ELECTRICAL SOURCE.
BECAUSE OF THIS, THE
BRIGHTNESS OF THE LIGHTS
WILL CHANGE WITH ENGINE
SPEED. AT IDLE THE LIGHTS
WILL DIM. AS THE ENGINE IS
SPEEDED UP, THE LIGHTS
WILL BECOME THEIR BRIGHTEST.
WIRING INSULATED CLIPS
NOTE: IF WIRING INSULATED CLIPS WERE REMOVED FOR
SERVICING OF UNIT, THEY SHOULD BE REPLACED TO
PROPERLY SECURE YOUR WIRING.
A
AMMETER
RED
G
BSM
A1
A2
L
HOUR
METER
(OPTIONAL)
(OPTIONAL)
SPARK
PLUG
GAP
(2 PLUGS ON
TWIN CYL. ENGINES)
IGNITION SWITCH
CIRCUITPOSITION
OFF
B+A1RUN/LIGHT
B + S + A1START
M+G+A1
B+A1RUN
“MAKE”
A2+L
NONE
NONE
NONE
(IF SO EQUIPPED)
NON-REMOVABLE
CONNECTIONS
BLUE
FUEL SHUT-OFF SOLENOID
FUEL
LINE

28
REPAIR PARTS
TRACTOR - - MODEL NUMBER PO17542ST (PO17542STA)
ELECTRICAL
28
29
26
24
42
43
27
27
25
41
27
27
40
33
90
30
8
2
1
27
16
16
52
D.C. AMPERES
45
22
21
29
REPAIR PARTS
TRACTOR - - MODEL NUMBER PO17542ST (PO17542STA)
ELECTRICAL
1 163465 Battery 12 Volt 25 Amp
2 74760412 Bolt Hex Hd 1/4-20 unc x 3/4
8 176689 Box Battery
16 176138 Switch Interlock Push -In
21 183759 Harness Asm Light W/4152J
22 4152J Bulb Light #1156
24 4799J Cable Battery 6 Ga. 11”red
25 146147 Cable Battery 6 Ga. w/16 wire,red
26 175158 Fuse 20 AMP
27 73510400 Nut Keps Hex 1/4-20 unc
28 4207J Cable Ground 6 Ga. 12” black
29 121305X Switch Plunger Nc Gray
30 175566 Switch Ign
33 140401 Key Ign
40 179720 Harness Ign
41 71110408 Bolt Blk Fin Hex 1/4-20 x 1/2
42 131563 Cover Terminal Red
43 178861 Solenoid
45 121433X Ammeter
52 141940 Protection Wire Loop
90 180449 Cover Terminal
KEY PART
NO. NO. DESCRIPTION
NOTE: All component dimensions give in U.S. inches
1 inch = 25.4 mm.

30
REPAIR PARTS
TRACTOR - - MODEL NUMBER PO17542ST (PO17542STA)
CHASSIS AND ENCLOSURES
1
209
142
209
142
209
2
35
35
209
26
35
209
26
33
10
34
208 11
208
13
24
26
25
26
25
209
31
24
30
9
209
209
5
5
145
37
37
18
206
205
205
38
38
17
28
166
39
Chassis-Elite_Basic_1
29
212
58
64
208
31
REPAIR PARTS
TRACTOR - - MODEL NUMBER PO17542ST (PO17542STA)
CHASSIS AND ENCLOSURES
1 174619 Chassis
2 176554 Drawbar
5 155272 Bumper Hood/Dash
9 168337X012 Dash
10 72140608 Bolt Carriage 3/8-16 x 1
11 174996 Panel Dash Lh
13 179174X010 Panel Dash Rh
17 183394X428 Hood
18 126938X Bumper Hood
24 74780616 Bolt Fin Hex 3/8-16 x 1 Gr. 5
25 19131312 Washer 13/32 x 13/16 x 12 Ga.
26 73800600 Nut Lock Hex W/Ins 3/8-16 unc
28 183826 Grille
29 183824X599 Lens
30 169468X428 Fender Footrest STLT Pnt
31 136619 Bracket Support Fender
33 179716X428 Footrest Pnt Lh
34 179717X428 Footrest Pnt Rh
35 72110606 Bolt Rdhd Sht Sqnk 3/8-16 x 3/4
37 17490508 Screw Thdrol 6/16-18 x 1/2 TYT
38 175710 Bracket Asm. Pivot Mower Rear
39 174714 Bracket Pivot
58 150127 Duct Air
64 154798 Dash Lower STLT
142 175702 Plate Reinforcement STLT
145 156524 Rod Pivot Chassis/Hood
166 171875 Screw HWHD Hi-Lo #13-16 x 5/8
205 17490608 Screw Thdrol 3/8-16 x 1-1/4
206 170165 Bolt Shoulder 5/16-18
207 17670508 Screw Thdrol 5/16-18 x 1/2
208 17670608 Screw Thdrol 3/8-16 x 1/2
209 17000612 Screw Hex Wsh Thdr. 3/8-16 x 3/4
212 183823 Insert Lens Refl ect
- - 5479J Plug Btn Blk .359
KEY PART
NO. NO. DESCRIPTION
NOTE: All component dimensions given in U.S. inches
1 inch = 25.4 mm

32
REPAIR PARTS
TRACTOR - - MODEL NUMBER PO17542ST (PO17542STA)
DRIVE
29
28
112
14
41
38
39
89
57
69
120
74
75
7876
77
1
25
19 24
26
2
53
35
34
37
36 35
62
36
64
65
59
56
212
55
63
116
70
77
61
22 27
26
85
52 30
32
32
30
52
11
85
80 4
3
13
84
15
79
6
113
18
51
5
18
6
16
66
96
26
27
51
48
151
202
49
47
50
120
150
81
21
8
10 169
82
156
165
168
166
163
14
159
161
198
158
112 83
162
197
6
170
drive-fender_49
33
REPAIR PARTS
TRACTOR - - MODEL NUMBER PO17542ST (PO17542STA)
DRIVE
KEY PART
NO. NO. DESCRIPTION
KEY PART
NO. NO. DESCRIPTION
1 - - - - - - Transaxle Peerless (206-545C)
(Order parts from transaxle manu-
facturer)
2 146682 Spring Return Brake T/a Zinc
3 123666X Pulley Transaxle 18" tires
4 12000028 Ring Retainer # 5100-62
5 121520X Strap Torque 30 Degrees
6 17000512 Screw 5/16-18 X 3/4
8 165619 Rod Shift Fender Adjust Lt
10 76020416 Pin Cotter 1/8 X 1 Cad
11 105701X Washer Plate Shf 388 Sq Hole
13 74550412 Bolt 1/4-28 Unf Gr. 8 W/Patch
14 10040400 Washer Lock Hvy Helical
15 74490544 Bolt Hex FLGHD 5/16-18 Gr. 5
16 73800500 Nut Lock Hex w/ins 5/16-18
18 74780616 Bolt, Fin Hex 3/8-16 unc x 1 Gr. 5
19 73800600 Nut Lock 3/8-16 Unc
21 106933X Knob
22 130804 Rod Brake Blk Zinc 26 840
24 73350600 Nut Hex Jam 3/8-16 unc
25 106888X Spring Rod Brake 2 00 Zinc
26 19131316 Washer 13/32 x 13/16 x 16 Ga.
27 76020412 Pin Cotter 1/8 x 3/4 Cad
28 175765 Rod Brake Parking LT/YT
29 71673 Cap Brake Parking
30 174973 Bracket Mtg Transaxle
32 74760512 Bolt Hex Hd 5/16-18 unc x 3/4
34 175578 Shaft Asm Pedal Foot
35 120183X Bearing Nylon Blk 629 Id
36 19211616 Washer 21/32 x 1 x 16 Ga.
37 1572H Pin Roll 3/16 X 1"
38 179114 Pulley Composite Flat
39 72110622 Bolt RDHD 3/8-16 unc x 2-3/4 Gr. 5
41 175556 Keeper Belt Flat Idler
47 127783 Pulley Idler V Groove Plastic
48 154407 Bellcrank Asm
49 123205X Retainer Belt Style Spring
50 72110612 Bolt Carr. Sh. 3/8-16 x 1-1/2 Gr. 5
51 73680600 Nut Crownlock 3/8-16 unc
52 73680500 Nut Crownlock 5/16-18 unc
53 105710X Link Clutch
55 105709X Spring Return Clutch 6 75
56 17060620 Screw 3/8-16 x 1-1/4
57 130801 V-Belt Ground Drive 95 25
59 169691 Keeper Belt Span Ctr
61 17120614 Screw 3/8-16 x .875
62 8883R Cover Pedal Blk Round
63 175410 Engine Pulley
64 173937 Bolt Hex
65 10040700 Washer Lock Hvy Hlcl Spr 7/16
66 154778 Keeper Belt Engine Foolproof
69 142432 Screw Hex wsh HiLo 1/4 x 1/2 unc
70 134683 Guide Belt Mower Drive RH
74 137057 Spacer Axle
75 121749X Washer 25/32 x 1 1/4 x 16 Ga.
76 12000001 E-ring #5133-75
77 123583X Key Square 2 0 x 1845/ 1865
78 121748X Washer 25/32 x 1-5/8 x 16 Ga.
79 2228M Key Woodruff #9 3/16 x 3/4
80 131486 Arm Shift
81 165594 Shaft Asm Cross Tapered PMST/20
82 123782X Spring Torsion T/a
83 19171216 Washer 17/32 x 3/4 x 16 Ga.
84 166228 Link Transaxle PMST/18" Zinc
85 150360 Nut Lock Center 1/4 - 28 FNTHD
89 169372X428 Console Shift STLT
96 4497H Retainer Spring 1"
112 19091210 Washer 9/32 x 3/4 x 10 Ga.
113 127285X Strap Torque LT
116 72140608 Bolt Rdhd Sq Neck 3/8-16 x 1
120 73900600 Nut Lock Flg. 3/8-16 unc
150 175456 Spacer Retainer
151 19133210 Washer 13/32 x 2 x 10
156 166002 Washer Srrted 5/16ID x 1.125
158 165589 Bracket Shift Mount
159 183900 Hub Tapered Flange Shift Lt
161 72140406 Bolt Rdhd Sqnk 1/4-20 x 3/4
162 73680400 Nut Crownlock 1/4-20 unc
163 74780416 Bolt Hex Fin 1/4-20 unc x 1 Gr. 5
165 165623 Bracket Pivot Lever
166 17490510 Screw 5/16-18 x 5/8
168 165492 Bolt Shoulder 5/16-18 x .561
169 165580 Plate Fastening
170 187414 Keeper Belt Transaxle Gear
197 169613 Nyliner Snap-In
198 169593 Washer Nyliner
202 72110614 Bolt RdHd 3/8-16 unc x 1-3/4 Gr. 5
212 145212 Nut Hexfl ange Lock
NOTE: All component dimensions given in U.S. inches
1 inch = 25.4 mm

34
REPAIR PARTS
TRACTOR - - MODEL NUMBER PO17542ST (PO17542STA)
STEERING ASSEMBLY
44
51
54
5
9
5
7
7
9
4
332
43
95
43
8
10
40
11
8
6
9
46
46
8
6
9
2
47
47
26
30
28
1
41
42
37
36
37
38
12
39
68 67
67
67
13
65
85
85
68
15
15
15
29
29 82
88
71
17
29
43
91
steering_pl.lt_46
35
REPAIR PARTS
TRACTOR - - MODEL NUMBER PO17542ST (PO17542STA)
STEERING ASSEMBLY
1 140044X428 Wheel Steering Auto Black
2 175131 Axle Asm Front
3 169840 Spindle Asm Lh
4 169839 Spindle Asm Rh
5 6266H Bearing Race Thrust Harden
6 121748X Washer 25/32 x 1 5/8 x 16 Ga.
7 19272016 Washer 27/32 x 1 1/4 x 16 Ga.
8 12000029 Ring Klip #t5304-75
9 3366R Bearing Col Strg Blk
10 175121 Link Drag Extended
11 10040600 Lockwasher
12 73940800 Nut Hex Jam Toplock 1/2-20 unf
13 136518 Spacer Bearing Axle Front
15 145212 Hex Flange Lock
17 180641 Shaft Asm Strg
26 126847X Bushing Rod Tie Blk Lt
28 19131416 Washer 13/32 x 7/8 x 16 Ga.
29 17000612 Screw 3/8-16 x 3/4
30 76020412 Pin
32 130465 Rod Tie Wire Form 19 75 Mech
36 155099 Bushing Strg 5/8 Id Dash
37 152927 Screw TT #10-32 x 5 x 3/8 Flange
38 140045X428 Insert Cap Strg
39 19183812 Washer 9/16 ID x 2-3/8 OD 12 Gr.
40 73540600 Nut Crownlock
41 186737 Adaptor Wheel Strg .760
42 145054X428 Boot Dash Steering
43 121749X Washer 25/32 x 1 1/4 x 16 Ga.
44 180640 Extension Steering
46 121232X Cap Spindle Fr Top Blk
47 183226 Fitting Grease
51 73540400 Nut Crownlock 1/4-28
54 71130420 Bolt Hex 1/4-28 unf x 1-1/4 Gr. 8
65 160367 Spacer Brace Axle
67 72110618 Bolt Rdhd Sq 3/8-16 unc x 2-1/4
68 169827 Brace Axle
71 175146 Steering Asm
82 169835 Bracket Susp Chassis Front
85 133835 Fastener Christmas Tree
88 175118 Bolt Shoulder 7/16-20
91 175553 Clip Steering
95 188967 Washer Hardened
KEY PART
NO. NO. DESCRIPTION
NOTE: All component dimensions given in U.S. inches
1 inch = 25.4 mm

36
REPAIR PARTS
TRACTOR - - MODEL NUMBER PO17542ST (PO17542STA)
ENGINE
2
1
OPTIONAL EQUIPMENT
Spark Arrester
29
44
46
32
31
33
37
33
13 4
72
78
81
3
78
23
45
14
38
40
engine-bs.1cyl_17
NOTE: All component dimensions given in U.S. inches
1 inch = 25.4 mm
1 170551 Control Throttle /Choke Flag
2 17720408 Screw Hex Thd Cut 1/4-20 x 1/2
3 - - - - - - Engine Briggs Model 31C707
(Order Parts From Engine Manu-
facturer)
4 137352 Muffl er Exhaust B&S Lt
13 165291 Gasket 1 313 Id Tin Plated
14 148456 Tube Drain Oil Easy
23 169837 Shield Browning/Debris Guard
29 137180 Arrestor Spark
31 184900 Tank Fuel 1 25 Fr
32 140527 Cap Asm Fuel W/sym Vented
33 123487X Clamp Hose Blk
KEY PART
NO. NO. DESCRIPTION
37 137040 Line Fuel 20”
38 181654 Plug Drain Oil Easy
40 124028X Bushing Snap Nyl Blk Fuel Line
44 17670412 Screw Hexwsh Thdrol 1/4-20 x 3/4
45 17000612 Screw Hex Wsh Thdrol 3/8-16
46 19091416 Washer 9/32 X 7/8 X 16 Ga.
72 183906 Screw Socket Head 5/16-18 x 1
78 17060620 Screw Thdrol 3/8-16 x 1-1/4
81 73510400 Nut Keps Hex 1/4-20 unc
KEY PART
NO. NO. DESCRIPTION

37
REPAIR PARTS
TRACTOR - - MODEL NUMBER PO17542ST (PO17542STA)
SEAT ASSEMBLY
KEY PART
NO. NO. DESCRIPTION
KEY PART
NO. NO. DESCRIPTION
14 72050412 Bolt Rdhd Sht Nk 1/4-20 x 1-1/2
15 134300 Spacer Split 28 x 96 Yel Zinc
16 121250X Spring Cprsn 1 27 Blk Pnt
17 123976X Nut Lock 1/4 Lge Flg Gr. 5 Zinc
21 171852 Bolt Shoulder 5/16-18 unc Blkz-2A
22 73800500 Nut
23 71110814 Bolt Hex Black
24 19171912 Washer 17/32 x 1-3/16 x 12 Ga.
25 127018X Bolt Shoulder 5/16-18 x 62
26 10040800 Lockwasher
26
23
1
24
16
15
12
13
17
25
4
3
8
9
7
8
9
7
2
6
22
21
5
10
5
14
seat_lt.bolt_1
1 175389 Seat
2 140551 Bracket Pnt Pivot Seat (blk)
3 188978 Bolt
4 189116 Washer 13/32 x 1 x 10 Ga.
5 184774 Clip Push-In Hinged
6 73800600 Nut
7 124181X Spring Seat Cprsn 2 250 Blk Zi
8 17000616 Screw 3/8-16 x 1.5
9 19131614 Washer 13/32 x 1 x 14 Ga.
10 182493 Pan Pnt Seat (blk )
12 121246X Bracket Pnt Mounting Switch
13 121248X Bushing Snap Blk Nyl 50 Id NOTE: All component dimensions given in U.S. inches
1 inch = 25.4 mm

38
5
11 16
6
9
310
8
14
WHEELS & TIRES KEY PART
NO. NO. DESCRIPTION
1 59192 Cap Valve Tire
2 65139 Stem Valve
3 106222X Tire F Ts 15 X 6 0 - 6 Service
4 59904 Tube Front (Service Item Only)
5 106732X624 Rim Asm 6" front Service
6 278H Fitting Grease (Front Wheel Only)
7 9040H Bearing Flange (Front Wheel
Only)
8 106108X624 Rim Asm 8" rear Service
9 106268X Tire R Ts 18x9.5-8 Service
10 7152J Tube Rear (Service Item Only)
11 104757X428 Cap Axle 1 50 X 1 00
- - 144334 Sealant, Tire ( 10 oz. Tube)
NOTE: All component dimensions given in U.S. inches
1 inch = 25.4 mm
KEY PART
NO. NO. DESCRIPTION
KEY PART
NO. NO. DESCRIPTION
10 157140 Decal Fender Danger E/F
11 158168 Decal Ins Strg Whl
14 160396 Decal V-Belt Schematic
16 188977 Decal Hood Rh
20 145005 Decal Bat Dan/Psn
- - 138311 Decal Handle Lft Height Adjust
- - 188870 Manual Owner's (English)
- - 188871 Manual Owner's (French)
1 156369 Decal Oper
3 188978 Decal Hood LH
4 189116 Decal Replace
5 184774 Decal HP Engine
6 179128 Decal Deck "B" 42"
7 188980 Decal Side Panel
8 170563 Decal Warning Mult-Language
9 158166 Decal Fender Logo
6
2
1
5,8
4,10
3,9
1
1
7
REPAIR PARTS
TRACTOR - - MODEL NUMBER PO17542ST (PO17542STA)
DECALS
20
1
77

39
REPAIR PARTS
TRACTOR - - MODEL NUMBER PO17542ST (PO17542STA)
MOWER LIFT
15
20
1617 18 20
20
15
20
4
5
6
2
31
6
5
4
7
8
12
11
31
32
31
32
19
19
13
13
13
13
lift-rh.1piece_3
1 159461 Wire Asm Inner/Sprg w/Plunger
2 159476 Shaft Asm Lift
3 178981 Pin Groove
4 12000002 E Ring #5133-62
5 19211621 Washer 21/32 x 1 x 21 Ga.
6 120183X Bearing Nylon
7 109413X Grip Handle
8 124526X Button Plunger
11 139865 Link Lift Lh
12 139866 Link Lift Rh
13 4939M Retainer Spring
15 173288 Link Front
16 73350800 Nut Jam Hex 1/2-13 unc
17 175689 Trunnion Blk Zinc
18 73800800 Nut Lock w/Wsh 1/2-13 unc
19 139868 Arm Suspension Rear
20 163552 Retainer Spring
31 169865 Bearing Pvt Lift
32 73540600 Nut Crownlock 3/8-24
KEY PART
NO. NO. DESCRIPTION
NOTE: All component dimensions given in U.S. inches
1 inch = 25.4 mm

40
REPAIR PARTS
TRACTOR - - MODEL NUMBER PO17542ST (PO17542STA)
MOWER DECK
15
14
13
11
10
98
16
68
184
30
31
32
33
146
148
145
150
45
144
147
147
142
149
142
54
52
53 55
56
34
1
46
44
21
24
25
26
27
2
28
29
23
21
21
21
18
18
20
2
48
59
19
4
3
56
21
40
143
36
40
40
159
42_deck_man-t-path_3
185
67
158
42_clutch_mod_7
152
41
REPAIR PARTS
TRACTOR - - MODEL NUMBER PO17542ST (PO17542STA)
MOWER DECK
1 165892 Mower Deck Assembly, 42"
2 72140506 Bolt
3 138017 Bracket Asm Fr. Sway Bar 3/42
4 165460 Bracket Asm Deck 42" Sway Bar
5 4939M Retainer Spring
6 178024 Bar Sway Deck
8 850857 Bolt 3/8-24 x 25 Gr. 8 patched
9 10030600 Washer, Lock
10 140296 Washer, Hardened
(The following blades are available)
11 134149 Blade, 42" Mulching Std
(For mulching mowers only)
- - 139775 Blade, 42" Mulching Premium
(For better wear when mulching
- - 138971 Blade, 42" Hi-Lift
(For bagging or discharging)
13 137645 Shaft As sem bly, Mandrel, Vented
14 128774 Housing, Mandrel, Vented
15 110485X Bearing, Ball, Mandrel
16 174493 Stripper, Mandrel Deck
18 72140505 Bolt, Carriage 5/16-18 x 5/8
19 132827 Bolt, Shoulder
20 159770 Baffl e, Vortex
21 73680500 Nut
23 177563 Bracket, Defl ector Mower 42"
24 105304X Cap, Sleeve 80 x 112 Blk Mower
25 123713X Spring, Torsion, Defl ector 2 52
26 110452X Nut, Push Phos & Oil
27 130968X428 Shield, Defl ector 42" Blk
28 19111016 Washer 11/32 x 5/8 x 16 Ga.
29 131491 Rod, Hinge 42" 6 75 W/G
30 173984 Screw Thdrol Washer Head
31 187690 Washer, Spacer Mower Vented
32 153535 Pulley, Mandrel
33 178342 Nut, Toplock 9/16 Flange
34 72110612 Bolt
36 131494 Pulley, Idler, Flat
37 19131316 Washer 13/32 x 13/16 x 16 Ga.
40 73900600 Nut
44 140088 Guard, Mandrel, LH
45 4497H Retainer
46 137729 Screw, Thdrol 1/4-20 x 5/8 T
48 133944 Washer, Hardened
52 139888 Bolt, Shoulder 5/16-18 unc
53 184907 Arm Assembly, Pad, Brake
54 178515 Washer, Hardened
55 155046 Arm, Idler
56 165723 Spacer, Retainer
59 141043 Guard TUV Idler
67 106932X Knob
68 144959 V-Belt, 42" Mower
142 165890 Arm Spring Brake Mower
143 157109 Bracket Arm Idler 42"
144 158634 Keeper Belt 42" Clutch Cable
145 165888 Pulley Idler Flat
146 171977 Bolt Carriage Idler
147 131335 Spring Extension
148 169022 Spring Return Idler
149 165898 Retainer Spring Yellow
150 19091210 Washer 9/32 x 3/4 x 10 Ga.
152 169676 Clutch Cable 42"
158 17720408 Screw Hex Thd Cut 1/4-20 x 1/2
159 72140614 Bolt Rdhd Sqn 3/8-16 unc x 1-3/4
184 19131410 Washer 13/32 x 7/8 x 10 Ga.
185 188234 Head Asm Cable Clutch
- - 130794 Mandrel Assembly (Includes
Housing, Shaft and Shaft Hard-
ware Only-Pulley Not Included)
- - 171639 Replacement Mower, Complete
KEY PART
NO. NO. DESCRIPTION
KEY PART
NO. NO. DESCRIPTION
NOTE: All component dimensions given in U.S. inches
1 inch = 25.4 mm