Poulan Pp10527Es 2008 08 96192002000 Owners Manual OM, PP10527ES, 08, SNOW BLOWERS/THROWERS,
PP10527ES to the manual 9902f72c-c578-49e2-b0da-8979d7aeb1bc
2014-07-31
: Poulan Poulan-Pp10527Es-2008-08-96192002000-Owners-Manual poulan-pp10527es-2008-08-96192002000-owners-manual poulan pdf
Open the PDF directly: View PDF
.
Page Count: 40

OWNER'S MANUAL
MODEL NUMBER:
PP10527ES
SNOW THROWER
Always Wear Eye Protection During Operation
IMPORTANT MANUAL Do Not Throw Away
WARNING:
Read the Owner's Manual and
fol low all Warnings and Safety
In struc tions. Fail ure to do so
can result in serious injury.
420923 Rev 1 08.08.08 SBW/TH
Printed in the U.S.A.

2
IMPORTANT
Safe Operation Practices for Walk-Behind Snow Throwers
This snow thrower is capable of amputating hands and feet and throwing objects.
Failure to observe the following safety instructions could result in serious injury.
WARNING: This snow thrower is for
use on sidewalks, driveways and other
ground level surfaces. Caution should
be exercised while using on sloping sur-
faces. Do not use snow thrower on
surfaces above ground level such as
roofs of residences, garages, porch es
or other such structures or buildings.
WARNING: Snow throwers have ex-
posed rotating parts, which can cause
severe injury from contact, or from ma-
terial thrown from the discharge chute.
Keep the area of operation clear of all
persons, small children and pets at all
times including startup.
WARNING: Always disconnect spark
plug wire and place it where it can not
con tact plug in order to pre vent ac ci -
den tal start ing when setting up, trans-
port ing, ad just ing or making re pairs.
Look for this symbol to point out im-
por tant safety precautions. It means
CAUTION!!! BE COME ALERT!!! YOUR
SAFE TY IS IN VOLVED.
CAUTION: Muffler and other engine
parts become extremely hot during
operation and remain hot after engine
has stopped. To avoid severe burns on
contact, stay away from these areas.
WARNING: Engine exhaust, some of
its con stit u ents, and certain vehicle
com po nents contain or emit chem i-
cals known to the State of Cal i for nia
to cause can cer and birth defects or
oth er re pro duc tive harm.
(f) Keep the nozzle in contact with the rim of the fuel
tank or container opening at all times, until refuel-
ing is complete. Do not use a nozzle lock-open
device.
(g) Replace gasoline cap securely and wipe up spilled
fuel.
(h) If fuel is spilled on clothing, change clothing im-
mediately.
5. Use extension cords and receptacles as specified by
the manufacturer for all units with electric drive motors
or electric starting motors.
6. Adjust the collector housing height to clear gravel or
crushed rock surface.
7. Never attempt to make any adjustments while the
engine (motor) is running (except when specifically
recommended by manufacturer).
8. Always wear safety glasses or eye shields during op-
eration or while performing an adjustment or repair to
protect eyes from foreign objects that may be thrown
from the machine.
Operation
1. Do not put hands or feet near or under rotating parts.
Keep clear of the discharge opening at all times.
2. Exercise extreme caution when operating on or cross-
ing gravel drives, walks, or roads. Stay alert for hidden
hazards or traffic.
3. After striking a foreign object, stop the engine (motor),
remove the wire from the spark plug, disconnect the
cord on electric motors, thoroughly inspect the snow
thrower for any damage, and repair the damage before
restarting and operating the snow thrower.
4. If the unit should start to vibrate abnormally, stop the
engine (motor) and check immediately for the cause.
Vibration is generally a warning of trouble.
5. Stop the engine (motor) whenever you leave the oper-
ating position, before unclogging the collector/impeller
housing or discharge chute, and when making any
repairs, adjustments or inspections.
Training
1. Read, understand and follow all instructions on the
machine and in the manual(s) before operating this
unit. Be thoroughly familiar with the controls and the
proper use of the equipment. Know how to stop the
unit and disengage the controls quickly.
2. Never allow children to operate the equipment. Never
allow adults to operate the equipment without proper
instruction.
3. Keep the area of operation clear of all persons, par-
ticularly small children.
4. Exercise caution to avoid slipping or falling, especially
when operating the snow thrower in reverse.
Preparation
1. Thoroughly inspect the area where the equipment is
to be used and remove all doormats, sleds, boards,
wires, and other foreign objects.
2. Disengage all clutches and shift into neutral before
starting the engine (motor).
3. Do not operate the equipment without wearing adequate
winter garments. Avoid loose fitting clothing that can
get caught in moving parts. Wear footwear that will
improve footing on slippery surfaces.
4. Handle fuel with care; it is highly flammable
(a) Use an approved fuel container.
(b) Never add fuel to a running engine or hot en-
gine.
(c) Fill fuel tank outdoors with extreme care. Never fill
fuel tank indoors.
(d) Never fill containers inside a vehicle or on a truck
or trailer bed with a plastic liner. Always place
containers on the ground, away from your vehicle,
before filling.
(e) When practical, remove gas-powered equipment
from the truck or trailer and refuel it on the ground.
If this is not possible, then refuel such equipment
on a trailer with a portable container, rather than
from a gasoline dispenser nozzle.

3
6. When cleaning, repairing or inspecting the snow thrower,
stop the engine and make certain the collector/impel-
ler and all moving parts have stopped. Disconnect
the spark plug wire and keep the wire away from the
plug to prevent someone from accidentally starting the
engine.
7. Do not run the engine indoors, except when starting
the engine and for transporting the snow thrower in or
out of the building. Open the outside doors; exhaust
fumes are dangerous.
8. Exercise extreme caution when operating on slopes.
9. Never operate the snow thrower without proper guards,
and other safety protective devices in place and work-
ing.
10. Never direct the discharge toward people or areas
where property damage can occur. Keep children and
others away.
11. Do not overload the machine capacity by attempting
to clear snow at too fast a rate.
12. Never operate the machine at high transport speeds
on slippery surfaces. Look behind and use care when
operating in reverse.
13. Disengage power to the collector/impeller when snow
thrower is transported or not in use.
14. Use only attachments and accessories approved by
the manufacturer of the snow thrower (such as wheel
weights, counterweights, or cabs).
15. Never operate the snow thrower without good visibility
or light. Always be sure of your footing, and keep a firm
hold on the handles. Walk; never run.
16. Never touch a hot engine or muffler.
Clearing a Clogged Discharge Chute
Hand contact with the rotating impeller inside the discharge
chute is the most common cause of injury associated with
snow throwers. Never use your hand to clean out the dis-
charge chute. To clear the chute:
1. SHUT THE ENGINE OFF!
2. Wait 10 seconds to be sure the impeller blades have
stopped rotating.
3. Always use a clean-out tool, not your hands.
Maintenance and Storage
1. Check shear bolts and other bolts at frequent intervals
for proper tightness to be sure the equipment is in safe
working condition.
2. Never store the machine with fuel in the fuel tank
inside a building where ignition sources are present
such as hot water heaters, space heaters, or clothes
dryers. Allow the engine to cool before storing in any
enclosure.
3. Always refer to operator’s manual for important details
if the snow thrower is to be stored for an extended
period.
4. Maintain or replace safety and instruction labels, as
necessary.
5. Run the machine a few minutes after throwing snow
to prevent freeze-up of the collector/impeller.
MAINTENANCE ..................................................... 14-15
SERVICE AND AD JUST MENTS ........................... 16-18
STORAGE ................................................................... 18
TROU BLE SHOOT ING ................................................ 19
REPAIR PARTS ..................................................... 20-38
WARRANTY ............................................ BACK COVER
SAFETY RULES ........................................................ 2-3
PRODUCT SPECIFICATIONS ...................................... 3
CUSTOMER RESPONSIBILITIES ................................ 3
ASSEMBLY / PRE-OPERATION ............................... 4-7
OPERATION ............................................................ 8-13
MAINTENANCE SCHEDULE ..................................... 14
TABLE OF CONTENTS
CONGRATULATIONS on your purchase of a new snow
thrower. It has been designed, engineered and man u fac-
tured to give best possible dependability and per for mance.
Should you experience any problem you cannot easily
remedy, please contact your nearest authorized service
center. We have competent, well-trained tech ni cians and
the proper tools to service or repair this unit.
Please read and retain this manual. The instructions will
enable you to assemble and maintain your snow thrower
prop er ly. Always observe the “SAFETY RULES”.
SERIAL NUMBER: ___________________________
DATE OF PURCHASE: _______________________
THE MODEL AND SERIAL NUMBERS WILL BE FOUND
ON A DECAL ATTACHED TO THE REAR OF THE SNOW
THROWER HOUSING.
YOU SHOULD RECORD BOTH SERIAL NUMBER AND
DATE OF PURCHASE AND KEEP IN A SAFE PLACE
FOR FUTURE REFERENCE.
CUSTOMER RESPONSIBILITIES
• Read and observe the safety rules.
• Follow a regular schedule in maintaining, caring for
and using your snow thrower.
• Follow the instructions under “Maintenance” and “Stor-
age” sec tions of this own er’s manual.
PRODUCT SPECIFICATIONS
Gasoline Capacity 4.0 Quarts
and Type: Unleaded Regular only
Oil Type SAE 30 (above 40°F)
(API SG–SL): SAE 5W-30 or 10W-30 (0° to +40°F)
SAE 0W-30 (below 0°F)
Oil Capacity: 21 Ounces
Spark Plug: Champion RJ19LM (Gap: .030")

4
PARTS PACKED SEPARATELY IN CARTON
(1) POWER CORD
(198563)
(1) DISCHARGE CHUTE (3) RETAINER
SPRINGS
(169675)
(1) TRACTION DRIVE CONTROL ROD
(2) SHEAR BOLTS 1/4-20 x 1-3/4
(198636)
(2) SPACERS
(198638)
(2) LOCKNUTS
1/4-20
(73800400)
EXTRA SHEAR BOLTS AND NUTS
(1) WASHER 3/8
(19131316)
(1) LOCKNUT 3/8
(73800600)
ROTATOR HEAD MOUNTING
(1) AUGER CONTROL ROD
(1) SAFTEY IGNITION KEY
(35062)
(1) MULTI-
WRENCH
(180684)
(2) FLAT WASHERS
(2) CARRIAGE BOLTS
3/8-16 x 2.25
(2) HANDLE KNOBS
Read these instructions and this manual in its entirety
before you attempt to assemble or operate your new
snow thrower. Reading the entire manual will familiar-
ize you with the unit, which will assist you in assembly,
operation and maintenance of the product.
Your new snow thrower has been as sem bled at the factory
with the ex cep tion of those parts left unassembled for ship-
ping purposes. All parts such as nuts, washers, bolts, etc.,
necessary to com plete the as sem bly have been placed in
the parts bag. To ensure safe and proper operation of your
snow thrower, all parts and hard ware you assemble must
be tightened se cure ly. Use the correct tools as nec es sary
to ensure proper tightness.
REMOVE SNOW THROWER FROM CAR TON
1. Remove all accessible loose parts and parts boxes
from carton.
ASSEMBLY / PRE-OPERATION
2. Cut down all four corners of carton and lay panels flat.
3. Remove the two (2) screws securing the auger housing
to the pallet.
4. Remove all packing materials ex cept plastic tie holding
speed control rod to lower handle.
5. Remove the two (2) plastic ties securing the upper
handle to the pallet.
6. Remove snow thrower from carton and check carton
thor ough ly for ad di tion al loose parts.
HOW TO SET UP YOUR SNOW THROWER
TOOL BOX (See Fig. 10)
A toolbox is provided on your snow thrower. The toolbox is
located on top of the belt cover. Store the extra shear bolts,
nuts and multi-wrench provided in parts bag in the toolbox.

5
ASSEMBLY / PRE-OPERATION
NOTE: The multi-wrench may be used for assembly of the
chute rotator head to snow thrower and making ad just ments
to the skid plates.
UNFOLD UPPER HANDLE
1. Raise upper handle to the operating position and
tight en handle knobs securely. Additional carriage
bolts, washers and handle knobs are in bag of parts.
Use to secure upper handle to lower handle. Install
in lower holes in handles.
INSTALL SPEED CONTROL ROD (See Figs. 1 and 2)
1. Remove plastic tie securing rod to lower handle.
2. Insert rod into speed control bracket and secure
with retainer spring.install traction DRIVE control rod
(See Figs. 3 and 4)
The traction drive control rod has the long loop on the end
of the spring as shown.
1. Slide rubber sleeve up rod and hook end of spring into
pivot bracket with loop opening down as shown.
2. With top end of rod positioned under left side of control
panel, push rod down and insert top end of rod into hole
in drive control bracket. Secure with retainer spring.
SPEED CON TROL ROD
SPEED
CONTROL
BRACKET
RETAINER
SPRING
SPEED
CONTROL
LEVER
FIG. 2
TRACTION
DRIVE
CON TROL
ROD
DRIVE
CONTROL
BRACKET
RETAINER
SPRING
TRACTION DRIVE
CON TROL LEVER
FIG. 4
SPEED
CONTROL
ROD
HANDLE
KNOB
LOWER
HANDLE
PLASTIC TIE
UPPER
HANDLE
FIG. 1
TRACTION DRIVE
CONTROL ROD
PIVOT
BRACKET
RUBBER
SLEEVE
LOOP OPEN-
ING DOWN
FIG. 3

6
ASSEMBLY / PRE-OPERATION
INSTALL DISCHARGE CHUTE / CHUTE ROTATER
HEAD (See Fig. 7)
NOTE: The multi-wrench provided in your parts bag may
be used to install the chute rotater head.
1. Place discharge chute assembly on top of chute base
with discharge opening toward front of snow thrower.
2. Position chute rotater head over chute bracket. If nec es -
sary, rotate chute assembly to align square and pin on un-
der side of chute rotater head with holes in chute brack et.
3. With chute rotater head and chute bracket aligned,
po si tion chute rotater head on pin and threaded stud
of mounting bracket.
4. Install 3/8 washer and locknut on threaded stud and
tighten securely.
AUGER
CONTROL
ROD
CONTROL
ARM
RUBBER
SLEEVE
LOOP
OPENING
UP
FIG. 5
INSTALL AUGER CONTROL ROD (See Figs. 5 and 6)
The auger control rod has the short loop on the end of the
spring as shown.
1. Slide rubber sleeve up rod and hook end of spring into
control arm with loop opening up as shown.
2. With top end of rod positioned under right side of
control panel, push down on rod and insert end of rod
into hole in auger control bracket. Secure with retainer
spring.
AUGER
CONTROL
LEVER
AUGER CONTROL ROD
AUGER
CONTROL
BRACKET
RETAINER
SPRING
FIG. 6
CHUTE
ROTATER
HEAD
3/8 WASHER
3/8 LOCKNUT
THREADED
STUD
PIN
ROTATER HEAD
MOUNT ING
BRACKET
CHUTE
BRACKET
FIG. 7
ALIGN BEFORE
TIGHTENING LOCKNUT

7
CHECK TIRE PRESSURE
The tires on your snow thrower were overinflated at the fac-
tory for shipping purposes. Correct and equal tire pres sure
is important for best snow throwing performance.
• Reduce tire pressure to 14-17 PSI (19-24.5 N-m).
ASSEMBLY / PRE-OPERATION
INSTALL CHUTE DEFLECTOR REMOTE CONTROL
(See Figs. 8 and 9)
1. Install remote cable bracket to discharge chute with
5/16-18 carriage bolt and 5/16-18 locknut as shown.
Tighten securely.
2. Install remote cable eyelet to chute deflector with
1/4-20 shoulder bolt, nylon washer and 1/4-20 locknut
as shown. Tighten securely.
3. Install spring hooks between hex nuts on chute rotater
head and into hole in chute deflector as shown.
CHUTE DEFLECTOR
CONTROL LEVER
FIG. 9
HOOK
BE TWEEN
HEX NUTS
ON CHUTE
ROTATER
HEAD
SPRING
CHUTE
DE FLEC TOR
5/16-18
CARRIAGE
BOLT
5/16-18
LOCKNUT
REMOTE
CABLE
BRACKET
1/4-20
LOCK NUT
CABLE
EYELET
NYLON
WASHER
1/4-20
SHOULDER
BOLT
FIG. 8

8
OPERATION
KNOW YOUR SNOW THROWER
READ THIS OWNER'S MANUAL AND ALL SAFETY RULES BEFORE OPERATING YOUR SNOW THROWER. Compare
the illustrations with your snow thrower to familiarize yourself with the location of various controls and adjustments. Save
this manual for future reference.
These symbols may appear on your snow thrower or in literature supplied with the product. Learn and understand
their meaning.
FORWARD
PRIMER
IGNITION KEY.
INSERT TO START
AND RUN,
PULL OUT TO STOP.
READ AND FOLLOW ALL SAFETY INFORMATION
AND INSTRUCTIONS BEFORE USE OF THIS PRODUCT.
KEEP THESE INSTRUCTIONS FOR FUTURE REFERENCE.
DANGER
OR WARNING
REVERSE
SNOW
DISCHARGE
TRACTION
DRIVE CONTROL
DISENGAGED
ENGAGED

9
OPERATION
LH and RH turn triggers - used to steer the snow thrower.
Drive speed control lever - used to select forward or
reverse motion and speed of snow thrower.
Traction drive control lever - used to engage power-pro-
pelled for ward or reverse motion of snow thrower.
Auger control lever - used to engage auger motion (throw
snow).
Discharge chute control lever - used to change the di-
rec tion the snow is thrown.
Skid plate - used to adjust height of scraper bar from the
ground
Deflector remote control lever - used to change the
dis tance the snow is thrown.
Toolbox - used to store spare shear bolts, locknuts and
wrench.
Safety ignition key - must be inserted for the engine to
start and run. Remove when snow thrower is not in use.
Electric start button – used for starting the engine.
Recoil (auxiliary) starter handle – used for start ing the
en gine.
Primer - pumps additional fuel from the carburetor to the
cylinder for use when starting a cold engine.
Throttle/engine control - used to se lect either FAST or
SLOW engine speed and to STOP the engine.
Choke control - used for starting a cold engine.
MEETS A.N.S.I. SAFETY REQUIREMENTS
Our snow throwers conform to the standards of the American National Standards Institute.
TRACTION
DRIVE
CONTROL
LEVER
DISCHARGE CHUTE CONTROL LEVER
RECOIL
(AUXILIARY)
STARTER
HANDLE
THROTTLE
/ ENGINE
CONTROL
DRIVE SPEED
CON TROL LEVER
AUGER
CONTROL
LEVER
MUF FLER
TOOLBOX
HANDLE
KNOB
SKID PLATE
CHUTE
DE FLEC TOR
GAS O LINE
FILLER
CAP
ENGINE OIL CAP
WITH DIPSTICK
SPARK
PLUG
SAFETY
IGNITION
KEY
CHOKE
CON -
TROL
PRIM ER
NOTE: ITEMS ABOVE
ARE SHOWN IN
THEIR TYPICAL
LOCATION ON THE
ENGINE. ACTUAL
LOCATION MAY
VARY WITH THE
ENGINE ON YOUR
UNIT.
FIG. 10
AU GERS
ELECTRIC
START
BUTTON
POWER
CORD
PLUG
DISCHARGE
CHUTE
FUEL
SHUT-OFF
VALVE
OIL DRAIN PLUG
CLEAN-OUT TOOL
LIGHT
DEFLECTOR REMOTE
CONTROL LEVER
LH TURN
TRIGGER

10
The operation of any snow thrower can result
in foreign objects thrown into the eyes, which
can result in severe eye damage. Always wear
safety glasses or eye shields while operating
your snow thrower or performing any ad just -
ments or repairs. We recommend standard safe ty glasses
or a wide vision safety mask worn over spectacles.
HOW TO USE YOUR SNOW THROWER
Know how to operate all controls before adding fuel or
attempting to start the engine.
STOPPING
TRACTION DRIVE
• Release traction drive control lever to stop the forward
or reverse movement of the snow thrower.
AUGER
• Release the auger control lever to stop throwing snow.
ENGINE
1. Move throttle control to “STOP” position.
2. Remove (do not turn) safety ignition key to prevent
unauthorized use.
NOTE: Never use choke to stop engine.
TO USE FUEL SHUT-OFF VALVE (See Fig. 11)
The fuel shut-off valve is located beneath the fuel tank on
the engine. Always op er ate the snow thrower with the fuel
shut-off valve in the OPEN position.
OPERATION
TO USE THROTTLE CONTROL (See Fig. 12)
The throttle control is located on the engine. Always op er ate
the snow thrower with the engine at full throttle. Full throttle
offers the best snow thrower performance.
TO USE CHOKE CON TROL (See Fig. 13)
The choke con trol is located on the en gine. Use the choke
control when ev er you are starting a cold en gine. Do not
use to start a warm en gine.
• To engage choke, turn knob clockwise. Slowly turn
knob counterclockwise to disengage.
FIG. 12
FIG. 11
FIG. 13
FULLOFF
SLOW
FAST
OPEN
OFF
TO CONTROL SNOW DISCHARGE (See Fig. 14)
WARNING: Snow throwers have ex -
posed rotating parts, which can cause
severe injury from contact, or from ma-
terial thrown from the discharge chute.
Keep the area of operation clear of all
persons, small children and pets at all
times including startup.
WARNING: If the discharge chute or
au ger become clogged, shut-off en gine
and wait for all moving parts to stop. Use
the clean-out tool, NOT YOUR HANDS,
to un clog the chute and/or auger.
The DIRECTION in which snow is to be thrown is controlled
by the discharge chute control lever.
• To change the discharge chute position, press down -
ward on discharge chute control lever and move lever
left or right until chute is in desired position. Be sure
lever springs back and locks into desired position.
The DISTANCE that snow is thrown is controlled by the posi-
tion of the chute deflector. Set the deflector low to throw snow
a short distance; set the deflector higher to throw snow farther.
• Press downward on chute deflector control lever and
move lever forward to raise the deflector and increase
the distance. Move lever back to lower the deflector
and decrease the distance. Be sure lever springs back
and locks into desired position.
FIG. 14
DISCHARGE CHUTE
CONTROL LEVER
CHUTE DEFLECTOR
REMOTE CONTROL LEVER

11
TO MOVE FORWARD AND BACKWARD (See Fig. 17)
SELF-PROPELLING, forward and reverse movement of
the snow thrower, is controlled by the traction drive control
lever located on the left side handle.
• Squeeze traction drive control lever to handle to en gage
the drive system.
• Release traction drive control lever to stop the forward
or reverse movement of the snow thrower.
SPEED and DIRECTION are controlled by the drive speed
control lever.
• Press downward on the speed control lever and move
lever to de sired po si tion BE FORE engaging the trac -
tion drive control lever. Be sure lever springs back and
locks into desired position.
CAUTION: Do not move speed con trol le ver
when traction drive control lever is en gaged.
Damage to the snow thrower can result.
• Slower speeds are for heavier snow and faster speeds
are for light snow and transporting the snow thrower. It
is recommended that you use a slower speed until you
are familiar with the operation of the snow thrower.
NOTE: When both traction drive and auger control levers
are engaged, the traction drive control lever will lock the
auger control lever in the engaged position. This will allow
you to release your right hand from the handle and adjust
the discharge chute direction without interrupting the snow
throwing process.
OPERATION
TO THROW SNOW (See Fig. 15)
The auger rotation is controlled by the auger control lever
located on the right side handle.
• Squeeze auger control lever to handle to engage the
auger and throw snow.
• Release the auger control lever to stop throwing snow.
USING THE CLEAN-OUT TOOL (See Fig. 16)
In certain snow conditions, the discharge chute may be-
come clogged with ice and snow. Use the clean-out tool
to dislodge this blockage.
When cleaning, repairing, or in spect ing, make
certain all controls are disengaged and the au-
ger/impeller and all moving parts have stopped.
Disconnect the spark plug wire and keep the
wire away from the spark plug to prevent ac-
cidental starting.
• Release the auger control lever and shut off the engine.
• Remove the clean-out tool from it's mounting clip. Grasp
the tool firmly by the handle and push and twist the tool
into the discharge chute to dislodge the blockage.
After the packed snow has been dislodged, return the clean-
out tool to it's mounting clip by pushing it into the clip.
• Make sure the discharge chute is pointed in a safe direc-
tion (no vehicles, buildings, people, or other objects are
in the direction of discharge) before restarting engine.
DRIVE SPEED
CONTROL LEVER
TRACTION DRIVE
CONTROL LEVER
FIG. 17
AUGER
CONTROL
LEVER
FIG. 15
• Restart the engine, then squeeze the auger control
lever to the handle to clear snow from the auger hous-
ing and the discharge chute.
CLEAN-OUT
TOOL
FIG. 16
MOUNTING
CLIP
DISCHARGE CHUTE
POWER STEERING OPERATION (See Fig. 18)
Steering triggers are used to assist in steering your
snow thrower. The triggers are located on the underside
of each handle. When a trigger is squeezed, it disen-
gages the drive wheel on that side of snow thrower and
allows it to turn in that direction.
• To turn left – squeeze left side trigger.
• To turn right – squeeze right side trigger.

12
TO ADJUST SKID PLATES (See Fig. 19)
NOTE: The wrench provided in your parts bag may be
used to adjust the skid plates.
Skid plates are located on each side of the auger housing
and adjust the clearance between the scraper bar and the
ground surface. Adjust skid plates evenly to proper height
for current surface conditions. For removal of snow in
normal con di tions, such as a paved driveway or side walk,
place skid plates in the highest position (lowest scraper
clear ance) to give a 1/8" clearance between the scraper
bar and the ground. Use a middle position if the surface
to be cleared is uneven.
NOTE: It is not recommended to operate the snow thrower
over gravel or rocky surfaces. Objects such as gravel, rocks
or other debris, can easily be picked up and thrown by the
impeller, which can cause serious personal injury, property
dam age or damage to the snow thrower.
• If snow thrower must be operated over gravel surface,
use extra caution and be sure skid plates are adjusted
to lowest (highest scraper clear ance) position.
1. Shut off engine and wait for all moving parts to stop.
2. Adjust skid plates by loosening the hex nuts, then mov-
ing skid plate to desired position. Be sure both plates
are adjusted evenly. Tighten securely.
WARNING: Wipe off any spilled oil or
fuel. Do not store, spill or use gasoline
near an open flame.
CAUTION: Alcohol blended fuels (called gas o -
hol or using ethanol or methanol) can attract
moisture which leads to separation and for ma -
tion of acids dur ing storage. Acidic gas can
damage the fuel system of an engine while in
storage. To avoid engine problems, the fuel
system should be emptied be fore stor age of
30 days or longer. Empty the gas tank, start
the engine and let it run until the fuel lines
and carburetor are empty. Use fresh fuel next
season. See Storage In struc tions for ad di tion al
information. Never use engine or car bu re tor
cleaner products in the fuel tank or per ma nent
damage may occur.
SCRAPER BAR (See Fig. 19)
The scraper bar is not adjustable, but is reversible. After
con sid er able use it may become worn. When it has worn
almost to the edge of the housing, it can be reversed,
providing additional service before requiring replacement.
Replace a dam aged or worn scrap er bar.
ENGINE OIL
FILL CAP /
DIPSTICK
FUEL SHUT-
OFF VALVE
PRIM ER
SAFETY
IG NI TION
KEY
THROT TLECHOKE CONTROL
STARTER BUTTON
RECOIL
STARTER
HANDLE
GAS O LINE
FILLER CAP
NOTE: ALL ITEMS ARE SHOWN IN THEIR TYPICAL LOCATION.
ACTUAL LOCATION MAY VARY WITH ENGINE ON YOUR UNIT.
POWER CORD PLUG
FIG. 20
SKID PLATE
LOW POSITION (HIGH GROUND CLEAR ANCE)
HEX
NUTS
HIGH POSITION
(LOW GROUND
CLEARANCE)
AUGER
HOUSING
FIG. 19
SCRAPER BAR
OPERATION
LH TURN
TRIGGER
RH TURN
TRIGGER
FIG. 18
BEFORE STARTING THE ENGINE
CHECK ENGINE OIL LEVEL (See Fig. 20)
The engine on your snow thrower has been shipped, from
the factory, already filled with oil.
1. Check engine oil with snow thrower on level ground.
2. Remove oil fill cap/dipstick and wipe clean, reinsert
the dipstick and screw tight, wait for a few seconds,
remove and read oil level. If necessary, add oil until
“FULL” mark on dipstick is reached. Do not overfill.
• To change engine oil, see “TO CHANGE ENGINE OIL”
in the Main te nance sec tion of this manual.
ADD GASOLINE (See Fig. 20)
• Fill fuel tank to bottom of tank filler neck. Do not over-
fill. Use fresh, clean, regular unleaded gasoline with
a minimum of 87 octane. Do not mix oil with gasoline.
Purchase fuel in quan ti ties that can be used within 30
days to assure fuel freshness.

13
OPERATION
TO START ENGINE
• Be sure fuel shut-off valve is in the OPEN position.
Your snow thrower engine is equipped with both a 120 Volt
A.C. electric starter and a recoil starter. The electric starter
is equipped with a three-wire power cord and plug and is
designed to operate on 120 Volt A.C. household current.
• Be sure your house is a 120 Volt A.C. three-wire
ground ed system. If you are uncertain, consult a li -
censed electrician.
WARNING: Do not use the electric
start er if your house is not a 120 Volt
A.C. three-wire grounded system. Se ri -
ous per son al injury or damage to your
snow thrower could result.
COLD START - ELECTRIC STARTER
1. Insert safety ignition key (packed separately in parts
bag) into ignition slot until it clicks. DO NOT turn the key.
Keep the extra safety ignition key in a safe place.
2. Place throttle control in FAST position.
3. Rotate choke control to FULL position.
4. Connect the power cord to the engine.
5. Plug the other end of the power cord into a three-hole
grounded 120 Volt A.C. receptacle.
6. Push the primer three (3) times.
7. Push starter button until engine starts.
IMPORTANT: Do not crank engine more than five con tin u -
ous seconds between each time you try to start. Wait 5 to
10 seconds between each attempt.
8. When the engine starts, release the starter button and
slowly move the choke control to the “OFF” position.
9. Disconnect the power cord from the receptacle first,
then from the engine.
Allow the engine to warm up for a few minutes. Engine will
not develop full power until it has reached normal operat-
ing temperature.
WARM START - ELECTRIC STARTER
Follow the steps above, keeping the choke control in the
OFF position.
COLD START - RECOIL STARTER
1. Insert safety ignition key (packed separately in parts
bag) into ignition slot until it clicks. DO NOT turn the key.
Keep the extra safety ignition key in a safe place.
2. Place throttle control in FAST position.
3. Rotate choke control to FULL position.
4. Push the primer four (4) times if the temperature is
below 15°F/–10°C, or two (2) times if temperature is
between 15° and 50°F/–10°C and 10°C. If temperature
is above 50°F/10°C, priming is not nec es sary.
NOTE: Over priming may cause flooding, preventing the en-
gine from starting. If you do flood the engine, wait a few min-
utes be fore at tempt ing to start and DO NOT push the primer.
5. Pull recoil starter handle quickly. Do not allow starter
rope to snap back.
6. When the engine starts, release the recoil starter han dle
and slowly move the choke control to the OFF position.
Allow the engine to warm up for a few minutes. Engine will
not develop full power until it has reached normal operat-
ing temperature.
WARM START - RECOIL STARTER
Follow the steps above, keeping the choke in the OFF
position. DO NOT push the primer.
BEFORE STOPPING
Run the engine for a few minutes to help dry off any mois-
ture on the engine.
IF RECOIL STARTER HAS FROZEN
If the recoil starter has frozen and will not turn the engine,
proceed as follows:
1. Grasp the recoil starter handle and slowly pull as much
rope out of the starter as possible.
2. Release the recoil starter handle and let it snap back
against the starter.
If the engine still fails to start, repeat the above steps or
use the electric starter.
SNOW THROWING TIPS
• Always operate the snow thrower with the engine at
full throttle. Full throttle offers the best performance.
• Go slower in deep, freezing or heavy wet snow. Use the
drive speed control, NOT the throttle, to adjust speed.
• It is easier and more efficient to remove snow im me -
di ate ly after it falls.
• The best time to remove snow is the early morning. At
this time the snow is usually dry and has not been ex-
posed to the direct sun and warming tem per a tures.
• Slightly overlap each successive path to ensure all
snow will be removed.
• Throw snow downwind whenever possible.
• Ad just the skid plates to proper height for current snow
con di tions. See “TO ADJUST SKID PLATES” in this
section of this manual.
• For extremely heavy snow, re duce the width of snow
removal by over lap ping previous path and moving
slowly.
• Keep engine clean and clear of snow during use. This
will help air flow and extend engine life.
• After snow-throwing is completed, allow engine to run for
a few minutes to melt snow and ice off the engine.
• Clean the entire snow thrower thoroughly after each
use and wipe dry so it is ready for next use.
WARNING: Do not operate snow
thrower if weather conditions im pair vis-
ibility. Throwing snow dur ing a heavy,
windy snowstorm can blind you and be
hazardous to the safe operation of the
snow thrower.

14
MAINTENANCE
LUBRICATION CHARTGENERAL REC OM MEN DA TIONS
The warranty on this snow thrower does not cover items
that have been sub ject ed to operator abuse or negligence.
To receive full value from the warranty, operator must
maintain snow thrower as in struct ed in this manual. Some
ad just ments will need to be made periodically to properly
maintain your snow thrower.
At least once a season, check to see if you should make
any of the adjustments described in the Service and Ad-
just ments section of this manual.
• At least once a year, you should replace the spark plug
and check belts for wear. A new spark plug will help
your engine run better and last longer.
• Follow the maintenance schedule in this manual.
NOTE: Use only Original Equipment Manufacturer (OEM)
parts to service this unit. Failure to do so can cause the unit
to malfunction and pose a risk of injury to the operator.
BEFORE EACH USE
1. Check engine oil level.
2. Check for loose fasteners.
3. Check controls to be sure they are functioning properly.
LUBRICATION
Keep your snow thrower well lubricated
(See “LU BRI CA TION CHART”).
SNOW THROWER
Always observe the safety rules when performing any
main te nance.
TIRES
• Maintain proper air pressure in both tires (14–17 P.S.I.
/ 19-24.5 N-m).
• Keep tires free of gasoline and oil, which can harm
rubber.
NOTE: To seal tire punctures and prevent flat tires due
to slow leaks, tire sealant may be purchased from your
local parts dealer. Tire sealant also prevents tire dry rot
and cor ro sion.
➀ SAE 5W-30 Motor Oil
➁ See “ENGINE” in
Maintenance section
➂ General
Purpose
Grease
➁
Engine oil
➀ Pivot points

15
MAINTENANCE
BELTS
Check belts for deterioration and wear after every 50 hours
of operation and replace if necessary. The belts are not
ad just able. Replace belts if they begin to slip from wear.
(See “TO REMOVE BELT COVER” in the Service and
Adjustments section of this manual).
The belts on your snow thrower are of special con struc tion
and should be replaced by original equipment man u fac tur er
(OEM) belts avail able from your nearest dealer. Using other
than OEM belts can cause personal injury or damage to
the snow thrower.
AUGER GEAR CASE
• The gear case was filled with lubricant to the proper
level at the factory. The only time the lubricant needs
attention is if service has been performed on the gear
case.
• If lubricant is required, use only Ronex ED #1 grease.
TRACTION DRIVE SYSTEM
DO NOT lubricate the drive components inside the snow
thrower. The sprockets, hex shafts, drive disc and friction
wheel require no lubrication. The bearings and bushings
are lifetime lubricated and require no maintenance.
CAUTION: Any lubricating of the above com po -
nents can cause contamination of the friction
wheel and damage to the drive system of your
snow thrower.
ENGINE
See engine manual.
LUBRICATION
Use only high quality detergent oil rated with API service
classification SG–SL. Select the oil's SAE viscosity grade
according to your expected operating temperature.
TO CHANGE ENGINE OIL
Determine temperature range anticipated before next oil
change. All oil must meet API service classification SG–SL.
• Be sure snow thrower is on level surface.
• Oil will drain more freely when warm.
• Catch oil in a suitable container.
NOTE: The left side wheel may be removed from snow
thrower for easier access to the oil drain plug and place -
ment of a suitable container. The unit tilted, resting on the
frame with the left wheel removed, will help drain any oil
trapped inside the engine. (See “TO REMOVE WHEELS”
in the Service and Adjustments section of this manual).
1. Remove safety ignition key and disconnect spark plug
wire from spark plug and place wire where it cannot
come in contact with plug.
2. Clean area around drain plug.
3. Remove drain plug and drain oil in a suitable container.
4. Install drain plug and tighten securely.
5. Wipe off any spilled oil from snow thrower and engine.
6. Install left wheel (if removed for draining oil). Be sure to
install klick pin into proper hole in wheel axle (See “TO
REMOVE WHEELS” in the Service and Adjustments
section of this manual).
7. Remove oil fill cap/dipstick. Be careful not to allow dirt
to enter the engine.
8. Refill engine with oil through oil dipstick tube. Pour
slowly. Do not overfill. For approximate capacity see
“PRODUCT SPECIFICATIONS” section of this man u al.
9. Use gauge on oil fill cap/dipstick for checking level.
Be sure dipstick cap is tightened securely for accurate
reading. Keep oil at “FULL” line on dipstick.
10. Wipe off any spilled oil.
MUFFLER
Inspect and replace corroded muffler as it could cre ate a
fire haz ard and/or dam age.
SPARK PLUG
Replace spark plug at the beginning of each season or after
every 100 hours of operation, whichever occurs first. Spark
plug type and gap setting are shown in the “PROD UCT
SPEC I FI CA TIONS” section of this manual.
CLEANING
IMPORTANT: For best performance, keep snow thrower
housing free of any dirt or trash. Clean the outside of your
snow thrower after each use.
WARNING: Disconnect spark plug wire
from spark plug and place wire where it
can not come in contact with plug.
• Keep finished surfaces/wheels free of gasoline, oil, etc.
• We do not recommend using a garden hose to clean
your snow thrower unless the electrical system, muffler
and carburetor are covered to keep water out. Water
in engine can result in shortened engine life.
NOTE: Although multi-viscosity oils (5W30, 10W30 etc.)
improve starting in cold weather, these multi-viscosity oils
will result in increased oil consumption when used above
32°F. Check your engine oil level more frequently to avoid
possible engine damage from running low on oil.
Change the oil after every 25 hours of operation or at least
once a year if the snow thrower is not used for 25 hours
in one year.
Check the crankcase oil level before starting the engine and
after each five (5) hours of continuous use. Tighten oil fill
cap / dipstick securely each time you check the oil level.

16
SERVICE AND ADJUSTMENTS
WARNING: To avoid serious injury,
before performing any service or ad -
just ments:
1. Be sure throttle is in STOP position.
2. Remove safety ignition key.
3. Make sure the augers and all mov ing
parts have completely stopped.
4. Disconnect spark plug wire from
spark plug and place wire where it
can not come in contact with plug.
SNOW THROWER
TO ADJUST SNOW THROWER HEIGHT
See “TO ADJUST SKID PLATES” and “SCRAPER BAR”
in the Operation section of this manual.
CHUTE DEFLECTOR
The chute deflector, attached to the top of the discharge
chute, is provided to direct discharging snow away from
the operator. If the deflector becomes damaged, it should
be re placed.
WARNING: To avoid serious injury,
nev er operate your snow thrower with
the deflector removed or damaged.
• To change direction and/or distance snow is dis charged,
see “TO CONTROL SNOW DISCHARGE” in the Op -
er a tion section of this manual.
SHEAR BOLTS (See Fig. 21)
AUGER SHEAR BOLTS
Both right and left-hand augers are secured to the auger
shaft with a shoulder/shear bolt and hex nut. Should a for-
eign object or ice become lodged in the augers, the shear
bolts are designed to break, preventing damage to any
other com po nents. If one or both augers do not turn when
auger control lever is engaged, check to see if one or both
of the bolts have sheared. To replace the shear bolts:
1. Disengage all controls and move throttle control to
STOP position. Wait for all moving parts to stop.
2. Remove safety ignition key and disconnect spark plug
wire from spark plug. Place wire where it cannot come
in contact with plug.
3. Align hole in auger hub with hole in auger shaft and install
a new 1/4-20 x 2" shoulder/shear bolt and spacer. Install
1/4-20 lock nut and tighten securely.
CAUTION: Do not sub sti tute. Use only original
equip ment shear bolts as sup plied with your
snow thrower.
4. Connect spark plug wire to spark plug. Replace safety
ignition key
IMPELLER SHEAR BOLTS
The impeller is secured to the impeller shaft with two (2)
capscrew/shear bolts and hex nuts. Should a foreign object
or ice become lodged in the impeller, the capscrews are
de signed to break, preventing damage to any other com -
po nents. If impeller does not turn when auger control lever
is engaged, check to see if the capscrews have sheared.
To replace the capscrew/shear bolts:
1. Disengage all controls and move throttle control to
STOP position. Wait for all moving parts to stop.
2. Remove safety ignition key and disconnect spark plug
wire from spark plug. Place wire where it cannot come
in contact with plug.
3. Align holes in impeller hub with holes in impeller shaft
and install two (2) new 1/4-20 x 1-5/8" capscrew/shear
bolts. Install 1/4-20 locknuts and tighten securely.
CAUTION: Do not substitute. Use only original
equip ment capscrew/shear bolts as sup plied
with your snow thrower.
4. Connect spark plug wire to spark plug.
TO REMOVE BELT COVER (See Fig. 22)
1. Remove the two (2) screws securing belt cover to
frame.
2. Remove belt cover.
3. Replace belt cover by installing cover and screws and
tighten securely.
FRAME
BELT
COVER
SCREWS
FIG. 22
AUGER SHAFT
1/4-20 x 2
SHOULDER /
SHEAR BOLT
1/4-20
LOCK NUT
IMPELLER
SHAFT
1/4-20 x 1-5/8
CAPSCREW /
SHEAR BOLT
1/4-20
LOCKNUT
IMPELLER HUB
AUGER
HUB
AUGER HUB
FIG. 21
SPACER

17
SERVICE AND ADJUSTMENTS
8. RELIEVE TENSION ON TRACTION DRIVE BELT
IDLER and remove traction drive belt from around
pulleys.
HINT: Insert a 3/8" drive ratchet (in the “ON” position) into
the square hole in idler arm and rotate ratchet clockwise
to relieve tension.
9. With tension relieved on idler, install new traction drive
belt around pulleys and inside belt keepers.
10. Install clutch rod in swing plate; secure with hairpin.
11. Place auger belt around and inside the groove of auger
pulley only.
12. While your assistant slowly raises handles to rejoin
the auger hous ing and frame assembly, pull up on the
auger belt and squeeze sides together above pulley
so belt is fully seated in groove of pulley.
13. Move idler arm so it does not hit impeller pulley as you
bring snow thrower completely together and check
carefully for proper routing of belts. If auger belt has
become dislodged from the pulley (by catching the idler
arm bracket while bringing snow thrower together),
separate the snow thrower and re peat step 12. Belt
must be fully seated in pulley groove when bring ing
the snow thrower together.
14. Install the two (2) hex bolts and tighten securely.
15. INSTALL ENGINE PULLEY - Place belt in pulley groove
and slide pulley on crankshaft. Install flat washer,
lockwasher and bolt and tighten securely (41-47 N-m
torque). Make sure belt is inside belt keeper.
16. INSTALL BELT COVER and two (2) screws. Tighten
securely.
17. INSTALL DISCHARGE CHUTE – See “INSTALL DIS-
CHARGE CHUTE / CHUTE ROTATER HEAD” in the
As sem bly / Pre-Operation section of this manual.
TO REPLACE BELTS (See Fig. 23)
The auger and traction drive belts are not adjustable. If the
belts are damaged or begin to slip from wear, they should
be replaced. It is recommended that the belt(s) be replaced
by a Sears service centre/department.
NOTE: It is recommended that both the auger and traction
drive belt be replaced at the same time.
The V-belts on your snow thrower are of special con struc tion
and should be replaced by original equipment man u fac tur er
(OEM) belts avail able from your nearest Sears service
centre/department. Using other than OEM belts can cause
personal injury or damage to the snow thrower.
WARNING: Belt replacement requires
separation of the snow thrower. While
separating the auger housing from the
frame assembly, it is important that
an assistant stand in the operating
po si tion and hold the snow thrower
han dles. Serious personal injury and/
or damage to the unit could occur if the
snow thrower should fall during the belt
chang ing process.
1. REMOVE GASOLINE FROM FUEL TANK - Drain
gasoline from fuel tank into a suitable container, out-
doors, away from fire or flame. Wipe up any spilled
gasoline.
2. REMOVE DISCHARGE CHUTE - Loosen locknut
se cur ing chute rotator head to mounting bracket only
enough to allow chute rotator head to be raised and
dis charge chute to be removed from snow thrower.
3. REMOVE BELT COVER - See “TO REMOVE BELT
COVER” in this section of this manual.
4. REMOVE ENGINE PULLEY - Remove bolt, lock wash er
and flat washer securing pulley to engine crankshaft.
Remove outside (auger) pulley only from crank shaft.
5. SEPARATE SNOW THROWER - With your assistant
standing in the operating position holding the handles,
re move the two (2) bolts holding the auger housing and
frame together.
WARNING: As the last bolt is removed,
have your assistant carefully lower the
han dles down to the ground.
6. REMOVE HAIRPIN FROM CLUTCH ROD and remove
clutch rod from swing plate. Tip swing plate forward.
7. REMOVE AUGER BELT from around pulley.
FRAME
ASSEMBLY
AUGER
HOUS ING
HANDLES
FIG. 23
BELT KEEPER
IDLER ARM
SQUARE
HOLE
BOLTS
TRACTION DRIVE BELT
CLUTCHING
IDLER ARM
BRACKET
AUGER
BELT
FLAT WASHER
AUGER PULLEY AUGER
HOUSING
FRAME
ENGINE
PULLEY
LOCKWASHER
BOLT

18
STORAGE
Immediately prepare your snow thrower for storage at
the end of the season or if the unit will not be used for 30
days or more.
WARNING: Never store the snow
thrower with gaso line in the tank in side
a build ing where fumes may reach an
open flame, spark or pilot light as on a
fur nace, water heater, clothes dryer or
gas ap pli ance. Allow the engine to cool
be fore storing in any enclosure.
SNOW THROWER
When snow thrower is to be stored for a period of time,
clean it thor oughly, re move all dirt, grease, leaves, etc.
Store in a clean, dry area.
1. Clean entire snow thrower (See “CLEANING” in the
Main te nance section of this manual).
2. Inspect and replace belts, if necessary (See “TO RE-
PLACE BELTS” in the Service and Adjustments sec tion
of this manual).
3. Lubricate as shown in the Main te nance sec tion of this
man u al.
4. Be sure that all nuts, bolts, screws, and pins are securely
fas tened. Inspect moving parts for damage, breakage
and wear. Replace if nec es sary.
5. Touch up all rusted or chipped paint surfaces; sand
lightly before painting.
ENGINE
See engine manual.
FUEL SYS TEM
IMPORTANT: It is important to prevent gum deposits from
forming in essential fuel system parts such as carburetor,
fuel hose, or tank during storage. Also, alcohol blended
fuels (called gasohol or using ethanol or methanol) can
attract moisture which leads to separation and formation
of acids during storage. Acidic gas can damage the fuel
system of an engine while in storage.
• Empty the fuel tank by starting the engine and letting
it run until the fuel lines and car bu re tor are empty.
• Never use engine or carburetor cleaner prod ucts in
the fuel tank or permanent damage may occur.
• Use fresh fuel next season.
NOTE: Fuel stabilizer is an acceptable alternative in min-
i miz ing the formation of fuel gum deposits during stor age.
Add stabilizer to gasoline in fuel tank or storage container.
Always follow the mix ratio found on stabilizer container.
Run engine at least 10 min utes after adding stabilizer to
allow the stabilizer to reach the carburetor. Do not empty
the gas tank and carburetor if using fuel stabilizer.
ENGINE OIL
Drain oil (with engine warm) and replace with clean engine
oil. (See “ENGINE” in the Maintenance section of this
man ual).
CYLINDER
1. Remove spark plug.
2. Pour one ounce (29 ml) of oil through spark plug hole
into cylinder.
3. Pull recoil starter handle slowly a few times to dis trib ute
oil.
4. Replace with new spark plug.
OTHER
• Remove safety ignition key; store it in a safe place.
• Do not store gasoline from one season to another.
• Replace your gasoline can if your can starts to rust.
Rust and/or dirt in your gasoline will cause problems.
• If possible, store your snow thrower indoors and cover
it to protect it from dust and dirt.
• Cover your snow thrower with a suitable pro tec tive
cover that does not retain moisture. Do not use plastic.
Plastic cannot breathe, which allows con den sa tion to
form and will cause your snow thrower to rust.
IMPORTANT: Never cover snow thrower while engine/ex-
haust area is still warm.
ENGINE
See engine manual.
CARBURETOR
Your carburetor is not adjustable. Engine performance
should not be affected at altitudes up to 7,000 feet (2,134
meters). If your engine does not operate properly due to
suspected carburetor problems, take your snow thrower
to a qualified service center.
ENGINE SPEED
Never tamper with the engine governor, which is factory set
for proper engine speed. Overspeeding the engine above
the factory high speed setting can be dangerous and will
void the warranty. If you think the engine-governed high
speed needs adjusting, contact a qualified service center,
which has proper equipment and experience to make any
necessary ad just ments.
TO REMOVE WHEELS (See Fig. 24)
• Remove the klik pin and remove wheel from axle.
IMPORTANT: When installing wheel, be sure to use the
axle hole closest to the end of the shaft – do not use the
hole in the wheel hub (if equipped). Inner hole in axle and
hole in wheel hub are not used for your model snow thrower.
AXLE
KLIK PIN (INSTALL
IN OUTER HOLE
OF AXLE ONLY)
OUTER HOLE
WHEEL HUB
WHEEL
FIG. 24
NOTE: To seal punctures or prevent flat tires due to slow
leaks, tire sealant may be purchased from your local parts
dealer. Tire sealant also prevents tire dry rot and cor ro sion.

19
TROUBLESHOOTING
Does not start 1. Fuel shut-off valve (if so 1. Turn fuel shut-off valve to OPEN position.
equipped) in OFF position.
2. Safety ignition key 2. Insert safety ignition key.
is not inserted.
3. Out of fuel. 3. Fill fuel tank with fresh, clean gasoline.
4. Throttle in STOP position 4. Move throttle to FAST position
5. Choke in OFF position. 5. Move to FULL position.
6. Primer not depressed. 6. Prime as instructed in the Operation section of this manual.
7. Engine is flooded. 7. Wait a few minutes before restarting, DO NOT prime.
8. Spark plug wire is 8. Connect wire to spark plug.
disconnected.
9. Bad spark plug. 9. Replace spark plug.
10. Stale fuel. 10. Empty fuel tank & carburetor, refill with fresh, clean gasoline.
11. Water in fuel. 11. Empty fuel tank & carburetor, refill with fresh, clean gasoline.
Loss of power 1. Spark plug wire loose. 1. Reconnect spark plug wire.
2. Throwing too much snow. 2. Reduce speed and width of swath.
3. Fuel tank cap is covered 3. Remove ice and snow on and around fuel tank cap.
with ice or snow.
4. Dirty or clogged muffler. 4. Clean or replace muffler.
Engine idles or 1. Choke is in FULL position. 1. Move choke to OFF position.
runs roughly 2. Blockage in fuel line. 2. Clean fuel line.
3. Stale fuel. 3. Empty fuel tank & carburetor, refill with fresh, clean gasoline.
4. Water in fuel. 4. Empty fuel tank & carburetor, refill with fresh, clean gasoline.
5. Carburetor is in need of 5. Contact an authorized service centre/department.
adjustment or overhaul.
Excessive 1. Loose parts or damaged 1. Tighten all fasteners. Replace damaged parts. If vibration
vibration augers or impeller. remains, contact an authorized service centre/department.
Recoil starter 1. Frozen recoil starter. 1. See “IF RECOIL STARTER HAS FROZEN”
is hard to pull in the Operation section of this manual.
Loss of traction 1. Drive belt is worn. 1. Check / replace drive belt.
drive / slowing 2. Drive belt is off of pulley. 2. Check / reinstall drive belt.
of drive speed 3. Friction drive wheel is worn. 3. Contact an authorized service centre/department.
Loss of snow 1. Auger belt is off of pulley. 1. Check / reinstall auger belt.
discharge or 2. Auger belt is worn. 2. Check / replace auger belt.
slowing of 3. Clogged discharge chute. 3. Clean snow chute.
snow discharge 4. Augers / impeller jammed. 4. Remove debris or foreign object from augers / impeller.
PROBLEM CAUSE CORRECTION
See appropriate section in manual unless directed to an authorized service centre/department.

20
2 (EXPLODED)
2
10
9
1
11
11
3
12
12
4
13
14
15
17
8
7
11
5
6
11
16
18
35
19
21
22
23
24
25
23
22
21
20
36
26
27
28
30
29
31
31
32
33
34
01.07.004-B
REPAIR PARTS SNOW THROWER - - MODEL NUMBER PP10527ES (96192002000)
AUGER HOUSING / IMPELLER ASSEMBLY
NOTE: All component dimensions given in U.S. inches. 1 inch = 25.4 mm
IMPORTANT: Use only Original Equipment Manufacturer (O.E.M.) replacement parts.
Failure to do so could be hazardous, damage your snow thrower and void your warranty.
21
NOTE: All component dimensions given in U.S. inches. 1 inch = 25.4 mm
IMPORTANT: Use only Original Equipment Manufacturer (O.E.M.) replacement parts.
Failure to do so could be hazardous, damage your snow thrower and void your warranty.
KEY PART
NO. NO. DESCRIPTION
1 175321X479 IMPELLER
2 196710 GEARBOX ASSEMBLY
3 188909 BEARING
4 191079 IMPELLER PULLEY
5 175322 DISCHARGE BASE
6 178675X008 CORNER BRACKET
7 192199 CLEAN OUT TOOL
8 405400 TOOL CLIP
9 73800400 NUT 1/4−20
10 74780426 SCREW 1/4−20 X .625
11 155377 NUT 5/16−18
12 163183 SCREW 5/16−18 X .625
13 19111507 WASHER
14 10040500 LOCKWASHER 5/16
15 74940516 SCREW 5/16−18 X 1.00
16 180355 CARRIAGE BOLT
17 194189 SCREW 13−16 X .625
18 407760 PLUG
19 407761 GEARBOX COVER RH
20 407766 GASKET
21 407770 SEAL
22 407762 BEARING
23 174697 THRUST WASHER 1.00
24 407763 WORM GEAR
25 407764 AUGER SHAFT
26 189282 SQUARE KEY
27 407758 BEARING
28 174683 THRUST WASHER
29 407757 IMPELLER SHAFT
30 184205 ROLL PIN
31 174681 THRUST WASHER
32 174684 THRUST BEARING
33 407769 BEARING
34 407768 O−RING
35 407767 SCREW 5/16−18 X .750
36 407765 GEARBOX COVER LH
REPAIR PARTS SNOW THROWER - - MODEL NUMBER PP10527ES (96192002000)
AUGER HOUSING / IMPELLER ASSEMBLY

22
NOTE: All component dimensions given in U.S. inches. 1 inch = 25.4 mm
IMPORTANT: Use only Original Equipment Manufacturer (O.E.M.) replacement parts.
Failure to do so could be hazardous, damage your snow thrower and void your warranty.
KEY PART
NO. NO. DESCRIPTION
REPAIR PARTS SNOW THROWER - - MODEL NUMBER PP10527ES (96192002000)
AUGER HOUSING / IMPELLER ASSEMBLY
KEY PART
NO. NO. DESCRIPTION
1
2
3 (5x)
4 (5x)
01.07.002-A
1 404929X428 AUGER HOUSING 27
2 404932X479 SCRAPER BAR
3 72270505 CARRIAGE BOLT 5/16−18 X .625
4 155377 NUT 5/16−18
1
1
2
3
23
01.07.024-B
1 420478 AUGER BEARING
2 411939 BEARING PLUG
3 179582 SCREW 5/16−18 X 1.00

23
KEY PART
NO. NO. DESCRIPTION
1
2
3
4
4
3
01.11.001-A
KEY PART
NO. NO. DESCRIPTION
NOTE: All component dimensions given in U.S. inches. 1 inch = 25.4 mm
IMPORTANT: Use only Original Equipment Manufacturer (O.E.M.) replacement parts.
Failure to do so could be hazardous, damage your snow thrower and void your warranty.
1 174762X479 SKID PLATE LH
2 178777X479 SKID PLATE RH
3 72270506 CARRIAGE BOLT 5/16−18 X .75
4 751153 NUT 5/16−18
REPAIR PARTS SNOW THROWER - - MODEL NUMBER PP10527ES (96192002000)
AUGER HOUSING / IMPELLER ASSEMBLY
2
1
01.07.018-A
1 420495X421 AUGER 27 LH
2 420496X421 AUGER 27 RH

24
KEY PART
NO. NO. DESCRIPTION
NOTE: All component dimensions given in U.S. inches. 1 inch = 25.4 mm
IMPORTANT: Use only Original Equipment Manufacturer (O.E.M.) replacement parts.
Failure to do so could be hazardous, damage your snow thrower and void your warranty.
REPAIR PARTS SNOW THROWER - - MODEL NUMBER PP10527ES (96192002000)
CONTROL PANEL / CHUTE
1
2
46
6
*11
*12
*8
*9
*13 *10
3
5
7
14
15
01.09.002-B
1 404770X428 CHUTE WELDMENT
2 178633X428 DEFLECTOR WELDMENT
3 420673 DEFLECTOR CONTROL ASSEMBLY
4 420325 DEFLECTOR SEAL
5 414280 KNOB BLACK
6 128415 POP RIVET
7 17501010 SCREW 10−24 X .625
*8 179829 SHOULDER SCREW
*9 179246 PLASTIC WASHER
*10 191730 NUT 1/4−20
*11 72250505 CARRIAGE BOLT 5/16−18 X .50
*12 751153 NUT 5/16−18
*13 184505 DEFLECTOR SPRING
14 420679 (SERVICE PART) DEFLECTOR CONTROL HEAD
15 420672 (SERVICE PART) DEFLECTOR CONTROL CABLE
NOTE:
1. ALL ITEMS INDICATED WITH AN * ARE PROVIDED IN THE BAG OF
ITEMS SHIPPED LOOSE WITH PRODUCT.
2. ITEMS 14 AND 15 ARE SERVICE PART NUMBERS TO ALLOW PURCHASE
OF INDIVIDUAL ITEMS IF NECESSARY.

25
NOTE: All component dimensions given in U.S. inches. 1 inch = 25.4 mm
IMPORTANT: Use only Original Equipment Manufacturer (O.E.M.) replacement parts.
Failure to do so could be hazardous, damage your snow thrower and void your warranty.
KEY PART
NO. NO. DESCRIPTION
KEY PART
NO. NO. DESCRIPTION
1
2
2
*3 *6
*6
*4 *5
01.09.007-A
1
2
01.15.005-A
REPAIR PARTS SNOW THROWER - - MODEL NUMBER PP10527ES (96192002000)
CONTROL PANEL / CHUTE
1 188303 STEER CABLE
2 74041024 SCREW 10−24 X 1.50
1 420337 LEVER/CABLE ROTATOR ASSEMBLY
2 17501010 SCREW 10−24 X .625
*3 420678 ROTATOR HEAD
*4 420677 ROTATOR PIVOT BRACKET
*5 420675 PULLEY PIVOT
*6 420674 CABLE ASSEMBLY
NOTES:
1. ITEMS INDICATED WITH AN * ARE LISTED AS REFERENCE FOR SERVICE PARTS ONLY.

26
NOTE: All component dimensions given in U.S. inches. 1 inch = 25.4 mm
IMPORTANT: Use only Original Equipment Manufacturer (O.E.M.) replacement parts.
Failure to do so could be hazardous, damage your snow thrower and void your warranty.
KEY PART
NO. NO. DESCRIPTION
KEY PART
NO. NO. DESCRIPTION
1 419797X479 LOWER HANDLE
2 405784X479 PIVOT SUPPORT WELDMENT
3 17490508 SCREW 5/16−18 X .50
4 17000616 SCREW 3/8−16 X 1.00
REPAIR PARTS SNOW THROWER - - MODEL NUMBER PP10527ES (96192002000)
HANDLES
1
2
3
3
5
5
3
4
5
5
01.08.004-A
1 419798X479 LOOP HANDLE LH
2 419799X479 LOOP HANDLE RH
3 74780524 SCREW 5/16−18 X 1.50
4 74780528 SCREW 5/16−18 X 1.75
5 751153 NUT 5/16−18

27
NOTE: All component dimensions given in U.S. inches. 1 inch = 25.4 mm
IMPORTANT: Use only Original Equipment Manufacturer (O.E.M.) replacement parts.
Failure to do so could be hazardous, damage your snow thrower and void your warranty.
KEY PART
NO. NO. DESCRIPTION
1
4
5
6
7
7
8
10
11
14
14
12
13
13
12
2
3
9
9
8
01.08.002-D
1 412683X479 CONTROL PANEL
2 412681X479 CONTROL LEVER LH
3 412682X479 CONTROL LEVER RH
4 412679X008 TRACTION ROD ARM
5 420889X008 IMPELLER ROD ARM
6 412677 INTERLOCK ROD
7 412680 SPACER
8 169675 RETAINER
9 17060408 SCREW 1/4−20 X .50
10 414280 KNOB BLACK
11 414281 KNOB RED
12 178899 HANDLE KNOB
13 19131316 WASHER 3/8
14 72120618 CARRIAGE BOLT 3/8−16 X 2.25
REPAIR PARTS SNOW THROWER - - MODEL NUMBER PP10527ES (96192002000)
HANDLES

28
NOTE: All component dimensions given in U.S. inches. 1 inch = 25.4 mm
IMPORTANT: Use only Original Equipment Manufacturer (O.E.M.) replacement parts.
Failure to do so could be hazardous, damage your snow thrower and void your warranty.
KEY PART
NO. NO. DESCRIPTION
REPAIR PARTS SNOW THROWER - - MODEL NUMBER PP10527ES (96192002000)
HANDLES
1
2
3
4
5
6
5
7
8
9
10
01.12.001-A
1 180480 IMPELLER ROD ASSEMBLY
2 405740 TRACTION ROD ASSEMBLY
3 180445 SHIFTER ROD TOP
4 187716 SHIFTER ROD BOTTOM
5 180447 SPRING SLEEVE
6 178669 IMPELLER SPRING
7 180926 TRACTION SPRING
8 72270506 CARRIAGE BOLT 5/16−18 X .75
9 155377 NUT 5/16−18
10 169675 RETAINER

29
NOTE: All component dimensions given in U.S. inches. 1 inch = 25.4 mm
IMPORTANT: Use only Original Equipment Manufacturer (O.E.M.) replacement parts.
Failure to do so could be hazardous, damage your snow thrower and void your warranty.
KEY PART
NO. NO. DESCRIPTION
KEY PART
NO. NO. DESCRIPTION
REPAIR PARTS SNOW THROWER - - MODEL NUMBER PP10527ES (96192002000)
HANDLES
1
2
3
4
5
4
5
7
6
01.10.007-B
1 182906 CONSOLE PANEL
2 178668 HEADLIGHT BEZEL
3 180927 FLOOD HEADLIGHT
4 184471 SHOULDER SCREW 10−24 X .625
5 175262 SCREW 10−24 X 1.25
6 178770 WIRE HARNESS
7 183784 BULB
1
2
3
4
5
601.08.007-B
1 412675X004 INTERLOCK SPRING
2 414572 INTERLOCK CAM
3 178831 TORSION SPRING
4 169675 RETAINER
5 17060410 SCREW 1/4−20 X .625
6 421252 INTERLOCK STOP

30
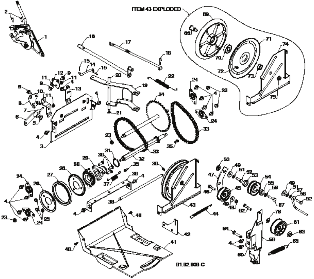
REPAIR PARTS SNOW THROWER - - MODEL NUMBER PP10527ES (96192002000)
DRIVE
NOTE: All component dimensions given in U.S. inches. 1 inch = 25.4 mm
IMPORTANT: Use only Original Equipment Manufacturer (O.E.M.) replacement parts.
Failure to do so could be hazardous, damage your snow thrower and void your warranty.
31
NOTE: All component dimensions given in U.S. inches. 1 inch = 25.4 mm
IMPORTANT: Use only Original Equipment Manufacturer (O.E.M.) replacement parts.
Failure to do so could be hazardous, damage your snow thrower and void your warranty.
KEY PART
NO. NO. DESCRIPTION KEY PART
NO. NO. DESCRIPTION
1 198474 SPEED SELECTOR ASSEMBLY
2 17501010 SCREW 10−24 X .625
3 402685X428 END PLATE
4 17490508 SCREW 5/16−18 X .50
5 57079 WASHER
6 405485 CONTROL ARM
7 198580 CLEVIS PIN
8 403097X004 SHIFTER PLATE
9 402881 SHOULDER BOLT
10 403096X004 SHIFTER BRACKET
11 191730 NUT 1/4−20
12 402856X004 CLUTCH PLATE
13 416717X004 CLUTCH BRACKET
14 187101 SHIFTER LINK
15 700279 RETAINER
16 406109 CONTROL SHAFT
17 402568 CLUTCH ROD
18 169675 RETAINER
19 401732 SHIFTER YOKE
20 402310 PIVOT ROD
21 402882 RETAINER
22 402878 RETURN SPRING
23 751153 NUT 5/16−18
24 408981 BEARING
25 73930500 NUT 5/16−18
26 198176X479 RUBBER WHEEL PLATE
27 179831 RUBBER RING
28 175344 BEARING
29 178613 WHEEL HUB
30 74760514 SCREW 5/16−18−.875
31 12000012 RETAINER RING
32 402187 HEX SHAFT
33 401619 CHAIN
34 417234 SPROCKET SHAFT
35 17490408 SCREW 1/4−20 X .50
36 401984X479 SHIFTER BRACKET
37 180135 SPRING
38 402652 PLATE PIVOT ROD
39 12000007 E−RING .375
40 184471 SHOULDER SCREW
41 410877 BOTTOM PAN
42 413429X479 SPRING BRACKET
43 420900 DRIVE PLATE ASSEMBLY
44 414557 IDLER SPRING
45 180522 IDLER PULLEY
46 74780520 SCREW 5/16−18 X 1.25
47 187786 IDLER ARM
48 73930500 NUT 5/16−18
49 59289 WASHER
50 175331 PIVOT BUSHING
51 10040500 LOCKWASHER 5/16
52 74610516 SCREW 5/16−18 X 1.00
53 409475 SPACER
54 180478 TRACTION PULLEY
55 400026 WASHER 3/8
56 850263 LOCKWASHER 3/8
57 11050500 LOCKWASHER
58 155452 BELT GUIDE
59 419925X007 IDLER ARM
60 175324X479 IDLER BRACKET
61 180523 IDLER PULLEY
62 74780524 SCREW 5/16−18 X 1.50
63 166785 NUT 5/16−18
64 175330 PIN IDLER PIVOT
65 178828 IDLER SPRING
66 85179 RETAINER
67 851084 SCREW 3/8−24 X 1.375
68 402504 PULLEY SHAFT
69 401820 DRIVE PLATE
70 198791 BEARING
71 402393 PULLEY HALF
72 17541008 SCREW 10−24 X .50
73 402511 SPACER BEARING
74 402394 SWING PLATE
75 132010 NUT 3/8−16
76 155415 WASHER 20 X 8.5 X 2.0
REPAIR PARTS SNOW THROWER - - MODEL NUMBER PP10527ES (96192002000)
DRIVE

32
KEY PART
NO. NO. DESCRIPTION
NOTE: All component dimensions given in U.S. inches. 1 inch = 25.4 mm
IMPORTANT: Use only Original Equipment Manufacturer (O.E.M.) replacement parts.
Failure to do so could be hazardous, damage your snow thrower and void your warranty.
REPAIR PARTS SNOW THROWER - - MODEL NUMBER PP10527ES (96192002000)
DRIVE
1a
1b
1b
2
4
3
3
4
6
7
7
8
5
601.03.002-A
1 404923 AXLE ASSEMBLY (assy of 1a,1b)
1a 404307 AXLE SHAFT
1b 9465M1 ROLL PIN 3/16 X 1.50
2 402691 SPROCKET
3 174697 THRUST WASHER
4 179830 BEARING
5 146315 SCREW 5/16−18 X .625
6 17490508 SCREW 5/16−18 X .500
7 155443 KLIK PIN 1/4 X 1.50
8 189282 SQUARE KEY

33
KEY PART
NO. NO. DESCRIPTION
NOTE: All component dimensions given in U.S. inches. 1 inch = 25.4 mm
IMPORTANT: Use only Original Equipment Manufacturer (O.E.M.) replacement parts.
Failure to do so could be hazardous, damage your snow thrower and void your warranty.
REPAIR PARTS SNOW THROWER - - MODEL NUMBER PP10527ES (96192002000)
CHASSIS / ENGINE / PULLEYS
1
2
3
4
4
3
01.00.008-A
- - - - - - - ENGINE, TEC
(MODEL LH358SA-159628A)
1 409346X428 FRAME
2 417014X428 ENGINE MOUNT PLATE
3 150406 BOLT 3/8−16
4 150078 SCREW 5/16−18 X .750

34
NOTE: All component dimensions given in U.S. inches. 1 inch = 25.4 mm
IMPORTANT: Use only Original Equipment Manufacturer (O.E.M.) replacement parts.
Failure to do so could be hazardous, damage your snow thrower and void your warranty.
KEY PART
NO. NO. DESCRIPTION
1
2
3
401.04.019-A
1 192213 BELT COVER
2 179157 IMPELLER PULLEY
3 419744 TRACTION BELT
4 408007 IMPELLER BELT
REPAIR PARTS SNOW THROWER - - MODEL NUMBER PP10527ES (96192002000)
CHASSIS / ENGINE / PULLEYS

35
NOTE: All component dimensions given in U.S. inches. 1 inch = 25.4 mm
IMPORTANT: Use only Original Equipment Manufacturer (O.E.M.) replacement parts.
Failure to do so could be hazardous, damage your snow thrower and void your warranty.
REPAIR PARTS SNOW THROWER - - MODEL NUMBER PP10527ES (96192002000)
WHEELS
KEY PART
NO. NO. DESCRIPTION
KEY PART
NO. NO. DESCRIPTION
1
2
01.06.005-A
1 192092X421 WHEEL 16 X 4.80 X LH
2 192093X421 WHEEL 16 X 4.80 X RH
2
1
3
01.15.003-A
1 410293 CABLE BRACKET LH
2 410294 CABLE BRACKET RH
3 17060410 SCREW 1/4−20 X .625

36
KEY PART
NO. NO. DESCRIPTION
NOTE: All component dimensions given in U.S. inches. 1 inch = 25.4 mm
IMPORTANT: Use only Original Equipment Manufacturer (O.E.M.) replacement parts.
Failure to do so could be hazardous, damage your snow thrower and void your warranty.
2
2
1
3456
7891011 12
13
14
13
14
12
11
10
98
7
65
431
2
2
23
17
19
20
16
18
24
22
21
23
22
15
18
17
16
20
19
21
01.15.001-A
1 405161 COVER
2 184471 SHOULDER SCREW
3 12000045 RETAINER RING
4 192126 WHEEL DRIVER
5 182466 RETAINER RING
6 187622 WHEEL LOBE
7 194941 CLUTCH SLIDE
8 179139 SPRING
9 189282 SQUARE KEY
10 194940 AXLE LOBE
11 174697 THRUST WASHER
12 193506X479 STEERING YOKE
13 179148X479 STEERING BRACKET
14 17490508 SCREW 5/16−18 X .50
15 194943X008 PIVOT BRACKET
16 194944X008 BELLCRANK
17 181847 BELLCRANK PIN
18 17600406 SCREW 1/4−20 X .375
19 405077 STEERING LINK
20 700279 RETAINER
21 85179 RETAINER
22 193885 SPRING
23 182015 LEVER PIN
24 194939X008 PIVOT BRACKET
REPAIR PARTS SNOW THROWER - - MODEL NUMBER PP10527ES (96192002000)
WHEELS

37
KEY PART
NO. NO. DESCRIPTION KEY PART
NO. NO. DESCRIPTION
KEY PART
NO. NO. DESCRIPTION
1
01.14.008-A
1 35062 SAFETY IGNITION KEY
REPAIR PARTS SNOW THROWER - - MODEL NUMBER PP10527ES (96192002000)
BAG OF PARTS
NOTE: All component dimensions given in U.S. inches. 1 inch = 25.4 mm
IMPORTANT: Use only Original Equipment Manufacturer (O.E.M.) replacement parts.
Failure to do so could be hazardous, damage your snow thrower and void your warranty.
1
2
3
4
567
89
10 11
14
12
13
01.14.003-A
1 198563 POWER CORD
2 169675 RETAINER PIN
3 180684 WRENCH
4 184505 REMOTE SPRING
5 179829 SHOULDER BOLT 1/4−20
6 179246 NYLON WASHER 1/4−20
7 191730 LOCKNUT 1/4−20
8 72250505 CARRIAGE BOLT 5/16−18 X 5/8
9 751153 LOCKNUT 5/16−18
10 73800600 LOCKNUT 3/8−16
11 19131316 WASHER 3/8
12 198636 SHEAR BOLT 1/4−20 X 1−3/4
13 198638 SPACER
14 73800400 LOCKNUT 1/4−20

38
KEY PART
NO. NO. DESCRIPTION
NOTE: All component dimensions given in U.S. inches. 1 inch = 25.4 mm
IMPORTANT: Use only Original Equipment Manufacturer (O.E.M.) replacement parts.
Failure to do so could be hazardous, damage your snow thrower and void your warranty.
REPAIR PARTS SNOW THROWER - - MODEL NUMBER PP10527ES (96192002000)
DECALS
1 181037 DECAL, DANGER
2 406940 DECAL, POULAN PRO
3 181035 DECAL, DANGER, DEFLECTOR
4 181042 DECAL, DANGER
5 406941 DECAL, POULAN PRO
6 181033 DECAL, INSTRUCTION
9 415475 DECAL, SPEED CONTROL
10 183730 DECAL, REMOTE DEFLECTOR CONTROL
11 415399 DECAL, LH TRIGGER
12 415398 DECAL, RH TRIGGER
- - 420923 OWNER’S MANUAL, ENGLISH
- - 420924 OWNER’S MANUAL, FRENCH
5
3
4
2
11 10
6
9
12
1
1

39
SERVICE NOTES

LIMITED WARRANTY
The Manufacturer warrants to the original consumer purchaser that this product as manufactured is free from defects
in materials and work man ship. For a period of two (2) years from date of purchase by the original consumer pur-
chaser, we will repair or replace, at our option, without charge for parts or labor incurred in replacing parts, any part
which we find to be defective due to materials or workmanship. This Warranty is subject to the following limitations
and exclusions.
1. This warranty does not apply to the engine or components parts thereof. Please refer to the applicable manu-
facturer's warranty on these items.
2. Transportation charges for the movement of any power equipment unit or attachment are the responsibility of the
pur chaser. Transportation charges for any parts submitted for replacement under this warranty must be paid by
the purchaser unless such return is requested by the manufacturer.
3. The Warranty period for any products used for rental or commercial purposes is limited to 90 days from the date
of original purchase.
4. This Warranty applies only to products which have been properly assembled, adjusted, operated, and maintained
in ac cor dance with the instructions furnished. This Warranty does not apply to any product which has been sub-
jected to alteration, misuse, abuse, improper assembly or installation, delivery damage, or to normal wear of the
product.
5. Exclusions: Excluded from this Warranty are belts, shear pins, normal wear, normal adjustments, stan dard hard-
ware and normal maintenance.
6. In the event you have a claim under this Warranty, you must return the product to an authorized service dealer.
Should you have any unanswered questions concerning this Warranty, please contact:
giving the complete mfg. ID#, serial number and date of purchase of your product and the name and address of the
authorized dealer from whom it was purchased.
THIS WARRANTY DOES NOT APPLY TO INCIDENTAL OR CONSEQUENTIAL DAMAGES AND ANY IMPLIED
WAR RAN TIES ARE LIMITED TO THE SAME TIME PERIODS STATED HEREIN FOR OUR EXPRESSED WAR-
RANTIES. Some areas do not allow the limitation of consequential damages or limitations of how long an implied
Warranty may last, so the above limitations or exclusions may not apply to you. This Warranty gives you specific
legal rights, and you may have other rights which vary from locale to locale.
This is a limited Warranty within the meaning of that term as defined in the Magnuson-Moss Act of 1975.
In Canada contact:
Poulan Pro, Customer Service Department
5855 Terry Fox Way
Mississauga, Ontario
L5V 3E4
Poulan Pro
Customer Service Department
1030 Stevens Creek Road
Augusta, GA 30907 USA