Powermate Pm0676800 Parts List 0065349.qxp
2015-07-28
: Powermate Powermate-Pm0676800-Parts-List-781095 powermate-pm0676800-parts-list-781095 powermate pdf
Open the PDF directly: View PDF
.
Page Count: 4

11
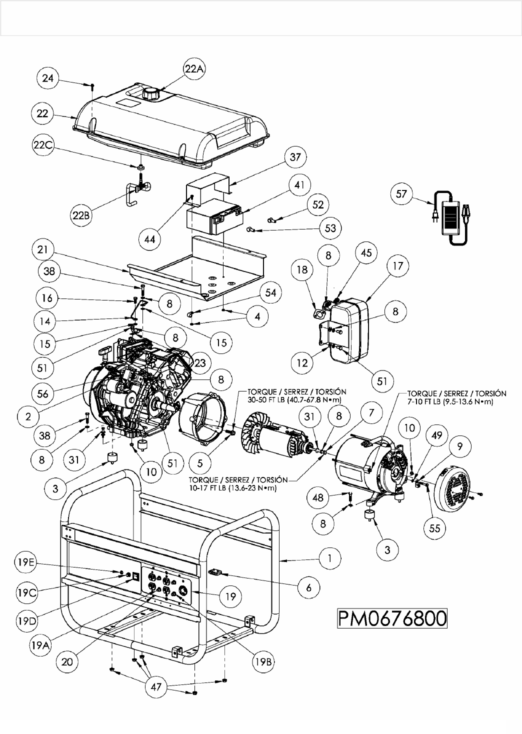
PARTS DRAWING / SCHEMA DES PIÈCES / DIAGRAMA DE PIEZAS

12
REF.PARTDESCRIPTION DESCRIPTION DESCRIPCIÓNQTY
NO.NO.
10065327Carrier, assemblyEnsemble transportTransportador, conjunto1
2Note AEngine 12 hp Yamaha OHVMoteurMotor1
30051094IsolatorSectionneurAislador4
40051930Nut hex #10-32 KepsÉcrous #10-32Tuerca #10-322
50057512Bolt whz 3/8-16 x 1 1/4BoulonPerno4
60062797Connector, panelConnecteur, tableauConector, panel 1
70046540.03 Bolt, hex 5/16-24 x 9.00BoulonPerno1
8Note BWasher, lock 5/16Contre-écrou 5/16Arandela, de cierre 5/1611
90008854Lug, groundOeillet de mise à la terreTerminal, tierra1
100040832Nut, nyloc 1/4-20Écrous nyloc 1/4-20 Tuerca, nyloc 1/4-20 4
11Note BBolt, 1/4-20 x 1 1/2BoulonPerno2
12Note BWasher, flat 5/16Rondelle plates 5/16Arandela, plana 5/166
130048736Nut, nyloc 5/16-18Écrous nyloc 5/16-18Tuerca, nyloc 5/16-184
140049224Assembly, ground wireEnsemble fil de masse tressé a tierraConjunto, cable trenzado 1
15Note BWasher, star external 5/16Rondelle à dents externa 5/16Arandela, estrella 2
16Note BBolt, hex 5/16-18 x 3/4Boulon, tête hex 5/16-18 x 3/4Perno1
17
0065185MufflerSilencieuxSilenciador1
180061129GasketJointEmpaquetadura1
19
0065329Panel, wiredTableau complet câbléPanel, cabeado completo1
19A0049071Circuit Breaker 20 ampDisjoncteurs 20 ampCortacircuitos 20 amp2
19B0049382Circuit Breaker 30 ampDisjoncteurs 35 ampCortacircuitos 35 amp2
19C0063672Start buttonBouton de débutBotón de comienzo1
19D0063673Switch, RockerInterrupteurInterruptor1
19E0064072Oil warning lightHuiler l'Avertissement AllumeLa luz de la advertencia para el aceite1
200062020Screw #6-19 x .50 TorxVisTornillo4
210064212
Shield, heatÉcran de chaleurPantalla para el calor1
22Note CFuel tank assemblyEnsemble complet du réservoirConjunto tanque1
22A0056231Fuel CapCapuchonTapa de combustible1
22B0061756Fuel shut off with filterRobinet de carburantVálvula combustible con filtro1
22C0062673Fuel BushingBague d’essenceBuje de combustible1
230052931J clampCollierPinza vinílica1
240058618Screw #10 x 1Vis Tornillo4
250064308HandlePoignéeManija2
26Note BBolt, 5/16-18 x 2 1/4BoulonPerno2
27Note BWasher, flat 3/8Rondelle plates 3/8Arandela, plana 3/86
280057704WheelRoueRueda2
290055894Rubber FootPiedPie2
300062174LanyardLanyardAcollador2
310058933Washer, flat 1/4 WRondelle plates 1/4 largeArandela, plana 1/4 lejos3
32Note BBolt, 3/8-16 x 4.25BoulonPerno2
330057578Nut, nyloc 3/8-16Écrous nyloc 3/8-16Tuerca, nyloc 3/8-166
340062502Pin, releaseEpingle de relâchementAlfileres de la liberación2
350058955Cap, plasticCapuchonTapa2
36Note BWasher, flat 1/4Rondelle plates 1/4Arandela, plana 1/42
370064222Bracket, battery hold-downSupport, BotteSoporte, batería1
38Note BBolt, 5/16-18 x 1 1/2BoulonPerno2
390062433Wheel spacerBague d’espacement Espaciador de la rueda2
400062495Grip, handlePoignéeEmpuñadura2
410063574Battery 12V 18AHBatterieBatería1
42Note BBolt, 5/16-18 x 1BoulonPerno2
430063546Bracket, footSupport de piedSoporte del pie1
440047864Screw #10-32 x .50VisTornillo2
45Note BBolt, M8 x 22mmBoulonPerno2
460063164Spacer, handle bracketEntretoiseEspaciador2
470057254Nut, hex flg 5/16-18Écrous 5/16-18Tuerca 5/16-185
48Note BBolt, 5/16-18 x 1 1/4BoulonPerno2
49Note BWasher, star external 1/4Rondelle à dents externa 1/4Arandela, estrella 1
500049352Washer, flat 5/16 WRondelle plates 5/16 largeArandela, plana 5/16 lejos4
510049268Bolt M8 x 16mmBoulon M8 x 16mmPerno M8 x 16mm4
520064221Boot, blackBotte, noirBota, negro1
530064220Boot, redBotte, rougeBota, rojo1
540047706Clamp, nylon 1/2CollierAbrazadera1
55Note BBolt, 1/4-20 x 1 1/4BoulonPerno1
560065343Module, low oilModule, bas niveau d'huileMódulo, nivel bajo de aceite1
570064217Charger 12VChargeur 12VCargador 12V1
PARTS LIST / LISTE DES PIÈCES / LISTA DE PIEZAS

13
RefPartDescription Description DescripciónQty
No.No.
600064546Generator head, SumecTête de la génératrice, SumecCabezal del generador, Sumec1
60A0063300Adapter, engineAdaptateur pour moteurAdaptor, motor1
60B0064834RotorRotorRotor1
60C0064835StatorStatorEstator1
60D0064836Band, stator coverBandeBanda1
60E0064837Bolt, M6 x 200BoulonPerno4
60F0063229Support, bearingSupport, roulementSoporte, Cojinete1
60G0063230Brush moduleBrosser le moduleCepille módulo1
60H0063231Screw flg M5 x 16mmVisTornillo8
60I0063948AVR moduleLa tension automatique régulatriceEl regulador automático del voltaje1
60J0064838Bolt, M5 x 235BoulonPerno2
60K0063235Nut, nyloc M5 Écrous nyloc Tuerca nyloc2
60L0063236Terminal blockBloc délimitantBloque terminal1
60M0063237Washer M5RondelleArandela8
60N0063238Washer, lock M5Contre-écrouArandela, de cierre10
60O0063239Nut M5ÉcrousTuerca8
60P0063240Cover, endCouvercleTapa1
60Q0063241Screw flg M5 x 8mmVisTornillo2
60R0063225FanVentilateurVentilador1
60S0063364Screw M5 x 20mmVisTornillo4
60T0063365BearingRoulementCojinete1
60U0063932Stator harnessHarnais de statorArreos de estator1
PARTS LIST / LISTE DES PIÈCES / LISTA DE PIEZAS

PARTS LIST / LISTE DES PIÈCES / LISTA DE PIEZAS
This insert replaces the generator head parts list in your manual insert, serial number ending in B3.
Cette insertion remplace les liste des pièces de tête de génératrice dans votre insertion manuel
par celles-ci.
Esta adición reemplaza las lista de piezas de cabezal del generador en su adición manual.
06/07 0065812
© 2007 Powermate Corporation. All rights reserved. Tous droits réservés. Reservados todos los derechos.
Ref Part Description Description Descripción Qty
No. No.
60 0063262 Generator head, Sumec Tête de la génératrice, Sumec Cabezal del generador, Sumec 1
60A 0063300 Adapter, engine Adaptateur pour moteur Adaptor, motor 1
60B 0063301 Rotor Rotor Rotor 1
60C 0063302 Stator Stator Estator 1
60D 0063303 Band, stator cover Bande Banda 1
60E 0063304 Bolt, M6 x 180 Boulon Perno 4
60F 0063229 Support, bearing Support, roulement Soporte, Cojinete 1
60G 0063230 Brush module Brosser le module Cepille módulo 1
60H 0063231 Screw flg M5 x 16mm Vis Tornillo 8
60I 0063291 AVR module La tension automatique régulatrice El regulador automático del voltaje 1
60J 0063233 Bolt, M5 x 220 Boulon Perno 2
60K 0063235 Nut, nyloc M5 Écrous nyloc Tuerca nyloc 2
60L 0063236 Terminal block Bloc délimitant Bloque terminal 1
60M 0063237 Washer M5 Rondelle Arandela 8
60N 0063238 Washer, lock M5 Contre-écrou Arandela, de cierre 10
60O 0063239 Nut M5 Écrous Tuerca 8
60P 0063240 Cover, end Couvercle Tapa 1
60Q 0063241 Screw flg M5 x 8mm Vis Tornillo 2
60R 0063225 Fan Ventilateur Ventilador 1
60S 0063364 Screw M5 x 20mm Vis Tornillo 4
60T 0063365 Bearing Roulement Cojinete 1