Powermatic Wp2412 Users Manual M 0460285 Planer Rev B
WP2412 to the manual 57df84d8-462b-468f-9ff9-626d53635f1d
2015-02-04
: Powermatic Powermatic-Wp2412-Users-Manual-387498 powermatic-wp2412-users-manual-387498 powermatic pdf
Open the PDF directly: View PDF
.
Page Count: 36

Operating Instructions and Parts Manual
24-inch Wood Planer
Model WP2412
WMH TOOL GROUP
2420 Vantage Drive
Elgin, Illinois 60123 Part No. M-0460285
Ph.: 800-274-6848 Revision B 6/04
www.wmhtoolgroup.com Copyright © WMH Tool Group
This Manual is Bookmarked

2
This manual has been prepared for the owner and operators of a Powermatic Model WP2412 Planer. Its
purpose, aside from machine operation, is to promote safety using accepted operating and maintenance
procedures. To obtain maximum life and efficiency from your planer and to aid in using it safely, please
read this manual thoroughly and follow the instructions carefully.
Warranty and Service
WMH Tool Group warrants every product it sells. If one of our tools needs service or repair, one of our
Authorized Repair Stations located throughout the United States can provide quick service or information.
In most cases, a WMH Tool Group Repair Station can assist in authorizing repair work, obtaining parts, or
perform routine or major maintenance repair on your Powermatic product.
For the name of an Authorized Repair Station in your area, please call 1-800-274-6848, or visit our web
site at www.wmhtoolgroup.com
More Information
Remember, WMH Tool Group is consistently adding new products to the line. For complete, up-to-date
product information, check with your local WMH Tool Group distributor, or visit our web site at
www.wmhtoolgroup.com
WMH Tool Group Warranty
WMH Tool Group makes every effort to assure that its products meet high quality and durability standards
and warrants to the original retail consumer/purchaser of our products that each product be free from
defects in materials and workmanship as follows: 1 YEAR LIMITED WARRANTY ON ALL PRODUCTS
UNLESS SPECIFIED OTHERWISE. This Warranty does not apply to defects due directly or indirectly to
misuse, abuse, negligence or accidents, normal wear-and-tear, repair or alterations outside our facilities,
or to a lack of maintenance.
WMH TOOL GROUP LIMITS ALL IMPLIED WARRANTIES TO THE PERIOD SPECIFIED ABOVE,
BEGINNING FROM THE DATE THE PRODUCT WAS PURCHASED AT RETAIL. EXCEPT AS STATED
HEREIN, ANY IMPLIED WARRANTIES OR MERCHANTABILITY AND FITNESS ARE EXCLUDED.
SOME STATES DO NOT ALLOW LIMITATIONS ON HOW LONG THE IMPLIED WARRANTY LASTS,
SO THE ABOVE LIMITATION MAY NOT APPLY TO YOU. IN NO EVENT SHALL WMH TOOL GROUP
BE LIABLE FOR DEATH, INJURIES TO PERSONS OR PROPERTY, OR FOR INCIDENTAL,
CONTINGENT, SPECIAL, OR CONSEQUENTIAL DAMAGES ARISING FROM THE USE OF OUR
PRODUCTS. SOME STATES DO NOT ALLOW THE EXCLUSION OR LIMITATION OF INCIDENTAL
OR CONSEQUENTIAL DAMAGES, SO THE ABOVE LIMITATION OR EXCLUSION MAY NOT APPLY
TO YOU.
To take advantage of this warranty, the product or part must be returned for examination, postage
prepaid, to an Authorized Repair Station designated by our office. Proof of purchase date and an
explanation of the complaint must accompany the merchandise. If our inspection discloses a defect, we
will either repair or replace the product at our discretion, or refund the purchase price if we cannot readily
and quickly provide a repair or replacement. We will return the repaired product or replacement at WMH
Tool Group’s expense, but if it is determined there is no defect, or that the defect resulted from causes
not within the scope of WMH Tool Group’s warranty, then the user must bear the cost of storing and
returning the product. This warranty gives you specific legal rights; you may also have other rights, which
vary from state to state.
WMH Tool Group sells through distributors only. Members of the WMH Tool Group reserve the right to
effect at any time, without prior notice, alterations to parts, fittings and accessory equipment, which they
may deem necessary for any reason whatsoever.
3
Table of Contents
Warranty and Service ..............................................................................................................................2
Warning...................................................................................................................................................4
Introduction..............................................................................................................................................6
Description ..............................................................................................................................................6
Specifications ..........................................................................................................................................6
WP2412 Planer Dimensions ....................................................................................................................7
Unpacking ...............................................................................................................................................8
Contents of the Shipping Container ......................................................................................................8
Installation ...............................................................................................................................................9
Electrical Connections..........................................................................................................................9
Dust Collection...................................................................................................................................10
Adjustments...........................................................................................................................................10
Controls .............................................................................................................................................10
Calibrating Digital Display...................................................................................................................11
Changing Fuses.................................................................................................................................12
Changing Knives................................................................................................................................12
Belt Tension & Replacement ..............................................................................................................13
Drive Chain Replacement...................................................................................................................13
Feed Rollers.......................................................................................................................................14
Table Rollers......................................................................................................................................14
Maintenance..........................................................................................................................................14
Troubleshooting: Operating Problems....................................................................................................15
Troubleshooting: Mechanical & Electrical Problems ...............................................................................16
Replacement Parts ................................................................................................................................18
Parts List: Drawing No. 1....................................................................................................................19
Drawing No. 1 ....................................................................................................................................21
Parts List: Drawing No. 2....................................................................................................................22
Drawing No. 2 ....................................................................................................................................23
Parts List: Drawing No. 3....................................................................................................................24
Drawing No. 3 ....................................................................................................................................25
Parts List: Drawing No. 4....................................................................................................................26
Drawing No. 4 ....................................................................................................................................27
Parts List: Drawing No. 5....................................................................................................................28
Drawing No. 5 ....................................................................................................................................29
Parts List: Electrical Box.....................................................................................................................30
Electrical Box .....................................................................................................................................31
Parts List: Control Panel.....................................................................................................................32
Electrical Connections – 230 Volt...........................................................................................................33
Electrical Connections – 230 Volt...........................................................................................................34

4
Warning
1. Read and understand the entire owners manual before attempting assembly or operation.
2. Read and understand the warnings posted on the machine and in this manual. Failure to comply with
all of these warnings may cause serious injury.
3. Replace the warning labels if they become obscured or removed.
4. This planer is designed and intended for use by properly trained and experienced personnel only. If
you are not familiar with the proper and safe operation of a planer, do not use until proper training and
knowledge have been obtained.
5. Do not use this planer for other than its intended use. If used for other purposes, WMH Tool Group
disclaims any real or implied warranty and holds itself harmless from any injury that may result from
that use.
6. Always wear approved safety glasses/face shields while using this planer. Everyday eyeglasses only
have impact resistant lenses; they are not safety glasses.
7. Before operating this planer, remove tie, rings, watches and other jewelry, and roll sleeves up past
the elbows. Remove all loose clothing and confine long hair. Non-slip footwear or anti-skid floor strips
are recommended. Do not wear gloves.
8. Wear ear protectors (plugs or muffs) during extended periods of operation.
9. Some dust created by power sanding, sawing, grinding, drilling and other construction activities
contain chemicals known to cause cancer, birth defects or other reproductive harm. Some examples
of these chemicals are:
• Lead from lead based paint.
• Crystalline silica from bricks, cement and other masonry products.
• Arsenic and chromium from chemically treated lumber.
Your risk of exposure varies, depending on how often you do this type of work. To reduce your
exposure to these chemicals, work in a well-ventilated area and work with approved safety
equipment, such as face or dust masks that are specifically designed to filter out microscopic
particles.
10. Do not operate this machine while tired or under the influence of drugs, alcohol or any medication.
11. Make certain the switch is in the OFF position before connecting the machine to the power supply.
12. Make certain the machine is properly grounded.
13. Make all machine adjustments or maintenance with the machine unplugged from the power source.
14. Remove adjusting tools and wrenches. Form a habit of checking to see that adjusting tools and
wrenches are removed from the machine before turning it on.
15. Keep safety guards in place at all times when the machine is in use. If removed for maintenance
purposes, use extreme caution and replace the guards immediately after maintenance is complete.
16. Check damaged parts. Before further use of the machine, a guard or other part that is damaged
should be carefully checked to determine that it will operate properly and perform its intended
function. Check for alignment of moving parts, binding of moving parts, breakage of parts, mounting
and any other conditions that may affect its operation. A guard or other part that is damaged should
be properly repaired or replaced.
17. Provide for adequate space surrounding work area and non-glare, overhead lighting.
18. Keep the floor around the machine clean and free of scrap material, oil and grease.
19. Keep visitors a safe distance from the work area. Keep children away.

5
blahblahblah
20. Make your workshop child proof with padlocks, master switches or by removing starter keys.
21. Give your work undivided attention. Looking around, carrying on a conversation and “horse-play” are
careless acts that can result in serious injury.
22. Maintain a balanced stance at all times so that you do not fall or lean against the knives or other
moving parts. Do not overreach or use excessive force to perform any machine operation.
23. Use the right tool at the correct speed and feed rate. Do not force a tool or attachment to do a job for
which it was not designed. The right tool will do the job better and safer.
24. Use recommended accessories; improper accessories may be hazardous.
25. Maintain tools with care. Keep knives sharp and clean for the best and safest performance. Follow
instructions for lubricating and changing accessories.
26. Turn off the machine before cleaning. Use a brush or compressed air to remove chips or debris — do
not use your hands.
27. Do not stand on the machine. Serious injury could occur if the machine tips over.
28. Never leave the machine running unattended. Turn the power off and do not leave the machine until it
comes to a complete stop.
29. Remove loose items and unnecessary work pieces from the area before starting the machine.
Familiarize yourself with the following safety notices used in this manual:
This means that if precautions are not heeded, it may result in minor injury and/or
possible machine damage.
This means that if precautions are not heeded, it may result in serious injury or possibly
even death.
- - SAVE THESE INSTRUCTIONS - -
6
Introduction
This manual is provided by WMH Tool Group covering the safe operation and maintenance procedures
for a Model WP2412 Powermatic Planer. This manual contains instructions on installation, safety
precautions, general operating procedures, maintenance instructions and parts breakdown. This machine
has been designed and constructed to provide years of trouble free operation if used in accordance with
instructions set forth in this manual. If there are any questions or comments, please contact either your
local supplier or WMH Tool Group. WMH Tool Group can also be reached at our web site:
www.wmhtoolgroup.com.
Description
This multi-featured 15 horsepower planer is built for the rugged, industrial environment. It features a quick
change TersaTM cutterhead with reversible knives, segmented infeed roller with sectional chip breaker,
and dual drive chains and sprockets. The cutterhead and infeed and outfeed rollers have double
bearings. The planer frame is built with heavy plate steel, and the cast iron table is supported by four
massive columns – this machine will not vibrate under load. Knife changes are quick with the self-seating
knives. The planer will accomodate rough to finish work, and multiple piece planing.
Specifications
Model Number............................................................................................................................. WP2412
Stock number .............................................................................................................................. 1791295
Main motor (TEFC).......................................................................................15HP, 3Ph, 230V, 60Hz, 60A
Table raising motor (TEFC)........................................................................................................... .0.75HP
Feed Motor (TEFC).............................................................................................................................1HP
Variable feed speed (ft/min.) ......................................................................................................... 16 to 72
Cutterhead speed (RPM) .......................................................................................................... 5200 RPM
Cutterhead diameter (in) .....................................................................................................................4.75
Knives TERSATM (in)................................................................................................................. four @ 25”
Max. chip removal single pass (in) .................................................................................................. 0.3125
Serrated infeed roller (in) .................................................................................................................... 2.75
Outfeed rollers (in)..............................................................................................................................2.75
Table dimensions (in)................................................................................................................24.8 x 45.6
Thickness capacity (in) ..........................................................................................................................12
Dust port (in)............................................................................................................................................6
Belts...................................................................................................................................... three V-belts
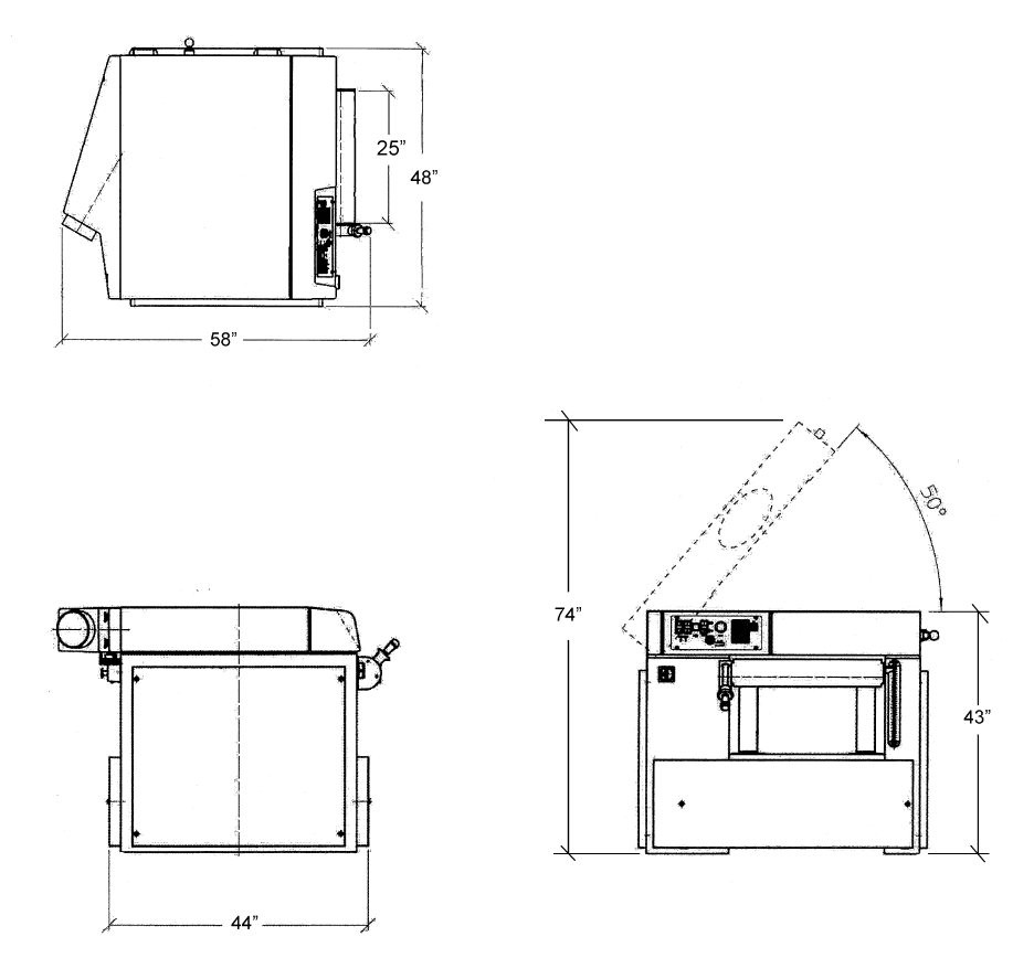
Overall dimensions (in LxWxH) ...............................................................................................58 x 48 x 43
Overall dimensions (crated) (in LxWxH) ..................................................................................63 x 53 x 49
Net weight (lbs)................................................................................................................................. 2,310
Shipping weight (lbs).........................................................................................................................2,640
The above specifications were current at the time this manual was published, but because of our policy of
continuous improvement, WHM Tool Group reserves the right to change specifications at any time and
without prior notice, without incurring obligations.

7
WP2412 Planer Dimensions

8
Unpacking
Open shipping crate and check for shipping
damage. Report any damage immediately to
your distributor and shipping agent. Read this
instruction manual thoroughly for assembly,
maintenance and safety instructions.
Contents of the Shipping Container
1 Planer
3 Lifting hooks
4 Open-end wrenches (10, 13-17, 19-22, and
24mm)
5 Hex wrenches (4, 5, 6, 8 and 10mm)
1 Brass punch
1 Owner's manual
1 Warranty card
Read and understand the entire contents of this manual before attempting set-up
or operation! Failure to comply may cause serious injury.

9
Installation
Tools required for installation
wrench set (provided)
level
forklift or crane with straps
1. Remove the crate from around the planer
and any fasteners securing the planer to the
skid.
2. Remove the side covers and place the lifting
hooks into the slots (Figure 1). Place straps
under them and lift the machine off the skid.
The planer should be located on a sturdy
floor, preferably concrete, in a dry area with
sufficient lighting. Leave enough space
around the machine for loading and
offloading stock and routine maintenance
work.
3. When the planer is situated, use the leveling
screws (Figure 2) to level the machine.
4. Exposed metal areas of the planer have
been factory coated with a protectant. This
should be removed with a soft cloth and
kerosene. Do not use an abrasive pad. Do
not let solvent contact the plastic parts of
the machine, as it may damage them.
Electrical Connections
Electrical connections must
be made by a qualified electrician in
compliance with all relevant codes. The
machine must be properly grounded to help
prevent electrical shock and possible fatal
injury.
The planer may be fitted with a 230 volt plug, or
may be “hard-wired” directly to your electrical
panel. If hard-wired to a panel, make sure a
disconnect is available for the operator.
IMPORTANT: The 230 volt model of the
WP2412 planer is wired for 230 volt only; it is
not convertible to 460 volt.
1. Make sure the machine’s plug is
disconnected from the power source. If it is
hard-wired, make sure the fuses have been
removed or the breakers have been tripped
in the circuit to which the saw will be
connected. Place a warning placard on the
fuse holder or circuit breaker to prevent it
being turned on while the machine is being
wired. Always follow proper Lock Out/Tag
Out procedures when performing any wiring
on this machine.
Figure 1
Figure 2

10
2. Make sure the voltage of the power source
corresponds to the voltage of the planer as
recorded on the motor plate.
3. Open the electrical enclosure on the left
side of the machine (Figure 3) by loosening
the screws and sliding the panel upward.
4. Connect the three phases to the terminals
marked L1, L2, L3 (Figure 4).
5. Connect the green neutral wire to terminal
“N”.
6. Connect the machine to power (or install the
fuses or reset the breakers at the power
source).
7. Test the rotation of the cutterhead. Turn on
the main power switch (see Figure 5) and
then the main motor switch (Figure 5). The
pulley on the main motor (on the side near
the electrical enclosure) should rotate
counterclockwise. If it rotates clockwise,
stop the machine with the red stop button
(Figure 5 ).
8. Disconnect machine from power source,
and exchange leads L1 and L2.
9. Reconnect power, and close the electrical
cover.
Dust Collection
It is strongly recommended this planer be
connected to a dust extraction system, via the 6”
(160mm) dust port at the rear of the planer. Your
dust collector should have at least 1500 CFM
capacity.
Adjustments
Controls
Figure 5 shows the control panel for the planer.
Starting procedure
NOTE: The planer will not start if the hood is
raised, or if the brake release light is on (see
below).
1. Turn Main Switch to position “I”. [NOTE: The
main switch has a lock-out hole, through
which a padlock or similar device can be
inserted, when the switch is in “O” position]
2. Push the Main Motor Start button; the motor
will start in Star-Delta. After a few seconds
you will hear the motor switch over to full
speed operation. NOTE: The inverters (see
Figure 3) have been factory programmed
and their settings should not be altered.
Figure 3
Figure 4
Figure 5

11
3. The Reset button (Figure 5) will light up if
the machine becomes overloaded. Press
this button to re-start the machine.
4. The Emergency Stop Button shuts down all
operations on the planer. An automatic
brake stops the motor within 10 seconds. A
similar stop button can be found at the back
of the machine. To restart the machine,
simply twist the stop button and allow it to
pop back up
5. To begin the feed motor and rotation of the
feed rollers, press the Potentiometer button
on the dial. Rotate the dial to set the feed
speed. Speed ranges from 16 to 72 feet per
minute. The numbers on the dial are shown
as 1 to 11; the higher the number, the faster
the speed. To stop the feed motor press the
Potentiometer button again.
6. The Brake Release switch frees the
cutterhead so that it can be moved by hand
(e.g. when changing knives). When the
brake release is on, the switch stays lit. As a
safety feature, the planer’s motor will not
start if the brake release switch is lit. And if
the switch is pushed during operations, the
motor will automatically stop. To restart the
planer, de-press the brake release switch;
the light will turn off.
7. To raise the table press the up-arrow
buttons; to lower the table press the down-
arrow buttons. The single arrows raise the
table slowly, the double arrows rapidly.
Calibrating Digital Display
Before operating the planer, the digital display
should be checked for accuracy and calibrated if
necessary. Use a scrap board.
1. Set the table to just under the thickness of
your scrap board, using the scale next to the
table (Figure 6). Feed the board through the
planer to achieve a planed side.
2. Raise the table slightly until the adjoining
scale pointer is set evenly on a number.
3. Flip the board over and feed it through the
planer, then carefully measure its thickness
with calipers. Compare this with the digital
display.
4. If the display needs correcting, press and
hold “Function,” and press “Reset”. The
display will return to zero.
5. Press and hold “Function,” and press “Set”
until the display shows the thickness of your
board. Tapping the “Set” button will move
the display by increments; holding down the
“Set” button will move the display rapidly.
Figure 6

12
Changing Fuses
Disconnect planer from power source, and open
the electrical enclosure. Pull open the cover on
a fuse holder, as shown in Figure 7, and slide
out the old fuse. Replace it with a new one of
the proper amperage. Close the cover.
Do not use a fuse with
amperage rating different than what is listed
on the cover of the fuse holder.
Changing Knives
The planer has a TersaTM Monobloc cutterhead.
Knife changing is simple, and the two-sided
knives are self seating once the cutterhead
begins rotating. TersaTM knives are available
from your dealer or most woodworking supply
stores.
Do not loosen any screws on
the cutterhead.
1. Push brake release button (see Figure 5).
The brake release light will come on.
2. Pull out on the lever at the right side of the
machine, and raise the hood.
After prolonged use of the
planer, the cast iron frame and areas around
the cutterhead may be hot.
3. Disconnect machine from power source.
4. Rotate the cutterhead to gain access to a
knife. Use the provided brass punch to
gently tap down the segmented gibs, as
shown in Figure 8. This will release the
knife.
5. Align the knife and carefully slide it through
the hole in the side of the bearing casting
(Figure 9).
6. To install a new knife (or the same knife
reversed for a new edge), insert it through
the hole. Make sure the knife is properly
seated upon the bead (Figure 8) and the
ends are not protruding past the ends of the
cutterhead. When the machine is started
later, the gibs will automatically secure the
knife in place.
7. Repeat this procedure for the other three
knives.
8. Lower the hood and reconnect power to the
machine. Press the brake release button
(Figure 5). The warning light will go out.
Figure 7
Figure 8
Figure 9

13
9. After adjusting or changing knives, the
digital display should be checked and
recalibrated if necessary. See “Calibrating
Digital Display.”
Belt Tension & Replacement
Note: Belts should be replaced as a matched set
of three.
1. Loosen the three bolts (A, Figure 10) which
hold the motor support bracket to the frame.
2. Turn the hex nuts (B, Figure 10) on the
tension rod as needed.
3. When finished, tighten the three bolts (A,
Figure 10).
Drive Chain Replacement
The drive chains do not require tension
adjustment, since tension is always assured
by an idle chain tensioner (C, Figure 11).
To replace the main drive chain, pull the
tensioner (C, Figure 11) backward and
remove the chain from around the sprockets.
When the new chain has been mounted,
always make sure the tensioner is well placed
on the chain.
To replace the chain for the table raising
mechanism, pull the lever (D, Figure 12) to
the back and remove the chain. When the
new chain has been mounted, push the lever
(D, Figure 12) back into position.
Do not turn the sprockets on
the table raising screws with the chain
removed. Doing so will misalign the table.
Figure 10
Figure 11
Figure 12

14
Feed Rollers
The infeed and outfeed rollers and chipbreaker
have been factory set. However, if spring
tension adjustment should ever be necessary,
use the appropriate adjustment assembly
located beneath the lip of the frame – one is
shown in Figure 13.
1. Loosen the nut and turn the screw in or out.
When finished, tighten nut.
2. Perform the same adjustment at the
opposite end of the roller.
Table Rollers
The table rollers can be raised or lowered with
the handle (Figure 14). A label is affixed near
the handle for reference.
Maintenance
Before any intervention on
the machine, disconnect it from the electrical
supply by pulling out the plug or switching
off the main switch! Follow lockout/tagout
procedures. Failure to comply may cause
serious injury.
The anti-kickback fingers must hang down freely
and operate independently by gravity. They
should be inspected frequently and cleaned
whenever necessary.
The table should be kept clean and free of rust
or deposits.
The lead screws and posts beneath the table,
and the drive chains, should be kept clean and
oiled.
Periodically blow out saw dust from the motor’s
cooling fan.
Figure 13
Figure 14

15
Troubleshooting: Operating Problems
Trouble Probable Cause Remedy
Table rollers not set properly. Adjust rollers to proper height.
Inadequate support of long boards. Support long boards with extension
rollers.
Uneven feed roller pressure front to
back. Adjust feed roller tension.
Dull knives. Reverse or replace knives.
Snipe
(NOTE: Snipe can be
minimized but not
eliminated)
Lumber not butted properly. Butt end to end each piece of stock
as they pass through.
Planing wood with high moisture
content. Remove moisture content from wood
by drying, or choose other stock.
Fuzzy Grain
Dull knives. Reverse or replace knives.
Too heavy a cut. Adjust proper depth of cut.
Knives cutting against grain. Cut along the grain.
Torn Grain
Dull knives. Reverse or replace knives.
Dull knives. Reverse or replace knives.
Too heavy a cut. Adjust proper depth of cut.
Rough or Raised
Grain
Moisture content too high. Remove moisture content from wood
by drying, or choose other stock.
Dull knives. Reverse or replace knives.
Feed speed too slow. Increase speed.
Rounded, glossy
surface
Cutting depth too shallow. Increase depth.
Inadequate feed roller pressure. Adjust feed roller tension. If proper
tension cannot be achieved, replace
feed rollers.
Planer bed rought or dirty. Clean pitch and residue, and wax
planer table.
Transmission v-belt slipping. Tighten transmission v-belt.
Surface of feed rollers too smooth. Lightly roughen the feed roller surface
with sandpaper.
Poor feeding of
lumber
Bed rollers too low. Raise bed rollers to proper depth for
stock.

16
Troubleshooting: Mechanical & Electrical Problems
Trouble Probable Cause Remedy
Board thickness does
not match digital
display Digital display not calibrated properly. Follow calibration procedures.
Inadequate chain tension. Adjust chain tension.
Sprockets misaligned. Align sprockets.
Chain jumping
Sprockets worn. Replace sprockets.
No incoming power. Verify unit is connected to power, and
main switch is set to “I”.
Overload automatic reset has not
reset.
When planer overloads on the circuit
breaker built into the motor starter, it
takes time for the machine to cool
down before restart. Allow unit to
adequately cool before attempting
restart. If problem persists, check
amp setting on the motor starter
inside the electrical enclosure.
Planer frequently trips.
One cause of overloading trips which
are not electrical in nature is too
heavy a cut. The solution is to take a
lighter cut. If too deep a cut is not the
problem, then check the amp setting
on the overload relay. Match the full
load amps on the motor as noted on
the motor plate. If amp setting is
correct then there is probably a loose
electrical lead. Check amp setting on
motor starter.
Building circuit breaker trips or fuse
blows.
Verify that planer is on a circuit of
correct size. If circuit size is correct,
there is probably a loose electrical
lead. Check amp setting on motor
starter.
Loose electrical connections.
Go through all the electrical
connections on the planer including
motor connections, verifying the
tightness of each. Look for any signs
of electrical arcing which is a sure
indicator of loose connections or
circuit overload.
Machine will not
start/restart or
repeatedly trips
circuit breaker or
blows fuses.
Motor starter failure.
Examine motor starter for burned or
failed components. If damage is
found, replace motor starter. If motor
starter looks okay but is still suspect,
you have two options: Have a
qualified electrician test the motor
starter for function, or purchase a new
starter and establish if that was the
problem on changeout. (continued)

17
Trouble Probable Cause Remedy
Motor starter failure.
If you have access to a voltmeter, you
can separate a starter failure from a
motor failure by first, verifying
incoming voltage at 220+/-20 and
second, checking the voltage
between starter and motor at 220+/-
20. If incoming voltage is incorrect,
you have a power supply problem. If
voltage between starter and motor is
incorrect, you have a starter problem.
If voltage between starter and motor
is correct, you have a motor problem.
Motor failure.
If electric motor is suspect, you have
two options: Have a qualified
electrician test the motor for function
or remove the motor and take it to a
qualified electric motor repair shop
and have it tested.
Miswiring of the unit.
Double check to confirm all electrical
connections are correct and properly
tight. The electrical connections other
than the motor are pre-assembled
and tested at the factory. Therefore,
the motor connections should be
double checked as the highest
probability for error. If problems
persist, double check the factory
wiring.
Machine will not
start/restart or
repeatedly trips
circuit breaker or
blows fuses.
On/off switch failure.
If the on/off switch is suspect, you
have two options: Have a qualified
electrician test the switch for function,
or purchase a new on/off switch and
establish if that was the problem on
changeout.
18
Replacement Parts
Replacement parts are listed on the following pages. To order parts or reach our service department, call
1-800-274-6848 between 7:00 a.m. and 6:00 p.m. (CST), Monday through Friday. Having the Model
Number and Serial Number of your machine available when you call will allow us to serve you quickly and
accurately.
19
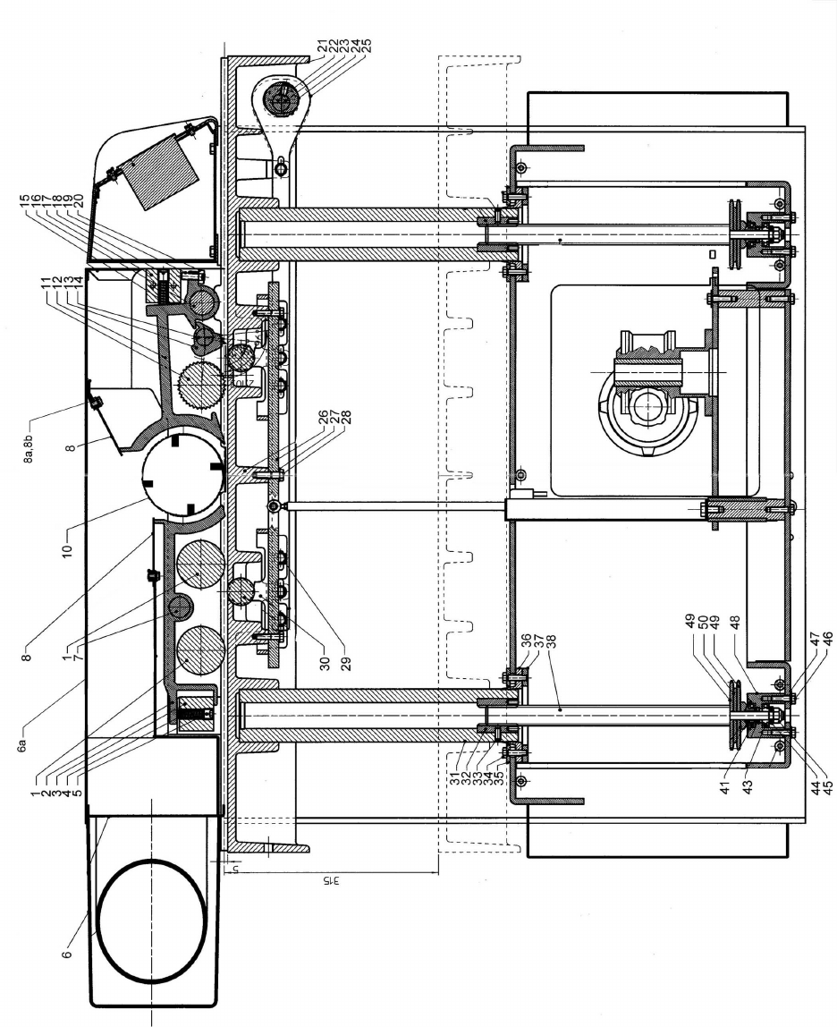
Parts List: Drawing No. 1
Index No. Part No. Description Size
1...............WP2412-101........... Outfeed Roller ...................................................
2...............WP2412-102........... Chipbreaker Section ..........................................
2a.............WP2412-102A......... Chipbreaker Section Spacer ..............................
3...............WP2412-103........... Spring Bar .........................................................
3a.............TS-1504081 ............ Socket Head Cap Screw........................M8 x 40
4...............WP2412-104........... Spring................................................................
5...............WP2412-105........... Socket Set Screw ................................M16 x 16
6...............WP2412-106........... Suction Outlet Cover..........................................
6a.............WP2412-106A......... Dust Hood Assembly .........................................
7...............WP2412-107........... Chipbreaker Axle ...............................................
8...............WP2412-108........... ABS Chip Deflector............................................
8a.............TS-1482021 ............ Hex Cap Screw......................................M6 x 12
8b.............TS-1550041 ............ Flat Washer.................................................. M6
10.............WP2412-110........... TersaTM Monobloc Cutterhead............................
11.............WP2412-111........... Infeed Roller Axle ..............................................
11a...........WP2412-111A......... Infeed Section Spacer........................................
11b...........WP2412-111B......... Infeed Serrated Roller Section ...........................
11c ...........WP2412-111C......... Infeed Roller Section Spring...............................
11d...........WP2412-111D......... Complete Infeed Roll Assembly .........................
12.............WP2412-112........... Chipbreaker Section ..........................................
12a...........WP2412-112A......... Chipbreaker Section Spacer ..............................
13.............WP2412-113........... Anti-Kickback Finger..........................................
13a...........WP2412-113A......... Anti-Kickback Finger Spacer..............................
14.............WP2412-114........... Anti-Kickback Finger Axle ..................................
15.............WP2412-104........... Spring................................................................
16.............WP2412-116........... Chipbreaker Axle...............................................
17.............WP2412-103........... Spring Bar .........................................................
17a...........TS-1504081 ............ Socket Head Cap Screw........................M8 x 40
18.............WP2412-105........... Socket Set Screw ................................M16 x 16
19.............TS-2279351 ............ Socket Set Screw ................................M10 x 35
20.............TS-1540071 ............ Hex Nut .......................................................M10
21.............WP2412-121........... Planer Table......................................................
22.............TS-1525041 ............ Socket Set Screw ................................M10 x 20
23.............WP2412-123........... Roller Actuator Axle...........................................
24.............WP2412-124........... Roller Raise Eccentrics......................................
25.............WP2412-125........... Roller Raise Actuator.........................................
26.............WP2412-126........... Strip...................................................................
27.............TS-1550061 ............ Flat Washer.................................................. M8
28.............TS-1490061 ............ Hex Cap Screw......................................M8 x 35
29.............WP2412-129........... Spacer...............................................................
30.............WP2412-130........... Right Brace........................................................
30a...........WP2412-130A......... Left Brace..........................................................
31.............WP2412-131........... Table Column ....................................................
32.............WP2412-132........... Table Raise Nut.................................................
33.............TS-1524051 ............ Socket Set Screw ..................................M8 x 20
34.............TS-1490031 ............ Hex Cap Screw......................................M8 x 20
35.............WP2412-135........... Upper Column Disc............................................
36.............WP2412-136........... Table Column Seal Ring ....................................
37.............WP2412-137........... Lower Column Backup Disc ...............................
38.............WP2412-138........... Table Raising Screw..........................................
38a...........WP2412-138A......... Table Raising Screw Assembly..........................
41.............BB-51104................ Table Raise Screw Bearing ......................51104
43.............BB-51104................ Table Raise Screw Bearing.......................51104
46.............TS-1490051 ............ Hex Cap Screw......................................M8 x 30
47.............TS-1550061 ............ Flat Washer.................................................. M8
48.............WP2412-148........... Bearing Housing................................................
20
Index No. Part No. Description Size
49.............WP2412-149........... Table Raise Sprocket.........................................
50.............WP2412-150........... Spacer Disc.......................................................
.................WP2412-151........... Top Cover Plate (not shown)..............................
.................WP2412-152........... Rear Frame Reinforcement (not shown).............
.................WP2412-153........... Top Cover Corner Strip (not shown)...................
.................WP2412-154........... Brass Punch - Knife Change (not shown)...........

21
Drawing No. 1
22
Parts List: Drawing No. 2
Index No. Part No. Description Size
1...............TS-1541041 ............ Nylon Insert Locknut....................................M10
2...............TS-1550071 ............ Flat Washer.................................................M10
3...............WP2412-203........... Upper Feed Roller Adjust Stud...........................
4...............WP2412-204........... Feed Roller Bearing Housing .............................
5...............WP2412-205........... Outfeed Roller Feed Chain ................................
6...............WP2412-206........... E-Stop Housing .................................................
7...............WP2412-207........... Short Chain Tensioner Assembly.......................
8...............WP2412-208........... Tensioner Spring ...............................................
9...............WP2412-209........... Hood Raising Lift ...............................................
10.............WP2412-208........... Tensioner Spring ...............................................
11.............WP2412-211........... Long Chain Tensioner Assembly........................
12.............WP2412-212........... Feed Chain........................................................
13.............TS-1541031 ............ Nylon Insert Locknut ..................................... M8
15.............WP2412-215........... Lower Feed Roller Adjust Stud...........................
16.............TS-1540061 ............ Hex Nut ........................................................ M8
17.............WP2412-217........... Feed Roller Pressure Bracket ............................
18.............WP2412-218........... Feed Roller Pressure Spring..............................
19.............WP2412-219........... Table Roller Handle ...........................................
20.............WP2412-220........... Handle Spring....................................................
21.............WP2412-221........... Locking Handle..................................................
22.............WP2412-222........... Lever.................................................................
23.............TS-1504041 ............ Socket Head Cap Screw........................M8 x 20
24.............WP2412-224........... Bushing .............................................................
25.............WP2412-123........... Roller Actuator Axle...........................................
26.............TS-1525041 ............ Socket Set Screw ................................M10 x 20
27.............WP2412-227........... Handle Cover Plate............................................

23
Drawing No. 2
24
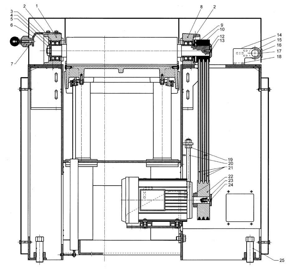
Parts List: Drawing No. 3
Index No. Part No. Description Size
1...............WP2412-301........... Main Bearing Housing, Left................................
2...............BB6209V V ............. Cutterhead Bearing.............................6209-2RS
3...............WP2412-303........... Retaining Ring...................................................
4...............WP2412-304........... Disc ...................................................................
5...............TS-2312241 ............ Hex Jam Nut................................................M24
6...............WP2412-306........... Hood Latch ........................................................
7...............WP2412-307........... Hood Latch Pin..................................................
8...............WP2412-308........... Main Bearing Housing, Right..............................
9...............TS-1524051 ............ Socket Set Screw ..................................M8 x 20
10.............WP2412-310........... Cutterhead Pulley ..............................................
12.............WP2412-312........... Disc...................................................................
13.............TS-1515031 ............ Socket Head Flat Screw.........................M8 x 25
14.............WP2412-314........... Hood Hinge .......................................................
15.............WP2412-315........... Hinge Pin, Front.................................................
15a...........WP2412-315A......... Hinge Pin, Rear .................................................
16.............WP2412-316........... Hinge Reinforcement Plate ................................
17.............TS-1515031 ............ Socket Head Flat Screw.........................M8 x 25
18.............TS-1504041 ............ Socket Head Cap Screw........................M8 x 20
19.............WP2412-319........... Adjustment Nut..................................................
20.............WP2412-320........... Belt Adjustment Rod..........................................
21.............WP2412-321........... Drive Belts.........................................................
22.............WP2412-322........... Motor Pulley .............................38mm arbor dia.
23.............WP2412-323........... Washer..............................................................
24.............TS-1515041 ............ Socket Head Flat Screw.........................M8 x 30
25.............WP2412-325........... Frame Leveling Bolt...........................................
25a...........WP2412-325A......... Leveling Bolt Nut................................................

25
Drawing No. 3
26
Parts List: Drawing No. 4
Index No. Part No. Description Size
1...............WP2412-401........... Hood Handle......................................................
2...............WP2412-121........... Planer Table ......................................................
3...............BB6003V V ............. Table Roller Bearing...........................6003-2RS
4...............WP2412-404........... Table Roller.......................................................
5...............WP2412-405........... Bushing .............................................................
6...............TS-1490041 ............ Hex Cap Screw......................................M8 x 25
7...............TS-1550061 ............ Flat Washer.................................................. M8
8...............WP2412-125........... Roller Raise Actuator.........................................
9...............WP2412-409........... Side Strip...........................................................
10.............BB6003VV ............. Table Roller Bearing...........................6003-2RS
12.............TS-1491041 ............ Hex Cap Screw....................................M10 x 30
13.............WP2412-413........... Feed Axle ..........................................................
14.............WP2412-414........... Feed Unit Assembly...........................................
15.............BB-6006VV ............ Feed Unit Bearing...............................6006-2RS
16.............WP2412-416........... Retainer Ring.....................................................
17.............WP2412-417........... Sprocket............................................................
18.............WP2412-418........... Sprocket Spacer................................................
19.............TS-1550061 ............ Flat Washer.................................................. M8
20.............TS-1490031 ............ Hex Cap Screw......................................M8 x 20
21.............WP2412-421........... Retaining Ring...................................................
22.............WP2412-422........... Spacer...............................................................
23.............BB-6003VV ............ Bearing...............................................6003-2RS
24.............WP2412-424........... Sprocket Assembly............................................
25.............WP2412-425........... Retainer Ring.....................................................
26.............WP2412-426........... Bushing .............................................................
27.............BB-6003VV ............ Bearing...............................................6003-2RS
28.............BB-6005VV ............ Feed Roller Bearings ..........................6005-2RS
29.............WP2412-429........... Retaining Ring...................................................
30.............WP2412-430........... Bushing .............................................................
31.............WP2412-105........... Socket Set Screw ................................M16 x 16
32.............WP2412-432........... Outfeed Roller Sprocket Mount..........................
32a...........WP2412-432A......... Infeed Roller Sprocket Mount.............................
33.............WP2412-433........... Sprocket............................................................
34.............WP2412-434........... Spacer...............................................................
35.............WP2412-433........... Sprocket............................................................
36.............WP2412-436........... Bushing Spacer .................................................
37.............TS-2342161 ............ Nylon Insert Locknut ....................................M16
38.............TS-155010 .............. Flat Washer.................................................M16

27
Drawing No. 4
28
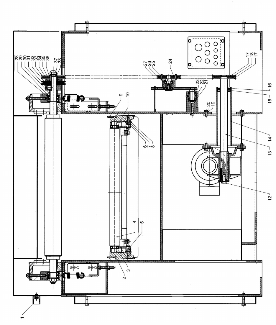
Parts List: Drawing No. 5
Index No. Part No. Description Size
1...............WP2412-501........... Main Motor ............................. 15HP, 230V, 3Ph
2...............WP2412-502........... Feed Motor with Reducer.............................1HP
3...............WP2412-503........... Spring................................................................
4...............WP2412-504........... Gear Box Mounting Plate...................................
5...............WP2412-505........... Table Raising Chain...........................................
6...............TS-1550061 ............ Flat Washer.................................................. M8
7...............TS-1490111 ............ Hex Cap Screw......................................M8 x 60
8...............WP2412-508........... Front Cover .......................................................
9...............WP2412-509........... Side Cover.........................................................
10.............TS-1490081 ............ Hex Cap Screw......................................M8 x 45
11.............WP2412-511........... Plate..................................................................
12.............WP2412-512........... Plate Spanner....................................................
13.............WP2412-513........... Support Plate.....................................................
14.............WP2412-514........... Toothed Lever ...................................................
15.............WP2412-515........... Spring................................................................
16.............WP2412-516........... Adjustment Pawl................................................
17.............WP2412-517........... Table Raise Motor with Reducer ...............3/4HP
18.............WP2412-518........... Rear Cover........................................................
19.............TS-1490111 ............ Hex Cap Screw......................................M8 x 60
20.............TS-1550061 ............ Flat Washer.................................................. M8
.................WP2412-LH ............ Lifting Hooks (not shown)...................................

29
Drawing No. 5
30
Parts List: Electrical Box
Index No. Part No. Description Size
A ..............WP2412-601........... Fuse Holder...................................3 poles, 50 A
B ..............WP2412-602........... Fuse Holder......................................1 pole, 32A
C ..............WP2412-603........... Magnetic Starter ................................................
D ..............WP2412-604........... Auxiliary Contact................................................
E ..............WP2412-605........... Mechanical Interlock between Mag. Starters ......
F...............WP2412-606 ........... Timer Relay Star-Delta ......................................
G..............WP2412-607........... Thermal Overload Relay ....................................
H ..............WP2412-608........... Transformer.......................................................
I................WP2412-609 ........... Frequency Variator ............................................

31
Electrical Box

32
Parts List: Control Panel
Index No. Part No. Description Size
J...............WP2412-701 ........... Main On-Off Switch............................................
K ..............WP2412-702........... ELGO Read-out Z 20.........................................
L...............WP2412-703........... E-Stop Operator.................................................
M..............WP2412-704........... Motor On/Table Reset Operator.........................
N ..............WP2412-705........... Brake Release Operator ....................................
O..............WP2412-706........... Table Slow Operator..........................................
P ..............WP2412-707........... Table Fast Operator...........................................
Q..............WP2412-708........... Potentiometer....................................................
.................WP2412-709........... ELGO Magnetic Tape ........................................
.................WP2412-710........... Sensor Cable.....................................................
.................WP2412-711........... Hood Limit Switch..............................................
.................WP2412-712........... Fuse ............................................................ 50A
.................WP2412-713........... Fuse ............................................................ 40A
.................WP2412-714........... Fuse .............................................................. 6A
.................WP2412-715........... Fuse .............................................................. 2A
.................WP2412-716........... Fuse .............................................................. 1A
.................WP2412-717........... Open Contact ....................................................
.................WP2412-718........... Closed Contact..................................................

33
Electrical Connections – 230 Volt

34
Electrical Connections – 230 Volt
35

36
WMH Tool Group
2420 Vantage Drive
Elgin, Illinois 60123
Phone: 800-274-6848
www.wmhtoolgroup.com