Powerware 9155 Ups20 30Kva Users Manual
Powerware 9155 UPS20-30kVA ll_.asp?file=9155_30kVA_manual_ENG_1026743_rev_B
UPS20-30kVA to the manual 4324c90d-c9f0-41d2-a8ce-e8645f522289
2015-02-06
: Powerware Powerware-9155-Ups20-30Kva-Users-Manual-520096 powerware-9155-ups20-30kva-users-manual-520096 powerware pdf
Open the PDF directly: View PDF
.
Page Count: 52
User’s Guide
UPS 20 - 30 kVA,
230 V 50/60 Hz output
(3-phase input/1-phase output)
©2007 Eaton Corporation
All Rights Reserved
The contents of this manual are the copyright of the publisher
and may not be reproduced (even extracts) unless permission granted.
Every care has been taken to ensure the accuracy of the information
contained in this manual, but no liability can be accepted for any errors or
omission. The right to make design modifications is reserved.
User’s Guide UPS 20 - 30 kVA, 230 V 50/60 Hz output
(3-phase input/1-phase output)
1026743 revision B
1. Safety instructions ....................................................................................................................................................................... 5
Audience ........................................................................................................................................................................................ 5
CE marking ..................................................................................................................................................................................... 5
User precautions ........................................................................................................................................................................... 6
Environment ................................................................................................................................................................................... 6
Inquiries .......................................................................................................................................................................................... 6
2 Introduction ................................................................................................................................................................................... 7
System description ....................................................................................................................................................................... 7
Feature: Active-Front Technology .............................................................................................................................................. 7
Feature: Advanced Battery Management (ABM)™ ................................................................................................................ 8
Feature: Hot Sync® technology .................................................................................................................................................. 8
Basic system configuration ......................................................................................................................................................... 9
3. Mechanical installation .............................................................................................................................................................. 10
Delivery check ............................................................................................................................................................................... 10
Unpacking and visual inspection ............................................................................................................................................... 10
4. Planning before installation ....................................................................................................................................................... 12
5. Cabinet installation ..................................................................................................................................................................... 13
Maintenance bypass switch ....................................................................................................................................................... 15
External battery cabinet option .................................................................................................................................................. 15
Battery racks ................................................................................................................................................................................. 15
6. Electrical installation .................................................................................................................................................................. 16
Power cables and protective fuses ........................................................................................................................................... 17
Wiring procedure .......................................................................................................................................................................... 18
The installation procedure: ......................................................................................................................................................... 18
External Battery Cabinet (EBC) installation procedure .......................................................................................................... 21
7. Software and connectivity .......................................................................................................................................................... 22
Communication cables ................................................................................................................................................................. 22
Connection to the standard RS-232 port (X53) ......................................................................................................................... 23
LanSafe software .......................................................................................................................................................................... 23
External control connections ...................................................................................................................................................... 24
Emergency Power Off (EPO) ................................................................................................................................................... 24
Relay outputs ............................................................................................................................................................................. 25
Programmable signal inputs ................................................................................................................................................... 25
XSlot communication ................................................................................................................................................................... 26
Web/SNMP Module (optional) ............................................................................................................................................... 27
AS/400 Relay Module (optional) ............................................................................................................................................. 27
Single Serial Port Module (optional) ..................................................................................................................................... 28
Modbus/Jbus Module (optional) ............................................................................................................................................ 28
8. User operations ............................................................................................................................................................................. 29
Display functions ........................................................................................................................................................................... 29
User Settings ................................................................................................................................................................................. 30
Changing language ....................................................................................................................................................................... 32
Using relay outputs ....................................................................................................................................................................... 32
Normal start-up ............................................................................................................................................................................. 32
Battery start-up ............................................................................................................................................................................. 33
Start-up after EPO ......................................................................................................................................................................... 33
Shutdown ....................................................................................................................................................................................... 33
9. Maintenance ................................................................................................................................................................................. 34
Regular service/intervals ............................................................................................................................................................. 34
Batteries ..................................................................................................................................................................................... 35
Cooling fan ................................................................................................................................................................................. 35
LED Indicators ............................................................................................................................................................................... 35
Maintenance bypass switch (MBS) operation ........................................................................................................................ 36
Turn UPS from normal mode to maintenance bypass mode (service bypass mode) ................................................... 36
Turn UPS from maintenance bypass to normal mode ........................................................................................................ 37
10. Parallel systems ............................................................................................................................................................................... 39
Overview ......................................................................................................................................................................................... 39
Aux. MBS contacts ....................................................................................................................................................................... 42
XSlot Hot Sync card: installing and wiring ............................................................................................................................... 43
Start-up and operation ................................................................................................................................................................. 45
Start-up procedure ................................................................................................................................................................... 45
Operating system bypass switch ........................................................................................................................................... 46
Shut-down procedure .............................................................................................................................................................. 47
Local tie panel solutions .......................................................................................................................................................... 48
11. Recycling the used UPS or batteries ........................................................................................................................................ 48
12. Dimensional drawings ................................................................................................................................................................ 49
13. Technical data ............................................................................................................................................................................... 50
Standards ...................................................................................................................................................................................... 50
Environment ................................................................................................................................................................................... 50
Maintenance configuration ......................................................................................................................................................... 50
Characteristics .............................................................................................................................................................................. 50
AC input .......................................................................................................................................................................................... 51
DC circuit ........................................................................................................................................................................................ 51
AC output ........................................................................................................................................................................................ 51
14. Warranty ......................................................................................................................................................................................... 52

5UPS 20-30 kVA, 230 V 50/60 Hz output
User’s Guide
1026743
Revision B
1. Safety instructions
The UPS operates with mains, battery or bypass power. It contains components that carry
high currents and voltages. The properly installed enclosure is earthed and IP20 rated against
electrical shock and foreign objects. However, only qualified personal is allowed to install and
service the UPS.
Warning!
Operations inside the UPS must be performed by a service engineer from the
manufacturer or from an agent authorised by the manufacturer.
Do not ever service inside the UPS when mains power is applied or the UPS is in battery mode.
Use the optional Maintenance Bypass Switch (MBS) if installed to the system. Remember
to open battery breaker. Always ensure by measuring with a multimeter that no dangerous
voltages are present.
Audience
The intended audiences of this manual are people who plan the installation, install, commission,
and use or service the UPS. The manual provides guidelines to check delivery, installing and
commissioning of the UPS.
The reader is expected to know the fundamentals of electricity, wiring, electrical components and
electrical schematic symbols. This manual is written for a global reader.
Note!
Read the manual before operating or working on the UPS.
CE marking
The product has the CE marking in compliance with the following European directives:
LV Directive (Safety) 73/23/EEC and 93/68/EEC
EMC Directive 89/336/EEC, 93/68/EEC and 92/31/EEC
Declaration of conformity with UPS harmonised standards and directives EN 62040-1-1 (Safety)
and EN 50091-2 (EMC) are available on the web site (http://www.powerware.com).
•
•

6 UPS 20-30 kVA, 230 V 50/60 Hz output
User’s Guide
1026743
Revision B
User precautions
The only user operations permitted are:
Start up and shut down of the UPS, excluding the commissioning start-up.
Use of the LCD control panel and Maintenance Bypass Switch (MBS)
Use of optional connectivity modules and their software
The user must follow the precautions and only perform the described operations. Any
deviations from the instructions could be dangerous to the user or cause accidental load loss.
Warning!
The user is not permitted to open of any screws excluding connectivity plates and
the MBS locking plate. Failure to recognise the electrical hazards could prove fatal.
Environment
The UPS must be installed according to the recommendations in this manual. Under no
circumstances the UPS should be installed in an airtight room, in the presence of flammable
gases, or in an environment exceeding the specification.
Excessive amount of dust in the operating environment of UPS may cause damage or lead to
malfunction. The UPS should be always protected from the outside weather and sunshine. The
recommended operating temperature is from +15 to +25 Celsius degrees.
Inquiries
Address any inquiries about the UPS and battery cabinet to the local office or agent authorised
by the manufacturer. Please quote the type code and the serial number of the equipment.
•
•
•

7UPS 20-30 kVA, 230 V 50/60 Hz output
User’s Guide
1026743
Revision B
2 Introduction
The product described in this manual is a transformerless Uninterruptible Power System
(UPS). It is a true online, continuous duty, double conversion, solid state, three-phase system,
providing conditioned and uninterruptible AC power to protect the customer’s load from all nine
power failures.
System description
The UPSs are used to protect sensitive IT equipment and prevent loss of valuable electronic
information, minimise equipment downtime, and minimise the adverse effect on production
equipment due to unexpected power problems.
The UPS system continually monitors incoming electrical power and removes the surges,
spikes, sags, and other irregularities that are inherent in commercial utility power. Working with
a building‘s electrical system, the UPS system supplies clean, consistent power that sensitive
electronic equipment requires for reliable operation. During brownouts, blackouts, and other
power interruptions, batteries provide emergency power to safeguard operation.
The UPS system is housed in freestanding cabinets. The cabinets line up and match in style and
colour, and have safety shields behind the doors for hazardous voltage protection.
Figure 1 UPS cabinet 20-30 kVA, 50/60 Hz (1-phase output), with an External Battery Cabinet.
Feature: Active-Front Technology
Traditional input THD filters are no longer needed with this UPS product. The built-in advanced
rectifier technology of UPS modules provides perfect sinusoidal input power quality at 0.99
input power factor with harmonic content less than 5% THD(i). This leads to more reliable total
system operation and savings in generator and transformer sizing as losses in the windings are
minimised.
8 UPS 20-30 kVA, 230 V 50/60 Hz output
User’s Guide
1026743
Revision B
Due to the active front rectifier, the UPS is comparable to a clean resistor load from the mains
perspective. Thus, the high input power factor provides minimised cabling and fusing costs due
to no reactive power consumption.
The low harmonic currents are due to high input power factor and provide the benefits:
No additional losses in wires and cables
No extra heating of transformers and generators with shortened service life
No false circuit breaker tripping and malfunction
No erratic operation of computers, telecommunication, monitors, electronic test equipment
etc.
No Resonance with power factor correction capacitors
Feature: Advanced Battery Management (ABM)™
The ABM monitors the status of the battery and charges it only when the battery needs
charging. This is the key to long battery life with the ABM due to low generation of corrosion
inside the battery. It also monitors that the load never crashes because of bad or defected
battery.
The main cause for corrosion is current flowing through battery. The more current going
through battery, the shorter the battery life. Current flows through battery when it is discharged
or charged. There is very little that can be done for discharging, because it depends on number
of power outages in utility line.
The ABM is very valuable feature since most of the time battery does not need any charging.
The charging is controlled and initiated on the following occasions:
- When turning the unit on
- After 18 days without charging
- If the open cell voltage decreases below predetermined voltage level
Hence, the function of ABM system is to prolong the battery life considerably compared to
traditional system that uses float-charging technology. This means that there is no current going
through batteries all the time and causing corrosion. In a traditional online UPS the inverter also
causes ripple-current to be fed to batteries causing corrosion.
Feature: Hot Sync® technology
The UPS product features U.S. #5,745,365 patented paralelling technology that provides N+X
redundancy without introducing a single-point-of-failure. The products utilising the Hot Sync are
completely autonomous and the only thing common among them is the critical output power
bus.
The Hot Sync is 100% mathematical firmware that makes it more reliable than traditional
paralleling techniques. Because the solution is implemented intrinsically, and Hot Sync is
always active, the UPS modules can operate with or without redundant units.
•
•
•
•
•

9UPS 20-30 kVA, 230 V 50/60 Hz output
User’s Guide
1026743
Revision B
A parallel UPS system means the linking together of two or more UPS units in parallel so that in
the unlikely event one fails the other can automatically take up the load. Traditionally a parallel
redundancy configuration is achieved by having a random or fixed master-slave relationship
among the UPS units. This master logic gives out individual commands to all the slaves units.
Unfortunately this can lead to a single-point-of-failure for the whole system because if the master
logic or communication to slaves fails, and causes the whole UPS system to be in trouble.
The Hot Sync® technology was developed to allow parallel capacity system and to maintain
the highest system availability. An industry leading paralleling technology in its own right,
the patented Hot Sync enables you to set up a parallel redundant system giving you 100%
conditioned power at all times. Its unique digital design eliminates the system level single
point of failure inherent in traditional parallel UPS modules, and exponentially increases the
reliability of the overall system.
Hot Sync allows up to four UPS units to cover the same load in parallel and redundant
configuration. No vulnerable master logic is needed in this patented design. It provides
automatic load sharing and module level redundancy with nothing other than the power
connecting the Hot Sync version of UPS modules.
Basic system configuration
The following basic UPS system configurations are available:
A single UPS system:
- UPS cabinet with 0-4 battery strings 20-30 kVA
- Runtime with internal batteries 20 kVA: up to 31 minutes
30 kVA: up to 20 minutes
- External battery cabinet For longer runtimes
- LCD display for easy configuration Standard
- Remote display Optional
A parallel UPS system
- Up to four units can be paralled
Figure 2 UPS configuration with two External Battery Cabinets.
Adding optional accessories can enhance the UPS system configuration. These include for
example XSlot communication adapters.
•
•

10 UPS 20-30 kVA, 230 V 50/60 Hz output
User’s Guide
1026743
Revision B
3. Mechanical installation
The UPS and accessories are delivered on a specifically designed pallet that is easy to move
with a forklift or a pallet jack. Keep the UPS always in upright position and do not drop the
equipment. Do not either stack the pallets because of high-energy batteries involved and the
heavy weight
Delivery check
The UPS is delivered with the following items:
Plastic bag containing:
Quick Installation Guide, paper format, multilingual (coming later)
User’s Guide, paper format, English language
User’s Guide, CD-ROM format, multilingual (coming later)
Residual voltage warning stickers
Software Suite, CD-ROM format, English language
RS-232 serial cable for the Software Suite
Delivery documents
Unpacking and visual inspection
Check that there are no signs of shipping damages. The outside ’Tip&Tel’ indicator should be
intact if the equipment has been transported in the upright position.
Note!
A claim for shipping damage must be filed immediately and the carrier must be
informed within 7 days of receipt of the equipment. The packing materials should
be stored for further investigation.
Unpack the equipment by removing the packing and shipping materials. Make a visual
inspection and check that the inside ‘Drop&Tell’ indicator is intact. Remove the equipment from
the pallet and make sure that the floor surface is solid and suitable for the wheeling and heavy
weight.
•
•

11UPS 20-30 kVA, 230 V 50/60 Hz output
User’s Guide
1026743
Revision B
Figure 3 Unloading the equipment from the pallet.
Check the information on the type designation label of the equipment to verify that the unit is of
the correct type. The type designation label includes ratings, a CE marking, a type code, a part
number and a serial number. The serial number is important when making inquiries. It allows
individual recognition of the equipment.

12 UPS 20-30 kVA, 230 V 50/60 Hz output
User’s Guide
1026743
Revision B
4. Planning before installation
The equipment must be installed in upright position. The equipment requires space to front and
back to enable cooling airflow. Service and maintenance require 500 mm clearance on right
hand side. All cooling air enters at front and exits at unit rear. The required min. clearance from
unit rear to an obstruction is 250 mm. Because the service and user access is in the front there
should be reserved enough space (min 600 mm).
It is required to arrange ventilation of the UPS room. Sufficient amount of air cooling is needed
to keep the max. room temperature rise at desired level:
Temperature rise of max. +5°C requires the airflow of 600 m3 per 1 kW of losses.
Temperature rise of max. +10°C requires the airflow of 300 m3 per 1 kW of losses.
An ambient temperature of 15 to 25 Celsius degrees is recommended to achieve a long life of
the UPS and batteries. The cooling air entering the UPS must not exceed +40 °C. Avoid high
ambient temperature, moisture and humidity.
The floor material should be non-flammable and strong enough to support the heavy load. The
UPS has (4) leveling feet that should be used when finalising the installation. The diameter of a
single leveling foot is 29 mm.
Equipment Weight Point Distributed Note
20-30 kVA 20-30 kVA 20-30 kVA
UPS w/o BAT 200 kg 7.57 kg/cm2531 kg/m2No Batteries installed
UPS+1 BAT 300 kg 11.35 kg/cm2797 kg/m21 Battery string installed
UPS+2 BAT 400 kg 15.14 kg/m21063 kg/m22 Battery strings installed
UPS+3 BAT 500 kg 18.92 kg/cm21328 kg/m23 Battery strings installed
UPS+4 BAT 600 kg 22.71 kg/cm21594 kg/m24 Battery strings installed
EXT BAT 0 150 kg 5.67 kg/cm2401 kg/m2No Batteries installed
EXT BAT 1 510 kg 19.29 kg/cm21362 kg/m21 Battery string installed
EXT BAT 2 870 kg 32.90 kg/cm22323 kg/m22 Battery strings installed
Table 1 The floor surface must tolerate loading.
•
•

13UPS 20-30 kVA, 230 V 50/60 Hz output
User’s Guide
1026743
Revision B
5. Cabinet installation
The required distance for UPS units next to each other is ten millimetres. The same applies
to the optional battery cabinets that should be installed next to the UPS cabinet. It is
recommended to install the battery cabinet on the left hand side of the UPS.
Figure 4 UPS and external battery cabinets.
Note!
UPS cabinets can fall over if the shipping brackets are not used. Both rear and front
shipping brackets must be used to secure the UPS cabinet to the floor.
The UPS family has several alternative battery cabinets and configurations depending on the
selected back-up time and quality of batteries.

14 UPS 20-30 kVA, 230 V 50/60 Hz output
User’s Guide
1026743
Revision B
Figure 5 Powerware 9155 20-30 kVA layout: 1:Graphical LCD; 2:XSlot-1; 3:XSlot-2; 4:Fans; 5:Input
(rectifier) breaker “F2 MAINS”; 6:Battery start button; 7:Battery breaker “F1 BATTERY”; 8-13:
Connectivity terminals; 14:Ground terminal; 15:MBS; 16:Power cable terminals

15UPS 20-30 kVA, 230 V 50/60 Hz output
User’s Guide
1026743
Revision B
Maintenance bypass switch
The maintenance bypass switch (MBS) shall be mounted in the bottom of the UPS cabinet. It
can be ordered factory installed.
External battery cabinet option
It’s recommended to install external battery cabinet(s) next to the UPS unit. The external battery
can be placed on either side of the UPS unit, but it is recommended to instal on left hand side.
Check before the installation that the battery voltage values in the type plate of the UPS and
external battery cabinets are the same. The cables are delivered with the external battery cabinet.
Warning!
The UPS contains high DC voltages. A qualified person must do the connections
between the UPS and the external battery cabinet(s). The battery cabinet is
connected electrically in parallel with the internal batteries of the UPS.
Warning!
If available, the internal battery has to be disconnected first because the external
battery terminals may be hazardous due to parallel battery strings.
Battery racks
External battery racks shall be sized to take the voltage drop in the cable into account. To obtain
support and help contact the local office or agent authorised by the manufacturer.

16 UPS 20-30 kVA, 230 V 50/60 Hz output
User’s Guide
1026743
Revision B
6. Electrical installation
The customer has to supply the wiring to connect the UPS to the local power source. The
electrical installation procedure is described in the following text. The installation inspection
and initial start up of the UPS and extra battery cabinet must be carried out by a qualified
service personnel such as a licensed service engineer from the manufacturer or from an agent
authorised by the manufacturer.
Warning!
Physical injury or death may follow, or damage may occur to the UPS, or the load
equipment if these instructions are ignored.
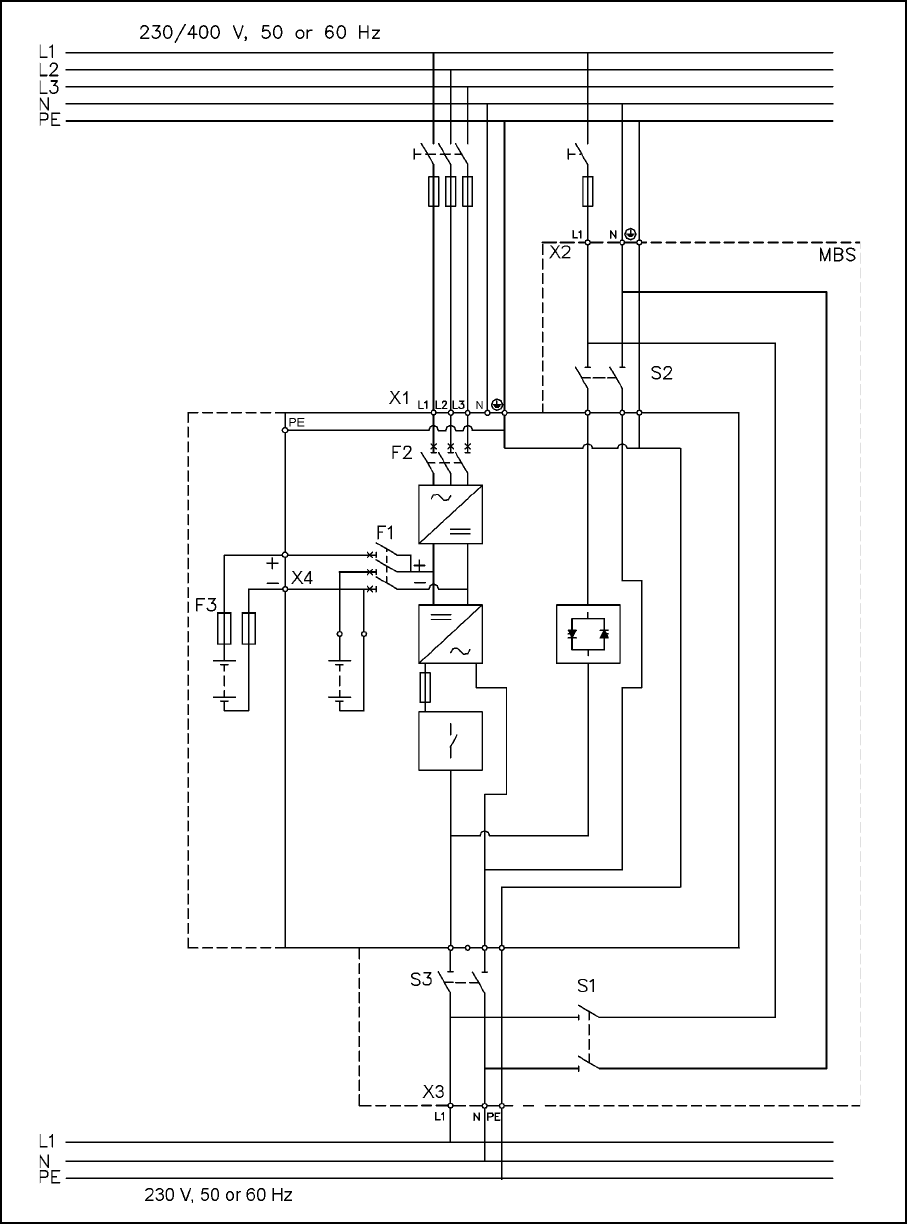
Figure 6 Location of the power terminals. S1:Service Bypass Switch; S2:Static Bypass Input Switch;
S3:UPS Output Switch. Make sure battery breaker is open and disconnect all internal battery strings
before operating with the terminal X4.

17UPS 20-30 kVA, 230 V 50/60 Hz output
User’s Guide
1026743
Revision B
The UPS unit has the following power connections:
Three-phase (L1, L2, L3), Neutral (N) and protective earth (PE) connection for the rectifier
input (Note: N is only an open tie point)
Single-phase (L1), Neutral (N) and protective earth (PE) connection for the bypass input (N
is common for rectifier and bypass inputs)
Single-phase (L1), Neutral (N) and protective earth (PE) connection for the load output
Plus (+), minus (-) and protective earth (PE) connection for the external batteries
Note!
The rectifier requires a Neutral to operate. It’s connected internally from the bypass
terminal to the rectifier, see wiring diagram.
Note!
Care needs to be taken to ensure that the input supply neutral reference is not
disconnected whilst the UPS is in service.
Power cables and protective fuses
Always use copper cable types to fit terminals with approx. 1.5 Nm torque for different load
currents. The Cu cable sizing is based on multi-core cables laid in conduits/trunkings on the
wall or on the floor (installation procedure C), ambient temperature 25°C, PVC insulation,
surface temperature up to 70°C. Cables of several UPS can be installed in parallel to each other.
Standards SFS 6000-5-52 (2002) and IEC 60364-5-52 (2001-08) “Electrical installations of
buildings” with normal 1.7 x Neutral conductor rating for IT loads are used as a sizing guide.
For any other conditions, size the cables according to the local safety regulations regarding
installation environment, appropriate voltage and currents of the UPS.
Fuses are sized according to local safety regulations, appropriate input voltage and the rated
current of the UPS. Therefore, protect the input and bypass cables with gG (gL) fuses or B-C-D
type of circuit breakers against overload and short-circuit.
Contact the manufacturer’s authorised agent or the local office for assistance at fuse and cable
sizing. Refer to the recommended cable and fuse ratings in the below table.
UPS rating Input Bypass Load PE Battery
Fusing Cable Fusing Cable/L1-N Cable/L1-N I nom Cable Cable Fusing
20 kVA 3x35 A 4x10 mm² 100 A 35 mm² 35 mm² 87,0 A 16 mm² 16 mm² 2x125 A
30 kVA 3x50 A 4x10 mm² 160 A 70 mm² 70 mm² 130,4 A 35 mm² 16 mm² 2x125 A
Maximum 4x35 mm² 95 mm² 95 mm² 35 mm² 35 mm²
Table 2 Minimum Cable and fuse ratings for the different UPS ratings with installation procedure C
•
•
•
•

18 UPS 20-30 kVA, 230 V 50/60 Hz output
User’s Guide
1026743
Revision B
Wiring procedure
The power cable terminals are located in the bottom of the UPS unit. The service personnel is
responsible for the correct electrical installation.
The installation procedure:
1. Remove the cover plate(s) at the bottom or back of the UPS cabinet to make a route for
input and output wires. Refer to the dimensional drawing for the correct location at the
back of the unit.
2. Route the cables through the hole at the bottom or back of the unit. If more installation
space is needed the lowest battery shelf can be removed temporarily.
3. Connect the conductors of the rectifier and bypass input cables to the proper terminals.
4. Connect the conductors of the load cable to the proper terminals.
5. Connect the conductors of an external battery cabinet cable to the external battery +, - and
PE terminals. Check for the correct polarity. See also section External Battery Cabinet (EBC)
installation procedure.
Warning!
If available, the internal battery has to be disconnected first because the external
battery terminals are hazardous due to the parallel battery string.
The IEC/EN 62040-1 safety instructions require the fitting by the user of a warning label on all
primary power isolators installed remote from the UPS area. The warning label for electrical
maintenance personnel shall carry the following wording or equivalent:
“ISOLATE UNINTERRUBTIBLE POWER SUPPLY (UPS) BEFORE WORKING ON THIS CIRCUIT.”
A readily accessible disconnect device shall be incorporated in the building installation wiring
as shown in diagrams.

19UPS 20-30 kVA, 230 V 50/60 Hz output
User’s Guide
1026743
Revision B
Figure 7 Wiring diagram of UPS N-model with integral MBS.

20 UPS 20-30 kVA, 230 V 50/60 Hz output
User’s Guide
1026743
Revision B
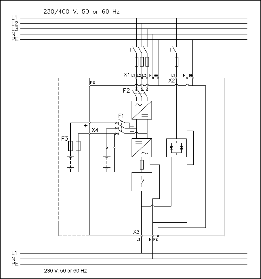
Figure 8 Wiring diagram of UPS N-model.

21UPS 20-30 kVA, 230 V 50/60 Hz output
User’s Guide
1026743
Revision B
External Battery Cabinet (EBC) installation procedure
The installation procedure is as follows:
1. The External Battery Cabinet (EBC) is recommended to be placed to left hand side of the
UPS unit.
2. The required minimum distance for UPS unit and EBC is 10 millimeters, which is also
required distance between two EBCs.
3. Turn F1 battery breaker from the UPS unit to OFF position.
4. Before connecting cables to the EBC disconnect one of the cables (+ or -) from each EBC’s
battery string and remove fuses from upper part of the cabinet. To be on the safe side,
measure the voltage accross the terminals to be 0 (zero).
Warning!
Turn F1 battery breaker from the UPS unit to OFF position and measure the voltage
accross the terminals (X4) to be 0 (zero) before any operations with terminal X4.
5. When all the EBCs are connected parallel, measure the voltage accross the terminals (X4)
to be 0 (zero) and connect cables to terminal block X4 of the UPS unit.
6. After installation place removed fuses to original position, reconnect disconnected battery
strings, check that the removed plates on right positions and turn breaker F1 to ON
position.
7. Finally change the number of battery strings from User Settings.
SETTINGS -> USER SETTINGS -> NUMBER OF BATTERY STRINGS.

22 UPS 20-30 kVA, 230 V 50/60 Hz output
User’s Guide
1026743
Revision B
7. Software and connectivity
The Software Suite CD-ROM that is bundled with the UPS contains software distributions and
documentation in CD format. Furthermore, the comprehensive connectivity option portfolio
includes Web/SNMP adapters for networked environments, Modem card for 24/7 remote
monitoring, ModBus/Jbus card for building management system integration, relay interface
cards for industrial and facilities use and RS-232 cards for serial communication to one or
multiple computers.
Communication cables
It is recommended that the control cables and power cables be installed on separate trays.
Where control cables will cross power cables make sure they are arranged at an angle as near
to 90 degrees as possible.
All control cables shall preferably be shielded. If the shield is grounded, this shall take place on
only one end of the cable.
The procedure for connecting the control cables is the following:
1. Remove the door by opening locks and lifting the door away of its original position.
2. Locate the control terminal or XSlot module where you want to install the communications
cable.
Figure 9 Location of control cable terminals and LCD display: 1:Graphical LCD; 2:XSlot-1; 3:XSlot-2; 4:
Signal inputs (X44 &X45); EPO (NC (X12) & NO (X52)); RS-232 (X53); Relay output (X57).

23UPS 20-30 kVA, 230 V 50/60 Hz output
User’s Guide
1026743
Revision B
Connection to the standard RS-232 port (X53)
The standard RS-232 interface uses 9-pin female D-sub connector. It shall be used with the
delivered cable for a computer or external modem connection. The data is transmitted with XCP
protocol that includes status and meters information about the UPS. The RS-232 port has the
following format:
Communication speed 19200 bps*
Data bits 8
Parity None
Stop bits 1
Handshake None
*Communication speed can be changed via LCD menu
Figure 10 Identification of the interface port pins.
LanSafe software
LanSafe software shuts down computers and whole networks in case of an extended power
failure. It provides basic monitoring, data logging, notification and event actions for a single
UPS solution. The software is bundled free of charge in Software Suite CD.
The connection procedure for the RS-232 interface port is following:
1. Connect the RS-232 communication cable to the computer.
2. Connect the RS-232 communication cable to the serial interface on the UPS.
3. Run the UPS software installation disk (Software Suite CD) on the computer.
Note!
If communication does not work choose the correct bit rate from the LCD display.
Please refer to the optional software documentation for appropriate bit rate settings.
•
•
•
•
•

24 UPS 20-30 kVA, 230 V 50/60 Hz output
User’s Guide
1026743
Revision B
External control connections
The UPS has an input/output interface for direct communication with your computer system. It
is located behind the front door of the UPS unit. The cables connected to these terminals should
be connected to cable clips.
Input and output terminals have a functional isolation from terminal to terminal. They are
connected to the chassis through individual 1 MΩ resistors.
Figure 11 External control cable connections to the UPS.
Note!
Pay attention to proper polarity if one is using a semiconductor switch type. A relay
or other maintenance control is a preferred method.
Emergency Power Off (EPO)
This input is used to shut down the UPS from a distance. This feature can be used for
emergency power down. There are two modes of operation, normally closed at X52 and
normally open at X12. Remote shut down terminal X52 pins 1 and 2 are as factory default linked
(X12 is open). When the loop on X52 is opened, the logic circuitry will immediately shut down
the UPS output and open the battery breaker (F1).
Note!
EPO does not necessarily disconnect supply to load when unit is on internal or
external bypass. Quaranteed disconnection of bypass supply has to be through a
separate disconnect switch located in the supplying switchgear cabinet.

25UPS 20-30 kVA, 230 V 50/60 Hz output
User’s Guide
1026743
Revision B
In order to have the UPS running again pins 1 and 2 of connector X52 have to be reconnected
and the UPS started manually. The pins must be shorted in order to keep the UPS running.
Maximum resistance is 10 ohm. The EPO shall not be galvanically connected to any mains
connected circuits. Reinforced insulation to the mains is required. See also “Start-up after EPO”.
If the use of normally open EPO operation is desired, the loop on X52 has to be retained and the
normally open EPO switch connected to X12. Operation is as above.
Relay outputs
The UPS incorporates a programmable relay output with potential free contacts at X57 for
remote alarm indications. It is rated for max. 30 VAC 1 A or 60 VDC 0,2 A nominal values.
Additional (4) relay outputs can be obtained with the XSlot compatible AS/400 Relay Module.
For more information, see the section “Using relay outputs”.
Warning!
The relay contacts must not be directly connected to mains related circuits.
Reinforced insulation to the mains is required.
Programmable signal inputs
The UPS incorporates two programmable inputs (X44, X45). Use of a non-polar (relay) control
input is recommended. The pins must be shorted with maximum resistance of 10 ohm in order
to activate the specific input.
Note!
Please note the polarity of the inputs as indicated in the external control
connections if used with a polarity control.
The default and programmable settings for the signal inputs are
a) Disable Bypass Operation
If active the automatic transfer to the static bypass is prevented.
b) Charger off
If active the batteries charging is disabled. In case of mains power outage the discharge of
batteries is supported.
c) Remote ON/OFF
If active the UPS output turns off regardless of mode of operation. Auxiliary power, fan,
communications and rectifier/battery charger shall remain functional. Restart initiated
immediately when inactive.
d) Request Bypass
If active the UPS transfers to bypass if bypass voltage, frequency and synchronisation are
ok.

26 UPS 20-30 kVA, 230 V 50/60 Hz output
User’s Guide
1026743
Revision B
e) Request Normal
If active the UPS transfers to inverter operation if not prohibited by EPO or alarm condition.
f) Force Bypass
If active the UPS is forced to static bypass operation regardless of the bypass status.
g) External Battery Breaker Status
If active the UPS knows that the batteries are disconnected.
h) Building alarm 1-6
These can be activated separately or at the same time with other building alarms.
i) Not in use (default)
j) Shutdown
If active the UPS will shutdown immediately.
k) Delayed Shutdown
If active the UPS will shutdown after user configurable delay time. Restart initiated
immediately when inactive.
l) Normal/Bypass
If active the UPS transfers to bypass if ok. If inactive the UPS transfers to inverter when
possible.
m) Output transformer over temperature
If active the UPS output turns off after user configurable delay time.
n) Input transformer over temperature without bypass
If active the UPS will start to operate on battery or shutdown when batteries not available
after one minute delay.
o) Input transformer over temperature with bypass
If active the UPS will start to operate on battery or transfer to bypass after one minute delay.
XSlot communication
XSlot modules allow the UPS to communicate in a variety of networking environments and
with different types of devices. The UPS incorporates two (2) empty XSlot communication bays.
Figure 12 Location of empty XSlot bays.

27UPS 20-30 kVA, 230 V 50/60 Hz output
User’s Guide
1026743
Revision B
The UPS supports two serial communication devices according to the table below.
Independent Multiplexed
Configuration XSlot-1 XSlot-2 Std. RS-232 port
Default #1 Any XSlot Module Any XSlot Module Not in use
Default #2 Any XSlot Module Relay Module Available
Default #3 Any XSlot Module Not in use Available
Default #4 Any XSlot Module Hot Sync card Available
Table 3 Typical XSlot configurations for UPS communication.
Web/SNMP Module (optional)
The module supports HTTP and SNMP compliant remote monitoring and shutdown for
the protected computer systems. It can be connected to a twisted-pair Ethernet network
(10/100BaseT) using an RJ45 connector.
The Web/SNMP module has a build-in switching hub that allows three (3) additional network
devices to be connected to the network without the requirement of additional network drops.
In addition, an Environmental Monitoring Probe (EMP) can be requested from the UPS
manufacturer to obtain humidity, temperature and two relay inputs. It is connected to the
communication port of the Web/SNMP module as option.
Figure 13 ConnectUPS-X Web/SNMP Module and Environmental Monitoring Probe (EMP).
AS/400 Relay Module (optional)
The Relay Module provides potential free relay interface for AS/400 connected computers and
industrial applications. The relay interface supports both 15-pin D-sub connector and terminal
block connections up to four (4) potential free relays.
The relay contacts are rated for 1 A, 30 Vac or 200 mA, 60 Vdc, and they have a galvanic
isolation from the other circuits of the UPS unit.

28 UPS 20-30 kVA, 230 V 50/60 Hz output
User’s Guide
1026743
Revision B
Figure 14 AS400 Relay Module.
Single Serial Port Module (optional)
To establish communication between the UPS and a computer, connect your computer to the
UPS communication port using the supplied communication cable.
When the communication cable is installed, power management software can exchange data
with the UPS. The software polls the UPS for detailed information on the status of the power
environment. If a power emergency occurs, the software initiates the saving of all data and an
orderly shutdown of the equipment.
Modbus/Jbus Module (optional)
The Modbus module provides monitoring and integration to the Building Management
Software (BMS) such as Wonderware. It features continuous and reliable communication
through isolated DB9 ports (RS485/RS232) or a terminal strip (RS485).
Figure 15 Modbus/Jbus Module.

29UPS 20-30 kVA, 230 V 50/60 Hz output
User’s Guide
1026743
Revision B
8. User operations
The UPS has a four-button graphical LCD with backlight. It provides useful information about
the unit itself, load status, events, measurements, and settings.
The LCD backlight is switched on by pressing any button. It has a timeout that automatically
switches off after 15 minutes of inactivity.
Display functions
As default and after 15 minutes of inactivity the UPS is showing the selectable start screen:
1. Logo screen (Product name)
2. Mimic screen (See User Settings on LCD screen)
The screen backlit has automatic shutdown after long period of inactivity. It will light up once a
button is pushed. The right side button will initiate the text to the screen. The scrolling through
the menu structure is done with buttons indicated by the ↑ ↓ images of the LCD screen. The
menu structure is shown in the table below. There are small differences in the menu structure
between single and parallel mode.
Parallel
Mode
Single
Mode Main Menu Submenu Menu functions
I
x x UPS STATUS ->
UPS off / System normal / UPS supporting load / UPS on battery
/ UPS on bypass / +active alarms and notices / +battery status
(resting, charging, floating, not connected, discharging)
I
x x EVENT LOG -> Notice / Alarm
I
x x MEASUREMENTS
PARALLEL
SYSTEM Parallel unit 1...4 kW/Parallel total kW
OUTPUT Voltage / Current / Frequency / Power
BATTERY Voltage / Current / Runtime
INPUT Voltage / Current / Frequency
BYPASS Voltage / Frequency
I
x x CONTROL -> Goto bypass / Battery test / Display test / Reset error state
I
x x SETTINGS
USER SETTINGS
Date / LCD contrast / Change language / Relay config / Signal
inputs / Serial port config / Parallel operation settings / Start
screen / User password / Audible alarms / Battery charging
method / +list of std. settings
SERVICE
SETTINGS
Adjust parameters / Adjust events / Reset custom / Clear history
/ + modem call settings
I
x x IDENTIFICATION -> UPS Type / Part nro. / Serial nro / Revisions
I
x TURN UPS ON -> -
I
x TURN UPS OFF
I
x TURN SYSTEM ON
I
x TURN UPS OFF
I
x TURN SYSTEM OFF
Table 4 Menu map for display functions.

30 UPS 20-30 kVA, 230 V 50/60 Hz output
User’s Guide
1026743
Revision B
User Settings
The UPS has the following typical settings that are user configurable. Note that some of the
settings become effective at the next start-up of the UPS. User settings can configured via the
front panel. Select: SETTINGS -> USER SETTINGS.
Description Available settings Default setting
General:
Display contrast adjustment + / - Moderate
Display language [English], [Spanish], [French], [German] English (British)
Date & time [xxxx-xx-xx] 0001-01-01
Audible alarms [Normal], [Disabled] Normal
Normal screen in display [logo], [mimic] Product name
User settings password [Not required], [Set] Not required
Nominal values:
Nominal output voltage (L-N) [220], [230], [240] 230 Volts
Nominal output frequency [50 Hz], [60 Hz] 50 Hz
Rectifier phase current limit Step: 1 A 56 A
Communication and connectivity:
Disable control commands [Enabled], [Disabled] Disabled
Communication speed [1200], [2400], [9600], [19200] 19200 bps.
Std. relay output function [UPS ON/OK], [Custom], [Battery low],
[System on bypass], [System on battery] UPS ON/OK
Signal input #1-2 function [Empty], [see Signal inputs] Empty
Hardware remote off delay for hardware
Remote off with restart function. Step: 1 sec. 120 sec
XSlot relay output 1-4 function [Nothing], [see Signal inputs]
XSlot defaults:
#1: on battery
#2: battery low
#3: UPS on/ok
#4: on bypass
XSlot input signal (long break via Rx) Nothing
XSlot shutdown signal activation delay before
the signal is accepted. Step: 1 sec. 5 sec
Bypass and syncronisation:
Usage of bypass [Enabled], [Disabled] Enabled
Require synch at transfer on bypass [Required], [Not Required] Not required
Transfer on bypass on overload [Immediately], [after delay] Immediately
Synchronization enable [Enabled], [Disabled] Enabled
Bypass voltage deviation high limit +1% ... +20%, step: 1% +10%
Bypass voltage deviation low limit -1% ... -20%, step: 1% -15%
Synchronization window 0.5 ... 3.0 Hz, step: 0.1 Hz ±2.0 Hz
Frequency slew rate (not in parallel mode) 0.1 ... 3.0 Hz/s, step 0.1 Hz/s 0.2 Hz/s

31UPS 20-30 kVA, 230 V 50/60 Hz output
User’s Guide
1026743
Revision B
Battery information and settings:
ABM charging cycling disable [Enabled], [Disabled] Enabled
Charging temp compensation [Enabled], [Disabled] Enabled
Battery size setting Step: 1 Watts/cell 24 Watts/cell
Number of 36 pcs. battery strings 0 (no batteries), 1, 2, 3, 4... 1 string
Battery low alarm level Step: 0.01 V/cell 1.88 V/cell
Automatic battery support test [Enabled], [Disabled] Enabled
Maximum charging current Step: 0.1 A [max. 25 Amps] 6 Amps
Output on, automatic delay time before turning
the output on [Disabled], [Set delay, step: 1 sec] 0 sec.
Output off, automatic delay time on battery
after which output is turned off [Disabled], [Set delay, step: 1 sec] Disabled
User preferences:
Operation priority while rectifier input break [On battery], [On bypass] On battery
Site wiring fault w/ wrong Neutral connection [Enabled], [Disabled] Enabled
Power Strategy [Standard], [High Efficiency] Standard
Parallel settings:
Parallel unit number [Single unit], [Unit #1], [Unit #2], [Unit #3],
[Unit #4] Single unit
Parallel operation mode [Redundant mode], [Capacity mode] Redundant mode
Synchronization [Enabled], [Disabled] Enabled
Start auto calibration
Parallel XCP [System], [Unit] System
Minimum units to support load [0], [1], [2], [3], [4] 2
Table 5 User setting in the LCD menu screen.
32 UPS 20-30 kVA, 230 V 50/60 Hz output
User’s Guide
1026743
Revision B
Changing language
Pressing and holding down the first button on the left for about 3 seconds is a shortcut to the
language menu. This action is possible from any LCD menu screen.
The default firmware has four main languages: English, Spanish, French and German. Other
local language packages including Chinese, Greek and Russian can be requested from the local
service representative.
Using relay outputs
Relay outputs can be used for remote alarm indications.
Each relay has four standard pre-programmed settings for alarms:
On bypass, UPS ok, battery low and on battery
One of the standard relay setting is ‘Custom’, which can be customised by the user.
The procedure to customise alarms:
1. Push any key of the control panel to enable the functions on the LCD screen.
2. First select “SETTINGS”, then “USER SETTINGS” and finally “RELAY CONFIG” from the
LCD menu.
3. Select the relay what is needed to be configured (ALARM-1 is fixed relay output X57).
4. Select “empty” to clear old settings.
5. Select “custom” and activate needed alarms with the button on the right.
6. After the selection press “OK” button.
7. Finally test that UPS alarms correctly.
Normal start-up
Check the mechanical and electrical installation of the UPS before start-up. Go through the
checklist below together with another person.
Check
Read the attached safety manual before you work on the unit.
The unit is fixed according to maintenance installation
The ambient conditions are within specification.
The cooling air will flow freely.
The UPS is grounded properly.
The input and bypass voltages match the UPS nominal voltage.
The input, bypass, battery and output terminal connections are OK
Appropriate input and bypass fuses and disconnectors are installed.
Appropriate backfeed warning sign for disconnectors are installed.
Appropriate cables sizes are used.
The external control connections inside the UPS are OK.
There are no tools, foreign objects or dust inside the UPS from the installation.
Covers are in place.
Optional MBS is placed to UPS position as default.
•

33UPS 20-30 kVA, 230 V 50/60 Hz output
User’s Guide
1026743
Revision B
You are then ready to proceed with the starting up the UPS:
1. Turn the battery breaker (F1 BATTERY) and input circuit breaker/switch (F2 MAINS) to ON
position.
2. UPS will enter a stand-by mode and starts to charge batteries with three upper cooling fans
operational. Output is without the voltage in the stand-by mode.
3. Push any key of the control panel to enable the functions of the LCD screen
4. Select “TURN UPS ON” from the LCD menu (see: Display Functions)
5. Press and hold ↵ button for 2 sec. There is a “ticking” sound during the hold.
The UPS shall check its internal functions, synchronise to bypass and start to supply the load.
The green LED is blinking if there occurs an active notice. In normal operation the green LED is
constantly lit if no new active notices present.
The output voltage shall be verified from the output measurements screen of the LCD. If there is
voltage in the output then UPS is supplying the load.
Battery start-up
UPS will start on battery if mains is not available. In battery start-up battery breaker need to be
closed and the battery start button (on the left hand side of the battery breaker) pressed till the
diplay lights up and the UPS has been started from LCD menu.
Start-up after EPO
1. Find out the reason that caused EPO
2. Check that there are no risk to start the UPS again and close EPO
3. Follow Normal start-up check list and procedure
Shutdown
The procedure to shutdown from LCD is following:
1. Push any key of the control panel to enable the functions of the LCD screen
2. Select “TURN UPS OFF” from the LCD menu (see: Display Functions)
3. Press and hold ↵ button for 5 sec. There shall be an indication sound during the hold.
4. UPS will enter a stand-by mode and continues charging batteries with three upper cooling
fans operational. Output is without voltage in the stand-by mode.
5. Press and hold ↵ button for 5 sec. There shall be an indication sound during the hold.
6. UPS shall do a shutdown routine.
7. Turn the battery breaker (F1) and input circuit breaker (F2) to OFF position to finalise the
shutdown procedure.
Note!
The behaviour is different if UPS is turned off from the programmable input or
through communication cards. If battery and input circuit breakers are left ON,
UPS will enter a stand-by mode and starts to charge batteries with a cooling fan
operational. Output is without the voltage in the stand-by mode.

34 UPS 20-30 kVA, 230 V 50/60 Hz output
User’s Guide
1026743
Revision B
9. Maintenance
All operations inside the unit must be performed only by a service engineer from the
manufacturer or from an agent, authorised by the manufacturer.
The troubleshooting procedure gives simple remedial if a malfunction occurs in the UPS.
The operator should start the trouble shooting if there is an active alarm indicated on the LCD
screen. Service should be contacted if the active alarm is abnormal and displayed as a service
code.
Call service if you are not able to solve the problem.
LCD display Description Action
Overload
The connected load needs more power
than the UPS is rated to provide. The
inverter or static bypass is supplying the
excessive load level.
Shut down the least important load that
is connected to the UPS. The UPS should
switch back to normal operation once the
load level is acceptable.
Battery test failed Your batteries are detected to be faulty.
Batteries should be replaced and you need
to contact the local office or representative
of the UPS manufacturer.
Battery low
The UPS is operating in stored energy
mode. It will shut down soon due to low
battery voltage.
Make controlled shutdown of the protected
load immediately to prevent loss of data.
On battery The UPS is operating in stored energy
mode.
Save your data and perform a controlled
shutdown of your load.
Overtemperature High UPS temperature is detected.
Check that fans are operational and
ventilation holes are not blocked. Make
sure the ambient temperature is not
excessive
Table 6 Typical alarms displayed in the LCD screen of the UPS unit.
Regular service/intervals
The UPS requires very little maintenance if installed in an appropriate environment. In order
to ensure maximum availability of the UPS, manufacturer recommends signing a proactive
service agreement with a local authorised service provider.
Maintenance Interval
Batteries change ~ 3-5 years / service
Batteries test ~ 18 months / service
Cooling fan change ~ 5 years / service
Table 7 Routine maintenance intervals recommended by the manufacturer.

35UPS 20-30 kVA, 230 V 50/60 Hz output
User’s Guide
1026743
Revision B
Batteries
The condition of the batteries is crucial for operation. The UPS will indicate by audible and
visual alarms if the capacity of the battery bank has decreased. The UPS units are provided
with the automatic battery test and ABM management function to continuously monitor the
condition of the battery bank.
Servicing of batteries should be performed or supervised by personnel knowledgeable about
batteries and required precautions. When replacing batteries, replace with the same type and
number of batteries.
CAUTION
RISK OF EXPLOSION IF BATTERY IS REPLACED
BY AN INCORRECTED TYPE.
DISPOSE OF USED BATTERIES ACCORDING
TO THE INSTRUCTIONS
Note!
Do not dispose of batteries in a fire. The batteries may explode.
Do not open or mutilate batteries. Released electrolyte is harmful to the skin and
eyes. It may be toxic.
Cooling fan
The cooling fan lifespan of the UPS unit is about 60 000 operating hours. The actual lifespan
depends on the environment and ambient temperature.
Fan failure can be predicted by increasing noise from the fan bearings. The fan replacement is
recommended once this symptom starts appearing.
Do not use other than manufacturer’s specified spare parts.
LED Indicators
The UPS unit has (4) LEDs to indicate the status.
Graphical sign LED Description Note
Green UPS status is ok. Blinking when a new notice message is
active.
Yellow 1 UPS is in battery mode
Yellow 2 UPS is in bypass mode
Red UPS has an active alarm Blinking when new alarm is not reset
and still active.
Table 8 Description of the LED indicators.

36 UPS 20-30 kVA, 230 V 50/60 Hz output
User’s Guide
1026743
Revision B
Maintenance bypass switch (MBS) operation
The maintenance bypass switch may be as standard or as optional in your system depending
on the ordered configuration. The operation of the MBS is allowed for a trained person only
who is familiar with the UPS behaviour and functions. The full UPS wiring diagram with a MBS
switch is presented in the installation part of the manual. The MBS is located in the bottom of
the UPS near power terminals
Note!
The MBS consist of three switches and failure to understand the correct sequence
may drop the critical load.
Figure 16 The normal positions of the three MBS switches.
Turn UPS from normal mode to maintenance bypass mode (service bypass mode)
The procedure to turn the UPS to maintenance bypass switch is described below.
Figure 17 The normal (UPS supplying the load) positions of the three MBS switches.
No break transfer from normal mode to Service Bypass:
1. The normal start position should be following:

37UPS 20-30 kVA, 230 V 50/60 Hz output
User’s Guide
1026743
Revision B
2. Use LCD to turn the UPS on internal static bypass mode. Select: CONTROL -> GO TO
BYPASS MODE. Remember to verify the transfer before proceeding the next step.
3. Remove the locking plate of the S1-3 switches.
4. Turn ON the S1 switch to bypass UPS:
5. Turn OFF the S3 switch to disconnect UPS output:
6. Use LCD to turn UPS OFF.
7. Turn F1 battery breaker and F2 input to OFF position.
8. Turn OFF the S2 switch to disconnect UPS bypass input:
9. Remount the locking plate of the S1-3 switches to the position to prevent the use of them.
10. UPS is now in the maintenance bypass mode, see below:
Turn UPS from maintenance bypass to normal mode
The procedure to turn the UPS back to normal mode is described below.
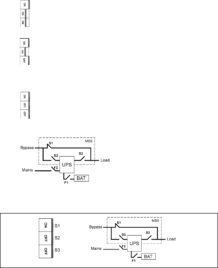
Figure 18 The service (bypass supplying the load) positions of the three MBS switches.

38 UPS 20-30 kVA, 230 V 50/60 Hz output
User’s Guide
1026743
Revision B
No break transfer from Maintenance Bypass to normal mode:
1. The normal start position should be following:
2. Turn ON S2 switch to connect bypass input to UPS:
3. Turn the F1 battery breaker and F2 input breaker/switch to ON position.
4. Use LCD to “Turn UPS on” and wait until fully started.
- Make sure the UPS is not displaying alarms or notices alarm with the green LED lit.
- You may verify the output voltage from the meters screen of the LCD.
5. Use LCD to transfer the UPS to internal static bypass. Remember to verify the transfer
before proceeding the next step.
6. Turn ON S3 switch to connect UPS output to load:
7. Turn OFF S1 switch to disconnect bypass output:
8. Use LCD to transfer the UPS to normal mode. Select: CONTROL ® GO TO NORMAL MODE.
9. UPS is now in Normal mode, see below:

39UPS 20-30 kVA, 230 V 50/60 Hz output
User’s Guide
1026743
Revision B
10. Parallel systems
Overview
Parallel UPS configurations are recognised as either redundancy or capacity systems. The
redundancy system is used to improve the system reliability with N+1 redundant UPS module.
The capacity system for its part provides the maximum output power without focusing to the
highest system reliability.
A parameter selection is used to switch between the redundancy and capacity modes. It is
important to remember that the mode is affecting to the output power rating and overall system
reliability.
UPS modules of the parallel system share equally the load with Hot Sync™ technology. The
parallel outputs can be combined in a System Parallel Module or cabinet. It is the system
component containing the obligatory service switches. Customer’s low-voltage distribution
panel can also be used instead of the System Parallel Module. In the redundancy system,
service switches enable the maintenance or service on an UPS module. In the capacity system,
one needs to have a common system bypass switch to do the maintenance or service without
safety hazards.
Figure 19 Parallel configurations with UPS modules.
Field upgrading can be used to extend existing capacity/redundancy systems with UPS
modules. The upgrading must be carried out by service personnel from the manufacturer or
from an agent authorised by the manufacturer.

40 UPS 20-30 kVA, 230 V 50/60 Hz output
User’s Guide
1026743
Revision B
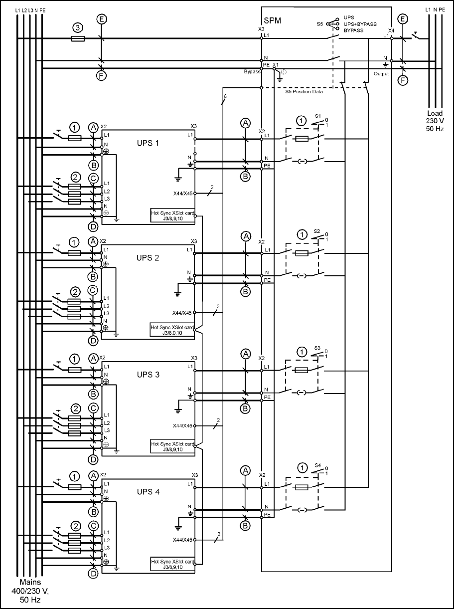
Figure 20 Example of wiring diagram for parallel systems

41UPS 20-30 kVA, 230 V 50/60 Hz output
User’s Guide
1026743
Revision B
Table 9 Minimum cable and fuse ratings for the different parallel systems with installations procedure C
Note!
Protection fuses need to be used for load cabling if manufacturers SPM (or similar)
not used.
Required parallel system wiring length should be in accordance with the following rule, as
referenced to the diagram below to ensure approximately equal current sharing when in static
bypass mode (see figure below):
Total length of 1A + 1B = Total length of 2A + 2B
= Total length of 3A + 3B
= Total length of 4A + 4B
This rule has a tolerance of approximately ± 10% for the combined input and output wire lengths.
If installing only two UPS modules (redundant), this requirement is no longer required as each
UPS is capable of supporting the full bypass requirement. However, this would preclude future
expansion.
The recommended length of B cables is 2 m or more.
UPS module Bypass Input X2 Rectifier Input X1
Cable A Cable B Fuse 1 Cable C Cable D Fuse 2
20 kVA 35 mm216 mm2100 A 10 mm210 mm235 A
30 kVA 70 mm235 mm2160 A 10 mm210 mm250 A
SPM System Bypass
Cable E Cable F Fuse 3
40 kVA 95 mm250 mm2200 A
60 kVA 120 mm270 mm2315 A
80 kVA 2x95 mm22x50 mm2400 A
90 kVA 2x150 mm22x70 mm2500 A
120 kVA 2x185 mm22x95 mm2630 A

42 UPS 20-30 kVA, 230 V 50/60 Hz output
User’s Guide
1026743
Revision B
Figure 21 Bypass wiring diagram and cable length notes
Aux. MBS contacts
Position data connection between SPM and UPS should also be done before taking system in
operation. Follow the procedure below to build up position data connection:
1. Remove the door from the UPS.
2. Connect the cables in UPS’s programmable input terminal X44 or X45.
3. Connect communication cables to terminals 1 and 2 for UPS Module #1 and to terminals
3 and 4 for UPS Module #2 in the SPM.
Note!
Signal input cables need to be connected to all UPS when used.
Before proceeding see the Start-up procedure.
4. Start the UPS(s) if not already started.
5. Push any key of the control panel of the UPS to enable the functions on the LCD screed

43UPS 20-30 kVA, 230 V 50/60 Hz output
User’s Guide
1026743
Revision B
6. First select “SETTINGS”, then “USER SETTINGS” and finally “SIGNAL INPUT” from LCD menu.
7. Select “INPUT 1” (X44) or “INPUT 2“ (X45).
8. Browse the menu and select “FORCE BYPASS”.
9. Finally check that all the connections have been made correctly and test the fuctioning of
the bypass switch. Check also from the UPS that it goes to bypass mode.
XSlot Hot Sync card: installing and wiring
To enable parallel operation all the UPSs in the system need the XSlot Hot Sync card (see
Figure below) installed into an open XSlot on the front of the UPS (see chapter XSlot
communication).
Figure 22 XSlot Hot Sync card and terminal interface
The Hot Sync communication wiring procedure should be done with shielded twisted pair
(STP) as presented in the figure below. The maximum length of the cable is 40 m with shield
connected to the terminal pin 10 from end of the both cables. Pay attention that you don’t mix
the polarity among the UPS modules.
Terminal J3 Name Description
1 Alarm Programmable UPS alarm. Activated by a
remote dry contact closure
2 Alarm Rtn
3 Alarm Relay NC Normally-closed contact opens when UPS
is on bypass.
4 Alarm Relay Com Bypass contact return.
5 Alarm Relay NO Normally-open contact closes when UPS
is on bypass.
6 TX Remote Monitor Panel (RMP). Relay
Interface Module (RIM), or Supervisory
Contact Module (SCM) Connections.
7 TX
8 CAN L Controller Area Network (CAN) Input for
parallel operation.
9 CAN H
10 Shield

44 UPS 20-30 kVA, 230 V 50/60 Hz output
User’s Guide
1026743
Revision B
Figure 23 Communication cabling wiring
Note!
XSlot Hot Sync card has built-in termination resistor enabled by a jumper J7. The
default jumper setting without termination resistor is J7: Pin 2-3. The first and the
last UPS modules should have the termination resistor enabled by connecting Pins
1 and 2 with the jumper J7.
Figure 24 XSlot Hot Sync card and jumper settings: Resistor ON: PIN 1 and PIN 2 connected,
No resistor: PIN 2 and PIN 3 connected (default setting).
Communication Wiring Termination
From UPS 1 CAN card To UPS 2 CAN card To UPS 3 CAN Card
(If installed)
To UPS 4 CAN Card
(If installed)
J3-8 (L) J3-8 (L) J3-8 (L) J3-8 (L)
J3-9 (H) J3-9 (H) J3-9 (H) J3-9 (H)

45UPS 20-30 kVA, 230 V 50/60 Hz output
User’s Guide
1026743
Revision B
Start-up and operation
Start-up procedure
Note!
Before start-up make sure that UPS installations have been carried out correctly
and ground connections of both UPS units and parallel module have been
connected. Check also that the XSlot HotSync cards are installed correctly
an the communication line between UPSs is connected according to figure
Communication cabling wiring.
When installation is completed correctly the start procedure can be started.
Note!
If some settings are changed from User settings the same changes need to be done
separately to all of the UPSs in the system.
Carry out the following procedure to each UPS you want to have in system.
1. Turn the battery and input circuit breakers to ON position.
2. UPS will enter a stand-by mode and starts to charge batteries with a cooling fan
operational. Output is without the voltage in the stand-by mode.
3. Push any key of the control panel to enable the functions of the LCD screen.
4. Select unit number in parallel system: Unit #1, Unit #2, Unit #3 or Unit #4. Select:
SETTINGS -> USER SETTINGS -> PARALLEL OPERATION SETTINGS -> PARALLEL UNIT
NUMBER
5. Select minimum units to support load: 0-4. Select: SETTINGS -> USER SETTINGS ->
PARALLEL OPERATION SETTINGS -> MINIMUM UNITS TO SUPPORT LOAD
Do the following item (item 6) only for one UPS, which belongs to the system.
6. Return to main menu and select TURN SYSTEM ON.
All the UPSs shall check their internal functions, synchronize to bypass and start to supply the
load.
Note
After the first start the load sharing of the system needs to be calibrated. Before
starting the calibration the system needs to support some load.
7. Select: SETTINGS -> USER SETTINGS -> PARALLEL OPERATION SETTINGS -> START AUTO
CALIBRATION

46 UPS 20-30 kVA, 230 V 50/60 Hz output
User’s Guide
1026743
Revision B
Operating system bypass switch
The system bypass switch is used to bypass the parallel system during maintenance or
servicing. Using the switch does not cause any break in the output voltage, if the input voltage
and frequency are accepted and the system is synchronised to the input mains.
In the example wiring diagram for parallel systems.The parallel module includes a mechanical
bypass switch S5 (Make-Before-Break type) and four maintenance switches S1, S2, S3, and S4
for disconnecting the outputs of UPS modules during maintenance or service.
The maintenance bypass switch has the following positions:
‘I’ or ‘UPS’ normal position, the load is supplied from the UPS modules.
‘I’+’II’ or ‘UPS+BYPASS’ position, the load is supplied from UPS modules (internal bypass
mode) and the system bypass in parallel.
‘II’ or ‘BYPASS’ position, the UPS modules are bypassed and the critical load is supplied from
the system bypass power line.
If the system bypass switch needs to be used it is recommended to check that the bypass input
power is connected and present in the SPM cabinet. The swicth is used only on rare occasions
and the procedure is following:
1. Check that the ‘bypass not available’ alarm is not active in the UPS modules.
(Press menu button, choose UPS status display).
2. Use LCD to turn UPS unit(s) on internal bypass mode.
Select: CONTROL -> GO TO BYPASS MODE
3. Verify the transfer before proceeding the next step.
4. Turn the maintenance bypass switch to BYPASS position.
Warning
The use of the maintenance bypass switch will cause a break in the output
voltage if the input voltage or frequency is not correct and the UPS system is not
sychronised to mains.
Following procedure does returning to normal online mode:
1. Make sure UPS modules have been started according to chapter ‘Start-up procedure’,.
2. Check that UPS ON and BYPASS LED’s are lit in the front panel.
3. Make sure service switches S1...S4 in the SPM are in ‘ON’ position.
4. Turn the system bypass switch S5 to ‘UPS’ position.
5. Use LCD to turn UPS unit(s) to normal mode.
Select: CONTROL -> GO TO NORMAL MODE.
6. Verify the transfer by checking that the yellow bypass LED is turned off.

47UPS 20-30 kVA, 230 V 50/60 Hz output
User’s Guide
1026743
Revision B
Figure 25. System bypass switch of the optional SPM
Shutdown procedure
While system is running and UPSs are supporting load, there are two different ways to perform
a shutdown. The user can select either to shutdown the whole system or only one UPS.
1. Select TURN SYSTEM OFF from the main menu Õ All the UPSs in the system will go to
stand-by mode.
2. Select TURN UPS OFF Õ Only the selected UPS will go stand-by mode.
Either 1 or 2 is selected ¿ button needs to be pressed for 5 seconds.
When UPS is in stand-by mode it still charges its batteries and uses cooling fans. Stand-
by mode possibles a fast restart. If some UPS or all the UPSs in the system need to be
shutdown completely, proseed to item 3.
3. Select TURN UPS OFF and press and hold ¿ button for 5 seconds. There shall be an
indication sound during the hold.
4. UPS shalll do a shutdown routine.
5. Turn the battery and input circuit breakers to off position to finalise the shutdown procedure.
Local tie panel solutions
The internal wiring diagrams of tie cabinets can be used as a reference when designing local tie
panels.
Parallel UPS configurations require a tie panel at the system output. It must facilitate service
switches for each UPS module output. The system bypass swicth is optional but helps when
doing the maintenance for the hole parallel UPS system. It’s recommend to source cabinet,
cables, busbars, terminals, fuses, switches and breaker components from the local market.

48 UPS 20-30 kVA, 230 V 50/60 Hz output
User’s Guide
1026743
Revision B
11. Recycling the used UPS or batteries
Before scrapping UPS or its battery cabinet, the battery bank must be removed. Local
requirements must be followed in battery recycling or discard. The removal of batteries is
allowed only by authorised service personnel due to high energy and voltage.
Do not discard waste electrical or electronic equipment in the trash.
For proper disposal, contact your local collecting/recycling/reuse or hazardous waste center and
follow the local legislation.
These symbols indicate on a product:
Use proper local collecting centers meeting local legislation when handling waste
of electrical and electronic equipment.
Warning!
HAZARDOUS MATERIALS. Batteries may contain HIGH VOLTAGES, and
CAUSTIC, TOXIC and FLAMMABLE substances. Batteries can injure or kill
people and damage equipment if used improperly. DO NOT DISCARD unwanted
batteries or battery material in the public waste disposal system. Follow ALL
applicable, local regulations for storage, handling and disposal of batteries and
battery materials.

49UPS 20-30 kVA, 230 V 50/60 Hz output
User’s Guide
1026743
Revision B
12. Dimensional drawings
Figure 26 Dimensions of the UPS cabinet.
Figure 27 Dimensions of the External Battery Cabinet

50 UPS 20-30 kVA, 230 V 50/60 Hz output
User’s Guide
1026743
Revision B
13. Technical data
Standards
UPS 20 kVA 30 kVA
Safety IEC 62040-1-1, EN 62040-1-1 and EN 60950
EMC EN 50091-2
Product IEC 62040-3 and EN 62040-3
Environment
UPS 20 kVA 30 kVA
Amb. temperature 0 to +40°C (electronics), 15 to +25°C (batteries)
Relative humidity 0 to 95%, no condensation allowed
Altitude <1000 m above sea level
Vibration IEC 68-2-6; max. 0.3 mm (2 to 9 Hz), max. 1 m/s2 (9 to 200 Hz) sinusoidal
Maintenance configuration
UPS 20 kVA 30 kVA
Dimensions
- Width
- Depth
- Height
494 mm
762 mm
1684 mm
Weight
- no battery
- 36 battery
- 72 battery
- 108 battery
- 144 battery
200 kg
300 kg
400 kg
500 kg
600 kg
Colour RAL 9005 black
Characteristics
Powerware 9155 20 kVA 30 kVA
Efficiency
- nominal load
Up to 93%
Up to 93%
Heat losses <1600 W <1900 W
Backup time
- load pf 0.7
- temperature 25°C
5 min (36 bat 9Ah)
13 min (72 bat 9Ah)
22 min (108 bat 9Ah)
31 min (144 bat 9Ah)
-
7 min (72 bat 9Ah)
13 min (108 bat 9Ah)
20 min (144 bat 9Ah)
Noise (ISO 7779) 50 - 53 dB(A) depending on the load 50 - 53 dB(A) depending on the load

51UPS 20-30 kVA, 230 V 50/60 Hz output
User’s Guide
1026743
Revision B
AC input
Powerware 9155 20 kVA 30 kVA
Rectifier input 3 phases + N
Bypass input 1 phase + N
Voltage (L-N) 192 to 276 Volts without using battery
Frequency 45 to 65 Hz
Power factor 0.99
Input distortion < 5% THD(I)
Rated input current 29 A 43 A
DC circuit
Powerware 9155 20 kVA 30 kVA
Management Advanced Battery Management
Nominal voltage 432 Volts
Battery qty 36 / string
Float voltage 2.30 VPC
Battery type VRLA 12 Volts
Cut off voltage 1.75 VPC
Battery charging 6 A (default), user selectable
AC output
Powerware 9155 20 kVA 30 kVA
Active power 18 kW 27 kW
Number of phases 1-phase + N
Frequency 50 Hz or 60 Hz, user selectable
Voltage (L-N) 220, 230 or 240 Volts, user selectable
Short circuit capability 300 A < 300 ms
Overload capability
10 min > 100 – 110% load
1 min > 110 – 125% load
5 sec > 125 – 150% load
300 ms > 150% load
Overload capability
(mains available)
60 min > 100 – 110% load
10 min > 110 – 125% load
1 min > 125 – 150% load
52 UPS 20-30 kVA, 230 V 50/60 Hz output
User’s Guide
1026743
Revision B
14. Warranty
The product is warranted against defects in design, materials and workmanship for a period of
twelve (12) months from its original date of purchase. The local office or distributor may grant
a warranty period different to the above and refer to local terms of liability as defined in the
supply contract.
The UPS manufacturer is not responsible for
Any costs resulting from a failure if the installation, commissioning, repair, alternation,
or ambient conditions of the equipment do not fulfil the requirements specified in the
documentation delivered with the unit and other relevant documentation.
Equipment subjected to misuse, negligence or accident
Equipment comprised of materials provided or designs stipulated by the purchaser.
Under no circumstances shall the manufacturer, its suppliers or subcontractors be liable for
special, indirect, incidental or consequential damages, losses or penalties.
The technical data, information and specifications are valid at the time of printing. The UPS
manufacturer reserves the right to modifications without prior notice.
•
•
•