Powerwave Technologies MCPS2135 MultiCarrier Amplifier System User Manual 1 1
Powerwave Technologies, Inc. MultiCarrier Amplifier System 1 1
User Manual

SPECTRIAN 
MCPS2135 SERIES 
MCPA 
MultiCarrier Amplifier Systems 
INSTALLATION & OPERATION 
MANUAL 
July 2001 

IntroductionPlanning and PreparationIntroduction 
ii MCPS2135 Operations Manual 
 2001 Spectrian Corporation.  All rights reserved. 
2001 Spectrian Corporation.  This document contains 
proprietary information of Spectrian Corporation .  No part of this 
manual may be copied or disclosed without written authorization 
of Spectrian Corporation.  All rights reserved. 

IntroductionPlanning and PreparationIntroduction 
MCPS2135 System Operation iii 
 2001 Spectrian Corporation.  All rights reserved. 
TABLE OF CONTENTS 
1 Introduction .................................................................................................................................................11 
1.1 About this Manual...............................................................................................................................11 
1.2 Safety Information ..............................................................................................................................22 
1.3 Introduction to the MCPS2135 Family ...........................................................................................22 
1.3.1 MCPA Module Functional Description .................................................................................44 
1.3.2 MCPS2135 Amplifier System .................................................................................................55 
2 Planning and Preparation............................................................................................................................77 
2.1 Installation Planning ...........................................................................................................................77 
2.2 Site Planning Guide ............................................................................................................................77 
2.2.1 Site Considerations....................................................................................................................77 
2.2.2 Rack Installation Considerations.............................................................................................88 
2.2.3 Cable Connections.....................................................................................................................99 
2.3 Determine the required RF input power......................................................................................1010 
2.3.1 Set RF input drive power for each channel........................................................................1111 
2.4 Prepare for Installation...................................................................................................................1212 
2.4.1 Inventory Received Equipment ...........................................................................................1212 
2.4.2 Unpack Received Equipment...............................................................................................1212 
2.4.3 Repackaging for Return Shipment ......................................................................................1413 
3 MCPS2135 Installation...........................................................................................................................1514 
3.1 Introduction......................................................................................................................................1514 
3.2 Task safety equipment, tools and materials ................................................................................1514 
3.3 Rack Installation..............................................................................................................................1615 
3.3.1 Install Shelf Subassembly .....................................................................................................1615 
3.3.2 Install Modules in Shelf........................................................................................................1716 
3.4 Cable and Wire Connections.........................................................................................................1716 
3.4.1 Connect Chassis Ground Wire .............................................................................................1716 
3.4.2 Connect DC Input Power Cables.........................................................................................1716 
3.4.3 Connect RF Output and Input Cables.................................................................................1817 
3.4.4 Connect Alarm Interface Cables..........................................................................................1918 
3.5 Finish Installation............................................................................................................................1918 
3.5.1 Set the MCPS2135 unit address..........................................................................................1918 
3.5.2 Verify Installation ..................................................................................................................1918 
4 System Start-Up .......................................................................................................................................2119 
4.1 Introduction......................................................................................................................................2119 
4.2 Safety Information and Tools........................................................................................................2119 
4.3 Verify system installation ..............................................................................................................2119 

IntroductionPlanning and PreparationIntroduction 
iv MCPS2135 Operations Manual 
 2001 Spectrian Corporation.  All rights reserved. 
4.4 Power Up the MCPS2135..............................................................................................................2220 
5 MCPS2135 System Monitoring ............................................................................................................2321 
5.1 Introduction......................................................................................................................................2321 
5.2 Monitoring the MCPS2135 System Operation ..........................................................................2321 
5.3 Alarm Definitions............................................................................................................................2321 
5.3.1 Alarm classification ...............................................................................................................2321 
5.3.2 Alarm Responses....................................................................................................................2422 
5.4 MCPS2135 Alarm Limits and Protection Circuits ....................................................................2523 
5.4.1 MCPA Module Analog Protection Circuits.......................................................................2523 
5.4.2 MCPA Module Alarms .........................................................................................................2624 
5.4.3 MCPA System Alarms ..........................................................................................................2725 
6 Troubleshooting and Maintenance........................................................................................................2826 
6.1 Introduction......................................................................................................................................2826 
6.1.1 Safety Information .................................................................................................................2826 
6.2 Troubleshooting...............................................................................................................................2927 
6.2.1 Using LED Indicators............................................................................................................2927 
6.2.2 Using the Diagnostic Port Output .......................................................................................2927 
6.2.3 Using Remote Alarm Monitoring........................................................................................2927 
6.3 Periodic Maintenance.....................................................................................................................3028 
6.3.1 Dust Removal .........................................................................................................................3028 
6.3.2 Visual Inspection....................................................................................................................3028 
6.4 Module Replacement......................................................................................................................3028 
6.4.1 Replacing an RF Module ......................................................................................................3028 
6.4.2 Replacing an AMM ...............................................................................................................3028 
6.4.3 Replacing shelf subassembly ...............................................................................................3129 
6.5 Module Service................................................................................................................................3129 
6.5.1 Replacing MCPS2135 Fan Modules...................................................................................3129 
Appendix A1 Spectrian, Inc. Offices ............................................................................................................3331 
Appendix A2 Major Electrical Specifications.............................................................................................3432 
Appendix A3 Major Mechanical Specifications .........................................................................................3533 
Appendix A4:   MCPS2135 System Checkout............................................................................................3937 
MCPS System Checkout ........................................................................................................................3937 
Equipment Required................................................................................................................................3937 
Setup Procedure .......................................................................................................................................3937 
Performance Checkout Procedure.........................................................................................................4038

IntroductionIntroduction 
MCPS2135 Operations Manual 1 
 2001 Spectrian Corporation.  All rights reserved. 
1 Introduction 
Chapter 1 introduces the MCPS2135 Series of Multi Carrier Power Amplifier 
(MCPA) Systems. It describes structure of this manual and introduces the different 
MCPS2135 Series amplifiers. 
1.1 About this Manual 
The following manual describes how to install, operate, and maintain the 
MCPS2135 series of amplifiers.  It is arranged into the following sections. 
Section 1, Introduction, introduces the systems in the MCPS2135 family and their 
main features and describes how the system documentation is organized. 
Section 2, Preparation and Planning, contains information helpful for planning 
the installation and assuring proper preparation for the installation. 
Section 3, Installation Instructions, describes how to properly install the 
MCPS2135 amplifier system. 
Section 4, System Start-up, has procedures for power-up and initial check out of 
the MCPS2135 amplifier system. 
Section 5, System Monitoring, presents information on basic and optional methods 
of MCPS2135 system monitoring.   
Section 6, Troubleshooting and Maintenance, describes how to diagnose faults 
using the indicator LED’s and status/alarm messages.  Section 6 also has 
instructions for routine maintenance and for installation of new field-replaceable 
modules in the MCPS2135 amplifier 
Appendix A1, Spectrian, Inc. Company Offices, contains company locations and 
other contact information. 
Appendix A2, Electrical Specifications, details the electrical specifications met by 
the MCPS2135 amplifier systems, including the Connector Pin-outs and Interface 
Protocols used in the front panel diagnostic port and the optional base station 
alarm and control interfaces. 
Appendix A3, Mechanical Specifications, includes mechanical and environmental 
specifications met by the MCPS2135 amplifier systems. 
Appendix A4, MCPS2135 System Check Out, has the procedure for a quick 
operational check of the MCPS2135 amplifier system. 

IntroductionPlanning and PreparationIntroduction 
2 MCPS2135 Operations Manual 
 2001 Spectrian Corporation.  All rights reserved. 
Throughout this manual, notes, cautions and warnings are used with this 
convention: 
.  Note:  Suboptimal or out-of-specification performance will result from not 
following the instructions presented in ‘notes’. 
∗  Caution:  Follow ‘caution’ notes to avoid possible damage to equipment. 
+  Warning:  Injury to personnel, equipment fire, or other hazardous situations 
will result from not properly following ‘warning’ instructions. 
1.2 Safety Information 
The MCPS2135 has been designed for maximum safety and reliability when it is 
installed, used, and maintained in accordance with the procedures and instructions 
in this manual by trained and qualified technicians.  To ensure the safe and 
compliant operation of the system, always follow the safety and operational 
recommendations in this manual. 
+  WARNING: The MCPS2135 produces high levels of RF radiation. Severe 
radiation burns can occur if recommended safety precautions are not strictly 
observed.  
-- Do not operate exposed circuitry or radiating elements with personnel in close 
proximity to the radiating source. Always replace covers and shields during 
operation. 
-- Persons with cardiac pacemakers should avoid exposure to RF radiating 
elements. 
-- Exposing the human eye to high levels of radio-frequency radiation may 
result in the formation of cataracts. 
+  WARNING:  Do not install or operate theMCPS2135 amplifier in the presence 
of flammable gases or fumes. 
+  Each RF Module and the shelf subassembly weigh 22.7 kgs (50 lbs); when 
crated for shipping an MCPS2135 system can weigh in excess of 131.5 kgs (290 
lbs) and be unbalanced. To avoid injuries or damage, use care and obtain 
assistance when lifting MCPS2135 components.  
∗  Always use the recommended safety equipment. 
∗  Please read and understand all instructions and warnings before handling an 
MCPS2135. 
∗  MCPS2135 amplifiers may only be installed in restricted access areas (dedicated 
equipment rooms, equipment closets, or the like) in accordance with Article 110-
16. 110-17, and 110-18 of the National Electrical Code, ANSI/NFPA No. 70.  
1.3 Introduction to the MCPS2135 Family 
The MCPS2135 is a modular, ultra-linear cellular-frequency amplifier system 
providing up to 500 Watts (total) of output power.  Designed for maximum 
flexibility and reliability, the MCPS2135 can increase the range and capacity of 
new or existing base stations.  

IntroductionPlanning and PreparationIntroduction 
MCPS2135 System Operation  3 
 2001 Spectrian Corporation.  All rights reserved. 
Modulation Formats 
The MCPS2135 can amplify any number of signal carriers using AMPS, CDPD, 
IS-136 TDMA, IS-136HS GSM, IS-136HS EDGE, or IS-95 CDMA modulation 
up to the maximum rated system output power. 
Modularity 
The MCPS2135 family is designed for operation with 1 to 4 amplifier modules, 
each providing up to 135 Watts of RF output power (exclusive of combining 
losses). 
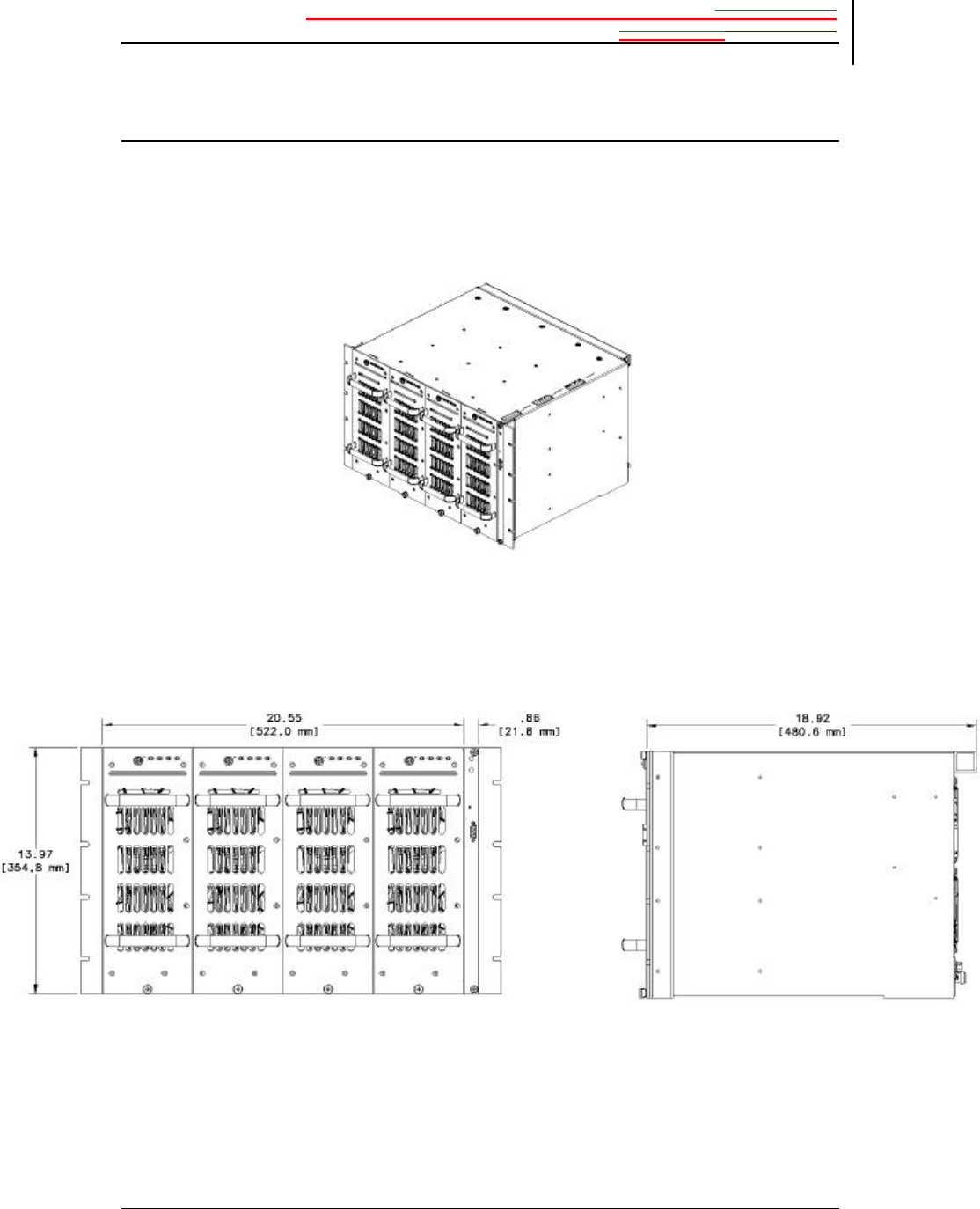
Mounting Configurations 
The MCPS2135 amplifier systems are available in a variety of configurations.  
Mounting kits are available for installation in 19-inch, 23-inch, 600mm, 24-inch, 
or 25-inch equipment racks.  Multi-module shelves are 8 RU (14 in.) high. Single 
module shelves are 3 RU (5.25 in.) high. 
Peripheral Products 
Spectrian offers optional products to assist in base station configuration and set-
up.  Among these products are multi-port RF combiners, bandpass filters, 
preamplifiers,  and AC/DC power rectifiers.  Please consult with the factory or 
sales for more information on these peripheral products. 
RF Interfaces 
The Spectrian MCPS2135 has a single RF input for combined input signals, and a 
single RF output to the transmit filter.  There is also a single module configuration 
with three input connectors combined within the amplifier and a single output 
connector. 
Alarms and Control 
The MCPS2135 system provides visual status information through front-panel 
LED indicators.  Status information is also transmitted via a front-panel RS-232 
port using Spectrian’s optional Graphical User Interface program. 
The MCPS2135 can also be optionally equipped with additional alarm and control 
interfaces, including dry-contact or TTL alarm connections RS-232 or RS-422 
interfaces to network operations and administration systems. 
The MCPS2135 is designed to enable system maintenance without removing the 
amplifier from service.  In multi-module (high power) systems, the RF modules 
can be hot-swapped during operation without affecting calls in process. The 
Amplifier Management Module (AMM) can be easily replaced in the field.  The 
amplifier modules are designed so the cooling fans can be replaced in the field by 
qualified service technicians, greatly reducing service shipping costs and turn-
around time. 

IntroductionPlanning and PreparationIntroduction 
4 MCPS2135 Operations Manual 
 2001 Spectrian Corporation.  All rights reserved. 
1.1.11.3.1 MCPA Module Functional Description 
To achieve the high level of linearity required to support multiple cellular carriers 
at the minimum cost, the RF modules in the MCPS2135 use a single loop feed-
forward correction architecture with two amplification paths – the main path, 
containing the main amplifier, and the error path, containing the error amplifier. 
The combination of these two paths in a feed forward loop configuration results in 
a signal in which the distortion products have been cancelled, enabling highly 
linear operation of the amplifier. 
Figure 1:  RF Module Functional Block Diagram 
1.1.1.11.3.1.1 Main Loop 
The output of the main amplifier contains both the desired signal and Inter-
modulation Distortion (IMD) products. This signal is coupled off and combined 
with the undistorted input signal coupled off the preamplifier. The relative delay 
and phases of these signals are adjusted so they combine to cancel out the desired 
signal, creating an error signal composed of only the main amplifier IMD 
products.  The cancellation process is controlled by a Digital Signal Processor, 
which insures optimum carrier cancellation over all environmental conditions. 
1.1.1.21.3.1.2 Error Loop 
The error signal is amplified in the error loop.  The amplified error signal is then 
combined with the output of the main amplifier containing both the desired signal 
and distortion products such that the distortion products cancel.  The error loop 
provides the adjustments and controls necessary to assure that the amplitude, 
phase and delay of both signals result in the desired cancellation.   
Main
Vector Mod
Driver
Amp
Main
Amp Delay Filter
Output Module
Pilot
Generator /
Reciever
Cancellation
Controller
Carrier
Cancellation Error
Vector Mod
Σ
τ
Preamplifier
Delay
Line
Error
Amp
RF Input
RF Output

IntroductionPlanning and PreparationIntroduction 
MCPS2135 System Operation  5 
 2001 Spectrian Corporation.  All rights reserved. 
1.1.1.31.3.1.3 Amplifier Management Unit 
The Amplifier Management Unit (AMU) monitors and controls performance of 
the various subassemblies within the RF module.  The AMU provides operating 
status information via front panel LEDs.  Within a multi-module system, the AMU 
provides status to the MCPS2135 AMM. 
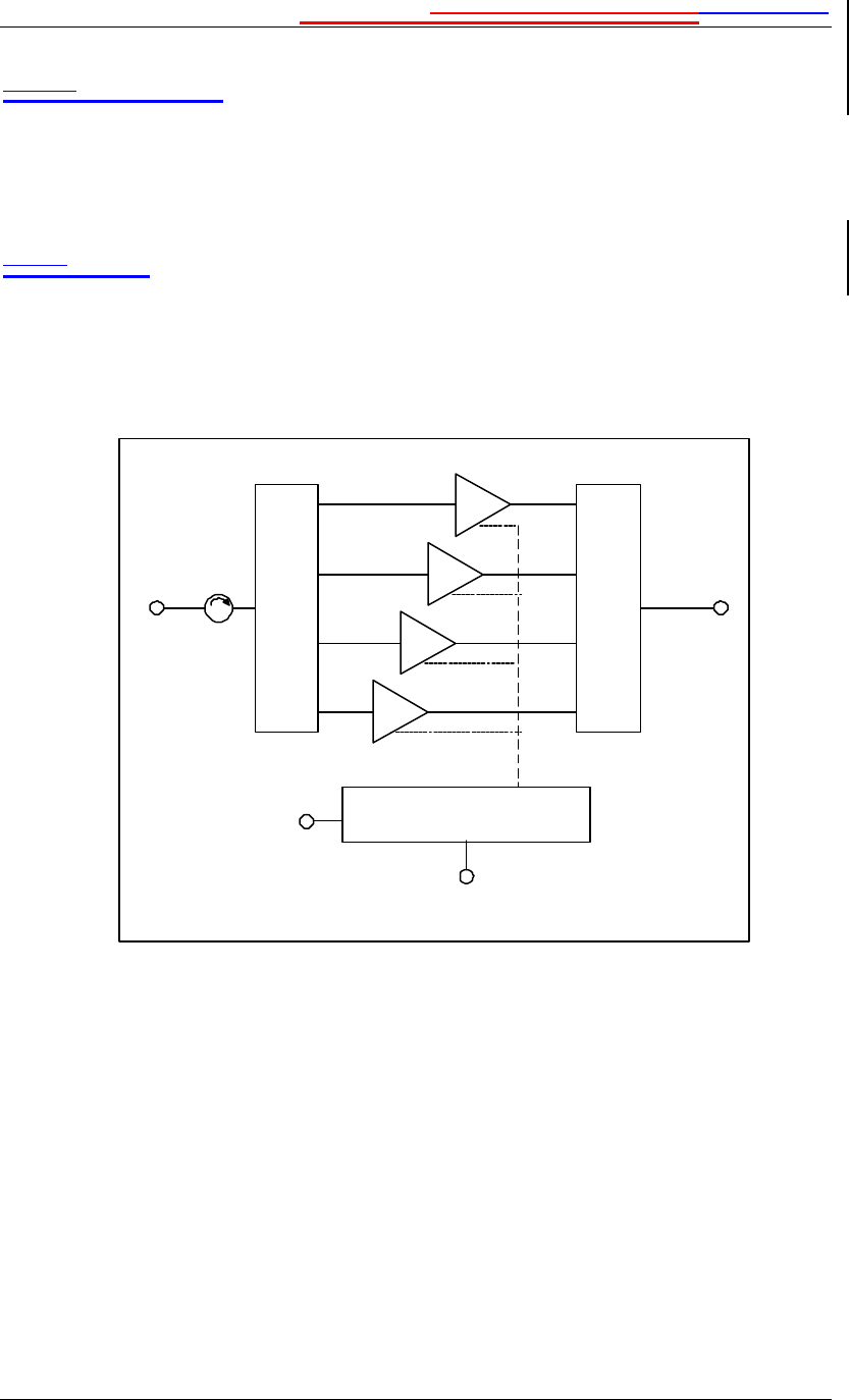
1.1.21.3.2 MCPS2135 Amplifier System 
A fully-equipped MCPS2135 consists of a rack-mounted shelf containing up to 
four RF modules.  Multi-module systems contain an Alarm Management Module, 
and an internal divider/ combiner.  A block diagram of the system is shown in 
Figure 2. 
Figure 2   System Block Diagram 
The standard MCPS2135 configurations are summarized in Table 1.  Please 
consult the factory or Spectrian sales for configurations not listed here. 
2
÷÷
135 W MCPA
Modules
3
4
1
Alarm Management
Module
Splitter
Basestation Interface
RS-422 or RS-485
ΣΣ
Combiner
RF
Input RF
Output
Status Port
RS-232

IntroductionPlanning and PreparationIntroduction 
6 MCPS2135 Operations Manual 
 2001 Spectrian Corporation.  All rights reserved. 
Power Dimensions 
(W x D x H) 
Comments 
135W 5.25” x 18” x 14” Single module with communication interface 
135W 19” x 18” x 3 RU Single module configuration in 19 in. housing 
135W 23” x 18” x 3 RU Single module configuration in 23 in. housing 
250W to 500 W 23” x 18” x 8 RU 2 to 4 modules combined 
250W to 500 W 24” x 18” x 8 RU 2 to 4 modules combined 24 inch rack config 
Table 1: MCPS2135 System Configurations 
MCPA modules 
The RF modules are ultra-linear amplifiers optimized for high power amplification 
of cellular signals.  Each RF module provides up to 135 Watts of RF output power.  
Multi-module systems have combiner losses which reduce the output power of 
each module to approximately 125 Watts.  The RF module has been discussed in 
section 1.2.1 
Amplifier Management Module 
The Amplifier Management Module (AMM) contains the system control and 
alarm management logic and the interface to external operation and control 
systems. 
Divider/Combiner 
The divider/combiner used in multi-module systems allows the RF modules to 
function as a single system.  The combiner has an active architecture, which 
automatically reconfigures to minimize combining losses if an RF module should 
fail. 

Planning and PreparationPlanning and PreparationIntroduction 
MCPS2135 System Operation  7 
 2001 Spectrian Corporation.  All rights reserved. 
2 Planning and Preparation 
2.1 Installation Planning 
It is important to ensure proper planning and site preparation is complete prior to 
beginning the installation of the MCPS2135.  The following sections describe 
installation considerations and the information required before beginning the 
installation procedure.  Spectrian Applications Engineering is always available to 
assist with planning for the installation of the MCPS2135. 
1.22.2 Site Planning Guide 
For each MCPS2135 cell site installation, there must be a Site Planning or Site 
Engineering guide giving the detailed information on the site considerations, rack 
installation, cable connections, and Radio Parameters. 
.  Note:  Local building and fire codes govern the manner in which some site 
preparation and installation tasks are performed.  Spectrian recommends that 
you consult your local building inspector or a licensed engineer to ensure that 
the site installation conforms to local building codes. 
2.2.1 Site Considerations 
Intended Installations 
The MCPS2135 system is intended for installation only in restricted access areas 
(dedicated equipment rooms, equipment closets, environmental shelters, or the 
like) in accordance with Articles 110-16, -17, and -18 of the National Electrical 
Code, ANSI/NFPA No. 70. 
Weight 
The MCPS2135 shelf and each RF module weigh approximately 50 pounds (22.7 
kg); the fully equipped system weighs 250 pounds (113.3 kg).  The system must 
be installed, using the appropriate mounting kit, into a rack capable of supporting 
the unit, and located on a floor or surface capable of supporting the combined 
weight of the rack, the MCPS2135, and the installer or technician. 
Floor Covering 
If you intend to use a floor covering under the MCPS2135, avoid combustible 
materials , industrial carpeting, and materials that will permit generation of 
electrostatic charges. 
Illumination 
The MCPS2135 is designed to be installed and serviced under normal workroom 
lighting.  During installation, room lighting must be bright enough to allow 
reading instructions and inspection of modules, but not so bright as to interfere 

Planning and PreparationPlanning and PreparationIntroduction 
8 MCPS2135 Operations Manual 
 2001 Spectrian Corporation.  All rights reserved. 
with viewing the status LED indicators on the front panel.  The MCPS2135 should 
be oriented or shielded so that direct sunlight does not fall upon the front panel. 
Fire Protection 
Spectrian recommends that the MCPS2135 installation site be equipped with 
smoke detectors and an automatic fire-extinguishing system.  In addition, for 
personnel safety, the site should be equipped with a portable halon or CO2 fire 
extinguisher. 
Altitude 
When installing the MCPS2135 above 5000 ft (1542 m), derate the maximum 
operating temperature by 2° C per 1000 ft (304 m) above 5000 ft. 
Ventilation 
The MCPS2135 requires unrestricted airflow around the MCPS2135.  The site 
must be ventilated or air-conditioned so that ambient air does not exceed 50° 
Celsius (122° F). 
Ambient air quality 
The MCPS2135 should be installed in a location that is free of airborne dust and 
toxic or corrosive fumes. 
Vibration and Noise 
The MCPS2135 tolerates moderate levels of vibration and ambient noise.  The 
MCPS2135 should not be installed in a location subject to mechanical shocks or 
vibrations conducted from nearby mechanical equipment.  The MCPS2135 
generates fan noise below 65 dBa during operation and no additional acoustic 
treatment of the site is needed. 
Lightning Protection 
Spectrian recommends that all power, RF, and signal lines that connect to the 
MCPS2135 be protected by approved lightning arrestors.  Your local fire or safety 
codes will determine the type of lightning protection required. 
Grounding 
Spectrian recommends that the MCPS2135 and entire equipment rack be grounded 
with an engineered grounding system, including a ground halo and ground rods. 
1.1.22.2.2 Rack Installation Considerations 
Rack Space 
Multi-module MCPS2135 systems require 8U of rack space in a 23” or a 24” rack.  
Optional mounting hardware for other rack sizes is also available. When used, the 
optional preamplifier requires an additional 2U above the shelf.  Single module 
shelves require 3U of rack space. 
Clearance 
During operation, the MCPS2135 requires front cabinet clearance for unrestricted 
cooling air input, plus a minimum of 4 inches (102mm) behind the MCPS2135 to 
exhaust hot air.  Some additional rear clearance is desirable to accommodate routing 
the RF input and output cables and the DC power cables to their connections on the 
rear of the unit. 

Planning and PreparationPlanning and PreparationIntroduction 
MCPS2135 System Operation  9 
 2001 Spectrian Corporation.  All rights reserved. 
1.1.32.2.3  Cable Connections 
DC Power Supply 
The MCPS2135 requires customer-supplied connections to the site +27 VDC 
power supply.  The MCPS2135 is normally connected to the power supply with a 
separate connection for each RF module; a single connection to each shelf is also 
possible using the optional shelf power bus.  Table 2 shows the required current 
and recommended power service for MCPS2135 systems with the indicated 
number of active amplifier modules installed in a system shelf. 
# RF 
Modules RF Output 
Power I(Max),  
27 VDC Recommended Service 
1 135W 55 Amps 2 wires (2/module), #6AWG, #10 lugs 
1 ea. 60A Circuit Breaker 
2 250W 110 Amps 4 wires (2/module), #6AWG, #10 lugs 
2 ea. 60A Circuit Breaker 
3 370W 165 Amps 6 wires (2/module), #6AWG, #10 lugs 
3 ea. 60A Circuit Breaker 
4 500W 220 Amps 8 wires (2/module), #6AWG, #10 lugs 
4 ea. 60A Circuit Breaker 
Table 3:  Individual Power Connections to each RF Module 
Single Bussed Connection 
When using the bussed connection option, the service should be sized for a fully 
equipped shelf.  This will provide adequate service with capacity for future 
expansion. 
Recommended Service:  2 Wires, #2AWG, ¼”narrow tongue lug (T&B 55116 or 
equivalent); 1 ea. 240A Circuit Breaker. 
Chassis Ground Wire 
The MCPS2135 shelf requires a customer-supplied chassis ground connection using 
#8AWG with a ¼” ring lug . 
RF Input and Output Cables 
The MCPS2135 requires a single customer-supplied SMA male RF input cable 
and a single customer-supplied male type-N RF output cable.  The RF output cable 
must be rated to properly handle the MCPS2135 output power.  The female 
connectors are on the rear of the MCPS2135 shelf.  Spectrian offers optional RF 
cables for use in connecting the MCPS2135 amplifier. 
Alarm Interface Cables 
The MCPS2135 requires customer-supplied interface cables to the system alarm 
interfaces.  The standard system has screw terminal connections to form C-relay 
alarm contacts; optional RS 422 serial connections are also available.  The alarm 
connection options for the MCPS2135 are listed in Appendix A3. 

Planning and PreparationPlanning and PreparationIntroduction 
10 MCPS2135 Operations Manual 
 2001 Spectrian Corporation.  All rights reserved. 
Radio Parameters 
To set up the MCPS2135, the installer must know the following radio parameters 
for the MCPS2135 installation. 
• Total Planned Output Power 
• Number of CDMA Frequency Assignments and power of each FA 
• Number of AMPS/TDMA/CDPD Channels and power of each channel 
• Planned System Gain 
Installation Equipment 
Refer to the Tools and Materials listing in the following sections for the required 
MCPS2135 installation and test supplies. 
1.32.3 Determine the required RF input power 
Before applying RF input power to the MCPS2135, determine the input drive level 
and output power needed for each channel being amplified by using the RF Drive 
Power Worksheet, shown below.  
Once the required RF input power for each channel is determined, continue to the 
next step, setting the RF input drive power. 

Planning and PreparationPlanning and PreparationIntroduction 
MCPS2135 System Operation  11 
 2001 Spectrian Corporation.  All rights reserved. 
RF Drive Power Worksheet  
A)  Total output power (POUT) required = W dBm 
B)  Determine total output required for each fully loaded 
CDMA Frequency Assignment (FA):   
      # of FA’s =   
total  power per FA =   
total CDMA power (PCDMA) =   
Total available analog power (PAN ) =  
 (P
AN
 = P
OUT
 – P
CDMA
) W 
D)  Total # of analog channels, including setup (#ch)  =   
E)  Maximum per channel analog output power (PAN/ch) =  
       (P
AN
/ch = P
AN
/# of channels) W dBm 
F)  System Gain (Gain) * =                              dB 
G)  Maximum composite input power (PIN) = 
     (P
IN
= P
OUT
 in dBm – Gain in dB)                               dBm 
H)  Maximum per channel analog input power (PIN/ch ) =  
     (P
IN
/ch  in dBm = P
AN
/ch in dBm – Gain in dB)                              dBm 
*  NOTE:  Depends on configuration which is factory settable from 30 dB to 60 dB.  On single 
module systems, the gain may be adjusted by the end user with Spectrian’s Graphical User 
Interface software.  Consult with factory or Spectrian Sales for more information. 
1.1.12.3.1 Set RF input drive power for each channel 
∗  Caution:  If the RF Input Cable is connected to the MCPS2135, disconnect it 
from the MCPS2135.  Connect the RF input cable  to the Power Meter for the 
following step.   
∗  Caution:  Make sure that the power to be measured with the meter does not 
exceed the manufacturers recommended maximum input level. 
Switch on the RF input drive power at the customer provided host system exciter 
following the instructions supplied with your RF source equipment. 
Set and verify the RF input drive level for each individual channel 
1. Key-on each RF input channel individually. 
2. Monitor the RF input using a HP436A or equivalent power meter.  
3. Verify that the maximum input power for the channel does not exceed the 
calculated levels on the RF Drive Power worksheet (line H).  
4. Key off the channel and repeat for the remaining channels.  Continue to 
verify the required channel input power is not exceeded.  

Planning and PreparationPlanning and PreparationIntroduction 
12 MCPS2135 Operations Manual 
 2001 Spectrian Corporation.  All rights reserved. 
After verifying the power of each individual channel individually, ensure that the 
total average input power remains less than or equal to the maximum rated 
composite power calculated in (G) of the worksheet. 
1. Key-on all channels at one time, including any CDMA F.A.s, and 
measure input power. 
2. If the average composite input power exceeds the calculated average 
composite input  power (line H), readjust all channels as necessary to 
ensure average input power remains less than or equal to specifications.  
Turn off all channels.  The drive power is now set properly. 
1.42.4 Prepare for Installation 
Before beginning the installation, verify that all the necessary site and radio 
information, installation materials, tools, and MCPS2135 equipment are on hand.  
Correct any problems or omissions before continuing.  Refer to the following 
Receiving and Unpacking Procedure to prepare the MCPS2135 equipment. 
1.1.12.4.1 Inventory Received Equipment 
1. Upon receipt of the MCPS2135, remove the packing lists, installation kit, and 
other documents attached to the shipping container. 
2. Examine shipping documents to make certain that they agree with your copy 
of the order.  If there is a discrepancy between the order and the items or 
quantity shipped, contact your Spectrian Customer Service representative 
listed in Appendix A1 of this manual. 
3. Check the packing list and verify that all necessary equipment has been 
delivered, and that the parts are undamaged.  If any evidence of shipping 
damage is noted, notify the delivery agency before continuing. 
∗  Caution:  If the container or contents appear to be damaged, you must contact 
the carrier without delay and file a damage claim.  If shipping damage occurred, 
the carrier may wish to have a claims agent present when the MCPS2135 is 
unpacked and inspected.  To protect your warranty rights, you must also notify 
your Spectrian representative and advise that the MCPS2135 was damaged 
during shipment. 
2.4.2 Unpack Received Equipment 
Uncrating, inspecting, and preparing the MCPS2135 for site installation will 
require some tools and materials not included in the shipment.  Use of the 
following materials is suggested to perform these tasks. 
.  Note:  Assemble all tools, materials, and safety equipment before beginning 
work. 
Safety Equipment 
• Safety glasses 

Planning and PreparationPlanning and PreparationIntroduction 
MCPS2135 System Operation  13 
 2001 Spectrian Corporation.  All rights reserved. 
• Work gloves 
• Steel-toe shoes 
• Back-support belt 
Tools 
• Box knife 
• Pair of large scis sors 
• Inspection flashlight or lamp  
• Pen or pencil 
• Strap cutter  
• Straight-blade screwdriver 
Other Materials 
• A copy of the Purchase Order 
• A copy of the Packing List 
Unpack equipment 
1. Open the shipping container(s) and inspect the contents.  Using the required 
safety equipment and tools, carefully cut the metal and/or nylon straps that 
surround the shipping containers.  When using a box knife or scissors, take 
care not to damage the contents of the box.  Take care to avoid scratching the 
cabinet finish. 
2. Do not remove the ESD protective wrapping that surrounds the cabinet, unless 
wearing an ESD protective wrist strap.  If possible, remove this material by 
unwrapping the MCPS2135 by hand, rather than cutting this material with 
scissors or knives.  Spectrian recommends not removing the protective 
wrapping until installation.   
3. Remove spacers, packing inserts, protective coverings, plastic bags, and other 
shipping materials from the outside of the MCPS2135.  Avoid using knives or 
scissors to perform this task. 
4. Carefully collect and dispose of the packing materials.  Many of the packing 
materials used by Spectrian are suitable for recycling and need not contribute 
to landfills.  
5. While inspecting the unpacked MCPS2135, compare the quantity and labeling 
of each module with shipping documents and the purchase order.  If there is 
an unresolved discrepancy between the order and the items received, contact 
your Spectrian representative. 
6. Inspect the MCPS2135 exterior for evidence of shipping damage.  Metal 
surfaces should not be dented or scratched.  Panels, handles, screws, and 
indicators should appear undamaged and properly aligned.  Connectors should 
be tightly affixed to the cabinet, with no visible dents or distortion.  
.  Note:  If you discover damage during inspection, contact the shipper and 
Spectrian at once.  The shipper will furnish instructions on how to document the 
discovered damage.  Spectrian will arrange to promptly ship replacement parts. 

Planning and PreparationPlanning and PreparationIntroduction 
14 MCPS2135 Operations Manual 
 2001 Spectrian Corporation.  All rights reserved. 
2.4.3 Repackaging for Return Shipment 
If it is necessary to repackage the MCPS2135 for return shipment, contact 
Spectrian Customer Service for detailed instructions.  If possible, use the 
original cartons and inserts to package equipment for return.  Otherwise, use 
suitable shipping cartons and foam inserts to prevent damage in transit. 

MCPS2135 InstallationPlanning and PreparationIntroduction 
MCPS2135 System Operation  15 
 2001 Spectrian Corporation.  All rights reserved. 
3 MCPS2135 Installation 
3.1 Introduction 
The following section describes how to install the MCPS2135 series amplifier in a 
base station. 
Each MCPS2135 system features rear-access RF input and output connectors, a 
DC voltage input receptacle, and a front-access RS-232 status interface connector.  
Additional optional features include a rear-access RS-422 serial interface 
connector and a remote alarms interface connector.  Specific connector pinout 
information for your MCPS2135 configuration is provided in Appendix A3. 
Please read and understand the instructions and warnings in this section and at the 
beginning of this manual before handling or unpacking the MCPS2135 modules. 
The MCPS2135 is designed to be installed by trained and qualified technicians.  
+  Warning:  Each MCPS2135 amplifier module and the shelf subassembly weigh 
50 lbs (22.7 kgs); when crated for shipping an MCPS2135 system can weigh in 
excess of 290 lbs (131.5 kgs) and be unbalanced. To avoid injuries or damage, 
use care and obtain assistance when lifting a crate containing MCPS2135 
components.  
∗  Caution:  Do not attempt to move an MCPS system with modules installed. 
∗  Caution:  Provide bottom support when removing an MCPA module to avoid 
damage to the fan housing. 
.  Note:  Local building and fire codes govern the manner in which some site 
preparation and installation tasks are performed.  Spectrian recommends that 
you consult your local building inspector or a licensed engineer to ensure that 
the site installation conforms to local building codes. 
1.23.2 Task safety equipment, tools and materials 
The following safety equipment, tools, and materials are recommended to perform 
the installation tasks in this section. 
Safety Equipment 
• Safety glasses 
• Work gloves 
• Back-support belt 
Tools 
• Heat Gun (Master 10008 – MAS or equivalent) 

MCPS2135 InstallationPlanning and PreparationIntroduction 
16 MCPS2135 Operations Manual 
 2001 Spectrian Corporation.  All rights reserved. 
• Cable Cutter (Klein 63050) 
• Flat and Phillips screwdrivers 
• Adjustable wrench 
• ESD protective wrist strap 
• Inspection lamp or flashlight 
• Crimping tool (T & B TBMS or equivalent) 
• Digital Volt Meter (DVM) 
• Torque Driver (Mountz TLS1360 or equivalent) 
• Current Meter 
• Wire Strippers (Greenlee 45109 or equivalent) 
Materials 
• Pressurized can of spray-on contact cleaner 
• Rack-mounting hardware and fasteners 
• DC Power, RF, and signal cables 
• Crimp -on circular lugs 
• 8 AWG insulated (green) copper ground wire 
• Shrink Tubing 
3.3 Rack Installation 
The MCPS2135 series amplifiers mount in the equipment rack using rack-
mounted side support rails .  
The MCPS2135 shelf subassemblies are labeled with the part and serial numbers, 
using standard EIA part identification, date code, and serializing methods.  It is 
also labeled with the appropriate FCC approvals.  
All MCPS2135 shelf subassemblies contain all internal wiring for DC power and 
RF signal distribution to the RF modules and the interfaces to the cell site.  
Brushless DC cooling fans are mounted on each RF module; cooling air is drawn 
through grille openings in the front of each module and discharged through the 
rear. 
+  Warning:  The MCPS2135 shelf sub-assembly weighs approximately 50 lbs 
(22.7  kg).  Use caution when lifting; obtain assistance if necessary.  
3.3.1 Install Shelf Subassembly 
1. Make certain that adequate vertical space within the rack enclosure is 
available.  Verify that there will be at least 4 inches (10cm) of space 
behind the unit when installed for cooling air flow. 
2. Put on an ESD protective wrist strap, and properly ground it. 
3. Unpack the MCPS2135 side mounting rails and attachment hardware and 
install them in the rack as shown on the accompanying job sheet. 

MCPS2135 InstallationPlanning and PreparationIntroduction 
MCPS2135 System Operation  17 
 2001 Spectrian Corporation.  All rights reserved. 
4. Unpack the MCPS2135 shelf and record its serial number.  Ensure the 
shelf is in the proper upright vertical orientation and slide it onto the 
mounting rails. 
5. Use the supplied mounting screws to attach the shelf to the rack.  Tighten 
rack mounting screws securely. 
3.3.2 Install Modules in Shelf 
1. Unpack each RF module.  Align each module with the guides in an 
amplifier slot and slide the module as far as possible into the shelf, 
making sure the module is fully seated.  Note that each module weighs 
approximately 50 lbs (22.7 kg); get a helper to assist if necessary.  
Tighten the fasteners at the bottom of each faceplate to lock the modules 
in place. 
2. Unpack and install the Amplifier Management Module (AMM) module 
in the rightmost slot of the shelf.  Tighten the fastener at the bottom of the 
faceplate to lock the module in place. 
3. Inspect the alignment of the finished installation, and adjust if needed.  If 
no problems are found, rack installation is complete. 
3.4 Cable and Wire Connections 
3.4.1 Connect Chassis Ground Wire 
1. Locate the chassis ground stud on the rear of the MCPS2135 for ground 
wire attachment.  
2. Measure the distance and routing between the MCPS2135 ground stud 
and an attachment point to earth ground.  Cut a length of #8 AWG 
insulated (green) solid copper wire sufficient for the connection. 
3. Crimp a ¼”  circular lug to one end of the ground wire. 
4. Remove the nut and lock washer on the MCPS2135 ground stud.  Attach 
the DC ground wire lug to the grounding stud on the MCPS2135, and 
replace the lock washer and nut.  Tighten the nut securely. 
5. Connect the other end of the ground wire to the appropriate earth ground. 
6. Use a DVM to verify that the resistance between the chassis ground and 
true earth ground is less than 100 Ohms. 
7. Inspect the finished connection.  If no problems are discovered, ground 
wire installation is complete. 
3.4.2 Connect DC Input Power Cables 
The MCPS2135 power connection can be made using a pair of wires for each RF 
module, or via a single bussed connection.  The DC input voltage cabling must be 
terminated by crimped lugs and sized to the correct wire gauge to accommodate 
the wire length and the DC current requirements of the MCPS2135 in accordance 

MCPS2135 InstallationPlanning and PreparationIntroduction 
18 MCPS2135 Operations Manual 
 2001 Spectrian Corporation.  All rights reserved. 
with local building codes and industry practice.  Refer to Table 2 for the 
recommended power supply circuit and wire sizing for each option.  
+  WARNING:  Do not perform DC lead installation with energized leads.  Ensure 
that the DC power supply is OFF for all installation activities! 
1. Locate the positive and negative terminals on the customer-provided DC 
power source, and verify polarity with a DVM. 
2. Locate the power supply lugs at the top of the rear of the shelf 
subassembly.  The four #10 lugs are for the per-RF-Module connection 
option, the single pair of ¼” lugs are for the bussed power option.  
Determine which set of lugs will be used for this installation. 
3. Measure the distance and routing between the power source and the 
MCPS2135 DC lugs.  
4. For each power connection being made, cut equal lengths of wire for 
power and return.  Strip and connect each wire to the appropriate power 
connection, using the crimping tool and the supplied ground lug. 
∗  Caution:  Verify the polarity of each supply wire prior to connecting them to the 
shelf subassembly.  A reversed-polarity connection will severely damage the 
MCPS2135 and will void the product warranty. 
5. Crimp the appropriate terminal lugs onto each power supply wire. 
6. Attach one positive supply wire and one return wire to each of the four 
sets the power supply lugs at the top of the rear of the shelf subassembly. 
Tighten the attachment nuts firmly. 
7. Inspect the finished connection.  If no problems exist, the DC input power 
cable installation is complete. 
3.4.3 Connect RF Output and Input Cables 
The MCPS2135 has one female type-N amplified RF output for connection to a 
customer-supplied coaxial cable terminated with a male connector, and one female 
SMA RF input for connection to an customer-supplied input cable terminated with 
a male SMA connector. 
+  WARNING:  Do not perform RF cable installation with DC power applied to the 
MCPS2135.  Ensure that the input DC power supply is OFF before handling RF 
cables. 
∗  Caution:  The Output cable must be connected before connecting the Input 
cable. 
.  Note:  The integrity of RF cabling is critical to the electrical performance of the 
MCPS2135.  Ensure connectors are properly assembled, are free of debris, and 
are clean. 
1. Locate the male N-type RF output connector on the end of the coaxial 
cable attached to the output load.  Inspect the connector and clean if 
necessary; fix any problems with the cable or connector before 
proceeding. 

MCPS2135 InstallationPlanning and PreparationIntroduction 
MCPS2135 System Operation  19 
 2001 Spectrian Corporation.  All rights reserved. 
2. Locate the female N-type RF connector labeled “RF OUTPUT” on the 
MCPS2135. 
3. Screw the male cable connector firmly onto the female RF output 
connector of the MCPS2135. 
4. Locate the male input RF connector on the end of the coaxial cable from 
the RF signal source.  Inspect the connector for damage or irregularity, 
and fix any problems with the cable or connector before proceeding. 
5. Locate the female SMA connector labeled “RF INPUT” on the rear of the  
MCPS2135. 
6. Screw the male cable connector firmly onto the MCPS2135 female 
connector. 
3.4.4 Connect Alarm Interface Cables 
1. The MCPS2135 provides optional factory-configured connections for dry 
contact, TTL, or RS-422 communications and alarm output to the 
customer system.  Refer to the connector pin-out and descriptions in  
Appendix A3for the connections applicable to your MCPS2135. 
2. Locate the interface connectors located on the rear of the shelf 
subassembly behind the Amplifier Management Module (AMM).  Inspect 
the connector and clean if necessary; correct any problems with the cable 
or connector before proceeding. 
3. Connect the male connector or input wires to the connector mounted on 
the MCPS2135.  Tighten the two screws on the cable connector (if any) 
firmly. 
3.5 Completing the Installation 
3.5.1 Set the MCPS2135 unit address 
Each MCPS2135 may be configured with a unique address (0 – 7) for commands 
and status reports sent through the RS-422 port. 
If this option is included in the MCPS2135, locate the rotary switch on the rear of 
the MCPS2135 Amplifier Management Module.  Set the switch to the desired 
address. 
1.1.23.5.2 Verify Installation 
Recheck all physical and electrical connections to the MCPS2135 and remedy any 
problems discovered. 
Once the installation is verified, the MCPS2135 is ready to be set up and placed in 
service, as described in the next section.  

System Start-UpPlanning and PreparationIntroduction 
20 MCPS2135 Operations Manual 
 2001 Spectrian Corporation.  All rights reserved. 
4 System Start-Up 
4.1 Introduction 
This section contains instructions on powering up the MCPS2135 amplifier 
system.  These procedures should be followed after installing the MCPS2135 
amplifier system in the rack. 
1.24.2 Safety Information and Tools 
To avoid injury, installers, technicians, and maintenance personnel must follow 
Spectrian's recommended procedures and observe safety precautions. 
+  Warning:  The MCPS2135 should only be operated by trained and qualified 
personnel.  Always follow safety warnings. 
+  Warning:  Persons with cardiac pacemakers should avoid exposure to RF 
radiating elements.  Exposing the human eye to high levels of radio-frequency 
radiation may result in the formation of cataracts.  Do not operate exposed 
circuitry or radiating elements with personnel in close proximity to the radiating 
source.  Always replace covers and shields during operation.  
.  Note:  Before shipment, the MCPS2135 was inspected and found free of 
mechanical and electrical defects.  The electrical performance of the MCPS2135 
should be verified using these procedures.  If there is any deficiency, or if 
electrical performance is not within specifications, notify your Spectrian 
representative immediately. 
Tools  
The following tools are recommended to perform installation tasks. 
• HP 436 Power meter 
• Digital Volt Meter (DVM)   
4.3 Verify system installation 
Before operating the MCPS2135, verify proper installation as described in the 
previous section. 
1. Verify that there are no obstructions to airflow in the front or rear of the 
MCPS2135. 
2. Ensure that the DC power supply at the site is functioning normally.  DO 
NOT turn on the DC supply to the MCPS2135 at this time. 
3. Ensure that the MCPS2135 is physically connected to an input RF signal 
source and terminated in an output load.  Ensure that the RF signal level has 
been set properly.  DO NOT turn on the RF signal source at this time. 

System Start-UpPlanning and PreparationIntroduction 
MCPS2135 System Operation  21 
 2001 Spectrian Corporation.  All rights reserved. 
4. If used, verify that the MCPS2135 address is set correctly. 
+  WARNING: The RF output of the MCPS2135 should be connected to a 50-ohm 
load before DC power is turned on.  The load must be capable of dissipating at 
least 500 watts average power and 6,300 watts of peak power. 
After mechanical and electrical installation tasks are complete, the MCPS2135 is 
ready for power-on check. 
1.44.4 Power Up the MCPS2135 
∗  Caution:  Read and understand all of the following steps before taking any 
action. 
.  Note:  The MCPS2135 should be powered on and enabled before the RF input 
power is applied. 
1. Switch on the DC input power to the MCPS2135.  Measure the input 
voltage at the bus bar connections at the rear of the unit and verify it is 
27VDC.  Adjust the power supply if necessary. 
Following the power-up self-test, the MCPS2135 AMM POWER LED 
should be GREEN, indicating that the unit is functional and that in input 
voltage is between 24 and 28 VDC.  If the POWER LED is amber, red, or 
does not light, turn off the DC input power and correct the power supply 
fault. 
The ENABLE switch should be “ON”.  The MCPS2135 RF modules will 
automatically be ENABLED.  All four LEDs on each MCPA module 
should be GREEN. 
To DISABLE an RF module, set the front panel ENABLE/DISABLE 
switch to DISABLE; the ENABLE LED will then be RED. 
2. Wait 5 minutes for the MCPS2135 to reach a stable operating temperature 
and to charge the real-time clock backup power.  DO NOT apply 
commercial traffic signal power during this time. 
3. If the MCPS2135 is connected to a remote operations center via one of 
the rear panel interface connections, verify no alarms have been reported. 
4. Verify that all MCPS2135 status LED indicators remain GREEN.   
5. If any LED indicators are AMBER or RED, then RF modules are 
disabled or there is a problem which must be remedied before continuing.  
Refer to section 6, Troubleshooting. 
∗  Caution:  Before applying RF input power to the MCPS2135, verify that the 
applied RF input power for a single channel and the sum of all channels is 
below the calculated maximum rated RF input. 

MCPS2135 System MonitoringPlanning and PreparationIntroduction 
22 MCPS2135 Operations Manual 
 2001 Spectrian Corporation.  All rights reserved. 
5 MCPS2135 System Monitoring 
5.1 Introduction 
This section describes methods for monitoring the MCPS2135 amplifier system 
operation. 
1.25.2 Monitoring the MCPS2135 System Operation 
The MCPS2135 Amplifier Management Module (AMM) has a front panel RS-232 
status port.  This port provides the option to monitor the operation and status of the 
MCPS2135 using a laptop computer, if desired. 
A LabView-based Graphical User Interface (GUI), which can run on 
Windows95, 98, or NT4.0-based laptop computers is available from Spectrian. 
1.35.3 Alarm Definitions 
Fault management may be accomplished by various means with the MCPS2135.  
The MCPS2135 includes alarm LEDs, an RS-232 diagnostics port, and an optional 
base station status/alarm interface.  These LEDs may be used for visual 
diagnostics by on-site technicians.  Refer to Section 5 for details on the 
MCPS2135 alarm and protection circuits. 
1.1.15.3.1 Alarm classification 
The MCPS2135 fault management subsystem classifies faults into three 
categories.  In order of escalation, these are minor faults, major faults, and critical 
faults. 
1.1.1.15.3.1.1 Minor Alarm 
A minor problem exists, but the fault does not require a module to be taken out of 
service. 
Routine service attention is recommended. 
1.1.1.25.3.1.2 Major Alarm 
A major problem exists such that the MCPS2135 is not meeting all performance 
specifications, but the unit is not automatically disabled. 
Urgent service attention is required or the unit may take itself out of service. 

MCPS2135 System MonitoringPlanning and PreparationIntroduction 
MCPS2135 System Operation  23 
 2001 Spectrian Corporation.  All rights reserved. 
1.1.1.35.3.1.3 Critical Alarm 
A major failure or a condition exists that could result in damage.  The MCPS2135 
is automatically taken out of service. 
Immediate service attention is required. 
1.1.25.3.2 Alarm Responses 
The fault management system automatically responds when a fault is detected.  
Responses vary in impact from alarm notification with no subsequent action (for 
minor faults) to alarm notification and shut-down (for critical faults).  The 
hierarchy of responses is designed to keep the MCPS2135 in operation unless 
continued operation would result in damage to the unit.  Under some fault 
conditions, the MCPS2135 continues to operate in a degraded state.  The operator 
may choose to continue to operate in a degraded state, shed channels, or shut down 
the MCPS2135 until repairs can be completed. 
1.1.1.15.3.2.1 Automatic Alarm resets 
Critical Alarm 
When a critical alarm occurs, the MCPS2135 will automatically be DISABLED 
(i.e., taken out of service) until the operator re-ENABLES the unit. 
Major Alarm 
When a major fault is detected, the MCPS2135 attempts to clear the fault by 
performing a reset.  In most cases, the MCPS2135 will attempt to reset five times.  
If the alarm condition fails to clear after five attempts, the MCPS2135 remains in 
operation with the fault alarm set.   
In the case of an over-temperature major alarm, the fault manager will attempt to 
clear the alarm one time only by resetting.  If the fault condition does not clear, the 
alarm classification will escalate to critical (out-of-service), and the MCPS2135 
will shut down and remain off-line until returned to service by the operator. 
Alarm Transient Supression 
To minimize false alarms from transient anomalies, the fault management system 
is designed with built-in hysteresis and filtering.  If the fault condition persists past 
the filter interval, the appropriate fault alarm is set. 
1.1.1.25.3.2.2 Manual Alarm resets 
When a major Alarm is detected, the operator may choose from the following 
options: 
• Take no action and allow the MCPS2135 to operate in a degraded state until 
service can be performed. 
• Shed input channels to reduce the power to the MCPS2135. 
• Disable the RF Module using the front panel switch, diagnostic port, or 
optional base station alarm and control interface 

MCPS2135 System MonitoringPlanning and PreparationIntroduction 
24 MCPS2135 Operations Manual 
 2001 Spectrian Corporation.  All rights reserved. 
1.45.4 MCPS2135 Alarm Limits and Protection Circuits 
The MCPS2135 series of multicarrier power amplifiers has a wide range of alarm 
configurations available.  These may be specified to meet the demands of specific 
applications.  In addition, the MCPA modules have built-in protection circuits to 
prevent damage from unintentional misuse.  Module alarms  may be summarized 
and reported to a BTS using a customized interface.  This hierarchical system 
insures that Spectrian’s MCPS2135 series amplifier systems remain robust with a 
minimum of false alarms, but promptly report any real issues to the base station 
controller. 
The default alarm limit settings and analog protection circuit operation for the 
MCPS2135 family of MCPA amplifier systems are summarized below.  The 
information contained herein is provided for reference only.  Guaranteed 
specification limits must be negotiated between prospective customers and 
Spectrian.  There are three levels of the alarm/protection hierarchy: 
• Analog Protection Circuits – Configured in hardware design to protect the 
MCPA. 
• MCPA Module Alarms  – Most are software configurable for specific 
applications. 
• Amplifier System Alarms  – Summarizes MCPA and Alarm Management 
Module status. 
In general, analog protection circuit limits are set by design, and may not be 
changed.  MCPA alarm limits are software configurable, and may be tailored to 
meet customer alarm specifications.  Individual MCPA alarms are not displayed 
on the module front panel, but they are accessible through Spectrian’s Graphical 
User Interface (GUI) software.  System level alarms are summaries of the module 
alarm status (minor/major/critical), as well as the Amplifier Management Module 
(AMM) and the communication link between the modules and the AMM.  The 
summary set-up is configurable using the amplifier GUI software. 
1.1.15.4.1 MCPA Module Analog Protection Circuits 
The MCPS2135 MCPA module design incorporates circuits to prevent MCPA 
module damage by common misuse conditions.  The circuits react automatically to 
the conditions shown in Table 3 with the limits set as noted.  These limits are not 
adjustable by software configuration. 
Control Condition Speed Latch 
Input Overdrive > 10 dBm @ Input (configured for 57 dB module gain) 2 msec No 
Main Amp Overdrive > 4 dBm @ Vectormod Input  35 µsec No 
Error Amp Overdrive > -7 dBm @ Vectormod Input 35 µsec No 
Overvoltage Clamp  Internal DC line is limited to 28V by linear regulation 
up to 30V input 10 msec No 
Circuit Breaker > 75 A current draw 25 msec Yes 
Table 3:  Analog Protection Circuit 

MCPS2135 System MonitoringPlanning and PreparationIntroduction 
MCPS2135 System Operation  25 
 2001 Spectrian Corporation.  All rights reserved. 
1.1.25.4.2 MCPA Module Alarms 
The set points, delay, reset points, and latching conditions of all three types of 
alarms are software configurable.  Some Minor alarm settings can be specified by 
the customer but must be agreed upon between the customer and Spectrian prior to 
installation or modification.  Alarm limits for Major and Critical Alarms are fixed 
and can not be modified, insuring long term reliability of the MCPA module. 
Type  Indicator  Condition Action / Response 
No Alarm LED Green Normal operation None 
Minor LED Amber System functional but with degraded performance None 
Major LED Red System malfunctioning but operating (degraded 
performance)  System Reset after Dwell 
Critical LED Red Continuous operation may induce damage System Shutdown after Dwell 
Table 4:  Module Alarm Hierarchy  
Description GUI 
Mne-
monic 
Minor 
Alarm Set 
Point  
Major 
Alarm Set 
Point  
Critical Alarm 
(Module 
Shutdown) 
Critical 
Alarm 
Dwell 
Time 
Critical 
Alarm 
Latch 
Hyst-
eresis 
Reset 
Point 
Inlet Temperature TMP > 50 °C  > 70 °C  > 70 °C  10 min. No 50 °C 
Main Amp Base 
Temp TMP N/A > 90 °C > 90 °C, >120 °C, 
no dwell 10 min. No 70 °C 
Error Amp Base 
Temp TMP N/A > 90 °C > 90 °C, >120 °C, 
no dwell 10 min. No 70 °C 
PCM Base Temp TMP N/A > 90 °C > 90 °C, > 120 °C, 
no dwell 10 min. No 70 °C 
Over/Under Voltage OVS/ 
UVS 22 to 24V 
20 to 22V or 
28 to 30V <20V or >30V 5 sec No 24V or 
28V 
IM Degradation LOP Loop 2 
SNR < 0 dB  VMOD at 
rail N/A N/A No N/A 
Load VSWR VSR >4:1 >10:1 N/A N/A No N/A 
RF Overdrive OPR >150W  >170W >170W 2 sec  Yes 150W 
Fan Failure FAN Low RPM 
(≤50% 
rated) 
1 Fan 
Failed 2 Fans Failed None No N/A 
+8V DC-DC 
Converter OVS/ 
UVS N/A <7V, >9V <7V, >9V 2 sec Yes N/A 
+16V DC-DC 
Converter OVS/ 
UVS N/A <14V, >18V <14V, >18V 2 sec. Yes N/A 
-16V DC-DC 
Converter OVS/ 
UVS N/A -18V, >-14V
-18V, >-14V 2 sec. Yes N/A 
Input Current CKT N/A >60A >60A No Delay After 3 
Failures N/A 
BPM Power Cell 
Failure STK 1 Power 
Cell Failure 2 Power 
Cell Failure > 2 Power Cell 
Failure No Delay Yes N/A 
Gain Drop GAN N/A < -3 dB N/A 2 sec. No < -1 dB 
Table 5:  Default Alarm Descriptions and Settings  

MCPS2135 System MonitoringPlanning and PreparationIntroduction 
26 MCPS2135 Operations Manual 
 2001 Spectrian Corporation.  All rights reserved. 
1.1.35.4.3 MCPA System Alarms 
A multimodule MCPA system will have an Amplifier Management Module 
(AMM) that summarizes the status of all modules and reports this information to 
the base transceiver station (BTS).  The format of this information is usually 
customized for specific customers.  Options for physical layer customization 
include: 
• Parallel TTL Interface – Summary bits for individual module status. 
• Serial Interface (RS-232, RS-422) – Customized strings sent to BTS interface. 
• Form-C Relay Contacts – Wired directly into BTS. 
Messaging layer customization is usually specified by the customer.  In addition 
Spectrian does maintain an internal standard for serial messaging.  System status is 
generally a combination of the module status.  This is also specified by the 
customer. An example of a system alarm hierarchy might be as noted in the table 
below. 
MCPA Alarm 
Condition Amplifier System Status Summary Logic 
Minor At least one module reporting a minor alarm OR 
Major At least one module reporting a major alarm OR 
Critical At least 3 modules reporting a critical alarm AND 
Table 6:  Typical MCPS System Alarm Hierarchy 

Troubleshooting and MaintenancePlanning and PreparationIntroduction 
MCPS2135 System Operation  27 
 2001 Spectrian Corporation.  All rights reserved. 
6 Troubleshooting and 
Maintenance 
6.1 Introduction 
The following chapter provides basic information about diagnosis of problems 
with the MCPS2135.  Please read the following safety information prior to 
beginning diagnosis and repair actions. 
+  Warning:  Troubleshooting and repairs should be performed only by trained and 
qualified personnel or at authorized Spectrian repair depots.  Observe all safety 
warnings and use the required safety equipment when performing the tasks 
described in this chapter. 
.  Note:  Before shipment, theMCPS2135 was inspected and found free of 
mechanical and electrical defects.  The electrical performance of theMCPS2135 
should be verified using these procedures.  If there is any deficiency, or if 
electrical performance is not within specifications, notify your Spectrian 
representative immediately. 
Tools  
The following tools are recommended to perform system service tasks. 
• HP 436 Power Meter 
• Digital Volt Meter (DVM) 
6.1.1 Safety Information 
To avoid injury, installers, technicians, and maintenance personnel must follow 
Spectrian's recommended procedures and observe all safety precautions.  
+  Warning:  The MCPS2135 transmits high power at radio frequencies.  Severe 
radiation burns can occur if recommended safety precautions are not strictly 
observed. 
+  Warning:  Persons with cardiac pacemakers should avoid exposure to RF 
radiating elements.  Exposing the human eye to high levels of radio-frequency 
radiation may result in the formation of cataracts.  Do not operate exposed 
circuitry or radiating elements with personnel in close proximity to the radiating 
source. Always replace covers and shields during operation. 
+  Warning:  Except where specifically indicated, always disconnect RF input 
power and DC input power to the MCPS2135 before performing procedures that 
do not require power.  For those procedures that do require power, be extremely 

Troubleshooting and MaintenancePlanning and PreparationIntroduction 
28 MCPS2135 Operations Manual 
 2001 Spectrian Corporation.  All rights reserved. 
cautious in handling test leads, tools, and equipment near live circuits.  Never 
reach into an enclosure for the purpose of servicing or adjusting live equipment.  
6.2 Troubleshooting 
Refer to section 5.3 for a definition of alarm types and the significance of those 
alarm types. 
1.1.16.2.1 Using LED Indicators 
Each MCPS2135 RF Module is equipped with four LED indicators mounted on 
the front panel.  The system Alarm Management Module has two LED indictors 
mounted on the front panel.  These indicators provide useful status and diagnostic 
information to operators and technicians.  
Module 
LEDs Green Amber Red 
POWER Voltage OK, 26 VDC 22-24 V  or 28-29V; RF 
has degraded performance <22 V or >29V; RF 
shuts down 
ENABLED  Enabled N/A Disabled 
STATUS OK Minor Alarm Major or Critical 
Alarm  
FAN OK N/A Fan Failure 
AMM LEDs Green Amber Red 
DC POWER Voltage OK, 26 VDC 22-24 V  or 28-29V; 
system has degraded 
performance 
<22 V or >29V; 
system shuts down 
STATUS No Faults N/A System Fault Exists 
1.1.26.2.2 Using the Diagnostic Port Output 
Use of the Diagnostic Port is described in the release notes with the interface 
software distribution. 
1.1.36.2.3 Using Remote Alarm Monitoring 
The MCPS2135 can include an optional alarm or control interface to base station 
monitoring systems.  These systems provide a serial interface to transmit status 
codes to a remote host computer and receive a limited set of commands from the 
host.  For systems with such an interface, the interface is described in detail in the 
specifications Appendix, A3. 
.  Note:  The MCPS2135 fault management system and its associated alarms and 
fault indicators operate independently of the serial interface. 

Troubleshooting and MaintenancePlanning and PreparationIntroduction 
MCPS2135 System Operation  29 
 2001 Spectrian Corporation.  All rights reserved. 
6.3 Periodic Maintenance 
6.3.1 Dust Removal 
Keep the air inputs and outputs of the MCPS2135 free of dust or other material 
that could block cooling airflow. 
1.1.26.3.2 Visual Inspection 
Periodically visually inspect the MCPS2135 to ensure that all indicators are 
functioning normally and that all system interfaces are properly connected. 
1.46.4 Module Replacement 
The RF modules of the MCPS2135 are hot-swappable field replaceable units 
which can be removed and inserted while the system is online without affecting 
the operation of the other units in the system. 
1.1.16.4.1 Replacing an RF Module 
+  WARNING:  The RF Module is very heavy, 50 lbs (22.7 kg).  Get assistance if 
necessary. 
∗  Caution:  Provide bottom support when removing an MCPA module to avoid 
damage to the fan housing. 
1. Disable the RF Module being replaced by switching the front panel switch to 
DISABLE. The ENABLE LED will be RED. 
2. Undo the RF Module front panel fastener. 
3. Slide the RF Module out of the shelf subassembly. 
4. Place the RF module in a safe, static-free location. 
5. Set the ENABLE switch on the replacement module to the DISABLE 
position. 
6. Insert the replacement RF Module. 
7. Fasten the RF Module front panel fastener. 
8. Set the ENABLE switch on the replacement module to the ENABLE position. 
9. The RF Module will automatically self-test and then ENABLE; the ENABLE 
LED will then be GREEN. 
6.4.2 Replacing an AMM 
1. Turn off the DC power to the MCPS2135. 
2. Undo the AMM front panel fasteners. 
3. Slide the AMM module out of the shelf subassembly. 
4. Place the AMM in a safe, static-free location. 

Troubleshooting and MaintenancePlanning and PreparationIntroduction 
30 MCPS2135 Operations Manual 
 2001 Spectrian Corporation.  All rights reserved. 
5. Slide the new AMM into the shelf sub-assembly.  
6. Fasten the AMM front panel fastener. 
7. Turn on the DC power to the MCPS2135.  The system will perform a power-
up self-test automatically. 
8. The POWER LED will be GREEN. 
6.4.3 Replacing shelf subassembly 
+  Warning:  Turn off the DC voltage and RF power prior to replacing an 
MCPS2135.   
+  Warning:  Remove all DC and RF connectors prior to removing the MCPS2135 
from the rack.  
∗  Caution:  Do not attempt to move an MCPS system with modules installed. 
1. Remove the RF Modules’ front panel retaining screws.   
2. Remove the RF modules from the rack. 
+  WARNING: The RF Module is very heavy (50 lbs / 22.7 kg).  Get assistance if 
necessary. 
3. Set each RF Module aside in a clean, safe place, free of electrostatic charges. 
4. Remove the rack retaining screws.  Grasp the front panel with both hands and 
pull the MCPS2135 straight out from the rack. 
5. Set the disconnected MCPS2135 aside in a clean, safe place, free of 
electrostatic charges. 
6. Remove the replacement MCPS2135 from its static-protective packaging.  
.  Note: You may wish to record the serial number on your repair record before 
installing the module. 
7. Follow the installation and operation instructions in Sections 3 and 4 to place 
the unit back in service. 
6.5 Module Service 
6.5.1 Replacing MCPS2135 Fan Modules 
+  WARNING: The RF Module is very heavy (50 lbs / 22.7 kg).  Get assistance if 
necessary. 
∗  Caution:  Provide bottom support when removing an MCPA module to avoid 
damage to the fan housing. 
1. Disable the RF module with the failed fan. 
2. Remove the RF module with the failed fan from the rack. 
3. Place the RF module on a clean, static-free work surface. 

Troubleshooting and MaintenancePlanning and PreparationIntroduction 
MCPS2135 System Operation  31 
 2001 Spectrian Corporation.  All rights reserved. 
4. Remove the screws securing the fan module to the RF module. 
5. Disconnect the wiring harness from the fan module. 
6. Connect the harness to the new fan module. 
7. Replace the fan module and replace the attachment screws. 
8. Replace the RF module in the rack.   
9. Enable the module.  Following the automatic power-up reset sequence, the 
FAN indicator LED should be GREEN. 

Appendix A1 Spectrian, Inc. OfficesPlanning and PreparationIntroduction 
32 MCPS2135 Operations Manual 
 2001 Spectrian Corporation.  All rights reserved. 
Appendix A1 Spectrian, Inc. 
Offices 
Spectrian Headquarters 
350 West Java Drive 
Sunnyvale, Calif. 94089 
Ph: 408-745-5400 
Fax: 408-541-0263 
Web: www.spectrian.com 
Spectrian, Asia Office 
4TH FL., Ensung Building,  
601-18, Yoksam-Dong, Kangnam-Ku,  
Seoul, 135-080, Korea  
Ph: 822-545-6441 
Fax: 822-545-6062  
Centralized customer service: 
For customer service support please direct all requests, questions, comments, and 
inquires to cs@spectrian.com or mail to: 
Spectrian Customer Service Department 
350 West Java Drive 
Sunnyvale, Calif. 94089 
Ph: 800-793-7222 
Fax: 408-541-0263  
Technical Support Line 
Ph: 408-745-5416 

Appendix A2 Major Electrical SpecificationsPlanning and 
PreparationIntroduction 
MCPS2135 System Operation  33 
 2001 Spectrian Corporation.  All rights reserved. 
Appendix A2 Major Electrical 
Specifications 
Major Equipment Specifications for the MCPS2135 Amplifier System 
Electrical Specifications Specification @ 25ºC 
Frequency Range 869 - 894 MHz 
Average Power¹ into 50 Ohms  135W (51.3 dBm) to 500W (57.0 dBm) 
Intermodulation Distortion (IMD) -65 dBc with AMPS and/or TDMA IS-136, or IS-
97 CDMA dual mode input sources under nominal 
conditions 
CDMA Adjacent Channel Power2 < -45 dBc, 750 KHz offset,  30 KHz res bandwidth 
@ 881 MHz, 100W Output < -60 dBc, 1.98 MHz offset, 30 KHz res bandwidth 
Receive Band Noise 60 dBc 
Carrier Spacing (AMPS/TDMA) 60 KHz min., 25 MHz max. 
Power Output Stability for Single Frequency ± 0.5 dB under nominal conditions 
Operating Bandwidth up to 25 MHz 
Gain Factory set, 30 to 60 dB, 85 dB with optional 
preamp  
Gain Flatness vs. Frequency ± 0.5 dB (over all temps) 
Gain Variation over Temp @ Any Inband Frequency ± 1 dB 
Forward Power Sample Port Coupling -50 dB typ. 
Input/Output Port Return Loss -15 dB min. 
Second/Third and Greater Harmonic Output -50 dBc / -70 dBc 
DC Input Voltage Range 26 to 28VDC 
DC Input Current @ 27VDC  135W single RF module – 55A 
250W two RF modules – 110A 
370W three RF modules –165A 
500W four RF modules – 220A 
1Power levels at the output of the system combiner will vary depending on the configuration. 
2Measured at the RF module output connector and in accordance with IS-97. 

Appendix A3 Major Mechanical SpecificationsPlanning and 
PreparationIntroduction 
34 MCPS2135 Operations Manual 
 2001 Spectrian Corporation.  All rights reserved. 
Appendix A3 Major Mechanical 
Specifications 
Mechanical Specifications 
Operating/Storage Temperatures 0ºC to 50ºC/-40ºC to 85ºC 
Size, 4 module shelf (D x W x H) 
(Excludes mounting ears and handles). 17.72 x 21.56 x 13.97 in. max 
(450 x 547.62 x 354.84 mm max.)   
Size, 1 module shelf 17.72 x 17.0 x 5.25 in. max 
(Excludes mounting ears and handles). (450 x 431.72 x 133.33 mm max.) 
Weight, 4 module shelf (Empty)  Installed: approx. 45 lbs (20 kg) 
Shipping: approx. 60 lbs max. (27 kg) 
Weight, 1 module shelf (Empty)  Installed: approx. 22 lbs (9 kg) 
Shipping: approx. 29 lbs max. (13 kg) 
Weight, 1 module   Installed: approx. 50 lbs max. (22.7 kg) 
Shipping: approx. 65 lbs max. (29.5 kg) 
Connectors RF Input(s): SMA (F) 
RF Output(s): N (F) 
RF Output Sample Port: SMA (F) 
DC Inputs: 10-32 and ¼-20 threaded lugs 
DC Ground: ¼-20 threaded lugs 
Maintenance Port: RS232 
Alarms Port: RS422 (standard) 
RS232 (Front panel port) pinout: Pin 1 GND 
Pin 2 TX 
Pin 3 RX 
Pin 4 N/C 
Pin 5 GND 
Pin 6 N/C 
Pin 7 RTS 
Pin 8 CTS 
Pin 9 N/C 
Indicators AMM: DC On, Alarm LEDs 
MCPA Modules: DC On, Enable, Alarm, Fan 
LEDs 

Appendix A3 Major Mechanical SpecificationsPlanning and 
PreparationIntroduction 
MCPS2135 System Operation  35 
 2001 Spectrian Corporation.  All rights reserved. 
Mechanical Outlines 
MCPS2135 500W 

Appendix A3 Major Mechanical SpecificationsPlanning and 
PreparationIntroduction 
36 MCPS2135 Operations Manual 
 2001 Spectrian Corporation.  All rights reserved. 
MCPS2135 135W Configuration

Appendix A3 Major Mechanical SpecificationsPlanning and 
PreparationIntroduction 
MCPS2135 System Operation  37 
 2001 Spectrian Corporation.  All rights reserved. 
MCPA Module for MCPS2135 Family

Appendix A4:   MCPS2135 System CheckoutPlanning and 
PreparationIntroduction 
38 MCPS2135 Operations Manual 
 2001 Spectrian Corporation.  All rights reserved. 
Appendix A4:   MCPS2135 
System Checkout 
MCPS System Checkout 
In some cases, it may be desirable to perform a system checkout prior to 
installation to insure proper operation.  The following procedure is included here 
only for reference.  Accurate specification verification is not guaranteed when 
using this procedure.   
Equipment Required 
• HP4432 Signal Generator 
• Sorenson DHP40-250 DC Power Supply 
• HP8561A Spectrum Analyzer 
• HP436 Power Meter 
• HP8481A Power Head 
• 750W, 30 dB Attenuator 
• Digital Volt Meter (DVM) 
Setup Procedure 
1. Connect Sorenson DHP-40-250 DC power supply to DC input as outlined 
in Section 3.4. 
2. Connect HP4432 CDMA Signal Generator to RF input. Set RF level to –
30 dBm.  Set I/Q input to internal CDMA generator, IS-97 with EQ, 9 
Walsh Codes. 
3. Connect Attenuator to RF Output 
4. Connect HP8481A Power Sensor to Attenuator output. 
5. Connect HP8561A Spectrum Analyzer to Sample Port Output. Set 
ATTEN=10 dB, RBW=30kHz, VBW=10kHz, Vid. Avg.=100, 
SPAN=10MHz. 

Appendix A4:   MCPS2135 System CheckoutPlanning and 
PreparationIntroduction 
MCPS2135 System Operation  39 
 2001 Spectrian Corporation.  All rights reserved. 
Performance Checkout Procedure 
1. Set current limit on Sorenson power supply to appropriate level as listed 
in Table 2. 
2. Set DC voltage to 27 ± 1V. 
3. With no RF applied, verify that idle current is approximately 13A x 
number of MCPA RF modules. 
4. Apply RF signal, and slowly increase power to maximum rated power as 
listed in Appendix A2. 
5. Verify that the total DC current is approximately that listed in Table 2. 
6. Perform ACPR measurement.  Verify that mask specification exceeds 
specification listed in Appendix A2. 

INDEXPlanning and PreparationIntroduction 
40 MCPS2135 Operations Manual 
 2001 Spectrian Corporation.  All rights reserved. 
7 INDEX 
acoustic treatment 8 
airborne dust 8 
air-conditioning 8 
alarm configurations 23 
alarm connection 9 
Alarm Definitions 21 
alarm output 
connection 18 
alarm/protection hierarchy 23 
ambient noise 8 
AMM 6 
installation 16 
replacement 28 
Amplifier Management Module 6 
Amplifier Management Unit  5 
Amplifier System Alarms  23 
AMPS 
modulation 3 
AMU 5 
Analog Protection Circuit 
summary table  23 
Analog Protection Circuits 23 
average power 
rated 32 
Block Diagram 
RF module  4 
building codes 7 
bussed power option 
DC power 17 
cabinet clearance 8 
cancellation 4 
Caution 
definition 2 
CDMA 3 
CDPD 3 
chassis ground 9 
checking 16 
connection 16 
combiner 
active 6 
combiner losses 
output 6 
combustible materials  
floor covering 7 
composite power 11 
cooling air 15 
critical faults 
definition 21 
customer service 
contact information 31 
DC input voltage range 32 
DC power supply 
requirements 9 
DC wire 
connecting 17 
default alarm 
settings 23 
degraded operation 22 
derate 
for altitude 8 
DISABLE 
RF module  20 
dust 
removal 28 
error loop 4 
error signal 4 
ESD protective wrapping 13 
fan 
replacement 29 
feed-forward  4 
fire codes 7 
fire-extinguishing 
in site 8 
floor covering 7 
form C 9 
frequency 32 

INDEXPlanning and PreparationIntroduction 
MCPS2135 System Operation  41 
 2001 Spectrian Corporation.  All rights reserved. 
Graphical User Interface 3, 21, 23 
ground halo 
site 8 
grounding system 
site 8 
guides 
module alignment 16 
hot air 
exhaust 8 
hot-swappable 
RF modules 28 
input drive level 
worksheet 10 
installation 
verify  19 
installations 
intended 7 
Introduction 1 
IS-136 TDMA 3 
IS-95 3 
lighting 
working area 7 
lightning arrestors 8 
lightning protection 8 
main loop 4 
major faults 
definition 21 
MCPS address 
setting 18 
Mechanical Outlines 34 
minor faults 
definition 21 
Module Alarm Hierarchy 
table 24 
module alarms  
summarized 23 
Module Alarms  23 
Module Replacement 28 
multimodule MCPA 25 
Note 
definition 2 
out of service 
alarm 22 
over-temperature 
alarm reset 22 
packing lists 12 
Periodic Maintenance 28 
physical layer 
alarms  25 
pinout 
RS232 33 
planning 
site 7 
positive supply 
connecting 17 
powering up 19 
power-up self-test 20 
problem 
diagnosis 26 
protection circuits 
built-in 23 
radio parameters 10 
recommended power service 9 
Replacing MCPS2135 Fan Modules 29 
required current 9 
return shipment 13 
return wire 
connecting 17 
RF cabling 
integrity 17 
RF input drive 
setting 11 
RF load 
test 20 
RF module 
disabling 20 
installation 16 
RF output 
connecting 17 
safety equipment 
installation 14 
self-reset 
automatic  22 
shipping containers 
opening 13 
shipping damage 12 
shipping documents 12 
side support rails  15 

INDEXPlanning and PreparationIntroduction 
42 MCPS2135 Operations Manual 
 2001 Spectrian Corporation.  All rights reserved. 
smoke detectors 8 
summarized 
alarms  23 
uncrating 12 
unrestricted airflow 8 
vibration 8 
Warning 
definition 2 
weight 7 
wrist strap 13, 15