Precor C846 XXXXX 101 C934OM User Manual To The E67790f0 A390 4f1f A340 Ebc098ca3a57
User Manual: Precor C846 to the manual
Open the PDF directly: View PDF
.
Page Count: 60

Commercial Self-powered Cycle
COMMERCIAL PRODUCTS DIVISION
Owner’s Manual

page 2
COMMERCIAL PRODUCTS DIVISION
IMPORIMPOR
IMPORIMPOR
IMPORTT
TT
TANT SAFETY INSTRUCTIONSANT SAFETY INSTRUCTIONS
ANT SAFETY INSTRUCTIONSANT SAFETY INSTRUCTIONS
ANT SAFETY INSTRUCTIONS
To reduce the risk of electrical shock, always unplug the C846
from the optional battery recharger before cleaning or perform-
ing any maintenance tasks.
To reduce the risk of burns, fire, electric shock, or injury to
persons, take the following precautions:
IMPORTANT SAFETY INSTRUCTIONS
When using the Precor self-powered C846 Recumbent or C846 Upright cycle,
basic precautions should always be followed, including the following:
• to ensure your safety and to protect the unit, read all the instructions
before assembling and using the self-powered C846.
• to ensure the proper use and safety of the unit, make sure that all users
read this manual. Please make this manual a part of your club’s train-
ing program. Remind the club users that before beginning any fitness
program, they should obtain a complete physical examination from
their physician.
Il est conseillé de subir un examen médical complet avant d’entre-prendre
tout programme d’exercise. Si vous avez des étourdissements ou des
faiblesses, arrêtez les exercices immédiatement.
DANGER —
WARNING —
• Do not allow children or those unfamiliar with its operation on or near
the C846. Do not leave children unsupervised around the C846.
• Never leave the C846 unattended with the optional battery recharger
plugged in. Unplug the unit from the outlet when it is not in use, before
cleaning it, and before putting on or taking off parts.
• Assemble and operate the C846 on a solid level surface. Locate the
C846 a few feet from walls or furniture. Check the unit before each use
and verify that all fasteners are secure. Maintain the C846 in good work-
ing condition. (See the
Maintenance
section).
• Use the C846 only for its intended use as described in this manual. Do not
use accessory attachments that are not recommended by the manufacturer;
such attachments might cause injuries.
• Use care when getting on or off the C846. Keep your body and head
facing forward. Never attempt to turn around on the C846.
• Wear proper exercise clothing and shoes during a workout. Do not
wear loose clothing. Tie long hair back.
• Do not rock the unit. Do not stand on the display console or casing.
• Never drop or insert any object into any opening. Keep towels and
hands away from moving parts.
• If you purchased the optional POLAR® chest strap, review the guide-
lines found in the
Precor Heart Rate Option Owner’s Manual
that is
supplied with that option.
• Do not overexert yourself or work to exhaustion. If you feel any pain or
abnormal symptoms, stop your workout immediately and consult your
physician.
•Keep all electrical components away from liquids to prevent shock. Do
not set anything on the casing, handlebars, or display console. Place
liquids only in the appropriate receptacles.

page 3
COMMERCIAL PRODUCTS DIVISION
IMPORTANT SAFETY INSTRUCTIONS
SAVE THESE INSTRUCTIONS
IMPORIMPOR
IMPORIMPOR
IMPORTT
TT
TANT SAFETY INSTRUCTIONSANT SAFETY INSTRUCTIONS
ANT SAFETY INSTRUCTIONSANT SAFETY INSTRUCTIONS
ANT SAFETY INSTRUCTIONS
• Never place your hand(s) or feet in the path of the pedal because injury
may occur to you or damage may occur to the equipment.
• Never operate the unit if it is damaged, if it is not working properly, if it
has been dropped, or dropped in water. Return the unit to a service
center for examination and repair.
• Keep the optional battery recharger cord away from heated surfaces.
• Do not operate where aerosol (spray) products are being used or where
oxygen is being administered.
• Do not use outdoors.
• Do not attempt to service the C846 yourself other than the assembly
and maintenance instructions found in this manual. Refer to
Obtaining
Service
on page 7.
HAZARDOUS MATERIALS AND PROPER DISPOSAL
The self-powered C846 has an internal battery that must be removed before the
C846 is scrapped. The battery contains materials that are considered hazardous
to the environment. Federal law requires proper disposal of the battery.
SAFETY APPROVAL
When identified with the ETL-c logo, the C846 has been tested and conforms to
the requirements of CAN/CSA-E-335-1/3-94, Safety of Household and Similar
Electrical Appliances.
EUROPEAN APPLICATIONS
This product conforms to the requirements of the European Council Directive 89/
336/EEC, Electromagnetic Compatibility and has been tested to the following
standards:
EN55022, Limits & Methods of Measurement of Radio Interference, Information
Technology Equipment (Class A).
EN50082-1, Generic Immunity Standard for Residential, Commercial and Light
Industrial Products (Class A).
This product additionally conforms to the requirements of the European Council
Directive 73/23/EEC, Low Voltage Directive and has been tested to the following
standard:
IEC 335-1, Safety of Household and similar Electrical Appliances.
Important: In a domestic environment, this product may cause radio interfer-
ence, in which case the user is responsible to take adequate measures to allevi-
ate the interference.

page 4
COMMERCIAL PRODUCTS DIVISION
Important Safety Instructions ..........................................2
Hazardous Materials and Proper Disposal .............................. 3
Safety Approval ..................................................................... 3
European Applications ........................................................... 3
Radio Frequency Interference (RFI) ........................................ 6
C846 Self-powered Features .................................................. 6
Obtaining Service ................................................................... 7
About this Manual .................................................................. 7
Unpacking the C846.........................................................8
Standard Equipment ............................................................... 8
Other Equipment .................................................................... 8
Setting Up the C846 .........................................................9
Hardware Kit .......................................................................... 9
Installation Requirements ....................................................... 9
Additional Tools Needed ......................................................... 10
Assembly Instructions ........................................................... 10
Supplying Power to the C846.................................................. 14
Testing the Heart Rate Display ............................................... 14
Club Information.............................................................15
Changing the Club Settings .................................................... 15
Changing the Units of Measure .............................................. 17
Setting a Workout Time Limit.................................................. 17
Setting a Pause Time Limit .................................................... 17
Limiting the Resistance Range ............................................... 18
Customizing a Course ............................................................ 19
Viewing the Odometer, Hours of Use,
Software Version and Error Log .............................................. 19
Using CSAFE Standard Equipment ........................................ 20
The C846 Display ...........................................................22
Features on the Display Console............................................ 22
SmartRate® Display .............................................................. 22
Upper Display......................................................................... 23
Informational Displays Prior to Shutdown ............................... 23
Lower Display......................................................................... 24
Keys on the Display Console.................................................. 26
Keypad Tips ........................................................................... 26
Table of Contents

page 5
COMMERCIAL PRODUCTS DIVISION
Table of Contents
Exercising on the C846 ..................................................29
Adjusting the Seat.................................................................. 29
Using the Heart Rate “Touch” Capability ................................. 30
Workout Tips .......................................................................... 30
Quick Steps to Working Out ................................................... 31
Cooling Down After a Workout ................................................ 32
Pause, Cool Down, Summary and Exit Features .................... 32
Selecting a New Course During a Workout ............................. 34
Courses...........................................................................35
Course Features..................................................................... 35
The Heart Rate Feature and Target Zones .............................. 36
The SmartRate® Feature......................................................... 37
Manual Mode and the QUICKSTARTTM Key............................ 38
Cross Country and Hill Climb Courses.................................... 38
Random Course ..................................................................... 39
Interval Courses ..................................................................... 39
Watts Control Course ............................................................. 39
Heart Rate Control Course ..................................................... 40
Weight Loss Course ............................................................... 40
Resistance Custom Course .................................................... 40
Goal-based Courses ............................................................... 41
Fitness Test............................................................................ 41
Fitness Test Guidelines .......................................................... 41
Fitness Test Scores ............................................................... 42
Maintenance ...................................................................43
Inspection .............................................................................. 43
Cleaning the Equipment ......................................................... 43
Storing the POLAR® Chest Strap ........................................... 43
Adjusting the Seat’s Side to Side Movement on the
C846 Recumbent ................................................................... 44
Servicing the C846 and Long Term Storage ............................ 45
Using the Optional Battery Recharger .................................... 45
Heart Rate Troubleshooting Tips ............................................. 46
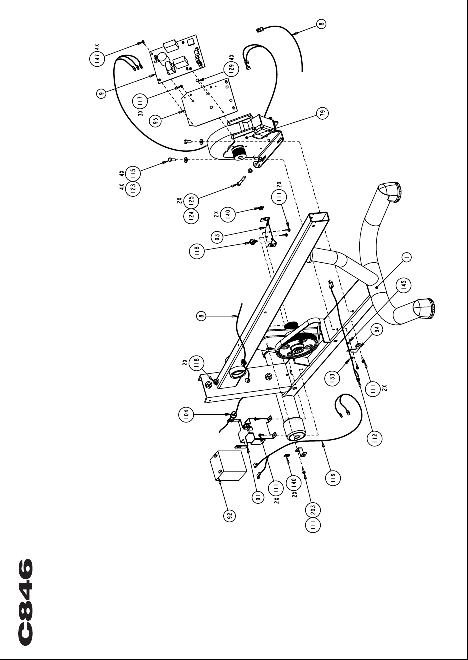
Upright Exploded Views.......................................................... 47
Recumbent Exploded Views ................................................... 52
Warranty Registration ............................................................. 58
Specifications ............................................................back cover
page 6
COMMERCIAL PRODUCTS DIVISION
Per the requirements of the Federal Communications
Commission, changes or modifications to this
product, not expressly approved by Precor, could
void the user’s authority to operate the product.
RFI — RADIO FREQUENCY INTERFERENCE
Federal Communications Commission Part 15
The C846 has been tested and found to comply with,
• the IEC EMC Directive (international electromagnetic compatibility certification)
• the limits for a Class A digital device, pursuant to Part 15 of the FCC Rules.
These limits are designed to provide reasonable protection against harmful
interference in a commercial installation. The C846 generates, uses, and
can radiate radio frequency energy and, if not installed and used in accor-
dance with the owner’s manual instructions, may cause harmful interference
to radio communications. Operation of the C846 in a residential area is likely
to cause harmful interference. If this occurs, the user will be required to
correct the interference at his or her own expense.
WARNING —
Canadian Department of Communications
This digital apparatus does not exceed the Class A limits for radio noise emis-
sions from digital apparatus set out in the Radio Interference Regulations of the
Canadian Department of Communications.
Le présent appareil numérique n’émet pas de bruits radioéélectriques dépassant
les limites applicables aux appareils numériques de la Class A prescrites dans le
Règlement sur le brouillage radioélectrique édicté par le ministére des Communi-
cations du Canada.
C846 SELF-POWERED FEATURES
The power source for the C846 is the user. When a person works out on the C846
and moves the foot pedals at a pedal speed above 20 revolutions per minute
(RPM), the power that is generated allows the C846 to function properly.
Informational displays appear when the battery is low or when the user has stopped
pedaling during a workout. The display provides minimal instructions to let you
know what to do to retain power. If the messages are ignored, the C846 will begin
shutdown procedures to maintain the charge of the battery. Refer to page 23,
Informational Displays Prior to Shutdown
.
An optional battery recharger can be purchased and provides sustained power to
the C846. If you plan to customize your unit (refer to
Club Settings
section), the
optional battery recharger is highly recommended. To purchase the optional battery
recharger, check with your dealer.
page 7
COMMERCIAL PRODUCTS DIVISION
OBTAINING SERVICE
Do not attempt to service the self-powered C846 yourself except for the maintenance
tasks described in this manual. The C846 does not contain any user-serviceable
parts. For information about product operation or service, contact an authorized Precor
Commercial Products Customer Support Representative at 1-888-665-4404.
To help customer support personnel expedite your call, have your serial number
available. The serial number can be found on a label near the optional battery
recharger receptacle on the side of the cycle.
Model number: C846
Unit number: _____ Serial number: _____________________________
Unit number: _____ Serial number: _____________________________
Unit number: _____ Serial number: _____________________________
ABOUT THIS MANUAL
Inside this manual, you will find instructions for installing and using the self-powered
C846. To maximize the use of the C846, please study this manual thoroughly. The
manual uses the following conventions for identifying special information:
Note: Contains additional information that applies to the preceding text.
Important: Indicates information to which you should pay special attention.
CAUTION: Indicates steps or information necessary to prevent harm to your-
self or damage to the equipment.
WARNING — Provides instructions to prevent electrical damage to
the equipment and prevent injuries to yourself.
DANGER — Indicates steps you must take to prevent electrical shock.

page 8
COMMERCIAL PRODUCTS DIVISION
Unpacking the C846
Thank you for purchasing the Precor self-powered C846. Built to the exacting
standards of the health club environment, the C846 is intended for commercial
use and can withstand the rigors of daily club use with little maintenance.
Important: Before using the C846, we urge you to familiarize yourself and your
staff with the entire Owner’s Manual. Understanding this manual will help you and
other personnel use the C846 safely and successfully.
The C846 Upright or C846 Recumbent self-powered unit is carefully tested and
inspected before shipment so it should arrive in good operating condition. Precor
ships the unit in the following pieces:
❑base frame assembly
❑front assembly (includes display console and, on the C846 Upright, handle-
bars)
❑owner’s manual, hardware kit, and limited warranty registration card
CAUTION: The C846 is heavy (up to 170 pounds or 77 kilograms). To avoid
injury and ensure the safety of the unit and yourself, we suggest that you get
assistance before removing the unit from the box.
If any items are missing, contact Precor Commercial Products Customer Support.
Refer to
Obtaining Service
on page 7.
STANDARD EQUIPMENT
The C846 incorporates the Precor SmartRate® and heart rate features into its
display console. Devices, such as FitLinxx®, that are CSAFE compatible, can
also be attached.
The Precor “touch” heart rate is standard. It provides electrode strips, called
“grips,” on the handlebars. When a user places his or her hands over the grips and
grasps the handlebars, a heart rate is transmitted to the receiver.
Note: If a user does not wish to use the touch-sensitive hand grips, an optional
POLAR® chest strap can be purchased and worn. The chest strap transmits the
user’s heart rate to the display console’s receiver.
OTHER EQUIPMENT
Optional equipment available through your dealer includes:
• Battery recharger
• POLAR® chest strap.
If you are interested in obtaining Precor option kits for your unit, check with your
dealer. For customer support, see
Obtaining Service
on page 7.

page 9
COMMERCIAL PRODUCTS DIVISION
You do not need any special knowledge or experience to set up the cycle. However,
because of its size and weight, you will need to obtain assistance.
HARDWARE KIT
After unpacking the cycle, open the hardware kit and make sure that you have
the following items shown in Diagram 1.
❑(A) rubber bib
❑(B) two hex head cap screws
❑(C) two large washers
❑(D) four 1³⁄₄ - inch buttonhead screws (The four buttonhead screws are used in
the assembly of the Recumbent C846 Cycle. If you purchased the Upright
C846, you can discard the buttonhead screws.)
❑(E) ³⁄₁₆ - inch hex key
Diagram 1
Hardware kit (not shown to scale).
INSTALLATION REQUIREMENTS
Follow these installation requirements when installing the C846.
If you do not
install the C846 according to the following guidelines, you could void the Precor
Limited Warranty.
•Set up the C846 on a solid, flat surface. Assemble the C846 close to where
you’ll use it. Make sure that the flat surface under the unit is smooth and level. A
level unit is required for the user’s safety and for proper operation.
•Provide ample space around the unit. Open space around the unit makes
for a safer mount and dismount.
•Fill out and mail the limited warranty card. The serial number is located on
a label near the optional battery recharger receptacle. Write the serial number
onto the Precor Limited Warranty card found on the back cover of this manual.
Refer to
Obtaining Service
on page 7 and write the number there as well.
Setting Up the C846
A
BDE
C

page 10
COMMERCIAL PRODUCTS DIVISION
ADDITIONAL TOOLS NEEDED
Obtain the following tools
before
assembling the C846.
❑¾-inch box end wrench or crescent wrench
❑Wire cutter
ASSEMBLY INSTRUCTIONS
Take the following steps to assemble the C846 Upright and C846 Recumbent Cycle.
Note: The C846 Upright and C846 Recumbent have similar assembly instructions
except for adjusting the seat.
1. Obtain assistance. Ask for assistance to help assemble the C846. Have the
assistant(s) place the shipping carton close to the location where you plan to use
the C846. Breakdown the sidewalls of the shipping carton so that they lie flat.
2. Remove the front and base assemblies. The front assembly is composed of
the upright support and display console. The base assembly is composed of
the base support, seat, pedals, and rear casing. Place the two assemblies
close to each other so that it will be easy to connect the cables and secure the
sections together. Refer to Diagram 2.
CAUTION: Do not assemble the C846 if it is plugged into its optional
battery recharger.
3. If necessary, unplug the C846 from its optional battery recharger.
4. Remove the two hex head cap screws (B) and two large washers (C) from
the hardware kit. Place a washer on each screw and set them aside.
5. Attach the upright support to the base assembly. Diagram 2. Before se-
curing the upright support to the base assembly, you need to add the rubber
bib, from the hardware kit, to the base of the upright support and attach the
upper and lower electronic cables. To do this, take the following steps:
a. Place the rubber bib on the base of the upright support as shown in Diagram 2, #1.
Diagram 2
Secure rubber bib and
attach upright console.
Upright support mounts
Cable connections
Upright support
2
1
2
Single cable
connection
C846 Upright Cycle C846 Recumbent
Lip of rubber bib
Upright support
mounting bolt hole

page 11
COMMERCIAL PRODUCTS DIVISION
b. Position the base of the upright support onto the rim of the boot so that the
lip of the rubber bib will rest on the cycle’s crossbar.
c. Connect the cables as shown in Diagram 2, #2. Locate the cables found inside
the base assembly. Ask an assistant to hold the upright support close to the base
assembly, while you connect the cables. The connectors are designed to slide
easily into the receptacles.
Do not force the connection
.
Important: The Upright C846 has one cable to receptacle connection while the
Recumbent C846 has two cables and receptacles.
CAUTION: Do not crimp or pinch the cable! Carefully, place the excess cable
inside the base before you secure the upright support to the base assembly.
Crimped or pinched cables are not covered by the Precor limited warranty.
Diagram 3
Securing the upright
support to the base
assembly.
Hex head cap screw (B)
and washers (C)
Base assembly
Upright support
Check that the rubber bib is
parallel to the floor.
6. Secure the upright support to the base assembly. Diagram 3. Align the two
upright support mounts with the base assembly. Insert the two hex head cap
screws (B) with washers (C) through the upright support and into the base
mounts. Before tightening the screws, check that the cables are not in danger
of being crimped or pinched and that the lip of the rubber bib overlaps the
front crossbar and is parallel to the floor. Refer to Diagram 3.
7. Tighten the hex head cap screws (B). Alternately tighten each screw using
a ¾-inch box-end wrench or crescent wrench. Check to make sure that the
upright support is secure.

page 12
COMMERCIAL PRODUCTS DIVISION
8. Attach the seat pad. (C846 Recumbent only). If you purchased a C846
Recumbent Cycle, you will need to attach the upper portion of the seat pad
by taking the following steps:
a. Position the seat pad as shown in Diagram 4, #1 and slide it along the
seat frame until it comes to rest. The upper portion of the pad rests on the
top of the two seat frame posts.
CAUTION: The next step is critical! The back of the seat pad has nut
inserts for the buttonhead screws (D). It is critical that you hand thread
the four screws. Otherwise, the nut inserts can be stripped and the
seat pad will have to be replaced at your cost. Improper assembly is
not covered by the Precor Limited Warranty.
b. Insert four buttonhead screws (D) and finger tighten.
c. With the four buttonhead screws (D) properly threaded, use the supplied hex
key (E) to alternately tighten each screw until it is snug against the seat frame.
9. Adjust the seat. Diagrams 5 and 6. On the C846 Upright, you simply pull up
on the seat to raise it or pull the pop pin out while you lower it.
Diagram 5
Adjusting the seat on the
C846 Upright.
Seat post
Seat post support
Seat post adjustment
pin “Pop pin”
Diagram 4
C846 Recumbent seat pad
installation.
Seat frame (post)
Upper portion of Seat pad
2
1
3
Seat
³⁄₁₆ - inch hex key (E)
Buttonhead screw (D)

page 13
COMMERCIAL PRODUCTS DIVISION
CAUTION: Always make sure that the seat is securely in place before a
user sits on the cycle.
On the C846 Recumbent, you need to sit on the seat, pull up on the seat
adjustment handle and use your legs to move the seat along the center post.
If you notice that the seat rocks from side to side, you’ll need to realign the
center wheel that runs inside the center post. Refer to the instructions in the
Maintenance
section of this manual.
9. Level the unit. Diagram 7. Once the base and upright assembly is com-
plete, you’ll need to check the unit’s stability. The unit has adjustable feet
that can help level the unit plus or minus ¹⁄₄ - inch. If necessary, rotate the
level adjusters to stabilize the unit. Turning the level adjustors clockwise,
raises the crossbar. The adjustable feet are on the front of the Upright C846
and the rear of the Recumbent C846.
Diagram 6
Adjusting the seat on the
C846 Recumbent.
Seat adjustment handle
Accessory tray
Diagram 7
Leveling the unit.
Level adjustor
Crossbar
Heart rate touch-
sensitive grips
You’ve completed the assembly for the C846. Please test the heart rate display and
review the remaining sections of this manual before allowing user’s access to the unit.

page 14
COMMERCIAL PRODUCTS DIVISION
Diagram 8
Hand placement on
the handrail grips.
Heart rate grip
C846 Recumbent
SUPPLYING POWER TO THE C846
The C846 does not require an electrical power connection. It has an internal
battery that is recharged every time a user works out for a reasonable period of
time. A pedaling speed above 20 revolutions per minute must be maintained for
several seconds before the Precor banner appears on the display. Once the ban-
ner appears, the user can press QUICKSTART or ENTER to begin working out.
For more information, refer to page 29,
Exercising on the C846
.
TESTING THE HEART RATE DISPLAY
Verify that the heart rate display is operational before customers begin using the
machine.
1. Begin pedaling and maintain a pedaling speed above 20 revolutions per minute.
The Precor banner will appear on the display.
2. Grab
both
metal grips on the handlebars. See Diagram 8. A user must grasp
both
handlebar grips before the receiver in the display acquires the heart rate signal.
Note: To conduct electrical impulses from a user’s heart, the electrode strips
(handlebar grips) must be in contact with the user’s skin. Usually, the con-
centration of salts in a person’s perspiration provides enough conductivity to
transmit a signal to the receiver in the display console. However some people,
because of body chemistry or erratic heartbeats, cannot use the heart rate
touch-sensitive feature on the C846. A POLAR® chest strap may provide
better results. Refer to
Obtaining Service
on page 7.
3. Wait five to ten seconds. A number indicating your heart rate (beats per minute)
should appear in the small upper right display. Refer to Diagram 9 on page 16.
4. If the heart rate display appears, the cables are properly connected and the
heart rate feature can be a viable part of a user’s workout.
5. If the heart rate display does not appear, stop pedaling. Ask someone else to
try steps 2 and 3. If no heart rate number appears, refer to the
Maintenance
section,
Heart Rate Troubleshooting Tips
for more information.

page 15
COMMERCIAL PRODUCTS DIVISION
Club Information
These next few pages provide information that lets you customize the C846 for
your Club. It is not information that your customer needs to see. This section
covers the following information about how to:
• select the units of measure
• set maximum workout and pause times
• customize a course
• display the odometer and other useful information
• connect to CSAFE compatible devices
Note: If your customers are interested in the learning more about the C846, you
may wish to direct them to the manual available on Precor’s web site
(www.precor.com). (The manual, which appears on the web site, does not con-
tain the information found in this section.)
CHANGING THE CLUB SETTINGS
The Club “custom” settings are accessed through specific codes that help elimi-
nate unauthorized access. Refer to Diagram 9 to locate the keys. Information that
you can access and features that can be customized are as follows:
•Units of Measure — Select between U.S. Standard and Metric displays.
•Maximum Workout Time — Sets a maximum limit on workout time.
Note: Remember the additional five minute cool-down period appended to a
completed course, so adjust the maximum time limit accordingly.
•Maximum Pause Time — Sets the maximum duration for which a person
can “pause” his or her workout.
•Limiting the Resistance Range— Set specific resistance range (high,
medium, or low) for the cycle.
•Changing the Custom Course Resistance Settings — Sets specific
resistance settings for a Custom course.
•Odometer, Hours of Use, Software Version, Error Log and Serial Number —
The C846 stores the cumulative revolutions, the number of hours that the unit
has been in use, the software version and software type (which is valuable when
calling customer support), an error log (useful when troubleshooting) and the
serial number (another valuable item when calling customer support).
To access the Club settings, the following must occur:
❑Electrical power must be supplied.
The foot pedal speed must be maintained at 20 revolutions per minute. Or,
the optional battery recharger must be plugged into the C846 and connected
to an appropriate power source.
❑Check that the Precor banner appears on the display and maintain the
minimum pedal speed.
❑Press the appropriate key sequences.

page 16
COMMERCIAL PRODUCTS DIVISION
Important: To access Custom Club Mode, press RESET while the Precor banner
is displayed. Within ¹⁄₂ second, begin pressing the numeric key sequences. If the
system does not detect a key press (within ¹⁄₂ second after RESET), it returns to
the banner. Once you begin entering a key sequence, each key must be pressed
within four seconds of the other or the Precor banner reappears and you have to
begin again.
To change the units of measure, set the maximum workout and pause times, or
customize a course, press the following keys:
RESET, 5, 6, 5, 1, 5, 6, 5
You can also use the standard keypad keys to access the Club Custom Mode. As
shown in Diagram 9, numbers are associated with the keypad keys. To create the
same sequence shown above, you would press:
RESET, RESISTANCE ▼, RESISTANCE ▲▼, RESET, RESISTANCE ▼▲▼
Note: Do not use the COURSE CHANGE ▼▲ keys to attempt access to the Club
Custom Mode.
RE
SIST
ANC
E
C
O
URS
EC
H
AN
GE
Diagram 9
Display console and keypad.
Numeric
keypad can be
used to access
Club Custom
Mode.
Gently, press and hold
the
▼ or ▲
key to view
the available selections.
2
1
3
4
567

page 17
COMMERCIAL PRODUCTS DIVISION
▼▲ lets you scroll through the
various selections that appear.
The longer the key is held down,
the faster the numbers scroll past.
CHANGE reminds you what part of
the program you’re changing.
The functions of the display console keys while in Club Custom Mode are de-
scribed in the box below.
Display key functions within the Club Custom Mode
ENTER saves the information being
displayed and moves to the
next aspect of the program.
RESET exits Club Custom Mode and
displays the Precor banner.
Any previous display
attributes that you selected
by pressing ENTER are
saved and recorded in memory.
Note: The touch-sensitive keys can be gently pressed and held to view several
selections. The longer the key is held down, the faster the numbers scroll past.
CHANGING THE UNITS OF MEASURE
Two different units of measure can be selected,
Metric
or
U.S. Standard
. Make your
selection using the ▼▲ keys. Press ENTER once the correct unit is displayed.
SETTING A WORKOUT TIME LIMIT
You can limit how long a user works out by setting a duration between 1 and 240
minutes. You can also choose NO LIMIT, which allows the user to select a course
and work out indefinitely. (Note that the user must enter a workout time of “0”
using the
numeric
keys at the Enter Time prompt before he or she can workout
indefinitely.)
Important: If the club setting is NO LIMIT and the user enters “0” at the Enter
Time prompt, then the Remaining Time display does not appear when a user
works out. (An exception to this rule is the Weight Loss Course.)
Note: The workout time of any course accessed by pressing QUICKSTART, is
set at the Club limit. Refer to QUICKSTARTTM on page 28.
Use the ▼▲ keys to select a workout time limit. For example, if you set the workout
time limit to 20 minutes, the C846 allows users to specify a workout between 1 and
20 minutes. Users would not be allowed to specify a time longer than 20 minutes.
Take into account that the user will get an additional five-minute, cool-down period
appended to his or her workout, so adjust the time limit accordingly.
SETTING A PAUSE TIME LIMIT
Use the ▼▲ keys to set a Pause time limit between 1 and 120 seconds (two
minutes). Note that changes to the Pause time become effective only when the
power source for the C846 is the optional battery recharger. If no battery recharger
is connected and the pedal speed drops below 20 revolutions per minute, the
C846 moves into a thirty second shut down mode. Refer to page 23.
page 18
COMMERCIAL PRODUCTS DIVISION
LIMITING THE RESISTANCE RANGE
After pressing ENTER to accept the Pause time limit, you have the option to
change the resistance range. The resistance range does not affect the number of
resistance settings (1 through 25) that are available to the user. It determines how
much resistance is felt at each resistance setting, and how big the step in resis-
tance is from one resistance setting to the next.
The default resistant range is HIGH. It provides the full resistance available from
the cycle. When the resistance range is set to HIGH and a user chooses the high-
end resistance levels using the arrow keys, the cycle provides enough resistance
to simulate sprinting or hill climbing for users wishing to stand on an upright cycle.
It also provides enough resistance for elite riders that are capable of spinning at
high speed with high resistance.
The MEDIUM resistance range provides approximately two thirds of the resistance
that is available with the HIGH setting. The maximum resistance available (a user
chooses a resistance setting of 25) is reduced and the change, in resistance from
one resistance setting to the next, is reduced. Clubs may want to select the
MEDIUM range for recumbent cycles. Since users cannot stand on a recumbent
cycle, less resistance is needed by the average (non-elite) rider. The MEDIUM
range allows an average user more comfort. It allows them to use more of the
available resistance settings and make resistance changes in the preprogrammed
courses (Hill Climb and Cross Country) easier.
The LOW resistance range provides approximately one third of the resistance
that is available with the HIGH setting. The LOW range may be appropriate in
special situations where deconditioned users are anticipated, but the LOW range
is not recommended for the normal club environment.

page 19
COMMERCIAL PRODUCTS DIVISION
CUSTOMIZING A COURSE
After pressing ENTER to accept the Resistance Range, the display prompts you
to customize the course profile that appears on the display. The blinking segment
or column indicates the portion of the course that you can change. The resistance
LED is lit and a number, indicating the resistance level, appears beneath the
course profile.
Note: If you wish to create a custom course for your club members, continue with
the instructions below. If you prefer to exit the Club Custom Mode, press ENTER,
RESET or QUICKSTART.
You can set the resistance throughout the course profile using the following keys.
Keypad Keys How it affects the Custom Course
RESISTANCE ▼▲ lets you move between the blinking segments or columns.
COURSE CHANGE ▲▼ lets you change the resistance for the blinking segment.
The display shows the resistance number as you press the COURSE CHANGE
keys. It also affects a change to the course profile if the resistance range is great
enough.
Press ENTER to accept that changes on the display and return to the Precor
banner. Press RESET if you do not wish to save the changes.
VIEWING THE ODOMETER, HOURS OF USE, SOFTWARE
VERSION AND ERROR LOG
The keypad and numeric keys that you press to view the odometer, the number of
hours the C846 has been in use, the software version and any error codes, are as
follows:
RESET, 6, 5
Important: Remember to begin at the Precor banner. After pressing RESET, the
next key in the sequence must be pressed within 1/2 second.
The field name Odometer appears briefly and then the odometer value (shown in
the total cumulative revolutions) appears.
Press ENTER and the number of hours (Hour Meter) that the unit has been in
use appears. The C846 notes the passing of each 10th of an hour, but the numeric
value that appears is truncated to the nearest full hour.
Press ENTER again and the unit’s three digit Software Version number (upper and
lower electronics board) appears on the display.

page 20
COMMERCIAL PRODUCTS DIVISION
Press ENTER once again and the Error Log appears. Press the ▼ or ▲ key to
view the error messages. Error logs are recorded historically. The C846 can store
up to 10 error messages. Useful information, describing the different aspects of
the error message, appears in Diagram 10.
Note: To clear (delete) the error logs, press QUICKSTART for at least four sec-
onds while viewing the list. Prompts appear on the display and let you know when
the error messages have been deleted (“cleared”) from memory.
Important: You cannot retrieve the error log once you have deleted it.
To return to the Precor banner, press RESET. To view the cycle’s serial number,
press ENTER.
If you pressed ENTER, the field name Serial Number appears briefly and then the
cycle’s serial number appears. This number is useful when contacting Customer
Support.
To return to the Precor banner, press RESET or ENTER.
USING CSAFE STANDARD EQUIPMENT
The C846 is fully compatible with CSAFE protocols. Once the unit is connected
to a CSAFE master device and the user maintains a pedal speed above 20
revolutions per minute, the user is prompted to enter a user ID.
Note: If the optional battery recharger is plugged into the C846 and connected to
an appropriate power source, then no pedaling is necessary for user ID entry.
RE
SIST
ANC
E
C
O
URS
EC
H
AN
GE
Error code
Numbers 1 through 10 can
appear. Number 1 identifies
the most recent error.
Diagram 10
Error log display.
1
ER21
Odometer
reading
(shown in
revolutions) at
the time the
error occurred
The number of
hours that the
cycle has been
in use when
the error
occurred.
123456 REVS 1714 HOURS

page 21
COMMERCIAL PRODUCTS DIVISION
At the user ID prompt, five zeros appear on the display. The blinking left zero
indicates that it is awaiting input. The following table provides information about the
keypad functions:
User ID Entry: Program Keys
▼ or ▲ moves the blinking LED from field to field.
Numeric keypad use the number keys to enter a user ID. The number that
is pressed appears in the display and the next field begins
to blink. When all five user ID numbers are selected, the
user must press ENTER to submit it.
ENTER submits the displayed user ID. Note that if the five zeros
are being displayed when the user presses ENTER, the
user ID entry is bypassed and the course prompt appears.
RESET resets the display to the Precor banner.
A message indicates when the user ID is accepted by the CSAFE master device.
Then, the course prompt is displayed. See
Quick Steps to Working Out
on page 31.
Note: If the user’s pedal speed drops below 20 revolutions per minute while using
the CSAFE device connection, a prompt PEDAL FASTER appears. If the pedal
speed remains below the 20 revolutions per minute threshold for the next twenty
seconds, the CSAFE connection is terminated. The word RESETTING appears
on the display while the C846 disconnects from the CSAFE device.
To review information about CSAFE specifications, visit the web site at:
www.fitlinxx.com/csafe
If you have questions or need technical support, refer to
Obtaining Service
on
page 7.

page 22
COMMERCIAL PRODUCTS DIVISION
The C846 is designed so users can work out with minimal instruction or training.
The directions on the console and the prompts on the display will guide a user
through the entire workout session. Before the C846 is used, however, we recom-
mend that you familiarize yourself with it so you can instruct your customers to
use it safely and effectively. This section provides an overview of the features
provided on the display console
FEATURES ON THE DISPLAY CONSOLE
Indicator lights show which feature is being displayed. When a user works out, the
display presents Time, Distance, RPM (revolutions per minute), and Calories.
Users can change what features appear on the display by pressing the CHANGE
keys.
Important: Because the C846 is self-powered, the displays do not appear until
the user maintains a pedal speed above 20 revolutions per minute. Note that
there is an exception to this rule. If power is being supplied through the optional
battery recharger, then pedaling is not required for the Precor banner to appear.
Refer to page 6, C846 Self-powered Features.
As a user exercises, the display console provides motivation by presenting
constant feedback about his or her progress. A brief explanation of each feature
on the display console appears in Diagram 11. Look on the next pages for a more
thorough explanation. If an error message should appear, call a Precor qualified
service technician or service center. Refer to
Obtaining Service
, on page 7.
SMARTRATE® DISPLAY
SmartRate®: A user must enter an age, during the course Setup prompts and wear
a POLAR® chest strap (or hold onto the Heart Rate grips on the handlebars), while
in a course program, before the blinking segment in the bar graph can show the
zone that his or her heart rate is in, either: Weight Loss or Cardiovascular. Refer to
page 37,
The SmartRate
®
Feature
.
Important: During a course, the pedal speed must be above 20 revolutions per
minute and a user’s heart rate must be above 40 beats per minute before the
SmartRate
®
segment begins to blink. A user must grasp both handlebars or wear
a POLAR chest strap.
HEART RATE: The heart rate display lets a user monitor his or her heart rate.
When a heart beat is detected, the number appears in the small upper right
display (refer to Diagram 11). See the
Important
note above and refer to
The
Heart Rate Feature and Target Zones
on page 36.
The C846 Display

page 23
COMMERCIAL PRODUCTS DIVISION
RE
SIST
ANC
E
C
O
URS
EC
H
AN
GE
Diagram 11
C846 Display If a heart rate is
detected, it is
displayed in this
window.
SmartRate
®
bar graph
Banner and course
profile display
(LED matrix). Workout statistics display
(alphanumeric).
Numeric keys can be
used to answer
prompts and select
resistance levels in a
course. Touch-sensitive keys
(used to input or select
data and control the
workout session)
Change keys let you
choose what informa-
tion to display.
During course
selection, the course
number appears.
UPPER DISPLAY
The Precor banner and course profiles appear in the large center display (LED matrix).
Always start a workout at the Precor banner. During workouts, the course profile
appears in the center display and corresponds to the course that the user selects. As
a user proceeds through a workout, a blinking column indicates his or her position.
INFORMATIONAL DISPLAYS PRIOR TO SHUTDOWN
The C846 saves its battery charge by moving into a shutdown mode. Whenever
PEDAL FASTER appears on the display, the heart rate, SmartRate® and course
indicators turn off. If the user does not maintain a pedal speed of 20 revolutions
per minute, then a thirty-second shut down process begins.
When twenty-eight seconds remain, the upper display appears blank and all key
presses are ignored except RESET. The touch-sensitive heart rate features are
also ignored. If no pedaling occurs in the next eight seconds, a row of dots (that
correspond to the number of seconds remaining before the C846 shuts off)
appears in the upper display.
If the C846 is connected to a CSAFE master device, a slightly different scenario
occurs. When the number of seconds remaining before the C846 shuts off equals
ten seconds (instead of eight), the workout session ends. RESETTING appears
in the lower display while the C846 disconnects from the CSAFE master device.
All key presses are ignored. Pedaling has no effect on the display.
page 24
COMMERCIAL PRODUCTS DIVISION
If the battery voltage is low or needs recharging, the words WARNING - LOW
BATTERY appear after the PRECOR banner. The C846 continues to function
even with a low battery, but user and course information is lost once the user
stops pedaling. Note that the Pause feature does not work.
When the battery voltage is low, changes to the resistance are ignored. When a
user attempts to change the resistance, LOW BATTERY appears on the display.
The course profile and calories calculations are not affected by the low battery
and continue to show the programmed changes as if the changes to the resistance
actually occurred.
Note: A sustained workout at the current resistance will help recharge the battery.
Or, plug in the optional battery recharger. Refer to the
Maintenance
section.
LOWER DISPLAY
Prompts appear in this display prior to a workout. A user addresses each prompt
using the numeric or keypad keys. Once the user begins pedaling and maintains
a pedal speed above 20 revolutions per minute, lights appear in the columns
below the window indicating which information is being displayed. A user can
highlight a particular feature by pressing the appropriate CHANGE key.
The following describes the information that can appear in the lower display.
TIME: During a workout, a time (0:00) display appears. Time appears in minutes
and seconds. However, should a user exceed 60 minutes (during a single work-
out), the Time display converts to hours and minutes. The Time display shows
how long a user has been working out. Even when a user enters the cool-down
period, the Time display provides the cumulative duration of the workout.
DISTANCE: The distance that you have traveled appears (00.00) once you begin
a workout. The distance is related to the user’s current speed. Distance appears
in 100th mile increments until you reach 99.99 miles in a single workout, then
miles increment by 10ths (100.0). Distance can appear in miles or kilometers. If
you wish to change the display, follow the instructions found in
Changing the
Units of Measure
.
RPM: Indicates the number of revolutions that the pedal completes per minute.
The value can range between 20 and 150.
Important: The self-powered C846 requires that a user maintain a pedal speed
above 20 revolutions per minute to function properly. PEDAL FASTER appears on
the display as a warning that the C846 is entering shutdown mode. Refer to
Informational Displays Prior to Shutdown.
CALORIES: Provides the cumulative number of calories being burned.
page 25
COMMERCIAL PRODUCTS DIVISION
REMAINING TIME : Indicates the amount of time, in minutes and seconds (mm:ss),
that remain in the course. When a user enters a cool down period, the Remaining
Time resets to five minutes and begins counting down from there.
Note: If the club has set the Workout Time Limit as NO LIMIT and the user
inputs 0 using the numeric keys at the time prompt, then no information appears
in the Remaining Time field. See
Setting a Workout Time Limit
on page 17.
SPEED: The displayed value is an estimate of “linear speed” even though the
cycle is stationary. The value is determined by converting the user’s current RPM
and resistance settings into an estimate for miles per hour (or kilometers per
hour). Refer to
Changing the Units of Measure.
METS: Displays the metabolic equivalents of the user’s current energy expendi-
ture level. A MET’s level of 1 represents the body at rest. Note that when a user
reduces pedaling intensity, the MET’s value begins to drop toward zero because
the displayed information no longer corresponds to the user’s MET’s level.
WATTS: Indicates the amount of energy the C846 is currently generating and is
derived from the current resistance and pedaling speed.
SEGMENT TIME: In the Manual or preprogrammed courses, this display indi-
cates the amount of time, in minutes and seconds (mm:ss) that remains in the
highlighted column (or segment) of the course profile before the next column
begins blinking. If the course being used is Interval or Weight Loss, then the
number appearing in this display indicates the amount of time that remains in the
current interval.
RESISTANCE: Displays the amount of resistance being applied to the pedals.
The RESISTANCE ▼ and ▲ keys let the user set a resistance between 1 and 25
which affects the amount of resistance applied by the brake. Once a course is
begun, a user can also use the numeric keys to designate the resistance. Refer
to Numeric Keys on page 27.
Note: A user can check the resistance (when it is not the chosen display) any time
during a workout by lightly pressing either RESISTANCE ▼ or ▲ key for less than
two seconds. Pressing the RESISTANCE ▼ or ▲ key for more than two seconds
causes the resistance level to change.
AVERAGE SPEED: The estimated “mid-point” in linear speed at which the user is
traveling even though the cycle is stationary. The displayed value relates to the
total workout time divided by the total accumulated distance. The average speed only
appears when a user selects it by pressing the appropriate CHANGE key.
CALORIES PER MINUTE: Indicates the approximate number of calories being
burned per minute.

page 26
COMMERCIAL PRODUCTS DIVISION
KEYS ON THE DISPLAY CONSOLE
The C846 has an easy-to-use keypad that is activated by the slightest touch.
Remind users that they only need to apply gentle pressure to these keys.
Each key on the display console’s keypad provides specific functions. Numeric
keys (numbered 1, 2, 3,... through 0) let the user enter data in answer to the
display prompts and change the course profile or resistance level during a work-
out. The standard keys, CHANGE, RESET, COURSE CHANGE ▲▼,
QUICKSTART, RESISTANCE ▼▲, and ENTER, let the user enter data as well as
control his or her workout.
The following information explains the different uses of the keys from left to right.
To locate each key, look at the display console or refer to Diagram 12.
RE
SIST
ANC
E
C
O
URS
EC
H
AN
GE
Diagram 12
C846 Display and Keypad
KEYPAD TIPS
• If the optional battery recharger is not connected, the user needs to maintain
a pedal speed above 20 revolutions per minute before keypad entries can
occur. Refer to
Informational Displays Prior to Shutdown
on page 23.
• The Setup prompts need to be answered using the numeric keys or by pressing
the ▼ or ▲ keys. Accurate entries are required or features such as
SmartRate® will not work properly.
• Pressing ENTER selects the information being displayed.
• Pressing QUICKSTART bypasses further selections and prompts the user
to workout in Manual mode. Default values apply (see QUICKSTART on
page 28). The SmartRate® display does not appear.
• Pressing RESET returns to the Precor banner.
page 27
COMMERCIAL PRODUCTS DIVISION
Numeric Keys (0 - 9): During a workout, a user can press the numeric keys to
change the resistance levels (1 to 25). Remember, if the numeric keys are used to
alter the resistance, the user needs to designate, within three seconds, whether he
or she is
increasing
(by pressing the RESISTANCE ▲ key) or
decreasing
(by
pressing the RESISTANCE ▼ key), the corresponding resistance level.
Note: When the user presses the numeric keys to change the resistance, the actual
setting appears on the display while the brake is being applied. If the user wishes to
halt the change, the appropriate RESISTANCE ▼ or ▲ key must be pressed. The
brake stops and the display shows the current level.
During the Setup prompts, a user can also use the numeric keys to type in a
course number (1 through 14), workout time, weight, and age. Note that he or she
must press ENTER to process the selection.
CHANGE: During a workout, the CHANGE key lets a user choose which feature
appears on the display.
RESET: While answering the Setup prompts or during a workout, a user can cancel
the course program, clear the display, and return to the banner by pressing RESET.
COURSE CHANGE ▲▼▲▼
▲▼▲▼
▲▼: During a workout, the COURSE CHANGE ▲▼ keys let
the user switch to a different course. When a user taps a COURSE CHANGE ▲▼
key, the course number and name appearing on the display corresponds to the
current course selection. When a user presses and holds a COURSE CHANGE
▲or ▼ key for a few seconds, the course number and profile changes. The user
can also choose a new course using the numeric keys. For more information,
refer to
Selecting a New Course During a Workout
on page 34.
Important: The COURSE CHANGE keys are disabled in the Weight Loss course
and Fitness Test. If a user starts working out and selects the Weight Loss course
or the Fitness Test, he or she cannot “change” to another course. The opposite is
also true. The C846 does not allow any mid-course changes to or from the Fitness
Test or Weight Loss course.
RESISTANCE ▼▲▼▲
▼▲▼▲
▼▲: During a workout, the RESISTANCE ▼▲ keys let the user
decrease or increase the force applied against his or her pedaling. The display
can show a range from 1 to 25. Setting 1 provides the least resistance.
When a user changes the resistance by pressing the RESISTANCE ▼ or ▲ key,
the number that appears on the display shows the
target
resistance (not necessar-
ily, the present resistance being applied) because the display can change quicker
than the brake application.
Another feature of the RESISTANCE ▼▲ keys lets the user review the C846
resistance any time during a workout. If RESISTANCE is not one of the chosen
features being displayed, a user can view the actual resistance by lightly touching
either RESISTANCE ▼ or ▲
key. The user can opt to change the resistance if the
key is held down or touched again within two seconds. Note that the numeric keys
can also be used to adjust the resistance.

page 28
COMMERCIAL PRODUCTS DIVISION
ENTER: Workout specific prompts need to be answered and “entered” into memory.
Pressing ENTER selects the information being displayed and processes it.
QUICKSTART: During Setup mode, QuickStart lets the user bypass further prompts
and start a workout immediately using the Manual course.
Default values apply.
Note: During a course change, pressing QUICKSTART starts the new course.
Refer to
Selecting a New Course During a Workout
on page 34.
QUICKSTART Default Values
Prompts Default Value
1 Manual Course Manual
Enter Time Club limit. Note that the Weight Loss course is fixed at 28
minutes.
Enter Weight 150 lbs. (68 kg.)
Enter Age 0 : A valid Age must be entered to utilize the SmartRate®
display. If QUICKSTART is pressed
after
the Age prompt
appears, then the SmartRate® display will appear when the
user grasps the touch-sensitive grips on the handlebar or
wears the POLAR® chest strap. If no Age entry occurs, the
SmartRate® display lights up, but no blinking sensor appears.
The QUICKSTART key can be pressed any time during the Setup prompts. De-
fault values apply after that point. See the table below.
Press QUICKSTART at the... The following occurs:
Precor banner The user bypasses the Setup prompts and begins
working out in the Manual course.
Course prompt The displayed course is accessed.
Time prompt The time that appears on the display becomes the
workout time limit. TIME may be set to any value
from 1 to the Club limit. If “unlimited” workout time
is allowed by the Club, a user can select it by
entering 0 with the numeric key.
Weight prompt The weight that appears on the display becomes
the designated weight that the C846 uses to
compute statistics. Acceptable entries are
between 1 and 999.
Age prompt The age that appears on the display becomes the
designated age that the C846 uses to compute sta-
tistics. A correct age entry between 1 and 99 is very
important if the user’s plan to utilize the heart rate
features of the C846. The QUICKSTART key acts
the same as the ENTER key at this point because
the user has answered all the Setup prompts.

page 29
COMMERCIAL PRODUCTS DIVISION
Once the C846 is assembled, it is ready to use. The easy-to-understand prompts
let the user select a course and specify how long he or she wants to work out.
Club owner’s and managers note: This section of the manual is written for
the user because it specifically explains how to work out on the cycle. Refer-
ences are made in second person.
ADJUSTING THE SEAT
Before starting a workout, you should position the seat properly to avoid strain on
your knees. The C846 Upright and C846 Recumbent have different seat adjust-
ment instructions. Refer to the instructions below, for your particular unit.
• To check for proper seat position, straddle the C846. Sit on seat. Place your
feet on the pedals. Your extended leg should be slightly bent at the knee in a
10 to 15 degree angle.
C846 Upright Seat Adjustment
1. Dismount and hold the post underneath the seat with one hand while you pull
out the seat post adjustment pin with the other hand. See Diagram 13, #1.
2. Slide the seat post up or down into the desired position and then, release the
seat post adjustment pin. Before sitting on the cycle, press down firmly on
the seat to make sure that it does not slip and that it is secured.
Note: If you only plan to raise the seat, you can do so without pulling out the
seat post adjustment pin. See Diagram 13, #2.
Exercising on the C846
Diagram 13
Adjusting the Seat.
Seat post adjustment pin
“Pop Pin”
C846 Upright
Seat post
Seat post support
Seat adjustment handle
C846 Recumbent
C846 Recumbent Seat Adjustment
1. Sit on the seat with your feet in the pedals. Pull the seat adjustment handle
up while you bend your knees and slide the seat forward or backward along
the seat rail (see Diagram 13, #3). Align the seat with one of the marks on
the seat rail and release the handle.
2. Before continuing with your workout, sit in the seat and try to slide the seat
along the rail. Make sure that it does not slip and that it is secured.
3
1
2

page 30
COMMERCIAL PRODUCTS DIVISION
USING THE HEART RATE “TOUCH” CAPABILITY
If you wish to view your heart rate on the display, you must to grasp
both
touch-
sensitive grips on the handlebars while working out. Refer to Diagram 14. A heart rate
signal is transmitted to the receiver installed in the display console. During a workout,
the heart rate indicator lights, begins blinking and then, displays the heart rate. This
lets you see what your heart rate is doing even when the display is presenting other
workout statistics. For more information, refer to the
Heart Rate Feature and Target
Zones
on page 36.
WORKOUT TIPS
The steps to working out on the C846 are listed on the opposite page. A short
explanation appears on the left with the more thorough description following on
the right. Tips to consider during a workout are shown below.
CAUTION: Before beginning any fitness program, make sure that you receive
a complete physical examination from your physician.
• Maintain a pedal speed above 20 RPM.
• Answer the Setup prompts using the numeric keys or by pressing the ▼ or
▲ keys.
• Press ENTER to select the information being displayed.
• QUICKSTARTTM bypasses further selections. Default values apply (see
QUICKSTART on page 28). SmartRate® is not active.
• Refer to
Keypad Tips
on page 26 for additional information.
Diagram 14
Hand placement on
the handrail grips.
Heart rate grip
C846 Recumbent

page 31
COMMERCIAL PRODUCTS DIVISION
1. For your Heart Rate to appear on the display, you need to
wear a POLAR® chest strap or hold onto the grips on the
handlebars.
2. Begin pedaling. Once the Precor banner appears, press
ENTER.
3. Follow the display prompts. Make a course selection and
enter your workout time, weight and age.
Note: To answer the Setup prompts, use the numeric or
▼▲ keys. Press ENTER to select the information being
displayed. The fourteen available courses appear on the
label attached to the display console. Brief course descrip-
tions are also provided beginning on page 38.
Important: Any time during the Setup prompts, you can press
the QUICKSTART key. Refer to QUICKSTART on page 28.
4. After setting up the parameters of your workout session,
continue pedaling throughout the course. Resistance level
settings can be changed using the arrow keys. A different
course can be selected using the COURSE CHANGE keys.
To pause during your workout session, stop pedaling for a
few seconds. Be aware that if the optional battery recharger
is not attached, you have only thirty seconds before the
C846 shuts off. See
Pause, Cool Down and Exit Features
.
5. When you have completed a course that has a limited dura-
tion, a five-minute, cool-down period automatically begins.
Note: During cool down, if you wish to continue working out,
touch a COURSE CHANGE ▲▼ key and select a new course.
Your workout statistics carry forward to the new course.
6. When the cool-down period ends, the WORKOUT SUM-
MARY banner appears. If you wore a POLAR® chest strap or
held onto the handlebar grips during your workout, a heart
rate analysis follows the banner and displays:
• the average heart rate during your workout
• the maximum heart rate during your workout
• the duration that your heart rate was in the Weight
Loss or Cardiovascular zones.
Workout statistics except TIME, DISTANCE and CALORIES
reset to zero. (TIME shows the accumulated workout time
including warm-up and cool-down periods.)
7. Stop pedaling to end your workout.
QUICK STEPS TO WORKING OUT
Important: If BATTERY LOW appears on the display anytime during a workout,
contact the club personnel. Pay attention to the words, PEDAL FASTER. The
C846 is warning you that you need to pedal faster to avoid disconnecting the
battery, which is the power source for the C846 display.
1Put on the chest strap.
(Available with the Precor
Heart Rate Option.)
2Adjust seat, sit down,
and begin pedaling.
Begin working out.
Select a course.
Answer the Setup
prompts.
3
4
5Complete the course
and cool down.
Continue pedaling. Adjust
resistance by touching
RESISTANCE ▼or ▲.
Pause
6Continue pedaling while
reviewing the final
workout statistics.
7Stop pedaling.
page 32
COMMERCIAL PRODUCTS DIVISION
COOLING DOWN AFTER A WORKOUT
Cooling down is an important aspect of your workout because it helps reduce
muscle stiffness and soreness by transporting excess lactic acid out of the work-
ing muscles. Cooling down for at least three minutes helps provide a smooth
transition that allows your heart rate to return to its normal (non-exercising) state.
The C846 automatically initiates a five minute, cool-down period once you com-
plete a course that has a specified time duration. A prompt appears, indicating
that you are in cool down.
During your cool down, the workout statistics continue to appear. The TIME display
shows the accumulated time which includes warm-up and cool-down periods. When
you complete the five minute cool down, a WORKOUT SUMMARY appears. See
the information below.
Important: To activate a cool-down period, a course must “end.” The course ends
when the workout time (entered during the Setup prompts) expires. If no workout
time entry occurred or the time entered was zero, then (from a software perspec-
tive) no time limit exists, so a cool-down period is not appended to the course.
(Note that club time limits do apply whether or not a workout time was entered.)
PAUSE, COOL DOWN AND EXIT FEATURES
Pausing, cooling down, and exiting are integral parts of your workout. The C846
goes through several prerequisites before actually exiting a course. The following
tables explain the various situations. Since the C846 is self-powered, pedal move-
ment must be continuous to avoid shutdown mode. For more information, refer to
page 23.
Note: If the optional battery recharger is supplying power to the C846, the factory
setting for Pause mode is two minutes (120 seconds). The club has the option to
change the setting. A duration can be set between 1 and 120 seconds and limits
how long a user can pause his or her workout. Refer to
Setting a Pause Time Limit
on page 17.

page 33
COMMERCIAL PRODUCTS DIVISION
In a course, This is what happens...,
you complete it Enter Cool Down. At the start of the cool-down period, the resis-
tance is reduced by 20 percent. You can adjust the setting using
the numeric or RESISTANCE ▼▲ keys. The display features
remain, so you can review your workout statistics.
Note: A cool-down period is appended to those courses that
have a finite duration. If you do not enter a workout time
during the Setup prompts, or the club has set “no limit” as the
default duration, then a cool-down period does not occur when
you reach the end of a course.
you press RESET Enter the WORKOUT SUMMARY mode. You can scan through
the workout statistics by pressing the CHANGE key. Note that
the TIME display shows the accumulated workout time includ-
ing warm-up and cool down periods.
no pedaling Enter Pause mode. PEDAL FASTER appears on the display
or slow pedaling and TIME stops accruing. Refer to page 23.
is detected
In Pause
mode, you This is what happens...,
resume pedaling Returns to the course and the workout statistics continue from
where you left off.
press RESET Exits the course and returns to the banner or blank display.
exceed time limit The C846 exits Pause mode, resets the displays, and shuts off.
In Cool down
mode, This is what happens...,
no pedaling Enter Cool-down, Pause mode. TIME stops accruing and
or slow pedaling PEDAL FASTER appears on the display. If you enter Pause
is detected mode, it is of limited duration. Check with club personnel or refer
to
Club Information
on page 15 and
Informational Displays Prior
to Shutdown
on page 23.
resume pedaling Returns to cool down mode.
you press RESET Displays the WORKOUT SUMMARY banner. See RESET above.
it ends. Displays the WORKOUT SUMMARY banner.
At the WORKOUT
SUMMARY
banner, you This is what happens,...
press RESET The workout statistics are reset to zero and, if you continue
pedaling, the Precor banner appears on the display.
page 34
COMMERCIAL PRODUCTS DIVISION
SELECTING A NEW COURSE DURING A WORKOUT
While in cool down or while working out on the C846, you can change to a different
course (except the Weight Loss course or the Fitness Test) by touching the
COURSE CHANGE keys.
Note: Continue pedaling and keep the RPM above 20 while you adjust to your
new selection.
To change to a new course during your workout, take the following steps:
1. Press a COURSE CHANGE ▲ or ▼ key. The display briefly indicates the
course that is currently running. You can continue to press either ▲or ▼ key
to display a different course.
Note: While selecting a new course, your workout is momentarily suspended
and the LED’s next to the workout statistics are not lit. If the QUICKSTARTTM
or ENTER key is not pressed within 5 seconds, then the C846 resumes your
workout without making any course changes.
2. While the new course selection appears on the display, you have two options:
press QUICKSTARTTM or press ENTER.
Option 1: Press QUICKSTARTTM if you wish to continue your workout without
any further prompts appearing on the display. All the aspects from the previous
course (workout time, statistics, weight, age, etc.) are carried forward. SmartRate®
will be active as long as it appeared during your initial workout. The workout time
may be limited per the overall club time limit.
Option 2: Press ENTER if you wish to continue your workout, but want to add
aspects that may not have been part of your initial course such as, weight and
age. The C846 reacts as if you are starting a new workout and Setup prompts
appear requesting information. Once the Setup prompts are answered, work-
out statistics, from the previous course, are carried forward. If your age is
entered, SmartRate® will be active. As with QuickStart, the workout time may
be limited per the overall club time limit. Refer to Club Information on page 15.
Once the user reaches the club time limit in the second course selection, the COURSE
CHANGE keys are disabled. Note that users cannot use the COURSE CHANGE
keys to select a different course if one minute or less remains before the club time
limit expires.

page 35
COMMERCIAL PRODUCTS DIVISION
The C846 lets the user choose between fourteen variable courses. This section
provides information about the special features and functions of the C846 courses
and how to best utilize the:
• Heart Rate and SmartRate® features • Heart Rate course
• Manual course • Weight Loss course
• Cross Country course • Resistance Custom course
• Hill Climb course • Distance Goal course
• Random course • Calorie Goal course
• Interval courses (3) • Fitness Test
• Watts Control course
COURSE FEATURES
• If the club allows it, you can work out indefinitely in any course (except
Weight Loss). At the workout time prompt, select INFINITE by pressing the
zero on the numeric keypad.
Important: The automatic cool-down period is not appended to courses where
the duration is INFINITE.
• Place a time limit on any course during the Setup prompts. At the workout
time prompt, indicate the duration of your workout. When you complete the
course, the automatic cool-down period begins.
• Determine the pedal resistance as you move through the course.
• SELECT
preprogrammed
courses that provide preset resistance levels. In
several courses, the resistance levels automatically change as you progress
through the course profile. You can override the resistance using the RESIS-
TANCE ▲ or ▼ keys for each upcoming segment in the course profile. The
profile changes accordingly and the resistance position is saved until a differ-
ent course is used. When you complete a
preprogrammed
course, the auto-
matic cool-down period begins.
• The progress that you make during a course is tracked by a blinking cursor.
If the column is several segments high, the entire column blinks.
• Access heart rate and SmartRate® capabilities when the user wears a POLAR®
chest strap or holds onto the handlebar grips during a workout. Note that
the SmartRate® indicator lights do not appear if QUICKSTART is pressed at the
PRECOR banner.
The different course names appear on the following pages along with a descrip-
tion of the course features. Refer to Diagram 16 on page 38.
Courses

page 36
COMMERCIAL PRODUCTS DIVISION
Diagram 15
Target Zones.
HEART RATE TARGET ZONES
20 25 30 35 40 45 50 55 60 65 70 75
70
80
90
100
120
130
140
150
160
170
180
190
200
YOUR AGE
YOUR HEART RATE
MAX.
HEART
RATE
RECOMMENDED WEIGHT LOSS ZONE
RECOMMENDED CARDIOVASCULAR ZONE
Cardio
Zone
Weight
Loss
Zone
THE HEART RATE FEATURE AND TARGET ZONES
To use the heart rate features, you must wear a POLAR® chest strap or grasp
both grips on the handlebars while working out. A transmitter sends your heart
rate signal to the receiver installed in the display console. The signal appears as
your pulse rate on the display. During your workout, the heart rate indicator lights,
begins blinking and then, displays your heart rate. This lets you see what your
heart rate is doing even when the display is presenting other workout statistics.
Diagram 15 illustrates the ideal target zones for your age. Use the chart as a
guideline. Always check with your physician and verify what your appropriate
heart rate target zone should be for your age, height, weight and physical fitness.
Note: The SmartRate® display does not appear if you use the QUICKSTART key
to access a course. Refer to QUICKSTARTTM on page 28.
Important: The POLAR® chest strap is optional equipment and can be purchased
through your dealer. The grips on the handlebars are factory installed.
page 37
COMMERCIAL PRODUCTS DIVISION
THE SMARTRATE® FEATURE
Add the benefit of SmartRate® to every course on the C846. Using SmartRate® as
a visual cue helps you adjust your exercise routine to suit specific needs.
SmartRate® simplifies the correlation between heart rate and exercise. You don’t
have to stop concentrating on your workout to find your pulse. It is displayed right
in front of you along with the SmartRate® zone. Once you begin a course, a
blinking segment in the bar graph appears on the left of the display (if you entered
your age during the Setup prompts). The blinking segment indicates the zone that
your heart rate is in: Weight Loss or Cardiovascular.
Important: Access to SmartRate
®
is only available when the person exercising
wears a POLAR
®
chest strap or uses the grips on the handlebars. (The POLAR
®
chest strap is a separate purchase option.) The SmartRate
®
indicator lights do
not appear when QUICKSTART is used to select a course.
However, if SmartRate
®
is active during your workout then it remains active even
though your course selection may change. For example, during a workout you
decide to select another course by touching the COURSE CHANGE
▲▼
keys.
You press QUICKSTART (instead of ENTER) to continue your work out in the new
course. If SmartRate
®
was active during the initial course selection, it continues to
appear on the display.
Weight Loss Zone
For the ideal “weight loss” range, your heart rate should be between 55% and 70%
of your maximum aerobic heart rate. It should never exceed 85% of your maxi-
mum aerobic heart rate or go above your training zone. Refer to Diagram 15 for
your appropriate target zone.
Cardiovascular Zone
When you maintain your heart rate between 70% and 85% of your maximum
aerobic heart rate, you are improving your overall cardiovascular/cardiorespira-
tory fitness level. Maintaining your heart rate in either zone (weight loss or cardio-
vascular) for 30 minutes or more on a regular basis (minimum three times a week)
provides the greatest benefits.

page 38
COMMERCIAL PRODUCTS DIVISION
MANUAL MODE AND THE QUICKSTARTTM KEY
Manual mode lets you set the resistance level. As with other courses, when you
complete the time limit set for the course, the automatic cool-down period begins.
Note: If a user is allowed to choose “INFINITE”, then no time limit is set and no
automatic cool-down period exists.
You can choose Manual mode in two different ways:
• pressing the QUICKSTART key at the Precor banner. QUICKSTART by-
passes the remaining selections and starts the Manual course. Default val-
ues includes the club’s time limit, a weight value of 150 lbs. (68 kg.) and an
age of 0. The SmartRate® display is inactive.
• pressing ENTER at the Precor banner. This causes the C846 to display sev-
eral Setup prompts. When #1 — Manual Time Goal appears on the display,
press ENTER.
The Manual course profile initially appears as a flat line. Use the RESISTANCE
▼▲ keys or the numeric keys to adjust the resistance level. (See page 27 for
more information.) As you proceed with your workout, a blinking column repre-
sents your position on the course.
CROSS COUNTRY AND HILL CLIMB COURSES
The Cross Country and Hill Climb courses consist of alternating segments of preset
resistance levels. The course profile is divided into segments. The height of each
segment reflects the changes in resistance levels. Though the resistance is preset,
you can override it during the course, by pressing a RESISTANCE ▲ or ▼ key.
Diagram 16
C846 Courses.
page 39
COMMERCIAL PRODUCTS DIVISION
RANDOM COURSE
Every time a Random course is selected, a different course profile appears. The
segments that appear in the course profile maintain a set resistance that you can
override using the RESISTANCE ▼▲ keys. The resistance is preset to 1 for the first
segment. The maximum change allowed between segments is plus or minus 4 resis-
tance levels. If the club lets you set the workout time at INFINITE (number zero on
the numeric keypad), you need to incorporate a cool down period into your workout.
INTERVAL COURSE
The Interval course is one of the best for conditioning your cardiovascular system.
The course is designed to raise and lower your heart rate in a repeating fashion for a
specified period of time. The three interval courses on the C846 let you select the rest
and work intervals according to your training regimen. In the 1-3 interval course, each
1-minute rest interval is followed by a 3-minute work interval. In the 1-2 interval
course, each 1-minute rest interval is followed by a 2-minute work interval. In the 1-1
interval course, each 1-minute rest interval is followed by a 1-minute work interval.
The resistance levels are preset at 1 for the rest interval and 3 for the work
interval. At any point during the workout, you can change the settings of the
current interval by simply pressing the RESISTANCE ▼▲ or number keys. The
software remembers the new settings and applies it to the appropriate rest or
work interval throughout the remainder of the course.
Each time the C846 changes intervals, it informs you by displaying a message.
When you complete the time limit set for the course, the automatic cool-down
period begins.
Important: If you entered your Age during the Setup prompts and wear the POLAR
®
chest strap or utilize the heart rate grips, you can adjust the rest or work intervals to
keep your heart rate in its recommended zone. For the weight loss mode, try to
maintain your heart rate at the lower end (55% of maximum heart rate) while in the
“rest” intervals and keep it at 70% of maximum heart rate while in the “work” intervals.
See Diagram 15 on page 36.
WATTS CONTROL COURSE
On the C846, watts indicates the amount of energy the C846 is currently generat-
ing and is derived from the current resistance and pedaling speed. The Watts
Control course affects the user in that it keeps the level (as measured in watts) of
the user’s expenditure in energy fixed or constant. When a user selects the Watts
Control course, an initial target of 50 watts is preset. As the user pedals, the
pedal resistance changes to keep the energy expenditure stable at a constant 50
watts. The faster the user pedals (higher RPM), the lower the resistance. If a user
pedals slowly, a higher pedal resistance occurs.
A user can change the watts level by touching the RESISTANCE ▼▲ keys or
pressing the numeric keys followed by the appropriate ▼ or ▲ RESISTANCE key.
page 40
COMMERCIAL PRODUCTS DIVISION
HEART RATE CONTROL COURSE
Once you complete the warm-up period and achieve your target heart rate, the
Heart Rate Course monitors your heart rate and automatically maintains it within
a few beats per minute (bpm) of the selected target. Lights on the SmartRate® bar
graph appear to show the “zone” that you are in.
Note: For the C846 to detect a heart rate, you must grasp the handlebar grips or
wear the POLAR® chest strap during a workout.
The handlebar grips or chest strap transmits your heart rate signal to the receiver
that is installed in the display console. During your workout, the heart rate indicator
lights which lets you see what your heart rate is doing even when the display is
presenting other workout statistics.
To use the Heart Rate Course follow the steps found in
Quick Steps to Working
Out
on page 31 and choose #9 — Heart Rate Control as the course.
Note: If your heart rate moves into the heart rate zone for your age during the three
minute warm-up period, the warm-up period ends and the Heart Rate Course begins.
CAUTION: A warning message will appear if you go above your maximum
recommended heart rate target zone. Heed the warning and get permission
from your personal physician before working out above the maximum
recommended zone for your age and fitness level. See Diagram 15 for the
recommended target zones.
WEIGHT LOSS COURSE
The Precor Weight Loss course incorporates the latest findings on fat-burning
and weight loss through exercise. It is based on research at the world-renowned
Cooper Institute for Aerobics Research and it is designed to help you burn the
most fat during a 28-minute workout, while minimizing the risk of discomfort and
injury. The Weight Loss program is similar to the Interval course, but the intervals
are set at four minutes. If you use the heart rate grips on the handlebar or wear
the POLAR® chest strap, try to keep the rest interval’s target heart rate at 55% of
(220 minus your age), while the work interval should be set to 70% of (220 minus
your age). As in the Interval course, once you set the resistance levels for the
first rest and work interval, the C846 automatically repeats the interval settings
throughout the course.
Note: When you complete the 28-minute time limit set for the course, the auto-
matic cool-down period begins.
RESISTANCE CUSTOM COURSE
A custom course is available on the C846 where the resistance is preset by the club.
Though the resistance is preset, a user can adjust the settings during a workout by
touching the RESISTANCE ▼▲ keys. Once the course ends, it reverts back to the
custom resistance levels set by the club. Refer to
Limiting the Resistance Range
on
page 18 and
Customizing a Course
on page 19.
page 41
COMMERCIAL PRODUCTS DIVISION
GOAL-BASED COURSES
These C846 courses (Distance Goal and Calorie Goal) are similar to the Manual
course except that the user’s position and course duration are based on a “dis-
tance” or “calorie” goal. You can use the numeric keys or the RESISTANCE ▼▲
keys any time during the course to change the resistance. When you complete
the goal set for the course, the automatic cool-down period begins.
Note: A club time limit may exist for these courses. A prompt appears on the
display if the club time limit is reached before the goal. Refer to
Club Information
.
FITNESS TEST
The Fitness Test (course number 14) provides a means of determining your fit-
ness score. The algorithm used to create this course was developed by Dr. Neil
Gordon of the Cooper Clinic.
The Fitness Test determines heart rate response to varying levels of exercise. It
measures the maximum amount of oxygen the body can use for energy production
during exercise. The higher the amount of oxygen that your body can use, the greater
your ability to exercise for prolonged periods of time. You can use the results of the
Fitness Test to personalize a weight loss fitness regimen to meet your needs.
FITNESS TEST GUIDELINES
Before selecting the Fitness Test, read the following guidelines:
• Sit and rest for at least five minutes prior to taking the test. This brings your
heart rate to a resting state.
• You must wear the POLAR® chest strap and complete at least two of the six
stages of the test before a fitness score can be achieved and presented.
• The fitness score is affected by your weight and age. Be sure to include this
data during the Setup prompts.
• Let the test adjust the pedal resistance for you. However, if you need to stop
pedaling to regain control or reduce your heart rate, please do so — you can
retake the Fitness Test later.
• The RESISTANCE ▼▲ keys are disabled during the test.
• The number of two-minute stages that you complete is determined by the
cycle’s software and is dependent on your level of fitness. Do not be alarmed
if you do not complete all six stages; this is normal. However, you must
complete at least two stages to receive a fitness score.
• When you finish the Fitness Test, the pedal resistance is reduced. No automatic
cool-down period is appended to the test.
• Create your own cooling down period by pressing the RESISTANCE ▼▲ keys
to regulate the brake and return your heart rate to a normal, restful state.
page 42
COMMERCIAL PRODUCTS DIVISION
The Fitness Test ends if any one of the following occurs:
• you stop pedaling.
• your heart rate rises and remains for one-minute above the maximum allow-
able heart rate (220 minus your age). Refer to Diagram 15.
• your heart rate increases during the first stage and climbs above 85% of the
maximum allowable heart rate (220 minus your age). See Diagram 15.
• your heart rate remains at or above 80% of the maximum allowable heart
rate (220 minus your age) in any subsequent stages.
• your heart rate cannot be detected or is no longer being transmitted.
• you complete all six stages of the test.
FITNESS TEST SCORES
When a valid score is obtained it appears in the display. Tables 1 and 2 show the
desired range in fitness levels depending on your age and gender.
Note: The score is also stored for future retrieval. It appears on the display when
the Fitness Test is selected as your desired course.
Cardiovascular Fitness Score Category — Females
Age in Years Low Fitness Medium Fitness High Fitness
20 - 39 28 (or below) 28 - 33 33 (or above)
40 - 49 26 (or below) 26 - 31 31 (or above)
50 - 59 24 (or below) 24 - 28 28 (or above)
60 and over 22 (or below) 22 - 26 26 (or above)
Cardiovascular Fitness Score Category — Males
Age in Years Low Fitness Medium Fitness High Fitness
20 - 39 35 (or below) 35 - 42 42 (or above)
40 - 49 32 (or below) 32 - 39 39 (or above)
50 - 59 29 (or below) 29 - 36 36 (or above)
60 and over 24 (or below) 24 - 31 31 (or above)
Values in Tables 1 and 2 are based on the findings of the Aerobics Center Longitudinal Study, an
eight-year study involving over 13,000 female and male participants.

page 43
COMMERCIAL PRODUCTS DIVISION
The self-powered C846 will continue to run smoothly and efficiently as long as you
maintain it. You are responsible for cleaning and maintaining the unit’s integrity. If
you fail to maintain the C846 as described below, it could affect or void the Precor
Limited Warranty.
DANGER — To reduce the risk of electrical shock, always unplug the
C846 from the optional battery recharger before cleaning or performing any
maintenance tasks.
INSPECTION
Perform a daily inspection of the unit. Look and listen for loose fasteners,
unusual noises, and any other indications that the equipment may be in need of
service. Obtain service should you notice any of the above.
Important: If you determine that the C846 is in need of service, move it away
from the main workout area and place an large “Out of Service” sign on it.
To order parts or to contact a Precor authorized service provider in your area,
refer to
Obtaining Service
on page 7.
CLEANING THE EQUIPMENT
Most of the working mechanisms are protected inside the casing. However, for
efficient operation, the C846 relies on low friction. To keep the friction low, the
C846 pedals and internal mechanisms must be as clean as possible.
vTo clean all exposed surfaces on the C846, it is recommended that you use
a diluted solution of mild soap. Clean the C846 everyday with a soft cloth,
dampened (not dripping wet) in the solution.
CAUTION: Do not use any acidic cleaners. Doing so will weaken the
unit’s coating and void the Precor Limited Warranty. Never pour water
or spray liquids on any part of the C846. Allow the C846 to dry completely
before using.
vPeriodically, clean the grooves on the foot pedals using a soft nylon scrub
brush. Vacuum the floor underneath the unit to prevent the accumulation of
dust and dirt.
vThe Precor Heart Rate equipment requires little maintenance beyond keep-
ing it dust free. Dampen a sponge or soft cloth in mild soap and water to wipe
the touch-sensitive grips on the handlebar or to clean the POLAR® chest
strap. Dry the surface thoroughly with a clean towel.
STORING THE POLAR® CHEST STRAP
Store the chest strap transmitter in a place where dust and dirt cannot accumu-
late on it such as, a closet or drawer. Be sure to keep the chest strap protected
from extremes in temperature. Do not store it in an area that may be exposed to
temperatures below 32 degrees Fahrenheit.
Maintenance

page 44
COMMERCIAL PRODUCTS DIVISION
ADJUSTING THE SEAT’S SIDE TO SIDE MOVEMENT ON THE
C846 RECUMBENT.
Periodically check the seat on the C846 Recumbent. Take the following steps to
eliminate any side to side rocking movement:
1. To determine if the seat rocks side to side, straddle the base with your feet
firmly planted on the floor.
2. Sit on the seat and face the display console. Gently, move your upper body
side to side. If the seat rocks side to side with you, you need to “realign” the
center wheels that run underneath the seat. Adjustment bolts are located on
the both sides of the seat rail.
To realign the seat’s center wheels, take the following steps:
1. Obtain a 3/16-inch and 5/16-inch hex key.
Diagram 17
Adjusting the
wheel locks.
Wheel lock
adjustment key
Loosen
adjustment bolts
Adjustment plate
2. Start on one side of the cycle and loosen the two adjustment bolts with the 3/
16-inch hex key as shown in Diagram 17.
3. Using a 5/16-inch hex key, turn the wheel lock adjustment key clockwise
1/4 turn. This thrusts the center wheel up inside the top rail. Continue
holding the hex key in place while you tighten the adjustment bolts with
the 3/16-inch hex key.
4. Remove the hex keys and perform step 3 on the opposite side of the seat.
5. Check that the seat no longer rocks from side to side. If rocking movement
continues, you may need to repeat the process.

page 45
COMMERCIAL PRODUCTS DIVISION
SERVICING THE C846 AND LONG TERM STORAGE
Do not attempt to service the C846 yourself except for the maintenance tasks
described in this manual. The unit does not contain any user-serviceable parts
that require lubrication. For information refer to
Obtaining Service
on page 7.
When the C846 battery recharger is in use, ensure that the power supply cord does not
create a safety hazard by keeping it out of the way of traffic and moving parts. If the
power supply cord or power conversion module is damaged, it should be replaced.
When the C846 is
not
in use, ensure that the battery recharger cord is unplugged from
the wall outlet and is positioned so that it will not become damaged or interfere with
other equipment or people. Ensure that is kept free from dirt, moisture, or damage.
USING THE OPTIONAL BATTERY RECHARGER
If no one has used the C846 for an extended period of time, the battery may need
recharging. Symptoms of a low battery include:
• a flickering or erratic display
• no workout statistics appear or accumulate
• changes to the resistance are ignored
Note: The optional battery recharger can be connected or a sustained workout
may help recharge the battery. Refer to page 23,
Informational Displays Prior to
Shutdown
.
Diagram 18 shows the receptacle for the
optional
battery recharger. Plug the oppo-
site end into the appropriate power source for your unit (110/120v or 220/240v). You
can use the C846 while the battery recharger is plugged in. The display functions a
bit differently when the battery recharger is used. It returns to the Precor banner
instead of appearing blank when a user stops working out.
Diagram 18
Plugging in the battery
recharger.
Receptacle location
Battery recharger plug
page 46
COMMERCIAL PRODUCTS DIVISION
HEART RATE TROUBLESHOOTING TIPS
A few easy steps can be taken before you need to call customer support regard-
ing heart rate problems. One of the first things to do is verify the following:
❑A POLAR® chest strap is being worn properly by the user during a workout.
Or, the user is placing both hands on metal grips found on the handlebars.
❑The user is pedaling above 20 RPM.
❑The user is working out in a selected a course. (The Heart Rate feature is
activated when a course profile appears.) Note that if the user presses
QUICKSTART to access a course, the SmartRate and heart rate features will
not appear.
Other aspects of the heart rate option are discussed below:
Detecting a Heart Beat
It may take several seconds for the heart rate receiver to detect a number of
valid
heartbeats. Once it does, the user’s heart rate is displayed when the Heart Rate
indicator (LED) is lit during the scanning process.
If “— — —” appears when the Heart Rate indicator (LED) is lit and all the previ-
ously discussed steps have been taken, then you need to do the following:
Touch-sensitive heart rate
• to conduct electrical impulses from a user’s heart, both touch-sensitive grips
(metal strips) must be in contact with the user’s skin. Usually, the concentra-
tion of salts in a person’s perspiration provides enough conductivity to trans-
mit a signal to the receiver in the display console. However some people,
because of body chemistry or erratic heartbeats, cannot use the heart rate
touch-sensitive feature on the C846. A POLAR® chest strap may provide
better results. Refer to
Obtaining Service
on page 7.
POLAR chest strap
• Make sure that the electrodes on the chest strap are moist and placed prop-
erly against the skin. Sometimes, due to body chemistry, the chest strap
cannot successfully detect and transmit a heart rate. If this occurs, use the
electrolyte spray that accompanies the Precor Heart Rate Option package.
Follow the directions on the bottle. After spraying the electrode strips on the
chest strap, check to be sure that the strap is comfortably tight around the
chest and centered in the middle of the user’s chest.
• Another possibility which can cause erratic readings is that the chest strap’s
battery may be dead. To purchase a new chest strap, refer to
Obtaining
Service
on page 7.

Precor is a registered trademark of Precor Incorporated.
Copyright 2003 Precor Incorporated. Precor Web site: www.precor.com
Specifications subject to change without notice.
P/N 45703-101
7/29/03 Rev. E
Page 47
Precor Incorporated.
20031 142nd Avenue NE
P.O. Box 7202
Woodinville, WA USA 98072-4002
Upright Exploded Views
View 1 of 6

Precor is a registered trademark of Precor Incorporated.
Copyright 2003 Precor Incorporated. Precor Web site: www.precor.com
Specifications subject to change without notice.
Precor Incorporated.
20031 142nd Avenue NE
P.O. Box 7202
Woodinville, WA USA 98072-4002
P/N 45703-101
7/29/03 Rev. E
Page 48
Upright Exploded Views
View 2 of 6

Precor is a registered trademark of Precor Incorporated.
Copyright 2003 Precor Incorporated. Precor Web site: www.precor.com
Specifications subject to change without notice.
P/N 45703-101
7/29/03 Rev. E
Page 49
Precor Incorporated.
20031 142nd Avenue NE
P.O. Box 7202
Woodinville, WA USA 98072-4002
Upright Exploded Views
View 3 of 6

Precor is a registered trademark of Precor Incorporated.
Copyright 2003 Precor Incorporated. Precor Web site: www.precor.com
Specifications subject to change without notice.
Precor Incorporated.
20031 142nd Avenue NE
P.O. Box 7202
Woodinville, WA USA 98072-4002
P/N 45703-101
7/29/03 Rev. E
Page 50
Upright Exploded Views
View 4 of 6

Precor is a registered trademark of Precor Incorporated.
Copyright 2003 Precor Incorporated. Precor Web site: www.precor.com
Specifications subject to change without notice.
P/N 45703-101
7/29/03 Rev. E
Page 51
Precor Incorporated.
20031 142nd Avenue NE
P.O. Box 7202
Woodinville, WA USA 98072-4002
Upright Exploded Views
Views 5 & 6 of 6

Precor is a registered trademark of Precor Incorporated.
Copyright 2003 Precor Incorporated. Precor Web site: www.precor.com
Specifications subject to change without notice.
Precor Incorporated.
20031 142nd Avenue NE
P.O. Box 7202
Woodinville, WA USA 98072-4002
P/N 45903-101
7/30/03 Rev. E
Page 52
Recumbent Exploded Views
View 1 of 8

Precor is a registered trademark of Precor Incorporated.
Copyright 2003 Precor Incorporated. Precor Web site: www.precor.com
Specifications subject to change without notice.
P/N 45903-101
7/30/03 Rev. E
Page 53
Precor Incorporated.
20031 142nd Avenue NE
P.O. Box 7202
Woodinville, WA USA 98072-4002
Recumbent Exploded Views
Views 2 & 3 of 8
View 3
View 2

Precor is a registered trademark of Precor Incorporated.
Copyright 2003 Precor Incorporated. Precor Web site: www.precor.com
Specifications subject to change without notice.
Precor Incorporated.
20031 142nd Avenue NE
P.O. Box 7202
Woodinville, WA USA 98072-4002
P/N 45903-101
7/30/03 Rev. E
Page 54
Recumbent Exploded Views
View 4 of 8

Precor is a registered trademark of Precor Incorporated.
Copyright 2003 Precor Incorporated. Precor Web site: www.precor.com
Specifications subject to change without notice.
P/N 45903-101
7/30/03 Rev. E
Page 55
Precor Incorporated.
20031 142nd Avenue NE
P.O. Box 7202
Woodinville, WA USA 98072-4002
Recumbent Exploded Views
Views 5 & 6 of 8
View 6
View 5

Precor is a registered trademark of Precor Incorporated.
Copyright 2003 Precor Incorporated. Precor Web site: www.precor.com
Specifications subject to change without notice.
Precor Incorporated.
20031 142nd Avenue NE
P.O. Box 7202
Woodinville, WA USA 98072-4002
P/N 45903-101
7/30/03 Rev. E
Page 56
Recumbent Exploded Views
Views 7 & 8 of 8
View 8
View 7

We are confident that you will be pleased with your purchase and
that your new Precor equipment will help satisfy your customers’
fitness needs, while helping you meet your business goals.
To allow us to serve you better, please take a
few moments to complete and return your warranty registration.
YOU MAY ALSO REGISTER ONLINE AT
www.precor.com/warranty
If you have questions or need additional information,
contact your local dealer or call Precor Customer Support
at 800-347-4404.
Thank Y Thank Y
Thank Y Thank Y
Thank You and Wou and W
ou and Wou and W
ou and Welcome to Prelcome to Pr
elcome to Prelcome to Pr
elcome to Precorecor
ecorecor
ecor
Precor Incorporated
20031 142nd Avenue NE
PO Box 7202
Woodinville, WA 98072-4002
PLACE
STAMP
HERE
Fold along dotted line and tape closed prior to mailing.
COMM.

Please detach and mail in the warranty registration within ten days of purchase.
TELL US ABOUT YOUR NEW PRECOR PRODUCTS TELL US ABOUT YOUR NEW PRECOR PRODUCTS
TELL US ABOUT YOUR NEW PRECOR PRODUCTS TELL US ABOUT YOUR NEW PRECOR PRODUCTS
TELL US ABOUT YOUR NEW PRECOR PRODUCTS
Please indicate the type and number of products purchased:
❑#: ______ Elliptical Fitness CrossTrainer (EFX®)
❑#: ______ Treadmill ❑#:______ Stair Climber
❑#: ______ Cycle ❑#:______ Strength Station
❑#: ______ StretchTrainerTM
Date of Purchase:
❑Mr.
❑Mrs.
❑Ms.
Name of Facility
Contact Person — First Name
Zip CodeCity State
How many members do you have?
❑Less than 100 ❑100 - 500 ❑500 - 1000 ❑1000 - 2000 ❑2001 +
What percentage of floor space do you allocate for cardio equipment?
❑0% to 20% ❑20% to 40% ❑40% to 60% ❑60% to 80% ❑80% to 100%
What type of equipment makes up your cardio offering (check all that apply)?
❑Treadmills ❑Ellipticals ❑Cycles ❑Stair Climbers ❑Rowing Machines ❑Other _____________
What other brands of cardio equipment do you currently offer (check all that apply):
❑Life Fitness ❑True ❑Cybex ❑StarTrac ❑Other ______________________________
What other Precor equipment do you currently offer (check all that apply):
❑EFX®❑Cycle ❑StretchTrainerTM
❑Treadmill ❑Stair Climber ❑Strength Machine ❑Other ______________________________
Month Day Year
Your Business Email Address
Area Code Facility Telephone Number
Purchased from (Dealer name):
Product Serial Number(s):
Apt./Suite:Facility Address
The serial number is located on the shipping box and on the product.
TELL US ABOUT YOUR FACILITY TELL US ABOUT YOUR FACILITY
TELL US ABOUT YOUR FACILITY TELL US ABOUT YOUR FACILITY
TELL US ABOUT YOUR FACILITY
Last Name
TELL US ABOUT YOUR PURCHASE TELL US ABOUT YOUR PURCHASE
TELL US ABOUT YOUR PURCHASE TELL US ABOUT YOUR PURCHASE
TELL US ABOUT YOUR PURCHASE
Which best describes this purchase (check all that apply):
❑First Precor product ❑Replaces a Precor product of the same type
❑Replaces same type of product – different brand ❑Enhancement to equipment already owned
How did you FIRST become aware of this product (choose only one):
❑Authorized Precor dealer ❑Precor sales representative ❑Trade show/conference
❑Internet ❑News report or product review ❑Club/fitness magazine advertisement
❑Trade/consumer magazine article ❑Other ________________________________________________________
What factors MOST influenced your decision to purchase this product (choose up to three):
❑Precor reputation ❑Prior product experience ❑Design/appearance ❑Value for the price
❑Special product features ❑Warranty ❑Service ❑Rebate or sale price
Add additional sheets of paper or register online at www.precor.com/warranty
P/N 45622-101 Effective 30 June 2002
Effective 1 December, 2002
P/N 36286-108
Commercial Equipment Limited Warranty
PLEASE READ THESE WARRANTY TERMS AND CONDITIONS CAREFULLY BEFORE USING YOUR PRECOR INCORPORATED PRODUCT.
BY USING THE EQUIPMENT, YOU ARE CONSENTING TO BE BOUND BY THE FOLLOWING WARRANTY TERMS AND CONDITIONS.
Disclaimer and Release.
The warranties provided herein are the exclusive
warranties given by Precor and supersede any
prior, contrary or additional representations,
whether oral or written. ANY IMPLIED WARRANTIES,
INCLUDING THE WARRANTY OF MERCHANTABILITY OR
FITNESS FOR A PARTICULAR PURPOSE THAT APPLY
TO ANY PARTS DESCRIBED ABOVE ARE LIMITED IN
DURATION TO THE PERIODS OF EXPRESS WARRAN-
TIES GIVEN ABOVE FOR THOSE SAME PARTS.
PRECOR HEREBY DISCLAIMS AND EXCLUDES THOSE
WARRANTIES THEREAFTER. Some States do not
allow limitations on how long an implied warranty
lasts, so the above limitation may not apply to you.
PRECOR ALSO HEREBY DISCLAIMS AND EXCLUDES
ALL OTHER OBLIGATIONS OR LIABILITIES, EXPRESS
OR IMPLIED, ARISING BY LAW OR OTHERWISE, WITH
RESPECT TO ANY NONCONFORMANCE OR DEFECT IN
ANY PRODUCT, INCLUDING BUT NOT LIMITED TO:
(A) ANY OBLIGATION, LIABILITY, RIGHT, CLAIM OR
REMEDY IN TORT, WHETHER OR NOT ARISING FROM
THE NEGLIGENCE OF PRECOR OR ITS SUPPLIERS
(WHETHER ACTIVE, PASSIVE OR IMPUTED); AND
(B) ANY OBLIGATION, LIABILITY, RIGHT, CLAIM OR
REMEDY FOR LOSS OF OR DAMAGE TO ANY
EQUIPMENT. This disclaimer and release shall
apply even if the express warranty set forth
above fails of its essential purpose.
Exclusive Remedies.
For any product described above that fails to
conform to its warranty, Precor will provide, at
their option, one of the following: (1) repair;
(2) replacement; or (3) refund of the purchase
price. Precor Limited Warranty service may be
obtained by contacting the authorized dealer
from whom you purchased the item. Precor
compensates Servicers for warranty trips
within their normal service area to repair
commercial equipment at the customer’s
location. You may be charged a trip charge
outside the service area. THESE SHALL BE THE
SOLE AND EXCLUSIVE REMEDIES OF THE BUYER
FOR ANY BREACH OF WARRANTY.
EXCLUSION OF CONSEQUENTIAL
AND INCIDENTAL DAMAGES.
PRECOR AND/OR ITS SUPPLIERS SHALL HAVE NO
OBLIGATION OR LIABILITY, WHETHER ARISING IN
CONTRACT (INCLUDING WARRANTY), TORT (INCLUD-
ING ACTIVE, PASSIVE, OR IMPUTED NEGLIGENCE
AND STRICT LIABILITY), OR OTHERWISE, FOR
DAMAGE TO THE EQUIPMENT, PROPERTY DAMAGE,
LOSS OF USE, REVENUE OR PROFIT, COST OF
CAPITAL, COST OF SUBSTITUTE EQUIPMENT,
ADDITIONAL COSTS INCURRED BY BUYER (BY WAY OF
CORRECTION OR OTHERWISE) OR ANY OTHER
INCIDENTAL, SPECIAL, INDIRECT, OR CONSEQUEN-
TIAL DAMAGES, WHETHER RESULTING FROM
NONDELIVERY OR FROM THE USE, MISUSE OR
INABILITY TO USE THE PRODUCT. This exclusion
applies even if the above warranty fails of its
essential purposes and regardless of whether
such damages are sought for breach of warranty,
breach of contract, negligence, or strict liability in
tort or under any other legal theory. Some states
do not allow the exclusion or limitation of incidental
or consequential damages, so the above limitation
may not apply to you.
This warranty gives you specific legal rights, and
you may also have other rights, which vary from
state to state.
Complete this portion and keep for your records.
Purchased From: ___________________________ Example: Dealer or store name.
Phone Number: ____________________________ Example: Dealer or store telephone number.
Product/model: _____________________________ Example: EFX534 or 966
Serial number: _____________________________
The serial number is found on the shipping container.
Limited Warranty.
Precor Incorporated warrants all new Precor products to be free from defects in materials and
manufacture for the warranty periods set forth below. The warranty periods commence on the
invoice date of the original purchase. This warranty applies only against defects discovered
within the warranty period and extends only to the original purchaser of the product. Parts
repaired or replaced under the terms of this warranty will be warranted for the remainder of
the original warranty period only. To claim under this warranty, the buyer must notify Precor or
your authorized Precor dealer within 30 days after the date of discovery of any nonconformity
and make the affected product available for inspection by Precor or its service representative.
Precor’s obligations under this warranty are limited as set forth below.
Warranty Periods and Coverage.
Commercial Products, also known as C-Series Products, (excluding
StretchTrainer, Strength Products).
•Seven years frame, five years touch sensor display housing, two years parts, one year labor.
•For treadmills, five years motor fan, three years drive motor.
•For self-powered ellipticals and bikes, one year battery.
•Labor coverage for options as defined below.
StretchTrainer
Five years frame, two years parts, 90 days upholstery, no labor.
Strength Products (Catalina 3.45 and Malibu 3.25 only)
Ten years frame; three years bearings, guide rods, cams, pulleys; one year belts, cables,
hand grips, miscellaneous parts; 90 days upholstery; no labor.
Options / Accessories / Battery-powered or Self-Operated Devices
Many options or accessories have components that are connected internally or mounted inside
the electronic console. The following guidelines determine the warranty for these components. If
the internal components are installed by the factory or by an authorized dealer as part of the
original sale and delivery, they have a warranty that is identical to the warranty of the equipment in
which they are connected or mounted. If the internal components are not installed by the factory or
by an authorized dealer as part of the original sale and delivery, they have a 90 days parts and
labor limited warranty. All components that are not internally connected have a
90 days parts only limited warranty. Satisfactory proof of purchase is required in all cases.
Conditions and Restrictions.
This warranty is valid only in accordance with the conditions set forth below:
1. The warranty applies to the Precor product only while
a. it remains in the possession of the original purchaser and proof of purchase is
demonstrated,
b. it has not been subjected to accident, misuse, abuse, improper service, or non-Precor
modification.
c. claims are made within the warranty period.
2. Certain products are warranted for light commercial use only (defined as use in non-fee paying
clubs or facilities and less than 4 hours daily use. Unapproved use voids the warranty. Current
light commercial products include C934, C932, EFX524, EFX534.).
3. This warranty does not cover damage or equipment failure caused by electrical wiring
not in compliance with electrical codes or Precor owner’s manual specifications, or failure
to provide reasonable and necessary maintenance as outlined in the owner’s manual.
4. Except in Canada, Precor does not pay labor outside the United States.
5. Warranties outside the United States and Canada may vary. Please contact
your local Dealer for details.
This Limited Warranty shall not apply to:
1. Software (PROM) version upgrades.
2. Normal wear and tear, consumables and cosmetic items, including, but not limited to
the following: grips, seats, and labels.
3. Repairs performed on Precor equipment missing a serial number or with a serial tag
that has been altered or defaced.
4. Service calls to correct installation of the equipment or instruct owners on how to use
the equipment.
5. Pickup and delivery involved with repairs.
6. Any labor costs incurred beyond the applicable labor warranty period.

C846 Lit Kit# 45701-103
OM# 45702-103
Online OM# 45702-403
Warranty Registration# 45622-101
Warranty# 36286-108
Upright Expl. Views# 45703-101 Rev. E
Recumbent Expl. Views# 45903-101 Rev. E
October 23, 2003
Precor Incorporated
20031 142nd Avenue NE
P.O. Box 7202
Woodinville, WA USA 98072-4002
Precor, EFX, Move Beyond, Cross Ramp and SmartRate are
registered trademarks of Precor Incorporated.
QuickStart is a trademark of Precor Incorporated.
POLAR is a registered trademark of POLAR ELECTRO.
Copyright 2003 Precor Incorporated.
Specifications subject to change without notice.
Precor web site: www.precor.com
C846 Self-powered Commercial Cycle featuring Heart Rate and SmartRate® Systems
Product Specifications
Length: Upright 54 inches (137 cm): Recumbent 56 inches (142 cm)
Width: Upright 24 inches (61 cm): Recumbent 24 inches (61 cm)
Height: Upright 53 inches (135 cm): Recumbent 48 inches (122 cm)
Weight: Upright 127 lbs (57 kg): Recumbent 152 lbs (68 kg)
Shipping weight: Upright 142 lbs (64 kg): Recumbent 167 lbs (75 kg)
Resistance: 1 to 25
Power: Self
Frame: Powder-coated steel
Regulatory Approval: FCC, ETL, CE
* The user must hold onto both touch-sensitive grips on the handlebars. Or, the user must wear a
POLAR® chest strap. The POLAR® chest strap is an option available through your dealer.
Electronic Specifications
C846 Courses: 14 C846 Display Readouts:
Manual course SmartRate® *
Cross Country course Heart Rate*
Hill Climb Course Profile
Random Course Time
3 Interval courses Remaining Time
Watts Control course Segment Time
Heart Rate Control course* Distance
Weight Loss course* Speed
Resistance Custom course Resistance
2 Goal courses (Distance and Calories) RPM
Fitness Test METs
Calories
Watts
Calories Per Minute
C846 Features:
CSAFE
Heart Rate Telemetry
QuickStartTM
SmartRate®
Touch Heart Rate
Touch-Sensitive Display
NOTICE:
Precor is widely recognized for its innovative, award winning designs of exercise equipment. Precor
aggressively seeks U.S. and foreign patents for both the mechanical construction and the visual
aspects of its product design. Any party contemplating the use of Precor’s product designs is hereby
forewarned that Precor considers the unauthorized appropriation of its proprietary rights to be a very
serious matter. Precor will vigorously pursue all unauthorized appropriation of its proprietary rights.