Printronix AN2RFID Printer User Manual PTX QSG SL5000E 178371B
Printronix Inc Printer PTX QSG SL5000E 178371B
Users Manual

SL5000
e
T M and T5000
e
T M SR
Smart Label
RFID Printer
Quick Setup Guide
The Printronix SL5000
e
and T5000
e
SR
Series of Thermal Printers

This Quick Setup Guide contains a CD-ROM with
the following materials:
• The User’s Manual
• Programmer’s Reference Manuals
• Useful utility programs
The CD-ROM is located in a plastic pocket in the back cover.
Do not discard this guide. If you move or pack the printer in the future,
you will need to follow the instructions in this guide.
For technical assistance, contact your
Distributor/VAR/Reseller for service.
For further assistance, contact the Printronix Customer Support Center.
The Customer Support Center offers technical support with:
• Installation
• Configuration and Setup
• Operation and Supplies Loading
• Specifications of Proper Print Media and Ribbons
• Answers to Post-Sales Service Support Questions
Printronix Customer Support Center contact information:
Americas (714) 368-2686
Europe, Middle East, and Africa (31) 24 6489 410
Asia Pacific (65) 6548 4114
Web site: http://www.printronix.com/public/servicessupport/default.aspx
Genuine Printronix Supplies:
Americas (800) 733-1900
Europe, Middle East, and Africa (33) 1 46 25 1900
Asia Pacific (65) 6548 4116 or (65) 6548 4182
Web site: http://www.printronix.com/public/supplies/default.aspx
Or visit the Printronix web site at www.printronix.com

The Printronix SL5000
e and T5000
e SR
Series of Thermal Printers
Smart Label RFID Printer
Quick Setup Guide
Software License Agreement
CAREFULLY READ THE FOLLOWING TERMS AND CONDITIONS BEFORE USING THIS PRINTER.
USING THIS PRINTER INDICATES YOUR ACCEPTANCE OF THESE TERMS AND CONDITIONS. IF YOU
DO NOT AGREE TO THESE TERMS AND CONDITIONS, PROMPTLY RETURN THE PRINTER AND ALL
ACCOMPANYING HARDWARE AND WRITTEN MATERIALS TO THE PLACE YOU OBTAINED THEM, AND
YOUR MONEY WILL BE REFUNDED.
Definitions.
“Software” shall mean the digitally encoded, machine-readable data and program. The term “Software
Product” includes the Software resident in the printer and its documentation. The Software Product is licensed
(not sold) to you, and Printronix, Inc. either owns or licenses from other vendors who own, all copyright, trade
secret, patent and other proprietary rights in the Software Product.
License.
1. Authorized Use. You agree to accept a non-exclusive license to use the Software resident in the printer
solely for your own customary business or personal purposes.
2. Restrictions.
a. To protect the proprietary rights of Printronix, Inc., you agree to maintain the Software Product and
other proprietary information concerning the typefaces in strict confidence.
b. You agree not to duplicate or copy the Software Product.
c. You shall not sublicense, sell, lease, or otherwise transfer all or any portion of the Software Product
separate from the printer, without the prior written consent of Printronix, Inc.
d. You may not modify or prepare derivative works of the Software Product.
e. You may not transmit the Software Product over a network, by telephone, or electronically using any
means; or reverse engineer, decompile or disassemble the Software.
f. You agree to keep confidential and use your best efforts to prevent and protect the contents of the
Software Product from unauthorized disclosure or use.
3. Transfer. You may transfer the Software Product with the printer, but only if the recipient agrees to accept
the terms and conditions of this Agreement. Your license is automatically terminated if you transfer the
Software Product and printer.
Limited Software Product Warranty
Printronix, Inc. warrants that for ninety (90) days after delivery, the Software will perform in accordance with
specifications published by Printronix, Inc. Printronix, Inc. does not warrant that the Software is free from all
bugs, errors and omissions.
Remedy
Your exclusive remedy and the sole liability of Printronix, Inc. in connection with the Software is replacement
of defective software with a copy of the same version and revision level.
Disclaimer of Warranties and Limitation of Remedies
1. THE PARTIES AGREE THAT ALL OTHER WARRANTIES, EXPRESS OR IMPLIED, INCLUDING
WARRANTIES OF FITNESS FOR A PARTICULAR PURPOSE AND MERCHANTABILITY ARE
EXCLUDED.
Printronix, Inc. does not warrant that the functions contained in the Software will meet your requirements
or that the operation of the Software will be uninterrupted or error free.
Printronix, Inc. reserves the right to make changes and/or improvements in the Software without notice at
any time.
2. IN NO EVENT WILL PRINTRONIX, INC. BE LIABLE FOR LOST PROFITS, LOST DATA, BUSINESS
INTERRUPTIONS, OR ANY OTHER DIRECT, INDIRECT, INCIDENTAL OR CONSEQUENTIAL
DAMAGES ARISING OUT OF THE USE OF OR INABILITY TO USE THIS PRODUCT, EVEN IF
PRINTRONIX, INC. HAS BEEN ADVISED OF THE POSSIBILITY OF SUCH DAMAGES, OR ANY
DAMAGES CAUSED BY THE ABUSE OR MANIPULATION OF THE SOFTWARE. SOME STATES DO
NOT ALLOW THE EXCLUSION OR LIMITATION OF LIABILITY FOR CONSEQUENTIAL OR
INCIDENTAL DAMAGES, SO THE ABOVE LIMITATION MAY NOT APPLY TO YOU.
3. Printronix, Inc. will not be liable for any loss or damage caused by delay in furnishing a Software Product
or any other performance under this Agreement.
4. Our entire liability and your exclusive remedies for our liability of any kind (including liability for
negligence except liability for personal injury caused solely by our negligence) for the Software Product
covered by this Agreement and all other performance or nonperformance by us under or related to this
Agreement are limited to the remedies specified by this Agreement.
5. California law governs this Agreement.
Termination of License Agreement
This License shall continue until terminated. This license may be terminated by agreement between you and
Printronix, Inc. or by Printronix, Inc. if you fail to comply with the terms of this License and such failure is not
corrected within thirty (30) days after notice. When this License is terminated, you shall return to the place you
obtained them, the printer and all copies of the Software and documentation.
U.S. Government Restricted Rights
Use, duplication or disclosure by the Government is subject to restrictions as set forth in the Rights in
Technical Data and Computer Software clause at FAR 242.227-7013, subdivision (b) (3) (ii) or subparagraph
(c) (1) (ii), as appropriate. Further use, duplication or disclosure is subject to restrictions applicable to
restricted rights software as set forth in FAR 52.227-19 (c) (2).
Acknowledgement of Terms and Conditions
YOU ACKNOWLEDGE THAT YOU HAVE READ THIS AGREEMENT, UNDERSTAND IT, AND AGREE TO
BE BOUND BY ITS TERMS AND CONDITIONS. NEITHER PARTY SHALL BE BOUND BY ANY
STATEMENT OR REPRESENTATION NOT CONTAINED IN THIS AGREEMENT. NO CHANGE IN THIS
AGREEMENT IS EFFECTIVE UNLESS WRITTEN AND SIGNED BY PROPERLY AUTHORIZED
REPRESENTATIVES OF EACH PARTY. BY USING THIS PRINTER, YOU AGREE TO ACCEPT THE
TERMS AND CONDITIONS OF THIS AGREEMENT.
Communication Notices
This equipment has been tested and found to comply with the limits for a Class B digital device, pursuant to
Part 15 of the FCC Rules. These limits are designed to provide reasonable protection against harmful
interference in a residential installation. This equipment generates, uses, and can radiate radio frequency
energy and, if not installed and used in accordance with the instructions, may cause harmful interference to
radio communications. However, there is no guarantee that interference will not occur in a particular
installation. If this equipment does cause harmful interference to radio or television reception, which can be
determined by turning the equipment off and on, the user is encouraged to try to correct the interference by
one or more of the following measures:
•Reorient or relocate the receiving antenna.
•Increase the separation between the equipment and receiver.
•Connect the equipment into an outlet on a circuit different from that to which the receiver is connected.
•Consult the dealer or an experienced radio/TV technician for help.

Properly shielded and grounded cables and connectors must be used in order to meet FCC emission limits.
Printronix is not responsible for any radio or television interference caused by using other than recommended
cables and connectors or by any unauthorized changes or modifications to this equipment. Unauthorized
changes or modifications could void the user’s authority to operate the equipment.
This device complies with part 15 of the FCC Rules. Operation is subject to the following two conditions: (1)
this device may not cause harmful interference, and (2) this device must accept any interference received,
including interference that may cause undesired operation.
Any change or modification to this product voids the user’s authority to operate it per FCC Part 15 Subpart A
Section 15.21 regulations.
CAUTION: This product should be positioned so that personnel in the area for prolonged periods may safely
remain at least 23 cm (9 in) from the readers antenna surface in an uncontrolled environment. See FCC OET
Bulletin 56 “Hazards of radio frequency and electromagnetic fields” and Bulletin 65 “Human exposure to radio
frequency electromagnetic fields.”
This product contains an intentional radiator with the following parameters:
Operating Frequency: 902 to 928 MHz
Typical RF Power: 25 to 100 milliwatts (SL5x04 MP) or 25 to 205 milliwatts (SL5x04 C1)
Maximum RF Power: 1 Watt under abnormal conditions
Canadian Department of Communications Compliance Statement: This Class A digital apparatus
complies with Canadian ICES-003.
Avis de conformite aux normes du ministere des Communcations du Canada: Cet appareil numerique
de la classe A est conform á norme NMB-003 du Canada.
Printronix
SL5000e

Printronix makes no representations or warranties of any kind regarding this material, including, but not limited
to, implied warranties of merchantability and fitness for a particular purpose. Printronix shall not be held
responsible for errors contained herein or any omissions from this material or for any damages, whether
direct, indirect, incidental or consequential, in connection with the furnishing, distribution, performance or use
of this material. The information in this manual is subject to change without notice.
This document contains proprietary information protected by copyright. No part of this document may be
reproduced, copied, translated or incorporated in any other material in any form or by any means, whether
manual, graphic, electronic, mechanical or otherwise, without the prior written consent of Printronix.
COPYRIGHT © 2004 PRINTRONIX, INC. All rights reserved.
Trademark Acknowledgements
Alien and Alien Technology are registered trademarks of Alien Technology Corporation.
Manhattan Associates is a registered trademark of Manhattan Associates, Inc.
Printronix, PGL, and PrintNet are registered trademarks of Printronix, Inc.
SL5000e and T5000e are trademarks of Printronix, Inc.
Uniform Code Council is a registered trademark of Uniform Code Council, Inc.
Zebra and ZPL are trademarks of Zebra Technologies Corporation.


9
1 RFID Smart Label Application
And Reference Notes.............................. 11
Overview............................................................................. 11
What To Expect When Running Your RFID Application..... 13
Factors Affecting Smart Label Performance ................ 13
Overstruck Smart Labels.............................................. 13
Smart Label Characteristics ......................................... 14
Transitioning From UCC/GTIN Applications Using
Printronix Software Migration Tools (SMT)......................... 15
How Printronix Makes It Easy ...................................... 15
How It Works................................................................ 15
How To Order More Smart Labels...................................... 16
Printronix Professional Services ......................................... 16
What We Can Do ......................................................... 16
Contact Information ...................................................... 16
Hardware/Infrastructure Considerations ............................. 17
Useful Industry Web Links .................................................. 18
Reference Material ....................................................... 18
2 Printer Setup ........................................... 19
Unpacking And Installing The Printer ................................. 19
Unpacking The Printer ................................................. 19
Removing The Internal Packing Material ..................... 20
Installation .................................................................... 21
Controls And Indicators ...................................................... 22
Power Switch ............................................................... 22
Control Panel ............................................................... 22
Loading Media And Ribbon ................................................ 26
Loading Roll Media ...................................................... 27
Loading Ribbon ............................................................ 32
Printing Adjustments........................................................... 35
Printhead Pressure Adjustment ................................... 35
Printhead Pressure Block Adjustments........................ 35
Table of Contents

Table of Contents
10
Positioning The Media Sensors ....................................36
Running Auto Calibrate .......................................................37
Configuring The Printer .......................................................38
QUICK SETUP Menu ..........................................................39
QUICK SETUP Menu Items..........................................40
Saving The Configuration ....................................................50
Run A Barcode Demo Test..................................................50
Cleaning ..............................................................................51
Exterior..........................................................................51
Interior ...........................................................................51
General Cleaning ..........................................................51
Cleaning The Printhead, Platen Roller,
And Media Sensors.......................................................52
For More Information ...........................................................55
3 Smart Label Development....................... 57
Overview..............................................................................57
RFID CONTROL Menu........................................................58
RFID CONTROL Submenus .........................................59
Admin User Menu Items................................................62
RFID PGL Commands.........................................................64
Write Tag ......................................................................64
Read Tag ......................................................................65
EPC Programming Example .........................................66
ASCII Programming Example .......................................67
RFID PPI1 Commands ........................................................68
Get Tag Unique ID ........................................................68
Set Tag Type ................................................................68
Read Tag ......................................................................69
Write Tag ......................................................................70
Host Verification ............................................................71
EPC Programming Example .........................................72
Software Migration Tools (SMT)..........................................73
Tools List.......................................................................73
Selecting The Tools ......................................................75
Error Messages ...................................................................76
Troubleshooting...................................................................77

11
1RFID Smart Label
Application And
Reference Notes
Overview
This manual covers the following products:
•Printronix SL5000e DK Smart Label Developer's Kit
•Printronix SL5000e MP Multi-protocol RFID printer, supporting
Class 1 and Class 0/0+ RFID tags and labels
•Printronix SL5000e C1 Class 1 RFID printer, supporting
Class 1 RFID tags and labels
•Printronix T5000e SR Smart Ready RFID printer, upgradeable
with either:
•SLMP-Kit Multi-protocol Smart Label Upgrade kit,
supporting Class 1 and Class 0/0+ RFID tags and labels
•SLC1-Kit Class 1 Smart Label Upgrade Kit, supporting
Class 1 RFID tags and labels

Chapter 1 Overview
12
The Printronix SL5000e DK Smart Label Developer’s Kit contains:
•SL5000e MP multiprotocol RFID printer
•Integrated RFID UHF encoder supporting Class 1 and
Class 0/0+ RFID tags and labels
•Software Migration Tools that permit the seamless encoding of
smart labels
•Media starter kit (100 4 inch x 6 inch standard labels, 50 m
8500 thermal premium wax resin ribbon, and a printhead
cleaning pen)
•1000 Class 1 RFID smart labels
•One 625 m thermal premium wax ribbon
•Network interface card, which includes Printronix’s PrintNet®
Enterprise, a remote network printer management software
application.
•Programming manuals (CD)
•Smart Label Developer’s Quick Setup Guide (this manual)
•Application and reference notes (this chapter)
•Technical support
The intent of the kit is to provide a complete environment for the
printing and encoding of RFID smart labels right out of the box.
Printronix has specifically designed this kit to help you fast track
your RFID printer application through the use of a suite of Software
Migration Tools (SMT).

Factors Affecting Smart Label Performance
13
What To Expect When Running Your RFID Application
Factors Affecting Smart Label Performance
Smart labels are based on an EEPROM technology that requires
some time to be programmed. You may notice this minor pause
between labels. This time is necessary to better ensure consistent
quality and improved reliability.
When dealing with smart labels, it is possible that an occasional
RFID tag may need to be written and verified more than once (retry)
before being considered acceptable. In this event each retry time
will be added to the inter-label pause.
Static electricity can damage the smart labels. Open the media
cover of the printer and touch an unpainted metal part of the printer
before you handle smart labels. This will discharge any static
electricity that may have built up on your hands.
Overstruck Smart Labels
If an RFID tag within a smart label is deemed unacceptable after
execution of the defined number of retries, the following actions are
performed:
•If Error Handling is set to Overstrike (the default), the
unacceptable smart label will print with a grid or error message
over the label. If the Label Retry Count is greater than zero (the
default is 10), the next smart label will be tried until the label
retry count is exhausted.
•If Error Handling is set to Stop, the printer will stop, give an
error message, and discard the failing label data.
•If Error Handling is set to None, the printer will continue to the
next smart label with the next form and discard the failing label
data.

Chapter 1 What To Expect When Running Your RFID Application
14
Smart Label Characteristics
The smart labels currently supported have the following
characteristics:
•UHF 915MHz radio frequency
•EPC Class 1 tags – 64 data bits Read/Write
•4 x 2, 4 x 4, 4 x 6, 4 x 8 inch label stock with either Alien®
Squiggle or M-Tag inlays
•3 x 3 inch Rafsec #313 Psychedelic
•Number of labels per roll will vary depending on the label length
NOTE: It is highly recommended that additional smart labels are
purchased directly from Printronix to assure the highest
level of performance and reliability. See “How To Order
More Smart Labels” on page 16.

How Printronix Makes It Easy
15
Transitioning From UCC/GTIN Applications Using
Printronix Software Migration Tools (SMT)
It is likely that your software is already set up to create bar codes.
You may have also spent a lot of time creating compliance label
templates & integrating them into your system. The Smart Label
Developer’s Kit Software Migration Tools will allow you to
effortlessly transition from printing compliance labels to smart
labels.
How Printronix Makes It Easy
If you are printing bar codes now, you can print smart labels — no
change to your host data stream or existing compliance templates
is required.
How It Works
A set of Software Migration Tools has been created to intercept the
bar code data in the host data stream and copy the data to a smart
label RFID tag according to a set of rules. Each tool has been
designed for a specific end-use application. By simply selecting the
desired Software Migration Tool from the printer’s control panel,
you automatically enable the printer to create an RFID smart label
from your existing software application even if it does not have the
functionality to program RFID tags. The tools include:
•GTIN: Copies the Global Trade Identification Number (GTIN)
bar code data for case and pallet labels onto the smart label’s
RFID tag.
•EAN-8, EAN13, UPCA, and UCC128: These tools copy the
data from their respective bar code symbologies to a smart
label’s RFID tag. This enables the achievement of supply-chain
efficiencies with RFID-ready trading partners while at the same
time remaining compatible with those who are not.

Chapter 1 How To Order More Smart Labels
16
•EPC: This tool allows EPC data to be directly encoded into the
smart label’s RFID tag. Simply have your existing software
application write the desired EPC number to a Code 3 of 9
barcode. The printer will then write the EPC data to the RFID
tag without printing the bar code.
The existing toolset will meet the needs of many RFID early
adopters. If you have a requirement for a Software Migration Tool
not included in this kit, feel free to contact Printronix.
To select and use the tools, see “Software Migration Tools (SMT)”
on page 73.
How To Order More Smart Labels
To order more RFID smart labels, contact Printronix:
(800) 733-1900
www.printronix.com
Printronix Professional Services
What We Can Do
Printronix can partner with you on your RFID pilot project to make
your existing software applications RFID/smart label capable. We
specialize in AutoID Consulting, compliance labeling, third party
software integration, and label generation.
Contact Information
Printronix Customer Support Center
(714) 368-2686
Ask for Professional Services Support

Contact Information
17
Hardware/Infrastructure Considerations
Once your smart labels have been applied to their target container
or pallet you will need external readers to track them through your
supply chain. Such readers are typically networked devices that are
deployed at key points in the warehouse or distribution center to
track incoming and outgoing packages. The readers are managed
through a server for gathering and filtering all the RFID information.
Readers may have multiple antennas to maximize read range and
reliability.
The readers you purchase must be compatible with the smart
labels programmed by the printer. Specifically, they should be EPC
Class 1 compliant. Fixed position readers and their antennas can
be purchased from Alien Technology® (www.alientechnology.com).
Handheld readers with integrated antennas can be purchased from
AWID (www.awid.com).
The data that are gathered by the reader servers must be managed
for tracking and archiving purposes. Software applications that
perform these tasks are available from companies such as
Manhattan Associates® (www.manh.com).

Chapter 1 Useful Industry Web Links
18
Useful Industry Web Links
Reference Material
EPCglobal, Inc.
www.epcglobalinc.org
Auto-ID Labs
www.autoidlabs.org
Uniform Code Council, Inc.®
www.uc-council.org
RFID Journal
www.rfidjournal.com
Alien Technology Corporation
www.alientechnology.com
Applied Wireless Identifications Group, Inc.
www.awid.com

19
2Printer Setup
Unpacking And Installing The Printer
Unpacking The Printer
The printer is shipped in a carton and protective bag. Keep all
packing material in case shipping is required.
CAUTION
Avoid touching the electrical connectors to prevent
electrostatic discharge damage while setting up the printer.
The discharge of accumulated electrostatic energy can
damage or destroy the printhead or electronic components
used in this device.
CAUTION
Do not place the printer on its backside during unpacking or
handling, because damage to the printer interface connector
may occur.

Chapter 2 Unpacking And Installing The Printer
20
Removing The Internal Packing Material
Remove the tape strips and foam pads from the printer as indicated
below. (The top lid of the shipping carton also displays these
instructions.)
Tape Strips (2)
Foam Pads (2)
Foam Pad
Foam Pad
A
B
C
Unlock

Installation
21
Installation
1. Place the printer on a flat level surface that allows easy access
to all sides of the printer.
CAUTION
Never operate the printer on its side or upside down.
2. Make sure the printer power switch is in the Off (O) position.
WARNING
Failure to properly ground the printer may result in electric
shock to the operator.
In compliance with international safety standards, this printer
has been equipped with a three-pronged power cord. Do not
use adapter plugs or remove the grounding prong from the
cable plug. If an extension cord is required, ensure that a
three-wire cable with a properly grounded plug is used.
3. Attach the AC power cord to the AC power receptacle in the
back of the printer.
CAUTION
Verify the required voltage on the printer’s model number label
on the back of the printer.
4. Attach the AC power cord to a grounded (three prong) electrical
outlet of the proper voltage.
AC Power
Receptacle
Power Switch

Chapter 2 Controls And Indicators
22
Controls And Indicators
Power Switch
The power switch is located on the bottom back panel of the printer.
To apply power, place the switch in the | (On) position. When you
first power on the printer, a series of initialization messages
appears on the Liquid Crystal Display (LCD) on the control panel.
To remove power, place the power switch in the O (Off) position.
Control Panel
The control panel is located on the front of the printer and includes
an LCD, indicators, and control keys (buttons). These are described
in the following tables.
Liquid Crystal
Display (LCD)
Online Status
Indicator
Job In Process
Indicator

Control Panel
23
Status And Display Indicators
Indicator Description Function in
Online Mode
Function in
Offline Mode
Function in
Menu Mode
Online Status Indicates when the
printer is online,
offline, or when
there is a fault
condition.
Stays lit when the
printer is online, ready
to print, and accept
data from the host.
Flashes during a fault
condition.
Off when the printer is
offline.
Flashes during a fault
condition.
Off.
Flashes during a fault
condition.
Liquid Crystal
Display (LCD)
A backlighted
liquid crystal
display with two
rows of 16
characters each.
Displays “ONLINE,” the
interface type, and
emulation in use.
During a fault condition,
displays the specific
fault message and the
corrective action.
Displays “OFFLINE.”
During a fault condition,
displays the specific
fault message and the
corrective action.
Displays “OFFLINE”
and a main menu,
submenu, or option.
During a fault condition,
displays the specific
fault message and the
corrective action.
Job In
Process
Indicates when the
printer is receiving
or processing
data.
Flashes when receiving
data.
Stays lit when data has
been processed and is
waiting to be printed.
Off when no data is
being received or when
no data remains in the
buffer.
Flashes when receiving
data.
Stays lit when data has
been processed and is
waiting to be printed.
Off when no data is
being received or when
no data remains in the
buffer.
None

Chapter 2 Controls And Indicators
24
Control Panel Keys
Button Description Function in
Online Mode
Function in
Offline Mode
Function in
Menu Mode
PAUSE Key
Toggles the printer
between Online and
Offline modes.
Sets printer to
Offline mode.
Sets printer to Online mode. Sets printer to Offline mode.
JOB SELECT Key None Displays the name and
number of the last loaded
configuration and allows
you to load the factory and/
or pre-stored printer
configurations.
Scrolls left through main
menus.
Decrements option values
within submenus.
–DECREMENT Key in
Menu mode
FEED Key
UP Key in Menu mode
Advances the
media one label
length.
Advances the media one
label length.
Scrolls the current menu
selection one level up.
TEST PRINT Key
Pressing the ↵
(ENTER) key with a
Diagnostic Test
displayed initiates the
test. Pressing ↵ again
terminates the test.
None Scrolls through the Test
Print patterns.
Scrolls right through main
menus.
Increments option values
within submenus.
+INCREMENT Key in
Menu mode

Control Panel
25
Control Panel Keys (cont.)
Button Description Function in
Online Mode
Function in
Offline Mode
Function in
Menu Mode
CANCEL Key
When the CANCEL key is
enabled, pressing it will clear all
data in the printer buffer and
prevent printing of that data.
Note: The default = Disable.
However, when the Coax/
Twinax Interface option is
installed, the default = Enable.
DOWN Key in Menu mode
None Clears all data
in the printer
data buffer
when enabled.
Scrolls the current
menu selection one
level down.
MENU Key Takes the printer Offline and
selects the Menu mode.
Selects the
Menu mode.
Scrolls between main
menu selections.
ENTER Key
Pressing the ↵ (ENTER) key in
Menu mode selects the
displayed option or value. An
asterisk then appears next to
the option or value indicating it
has been selected.
Note: If the ENTER key is
locked, “ENTER SWITCH
LOCKED” displays on the LCD
for one second. Press the
(DOWN) and ↵ (ENTER) keys
at the same time to unlock the
ENTER key.
None None Selects the current
menu value and
displays an asterisk
(*) next to the value.

Chapter 2 Loading Media And Ribbon
26
Loading Media And Ribbon
IMPORTANT
Printronix recommends using the supplied starter roll of 100
labels to set up and verify printer operation. This will avoid
expending the more expensive smart labels for this task.
CAUTION
DO NOT TOUCH the printhead or the electronic components
under the printhead assembly.
CAUTION
Do not close the pivoting deck without label stock installed
between the printhead and the platen, because debris on the
platen may damage the printhead.

Loading Roll Media
27
Loading Roll Media
IMPORTANT
If you are using direct thermal mode, clean the printhead,
platen roller, and upper and lower media sensors every time
you change the media. See “Cleaning” on page 51.
1. Slide the media hanger guide outward to the end of the media
hanger, and flip it up into the horizontal position (as shown).
2. Open the pivoting deck by rotating the deck lock lever fully
clockwise.
Media Hanger
Media Hanger
Guide
Deck Lock
Lever
Pivoting
Deck

Chapter 2 Loading Media And Ribbon
28
3. Slide the media width guide close to the outside end of the
media damper.
4. Slide the supplied starter media roll onto and towards the back
of the media hanger.
5. Place the media hanger guide under the media hanger and
against the lower part of the label core at a 45 degree angle
(as shown). This position provides the required tension for a
new label roll and the desired drag for a partial label roll.
Media Roll
Media Hanger
Guide
Media Hanger
Media Width
Guide
Media Damper

Loading Roll Media
29
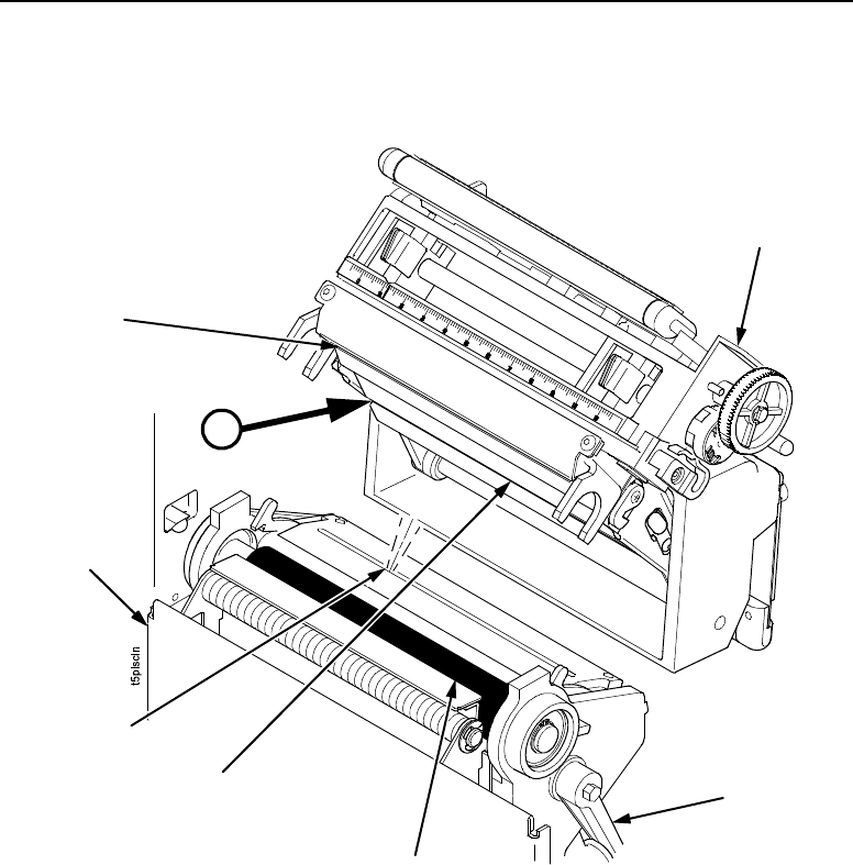
6. Thread the media under the media damper and then between
the platen (rubber driver roller) and the printhead.
You can also refer to the arrows on the printer frame or to the
label inside the media cover for media loading instructions.
Media and
Ribbon Loading
Instructions
Media Damper
Media
Printhead
Platen

Chapter 2 Loading Media And Ribbon
30
7. Verify that the left edge of the media is against the fixed guide
on the bottom of the media damper.
8. Push the media width guide in until it is flush with the outer
edge of the media.
9. Check the horizontal position of the lower media sensor
(located under the media guard) and the upper media sensor
(shown on page 35). (See “Positioning The Media Sensors” on
page 36.)
Media
Guard
Lower
Media Sensor
Fixed
Guide
Media
Damper
Media Width
Guide

Loading Roll Media
31
10. Align the left (inside) edge of the media with the left straight
edge of the platen (rubber drive roller).
11. Close the printhead by pressing down on the pivoting deck and
rotating the deck lock lever fully counterclockwise.
12. Power on the printer (place the power switch in the | position).
Platen (left edge)
Media (left edge)
Deck Lock
Lever
Pivoting
Deck

Chapter 2 Loading Media And Ribbon
32
Loading Ribbon
IMPORTANT
Clean the printhead, platen roller, and upper and lower media
sensors every time you change the ribbon. See “Cleaning” on
page 51.
1. Install the ribbon take-up core on the ribbon take-up spindle.
NOTE: The first ribbon take-up core comes with the printer.
Thereafter, use the core from the old (used up) ribbon.
2. Slide the ribbon roll onto the ribbon supply spindle until it stops
against the spindle flange.
3. Open the pivoting deck by rotating the deck lock lever fully
clockwise until the deck swings upward.
Ribbon
Roll
Ribbon
Supply Spindle
Deck Lock Lever
Pivoting
Deck
Ribbon
Take-Up Core
Spindle
Flange
Ribbon
Take-Up Spindle

Loading Ribbon
33
4. Thread the end of the ribbon under the rear ribbon guide roller,
then between the platen and the printhead.
You can also refer to the arrows on the printer frame or to the
upper-right corner of the label inside the media cover for ribbon
loading instructions.
Media
Printhead
Rear Ribbon Guide Roller
Ribbon

Chapter 2 Loading Media And Ribbon
34
5. Route the ribbon as illustrated on the media and ribbon loading
instructions (or refer to the arrows on the printer frame).
IMPORTANT
Do not attach the ribbon to the ribbon take-up spindle without
a ribbon take-up core installed.
6. Attach the ribbon to the ribbon take-up core on the ribbon
take-up spindle using the adhesive on the ribbon leader.
7. Manually rotate the spindle clockwise until the clear leader has
passed the printhead.
8. Close the pivoting deck and rotate the deck lock lever fully
counterclockwise.
Ribbon
Take-up Spindle
Ribbon
Take-up Core
Media and
Ribbon Loading
Instructions

Printhead Pressure Adjustment
35
Printing Adjustments
Printhead Pressure Adjustment
Adjust the printhead pressure to the setting of 4.
Printhead Pressure Block Adjustments
Left Pressure Block
Manually adjust the left pressure block so its handle is aligned with
the bold mark on the pressure block adjustment scale.
Right Pressure Block
Use the lead screw knob to position the right pressure block with its
pointer near the right edge of the media in use.
Lead Screw
Knob
Right Pressure
Block Pointer
Pressure Block
Adjustment Scale
Left
Pressure
Block
Left
Pressure
Block
Handle
Right Pressure
Block
Printhead Pressure
Adjustment Dial
Printhead Cover/
Upper Media
Sensor
Bold Mark

Chapter 2 Printing Adjustments
36
Positioning The Media Sensors
Your printer is equipped with upper and lower media sensors that
detect the top-of-form position on media with label length indicators
(gaps, notches, holes, or black marks). The media sensors also
detect Paper Out conditions.
Use the handles on the lower media sensor to horizontally position
it so that the left edge of the sensor is aligned under the left edge of
the adhesive label of the installed media. Slide the upper media
sensor, located in the slot under the printhead cover (see figure on
page 35), directly over the lower sensor.
Lower
Media Sensor
Handle (2)
Lower
Media Sensor
(left edge)
Adhesive Label
(left edge)

Positioning The Media Sensors
37
Running Auto Calibrate
Due to manufacturing differences in media and ribbon, the media
sensor may have difficulty distinguishing between the label and the
liner (gap).
To ensure proper operation, you must now run Auto Calibrate:
1. Set the printer power switch to | (On). (For the location of the
power switch and various panel keys, refer to “Controls And
Indicators” on page 22.)
2. Press the key to enter the QUICK SETUP menu.
NOTE: For a complete description of the QUICK SETUP menu,
see page 39.
3. If necessary, press ↓ and ↵ at the same time to unlock the
↵ key.
4. Press ↑ or ↓ until Gap/Mark Sensor / Disable* displays.
5. Press + or – until Gap displays.
6. Press ↵. An asterisk (*) displays next to Gap.
7. Press ↓ until Auto Calibrate/Run Calibrate displays.
8. Press ↵. Media advances until it can accurately detect the label
length indicators and then stops at the top-of-form position. The
sensed distance value then displays for one second.
9. Auto Calibrate is successful when the sensed distance value
correctly matches that of the installed media. For the Gap
option, the sensed distance value is the physical length of one
label plus the length of one gap.
10. If GAP NOT DETECTED or PAPER OUT displays, check the
horizontal position of the media sensors (see “Positioning The
Media Sensors” on page 36), press PAUSE, and run Auto
Calibrate again.
11. Press the PAUSE key to take the printer offline.
12. Press the FEED key several times. Each time you press FEED,
the media should advance one label length and stop.
.
.
.

Chapter 2 Configuring The Printer
38
13. Once the sensed distance value and performance is confirmed,
save it to the desired configuration menu as described below
before powering off the printer.
Configuring The Printer
The printer menu structure consists of main menus and menu
items, and the options available for each menu item. Modifications
to the menu items can be selected and saved using the control
panel. See “Control Panel” on page 22 for information about control
panel keys and navigating the menus.
When you press the (Menu) key, the QUICK SETUP menu
displays first. This menu lists the most frequently accessed menu
options.
.
.
.

Positioning The Media Sensors
39
QUICK SETUP Menu
QUICK SETUP
Print Intensity
6 ips* 2 to 10 ips1
Print Speed
Print Mode
Paper Feed Shift
Label Width
Label Length
Orientation
Transfer* Direct
4.1, 6.6, or 8.5 inches* 2, 4
Portrait* Landscape Inv. Portrait Inv. Landscape
–3* –15 to 15
00.1 to 8.5 inches4
0.00 inches* 2
4 or 6 inches* 2, 4 00.1 to 99.0 inches5
–0.50 to
X
inches3
Run Calibrate
Auto Calibrate
Ver Image Shift
Hor Image Shift
0.00 inches* 2
–1.00 to 1.00 inches 0.00 inches* 2
–1.00 to
X
inches3
Tear-Off Strip* Tear-Off Peel-Off Cut
Media Handling Continuous
Gap/Mark Sensor Disable* Mark Gap Advanced NotchAdvanced Gap
Notes:
* = Default
1 Maximum value depends on the width of the
printer model and printhead.
2 You can change the unit value from inches to
millimeters under Units (in MEDIA CONTROL)
Refer to the
User’s Manual
for information.
3 Based on the current value setting for the Label
Length menu, up to a maximum of 12.80 inches.
4 Maximum value depends on the width of the
printer model.
5 Maximum value depends on model width and size
of DRAM installed.
(cont. on next page)
1* 1 to 8
Factory* 1 to 8
Save Config.
Power-Up Config.

Chapter 2 QUICK SETUP Menu
40
QUICK SETUP Menu Items
Print Intensity
This menu item specifies the level of thermal energy from the
printhead to be used for the type of media and ribbon installed.
Large numbers imply more heat (thermal energy) to be applied for
each dot. This has a significant effect on print quality. The print
intensity and speed must match the media and ribbon type to obtain
the best possible print quality and barcode grades.
The range is –15 through +15:
•In Transfer mode, the default is –3.
•In Direct Thermal mode, the default is 0.
QUICK SETUP
(cont. from previous page)
SMT: Status
Toolset [1]* Toolset [1] to Toolset [4]
SMT: Sel Toolset
Disabled* Enabled
EPC1
zEPC2, 3
SMT: Select Tool
Notes:
* = Default.
1 Appears only if Toolset [1] is selected under
SMT: Sel Toolset.
2 Appears only if Toolset [2] is selected under
SMT: Sel Toolset.
3 Undocumented options are reserved for internal
use and future design.
UPCA1
zUPCA2, 3
EAN81
zEAN82, 3
EAN131
zEAN132, 3
UCC1281
zUCC1282, 3
GTIN1
zGTIN2, 3

QUICK SETUP Menu Items
41
Print Speed
This menu item specifies the speed in inches per second (ips) at
which the media passes through the printer while printing.
The range is 2 through 10 ips (in increments of 1 ips).
The default is 6 ips.
NOTE: The maximum print speed varies based on maximum
printer width and dot per inch (dpi) resolution of the
printhead installed (203 or 300 dpi).
Print Mode
This menu item specifies the type of printing to be done.
•Transfer. Indicates Thermal Transfer printing (ribbon installed).
•Direct. Indicates Direct Thermal printing (no ribbon) and
requires special heat sensitive media.
The default is Transfer, unless your printer is shipped as direct
thermal only (no ribbon motors installed).
Media Handling
This menu item specifies how the printer will handle the media
(labels or tag stock).
•Tear-Off Strip. Printer prints on the media and sends it out the
front until the print buffer is empty, then positions the last label
over the tear bar for removal.
•Tear-Off. After each label is printed, the printer positions the
label over the tear bar and waits for you to tear off the label
before printing the next one (on-demand printing). A “Remove
Label” message displays to remind you to remove the label
before the next one can be printed.
•Peel-Off. When the optional rewinder is installed, prints and
peels die-cut labels from the liner without assistance. The
printer waits for you to remove the label before printing the next
one (on-demand printing). The label liner is rewound on the
internal rewinder. A “Remove Label” message displays to

Chapter 2 QUICK SETUP Menu
42
remind you to remove the label before the next one can be
printed.
•Cut. When the optional media cutter is installed, it
automatically cuts media after each label is printed or can cut
after a specified number of labels have been printed using a
software cut command. It cuts continuous roll paper, labels, or
tag stock.
NOTE: This option is hidden when RFID Reader is set to Enable in
the RFID CONTROL menu.
•Continuous. Printer prints on the media and sends it out the
front.
The default is Tear-Off Strip.
Paper Feed Shift
This menu item represents the distance to advance a label (+ shift)
or pull back (– shift) when the Tear-Off Strip, Tear-Off, Peel-Off, or
Cut Media Handling option is enabled. The allowable range is –0.50
inches to the current Label Length value setting up to a maximum
of 12.80 inches in 0.01 inch increments.
The default is 0.00 inches.
Label Length
In most applications, the user-selected Label Length will match the
physical label length. Physical label length is the actual label length
of the media installed. Following is a list of different media types:
•Die-cut labels: measurable length of the removable label
(leading edge to trailing edge). This does not include the
liner material or gap.
•Tag stock with notches or holes: measurable length from
the trailing edge of one notch or hole to the trailing edge of
the next notch or hole.
•Tag stock with black marks on the underside: measurable
length from the leading edge of one black mark to the
leading edge of the next black mark.

QUICK SETUP Menu Items
43
•Continuous media (no label length indicators): measurable
length should be within + 1 to 2% of the Label Length value
entered.
Label Width
This menu item specifies the label width. The allowable range in
inches is 00.1 to the maximum print width of the printer. The
allowable range in millimeters is 2.5 to the maximum width of the
printer.
Ver Image Shift
This menu item specifies the amount to shift an image up (–) or
down (+) for precise positioning on the label. The actual height of
the image is not affected by this parameter. The allowable range is
–1.00 inches to the current Label Length value setting, up to a
maximum of 12.80 inches, in 0.01 inch increments.
The default value is 0.00 inches.
Hor Image Shift
This menu item specifies the amount to shift an image left (–) or
right (+) for precise positioning on the label. The actual width of the
image is not affected by this parameter. The allowable range is
–1.00 to +1.00 inches in 0.01 inch increments.
The default value is 0.00 inches.

Chapter 2 QUICK SETUP Menu
44
Orientation
Specifies the image orientation to be used when printing the label.
•Portrait. The default. Portrait refers to vertical page orientation,
where the height of a page is greater than its width. The top
edge of the image is parallel to the leading edge of the media.
The following example is viewed from the front of the printer.
NOTE: Portrait orientation applies to PGL and VGL emulations.
This is regarded as Inverse Portrait using PPI1.
4 inches
FEED
6 inches
The top edge of
the image is
parallel to the
leading edge of
the media.
Leading Edge

QUICK SETUP Menu Items
45
•Landscape. Landscape refers to horizontal orientation, where
the width of a page is greater than its height. The top edge of
the image is parallel to the left edge of the media. The following
example is viewed from the front of the printer.
NOTE: Landscape orientation applies to PGL and VGL emulations.
This is regarded as Inverse Landscape using PPI1.
•Inv. Portrait. Inverse Portrait refers to vertical page orientation,
where the height of a page is greater than its width. The top
edge of the image is parallel to the trailing edge of the media.
The following example is viewed from the front of the printer.
NOTE: Inverse Portrait orientation applies to PGL and VGL
emulations. This is regarded as Portrait using PPI1.
4 inches
FEED
6 inches
The top edge of
the image is
parallel to the left
edge of the media.
Leading Edge
4 inches
FEED
6 inches
The top edge of
the image is
parallel to the
trailing edge of the
media.
Leading Edge
Trailing Edge

Chapter 2 QUICK SETUP Menu
46
•Inv. Landscape. Inverse Landscape refers to horizontal
orientation, where the width of a page is greater than its height.
The top edge of the image is parallel to the right edge of the
media. The following example is viewed from the front of the
printer.
NOTE: Inverse Landscape orientation applies to PGL and VGL
emulations. This is regarded as Landscape using PPI1.
4 inches
FEED
6 inches
The top edge of
the image is
parallel to the right
edge of the media.
Leading Edge

QUICK SETUP Menu Items
47
Gap/Mark Sensor
Specifies the sensor type needed for detecting the top-of-form
position on media with label length indicators (gaps, notches, holes,
or black marks).
•Disable. Select when using media with no label length
indicators (no gaps, notches, holes, or black marks), or
when
you want the printer to ignore all existing label length indicators
on the installed media.
NOTE: When you select Disable, the length of each label is based
on the Label Length value entered.
•Mark. Select when using media that has horizontal black marks
located on the underside of the label liner or tag stock. The
top-of-form position is the leading edge of the black mark.
•Gap. Select
when using media with a liner space between
die-cut labels or when using tag stock with notches or holes as
label length indicators on white background media. The
top-of-form position is the leading edge of the die cut label
(trailing edge of the gap, notch, or hole).
•Advanced Gap. Select when using media that has liner gaps
between die cut labels with black background. The top-of-form
position is the leading edge of the die cut label (trailing edge of
the gap, notch, or hole).
•Advanced Notch. Select when using media with notches or
holes that interrupt a black vertical line on the underside of the
media. The top-of-form position is the leading edge of the die
cut label (trailing edge of the gap, notch, or hole).
The default is Disable.

Chapter 2 QUICK SETUP Menu
48
Auto Calibrate
This feature is used to improve the sensitivity and reliability of the
media sensor in detecting gaps, notches, holes, or black marks on
the installed media, as well as a Paper Out condition.
To initiate Auto Calibrate, scroll to the “Auto Calibrate” menu and
press the ↵ key. The printer will advance media the distance
needed to accurately detect the label length indicators, then stop at
the top-of-form position and momentarily display the Sensed
Distance. This process takes a few seconds and results in an
update of the printer values.
Auto Calibrate is completed successfully when the Sensed
Distance displayed correctly matches that of the installed media.
When you select Gap, the Sensed Distance should match the
length from the trailing edge of one gap to the trailing edge of the
next gap (one label + one gap). When you select Mark, the Sensed
Distance should match the length from the leading edge of one
black mark to the leading edge of the next black mark.
Auto Calibrate supports label lengths up to 24 inches.
Save Config.
Allows you to save up to eight unique configurations to meet
different print job requirements. This eliminates the need to change
the parameter settings for each new job. The configurations are
stored in memory and will not be lost if you turn off the printer. The
default is 1.

QUICK SETUP Menu Items
49
Power-Up Config.
You can specify one of the eight configurations as the power-up
configuration. The default is Factory.
SMT: Status
See “Software Migration Tools (SMT)” on page 73.
•Disabled.The printer disables the use of the Software
Migration Tools.
•Enabled. The printer enables the use of the Software Migration
Tools.
SMT: Sel Toolset
See “Software Migration Tools (SMT)” on page 73.
•Toolset [1]. SMTs for PGL® emulation.
•Toolset [2]. SMTs for PPI1 emulation.
•Toolset [3] and Toolset [4]. Reserved for internal use and
future design.
SMT: Select Tool
See “Software Migration Tools (SMT)” on page 73.
•EPC, GTIN, UPCA, EAN8, EAN13, and UCC128. SMTs
displayed if Toolset [1] is selected under SMT: Sel Toolset.
•zEPC, zGTIN, zUPCA, zEAN8, zEAN13, and zUCC128. SMTs
displayed if Toolset [2] is selected under SMT: Sel Toolset.
NOTE: Undocumented options are reserved for internal use and
future design.

Chapter 2 Saving The Configuration
50
Saving The Configuration
1. Press the key to enter the QUICK SETUP menu.
2. Press ↑ or ↓ until Save Config./1* displays.
3. Press ↵. Saving Configuration displays briefly.
Run A Barcode Demo Test
IMPORTANT
Printronix recommends using the supplied starter roll of 100
labels to set up and verify printer operation. This will avoid
expending the more expensive smart labels for this task.
Before you send an actual print job, run a barcode demo test:
1. Press the PAUSE key until OFFLINE displays.
2. Press TEST PRINT until Printer Tests/Barcode Demo displays.
3. Press ↵. The Barcode Demo test pattern will start and print two
barcodes.
4. Check the test pattern. If necessary, reposition the pressure
blocks to obtain a uniform print quality. In most cases, you will
need to adjust only the right pressure block.
5. If desired, you can run additional printer tests, such as Grey,
Grid, and Checkerboard. See step 1 above to start other tests.
NOTE: These tests run continuously by default. Press ↵ to end the
test.
.
.
.

Exterior
51
Cleaning
Depending on the media used, the printer may accumulate
residues (media dust, adhesives, etc.) as a by-product of normal
printing. To maintain top printing quality, you should remove these
residues by cleaning the printer periodically.
Exterior
Clean the exterior surfaces with a clean, lint-free cloth. If
necessary, use a mild detergent or desktop cleaning solution.
NOTE: Do not use abrasive cleaning agents or solvents.
Interior
Clean the interior of the printer by removing any dirt and lint with a
soft-bristled, non-metallic brush. Use a vacuum cleaner to remove
the residue.
General Cleaning
Periodically clean all rollers, guides, and assemblies. Use low
pressure air to remove dust in the printer. Use isopropyl alcohol and
a cotton swab to clean any areas where media dust, adhesives, etc.
have accumulated.

Chapter 2 Cleaning
52
Cleaning The Printhead, Platen Roller, And
Media Sensors
NOTE: You do not need to turn off the printer before cleaning the
printhead, platen roller, or media sensors.
Printhead Cleaning
As you use your printer, the printhead may become dirty which can
result in poor print quality. Clean the printhead each time you install
new ribbon (thermal transfer print mode) or install new media
(direct thermal print mode). Clean the printhead with the cleaning
pen supplied with the printer.
By keeping your printhead clean, you will help maintain its life.
Platen Roller Cleaning
Media dust and adhesive residue on the platen roller can degrade
print quality and cause voids in your label image. Clean the platen
roller at the same time as the printhead.
Use a small amount of isopropyl alcohol on the cloth or the cleaning
pen supplied with your printer to clean the platen roller. With the
pivoting deck up the platen roller can be rotated forward by hand to
access and clean its entire surface area.
Media Sensor Cleaning
The upper and lower media sensors should be cleaned to ensure
reliable TOF and Paper Out sensing. Clean the media sensors at
the same time as the printhead.
The upper media sensor (located in the horizontal slot of the
printhead cover) can be wiped clean using a soft cloth. The lower
media sensor, easily seen by its visible red light, is located in the
horizontal slot of the media guard. Remove media dust by
vacuuming or blowing air across the lens cover.

Chapter 2 Cleaning
54
1. Rotate the deck lock lever clockwise to open the pivoting deck
and remove any media and ribbon (if loaded) to gain access to
the printhead assembly heating element area.
2. Gently rub the felt tip of the cleaning pen or a cotton swab with
isopropyl alcohol across the printhead heating elements (light
brown area).
3. Allow the printhead to dry for one minute before reloading the
media and ribbon.
4. Clean the platen roller.
5. Clean the upper and lower media sensors.
A
Upper
Media
Sensor
Printhead
Heating
Elements
From page 53.

Cleaning The Printhead, Platen Roller, And Media Sensors
55
For More Information
This chapter has provided general information for use of your
printer. The next chapter provides information about the RFID
encoder.
Refer to the
User’s Manual
for more detailed information including:
•Other Configuration Menus
•Interfaces
•Diagnostics and Troubleshooting
•Printer Options
•Specifications
•Glossary of Terms

Chapter 2 For More Information
56

57
3Smart Label
Development
Overview
This chapter describes how to use the RFID encoder. The RFID
encoder is designed to be transparent to the printer operation. It
provides the capability of programming smart labels (with
embedded RFID tags) while printing the label format. The smart
labels are provided with the printer or purchased separately from
Printronix.
There are several ways to program RFID tags in smart labels:
•Use the Software Migration Tools (SMT) to enable the printer to
automatically create RFID commands from your existing bar
code commands. These tools are described on page 73.
•Incorporate RFID commands into new or existing Printronix
PGL programs. Command details start on page 64.
•Incorporate RFID commands into new or existing ZPL™
programs. By selecting the Printronix PPI1 emulation you can
seamlessly upgrade from Zebra™ printers. Command details
start on page 68.

Chapter 3 RFID CONTROL Menu
58
RFID CONTROL Menu
Alien Squig 64
*
Tag Type
RFID CONTROL
RFID Reader
Stop
Error Handling
Tag Write Cnt1
Clear Tag Stat
Failed Tag Cnt1
Overstrike* None
Enable* Disable
Label Retry
Notes:
* = Default.
Italicized items are available only when you enable
Admin User in the PRINTER CONTROL menu.
1 Display item only.
10* 1 to 10
RFID Test
F/W-Version1
Auto Retry
2
*
1 to 9
Precheck Tags1Disable* Enable
(cont. on next page)
Alien Squig 96 Alien M-TAG 64 Alien M-TAG 96
RAF Omni 313 64 RAF Omni 313 96 Matrics X2020 96
Max Retry Error Enable* Disable
Overstrike Style Grid* Error Type Msg
Custom Tag
Disable
*
Enable Duplicate
Custom Tag
Custom Pwr Set
5
*
1 to 20

RFID CONTROL Submenus
59
RFID CONTROL Submenus
RFID Reader
This menu item enables or disables the RFID encoder. The default
is Enable.
Error Handling
This menu item selects the error handling mode for RFID failures.
The default is Overstrike.
In Overstrike mode, each failed label prints with the Overstrike
pattern and the form retries on a new label until the Label Retry
count is exhausted. At this time, the error message “RFID Error:
Check Media” displays. The failed label will not reprint.
In None mode, no specific action is taken when a tag fails to be
programmed.
In Stop mode, when a tag fails to be programmed, the printer will
halt and display the error message “RFID Error: Check Media.” The
label is discarded and reprinting of the label (if desired) must be
initiated from the host. When the error is cleared, the label with the
failed tag moves forward until the next label is in position to be
printed.
Custom Tag Len
8
*
8 to 32
RFID CONTROL
(cont. from previous page)
Notes:
* = Default.
Italicized items are available only when you enable
Admin User in the PRINTER CONTROL menu.
Custom Tag Class
Class 1
*
Class 0 Class 0+

Chapter 3 RFID CONTROL Menu
60
Label Retry
NOTE: Label Retry only applies when the Error Handling mode is
set to Overstrike.
This menu item selects the number of label retries that the RFID
encoder will attempt before declaring a fault. This may indicate a
problem with the RFID encoder, the antenna assembly, the printer
setup, or the label stock. The default is 10.
Max Retry Error
This menu item enables or disables the Max Retry Error menu item.
If it is set to Disable, errors are not declared and the print content
for the current label is discarded. The default is Enable.
Tag Write Cnt
This menu item displays on the control panel’s LCD the number of
tags written since the last Clear Tag Stat operation has been
initiated. (See “Clear Tag Stat” below.)
Failed Tag Cnt
This menu item displays on the control panel’s LCD the number of
failed tag write attempts since the last Clear Tag Stat operation has
been initiated. (See “Clear Tag Stat” below.)
Clear Tag Stat
This menu item clears the Tag Write Cnt and Failed Tag Cnt menu
items.
F/W-Version
This menu item displays on the control panel’s LCD the reader
firmware version.

RFID CONTROL Submenus
61
Precheck Tags
When this menu item is set to Enable, the RFID encoder checks the
tags for a pre-programmed quality code. If the code is absent, the
tag immediately fails and the selected Error Handling mode is
performed (Overstrike, None, or Stop). The default is Disable.
Overstrike Style
This menu item selects the style of the overstrike pattern. The
default is Grid.
When it is set to Grid, a grid pattern prints when it overstrikes.
When it is set to Error Type Msg, an error message prints that
indicates which error occurred (see Table 1).
NOTE: The
x
in the error messages represents a number code that
identifies the area in the printer software where the failure
occurred.
Table 1. Printed Overstrike Error Messages
Error Message Explanation
Ta g R /W E r r
x
Check media
The printer software attempted to write to or read from the
RFID tag, but the RFID encoder indicated that the tag could
not be written to or read from.
Tag Comm Err
x
Check cable
The printer software temporarily lost communication with the
RFID encoder, or communication between the printer
software and the RFID encoder was not synchronized and
had to be forced.
Precheck Fail
x
Check media
This failure occurs only when the Precheck Tags menu item
is set to Enable. It indicates that the RFID tag was
automatically failed since it did not contain the correct
pre-programmed quality code.

Chapter 3 RFID CONTROL Menu
62
Admin User Menu Items
To see these menu items, set Admin User to Enable in the
PRINTER CONTROL menu. (Refer to the
User’s Manual
.)
IMPORTANT
Admin User menu items should only be used for
troubleshooting.
Tag Type
This menu item selects the tag type in use. The default is Alien
Squig 64. Other classes may be added in the future.
IMPORTANT
If you have a T5000e printer, do not use Alien M-TAG 64, Alien
M-TAG 96, or Matrics X2020 96. Only a T5000e SR or SL5000e
printer can program these tag types properly.
RFID Test (This Test Reads A Tag)
This menu item reads the tag in range of the internal RFID antenna
and reports the tag data to the debug port and momentarily displays
it on the control panel’s LCD. It is primarily intended for
development verification by checking that the system is working.
Auto Retry
This menu item selects the number of automatic (internal) retries
that the RFID encoder will attempt on the same tag before declaring
a tag error and performing the Error Handling mode selected
(Overstrike, Stop, or None). The default is 2.
Custom Tag
This menu item enables or disables the Custom Pwr Set, Custom
Tag Len, and Custom Tag Class menu items (custom tag menus).
The default is Disable.
The custom tag menus allow the RFID encoder to work with tag
types that are not listed in the Tag Type menu item.
NOTE: Printronix cannot guarantee the performance of tag types
not certified by Printronix.

Admin User Menu Items
63
When Custom Tag is set to Disable, the settings in the custom tag
menus are ignored by the RFID encoder.
When it is set to Enable, the RFID encoder uses the settings in the
custom tag menus, which must be set to match the characteristics
of the custom tag.
When it is set to Duplicate, the settings of the selected Tag Type
menu item are copied into the custom tag menus.
Custom Pwr Set
NOTE: To enable this menu item, set Custom Tag to Enable.
This menu item selects the power level to be used in the RFID
encoder. 1 is the lowest power level setting, and 20 is the highest.
The default is 5.
Custom Tag Len
NOTE: To enable this menu item, set Custom Tag to Enable.
This menu item selects the number of bytes in the tag.
The default is 8.
Custom Tag Class
NOTE: To enable this menu item, set Custom Tag to Enable.
This menu item selects the class of the custom tag. Class 1 and
Class 0+ tags are read/write. Class 0 tags are read only.
The default is Class 1.

Chapter 3 RFID PGL Commands
64
RFID PGL Commands
Write Tag
Purpose To program non-incremental data into an RFID tag
(embedded in the smart label).
MODE CREATE
Format
RFWRITE;[HEX;][EPC
m
;][RF
n
;L;][LOCK;]AT
p
;[(D)
datafield
(D)]
RFWRITE; The RFID Write Tag command.
HEX; Optional parameter to indicate that the
text in
datafield
is in hexadecimal format
and that it will be converted to binary
format.
EPC
m
; Optional parameter to indicate that the
data in
datafield
should be converted to
an EPC number. When this parameter is
used, the HEX option is automatically
enabled and the data field is limited to a
maximum of 14 digits. The AT parameter
is ignored. The tag is then programmed
as follows:
Bits 0 to 1 are programmed with the
EPC value 0 to 3, specified in
m
.
Bits 2 to 57 are programmed with the
hexadecimal characters in the data field
(14 maximum). If the data field has less
than 14 hexadecimal characters, zeros
are assumed for the remaining digits.
Bits 58 to 63 are set to zero.
RF
n
;
L
; Optional parameter to indicate that this
field has dynamic data. Replace
n
with a
number ranging from 1 to 512 to identify
the field number of this RFWRITE field.
Replace
L
with the length of the dynamic
data string. If this option is used, the

Read Tag
65
datafield
is ignored, and dynamic data
must be entered via the RF command in
the EXECUTE mode. The length of the
dynamic data must be equal to
L
.
LOCK; Optional parameter to write-protect the
data. Currently not supported.
AT
p
;
p
specifies the decimal start position
where data will be written to the tag.
Subsequent bits will be shifted and
previous bits are nulled.
(D) Delimiter designating the start and end of
static data for the RFWRITE field.
Replace (D) with any printable character,
except the SFCC and “/” (the slash
character).
datafield
The static data of the RFWRITE field.
NOTE: RFWRITE fields are not expandable in VDUP and/or
HDUP sections.
Read Tag
Read Tag is not a command, but an element of the ALPHA and
BARCODE commands. See “Alphanumerics” and “Bar Codes” in
the
IGP/PGL Programmer’s Reference Manual
for more
information.
Purpose Embed RFID data into an ALPHA or BARCODE data
field.
Format <RDI>
position,length[,format];
<RDI> The RFID Data Indicator character, as
defined by the RFREAD parameter in the
ALPHA or BARCODE commands. See
the ALPHA and/or BARCODE command
description for details.
position
The decimal number that specifies the
starting position of the data inside the
transponder.

Chapter 3 RFID PGL Commands
66
length
The decimal number that specifies the
length of the data to be read.
format
Replace the optional
format
parameter
with any non-zero number to convert the
data to hexadecimal format.
EPC Programming Example
This programming example shows reading and writing dynamic
EPC data to a tag.
~CREATE;HEX;431
//Create a form named HEX.
RFWRITE;HEX;RF3;16;AT1;
//Write Tag with data from dynamic RFID element 3.
//Length of data is 16, format is HEX.
ALPHA
//The following ALPHA element is defined below.
//It will be used to print the contents of the tag.
RFREAD@;AF1;16;10;10;0;0
//Read Tag Indicator character is “@”. Incorporate read
//data into Dynamic ALPHA field number 1. Length of
//ALPHA field is 16 characters. Place ALPHA field at
//dot position (10,10) on the form.
STOP
//Terminate the ALPHA element definition.
END
~EXECUTE;HEX
//Execute the form with dynamic data.
~RF3;“68656C6C6F746167”
//Dynamic data (in HEX) for Tag Write is
//“68656C6C6F746167”.
~AF1;*@1,16,1;*
//Print the data in AF1.
~NORMAL

ASCII Programming Example
67
ASCII Programming Example
This programming example shows reading and writing dynamic
ASCII data to a tag.
~CREATE;READTAG
//Create a form named READTAG.
RFWRITE;RF3;8;AT1;
//Write Tag with data from dynamic RFID element 3.
//Length of data is 8.
ALPHA
//The following ALPHA element is defined below.
//It will print the contents of the tag.
RFREAD@;AF1;8;10;10;0;0
//Read Tag Indicator character is “@”. Incorporate read
//data into Dynamic ALPHA field number 1. Length of
//ALPHA field is 8 characters. Place ALPHA field at dot
//position (10,10) on the form.
STOP
//Terminate the ALPHA element definition.
END
~EXECUTE;READTAG
~RF3;“hellotag”
//Dynamic data for Tag Write is “hellotag”.
~AF1;*@1,8;*
//Execute READTAG form with dynamic and RFID data
//from the first eight bytes in the Tag.
~NORMAL

Chapter 3 RFID PPI1 Commands
68
RFID PPI1 Commands
Get Tag Unique ID
Purpose Read the unique identification number of the RFID tag
(embedded in the smart label).
Format ^RI
x
^RI Get Tag Unique ID command.
x
The field number to which the data will be
assigned. The default is 0, and other
acceptable values range from 1 to 9999.
Comments
The PPI1 only supports Alien Technology Class 1a
tags, which do not have the unique identification
numbers. Therefore, the PPI1 absorbs this command.
Set Tag Type
Purpose Select the type of the RFID tag (embedded in the smart
label).
Format ^RS
x
^RS Set Tag Type command.
x
Number assigned to the type of the tag.
The default is 0, and other acceptable
values range from 1 to 9999.
Comments
The PPI1 only supports Alien Technology Class 1a
tags. There are no alternative choices. Therefore, the
PPI1 absorbs this command.

Read Tag
69
Read Tag
Purpose This command allows data from the RFID tag
(embedded in the smart label) to merge into any
previously defined dynamic data field. It is equivalent to
the Field Number command (^FN) except that the data
come from the RFID tag.
Format ^RT
x
,
start
,
length
,
hex
,
retries
,
motion
,
reserved
^RT Read Tag command.
x
Specified Field Number. The default is 0.
The acceptable value range is 1 to 9999.
start
Location where data will be read from the
RFID tag. The PPI1 only supports Alien
Technology Class 1a tags, which have
only one 8–byte block. Therefore,
start
will be set to 0, regardless of the
specified value.
length
The number of blocks to be read from the
RFID tag. The PPI1 only supports Alien
Technology Class 1a tags, which have
only one 8–byte block. Therefore,
length
will be set to 1, regardless of the
specified value.
hex
This flag indicates whether the data, after
being read from the RFID tag, should be
translated into hexadecimal format. The
default is 0, meaning the data will not be
translated. The other acceptable value is
1, meaning the data will be translated
into hexadecimal format.
retries
The number of automatic attempts to
read data from the tag if previous reads
failed. The PPI1 absorbs the number and
uses the value on the control panel’s
LCD.

Chapter 3 RFID PPI1 Commands
70
motion
Set this flag to 1 to read data from the tag
without moving the label. The printer may
adjust the label position while it reads
data from the tag, but this adjustment will
reverse before any subsequent normal
label movement. Even if this flag is set to
1, other commands (i.e., alpha or
barcode) may move the label.
reserved
This is a reserved flag. The PPI1 absorbs
this number.
Comments
This command is only executed by the demand for
data from any dynamic field. The PPI1 absorbs this
command if there are no demands for the data.
Write Tag
Purpose This command programs data into an RFID tag
(embedded in the smart label).
Format ^WT
start
,
retries
,
motion
,
protect
,
reserved
^WT Write Tag command.
start
Starting block location where data will be
programmed into the RFID tag. The PPI1
only supports Alien Technology Class 1a
tags, which have only one 8–byte block.
Therefore,
start
will be set to 0,
regardless of the specified value.
retries
The number of automatic attempts to
write data into the tag if previous writes
failed. The PPI1 absorbs the number and
uses the value on the control panel’s
LCD.
motion
Set this flag to 1 to program data into the
tag without moving the label. The printer
may adjust the label position while it
writes data into the tag, but this
adjustment will reverse before any
subsequent normal label movement.

Host Verification
71
Even if this flag is set to 1, other
commands (i.e., alpha or barcode) may
move the label.
protect
This flag indicates whether the data
should be protected from being
overwritten later. The default is 0,
meaning the data are not protected.
Other acceptable values are 1 to 255,
meaning the data are protected using
this number as the LOCK password.
reserved
This is a reserved flag. The PPI1 absorbs
this number.
Host Verification
Purpose This command sends back the data in a ^FN (Field
Number) field to the host.
Format ^HV
x
,
y
<
ASCII
>
^HV Host Verification command.
x
Specified Field Number. The default is 0.
The acceptable value range is 0 to 9999.
y
Number of characters to be returned.
The default is 8. The acceptable value
range is 0 to 256.
<
ASCII
> Header (in uppercase ASCII characters).
The default is None. The acceptable
value range is 0 to 256 characters.
Example of Use
^XA
^WT0^FDHELLOTAG^FS
^RT3,0,1,1^FS
^FO100,100^A0N,60^FN3^FS
^HV3,16,TAGNO = ^FS
^XZ
Example of Response
TAGNO = 48454C4C4F544147

Chapter 3 RFID PPI1 Commands
72
EPC Programming Example
^XA
//Begin ZPL form.
^WT0^FH^FD_68_65_6C_6C_6F_74_61_67^FS
//Write Tag with data = “68656C6C6F746167”
//(hex format).
^RT1,0,1,1^FS
//Read Tag into data element 1, 16 characters long
//(hex format).
^FO100,100^A0N,60^FN1^FS
//Print data in element 1.
^XZ
//End and print label.

Tools List
73
Software Migration Tools (SMT)
There are SMTs for six separate end-use applications supporting
both PGL and PPI1 datastreams for a total of 12 tools. Each tool
intercepts bar code data in a host datastream and copies the data
to an RFID tag (embedded in a smart label) according to a set of
rules as defined below. SMTs assume that only one bar code of the
type being processed is present. In the event that there is more
than one of a given type of barcode present, only the first is
processed.
Bar code information encoded as dynamic data is supported. To
avoid ambiguity, where bar code data is provided in the form of
dynamic data, the RFID tag will be encoded with only the contents
of the first variable bar code field. It is your responsibility to ensure
that the first variable bar code is the desired bar code.
Tools List
•GTIN: According to Uniform Code Council standards there are
two permissible bar codes on standard case labels: UCC-128
and Interleaved Two of Five (ITF14). These are the typical bar
code carriers for the GTIN (Global Trade Identification
Number). This tool copies data from either an ITF14, or from a
UCC-128 barcode with an Application Identifier of 01 (which
indicates an SCC-14) to an RFID tag. If barcode checksum
data is included in your datastream, it will be encoded onto the
tag. If your datastream requests the printer to calculate the bar
code checksum, it will not be encoded onto the tag. In the case
of the UCC bar code, the (01) application identifier is not written
to the tag. Data written to the RFID tag is right justified and zero
padded.
•UCC128: Copies data from a UCC-128 bar code with an
application identifier (AI) in the range of 90-99 to an RFID tag.
These AI’s are reserved for internal applications. The AI is not
written to the RFID tag. Data written to the RFID tag is right
justified and zero padded. Checksum data calculated by the
printer is not encoded onto the tag. Bar code data beyond the
16th digit is truncated without an error message.

Chapter 3 Software Migration Tools (SMT)
74
•EAN8: Copies data from an EAN8 bar code to an RFID tag.
EAN 8+2 and EAN 8+5 variants are both supported. Data
written to the RFID tag is right justified and zero padded.
Checksum data calculated by the printer is not encoded onto
the RFID tag.
•EAN13: Copies data from an EAN13 bar code to an RFID tag.
EAN 13+2 is also supported but EAN 13+5 variant is not
supported. Data written to the RFID tag is right justified and
zero padded. Checksum data calculated by the printer is not
encoded onto the RFID tag.
•UPC-A: Copies data from a UPC-A, UPC-A+2 or UPC-A+5 bar
code to an RFID tag. Data written to the RFID tag is right
justified and zero padded. Checksum data calculated by the
printer is not encoded onto the RFID tag.
•EPC: This tool allows EPC data carried by a Code 3 of 9 bar
code to be encoded onto an RFID tag. Data beyond the 16th
digit is not allowable for an EPC and is truncated. Data must be
numeric only.
•zGTIN, zEPC, zUCC-128, zEAN8, zEAN13,and zUPC-A:
These are all PPI1 emulation specific tools identical in function
to those of their corresponding names above.
NOTE: Dynamic data is variable data entered into specific
locations on each form definition. Each time the form prints,
a single command enters new data into those locations
supplied in the datastream after form definition has been
completed.

Selecting The Tools
75
Selecting The Tools
1. Press until QUICK SETUP displays.
2. If necessary, press ↓ and ↵ at the same time to unlock the
↵ key.
3. Press ↓ until SMT: Sel Toolset displays.
4. Press ↓ until Toolset [1] (PGL emulation) or Toolset [2] (PPI1
emulation) displays.
5. Press ↵ to select it.
6. Press ↓ until SMT: Select Tool displays.
7. Press ↓ until the desired tool displays.
8. Press ↵ to select it.
9. Press ↓ and ↵ at the same time to lock the ↵ key, then press
PAUSE to take the printer offline.
10. Press PAUSE again to put the printer online.
.
.
.

Chapter 3 Error Messages
76
Error Messages
The RFID encoder can detect a number of errors. When one of
these errors occurs, the RFID encoder alerts the printer to perform
the currently selected error action (see “Error Handling” on
page 59) and display the appropriate error message on the control
panel’s LCD (see Table 2).
Table 2. Control Panel Error Messages
Error Message Explanation Solution
RFID MAX RETRY
Check System
Error Handling = Overstrike in
the RFID CONTROL menu,
and the Label Retry count has
been exhausted.
Press PAUSE to clear the
message.
See “Troubleshooting” on
page 77.
RFID Comm Err
Check Cable
RFID error: communication
cannot be established with
the RFID encoder. Reader
will be set to Disable in the
RFID CONTROL menu and
the previous port settings
restored.
Press PAUSE to clear the
message.
See “Troubleshooting” on
page 77.
RFID TAG FAILED
Check Media
Error Handling = Stop in the
RFID CONTROL menu, and
the RFID encoder could not
read the RFID tag.
Press PAUSE to clear the
message.
See “Troubleshooting” on
page 77.

77
Troubleshooting
If you are having trouble with the RFID encoder, consult Table 3 for
a list of symptoms and possible solutions.
Table 3. Troubleshooting the RFID Encoder
Symptom Solution
No communication between the
printer and the reader
1. Make sure the serial interface adapter and
the serial cable are plugged into the printer.
See “Installation” on page 21.
2. Make sure Reader = Enable in the RFID
CONTROL menu.
3. Use the RFID Test option in the RFID
CONTROL menu (Admin User enabled) to
read and display the current RFID tag
content. RFID tags usually contain a valid
entry due to the pre-test process. See “RFID
Test (This Test Reads A Tag)” on page 62.
Tag failed 1. The label could be misaligned. Perform the
Auto Calibrate procedure to ensure the label
is at top-of-form. Refer to “Running Auto
Calibrate” in the
Quick Setup Guide
.
2. Make sure the media are smart labels with
RFID tags located in the correct position.
3. The RFID tag could be defective. Try
another tag.
4. Make sure the application does not send too
few or too many digits to the RFID tag.
Inconsistent results Make sure the media is loaded correctly and
passes smoothly over the antenna. Refer to
“Loading Media And Ribbon” in the
Quick Setup
Guide
.

Chapter 3 Troubleshooting
78
The RFID encoder works, but it
does not meet expectations
Make sure that both Error Handling and Label
Retry are set to desired values in the RFID
CONTROL menu.
Table 3. Troubleshooting the RFID Encoder
Symptom Solution

79
A
Auto Calibrate
option, 48
running, 37
Auto Retry, 62
B
Barcode demo test, 50
C
Characteristics, smart labels, 14
Cleaning
exterior, 51
general, 51
interior, 51
media sensor, 52
platen roller, 52
printhead, 52
Clear Tag Stat, 60
Configuration, saving, 50
Configuring the printer, 38
Control panel, 22
Control panel error messages, 76
Custom Pwr Set, 63
Custom Tag, 62
Custom Tag Class, 63
Custom Tag Len, 63
E
EPC programming example
PGL, 66
PPI1 (ZPL), 72
Error Handling, 59
Error messages, control panel
RFID Comm Err / Check cable, 76
RFID MAX RETRY / Check System, 76
RFID TAG FAILED / Check Media, 76
Error messages, printed overstrike
Precheck Fail x / Check media, 61
Tag Comm Err x / Check cable, 61
Tag R/W Err x / Check media, 61
F
Failed Tag Cnt, 60
For more information, 55
F/W-Version, 60
G
Gap/Mark Sensor option, 47
Get Tag Unique ID PPI1 command
code, 68
H
Hor Image Shift option, 43
I
Industry web links, 18
Index

Index
80
J
Job In Process indicator, 22
L
Label Length option, 42
Label Retry, 60
Label Width option, 43
LCD, 22
Liquid Crystal Display (LCD), 22
Loading
ribbon, 32
roll media, 27
M
Max Retry Error, 60
Media Handling option, 41
Media sensors
cleaning, 52
positioning, 36
Media, roll, 27
O
Online Status indicator, 22
Ordering smart labels, 16
Orientation option, 44
Overstrike Style, 61
Overstruck smart labels, 13
Overview, smart label development, 57
P
Paper Feed Shift option, 42
PGL commands, 64
Platen Roller, cleaning, 52
Positioning the media sensor, 36
Power switch, 22
Power-Up Config. option, 49
PPI1 commands, 68
Precheck Fail x / Check media, 61
PreCheck Tags, 61
Print Intensity option, 40
Print Mode option, 41
Print Speed option, 41
Printed overstrike error messages, 61
Printer
installation, 21
unpacking, 19
Printhead pressure block adjustments, 35
Printhead, cleaning, 52
Printing adjustments, 35
Programming example
PGL, 66
PPI1 (ZPL), 72
Q
QUICK SETUP
menu, 39
menu items, 40
R
Read Tag PGL command code, 65
Read Tag PPI1 command code, 69
Reading a tag
Read Tag PGL command code, 65
Read Tag PPI1 command code, 69
RFID Test, 62
RFID Comm Err / Check cable, 76
RFID CONTROL
menu, 58
submenus, 59
RFID encoder, 57
RFID MAX RETRY / Check System, 76
RFID PGL commands, 64

Index
81
RFID PPI1 commands, 68
RFID Reader, 59
RFID TAG FAILED / Check Media, 76
RFID tags
See
Smart labels
RFID Test, 62
Ribbon, loading, 32
Roll media, 27
Run a barcode demo test, 50
Running auto calibrate, 37
S
Save Config. option, 48
Saving the configuration, 50
Selecting the Software Migration Tools
(SMT), 75
Set Tag Type PPI1 command code, 68
Smart labels, 57
characteristics, 14
development overview, 57
ordering, 16
overstruck smart labels, 13
performance, 13
reading
See
Reading a tag
SMT
Sel Toolset option, 49
Select Tool option, 49
Status option, 49
Software Migration Tools (SMT), 73
introduction, 15
selecting, 75
tools list, 73
T
Tag Comm Err x / Check cable, 61
Tag R/W Err x / Check media, 61
Tag Type, 62
Tag Write Cnt, 60
Tags, RFID
See
Smart labels
Troubleshooting, 77
U
Unpacking the printer, 19
V
Ver Image Shift option, 43
W
Web links, 18
Write Tag PGL command code, 64
Write Tag PPI1 command code, 70

Index
82

For technical assistance, contact your
Distributor/VAR/Reseller for service.
For further assistance, contact the Printronix Customer Support Center.
Printronix Customer Support Center
Americas (714) 368-2686
Europe, Middle East, and Africa (31) 24 6489 410
Asia Pacific (65) 6548 4114
Web site: http://www.printronix.com/public/servicessupport/default.aspx
Printronix Supplier Center
Americas (800) 733-1900
Europe, Middle East, and Africa (33) 1 46 25 1900
Asia Pacific (65) 6548 4116 or (65) 6548 4182
Web site: http://www.printronix.com/public/supplies/default.aspx
Printronix, Inc.
14600 Myford Road
P.O. Box 19559
Irvine, CA 92623-9559
Phone: (714) 368-2300
Fax: (714) 368-2600
Printronix Schweiz Gmbh
42 Changi South Street 1
Changi South Industrial
Estate Singapore 486763
Phone: (65) 6542 0110
Fax: (65) 6543 0220
Printronix, Inc.
Nederland BV
P.O. Box 163 Nieuweweg 283
NI-6600 Ad Wijchen
The Netherlands
Phone: (31) 24 6489 489
Fax: (31) 24 6489 499
Or visit the Printronix web site at www.printronix.com
178371-001B
*178371-001*
