Proform 831247234 User Manual TREADMILL Manuals And Guides L0801073
PROFORM Treadmill Manual L0801073 PROFORM Treadmill Owner's Manual, PROFORM Treadmill installation guides
User Manual: Proform 831247234 831247234 PROFORM TREADMILL - Manuals and Guides View the owners manual for your PROFORM TREADMILL #831247234. Home:Fitness Equipment Parts:Proform Parts:Proform TREADMILL Manual
Open the PDF directly: View PDF
.
Page Count: 28

Model No. 831.24723.4
Serial No.
Write the serial number in the space
above for future reference.
Number
Decal
, Assembly
,Operation
,, Maintenance
,Part List and Drawing
TR LL EXERCIS
User's Manual
Sears, Roebuck and Co., Hoffman Estates, IL 60179

TABLE OF CONTENTS
WARNING DECAL PLACEMENT .............................................................. 2
IMPORTANT PRECAUTIONS ................................................................ 3
BEFORE YOU BEGIN ...................................................................... 5
ASSEMBLY ............................................................................... 6
OPERATION AND ADJUSTMENT ............................................................ 11
HOW TO FOLD AND MOVE THE TREADMILL .................................................. 17
TROUBLESHOOTING ..................................................................... 18
EXERCISE GUIDELINES ................................................................... 21
PART LIST .............................................................................. 22
EXPLODED DRAWING .................................................................... 24
ORDERING REPLACEMENT PARTS .................................................. Back Cover
90 DAY FULL WARRANTY .......................................................... Back Cover
WARNING DECAL PLACEMENT
The decals shown here have been ap-
plied in the locations shown. If a decal
is missing or illegible, call 1=888=
533=1333 and request a free re=
placement decal. Apply the decal in
the location shown. Note: The decals
may not be shown at actual size.
KEEPHANDSANDFEETAWAY
FROMTHiSAREAWHILETHE
TREADMILLISINOPERATION.
Protect yourself and
others _rom risk of serious
in uly. Read the user's
mar,ua and :

iMPORTANT PRECAUTIONS

4

BEFORE YOU BEGIN
Thank you for selecting the revolutionary PROFORM _
CROSSWALK 415 treadmill. The CROSSWALK 415
treadmill offers an impressive array of features de-
signed to make your workouts at home more enjoyable
and effective. And when you're not exercising, the
unique CROSSWALK 415 treadmill can be folded up,
requiring less than half the floor space of other tread-
mills.
For your benefit, read this manual carefully before
using the treadmill. If you have questions after read-
ing this manual, please see the front cover of this man-
ual. To help us assist you, note the product model num-
ber and serial number before contacting us. The model
number and the location of the serial number decal are
shown on the front cover of this manual.
Before reading further, please review the drawing
below and familiarize yourself with the labeled parts.
Crosswalk Arm Book Holder
Accessory Tray Console
Handrail
Storage Latch
Pulse Sensor
Key/Clip
Upright
Walking Belt
Reset/Off
Breaker
Power Cord
Foot Rail \
Cushioned Walking Platform
Rear Roller
Adjustment Bolts

ASSEMBLY
Assembly requires two persons. Set the treadmill in a cleared area and remove all packing materials. Do not
dispose of the packing materials until assembly is completed. Note: The underside of the treadmill walking belt is
coated with high-performance lubricant. During shipping, a small amount of lubricant may be transferred to the
top of the walking belt or the shipping carton. This is a normal condition and does not affect treadmill perfor-
mance. If there is lubricant on top of the walking belt, simply wipe off the lubricant with a soft cloth and a mild,
non-abrasive cleaner.
Assembly requires the included he_ and your own Phillips screwdriver _ and
adjustable wrench _._.
Use the drawings below to identify the assembly hardware. The number in parentheses below each drawing is
the key number of the part, from the PART LIST near the end of this manual. The number after the parentheses
is the quantity needed for assembly. Note: If a part is not in the parts bag, check to see if it is preattached to
one of the parts to be assembled. Extra hardware may be included. If apart is missing, call 1=888=533=
1333. To avoid damaging plastic parts, do not use power tools for assembly.
M8 Star M10 Star
Washer (10)-4 Washer (8)-8 \"_- .....
Base Pad Spacer
(104)-2
1/2" Screw M4 x 25mm
(22)-1 Screw (2)-4
M4 x 19mm
Screw (1)-6 M8 x 25mm Bolt (6)-4
1/4" Washer
(9)-4 1/4" x 3 1/2" Bolt (4)-4
Bolt Spacer (79)-4 M10 x 96mm Bolt (5)-4
Make sure that the power cord is unplugged.
With the help of a second person, carefully tip
the treadmill onto its left side. Partially fold the
Frame (48) so that the treadmill is more stable;
do not fully fold the Frame yet.
Remove and discard the two indicated bolts (A)
and the shipping bracket (B).
Cut the tie securing the Upright Wire (77) to the
Base (85). Locate the tie in the indicated hole in
the Base, and use the tie to pull the Upright Wire
out of the hole.
Attach a Base Pad (81) to the Base (85) in the
location shown with a Base Pad Spacer (104)
and an M4 x 25mm Screw (2). Then, attach an-
other Base Pad (81) with only a Screw (2).
48
104
Tie 77

2. 2
RemovetheMIONut(33),theMIOx 50mmBolt
(27),andtheshippingbracket(C)fromtheBase
(85).Attacha Wheel(86)withtheBoltandthe
Nutthatyoujustremoved.Donot overtighten
theNut;theWheelmustturnfreely.Discard
theshippingbracket.
CutthetieofftheUprightWire(77). 27
\
Tie
33
77
Identify the Right Upright (78) and the Right
Upright Spacer (80), which are marked with
stickers. Insert the Upright Wire (77) through the
Right Upright Spacer as shown.
See the inset drawing. Tie the wire tie in the
Right Upright (78) securely around the end of
the Upright Wire (77). With the help of a second
person, hold the Right Upright near the Base
(85). Then, pull the other end of the wire tie until
the Upright Wire is routed completely through
the Right Upright.
77
Tie
78
Hold a Bolt Spacer (79) inside the lower end of
the Right Upright (78). Insert an M10 x 96mm
Bolt (5) with an MIO Star Washer (8) into the
Right Upright and the Bolt Spacer. Repeat this
step with a second Bolt Spacer (79), MIO x
96mm Bolt (5), and MIO Star Washer (8).
Hold the Right Upright Spacer (80) and the
Right Upright (78) against the Base (85). Be
careful not to pinch the Upright Wire (77).
Finger tighten the MIO x 96mm Bolts (5); do not
fully tighten the Bolts yet.
Press a Base Endcap (82) into the Base (85).
_ 78
_8 77
79
8O
82

5. 5
With the help of a second person, carefully tip
the treadmill onto its right side. Partially fold the
Frame (48) so the treadmill is more stable; do
not fully fold the Frame yet.
Remove and discard the two indicated bolts (A)
and the shipping bracket (B).
Attach a Base Pad (81) to the Base (85) in the
location shown with a Base Pad Spacer (104)
and an M4 x 25mm Screw (2). Then, attach an-
other Base Pad (81) with only a Screw (2).
Remove the MIO Nut (33), the MIO x 50mm
Bolt (27), and the shipping bracket (C) from the
Base (85). Attach a Wheel (86) with the Bolt and
the Nut that you just removed. Do not over-
tighten the Nut; the Wheel must turn freely.
Discard the shipping bracket.
85
33
27
C
With the help of a second person, hold a Bolt
Spacer (79) inside the lower end of the Left
Upright (73). insert an MIO x 96mm Bolt (5) with
an MIO Star Washer (8) into the Left Upright
and the Bolt Spacer. Repeat this step with a
second Bolt Spacer (79), M10 x 96ram Bolt
(5), and M10 Star Washer (8).
Orient the Left Upright (73) and the Left Upright
Spacer (83) as shown. Hold the Left Upright
Spacer and the Left Upright against the Base
(85). Finger tighten the MIO x 96mm Bolts (5);
do not fully tighten the Bolts yet.
Press a Base Endcap (82) into the Base (85).
With the help of a second person, tip the tread-
mill so that the Base (85) is flat on the floor.
Set the Console (87) face down on a soft sur-
face to avoid scratching the Console. identify
the Right Handrail (90), which has a large hole
in the location shown. Hold the Right Handrail
near the Console. Attach the console ground
wire to the Right Handrail with a 1/2" Screw (22).
Next, insert the console wire into the large hole
in the Right Handrail (90) and out of the top as
shown. Attach the Right Handrail with three M4
x 19mm Screws (1). Make sure that no wires
are pinched. Start all three Screws before
tightening any of them; do not overtighten
the Screws.
Attach the Left Handrail (not shown) to the
Console (87) in the same way. Note: There are
no wires on the left side of the Console.
73
79
82
9O
!
Console
W ire
Large Hole
/
Ground
8

Have a second person hold the console assem-
bly near the Right Upright (78). Remove the wire
tie from the Upright Wire (77) and console wire.
Cut the plastic ties from the brackets on the Right
Handrail (90) and Left Handrail (not shown).
Connect the Upright Wire (77) to the console
wire. See the inset drawing. The connectors
should slide together easily and snap into
place. If they do not, turn one connector and try
again. IF THE CONNECTORS ARE NOT CON=
NECTED PROPERLY, THE CONSOLE MAY
BE DAMAGED WHEN THE POWER iS
TURNED ON. Then, insert the connectors into
the Right Upright (78).
Set the console assembly on the Right Upright
(78) and the Left Upright (not shown). Make sure
that no wires are pinched.
f Console Assembly I
Console
Finger tighten two M8 x 25mm Bolts (6) with two
M8 Star Washers (10) into the Left Upright (73)
and the Left Handrail (89).
Next, finger tighten two M8 x 25mm Bolts (6)
with two M8 Star Washers (10) into the Right
Upright (78) and the Right Handrail (90). Then,
tighten all four Handrail Bolts.
See steps 4 and 6. Tighten the four MIO x
96mm Bolts (5).
89
6 10

10. Press the Latch Insert (70) into the Left Upright
(73).
Remove the knob from the pin. Make sure that
the collar and the spring are on the pin. Insert
the pin into the Latch Insert (70), and tighten the
knob back onto the pin.
10
Knob
11. Orient the Left Crosswalk Arm (71) as shown.
Attach the Left Crosswalk Arm to the Left Upright
(73) with two 1/4" x 3 1/2" Bolts (4), two 1/4"
Washers (9), and two M10 Star Washers (8).
Make sure that the Left Crosswalk Arm is on
the side of the Console (87) shown.
Attach the Right Crosswalk Arm (not shown)
in the same way.
11
73
12. Make sure that all parts are properly tightened before you use the treadmill. If there are sheets of clear
plastic on the treadmill decals, remove the plastic. To protect the floor or carpet, place a mat under the tread-
mill. Keep the included hex keys in a secure place; the large hex key is used to adjust the walking belt (see
pages 19 and 20).
10

OPERATION AND ADJUSTMENT
THE PRE-LUBRICATED WALKING BELT
Your treadmill features a walking belt coated with high-
performance lubricant, iMPORTANT: Never apply sil-
icone spray or other substances to the walking
belt or the walking platform. Such substances will
deteriorate the walking belt and cause excessive
wear.
HOW TO PLUG IN THE POWER CORD
an equipment-grounding conductor and a grounding
plug. Plug the power cord into asurge suppressor,
and plug the surge suppressor into an appropriate
outlet that is properly installed and grounded in
accordance with all local codes and ordinances.
Important: The treadmill is not compatible with
GFCl-equipped outlets.
This product is for use on a nominal 120-volt circuit,
and has a grounding plug that looks like the plug illus-
trated in drawing 1 below. A temporary adapter that
looks like the adapter illustrated in drawing 2 may be
used to connect the surge suppressor to a 2-pole
receptacle as shown in drawing 2 if a properly
grounded outlet is not available.
Your treadmill, like any other type of sophisticated
electronic equipment, can be seriously damaged by
sudden voltage changes in your home's power.
Voltage surges, spikes, and noise interference can
result from weather conditions or from other appliances
being turned on or off. To decrease the possibility of
your treadmill being damaged, always use a surge
suppressor with your treadmill (see drawing 1 at
the right). To purchase a surge suppressor, see
your local Sears store or call the telephone number
on the back cover of this manual and order part
number 146148, or see your local electronics store.
Use only a single-outlet surge suppressor that is
UL 1449 listed as a transient voltage surge sup-
pressor (TVSS). The surge suppressor must have a
UL suppressed voltage rating of 400 volts or less
and a minimum surge dissipation of 450 joules.
The surge suppressor must be electrically rated for
120 volts AC and 15 amps. There must be amoni-
toring light on the surge suppressor to indicate
whether it is functioning properly. Failure to use a
properly functioning surge suppressor could result
in damage to the control system of the treadmill, if
the control system is damaged, the walking belt
may change speed, accelerate, or stop unexpect-
edly, which may result in a fall and serious injury.
This product must be grounded. If it should malfunc-
tion or break down, grounding provides a path of least
resistance for electric current to reduce the risk of elec-
tric shock. This product is equipped with a cord having
_rounded Outlet Box
Suppressor
Grounding Pin
Grounding Pin
Grounded Outlet Grounding Plug
2
_rounded Outlet Box
Adapter Surge Suppressor
Metal Scrlw_ "
The temporary adapter should be used only until a
properly grounded outlet (drawing 1) can be installed
by a qualified electrician.
The green-colored rigid ear, lug, or the like extending
from the adapter must be connected to a permanent
ground such as a properly grounded outlet box cover.
Whenever the adapter is used it must be held in place
by a metal screw. Some 2-pole receptacle outlet box
covers are not grounded. Contact a qualified elec-
trician to determine if the outlet box cover is
grounded before using an adapter.
11

CONSOLE DIAGRAM
2"7,:f3
ROLLING H_LLS
PARK TRAIL
5 _ ROLLING PLATEAU
6
(
I
:7:2_----Z-%L .................................
...............................................,_
INCLINE
STOP
Note: If there are sheets of clear plas-
tic on the console, remove the plastic.
FEATURES OF THE CONSOLE
The treadmill console offers an impressive array of
features designed to make your workouts more effec-
tive and enjoyable.
When you use the manual mode, you can change the
speed and incline of the treadmill with the touch of a
button. As you exercise, the console will display instant
exercise feedback. You can even measure your heart
rate using the handgnp pulse sensor.
In addition, the console offers six iFit custom-fit preset
workouts; three of these use the crosswalk arms. Each
workout automatically controls the speed and incline of
the treadmill as it guides you through an effective exer-
cise session.
To use the manual mode of the console, follow the
steps beginning on page 13. To use a preset work-
out, see page 15.
IMPORTANT: If there is a sheet of clear plastic on
the console, remove the plastic. To prevent dam-
age to the walking platform, wear clean athletic
shoes while using the treadmill. The first time you
use the treadmill, observe the alignment of the
walking belt, and center the walking belt if neces-
sary (see pages 19 and 20).
Note: The console can display speed and distance in
either miles or kilometers. To find out which unit of
measurement is selected or to change the unit of mea-
surement, see THE INFORMATION MODE on page
16. Note: For simplicity, all instructions in this section
refer to miles.
12

HOW TO TURN ON THE POWER HOW TO USE THE MANUAL MODE
iMPORTANT: if the treadmill has been exposed to
cold temperatures, allow it to warm to room tern=
perature before turning on the power. If you do not
do this, the console displays or other electrical
components may become damaged.
Plug in the power cord (see
page 11). Next, locate the
reset/off circuit breaker on
the treadmill frame near the
power cord. Switch the circuit
breaker to the reset position.
Reset
Position
iMPORTANT: The console features a display demo
mode, designed to be used if the treadmill is dis=
played in astore, if the displays light as soon as
you plug in the power cord and switch the circuit
breaker to the reset position, the demo mode is
turned on. To turn off the demo mode, hold down
the Stop button for afew seconds, if the displays
remain lit, see THE iNFORMATION MODE on page
16 to turn off the demo mode.
Next, stand on the foot rails of the treadmill. Find the
clip attached to the key (see the drawing on page 12)
and slide the clip onto the waistband of your clothes.
Then, insert the key into the console. After a moment,
the displays will light. IMPORTANT: In an emergency
situation, the key can be pulled from the console,
causing the walking belt to slow to a stop. Test the
clip by carefully taking a few steps backward; if the
key is not pulled from the console, adjust the posi=
tion of the clip.
1. insert the key into the console.
See HOW TO TURN ON THE POWER to the left.
2. Select the manual mode.
When the key is inserted, the manual mode will be
selected. If a preset workout has been selected, re-
move the key and then reinsert it.
3. Start the walking belt.
To start the walking belt, press the Go button, the
Speed increase button, or one of the speed buttons
numbered 2 through 10.
If you press the Go button or the Speed increase
button, the walking belt will begin to move at 1 mph.
As you exercise, change the speed of the walking
belt as desired by pressing the Speed increase and
decrease buttons. Each time you press a button,
the speed setting will change by 0.1 mph; if you
hold down a button, the speed setting will change
in increments of 0.5 mph. Note: After you press a
button, it may take a moment for the walking belt to
reach the selected speed setting.
If you press one of the numbered speed buttons, the
walking belt will gradually increase in speed until it
reaches the selected speed setting.
To stop the walking belt, press the Stop button.
The time will begin to flash in the display. To restart
the walking belt, press the Go button or the Speed
increase button.
4. Change the incline of the treadmill as desired.
To change the incline of
the treadmill, press the
Incline increase or de-
crease buttons. Each time
you press the Incline in-
crease or decrease but-
ton, the incline will change by 0.5%. Note: After you
press a button, it may take a moment for the tread-
mill to reach the selected incline setting.
13

5. Follow your progress with the displays.
The lower left display--
As you exercise, the
lower left display can
show the elapsed time
and the distance that you
have walked or run. The
lower left display will also show the incline of the
treadmill each time the incline level changes.
The lower right dis=
play--The lower right
display can show the ap-
proximate number of
calories that you have
burned and the speed of
/
,,ZJ r
,1SeALs
I
the walking belt. The display also shows your heart
rate when you use the handgrip pulse sensor (see
step 6).
The upper dis-
play--The upper
display can show
the elapsed time,
the distance that
you have walked
-'3
C Ct' ! !
If'3 Lt
or run, the approximate number of calories that you
have burned, or the speed of the walking belt. Press
the Display button repeatedly until the upper display
shows the informationthat you are most interested
in viewing. Note: While information is shown in the
upper display, the same information will not be
shown in the lower displays.
To reset the displays, press the Stop button, re-
move the key, and then reinsert the key.
6. Measure your heart rate if desired.
.
Before using the
handgrip pulse
sensor, remove
the sheets of
clear plastic from
the metal con-
tacts on the pulse
bar. In addition,
make sure that
your hands are clean.
To measure your heart rate, stand on the foot
rails and hold the pulse bar with your palms on the
metal contacts. Avoid moving your hands. When
your pulse is detected, a heart symbol in the lower
right display will flash each time your heart beats,
one or two dashes will appear, and then your heart
rate will be shown. For the most accurate heart
rate reading, continue to hold the contacts for
about 15 seconds.
When you are finished exercising, remove the
key from the console.
Step onto the foot rails, press the Stop button, and
adjust the incline of the treadmill to the lowest
setting. The incline must be at the lowest setting
or you may damage the treadmill when you fold
it to the storage position. Next, remove the key
from the console and put it in a secure place.
When you are finished using the treadmill, switch
the reset/off circuit breaker to the "off" position and
unplug the power cord. IMPORTANT: If you do
not do this, the treadmill's electrical compo-
nents may wear prematurely.
14

HOW TO USE A PRESET WORKOUT
1. insert the key into the console.
See HOW TO TURN ON THE POWER on
page 13.
2. Select a preset workout.
To select a preset work-
out, press the Select
Workout button repeat-
edly until the number of
the desired workout ap-
pears in the upper dis-
play. Note: The name, number, and profile of each
workout is listed on the console.
When you select a preset workout, the incline level
of the workout will flash in the lower left display, the
speed setting will flash in the upper display, and
then the workout length will appear in the lower left
display.
3. Select length of workout if desired.
If you have selected workout 1,2, or 3, you can set
the length of the workout to a time between 15 and
45 minutes, in increments of 5 minutes. To set the
length of the workout press the Set Time increase
or decrease button until the desired time is se-
lected. The new workout settings will appear in the
displays.
4. Press the Go button or the Speed increase but-
ton to start the workout.
A moment after you press the button, the treadmill
will automatically adjust to the first speed and in-
cline settings of the workout. Hold the handrails and
begin walking.
Each workout is divided into 30 one-minute seg-
ments, unless you have changed the length of the
workout (see step 3). One speed setting and one
incline setting are programmed for each segment.
Note: The same speed setting and/or incline setting
may be programmed for two or more consecutive
segments.
Tones will sound at the end of each segment.
Three seconds before the speed and/or incline of
the treadmill is about to change, the Speed display
and/or Incline display will flash and a series of tones
will sound to alert you. The treadmill will then auto-
matically adjust to the speed and/or incline settings
for the next segment.
If you have selected workout 4, 5 or 6, you will be
prompted to use the crosswalk arms. When the
crosswalk indicator lights up, move the crosswalk
arms forward and backward as you walk or run on
the treadmill. This action exercises your arms,
shoulders, and back for a total body workout.
The workout will continue in this way until the last
segment ends. The walking belt will then slow to a
stop.
If the speed or incline setting is too high or too low
at any time during the workout, you can manually
override the setting by pressing the speed or incline
buttons. Note: When the next segment of the
workout begins, the treadmill will automatically
adjust to the speed and incline settings for the
next segment.
To stop the workout at any time, press the Stop
button. To restart the workout, press the Go button.
The walking belt will begin to move at 1 mph. When
the next segment of the workout begins, the tread-
mill will automatically adjust to the speed and incline
settings for the next segment.
5. Follow your progress with the displays.
See step 5 on page 14.
6. Measure your heart rate if desired.
See step 6 on page 14.
7. When you are finished exercising, remove the
key from the console.
See step 7 on page 14.
15

THE iNFORMATiON MODE HOW TO USE THE CROSSWALK ARMS
The console features an information mode that keeps
track of the total distance that the walking belt has
moved and the total number of hours that the treadmill
has been used. The information mode also allows you
to select a measurement system of miles or kilome-
ters, and turn on and off the display demo mode.
To select the information mode, hold down the Stop
button while inserting the key into the console and then
release the Stop button. When the information mode is
selected, the following information will be shown:
An "E" for English miles or
an "M" for metric kilometers
will appear in the lower right
display. Press the Speed in-
crease button to change the
unit of measurement if de-
si red.
The lower left display will
show the total number of
miles (or kilometers) that the
walking belt has moved.
The upper display will show
the total number of hours
the treadmill has been used. IC
Note: The console features a display demo mode, de-
signed to be used if the treadmill is displayed in a
store. While the demo mode is turned on, the console
will function normally when you plug in the power cord,
switch the circuit breaker to the reset position, and in-
sert the key into the console. However, when you re-
move the key, the displays will remain lit, although the
buttons will not function. If the demo mode is turned on,
a "d" will appear in the lower right display while the in-
formation mode is selected. To turn on or off the demo
mode, press the Speed decrease button.
To exit the information mode, remove the key from the
console.
As you walk on the treadmill, you can hold the
handrails or use the crosswalk arms. To exercise your
arms, shoulders, and back for a total body workout,
move the crosswalk arms forward and backward as
you walk on the treadmill.
To vary the intensity of your upper body exercise, the
resistance of the crosswalk arms can be adjusted. To
increase the resistance, turn the resistance knobs
clockwise; to decrease the resistance, turn the knobs
counterclockwise.
Upper Body
Arms
16

HOW TO FOLD AND MOVE THE TREADMILL
NOW TO FOLD THE TREADMILL FOR STORAGE
Before folding the treadmill, adjust the incline to the
lowest position. If you do not do this, you may damage the
treadmill when you fold it. Remove the key and unplug the
power cord. CAUTION: You must be able to safely lift 45
Ibs. (20 kg) to raise, lower, or move the treadmill.
1. Hold the metal frame firmly in the location shown by
the arrow at the right. CAUTION: To decrease the pos=
sibility of injury, do not lift the frame by the plastic
foot rails. Make sure to bend your legs and keep your
back straight as you raise the frame. Raise the frame
about halfway to the vertical position.
2. Move your right hand to the position shown and hold the
treadmill firmly. Using your left hand, pull the latch knob
to the left and hold it. Raise the frame until the latch pin is
aligned with the gap between the frame and the platform,
and then slowly release the latch knob. Make sure that
the latch pin is fully inserted into the gap.
To protect the floor or carpet from damage, place a
mat under the treadmill. Keep the treadmill out of di=
rect sunlight. Do not leave the treadmill in the stor=
age position in temperatures above 85° F (30° C).
HOW TO MOVE THE TREADMILL
Before moving the treadmill, convert it to the storage position
as described above. Make sure that the frame is held se-
curely by the latch pin.
1. Hold a handrail and the frame and place one foot against
one of the wheels.
2. Tilt the treadmill back until it rolls freely on the wheels.
Carefully move the treadmill to the desired location. Never
move the treadmill without tipping it back. To reduce
the risk of injury, use extreme caution while moving
the treadmill. Do not attempt to move the treadmill
over an uneven surface.
3. Place one foot against a wheel, and carefully lower the
treadmill until it is resting in the storage position.
HOW TO LOWER THE TREADMILL FOR USE
Frame
1. Hold the upper end of the treadmill with your right hand. Pull the latch knob to the left. It may be necessary to
push the frame forward as you pull the knob to the left. Pivot the frame downward and release the latch knob.
2. Hold the metal frame firmly with both hands and lower it to the floor. CAUTION: Do not grip only the plastic
foot rails or drop the frame to the floor. Bend your legs and keep your back straight.
17

TROUBLESHOOTING
Most treadmill problems can be solved by following the simple steps below. Find the symptom that
applies, and follow the steps listed, if further assistance is needed, call the telephone number listed on
the back cover of this manual.
PROBLEM: The power does not turn on
SOLUTION: a. Make sure that the power cord is plugged into a surge suppressor, and that the surge suppressor
is plugged into a properly grounded outlet (see page 11). Use only a single-outlet surge suppres-
sor that meets all of the specifications described on page 11. Important: The treadmill is not com-
patible with GFCI-equipped outlets.
b. After the power cord has been plugged in, make sure that the key is inserted into the console.
C. Check the reset/off circuit breaker located on the
treadmill frame near the power cord. If the switch
protrudes as shown, the circuit breaker has
tripped. To reset the circuit breaker, wait for five
minutes and then press the switch back in. Tripped Reset
PROBLEM: The power turns off during use
SOLUTION: a. Check the reset/off circuit breaker (see the drawing above). If the circuit breaker has tripped, wait
for five minutes and then press the switch back in.
b. Make sure that the power cord is plugged in. If the power cord is plugged in, unplug it, wait for
five minutes, and then plug it back in.
c. Remove the key from the console. Reinsert the key into the console.
d. If the treadmill still will not run, please see the back cover of this manual.
PROBLEM: The incline of the treadmill does not change correctly
SOLUTION: a. With the key in the console, press one of the Incline buttons. While the incline is changing, re-
move the key. After a few seconds, re-insert the key. The treadmill will automatically rise to the
maximum incline level and then return to the minimum level. This will recalibrate the incline system.
PROBLEM: The displays of the console do not function properly
SOLUTION: a. Remove the key from the console and UNPLUG
THE POWER CORD. Remove the three M4 x
19ram Washer Head Screws (13) and carefully
pivot the Hood (53) off.
13
18

Locate the Reed Switch (54) and the Magnet (42)
on the left side of the Pulley (44). Turn the Pulley
until the Magnet is aligned with the Reed Switch.
Make sure that the gap between the Magnet and
the Reed Switch is about 1/8 in. (3 mm). If neces-
sary, loosen the M4 x 19mm Screw (t), move the
Reed Switch slightly, and then retighten the Screw.
Reattach the Hood (not shown), and run the tread-
mill for a few minutes to check for a correct speed
reading.
1/8 in.-
1j
54 j
Top
View
@
42
_44
PROBLEM: The console displays remain lit when you remove the key from the console
SOLUTION: a. The console features a display demo mode, designed to be used if the treadmill is displayed in a
store. If the displays remain lit when you remove the key, the demo mode is turned on. To turn off
the demo mode, hold down the Stop button for a few seconds. If the displays are still lit, see THE
INFORMATION MODE on page 16 to turn off the demo mode.
PROBLEM: The walking belt slows when walked on
SOLUTION: a. Use only a single-outlet surge suppressor that meets all of the specifications described on page 11.
b. If the walking belt is overtightened, treadmill perfor-
mance may decrease and the walking belt may be-
come damaged. Remove the key and UNPLUG THE
POWER CORD. Using the hex key, turn both rear
roller bolts counterclockwise, 1/4 of a turn. When the
walking belt is properly tightened, you should be able
to lift each edge of the walking belt 2 to 3 in. (5 to 7
cm) off the walking platform. Be careful to keep the
walking belt centered. Then, plug in the power cord,
insert the key, and run the treadmill for a few min-
utes. Repeat until the walking belt is properly tight-
ened.
2-3 in. _/S , _,,_
Rear Roller Bolts
c. If the walking belt still slows when walked on, see the back cover of this manual.
19

PROBLEM: The walking belt is off=center or slips when walked on
SOLUTION: a. If the walking belt is off-center, first remove the
key and UNPLUG THE POWER CORD. If the
walking belt has shifted to the left, use the hex
key to turn the left rear roller bolt clockwise 1/2 of a
turn; if the walking belt has shifted to the right,
turn the bolt counterclockwise 1/2 of a turn. Be
careful not to overtighten the walking belt. Then,
plug in the power cord, insert the key, and run the
treadmill for a few minutes. Repeat until the walk-
ing belt is centered.
b. if the walking belt slips when walked on, first re-
move the key and UNPLUG THE POWER CORD.
Using the hex key, turn both rear roller bolts clock-
wise, 1/4 of a turn. When the walking belt is cor-
rectly tightened, you should be able to lift each side
of the walking belt 2 to 3 in. (5 to 7 cm) off the walk-
ing platform. Be careful to keep the walking belt
centered. Then, plug in the power cord, insert the
key, and carefully walk on the treadmill for a few
minutes. Repeat until the walking belt is properly
tightened.
PROBLEM: The crosswalk arms squeak during use
SOLUTION: a. (Note: Correcting this problem requires a small
amount of white marine grease, available at hard-
ware stores.) Turn the Resistance Knob (A) coun-
terclockwise and remove it. Next, remove the
Resistance Cone (B) and the Crosswalk Arm (76),
along with the Resistance Plate (C), Washers (D),
Spring Washer (E), Thrust Washers (F), and Thrust
Bearing (G). (Note: If the Resistance Plate [C]
comes out of the Resistance Cone [B], press it back
in.) Apply a thin layer of white marine grease to the
outer surface of the Resistance Cone (B). Then,
reattach all parts in the order shown at the right.
CGD
2O

EXERCISE GUiDELiNES
These guidelines will help you to plan your exercise
program. For detailed exercise information, obtain a
reputable book or consult your physician. Remember,
proper nutrition and adequate rest are essential for
successful results.
EXERCISE iNTENSiTY
Whether your goal is to burn fat or to strengthen your
cardiovascular system, exercising at the proper inten-
sity is the key to achieving results. You can use your
heart rate as a guide to find the proper intensity level.
The chart below shows recommended heart rates for
fat burning and aerobic exercise.
165 155 145 140 130 125 115 _
145 138 130 125 118 110 103 _)
125 120 115 110 105 95 90
20 30 40 50 60 70 80
To find the proper intensity level, find your age at the
bottom of the chart (ages are rounded off to the near-
est ten years). The three numbers listed above your
age define your "training zone." The lowest number is
the heart rate for fat burning, the middle number is the
heart rate for maximum fat burning, and the highest
number is the heart rate for aerobic exercise.
Burning Fat--To burn fat effectively, you must exer-
cise at a low intensity level for a sustained period of
time. During the first few minutes of exercise, your
body uses carbohydrate ca/or/esfor energy. Only after
the first few minutes of exercise does your body begin
to use stored fatca/or/esfor energy, if your goal is to
burn fat, adjust the intensity of your exercise until your
heart rate is near the lowest number in your training
zone. For maximum fat burning, exercise with your
heart rate near the middle number in your training
zone.
Aerobic Exercise--If your goal is to strengthen your
cardiovascular system, you must perform aerobic exer-
cise, which is activity that requires large amounts of
oxygen for prolonged periods of time. For aerobic ex-
ercise, adjust the intensity of your exercise until your
heart rate is near the highest number in your training
zone.
WORKOUT GUiDELiNES
Warming up--Start with 5 to 10 minutes of stretching
and light exercise. A warm-up increases your body
temperature, heart rate, and circulation in preparation
for exercise.
Training Zone Exercise--Exercise for 20 to 30 min-
utes with your heart rate in your training zone. (During
the first few weeks of your exercise program, do not
keep your heart rate in your training zone for longer
than 20 minutes.) Breathe regularly and deeply as you
exercise-never hold your breath.
Cooling down--Finish with 5 to 10 minutes of stretch-
ing. Stretching increases the flexibility of your muscles
and helps to prevent post-exercise problems.
EXERCISE FREQUENCY
To maintain or improve your condition, complete three
workouts each week, with at least one day of rest be-
tween workouts. After a few months of regular exer-
cise, you may complete up to five workouts each
week, if desired. Remember, the key to success is to
make exercise a regular and enjoyable part of your
everyday life.
21

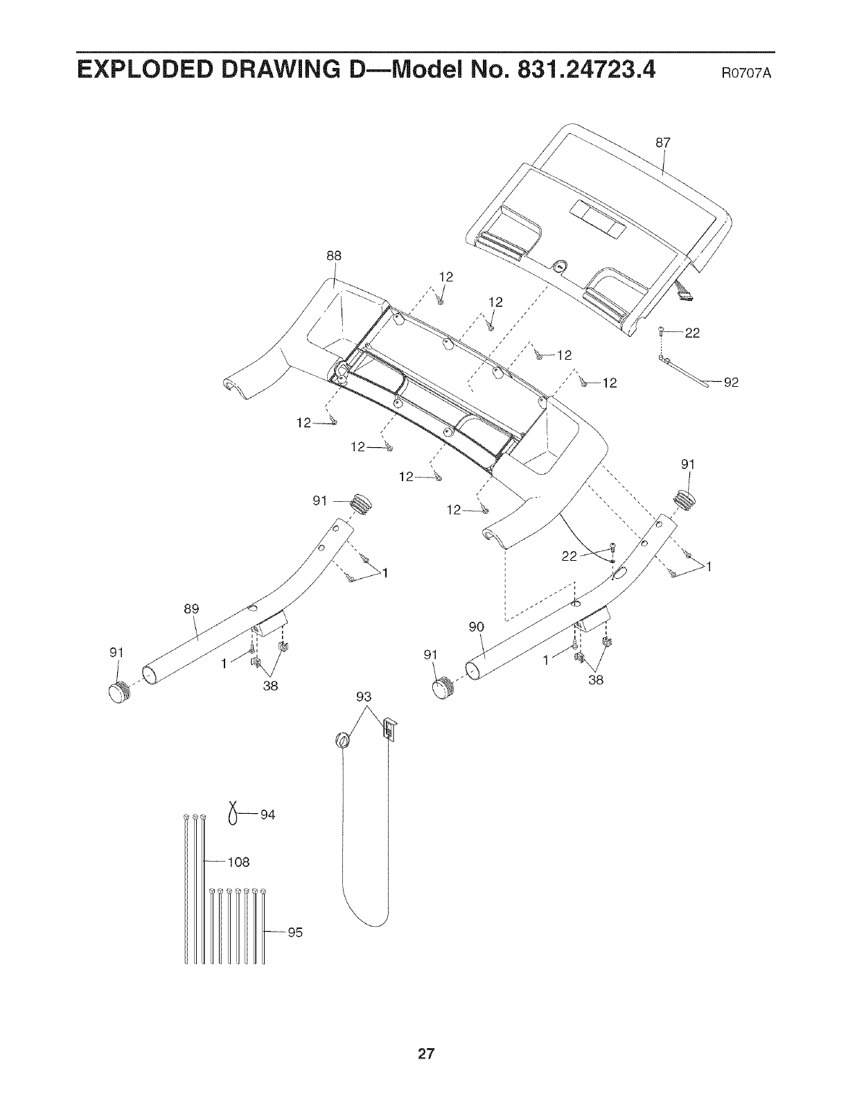
PART LiST--Model No. 831.24723.4 R0707A
To locate the parts listed below, see the EXPLODED DRAWING near the end of this manual.
Key No. Qty. Description Key No. Qty. Description
1 15 M4 x 19mm Screw 51 1
2 4 M4 x 25mm Screw 52 1
3 1 M4 x 13mm Lift Frame Screw 53 1
4 4 1/4" x 3 1/2" Bolt 54 1
5 4 MIO x 96mm Bolt 55 1
6 4 M8 x 25mm Bolt 56 2
7 1 3/8" Star Washer 57 1
8 8 MIO Star Washer 58 1
9 4 1/4" Washer 59 2
10 4 M8 Star Washer 60 1
11 5 M4 x 13mm Washer Head Screw 61 1
12 12 M4 x 16mm Screw 62 3
13 3 M4 x 19mm Washer Head Screw 63 1
14 2 M8 x 35mm Screw 64 1
15 2 M8 x 90mm Screw 65 1
16 1 MIO x 34mm Bolt 66 1
17 2 M6 x 70mm Bolt 67 1
18 1 3/8" x 1 3/4" Bolt 68 1
19 1 3/8" x 1 1/2" Bolt 69 1
20 2 3/8" x 1" Bolt 70 1
21 1 M6 x 45mm Bolt 71 1
22 8 1/2" Screw 72 1
23 8 M5 x 25mm Screw 73 1
24 2 1/4" x 3/8" Bolt 74 2
25 2 3/8" x 3/4" Bolt 75 2
26 1 3/8" x 4" Bolt 76 1
27 2 MIO x 50mm Bolt 77 1
28 4 M4 x 13mm Screw 78 1
29 2 M6 Lock Washer 79 4
30 2 M6 Washer 80 1
31 3 3/8" Nut 81 4
32 2 3/8" Motor Nut 82 2
33 4 MIO Nut 83 1
34 1 Motor Washer 84 2
35 4 M8 Flange Nut 85 1
36 2 3/8" Lock Nut 86 2
37 3 Hood Clip 87 1
38 4 Cage Nut 88 1
39 1 Left Foot Rail 89 1
40 2 Walking Platform Cushion 90 1
41 2 Belt Guide 91 4
42 1 Magnet 92 2
43 1 Motor Belt 93 1
44 1 Front Roller/Pulley 94 2
45 1 Walking Belt 95 7
46 1 Walking Platform 96 2
47 1 Right Foot Rail 97 2
48 1 Frame 98 1
49 1 Warning Decal 99 1
50 2 Rear Roller Bracket Plate 100 1
Left Foot
Right Foot
Hood
Reed Switch
Reed Switch Clip
Frame Spacer
Lift Frame/Roller Ground Wire
Incline Motor
Rear Roller Bracket
Motor
Motor Bracket
Lift Frame Cable Tie
Lift Frame
Filter Wire
Power Cord
Controller
Grommet
Reset/Off Circut Breaker
Belly Pan
Latch Insert
Left Crosswalk Arm
Latch Pin Assembly
Left Upright
Insert Screw
Crosswalk Arm Insert
Right Crosswalk Arm
Upright Wire
Right Upright
Bolt Spacer
Right Upright Spacer
Base Pad
Base Endcap
Left Upright Spacer
Caution Decal
Base
Wheel
Console
Console Base
Left Handrail
Right Handrail
Handrail Endcap
Cable Tie
Key/Clip
Releasable Tie
8" Cable Tie
Resistance Assembly
Handgrip
MIO x 30mm Screw
Lift Motor Spacer
Rear Roller
22

Key No. Qty.
101 1
102 1
103 2
104 2
105 1
106 1
107 1
108 3
Description
Hex Key
Lift Frame/Base Ground Wire
Frame Endcap
Base Pad Spacer
4mm Hex Key
5mm Hex Key
6mm Hex Key
15 1/2" Cable Tie
8" Blue Wire, 2F
6" Blue Wire, 2F
Key No. Qty. Description
6" Blue Wire, M/F
6" Red Wire, M/F
6" Black Wire, M/F
8" Green Wire, F/Ring
User's Manual
*These parts are not illustrated.
Specifications are subject to change without notice.
if apart is missing, call 1=888=533=1333.
23

EXPLODED DRAWING A--IVlodei No. 831.24723.4 Ro7o7A
Ob
03
00
OJ
(3)
o _
L_
24

EXPLODED DRAWING B--Model No. 831.24723.4 RozozA
26
33
11
-'ii
_--37
99
31
11
11
12
25

EXPLODED DRAWING C--lVlodei No. 831.24723.4 RozozA
10
6
7O
10
9
4
58
=
102% 22 79
84
74
96 10_
6_
75
83
85
77
84
8O
96
74
8
5
26

EXPLODED DRAWING D--IVlodei No. 831.24723.4 RozozA
87
91
89
38
_-94
--108
88
93
90
91
\
38
91
27

Your Home
For repair--in your home--of all major brand appliances, lawn and garden equipment,
® Registered Trademark /TMTrademark /SMService Mark of Sears Brands, LLC
® Marca Registrada /TMMarca de Fabrica /SMMarca de Servicio de Sears Brands, LLC
f90 DAY FULL WARRANTY
If this Sears Treadmill Exerciser fails due to a defect in material or workmanship within 90 days of the
date of purchase, call 1-800-4-MY-HOME ®(1-800-469-4663) to arrange for free repair (or replacement if
repair proves impossible). The incline motor is warranted for 90 days from the date of purchase; the
drive motor is warranted for 5 years from the date of purchase.
This warranty does not apply when the Treadmill Exerciser is used commercially or for rental purposes.
This warranty gives you specific legal rights, and you may also have other rights which vary from state to
state.
Sears, Roebuck and Co., Hoffman Estates, IL 60179
%_,,,
J
.J
Part No. 258923 RO707A Printed in USA © 2007 ICON IP, Inc.