Proform 831248530 User Manual CROSSWALK FIT 415 Manuals And Guides 1309334L
User Manual: Proform 831248530 831248530 PROFORM PROFORM CROSSWALK FIT 415 - Manuals and Guides View the owners manual for your PROFORM PROFORM CROSSWALK FIT 415 #831248530. Home:Fitness Equipment Parts:Proform Parts:Proform PROFORM CROSSWALK FIT 415 Manual
Open the PDF directly: View PDF
.
Page Count: 32

®
Model No. 831.24853.0
Serial No.
Write the serial number in the space
above for reference.
Serial Number
Decal
• Assembly
•Operation
•Maintenance
•Part List and Drawing
Sears, Roebuck and Co.
Hoffman Estates, IL 60179
TREADMILL EXERCISER
User's Manual

TABLE OF CONTENTS
WARNING DECAL PLACEMENT ............................................................... 2
IMPORTANT PRECAUTIONS .................................................................. 3
BEFORE YOU BEGIN ........................................................................ 5
PART IDENTIFICATION CHART ................................................................ 6
ASSEMBLY ................................................................................ 7
OPERATION AND ADJUSTMENT ............................................................. 14
HOW TO FOLD AND MOVE THE TREADMILL ................................................... 20
TROUBLESHOOTING ...................................................................... 21
EXERCISE GUIDELINES .................................................................... 23
PART LIST ................................................................................ 27
EXPLODED DRAWING ...................................................................... 28
ORDERING REPLACEMENT PARTS ................................................... Back Cover
90-DAY FULL WARRANTY ........................................................... Back Cover
WARNING DECAL PLACEMENT
This drawing shows the locations of
the warning decals• If a decal is miss-
ing or illegible, call 1-888-533-1333
and request a free replacement
decal. Apply the decal in the location
shown. Note: The decals may not be
shown at actual size•
KEEPHANDSANDFEETAWAY
FROMTHISAREAWHILETHE
TREADMILLISINOPERATION.
Protect yourself and
others from risk of serious
injury. Read the user's
manual, and:
' tand only on the
side rails when
starting or stopping
treadmill.
• Chant
• Hold handrails to prevent falling,
and always wear the safety clip
while operating the treadmill.
• Stop if you feel faint, dizzy, or
short of breath.
• Fully engage the storage latch
before the treadmill is moved
or stored.
before folding the treadmill into
a storage position.
• Never allow children
on or around the
treadmill.
• Remove the safety
key when treadmill
is not _n use.
• Keep clothing,
fingers, and hair
away from moving
parts.
• Never try to adjust
or fix the belt while
it is moving.
• Always wear athletic
shoes wh{le operating
the treadmill.
2

IMPORTANT PRECAUTIONS
WARNING: To reduce the risk of burns, fire, electric shock, or injury to persons, read
all important precautions and instructions in this manual and all warnings on your treadmill before
using your treadmill. Sears assumes no responsibility for personal injury or property damage sus-
tained by or through the use of this product.
1. It is the responsibility of the owner to ensure 12.
that all users of this treadmill are adequately
informed of all warnings and precautions.
.Before beginning any exercise program,
consult your physician. This is especially
important for persons over age 35 or persons
with pre-existing health problems.
Plug the power cord into a surge suppressor
(not included), and plug the surge suppres-
sor into an appropriate outlet (see page 14).
To avoid overloading the circuit, do not plug
other electrical devices, except for low-power
devices such as cell phone chargers, into
the surge suppressor or into an outlet on the
same circuit.
.
.
Use the treadmill only as described in this
manual.
The treadmill is intended for home use only.
Do not use the treadmill in any commercial,
rental, or institutional setting.
13. Use only a surge suppressor that meets all of
the specifications described on page 14. To
purchase a surge suppressor, see your local
Sears store, call the telephone number on the
back cover of this manual, or see your local
electronics store.
.
.
.
.
.
10.
11.
Keep the treadmill indoors, away from mois-
ture and dust. Do not put the treadmill in a
garage or covered patio, or near water.
Place the treadmill on a level surface, with
at least 8 ft. (2.4 m) of clearance behind it
and 2 ft. (0.6 m) on each side. Do not place
the treadmill on any surface that blocks air
openings. To protect the floor or carpet from
damage, place a mat under the treadmill.
Do not operate the treadmill where aerosol
products are used or where oxygen is being
administered.
Keep children under age 12 and pets away
from the treadmill at all times.
The treadmill should be used only by per-
sons weighing 300 Ibs. (136 kg) or less.
Never allow more than one person on the
treadmill at a time.
Wear appropriate exercise clothes while
using the treadmill. Do not wear loose
clothes that could become caught in the
treadmill. Athletic support clothes are recom-
mended for both men and women. Always
wear athletic shoes. Never use the treadmill
with bare feet, wearing only stockings, or in
sandals.
14.
15.
16.
17.
18.
19.
Failure to use a properly functioning surge
suppressor could result in damage to the
control system of the treadmill. If the control
system is damaged, the walking belt may
slow, accelerate, or stop unexpectedly, which
may result in a fall and serious injury.
Keep the power cord and the surge suppres-
sor away from heated surfaces.
Never move the walking belt while the power
is turned off. Do not operate the treadmill
if the power cord or plug is damaged, or if
the treadmill is not working properly. (See
TROUBLESHOOTING on page 21 if the tread-
mill is not working properly.)
Read, understand, and test the emergency
stop procedure before using the treadmill
(see HOW TO TURN ON THE POWER on
page 16).
Never start the treadmill while you are stand-
ing on the walking belt. Always hold the
handrails while using the treadmill.
The treadmill is capable of high speeds.
Adjust the speed in small increments to
avoid sudden jumps in speed.
3

20. The heart rate monitor is not a medical
device. Various factors, including the user's
movement, may affect the accuracy of heart
rate readings. The heart rate monitor is
intended only as an exercise aid in determin-
ing heart rate trends in general.
21. Never leave the treadmill unattended while
it is running. Always remove the key, press
the power switch into the off position (see
the drawing on page 5 for the location of the
power switch), and unplug the power cord
when the treadmill is not in use.
22. Do not attempt to move the treadmill until
it is properly assembled. (See ASSEMBLY
on page 8 and HOW TO FOLD AND MOVE
THE TREADMILL on page 20.) You must be
able to safely lift 45 Ibs. (20 kg) to move the
treadmill.
23. When folding or moving the treadmill, make
sure that the storage latch is holding the
frame securely in the storage position.
24. Do not change the incline of the treadmill by
placing objects under the treadmill.
25. Never insert any object into any opening on
the treadmill.
26.
27.
Inspect and properly tighten all parts of the
treadmill regularly.
DANGER: Always unplug the power
cord immediately after use, before clean-
ing the treadmill, and before performing the
maintenance and adjustment procedures
described in this manual. Never remove the
motor hood unless instructed to do so by an
authorized service representative. Servicing
other than the procedures in this manual
should be performed by an authorized ser-
vice representative only.
28. Over exercising may result in serious injury
or death. If you feel faint or if you experience
pain while exercising, stop immediately and
cool down.
SAVE THESE INSTRUCTIONS
4

BEFORE YOU BEGIN
Thank you for selecting the new PROFORM _
CROSSWALK FIT 415 treadmill. The CROSSWALK
FIT 415 treadmill provides an impressive selection
of features designed to make your workouts at home
more effective and enjoyable.
For your benefit, read this manual carefully before
you use the treadmill. If you have questions after
reading this manual, please see the back cover of this
manual. To help us assist you, note the product model
number and serial number before contacting us. The
model number and the location of the serial number
decal are shown on the front cover of this manual.
Before reading further, please familiarize yourself with
the parts that are labeled in the drawing below.
Upper Body Arm
Handrail
Storage Latch
Tray
y Tray
Console
)art Rate Monitor
Key/Clip
Walking Belt
Foot Rail
Idler Roller
Adjustment Screws
Motor Hood
Power Switch
Power Cord
Wheel
Platform Cushion
Length: 5 ft. 5 in. (165 cm)
Width: 2 ft. 9 in. (83 cm)
5

PART IDENTIFICATION CHART
Use the drawings below to identify small parts used for assembly. The number in parentheses below each draw-
ing is the key number of the part, from the PART LIST near the end of this manual. The number following the key
number is the quantity used for assembly. Note: If a part is not in the hardware kit, check to see if it is pre-
attached. If it is not, call 1-888-533-1333. Extra parts may be included.
©
1/4" External Star
Washer (61)--8
#8 x 1/2" Ground
Screw (1)-- 1
5/16" Star
Washer (6)--4
#8 x 3/4" Screw
(4)--14
3/8" Star
Washer (3)-- 10
<iii\ ii
#10 x 3/4" Screw
(8)--2
1/4" x 1 1/4" Screw (77)--4
I
5/16" x 3 1/5" Screw (78)--4
3/8" x 3 1/4" Screw (2)--6
1/4" x 3 1/2" Screw (33)--4
6

ASSEMBLY
Assembly requires two persons.
Place all parts in a cleared area and remove the
packing materials. Do not dispose of the packing
materials until you finish all assembly steps.
After shipping, there may be an oily substance
on the exterior of the treadmill. This is normal. If
there is an oily substance on the treadmill, wipe
it off with a soft cloth and a mild, non-abrasive
cleaner.
Left parts are marked "L" or "Left" and right parts
are marked "R" or "Right."
To identify small parts, see page 6.
Assembly requires the following tools:
the included hex key
one Phillips screwdriver _=====_
To avoid damaging parts, do not use power tools.
,Go to www.proformservice.com/
registration on your computer and register
your product.
• activates your warranty
• saves you time if you ever need to contact
Customer Care
• allows us to notify you of upgrades and offers
Note: If you do not have Internet access, call
1-888-533-1333 and register your product.
2. Make sure that the power cord is unplugged.
Remove and discard the two screws (A) and
the shipping bracket (B) from the right side of
the Base (74). Then, remove and discard the
screws and the shipping bracket (not shown)
from the left side of the Base.
Remove the tie securing the Upright Wire (63).
Press a Base Cap (70) into each side of the
Base (74) (only one side is shown).
2
7

,Identify the Right Upright (76). Have a second
person hold the Right Upright near the Base
(74).
See the inset drawing. Tie the wire tie in the
Right Upright (76) securely around the end of the
Upright Wire (63). Then, insert the Upright Wire
into the lower end of the Right Upright as you
pull the other end of the wire tie out of the Right
Upright.
3
Wire 6
Tie /
76
Wire
,Lay the Right Upright (76) near the Base (74) as
shown. Attach the ground wire to the Base with a
#8 x 1/2" Ground Screw (1).
Then, press the Upright Grommet (73) into the
square hole in the Right Upright (76).
4
74 76
73
Ground Square
Wire Hole
8

5. 5
Hold the Right Upright (76) against the Base
(74). Be careful not to pinch the Upright
Wire (63).
Insert a 3/8" x 3 1/4" Screw (2) with a 3/8" Star
Washer (3) into the top hole in the Right Upright
(76). Then, partially tighten the Screw into the
Base (74).
Partially tighten two more 3/8" x 3 1/4" Screws
(2) with two 3/8" Star Washers (3) into the Right
Upright (76) and the Base (74); do not fully
tighten the Screws yet.
Attach the Left Upright (not shown) in the
same way. Note: There are no wires on the left
side.
74
63
,Identify the Left and Right Handrails (59, 64).
(Note: The Right Handrail has a large hole in
its side.) Insert the Console Frame (7) into the
ends of the Left and Right Handrails. Note: The
nut inserts (C) should be on the bottom.
Tighten two 1/4" x 1 1/4" Screws (77) with
two 1/4" External Star Washers (61)into each
Handrail (59, 64) and into the Console Frame
(7); do not fully tighten the Screws yet.
77
59
64
9

7. 7
Hold the Handrails (59, 64) near the Uprights
(66, 76).
Route the Upright Wire (63) into the bottom of
the Right Handrail (64) and out of the hole in the
side of the Right Handrail.
Set the Handrails (59, 64) on the Uprights (66,
76). Be careful not to pinch the Upright Wire
(63). Partially tighten four 5/16" x 3 1/5" Screws
(78) with four 5/16" Star Washers (6) through
the Handrails and into the Uprights. Start all
four Screws, then tighten them.
Tighten the four 1/4" x1 1/4" Screws (77).
78
59
,With the help of a second person, hold the con-
sole assembly near the Right Handrail (64).
Connect the Upright Wire (63) to the console
wire. See the inset drawing. The connectors
should slide together easily and snap into
place. If they do not, turn one connector and try
again. IF YOU DO NOT CONNECT THE CON-
NECTORS PROPERLY, THE CONSOLE MAY
BECOME DAMAGED WHEN YOU TURN ON
THE POWER. Then, remove the wire tie from
the Upright Wire.
8
Wire
Console Assembly
64
63
Wire
Console J
Wire _
10

,Connect the ground wire (D) from the console
assembly to the Console Ground Wire (79). 9
Console Assembly
10. Insert the Upright Wire (63) into the Right
Handrail (64) through the indicated hole as you
set the console assembly on the Uprights (66,
76). Make sure that no wires are pinched.
Attach the console assembly with six #8 x 3/4"
Screws (4). Start all six Screws, and then
tighten them. Do not overtighten the Screws.
10
Console Assembly
4
Wires
11

11. Orient the Latch Housing (67) so that the
large hole is on the indicated side. Attach the
Latch Housing to the Left Upright (66) with two
#10 x 3/4" Screws (8); start both Screws, and
then tighten them.
Locate the Latch Pin Assembly (68). Remove the
knob from the pin. Make sure that the collar and
the spring are on the pin. (Note: If there are two
collars, place one on each side of the spring.)
Next, insert the pin into the Latch Housing (67).
Then, tighten the knob onto the pin.
11
Large Hole
12. Attach the Left and Right Tray Brackets (83,
84) to the Uprights (66, 76) with four #8 x 3/4"
Screws (4).
12
84
'6
12

13. Attach the Tray (86) with four #8 x 3/4" Screws
(4). Start all four Screws, and then tighten
them.
Tighten the six 3/8" x 3 1/4" Screws (2).
86
14. Identify the Left and Right Upper Body Arms (81,
82).
Position the Right Upper Body Arm (82) as
shown. Attach the Right Upper Body Arm to the
Right Upright (76) with two 1/4" x 3 1/2" Screws
(33), two 1/4" External Star Washers (61), and
two 3/8" Star Washers (3) as shown. Do not
overtighten the Screws.
Attach the Left Upper Body Arm (81) in the
same way.
14
15. Make sure that all parts are properly tightened before you use the treadmill. If there are sheets of plastic
on the treadmill decals, remove the plastic. To protect the floor or carpet, place a mat under the treadmill.
Note: Extra hardware may be included. Keep the included hex keys in a secure place; one of the hex keys is
used to adjust the walking belt (see page 22).
13

OPERATION AND ADJUSTMENT
HOW TO CONNECT THE POWER CORD
Use a Surge Suppressor
Your treadmill, like other electronic equipment, can be
damaged by sudden voltage changes in your home's
power. Voltage surges, spikes, and noise interfer-
ence can result from weather conditions or from other
appliances being turned on or off. To decrease the
risk of damaging the treadmill, always use asurge
suppressor with the treadmill. To purchase asurge
suppressor, see precaution 13 on page 3.
Use only a surge suppressor that is UL 1449 listed as a
transient voltage surge suppressor (TVSS). The surge
suppressor must have a UL suppressed voltage rating
of 400 volts or less and a minimum surge dissipation of
450 joules. The surge suppressor must also be electri-
cally rated for 120 volts AC and 15 amps. There must
be a monitoring light on the surge suppressor to indi-
cate whether it is functioning properly. Failure to use a
properly functioning surge suppressor could result
in damage to the control system of the treadmill
and serious injury to users.
Plug in the Power Cord
The treadmill must be grounded. If it should malfunc-
tion or break down, grounding provides a path of least
resistance for electric current to reduce the risk of elec-
tric shock. The treadmill power cord has a plug with a
grounding pin (see drawing 1 on this page).
Plug the power cord into a surge suppressor, and plug
the surge suppressor into an appropriate outlet that is
properly installed and grounded in accordance with all
local codes and ordinances. The outlet must be on a
nominal 120-volt circuit capable of carrying 15 or
more amps. To avoid overloading the circuit, do
not plug other electrical devices, except for low-
power devices such as cell phone chargers, into
the surge suppressor or into an outlet on the same
circuit. IMPORTANT: The treadmill is not compat-
ible with GFCI-equipped outlets and may not be
compatible with AFCI-equipped outlets.
Grounded Outlet
Grounding Pin
Grounding
Surge
Suppressor
A temporary
adapter may
be used to
connect the
surge sup-
pressor to
a 2-pole
receptacle
if a properly
grounded
outlet is not
available.
Receptacle
Adapter
Metal
Screw
The lug or wire extending from the adapter must
be connected with a metal screw to a permanent
ground such as a properly grounded outlet box cover.
Some 2-pole receptacle outlet box covers are not
grounded. Before using an adapter, contact a quali-
fied electrician to determine whether the outlet box
cover is grounded. The temporary adapter should
be used only until a properly grounded outlet can
be installed by a qualified electrician.
14

CONSOLE DIAGRAM
FEATURES OF THE CONSOLE
The treadmill console offers a selection of features
designed to make your workouts more effective and
enjoyable. When you select the manual mode of the
console, you can change the speed and incline of the
treadmill with the touch of a button. As you exercise,
the console will display continuous exercise feedback.
You can even measure your heart rate using the built-in
handgrip heart rate monitor.
The console also features a selection of preset
workouts designed to help you to burn calories and
enhance your cardiovascular system. Each workout
controls the speed and incline of the treadmill as it
guides you through an effective exercise session.
You can even listen to your favorite workout music or
audio books with the console's sound system while you
exercise.
To turn on the power, see page 16. To use the man-
ual mode, see page 16. To use a preset workout, see
page 18. To use the information mode, see page 19.
To use the sound system, see page 19.
IMPORTANT: If there is a sheet of plastic on the
face of the console, remove the plastic. To prevent
damage to the walking platform, wear clean athletic
shoes while using the treadmill. The first time the
treadmill is used, observe the alignment of the walk-
ing belt, and center the walking belt if necessary
(see page 22).
Note: The console can display speed and distance in
either miles or kilometers. To find which unit of mea-
surement is selected, see THE INFORMATION MODE
on page 19. For simplicity, all instructions in this sec-
tion refer to miles.
15

HOW TO TURN ON THE POWER HOW TO USE THE MANUAL MODE
IMPORTANT: If the treadmill has been exposed to
cold temperatures, allow it to warm to room tem-
perature before you turn on the power. If you do
not do this, you may damage the console displays
or other electrical components.
Plug in the power cord (see
page 14). Next, locate the
power switch on the treadmill
frame near the power cord.
Make sure that the switch is
in the reset position. Reset
IMPORTANT: The console features a display demo
mode, designed to be used if the treadmill is dis-
played in a store. If the displays light as soon as
you plug in the power cord and press the power
switch into the reset position, the demo mode is
turned on. To turn off the demo mode, hold down
the Stop button for a few seconds. If the displays
remain lit, see THE INFORMATION MODE on page
19 to turn off the demo mode.
Next, stand on the
foot rails of the
treadmill. Find the
clip attached to the
key (see the draw-
ing to the right) and
slide the clip onto
the waistband of
your clothes. Then,
insert the key into
the console. After a
moment, the dis-
plays will light. IMPORTANT: In an emergency, the
key can be pulled from the console, causing the
walking belt to slow to a stop. Test the clip by care-
fully taking a few steps backward; if the key is not
pulled from the console, adjust the position of the
clip.
1. Insert the key into the console.
See HOW TO TURN ON THE POWER at the left.
2. Select the manual mode.
When the key is
inserted, the manual
mode will be selected.
If you have selected a
workout, remove the key
from the console, and
It..i,lt tt..i
LJ'LJ I,J
t""lt"'l f"l t"t t'_ t'l
U.U LI U OtST, U,U SPEED
then reinsert it. Only zeros should appear in the
displays.
3. Start the walking belt.
To start the walking belt, press the Start button, the
Speed increase button, or one of the ten numbered
Quick MPH buttons.
If you press the Start button or the Speed increase
button, the walking belt will begin to move at 1
mph. As you exercise, change the speed of the
walking belt as desired by pressing the Speed
increase and decrease buttons. Each time you
press one of the buttons, the speed setting will
change by 0.1 mph; if you hold down the button,
the speed setting will change in increments of
0.5 mph.
If you press one of the numbered Quick MPH but-
tons, the walking belt will gradually change speed
until it reaches the selected speed setting.
To stop the walking belt, press the Stop button.
The time will begin to flash in the display. To restart
the walking belt, press the Start button, the Speed
increase button, or one of the ten numbered Quick
MPH buttons.
16

4. Change the incline of the treadmill as desired.
To change the incline of the treadmill, press the
Incline increase and decrease buttons or one of
the numbered Quick % Grade buttons. Each time
you press the Incline increase or decrease but-
ton, the incline setting will change by 0.5 percent.
If you press one of the numbered Quick % Grade
buttons, the incline will gradually change until it
reaches the selected incline setting.
5. Follow your progress with the displays.
When you select the
manual mode, a track
representing 1/4 mile
(400 m) will appear in
the matrix. As you walk
or run on the treadmill,
the indicators around the track will appear in suc-
cession until the entire track appears. The track will
then disappear and the indicators will again begin
to appear in succession.
The lower left display
can show the elapsed
time and the distance
that you have walked
or run during your
workout. Each time you
change the incline, the display will show the incline
setting for a few seconds. Note: When a workout is
selected, the display will show the time remaining
in the workout instead of the elapsed time.
The lower right display
can show the speed of
the walking belt and the
approximate number of _. ISPEED
calories that you have
burned during your
workout. The display will also show your heart rate
when you use the handgrip heart rate monitor (see
step 6).
The upper display can
show the elapsed time,
the distance that you
have walked or run, the
approximate number
of calories you have
burned, or the speed of the walking belt. Press the
Priority Display button repeatedly until the upper
display shows the information that you are most
interested in viewing. Note: While information is
shown in the upper display, the same information
will not be shown in the lower left or lower right
display.
To reset the displays, press the Stop button, re-
move the key, and then reinsert the key.
6. Measure your heart rate if desired.
.
Before using the
handgrip heart
rate monitor, re-
move the sheets
of plastic from the
metal contacts.
In addition, make
sure that your
hands are clean.
To measure your heart rate, stand on the foot
rails and place your hands on the metal contacts--
avoid moving your hands. When your pulse is
detected, your heart rate will be shown. For the
most accurate heart rate reading, continue to
hold the contacts for about 15 seconds.
When you are finished exercising, remove the
key from the console.
Step onto the foot rails, press the Stop button,
and adjust the incline of the treadmill to zero.
The incline must be at zero when you fold the
treadmill to the storage position, or you may
damage the treadmill. Next, remove the key from
the console and put it in a secure place.
When you are finished using the treadmill, press
the power switch into the off position and unplug
the power cord. IMPORTANT: If you do not do
this, the treadmill's electrical components may
wear prematurely.
17

HOW TO USE A PRESET WORKOUT
1. Insert the key into the console.
See HOW TO TURN ON THE POWER on page 16.
2. Select a preset workout.
Toseectapresetworkp '1
out, press the Weight l
t"l
Loss Workouts button H,O S.usP_
or the Cross Train
button repeatedly until
the desired workout appears in the display.
When you select a workout, the maximum speed
and incline settings of the workout will flash in the
displays for a few seconds; then the display will
show how long the workout will last. A profile of the
speed settings of the workout will scroll across the
matrix.
3. Start the walking belt.
Press the Start button or the Speed increase but-
ton to start the workout. A moment after you press
the button, the treadmill will automatically adjust to
the first speed and incline settings for the workout.
Hold the handrails and begin walking.
Each workout is divided into 30 one-minute seg-
ments. One speed setting and one incline setting
are programmed for each segment. Note: The
same speed and incline settings may be pro-
grammed for consecutive segments.
During the workout, the
profile will show your Current Segment
progress. The flashing
segment of the profile
represents the current
segment of the workout. !
The height of the flash-
ing segment indicates
the speed setting for the current segment. At the
end of each segment, a series of tones will sound
and the next segment of the profile will begin to
flash. If a different speed and/or incline setting is
programmed for the next segment, the speed and/
or incline setting will flash in the display to alert you.
The treadmill will then automatically adjust to the
speed and incline settings for the next segment.
The workout will continue in this way until the last
segment of the profile flashes in the display and the
last segment ends. The walking belt will then slow
to a stop.
If the speed or incline setting for the current seg-
ment is too high or too low, you can manually over-
ride the setting by pressing the Speed and Incline
buttons; however, when the current segment of
the workout ends, the treadmill will automati-
cally adjust to the speed and incline settings
for the next segment.
To stop the workout at any time, press the Stop
button. To restart the workout, press the Start but-
ton or the Speed increase button. The walking belt
will begin to move at 1 mph. When the next seg-
ment of the workout begins, the treadmill will auto-
matically adjust to the speed and incline settings
for that segment.
4. Follow your progress with the displays.
See step 5 on page 17.
5. Measure your heart rate if desired.
.
See step 6 on page 17.
When you are finished exercising, remove the
key from the console.
See step 7 on page 17.
18

THE INFORMATION MODE HOW TO USE THE SOUND SYSTEM
The console features an information mode that keeps
track of treadmill usage information and allows you to
select a unit of measurement for the console. You can
also turn on and turn off the display demo mode.
To select the information mode, insert the key into the
console while holding down the Stop button. Then,
release the Stop button. When the information mode is
selected, the following information will be shown:
The upper display will show
the total number of hours
that the treadmill has been
used. ;32
The lower left display will show the total number of
miles or kilometers that the walking belt has moved.
An "E" for English miles or an "M" for metric kilometers
will appear in the lower right display. Press the Speed
increase button to change the unit of measurement, if
desired.
The console features a display demo mode, designed
to be used if the treadmill is displayed in a store. While
the demo mode is turned on, the console will function
normally when you plug in the power cord, press the
power switch into the reset position, and insert the key
into the console. However, when you remove the key,
the displays will remain lit, although the buttons will
not function. If the demo mode is turned on, a "d" will
appear in the lower right display while the informa-
tion mode is selected. To turn on or turn off the demo
mode, press the Speed decrease button.
To exit the information mode, remove the key from the
console.
To play music or audio books through the console
sound system while you exercise, plug a 3.5 mm male
to 3.5 mm male audio cable (not included) into the jack
on the console and into a jack on your MP3 player,
CD player, or other personal audio player; make sure
that the audio cable is fully plugged in. Note: To
purchase an audio cable, see your local electronics
store.
Next, press the play button on your personal audio
player. Adjust the volume level using the volume con-
trol on your personal audio player.
If you are using a personal CD player and the CD
skips, set the CD player on the floor or another flat
surface instead of on the console.
HOW TO USE THE UPPER BODY ARMS
As you walk on the treadmill, you can hold the hand-
rails or use the upper body arms. To exercise your
arms, shoulders, and back for a total body workout,
move the upper body arms forward and backward as
you walk on the treadmill.
To vary the intensity of your upper body exercise, the
resistance of the upper body arms can be adjusted. To
increase the resistance, turn the resistance knobs
clockwise; to decrease the resistance, turn the knobs
counterclockwise.
19

HOW TO FOLD AND MOVE THE TREADMILL
HOW TO FOLD THE TREADMILL
Before folding the treadmill, adjust the incline to
zero. If you do not do this, you may damage the
treadmill when you fold it. Remove the key and
unplug the power cord. CAUTION: You must be able
to safely lift 45 Ibs. (20 kg) to raise, lower, or move
the treadmill.
,Hold the metal frame firmly in the location shown
by the arrow below. CAUTION: Do not hold the
frame by the plastic foot rails. Bend your legs
and keep your back straight.
Frame
,Hold the frame firmly with your right hand. Pull the
latch knob to the left and hold it. Raise the frame
until the hole in the platform cushion is aligned with
the latch pin. Then, slowly release the latch knob;
make sure that the latch pin is fully inserted
into the platform cushion.
2
Engaged
Platform
To protect the floor or carpet, place a mat under the
treadmill. Keep the treadmill out of direct sunlight.
Do not leave the treadmill in the storage position in
temperatures above 85° F (30° C).
HOW TO MOVE THE TREADMILL
Before moving the treadmill, fold it as described at the
left. CAUTION: Make sure that the latch pin is fully
inserted into the platform cushion.. Moving the
treadmill may require two people.
1. Hold the frame and one of the handrails, and place
one foot against a wheel.
Frame
Handrail
Wheel
,Pull back on the handrail until the treadmill will roll
on the wheels, and carefully move it to the desired
location. CAUTION: Do not move the treadmill
without tipping it back, do not pull on the frame,
and do not move the treadmill over an uneven
surface.
3. Place one foot against a wheel, and carefully lower
the treadmill.
HOW TO LOWER THE TREADMILL FOR USE
,
,
See drawing 2. Hold the upper end of the treadmill
with your right hand. Pull the latch knob to the left
and hold it. Next, lower the frame until it is past
the latch pin. Make sure that the pin does not hit
against the foot rail. Then, release the latch knob.
See drawing 1at the left. Hold the metal frame
firmly with both hands, and lower it to the floor.
CAUTION: Do not hold the frame by the plastic
foot rails, and do not drop the frame. Bend your
legs and keep your back straight.
20

TROUBLESHOOTING
Most treadmill problems can be solved by following
the simple steps below. Find the symptom that
applies, and follow the steps listed. If further assis-
tance is needed, see the back cover of this manual.
SYMPTOM: The power does not turn on
a, Make sure that the power cord is plugged into a
surge suppressor and that the surge suppressor
is plugged into a properly grounded outlet (see
page 14). Use only a surge suppressor that meets
all of the specifications described on page 15.
IMPORTANT: The treadmill is not compatible
with GFCI-equipped outlets and may not be
compatible with AFCI-equipped outlets.
b. After the power cord has been plugged in, make
sure that the key is inserted into the console.
C, Check the power switch located on the treadmill
frame near the power cord. If the switch protrudes
as shown, the switch has tripped. To reset the
power switch, wait for five minutes and then press
the switch back in.
c
Tripped Reset
SYMPTOM: The power turns off during use
a. Check the power switch (see the drawing above).
If the switch has tripped, wait for five minutes and
then press the switch back in.
b. Make sure that the power cord is plugged in. If the
power cord is plugged in, unplug it, wait for five
minutes, and then plug it back in.
c. Remove the key from the console, and then
reinsert it.
d. If the treadmill still will not run, please see the back
cover of this manual.
SYMPTOM: The console displays remain lit when
you remove the key from the console
a. The console features a display demo mode,
designed to be used if the treadmill is displayed in
a store. If the displays remain lit when you remove
the key, the demo mode is turned on. To turn off
the demo mode, hold down the Stop button for a
few seconds. If the displays are still lit, see THE
INFORMATION MODE on page 19 to turn off the
demo mode.
SYMPTOM: The incline of the treadmill does not
change correctly
a, Hold down the Stop button and the Speed increase
button, insert the key into the console, and then
release the Stop button and the Speed increase
button. Next, press the Stop button and then
press the Incline increase or decrease button. The
treadmill will automatically rise to the maximum
incline level and then return to the minimum level.
This will recalibrate the incline system. If the incline
system does not begin calibrating, press the Stop
button again, and then press the Incline increase or
decrease button again. When the incline system is
calibrated, remove the key from the console.
SYMPTOM: The upper body arms squeak during
use
a, (Note: Correcting this problem requires a small
amount of marine grease, available at hardware
stores.) Turn the resistance knob (A) counterclock-
wise and remove it. Next, remove the resistance
cone (B) and the upper body arm (C), along with
the resistance plate (D), plastic spacer (E), spring
washer (F), washers (G), and thrust bearing (H).
(Note: If the resistance plate comes out of the
resistance cone, press it back in.) Apply a thin layer
of white marine grease to the outer surface of the
resistance cone. Then reattach all parts in the order
shown below.
E
D
F
G
H
21

SYMPTOM: The walking belt slows when walked on
a. Use only a surge suppressor that meets all of the
specifications described on page 14.
b, If the walking belt is overtightened, treadmill per-
formance may decrease and the walking belt may
become damaged. Remove the key and UNPLUG
THE POWER CORD. Using the hex key, turn both
idler roller screws counterclockwise, 1/4 of a turn.
When the walking belt is properly tightened, you
should be able to lift each edge of the walking belt
2 to 3 in. (5 to 7 cm) off the walking platform. Be
careful to keep the walking belt centered. Then,
plug in the power cord, insert the key, and run the
treadmill for a few minutes. Repeat until the walk-
ing belt is properly tightened.
Idler Roller Screws
C,
d,
Your treadmill features a walking belt coated with
high-performance lubricant. IMPORTANT: Never
apply silicone spray or other substances to
the walking belt or the walking platform unless
instructed to do so by an authorized service
representative. Such substances may deterio-
rate the walking belt and cause excessive wear.
If you suspect that the walking belt needs more
lubricant, see the back cover of this manual.
If the walking belt still slows when walked on, see
the back cover of this manual.
SYMPTOM: The walking belt is off-center or slips
when walked on
a, If the walking belt is off-center, first remove the
key and UNPLUG THE POWER CORD. If the
walking belt has shifted to the left, use the hex
key to turn the left idler roller screw clockwise 1/2
of a turn; if the walking belt has shifted to the
right, turn the left idler roller screw counterclock-
wise 1/2 of a turn. Be careful not to overtighten the
walking belt. Then, plug in the power cord, insert
the key, and run the treadmill for a few minutes.
Repeat until the walking belt is centered.
a
b, If the walking belt slips when walked on, first
remove the key and UNPLUG THE POWER
CORD. Using the hex key, turn both idler roller
screws clockwise, 1/4 of a turn. When the walk-
ing belt is correctly tightened, you should be able
to lift each edge of the walking belt 2 to 3 in. (5 to
7 cm) off the walking platform. Be careful to keep
the walking belt centered. Then, plug in the power
cord, insert the key, and carefully walk on the
treadmill for a few minutes. Repeat until the walk-
ing belt is properly tightened.
b
22

EXERCISE GUIDELINES
These guidelines will help you to plan your exercise
program. For detailed exercise information, obtain a
reputable book or consult your physician. Remember,
proper nutrition and adequate rest are essential for
successful results.
EXERCISE INTENSITY
Whether your goal is to burn fat or to strengthen your
cardiovascular system, exercising at the proper inten-
sity is the key to achieving results. You can use your
heart rate as a guide to find the proper intensity level.
The chart below shows recommended heart rates for
fat burning and aerobic exercise.
165 155 145 140 130 125 115 _W_
145 138 130 125 118 110 103 q,@)
125 120 115 110 105 95 90
20 30 40 50 60 70 80
To find the proper intensity level, find your age at the
bottom of the chart (ages are rounded off to the near-
est ten years). The three numbers listed above your
age define your "training zone." The lowest number is
the heart rate for fat burning, the middle number is the
heart rate for maximum fat burning, and the highest
number is the heart rate for aerobic exercise.
Burning Fat--To burn fat effectively, you must exer-
cise at a low intensity level for a sustained period of
time. During the first few minutes of exercise, your
body uses carbohydrate calories for energy. Only after
the first few minutes of exercise does your body begin
to use stored fat calories for energy. If your goal is to
burn fat, adjust the intensity of your exercise until your
heart rate is near the lowest number in your training
zone. For maximum fat burning, exercise with your
heart rate near the middle number in your training
zone.
Aerobic Exercise--If your goal is to strengthen your
cardiovascular system, you must perform aerobic
exercise, which is activity that requires large amounts
of oxygen for prolonged periods of time. For aerobic
exercise, adjust the intensity of your exercise until your
heart rate is near the highest number in your training
zone.
WORKOUT GUIDELINES
Warming Up--Start with 5 to 10 minutes of stretch-
ing and light exercise. A warm-up increases your body
temperature, heart rate, and circulation in preparation
for exercise.
Training Zone Exercise--Exercise for 20 to 30 min-
utes with your heart rate in your training zone. (During
the first few weeks of your exercise program, do not
keep your heart rate in your training zone for longer
than 20 minutes.) Breathe regularly and deeply as you
exercise; never hold your breath.
Cooling Down--Finish with 5 to 10 minutes of stretch-
ing. Stretching increases the flexibility of your muscles
and helps to prevent post-exercise problems.
EXERClSE FREQUENCY
To maintain or improve your condition, complete three
workouts each week, with at least one day of rest
between workouts. After a few months of regular exer-
cise, you may complete up to five workouts each week,
if desired. Remember, the key to success is to make
exercise a regular and enjoyable part of your everyday
life.
23

SUGGESTED STRETCHES
The correct form for several basic stretches is shown at the right. Move slowly as you stretch--never bounce.
1. Toe Touch Stretch
Stand with your knees bent slightly and slowly bend forward from
your hips. Allow your back and shoulders to relax as you reach down
toward your toes as far as possible. Hold for 15 counts, then relax.
Repeat 3 times. Stretches: Hamstrings, back of knees and back.
2. Hamstring Stretch
Sit with one leg extended. Bring the sole of the opposite foot toward
you and rest it against the inner thigh of your extended leg. Reach
toward your toes as far as possible. Hold for 15 counts, then relax.
Repeat 3 times for each leg. Stretches: Hamstrings, lower back and
groin.
3. Calf/Achilles Stretch
With one leg in front of the other, reach forward and place your hands
against a wall. Keep your back leg straight and your back foot flat
on the floor. Bend your front leg, lean forward and move your hips
toward the wall. Hold for 15 counts, then relax. Repeat 3 times for
each leg. To cause further stretching of the achilles tendons, bend
your back leg as well. Stretches: Calves, achilles tendons and ankles.
4. Quadriceps Stretch
With one hand against a wall for balance, reach back and grasp one
foot with your other hand. Bring your heel as close to your buttocks
as possible. Hold for 15 counts, then relax. Repeat 3 times for each
leg. Stretches: Quadriceps and hip muscles.
5. Inner Thigh Stretch
Sit with the soles of your feet together and your knees outward.
Pull your feet toward your groin area as far as possible. Hold for 15
counts, then relax. Repeat 3 times. Stretches: Quadriceps and hip
muscles.
5
24

NOTES
25

NOTES
26

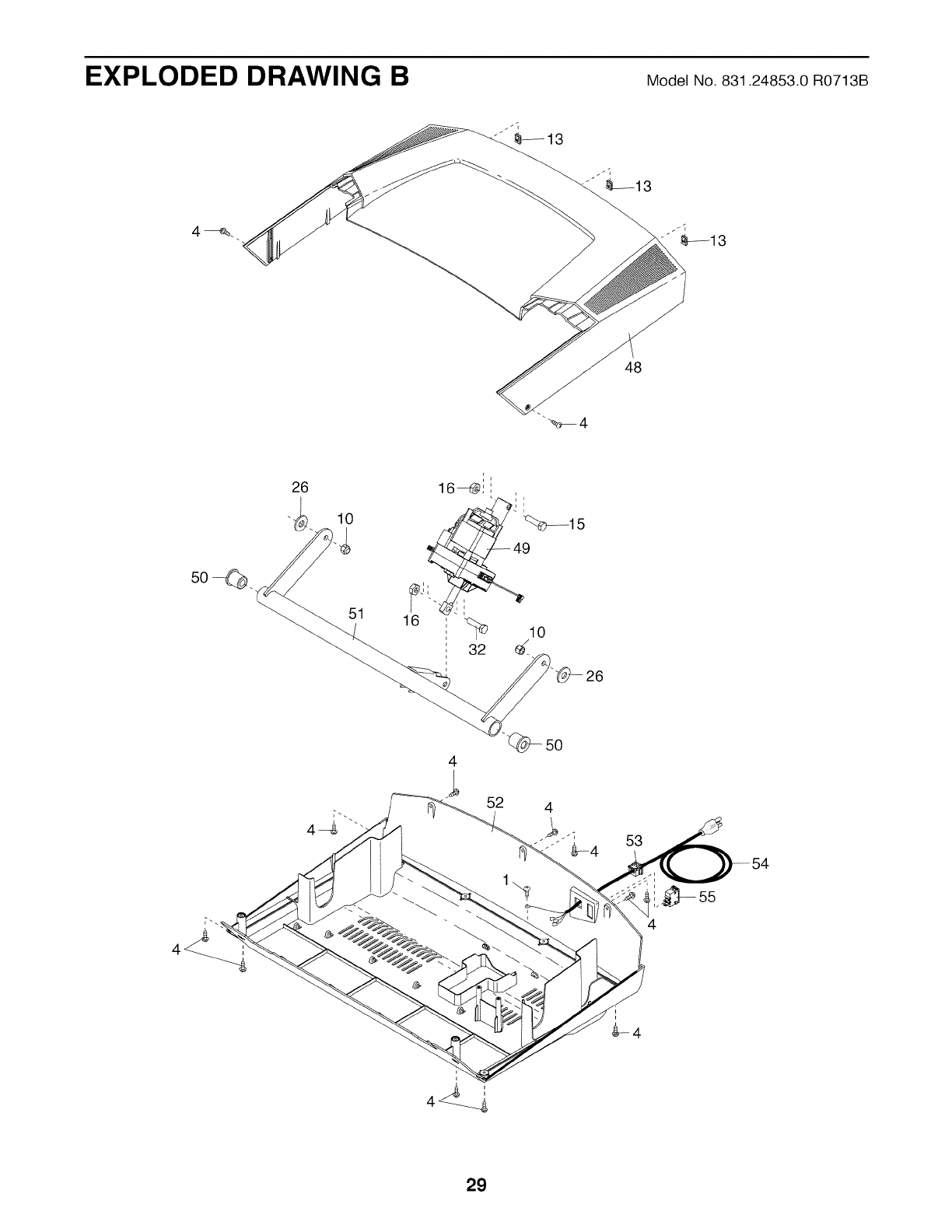
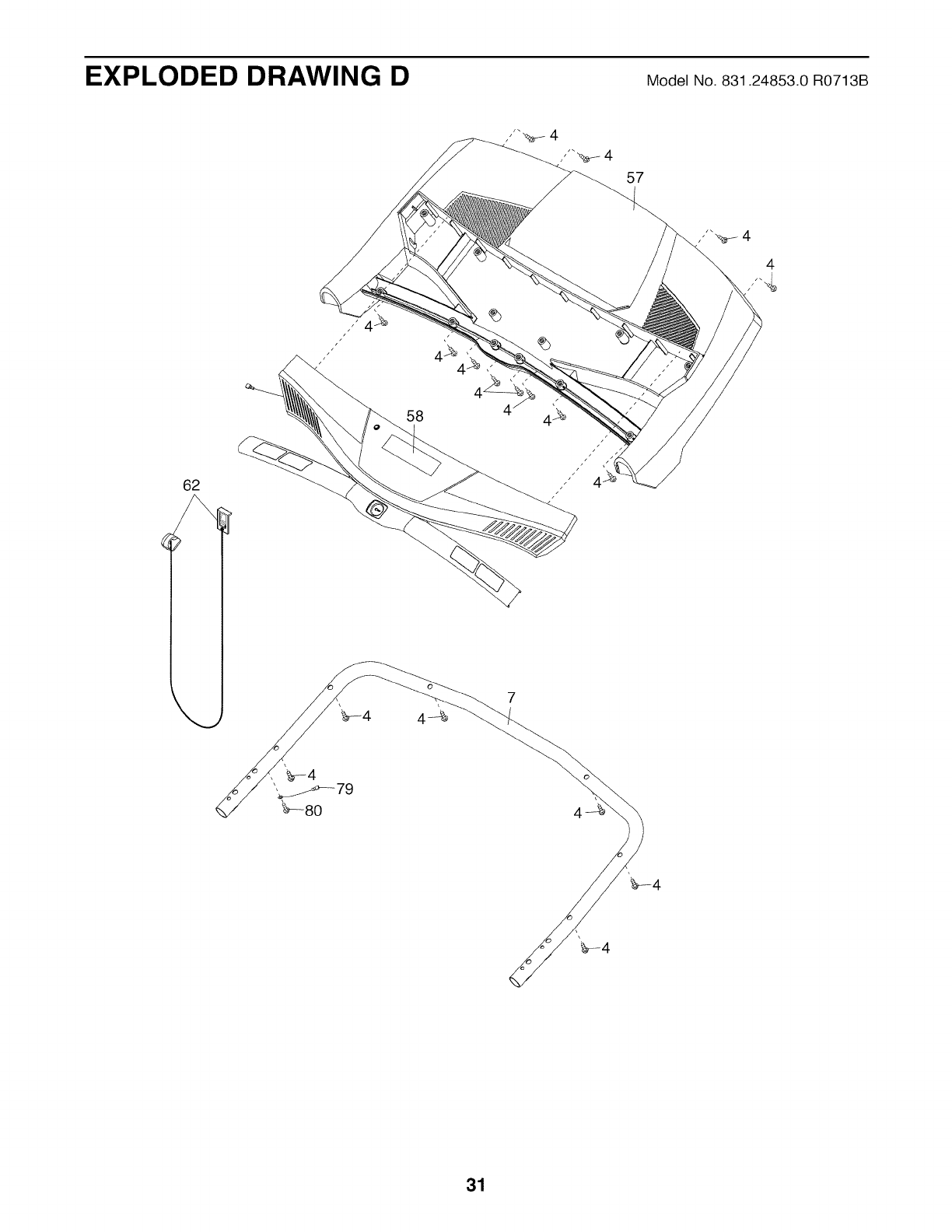
PART LIST Model No. 831.24853.0 R0713B
Key No. Qty. Description Key No. Qty. Description
1 8 #8 x 1/2" Ground Screw 45 1 Drive Motor Belt
2 6 3/8" x 3 1/4" Screw 46 1 Right Rear Foot
3 10 3/8" Star Washer 47 8 #10 Flat Washer
4 43 #8 x 3/4" Screw 48 1 Motor Hood
5 4 1/4" x 1" Screw 49 1 Incline Motor
6 4 5/16" Star Washer 50 2 Lift Frame Bushing
7 1 Console Frame 51 1 Lift Frame
8 2 #10 x 3/4" Screw 52 1 Belly Pan
9 2 3/8" x 2 1/2" Bolt 53 1 Power Cord Grommet
10 4 3/8" Nut 54 1 Power Cord
11 2 M6 x 55mm Screw 55 1 Power Switch
12 2 3/8" x 1" Bolt 56 2 #10 x 3/4" Insert Screw
13 3 Hood Clip 57 1 Console
14 6 #8 x 3/4" Truss Head Screw 58 1 Console Base
15 1 3/8" x 1 3/4" Bolt 59 1 Left Handrail
16 2 3/8" Jam Nut 60 2 Handrail Cap
17 2 1/4" x 3/8" Screw 61 8 1/4" External Star Washer
18 4 #8 x 1/2" Screw 62 1 Key/Clip
19 4 5/16" x 1 1/2" Bolt 63 1 Upright Wire
20 4 5/16" Nut 64 1 Right Handrail
21 2 #8 x 1/2" Pan Head Screw 65 2 Lift Frame Pin
22 2 #8 Star Washer 66 1 Left Upright
23 8 #8 x 5/8" Screw 67 1 Latch Housing
24 2 Drive Roller Washer 68 1 Latch Pin Assembly
25 2 1/4" x 1 1/4" Screw 69 2 Warning Decal
26 2 Incline Frame Washer 70 4 Base Cap
27 1 Left Foot Rail 71 2 Thick Base Pad
28 4 Platform Cushion 72 2 Thin Base Pad
29 1 Caution Decal 73 2 Upright Grommet
30 2 Belt Guide 74 1 Base
31 1 Drive Roller/Pulley 75 2 Wheel
32 1 3/8" x 1 1/2" Bolt 76 1 Right Upright
33 4 1/4" x 3 1/2" Screw 77 4 1/4" x 1 1/4" Screw
34 12 #8 x 3/4" Tek Screw 78 4 5/16" x 3 1/5" Screw
35 1 Drive Motor 79 1 Console Ground Wire
36 1 Controller 80 1 M4.2 x 8mm Screw
37 1 Controller Plate 81 1 Left Upper Body Arm
38 1 Frame 82 1 Right Upper Body Arm
39 1 Walking Platform 83 1 Left Tray Bracket
40 1 Walking Belt 84 1 Right Tray Bracket
41 1 Right Foot Rail 85 2 Upper Body Arm Insert
42 1 Idler Roller 86 1 Tray
43 1 Left Rear Foot * - User's Manual
44 4 Wire Tie
Note: Specifications are subject to change without notice. For information about ordering replacement parts, see
the back cover of this manual. If a part is missing, call 1-888-533-1333. *These parts are not illustrated.
27

27
42
46
25
65 24
o
35
31
24
40
39
o
41
I"11
X
"13
I--
0
I"11
6")
o
o_
('D
z
o
oo
03
i,o
(30
0"1
03
0
",4
03
133

EXPLODED DRAWING B Model No. 831.24853.0 R0713B
4_.
48
26
10
51 16
26
52 4
53
4
29

EXPLODED DRAWING C Model No. 831.24853.0 R0713B
60 86
68
421
9
70
67
61
33
44
69
85
10 75
60
74
73
63
78
64
85-_
69
56
3
7O
72 _34
30

EXPLODED DRAWING D Model No. 831.24853.0 R0713B
4
62
7
31

!i!i!i!i!i!i!i!i!i!i!i!i!i i
Your Home
For repair--in your home--of all major brand appliances, lawn and garden equipment,
or heating and cooling systems, no matter who made it, no matter who sold it!
For the replacement parts, accessories, and user's manuals that you need to do-it-yourself.
For Sears professional installation of home appliances
and items like garage door openers and water heaters.
1-800-4-MY-HOM E®(1-800-469-4663)
Call anytime, day or night (U.S.A. and Canada)
www.sears.com www.sears.ca
Our Home
For repair of carry-in items like vacuums, lawn equipment,
and electronics, call or go on-line for the location of your nearest
Sears Parts & Repair Center.
1-800-488-1222 Call anytime, day or night (U.S.A. only)
www.sears.com
To purchase a protection agreement (U.S.A.)
or maintenance agreement (Canada) on a product serviced by Sears:
1-800-827-6655 (U.S.A.) 1-800-361-6665 (Canada)
Para pedir servicio de reparaci6n adom icilio, y para ordenar piezas:
1-888-SU-HOGAR _ (1-888-784-6427) ......
Sears
® Registered Trademark /TM Trademark /SMService Mark of Sears Brands, LLC
® Mama Registrada /TMMarca de Fb.brica /SMMarca de Servicio de Sears Brands, LLC
90-DAY FULL WARRANTY
f
If this Sears Treadmill Exerciser fails due to a defect in material or workmanship within 90 days of the
date of purchase, call 1-800-4-MY-HOME _ (1-800-469-4663) to arrange for free repair (or replacement
if repair proves impossible). The frame and drive motor are warranted for five (5) years from the date of
purchase.
This warranty does not apply when the Treadmill Exerciser is used commercially or for rental purposes.
This warranty gives you specific legal rights, and you may also have other rights which vary from state to
state,
Sears, Roebuck and Co., Hoffman Estates, IL 60179
Part No. 347933 R0713B Printed in China © 2013 ICON IP, Inc.