Proform 831297231 User Manual CROSS WALK TREADMILL Manuals And Guides 99020096
PROFORM Treadmill Manual 99020096 PROFORM Treadmill Owner's Manual, PROFORM Treadmill installation guides
User Manual: Proform 831297231 831297231 PROFORM CROSS WALK TREADMILL - Manuals and Guides View the owners manual for your PROFORM CROSS WALK TREADMILL #831297231. Home:Fitness Equipment Parts:Proform Parts:Proform CROSS WALK TREADMILL Manual
Open the PDF directly: View PDF
.
Page Count: 16

PRO'FORM" •
CROS;S
D U .A L "" M O T I O N "' C R O S S
IK
"_ T R A I N ER
8E/ARS
Model No. 831.297231
Serial No.
The serialnumbercan be foundinthe
locationshownbelow.Write theserial
numberinthe space above.
Serial "
Number
EOUIPM ENT
[_1 LIiI::II-1 II/ [e] I_11,
HEL. PLI N E!
/-800-72,6-6879
OWNER'S MANUAL
SEARS, ROEBUCK AND CO., HOFFMAN ESTATES, IL 60179

TABLE OF CONTENTS
FULL 90 DAY WARRANTY ................................................................... 2
:: :: : ::::::::: ::::...............................
OPERATIONA_Ib'ADJLI'S'I_ME'I_ " .::.: ......... i:: .... ::::::::::::::::::::::::::::::: .5.5
TROUBLE-SHOOTING AND MAINTENANCE ........................................... 9
CONDITIONING GUIDELINES ....................................................... 11
PART LIST ....................................................................... 14
EXPLODED DRAWING ....................... ..., ................................... 15
ORDERING REPLACEMENT PARTS .. ................................................ Back Cover
I FULL 90 DAY WARRANTY
For 90 days from the date of purchase, if failure occurs due to defect in material or workmanship in this
SEARS TREADMILL EXERCISER, contact the nearest SEARS Service Center throughout the United
States and SEARS will repair or replace the TREADMILL EXERCISER, free of charge.
This warranty does not apply when the TREADMILL EXERCISER is used commercially or for rental pur-
poses.
This warranty gives you specific legal rights, and you may also have other dghts which vary from state
to state.
SEARS, ROEBUCK AND CO., DEPT. 817WA, HOFFMAN ESTATES, IL 60179
2_

IMPORTANT PRECAUTIONS

BEFORE YOU BEGIN
Congratulations for selecting the PROFORM =CROSS
WALK Dual Motion Cross Trainer.
The CROSS WALK combines the best features of
todays most popular home exercise equipment in one
compact unit.The natural motion and versatility of
treadmills have made them the most popular way to
get an effective lower body and cardiovascular work-
out. Now with the dual motion design of the CROSS
WALK, you can get a complete upper body workout
as well. And the adjustability of the CROSS WALK
allows every user to work at their own level. Whether
you are a beginner or a seasoned athlete, you'll enjoy
the performance and uncompromising quality that
only the CROSS WALK offers.
For your benefit, read this manual carefully before
using the CROSS WALK. If you have additional
questions, please call our toll-free HELPLINE at
1-800-736-6879, Monday through Satu_'day, 7 a.m.
until 7 p.m. Central Time (excluding holidays). To help
us assist you, please note the product model number
and serial number before calling. The model number
is 831.297231. The serial number can be found on a
decal attached to the CROSS WALK (see the drawing
on the front cover for the location of the decal).
Before reading further, please review the drawing
below and farniliadze yourself w_ththe parts that are
labeled.
FRONT
Upper Body Arms
_L_..__ Speed Control
Knob
C°nsele"_" _ _ _ _Key/Chp
Resistance qTabs
Motor :
Walking Belt
Walking Platform
Foot Rail /
Power Cord /LEFT SIDE Rear Leg
BACK
Adjustment Belts
4 Note: The rear leg pad may mark some types of linoleum. Mild household cleaning agents will remove any marks.

ASSEMBLY
The CROSS WALK b shipped inthe compact stowaway position. Set the CROSS WALK in a cleared area and
remove all packing materials. Make sure that all parts have been removed before you dispose of the pack°
ing materials. Follow the instructionsbelow to convert the CROSS WALK to the operating position. No tools are
required.
1. Raise the Upright (10) to the vertical position. Slide the Lock Knob
Washer (78) onto the LockKnob (77) and tighten the Lock Knob .
into the UprighL
77
2. Remove the paper backing fromthe Wrench Clip (65). press the
Wrench Clip onto the Right Roller Bracket (62) in the indicated
location. Press the Allen Wrench (66) into the Wrench Clip.
Make sure that all pads are tightenedsecurely before you use the
treadmill. The use of the remaining parts will be described in other
sections of this manual. Note: To protect the floor or carpet fro m
damage, place a mat under the treadmill.
OPERATION AND ADJUSTMENT
HOW TO INSTALL BATTERIES IN THE CONSOLE
The console requires two "AA" batteries (not included) for the
motivational fitness monitor to operate; alkaline batteries are rec-
ommended.
To installbatteries, firstslide the battery cover open (see the draw-
ing at the right). Remove the batteryclip from the console. Find the
maridngs inside the battery clip showingwhich direction the batter-
ies should be turned. Press the batteries into the battery clip.
Replace the battery clip in the console and close the battery cover.
Battery.Cover
• . _Battery Clip
,ooo.

THE PERFORMANT LUBE TM WALKING BELT
Your treadmill features a walking belt coated with
PERFORMANT LUBE TM, e hight_erformanca lubricanL
IMPORTANT: Never apply silicone spray or other
substances to the walking belt or the walking plat-
form. They will deteriorate the walking belt and
eause excessive wear.
HOW TO PLUG IN THE POWER CORD
riskof electric shock. This product is equipped with a
cord having an equipment-grounding conductor and a
grounding plug. Plug the power cord into a surge
protector, and plug the surge protector Into an
appropriate outlet that is properly installed and
grounded in accordance with all local codes and
ordinances.
This product is for use on a nominal 120-voltcircuit,
and has a grounding plug that looks like the plug Hlus-
trated in drawing 1 below. A temporary adapter that
looks like the adapter illustrated in drawing 2 may be
used to connect the surge protector to a 2-pole recep-
tacle as shown in drawing 2 if a pmpedy grounded out-
let is not available.
Your treadmill, like any other type of sophisticated
electronic equipment, can be seriously damaged by
sudden voltage changes In your home's power.
Voltage surges, spies, and noise interference can
result from weather conditions or from other appli-
ances being turned on
or off. To decrease the
possibnity of your 1
treadmill being dam-
aged, always use a
surge protector (not
included) with your
treadmill.
Surge protectors are
sold at most hardware
stores and department
stores. Use only a UL-
listed surge protector,
rated at 15 amps, with a
14-gauge cord of five "
feet or lees in length.
This product must be
grounded. If it should
malfunction or break
down, grounding pro-
vides a path of least
resistance for etectdc
current to reduce the
The temporary adapter should be used only until a
properly grounded outlet (drawing 1) can be installed
by a qualified electrician.
The green-colored rigid ear, tug, or the like extending
from the adapter must be connected to a permanent
ground such as a properly grounded outlet box cover.
Whenever the adapter is used it must be held in place
by a metal screw. Some 2-pole receptacle outlet box..
covers are not grounded. Contact a qualified elec- _
trlclan to determine if the outletbox cover Is
grounded before using an adapter.
i °
/Grounded Outlet Box
.//Grounding Pin
"_munding Plug
3rounded Outlet
Treadmill Power Cot,
___1/Grounded Outlet Box
Adapter
Grounding Pin
_( __Grounding Plug
Metal Screw
ge Protector
6

DIAGRAM O_ THE CONSOLE
Battery Cover-_ _" [,'! ....
MotJv_JonaJ _"le,_ Monitor _ _
Power Switch_-
Speed Control Knob
••mee
Yourtreadmillfeatures
adjustableincline,controlled
:with the inclineknobon the
J rightfootrail.See CHANG-
INGTHE INCLINE on page8.
The CROSS WALK features the innovative ACCUS-
MART console, designed to help you get the most
from your workouts. Please read the instructions
below before operating the console. Note: If there Is
athin sheet of clear plastic on the face of the con-
sole, remove It before operating the console.
HOW TO TURN ON THE POWER
Make sure that the power cord is properlyplugged in.
(See HOWTO PLUG IN THE POWER CORD on
page 6.)
Next, step onto the foot rails of the CROSS WALK and
hold the upper body arms. (See HOW TO OPERATE
THE UPPER BODY ARMS on page 8.) Locata the clip
attached by a cord to the key. Slide the clip onto your
waistband.
Insert the key into the power switch. The four displays
of the motivational fitness monitor will not appear until
the ON/CLEAR button is pressed or the walking belt
begins to move. (See CONTROLLING THE SPEED
OF THE WALKING BELT on this page.) Note: If bat-
teries were just installed, the four displayswill appear
already: .... ............ _ '
CONTROLLING THE SPEED OF THEWALKING BELT
The walking belt will be motionless each time the
power is turned on. To start the walking belt, first turn
the speed control knob to the "RESET" position. Next,
turn the knob slowly clockwise untilthe walking belt
begins to move at slow speed.
Step carefully onto the walking belt and begin exercis-
ing. Change the speed of the walking belt as desired
by turningthe speed control knob. To stop the walking
belt, turn the knob to the "RESET" position.
THE MOTIVATIONAL RTNESS MONITOR
The four displays of the motivational fitness monitor
provide instant exercise feedback. The displays are
described below, Note: The displays can be reset by
pressing the ON/CLEAR button.
•TIME--This display shows the elapsed time. Note:
When the walking belt is stopped, the TIME display
will pause after a few seconds.
•CALORIE--This display shows the approximate
number of nutritional-Calories that you have bumed.
•SPEED--This display shows the speed of the walk-
ing belt, in miles per hour.
•DISTANCE--This display shows the total distance
that you have walked or run, in miles.
Note: If the walking belt is stopped for about rive min-
utes, the four displays will be reset and will darken,
although the power will remain on. The displays will
appear again when the ON/CLEAR button _pressed,
or the walking belt Is restarted. ...... 7

HOW TO TURN OFF THE POWER
To turn off the power, remove the key from the con-
sole. The power indicator will darken. Store the key
in a secure location.
HOW TO OPERATE THE UPPER BODY ARMS
The upper body arms can be used in either the sta-
tionary position or the dual motion position.
To use the upper body arms in the stationary position,
Insed the lock pin through the arms and the upright
(see the drawing below). Important: If It is difficult
to Insert the lock pin, do not hit the end of the lock
pin; twist each upper body arm slightly In order to
align the holes. Do not twist the upper body arms
too far or the treadmill may be damaged.
Next, Insert the hairpin cotter into the end of the lock
pin. Firmly tighten the resistance control.
Lock Pin
Control
Lock
Cotter
Hairpin
Safety
To use the upper body arms in the dual motion posi-
tion, first make sure the resistance control is firmly
tightened. Remove the lock pin from the upper body
arms and the updght, and insert it through the safety
tabs at the base of the updghL Insert the hairpin cotter
into the lock pin.
In the dual motion position,you can move the arms
forward and back as you walk or run, exercising your
arms, back and shoulders for a total body workouL To
tailor the Intensity of your exercise, the resistance of
the arms can be changed. To increase the resistance,
turn the resistance control clockwise; to decrease the
resistance, turn the control counterclockwise.
CAUTION: Nways Insert the lock pin through the
safety tabs when using the upper body arms in
the dual motion position. If you fall while exercis-
Ing, the lock pin will limit the downward move-
ment of the arms. When the lock pin Is Inserted
through the safety tabs, do not lean on the upper
body arms or the lock pin may be damaged. If the
hairpin cotter is not attached to the lock pin as
Instructed, the lock pin may slip out, resulting in
Injury to the user.
CHANGING THE INCUNE
To vary the intensity of your exercise, the incline of
the treadmill can be changed. Before changing the
Incline, make sure that the walking belt is
stopped.
Knob
To increase the incline, stand with your left foot
towards the back of the left foot rail as shown
below. Using your rightfoot, press down the incline
knob on the dght foot rail, until the desired incline is
reached. To decrease the incline, stand with your
left foot towards the front of the left foot rail, and
press down the incline knob untilthe desired incline is
reached.
\

TROUBLE-SHOOTING AND MAINTENANCE
Most treadmill problems can be solved by following the simple steps below. Rnd the symptom that
applies, and follow the steps listed, ff further assistance Is needed, call our toll-frae HOTLINE at 1-800-
736-6879, Monday through Saturday, 7 a.m, until 7 p.m. Central Time (excluding holidays).
1. SYMPTOM: THE POWER DOES NOT TURN ON
a. Make sure that the power cord Is plugged into a surge protector, and that the surge protector Is plugged into
a proparly grounded ouUeL (See HOW TO PLUG IN THE POWER CORD on page 6.) Use only a UL-IIsted
surge protector, rated at 15 amps, with a 14-gauge cord of five feet or less in length.
b. Make sure that the key Is inserted fully into the console. Turn the speed c0ntrol knob to the "reset"position.
(See HOW TO TURN ON THE POWER onl_age 7.)
c. Check the circuit breaker located on the front of the frame.
The circuit breaker Is designed to protect the electrical sys-
tem. If the circuit breaker has tripped, the switch will protrude
as shown. To reset the circuit breaker, allow the CROSS
WALK to cool for five minutes, and then push the switch back
in. Tdpped Reset
2. SYMPTOM: THE POWER TURNS OFF DURING USE
a. Make sure that the power cord Is plugged in.
b. Check the circuitbreaker located on the front of the frame. If the circuitbreaker has tripped, the switch will
protrude. (See the drawing above.) To reset the circuit breaker, allow the CROSS WALK to cool for five min-
utes, and then push the switch back in.
c. Remove the key from the console. Reinsert the key fully into the console. Turn the speed control knob to the
"reset" position.
3. SYMPTOM: THE MOTIVATIONAL FITNESS MONITOR DOES NOT FUNCTION PROPERLY
a. Check the battedes in the console. (See HOW TO INSTALL BATTERIES IN THE CONSOLE on page 5.)
Most problems are the result of drained battedes.
•4. SYMPTOM: THE CROSS WALK DOES NOT INCLINE
a. Stand with your left foot towards the back of the foot rail while increasing the incline. Stand with your left foot
towards the front of the foot rail while decreasing the incline. You may need to raise and lower the treadmill
several times to break in the incline shock. (See CHANGING THE INCUNE on page 8.)
5. SYMPTOM: THE WALKING BELT SLOWS WHEN WALKED ON
a. Use only a UL-listed surge protector, rated at 15 amps, with a 14-gauge curd of five feet or less in length.
b. If the walking belt Is overtightoned, performance may be reduced
and the walking belt permanently damaged. UNPLUG THE
POWER CORD. Using the included allen wrench, tum both rear
roller adjustment bolts counterclockwise 114of a turn. When the
tension of the walking belt is correct, you should be able to lift
each side of the walking belt 2 to 3 inches; the center of the walk-
ing belt should just touch the surface of the walking platform. Be
sure to keep the walking belt cantered. Run the treadmill for a few
minutes. Repeat until the tension of the walking belt is correcL
_" Rear Roller
c. If the walking belt still slows when walked on, please call our toll-free HOTLINE.

6. SYMPTOM: THE WALKING BELT IS OFF-CENTER OR SLIPS
ao If the walking belt has shifted to the left, first remove the key and
UNPLUG THE POWER CORD. Using the allen wrench, turn the
left rear roller adjustment bolt clockwise, and the right bolt coun-
terolockwisa, 1/4 of aturn each. Be careful not to overtighten the
walking belt. Plug in the power cord, insert the key and run the
treadmill for a few minutes. Repeat untilthe belt is centered.
b. If the walking belt has shifted to the right, first remove the kay
•and UNPLUG THE POWER CORD. Using the allen wrench, turn
the left rear roller adjustment bolt counterclockwise, and the dght
bolt clockwise, 1/4 of a turn each. Be careful not to ove_ghten
the Walking bell Plug in the power cord, insert the key and run
the treadmill for a few minutes. Repeat until the belt is centered.
c. If the walking belt slips when walked on, first remove the key and
UNPLUG THE POWER CORD. Using the allen wrench, turn
both rear roller adjustment bolts clockwise, 1/4 of aturn. When
the walking belt is correctly tightened, you should be able to lift
each side of the walking belt 2-3 inches off the walking platform.
The canter of the walking belt should just touch the walking plat-
form. Be careful to keep the walking belt centered. Plug in the
power cord, insert the key and run the treadmill for a few min-
utes. Repeat until the walking belt is properly tightened.
7. SYMPTOM: IT IS DIFRCULT TO INSERT OR REMOVE THE LOCK PIN
a. It may be necessary to twist each upper body arm slightly in order to align the holes that the lock pin goes
through. Do not twist the upper body arms too far or you may damage the treadmill.
STORAGE
Before converting the CROSS WALK to the stowaway position,
turn the Resistance Control (15) counterclockwise until the
Control turns freely.
Unplug the power cord. Remove the Lock Knob (77) and Lock Knob
Washer (78) from the Updght (10). Lay the Updght and the Left and
Right Upper Body Arms (1, 2) on the walking belt. Keep the Lock
Knob and Washer in asecure location.
10

CONDITIONING GUIDELINES
The following guidelines will help you to plan your
exercise program. Remember that proper nutrition
and adequate rest are essential forsuccessful results.
_rogram,
EXERCISE INTENSITY
To maximize the benefits of exercising, it is important
to exercise with the proper intensity. The proper Inten-
sity level can be found by using your heart rate as a
guide. For effective aerobic exercise, your heart rate
should be maintained at a level between 70% and
85% of your maximum heart rate as you exercise.
This is known as your training zone. You can find your
training zone in the table below. Training zones are
listed for both unconditioned and conditioned persons
according to age.
Tralning Zone
Unconditioned Conditioned
Age (Beats/Min.) (Beats/MIn.)
20 138-167 133-162
25 136-166 132-160
30 135-164 130-158
35 134-162 129-156
40 132-161 127-155
45 131-159 125-153
50 129-156 124-150
55 127-155 122-149
60 125-153 121-147
65 125-151 119-145
70 123-150 118-144
75 122-147 117-142
80 120-146 115-140
85 118-144 114-139
During the first few months of your exercise program,
keep your heart rate near the low end of your training
zone as you exercise. After a few months, your heart
rate can be increased gradually untilit is near the mid-
dle of your training zone as you exercise.
To measure
your heart rate,
stop exercising
and place two
fingers on your
wrist es shown.
Take a six-sec-
ond heartbeat
coun_ and mul-
tiply theresuft
by10tofind
your heart rate. For example, if your six-second head-
beat count is 14, your heart rate is 140 beats per
minute. (A six-second count is used because your
heart rats will drop rapidly when you stop exercising.)
Adjust the Intensity of your exeri:lse until your head
rate is at the proper level.
WORKOUT GUIDEUNES
A well-roundadworkout includesthe followingthree
phases."
A warm-up phase, lasting 5 to 10 minutes. Begin
with slow, controlled stretches, and progress to more
rhythmicstretches to increase the body temperature,
heart rate and circulation in preparation for strenuous
exercise. Stretching also guards against muscle, ten-
don and ligament sprains. (See SUGGESTED
STRETCHES on page 13.)
A cardiovascular phase, including 20 to 30 minutes
of exercising with your heart rate in your training zone.
A cool-down phase, consisting of 5 to 10 minutes of
activitysimilar to that of the warm-up phase.
Thorough stretching offsets muscle contractions and
other problems caused when you stop exemising sud-
denly. Stretching for increased flexibility is often most
effective during this phase. This phase should leave
you.relaxedand comfortably tired.
Instead of waiting for aconvenient time to exercise,
plan aspecific time. The morning hours work well for
many, and the self-discipline required to dse early and
exercise often carries through the day to help
increase productivity in other areas. For some, exer-
rising before dinner initiates a period of winding down
from the day's activities. Whatever time you choose,
be consistentand stick with iL
To maintain or improve your condition, complete three
workouts each week, with at least one day of rest
between workouts. After a few months of regular exer-
cise, you may complete up to five workouts each
week, if desired. Remember, the key to success is ......
CONSISTENCY. t1

WORKOUT AI"I'IRE
Exemise dothing should be comfortable and allow
unrestdcted movemenL Do not wear rubhedzed or
plastic clothing that can interfere with the evaporation
of sweat from your skin. Always wear athletic shoes
that are flexible and provide good protectionand sup
port.
ADDITIONAL SUGGESTIONS
Creating a more active lifestyle,In additionto establish-
ing a regular exercise program, will help you to achieve
your fitness goals. It's easy to Improveyour lifestyleby
making afew changes in your daily routine:
Keep yourself moving throughout the day. Use the
stairs instead of the elevator. Park a half mile away
from work or get off the bus a couple of blocks
before your stop and walk the remaining distance.
•Increase midday productivity,creativity and energy
by replacing a heavy lunch with a lightmeal. Spend
the extra time in physical activity such as walking.
•Substitute manually-operetod devices for automatic
equipment such as lawn-care machinery, power
tools and snow removers.
Stop smoking; smoking nearly doubles the risk of
coronary heart d.iseese. (Framington Heart Study)
Reduce or eliminate alcohol consumption. Alcohol
Is a major cause of liver problems and other health
disorders. (Office of Disease Prevention and Health
Promotion)
•Reduce your Intake of faL Less than 30% of the
calodes you consume each day should coma from
fat. Excessive fat consumption has been linked to
numerous causes of death, includingheart disease
and cancer.
Know and keep a record of your cholesterollevel,
blood pressure and other health information.Keep
your blood pressure below 140/90; keeping it below
125/85 is preferable.
12

SUGGESTED STRETCHES
The following stretches can provide a good warm-up or cool-down. Con'ect form for each stretch isshown in the
drawings below. Move slowly as you stretch--never bounce.
TOE TOUCH STRETCH
Stand with your knees bent siightJy and slowly bend forward
from your hips. Allow your back and shouldem to relax as you
reach down toward your toes as far es poesible. Hold for 15
counts, then relax. Repeat 3 times.
Stretches: Hamstrings, back of knees and back.
HAMSTRING STRETCH
Sit with one leg extended. Bdng the sole of the opposite foot
toward you and rest it against the inner thigh of your extended
leg. Reach toward your toes as far as possible. Hold for 15
counts, then relax. Repeat 3 times for both legs.
Stretches: Hamstrings, lower back and gro'm.
CALF/ACHILLES STRETCH
With one leg in front of the other, reach forward and place your
hands against a wall. Keep your back leg straight and your
back foot fiat on the floor. Bend your front leg, lean forward and
move your hips toward the wail. Hold for 15 counts, then relax.
Repeat 3 times for both legs. To cause further stretching of the
achilles tendons, bend your back leg as well.
Stretches: Calves, achilles tendons and anldes.
QUADRICEPS STRETCH
With one hand against a wall for balance, reach back and
grasp one foot with your other hand. Bdng your heel as close to
your buttocks as possible. Hold for 15 counts, then relax.
Repeat 3 times for both legs.
Stretches: Quaddceps and hip muscles.
INNER THIGH STRETCH
Sit with the soles of your feet together and your knees outward.
Pull your feet toward your groin area as far as possible. Hold
for 15 counts, then relax. Repeat 3 times.
Stretches: Quadricops and hip muscles.

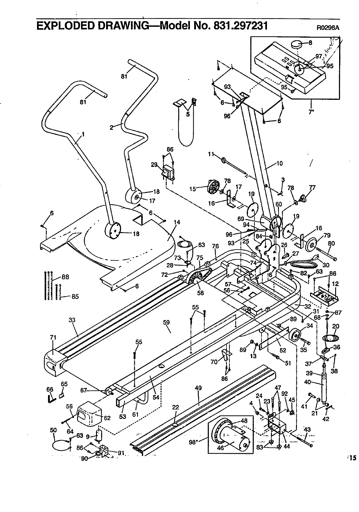
PART LIST--Model No. 831.297231
Key Part Key Part
No. No. Qty. Descdptlon No. No. Qty. Description
1 125260 1 Left Upper Body Arm/Foam/Housing 54 125266 1 'Walking Platform w/Fastener
2 125261 1 Right Upper Body Arm/Foam/Housing 55 100691 6 Platform Screw,
3 015044 1 Hairpin Cotter 56 014127 3 Roller Adjustment Washer
4 012108 1 Motor Swivel Nut 57 112609 1 Front Roller Adjustment Bolt
5 114575 1 Key/Clip 58 126110 1 Front Roller/Pulley
6 108404 10 Screw 59 124098 1 Walking Beftw/Fastener
7°127726 1 Consola/Pot/Y,.noWBattery Cover 60 121267 1 Upright Cover, Long
8 110000 1 Speed Control Knob 61 110407 1 RearLegPad
9 126242 1 Foot Incline Knob 62 125268 1 Right Endcap
10 121266 1 Upright 63 013300 3 Reed Switch Screw
11 121544 1 Look Pin 54 105444 2 Rear Roller Adjustment Bolt
12 109786 1 Controller 65 016028 1 WrenchClip
13 124009 2 Inclina Leg Washer 66 045010:1 AllenWranch
14 125263 1 Motor Hood w/Decal 67 110245 1 Rear Roller
15 116693 1 Resistance Control 68 014066 1 CablaWasher
16 110193 2 Friction Bracket 69 121268 1 Short Upright Cover
17 014087 2 Flat Washer 70 124318 2 Belt Guide
-16 122634 2 Upper Body Arm Housing 71 125267 1 Left Endcap
19 112286 2 Friction Plata 72 100498 1 Magnet
20 124301 1 incline Cable 73 115569 1 Reed Switch/Sensor Wire
21 126155 2 Shook Spacer 74 121272 1 Mechanism Cover
22 126243 1 Incline Knob Sleeve 75 118016 1 Belt
23 122812 1 Tension Washer. 76 016055 2 Wire Clip
24 013547 1 Tension Bolt 77 017088 1 LockKnob
25 113106 5 Hood Bracket 78 014156 2 Look Knob WashedControl Washer
26 109382 1 Circuit Breaker 79 121269 1 Friction Cover
27 124695 1 Grommet 80 109515 1 Pivot Bolt
28 014157 1 Reed Switch Washer 81 112023 2 Foam Grip
29 031238 1 Choke 82 101049 5 Hood Bracket Screw
30 124669 1 Power Cord 83 105477 2 Motor Nut
31 013162 8 Safety Cover Screw 84 111869 1 Cage Nut
82 125790 1 Safety cover 85 016029 2 4"Cabla'ria
33 125264 1 Left Foot Rail w/Fastener 86 120630 10 Belt Guide Screw/Bracket Screw
34 052014 2Front Wheel 87 012146 2 Cable Nut
35 117806 2 WheelBolt 88 016057 3 8"CableTle
36 118202 1 Shock Release 89 012056 4 Nut
37 115672 1 Shock Bracket 90 116435 1 Incline Lever
38 054016 1 E-Clip 91 124302 1 Incline Knob Bracket
39 059019 1 Shook Cushion 92 014117 1 MotorTension StarWasher
40 111436 1 Incline Shook 93 124615 1 Upright Wire Harness
41 106616 1 Shook Pin 94 113203 1 6" Cable Loom
42 106334 1 Cotter Pin 95 127727 1 Potentiometer
43 107508 1 Motor Pivot Bolt 96 124703 1 Pot Wire
44 122632 1 Motor Mount Bracket 97 110402 1 Battery Cover
45 120867 1 Motor Tension Nut 98* 124151 1 Motor/Pulley/Flywheel/Fan
46 124100 1 Motor #116131 1 Power Board WireHamess
47 113814 2 MotorBolt #107109 12 Fastener
48 112825 1 Pulley/Flywheel/Fan #124762 1 4" Black Wire, Male/Female
49 125265 1 Right Foot Rail w/Fastener # 107771 1 8" White Wire, Male/Female
50 114261 1 Motor Ground Wire #125824 1 Owner's Manual
51 121446 2 Incline Leg Bolt
52 121109 1 Incline Leg * Includes all the parts shown in the box.
53 NSP 1 't Frame- #tnd'_catesa non-Illustrated part. " "
Specifications are subject to change without notice. See the back cover for information about ordering
14 replacement parts..

EXPLODED DRAWING--Model No. 831.297231 R0296A
81
11
81
86
14
78
.-
17
7*
/
33
71
65
66
56
5O
°
.-
55
/
J
i
.-' 22
"62 53 61 .o"
58
55
49
86
52
47
44
21
i
_3
2O
38
42
i15 .

SE /A/RS
Model No, 831.297231
QUESTIONS?
If you find that:
• you need help assembling or
operating the CROSS WALK
• a part is missing
•or you need to schedule repair
service
call our toll-free HELPLINE
1-800-736-6879
Monday-Saturday, 7 am-7 pm
Central Time (excluding holidays)
REPLACEMENT PARTS
If parts become wornand need to
be replaced, call the following
toll-free number
1-800-FON-PART
(1-800-366-7278)
The model number and serial number of your PROFORM" CROSS
WALK Dual Motion Cross Trainer are listed on a decal attached to
the frame. See the front cover of this manual to find the location of
the decal.
All replacement parts are available for immediate purchase or
special order when you visit your nearest SEARS Service Center.
To request service or to order parts by telephone, call the toll-free
numbers listed at the left.
When requesting help or service, or ordering parts, please be pre-
pared to provide the following information:
• The NAME OF THE PRoDUcT (PROFORIvP CROSS WALK
Dual Motion Cross Trainer)
•The M(3DEL NUMBER OFTHE PRODUCT (831.297231)
•The PART NUMBER OF THE PART (see page 14 of this manual)
• The DESCRIPTION OF THE PART (see page 14 of this manual)_"=
SEARS, ROEBUCK AND CO., HOFFMAN ESTATES, IL 60179 USA
Part No. 125824 F0033AC R0296A Printed in USA © 1996 Sears, Roebud¢ and Co: