Proform 831299460 User Manual 730CS Manuals And Guides L0011133
PROFORM Treadmill Manual L0011133 PROFORM Treadmill Owner's Manual, PROFORM Treadmill installation guides
831.299460 L0011133
User Manual: Proform 831299460 831299460 PROFORM PROFORM 730CS - Manuals and Guides View the owners manual for your PROFORM PROFORM 730CS #831299460. Home:Fitness Equipment Parts:Proform Parts:Proform PROFORM 730CS Manual
Open the PDF directly: View PDF
.
Page Count: 26

PRO.FORM°74oc
Model No. 831.299460
Serial No.
Find the serial number in the location
shown below. Write the serial number
in the space above for reference,
Ex E F=_CISE_
EO U I PM ENT
H ELF' LI N E !
1-800-736-6879
SEARS, ROEBUCK AND CO.
HOFFMAN ESTATES, IL 60179
USER'S MANUAL
Patent Pending
_ii_i1: ',_"_":.'."_
x
il]::._#;]D,;#::_ ;"i_';_/,_A! _ i": :._
_nsi" n_ru_ ::
_w.proform.com
new products, prizes,
fitness tips, and much more!

P! O.FORM'740CS
TABLE OF CONTENTS
IMPORTANT PRECAUTIONS ................. ................................................ 3
BEFORE YOU BEGIN ....................................................................... 5
ASSEMBLY ............................................................................... 6
OPERATION AND ADJUSTMENT ............................................................. 8
HOW TO FOLD AND MOVE THE TREADMILL .................................................. 19
TROUBLE-SHOOTING ..................................................................... 20
CONDITIONING GUIDELINES ............................................................... 22
PART LIST ............................................................................... 23
ORDERING REPLACEMENT PARTS .................................................. Back Cover
FULL 90-DAY WARRANTY .......................... ............ •........... •...... ;.... Back Cover
Note: An EXPLODED DRAWING is attached in the center of this manual.
2

IMPORTANT PRECAUTIONS
_k.WAR NIN G: Toreduc_t,eriskotburn.tire.,_eotric,ho=_.orini,ryropersons,readthe
followinc important precautions and information before operating the treadmill.
it _ th_ res, por_$ibi|it_ of the owner to ensure
mat all users of this treadmill ere adequately
informed of all warnings and precautions_
2Use the treadmill only as described.
pat on of 450 LOUles.The surge suppressor
must be electrically rated for 120 volts i_€:_and
15 amps To purchase a,surge suppt:esso_', See
your local PROFORM dealer or ca 1t_800_366-
7278 and 0rder pa_n_lmber 1461_8.
3. Place 1he treadmill on • _ev_ _rf_co.w_.h _t
least e[ght feet of clearance behind it. Do not
place the treadmiif on any surface that blocks
ar openings To protect '_hefloor or o_Tpe'_
from damage place a mat under the ,treadmill
4. Kee_ the treadmill ndoors awa_J_ro_ mo s-
ture and dust. [_o not put the tre_admill in a
garage or covered patio, or near water.
t 2. Keep t_te power cord and the surge suppres-
sor awey from heated surfaces.
5. Do no_ operate the treadmill where aerosol 14. h
products are used or where oxygen is being
administered.
S. Keep children under the age of 12 and pets
away from the treadmill at all times.
? The treadmill should not be used by persons
weighing more than 250 pounds.
B. Never allow more than one person on the
treadmill at atime.
sudden lumps n speed.
ulse set al
wear _tg
ii;;_,_ii _ililiii_i_ii_'i_ii_:_i__ _:_!_i_!:ii_i_i_i_i_,
t I
into
or mo_'e ampS_
on the Same circuit. Do not use ar_e_(_nslorl
1 I, Use 0nt
isUL1
suppressor ITVSS). "_hesuT91_S_pP1;ess_ r
must have a uL SupPressed V01tag_iratirlg o! 20: Whed folding 0r moving
•"d: Sur_ ilia{ th_ store e la ch is fu ,
400 volts or less and a minimum sui_ge issF g

21.When using i-FIT.corn CD's and videos, an
electronic "chirping" sound will alert you .
when the speed and/or incline of the treadmill "'_
is about to change. Always listen for the
"chirp" and be prepared for spee_l and/or in-
cline changes. In some instances, the speed
and/or ncline may change before the per-
sonal tra ner describes the change. '
22. When using i-FIT.corn CD's and videos, you
can manually override the speed and inclirl_e
settings at any time by pressing the speed
and incline buttons. However. when the next
"chirp" is heard, the speed and/or incline will
Change to the next settings of the CD or video
program.
24. Inspect and tighten all i}arts of tlle treadmill
regularly.
25. Never insert or drop any object into any
opening.
26. DANGER: Always unplug the power
cordd immediately arm: use before Cleaning
the treadmill:,:ancl before performing the i_ain-
tenance and adjustment procedures de-
scribed n this manua _Never remove the
motor hood unless instructed to do so by an
authorized service representative. Servicing
other than the procedures in this manual
should be performed by an authorized service
usin -cia, rental, orinst tut ona setting.:
is es
damage
SAVE THESI
The decals shown below have been placed on your treadmill. If a decal is missing, or if it is not legible,
please call our toll-free HELPLINE to order a free replacement decal (see the front cover of this manual).
Apply the decal in the location shown.
Note: This decal is shown at 38% of actual size.
KEEPHANDSAND FEETAWAY
FROMTHIS AREA WHILETHE
TREADMILL IS IN OPERATION.
4

BEFORE YOU BEGIN
Thank you for selecting the revolutionary PROFORM ®
740CS treadmill. The 740CS treadmill combines ad-
vanced technology with innovative design to help you
get the most from your exercise program in the conve-
nience and privacy of your home. And when you're not
exercising, the unique 740CS can be folded up, requir-
ing less than half the floor space of other treadmills.
For your benefit, read this manual carefully before
using the treadmill. If you have additional questions,
please call our toil-free HELPLINE at 1-800-736-6879,
Monday through Saturday, 7 a.m. until 7 p.m. Central
Time (excluding holidays). To help us assist you,
please note the product model number and serial num-
ber before calling. The model number of the treadmill
is 831.299460. The serial number can be found on a
decal attached to the treadmill (see the front cover of
this manual for the location).
Before reading further, please review the drawing
below and familiarize yourself with the parts that are
labeled.
Water Bottle
Holder (Bottle
not included)
Pulse Sensor
Lock Knob
LEFT SIDE
Walking Belt
Book Holder
Console
Handrail
RIGHT SIDE
On/Off Switch
Circuit
Breaker
Foot
Rear Roller
Adjustment Bolts
Powe
Front
Wheel
Cushioned Walking Platform
5

ASSEMBLY
Assembly requires two people. Set the treadmill in a _;!eared area and remove all packing materials. Do not
dispose of the packing materials until assembly is completed. Assembly requires your own Phillips screw-
driver (_D ==,==_ .
Note: The underside of the treadmill walking belt is coated with high-performance lubricant. During shipping, a
small amount of lubricant may be transferred to the top of the walking belt or the shipping carton. This is a normal
condition and does not affect treadmill performance. If there is lubricant on top of the walking belt, simply wipe off
the lubricant with a soft cloth and a mild, non-abrasive cleaner.
1. With the help of a second person, carefully raise the
treadmill to the upright position.
While a second person tips the treadmill to one side
slightly and holds it, insert one of the Extension Legs
(103) into the treadmill as shown. Make sure that the
Extension Leg is turned so the Base Pad (97) is on the
bottom.
Next, tip the treadmill to the other side and ihsert the
other Extension Leg (not shown) inthe same way. Lower
the side of the treadmill so that both Extension Legs
(103) are resting flat on the floor.
97
2. With the help of a second person, carefully lower the
treadmill frame and then tip the Uprights (82) down as
shown. Make sure that the Extension Legs (103) re-
main in the Uprights.
Attach each Extension Leg (103) with two of the four
Screws (101) and a Base Pad (126) as shown.
Note: One replacement Base Pad (126) and Spacer (not
shown) are included. If a Base Pad (126) becomes worn
and needs to be replaced, use the replacement Base
Pad. If a Thick Base Pad (97) needs to be replaced, use
the replacement Base Pad with the Spacer,
-101
3. With the help of a second Person, carefully tip the
Uprights (82) back to the vertical position.
Attach the Latch Assembly (9) to the left Upright (82) with
the two 1/2" Screws (89).
3
89
-82
9
6

4. Find the plastic tie inside the post on the left Upright
(82). Insert the plastic tie through a Handrail Extension
(85) and insert the Handrail Extension into the post as
shown. Make sure that the indicated holes are on top. If
necessary, tap the Handrail Extension with a rubber mal-
let to fully insert it. Attach the Handrail Extension with
three of the eight Small Screws (76) as shown.
Identify the Left Foam Grip (110), which has a large
cutout inthe right side. Slide the Left Foam Grip as far as
possible onto the post on the left Upright (82).
5. Make sure that the Left Foam Grip (110) is flush with the
Console Base (87) as shown. Tighten a Small Screw (76)
into the side of the Left Foam Grip as shown.
Attach the Right Foam Grip (not shown) and the other
Handrail Extension (not shown) as described in step 4
anti this step. Note: There is no plastic tie in the righf
side,
4 Post
Cutout S
Plastic T_82
110
6. Refer to drawing 6a. Locate the left Rear Foot (59) on
the treadmill. If the left Rear Foot touches the floor, go to
step 7. If there is a space between the left Rear Foot and
the floor, follow the instructions below.
Hold the treadmill firmly with both hands, and raise the
treadmill to the storage position as described on page 19.
Refer to drawing 6b. Using a phillips screwdriver, remove
the Screw (60), the right Rear Foot (59), and the Rear
Foot Spacer (11 ) from the treadmill. Reattach the right
Rlili_ Foot without the Rear Foot Spacer. Hold the tread-
mill with both hands, and lower the treadmill as
described on page 19.
Check the left Rear Foot (59 [see drawing 6a]). If the left
Rear Foot is still off the floor, raise the treadmill and re-
move the left Rear Foot. Snap the Rear Foot Spacer (11 )
onto the left Rear Foot and reattach the left Rear Foot
and the Rear Foot Spacer. Carefully lower the treadmill.
6a
6b
59
6O
7. Make sure that all parts are tightened before you use the treadmill. Keep the includedallen wrench in a
secure place. The allen wrench is used to adjust the walking belt (see page 21). To protect the floor or carpet
from damage, place a mat under the treadmill:
7

OPERATION AND ADJUSTMENT
THE PERFORMANT LUBE TM WALKING BELT
Your treadmill features a walking belt coated with
PERFORMANT LUBE TM, a high-performance lubricant.
IMPORTANT: Never apply silicone spray or other
substances to the walking belt or the walking plat-
form. Such substances will deteriorate the walking
belt and cause excessive wear.
HOW TO PLUG IN THE POWER CORD
Your treadmill, like any other type of sophisticated
electronic equipment, can be seriously damaged by
sudden voltage changes in your home's power.
Voltage surges, spikes, and noise interference can
result from weather conditions or from other appliances
being turned on or off. To decrease the possibility of
your treadmill being damaged, always use a surge
suppressor with your treadmill (see drawing 1 at
the right).
' This product is for use on a nominal 120-volt circuit,
and has a grounding plug that looks like the plug illus-
trated in drawing 1 below, A temporary adapter that
looks like the adapter illustrated in drawing 2 may be
used to connect the surge suppressor to a 2-pole
receptacle as shown in drawing 2 if a properly
grounded outlet is not available.
_Grounded Outlet Box
_. I _SurgeSupp ressor
II _ I_'_I '::l;J Grounding Pin
-- Grounding Pin
" Grounded Outlet =inG/round_
_Grounded Outlet Box
_/_. _tl_'_dalter,. "_li;_--.._-'___SurgeSuppressor
Metal Screw _'_
To purchase a surge suppressor, see your local
PROFORM dealer or call toll-free 1-800-366-7278
and order part number 146148. Use only a single-
outlet surge suppressor that is UL 1449 listed as a
transient voltage surge suppressor (TVSS). The surge
suppressor must have aUL suppressed voltage rating
of 400 volts or less and a minimum surge dissipation of
450 joules. The surge suppressor must be electrically
rated for 120 volts AC and 15 amps.
This product must be grounded. If it should malfunc-
tion or break down, grounding provides a path of least
resistance for electric current to reduce the risk of elec-
tric shock. This product is equipped with a cord having
an equipment-grounding conductor and a grounding
plug. Plug the power cord into a surge suppressor,
and plug the surge suppressor into an appropriate
outlet that is properly installed and grounded in
accordance with all local codes and ordinances.
Important: The treadmill is not compatible with
GFCI-equipped outlets.
The temporary adapter should be used only until a
properly grounded outlet (drawing 1) can be installed
by a qualified electrician,
The green-colored rigid ear, lug, or the like extending
from the adapter must be connected to a permanent
ground such as a properly grounded outlet box cover.
Whenever the adapter is used it mbst be held in place
by a metal screw. Some 2-pole receptacle outlet box
covers are not grounded. Contact a qualified elec-
trician to determine if the outlet box cover is
grounded before using an adapter.
8

CONSOLE DIAGRAM
Manual/iFIT.com Indicators
Note: If there is a thin sheet of clear plastic
on the face of the console, remove it.
Displays Program Indicators
Speed Buttons
FEATURES OF THE CONSOLE
The treadmill console offers an impressive array of
featJ_s to help you get the most from your exercise.
Whe5 the console is in the manual mode, the speed
and incline of the treadmill can be controlled with a
touch of a button. As you exercise, the LED track and
the four displays will provide continuous exercise feed-
back. You can even measure your heart rate using the
built-in pulse sensor.
Six certified personal trainer programs are also offered.
Each program automatically controls the speed and in-
cline of the treadmill as it guides you through an effec-
tive workout.
The console also features advanced iFIT.com interac-
tive technology. IFIT.com technology is like having a
personal trainer right in your home. Using the included
audio cable, you can connect the treadmill to your
home stereo, portable stereo, or computer and play
special iFIT.com CD programs (CD's are available
separately). IFIT.com CD programs automatically con-
trol the speed and incline of the treadmill as a personal
trainer guides you through every step of your workout.
High-energy music provides added motivation. Each
CD features two different programs designed by certi-
fied personal trainers.
In addition, you can connect the treadmill to your VCR
and TV and play iFIT.com video programs (videocas-
settes are available separately). Video programs offer
the same benefits as iFIT.com CD programs, but add
the excitement of working out with a class and an in-
structor-the hottest new trend at health clubs.
With the treadmill connected to your computer, you
can also go to our new interact site at www.iFIT.com
and access even more programs. Choose from a se-
lection of basic programs that interactively control the
speed and incline of your treadmill to help you achieve
your personal exercise goals. Or, use iFIT.com audio
and video programs directly from our internet site. Visit
www.iFIT.com for complete details.
By adding an optional upgrade module to the treadmill,
you can use virtually endless features from our internet
site. See www.iFIT.com to learn about other iFIT.com
features. To purchase iFIT.com CD's, iFIT.com
videocaseettes, or an optional upgrade module,
call toll-free 1-800-735-0768. For information about
other optional accessories, see page 18.
To use the manual mode of the console, follow the
steps beginning on page 10. To use a personal trainer
program, see page 12 To use IFIT.com CD or video
programs, see page 15, To use iFIT.com programs
from our internet site, see page 17.
9

HOW TO TURN ON THE POWER
BPlug in the power cord (see HOW TO PLUG IN
THE POWER CORD on page 8). h _.
BLocate the on/off
switch on the front of
the treadmill. Make
sure the on/off switch
is in the on position. ony
Position
[_1 Stand on the foot rails
of the treadmill. Find
the clip attached to the
key, and slide the clip
securely onto the waist-
band of your clothing.
Test the clip by care-
fully taking a few steps backward until the key
is pulled from the console. If the key is not
pulled from the console, adjust the position of
the clip as needed.
Next, insert the key into the console. After a mo-
ment, the four displays, the LED track, and various
indicators on the console will light.
Note: The console can display speed and distance in
either miles or kilometers (see SPEED/MIN-MILE DIS-
PLAY on page 11). For simplicity, all instructions in this
manual refer to miles.
B Insert the key fully into the console.
See HOW TO TURN ON THE POWER above.
E!Select the manual mode.
When the key is in-
serted, the manual
mode will be selected
and the MANUAL indi-
cator will light, if a pro-
gram has been se-
lected, press the PROGRAM button repeatedly to
select the manual mode.
_Press the START button or the SPEED L_button
to start the walking belt.
A moment after the button is pressed, the walking
belt will begin to move at 1 mph. Hold the handrails
and carefully begin walking. As you exercise,
change the speed of the **_,,,_:_ ....
walking belt as desired by .......
pressing the SPEED _ ) ('(_) ('z3)L((',=,,_-(("
and _7buttons. To change
the speed setting quickly,
press the QUICK SPEED
buttons. Note: After the buttons are pressed, it
may take a moment for the treadmill to reach the
selected speed setting.
To stop the walking belt, press the STOP button.
The TIME display will begin to flash. To restart the
walking belt, press the START button or the
SPEED _ button.
B Change the incline of the treadmill as desired.
To change the
inclineof the
treadmill, press
the INCLINE
buttor_s: Each - .
time a button is
pressed, the in-
cline will change
_7_ @ e e eeoooo,_
!(
POWER INCUt_
Program0 J
_e
by 0.5%. The buttons can be held down to change
the incline quickly. Note: After the incline buttons
are pressed, it will take a moment for the treadmill
to reach the selected incline setting.
Note: In the incline display, the first indicator will
light when the incline is set at 1.5%. The second
indicator will light when the incline is set at 2% or
2.5%, the third indicator will light when the incline
is set at 3% or 3.5%, and so forth.
_"_ Follow your progress with the LED track and
the four displays.
The LED Track--The
LED track represents a
distance of 1/4 mile. As
you exercise, the indica-
torsaround the track will
lightone at a time until
you have completed 1/4
mile. Anew lap will then begin.
DISTANCE/LAPS dis-
play--This display shows
the distance that you
have walked or run and
the number of laps you
have completed (one lap
Arrow L03
DISTANCE LAp_
equals 1/4 mile). The display will alternate between
one number and the other every seven seconds,
as shown by the arrows in the display.
10

TiME display--When
the manual mode or an
iFIT.com program is
selected, this display
shows the elapsed time.
When a personal trainer
program is selected, this display shows both the
time remaining in the program and the time re-
maining in the current segment of the program.
The display will alternate between one number and
the other every seven seconds.
CALS/FAT CALS/
PULSE display--This
display shows the ap-
proximate numbers of
ca/odes and fat ca/ones
you have burned (see
FAT BURNING on page
22). Every seven seconds, the display will change
from one number to the other, as shown by the ar-
iows in the display. This display will also show
your heart rate when the pulse sensor is used (see
step 6 on this page).
CALS. FAT CALS.
SPEED/MIN-MILE
display--This display
shows the speed of the
walking bett and your
current pace (pace is
measured in minutes per
I 5.B1
SPE"_D MIN I MILE (kin)
mile). Every seven seconds, the display will
change from one number to the other, as shown
by the arrows in the display.
Note: The SPEED/MIN-MILE display can show
speed in either miles per hour or kilometers per
hour. To find which unit of measurement is se-
lected, hold down the STOP button while inserting
the key into the console.
An "E" for English miles
or an "M" for metric kilo-
_=eters will appear in the
display. Press the
SPEED ,,kbutton to
change the unit of mea-
IEl
SPEED MINI MILE (kin)
surement. When the desired unit of measurement
is selected, remove and then reinsert the key.
Note: To reset the displays, press the STOP but-
ton, remove the key, and then reinsert the key.
DMeasure your heart rate, if desired.
Stand on the
foot rails and Sensors
place your
hands on the
metal contacts
on the pulse bar.
Your palms
must be resting
on the upper
contacts, and
you.in0ersmust I 1
be touching the • 123
lower contacts--
avoid moving
your hands.
When your pulse is detected, the heart-shaped in-
dicator in the CALS/FAT CALS/PULSE display will
flash steadily and a sedes of dashes (--) will ap-
pear. After a few seconds, your heart rate will be
showrl. For the most accurate heart rate read-
ing, continue to hold the contacts for about 15
seconds.
BWhen you are finished exercising, remove the
key.
Step onto the foot rails, press the STOP button,
and adjust the incline of the treadmill to the lowest
level. The incline must be at the lowest level
when the treadmill is raised to the storage po-
sition or the treadmill will be damaged. Next,
remove the key from the console and put the key
in a secure place. Note: If the displays and vari-
ous indicators on the console remain lit after
the key is removed, the console is in the
"demo" mode. Refer to page 18 and turn off the
demo mode.
When you are finished using the treadmill, move
the on/off switch near the power cord to the off
position.
11

g Insert the key into the console.
See HOW TO TURN ON THE POWER on page
10.
BSelect one of the personal trainer programs.
When the
key is in-
serted, the
manual
mode will be
selected and
the MAN-
UAL indica-
tor will light.
To select one of the personal trainer programs,
press the PROGRAM button repeatedly until one
of the six personal trainer program indicators
lights.
The console features two low intensity programs,
two medium intensity programs, and two high in-
tensity programs. The profiles on the console
show how the speed and incline of the treadmill
will change during the programs. The numbers
beside the profiles show the maximum speed and
incline settings for the programs. For example, the
upper profile shows that the treadmill will reach a
maximum speed of 4.5 mph and a maximum in-
cline of 5% during the first program.
[_1 Press the START button or the SPEED A button
to start the program.
A moment after the button is pressed, the tread-
mill will automatically adjust to the first speed and
incline settings for the program. Hold the handrails
and begin walking.
Each program is divided
into several time
segments of different
lengths. The TIME
display shows both the
time remaining in the pro-
gram and the time
If :43
TIME $EGMEN_TIME
remaining in the current segment of the program.
One speed setting and one incline setting are pro-
grammed for each segment. When only three sec-
onds remain in the first segment, a series of tones
will sound and the treadmill will automatically ad-
just to the speed and incline settings for the second
segment.
The program will continue in this way until the
TIME display counts clown to zero. The walking
belt will then slow to a stop.
Note: If the speed or incline setting for the current
segment is too high or too low, you can manually
override the setting by pressing the SPEED or
INCLINE buttons on the console. However, when
the next segment begins, the treadmill will ad-
just to the next speed and incline settings of
the program.
To stop the program, press the STOP button. The
]_IME display will begin to flash. To restart the pro_
gram, press the START button or the SPEED Z_
button. To end the program, press the STOP but-
ton, remove the key, and then reinsert the key.
B Follow your progress with the LED track and
the four displays.
Refer to step 5 on page 10.
[]Measure your heart rate, if desired.
See step 6 on page 11.
r_When the program is completed, remove the
key from the console.
When the program has ended, make sure that
the treadmill is at the lowest incline level. Next,
remove the key from the console and put it in a
secure place. Note: If the displays and indica-
tors on the console remain lit after the key is
removed, the console is in the "demo" mode.
Refer to page 18 and turn off the demo mode.
When you are finished using the treadmill, move
the on/off switch near the power cord to the off
position.
12

To use iFIT.com CD's, the treadmill must be con-
nected to your portable CD player, portable stereo,
home stereo, or computer with CD player. See pages
13 and 14 for connecting instructions. To use iFlT.com
videocassettes, the treadmill must be connected to
your VCR. See page 15 for connecting instructions. To
use iFIT.com programs directly from our internet
site, the treadmill must be connected to your home
computer. See page 14 for connecting instructions.
HOW TO CONNECT YOUR PORTABLE CD PLAYER
Note: If your CD player has separate LINE OUT and
PHONES jacks, see instruction A below. If your CD
player has only one jack, see instruction B.
A. Plug one end'of the audio _abJe into the jack on the
front of the treadmill near the power cord. Plug the
other end of the cable into the LINE OUT jack on
your CD player. Plug your headphones into the
PHONES jack.
._...........z_----= _ Head-
i[_ (._p A3_il° _/ phones
•",'_"_"_"-L"-'_
B. Plug one end of the audio cable into the jack on the
front of the treadmill near the power cord. Plug the
other end of the cable into a 3.5mm Y-adapter
(a_lable at electronics stores). Plug the Y-adapter
into the PHONES jack on your CD player. Plug your
headphones into the other side of the Y-adapter.
B
i
,-................. 3.5mm _t
i I_ ("_ } Audo Y-adapter_ _
+@_]+ Cab,e ],
Headphones_
HOW TO CONNECT YOUR PORTABLE STEREO
Note: If your stereo has an RCA-type AUDIO OUT
jack, see instruction A below. If your stereo has a
3.5mm LINE OUT jack, see instruction B. If your
stereo has only a PHONES jack, see instruction C.
A. Plug one end of the audio cable into the jack on the
front of the treadmill near the power cord. Plug the
other end of the cable into the included adapter. Plug
the adapter into an AUDIO OUT jack on your stereo.
A
4I
,. ...........
i'_+_ " Audio Adapter---_
B. Plug one end of the audio cable into the jack on the
front of the treadmill near the power cord. Plug the
other end of the cable into the LINE OUT jack on
your Stereo.
B
iF v
('8") i Audio
Cab+
9
C. Plug one end of the audio cable into the jack on the
front of the trea_lmiU near the power cord. Plug the
other end of the cable into a 3.Smm Y-adapter
(available at electronics stores). Plug the Y-adapter
into the PHONES jack on your stereo. Plug your
headphones into the other side of the Y-adapter.
c
13

HOW TO CONNECT YOUR HOME STEREO
Note: if your stereo has an unused LINE OUT jack,
see instruction A below. If the LINE OUT jack is
being used, see instruction B.
A. Plug one end of the audio cable into the jack on the
front of the treadmill near the power cord. Plug the
other end of the cable into the included adapter.
Plug the adapter into the LINE OUT jack on your
stereo.
A
h
Audio
"Cable Adapter 4
B. Plug one end of the audio cable into the jack on the
front of the treadmill near the power cord. Plug the
other end of the cable into the included adapter.
Plug the adapter into an RCA adapter (available at
electronics stores), Next, remove the wire that is
currently plugged into the LINE OUT jack on your
stereo and plug the wire into the unused side of the
RCA adapter. Plug the RCA adapter into the LINE
OUT jack on your stereo.
B
LL uRCA
[] @i Audio AdapteT
,@[-_ _ Cable Adapter
Wire removed from
LINE OUT jack
HOW TO CONNECT YOUR COMPUTER
Note: If your computer has a 3.5mm LINE OUT jack,
,,. see instruction A. If your computer has only a
PHONES jack, see instruction B.
A. Plug one end of the audio cable into the jack on the
front of the treadmill near the power cord. Plug the
other end of the cable into the LINE OUT jack on
your computer.
A
II _ i --
Aud,o
i "_' ! Cable m"
B. Plug one end of the audio cable into the jack on the
front of the treadmill near the power cord. Plug the
other end of the cable into a 3.5mm Y-adapter
(available at electronics stores). Plug the Y-adapter
into the PHONES jack on your computer. Plug your
headphones or speakers into the other side of the
Y-adapter.
B
If v
i[]@i Audio= .,mm
{@_ i Cable = Y-adapter
14

HOW TO CONNECT YOUR VCR
Note: If your VCR has an unused AUDIO OUT jack,
see instruction A below. If the AUDIO OUT jack is
being used, see instruction B. If you have a TV
with a built-in VCR, see instruction B. If your VCR
is connected to your home stereo, see HOW TO
CONNECT YOUR HOME STEREO on page 14.
A. Plug one end of the audio cable into the jack on the
front of the treadmill near the power cord. Plug the
other end of the cable into the included adapter.
Plug the adapter into the AUDIO OUT jack on your
VCR.
A
.--;,;;-----!
i[_ I('_ Audio Adapter
B. Plug one end of the audio cable into the jack on the
front of the treadmill near the power cord. Plug the
other end of the cable into the included adapter.
Plug the adapter into an RCA adapter (available at
electronics stores). Next, remove the wire that is
currently plugged into the AUDIO OUT jack on your
VCR and plug the wire into the unused side of the
RCA adapter. Plug the RCA adapter into the AUDIO
OUT jack on your VCR.
B
h;'L_._"';:_"': RCA Adapter4
i_..J LO.)i Audio
i @ _ i Cable Adapter
Wire removed from---_..E:_=-"
AUDIO OUT jack
:HOW: TO USE :iFIT,COM CD A_D _IDEO 1li_i
O:GRAMS ,
To use iFIT.com CD's or videocassettes, the treadmill
must be connected to your portable CD player, portable."
stereo, home stereo, computer with CD player, or
VCR. See HOW TO CONNECT THE TREADMILL TO
YOUR CD PLAYER, VCR, OR COMPUTER on page
13. Note: To purchase iFIT.com CD's or to pur-
chase iFIT.com videocassettes, call toll-free 1-800-
735-0768.
Follow the steps below to use an iFIT.com CD or
video. Note: The instructions included in the CD
case describe how to use the CD with avariety of
PROFORM treadmills. Some instructions may not
apply to this treadmill.
B Insert the key fully into the console.
See HOW TO TURN ON THE POWER on page
10,
E!Press the PROGRAM button.
When the key is in-
serted, the manual
mode will be selected.
To use an iFIT.com CD
or video program, press
the PROGRAM button
repeatedly until the
iFIT.com indicator lights.
ElInsert the iFIT.com CD or videocassette.
If you are using an iFIT.com CD, insert the CD
into your CD player. If you are using an iFIT.com
videocassette, insert the videocassette into your
VCR.
L_1 PCR.S the PLAY button on your CD player or
A moment after the button is pressed, your personal
trainer will begin guiding you through your workout.
Simply follow your personal trainer's instructions.
Note: If the TIME display is flashing, press the
START button or the SPEED ,_.button on the con-
sole. The treadmill will not respond to a CD or
video program when the TIME display is flashing.
15

During the CD or video program, an electronic
"chirping" sound will alert you when the speed
and/or incline of the treadmill is about to change.
CAUTION: Always listen for the "chirp" and be
prepared for speed and/or incline changes. In
some instances, the speed and/or incline may
change before the personal traine_"describes
the change.
If the speed or incline settings are too high or too
low, you can manually override the settings at any
time by pressing the SPEED or INCLINE buttons
on the console. However, when the next "chir_"
is heard, the speed and/or incline will change
to the next settings of the CD or video program.
To stop the program at any time, press the STOP
button on the console. The TIME display will begin
to flash. To restart the program, press the START
button or the SPEED/k button. After a moment,
the walking belt will begin to move at 1 mph.
When the next "chirp" is heard, the speed and-
incline will change to the next settings of the
CD or video program. The program can also be
stopped by pressing the STOP button on your CD
player or VCR.
When the CD or video program is completed, the
walking belt will stop and the TIME display will
begin to flash. Note: To use another CD or video
program, press the STOP button or remove the
key and go to step 1 on page 15.
Note: If the speed or incline of the treadmill
does not change when a "chirp" is heard:
• make sure that the iFIT.com indicator is lit and
that the TIME display is not flashing. If the
TiME display is flashing, press the START
button or the SPEED _button on the console
•adjust the volume of your CD player or VCR. If
the volume is too high or too low, the console
may not detect the program signals
•make sure that the audio cable is properly
connected, that it is fully plugged in, and that
it is not wrapped around a power cord
•if you are using your portable CD player and
the CD skips, set the CD player on the floor or
another flat surface instead of on the console.
_'! Follow your progress with the LED track and
the four displays.
See step 5 on page 10.
.r_ Measure your heart rate, if desired.
See step 6 on page 11.
BWhen the iFIT.com CD or video program is
finished, remove the key.
See step 6 on page 12.
CAUTION: Always remove iFIT.com CD's and
videocassettes from your CD player or VCR
when you are finished using them.
16

Our new intemet site at wwwJFIT,com allows you to
access a large selection of programs that interactively
control your treadmill to help you achieve your specific
exercise goals. In addition, you can play iFIT.com
audio and video programs directly from the internet. By
adding an optional upgrade module to the console, you
can use virtually endless features on our internet site.
Explore www.iFIT.com for details. To purchase an up-
grade module, call toll-free 1-800-735-0768.
To use programs from our internet site, the treadmill
must be connected to your home computer. See HOW
TO CONNECT YOUR COMPUTER on page 14. In ad-
dition, you must have at least a 56K modem and an
account with an internet service provider. A list of addi-
tional system and software requirements will be found
on our internet site.
Follow the steps below to use a program from our
internet site.
BInsert the key fully into the console.
See HOW TO TURN ON THE POWER on page 10.
B Press the PROGRAM button.
When the key is in-
serted, the manual
mode will be selected.
To use an iFIT.com CD
or video program, press
the PROGRAM button
repeatedly until the
iFIT.com indicator lights.
I_IGo to your computer and start an internet
_t_nection.
L_ Start your web browser, if necessary, and go to
our internet site at www.iFIT.com.
[]Follow the desired links on our intemet site to
select a program.
Read and follow the on-line instructions for using a
program.
r_ Follow the on-line instructions to start the
program.
When you start the program, an on-screen count-
down will begin.
B Return to the treadmill and stand on the foot
rails. Find the clip attached to the key and slide
the key onto the waistband of your clothing.
When the on-screen countdown ends, the program
will begin and the walking belt will begin to move.
Hold the handrails, step onto the walking belt, and
begin walking.
During the program, an electronic "chirping" sound
will alert you when the speed and/or incline of the
treadmill is about to change. CAUTION; Always
listen for the "chirp" and be prepared for speed
and/or incline changes.
If the speed or incline settings are too high or too
low, you canmanually override the settings at any
time by pressing the SPEED or INCLINE buttons
on the console. However, when the next "chirp"
is heard, the speed and/or incline will change
to the next settings of theprogram.
To stop the program at any time, press the STOP
button on the console. The TIME display will begin
to flash. To restart the program, press the START
button or the SPEED Z&button. After a moment,
the walking belt will begin to move at 1 mph.
When the next "chirp" is heard, the speed and
incline will change to the next settings of the
program.
When the program is completed, the walking belt
will stop and the TIME display will begin to flash.
Note: To use another program, press the STOP
button and go to step 5 on this page.
Note: If the speed or incline of the treadmill
does not change when a "chirp" is heard, make
sure that the iFIT.com indicator is lit and that
the TIME display is not flashing. In addition,
make sure that the audio cable is properly con-
netted, that i_ is fully plugged in, and that It is
not wrapped around a power cord.
!_1 Follow your progress with the LED track and
the four displays.
See step 5 on page 10.
_"_ Measure your heart rate, if desired.
See step 6 on page 11.
_1_ When the program is finished, remove the
key.
See step 6 on page-12.
17

,0DEI THEOPT,ONALC.ESTPULSESENSOR
An optional chest pulse sensor adds even more
The console features an information mode that keeps
track of the total number of hours that the treadmill has
been operated and the total number of miles that the
walking belt has moved. The information mode also
allows you to switch the console from miles per hour to
kilometers per hour. In addition, the information mode
allows you to turn on and turn off the demo mode.
To select the information mode, hold down the STOP,_
button while inserting the key into the console. When
the information mode is selected, the following informa-
tion will be shown:
The DISTANCE/LAPS III _ I _!
display will show the total
number of miles that the IE
walking belt has moved. DISTANCE LAPS
....features to the console. The chest pulse sensor provides
hands-free operation and continuously monitors your
heart rate during your workouts. To purchase the
optional chest pulse sensor, call toll-free 1-800-
366-7278.
I
THE OPTIONAL IFIT.COM MODULE
The TIME display will show
the total number of hours the
treadmill has been used.
An "E" for English miles or an
"M" for metric kilometers will
appear in ttie SPEED/MIN-
MILE display. Press the
SPEED A button to change
the unit of measurement.
TIME SEGMENT TIME
IE!
SPEED MIN/MILE (kin)
By adding an optional
iFIT.com module to the
treadmill, you can use
virtually endless fea-
tures from our internet
site. Imagine on-line
competitions, personal
training sessions via
the intemet, and the ability to use your computer to
track your workouts. For information about purchas-
ing the optional iFIT.eom module, call toll-free 1-
800-884-0620.
IMPORTANT: The CALS/
FAT CALS/PULSE display
should be blank. If a "d" ap-
pears in the display, the con-
sole is in the "deme" mode.
This mode is intended to be
used only when a treadmill is displayed in a store.
When the console is in the demo mode, the power cord
can be plugged in, the key can be removed from the
console, and the displays and indicators on the console
will automatically light in a preset sequence, although
the buttons on the console will not operate. If a"d" ap-
pears in the CALS/FAT CALS/PULSE display when
the information mode is selected, press the SPEED
_7button so the CALS/FAT CAL./PULSE display is
blank.
OPTIONAL HAND WEIGHTS
Optional hand weights
let you include upper-
body exercise in your
workouts. The hand
weights fit into conve-
nience holders in the
console. To purchase
the optional hand
weights, call the toll-
free telephone num-
ber listed on the back cover of this manual.
To exit the information mode, remove the key from the
console.
18

HOW TO FOLD AND MOVE THE TREADMILL
HOW TO FOLD THE TREADMILl., FOR STORAGE
Before folding the treadmill, adjust the incline to the
lowest position. If this is not done, the treadmill may be
permanently damaged. Next, unplug the power cord.
CAUTION: You must be able to safely lift 45 pounds (20
kg) in order to raise, lower, or move the treadmill.
1. Hold the treadmill with your hands in the locations shown
at the right. CAUTION: To decrease the possibility of in-
jury, bend your legs and keep your back straight. As
you raise the treadmill, make sure to lift with your legs
rather than your back, Raise the treadmill about halfway
to the vertical position.
2. Move your right hand to the position shown and hold the
treadmill firmly. Using your left hand, pull the latch knob
to the left and hold it. Raise the treadmill _Jntilthe latch
pin is aligned with the hole in the catch. Insert the latch
pin into the catch. Make sure that the latch pin is fully
inserted into the catch.
To protect the floor or carpet from damage, place a
mat under the treadmill. Keep the treadmill out of
direct sunlight. Do not leave the treadmill in the stor-
age position in temperatures above 85° Fahrenheit.
1
2Open
Closed
HOW TO MOVE THE TREADMILL
Before moving the treadmill, convert the treadmill to the stor-
age position as described above. Make sure that the latch
pin is fully inserted into the catch.
1. Hold the handrails as shown and place one foot against a
wheel.
2. Tilt the treadmill back until it roils freely on the wheels.
Carefully move the treadmill to the desired location. Never
m_ the treadmill without tipping it back. To reduce
the risk of injury, use extreme caution while moving
the treadmill. Do not attempt to move the treadmill
over an uneven surface.
3. Place one foot on the base, and carefully lower the tread-
mill until it is resting in the storage position.
e
HOW TO LOWER THE TREADMILL FOR USE
1. Refer to drawing 2 above. Hold the treadmill with your right hand as shown. Using your left hand, pull the latch
knob to the left and hold it. Pivot the treadmill down until the frame is past the pin. Slowly release the latch knob.
2. Refer to drawing 1. Hold the treadmill firmly with both hands, and lower the treadmill to the floor. CAUTION:
To decrease the possibility of injury, bend your legs and keep your back straight.
19

TROUBLE-SHOOTING
Most treadmill problems can be solved by following the simple steps below. Find the symptom that
applies, and follow the steps listed. If further assistance is needed, call our toll-free HELPLINE at
1-800-736-6879, Monday through Saturday, 7 a.m. until 7 p.m. Central Time (excluding holidays).
PROBLEM: The power does not turn on
SOLUTION: a. Make sure that the power cord is plugged into a surge suppressor, and that the surge suppressor
is plugged into a propedy grounded outlet (see page 8). Use only a single-outlet surge suppressor
that is UL 1449 listed as a transient _oltage surge suppressor (TVSS). The surge suppressor
must have a UL suppressed voltage rating of 400 volts or less and a minimum surge dissipation
of 450 joules. The surge suppressor must be electrically rated for 120 volts AC and 15 amps.
Important: The treadmill is not compatible with GFCI-equipped outlets.
b. After the power cord has been plugged in, make sure that the key is fully inserted into the console.
c. Check the circuit breaker located on the treadmill
near the power cord. If the switch protrudes as
shown, the circuit breaker has tripped. To reset the
circuit breaker, wait for five minutes and then press
the switch back in.
d. Check the on/off switch located on the treadmill near
the power cord. The switch must be in the on posi-
tion.
dOn
Position
PROBLEM: The power turns off during use
SOLUTION: a. Check the circuit breaker located on the treadmill frame near the power cord (see 1. c. above). If
the circuit breaker has tripped, wait for five minutes and then press the switch back in.
b. Make sure that the power cord is plugged in.
c. Remove the key from the console. Reinsert the key fully into the console.
d. Make sure that the on/off switch is in the on position.
e. If the treadmill still will not run, please call our toll-free HELPLINE.
PROBLEM: The speed display on the console does not function properly
SOLUTION: a. Remove the key from the console and unplug the
power cord. Remove the screws from the hood and
carefully remove the hood. Locate the Reed Switch
(21) and the Magnet (43) on the left side of the Pulley
(42). Turn the Pulley until the Magnet is aligned with
the Reed Switch.Make sure that the gap between
the Magnet and the Reed Switch is about 1/8". If
necessary, loosen the Reed Switch Screw (76) and
move the Reed Switch slightly. Retighten the Screw.
Re-attach the hood, and run the treadmill for a few
minutes to check for a correct speed reading.
lI
1/8"----
76_
2111
Top
View
2O

PROBLEM: The walking belt slows when walked on
SOLUTION: a. Use only a UL-listed surge suppressor, rated at 15 amps, with a 14-gauge cord of five feet or less
in length.
b. If the walking belt is overtightened, treadmill perfor-
mance may decrease and the walking belt may be-
come damaged. Remove the key and UNPLUG THE
POWER CORD. Using the allen wrench, turn both
rear roller adjustment bolts counterclockwise, 1/4 of a
turn. When the walking belt is properly tightened, you
should be able to lift each side of the walking belt 3 to
4 inches off the walking platform. Be careful to keep
the walking belt centered. Plug in the power cord, in-
sert the key and run the treadmill for a few minutes.
Repeat until the walking belt is properly tightened.
Rear Roller Adjustment Bolts
c. If the walking belt still slows when walked on, please call ourtoll-free HELPLINE.
PROBLEM: The walking belt is off-center
soLUTIoN: a. If the walking belt has shifted to the left, first remove
the key and UNPLUG THE POWER CORD. Using the
allen wrench, turn the left rear roller adjustment bolt
clockwise, and the right bolt counterclockwise, 1/4 of a
turn each. Be careful not to overtighten the walking belt.
Plug in the power cord, insert the key and run the tread-
mill for afew minutes. Repeat until the walking belt is
centered.
If the walking belt has shifted to the right, first re-
move the key and UNPLUG THE POWER CORD.
Using the allen wrench, turn the left rear roller adjust-
ment bolt counterclockwise, and the right bolt clockwise,
1/4 of a turn each. Be careful not to overtighten the
walking belt. Plug in the power cord, insert the key and
run the treadmill for a few minutes. Repeat until the
walking belt is centered.
b
PROBLEM: The walking belt slips when walked on
SOIJ_T,ION: a. If the walking belt slips when walked on, first remove
the key and UNPLUG THE POWER CORD. Using the
allen wrench, turn both rear roller adjustment bolts
clockwise, 1/4 of a turn. When the walking belt is cor-
rectly tightened, you should be able to lift each side of
the walking belt 3 to 4 inches off the walking platform.
Be careful to keep the walking belt centered. Plug in the
power cord, insert the key and carefully walk on the
treadmill for a few minutes. Repeat until the walking belt
is properly tightened.
a
PROBLEM: The incline of the treadmill does not change correctly or does not change when iFIT.com
CD's and videos are played
SOLUTION: a. With the key inserted in the console, press one of the INCLINE buttons. While the incline is
changing, remove the key, After a few seconds, re-insert the key:.The treadmill will automati-
cally rise to the maximum incline level and then return to the minimum level. This will recalibrate
the incline.
21

CONDITIONING GUIDELINES
, WARN!NG ;Be!orebeg,_ning this
or any exermse program_iconsult your physi-i:
clan. This is_esp_ciany impo_ant forindividu _
asover the ag_ of 35 or in(_iv duals With pre_: i
existing heaith;pr0blems._ :::;_.;;;;. _. :.i :;i
:;;::_i!_!,:,_i_i_!i:!:;:?: _::: :_%,:i :"....
Various faCto_'s_i_cluding y_u_movement, _:
may affect the accuracy of head: rate readings.
The sensor is intended oniy as an exercise aid
in determining: heart rate trert_ in general
The following guidelines will help you to plan your ex-
ercise program. Remember--these are general guide-
lines only. For more detailed exercise infqrmation_ ob-
tain a reputable book or consult your physician.
EXERCISE INTENSITY
Whether your goat is to burn fat or to strengthen your
cardiovascular system, the key to achieving the
desired results is to exercise with the proper intensity.
The proper intensity level can be found by using your
heart rate as a guide. The chart below shows recom-
mended heart rates for fat burning and aerobic exercise.
HEART RATE TRAINING ZONES
125 120 115 110 105 95 90
Age 20 30 40 50 60 70 80
To find the proper heart rate for you, first find your age
near the bottom of the chart (ages are rounded off to
the nearest ten years). Next, find the three numbers
above your age. The three numbers define your "train-
ing zone." The lower two numbers are recommended
heart rates for fat burning; the higher number is the
recommended heart rate for aerobic exercise.
To measure your heart rate during exercise, use the
pulse sensor. If your heart rate is too high or too low,
adjust the speed and incline of the treadmill.
Fat Burning
To burn fat effectively, you must exercise at a relatively
low intensity level for a sustained period of time.
During the first few minutes of exercise, your body
uses easily accessible carbohydrate calories for en-
ergy. Only after the first few minutes does your body
begin to use stored fat calories for energy. If your goal
is to burn fat, adjust the speed and incline of the tread-
mill until your heart rate is near the lowest number in
your training zone.
For maximum fat burning, adjust the speed and incline
of the treadmill until your heart rate is near the middle
number in your training zone.
Aerobic Exercise
If your goal is to strengthen your cardiovascular sys-
tem, your exercise must be "aerobic." Aerobic exercise
is activity that requires large amounts of oxygen for
prolonged periods of time. This increases the demand
on the heart to pump blood to the muscles, and on the
lungs to oxygenate the blood. For aerobic exercise,
adjust the speed and incline of the treadmill until your
heart rate is near the highest number in your training
zone.
WORKOUT GUIDELINES
Each workout should include the following three parts:
AWarm-up--Start each workout with 5 to 10 minutes
of stretching and light exercise. A proper warm-up in-
creases your body temperature, heart rate and circula-
tion in preparation for exercise.
Training Zone Exercise--After warming up, increase
the intensity of your exercise until your pulse is in your
training zone for 20 to 60 minutes. (During the first few
weeks of your exercise program, do not keep your
pulse in your training zone for longer than 20 minutes.)
Breathe regularly and deeply as you exercise--never
hold your breath.
A Cool-down--Finish each workout with 5 to 10 min-
utes of stretching to cool down. This wilt increase the
flexibility of your muscles and will help prevent post-ex-
ercise problems.
Exercise Frequency
To maintain or improve your condition, complete three
workouts each week, with at least one day of rest be-
tween workouts. After a few months, you may com-
plete up to five workouts each week if desired.
The key to success is to make exercise a regular and
enjoyable part of your everyday life.
22

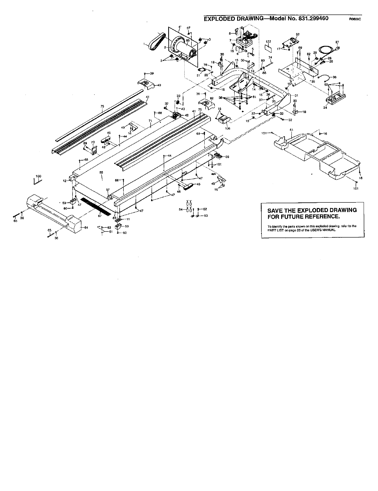
PART LIST--Model No. 831.299460 • R0800c
To locate the parts listed below, refer to the EXPLODED DRAWING attached in the center of this manual
Key Key Key
No. Qty. Description No. Qty. Description No. Qty. Description
1 1 Motor Belt 50 1 Book Holder 102 1 Lock.Knob
2 1 Pulley/Flywheel/Fan 51 1 Front Belly Pan 103 2 Extension Leg
3 4 Motor Nut 52 1 Power Supply 104" 2 Base Endcap
4* 1 Motor/Pulley/ 53 4 Cable Tie Clamp 105 1 Shock
Flywheel/Fan 54 4 Cable Tie 106 1 Choke
5 1 Incline Motor Bolt 55 1 Walking Belt 107 2 Pulse Bar Bolt
62 Incline Motor Spacer 56 1 Rubber Ring 108 2 Pulse Bar Washer
7 1 Incline Motor 57 1 Rear Roller 109 1 Pulse Bar
8 1 Stop Bracket 58 1 Belly Pan Spacer 110 1 Foam Grip (Left)
9* 1 Latch Assembly 59 2 Rear Foot 111 1 Lock Knob Bracket
10"* 1 Hand Weight Set 60 4 Rear Foot Screw 112 1 Spring
11 1 Rear Foot Spacer 61 1 Ground Wire 113 1 Lock Pin Collar
12 1 . Frame 62 5 Ground Wire Screw 114 .1 Pin Clip
13 2 Interface Bracket 63 1 Belly Pan 115 1 Lock Pin
14 1Incline Motor Pivot Bolt 84 1 Rear Endcap 116 1 Console Base Bottom
15 8 Incline Motor Nut 65 2 Rear Roller Adj. Bolt 117 2 Upright Endcap
16 4 Hood Screw 66 1 Motor 118"* 1 Chest Pulse Sensor
17 4 Plastic Stand-off 67 1 Latch Decal 119"* 1 iFIT.com CD
18 2 Hood Bracket (short) 68 4 Platform Screw 120" 2 Extension Leg
19 1 Hood Bracket (long) 69 4 Electronics Screw Assembly
20 2 Warning Decal 70 1 Latch Catch 121 2 Static Decal
21 1 Reed Switch 71 1 Walking Platform 122 1 Shield
22 1 Reed Switch Clip 72 5 8" Cable Tie 123 1 Trim Guard
23 1 Motor/Controller Wire 73 1 Jack 124 1 50" Wire Harness
24 1 Controller 74 1 Motor Tension 8oil 125 1 Ground Washer
25 1 Electronics Bracket 75 2 Foot Rail Insert 126 2 Base Pad
26 1 Circuit Breaker 76 14 Small Screw 127 2 Hood Screw (Side)
27 1 Power Cord 77 1 Console 128 2 3/4" Screw
28 1 Power Cord Grommet 78 1 Ground Nut 129"* 1 iFIT,com Module
29 1 On/Off Switch 79 4 Long Screw 130"* 1 iFIT,com Video
30 11 Hood Bracket Screw/ 80 1 10' iFIT.com Wire # 1 8" White Wire, 2F
Incline Shield Screw 81 4 Motor Star Washer # 1 4" White Wire, M/F
31 1 Incline Leg 82 1 Upright # 1 8°Blue Wire, 2F
32 2 Frame Pivot Bolt 83 2 Incline Leg Pivot Bolt # 1 4" Blue Wire, 2F
33 _ Frame Pivot Spacer 84 1 50" Wire Harness # 1 4" Black Wire, 2F
34 1 Upright Wire Harness 85 2 Handrail Extension # 1 4_Green Wire, F/Ring
35 1 Front Roller Adj. Bolt 86 2 Wheel Bolt # 1 8" Green Wire, FIRing
36 3 Roller Adj. Washer 87 1 Console Base # 1 8" Green Wire, 2 Ring
37 2 Motor Tension Nut/ 88 1 Motor Tension Washer # 1 4" Red Wire, M/F
Front Roller Nut 89 12 1/2" Screw # 1 User's Manual
38 4 Motor Bolt 90 1 Key/Clip
39 6 Cap Screw 91 1 Incline Motor Plate # These parts are not illustrated
40 1 Left Foot Rail Cap 92 1 Right Foot Rail Cap * Includes all parts shown in the
41 2 Foot Rail 93 1 Motor Tension Bushing box
42 1 Front Roller/Pulley 94 1 Motor Hood **These parts are optional. For infor-
43 tMagnet 95 2 Front Wheel mation about the iFIT,com module,
44 2Platform Screw (mid) 96 1 Incline Motor Shield iFIT.com CD's, or iFIT,com video-
45 2 Isolator 97 4 Thick Base Pad cassettes, call toll-free 1-800-884-
48 10 Isolator Screw 98 1 12" Audio Wire 0620. For information about the
47 18 Plastic Fastener 99 1 Updght Grommet optional hand weight "set or chest
48 t Foam Grip (Right) 100 1 Allen Wrench pulse sensor, see page 18.
49 2 Belt Guide 101 8 Screw
23

37
EXPLODED DRAWING--Model No. 831.299460 _oeooc
i"............i s2
65
SAVE THE EXPLODED DRAWING
FOR FUTURE REFERENCE.

EXPLODEDDRAWING--ModelNo.831.299460
117
112 113 115
-101
117
107
87
_1 7
01 123

SEARS
Model No. 831.299460
QUESTIONS?
If you find that:
• you need help assembling or
operating the PROFORM
740CS treadmill
• a part is missing
•or you need to schedule repair
service
call our toll-free HELPLINE
1-800-736-6879
Monday-Saturday, 7 am-7 pm
Central Time (excluding holidays)
REPLACEMENT
PARTS
If parts become worn and need
to be replaced, call the following
toll-free number
1-800-FON-PART
(1 '800-366-7278)
The model number and serial number of your PROFORM -_740CS
treadmill are listed on a decal attached to the frame. See the front
cover of this manual to find the location of the decal.
All replacement parts are available for immediate purchase or
special order when you visit your nearest SEARS Service Center.
To request service or to order parts by telephone, call the toll-free
numbers listed at the left.
When requesting help or service, or ordering parts, please be
prepared to provide the following information:
•The NAME OF THE PRODUCT (PROFORM ®740CS treadmill)
• The MODEL NUMBER OF THE PRODUCT (831.299460)
•The KEY NUMBER.AND DESCRIPTION OF THE PART (see the ....
EXPLODED DRAWING in the center of this manual and the
PART LIST on page 23).
FULL 90 DAY WARRANTY
For 90 days from the date of purchase, if failure occurs due to defect in material or workmanship in this
SEARS TREADMILL EXERCISER, contact the nearest SEARS Service Center throughout the United
States and SEARS witl repair or replace the TREADMILL EXERCISER, free of charge.
This warranty does not apply _Nhenthe TREADMILL EXERCISER is used commercially or for rental pur-
poses.
This warranty gives you specific legal rights, and you may also have other rights which vary from state
to state.
SEARS, ROEBUCK AND CO., DEPT. 817WA, HOFFMAN ESTATES, IL 60179
Part No. 166560 R0800C Pdnted in USA © 2000 Sears, Roebuck and Co.