Proform 216410 Xp100U Bike Users Manual 21641.0 245851
Proform-216410-Owner-S-Manual proform-216410-owner-s-manual
831.21641.0 to the manual cfb9491d-c91d-4c26-b26e-39a17e06d93a
2015-04-13
: Proform Proform-216410-Xp100U-Bike-Users-Manual-697085 proform-216410-xp100u-bike-users-manual-697085 proform pdf
Open the PDF directly: View PDF
.
Page Count: 20

CAUTION
Read all precautions and instruc-
tions in this manual before using
this equipment. Keep this manual
for future reference.
Serial Number
Decal
Model No. 831.21641.0
Serial No.
• Assembly
• Operation
• Maintenance
• Part List and Drawing
Sears, Roebuck and Co., Hoffman Estates, IL 60179
BIKE EXERCISER
User’s Manual

2
TABLE OF CONTENTS
IMPORTANT PRECAUTIONS . . . . . . . . . . . . . . . . . . . . . . . . . . . . . . . . . . . . . . . . . . . . . . . . . . . . . . . . . . . . . . . .2
BEFORE YOU BEGIN . . . . . . . . . . . . . . . . . . . . . . . . . . . . . . . . . . . . . . . . . . . . . . . . . . . . . . . . . . . . . . . . . . . . . .3
ASSEMBLY . . . . . . . . . . . . . . . . . . . . . . . . . . . . . . . . . . . . . . . . . . . . . . . . . . . . . . . . . . . . . . . . . . . . . . . . . . . . . . .4
HOW TO OPERATE THE EXERCISE CYCLE . . . . . . . . . . . . . . . . . . . . . . . . . . . . . . . . . . . . . . . . . . . . . . . . . . . .8
MAINTENANCE AND TROUBLESHOOTING . . . . . . . . . . . . . . . . . . . . . . . . . . . . . . . . . . . . . . . . . . . . . . . . . . .16
CONDITIONING GUIDELINES . . . . . . . . . . . . . . . . . . . . . . . . . . . . . . . . . . . . . . . . . . . . . . . . . . . . . . . . . . . . . . .17
PART LIST . . . . . . . . . . . . . . . . . . . . . . . . . . . . . . . . . . . . . . . . . . . . . . . . . . . . . . . . . . . . . . . . . . . . . . . . . . . . . .18
EXPLODED DRAWING . . . . . . . . . . . . . . . . . . . . . . . . . . . . . . . . . . . . . . . . . . . . . . . . . . . . . . . . . . . . . . . . . . . .19
ORDERING REPLACEMENT PARTS . . . . . . . . . . . . . . . . . . . . . . . . . . . . . . . . . . . . . . . . . . . . . . . . . .Back Cover
90 DAY FULL WARRANTY . . . . . . . . . . . . . . . . . . . . . . . . . . . . . . . . . . . . . . . . . . . . . . . . . . . . . . . . . .Back Cover
1. Read all instructions in this manual and all
warnings on the exercise cycle before using
the exercise cycle. Use the exercise cycle only
as described in this manual.
2. It is the responsibility of the owner to ensure
that all users of the exercise cycle are ade-
quately informed of all precautions.
3. The exercise cycle is intended for home use
only. Do not use the exercise cycle in
a commercial, rental, or institutional setting.
4. Keep the exercise cycle indoors, away from
moisture and dust. Place the exercise cycle
on a level surface, with a mat beneath it to
protect the floor. Make sure that there is
enough clearance around the exercise cycle
to mount, dismount, and use it.
5. Inspect and properly tighten all parts regularly.
Replace any worn parts immediately.
6. Keep children under the age of 12 and pets
away from the exercise cycle at all times.
7. The exercise cycle should not be used by
persons weighing more than 250 pounds.
8. Wear appropriate clothes while exercising;
do not wear loose clothes that could become
caught on the exercise cycle. Always wear
athletic shoes for foot protection.
9. The pulse sensor is not a medical device.
Various factors, including the user's move-
ment, may affect the accuracy of heart rate
readings. The pulse sensor is intended only
as an exercise aid in determining heart rate
trends in general.
10. Always keep your back straight while using
the exercise cycle; do not arch your back.
11. If you feel pain or dizziness while exercising,
stop immediately and cool down.
12. The exercise cycle does not have a freewheel;
the pedals will continue to move until the fly-
wheel stops.
13. The warning decal shown on page 3 has been
placed on the exercise cycle. If the decal is
missing or illegible, call toll-free 1-888-533-
1333 and request a free replacement decal.
Apply the decal in the location shown.
WARNING: Before beginning this or any exercise program, consult your physician. This
is especially important for persons over the age of 35 or persons with pre-existing health problems.
Read all instructions before using. Sears assumes no responsibility for personal injury or property
damage sustained by or through the use of this product.
IMPORTANT PRECAUTIONS
WARNING: To reduce the risk of serious injury, read the following important precau-
tions before using the exercise cycle.

3
Congratulations for selecting the new PROFORM®XP
100 U exercise cycle. Cycling is one of the most
effective exercises for increasing cardiovascular fit-
ness, building endurance, and toning the entire body.
The XP 100 U exercise cycle offers a selection of fea-
tures designed to let you enjoy this healthful exercise
in the convenience and privacy of your home.
For your benefit, read this manual carefully before
you use the exercise cycle. If you have questions
after reading this manual, call 1-800-4-MY-HOME®
(1-800-469-4663). To help us assist you, please note
the product model number and serial number before
contacting us. The model number is 831.21641.0. The
serial number can be found on a decal attached to the
exercise cycle (see the front cover of this manual for
the location of the decal).
Before reading further, please familiarize yourself with
the parts that are labeled in the drawing below.
BEFORE YOU BEGIN
REAR
Seat
Seat Knob
Pedal/Strap
Console
Fan
Seat Post
Pulse Sensor
RIGHT SIDE
Water Bottle Holder*
*No water bottle is included

4
ASSEMBLY
Assembly requires two persons. Place all parts of the exercise cycle in a cleared area and remove the packing
materials. Do not dispose of the packing materials until assembly is completed.
Assembly requires the included tools and your own adjustable wrench and Phillips screw-
driver .
Use the part drawings below to identify the small parts used in assembly. The number in parentheses below
each drawing refers to the key number of the part, from the PART LIST on page 18. The second number refers
to the quantity needed for assembly. Note: Some small parts may have been pre-attached for shipping. If a
part is not in the parts bag, check to see if it has been pre-attached. If a part is missing, call toll-free
1-888-533-1333.
M10 x 20mm Button
Screw (35)–3
M10 x 74mm Button Screw (33)–4
M4 x 16mm
Screw (41)–4
M8 Nylon
Locknut (37)–4
M8 Split
Washer (36)–4
M10 Split
Washer (34)–3
M4 x 22mm
Screw (15)–2
1. Identify the Front Stabilizer (2), which is narrower than
the Rear Stabilizer (not shown). While another person
lifts the front of the Frame (1), attach the Front
Stabilizer to the Frame with two M10 x 74mm Button
Screws (33).
2
33
1
1

5
2. While another person lifts the rear of the Frame (1),
attach the Rear Stabilizer (14) to the Frame with two
M10 x 74mm Button Screws (33).
33
14
1
3
3
35
Be careful to avoid
pinching the Wire
Harnesses (31, 32)
34
34
1
35
3. While another person holds the Upright (3) near the
Frame (1), connect the Upper Wire Harness (32) to the
Lower Wire Harness (31).
Gently pull the upper end of the Upper Wire Harness
(32) to remove the slack, and slide the Upright (3) onto
the Frame (1). Be careful to avoid pinching the Wire
Harnesses. Attach the Upright with three M10 x 20mm
Button Screws (35) and three M10 Split Washers (34).
2
4
4. Attach the Water Bottle Holder (29) to the Upright (3)
with two M4 x 22mm Screws (15).
15
29
3
32
31

6
7. Attach the Seat (12) to the Seat Post (5) with four M8
Nylon Locknuts (37) and four M8 Split Washers (36).
Note: The Nylon Locknuts and Split Washers may
be preattached to the Seat.
6. While another person holds the Console (6) near the
Upright (3), connect the console wire harness to the
Upper Wire Harness (32).
Insert the excess Wire Harness (32) downward into the
Upright (3). Attach the Console (6) to the Upright with
four M4 x 16mm Screws (41). Make sure that the
Wire Harness is not pinched.
3
41 32
6
Console Wire
Harness
41
6
12
5
36
37
7
5. The Console (6) requires four “D” batteries (not
included); alkaline batteries are recommended.
IMPORTANT: If the exercise cycle has been
exposed to cold temperatures, allow it to warm to
room temperature before inserting batteries into
the Console. If you do not do this, the console dis-
plays or other electronic components may become
damaged. Press the tab on the battery cover and
remove the battery cover. Insert four batteries into the
console; make sure that the batteries are oriented
as shown. Then, reattach the battery cover.
6
Batteries
Batteries
Battery
Cover
5

7
10. Make sure that all parts are properly tightened before you use the exercise cycle. Note: After assembly is
completed, some extra parts may be left over. Place a mat beneath the exercise cycle to protect the floor.
9. Identify the Left Pedal (24), which is marked with an
“L.” Using an adjustable wrench, firmly tighten the
Left Pedal
counterclockwise
into the left arm of the
Crank (13). Tighten the Right Pedal (not shown)
clockwise
into the right arm of the Crank. Important:
Tighten both Pedals as firmly as possible. After
using the exercise cycle for one week, retighten
the Pedals. For best performance, keep the Pedals
tightened.
Adjust the left Pedal Strap (25) to the desired position,
and press the end of the Pedal Strap onto the tab on
the side of the Left Pedal (24). Adjust the right Pedal
Strap (not shown) in the same way.
9
24 13
25
8. Remove the packing tube from the Frame (1), and dis-
card the packing tube.
Turn the Seat Knob (11) counterclockwise two or three
turns to loosen it (if the Seat Knob is not loosened
enough, it may scratch the Seat Post [5]). Next, pull the
Seat Knob, insert the Seat Post into the Frame (1), and
then release the Seat Knob. Move the Seat Post
upward and downward slightly until the pin on the
Seat Knob snaps into one of the holes in the Seat
Post. Then, turn the Seat Knob clockwise until it is
tight.
12
5
11
Packing
Tube
8
1

8
HOW TO OPERATE THE EXERCISE CYCLE
HOW TO ADJUST THE SEAT
For effective exer-
cise, the seat
should be at the
proper height. As
you pedal, there
should be a slight
bend in your knees
when the pedals
are in the lowest
position. To adjust
the height of the
seat, first turn the
seat knob counter-
clockwise two or
three turns to
loosen it (if the knob is not loosened enough, it may
scratch the seat post). Next, pull the knob, slide the
seat post to the desired height, and then release the
knob. Move the seat post upward and downward
slightly until the pin on the knob snaps into one of
the holes in the seat post. Then, turn the knob clock-
wise until it is tight.
HOW TO ADJUST THE PEDAL STRAPS
To adjust the pedal
straps, first pull the
ends of the pedal
straps off the tabs
on the pedals.
Adjust the pedal
straps to the
desired position,
and then press the
ends of the pedal
straps onto the tabs.
Pedal
Strap
Seat
Post
Seat
Knob
Seat

9
FEATURES OF THE CONSOLE
The advanced console offers an array of features
designed to make your workouts more effective and
enjoyable.
When you select the manual mode of the console, you
can change the resistance of the pedals with the touch
of a button. As you exercise, the console will display
continuous exercise feedback. You can even measure
your heart rate using the handgrip pulse sensor.
The console offers two trainer programs that automati-
cally change the resistance of the pedals and prompt
you to increase or decrease your pace while guiding
you through an effective workout.
The console also features three interactive cross train-
ing programs designed to help you to burn calories
and enhance your cardiovascular system while toning
and strengthening your muscles. The cross training
programs automatically control the resistance of the
pedals and prompt you to perform a variety of strength
exercises during your workout. Choose an upper body,
lower body, or whole body cross training program for a
focused workout. Note: The strength exercises require
the use of dumbbells and an inflatable exercise ball
(not included). To purchase dumbbells or an exer-
cise ball, call toll-free 1-888-533-1333.
You can also use two calorie goal programs designed
to help you burn 300 calories in 30- or 45-minute work-
outs. The calorie goal programs automatically control
the resistance of the pedals and prompt you to increase
or decrease your pace while counting the calories you
burn.
To use the manual mode of the console, follow the
steps beginning on page 10. To use a trainer pro-
gram, see page 12. To use a cross training pro-
gram, see page 13. To use a calorie goal program,
see page 15.
Note: If there is a sheet of clear plastic on the face
of the console, remove the plastic.

10
HOW TO USE THE MANUAL MODE
Press any button or begin pedaling to turn on
the console.
A moment after you turn on the console, the dis-
play will light.
Select the manual mode.
Each time you turn on the console, the manual
mode will be selected automatically. If you have
selected a program, reselect the manual mode by
pressing the Programs button repeatedly until the
words MANUAL MODE appear in the top of the
display.
Begin pedaling and change the resistance of
the pedals as desired.
As you pedal, change the resistance of the ped-
als by pressing the Increase and Decrease but-
tons repeatedly. There are ten resistance levels.
Note: After you press the buttons, it will take a
moment for the pedals to reach the selected
resistance level.
Follow your progress with the display.
The left side of the
display—This side of
the display will show
the elapsed time.
Note: When a pro-
gram is selected, the
display will show the time remaining in the pro-
gram instead of the elapsed time.
The left side of the display will also show your
heart rate when you use the handgrip pulse sen-
sor (see step 5 on page 11).
When a program is selected, the left side of the
display will also show the approximate number of
calories you have burned.
The center of the
display—When you
select the manual
mode, the center of
the display will show a
track that represents
1/4 mile. As you exercise, indicators will appear in
succession around the track until the entire track
appears. The track will then disappear and the
indicators will again begin to appear in succession.
The center of the dis-
play will also show the
resistance setting of
the pedals for a few
seconds each time the
resistance setting
changes.
The right side of the
display—This side of
the display will show
the distance (in miles
or kilometers) you
have pedaled and
your pedaling pace, in miles or kilometers per
hour.
The top of the dis-
play—When you
select the manual
mode, the top of the
display will show the
approximate number
of calories you have burned.
Note: The console
can display speed
and distance in
either miles or kilo-
meters. The letters
MPH or Km/H will
appear in the display to indicate the selected unit
of measurement. To change the unit of measure-
ment, first hold down the Program button for sev-
eral seconds. An E (for English) or an M (for met-
ric) will appear in the display. Press the Increase
button to change the unit of measurement. When
the desired unit of measurement is selected, press
the Program button again. Note: When you
replace the batteries, it may be necessary to rese-
lect the unit of measurement.
4
3
2
1

11
Measure your heart rate if desired.
If there are sheets
of clear plastic on
the metal contacts
on the handgrip
pulse sensor,
remove the plastic.
To measure your
heart rate, hold the
handgrip pulse sen-
sor with your palms
resting against the metal contacts. Avoid moving
your hands or gripping the contacts too
tightly.
When your pulse is
detected, a heart-
shaped symbol will
flash in the left side
of the display each
time your heart
beats, one or two dashes will appear, and then
your heart rate will be shown. For the most accu-
rate heart rate reading, hold the contacts for at
least 15 seconds. Note: If you continue to hold the
handgrip pulse sensor, the display will show your
heart rate for up to 30 seconds.
If your heart rate is not shown, make sure that
your hands are positioned as described. Be care-
ful not to move your hands excessively or to
squeeze the metal contacts too tightly. For opti-
mal performance, clean the metal contacts using
a soft cloth; never use alcohol, abrasives, or
chemicals to clean the contacts.
Turn on the fan if desired.
To turn on the fan at high speed, press the Fan
button. To turn on the fan at low speed, press the
button a second time. To turn off the fan, press
the button a third time. Note: If the pedals do not
move for a few minutes, the fan will automatically
turn off to conserve the batteries.
Pivot the thumb tab
on the right side of
the fan to adjust the
fan angle.
When you are finished exercising, the console
will turn off automatically.
If the pedals do not move for several seconds, a
tone will sound and the console will pause.
If the pedals do not move for about five minutes
and the buttons are not pressed, the console will
turn off and the display will be reset.
7
65
Thumb
Tab
Metal Contacts

12
HOW TO USE A TRAINER PROGRAM
Press any button or begin pedaling to turn on
the console.
A moment after you turn on the console, the dis-
play will light.
Select a trainer program.
Press the Program button repeatedly until the
words TRAINER 1 or TRAINER 2 appear in the
display. When you select a trainer program, the
program time will appear in the display and a pro-
file of the resistance settings for the program will
scroll across the center of the display.
Begin pedaling to start the program.
Each program is divided into 30 one-minute seg-
ments. One resistance setting and one target
pace (speed) setting are programmed for each
segment. Note: The same resistance setting and/or
target pace setting may be programmed for two or
more consecutive segments.
During the program, the program profile will show
your progress (see the drawing above). The
flashing segment of the profile represents the cur-
rent segment of the program. The height of the
flashing segment indicates the resistance setting
for the current segment. At the end of each seg-
ment of the program, a series of tones will sound
and the next segment of the profile will begin to
flash. If a different resistance setting is pro-
grammed for the next segment, the resistance
setting will appear in the display for a few sec-
onds to alert you. The resistance of the pedals
will then change.
As you exercise, you will be prompted to keep
your pedaling pace near the target pace setting
for the current segment. When the words PEDAL
FASTER appear in the display, increase your
pace. When the words PEDAL SLOWER appear
in the display, decrease your pace. When the
words PEDALING IN RANGE appear, maintain
your current pace.
Important: The target pace settings are intend-
ed only to provide motivation. Your actual
pace may be slower than the target pace set-
tings. Make sure to exercise at a pace that is
comfortable for you.
You can manually override the resistance setting,
if desired, by pressing the Increase and Decrease
buttons. Every few times you press a button, an
additional indicator will appear or disappear in the
flashing segment of the profile. However, when
the current segment ends, the pedals will auto-
matically adjust to the resistance setting for
the next segment.
To stop the program at any time, stop pedaling.
The time will begin to flash in the display. To
restart the program, simply resume pedaling.
When the last segment of the program ends, the
words PROGRAM DONE will appear in the dis-
play.
Follow your progress with the display.
See step 4 on page 10.
Measure your heart rate if desired.
See step 5 on page 11.
Turn on the fan if desired.
See step 6 on page 11.
When you are finished exercising, the console
will turn off automatically.
See step 7 on page 11.
7
6
5
4
3
2
1
Profile

13
HOW TO USE A CROSS TRAINING PROGRAM
Press any button or begin pedaling to turn on
the console.
A moment after you turn on the console, the dis-
play will light.
Select a cross training program.
Press the Program button repeatedly until the
name of the desired cross training program
appears in the display. When you select a cross
training program, the program time will appear in
the display and a profile of the resistance settings
for the program will scroll across the center of the
display.
Begin pedaling to start the program.
Each program is divided into 30 or 45 one-minute
segments. One resistance setting and one target
pace (speed) setting are programmed for most
segments. (Note: The same resistance and/or tar-
get pace setting may be programmed for two or
more consecutive segments.) During other seg-
ments, the console will prompt you to perform
strength exercises.
The displays for the cross training programs work
in the same way as the displays for the trainer pro-
grams (see step 3 on page 12).
As you exercise, you will be prompted to keep
your pedaling pace near the target pace setting
for the current segment. When the words PEDAL
FASTER appear in the display, increase your
pace. When the words PEDAL SLOWER appear
in the display, decrease your pace. When the
words PEDALING IN RANGE appear, maintain
your current pace.
Important: The target pace settings are intend-
ed only to provide motivation. Your actual
pace may be slower than the target pace set-
tings. Make sure to exercise at a pace that is
comfortable for you.
To stop the program at any time, stop pedaling.
The time will begin to flash in the display. To
restart the program, simply resume pedaling.
Perform the first strength exercise when
prompted.
When the first strength exercise segment begins,
the name of the first strength exercise will appear
in the display for a few seconds. The time will
pause and flash in the display. Next, the display
will show the recommended number of repetitions
for the first strength exercise.
Step off the
exercise cycle and
prepare to begin
the first strength
exercise. Every few
seconds, the con-
sole will sound a
tone; when a tone sounds, perform one repetition
of the exercise. Exercise with a slow, steady
motion; do not perform more than one repetition
each time a tone sounds. The display will count
down the repetitions as you perform them.
Note: Refer to the accompanying exercise chart
to see the correct form for each exercise. When
performing lunges, alternate legs with each repe-
tition. When performing dumbbell rows, perform
half the repetitions with your right arm and half
the repetitions with your left arm. The strength
exercises require the use of dumbbells and an
inflatable exercise ball (not included). To pur-
chase dumbbells or an exercise ball, call toll-
free 1-888-533-1333.
4
3
2
1

14
Continue the cross training program.
When you have performed the recommended
number of repetitions, the words START PEDAL-
ING will appear in the display. To continue the
cross training program, step onto the exercise
cycle and start pedaling. The pedals will automati-
cally adjust to the resistance setting for the next
segment.
The program will continue in this way until the last
segment ends. Then, the words PROGRAM
DONE will appear in the display.
Follow your progress with the display.
See step 4 on page 10.
Measure your heart rate if desired.
See step 5 on page 11.
Turn on the fan if desired.
See step 6 on page 11.
When you are finished exercising, the console
will turn off automatically.
See step 7 on page 11.
9
8
7
65

15
HOW TO USE A CALORIE GOAL PROGRAM
Press any button or begin pedaling to turn on
the console.
A moment after you turn on the console, the dis-
play will light.
Select one of the calorie goal programs.
Press the Program button repeatedly until the
name of the desired calorie goal program
appears in the display. When you select a calorie
goal program, the program time will appear in the
display and a profile of the resistance settings for
the program will scroll across the center of the dis-
play.
Begin pedaling to start the program.
Each program is divided into 30 or 45 one-minute
segments. One resistance setting and one target
pace (speed) setting are programmed for each
segment. Note: The same resistance setting and/or
target pace setting may be programmed for two or
more consecutive segments. The display for a
calorie goal program work in the same way as the
display for the trainer programs (see step 3 on
page 12).
As you exercise, you will be prompted to keep
your pace near the target pace setting for the cur-
rent segment. When the words PEDAL FASTER
appear in the display, increase your pace. When
the words PEDAL SLOWER appear in the dis-
play, decrease your pace. When the words PED-
ALING IN RANGE appear, maintain your current
pace.
Important: The target pace settings are intend-
ed only to provide motivation. Your actual
pace may be slower than the target pace set-
tings. Make sure to exercise at a pace that is
comfortable for you. Note: If you manually over-
ride the resistance settings of a calorie goal pro-
gram, you might not reach your calorie goal.
To stop the program at any time, stop pedaling.
The time will begin to flash in the display. To
restart the program, simply resume pedaling.
When the last segment of the program ends, the
words PROGRAM DONE will appear in the dis-
play.
Follow your progress with the display.
See step 4 on page 10.
Measure your heart rate if desired.
See step 5 on page 11.
Turn on the fan if desired.
See step 6 on page 11.
When you are finished exercising, the console
will turn off automatically.
See step 7 on page 11.
7
6
5
4
3
2
1

16
Inspect and properly tighten all parts of the exercise
cycle regularly. Replace any worn parts immediately.
To clean the exercise cycle, use a damp cloth and a
small amount of mild soap—never use alcohol,
abrasives, or chemicals to clean the exercise
cycle.
Important: To avoid damage to the console, keep
liquids away from the console and keep the con-
sole out of direct sunlight.
BATTERY REPLACEMENT
If the console display becomes dim, the batteries
should be replaced; most console problems are the
result of low batteries. To replace the batteries, see
assembly step 5 on page 5.
PULSE SENSOR TROUBLESHOOTING
For optimal performance of the pulse sensor, keep the
metal contacts clean. Clean the contacts with a soft
cloth—never use alcohol, abrasives, or chemicals
to clean the metal contacts.
Avoid moving your hands or squeezing the metal con-
tacts too tightly while using the pulse sensor; doing so
may interfere with heart rate readings. For the most
accurate heart rate reading, hold the metal contacts
for about 15 seconds.
MAINTENANCE AND TROUBLESHOOTING

17
CONDITIONING GUIDELINES
The following guidelines will help you to plan your
exercise program. Remember that proper nutrition
and adequate rest are essential for successful results.
EXERCISE INTENSITY
Whether your goal is to burn fat or to strengthen your
cardiovascular system, the key to achieving the
desired results is to exercise with the proper intensity.
The proper intensity level can be found by using your
heart rate as a guide. The chart below shows recom-
mended heart rates for fat burning, maximum fat
burning, and cardiovascular (aerobic) exercise.
To find the proper heart rate for you, first find your age
at the bottom of the chart (ages are rounded off to the
nearest ten years). Next, find the three numbers above
your age. The three numbers are your “training zone.”
The lowest number is the recommended heart rate for
fat burning; the middle number is the recommended
heart rate for maximum fat burning; the highest num-
ber is the recommended heart rate for aerobic exer-
cise.
Fat Burning
To burn fat effectively, you must exercise at a relative-
ly low intensity level for a sustained period of time.
During the first few minutes of exercise, your body
uses easily accessible
carbohydrate
calories for ener-
gy. Only after the first few minutes of exercise does
your body begin to use stored
fat
calories for energy.
If your goal is to burn fat, adjust the intensity of your
exercise until your heart rate is near the lowest num-
ber in your training zone as you exercise. For maxi-
mum fat burning, adjust the intensity of your exercise
until your heart rate is near the middle number in your
training zone as you exercise.
Aerobic Exercise
If your goal is to strengthen your cardiovascular sys-
tem, your exercise must be “aerobic.” Aerobic exer-
cise is activity that requires large amounts of oxygen
for prolonged periods of time. This increases the
demand on the heart to pump blood to the muscles,
and on the lungs to oxygenate the blood. For aerobic
exercise, adjust the intensity of your exercise until
your heart rate is near the highest number in your
training zone.
WORKOUT GUIDELINES
Each workout should include the following three parts:
A warm-up, consisting of 5 to 10 minutes of stretching
and light exercise. A proper warm-up increases your
body temperature, heart rate, and circulation in prepa-
ration for exercise.
Training zone exercise, consisting of 20 to 30 min-
utes of exercising with your heart rate in your training
zone. Note: During the first few weeks of your exer-
cise program, do not keep your heart rate in your
training zone for longer than 20 minutes.
A cool-down, with 5 to 10 minutes of stretching. This
will increase the flexibility of your muscles and will
help to prevent post-exercise problems.
EXERCISE FREQUENCY
To maintain or improve your condition, plan three work-
outs each week, with at least one day of rest between
workouts. After a few months of regular exercise, you
may complete up to five workouts each week, if
desired. Remember, the key to success is make exer-
cise a regular and enjoyable part of your everyday life.
WARNING:
Before beginning this or any exercise pro-
gram, consult your physician. This is espe-
cially important for persons over the age of
35 or persons with pre-existing health prob-
lems.
The pulse sensor is not a medical device.
Various factors may affect the accuracy of
heart rate readings. The pulse sensor is
intended only as an exercise aid in determin-
ing heart rate trends in general.

18
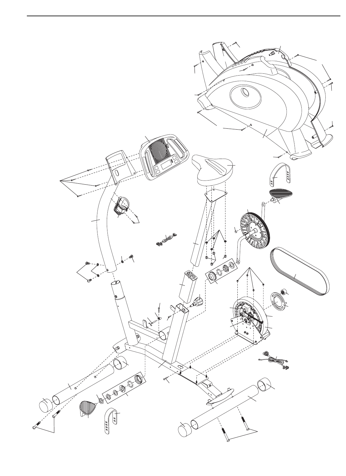
1 1 Frame
2 1 Front Stabilizer
3 1 Upright
4 4 Endcap
5 1 Seat Post
6 1 Console
7 1 Eddy Mechanism
8 1 Resistance Motor
9 1 Crank Nut
10 1 Pillow Block
11 1 Adjustment Knob
12 1 Seat
13 1 Pulley/Crank
14 1 Rear Stabilizer
15 2 M4 x 22mm Screw
16 1 Magnet
17 1 Left Side Shield
18 1 Right Side Shield
19 1 Eddy Axle Assembly
20 1 Seat Post Bushing
21 1 Reed Switch/Wire
22 1 Clamp
23 1 Belt
24 1 Left Pedal
25 2 Pedal Strap
26 1 Right Pedal
27 1 Crank Bearing Set
28 1 Idler
29 1 Water Bottle Holder
30 1 Idler Pulley
31 1 Lower Wire Harness
32 1 Upper Wire Harness
33 4 M10 x 74mm Button Screw
34 3 M10 Split Washer
35 3 M10 x 20mm Button Screw
36 4 M8 Split Washer
37 4 M8 Nylon Locknut
38 4 M6 Nylon Locknut
39 3 M4 x 25mm Screw
40 1 M4 x 5mm Screw
41 14 M4 x 16mm Screw
# 1 User’s Manual
# 1 Hex Key
Note: “#” indicates a non-illustrated part. Specifications are subject to change without notice. If a part is missing,
call toll-free 1-888-533-1333. See the back cover of this manual for information about ordering replacement
parts.
PART LIST—Model No. 831.21641.0 R0307A
Key No. Qty. Description Key No. Qty. Description

19
2
3
1
4
4
5
6
7
8
10
11
12
13
14
4
4
16
17
18
19
20
21 22
23
24
9
25
25
26
27
27
29
28
30
31
32
33
33
35
35 34
34
36
37 38
40
41
15
41
41
41
41
41
41
41
39
39
39
41
EXPLODED DRAWING—Model No. 831.21641.0 R0307A

Part No. 245851 R0307A Printed in China © 2007 ICON IP, Inc.
Your Home
For repair—in your home—of all major brand appliances, lawn and garden equipment,
or heating and cooling systems, no matter who made it, no matter who sold it!
For the replacement parts, accessories, and user’s manuals that you need to do-it-yourself.
For Sears professional installation of home appliances
and items like garage door openers and water heaters.
1-800-4-MY-HOME® (1-800-469-4663)
Call anytime, day or night (U.S.A. and Canada)
www.sears.com www.sears.ca
Our Home
For repair of carry-in items like vacuums, lawn equipment,
and electronics, call or go on-line for the location of your nearest
Sears Parts & Repair Center.
1-800-488-1222 Call anytime, day or night (U.S.A. only)
www.sears.com
To purchase a protection agreement (U.S.A.)
or maintenance agreement (Canada) on a product serviced by Sears:
1-800-827-6655 (U.S.A.) 1-800-361-6665 (Canada)
Para pedir servicio de reparación a domicilio, y para ordenar piezas:
1-888-SU-HOGAR® (1-888-784-6427)
Get it fixed, at your home or ours!
® Registered Trademark / TM Trademark / SM Service Mark of Sears Brands, LLC
® Marca Registrada / TM Marca de Fábrica / SM Marca de Servicio de Sears Brands, LLC
90 DAY FULL WARRANTY
If this Sears Bike Exerciser fails due to a defect in material or workmanship within 90 days of the date
of purchase, call 1-800-4-MY-HOME®(1-800-469-4663) to arrange for free repair (or replacement if
repair proves impossible). There is a five year warranty on the frame.
This warranty does not apply when the Bike Exerciser is used commercially or for rental purposes.
This warranty gives you specific legal rights, and you may also have other rights which vary from state
to state.
Sears, Roebuck and Co., Hoffman Estates, IL 60179