Proform 248530 Crosswalk Fit 415 Treadmill Users Manual
2015-04-13
: Proform Proform-248530-Crosswalk-Fit-415-Treadmill-Users-Manual-697209 proform-248530-crosswalk-fit-415-treadmill-users-manual-697209 proform pdf
Open the PDF directly: View PDF
.
Page Count: 32

!"#$%&'"(&)*+(,-).*(/
0$123%&'"(&&&&&&&&&&&&&&&&&&&&&&&&&&&&&&&&&&
!"#$%&$'%&(%"#)*&+,-.%"&#+&$'%&(/)0%&
).12%&31"&"%3%"%+0%4
5%"#)*&6,-.%"&
7%0)*
&&&&456789'
:$3#&3%%&;1$<3=>2"?@&3?#&2?@>1=<A
>2"?@&2?&>B2@&C3?=3%&D$E"1$&=@2?F&
>B2@&$G=2;C$?>(&H$$;&>B2@&C3?=3%&
E"1&E=>=1$&1$E$1$?<$(
I&5@@$CD%J
I&9;$13>2"?
I&!32?>$?3?<$
I&K31>&L2@>&3?#&M13N2?F
0$31@O&:"$D=<P&3?#&4"(&
Q"EEC3?&R@>3>$@O&8L&S/+TU
7:R5M!8LL&RVR:480R:
6@$1W@&!3?=3%

,
X5:'8'Y&MR45L&KL54R!R'7
8'#(&9"):#+;&('1:(&$'%&*10)$#1+(&13&
$'%&:)"+#+;&9%0)*(4&8E&3&#$<3%&2@&C2@@A
2?F&"1&2%%$F2D%$O&<3%%&+A)))A.**A+***&
3?#&1$G=$@>&3&E1$$&1$;%3<$C$?>&
#$<3%(&5;;%J&>B$&#$<3%&2?&>B$&%"<3>2"?&
@B"N?(&61$%<&8'%&9%0)*(&-)=&+1$&.%&
('1:+&)$&)0$,)*&(#>%4
!?@6A6B&7CD?E&FE?DCGC68 4&4&4&4&4&4&4&4&4&4&4&4&4&4&4&4&4&4&4&4&4&4&4&4&4&4&4&4&4&4&4&4&4&4&4&4&4&4&4&4&4&4&4&4&4&4&4&4&4&4&4&4&4&4&4&4&4&4&4&4&4&4&4H
AGFI@8?68&F@CD?J8AI65&4&4&4&4&4&4&4&4&4&4&4&4&4&4&4&4&4&4&4&4&4&4&4&4&4&4&4&4&4&4&4&4&4&4&4&4&4&4&4&4&4&4&4&4&4&4&4&4&4&4&4&4&4&4&4&4&4&4&4&4&4&4&4&4&4&4K
LCMI@C&NIJ&LCBA64&4&4&4&4&4&4&4&4&4&4&4&4&4&4&4&4&4&4&4&4&4&4&4&4&4&4&4&4&4&4&4&4&4&4&4&4&4&4&4&4&4&4&4&4&4&4&4&4&4&4&4&4&4&4&4&4&4&4&4&4&4&4&4&4&4&4&4&4&4&4&4O
F?@8&A7C68AMAD?8AI6&DP?@84&4&4&4&4&4&4&4&4&4&4&4&4&4&4&4&4&4&4&4&4&4&4&4&4&4&4&4&4&4&4&4&4&4&4&4&4&4&4&4&4&4&4&4&4&4&4&4&4&4&4&4&4&4&4&4&4&4&4&4&4&4&4&4Q
?55CGLEN 4&4&4&4&4&4&4&4&4&4&4&4&4&4&4&4&4&4&4&4&4&4&4&4&4&4&4&4&4&4&4&4&4&4&4&4&4&4&4&4&4&4&4&4&4&4&4&4&4&4&4&4&4&4&4&4&4&4&4&4&4&4&4&4&4&4&4&4&4&4&4&4&4&4&4&4&4&4&4&4R
IFC@?8AI6&?67&?7SJ58GC68 &4&4&4&4&4&4&4&4&4&4&4&4&4&4&4&4&4&4&4&4&4&4&4&4&4&4&4&4&4&4&4&4&4&4&4&4&4&4&4&4&4&4&4&4&4&4&4&4&4&4&4&4&4&4&4&4&4&4&4&4&4TU
&PI!&8I&MIE7&?67&GIVC&8PC&8@C?7GAEE& 4&4&4&4&4&4&4&4&4&4&4&4&4&4&4&4&4&4&4&4&4&4&4&4&4&4&4&4&4&4&4&4&4&4&4&4&4&4&4&4&4&4&4&4&4&4&4&4&4&4&4HW
8@IJLEC5PII8A6B &4&4&4&4&4&4&4&4&4&4&4&4&4&4&4&4&4&4&4&4&4&4&4&4&4&4&4&4&4&4&4&4&4&4&4&4&4&4&4&4&4&4&4&4&4&4&4&4&4&4&4&4&4&4&4&4&4&4&4&4&4&4&4&4&4&4&4&4&4&4HT
CXC@DA5C&BJA7CEA6C5&4&4&4&4&4&4&4&4&4&4&4&4&4&4&4&4&4&4&4&4&4&4&4&4&4&4&4&4&4&4&4&4&4&4&4&4&4&4&4&4&4&4&4&4&4&4&4&4&4&4&4&4&4&4&4&4&4&4&4&4&4&4&4&4&4&4&4&4HK
F?@8&EA584&4&4&4&4&4&4&4&4&4&4&4&4&4&4&4&4&4&4&4&4&4&4&4&4&4&4&4&4&4&4&4&4&4&4&4&4&4&4&4&4&4&4&4&4&4&4&4&4&4&4&4&4&4&4&4&4&4&4&4&4&4&4&4&4&4&4&4&4&4&4&4&4&4&4&4&4&4&4&4HR
CXFEI7C7&7@?!A6B4&4&4&4&4&4&4&4&4&4&4&4&4&4&4&4&4&4&4&4&4&4&4&4&4&4&4&4&4&4&4&4&4&4&4&4&4&4&4&4&4&4&4&4&4&4&4&4&4&4&4&4&4&4&4&4&4&4&4&4&4&4&4&4&4&4&4&4&4&4HY
I@7C@A6B&@CFE?DCGC68&F?@854&4&4&4&4&4&4&4&4&4&4&4&4&4&4&4&4&4&4&4&4&4&4&4&4&4&4&4&4&4&4&4&4&4&4&4&4&4&4&4&4&4&4&4&4&4&4&4&4&4&4& L)0Z&D12%"
[W\7?N&MJEE&!?@@?68N 4&4&4&4&4&4&4&4&4&4&4&4&4&4&4&4&4&4&4&4&4&4&4&4&4&4&4&4&4&4&4&4&4&4&4&4&4&4&4&4&4&4&4&4&4&4&4&4&4&4&4&4&4&4&4&4&4&4&4& L)0Z&D12%"
75ZLR&9[&49'7R'70

*
+(& 8>&2@&>B$&1$@;"?@2D2%2>J&"E&>B$&"N?$1&>"&$?@=1$&
>B3>&3%%&=@$1@&"E&>B2@&>1$3#C2%%&31$&3#$G=3>$%J&
2?E"1C$#&"E&3%%&N31?2?F@&3?#&;1$<3=>2"?@(
,(& Z$E"1$&D$F2??2?F&3?J&$\$1<2@$&;1"F13CO&
<"?@=%>&J"=1&;BJ@2<23?(&7B2@&2@&$@;$<23%%J&
2C;"1>3?>&E"1&;$1@"?@&"]$1&3F$&*.&"1&;$1@"?@&
N2>B&;1$A$\2@>2?F&B$3%>B&;1"D%$C@(
*(& 6@$&>B$&>1$3#C2%%&"?%J&3@&#$@<12D$#&2?&>B2@&
C3?=3%(
-(& 7B$&>1$3#C2%%&2@&2?>$?#$#&E"1&B"C$&=@$&"?%J(&
M"&?">&=@$&>B$&>1$3#C2%%&2?&3?J&<"CC$1<23%O&
1$?>3%O&"1&2?@>2>=>2"?3%&@$>>2?F(
.(& H$$;&>B$&>1$3#C2%%&2?#""1@O&3N3J&E1"C&C"2@A
>=1$&3?#&#=@>(&M"&?">&;=>&>B$&>1$3#C2%%&2?&3&
F313F$&"1&<"]$1$#&;3>2"O&"1&?$31&N3>$1(
S(& K%3<$&>B$&>1$3#C2%%&"?&3&%$]$%&@=1E3<$O&N2>B&
3>&%$3@>&)&E>(&^,(-&C_&"E&<%$313?<$&D$B2?#&2>&
3?#&,&E>(&^/(S&C_&"?&$3<B&@2#$(&M"&?">&;%3<$&
>B$&>1$3#C2%%&"?&3?J&@=1E3<$&>B3>&D%"<P@&321&
";$?2?F@(&7"&;1">$<>&>B$&E%""1&"1&<31;$>&E1"C&
#3C3F$O&;%3<$&3&C3>&=?#$1&>B$&>1$3#C2%%(
T(& M"&?">&";$13>$&>B$&>1$3#C2%%&NB$1$&3$1"@"%&
;1"#=<>@&31$&=@$#&"1&NB$1$&"\JF$?&2@&D$2?F&
3#C2?2@>$1$#(
)(& H$$;&<B2%#1$?&=?#$1&3F$&+,&3?#&;$>@&3N3J&
E1"C&>B$&>1$3#C2%%&3>&3%%&>2C$@(
U(& 7B$&>1$3#C2%%&@B"=%#&D$&=@$#&"?%J&DJ&;$1A
@"?@&N$2FB2?F&*//&%D@(&^+*S&PF_&"1&%$@@(
+/(&'$]$1&3%%"N&C"1$&>B3?&"?$&;$1@"?&"?&>B$&
>1$3#C2%%&3>&3&>2C$(
++(&X$31&3;;1";123>$&$\$1<2@$&<%">B$@&NB2%$&
=@2?F&>B$&>1$3#C2%%(&M"&?">&N$31&%""@$&
<%">B$@&>B3>&<"=%#&D$<"C$&<3=FB>&2?&>B$&
>1$3#C2%%(&5>B%$>2<&@=;;"1>&<%">B$@&31$&1$<"CA
C$?#$#&E"1&D">B&C$?&3?#&N"C$?(&Always
wear athletic shoes. Never use the treadmill
with bare feet, wearing only stockings, or in
sandals.
+,(&K%=F&>B$&;"N$1&<"1#&2?>"&3&@=1F$&@=;;1$@@"1&
^?">&2?<%=#$#_O&3?#&;%=F&>B$&@=1F$&@=;;1$@A
@"1&2?>"&3?&3;;1";123>$&"=>%$>&^@$$&;3F$&+-_(&
7"&3]"2#&"]$1%"3#2?F&>B$&<21<=2>O&#"&?">&;%=F&
">B$1&$%$<>12<3%&#$]2<$@O&$\<$;>&E"1&%"NA;"N$1&
#$]2<$@&@=<B&3@&<$%%&;B"?$&<B31F$1@O&2?>"&
>B$&@=1F$&@=;;1$@@"1&"1&2?>"&3?&"=>%$>&"?&>B$&
@3C$&<21<=2>(
+*(&6@$&"?%J&3&@=1F$&@=;;1$@@"1&>B3>&C$$>@&3%%&"E&
>B$&@;$<2E2<3>2"?@&#$@<12D$#&"?&;3F$&+-(&7"&
;=1<B3@$&3&@=1F$&@=;;1$@@"1O&@$$&J"=1&%"<3%&
0$31@&@>"1$O&<3%%&>B$&>$%$;B"?$&?=CD$1&"?&>B$&
D3<P&<"]$1&"E&>B2@&C3?=3%O&"1&@$$&J"=1&%"<3%&
$%$<>1"?2<@&@>"1$(
+-(&[32%=1$&>"&=@$&3&;1";$1%J&E=?<>2"?2?F&@=1F$&
@=;;1$@@"1&<"=%#&1$@=%>&2?C3F$&>"&>B$&
<"?>1"%&@J@>$C&"E&>B$&>1$3#C2%%(&8E&>B$&<"?>1"%&
@J@>$C&2@C3F$#O&>B$&N3%P2?F&D$%>&C3J&
@%"NO&3<<$%$13>$O&"1&@>";&=?$\;$<>$#%JO&NB2<B&
C3J&1$@=%>&2?&3&E3%%&3?#&@$12"=@&2?`=1J(
+.(&H$$;&>B$&;"N$1&<"1#&3?#&>B$&@=1F$&@=;;1$@A
@"1&3N3J&E1"C&B$3>$#&@=1E3<$@(
+S(&'$]$1&C"]$&>B$&N3%P2?F&D$%>&NB2%$&>B$&;"N$1&
2@&>=1?$#&"EE(&M"&?">&";$13>$&>B$&>1$3#C2%%&
2E&>B$&;"N$1&<"1#&"1&;%=F&2@C3F$#O&"1&2E&
>B$&>1$3#C2%%&2@&?">&N"1P2?F&;1";$1%J(&^0$$&
7:96ZLR0Q9978'Y&"?&;3F$&,+&2E&>B$&>1$3#A
C2%%&2@&?">&N"1P2?F&;1";$1%J(_
+T(&:$3#O&=?#$1@>3?#O&3?#&>$@>&>B$&$C$1F$?<J&
@>";&;1"<$#=1$&D$E"1$&=@2?F&>B$&>1$3#C2%%&
^@$$&Q9X&79&76:'&9'&7QR&K9XR:&"?&
;3F$&+S_(
+)(&'$]$1&@>31>&>B$&>1$3#C2%%&NB2%$&J"=&31$&@>3?#A
2?F&"?&>B$&N3%P2?F&D$%>(&5%N3J@&B"%#&>B$&
B3?#132%@&NB2%$&=@2?F&>B$&>1$3#C2%%(
+U(&7B$&>1$3#C2%%&2@&<3;3D%$&"E&B2FB&@;$$#@(&
5#`=@>&>B$&@;$$#&2?&@C3%%&2?<1$C$?>@&>"&
3]"2#&@=##$?&`=C;@&2?&@;$$#(
&&&&X5:'8'Ya&7"&1$#=<$&>B$&12@P&"E&D=1?@O&E21$O&$%$<>12<&@B"<PO&"1&2?`=1J&>"&;$1@"?@O&1$3#&
3%%&2C;"1>3?>&;1$<3=>2"?@&3?#&2?@>1=<>2"?@&2?&>B2@&C3?=3%&3?#&3%%&N31?2?F@&"?&J"=1&>1$3#C2%%&D$E"1$&
=@2?F&J"=1&>1$3#C2%%(&0$31@&3@@=C$@&?"&1$@;"?@2D2%2>J&E"1&;$1@"?3%&2?`=1J&"1&;1";$1>JC3F$&@=@A
>32?$#&DJ&"1&>B1"=FB&>B$&=@$&"E&>B2@&;1"#=<>(
8!K9:75'7&K:R456789'0

-
,/(&7B$&B$31>&13>$&C"?2>"1&2@&?">&3&C$#2<3%&
#$]2<$(&b312"=@&E3<>"1@O&2?<%=#2?F&>B$&=@$1W@&
C"]$C$?>O&C3J&3EE$<>&>B$&3<<=13<J&"E&B$31>&
13>$&1$3#2?F@(&7B$&B$31>&13>$&C"?2>"1&2@&
2?>$?#$#&"?%J&3@&3?&$\$1<2@$&32#&2?&#$>$1C2?A
2?F&B$31>&13>$&>1$?#@&2?&F$?$13%(
,+(&'$]$1&%$3]$&>B$&>1$3#C2%%&=?3>>$?#$#&NB2%$&
2>&2@&1=??2?F(&5%N3J@&1$C"]$&>B$&P$JO&;1$@@&
>B$&;"N$1&@N2><B&2?>"&>B$&"EE&;"@2>2"?&^@$$&
>B$
N2?F&"?&;3F$&.&E"1&>B$&%"<3>2"?&"E&>B$&
;"N$1&@N2><B_O&3?#&=?;%=F&>B$&;"N$1&<"1#&
NB$?&>B$&>1$3#C2%%&2@&?">&2?&=@$(
,,(&M"&?">&3>>$C;>&>"&C"]$&>B$&>1$3#C2%%&=?>2%&
2>&2@&;1";$1%J&3@@$CD%$#(&^0$$&500R!ZLc&
"?&;3F$&)&3?#&Q9X&79&[9LM&5'M&!9bR&
7QR&7:R5M!8LL&"?&;3F$&,/(_&c"=&C=@>&D$&
3D%$&>"&@3E$%J&%2E>&-.&%D@(&^,/&PF_&>"&C"]$&>B$&
>1$3#C2%%(
,*(&XB$?&E"%#2?F&"1&C"]2?F&>B$&>1$3#C2%%O&C3P$&
@=1$&>B3>&>B$&@>"13F$&%3><B&2@&B"%#2?F&>B$&
E13C$&@$<=1$%J&2?&>B$&@>"13F$&;"@2>2"?(
,-(&M"&?">&<B3?F$&>B$&2?<%2?$&"E&>B$&>1$3#C2%%&DJ&
;%3<2?F&"D`$<>@&=?#$1&>B$&>1$3#C2%%(
,.(&'$]$1&2?@$1>&3?J&"D`$<>&2?>"&3?J&";$?2?F&"?&
>B$&>1$3#C2%%(
,S(&8?@;$<>&3?#&;1";$1%J&>2FB>$?&3%%&;31>@&"E&>B$&
>1$3#C2%%&1$F=%31%J(
,T(&M5'YR:a&5%N3J@&=?;%=F&>B$&;"N$1&
<"1#&2CC$#23>$%J&3E>$1&=@$O&D$E"1$&<%$3?A
2?F&>B$&>1$3#C2%%O&3?#&D$E"1$&;$1E"1C2?F&>B$&
C32?>$?3?<$&3?#&3#`=@>C$?>&;1"<$#=1$@&
#$@<12D$#&2?&>B2@&C3?=3%(&'$]$1&1$C"]$&>B$&
C">"1&B""#&=?%$@@&2?@>1=<>$#&>"&#"&@"&DJ&3?&
3=>B"12d$#&@$1]2<$&1$;1$@$?>3>2]$(&0$1]2<2?F&
">B$1&>B3?&>B$&;1"<$#=1$@&2?&>B2@&C3?=3%&
@B"=%#&D$&;$1E"1C$#&DJ&3?&3=>B"12d$#&@$1A
]2<$&1$;1$@$?>3>2]$&"?%J(
,)(&9]$1&$\$1<2@2?F&C3J&1$@=%>&2?&@$12"=@&2?`=1J&
"1&#$3>B(&8E&J"=&E$$%&E32?>&"1&2E&J"=&$\;$12$?<$&
;32?&NB2%$&$\$1<2@2?FO&@>";&2CC$#23>$%J&3?#&
<""%&#"N?(
05bR&7QR0R&8'07:64789'0

.
&8')+Z&=1,&31"&(%*%0$#+;&$'%&+%:&F@IMI@G]&&
D@I55!?E^&MA8&UTO&$"%)9-#**4&8'%&D@I55!?E^&
MA8&UTO&$"%)9-#**&/"12#9%(&)+&#-/"%((#2%&(%*%0$#1+&
13&3%)$,"%(&9%(#;+%9&$1&-)Z%&=1,"&:1"Z1,$(&)$&'1-%&
-1"%&%33%0$#2%&)+9&%+_1=).*%4
["1&J"=1&D$?$E2>O&1$3#&>B2@&C3?=3%&<31$E=%%J&D$E"1$&
J"=&=@$&>B$&>1$3#C2%%(&A3&=1,&')2%&`,%($#1+(&)3$%"&
"%)9#+;&$'#(&-)+,)*a&/*%)(%&(%%&$'%&.)0Z&012%"&13&$'#(&
-)+,)*4&81&'%*/&,(&)((#($&=1,a&+1$%&$'%&/"19,0$&-19%*&
+,-.%"&)+9&(%"#)*&+,-.%"&.%31"%&01+$)0$#+;&,(4&8'%&
-19%*&+,-.%"&)+9&$'%&*10)$#1+&13&$'%&(%"#)*&+,-.%"&
9%0)*&)"%&('1:+&1+&$'%&3"1+$&012%"&13&$'#(&-)+,)*4
L%31"%&"%)9#+;&3,"$'%"a&/*%)(%&3)-#*#)"#>%&=1,"(%*3&:#$'&
$'%&/)"$(&$')$&)"%&*).%*%9&#+&$'%&9"):#+;&.%*1:4
ZR[9:R&c96&ZRY8'
E%+;$'<& O&3$4&O&#+4&bTQO&0-c
!#9$'<& H&3$4&[&#+4&bYK&0-c
P)+9")#*
5$1");%&E)$0'
D1+(1*%
^%=dD*#/
F1:%"&5:#$0'
F1:%"&D1"9
!)*Z#+;&L%*$
G1$1"&P119
!'%%*
M11$&@)#*
A9*%"&@1**%"
?9_,($-%+$&50"%:(
?00%((1"=&8")=
F*)$31"-&D,('#1+
P%)"$&@)$%&G1+#$1"
8")=
J//%"&L19=&?"-

S
TdUe&Cf$%"+)*&5$)"&
!)('%"&bQTcgY
OdTQe&5$)"&
!)('%"&bQcgU
KdYe&5$)"&
!)('%"&bKcgTW
hY&f&TdHe&B"1,+9&
50"%:&bTcgT
KdYe&f&K&TdUe&50"%:&bHcgQ
TdUe&f&T&TdUe&50"%:&bRRcgU OdTQe&f&K&TdOe&50"%:&bRYcgU
TdUe&f&K&TdHe&50"%:&bKKcgU
hY&f&KdUe&50"%:
&bUcgTU
hTW&f&KdUe&50"%:
&bYcgH
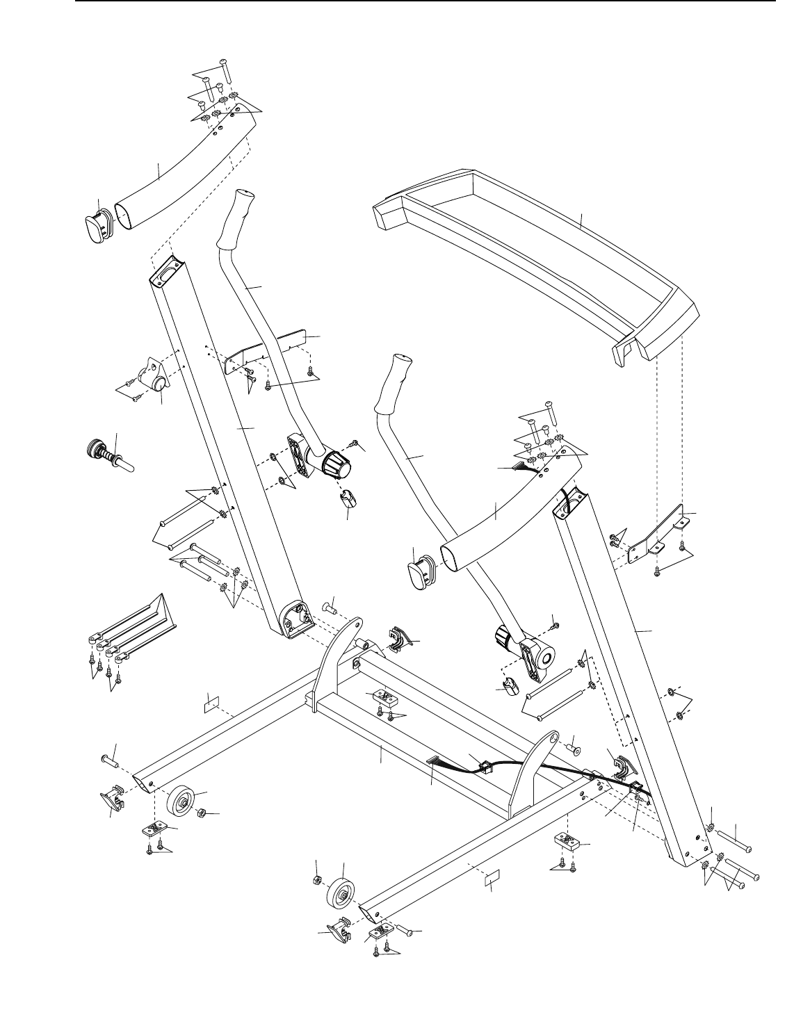
K5:7&8MR'78[845789'&4Q5:7
&J(%&$'%&9"):#+;(&.%*1:&$1	%+$#3=&(-)**&/)"$(&,(%9&31"&)((%-.*=4&8'%&+,-.%"&#+&/)"%+$'%(%(&.%*1:&%)0'&9"):\
#+;&#(&$'%&Z%=&+,-.%"&13&$'%&/)"$a&3"1-&$'%&F?@8&EA58&+%)"&$'%&%+9&13&$'#(&-)+,)*4&8'%&+,-.%"&31**1:#+;&$'%&Z%=&
+,-.%"&#(&$'%&`,)+$#$=&,(%9&31"&)((%-.*=4&'">$a&8E&3&;31>&2@&?">&2?&>B$&B31#N31$&P2>O&<B$<P&>"&@$$&2E&2>&2@&;1$A
3>>3<B$#(&8E&2>&2@&?">O&<3%%&+A)))A.**A+***(&R\>13&;31>@&C3J&D$&2?<%=#$#(

T
T4& &Y"&>"&NNN(;1"E"1C@$1]2<$(<"Ce
1$F2@>13>2"?&"?&J"=1&<"C;=>$1&3?#&1$F2@>$1&
J"=1&;1"#=<>(
& i&)0$#2)$%(&=1,"&:)"")+$=
& i&&()2%(&=1,&$#-%&=1,&%2%"&+%%9&$1&01+$)0$&
D,($1-%"&D)"%
& i&&)**1:(&,(&$1&+1$#3=&=1,&13&,/;")9%(&)+9&133%"(
&&61$%<&A3&=1,&91&+1$&')2%&A+$%"+%$&)00%((a&0)**&
T\YYY\OKK\TKKK&)+9&"%;#($%"&=1,"&/"19,0$4
H4& !3P$&@=1$&>B3>&>B$&;"N$1&<"1#&2@&=?;%=FF$#(
&&@%-12%&)+9&9#(0)"9&$'%&$:1&(0"%:(&b?c&)+9&
$'%&('#//#+;&.")0Z%$&bLc&3"1-&$'%&"#;'$&(#9%&13&
$'%&L)(%&bRUc4&7B$?O&1$C"]$&3?#@<31#&>B$&
@<1$N@&3?#&>B$&@B2;;2?F&D13<P$>&^?">&@B"N?_&
E1"C&>B$&%$E>&@2#$&"E&>B$&Z3@$(
&&@%-12%&$'%&$#%&(%0,"#+;&$'%&J/"#;'$&!#"%&bQKc4
&&F"%((&)&L)(%&D)/&bRWc&#+$1&%)0'&(#9%&13&$'%&
L)(%&bRUc&b1+*=&1+%&(#9%&#(&('1:+c4
T
H
L
?
RU
i& ?((%-.*=&"%`,#"%(&$:1&/%"(1+(4
i& &F*)0%&)**&/)"$(&#+&)&0*%)"%9&)"%)&)+9&"%-12%&$'%&
/)0Z#+;&-)$%"#)*(4&71&+1$&9#(/1(%&13&$'%&/)0Z#+;&
-)$%"#)*(&,+$#*&=1,&&+#('&)**&)((%-.*=&($%/(4
i& &?3$%"&('#//#+;a&$'%"%&-)=&.%&)+&1#*=&(,.($)+0%&
1+&$'%&%f$%"#1"&13&$'%&$"%)9-#**4&8'#(&#(&+1"-)*4&A3&
$'%"%&#(&)+&1#*=&(,.($)+0%&1+&$'%&$"%)9-#**a&:#/%&
#$&133&:#$'&)&(13$&0*1$'&)+9&)&-#*9a&+1+\).")(#2%&
0*%)+%"4
i& E%3$&/)"$(&)"%&-)"Z%9&jEk&1"&jE%3$k&)+9&"#;'$&/)"$(&
)"%&-)"Z%9&j@k&1"&j@#;'$4k
i& 81	%+$#3=&(-)**&/)"$(a&(%%&/);%&Q4
i& &?((%-.*=&"%`,#"%(&$'%&31**1:#+;&$11*(<
$'%&#+0*,9%9&'%f&Z%=& &
1+%&F'#**#/(&(0"%:9"#2%"&
&81&)21#9&9)-);#+;&/)"$(a&91&+1$&,(%&/1:%"&$11*(4&
500R!ZLc
8#%
QK
RW

)
K4& A9%+$#3=&$'%&@#;'$&J/"#;'$&bRQc4&P)2%&)&(%01+9&
/%"(1+&'1*9&$'%&@#;'$&J/"#;'$&+%)"&$'%&L)(%&
bRUc4
&& 0$$&>B$&2?@$>
N2?F(&8#%&$'%&:#"%&$#%&#+&$'%&
@#;'$&J/"#;'$&bRQc&(%0,"%*=&)"1,+9&$'%&%+9&13&$'%&
J/"#;'$&!#"%&bQKc4&8'%+a&#+(%"$&$'%&J/"#;'$&!#"%&
#+$1&$'%&*1:%"&%+9&13&$'%&@#;'$&J/"#;'$&)(&=1,&
/,**&$'%&1$'%"&%+9&13&$'%&:#"%&$#%&1,$&13&$'%&@#;'$&
J/"#;'$4&
U4& E)=&$'%&@#;'$&J/"#;'$&bRQc&+%)"&$'%&L)(%&bRUc&)(&
('1:+4&?$$)0'&$'%&;"1,+9&:#"%&$1&$'%&L)(%&:#$'&)&
hY&f&TdHe&B"1,+9&50"%:&bTc4
& 8'%+a&/"%((&$'%&J/"#;'$&B"1--%$&bRKc&#+$1&$'%&
(`,)"%&'1*%&#+&$'%&@#;'$&J/"#;'$&bRQc4
RU
RU
RQ
RQ
QK
T
RQ
!#"%
8#%
!#"%&
8#%
K
U
QK
RK
5`,)"%&
P1*%
B"1,+9
!#"%

U
O4& &P1*9&$'%&@#;'$&J/"#;'$&bRQc&);)#+($&$'%&L)(%&
bRUc4&Z$&<31$E=%&?">&>"&;2?<B&>B$&6;12FB>&
X21$&^S*_(
&&A+(%"$&)&KdYe&f&K&TdUe&50"%:&bHc&:#$'&)&KdYe&5$)"&
!)('%"&bKc&#+$1&$'%&$1/&'1*%&#+&$'%&@#;'$&J/"#;'$&
bRQc4&8'%+a&/)"$#)**=&$#;'$%+&$'%&50"%:&#+$1&$'%&
L)(%&bRUc4
&&F)"$#)**=&$#;'$%+&$:1&-1"%&KdYe&f&K&TdUe&50"%:(&
bHc&:#$'&$:1&KdYe&5$)"&!)('%"(&bKc&#+$1&$'%&@#;'$&
J/"#;'$&bRQc&)+9&$'%&L)(%&bRUcl&#"&?">&E=%%J&
>2FB>$?&>B$&0<1$N@&J$>(
&&5>>3<B&>B$&L$E>&6;12FB>&^?">&@B"N?_&2?&>B$&
@3C$&N3J(&61$%<&8'%"%&)"%&+1&:#"%(&1+&$'%&*%3$&
(#9%4
K
RQ
K
H
RU
QK
O
Q4& &A9%+$#3=&$'%&E%3$&)+9&@#;'$&P)+9")#*(&bO[a&QUc4&
^'">$a&7B$&:2FB>&Q3?#132%&B3@&3&%31F$&B"%$&2?&
2>@&@2#$(_&A+(%"$&$'%&D1+(1*%&M")-%&bRc&#+$1&$'%&
%+9(&13&$'%&E%3$&)+9&@#;'$&P)+9")#*(4&'">$a&7B$&
?=>&2?@$1>@&^4_&@B"=%#&D$&"?&>B$&D">>"C(
& 8#;'$%+&$:1&TdUe&f&T&TdUe&50"%:(&bRRc&:#$'&
$:1&TdUe&Cf$%"+)*&5$)"&!)('%"(&bQTc&#+$1&%)0'&
P)+9")#*&bO[a&QUc&)+9&#+$1&$'%&D1+(1*%&M")-%&
bRcl&#"&?">&E=%%J&>2FB>$?&>B$&0<1$N@&J$>(
R
RR
Q
QT
RR
QT
D
D
P1*%
O[
QU

+/
R4& &P1*9&$'%&P)+9")#*(&bO[a&QUc&+%)"&$'%&J/"#;'$(&
bQQa&RQc4&
& @1,$%&$'%&J/"#;'$&!#"%&bQKc&#+$1&$'%&.1$$1-&13&
$'%&@#;'$&P)+9")#*&bQUc&)+9&1,$&13&$'%&'1*%&#+&$'%&
(#9%&13&$'%&@#;'$&P)+9")#*4
&&5%$&$'%&P)+9")#*(&bO[a&QUc&1+&$'%&J/"#;'$(&bQQa&
RQc4&Z$&<31$E=%&?">&>"&;2?<B&>B$&6;12FB>&X21$&
^S*_(&F)"$#)**=&$#;'$%+&31,"&OdTQe&f&K&TdOe&50"%:(&
bRYc&:#$'&31,"&OdTQe&5$)"&!)('%"(&bQc&$'"1,;'&
$'%&P)+9")#*(&)+9&#+$1&$'%&J/"#;'$(4&0>31>&3%%&
E"=1&0<1$N@O&>B$?&>2FB>$?&>B$C(
& 72FB>$?&>B$&E"=1&+e-f&\&+&+e-f&0<1$N@&^TT_(
R
Y4& !#$'&$'%&'%*/&13&)&(%01+9&/%"(1+a&'1*9&$'%&01+\
(1*%&)((%-.*=&+%)"&$'%&@#;'$&P)+9")#*&bQUc4
& D1++%0$&$'%&J/"#;'$&!#"%&bQKc&$1&$'%&01+(1*%&
:#"%4&&0$$&>B$&2?@$>
N2?F(&7B$&<"??$<>"1@&
@B"=%#&@%2#$&>"F$>B$1&$3@2%J&3?#&@?3;&2?>"&
;%3<$(&A3&$'%=&91&+1$a&$,"+&1+%&01++%0$1"&)+9&$"=&
);)#+4&8[&c96&M9&'97&49''R47&7QR&49'A
'R479:0&K:9KR:LcO&7QR&49'09LR&!5c&
ZR49!R&M5!5YRM&XQR'&c96&76:'&9'&
7QR&K9XR:(&8'%+a&"%-12%&$'%&:#"%&$#%&3"1-&
$'%&J/"#;'$&!#"%4 QK
QU
D1+(1*%&?((%-.*=
Y
!#"%
8#%
QK
RQ
RY
QQ
Q
RY
Q
RR
RR
O[
QU
D1+(1*%&
!#"%
QK
D1+(1*%&
!#"%

++
[4& D1++%0$&$'%&;"1,+9&:#"%&b7c&3"1-&$'%&01+(1*%&
)((%-.*=&$1&$'%&D1+(1*%&B"1,+9&!#"%&bR[c4
7
R[
[
TW
TW4&A+(%"$&$'%&J/"#;'$&!#"%&bQKc&#+$1&$'%&@#;'$&
P)+9")#*&bQUc&$'"1,;'&$'%&#+9#0)$%9&'1*%&)(&=1,&
(%$&$'%&01+(1*%&)((%-.*=&1+&$'%&J/"#;'$(&bQQa&
RQc4&&!3P$&@=1$&>B3>&?"&N21$@&31$&;2?<B$#(
& ?$$)0'&$'%&01+(1*%&)((%-.*=&:#$'&(#f&hY&f&KdUe&
50"%:(&bUc4&&0>31>&3%%&@2\&0<1$N@O&3?#&>B$?&
>2FB>$?&>B$C(&M"&?">&"]$1>2FB>$?&>B$&0<1$N@(
U
U
UU
QU
QK
RQ
P1*%
QQ
D1+(1*%&?((%-.*=
U
D1+(1*%&?((%-.*=
!#"%(

+,
TT
TT4& 912$?>&>B$&L3><B&Q"=@2?F&^ST_&@"&>B3>&>B$&
%31F$&B"%$&2@&"?&>B$&2?#2<3>$#&@2#$(&?$$)0'&$'%&
E)$0'&P1,(#+;&$1&$'%&E%3$&J/"#;'$&bQQc&:#$'&$:1&
hTW&f&KdUe&50"%:(&bYc&l&@>31>&D">B&0<1$N@O&3?#&
>B$?&>2FB>$?&>B$C(&
&& E10)$%&$'%&E)$0'&F#+&?((%-.*=&bQYc4&@%-12%&$'%&
Z+1.&3"1-&$'%&/#+4&G)Z%&(,"%&$')$&$'%&01**)"&)+9&
$'%&(/"#+;&)"%&1+&$'%&/#+4&b61$%<&A3&$'%"%&)"%&$:1&
01**)"(a&/*)0%&1+%&1+&%)0'&(#9%&13&$'%&(/"#+;4c&
6%f$a&#+(%"$&$'%&/#+&#+$1&$'%&E)$0'&P1,(#+;&bQRc4&
8'%+a&$#;'$%+&$'%&Z+1.&1+$1&$'%&/#+4
QR
Y
QQ
^+1. 5/"#+;
E)";%&P1*% F#+
D1**)"
QY
TH
TH4&?$$)0'&$'%&E%3$&)+9&@#;'$&8")=&L")0Z%$(&bYKa&
YUc&$1&$'%&J/"#;'$(&bQQa&RQc&:#$'&31,"&hY&f&KdUe&
50"%:(&bUc4
YU
U
U
QQ
YK
RQ

+*
TK
TK4&?$$)0'&$'%&8")=&bYQc&:#$'&31,"&hY&f&KdUe&50"%:(&
bUc4&0>31>&3%%&E"=1&0<1$N@O&3?#&>B$?&>2FB>$?&
>B$C(
& 8#;'$%+&$'%&(#f&KdYe&f&K&TdUe&50"%:(&bHc4
U
YQ
TO4&&&!3P$&@=1$&>B3>&3%%&;31>@&31$&;1";$1%J&>2FB>$?$#&D$E"1$&J"=&=@$&>B$&>1$3#C2%%(&A3&$'%"%&)"%&('%%$(&13&/*)($#0&
1+&$'%&$"%)9-#**&9%0)*(a&"%-12%&$'%&/*)($#04&81&/"1$%0$&$'%&&11"&1"&0)"/%$a&/*)0%&)&-)$&,+9%"&$'%&$"%)9-#**4&
61$%<&Cf$")&')"9:)"%&-)=&.%&#+0*,9%94&^%%/&$'%&#+0*,9%9&'%f&Z%=(&#+&)&(%0,"%&/*)0%l&1+%&13&$'%&'%f&Z%=(&#(&
,(%9&$1&)9_,($&$'%&:)*Z#+;&.%*$&b(%%&/);%&HHc4&&
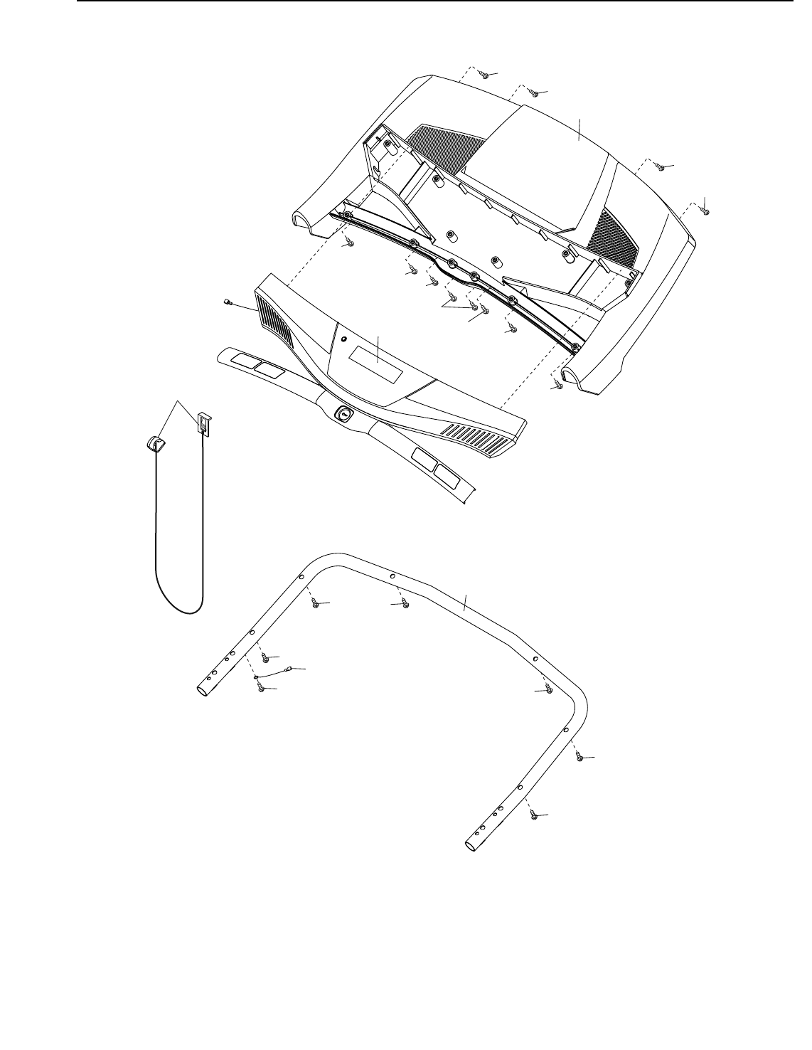
TU4&&A9%+$#3=&$'%&E%3$&)+9&@#;'$&J//%"&L19=&?"-(&bYTa&
YHc4
&&F1(#$#1+&$'%&@#;'$&J//%"&L19=&?"-&bYHc&)(&
('1:+4&?$$)0'&$'%&@#;'$&J//%"&L19=&?"-&$1&$'%&
@#;'$&J/"#;'$&bRQc&:#$'&$:1&TdUe&f&K&TdHe&50"%:(&
bKKca&$:1&TdUe&Cf$%"+)*&5$)"&!)('%"(&bQTca&)+9&
$:1&KdYe&5$)"&!)('%"(&bKc&)(&('1:+4&M"&?">&
"]$1>2FB>$?&>B$&0<1$N@(
&&5>>3<B&>B$&L$E>&6;;$1&Z"#J&51C&^)+_&2?&>B$&
@3C$&N3J(
TU
KK
YT
YH
RQ
QT K
U
H
H

+-
9KR:5789'&5'M&5Mg607!R'7
Q9X&79&49''R47&7QR&K9XR:&49:M
6@$&3&0=1F$&0=;;1$@@"1
N1,"&$"%)9-#**a&*#Z%&1$'%"&%*%0$"1+#0&%`,#/-%+$a&0)+&.%&
9)-);%9&.=&(,99%+&21*$);%&0')+;%(&#+&=1,"&'1-%m(&
/1:%"4&V1*$);%&(,";%(a&(/#Z%(a&)+9&+1#(%&#+$%"3%"\
%+0%&0)+&"%(,*$&3"1-&:%)$'%"&01+9#$#1+(&1"&3"1-&1$'%"&
)//*#)+0%(&.%#+;&$,"+%9&1+&1"&1334&7"&#$<1$3@$&>B$&
12@P&"EC3F2?F&>B$&>1$3#C2%%O&3%N3J@&=@$&3&@=1F$&
@=;;1$@@"1&N2>B&>B$&>1$3#C2%%(&7"&;=1<B3@$&3&@=1F$&
@=;;1$@@"1O&@$$&;1$<3=>2"?&+*&"?&;3F$&*(
J(%&1+*=&)&(,";%&(,//"%((1"&$')$&#(&JE&TUU[&*#($%9&)(&)&
$")+(#%+$&21*$);%&(,";%&(,//"%((1"&b8V55c4&8'%&(,";%&
(,//"%((1"&-,($&')2%&)&JE&(,//"%((%9&21*$);%&")$#+;&
13&UWW&21*$(&1"&*%((&)+9&)&-#+#-,-&(,";%&9#((#/)$#1+&13&
UOW&_1,*%(4&8'%&(,";%&(,//"%((1"&-,($&)*(1&.%&%*%0$"#\
0)**=&")$%9&31"&THW&21*$(&?D&)+9&TO&)-/(4&8'%"%&-,($&
.%&)&-1+#$1"#+;&*#;'$&1+&$'%&(,";%&(,//"%((1"&$1&#+9#\
0)$%&:'%$'%"&#$&#(&3,+0$#1+#+;&/"1/%"*=4&[32%=1$&>"&=@$&3&
;1";$1%J&E=?<>2"?2?F&@=1F$&@=;;1$@@"1&<"=%#&1$@=%>&
2?C3F$&>"&>B$&<"?>1"%&@J@>$C&"E&>B$&>1$3#C2%%&
3?#&@$12"=@&2?`=1J&>"&=@$1@(
K%=F&2?&>B$&K"N$1&4"1#
7B$&>1$3#C2%%&C=@>&D$&F1"=?#$#(&A3&#$&('1,*9&-)*3,+0\
$#1+&1"&."%)Z&91:+a&;"1,+9#+;&/"12#9%(&)&/)$'&13&*%)($&
"%(#($)+0%&31"&%*%0$"#0&0,""%+$&$1&"%9,0%&$'%&"#(Z&13&%*%0\
$"#0&('10Z4&8'%&$"%)9-#**&/1:%"&01"9&')(&)&/*,;&:#$'&)&
;"1,+9#+;&/#+&b(%%&9"):#+;&T&1+&$'#(&/);%c4
F*,;&$'%&/1:%"&01"9&#+$1&)&(,";%&(,//"%((1"a&)+9&/*,;&
$'%&(,";%&(,//"%((1"&#+$1&)+&)//"1/"#)$%&1,$*%$&$')$&#(&
/"1/%"*=&#+($)**%9&)+9&;"1,+9%9&#+&)001"9)+0%&:#$'&)**&
*10)*&019%(&)+9&1"9#+)+0%(4&7B$&"=>%$>&C=@>&D$&"?&3&
?"C2?3%&+,/A]"%>&<21<=2>&<3;3D%$&"E&<311J2?F&+.&"1&
C"1$&3C;@(&7"&3]"2#&"]$1%"3#2?F&>B$&<21<=2>O&#"&
?">&;%=F&">B$1&$%$<>12<3%&#$]2<$@O&$\<$;>&E"1&%"NA
;"N$1&#$]2<$@&@=<B&3@&<$%%&;B"?$&<B31F$1@O&2?>"&
>B$&@=1F$&@=;;1$@@"1&"1&2?>"&3?&"=>%$>&"?&>B$&@3C$&
<21<=2>(&8!K9:75'7a&7B$&>1$3#C2%%&2@&?">&<"C;3>A
2D%$&N2>B&Y[48A$G=2;;$#&"=>%$>@&3?#&C3J&?">&D$&
<"C;3>2D%$&N2>B&5[48A$G=2;;$#&"=>%$>@(
?&$%-/1")"=&
)9)/$%"&-)=&
.%&,(%9&$1&
01++%0$&$'%&
(,";%&(,/\
/"%((1"&$1&
)&H\/1*%&
"%0%/$)0*%&
#3&)&/"1/%"*=&
;"1,+9%9&
1,$*%$&#(&+1$&
)2)#*).*%4
8'%&*,;&1"&:#"%&%f$%+9#+;&3"1-&$'%&)9)/$%"&-,($&
.%&01++%0$%9&:#$'&)&-%$)*&(0"%:&$1&)&/%"-)+%+$&
;"1,+9&(,0'&)(&)&/"1/%"*=&;"1,+9%9&1,$*%$&.1f&012%"4&
0"C$&,A;"%$&1$<$;>3<%$&"=>%$>&D"\&<"]$1@&31$&?">&
F1"=?#$#(&Z$E"1$&=@2?F&3?&3#3;>$1O&<"?>3<>&3&G=3%2A
E2$#&$%$<>12<23?&>"&#$>$1C2?$&NB$>B$1&>B$&"=>%$>&D"\&
<"]$1&2@&F1"=?#$#(&7B$&>$C;"131J&3#3;>$1&@B"=%#&
D$&=@$#&"?%J&=?>2%&3&;1";$1%J&F1"=?#$#&"=>%$>&<3?&
D$&2?@>3%%$#&DJ&3&G=3%2E2$#&$%$<>12<23?(
&&&&&&M5'YR:a&8C;1";$1&<"??$<>2"?&
"E&>B$&;"N$1&<"1#&2?<1$3@$@&>B$&12@P&"E&$%$<A
>12<&@B"<P(&M"&?">&C"#2EJ&>B$&;%=Fh2E&2>&N2%%&
?">&E2>&3?&"=>%$>O&B3]$&3&;1";$1&"=>%$>&2?@>3%%$#&
DJ&3&G=3%2E2$#&$%$<>12<23?(&8E&J"=&31$&=?@=1$&
NB$>B$1&>B$&>1$3#C2%%&2@&;1";$1%J&F1"=?#$#O&
<"?>3<>&3&G=3%2E2$#&$%$<>12<23?(&
T
5,";%&
5,//"%((1"
B"1,+9#+;&F#+
B"1,+9%9&I,$*%$
H
?9)/$%"
H\/1*%&@%0%/$)0*%
E,;
B"1,+9#+;&F#+
G%$)*&
50"%:

+.
[R576:R0&9[&7QR&49'09LR&&
8'%&$"%)9-#**&01+(1*%&133%"(&)&(%*%0$#1+&13&3%)$,"%(&&&&&&&
9%(#;+%9&$1&-)Z%&=1,"&:1"Z1,$(&-1"%&%33%0$#2%&)+9&
%+_1=).*%4&!'%+&=1,&(%*%0$&$'%&-)+,)*&-19%&13&$'%&
01+(1*%a&=1,&0)+&0')+;%&$'%&(/%%9&)+9&#+0*#+%&13&$'%&
$"%)9-#**&:#$'&$'%&$1,0'&13&)&.,$$1+4&?(&=1,&%f%"0#(%a&
$'%&01+(1*%&:#**&9#(/*)=&01+$#+,1,(&%f%"0#(%&3%%9.)0Z4&
N1,&0)+&%2%+&-%)(,"%&=1,"&'%)"$&")$%&,(#+;&$'%&.,#*$\#+&
')+9;"#/&'%)"$&")$%&-1+#$1"4&
8'%&01+(1*%&)*(1&3%)$,"%(&)&(%*%0$#1+&13&/"%(%$&
:1"Z1,$(&9%(#;+%9&$1&'%*/&=1,&$1&.,"+&0)*1"#%(&)+9&
%+')+0%&=1,"&0)"9#12)(0,*)"&(=($%-4&C)0'&:1"Z1,$&
01+$"1*(&$'%&(/%%9&)+9&#+0*#+%&13&$'%&$"%)9-#**&)(&#$&
;,#9%(&=1,&$'"1,;'&)+&%33%0$#2%&%f%"0#(%&(%((#1+4
N1,&0)+&%2%+&*#($%+&$1&=1,"&3)21"#$%&:1"Z1,$&-,(#0&1"&
),9#1&.11Z(&:#$'&$'%&01+(1*%m(&(1,+9&(=($%-&:'#*%&=1,&
%f%"0#(%4
7"&>=1?&"?&>B$&;"N$1O&(%%&/);%&TQ4&7"&=@$&>B$&C3?A
=3%&C"#$O&(%%&/);%&TQ4&7"&=@$&3&;1$@$>&N"1P"=>O&(%%&
/);%&TY4&7"&=@$&>B$&2?E"1C3>2"?&C"#$O&(%%&/);%&T[4&
7"&=@$&>B$&@"=?#&@J@>$CO&(%%&/);%&T[4
8!K9:75'7a&8E&>B$1$&2@&3&@B$$>&"E&;%3@>2<&"?&>B$&
E3<$&"E&>B$&<"?@"%$O&1$C"]$&>B$&;%3@>2<(&7"&;1$]$?>&
#3C3F$&>"&>B$&N3%P2?F&;%3>E"1CO&N$31&<%$3?&3>B%$>2<&
@B"$@&NB2%$&=@2?F&>B$&>1$3#C2%%(&7B$&&1@>&>2C$&>B$&
>1$3#C2%%&2@&=@$#O&"D@$1]$&>B$&3%2F?C$?>&"E&>B$&N3%PA
2?F&D$%>O&3?#&<$?>$1&>B$&N3%P2?F&D$%>&2E&?$<$@@31J&
^@$$&;3F$&,,_(
61$%<&8'%&01+(1*%&0)+&9#(/*)=&(/%%9&)+9&9#($)+0%&#+&
%#$'%"&-#*%(&1"&Z#*1-%$%"(4&81&&+9&:'#0'&,+#$&13&-%)\
(,"%-%+$&#(&(%*%0$%9a&(%%&8PC&A6MI@G?8AI6&GI7C&
1+&/);%&T[4&M1"&(#-/*#0#$=a&)**&#+($",0$#1+(&#+&$'#(&(%0\
$#1+&"%3%"&$1&-#*%(4&
49'09LR&M85Y:5!

+S
Q9X&79&76:'&9'&7QR&K9XR:
8!K9:75'7a&8E&>B$&>1$3#C2%%&B3@&D$$?&$\;"@$#&>"&
<"%#&>$C;$13>=1$@O&3%%"N&2>&>"&N31C&>"&1""C&>$CA
;$13>=1$&D$E"1$&J"=&>=1?&"?&>B$&;"N$1(&8E&J"=&#"&
?">&#"&>B2@O&J"=&C3JC3F$&>B$&<"?@"%$@;%3J@&
"1&">B$1&$%$<>12<3%&<"C;"?$?>@(
F*,;&#+&$'%&/1:%"&01"9&b(%%&
/);%&TUc4&6%f$a&*10)$%&$'%&
/1:%"&(:#$0'&1+&$'%&$"%)9-#**&
3")-%&+%)"&$'%&/1:%"&01"94&
G)Z%&(,"%&$')$&$'%&(:#$0'&#(&
#+&$'%&"%(%$&/1(#$#1+4&
8!K9:75'7a&7B$&<"?@"%$&E$3>=1$@&3@;%3J&#$C"&
C"#$O&#$@2F?$#&>"&D$&=@$#&2E&>B$&>1$3#C2%%&2@@A
;%3J$#&2?&3&@>"1$(&8E&>B$@;%3J@&%2FB>&3@&@""?&3@&
J"=&;%=F&2?&>B$&;"N$1&<"1#&3?#&;1$@@&>B$&;"N$1&
@N2><B&2?>"&>B$&1$@$>&;"@2>2"?O&>B$&#$C"&C"#$&2@&
>=1?$#&"?(&7"&>=1?&"EE&>B$&#$C"&C"#$O&B"%#&#"N?&
>B$&0>";&D=>>"?&E"1&3&E$N&@$<"?#@(&8E&>B$@;%3J@&
1$C32?&%2>O&@$$&7QR&8'[9:!5789'&!9MR&"?&;3F$&
+U&>"&>=1?&"EE&>B$&#$C"&C"#$(&
6%f$a&($)+9&1+&$'%&
311$&")#*(&13&$'%&
$"%)9-#**4&M#+9&$'%&
0*#/&)$$)0'%9&$1&$'%&
Z%=&b(%%&$'%&9"):\
#+;&$1&$'%&"#;'$c&)+9&
(*#9%&$'%&0*#/&1+$1&
$'%&:)#($.)+9&13&
=1,"&0*1$'%(4&8'%+a&
#+(%"$&$'%&Z%=&#+$1&
$'%&01+(1*%4&?3$%"&)&
-1-%+$a&$'%&9#(\
/*)=(&:#**&*#;'$4&8!K9:75'7a&8?&3?&$C$1F$?<JO&>B$&
P$J&<3?&D$&;=%%$#&E1"C&>B$&<"?@"%$O&<3=@2?F&>B$&
N3%P2?F&D$%>&>"&@%"N&>"&3&@>";(&7$@>&>B$&<%2;&DJ&<31$A
E=%%J&>3P2?F&3&E$N&@>$;@&D3<PN31#i&2E&>B$&P$J&2@&?">&
;=%%$#&E1"C&>B$&<"?@"%$O&3#`=@>&>B$&;"@2>2"?&"E&>B$&
<%2;(
Q9X&79&60R&7QR&!5'65L&!9MR
+(& &&8?@$1>&>B$&P$J&2?>"&>B$&<"?@"%$(&
&&5%%&PI!&8I&8J@6&I6&8PC&FI!C@&)$&$'%&*%3$4
,(&&0$%$<>&>B$&C3?=3%&C"#$(
&&!'%+&$'%&Z%=&#(&
#+(%"$%9a&$'%&-)+,)*&
-19%&:#**&.%&(%*%0$%94&
A3&=1,&')2%&(%*%0$%9&)&
:1"Z1,$a&"%-12%&$'%&Z%=&
3"1-&$'%&01+(1*%a&)+9&
$'%+&"%#+(%"$&#$4&I+*=&>%"1(&('1,*9&)//%)"&#+&$'%&
9#(/*)=(4
*(&&0>31>&>B$&N3%P2?F&D$%>(
&&81&($)"$&$'%&:)*Z#+;&.%*$a&/"%((&$'%&5$)"$&.,$$1+a&$'%&
5/%%9&#+0"%)(%&.,$$1+a&1"&1+%&13&$'%&$%+&+,-.%"%9&
n,#0Z&GFP&.,$$1+(4&
&&&A3&=1,&/"%((&$'%&5$)"$&.,$$1+&1"&$'%&5/%%9&#+0"%)(%&
.,$$1+a&$'%&:)*Z#+;&.%*$&:#**&.%;#+&$1&-12%&)$&T&
-/'4&?(&=1,&%f%"0#(%a&0')+;%&$'%&(/%%9&13&$'%&
:)*Z#+;&.%*$&)(&9%(#"%9&.=&/"%((#+;&$'%&5/%%9&
#+0"%)(%&)+9&9%0"%)(%&.,$$1+(4&C)0'&$#-%&=1,&
/"%((&1+%&13&$'%&.,$$1+(a&$'%&(/%%9&(%$$#+;&:#**&
0')+;%&.=&W4T&-/'l&=1,&'1*9&91:+&$'%&.,$$1+a&
$'%&(/%%9&(%$$#+;&:#**&0')+;%&#+&#+0"%-%+$(&13&
W4O&-/'4&
&&&A3&=1,&/"%((&1+%&13&$'%&+,-.%"%9&n,#0Z&GFP&.,$\
$1+(a&$'%&:)*Z#+;&.%*$&:#**&;")9,)**=&0')+;%&(/%%9&
,+$#*&#$&"%)0'%(&$'%&(%*%0$%9&(/%%9&(%$$#+;4
&&81&($1/&$'%&:)*Z#+;&.%*$a&/"%((&$'%&5$1/&.,$$1+4&
8'%&$#-%&:#**&.%;#+&$1&&)('&#+&$'%&9#(/*)=4&81&"%($)"$&
$'%&:)*Z#+;&.%*$a&/"%((&$'%&5$)"$&.,$$1+a&$'%&5/%%9&
#+0"%)(%&.,$$1+a&1"&1+%&13&$'%&$%+&+,-.%"%9&n,#0Z&
GFP&.,$$1+(4&
@%(%$
D*#/
^%=

+T
-(&4B3?F$&>B$&2?<%2?$&"E&>B$&>1$3#C2%%&3@&#$@21$#(
&&&&81&0')+;%&$'%&#+0*#+%&13&$'%&$"%)9-#**a&/"%((&$'%&
A+0*#+%&#+0"%)(%&)+9&9%0"%)(%&.,$$1+(&1"&1+%&13&
$'%&+,-.%"%9&n,#0Z&o&B")9%&.,$$1+(4&C)0'&$#-%&
=1,&/"%((&$'%&A+0*#+%&#+0"%)(%&1"&9%0"%)(%&.,$\
$1+a&$'%&#+0*#+%&(%$$#+;&:#**&0')+;%&.=&W4O&/%"0%+$4&
A3&=1,&/"%((&1+%&13&$'%&+,-.%"%9&n,#0Z&o&B")9%&
.,$$1+(a&$'%&#+0*#+%&:#**&;")9,)**=&0')+;%&,+$#*&#$&
"%)0'%(&$'%&(%*%0$%9&#+0*#+%&(%$$#+;4&
.(& &["%%"N&J"=1&;1"F1$@@&N2>B&>B$@;%3J@(
&&!'%+&=1,&(%*%0$&$'%&
-)+,)*&-19%a&)&$")0Z&
"%/"%(%+$#+;&TdU&-#*%&
bUWW&-c&:#**&)//%)"&#+&
$'%&-)$"#f4&?(&=1,&:)*Z&
1"&",+&1+&$'%&$"%)9-#**a&
$'%&#+9#0)$1"(&)"1,+9&$'%&$")0Z&:#**&)//%)"&#+&(,0\
0%((#1+&,+$#*&$'%&%+$#"%&$")0Z&)//%)"(4&8'%&$")0Z&:#**&
$'%+&9#()//%)"&)+9&$'%&#+9#0)$1"(&:#**&);)#+&.%;#+&
$1&)//%)"&#+&(,00%((#1+4
&&&8'%&*1:%"&*%3$&9#(/*)=&
0)+&('1:&$'%&%*)/(%9&
$#-%&)+9&$'%&9#($)+0%&
$')$&=1,&')2%&:)*Z%9&
1"&",+&9,"#+;&=1,"&
:1"Z1,$4&C)0'&$#-%&=1,&
0')+;%&$'%&#+0*#+%a&$'%&9#(/*)=&:#**&('1:&$'%&#+0*#+%&
(%$$#+;&31"&)&3%:&(%01+9(4&61$%<&!'%+&)&:1"Z1,$&#(&
(%*%0$%9a&$'%&9#(/*)=&:#**&('1:&$'%&$#-%&"%-)#+#+;&
#+&$'%&:1"Z1,$&#+($%)9&13&$'%&%*)/(%9&$#-%4&
&&&8'%&*1:%"&"#;'$&9#(/*)=&
0)+&('1:&$'%&(/%%9&13&
$'%&:)*Z#+;&.%*$&)+9&$'%&
)//"1f#-)$%&+,-.%"&13&
0)*1"#%(&$')$&=1,&')2%&
.,"+%9&9,"#+;&=1,"&
:1"Z1,$4&8'%&9#(/*)=&:#**&)*(1&('1:&=1,"&'%)"$&")$%&
:'%+&=1,&,(%&$'%&')+9;"#/&'%)"$&")$%&-1+#$1"&b(%%&
($%/&Qc4&
&&&8'%&,//%"&9#(/*)=&0)+&
('1:&$'%&%*)/(%9&$#-%a&
$'%&9#($)+0%&$')$&=1,&
')2%&:)*Z%9&1"&",+a&$'%&
)//"1f#-)$%&+,-.%"&
13&0)*1"#%(&=1,&')2%&
.,"+%9a&1"&$'%&(/%%9&13&$'%&:)*Z#+;&.%*$4&F"%((&$'%&
F"#1"#$=&7#(/*)=&.,$$1+&"%/%)$%9*=&,+$#*&$'%&,//%"&
9#(/*)=&('1:(&$'%&#+31"-)$#1+&$')$&=1,&)"%&-1($&
#+$%"%($%9&#+&2#%:#+;4&61$%<&!'#*%&#+31"-)$#1+&#(&
('1:+&#+&$'%&,//%"&9#(/*)=a&$'%&()-%&#+31"-)$#1+&
:#**&+1$&.%&('1:+&#+&$'%&*1:%"&*%3$&1"&*1:%"&"#;'$&
9#(/*)=4
&&81&"%(%$&$'%&9#(/*)=(a&/"%((&$'%&5$1/&.,$$1+a&"%\
-12%&$'%&Z%=a&)+9&$'%+&"%#+(%"$&$'%&Z%=4
S(& !$3@=1$&J"=1&B$31>&13>$&2E&#$@21$#(
&&L%31"%&,(#+;&$'%&
')+9;"#/&'%)"$&
")$%&-1+#$1"a&"%\
-12%&$'%&('%%$(&
13&/*)($#0&3"1-&$'%&
-%$)*&01+$)0$(4&
A+&)99#$#1+a&-)Z%&
(,"%&$')$&=1,"&
')+9(&)"%&0*%)+4&
&&81&-%)(,"%&=1,"&'%)"$&")$%a&@>3?#&"?&>B$&E"">&
132%@&)+9&/*)0%&=1,"&')+9(&1+&$'%&-%$)*&01+$)0$(g
3]"2#&C"]2?F&J"=1&B3?#@(&!'%+&=1,"&/,*(%&#(&
9%$%0$%9a&=1,"&'%)"$&")$%&:#**&.%&('1:+4&["1&>B$&
C"@>&3<<=13>$&B$31>&13>$&1$3#2?FO&<"?>2?=$&>"&
B"%#&>B$&<"?>3<>@&E"1&3D"=>&+.&@$<"?#@(
T(& &&XB$?&J"=&31$&&?2@B$#&$\$1<2@2?FO&1$C"]$&>B$&
P$J&E1"C&>B$&<"?@"%$(
&&5$%/&1+$1&$'%&311$&")#*(a&/"%((&$'%&5$1/&.,$$1+a&
)+9&3#`=@>&>B$&2?<%2?$&"E&>B$&>1$3#C2%%&>"&d$1"(&
7B$&2?<%2?$&C=@>&D$&3>&d$1"&NB$?&J"=&E"%#&>B$&
>1$3#C2%%&>"&>B$&@>"13F$&;"@2>2"?O&"1&J"=&C3J&
#3C3F$&>B$&>1$3#C2%%(&6%f$a&"%-12%&$'%&Z%=&3"1-&
$'%&01+(1*%&)+9&/,$&#$&#+&)&(%0,"%&/*)0%4&
&&!'%+&=1,&)"%&&+#('%9&,(#+;&$'%&$"%)9-#**a&/"%((&
$'%&/1:%"&(:#$0'&#+$1&$'%&133&/1(#$#1+&)+9&,+/*,;&
$'%&/1:%"&01"94&8!K9:75'7a&8E&J"=&#"&?">&#"&
>B2@O&>B$&>1$3#C2%%W@&$%$<>12<3%&<"C;"?$?>@&C3J&
N$31&;1$C3>=1$%J(&
D1+$)0$(

+)
Q9X&79&60R&5&K:R0R7&X9:H967
+(& &&8?@$1>&>B$&P$J&2?>"&>B$&<"?@"%$(&
&&
&&5%%&PI!&8I&8J@6&I6&8PC&FI!C@&1+&/);%&TQ4&
,(& &&0$%$<>&3&;1$@$>&N"1P"=>(
&&81&(%*%0$&)&/"%(%$&:1"Z\
1,$a&/"%((&$'%&!%#;'$&
E1((&!1"Z1,$(&.,$$1+&
1"&$'%&D"1((&8")#+&
.,$$1+&"%/%)$%9*=&,+$#*&
$'%&9%(#"%9&:1"Z1,$&)//%)"(&#+&$'%&9#(/*)=4&
&&!'%+&=1,&(%*%0$&)&:1"Z1,$a&$'%&-)f#-,-&(/%%9&
)+9&#+0*#+%&(%$$#+;(&13&$'%&:1"Z1,$&:#**&&)('&#+&$'%&
9#(/*)=(&31"&)&3%:&(%01+9(l&$'%+&$'%&9#(/*)=&:#**&
('1:&'1:&*1+;&$'%&:1"Z1,$&:#**&*)($4&?&/"1&*%&13&$'%&
(/%%9&(%$$#+;(&13&$'%&:1"Z1,$&:#**&(0"1**&)0"1((&$'%&
-)$"#f4&
*(& 0>31>&>B$&N3%P2?F&D$%>(
&&F"%((&$'%&5$)"$&.,$$1+&1"&$'%&5/%%9&#+0"%)(%&.,$\
$1+&$1&($)"$&$'%&:1"Z1,$4&?&-1-%+$&)3$%"&=1,&/"%((&
$'%&.,$$1+a&$'%&$"%)9-#**&:#**&),$1-)$#0)**=&)9_,($&$1&
$'%&&"($&(/%%9&)+9&#+0*#+%&(%$$#+;(&31"&$'%&:1"Z1,$4&
P1*9&$'%&')+9")#*(&)+9&.%;#+&:)*Z#+;4&&
&&C)0'&:1"Z1,$&#(&9#2#9%9&#+$1&KW&1+%\-#+,$%&(%;\
-%+$(4&I+%&(/%%9&(%$$#+;&)+9&1+%&#+0*#+%&(%$$#+;&
)"%&/"1;")--%9&31"&%)0'&(%;-%+$4&61$%<&8'%&
()-%&(/%%9&)+9&#+0*#+%&(%$$#+;(&-)=&.%&/"1\
;")--%9&31"&01+(%0,$#2%&(%;-%+$(4
&&7,"#+;&$'%&:1"Z1,$a&$'%&
/"1&*%&:#**&('1:&=1,"&
/"1;"%((4&8'%&&)('#+;&
(%;-%+$&13&$'%&/"1&*%&
"%/"%(%+$(&$'%&0,""%+$&
(%;-%+$&13&$'%&:1"Z1,$4&
8'%&'%#;'$&13&$'%&&)('\
#+;&(%;-%+$&#+9#0)$%(&
$'%&(/%%9&(%$$#+;&31"&$'%&0,""%+$&(%;-%+$4&?$&$'%&
%+9&13&%)0'&(%;-%+$a&)&(%"#%(&13&$1+%(&:#**&(1,+9&
)+9&$'%&+%f$&(%;-%+$&13&$'%&/"1&*%&:#**&.%;#+&$1&
&)('4&A3&)&9#33%"%+$&(/%%9&)+9d1"&#+0*#+%&(%$$#+;&#(&
/"1;")--%9&31"&$'%&+%f$&(%;-%+$a&$'%&(/%%9&)+9d
1"&#+0*#+%&(%$$#+;&:#**&&)('&#+&$'%&9#(/*)=&$1&)*%"$&=1,4
8'%&$"%)9-#**&:#**&$'%+&),$1-)$#0)**=&)9_,($&$1&$'%&
(/%%9&)+9&#+0*#+%&(%$$#+;(&31"&$'%&+%f$&(%;-%+$4
&&&8'%&:1"Z1,$&:#**&01+$#+,%&#+&$'#(&:)=&,+$#*&$'%&*)($&
(%;-%+$&13&$'%&/"1&*%&&)('%(&#+&$'%&9#(/*)=&)+9&$'%&
*)($&(%;-%+$&%+9(4&8'%&:)*Z#+;&.%*$&:#**&$'%+&(*1:&
$1&)&($1/4
&&&A3&$'%&(/%%9&1"&#+0*#+%&(%$$#+;&31"&$'%&0,""%+$&(%;\
-%+$&#(&$11&'#;'&1"&$11&*1:a&=1,&0)+&-)+,)**=&12%"\
"#9%&$'%&(%$$#+;&.=&/"%((#+;&$'%&5/%%9&)+9&A+0*#+%&
.,$$1+(l&B"N$]$1O&NB$?&>B$&<=11$?>&@$FC$?>&"E&
>B$&N"1P"=>&$?#@O&>B$&>1$3#C2%%&N2%%&3=>"C3>2A
<3%%J&3#`=@>&>"&>B$&@;$$#&3?#&2?<%2?$&@$>>2?F@&
E"1&>B$&?$\>&@$FC$?>(
&&81&($1/&$'%&:1"Z1,$&)$&)+=&$#-%a&/"%((&$'%&5$1/&
.,$$1+4&81&"%($)"$&$'%&:1"Z1,$a&/"%((&$'%&5$)"$&.,$\
$1+&1"&$'%&5/%%9&#+0"%)(%&.,$$1+4&8'%&:)*Z#+;&.%*$&
:#**&.%;#+&$1&-12%&)$&T&-/'4&!'%+&$'%&+%f$&(%;\
-%+$&13&$'%&:1"Z1,$&.%;#+(a&$'%&$"%)9-#**&:#**&),$1\
-)$#0)**=&)9_,($&$1&$'%&(/%%9&)+9&#+0*#+%&(%$$#+;(&
31"&$')$&(%;-%+$4
-(& &["%%"N&J"=1&;1"F1$@@&N2>B&>B$@;%3J@(&
& 5%%&($%/&O&1+&/);%&TR4
.(& !$3@=1$&J"=1&B$31>&13>$&2E&#$@21$#(
&5%%&($%/&Q&1+&/);%&TR4&
S(& &XB$?&J"=&31$&&?2@B$#&$\$1<2@2?FO&1$C"]$&>B$&
P$J&E1"C&>B$&<"?@"%$(&
&5%%&($%/&R&1+&/);%&TR4
D,""%+$&5%;-%+$

+U
7QR&8'[9:!5789'&!9MR
8'%&01+(1*%&3%)$,"%(&)+&#+31"-)$#1+&-19%&$')$&Z%%/(&
$")0Z&13&$"%)9-#**&,();%&#+31"-)$#1+&)+9&)**1:(&=1,&$1&
(%*%0$&)&,+#$&13&-%)(,"%-%+$&31"&$'%&01+(1*%4&N1,&0)+&
)*(1&$,"+&1+&)+9&$,"+&133&$'%&9#(/*)=&9%-1&-19%4
81&(%*%0$&$'%&#+31"-)$#1+&-19%a&#+(%"$&$'%&Z%=&#+$1&$'%&
01+(1*%&:'#*%&'1*9#+;&91:+&$'%&5$1/&.,$$1+4&8'%+a&
"%*%)(%&$'%&5$1/&.,$$1+4&!'%+&$'%&#+31"-)$#1+&-19%&#(&
(%*%0$%9a&$'%&31**1:#+;&#+31"-)$#1+&:#**&.%&('1:+<&
8'%&,//%"&9#(/*)=&:#**&('1:&
$'%&$1$)*&+,-.%"&13&'1,"(&
$')$&$'%&$"%)9-#**&')(&.%%+&
,(%94
&&&
8'%&*1:%"&*%3$&9#(/*)=&:#**&('1:&$'%&$1$)*&+,-.%"&13&
-#*%(&1"&Z#*1-%$%"(&$')$&$'%&:)*Z#+;&.%*$&')(&-12%94&
?+&jCk&31"&C+;*#('&-#*%(&1"&)+&jGk&31"&-%$"#0&Z#*1-%$%"(&
:#**&)//%)"&#+&$'%&*1:%"&"#;'$&9#(/*)=4&F"%((&$'%&5/%%9&
#+0"%)(%&.,$$1+&$1&0')+;%&$'%&,+#$&13&-%)(,"%-%+$a&
9%(#"%94&
8'%&01+(1*%&3%)$,"%(&)&9#(/*)=&9%-1&-19%a&9%(#;+%9&
$1&.%&,(%9&$'%&$"%)9-#**&#(&9#(/*)=%9&#+&)&($1"%4&!'#*%&
$'%&9%-1&-19%&#(&$,"+%9&1+a&$'%&01+(1*%&:#**&3,+0$#1+&
+1"-)**=&:'%+&=1,&/*,;&#+&$'%&/1:%"&01"9a&/"%((&$'%&
/1:%"&(:#$0'&#+$1&$'%&"%(%$&/1(#$#1+a&)+9&#+(%"$&$'%&Z%=&
#+$1&$'%&01+(1*%4&P1:%2%"a&:'%+&=1,&"%-12%&$'%&Z%=a&
$'%&9#(/*)=(&:#**&"%-)#+&*#$a&)*$'1,;'&$'%&.,$$1+(&:#**&
+1$&3,+0$#1+4&A3&$'%&9%-1&-19%&#(&$,"+%9&1+a&)&j9k&:#**&
)//%)"&#+&$'%&*1:%"&"#;'$&9#(/*)=&:'#*%&$'%&#+31"-)\
$#1+&-19%&#(&(%*%0$%94&81&$,"+&1+&1"&$,"+&133&$'%&9%-1&
-19%a&/"%((&$'%&5/%%9&9%0"%)(%&.,$$1+4&
81&%f#$&$'%&#+31"-)$#1+&-19%a&"%-12%&$'%&Z%=&3"1-&$'%&
01+(1*%4
Q9X&79&60R&7QR&096'M&0c07R!
81&/*)=&-,(#0&1"&),9#1&.11Z(&$'"1,;'&$'%&01+(1*%&
(1,+9&(=($%-&:'#*%&=1,&%f%"0#(%a&/*,;&)&K4O&--&-)*%&
$1&K4O&--&-)*%&),9#1&0).*%&b+1$&#+0*,9%9c&#+$1&$'%&_)0Z&
1+&$'%&01+(1*%&)+9&#+$1&)&_)0Z&1+&=1,"&GFK&/*)=%"a&
D7&/*)=%"a&1"&1$'%"&/%"(1+)*&),9#1&/*)=%"l&C3P$&@=1$&
>B3>&>B$&3=#2"&<3D%$&2@&E=%%J&;%=FF$#&2?(&'">$a&7"&
;=1<B3@$&3?&3=#2"&<3D%$O&@$$&J"=1&%"<3%&$%$<>1"?2<@&
@>"1$(&
6%f$a&/"%((&$'%&/*)=&.,$$1+&1+&=1,"&/%"(1+)*&),9#1&
/*)=%"4&?9_,($&$'%&21*,-%&*%2%*&,(#+;&$'%&21*,-%&01+\
$"1*&1+&=1,"&/%"(1+)*&),9#1&/*)=%"4&
A3&=1,&)"%&,(#+;&)&/%"(1+)*&D7&/*)=%"&)+9&$'%&D7&
(Z#/(a&(%$&$'%&D7&/*)=%"&1+&$'%&&11"&1"&)+1$'%"&&)$&
(,"3)0%&#+($%)9&13&1+&$'%&01+(1*%4
Q9X&79&60R&7QR&6KKR:&Z9Mc&5:!0
?(&=1,&:)*Z&1+&$'%&$"%)9-#**a&=1,&0)+&'1*9&$'%&')+9\
")#*(&1"&,(%&$'%&,//%"&.19=&)"-(4&81&%f%"0#(%&=1,"&
)"-(a&('1,*9%"(a&)+9&.)0Z&31"&)&$1$)*&.19=&:1"Z1,$a&
-12%&$'%&,//%"&.19=&)"-(&31":)"9&)+9&.)0Z:)"9&)(&
=1,&:)*Z&1+&$'%&$"%)9-#**4
81&2)"=&$'%&#+$%+(#$=&13&=1,"&,//%"&.19=&%f%"0#(%a&$'%&
"%(#($)+0%&13&$'%&,//%"&.19=&)"-(&0)+&.%&)9_,($%94&7"&
2?<1$3@$&>B$&1$@2@>3?<$O&$,"+&$'%&"%(#($)+0%&Z+1.(&
0*10Z:#(%l&>"&#$<1$3@$&>B$&1$@2@>3?<$O&$,"+&$'%&Z+1.(&
01,+$%"0*10Z:#(%4
@%(#($)+0%&
^+1.(
J//%"&L19=&
?"-(

,/
&Q9X&79&[9LM&7QR&7:R5M!8LL
Z$E"1$&E"%#2?F&>B$&>1$3#C2%%O&3#`=@>&>B$&2?<%2?$&>"&
d$1"(&8E&J"=&#"&?">&#"&>B2@O&J"=&C3JC3F$&>B$&
>1$3#C2%%&NB$?&J"=&E"%#&2>(&:$C"]$&>B$&P$J&3?#&
=?;%=F&>B$&;"N$1&<"1#(&456789'a&c"=&C=@>&D$&3D%$&
>"&@3E$%J&%2E>&-.&%D@(&^,/&PF_&>"&132@$O&%"N$1O&"1&C"]$&
>B$&>1$3#C2%%(&
T4&& &P1*9&$'%&-%$)*&3")-%&&"-*=&#+&$'%&*10)$#1+&('1:+&
.=&$'%&)""1:&.%*1:4&456789'a&M"&?">&B"%#&>B$&
E13C$&DJ&>B$&;%3@>2<&E"">&132%@(&Z$?#&J"=1&%$F@&
3?#&P$$;&J"=1&D3<P&@>132FB>(
H4& &P1*9&$'%&3")-%&&"-*=&:#$'&=1,"&"#;'$&')+94&F,**&$'%&
*)$0'&Z+1.&$1&$'%&*%3$&)+9&'1*9&#$4&@)#(%&$'%&3")-%&
,+$#*&$'%&'1*%&#+&$'%&/*)$31"-&0,('#1+&#(&)*#;+%9&:#$'&
$'%&*)$0'&/#+4&8'%+a&(*1:*=&"%*%)(%&$'%&*)$0'&Z+1.l&
C3P$&@=1$&>B3>&>B$&%3><B&;2?&2@&E=%%J&2?@$1>$#&
2?>"&>B$&;%3>E"1C&<=@B2"?(&
&&&81&/"1$%0$&$'%&&11"&1"&0)"/%$a&/*)0%&)&-)$&,+9%"&$'%&
$"%)9-#**4&^%%/&$'%&$"%)9-#**&1,$&13&9#"%0$&(,+*#;'$4&
71&+1$&*%)2%&$'%&$"%)9-#**&#+&$'%&($1");%&/1(#$#1+&#+&
$%-/%")$,"%(&).12%&YOp&M&bKWp&Dc4
Q9X&79&!9bR&7QR&7:R5M!8LL&
&L%31"%&-12#+;&$'%&$"%)9-#**a&31*9&#$&)(&9%(0"#.%9&)$&$'%&
*%3$4&456789'a&!3P$&@=1$&>B3>&>B$&%3><B&;2?&2@&E=%%J&
2?@$1>$#&2?>"&>B$&;%3>E"1C&<=@B2"?((&!"]2?F&>B$&
>1$3#C2%%&C3J&1$G=21$&>N"&;$";%$(
T4&& &P1*9&$'%&3")-%&)+9&1+%&13&$'%&')+9")#*(a&)+9&/*)0%&
1+%&311$&);)#+($&)&:'%%*4&
H4&&&&F,**&.)0Z&1+&$'%&')+9")#*&,+$#*&$'%&$"%)9-#**&:#**&"1**&
1+&$'%&:'%%*(a&)+9&0)"%3,**=&-12%&#$&$1&$'%&9%(#"%9&
*10)$#1+4&456789'a&M"&?">&C"]$&>B$&>1$3#C2%%&
N2>B"=>&>2;;2?F&2>&D3<PO&#"&?">&;=%%&"?&>B$&E13C$O&
3?#&#"&?">&C"]$&>B$&>1$3#C2%%&"]$1&3?&=?$]$?&
@=1E3<$(
K4&& &F*)0%&1+%&311$&);)#+($&)&:'%%*a&)+9&0)"%3,**=&*1:%"&
$'%&$"%)9-#**4
Q9X&79&L9XR:&7QR&7:R5M!8LL&[9:&60R
T4& &0$$
N2?F&,(&P1*9&$'%&,//%"&%+9&13&$'%&$"%)9-#**&
:#$'&=1,"&"#;'$&')+94&F,**&$'%&*)$0'&Z+1.&$1&$'%&*%3$&
)+9&'1*9&#$4&6%f$a&*1:%"&$'%&3")-%&,+$#*&#$&#(&/)($&
$'%&*)$0'&/#+4&G)Z%&(,"%&$')$&$'%&/#+&91%(&+1$&'#$&
);)#+($&$'%&311$&")#*4&8'%+a&"%*%)(%&$'%&*)$0'&Z+1.4
H4& &0$$
N2?F&+&3>&>B$&%$E>(&P1*9&$'%&-%$)*&3")-%&
&"-*=&:#$'&.1$'&')+9(a&)+9&*1:%"&#$&$1&$'%&&11"4&
456789'a&M"&?">&B"%#&>B$&E13C$&DJ&>B$&;%3@>2<&
E"">&132%@O&3?#&#"&?">";&>B$&E13C$(&Z$?#&J"=1&
%$F@&3?#&P$$;&J"=1&D3<P&@>132FB>(&
&Q9X&79&[9LM&5'M&!9bR&7QR&7:R5M!8LL&
M")-%
T
T
P)+9")#*
M")-%
!'%%*
H
E)$0'
^+1. &&C+;);%9
F*)$31"-&D,('#1+
E)$0'&F#+

,+
!"@>&>1$3#C2%%&;1"D%$C@&<3?&D$&@"%]$#&DJ&E"%%"N2?F&
>B$&@2C;%$&@>$;@&D$%"N(&[2?#&>B$&@JC;>"C&>B3>&
3;;%2$@O&3?#&E"%%"N&>B$&@>$;@&%2@>$#(&8E&E=1>B$1&3@@2@A
>3?<$&2@&?$$#$#O&@$$&>B$&D3<P&<"]$1&"E&>B2@&C3?=3%(&
0c!K79!a&7B$&;"N$1&#"$@&?">&>=1?&"?
)4& &G)Z%&(,"%&$')$&$'%&/1:%"&01"9&#(&/*,;;%9&#+$1&)&
(,";%&(,//"%((1"&)+9&$')$&$'%&(,";%&(,//"%((1"&
#(&/*,;;%9&#+$1&)&/"1/%"*=&;"1,+9%9&1,$*%$&b(%%&
/);%&TUc4&J(%&1+*=&)&(,";%&(,//"%((1"&$')$&-%%$(&
)**&13&$'%&(/%0#&0)$#1+(&9%(0"#.%9&1+&/);%&TO4&
8!K9:75'7a&7B$&>1$3#C2%%&2@&?">&<"C;3>2D%$&
N2>B&Y[48A$G=2;;$#&"=>%$>@&3?#&C3J&?">&D$&
<"C;3>2D%$&N2>B&5[48A$G=2;;$#&"=>%$>@(
.4& &?3$%"&$'%&/1:%"&01"9&')(&.%%+&/*,;;%9&#+a&-)Z%&
(,"%&$')$&$'%&Z%=&#(&#+(%"$%9&#+$1&$'%&01+(1*%4&
04& &D'%0Z&$'%&/1:%"&(:#$0'&*10)$%9&1+&$'%&$"%)9-#**&
3")-%&+%)"&$'%&/1:%"&01"94&A3&$'%&(:#$0'&/"1$",9%(&
)(&('1:+a&$'%&(:#$0'&')(&$"#//%94&81&"%(%$&$'%&
/1:%"&(:#$0'a&:)#$&31"&&2%&-#+,$%(&)+9&$'%+&/"%((&
$'%&(:#$0'&.)0Z&#+4&
0c!K79!a&7B$&;"N$1&>=1?@&"EE&#=12?F&=@$
)4& &D'%0Z&$'%&/1:%"&(:#$0'&b(%%&$'%&9"):#+;&).12%c4&
A3&$'%&(:#$0'&')(&$"#//%9a&:)#$&31"&&2%&-#+,$%(&)+9&
$'%+&/"%((&$'%&(:#$0'&.)0Z&#+4
.4& &G)Z%&(,"%&$')$&$'%&/1:%"&01"9&#(&/*,;;%9&#+4&A3&$'%&
/1:%"&01"9&#(&/*,;;%9&#+a&,+/*,;&#$a&:)#$&31"&&2%&
-#+,$%(a&)+9&$'%+&/*,;&#$&.)0Z&#+4
04& &@%-12%&$'%&Z%=&3"1-&$'%&01+(1*%a&)+9&$'%+&&&&&&&&
"%#+(%"$&#$4
94& &A3&$'%&$"%)9-#**&($#**&:#**&+1$&",+a&/*%)(%&(%%&$'%&.)0Z&
012%"&13&$'#(&-)+,)*4
0c!K79!a&7B$&<"?@"%$@;%3J@&1$C32?&%2>&NB$?&
J"=&1$C"]$&>B$&P$J&E1"C&>B$&<"?@"%$
)4& &&&8'%&01+(1*%&3%)$,"%(&)&9#(/*)=&9%-1&-19%a&
9%(#;+%9&$1&.%&,(%9&$'%&$"%)9-#**&#(&9#(/*)=%9&#+&
)&($1"%4&A3&$'%&9#(/*)=(&"%-)#+&*#$&:'%+&=1,&"%-12%&
$'%&Z%=a&$'%&9%-1&-19%&#(&$,"+%9&1+4&81&$,"+&133&
$'%&9%-1&-19%a&'1*9&91:+&$'%&5$1/&.,$$1+&31"&)&
3%:&(%01+9(4&A3&$'%&9#(/*)=(&)"%&($#**&*#$a&(%%&8PC&
A6MI@G?8AI6&GI7C&1+&/);%&T[&$1&$,"+&133&$'%&
9%-1&-19%4
0c!K79!a&7B$&2?<%2?$&"E&>B$&>1$3#C2%%&#"$@&?">&
<B3?F$&<"11$<>%J
)4&&&&P1*9&91:+&$'%&5$1/&.,$$1+&)+9&$'%&5/%%9&#+0"%)(%&
.,$$1+a&#+(%"$&$'%&Z%=&#+$1&$'%&01+(1*%a&)+9&$'%+&
"%*%)(%&$'%&5$1/&.,$$1+&)+9&$'%&5/%%9&#+0"%)(%&
.,$$1+4&6%f$a&/"%((&$'%&5$1/&.,$$1+&)+9&$'%+&
/"%((&$'%&A+0*#+%&#+0"%)(%&1"&9%0"%)(%&.,$$1+4&8'%&
$"%)9-#**&:#**&),$1-)$#0)**=&"#(%&$1&$'%&-)f#-,-&
#+0*#+%&*%2%*&)+9&$'%+&"%$,"+&$1&$'%&-#+#-,-&*%2%*4&
8'#(&:#**&"%0)*#.")$%&$'%&#+0*#+%&(=($%-4&A3&$'%&#+0*#+%&
(=($%-&91%(&+1$&.%;#+&0)*#.")$#+;a&/"%((&$'%&5$1/&
.,$$1+&);)#+a&)+9&$'%+&/"%((&$'%&A+0*#+%&#+0"%)(%&1"&
9%0"%)(%&.,$$1+&);)#+4&!'%+&$'%&#+0*#+%&(=($%-&#(&
0)*#.")$%9a&"%-12%&$'%&Z%=&3"1-&$'%&01+(1*%4
0c!K79!a&7B$&=;;$1&D"#J&31C@&@G=$3P&#=12?F&
=@$
)4& &&&b61$%<&D1""%0$#+;&$'#(&/"1.*%-&"%`,#"%(&)&(-)**&
)-1,+$&13&-)"#+%&;"%)(%a&)2)#*).*%&)$&')"9:)"%&
($1"%(4c&8,"+&$'%&"%(#($)+0%&Z+1.&b?c&01,+$%"0*10Z\
:#(%&)+9&"%-12%&#$4&6%f$a&"%-12%&$'%&"%(#($)+0%&
01+%&bLc&)+9&$'%&,//%"&.19=&)"-&bDca&)*1+;&:#$'&
$'%&"%(#($)+0%&/*)$%&b7ca&/*)($#0&(/)0%"&bCca&(/"#+;&
:)('%"&bMca&:)('%"(&bBca&)+9&$'",($&.%)"#+;&bPc4&
b61$%<&A3&$'%&"%(#($)+0%&/*)$%&01-%(&1,$&13&$'%&
"%(#($)+0%&01+%a&/"%((&#$&.)0Z&#+4c&?//*=&)&$'#+&*)=%"&
13&:'#$%&-)"#+%&;"%)(%&$1&$'%&1,$%"&(,"3)0%&13&$'%&
"%(#($)+0%&01+%4&8'%+&"%)$$)0'&)**&/)"$(&#+&$'%&1"9%"&
('1:+&.%*1:4
7:96ZLR0Q9978'Y
@%(%$
8"#//%9
0
L
D
?
7
C
MP
B
)

,,
0c!K79!a&7B$&N3%P2?F&D$%>&@%"N@&NB$?&N3%P$#&"?
)4& &&&J(%&1+*=&)&(,";%&(,//"%((1"&$')$&-%%$(&)**&13&$'%&
(/%0#&0)$#1+(&9%(0"#.%9&1+&/);%&TU4
.4& &A3&$'%&:)*Z#+;&.%*$&#(&12%"$#;'$%+%9a&$"%)9-#**&/%"\
31"-)+0%&-)=&9%0"%)(%&)+9&$'%&:)*Z#+;&.%*$&-)=&
.%01-%&9)-);%94&@%-12%&$'%&Z%=&)+9&6'KL6Y&
7QR&K9XR:&49:M(&J(#+;&$'%&'%f&Z%=a&$,"+&.1$'&
#9*%"&"1**%"&(0"%:(&01,+$%"0*10Z:#(%a&TdU&13&)&$,"+4&
!'%+&$'%&:)*Z#+;&.%*$&#(&/"1/%"*=&$#;'$%+%9a&=1,&
('1,*9&.%&).*%&$1&*#3$&%)0'&%9;%&13&$'%&:)*Z#+;&.%*$&
H&$1&K&#+4&bO&$1&R&0-c&133&$'%&:)*Z#+;&/*)$31"-4&L%&
0)"%3,*&$1&Z%%/&$'%&:)*Z#+;&.%*$&0%+$%"%94&8'%+a&
/*,;&#+&$'%&/1:%"&01"9a&#+(%"$&$'%&Z%=a&)+9&",+&$'%&
$"%)9-#**&31"&)&3%:&-#+,$%(4&@%/%)$&,+$#*&$'%&:)*Z\
#+;&.%*$&#(&/"1/%"*=&$#;'$%+%94
04& &N1,"&$"%)9-#**&3%)$,"%(&)&:)*Z#+;&.%*$&01)$%9&:#$'&
'#;'\/%"31"-)+0%&*,."#0)+$4&8!K9:75'7a&'$]$1&
3;;%J&@2%2<"?$&@;13J&"1&">B$1&@=D@>3?<$@&>"&
>B$&N3%P2?F&D$%>&"1&>B$&N3%P2?F&;%3>E"1C&=?%$@@&
2?@>1=<>$#&>"&#"&@"&DJ&3?&3=>B"12d$#&@$1]2<$&
1$;1$@$?>3>2]$(&0=<B&@=D@>3?<$@&C3J&#$>$12"A
13>$&>B$&N3%P2?F&D$%>&3?#&<3=@$&$\<$@@2]$&N$31(&
A3&=1,&(,(/%0$&$')$&$'%&:)*Z#+;&.%*$&+%%9(&-1"%&
*,."#0)+$a&(%%&$'%&.)0Z&012%"&13&$'#(&-)+,)*4
94& &A3&$'%&:)*Z#+;&.%*$&($#**&(*1:(&:'%+&:)*Z%9&1+a&(%%&
$'%&.)0Z&012%"&13&$'#(&-)+,)*4
0c!K79!a&7B$&N3%P2?F&D$%>&2@&"EEA<$?>$1&"1&@%2;@&
NB$?&N3%P$#&"?
)4& &8E&>B$&N3%P2?F&D$%>&2@&"EEA<$?>$1O&&"($&"%-12%&$'%&
Z%=&)+9&6'KL6Y&7QR&K9XR:&49:M(&8E&>B$&
N3%P2?F&D$%>&B3@&@B2E>$#&>"&>B$&%$E>O&,(%&$'%&'%f&
Z%=&$1&$,"+&$'%&*%3$	*%"&"1**%"&(0"%:&0*10Z:#(%&TdH&
13&)&$,"+l&2E&>B$&N3%P2?F&D$%>&B3@&@B2E>$#&>"&>B$&
12FB>O&$,"+&$'%&*%3$	*%"&"1**%"&(0"%:&01,+$%"0*10Z\
:#(%&TdH&13&)&$,"+4&L%&0)"%3,*&+1$&$1&12%"$#;'$%+&$'%&
:)*Z#+;&.%*$4&8'%+a&/*,;&#+&$'%&/1:%"&01"9a&#+(%"$&
$'%&Z%=a&)+9&",+&$'%&$"%)9-#**&31"&)&3%:&-#+,$%(4&
@%/%)$&,+$#*&$'%&:)*Z#+;&.%*$&#(&0%+$%"%94&
.4& &8E&>B$&N3%P2?F&D$%>&@%2;@&NB$?&N3%P$#&"?O&&"($&
"%-12%&$'%&Z%=&)+9&6'KL6Y&7QR&K9XR:&
49:M(&J(#+;&$'%&'%f&Z%=a&$,"+&.1$'	*%"&"1**%"&
(0"%:(&0*10Z:#(%a&TdU&13&)&$,"+4&!'%+&$'%&:)*Z\
#+;&.%*$&#(&01""%0$*=&$#;'$%+%9a&=1,&('1,*9&.%&).*%&
$1&*#3$&%)0'&%9;%&13&$'%&:)*Z#+;&.%*$&H&$1&K&#+4&bO&$1&
R&0-c&133&$'%&:)*Z#+;&/*)$31"-4&L%&0)"%3,*&$1&Z%%/&
$'%&:)*Z#+;&.%*$&0%+$%"%94&8'%+a&/*,;&#+&$'%&/1:%"&
01"9a&#+(%"$&$'%&Z%=a&)+9&0)"%3,**=&:)*Z&1+&$'%&
$"%)9-#**&31"&)&3%:&-#+,$%(4&@%/%)$&,+$#*&$'%&:)*Z\
#+;&.%*$&#(&/"1/%"*=&$#;'$%+%94
HqK&#+4
.
A9*%"&@1**%"&50"%:(
)
.

,*
RVR:480R&Y68MRL8'R0
8'%(%&;,#9%*#+%(&:#**&'%*/&=1,&$1&/*)+&=1,"&%f%"0#(%&
/"1;")-4&M1"&9%$)#*%9&%f%"0#(%&#+31"-)$#1+a&1.$)#+&)&
"%/,$).*%&.11Z&1"&01+(,*$&=1,"&/'=(#0#)+4&@%-%-.%"a&
/"1/%"&+,$"#$#1+&)+9&)9%`,)$%&"%($&)"%&%((%+$#)*&31"&
(,00%((3,*&"%(,*$(4&
RVR:480R&8'7R'087c
!'%$'%"&=1,"&;1)*&#(&$1&.,"+&3)$&1"&$1&($"%+;$'%+&=1,"&
0)"9#12)(0,*)"&(=($%-a&%f%"0#(#+;&)$&$'%&/"1/%"&#+$%+\
(#$=&#(&$'%&Z%=&$1&)0'#%2#+;&"%(,*$(4&N1,&0)+&,(%&=1,"&
'%)"$&")$%&)(&)&;,#9%&$1&3#+9&$'%&/"1/%"&#+$%+(#$=&*%2%*4&
8'%&0')"$&.%*1:&('1:(&"%01--%+9%9&'%)"$&")$%(&31"&
3)$&.,"+#+;&)+9&)%"1.#0&%f%"0#(%4
81&3#+9&$'%&/"1/%"&#+$%+(#$=&*%2%*a&3#+9&=1,"&);%&)$&$'%&
.1$$1-&13&$'%&0')"$&b);%(&)"%&"1,+9%9&133&$1&$'%&+%)"\
%($&$%+&=%)"(c4&8'%&$'"%%&+,-.%"(&*#($%9&).12%&=1,"&
);%&9%3#+%&=1,"&j$")#+#+;&>1+%4k&8'%&*1:%($&+,-.%"&#(&
$'%&'%)"$&")$%&31"&3)$&.,"+#+;a&$'%&-#99*%&+,-.%"&#(&$'%&
'%)"$&")$%&31"&-)f#-,-&3)$&.,"+#+;a&)+9&$'%&'#;'%($&
+,-.%"&#(&$'%&'%)"$&")$%&31"&)%"1.#0&%f%"0#(%4
Z=1?2?F&[3>g81&.,"+&3)$&%33%0$#2%*=a&=1,&-,($&%f%"\
0#(%&)$&)&*1:&#+$%+(#$=&*%2%*&31"&)&(,($)#+%9&/%"#19&13&
$#-%4&7,"#+;&$'%&3#"($&3%:&-#+,$%(&13&%f%"0#(%a&=1,"&
.19=&,(%(&0)".1'=9")$%&0)*1"#%(&31"&%+%";=4&I+*=&)3$%"&
$'%&3#"($&3%:&-#+,$%(&13&%f%"0#(%&91%(&=1,"&.19=&.%;#+&
$1&,(%&($1"%9&3)$&0)*1"#%(&31"&%+%";=4&A3&=1,"&;1)*&#(&$1&
.,"+&3)$a&)9_,($&$'%&#+$%+(#$=&13&=1,"&%f%"0#(%&,+$#*&=1,"&
'%)"$&")$%&#(&+%)"&$'%&*1:%($&+,-.%"&#+&=1,"&$")#+#+;&
>1+%4&M1"&-)f#-,-&3)$&.,"+#+;a&%f%"0#(%&:#$'&=1,"&
'%)"$&")$%&+%)"&$'%&-#99*%&+,-.%"&#+&=1,"&$")#+#+;&
>1+%4
5$1"D2<&R\$1<2@$gA3&=1,"&;1)*&#(&$1&($"%+;$'%+&=1,"&
0)"9#12)(0,*)"&(=($%-a&=1,&-,($&/%"31"-&)%"1.#0&
%f%"0#(%a&:'#0'&#(&)0$#2#$=&$')$&"%`,#"%(&*)";%&)-1,+$(&
13&1f=;%+&31"&/"1*1+;%9&/%"#19(&13&$#-%4&M1"&)%"1.#0&
%f%"0#(%a&)9_,($&$'%&#+$%+(#$=&13&=1,"&%f%"0#(%&,+$#*&=1,"&
'%)"$&")$%&#(&+%)"&$'%&'#;'%($&+,-.%"&#+&=1,"&$")#+#+;&
>1+%4&
X9:H967&Y68MRL8'R0
X31C2?F&6;g5$)"$&:#$'&O&$1&TW&-#+,$%(&13&($"%$0'\
#+;&)+9&*#;'$&%f%"0#(%4&?&:)"-\,/&#+0"%)(%(&=1,"&.19=&
$%-/%")$,"%a&'%)"$&")$%a&)+9&0#"0,*)$#1+&#+&/"%/)")$#1+&
31"&%f%"0#(%4&
7132?2?F&j"?$&R\$1<2@$gCf%"0#(%&31"&HW&$1&KW&-#+\
,$%(&:#$'&=1,"&'%)"$&")$%&#+&=1,"&$")#+#+;&>1+%4&b7,"#+;&
$'%&3#"($&3%:&:%%Z(&13&=1,"&%f%"0#(%&/"1;")-a&91&+1$&
Z%%/&=1,"&'%)"$&")$%&#+&=1,"&$")#+#+;&>1+%&31"&*1+;%"&
$')+&HW&-#+,$%(4c&L"%)$'%&"%;,*)"*=&)+9&9%%/*=&)(&=1,&
%f%"0#(%l&+%2%"&'1*9&=1,"&."%)$'4&
4""%2?F&M"N?gM#+#('&:#$'&O&$1&TW&-#+,$%(&13&($"%$0'\
#+;4&5$"%$0'#+;&#+0"%)(%(&$'%&3*%f#.#*#$=&13&=1,"&-,(0*%(&
)+9&'%*/(&$1&/"%2%+$&/1($\%f%"0#(%&/"1.*%-(4
RVR:480R&[:Rk6R'4c
81&-)#+$)#+&1"&#-/"12%&=1,"&01+9#$#1+a&01-/*%$%&$'"%%&
:1"Z1,$(&%)0'&:%%Za&:#$'&)$&*%)($&1+%&9)=&13&"%($&
.%$:%%+&:1"Z1,$(4&?3$%"&)&3%:&-1+$'(&13&"%;,*)"&%f%"\
0#(%a&=1,&-)=&01-/*%$%&,/&$1&3#2%&:1"Z1,$(&%)0'&:%%Za&
#3&9%(#"%94&@%-%-.%"a&$'%&Z%=&$1&(,00%((&#(&$1&-)Z%&
%f%"0#(%&)&"%;,*)"&)+9&%+_1=).*%&/)"$&13&=1,"&%2%"=9)=&
*#3%4
&&&&X5:'8'Ya&Z$E"1$&D$F2??2?F&>B2@&
"1&3?J&$\$1<2@$&;1"F13CO&<"?@=%>&J"=1&;BJ@2A
<23?(&7B2@&2@&$@;$<23%%J&2C;"1>3?>&E"1&;$1@"?@&
"]$1&3F$&*.&"1&;$1@"?@&N2>B&;1$A$\2@>2?F&
B$3%>B&;1"D%$C@(
7B$&B$31>&13>$&C"?2>"1&2@&?">&3&C$#2<3%&#$]2<$(&
b312"=@&E3<>"1@&C3J&3EE$<>&>B$&3<<=13<J&"E&
B$31>&13>$&1$3#2?F@(&7B$&B$31>&13>$&C"?2>"1&2@&
2?>$?#$#&"?%J&3@&3?&$\$1<2@$&32#&2?&#$>$1C2?A
2?F&B$31>&13>$&>1$?#@&2?&F$?$13%(

,-
06YYR07RM&07:R74QR0
8'%&01""%0$&31"-&31"&(%2%")*&.)(#0&($"%$0'%(&#(&('1:+&)$&$'%&"#;'$4&G12%&(*1:*=&)(&=1,&($"%$0'&g+%2%"&.1,+0%4
+(&7"$&7"=<B&0>1$><B
5$)+9&:#$'&=1,"&Z+%%(&.%+$&(*#;'$*=&)+9&(*1:*=&.%+9&31":)"9&3"1-&
=1,"&'#/(4&?**1:&=1,"&.)0Z&)+9&('1,*9%"(&$1&"%*)f&)(&=1,&"%)0'&91:+&
$1:)"9&=1,"&$1%(&)(&3)"&)(&/1((#.*%4&P1*9&31"&TO&01,+$(a&$'%+&"%*)f4&
@%/%)$&K&$#-%(4&5$"%$0'%(<&P)-($"#+;(a&.)0Z&13&Z+%%(&)+9&.)0Z4
,(&Q3C@>12?F&0>1$><B
5#$&:#$'&1+%&*%;&%f$%+9%94&L"#+;&$'%&(1*%&13&$'%&1//1(#$%&311$&$1:)"9&
=1,&)+9&"%($&#$&);)#+($&$'%&#++%"&$'#;'&13&=1,"&%f$%+9%9&*%;4&@%)0'&
$1:)"9&=1,"&$1%(&)(&3)"&)(&/1((#.*%4&P1*9&31"&TO&01,+$(a&$'%+&"%*)f4&
@%/%)$&K&$#-%(&31"&%)0'&*%;4&5$"%$0'%(<&P)-($"#+;(a&*1:%"&.)0Z&)+9&
;"1#+4
*(&43%Ee5<B2%%$@&0>1$><B
!#$'&1+%&*%;&#+&3"1+$&13&$'%&1$'%"a&"%)0'&31":)"9&)+9&/*)0%&=1,"&')+9(&
);)#+($&)&:)**4&^%%/&=1,"&.)0Z&*%;&($")#;'$&)+9&=1,"&.)0Z&311$&3*)$&
1+&$'%&3*11"4&L%+9&=1,"&3"1+$&*%;a&*%)+&31":)"9&)+9&-12%&=1,"&'#/(&
$1:)"9&$'%&:)**4&P1*9&31"&TO&01,+$(a&$'%+&"%*)f4&@%/%)$&K&$#-%(&31"&
%)0'&*%;4&81&0),(%&3,"$'%"&($"%$0'#+;&13&$'%&)0'#**%(&$%+91+(a&.%+9&
=1,"&.)0Z&*%;&)(&:%**4&5$"%$0'%(<&D)*2%(a&)0'#**%(&$%+91+(&)+9&)+Z*%(4
-(&k=3#12<$;@&0>1$><B
!#$'&1+%&')+9&);)#+($&)&:)**&31"&.)*)+0%a&"%)0'&.)0Z&)+9&;")(/&1+%&
311$&:#$'&=1,"&1$'%"&')+94&L"#+;&=1,"&'%%*&)(&0*1(%&$1&=1,"&.,$$10Z(&
)(&/1((#.*%4&P1*9&31"&TO&01,+$(a&$'%+&"%*)f4&@%/%)$&K&$#-%(&31"&%)0'&
*%;4&5$"%$0'%(<&n,)9"#0%/(&)+9&'#/&-,(0*%(4
.(&8??$1&7B2FB&0>1$><B
5#$&:#$'&$'%&(1*%(&13&=1,"&3%%$&$1;%$'%"&)+9&=1,"&Z+%%(&1,$:)"94&
F,**&=1,"&3%%$&$1:)"9&=1,"&;"1#+&)"%)&)(&3)"&)(&/1((#.*%4&P1*9&31"&TO&
01,+$(a&$'%+&"%*)f4&@%/%)$&K&$#-%(4&5$"%$0'%(<&n,)9"#0%/(&)+9&'#/&
-,(0*%(4
T
H
K
U
O

,.
'97R0

,S
'97R0

,T
&& T& Y& hY&f&TdHe&B"1,+9&50"%:
& H& Q& KdYe&f&K&TdUe&50"%:
& K& TW& KdYe&5$)"&!)('%"
& U& UK& hY&f&KdUe&50"%:
& O& U& TdUe&f&Te&50"%:
& Q& U& OdTQe&5$)"&!)('%"
& R& T& D1+(1*%&M")-%
& Y& H& hTW&f&KdUe&50"%:
& [& H& KdYe&f&H&TdHe&L1*$
& TW& U& KdYe&6,$
& TT& H& GQ&f&OO--&50"%:
& TH& H& KdYe&f&Te&L1*$
& TK& K& P119&D*#/
& TU& Q& hY&f&KdUe&8",((&P%)9&50"%:
& TO& T& KdYe&f&T&KdUe&L1*$
& TQ& H& KdYe&S)-&6,$
& TR& H& TdUe&f&&KdYe&50"%:
& TY& U& hY&f&TdHe&50"%:
& T[& U& OdTQe&f&T&TdHe&L1*$
& HW& U& OdTQe&6,$
& HT& H& hY&f&TdHe&F)+&P%)9&50"%:
& HH& H& hY&5$)"&!)('%"
& HK& Y& hY&f&OdYe&50"%:
& HU& H& 7"#2%&@1**%"&!)('%"
& HO& H& TdUe&f&T&TdUe&50"%:
& HQ& H& A+0*#+%&M")-%&!)('%"
& HR& T& E%3$&M11$&@)#*
& HY& U& F*)$31"-&D,('#1+
& H[& T& D),$#1+&7%0)*
& KW& H& L%*$&B,#9%
& KT& T& 7"#2%&@1**%"dF,**%=
& KH& T& KdYe&f&T&TdHe&L1*$
& KK& U& TdUe&f&K&TdHe&50"%:
& KU& TH& hY&f&KdUe&8%Z&50"%:
& KO& T& 7"#2%&G1$1"
& KQ& T& D1+$"1**%"
& KR& T& D1+$"1**%"&F*)$%
& KY& T& M")-%
& K[& T& !)*Z#+;&F*)$31"-
& UW& T& !)*Z#+;&L%*$
& UT& T& @#;'$&M11$&@)#*
& UH& T& A9*%"&@1**%"
& UK& T& E%3$&@%)"&M11$
& UU& U& !#"%&8#%
& UO& T& 7"#2%&G1$1"&L%*$
& UQ& T& @#;'$&@%)"&M11$
& UR& Y& hTW&M*)$&!)('%"
& UY& T& G1$1"&P119
& U[& T& A+0*#+%&G1$1"
& OW& H& E#3$&M")-%&L,('#+;
& OT& T& E#3$&M")-%
& OH& T& L%**=&F)+
& OK& T& F1:%"&D1"9&B"1--%$
& OU& T& F1:%"&D1"9
& OO& T& F1:%"&5:#$0'
& OQ& H& hTW&f&KdUe&A+(%"$&50"%:
& OR& T& D1+(1*%
& OY& T& D1+(1*%&L)(%
& O[& T& E%3$&P)+9")#*
& QW& H& P)+9")#*&D)/
& QT& Y& TdUe&Cf$%"+)*&5$)"&!)('%"
& QH& T& ^%=dD*#/
& QK& T& J/"#;'$&!#"%
& QU& T& @#;'$&P)+9")#*
& QO& H& E#3$&M")-%&F#+
& QQ& T& E%3$&J/"#;'$
& QR& T& E)$0'&P1,(#+;
& QY& T& E)$0'&F#+&?((%-.*=
& Q[& H& !)"+#+;&7%0)*
& RW& U& L)(%&D)/
& RT& H& 8'#0Z&L)(%&F)9
& RH& H& 8'#+&L)(%&F)9
& RK& H& J/"#;'$&B"1--%$
& RU& T& L)(%
& RO& H& !'%%*
& RQ& T& @#;'$&J/"#;'$
& RR& U& TdUe&f&T&TdUe&50"%:
& RY& U& OdTQe&f&K&TdOe&50"%:
& R[& T& D1+(1*%&B"1,+9&!#"%
& YW& T& GU4H&f&Y--&50"%:
& YT& T& E%3$&J//%"&L19=&?"-
& YH& T& @#;'$&J//%"&L19=&?"-
& YK& T& E%3$&8")=&L")0Z%$
& YU& T& @#;'$&8")=&L")0Z%$
& YO& H& J//%"&L19=&?"-&A+(%"$
& YQ& T& 8")=
& r& q& J(%"m(&G)+,)*
&H $ J & ' " ( & k > J ( & M $ @ < 1 2 ; > 2 " ? &H $ J & ' " ( & k > J ( & M $ @ < 1 2 ; > 2 " ?
61$%<&5/%0#3#0)$#1+(&)"%&(,._%0$&$1&0')+;%&:#$'1,$&+1$#0%4&M1"&#+31"-)$#1+&).1,$&1"9%"#+;&"%/*)0%-%+$&/)"$(a&(%%&
$'%&.)0Z&012%"&13&$'#(&-)+,)*4&8E&3&;31>&2@&C2@@2?FO&<3%%&+A)))A.**A+***(&r8'%(%&/)"$(&)"%&+1$&#**,($")$%94
K5:7&L807 G19%*&614&YKT4HUYOK4W&@WRTKL

,)
K[
UW
KW
TY
KW
H[
KT
UT
TY
T[
T[
HW
HR
KR
T
HW
KQ
KU
HY
HY
HY
TU
TU
TU
TT
TU
TU
TU
UK
UQ
TT
UH
TR
KO
QO
QO
HO
HO
T[
T[
U
KY
HU
HU
HH
HW
HW
T
T
T
UO
HK
HK
HK
HK
HK
HK
HK
HK
UR
UR
UR
UR
UR
UR
UR
UR
KU
HY
KU
KU
O
O
O
O
RVKL9MRM&M:5X8'Y&5 G19%*&614&YKT4HUYOK4W&@WRTKL

,U
OH
U
U
OU
OK
UY
TK
OT
KH
TO
TQ
TQ
T
U[
U
OO
U
U
U
HQ
TW
HQ
OW
OW
TK
TK
U
U
TW
U
U
RVKL9MRM&M:5X8'Y&Z G19%*&614&YKT4HUYOK4W&@WRTKL

*/
KK
QT
K
YO
OQ
YH
QQ
QY
RU
TW
[
[
RO
RH KU
RH
KU
KU
RT
KU
RT
TW RO
RW
RW
Y
QR
RW
H
K
H
K
K
H
O[
QK
QK
RK
QU
QW
QW
T
RW
TH
TH
UHT
UU
RQ
RK
Q[
Q[
RY
Q
RR
RY
RR
KK
QT K
OQ
YO
YT
YQ
U
UYU
YK
U
U
QT
Q
QT
RVKL9MRM&M:5X8'Y&4 G19%*&614&YKT4HUYOK4W&@WRTKL

*+
QH
OY
OR
U
U
U
U
U
U
U
U
U
U
U
U
U
U
U
U
U
YW
R
R[
RVKL9MRM&M:5X8'Y&M G19%*&614&YKT4HUYOK4W&@WRTKL

F)"$&614&KUR[KK&@WRTKL& F"#+$%9&#+&D'#+)&s&HWTK&ADI6&AFa&A+04
Your Home
!"#$#%&'(#)in your home)"*$all +',"#$-#'./$'&&0('.1%23$0'4.$'./$5'#/%.$%67(&+%.83
"#$9%'8(.5$'./$1""0(.5$2:28%+23$no matter who made it, no matter who sold it!
!"#$89%$#%&0'1%+%.8$&'#823$'11%22"#(%23$'./$72%#;2$+'.7'02$89'8$:"7$.%%/$8"$/"<(8<:"7#2%0*=
!"#$>%'#2$&#"*%22(".'0$(.28'00'8(".$"*$9"+%$'&&0('.1%2
'./$(8%+2$0(?%$5'#'5%$/""#$"&%.%#2$'./$4'8%#$9%'8%#2=
1-800-4-MY-HOME@ (1-800-469-4663)
A'00$'.:8(+%3$/':$"#$.(598$BC=>=D=$'./$A'.'/'E
www.sears.com www.sears.ca
Our Home
!"#$#%&'(#$"*$1'##:<(.$(8%+2$0(?%$F'177+23$0'4.$%67(&+%.83
'./$%0%18#".(123$1'00$"#$5"$".<0(.%$*"#$89%$0"1'8(".$"*$:"7#$.%'#%28
Sears Parts & Repair Center.
1-800-488-1222 A'00$'.:8(+%3$/':$"#$.(598$BC=>=D=$".0:E
www.sears.com
G" $& 7 #1 9 ' 2 %$ ' $ &# " 8% 1 8 ( ". $ ' 5# % %+ % .8 $ B C= > = D= E
"#$+'(.8%.'.1%$'5#%%+%.8$BA'.'/'E$".$'$&#"/718$2%#F(1%/$-:$>%'#2H
1-800-827-6655 BC=>=D=E$$$$$$$$$$$$$$$$$$$$$1-800-361-6665 BA'.'/'E
I'#'$&%/(#$2%#F(1("$/%$#%&'#'1(J.$'$/"+(1(0("3$:$&'#'$"#/%.'#$&(%K'2H
1-888-SU-HOGAR@$BL<MMM<NMO<POQNE
Get it fixed, at your home or ours!
@$R%5(28%#%/$G#'/%+'#?$S$GT$G#'/%+'#?$S$>T$$>%#F(1%$T'#?$"*$>%'#2$U#'./23$VVA
@$T'#1'$R%5(28#'/'$S$GT$T'#1'$/%$!W-#(1'$S$>T$$T'#1'$/%$>%#F(1("$/%$>%'#2$U#'./23$VVA
U/AM5c&[6LL&X5::5'7c
A3&$'#(&5%)"(&8"%)9-#**&Cf%"0#(%"&3)#*(&9,%&$1&)&9%3%0$&#+&-)$%"#)*&1"&:1"Z-)+('#/&:#$'#+&[W&9)=(&13&$'%&
9)$%&13&/,"0')(%a&0)**&T\YWW\U\GN\PIGC]&bT\YWW\UQ[\UQQKc&$1&)"")+;%&31"&3"%%&"%/)#"&b1"&"%/*)0%-%+$&
#3&"%/)#"&/"12%(&#-/1((#.*%c4&8'%&3")-%&)+9&9"#2%&-1$1"&)"%&:)"")+$%9&31"&3#2%&bOc&=%)"(&3"1-&$'%&9)$%&13&
/,"0')(%4
8'#(&:)"")+$=&91%(&+1$&)//*=&:'%+&$'%&8"%)9-#**&Cf%"0#(%"&#(&,(%9&01--%"0#)**=&1"&31"&"%+$)*&/,"/1(%(4
8'#(&:)"")+$=&;#2%(&=1,&(/%0#3#0&*%;)*&"#;'$(a&)+9&=1,&-)=&)*(1&')2%&1$'%"&"#;'$(&:'#0'&2)"=&3"1-&($)$%&$1&
($)$%4
0$31@O&:"$D=<P&3?#&4"(O&Q"EEC3?&R@>3>$@O&8L&S/+TU