Proform 286220 15 5 S Elliptical Users Manual 28622.0 239024
Proform-831-28622-0-Users-Manual-657859 proform-831-28622-0-users-manual-657859
Proform-286220-Owner-S-Manual proform-286220-owner-s-manual
831.28622.0 to the manual 3e47bd8a-ecd3-47ec-8a7a-0e8dec951512
2015-04-13
: Proform Proform-286220-15-5-S-Elliptical-Users-Manual-697284 proform-286220-15-5-s-elliptical-users-manual-697284 proform pdf
Open the PDF directly: View PDF  .
.
Page Count: 16

CAUTION
Read all precautions and instruc-
tions in this manual before using
this equipment. Keep this manu-
al for future reference.
Model No. 831.28622.0
Serial No. 
Serial
Number
Decal
• Assembly
• Operation
• Maintenance
• Part List and Drawing
ELLIPTICAL EXERCISER
User’s Manual
258868 258869 258870 258871
Sears, Roebuck and Co., Hoffman Estates, IL 60179

TABLE OF CONTENTS
IMPORTANT PRECAUTIONS  . . . . . . . . . . . . . . . . . . . . . . . . . . . . . . . . . . . . . . . . . . . . . . . . . . . . . . . . . . . . . . . .3
BEFORE YOU BEGIN  . . . . . . . . . . . . . . . . . . . . . . . . . . . . . . . . . . . . . . . . . . . . . . . . . . . . . . . . . . . . . . . . . . . . . .4
ASSEMBLY  . . . . . . . . . . . . . . . . . . . . . . . . . . . . . . . . . . . . . . . . . . . . . . . . . . . . . . . . . . . . . . . . . . . . . . . . . . . . . . .5
HOW TO USE THE ELLIPTICAL EXERCISER  . . . . . . . . . . . . . . . . . . . . . . . . . . . . . . . . . . . . . . . . . . . . . . . . . . .9
MAINTENANCE AND TROUBLESHOOTING  . . . . . . . . . . . . . . . . . . . . . . . . . . . . . . . . . . . . . . . . . . . . . . . . . . .12
CONDITIONING GUIDELINES . . . . . . . . . . . . . . . . . . . . . . . . . . . . . . . . . . . . . . . . . . . . . . . . . . . . . . . . . . . . . . .13
PART LIST  . . . . . . . . . . . . . . . . . . . . . . . . . . . . . . . . . . . . . . . . . . . . . . . . . . . . . . . . . . . . . . . . . . . . . . . . . . . . . .14
EXPLODED DRAWING  . . . . . . . . . . . . . . . . . . . . . . . . . . . . . . . . . . . . . . . . . . . . . . . . . . . . . . . . . . . . . . . . . . . .15
HOW TO ORDER REPLACEMENT PARTS  . . . . . . . . . . . . . . . . . . . . . . . . . . . . . . . . . . . . . . . . . . . . .Back Cover
90 DAY FULL WARRANTY  . . . . . . . . . . . . . . . . . . . . . . . . . . . . . . . . . . . . . . . . . . . . . . . . . . . . . . . . . .Back Cover
2
258868 258869 258870 258871

3
IMPORTANT PRECAUTIONS
WARNING: To reduce the risk of serious injury, read the following important precau-
tions before using the elliptical exerciser.
1. Read all instructions in this manual and all
warnings on the elliptical exerciser before
using the elliptical exerciser. 
2. It is the responsibility of the owner to ensure
that all users of the elliptical exerciser are
adequately informed of all precautions.
3. The elliptical exerciser is intended for 
home use only. Do not use the elliptical
exerciser in a commercial, rental, or institu-
tional setting.
4. Keep the elliptical exerciser indoors, away
from moisture and dust. Place the elliptical
exerciser on a level surface, with a mat
beneath it to protect the floor or carpet.
Make sure that there is enough clearance
around the elliptical exerciser to mount, dis-
mount, and use it. 
5. Inspect and properly tighten all parts regu-
larly. Replace any worn parts immediately.  
6. Keep children under 12 and pets away from
the elliptical exerciser at all times.
7. The elliptical exerciser should not be used
by persons weighing more than 250 pounds.
8. Wear appropriate athletic clothes and athlet-
ic shoes while using the elliptical exerciser. 
9. Always hold the handles on the console or
the handlebars while mounting, dismounting,
or using the elliptical exerciser.
10. Keep your back straight while using the ellip-
tical exerciser; do not arch your back.
11. The pulse sensor is not a medical device.
Various factors, including the user's move-
ment, may affect the accuracy of heart rate
readings. The pulse sensor is intended only
as an exercise aid in determining heart rate
trends in general.
12. If you feel pain or dizziness while exercis-
ing, stop immediately and cool down.
13. When you stop exercising, allow the pedals
to slowly come to a stop. 
14. The warning decal shown on page 4 has
been applied to the elliptical exerciser. If the
decal is missing, or if it is not legible, call
toll-free 1-888-533-1333 and order a free
replacement decal. Apply the decal in the
location shown.
WARNING: Before beginning this or any exercise program, consult your physician.
This is especially important for persons over the age of 35 or persons with pre-existing health prob-
lems. Read all instructions before using. Sears assumes no responsibility for personal injury or
property damage sustained by or through the use of this product. 

4
BEFORE YOU BEGIN
Congratulations for selecting the new PROFORM®
15.5 S. The PROFORM 15.5 S is an incredibly
smooth exerciser that moves your feet in a natural
elliptical path, minimizing the impact on your knees
and ankles. And the unique PROFORM 15.5 S fea-
tures adjustable resistance and a simple-to-use con-
sole to help you get the most from your exercise.
Welcome to a whole new world of natural, elliptical-
motion exercise from PROFORM. 
For your benefit, read this manual carefully before
using the elliptical exerciser. If you have questions
after reading this manual, call 1-800-4-MY-HOME®(1-
800-469-4663). To help us assist you, please note the
product model number and serial number before call-
ing. The model number is 831.28622.0. The serial
number is found on a decal attached to the elliptical
exerciser (see the front cover of this manual for the
location of the decal).
Before reading further, please familiarize yourself with
the parts that are labeled in the drawing below.
Pulse Sensor
Handlebar
FRONT
BACK 
LEFT SIDE
Pedal Disk
*No water bottle
is included
Pedal 
Console
Water Bottle Holder*
Fan

5
ASSEMBLY
Assembly requires two persons. Place all parts of the elliptical exerciser in a cleared area and remove all
packing materials; do not dispose of the packing materials until assembly is completed. Assembly requires the
included hex keys and your own adjustable wrench                     , Phillips screwdriver                      , and
rubber mallet                     .
As you assemble the elliptical exerciser, use the drawings below to identify small parts. The number in parenthe-
ses below each drawing is the key number of the part. The number following the parentheses is the quantity
needed for assembly. Note: Some small parts shown in the assembly steps may be pre-assembled. If a
part is not found in the parts bag, check to see if it is pre-assembled. If a part is missing, call toll-free
1-888-533-1333.
M10 Split
Washer (45)–2
M10 Nylon
Locknut (33)–6
M10
Washer (35)–2
M8 Nylon
Locknut (38)–4
M8 x 45mm Button Bolt (50)–4
M10 x 27mm
Patch Screw (40)–2
M10 x 75mm Carriage Bolt (34)–4M10 x 74mm Button Bolt (7)–2
Wave
Washer (69)–2
M8 Split
Washer (28)–4
Handlebar
Washer (55)–2
M8 x 25mm Patch
Screw (56)–2
M8
Washer (71)–4
M4 x 22mm
Screw (63)–2
M8 x 52mm Button
Screw (27)–4
M6 Bolt Set (25)–2
Large Wave
Washer (76)–2

6
2. While another person lifts the back of the Frame (1),
attach the other Stabilizer (9) to the Frame with two
M10 x 75mm Carriage Bolts (34) and two M10 Nylon
Locknuts (33). 
34
9
1
2
33
33
3. The Console (23) requires four 1.5V “D” batteries (not
included); alkaline batteries are recommended.
Remove the battery cover from the Console, and insert
four batteries into the Console. Make sure that the
batteries are oriented as shown by the markings
on the battery cover. Then, reattach the battery
cover.
23
Batteries
Batteries
Battery
Cover
3
4. While another person holds the Console (23) in the
position shown, connect the console wire to the
Extension Wire (68).
Attach the Console (23) to the Upright (2) with the four
Console Screws (59) included with the Console. Be
careful to avoid pinching the wires.
Attach the Water Bottle Holder (29) to the Upright (2)
with two M4 x 22mm Screws (63).
4
23
2
59
Console Wire
29
63
68
1. Identify the Stabilizer (9) which has round Endcaps (21)
on the ends. While another person lifts the front of the
Frame (1), attach the Stabilizer to the Frame with two
M10 x 75mm Carriage Bolts (34) and two M10 Nylon
Locknuts (33).
933
21
21
34
34
1
1

50
8
38
7
6. Identify the Left Handlebar (6), which is marked with a
sticker. Insert the Left Handlebar into one of the
Handlebar Legs (5); make sure that the Handlebar
Leg is turned so the hexagonal holes are on the
indicated side. Attach the Left Handlebar to the
Handlebar Leg with two M8 x 45mm Button Bolts (50)
and two M8 Nylon Locknuts (38). Make sure that the
Nylon Locknuts are inside of the hexagonal holes.
Do not tighten the Button Bolts yet.
Insert the Pivot Axle (26) into the Upright (2), and cen-
ter the Pivot Axle. Apply a generous amount of the
included grease to both ends of the Pivot Axle. 
Turn a Handlebar Spacer (47) so that the small arrow on
the Handlebar Spacer is pointing toward the floor, and
slide the Handlebar Spacer onto the post on the Left
Handlebar (6). Next, slide the Left Handlebar onto the
Pivot Axle (26). 
Slide a Handlebar Washer (55) and a Wave Washer (69)
onto an M8 x 25mm Patch Screw (56), and tighten the
Patch Screw into the Pivot Axle (26). Then, press the
tabs on a Handlebar Cap (46) into the Handlebar
Spacer (47).
Assemble the Right Handlebar (8) and the other
Handlebar Leg (5) in the same way.
Grease
6
47
5
2
5
55
46
26
56
69
6
Hexagonal
Holes
5
1
2
33
Make sure the
wires do not get
pinched and
damaged during
this step.
73
68
7
45
5. While another person holds the Upright (2) in the posi-
tion shown, connect the Extension Wire (68) to the
Lower Wire Harness (73). 
Push the Extension Wire (68) and the Lower Wire
Harness (73) down into the Frame (1). Slide the
Upright (2) onto the Frame. Be careful to avoid
pinching the Wires. Attach the Upright with two M10 x
74mm Button Bolts (7), two M10 Split Washers (45),
and two M10 Nylon Locknuts (33). Do not tighten the
Button Bolts yet.

8
9. Make sure that all parts of the elliptical exerciser are properly tightened. Note: Some hardware may be
left over after assembly is completed. To protect the floor or carpet from damage, place a mat under the ellip-
tical exerciser.
8. Apply a small amount of grease to the axle on the left
Disc Crossbar (16). 
Slide the Left Pedal Leg (11) onto the axle on the left
Disc Crossbar (16). Apply a small amount of grease to
a Large Wave Washer (76) and press it onto the end of
the Left Pedal Leg. Next, slide an M10 Washer (35)
onto an M10 x 27mm Patch Screw (40), and tighten the
Patch Screw into the axle. Then, press a Pedal Leg
Endcap (74) into the Left Pedal Leg.
Hold the lower end of the left Handlebar Leg (5) inside
of the bracket on the front of the Left Pedal Leg (11).
Next, apply grease to an M6 Bolt Set (25). Attach the
Handlebar Leg to the Left Pedal Leg with the Bolt Set.
Do not overtighten the Bolt Set; the Handlebar Leg
must pivot freely.
Attach the Right Pedal Leg (not shown) to the right side
of the elliptical exerciser in the same way.
See step 5. Tighten the M10 x 74mm Button Bolts (7)
in the Upright (2). See step 6. Tighten the M8 x 45mm
Button Bolts (50) in the Handlebar Legs (5).
Grease
Grease
16
25 11
40
74
35
76 11
25
5
2
7
27
71
11
13
71
28
28
7. Identify the Left Pedal Leg (11), which is marked with a
sticker. Attach the Left Pedal (13) to the Left Pedal Leg
with two M8 x 52mm Button Screws (27), two M8 Split
Washers (28), and two M8 Washers (71).
Attach the Right Pedal (not shown) in the same way. 
8

9
HOW TO USE THE ELLIPTICAL EXERCISER
HOW TO EXERCISE ON THE ELLIPTICAL
EXERCISER
To mount the elliptical exerciser, hold the handles on
the console or the handlebars and step onto the pedal
that is in the lowest position. Then, step onto the other
pedal. Push the pedals until they begin to move with a
continuous motion. Note: The pedal disks can turn
in either direction. It is recommended that you
move the pedal disks in the direction shown by the
arrow; however, for variety, you can turn the pedal
disks in the opposite direction. 
To dismount the elliptical exerciser, wait until the ped-
als come to a complete stop. Note: The elliptical
exerciser does not have a free wheel; the pedals
will continue to move until the flywheel stops.
When the pedals are stationary, step off the highest
pedal first. Then, step off the lowest pedal.
The handlebars are designed to add upper-body exer-
cise to your workouts. As you exercise, push and pull
the handlebars to work your arms, shoulders, and
back. 
Pedals
Handlebars

10
HOW TO USE THE CONSOLE
Turn on the console.
Note: The console requires four 1.5V “D” batteries
(see assembly step 3 on page 6). If there is a
sheet of clear plastic on the face of the console,
peel off the plastic.
To turn on the console, press the increase button
or begin pedaling. 
Change the resistance of the pedals as
desired.
As you pedal,
change the resis-
tance of the ped-
als by pressing
the increase or
decrease button.
There are ten
resistance levels. The selected resistance level
will be shown in the upper display. Note: After a
button is pressed, it will take a moment for the
pedals to reach the selected resistance level. 
Follow your progress with the displays.
As you exercise,
the lower left dis-
play can show
the elapsed time
and the distance
(total number of
revolutions) that you have pedaled. 
The lower right
display can show
your pedaling
speed (in revolu-
tions per minute)
and the approxi-
mate number of calories you have burned. When
you use the handgrip pulse sensor, the lower
right display will also show your heart rate (see
step 4 on page 11).
3
2
1
Increase Button
Decrease Button

11
The upper dis-
play is the 
priori-
ty display.
The
priority display
can show the
elapsed time, the
distance that
you have pedaled, your pedaling speed, or the
approximate number of calories you have burned.
Press the Display button repeatedly until the priori-
ty display shows the information that you are most
interested in viewing. Note: While information is
shown in the priority display, the information will
not be shown in the lower left or right display.
Measure your heart rate if desired.
If there are
sheets of clear
plastic on the
metal contacts
on the hand-
grips, peel off
the plastic. To
use the hand-
grip pulse sen-
sor, hold the
handgrips with
your palms resting against the metal contacts.
Avoid moving your hands. When your pulse is
detected, the heart-shaped indicator in the lower
right display will flash each time your heart beats.
After a moment, your heart rate will be shown.  
For the most accurate heart rate reading, continue
to hold the handgrips for about 30 seconds. Note:
When you first hold the handgrips, the display will
show your heart rate continuously for 30 sec-
onds. The display will then show your heart rate
along with other feedback modes.  
Turn on the fan if desired.
To turn on the fan at low speed, press the Fan
button. To turn on the fan at high speed, press
the button a second time. To turn off the fan,
press the button a third time. Note: If the fan is
left on and the pedals are not moved for thirty
seconds, the fan will automatically turn off to con-
serve the batteries.
Rotate the thumb
wheel on the right
side of the con-
sole to pivot the
fan to the desired
angle.     
When you are finished exercising, the console
will automatically turn off.
If the pedals are not moved for a few seconds,
the displays will pause and the priority display will
flash. If the pedals are not moved and the con-
sole buttons are not pressed for a few minutes,
the console will turn off to conserve the batteries.  
6
5
4
Metal Contacts
Thumb Wheel

12
Inspect and tighten all parts of the elliptical exerciser
regularly. Replace any worn parts immediately. 
To clean the elliptical exerciser, use a damp cloth and
a small amount of mild dish soap. Important: Keep
liquids away from the console and keep the con-
sole out of direct sunlight. During storage, remove
the batteries from the console.
BATTERY REPLACEMENT
If the console display becomes dim, the batteries
should be replaced. See assembly step 3 on page 6
for replacement instructions.  
HOW TO ADJUST THE REED SWITCH
If the console does not display correct feedback, the
reed switch should be adjusted. To adjust the reed
switch, you must first remove the Right Pedal Leg
(12), the right Pedal Disc (15), and the Side Shields
(3, 4). See step 8 on page 8 and remove the Right
Pedal Leg.
Next, remove the four Screws (51, 70) from the right
Pedal Disc (15), and slide the Pedal Disc off. Remove
all Screws (52, 64) from the Right Side Shield (4) and
the two Bolts (41) from beneath the Pedal Disc, and
remove the Right Side Shield (4). Remove all Screws
(52) from the Left Side Shield (3), and move the Left
Side Shield.
Next, see the drawing below and locate the Reed
Switch (53). Loosen, but do not remove, the indicated
M4 x 16mm Self-tapping Screw (52). Slide the Reed
Switch slightly toward or away from the Magnet (58) on
the flywheel. Retighten the Screw. Turn the left Pedal
Disc (15) for a moment. Repeat until the console dis-
plays correct feedback. When the Reed Switch is cor-
rectly adjusted, reattach the Side Shields (3, 4), the
right Pedal Disc (15), and the Right Pedal Leg (12).
HOW TO ADJUST THE DRIVE BELT
If you can feel the pedals slip while you are pedaling,
even when the resistance is adjusted to the highest
level, the Drive Belt (19) may need to be adjusted. To
adjust the Drive Belt, you must first remove both side
shields. See HOW TO ADJUST THE REED SWITCH
at the left and remove the side shields.
Next, loosen
the M8 x
22mm Flat
Head Screw
(65) and turn
the M10 x
60mm Button
Bolt (62) until
the Drive Belt
(19) is tight.
When the
Drive Belt is
tight, tighten
the Flat Head Screw. Then, reattach the side shields.
MAINTENANCE AND TROUBLESHOOTING 
64
41
51
70
70
41
52
52
64
64
12
415
3
58
53
52
15
65
62 19

13
CONDITIONING GUIDELINES
The following guidelines will help you to plan your
exercise program. Remember that proper nutrition
and adequate rest are essential for successful results. 
EXERCISE INTENSITY
Whether your goal is to burn fat or to strengthen your
cardiovascular system, the key to achieving the
desired results is to exercise with the proper intensity.
The proper intensity level can be found by using your
heart rate as a guide. The chart below shows recom-
mended heart rates for fat burning, maximum fat
burning, and cardiovascular (aerobic) exercise.
To find the proper heart rate for you, first find your age
at the bottom of the chart (ages are rounded off to the
nearest ten years). Next, find the three numbers above
your age. The three numbers are your “training zone.”
The lower two numbers are recommended heart rates
for fat burning; the highest number is the recommend-
ed heart rate for aerobic exercise.
Fat Burning
To burn fat effectively, you must exercise at a relative-
ly low intensity level for a sustained period of time.
During the first few minutes of exercise, your body
uses easily accessible 
carbohydrate 
calories for ener-
gy. Only after the first few minutes of exercise does
your body begin to use stored 
fat 
calories for energy.
If your goal is to burn fat, adjust the intensity of your
exercise until your heart rate is near the lowest num-
ber in your training zone as you exercise. 
For maximum fat burning, adjust the intensity of your
exercise until your heart rate is near the middle num-
ber in your training zone as you exercise.  
Aerobic Exercise
If your goal is to strengthen your cardiovascular sys-
tem, your exercise must be “aerobic.” Aerobic exer-
cise is activity that requires large amounts of oxygen
for prolonged periods of time. This increases the
demand on the heart to pump blood to the muscles,
and on the lungs to oxygenate the blood. For aerobic
exercise, adjust the intensity of your exercise until
your heart rate is near the highest number in your
training zone as you exercise. 
WORKOUT GUIDELINES
Each workout should include the following three parts:
A warm-up, consisting of 5 to 10 minutes of stretching
and light exercise. A proper warm-up increases your
body temperature, heart rate, and circulation in prepa-
ration for exercise. 
Training zone exercise, consisting of 20 to 30 min-
utes of exercising with your heart rate in your training
zone. (During the first few weeks of your exercise 
program, do not keep your heart rate in your training
zone for longer than 20 minutes.)  
A cool-down, with 5 to 10 minutes of stretching. This
will increase the flexibility of your muscles and will
help to prevent post-exercise problems.
EXERCISE FREQUENCY
To maintain or improve your condition, complete three
workouts each week, with at least one day of rest
between workouts. After a few months of regular exer-
cise, you may complete up to five workouts each week
if desired. The key to success is to make exercise a
regular and enjoyable part of your everyday life.
WARNING:
Before beginning this or any exercise pro-
gram, consult your physician. This is espe-
cially important for persons over the age of 35
or persons with pre-existing health problems.
The pulse sensor is not a medical device.
Various factors, including the user's move-
ment, may affect the accuracy of heart rate
readings. The pulse sensor is intended only
as an exercise aid in determining heart rate
trends in general.

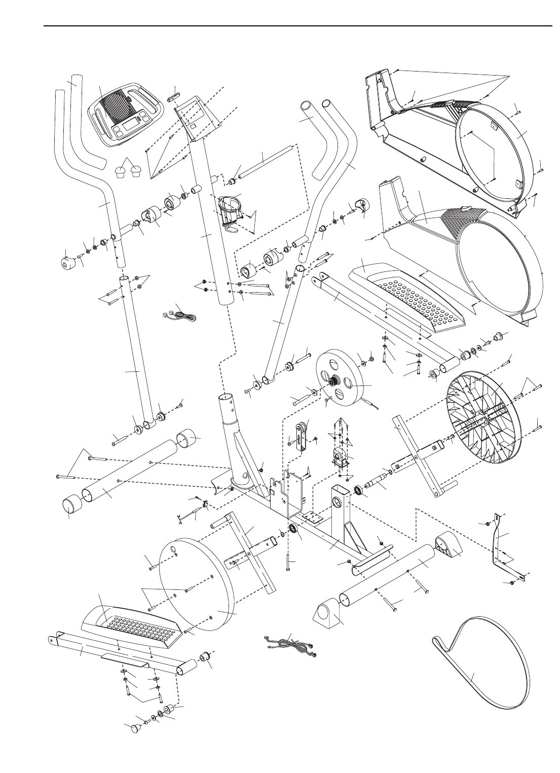
14
Note: # indicates a non-illustrated part. Specifications are subject to change without notice. If a part is missing,
call toll-free 1-888-533-1333.
Key No. Qty. Description Key No. Qty. Description
PART LIST—Model No. 831.28622.0 R1107A
1 1 Frame
2 1 Upright
3 1 Left Side Shield
4 1 Right Side Shield
5 2 Handlebar Leg
6 1 Left Handlebar
7 2 M10 x 74mm Button Bolt
8 1 Right Handlebar
9 2 Stabilizer
10 2 M5 Nylon Locknut
11 1 Left Pedal Leg
12 1 Right Pedal Leg
13 1 Left Pedal
14 1 Right Pedal
15 2 Pedal Disc
16 2 Disc Crossbar
17 1 Flywheel
18 1 Side Shield Bracket
19 1 Drive Belt
20 2 Rear Endcap
21 2 Front Endcap
22 1 Belt Idler
23 1 Console
24 2 Handgrip
25 2 M6 Bolt Set
26 1 Pivot Axle
27 4 M8 x 52mm Button Screw
28 4 M8 Split Washer
29 1 Water Bottle Holder
30 2 Large Snap Ring
31 2 Large Bearing
32 1 Pedal Axle
33 7 M10 Nylon Locknut
34 4 M10 x 75mm Carriage Bolt
35 4 M10 Washer
36 2 M3 x 16mm Screw
37 2 Pedal Arm Bushing
38 5 M8 Nylon Locknut
39 2 Inside Pedal Arm Bushing
40 2 M10 x 27mm Patch Screw
41 2 M6 x 18mm Bolt
42 6 M5 x16mm Screw
43 4 M5 Washer
44 2 Handlebar Endcap
45 2 M10 Split Washer
46 2 Handlebar Cap
47 2 Handlebar Spacer
48 2 Frame Spacer
49 6 Small Handlebar Bushing 
50 4 M8 x 45mm Button Bolt
51 4 M6 x 25mm Screw
52 7 M4 x 16mm Self-tapping Screw
53 1 Reed Switch/Wire
54 1 Cable Clamp
55 2 Handlebar Washer
56 2 M8 x 25mm Patch Screw
57 1 Flywheel Axle
58 1 Magnet
59 4 Console Screw
60 4 Large Handlebar Leg Bushing
61 2 5/16” x 25.4mm Hex Bolt
62 1 M10 x 60mm Button Bolt
63 2 M4 x 22mm Screw
64 4 M4 x 25mm Screw
65 1 M8 x 22mm Flat Head Screw
66 2 M6 Nylon Locknut
67 2 M5 x 14mm Self-tapping Screw
68 1 Extension Wire
69 2 Wave Washer
70 4 M6 x 28mm Screw
71 4 M8 Washer
72 1 Resistance Motor
73 1 Lower Wire Harness
74 2 Pedal Leg Endcap
75 1 Upright Endcap
76 2 Large Wave Washer
# 2 Hex Key
# 1 Grease
# 1 User’s Manual

EXPLODED DRAWING—Model No. 831.28622.0 R1107A
15
61
30
32
31
30
31
24
8
4
3
50
5
38
45
6
46
560
17
2
33
14
12
18
19
1
33
13
11
33
51
15
70
34
9
33
33 20
20
16
61
54
52
53
38
65
62
55
56 38
50
48
47
49
24
56
55
57
35
33
58
21
21
34
60
60
60
23
52
52
64
52
41
52 41
64
49 48
47 49 49
46
16
42
25
25
25
25
15
66
66
35
67
7
45
59
9
22
44
51
35
39
37
40
28
27
39
37 35
40
27
28
49
49
26
29
63
36
36
70
68
69
69
71
71 51
51
72
43
42
43
73
10
74
74
75
76
76

Part No. 239024 R1107A Printed in China © 2007 ICON IP, Inc.
Your Home
For repair—in your home—of all major brand appliances, lawn and garden equipment,
or heating and cooling systems, no matter who made it, no matter who sold it!
For the replacement parts, accessories, and user’s manuals that you need to do-it-yourself.
For Sears professional installation of home appliances
and items like garage door openers and water heaters.
1-800-4-MY-HOME® (1-800-469-4663)
Call anytime, day or night (U.S.A. and Canada)
 www.sears.com                  www.sears.ca
Our Home
For repair of carry-in items like vacuums, lawn equipment,
and electronics, call or go on-line for the location of your nearest
Sears Parts & Repair Center.
1-800-488-1222  Call anytime, day or night (U.S.A. only)
www.sears.com
To purchase a protection agreement (U.S.A.)
or maintenance agreement (Canada) on a product serviced by Sears:
1-800-827-6655 (U.S.A.)                     1-800-361-6665 (Canada)
Para pedir servicio de reparación a domicilio, y para ordenar piezas:
1-888-SU-HOGAR® (1-888-784-6427)
Get it fixed, at your home or ours!
® Registered Trademark / TM Trademark / SM  Service Mark of Sears Brands, LLC
® Marca Registrada / TM Marca de Fábrica / SM  Marca de Servicio de Sears Brands, LLC
90 DAY FULL WARRANTY
If this Sears Elliptical Exerciser fails due to a defect in material or workmanship within 90 days from the
date of purchase, call 1-800-4-MY-HOME®(1-800-469-4663) to arrange for free repair (or replacement
if repair proves impossible).
This warranty does not apply when the Elliptical Exerciser is used commercially or for rental purposes.
This warranty gives you specific legal rights, and you may also have other rights which vary from state
to state.
Sears, Roebuck and Co., Hoffman Estates, IL 60179