Proform 291761 775 Ekg Treadmill Users Manual
Proform-831-291761-Users-Manual-657961 proform-831-291761-users-manual-657961
Proform-291761-Owner-S-Manual proform-291761-owner-s-manual
831.291761 to the manual 8e5baac8-e66c-4505-9fa8-b0ce5d2ec838
2015-04-13
: Proform Proform-291761-775-Ekg-Treadmill-Users-Manual-697336 proform-291761-775-ekg-treadmill-users-manual-697336 proform pdf
Open the PDF directly: View PDF
.
Page Count: 31

USER'S MANUAL
Visit our website at
www.proform.com
new products, prizes,
fitness tips, and much more!
Patent Pending
Serial
Number
Decal
Model No. 831.291761
Serial No.
CAUTION
Read all precautions and instruc-
tions in this manual before using
this equipment. Save this manual
for future reference.
SEARS, ROEBUCK AND CO.
HOFFMAN ESTATES, IL 60179

TABLE OF CONTENTS
IMPORTANT PRECAUTIONS . . . . . . . . . . . . . . . . . . . . . . . . . . . . . . . . . . . . . . . . . . . . . . . . . . . . . . . . . . . . . . . . .3
BEFORE YOU BEGIN . . . . . . . . . . . . . . . . . . . . . . . . . . . . . . . . . . . . . . . . . . . . . . . . . . . . . . . . . . . . . . . . . . . . . . .5
ASSEMBLY . . . . . . . . . . . . . . . . . . . . . . . . . . . . . . . . . . . . . . . . . . . . . . . . . . . . . . . . . . . . . . . . . . . . . . . . . . . . . . .6
OPERATION AND ADJUSTMENT . . . . . . . . . . . . . . . . . . . . . . . . . . . . . . . . . . . . . . . . . . . . . . . . . . . . . . . . . . . . .8
HOW TO FOLD AND MOVE THE TREADMILL . . . . . . . . . . . . . . . . . . . . . . . . . . . . . . . . . . . . . . . . . . . . . . . . . .21
TROUBLESHOOTING . . . . . . . . . . . . . . . . . . . . . . . . . . . . . . . . . . . . . . . . . . . . . . . . . . . . . . . . . . . . . . . . . . . . . .23
CONDITIONING GUIDELINES . . . . . . . . . . . . . . . . . . . . . . . . . . . . . . . . . . . . . . . . . . . . . . . . . . . . . . . . . . . . . . .25
ORDERING REPLACEMENT PARTS . . . . . . . . . . . . . . . . . . . . . . . . . . . . . . . . . . . . . . . . . . . . . . . . . .Back Cover
FULL 90-DAY WARRANTY . . . . . . . . . . . . . . . . . . . . . . . . . . . . . . . . . . . . . . . . . . . . . . . . . . . . . . . . . . .Back Cover
Note: An EXPLODED DRAWING and a PART LIST are attached in the center of this manual.
2

3
1. It is the responsibility of the owner to ensure
that all users of this treadmill are adequately
informed of all warnings and precautions.
2. Use the treadmill only as described.
3. Place the treadmill on a level surface, with at
least eight feet of clearance behind it and two
feet on each side. Do not place the treadmill
on any surface that blocks air openings. To
protect the floor or carpet from damage, place
a mat under the treadmill.
4. Keep the treadmill indoors, away from mois-
ture and dust. Do not put the treadmill in a
garage or covered patio, or near water.
5. Do not operate the treadmill where aerosol
products are used or where oxygen is being
administered.
6. Keep children under the age of 12 and pets
away from the treadmill at all times.
7. The treadmill should not be used by persons
weighing more than 250 pounds.
8. Never allow more than one person on the
treadmill at a time.
9. Wear appropriate exercise clothing when
using the treadmill. Do not wear loose cloth-
ing that could become caught in the treadmill.
Athletic support clothes are recommended for
both men and women. Always wear athletic
shoes. Never use the treadmill with bare feet,
wearing only stockings, or in sandals.
10. When connecting the power cord (see page 8),
plug the power cord into a surge suppressor
(not included) and plug the surge suppressor
into a grounded circuit capable of carrying 15
or more amps. No other appliance should be on
the same circuit. Do not use an extension cord.
11. Use only a single-outlet surge suppressor that
meets all of the specifications described on
page 8. To purchase a surge suppressor, see
your local SEARS dealer or call 1-800-366-
7278 and order part number 146148.
12. Failure to use a properly functioning surge
suppressor could result in damage to the con-
trol system of the treadmill. If the control sys-
tem is damaged, the walking belt may change
speed or stop unexpectedly, which may result
in a fall and serious injury.
13. Keep the power cord and the surge suppres-
sor away from heated surfaces.
14. Never move the walking belt while the power
is turned off. Do not operate the treadmill if
the power cord or plug is damaged, or if the
treadmill is not working properly. (See
BEFORE YOU BEGIN on page 5 if the tread-
mill is not working properly.)
15. Never start the treadmill while you are stand-
ing on the walking belt. Always hold the
handrails while using the treadmill.
16. The treadmill is capable of high speeds.
Adjust the speed in small increments to avoid
sudden jumps in speed.
17. The pulse sensor is not a medical device.
Various factors, including the user's move-
ment, may affect the accuracy of heart rate
readings. The pulse sensor is intended only
as an exercise aid in determining heart rate
trends in general.
18. Never leave the treadmill unattended while it
is running. Always remove the key, unplug
the power cord, and move the on/off switch to
the off position when the treadmill is not in
use. (See the drawing on page 5 for the loca-
tion of the on/off switch.)
19. Do not attempt to raise, lower, or move the
treadmill until it is properly assembled. (See
ASSEMBLY on page 6, and HOW TO FOLD
AND MOVE THE TREADMILL on page 21.) You
must be able to safely lift 45 pounds (20 kg) in
order to raise, lower, or move the treadmill.
20. Do not change the incline of the treadmill by
placing objects under the treadmill.
21. When folding or moving the treadmill, make
sure that the storage latch is fully closed.
WARNING: To reduce the risk of burns, fire, electric shock, or injury to persons, read the
following important precautions and information before operating the treadmill.
IMPORTANT PRECAUTIONS

22. When using iFIT.com CDs and videos, an
electronic “chirping” sound will alert you
when the speed and/or incline of the treadmill
is about to change. Always listen for the
“chirp” and be prepared for speed and/or in-
cline changes. In some instances, the speed
and/or incline may change before the per-
sonal trainer describes the change.
23. When using iFIT.com CDs and videos, you
can manually override the speed and incline
settings at any time by pressing the speed
and incline buttons. However, when the next
“chirp” is heard, the speed and/or incline will
change to the next settings of the CD or video
program.
24. Always remove iFIT.com CDs and videos from
your CD player or VCR when you are not
using them.
25. Inspect and properly tighten all parts of the
treadmill regularly.
26. Never insert or drop any object into any
opening.
27. DANGER: Always unplug the power
cord immediately after use, before cleaning
the treadmill, and before performing the main-
tenance and adjustment procedures de-
scribed in this manual. Never remove the
motor hood unless instructed to do so by an
authorized service representative. Servicing
other than the procedures in this manual
should be performed by an authorized service
representative only.
28. This treadmill is intended for in-home use
only. Do not use this treadmill in any commer-
cial, rental, or institutional setting.
WARNING: Before beginning this or any exercise program, consult your physician. This
is especially important for persons over the age of 35 or persons with pre-existing health problems.
Read all instructions before using. SEARS assumes no responsibility for personal injury or property
damage sustained by or through the use of this product.
SAVE THESE INSTRUCTIONS
The decals shown have been placed on your treadmill. If a decal is missing, or if
it is not legible, please call our toll-free HELPLINE to order a free replacement
decal (see the front cover of this manual). Apply the decal in the location shown.
4
Note: The decal at the right is
shown at 50% of actual size.

5
Thank you for selecting the revolutionary PROFORM®
775 EKG treadmill. The 775 EKG treadmill combines
advanced technology with innovative design to help
you get the most from your exercise program in the
convenience and privacy of your home. And when
you’re not exercising, the unique 775 EKG treadmill
can be folded up, requiring less than half the floor
space of other treadmills.
For your benefit, read this manual carefully before
using the treadmill. If you have additional questions,
please call our toll-free HELPLINE at 1-800-736-6879,
Monday through Saturday, 7 a.m. until 7 p.m. Central
Time (excluding holidays). To help us assist you,
please note the product model number and serial num-
ber before calling. The model number of the treadmill
is 831.291761. The serial number can be found on a
decal attached to the treadmill (see the front cover of
this manual for the location).
Before reading further, please review the drawing
below and familiarize yourself with the labeled parts.
BEFORE YOU BEGIN
Handrail
Console
Lock Knob
Handgrip Pulse Sensor
Book Holder
Key/Clip
Circuit Breaker
On/Off Switch
Walking Belt
Cushioned Walking Platform
Front Wheel
Foot Pad
Power Cord
Rear Roller
Adjustment Bolts
Water Bottle
Holder (Bottle
not included)
RIGHT SIDE
LEFT SIDE

ASSEMBLY
Assembly requires two people. Set the treadmill in a cleared area and remove all packing materials. Do not
dispose of the packing materials until assembly is completed. Assembly requires your own Phillips screw-
driver , wire cutters , and rubber mallet .
Note: The underside of the treadmill walking belt is coated with high-performance lubricant. During shipping, a
small amount of lubricant may be transferred to the top of the walking belt or the shipping carton. This is a normal
condition and does not affect treadmill performance. If there is lubricant on top of the walking belt, simply wipe off
the lubricant with a soft cloth and a mild, non-abrasive cleaner.
1. With the help of a second person, carefully raise the
treadmill to the position shown.
If there are plastic ties on the Pulse Sensors (54), remove
the plastic ties.
Insert one of the Extension Legs (55) into the treadmill as
shown. Make sure that the Extension Leg is turned so
the Base Pad (44) is on the bottom. If necessary, tip the
Uprights (64) forward as you insert the Extension Leg.
Insert the other Extension Leg (not shown) in the same
way.
2. With the help of a second person, carefully lower the
Uprights (64) as shown. Note: It may be helpful to place
your foot on a Wheel (58) as you tip the Uprights. Make
sure that the Extension Legs (55) remain in the
Uprights.
Attach each Extension Leg (55) with an Extension Screw
(35), a 1” Screw (86), and a Base Pad (44) as shown.
Note: One replacement Base Pad (44) may be included.
If a Base Pad becomes worn and needs to be replaced,
use the replacement Base Pad.
64
54
Plastic Ties
55
1
35
101
44
55
44
35
55
64
58
6
44
2
101
35 101

5. See the inset drawing. Identify the Left Top Handgrip
(31); there are identifying marks inside the Handgrips. Set
the Left Top Handgrip on the left Handgrip Extension
(34). Insert two 1/2” Screws (9) into the two holes in the
Handgrip Extension indicated by the arrows. Tighten
the Screws into the Left Top Handgrip.
Important: Do not insert the two 1/2” Screws (9) into
the wrong holes in the Handgrip Extension (34), or
tighten the Screws into the plastic bosses on the bot-
tom of the Left Top Handgrip (31).
3
3. With the help of a second person, carefully tip the
Uprights (64) back to the vertical position.
Attach the Latch Assembly (32) to the left Upright (64)
with two Extension Screws (35).
32
35
64
31
64
9
34
7. Make sure that all parts are properly tightened before you use the treadmill. Keep the included allen
wrench in a secure place; the allen wrench is used to adjust the walking belt (see page 24). To protect the
floor or carpet from damage, place a mat under the treadmill.
6
6. Attach the matching Left Bottom Handgrip (82) with three
1/2” Screws (9).
Attach the Right Top Handgrip and the Right Bottom
Handgrip (not shown) as described above.
9
82
35
Bosses
5
31
43
9
9
7
35
34
35
35
64
Post
4. Orient one of the Handgrip Extensions (34) as shown and
insert it as far as possible into the post on the left Upright
(64). If necessary, tap the Handgrip Extension with a rub-
ber mallet to fully insert it. Attach the Handgrip Extension
with two Extension Screws (35), one towards the front of
the post, and the other towards the back.
Attach the other Handgrip Extension to the post on the
right Upright (not shown) in the same way.
4

8
OPERATION AND ADJUSTMENT
THE PERFORMANT LUBETM WALKING BELT
Your treadmill features a walking belt coated with
PERFORMANT LUBETM, a high-performance lubricant.
IMPORTANT: Never apply silicone spray or other
substances to the walking belt or the walking plat-
form. Such substances will deteriorate the walking
belt and cause excessive wear.
HOW TO PLUG IN THE POWER CORD
Your treadmill, like any other type of sophisticated
electronic equipment, can be seriously damaged by
sudden voltage changes in your home’s power.
Voltage surges, spikes, and noise interference can
result from weather conditions or from other appli-
ances being turned on or off. To decrease the pos-
sibility of your treadmill being damaged, always
use a surge suppressor with your treadmill (see
drawing 1 at the right). To purchase a surge sup-
pressor, see your local SEARS dealer or call 1-800-
366-7278 and order part number 146148.
Use only a single-outlet surge suppressor that is
UL 1449 listed as a transient voltage surge sup-
pressor (TVSS). The surge suppressor must have a
UL suppressed voltage rating of 400 volts or less
and a minimum surge dissipation of 450 joules.
The surge suppressor must be electrically rated
for 120 volts AC and 15 amps. There must be a
monitoring light on the surge suppressor to indi-
cate whether it is functioning properly. Failure to
use a properly functioning surge suppressor could
result in damage to the control system of the
treadmill. If the control system is damaged, the
walking belt may change speed or stop unexpect-
edly, which may result in a fall and serious injury.
This product must be grounded. If it should malfunc-
tion or break down, grounding provides a path of least
resistance for electric current to reduce the risk of elec-
tric shock. This product is equipped with a cord having
an equipment-grounding conductor and a grounding
plug. Plug the power cord into a surge suppressor,
and plug the surge suppressor into an appropriate
outlet that is properly installed and grounded in
accordance with all local codes and ordinances.
Important: The treadmill is not compatible with
GFCI-equipped outlets.
This product is for use on a nominal 120-volt circuit,
and has a grounding plug that looks like the plug illus-
trated in drawing 1 below. A temporary adapter that
looks like the adapter illustrated in drawing 2 may be
used to connect the surge suppressor to a 2-pole
receptacle as shown in drawing 2 if a properly
grounded outlet is not available.
The temporary adapter should be used only until a
properly grounded outlet (drawing 1) can be installed
by a qualified electrician.
The green-colored rigid ear, lug, or the like extending
from the adapter must be connected to a permanent
ground such as a properly grounded outlet box cover.
Whenever the adapter is used it must be held in place
by a metal screw. Some 2-pole receptacle outlet box
covers are not grounded. Contact a qualified elec-
trician to determine if the outlet box cover is
grounded before using an adapter.
DANGER: Improper connection
of the equipment-grounding conductor can
result in an increased risk of electric shock.
Check with a qualified electrician or service-
man if you are in doubt as to whether the
product is properly grounded. Do not modify
the plug provided with the product—if it will
not fit the outlet, have a proper outlet
installed by a qualified electrician.
1
2
Grounded Outlet Box
Grounded Outlet Box
Grounding Plug
Surge Suppressor
Surge Suppressor
Grounding Pin
Adapter
Lug
Metal Screw
Grounded Outlet
Grounding Pin

9
FEATURES OF THE CONSOLE
The advanced console offers an impressive array of
features to help you get the most from your exercise.
When the manual mode of the console is selected, the
speed and incline of the treadmill can be changed with
a touch of a button. As you exercise, the console will
display continuous exercise feedback. You can even
measure your heart rate using the built-in handgrip
pulse sensor. Note: See page 20 for information about
an optional chest pulse sensor.
Four certified personal trainer programs are also
offered. Each program automatically controls the
speed and incline of the treadmill to give you an effec-
tive workout. Two heart rate programs are also fea-
tured. Each program controls the speed and incline of
the treadmill to keep your heart rate near a target level
during your workouts.
The console also features new iFIT.com interactive
technology. IFIT.com technology is like having a per-
sonal trainer right in your home. Using the included
audio cable, you can connect the treadmill to your
home stereo, portable stereo, or computer and play
special iFIT.com CD programs (one free iFIT.com CD is
included; others are available separately). IFIT.com CD
programs automatically control the speed and incline of
the treadmill as a personal trainer guides you through
every step of your workout. High-energy music provides
added motivation. Each CD features two programs de-
signed by certified personal trainers.
In addition, you can connect the treadmill to your VCR
and TV and play iFIT.com video programs (videocas-
settes are available separately). Video programs offer
the same benefits as iFIT.com CD programs, but add
the excitement of working out with a class and an
instructor—the hottest new trend at health clubs.
With the treadmill connected to your computer, you
can also go to our Web site at www.iFIT.com and ac-
cess basic programs, audio programs, and video pro-
grams directly from the internet. Additional options are
soon to be available. See www.iFIT.com for details.
To purchase iFIT.com CDs or videocassettes, see
your local SEARS or call toll-free 1-800-735-0768.
To use the manual mode of the console, follow the
steps beginning on page 10. To use a personal trainer
program, see page 12. To use a heart rate program,
see page 13. To use an iFIT.com CD or video pro-
gram, refer to page 17. To use an iFIT.com program
directly from our Web site, see page 19.
CAUTION:Before operating the
console, read the following precautions.
• Do not stand on the walking belt when turn-
ing on the power.
• Always wear the clip (see the drawing
above) while operating the treadmill.
•Adjust the speed in small increments to
avoid sudden jumps in speed.
•To reduce the possibility of electric shock,
keep the console dry. Avoid spilling liquids
on the console and place only a sealed water
bottle in the water bottle holder.
Clip
Display Display
Manual/Program Indicators
CONSOLE DIAGRAM
Program Profiles
Program Display
Key
Note: If there is a thin sheet of plastic
on the face of the console, remove it.

10
HOW TO TURN ON THE POWER
Plug in the power cord (see page 8).
Locate the on/off
switch near the power
cord. Move the on/off
switch to the on posi-
tion.
Stand on the foot rails of the treadmill. Find the clip
attached to the key (see the drawing on page 9)
and slide the clip onto the waistband of your
clothes. Next, insert the key into the console. After
a moment, the displays and various indicators will
light. Test the clip by carefully taking a few
steps backward until the key is pulled from the
console. If the key is not pulled from the con-
sole, adjust the position of the clip.
HOW TO USE THE MANUAL MODE
Insert the key fully into the console.
See HOW TO TURN ON THE POWER above.
Select the manual mode.
When the key is in-
serted, the manual
mode will be selected
and the Manual Control
indicator will light. If a
program has been
selected, press the Program button repeatedly to
reselect the manual mode.
Press the Start button or the Speed
▲▲
button to
start the walking belt.
A moment after the but-
ton is pressed, the
walking belt will begin to
move at 1 mph. Hold
the handrails and begin
walking. As you exer-
cise, change the speed of the walking belt as de-
sired by pressing the Speed
▼▼
and
▲▲
buttons.
Each time a button is pressed, the speed setting
will change by 0.1 mph; if a button is held down,
the speed setting will change in increments of 0.5
mph. To change the speed setting quickly, press
the Quick Speed buttons. Note: The console can
display speed and distance in either miles or
kilometers. For simplicity, all instructions in
this section refer to miles.
To stop the walking belt, press the Stop button.
The Time/Incline/Segment Time display will begin
to flash. To restart the walking belt, press the Start
button or the Speed
▲▲
button.
Note: During the first few minutes that the treadmill
is used, inspect the alignment of the walking belt
and align it if necessary (see page 24).
Change the incline of the treadmill as desired.
To change the incline of
the treadmill, press the
Incline buttons. Each time
a button is pressed, the
incline will change by
0.5%. Note: After the but-
tons are pressed, it may take a moment for the
treadmill to reach the selected incline setting.
Follow your progress with the LED track and
the displays.
The LED Track—When
the manual mode or the
iFIT.com mode is se-
lected, the program dis-
play will show an LED
track representing 1/4
mile. As you exercise,
the indicators around the track will light in sequence
until you have completed 1/4 mile. A new lap will
then begin.
Calories/Fat Calories/
Heart Rate display—
This display shows the
approximate numbers of
calories and fat calories
you have burned (see
FAT BURNING on page 25). The display will
change from one number to the other every few
seconds, as shown by the indicators in the dis-
play. The display will also show your heart rate
when you use the handgrip pulse sensor (refer to
step 6 on page 11) or the optional chest pulse
sensor (refer to page 20).
5
4
3
2
1
3
2
1
On
Position

11
Time/Incline/Segment
Time display—When
the manual mode or the
iFIT.com mode is se-
lected, this display will
show the elapsed time
and the incline level of the treadmill. The display
will change from one number to the other every
few seconds, as shown by the indicators in the
display. When a personal trainer program or a
heart rate program is selected, the display will
show the time remaining in the program, the time
remaining in the current segment of the program,
and the incline level. Note: Each time the incline
changes, the display will show the current incline
setting for several seconds.
Distance/Laps
display—This display
shows the distance that
you have walked and the
number of 1/4-mile laps
you have completed. The
display will change from one number to the other
every few seconds, as shown by the indicators in
the display.
Speed/Min-Mile
display—This display
shows the speed of the
walking belt and your
current pace (pace is
measured in minutes per
mile). The display will change from one number to
the other every few seconds, as shown by the in-
dicators in the display. Note: Each time the speed
changes, the display will show the current speed
setting for several seconds.
Note: The console can
display speed and dis-
tance in either miles or
kilometers. To find which
unit of measurement is
selected, hold down the
Stop button while inserting the key into the con-
sole. An “E” for English miles or an “M” for metric
kilometers will appear in the display. Press the
Speed
▲▲
button to change the unit of measure-
ment. When the desired unit of measurement is
selected, remove the key and then reinsert it.
To reset the displays, press the Stop button, re-
move the key, and then reinsert the key.
Measure your heart rate, if desired.
Note: Before using the handgrip pulse sensor,
make sure that your hands are clean.
To measure your
heart rate, stand
on the foot rails
and place your
hands on the
metal contacts on
the handrail. Your
palms must be
resting on the con-
tacts—avoid moving your hands. When your
pulse is detected, the heart-shaped indicator in the
Calories/Fat Calories/Heart Rate display will flash,
and then your heart rate will be shown. For the
most accurate heart rate reading, continue to
hold the contacts for about 15 seconds.
When you are finished exercising, remove the
key.
Step onto the foot rails, press the Stop button, and
adjust the incline of the treadmill to the lowest
setting. The incline must be at the lowest setting
when the treadmill is folded to the storage posi-
tion or the treadmill will be damaged. Next, re-
move the key from the console and put it in a se-
cure place. Note: If the displays and various indi-
cators on the console remain lit after the key is
removed, the console is in the “demo” mode.
See page 20 and turn off the demo mode.
When you are finished using the treadmill, move
the on/off switch near the power cord to the off
position and unplug the power cord.
7
6

12
HOW TO USE PERSONAL TRAINER PROGRAMS
Insert the key fully into the console.
See HOW TO TURN ON THE POWER on page
10.
Select one of the personal trainer programs.
When the key
is inserted, the
manual mode
will be se-
lected. To se-
lect one of the
personal
trainer programs, press the Program button re-
peatedly until one of the four personal trainer pro-
gram indicators lights. When a personal trainer
program is selected, the Time/Incline/Segment
Time display will flash the maximum incline setting
for the program for six seconds, and the
Speed/Min-mile display will flash the maximum
speed setting.
The four profiles on the right side of the console
show how the speed and incline of the treadmill
will change during the programs. The numbers
beside the profiles show the maximum speed and
incline settings for the programs.
The program display
will show the first
speed settings for the
program. The Time/
Incline/Segment Time
display will show how
long the program will
last.
Press the Start button or the Speed
▲▲
button to
start the program.
A moment after the button is pressed, the tread-
mill will automatically adjust to the first speed and
incline settings for the program. Hold the handrails
and begin walking.
Each program is divided into several time seg-
ments of different lengths. The Time/Incline/
Segment Time display will show both the time re-
maining in the program and the time remaining in
the current segment of the program. One speed
setting and one incline setting are programmed for
each segment. (The same speed setting and/or in-
cline setting may be pro-
grammed for consecutive
segments.) The speed
setting for the first seg-
ment will be shown in
the flashing Current
Segment column of the
program display. (The
incline settings are not shown in the program dis-
play.) The speed settings for the next four seg-
ments will be shown in the four columns to the
right.
During the last three seconds of the first segment,
both the Current Segment column and the column
to the right will flash and one or more tones will
sound. The Speed/Min-mile display and the
Time/Incline/Segment Time display will also flash
if the speed and/or incline of the treadmill is about
to change. When the first segment is completed,
all speed settings will move one column to the left;
the speed setting for the second segment will then
be shown in the Current Segment column and the
treadmill will automatically adjust to the speed and
incline settings for the second segment.
Note: If all of the indicators in the Current
Segment column are lit after the speed settings
have moved to the left, the speed settings will also
move down so that only the highest lit indicators
appear. If some of the indicators in the Current
Segment column are not lit after the speed set-
tings have moved to the left again, the speed set-
tings will move back up.
The program will continue until the speed setting
for the final segment is shown in the Current
Segment column and no time remains in the
Time/Incline/Segment Time display. The walking
belt will then slow to a stop.
Note: If the speed or incline setting for the current
segment is too high or too low, you can manually
override the setting by pressing the Speed or
Incline buttons. Every few times a Speed button is
pressed, an additional indicator will light or darken
in the Current Segment column. If any of the
columns to the right of the Current Segment col-
umn have the same number of lit indicators as the
Current Segment column, an additional indicator
may light or darken in those columns as well.
Important: When the current segment of the
program ends, the treadmill will automatically
adjust to the speed and incline settings for the
next segment.
3
2
1
Current Segment

13
To stop the program temporarily, press the Stop
button. The Time/Incline/Segment Time display
will begin to flash. To restart the program, press
the Start button or the Speed
▲▲
button. To end the
program, press the Stop button, remove the key,
and then reinsert the key.
Follow your progress with the displays.
See step 5 on page 10.
Measure your heart rate, if desired.
See step 6 on page 11.
When the program is completed, remove the
key from the console.
When the program has ended, make sure that
the incline of the treadmill is at the lowest set-
ting. Next, remove the key from the console and
put it in a safe place.Note: If the displays and
various indicators on the console remain lit
after the key is removed, the console is in the
“demo” mode. Refer to page 20 and turn off the
demo mode.
When you are finished using the treadmill, move
the on/off switch near the power cord to the off
position and unplug the power cord.
HOW TO USE HEART RATE PROGRAMS
Follow the steps below to use the heart rate programs.
Note: You must wear the optional chest pulse sen-
sor (see page 20) to use the heart rate programs.
Put on the chest pulse sensor.
Refer to the instructions included with the optional
chest pulse sensor.
Insert the key fully into the console.
See HOW TO TURN ON THE POWER on page
10.
Select a heart rate program.
When the key is
inserted, the
manual mode
will be selected.
To select one of
the heart rate
programs, press
the Program button repeatedly until one of the two
heart rate program indicators lights.
The two profiles on the left side of the console
show how the target heart rate will change during
the programs. The numbers above the profiles
represent percentages of your estimated maxi-
mum heart rate. (Your estimated maximum heart
rate is determined by subtracting your age from
220. For example, if you are 30 years old, your
estimated maximum heart rate is 190 beats per
minute [220 – 30 = 190]. If you are 30 years old, a
target heart rate setting of 50% is equal to 95
beats per minute [50% of 190 is 95]).
3
2
1
6
5
4
CAUTION:If you have heart prob-
lems, or if you are over 60 years of age and
have been inactive, do not use the heart rate
programs. If you are taking medication regu-
larly, consult your physician to find whether the
medication will affect your exercise heart rate.

14
During heart rate pro-
grams, the program
display will show a
graphic that represents
your heart rate. Each
time a heartbeat is de-
tected, an additional
peak will appear.
Enter your age.
When a heart rate pro-
gram is selected, the let-
ters AGE and the current
age setting will begin to
flash in the Calories/
Fat Calories/Heart Rate
display. You must enter your age to use a heart
rate program. If you have already entered your
age, go to step 5. If you have not entered your
age, press the Incline (Age Set) buttons until your
age is shown. Your age will then be saved in mem-
ory.
Press the Start button or the Speed
▲▲
button to
start the program.
A moment after the button is pressed, the tread-
mill will automatically adjust to the first speed and
incline settings for the program. Hold the handrails
and begin walking.
Each heart rate program is divided into one-minute
segments. The Time/Incline/Segment Time display
will show both the time remaining in the program
and the time remaining in the current segment of
the program. One target heart rate setting is pro-
grammed for each segment. (The same target
heart rate setting may be programmed for consecu-
tive segments.)
When only three seconds remain in the first one-
minute segment of the program, a series of tones
will sound and the Time/Incline/Segment Time
display and the Speed/Min-Mile display will flash.
The speed and/or incline of the treadmill will then
change, if needed, to bring your heart rate closer to
the target heart rate setting for the next segment.
The program will continue until no time remains in
the program. The walking belt will then slow to a
stop.
If the speed or incline setting for the current seg-
ment is too high or too low, you can adjust the set-
ting with the Speed or Incline buttons. However, if
you decrease the speed, the incline will automati-
cally increase; if you increase the speed, the in-
cline will decrease. If you increase the incline, the
speed will decrease; if you decrease the incline,
the speed will increase.The treadmill will always
attempt to keep your heart rate near the target
heart rate setting for the current segment. Note:
When the incline reaches the lowest setting, the
speed cannot be increased any further. When the
incline reaches the highest setting, the speed can-
not be decreased any further.
If your pulse is not detected during the program,
the letters PLS will flash in the Calories/
Fat Calories/Heart Rate display and the speed
and incline of the treadmill may automatically de-
crease until your pulse is detected. If this occurs,
refer to the instructions included with the chest
pulse sensor.
To stop the program at any time, press the Stop
button. Heart rate programs should not be stopped
temporarily and then restarted. To use a heart rate
program again, reselect the program and start it at
the beginning.
Follow your progress with the displays.
See step 5 on page 10.
When the program is completed, remove the
key from the console.
See step 6 on page 13.
7
6
5
4

15
HOW TO CONNECT THE TREADMILL TO YOUR
CD PLAYER, VCR, OR COMPUTER
To use iFIT.com CDs, the treadmill must be connected
to your portable CD player, portable stereo, home
stereo, or computer with CD player. See pages 15 and
16 for connecting instructions. To use iFIT.com video-
cassettes, the treadmill must be connected to your
VCR. See page 17 for connecting instructions. To use
iFIT.com programs directly from our internet site,
the treadmill must be connected to your home com-
puter. See page 16 for connecting instructions.
HOW TO CONNECT YOUR PORTABLE CD PLAYER
Note: If your CD player has separate LINE OUT and
PHONES jacks, see instruction A below. If your CD
player has only one jack, see instruction B.
A. Plug one end of the audio cable into the jack on the
front of the treadmill near the power cord. Plug the
other end of the cable into the LINE OUT jack on
your CD player. Plug your headphones into the
PHONES jack.
B. Plug one end of the audio cable into the jack on the
front of the treadmill near the power cord. Plug the
other end of the cable into a 3.5mm Y-adapter (avail-
able at electronics stores). Plug the Y-adapter into
the PHONES jack on your CD player. Plug your
headphones into the other side of the Y-adapter.
HOW TO CONNECT YOUR PORTABLE STEREO
Note: If your stereo has an RCA-type AUDIO OUT
jack, see instruction A below. If your stereo has a
3.5mm LINE OUT jack, see instruction B. If your
stereo has only a PHONES jack, see instruction C.
A. Plug one end of the audio cable into the jack on the
front of the treadmill near the power cord. Plug the
other end of the cable into the included adapter. Plug
the adapter into an AUDIO OUT jack on your stereo.
B. Plug one end of the audio cable into the jack on the
front of the treadmill near the power cord. Plug the
other end of the cable into the LINE OUT jack on
your stereo.
C. Plug one end of the audio cable into the jack on the
front of the treadmill near the power cord. Plug the
other end of the cable into a 3.5mm Y-adapter
(available at electronics stores). Plug the Y-adapter
into the PHONES jack on your stereo. Plug your
headphones into the other side of the Y-adapter.
LINE OUT
PHONES LINE OUT
PHONES
Audio
Cable
Head-
phones
A
AUDIO OUT
RIGHT
LEFT
Audio
Cable Adapter
A
LINE OUT
Audio
Cable
B
PHONES
Audio
Cable
C
PHONES
PHONES
Audio
Cable
3.5mm
Y-adapter
Headphones
B
3.5mm
Y-adapter
Headphones

16
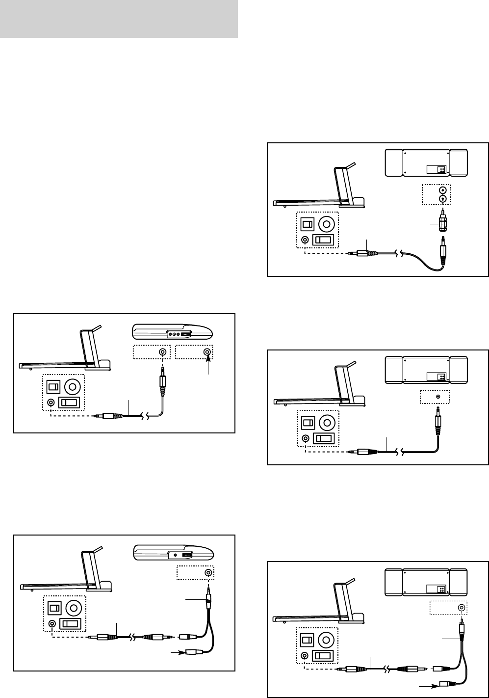
HOW TO CONNECT YOUR HOME STEREO
Note: If your stereo has an unused LINE OUT jack,
see instruction A below. If the LINE OUT jack is
being used, see instruction B.
A. Plug one end of the audio cable into the jack on the
front of the treadmill near the power cord. Plug the
other end of the cable into the included adapter.
Plug the adapter into the LINE OUT jack on your
stereo.
B. Plug one end of the audio cable into the jack on the
front of the treadmill near the power cord. Plug the
other end of the cable into the included adapter.
Plug the adapter into an RCA Y-adapter (available
at electronics stores). Next, remove the wire that is
currently plugged into the LINE OUT jack on your
stereo and plug the wire into the unused side of the
Y-adapter. Plug the Y-adapter into the LINE OUT
jack on your stereo.
HOW TO CONNECT YOUR COMPUTER
Note: If your computer has a 3.5mm LINE OUT jack,
see instruction A. If your computer has only a
PHONES jack, see instruction B.
A. Plug one end of the audio cable into the jack on the
front of the treadmill near the power cord. Plug the
other end of the cable into the LINE OUT jack on
your computer.
B. Plug one end of the audio cable into the jack on the
front of the treadmill near the power cord. Plug the
other end of the cable into a 3.5mm Y-adapter
(available at electronics stores). Plug the Y-adapter
into the PHONES jack on your computer. Plug your
headphones or speakers into the other side of the
Y-adapter.
LINE OUT
CD
VCR
Amp
LINE OUT
Audio
Cable Adapter
A
LINE OUT
Audio
Cable
A
CD
VCR
Amp
LINE OUT
Audio
Cable
RCA
Y-adapter
Wire removed from
LINE OUT jack
B
Adapter
PHONES
Audio
Cable
B
3.5mm
Y-adapter
Headphones/Speakers

17
HOW TO CONNECT YOUR VCR
Note: If your VCR has an unused AUDIO OUT jack,
see instruction A below. If the AUDIO OUT jack is
being used, see instruction B. If you have a TV
with a built-in VCR, see instruction B. If your VCR
is connected to your home stereo, see HOW TO
CONNECT YOUR HOME STEREO on page 16.
A. Plug one end of the audio cable into the jack on the
front of the treadmill near the power cord. Plug the
other end of the cable into the included adapter.
Plug the adapter into the AUDIO OUT jack on your
VCR.
B. Plug one end of the audio cable into the jack on the
front of the treadmill near the power cord. Plug the
other end of the cable into the included adapter.
Plug the adapter into an RCA Y-adapter (available
at electronics stores). Next, remove the wire that is
currently plugged into the AUDIO OUT jack on your
VCR and plug the wire into the unused side of the
Y-adapter. Plug the Y-adapter into the AUDIO OUT
jack on your VCR.
HOW TO USE IFIT.COM CD AND VIDEO
PROGRAMS
To use iFIT.com CDs or videocassettes, the treadmill
must be connected to your portable CD player, portable
stereo, home stereo, computer with CD player, or
VCR. See HOW TO CONNECT THE TREADMILL TO
YOUR CD PLAYER, VCR, OR COMPUTER on page
15. Note: To purchase iFIT.com CDs or videocas-
settes, call toll-free 1-800-735-0768.
Follow the steps below to use an iFIT.com CD or video
program.
Insert the key into the console.
See HOW TO TURN ON THE POWER on page 10.
Select the iFIT.com mode.
When the key is in-
serted, the manual
mode will be selected.
To use iFIT.com CDs or
videocassettes, press
the Program button re-
peatedly until the iFIT.com indicator lights.
Insert the iFIT.com CD or videocassette.
If you are using an iFIT.com CD, insert the CD
into your CD player. If you are using an iFIT.com
videocassette, insert the videocassette into your
VCR.
Press the PLAY button on your CD player or
VCR.
A moment after the button is pressed, your per-
sonal trainer will begin guiding you through your
workout. Simply follow your personal trainer’s
instructions. Note: If the Time/Incline/Segment
Time display is flashing, press the Start button or
the Speed
▲▲
button on the console. The treadmill
will not respond to a CD or video program when
the Time/Incline/Segment Time display is flashing.
During the CD or video program, an electronic
“chirping” sound will alert you when the speed
and/or incline of the treadmill is about to change.
CAUTION: Always listen for the “chirp” and be
prepared for speed and/or incline changes. In
some instances, the speed and/or incline may
change before the personal trainer describes
the change.
4
3
2
1
AUDIO OUT
RIGHT
LEFT
VIDEO AUDIO
ANT. IN
RF OUT
IN
OUT
CH
34
Audio
Cable Adapter
A
VIDEO AUDIO
ANT. IN
RF OUT
IN
OUT
CH
34
Audio
Cable Adapter
B
Wire removed from
AUDIO OUT jack
RCA Y-adapter

18
If the speed or incline settings are too high or too
low, you can manually override the settings at any
time by pressing the Speed or Incline buttons on
the console. However, when the next “chirp” is
heard, the speed and/or incline will change to
the next settings of the CD or video program.
To stop the walking belt at any time, press the
Stop button on the console. The Time/Incline/
Segment Time display will begin to flash. To
restart the program, press the Start button or the
Speed
▲▲
button. After a moment, the walking belt
will begin to move at 1 mph. When the next
“chirp” is heard, the speed and incline will
change to the next settings of the CD or video
program.
When the CD or video program is completed, the
walking belt will stop and the Time/Incline/Segment
Time display will begin to flash. Note: To use an-
other CD or video program, press the Stop button
or remove the key and go to step 1 on page 17.
Note: If the speed or incline of the treadmill
does not change when a “chirp” is heard:
• Make sure that the iFIT.com indicator is lit and
that the Time/Incline/Segment Time display is
not flashing. If the Time/Incline/Segment Time
display is flashing, press the Start button or
the Speed
▲▲
button on the console.
• Adjust the volume of your CD player or VCR.
If the volume is too high or too low, the con-
sole may not detect the program signals.
• Make sure that the audio cable is properly
connected, that it is fully plugged in, and that
it is not wrapped around a power cord.
• If you are using your portable CD player and
the CD skips, set the CD player on the floor or
another flat surface instead of on the console.
• See the instructions near the bottom of page
24.
Follow your progress with the LED track and
the displays.
See step 5 on page 10.
Measure your heart rate, if desired.
See step 6 on page 11.
When the program is completed, remove the
key.
See step 6 on page 13.
CAUTION: Always remove iFIT.com CDs and
videocassettes from your CD player or VCR
when you are finished using them.
7
6
5

19
HOW TO USE PROGRAMS DIRECTLY FROM
OUR WEB SITE
Our Web site at www.iFIT.com allows you to access
basic programs, audio programs, and video programs
directly from the internet. Additional options are soon to
be available. See www.iFIT.com for details.
To use programs from our Web site, the treadmill must
be connected to your home computer. See HOW TO
CONNECT YOUR COMPUTER on page 16. In
addition, you must have an internet connection and
an internet service provider. A list of specific system re-
quirements will be found on our Web site.
Follow the steps below to use a program from our
Web site.
Insert the key into the console.
See HOW TO TURN ON THE POWER on page 10.
Select the iFIT.com mode.
When the key is in-
serted, the manual
mode will be selected.
To use a program from
our Web site, press the
Program button repeat-
edly until the iFIT.com indicator lights.
Go to your computer and start an internet
connection.
Start your web browser, if necessary, and go to
our Web site at www.iFIT.com.
Follow the desired links on our Web site to
select a program.
Read and follow the on-line instructions for using a
program.
Follow the on-line instructions to start the
program.
When you start the program, an on-screen count-
down will begin.
Return to the treadmill and stand on the foot
rails. Find the clip attached to the key and slide
the clip onto the waistband of your clothing.
When the on-screen countdown ends, the program
will begin and the walking belt will begin to move.
Hold the handrails, step onto the walking belt, and
begin walking. During the program, an electronic
“chirping” sound will alert you when the speed
and/or incline of the treadmill is about to change.
CAUTION: Always listen for the “chirp” and be
prepared for speed and/or incline changes.
If the speed or incline settings are too high or too
low, you can manually override the settings at any
time by pressing the Speed or Incline buttons on
the console. However, when the next “chirp” is
heard, the speed and/or incline will change to
the next settings for the program.
To stop the walking belt at any time, press the
Stop button on the console. The Time/Incline/
Segment Time display will begin to flash. To
restart the program, press the Start button or the
Speed
▲▲
button. After a moment, the walking belt
will begin to move at 1 mph. When the next
“chirp” is heard, the speed and incline will
change to the next settings of the program.
When the program is completed, the walking belt
will stop and the Time/Incline/Segment Time dis-
play will begin to flash. Note: To use another pro-
gram, press the Stop button and go to step 5.
Note: If the speed or incline of the treadmill
does not change when a “chirp” is heard, make
sure that the iFIT.com indicator is lit and that
the Time/Incline/Segment Time display is not
flashing. In addition, make sure that the audio
cable is properly connected, that it is fully
plugged in, and that it is not wrapped around a
power cord.
Follow your progress with the LED track and
the displays.
See step 5 on page 10.
When the program has ended, remove the key.
See step 6 on page 13.
9
8
7
6
5
4
3
2
1

20
THE INFORMATION MODE/DEMO MODE
The console features an information mode that keeps
track of the total number of hours that the treadmill has
been operated and the total number of miles that the
walking belt has moved. The information mode also al-
lows you to switch the console from miles per hour to
kilometers per hour. In addition, the information mode
allows you to turn on and turn off the demo mode.
To select the information mode, hold down the Stop
button while inserting the key into the console. When
the information mode is selected, the following informa-
tion will be shown:
The Time/Incline/Segment
Time display will show the
total number of hours the
treadmill has been used.
The Distance/Laps display
will show the total number of
miles (or kilometers) that the
walking belt has moved.
An “E” for english miles or an
“M” for metric kilometers will
appear in the Speed/Min-Mile
display. Press the Speed
▲▲
button to change the unit of
measurement.
IMPORTANT: The Calories/
Fat Calories/Heart Rate dis-
play should be blank. If a “d”
appears in the display, the
console is in the “demo”
mode. This mode is intended
to be used only when a treadmill is displayed in a store.
When the console is in the demo mode, the power cord
can be plugged in, the key can be removed from the
console, and the displays and indicators on the console
will automatically light in a preset sequence, although
the buttons on the console will not operate. If a “d” ap-
pears in the Calories/Fat Calories/Heart Rate display
when the information mode is selected, press the
Speed
▼▼
button so the display is blank.
To exit the information mode, remove the key from the
console.
THE OPTIONAL CHEST PULSE SENSOR
An optional chest pulse sensor adds even more fea-
tures to the console. The chest pulse sensor offers
hands-free operation, and enables you to use the con-
sole’s two heart rate programs. To purchase the
chest pulse sensor, call toll-free 1-800-734-2377.

21
HOW TO FOLD AND MOVE THE TREADMILL
HOW TO FOLD THE TREADMILL FOR STORAGE
Before folding the treadmill, adjust the incline to the
lowest position. If this is not done, the treadmill may be
permanently damaged. Next, unplug the power cord.
CAUTION: You must be able to safely lift 45 pounds (20
kg) in order to raise, lower, or move the treadmill.
1. Hold the treadmill with your hands in the locations shown
at the right. CAUTION: To decrease the possibility of
injury, bend your legs and keep your back straight. As
you raise the treadmill, make sure to lift with your legs
rather than your back. Raise the treadmill about halfway
to the vertical position.
2. Move your right hand to the position shown and hold the
treadmill firmly. Using your left hand, pull the latch knob
to the left and hold it. Raise the treadmill until the catch is
past the latch pin. Slowly release the latch knob. Make
sure that the catch is securely held by the latch pin.
To protect the floor or carpet from damage, place a
mat under the treadmill. Keep the treadmill out of
direct sunlight. Do not leave the treadmill in the stor-
age position in temperatures above 85° Fahrenheit.
HOW TO MOVE THE TREADMILL
Before moving the treadmill, convert the treadmill to the stor-
age position as described above. Make sure that the catch
is securely held by the latch pin.
1. Hold the handrails as shown and place one foot against a
wheel.
2. Tilt the treadmill back until it rolls freely on the wheels.
Carefully move the treadmill to the desired location.
Never move the treadmill without tipping it back. To
reduce the risk of injury, use extreme caution while
moving the treadmill. Do not attempt to move the
treadmill over an uneven surface.
3. Place one foot on a wheel, and carefully lower the tread-
mill until it is resting in the storage position. Base
Wheels
1
Latch
Knob
Pin
Catch
Closed
Open
2

HOW TO LOWER THE TREADMILL FOR USE
1. Hold the upper end of the treadmill with your right hand
as shown. Using your left hand, pull the latch knob to the
left and hold it. Pivot the treadmill down until the frame is
past the pin. Slowly release the latch knob.
2. Hold the treadmill firmly with both hands, and lower the
treadmill to the floor. Do not drop the treadmill frame
to the floor. CAUTION: To decrease the possibility of
injury, bend your legs and keep your back straight.
2
Latch
Knob
Pin
Catch
Open
1
22

23
TROUBLESHOOTING
Most treadmill problems can be solved by following the simple steps below. Find the symptom that
applies, and follow the steps listed. If further assistance is needed, call our toll-free HELPLINE at
1-800-736-6879, Monday through Saturday, 7 a.m. until 7 p.m. Central Time (excluding holidays).
PROBLEM: The power does not turn on
SOLUTION: a. Make sure that the power cord is plugged into a surge suppressor, and that the surge suppressor
is plugged into a properly grounded outlet (see page 8). Use only a single-outlet surge suppressor
that meets all of the specifications described on page 8. Important: The treadmill is not compatible
with GFCI-equipped outlets.
b. After the power cord has been plugged in, make sure that the key is fully inserted into the console.
c. Check the circuit breaker located on the treadmill
near the power cord. If the switch protrudes as
shown, the circuit breaker has tripped. To reset the
circuit breaker, wait for five minutes and then press
the switch back in.
d. Check the on/off switch located on the treadmill near
the power cord. The switch must be in the on posi-
tion.
PROBLEM: The power turns off during use
SOLUTION: a. Check the circuit breaker located on the treadmill frame near the power cord (see c. above). If the
circuit breaker has tripped, wait for five minutes and then press the switch back in.
b. Make sure that the power cord is plugged in. If the power cord is plugged in, unplug it, wait for
five minutes, and then plug it back in.
c. Remove the key from the console. Reinsert the key fully into the console.
d. Make sure that the on/off switch is in the on position.
e. If the treadmill still will not run, please call our toll-free HELPLINE.
PROBLEM: The speed display on the console does not function properly
SOLUTION: a. Remove the key and UNPLUG THE POWER CORD.
Carefully lower the Uprights (64) to the floor. Remove
the three indicated Small Screws (37).
Raise the Uprights (64) to the vertical position. Pivot
the Hood (1) off.
Tripped
c
Reset
On
Position
d
64 37
1
64
a

24
Locate the Reed Switch (18) and the Magnet (48) on
the left side of the Pulley (78). Turn the Pulley until the
Magnet is aligned with the Reed Switch. Make sure
that the gap between the Magnet and the Reed
Switch is about 1/8”. If necessary, loosen the 3/4”
Screw (24) and move the Reed Switch slightly.
Retighten the Screw. Re-attach the hood, and run the
treadmill for a few minutes to check for a correct
speed reading.
PROBLEM: The walking belt slows when walked on
SOLUTION: a. Use only a single-outlet surge suppressor that meets all of the specifications described on page 8.
b. If the walking belt is overtightened, treadmill perfor-
mance may decrease and the walking belt may be-
come damaged. Remove the key and UNPLUG THE
POWER CORD. Using the allen wrench, turn both
rear roller adjustment bolts counterclockwise, 1/4 of a
turn. When the walking belt is properly tightened, you
should be able to lift each side of the walking belt 3 to
4 inches off the walking platform. Be careful to keep
the walking belt centered. Plug in the power cord, in-
sert the key and run the treadmill for a few minutes.
Repeat until the walking belt is properly tightened.
c. If the walking belt still slows when walked on, please call our toll-free HELPLINE.
PROBLEM: The walking belt is off-center or slips when walked on
SOLUTION: a. If the walking belt is off-center, first remove the key
and UNPLUG THE POWER CORD. If the walking
belt has shifted to the left, use the allen wrench to
turn the left rear roller bolt clockwise 1/2 of a turn; if
the walking belt has shifted to the right, turn the
bolt counterclockwise 1/2 of a turn. Be careful not to
overtighten the walking belt. Plug in the power cord,
insert the key and run the treadmill for a few minutes.
Repeat until the walking belt is centered.
b. If the walking belt slips when walked on, first remove
the key and UNPLUG THE POWER CORD. Using
the allen wrench, turn both rear roller bolts clockwise,
1/4 of a turn. When the walking belt is correctly tight-
ened, you should be able to lift each side of the walk-
ing belt 3 to 4 inches off the walking platform. Be
careful to keep the walking belt centered. Plug in the
power cord, insert the key and carefully walk on the
treadmill for a few minutes. Repeat until the walking belt is properly tightened.
PROBLEM: The incline of the treadmill does not change correctly or does not change when iFIT.com
CDs and videos are played
SOLUTION:a. With the key in the console, press one of the Incline buttons. While the incline is changing, re-
move the key. After a few seconds, re-insert the key. The treadmill will automatically rise to the
maximum incline level and then return to the minimum level. This will recalibrate the incline system.
Rear Roller Adjustment Bolts
3”–4”
b
b
a
48
18
24
1/8” 78
Top
View

25
CONDITIONING GUIDELINES
The following guidelines will help you to plan your ex-
ercise program. For more detailed exercise informa-
tion, obtain a reputable book or consult your physician.
EXERCISE INTENSITY
Whether your goal is to burn fat or to strengthen your
cardiovascular system, the key to achieving the
desired results is to exercise with the proper intensity.
The proper intensity level can be found by using your
heart rate as a guide. The chart below shows recom-
mended heart rates for fat burning and aerobic exercise.
To find the proper heart rate for you, first find your age
near the bottom of the chart (ages are rounded off to
the nearest ten years). Next, find the three numbers
above your age. The three numbers define your “train-
ing zone.” The lower two numbers are recommended
heart rates for fat burning; the higher number is the
recommended heart rate for aerobic exercise.
To measure your heart rate during exercise, use the
pulse sensor.
Fat Burning
To burn fat effectively, you must exercise at a relatively
low intensity level for a sustained period of time.
During the first few minutes of exercise, your body
uses easily accessible carbohydrate calories for en-
ergy. Only after the first few minutes does your body
begin to use stored fat calories for energy. If your goal
is to burn fat, adjust the speed and incline of the tread-
mill until your heart rate is near the lowest number in
your training zone.
For maximum fat burning, adjust the speed and incline
of the treadmill until your heart rate is near the middle
number in your training zone.
Aerobic Exercise
If your goal is to strengthen your cardiovascular sys-
tem, your exercise must be “aerobic.” Aerobic exercise
is activity that requires large amounts of oxygen for
prolonged periods of time. This increases the demand
on the heart to pump blood to the muscles, and on the
lungs to oxygenate the blood. For aerobic exercise,
adjust the speed and incline of the treadmill until your
heart rate is near the highest number in your training
zone.
WORKOUT GUIDELINES
Each workout should include the following three parts:
A Warm-up—Start each workout with 5 to 10 minutes
of stretching and light exercise. A proper warm-up in-
creases your body temperature, heart rate and circula-
tion in preparation for exercise.
Training Zone Exercise—After warming up, increase
the intensity of your exercise until your pulse is in your
training zone for 20 to 60 minutes. (During the first few
weeks of your exercise program, do not keep your
pulse in your training zone for longer than 20 minutes.)
Breathe regularly and deeply as you exercise—never
hold your breath.
A Cool-down—Finish each workout with 5 to 10 min-
utes of stretching to cool down. This will increase the
flexibility of your muscles and will help prevent post-ex-
ercise problems.
EXERCISE FREQUENCY
To maintain or improve your condition, complete three
workouts each week, with at least one day of rest be-
tween workouts. After a few months, you may com-
plete up to five workouts each week if desired. The key
to success is to make exercise a regular and enjoyable
part of your everyday life.
WARNING: Before beginning this
or any exercise program, consult your physi-
cian. This is especially important for individu-
als over the age of 35 or individuals with pre-
existing health problems.
The pulse sensor is not a medical device.
Various factors, including your movement,
may affect the accuracy of heart rate readings.
The sensor is intended only as an exercise aid
in determining heart rate trends in general.

26
SUGGESTED STRETCHES
The correct form for several basic stretches is shown at the right. Move slowly as you stretch—never bounce.
1. Toe Touch Stretch
Stand with your knees bent slightly and slowly bend forward from
your hips. Allow your back and shoulders to relax as you reach
down toward your toes as far as possible. Hold for 15 counts,
then relax. Repeat 3 times. Stretches: Hamstrings, back of knees
and back.
2. Hamstring Stretch
Sit with one leg extended. Bring the sole of the opposite foot to-
ward you and rest it against the inner thigh of your extended leg.
Reach toward your toes as far as possible. Hold for 15 counts,
then relax. Repeat 3 times for each leg. Stretches: Hamstrings,
lower back and groin.
3. Calf/Achilles Stretch
With one leg in front of the other, reach forward and place your
hands against a wall. Keep your back leg straight and your back
foot flat on the floor. Bend your front leg, lean forward and move
your hips toward the wall. Hold for 15 counts, then relax. Repeat
3 times for each leg. To cause further stretching of the achilles
tendons, bend your back leg as well. Stretches: Calves, achilles
tendons and ankles.
4. Quadriceps Stretch
With one hand against a wall for balance, reach back and grasp
one foot with your other hand. Bring your heel as close to your
buttocks as possible. Hold for 15 counts, then relax. Repeat 3
times for each leg. Stretches: Quadriceps and hip muscles.
5. Inner Thigh Stretch
Sit with the soles of your feet together and your knees outward.
Pull your feet toward your groin area as far as possible. Hold for
15 counts, then relax. Repeat 3 times. Stretches: Quadriceps and
hip muscles.
1
2
3
4
5

27
NOTES

Part No. 185777 R0702A Printed in USA © 2002 Sears, Roebuck and Co.
The model number and serial number of your PROFORM®775
EKG treadmill are listed on a decal attached to the frame. See the
front cover of this manual to find the location of the decal.
All replacement parts are available for immediate purchase or
special order when you visit your nearest SEARS Service Center.
To request service or to order parts by telephone, call the toll-free
numbers listed at the left.
When requesting help or service, or ordering parts, please be
prepared to provide the following information:
• The NAME OF THE PRODUCT (PROFORM®775 EKG treadmill)
• The MODEL NUMBER OF THE PRODUCT (831.291761)
• The KEY NUMBER AND DESCRIPTION OF THE PART (see the
EXPLODED DRAWING and PART LIST in the center of this
manual).
Model No. 831.291761
QUESTIONS?
If you find that:
• you need help assembling or
operating the PROFORM 775
EKG treadmill
• a part is missing
• or you need to schedule repair
service
call our toll-free HELPLINE
1-800-736-6879
Monday–Saturday, 7 am–7 pm
Central Time (excluding holidays)
REPLACEMENT
PARTS
If parts become worn and need
to be replaced, call the following
toll-free number
1-800-FON-PART
(1-800-366-7278)
FULL 90 DAY WARRANTY
For 90 days from the date of purchase, if failure occurs due to defect in material or workmanship in this
SEARS TREADMILL EXERCISER, contact the nearest SEARS Service Center throughout the United
States and SEARS will repair or replace the TREADMILL EXERCISER, free of charge.
This warranty does not apply when the TREADMILL EXERCISER is used commercially or for rental pur-
poses.
This warranty gives you specific legal rights, and you may also have other rights which vary from state
to state.
SEARS, ROEBUCK AND CO., DEPT. 817WA, HOFFMAN ESTATES, IL 60179

34
REMOVE THIS EXPLODED DRAWING AND PART LIST
FROM THE MANUAL
Save this EXPLODED DRAWING and PART LIST for future reference.
Note: Specifications are subject to change without notice. For information about
ordering replacement parts, see the back cover of the User’s Manual.

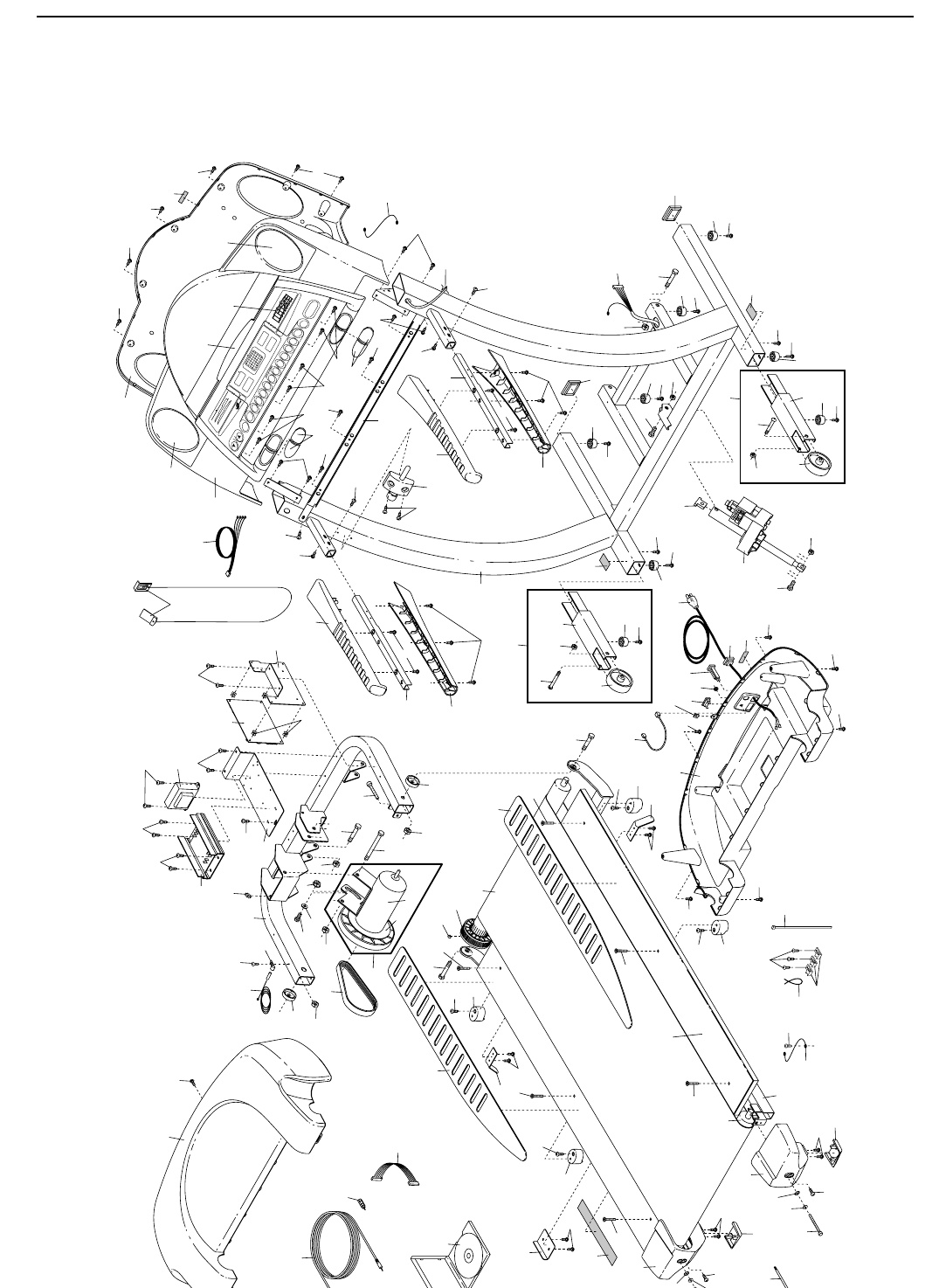
PART LIST—Model No. 831.291761 R0702A
1 1 Motor Hood
2 1 IFIT.com CD
3 8 Pivot Nut
4 1 Motor Belt
5* 1 Motor Assembly
6 1 Flywheel
7 1 Motor
8 2 Frame Spacer
9 10 1/2” Screw
10 1 Front Roller Adj. Bolt
11 1 Motor Pivot Bolt
12 2 Lift Frame Pivot Bolt
13 1 Ground Wire
14 1 Motor Tension Nut
15 1 Motor Washer
16 1 Motor Pivot Nut
17 1 Motor Tension Bolt
18 1 Reed Switch
19 1 2” Incline Motor Bolt
20 1 Reed Switch Clip
21 1 Lift Frame
22 1 Motor Star Washer
23 1 Controller Bracket
24 14 3/4” Screw
25 1 Controller
26 1 Choke
27 1 Power Board
28 1 Plastic Stand-Off
29 1 Power Board Bracket
30 1 Key/Clip
31 1 Left Top Handgrip
32 1 Latch Assembly
33 25 Screw
34 2 Handgrip Extension
35 16 Extension Screw/
Handlebar Screw
36 1 IFIT.com Wire
37 33 Small Screw
38 1 Console Base
39 1 Left Cup Holder
40 1 Console Back
41 1 Book Holder
42 1 Console
43 1 Right Top Handgrip
44 8 Base Pad
45 2 Platform Screw (Rear)
46 1 Crossbar
47 1 Console Ground Wire
48 1 Magnet
49 1 Upright Wire
50 1 Right Cup Holder
51 1 Frame
52 1 Incline Motor Bolt
53 2 Caution Decal
54 4 Pulse Sensor
55 2 Extension Leg
56 2 Wheel Bolt
57 2 Roller Star Washer
58 2 Wheel
59 1 Incline Motor
60 1 Stop Bracket
61 1 Power Cord
62 1 Grommet
63 2 Static Decal
64 1 Upright
65 1 Circuit Breaker
66 1 Audio Wire Nut
67 1 On/Off Switch
68 1 Belly Pan
69 1 Audio Wire
70 2 Frame Pivot Bolt
71 2 Base Endcap
72 4 Isolator
73 2 Belt Guide
74 4 Belt Guide Screw
75 4 Platform Screw
76 1 Foot Pad (Right)
77 1 Walking Belt
78 1 Front Roller/Pulley
79 1 Foot Pad (Left)
80 1 Walking Platform
81 9 8” Cable Tie
82 1 Left Bottom Handgrip
83 3 Tie Holder Clamp
84 2 Releasable Tie
85 1 Pulse Wire
86 1 Belly Pan Clip
87 1 Rear Roller
88 1 Rear Foot (Right)
89 1 Motor Controller Wire
90 1 IFIT.com Jack
91 2 Rear Roller Adj. Bolt
92 2 Roller Adj. Washer
93 1 Rear Endcap (Right)
94 1 Allen Wrench
95 1 Rear Foot (Left)
96 1 Rear Endcap (Left)
97 1 Warning Decal
98 2 Latch Plate Screw
99 1 Latch Plate
100* 2 Extension Leg
Assembly
101 2 1” Screw
102 1 Left Bottom Handgrip
# 1 8” White Wire, 2F
# 1 8” White Wire, M/F
# 1 14” Blue Wire, 2F
# 1 4” Blue Wire, 2F
# 1 12” Green Wire, F/R
# 1 8” Green Wire, M/R
# 1 4” Black Wire, 2F
# 1 4” Red Wire, M/F
# 1 User's Manual
# These parts are not illustrated
* Includes all parts shown in the
box
Key
No. Qty. Description Key
No. Qty. Description Key
No. Qty. Description
To locate the parts listed below, refer to the EXPLODED DRAWING attached in the center of this manual.

9
137
24
18
22
21
20
4
3
8
79
99
97
45
96
33 35
94
7
87
93
91
92
33 35
88
80
45
13
24 84
83
24
81
33
72
75
73
74
33
72
70
78
77
75
76
70
75
75 69
72
33
73
33 37
72
35
56
355
58
44
35
67 66 65
62
35
61
68
37
35
35
52
51
60
59
356
55
58
44
35
53
35
44
35
64
31
34
33 32
35
33
33
33 33
33
33
38
39
40
30
37
37
33
33
41
42
37
33
35
43
34
35
44
19
3
35
44
35
44
53
35
63
63
49
49
37
37
37
74
98
16
17 15
5*
67
14
13
12
11
38
10
12
3
33
24
24
85
85
85
25
26
23
27
29
28
95
46
50
51
54
54
71
71
90
89
36
57
85
100*
100*
48
2
86
47
44
44 101
101
35
35
9
9
102
9
82
EXPLODED DRAWING—Model No. 831.291761 R0702A