Proform 297441 795 Treadmill Users Manual *297441 143253
Proform-297441-Owner-S-Manual proform-297441-owner-s-manual
2015-04-13
: Proform Proform-297441-795-Treadmill-Users-Manual-697452 proform-297441-795-treadmill-users-manual-697452 proform pdf
Open the PDF directly: View PDF
.
Page Count: 30

USER'S MANUAL
®
Serial
Number
Decal
CAUTION
Read all precautions and in-
structions in this manual before
using this equipment. Save this
manual for future reference.
Write the serial number in the space
above for future reference.
Model No. 831.297441
Serial No.

2
TABLE OF CONTENTS
IMPORTANT PRECAUTIONS . . . . . . . . . . . . . . . . . . . . . . . . . . . . . . . . . . . . . . . . . . . . . . . . . . . . . . . . . . . . . . . . .2
BEFORE YOU BEGIN . . . . . . . . . . . . . . . . . . . . . . . . . . . . . . . . . . . . . . . . . . . . . . . . . . . . . . . . . . . . . . . . . . . . . . .4
ASSEMBLY . . . . . . . . . . . . . . . . . . . . . . . . . . . . . . . . . . . . . . . . . . . . . . . . . . . . . . . . . . . . . . . . . . . . . . . . . . . . . . .5
HOW TO USE THE CHEST PULSE SENSOR . . . . . . . . . . . . . . . . . . . . . . . . . . . . . . . . . . . . . . . . . . . . . . . . . . . .7
HOW TO USE THE HAND PULSE SENSOR . . . . . . . . . . . . . . . . . . . . . . . . . . . . . . . . . . . . . . . . . . . . . . . . . . . . .8
OPERATION AND ADJUSTMENT . . . . . . . . . . . . . . . . . . . . . . . . . . . . . . . . . . . . . . . . . . . . . . . . . . . . . . . . . . . . .9
HOW TO FOLD AND MOVE THE TREADMILL . . . . . . . . . . . . . . . . . . . . . . . . . . . . . . . . . . . . . . . . . . . . . . . . . .20
MAINTENANCE AND TROUBLE-SHOOTING . . . . . . . . . . . . . . . . . . . . . . . . . . . . . . . . . . . . . . . . . . . . . . . . . . .22
CONDITIONING GUIDELINES . . . . . . . . . . . . . . . . . . . . . . . . . . . . . . . . . . . . . . . . . . . . . . . . . . . . . . . . . . . . . . .24
PART LIST . . . . . . . . . . . . . . . . . . . . . . . . . . . . . . . . . . . . . . . . . . . . . . . . . . . . . . . . . . . . . . . . . . . . . . . . . . . . . . .26
ORDERING REPLACEMENT PARTS . . . . . . . . . . . . . . . . . . . . . . . . . . . . . . . . . . . . . . . . . . . . . . . . . .Back Cover
LIMITED WARRANTY . . . . . . . . . . . . . . . . . . . . . . . . . . . . . . . . . . . . . . . . . . . . . . . . . . . . . . . . . . . . . . .Back Cover
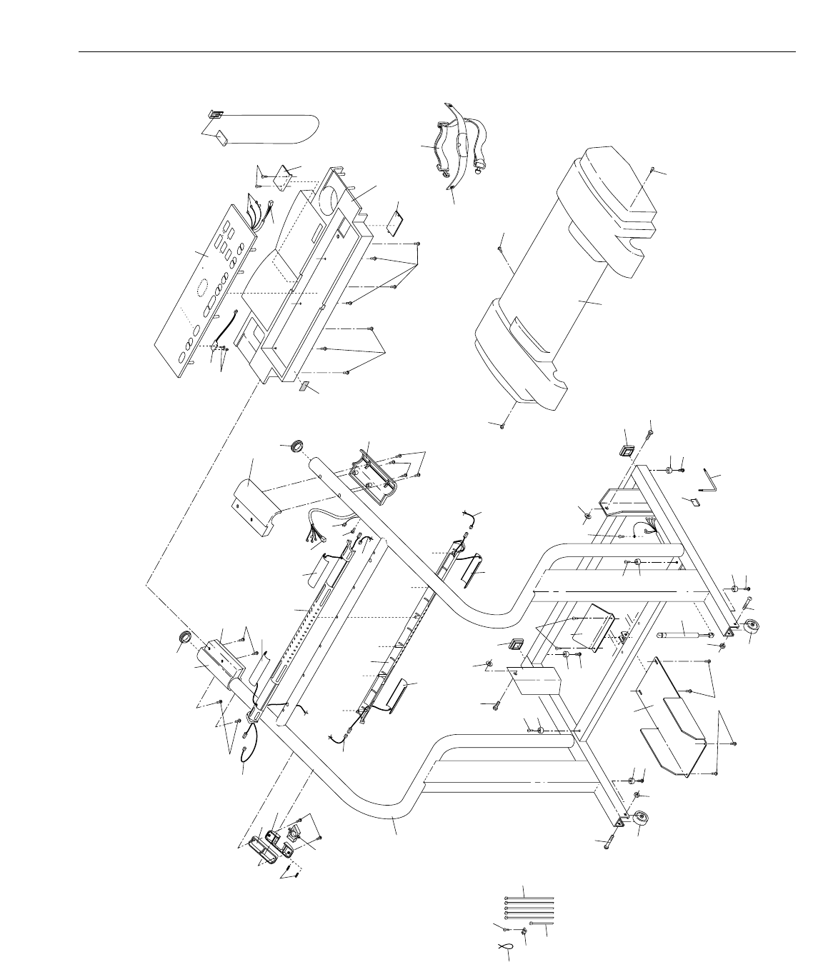
Note: An EXPLODED DRAWING is attached in the center of this manual. Save the drawing for future use.
1. It is the responsibility of the owner to ensure
that all users of this treadmill are adequately
informed of all warnings and precautions.
2. Use the treadmill only as described in this
manual.
3. Place the treadmill on a level surface, with
eight feet of clearance behind it. Do not place
the treadmill on any surface that blocks air
openings. To protect the floor or carpet from
damage, place a mat under the treadmill.
4. Keep the treadmill indoors, away from mois-
ture and dust. Do not put the treadmill in a
garage or covered patio, or near water.
5. Do not operate the treadmill where aerosol
products are used or where oxygen is being
administered.
6. Keep children under the age of 12 and pets
away from the treadmill at all times.
7. The treadmill should not be used by persons
weighing more than 250 pounds. Only one
person should be on the treadmill at a time.
8. Wear appropriate exercise clothing when using
the treadmill. Do not wear loose clothing that
could become caught in the treadmill. Athletic
support clothes are recommended for both
men and women. Always wear athletic shoes.
Never use the treadmill with bare feet, wearing
only stockings, or in sandals.
9. To connect the power cord (see page 9), plug
the power cord into a surge suppressor (not
included) and plug the surge suppressor into
a grounded circuit capable of carrying 15 or
more amps. No other appliance should be on
the same circuit. Do not use an extension cord.
10.Use only a single-outlet surge suppressor that
is UL 1449 listed as a transient voltage surge
suppressor (TVSS). The surge suppressor
must have a UL suppressed voltage rating of
400 volts or less and a minimum surge dissi-
pation of 450 joules. The surge suppressor
must be electrically rated for 120 volts AC and
15 amps.
11.Keep the power cord and the surge suppres-
sor away from heated surfaces.
12.Never move the walking belt while the power
is turned off. Do not operate the treadmill if
the power cord or plug is damaged, or if the
treadmill is not working properly. (See BE-
FORE YOU BEGIN on page 4 if the treadmill is
not working properly.)
13.Never start the treadmill while you are stand-
ing on the walking belt. Always hold the
handrails while using the treadmill.
14.The treadmill is capable of high speeds.
Adjust the speed in small increments to avoid
sudden jumps in speed.
WARNING: To reduce the risk of burns, fire, electric shock, or injury to persons, read the
following important precautions and information before operating the treadmill.
IMPORTANT PRECAUTIONS

3
The decals shown below have been placed on your treadmill. If a decal is missing, or if it is not legible,
please call our toll-free HELPLINE to order a free replacement decal (see the back cover of this manual).
Apply the decal in the location shown.
15. To reduce the possibility of the treadmill
overheating, do not operate the treadmill
continuously for longer than one hour.
16. The chest pulse sensor and hand pulse sen-
sor are not medical devices. Various factors,
including the user's movement, may affect
the accuracy of heart rate readings. The pulse
sensors are intended only as exercise aids in
determining heart rate trends in general.
17. Never leave the treadmill unattended while it
is running. Move the on/off switch to the “off”
position when the treadmill is not in use.
18. Do not attempt to raise, lower, or move the
treadmill until it is properly assembled. (See
ASSEMBLY on page 5, and HOW TO MOVE
THE TREADMILL on page 21.) You must be
able to safely lift 45 pounds (20 kg) in order to
raise, lower, or move the treadmill.
19. When folding or moving the treadmill, make
sure that the storage latch is fully closed.
20. Inspect and tighten all parts of the treadmill
every three months.
21. Never insert any object into any opening.
22. Always unplug the power cord before per-
forming the maintenance and adjustment
procedures described in this manual. Never
remove the motor hood unless instructed to
do so by an authorized service representa-
tive. Servicing other than the procedures in
this manual should be performed by an au-
thorized service representative only.
23. This treadmill is intended for in-home use
only. Do not use this treadmill in any
commercial, rental, or institutional setting.
WARNING: Before beginning this or any exercise program, consult your physician. This
is especially important for persons over the age of 35 or persons with pre-existing health problems.
Read all instructions before using. SEARS assumes no responsibility for personal injury or property
damage sustained by or through the use of this product.
SAVE THESE INSTRUCTIONS
au
is
IMPORTANT:
Incline must be set at lowest
level before folding treadmill
into storage position.
Keep hands and feet away from
this area while the treadmill is
in operation.
CAUTION
(One decal
on each side)

4
Thank you for selecting the innovative PROFORM®
795 treadmill. The PROFORM 795 treadmill blends
advanced technology with innovative design to let you
enjoy an excellent form of cardiovascular exercise in
the convenience and privacy of your home.
For your benefit, read this manual carefully before
using the treadmill. If you have questions after read-
ing the manual, please call our toll-free HELPLINE at
1-800-736-6879, Monday through Saturday, 7 a.m.
until 7 p.m. Central Time (excluding holidays). To help
us assist you, please note the product model number
and serial number before calling. The model number of
the treadmill is 831.297441. The serial number can be
found on a decal attached to the treadmill (see the
front cover of this manual for the location).
Before reading further, please review the drawing
below and familiarize yourself with the parts that are
labeled.
BEFORE YOU BEGIN
Handrail
Console
Book Rack
Storage Latch Key/Clip
Circuit
Breaker
On/Off
Switch
Hand Pulse Sensor
Walking Belt
Cushioned
Walking Platform
Wheel
Cushion Control
Foot Rail
Power Cord
Rear Roller
Adjustment Bolts
Water Bottle Holder
(Bottle not included)
Accessory Tray
RIGHT
SIDE
LEFT
SIDE

5
ASSEMBLY
Assembly requires two people. Set the treadmill in a cleared area and remove the packing materials. Do not
dispose of the packing materials until assembly is completed.
Assembly requires a phillips screwdriver (not included).
2. Slide the Left and Right Base Mounts (104, 78) onto
the plastic pins on the sides of the Console Base (91).
Next, carefully insert the Left and Right Base Mounts
(104, 78) into the Upright (71) as shown.
Refer to the inset drawing. Carefully feed all wires into
the hole in the Upright (71) as shown. Make sure that
the wires are routed through the notch in the base
mount and under the plastic pin. Be careful not to pull
on the wires or they may become disconnected
from the console.
78
91
71
104
2
3. Slide the Left and Right Lower Base Mounts (105, 79)
onto the Left and Right Base Mounts (104, 78). Attach
the Lower Base Mounts with eight 3/4” Screws (77) as
shown. Be careful not to overtighten the Screws.
77
105 104 78 79
77
3
Notch
Pin
71
1. Note: One person must hold the Console Base (91)
near the Upright (71) during steps 1, 2, and 3. If this
is not done, the wire harness connecting the con-
sole to the treadmill may be permanently damaged.
Hold the Console Base (91) near the Upright (71).
Refer to inset drawing A. Connect the Wire Harness
(85) to the Console Wire Harness (121). Connect the
4” Ground Wire (120), the 54” Hand Pulse Wire (95)
and the 25” Hand Pulse Wire (83) to the Pulse Wire
Harness (77) (make sure that the Wires with tags are
connected to each other).
91
1
71
A85
95
83
120
121
77

6
6. Remove the backing from the Adhesive Clip (98).
Press the Adhesive Clip onto the base of the Uprights
(71) in the indicated location. Press the Allen Wrench
(99) into the Adhesive Clip.
71 99
98
6
7. Make sure that all parts are tightened before you use the treadmill. To protect the floor or carpet, place a
mat under the treadmill. To order a mat, see the back cover of this manual.
5. Locate the holes on the left side of the treadmill frame
(1). If there are four holes, the two holes toward the
back of the treadmill are used to attach the Frame
Guides. Attach the Frame Guide (5) and the two
Frame Guide Spacers (116) to the Frame with two
Small Screws (4). Be careful not to overtighten the
Screws. Make sure that the thick end of the Frame
Guide is at the bottom.
Note: If it is difficult to fold or lower the treadmill,
remove one or both of the Frame Guide Spacers
(116).
5
1
4116
Thick End
5
4. With the help of a second person, carefully raise the
Uprights (71) until the treadmill is in the position
shown.
71
4
Use these
holes.

7
The state-of-the-art chest pulse sensor allows you
to continuously monitor your heart rate while you
exercise. Follow the instructions below to use the
chest pulse sensor.
HOW TO PUT ON THE CHEST PULSE SENSOR
The chest pulse sensor consists of two components:
the chest strap and the sensor unit.
Refer to the inset drawing above. Insert one of the tabs
on the chest strap through one end of the sensor unit.
Press the end of the sensor unit under the buckle on
the chest strap. The tab should be flush with the front
of the sensor unit.
Wrap the chest
strap around
your chest and
attach the other
end of the chest
strap to the
sensor unit.
Adjust the length
of the chest
strap, if neces-
sary. The chest
pulse sensor
should be under
your clothing, tight against your skin, and as high
under the pectoral muscles or breasts as is
comfortable. Make sure that the logo on the sensor
unit is facing forward and is right-side-up.
Next, pull the sensor unit away from your body a few
inches and locate the two electrode areas on the inner
side. The electrode areas are the areas covered by
shallow ridges. Using saline solution such as saliva or
contact lens solution, wet both electrode areas. Return
the sensor unit to a position against your chest.
CARE AND MAINTENANCE
• Thoroughly dry the chest pulse sensor after each
use. The chest pulse sensor is activated when the
electrode areas are wetted and the chest pulse
sensor is put on; the chest pulse sensor shuts off
when it is removed and the electrode areas are
dried. If the chest pulse sensor is not dried after
each use, it may remain activated longer than
necessary, draining the battery prematurely.
• Store the chest pulse sensor in a warm, dry place.
Do not store the chest pulse sensor in a plastic bag
or other container that may trap moisture.
• Do not expose the chest pulse sensor to direct
sunlight for extended periods of time; do not expose
it to temperatures above 122° Fahrenheit (50°
Celsius) or below 14° Fahrenheit (-10° Celsius).
• Do not excessively bend or stretch the sensor unit
when using or storing the chest pulse sensor.
• Clean the sensor unit using a damp cloth—never
use alcohol, abrasives, or chemicals. The chest
strap may be hand washed and air dried.
CHEST PULSE SENSOR TROUBLE-SHOOTING
The instructions beginning on page 10 explain how
the chest pulse sensor is used with the console. If
the letters “PLS” appear in the CALS./FAT CALS./
PULSE display or if the displayed heart rate is
excessively high or low, try the steps below.
• Make sure that the chest pulse sensor is under your
clothing, tight against your skin, and as high under
the pectoral muscles or breasts as is comfortable.
The logo on the sensor unit must be facing forward
and be right-side-up. Note: If the chest pulse sensor
does not function when positioned as described, try
moving it slightly lower or higher on your chest.
• Use saline solution such as saliva or contact lens
solution to wet the two electrode areas on the
sensor unit. If heart rate readings do not appear until
you begin perspiring, re-wet the electrode areas.
HOW TO USE THE CHEST PULSE SENSOR
Chest Strap
Sensor Unit Tab
Buckle
Logo

8
• As you walk or run on the treadmill, position yourself
near the center of the walking belt. For the console
to display heart rate readings, the user must be
within arm’s length of the console.
• The chest pulse sensor is designed to work with
people who have normal heart rhythms. Heart rate
reading problems may be caused by medical
conditions such as premature ventricular contractions
(pvcs), tachycardia bursts, and arrhythmia.
• The operation of the chest pulse sensor can be
affected by magnetic interference caused by high
power lines or other sources. If it is suspected that
magnetic interference may be causing a problem,
try relocating the treadmill.
•The CR 2032 battery may need to be replaced.
Locate the battery cover
on the back of the sen-
sor unit. Insert a coin
into the slot in the cover,
turn the cover counter-
clockwise, and remove
it. Remove the old bat-
tery and insert a new CR
2032 battery, making
sure that the battery is
turned so the writing is
on top. Make sure that
the rubber gasket is in
place in the sensor unit.
Replace the battery
cover and turn it clock-
wise to close it.
The convenient hand pulse sensor allows you to
measure your heart rate without wearing the chest
pulse sensor. You can measure your heart rate before
you begin exercising, during your workout, and again
when you finish.
To use the hand pulse sensor, the console must be
turned on (see HOW TO TURN ON THE POWER on
page 11.) In addition, the walking belt must be moving
or the TIME/PACE display must be flashing (see step
5 on page 12).
Next, stand on
the foot rails and
place your hands
on the metal con-
tacts. Your palms
must be resting
on the upper
contacts, and
your fingers must
be touching the
lower contacts—
avoid moving
your hands while
measuring your heart rate. After a moment, three
dashes (– – –) will appear in the CALS./FAT CALS./
PULSE display and your heart rate will be shown. For
the most accurate heart rate reading, continue to hold
the contacts for about 15 seconds.
HAND PULSE SENSOR TROUBLE-SHOOTING
• Make sure to stand on the foot rails and avoid moving
your hands while measuring your heart rate.
Excessive movement may interfere with heart rate
readings. If the hand pulse sensor is not used
correctly, three dashes (– – –) will appear repeatedly
in the CALS./FAT CALS./PULSE display but your
heart rate will not be shown.
• Do not hold the metal contacts too tightly; doing so
may interfere with heart rate readings.
• For the most accurate heart rate reading, wait for
about 15 seconds.
• For optimal performance of the hand pulse sensor,
keep the metal contacts clean. The contacts can be
cleaned with a soft cloth—never use alcohol,
abrasives, or chemicals.
HOW TO USE THE HAND PULSE SENSOR
Metal Contacts
CR 2032
Battery
Rubber
Gasket

9
OPERATION AND ADJUSTMENT
THE PERFORMANT LUBETM WALKING BELT
Your treadmill features a walking belt coated with
PERFORMANT LUBETM, a high-performance lubricant.
IMPORTANT: Never apply silicone spray or other
substances to the walking belt or the walking plat-
form. Such substances will deteriorate the walking
belt and cause excessive wear.
HOW TO PLUG IN THE POWER CORD
Your treadmill, like any other type of sophisticated
electronic equipment, can be seriously damaged by
sudden voltage changes in your home’s power.
Voltage surges, spikes, and noise interference can
result from weather conditions or from other appliances
being turned on or off. To decrease the possibility of
your treadmill being damaged, always use a surge
suppressor with your treadmill (see drawing 1 at
the right).
Surge suppressors are sold at most hardware stores
and department stores. Use only a single-outlet surge
suppressor that is UL 1449 listed as a transient voltage
surge suppressor (TVSS). The surge suppressor must
have a UL suppressed voltage rating of 400 volts or
less and a minimum surge dissipation of 450 joules.
The surge suppressor must be electrically rated for
120 volts AC and 15 amps.
This product must be grounded. If it should malfunc-
tion or break down, grounding provides a path of least
resistance for electric current to reduce the risk of elec-
tric shock. This product is equipped with a cord having
an equipment-grounding conductor and a grounding
plug. Plug the power cord into a surge suppressor,
and plug the surge suppressor into an appropriate
outlet that is properly installed and grounded in
accordance with all local codes and ordinances.
This product is for use on a nominal 120-volt circuit,
and has a grounding plug that looks like the plug illus-
trated in drawing 1 below. A temporary adapter that
looks like the adapter illustrated in drawing 2 may be
used to connect the surge suppressor to a 2-pole
receptacle as shown in drawing 2 if a properly
grounded outlet is not available.
The temporary adapter should be used only until a
properly grounded outlet (drawing 1) can be installed
by a qualified electrician.
The green-colored rigid ear, lug, or the like extending
from the adapter must be connected to a permanent
ground such as a properly grounded outlet box cover.
Whenever the adapter is used it must be held in place
by a metal screw. Some 2-pole receptacle outlet box
covers are not grounded. Contact a qualified elec-
trician to determine if the outlet box cover is
grounded before using an adapter.
DANGER: Improper connection
of the equipment-grounding conductor can
result in an increased risk of electric shock.
Check with a qualified electrician or service-
man if you are in doubt as to whether the
product is properly grounded. Do not modify
the plug provided with the product—if it will
not fit the outlet, have a proper outlet
installed by a qualified electrician.
1
2
Grounded Outlet Box
Grounded Outlet Box
Grounding Plug
Surge Suppressor
Surge Suppressor
Grounding Pin
Adapter
Lug
Metal Screw
Grounded Outlet
Grounding Pin

FEATURES OF THE CONSOLE
The treadmill console offers an impressive array of
features to make your workouts more effective.
When the console is in the manual mode, the speed
and incline of the treadmill can be changed with a
touch of a button. As you exercise, you can watch your
progress on the LED track while the five displays
provide continuous exercise feedback.
The console also features nine preset workout programs:
six speed programs automatically control the speed of
the treadmill as they guide you through effective work-
outs; two heart rate programs automatically control the
speed and incline of the treadmill to keep your heart
rate near predetermined settings; and a unique fitness
test program measures the relative fitness level you
have achieved.
In addition, the console offers two custom workout
programs. Each custom program automatically controls
the speed and incline of the treadmill according to
settings that you program.
To use the manual mode, follow the steps beginning
on page 12. To use a speed program, see page 14.
To use a heart rate program, see page 15. To use
the fitness test program, see page 16. To create a
custom program, see page 18. To use a custom
program, see page 19.
Note: The console can display speed and distance in
either miles or kilometers (see SPEED DISPLAY on
page 13). For simplicity, all instructions in this manual
refer to miles.
CAUTION: Before operating the
console, read the following precautions.
• Do not stand on the walking belt when turn-
ing on the power or starting the walking belt.
• Always wear the clip (see part “O” in the
drawing above) while operating the tread-
mill. If the key is pulled from the console, the
walking belt will stop.
• The treadmill is capable of high speeds.
Adjust the speed in small increments.
• The chest pulse sensor and hand pulse
sensor are not medical devices. Various
factors, including the user's movement, may
affect the accuracy of heart rate readings.
The pulse sensors are intended only as
exercise aids in determining heart rate
trends in general.
• If you have heart problems, or if you are over
60 years of age and have been inactive, do
not use the FAT BURN or AEROBIC program.
If you are taking medication regularly, consult
your physician to find whether the medication
will affect your exercise heart rate.
• To reduce the risk of electric shock, keep the
console dry. Avoid spilling liquids on the
console and use only a sealable water bottle.
K
J
O
BA C D B E H
CFGI
LP Q
M R S
N
Note: If there is a thin sheet of clear plastic
on the face of the console, remove it.
DIAGRAM OF THE CONSOLE
10

11
DIAGRAM OF THE CONSOLE
Refer to the drawing on the opposite page.
A. Workout graphs—These graphs show the settings
of the nine preset programs. During the AEROBIC 1
program, for example, the graph shows that the
speed of the treadmill will gradually increase during
the first half of the program, and then gradually
decrease during the last half of the program.
B. Mode indicators—These indicators show when the
manual mode is selected and when one of the nine
preset programs is selected.
C. Step-by-step instructions—These instructions
provide a quick overview of console operation.
D. LED track—This display shows your progress
around a 1/4-mile “track” as you exercise.
E. TIME/PACE display—When the manual mode is
selected, this display shows both the elapsed time
and your current pace (in minutes per mile). When a
preset program or a custom program is selected, the
display will show the time remaining in the program
and your current pace.
F. SPEED display—This display shows the speed of
the walking belt.
G. INCLINE/AGE display—This display shows the
incline level of the treadmill. This display is also
used to enter your age into the console.
H. CALORIES/FAT CALORIES/PULSE display—This
display shows three numbers: the approximate
number of calories you have burned, the number of
fat calories you have burned, and your heart rate.
I. DISTANCE/LAPS/WEIGHT display—This display
shows the distance that you have walked and the
number of 1/4-mile laps you have completed. This
display is also used to enter your weight into the
console.
J. RECORD button—This button is used to create and
modify custom programs.
K. USER 1 and 2 buttons—These buttons are used to
select the two custom programs.
L. PROGRAM SELECT button—This button is used to
select the manual mode and the nine preset
programs.
M. START button—This button is used to start the
walking belt.
N. STOP/PAUSE button—This button is used to stop
the walking belt.
O. Key with clip—The key turns the console on and off.
The clip is worn on the waistband of your clothes.
P. INCLINE buttons—These buttons are used to
change the incline of the treadmill. The incline range
is 1.5% to 10%.
Q. SPEED buttons—These buttons are used to change
the speed of the walking belt. The speed range is
0.5 mph to 10 mph. Note: When the START button
is pressed, the walking belt will begin to move at 1.0
mph.
R. SET AGE buttons—These buttons are used to enter
your age into the console. You must enter your age
to use the FAT BURN, AEROBIC, or FITNESS
TEST program.
S. SET WEIGHT buttons—These buttons are used to
enter your weight into the console.
Note: Each time one of the buttons is pressed, a tone
will sound. If a button is pressed at the wrong time (for
example, if a SPEED button is pressed while the
walking belt is stationary), a different tone will sound.
HOW TO TURN ON THE POWER
Locate the on/off
switch on the front
of the treadmill.
Make sure that the
on/off switch is in
the “on” position.
Plug in the power cord (see page 9). All displays
and indicators on the console will flash once.
Note: If the key is in the console when the power
cord is plugged in, the letters “PO” will flash in the
SPEED display. If this occurs, remove the key.
Stand on the foot
rails of the treadmill.
Find the clip
attached to the key
and slide the clip
onto the waistband
of your clothing.
Next, insert the key into the console. After a
moment, the MANUAL indicator, one indicator in
the LED track, and the TIME/PACE display will
light. In addition, the word “AGE” will appear in the
INCLINE/ AGE display and the letters “LbS” will
appear in the DISTANCE/LAPS/ WEIGHT display.
1
2
3
“On”
Position

12
Insert the key fully into the console.
See HOW TO TURN ON THE POWER on page
11. Note: When you are familiar with the console,
you may go directly to step 5 if desired. The first
time you use the console, please read and follow
all steps.
Select the MANUAL mode.
When the key is
inserted, the manual
mode will automatically
be selected, as shown
by the MANUAL indi-
cator. If a preset
program or a custom program is selected, press the
PROGRAM SELECT button repeatedly until the
MANUAL indicator is lit.
Put on the chest pulse sensor, if desired.
If you want to wear the chest pulse sensor, see
HOW TO USE THE CHEST PULSE SENSOR on
page 7.
Enter your weight, if desired.
If your weight is entered into the console, the
console will more accurately measure the numbers
of calories and fat calories you burn. To enter your
weight, press one of the SET WEIGHT buttons. The
current weight setting will
appear in the
DISTANCE/LAPS/
WEIGHT display. Press
the SET WEIGHT
buttons again to enter
your weight. Each time
one of the buttons is pressed, the weight setting
will change by 1 pound. If one of the buttons is held
down, the weight setting will change in increments
of 5 pounds. Once your weight is entered, it will be
saved in the console’s memory.
Note: Although the letters “AGE” appear in the
INCLINE/AGE display, it is not necessary to enter
your age to use the manual mode. If you want to
enter your age at this time, see step 5 on page 15.
Press the START button to start the walking belt.
A moment after the button is pressed, the walking
belt will begin to move at 1.0 mph. Hold the
handrails and begin walking.
To stop the walking belt for a moment, press the
STOP/PAUSE button. All displays will pause and
the TIME/PACE display will begin to flash. To
restart the walking belt, press the START button.
To stop the walking belt and reset all displays, hold
down the STOP/PAUSE button for two seconds.
Adjust the speed of the walking belt.
While the walking belt is
moving, adjust the speed
of the walking belt by
pressing the SPEED
buttons. Each time one
of the buttons is
pressed, the speed will change by 0.1 mph. If one
of the buttons is held down, the speed will change
in increments of 0.5 mph. The speed range is 0.5
mph to 10 mph. Note: When the SPEED buttons
are pressed, the SPEED display will show the
selected speed setting for five seconds. The
display will then show the actual speed of the
walking belt.
Adjust the incline of the treadmill.
The incline of the
treadmill can be
adjusted with the
INCLINE buttons. Each
time one of the buttons
is pressed, the incline
will change by 0.5%. The buttons can be held down
to change the incline quickly. The incline range is
1.5% to 10%. Note: After the INCLINE buttons are
pressed, it may take a few seconds for the treadmill
to reach the selected incline setting.
Follow your progress with the LED track and
the five displays.
LED track—The
LED track represents
a distance of 1/4
mile. As you exer-
cise, the indicators
around the track will
light one at a time.
When you have
completed 1/4 mile, a new lap will begin.
HOW TO USE THE MANUAL MODE
1
2
3
4
5
6
7
8

13
TIME/PACE display—
This display shows the
elapsed time and your
current pace (pace is
measured in minutes per
mile). The display will
change from one number to the other every seven
seconds. The PACE indicator will light when your
current pace is shown. Note: When a preset program
or a custom program is selected, the display will
show the time remaining in the program and your
current pace.
SPEED display—This
display shows the speed
of the walking belt. If the
KPH indicator beside the
SPEED display is lit, the
speed will be shown in
kilometers per hour. If the indicator is dark, the
speed will be shown in miles per hour.
Note: To change the unit
of measurement, first
hold down the STOP/
PAUSE button, insert
the key into the console,
and continue holding the
STOP/PAUSE button for
a moment. An “E” for
English (miles) or an
“M” for Metric (kilometers) will appear in the
CALS./FAT CALS./PULSE display. Press the
SPEED ssbutton to change the unit of measure-
ment. Remove and then reinsert the key.
INCLINE/AGE
display—This display
shows the incline level of
the treadmill.
CALS./FAT CALS./
PULSE display—When
the chest pulse sensor is
worn, this display shows
three numbers: the
approximate number of
calories you have burned, the number of fat calories
you have burned, and your heart rate. The display
will change from one number to the next every
seven seconds. When the number of fat calories is
shown, the “fat” indicator beside the display will
light; when your heart rate is shown, the heart-
shaped indicator will flash with each heartbeat;
when the number of calories is shown, no indicator
will light.
If the chest pulse sensor is not worn, the display
will show only the number of calories burned and
the number of fat calories burned. If the chest pulse
sensor is not worn and you place your hands on
the hand pulse sensor, the display will show only
your heart rate.
DISTANCE/LAPS/WEIGHT display
This display shows the
distance that you have
walked and the total
number of 1/4-mile laps
you have completed.
The display will change
from one number to the other every seven seconds.
The LAPS indicator will light when the number of
laps is shown. If the KPH indicator beside the
SPEED display is lit, the distance will be shown in
kilometers. If the KPH indicator is dark, the distance
will be shown in miles.
When you are finished exercising, stop the
walking belt and remove the key.
Step onto the foot rails and press the STOP/PAUSE
button. Next, change the incline of the treadmill
to 1.5%. The incline must be at 1.5% before the
treadmill is folded to the storage position or the
treadmill may be damaged. Remove the key from
the console. Store the key in a secure place. In
addition, press the on/off switch to the “off” position.
(See the drawing on page 11.)
9

14
The console offers six speed programs: AEROBIC 1,
AEROBIC 2, INTERVAL (20 MIN.), WEIGHT LOSS 1,
WEIGHT LOSS 2, and INTERVAL (30 MIN.). Each
program automatically controls the speed of the
treadmill as it guides you through an effective workout.
Follow the steps below to use a speed program.
Insert the key fully into the console.
See HOW TO TURN ON THE POWER on page 11.
Select the desired speed program.
When the key is inserted, the manual mode will
automatically be selected, as shown by the MANUAL
indicator. Press the
PROGRAM SELECT
button repeatedly until
the desired program
indicator lights. The
TIME/PACE display will
show how long the
selected program will
last. Note: If the walking belt is moving when a
speed program is selected, the walking belt will
slow to a stop. In addition, if the incline of the tread-
mill is higher than 1.5%, it will automatically
decrease to 1.5%.
Put on the chest pulse sensor, if desired.
If you want to wear the chest pulse sensor, see
HOW TO USE THE CHEST PULSE SENSOR on
page 7.
Enter your weight, if desired.
If your weight is entered into the console, the
console will more accurately measure the numbers
of calories and fat calories you burn. To enter your
weight, see step 4 on page 12.
Note: Although the letters “AGE” appear in the
INCLINE/AGE display, it is not necessary to enter
your age to use a speed program. If you want to
enter your age at this time, see step 5 on page 15.
Press the START button to start the program.
A moment after the button is pressed, the walking
belt will begin to move at 1.0 mph. Hold the
handrails and begin walking.
As the program progresses, the speed of the walking
belt will change periodically as shown by the graphs
on the left side of the console. The incline of the
treadmill can be changed as desired during the
program with the INCLINE buttons. When only ten
seconds remain in the program, the incline of the
treadmill will automatically decrease to 1.5%. When
no time remains in the TIME/PACE display, the
walking belt will slow to a stop and the program will
end.
Note: To stop the program for a moment, press the
STOP/PAUSE button. All displays will pause and
the TIME/PACE display will begin to flash. To
restart the program, press the START button. To
end the program before it is completed, hold down
the STOP/PAUSE button for two seconds.
Note: While the program is running, the difficulty
level of the program can be adjusted, if desired.
Press the SPEED ssbutton. A number will flash in
the SPEED display for three seconds. This number
is the maximum speed setting of the program. Press
the SPEED ssbutton again. Each time the button is
pressed, the maximum speed setting and all other
speed settings of the program will increase slightly.
The SPEED tt button can be used in the same way
to decrease the difficulty level of the program.
Follow your progress with the LED track and
the five displays.
See step 8 on page 12.
When the program is completed, remove the key.
Step onto the foot rails. Make sure that the incline
of the treadmill is set at 1.5%. Remove the key
from the console. Store the key in a secure place. In
addition, press the on/off switch to the “off” position.
(See the drawing on page 11.)
HOW TO USE THE SPEED PROGRAMS
1
2
3
4
5
6
7
Program Indicator

15
The console offers two heart rate programs: the FAT
BURN program and the AEROBIC program. Each
program will automatically control the speed and
incline of the treadmill to keep your heart rate near
predetermined settings. Follow the steps below to use
a heart rate program.
Insert the key fully into the console.
See HOW TO TURN ON THE POWER on page 11.
Select the desired heart rate program.
When the key is inserted, the manual mode will
automatically be selected, as shown by the MANUAL
indicator. Press the PROGRAM SELECT button
repeatedly until the FAT
BURN or AEROBIC
indicator lights. The
TIME/PACE display will
show that the program
will last for 30 minutes,
and the letters “AGE”
will begin to flash in the INCLINE/AGE display.
Note: If the walking belt is moving when a heart
rate program is selected, the walking belt will slow
to a stop. In addition, if the incline of the treadmill is
higher than 1.5%, it will automatically decrease to
1.5%.
Put on the chest pulse sensor.
You must wear the chest pulse sensor to use a
heart rate program. See HOW TO USE THE
CHEST PULSE SENSOR on page 7.
Enter your weight, if desired.
If your weight is entered into the console, the
console will more accurately measure the numbers
of calories and fat calories you burn. To enter your
weight, see step 4 on page 12.
Enter your age.
You must enter your age into the console to use
a heart rate program. To enter your age, press
one of the SET AGE
buttons. The current age
setting will appear in the
INCLINE/AGE display.
Press the SET AGE
buttons again to enter
your age. Each time one of the buttons is pressed,
the age setting will change by 1 year. If one of the
buttons is held down, the age setting will change in
increments of 5 years. Once your age is entered, it
will be saved in the console’s memory. If you have
already entered your age, you must press one
of the SET AGE buttons to verify the age setting.
Press the START button to start the program.
A moment after the button is pressed, the walking
belt will begin to move at 1.5 mph. Hold the
handrails and begin walking.
As the program progresses, the speed and incline
of the treadmill will change periodically to keep
your heart rate near predetermined settings, shown
by the graphs on the left side of the console. When
only ten seconds remain in the program, the incline
of the treadmill will automatically decrease to 1.5%.
When no time remains in the TIME/PACE display,
the walking belt will slow to a stop and the program
will end.
Note: If your heart rate is not detected during the
program, the letters “PLS” will flash in the CALS./
FAT CALS./PULSE display and the speed and/or
incline of the treadmill may automatically decrease.
See CHEST PULSE SENSOR TROUBLE-
SHOOTING on page 7.
Note: To stop the program for a moment, press the
STOP/PAUSE button. All displays will pause and
the TIME/PACE display will begin to flash. To
restart the program, press the START button. To
end the program before it is completed, hold down
the STOP/PAUSE button for two seconds.
Note: While the program is running, minor adjust-
ments can be made to the speed and incline of the
treadmill with the SPEED and INCLINE buttons.
However, if you increase the speed, the incline will
automatically decrease; if you decrease the speed,
the incline will increase. If you increase the incline,
the speed will automatically decrease; if you
decrease the incline, the speed will increase. The
console will always attempt to keep your heart rate
near predetermined settings. When the incline
reaches the lowest setting, the speed cannot be
increased any further. When the incline reaches
the highest setting, the speed cannot be decreased
any further.
HOW TO USE THE HEART RATE PROGRAMS
1
2
3
4
5
6

16
The FITNESS TEST program is designed to measure
the relative fitness level you have achieved. For the
best results, the program should be used at a time
when your energy level is high; the program should not
be used if you have already exercised during the day.
The FITNESS TEST program consists of seven 4-
minute periods, and is followed by a 2-minute cool-
down period. The speed and/or incline of the treadmill
will automatically increase at the beginning of each
period. Follow the steps below to use the program.
Insert the key fully into the console.
See HOW TO TURN ON THE POWER on page 11.
Select the FITNESS TEST program.
When the key is inserted, the manual mode will
automatically be selected, as shown by the MANUAL
indicator. Press the
PROGRAM SELECT
button repeatedly until
the FITNESS TEST indi-
cator lights. The letters
“AGE” will begin to flash
in the INCLINE/AGE
display. Note: If the walking belt is moving when
the FITNESS TEST program is selected, the walk-
ing belt will slow to a stop. In addition, if the incline
of the treadmill is higher than 1.5%, it will automati-
cally decrease to 1.5%.
Put on the chest pulse sensor.
You must wear the chest pulse sensor to use
the FITNESS TEST program. See HOW TO USE
THE CHEST PULSE SENSOR on page 7. Note:
The program can be started without your heart rate
being detected; however, the program will automat-
ically stop of your heart rate is not detected 4
minutes after the program is started.
Enter your age.
You must enter your age into the console to use
the FITNESS TEST program. To enter your age,
see step 5 on page 15. If you have already
entered your age, you must press one of the
SET AGE buttons to verify the age setting.
Press the START button to start the program.
When the START button
is pressed, the TIME/
PACE display will begin
counting up and the
DISTANCE/LAPS/
WEIGHT display will
show an “L 1” (level 1), indicating that the first 4-
minute period of the FITNESS TEST program has
begun. The incline of the treadmill will automatically
adjust to 3%, and the walking belt will begin to
move at 1.5 mph. Hold the handrails and begin
walking.
When the first 4-minute period of the program is
completed, the DISTANCE/LAPS/WEIGHT display
will show an “L 2,” indicating that the second 4-
minute period has begun. The incline will increase
to 4%, and the speed will increase to 2.5 mph. At
the beginning of each 4-minute period, the speed
and/or incline of the treadmill will automatically
increase. The FITNESS TEST will continue in this
manner until your heart rate reaches 71.5% of your
theoretical maximum heart rate, and the current 4-
minute period is completed. The FITNESS TEST
will then end, regardless of how many periods
remain.
When the FITNESS
TEST is completed, the
letter “C” will be shown
in the DISTANCE/
LAPS/WEIGHT display,
indicating that the cool-
down period has begun. The TIME/PACE display
will then begin counting down. When only ten
seconds remain in the cool-down period, the incline
of the treadmill will automatically decrease to 1.5%.
HOW TO USE THE FITNESS TEST PROGRAM
1
2
3
4
5
Follow your progress with the LED track and
the five displays.
See step 8 on page 12.
When the program is completed, remove the key.
Step onto the foot rails. Make sure that the incline
of the treadmill is set at 1.5%. Remove the key
from the console. Store the key in a secure place. In
addition, press the on/off switch to the “off” position.
(See the drawing on page 11.)
7 8

17
When the cool-down period is completed, the walk-
ing belt will slow to a stop. Your fitness level will
then be shown in the
TIME/PACE display.
There are ten fitness
levels—fitness level 10
(FL 10) is the highest.
Remember, the
FITNESS TEST is
intended only to indicate the relative fitness level
you have attained.
Note: The SPEED and INCLINE buttons will not
function while the FITNESS TEST program is
running. If your heart rate is not detected during the
program, the letters “PLS” will flash in the CALS./
FAT CALS./PULSE display. If your heart rate is not
detected during the last thirty seconds of any 4-
minute period (after 4 minutes, after 8 minutes,
etc.), the walking belt will slow to a stop, the
FITNESS TEST will end, and the TIME/PACE
display will show a fitness level of 0 (FL 00). (See
CHEST PULSE SENSOR TROUBLE-SHOOTING
on page 7.)
Note: The FITNESS TEST program cannot be
stopped for a moment and then restarted. However,
the program can be stopped at any time by press-
ing the STOP button. The TIME/PACE display will
then show an estimated fitness level.
When the program is completed, remove the key.
Step onto the foot rails. Make sure that the incline
of the treadmill is set at 1.5%. Remove the key
from the console. Store the key in a secure place. In
addition, press the on/off switch to the “off” position.
(See the drawing on page 11.)
6

18
Custom programs are workout programs that you
create. The programs automatically control the speed
and incline of the treadmill, and can be up to 40 minutes
long. The programs are stored in the console’s memory,
and can be changed as many times as desired. Follow
the steps below to create a custom program.
Insert the key into the console.
See HOW TO TURN ON THE POWER on page 11.
Select one of the custom programs.
When the key is inserted, the manual mode will
automatically be selected, as shown by the MANUAL
indicator. To select one
of the custom programs,
press the USER 1 or
USER 2 button. The
letters “CP1” or “CP2”
will appear in the CALS./
FAT CALS./PULSE
display to show which program you have selected.
The TIME/PACE display will show how long the
program is set to last. (The program can be set to
last for a different length of time, as explained later.)
Note: If the walking belt is moving when a custom
program is selected, the walking belt will slow to a
stop. In addition, if the incline of the treadmill is
higher than 1.5%, it will automatically decrease to
1.5%.
Put on the chest pulse sensor, if desired.
If you want to wear the chest pulse sensor, see
HOW TO USE THE CHEST PULSE SENSOR on
page 7.
Enter your weight, if desired.
If your weight is entered into the console, the
console will more accurately measure the numbers
of calories and fat calories you burn. To enter your
weight, see step 4 on page 12.
Press the START button to start the program.
A moment after the button is pressed, the walking
belt will begin to move. Hold the handrails and
begin walking.
Press the RECORD button and program the
desired speed and incline settings.
When the RECORD button is pressed, the indicator
on the button will light. Speed and incline settings
can be programmed only when the indicator on
the button is lit.
Each custom program is divided into one-minute
periods. One speed setting and one incline setting
can be programmed for each period. To program
speed and incline settings for the first one-minute
period of the program, simply adjust the speed and
incline of the treadmill as desired with the SPEED
and INCLINE buttons.
When the first one-minute period of the program is
completed, the current speed and incline settings
will be stored in the console’s memory. Program
speed and incline settings for the second one-
minute period in the same way. Repeat this
procedure until you have programmed speed and
incline settings for as many one-minute periods as
desired. Custom programs can have up to forty
periods.
Note: To stop the program for a moment, press the
STOP/PAUSE button. All displays will pause and
the TIME/PACE display will begin to flash. To
restart the program, press the START button.
Hold down the STOP/PAUSE button for two
seconds.
When you have programmed speed and incline
settings for as many one-minute periods as
desired, hold down the STOP/PAUSE button for
two seconds. The speed and incline settings that
you have programmed and the length of the program
will be stored in the console’s memory. To use the
program again, see HOW TO USE A CUSTOM
PROGRAM at the right.
When the program is completed, remove the key.
Step onto the foot rails. Make sure that the incline
of the treadmill is set at 1.5%. Remove the key
from the console. Store the key in a secure place. In
addition, press the on/off switch to the “off” position.
(See the drawing on page 11.)
6
7
8
1
2
3
4
5
HOW TO CREATE A CUSTOM PROGRAM

19
Insert the key into the console.
See HOW TO TURN ON THE POWER on page 11.
Select one of the custom programs.
When the key is inserted, the manual mode will
automatically be selected, as shown by the MANUAL
indicator. To select one
of the custom programs,
press the USER 1 or
USER 2 button. The
letters “CP1” or “CP2”
will appear in the CALS./
FAT CALS./PULSE
display to show which program you have selected.
The TIME/PACE display will show how long the
program is set to last. Note: If the walking belt is
moving when a custom program is selected, the
walking belt will slow to a stop. In addition, if the
incline of the treadmill is higher than 1.5%, it will
automatically decrease to 1.5%.
Put on the chest pulse sensor, if desired.
If you want to wear the chest pulse sensor, see
HOW TO USE THE CHEST PULSE SENSOR on
page 7.
Enter your weight, if desired.
If your weight is entered into the console, the
console will more accurately measure the numbers
of calories and fat calories you burn. To enter your
weight, see step 4 on page 12.
Press the START button.
A moment after the button is pressed, the walking
belt will begin to move. Hold the handrails and
begin walking.
During the first one-minute period of the program,
the speed and incline of the treadmill will automati-
cally adjust to the first settings that you programmed
previously. When the first one-minute period is
completed, the speed and incline of the treadmill
will automatically adjust to the second settings that
you programmed. The program will continue in this
manner until no time remains in the TIME/PACE dis-
play. The walking belt will then slow to a stop.
Note: To stop the program for a moment, press the
STOP/PAUSE button. All displays will pause and
the TIME/PACE display will begin to flash. To
restart the program, press the START button. To
end the program before it is completed, hold down
the STOP/PAUSE button for two seconds.
Note: While the program is running, the speed and
incline of the treadmill can be adjusted with the
SPEED and INCLINE buttons. Adjustments will not
be stored in the console’s memory. To reprogram
the speed and incline settings of the current one-
minute period of the program, press the RECORD
button. The indicator on the button will light. Speed
and incline settings can be reprogrammed only
when the indicator on the button is lit. Next,
adjust the speed and incline of the treadmill with
the SPEED and INCLINE buttons. When the current
period is completed, the new speed and incline
settings will be stored in memory. When you have
reprogrammed speed and incline settings for as
many periods as desired, press the RECORD
button again.
Follow your progress with the five displays.
Refer to step 8 on page 12.
When the program is completed, remove the key.
Step onto the foot rails. Next, change the incline
of the treadmill to 1.5%. Remove the key from the
console. Store the key in a secure place. In addition,
press the on/off switch to the “off” position. (See the
drawing on page 11.)
HOW TO SELECT THE INFORMATION MODE
The console features an information mode that keeps
track of the total time and distance accumulated on the
treadmill.
To access the information mode, hold down the STOP/
PAUSE button, insert the key into the console, and
continue holding the STOP/PAUSE button for a
moment. The TIME/PACE display will show the total
number of hours that the treadmill has been used. The
DISTANCE/LAPS/WEIGHT display will show the total
number of miles accumulated. The CALS./FAT CALS./
PULSE display will show an “E” for English (miles) or
an “M” for Metric (kilometers) (see SPEED DISPLAY
on page 13).
To exit the information mode, remove the key.
6
7
1
2
3
4
5
HOW TO USE A CUSTOM PROGRAM

20
HOW TO FOLD AND MOVE THE TREADMILL
HOW TO FOLD THE TREADMILL FOR STORAGE
Before folding the treadmill, adjust the incline to the lowest position. If the incline is not at the lowest position,
the treadmill will be permanently damaged. Next, unplug the power cord. Caution: You must be able to
safely lift 45 pounds (20 kg) in order to raise, lower, or move the treadmill.
1. Hold the treadmill with your hands in the locations shown
at the right. Caution: To decrease the possibility of in-
jury, bend your legs and keep your back straight. As
you raise the treadmill, make sure to lift with your legs
rather than your back. Raise the treadmill about halfway
to the vertical position.
2. Move your right hand to the position shown and hold the
treadmill firmly. Raise the treadmill until the storage latch
closes over the frame guide. Make sure that the storage
latch closes fully over the frame guide.
To protect the floor or carpet from damage, place a
mat under the treadmill. Keep the treadmill out of
direct sunlight. Do not leave the treadmill in the stor-
age position in temperatures above 85° Fahrenheit. Storage
Latch
Frame
Guide
Closed
HOW TO ADJUST THE FIRMNESS OF THE
WALKING PLATFORM
The walking
platform is
specially designed
to cushion the
impact as you
walk or run on
the treadmill. The
firmness of the
walking platform
can be adjusted
to any of three
settings using the control on the right side of the
treadmill. For a firmer walking platform, turn the control
clockwise. For a softer walking platform, turn the control
counterclockwise. If it is difficult to turn the control,
lift up on the walking platform while turning the
control. Note: The faster you run on the treadmill, the
firmer the walking platform should be. If the walking
platform is too soft, the treadmill may bounce exces-
sively.
Cushion Control
Lift Here

21
HOW TO MOVE THE TREADMILL
Before moving the treadmill, convert the treadmill to the
storage position as described above. Make sure that the
storage latch is closed fully over the latch catch.
1. Hold the upper ends of the treadmill. Place one foot on
the base as shown.
2. Tilt the treadmill back until it rolls freely on the wheels.
Carefully move the treadmill to the desired location. To re-
duce the risk of injury, use extreme caution while
moving the treadmill. Do not attempt to move the
treadmill over an uneven surface.
3. Place one foot on the base, and carefully lower the tread-
mill until it is resting in the storage position.
HOW TO LOWER THE TREADMILL FOR USE
1. Hold the upper end of the treadmill with your right hand as
shown. Using your left thumb, slide open the storage latch
and hold it open. Pivot the treadmill until the frame is past
the storage latch.
2. Hold the treadmill firmly with both hands, and lower the
treadmill to the floor. Caution: To decrease the possibil-
ity of injury, bend your legs and keep your back
straight.
Storage
Latch
Opened
Base
Wheels

MAINTENANCE AND TROUBLE-SHOOTING
Most treadmill problems can be solved by following the simple steps below. If further assistance is
needed, call our toll-free HELPLINE at 1-800-736-6879, Monday through Saturday, 7 a.m. until 7 p.m.
Central Time (excluding holidays).
PROBLEM: The power does not turn on
SOLUTION: a. Make sure that the power cord is plugged into a surge suppressor, and that the surge suppressor
is plugged into a properly grounded outlet (see page 7). Use only a single-outlet surge suppressor
that is UL 1449 listed as a transient voltage surge suppressor (TVSS). The surge suppressor
must have a UL suppressed voltage rating of 400 volts or less and a minimum surge dissipation
of 450 joules. The surge suppressor must be electrically rated for 120 volts AC and 15 amps.
b. After the power cord has been plugged in, make sure that the key is fully inserted into the console.
c. Check the circuit breaker located on the treadmill
near the power cord. If the switch protrudes as
shown, the circuit breaker has tripped. To reset the
circuit breaker, wait for five minutes and then press
the switch back in.
d. Check the on/off switch located at the front of the
treadmill near the power cord. The switch must be
in the “on” position.
PROBLEM: The power turns off during use
SOLUTION: a. Check the circuit breaker located on the treadmill frame near the power cord (see 1. c. above). If
the circuit breaker has tripped, wait for five minutes and then press the switch back in.
b. Make sure that the power cord is plugged in.
c. Remove the key from the console. Reinsert the key fully into the console.
d. Check to make sure that the on/off switch is in the “on” position. (See 1. d. above.)
e. If the treadmill still will not run, please call our toll-free HELPLINE.
PROBLEM: The walking belt slows when walked on
SOLUTION: a. Use only a single-outlet surge suppressor that is UL 1449 listed as a transient voltage surge sup-
pressor (TVSS). The surge suppressor must have a UL suppressed voltage rating of 400 volts or
less and a minimum surge dissipation of 450 joules. The surge suppressor must be electrically
rated for 120 volts AC and 15 amps.
b. If the walking belt is overtightened, treadmill perfor-
mance may decrease and the walking belt may be per-
manently damaged. Remove the key and UNPLUG
THE POWER CORD. Using the allen wrench, turn
both rear roller adjustment bolts counterclockwise, 1/4
of a turn. When the walking belt is properly tightened,
you should be able to lift each side of the walking belt
3 to 4 inches off the walking platform. Be careful to
keep the walking belt centered. Plug in the power cord,
insert the key and run the treadmill for a few minutes.
Repeat until the walking belt is properly tightened.
c. If the walking belt still slows when walked on, please call our toll-free HELPLINE.
Tripped
Reset
Tripped
c
Reset
“On”
Position
d
Rear Roller Adjustment Bolts
3”–4”
b
22

PROBLEM: The walking belt is off-center or slips when walked on
SOLUTION: a. If the walking belt has shifted to the left, first re-
move the key and UNPLUG THE POWER CORD.
Using the allen wrench, turn the left rear roller adjust-
ment bolt clockwise, and the right bolt counterclock-
wise, 1/4 of a turn each. Be careful not to overtighten
the walking belt. Plug in the power cord, insert the key
and run the treadmill for a few minutes. Repeat until
the walking belt is centered.
b. If the walking belt has shifted to the right, first re-
move the key and UNPLUG THE POWER CORD.
Using the allen wrench, turn the left rear roller adjust-
ment bolt counterclockwise, and the right bolt clock-
wise, 1/4 of a turn each. Be careful not to overtighten
the walking belt. Plug in the power cord, insert the
key and run the treadmill for a few minutes. Repeat
until the walking belt is centered.
c. If the walking belt slips when walked on, first re-
move the key and UNPLUG THE POWER CORD.
Using the allen wrench, turn both rear roller adjust-
ment bolts clockwise, 1/4 of a turn. When the walking
belt is correctly tightened, you should be able to lift
each side of the walking belt 3 to 4 inches off the
walking platform. Be careful to keep the walking belt
centered. Plug in the power cord, insert the key and
run the treadmill for a few minutes. Repeat until the
walking belt is properly tightened.
PROBLEM: An error code (E1, E20, E21, E22, or E23) appears on the console
SOLUTION: a. If an error code appears in one of the displays of the console, remove the key from the console,
wait for a moment, and then reinsert the key. If the error code appears again, call our toll-free
HELPLINE. Do not use the treadmill until the problem is corrected.
PROBLEM: The heart rate monitor does not function properly
SOLUTION: a. If the heart rate monitor does not function properly, refer to CHEST PULSE SENSOR TROUBLE-
SHOOTING on page 7.
b. The CR 2032 battery may need to be replaced.
To replace the battery, locate the battery cover on the back of the
sensor unit. Insert a coin into the slot in the cover, turn the cover
counterclockwise, and remove it.
Remove the old battery and insert a new CR 2032 battery, making
sure that the battery is turned so the writing is on top. Make sure that
the rubber gasket is in place in the sensor unit. Replace the battery
cover and turn it clockwise to close it.
b
c
a
CR 2032
Battery
Rubber
Gasket
23

24
CONDITIONING GUIDELINES
The following guidelines will help you to plan your ex-
ercise program. Remember—these are general guide-
lines. For more detailed information about exercise,
obtain a book or consult your physician.
EXERCISE INTENSITY
Whether your goal is to burn fat or strengthen your car-
diovascular system, the key to achieving the desired
results is to exercise with the proper intensity. The
proper intensity level can be found by using your heart
rate as a guide. For effective exercise, your heart rate
should be maintained at a level between 71.5% and
85% of your maximum heart rate as you exercise. This
is known as your training zone.
You can find your training zone in the table below.
Training zones are listed according to age and physical
condition.
Burning Fat
To burn fat, you must exercise at a low intensity level
for a sustained period of time. During the first few
minutes of exercise, your body uses easily accessible
carbohydrate calories for energy. Only after the first few
minutes of exercise does your body begin to use stored
fat calories for energy. If your goal is to burn fat, adjust
the intensity of your exercise until your heart rate is
near the low end of your training zone as you exercise.
Aerobic Exercise
If your goal is to strengthen your cardiovascular sys-
tem, your exercise must be “aerobic.” Aerobic exercise
is activity that requires large amounts of oxygen for
prolonged periods of time. This increases the demand
on the heart to pump blood to the muscles, and on the
lungs to oxygenate the blood. For aerobic exercise,
adjust the intensity of your exercise until your heart
rate is near the middle of your training zone.
WORKOUT GUIDELINES
Each workout should include the following three impor-
tant parts: (1) a warm-up, (2) training zone exercise,
and (3) a cool-down.
Warm-up
Warming up prepares the body for exercise by increas-
ing circulation, delivering more oxygen to the muscles,
and raising the body temperature. Begin each workout
with 5 to 10 minutes of stretching and light exercise to
warm up (see SUGGESTED STRETCHES on page 25).
Training Zone Exercise
After warming up, increase the intensity of your exer-
cise until your heart rate is in your training zone for 20
to 60 minutes. (During the first few weeks of your exer-
cise program, do not keep your heart rate in your train-
ing zone for longer than 20 minutes.) Breathe regularly
and deeply as you exercise—never hold your breath.
WARNING: Before beginning
this or any exercise program, consult your
physician. This is especially important for in-
dividuals over the age of 35 or individuals
with pre-existing health problems.
WARNING: The pulse sensors
are not medical devices. Various factors,
including your movement, may affect the
accuracy of heart rate readings. The pulse
sensors are intended only as exercise aids in
determining heart rate trends in general.
20 138-167 133-162
25 136-166 132-160
30 135-164 130-158
35 134-162 129-156
40 132-161 127-155
45 131-159 125-153
50 129-156 124-150
55 127-155 122-149
60 126-153 121-147
65 125-151 119-145
70 123-150 118-144
75 122-147 117-142
80 120-146 115-140
85 118-144 114-139
Age Unconditioned Conditioned
Training Zone (Beats/Min.)

25
Cool-down
Finish each workout with 5 to 10 minutes of stretching
to cool down. This will increase the flexibility of your
muscles and will help to prevent post-exercise problems.
Exercise Frequency
To maintain or improve your condition, complete three
workouts each week, with at least one day of rest be-
tween workouts. After a few months, you may com-
plete up to five workouts each week if desired.
The key to success is to make exercise a regular and
enjoyable part of your everyday life.
SUGGESTED STRETCHES
The correct form for several basic stretches is shown at the
right. Move slowly as you stretch—never bounce.
1. Toe Touch Stretch
Stand with your knees bent slightly and slowly bend forward
from your hips. Allow your back and shoulders to relax as you
reach down toward your toes as far as possible. Hold for 15
counts, then relax. Repeat 3 times. Stretches: Hamstrings,
back of knees and back.
2. Hamstring Stretch
Sit with one leg extended. Bring the sole of the opposite foot
toward you and rest it against the inner thigh of your extended
leg. Reach toward your toes as far as possible. Hold for 15
counts, then relax. Repeat 3 times for each leg. Stretches:
Hamstrings, lower back and groin.
3. Calf/Achilles Stretch
With one leg in front of the other, reach forward and place your
hands against a wall. Keep your back leg straight and your
back foot flat on the floor. Bend your front leg, lean forward and
move your hips toward the wall. Hold for 15 counts, then relax.
Repeat 3 times for each leg. To cause further stretching of the
achilles tendons, bend your back leg as well. Stretches:
Calves, achilles tendons and ankles.
4. Quadriceps Stretch
With one hand against a wall for balance, reach back and
grasp one foot with your other hand. Bring your heel as close
to your buttocks as possible. Hold for 15 counts, then relax.
Repeat 3 times for each leg. Stretches: Quadriceps and hip
muscles.
5. Inner Thigh Stretch
Sit with the soles of your feet together and your knees outward.
Pull your feet toward your groin area as far as possible. Hold
for 15 counts, then relax. Repeat 3 times. Stretches:
Quadriceps and hip muscles.
1
2
3
4
5

26
PART LIST—Model No. 831.297441 R1197A
Key Part
No. No. Qty. Description
1 NSP 1 Frame
2 143364 2 Rear Isolator
3 100691 2 Rear Isolator Screw
4 013322 30 Small Screw
5 130251 2 Frame Guide
6 131751 4 Isolator
7 128272 4 Isolator Screw
8 143366 1 Walking Platform
9 141124 2 Cushion Plate
10 013300 2 Rear Foot Screw
11 140447 2 Adjustable Deck Cushion
12 013444 2 Rod Bolt
13 119439 3 Rod Nut
14 141252 1 Isolator Adjustment Rod
15 013547 5 Pivot Bolt
16 137625 2 Incline Pivot Spacer
17 143367 1 Walking Belt
18 141760 1 Front Roller/Pulley
19 119425 8 Incline Nut
20 141131 1 Incline Leg
21 141969 2 Hood Bracket
22 136728 40 Screw
23 142602 1 Front Hood Bracket
24 126911 2 Sensor Wire
25 013375 2 Incline Motor Bolt
26 114270 1 Incline Motor Spacer
27 142395 1 Incline Motor
28 109370 1 Incline Disk
29 012152 2 Small Nut
30 012955 2 Optic Sensor
31 102959 2 Small Bolt
32 142088 1 Controller
33 141143 1 Electronics Plate
34 134576 1 Power Board w/Clips
35 125819 4 Plastic Stand-Off
36 031229 1 Power Cord
37 019084 1 Power Cord Grommet
38 119163 1 On/Off Switch
39 142600 1 Outlet Bracket
40 109382 1 Circuit Breaker
41 130993 1 Choke
42 016017 2 Wire Clip
43 012149 1 Motor Pivot Nut
44 130849 1 Pulley/Flywheel/Fan
45 118017 1 Motor Belt
46 143368 1 Motor
47 122912 1 Motor Tension Washer
48 014117 1 Star Washer
49 120867 1 Motor Tension Nut
50 013275 1 Front Roller Adj. Bolt
Key Part
No. No. Qty. Description
51 014063 3 Adjustment Washer
52 119070 1 Speed Optic Disk
53 120653 1 Optic Sensor Bracket
54 014157 1 Small Star Washer
55 141494 1 Belly Pan Shield
56 139969 1 Front Belly Pan
57 138853 8 Belly Pan Fastener
58 109265 2 Belt Guide
59 143369 1 Right Foot Rail
60 143370 1 Belly Pan
61 120630 2 Ground Screw
62 122412 1 Ground Wire
63 141150 2 Rear Foot
64 141149 1 Right Endcap
65 013342 2 Rear Roller Adj. Bolt
66 138641 1 Latch Warning Decal
67 141829 1 Rear Roller
68 116926 1 Releasable Tie
69 116927 1 Cable Tie Clamp
70 016057 5 8” Cable Tie
71 141132 1 Upright Base
72 128621 2 Handrail Endcap
73 141373 1 Storage Latch
74 141487 2 Latch Spring
75 141372 1 Storage Latch
76 141374 1 Latch Bracket
77 143578 1 PulseBoard/Pulse Wire Harness
78 141077 1 Base Mount (top left)
79 141078 1 Base Mount (bottom left)
80 142032 2 Endcap Plate
81 143382 4 Hand Pulse Sensor
82 143380 1 Sensor Housing
83 141376 1 25” Hand Pulse Wire
84 142560 2 Incline Stop Bracket
85 143371 1 Wire Harness
86 138669 1 Incline Warning Decal
87 143372 1 Console
88 119038 1 Key/Clip
89 129639 2 Battery Cover
90 139955 2 Book Holder
91 141488 1 Console Base
92 139442 1 Warning Decal
93 143374 1 Hood
94 140444 2 Plastic Spacer
95 141377 2 54” Hand Pulse Wire
96 126650 6 Base Pad
97 141146 1 Incline Motor Shield
98 016028 1 Adhesive Clip
99 128457 1 Allen Wrench
100 013578 2 Wheel Bolt
To identify the parts listed below, refer to the EXPLODED DRAWING attached in the center of this manual.

27
Key Part
No. No. Qty. Description
101 132314 2 Wheel
102 141145 1 Incline Motor Plate
103 141656 1 Shock
104 141075 1 Base Mount (top right)
105 141076 1 Base Mount (bottom right)
106 139010 1 Chest Strap
107 139009 1 Sensor Unit
108* 143375 1 Motor/Pulley/Flywheel/Fan
109 107103 1 Motor Pivot Bolt
110 105437 1 Sensor Bracket Nut
111 013162 2 Sensor Screw
112 143377 1 Pulse Sensor
113 108741 2 Upright Base Endcap
114 143376 1 Left Foot Rail
115 141148 1 Left Endcap
Key Part
No. No. Qty. Description
116 141707 2 Frame Guide Spacer
117 134690 1 8” Wire Harness
118 132862 1 Choke Bracket
119 016029 1 4” Cable Wire
120 143195 1 4” Ground Wire
121 126457 1 Console Wire Harness
# 102634 1 8” Green Wire
# 112083 1 8” Blue Wire, 2 Female
# 109407 1 4” Black Wire, 2 Female
# 101897 1 14” White Wire, 2 Female
# 107771 1 8” White Wire, Male/Female
# 143253 1 User’s Manual
* Includes all parts shown in the box
# These parts are not illustrated

13
13
11
22
22
11
12
12
922
9
24
24
14
114 16
1
57
57
60
2
57
59
622
57
76
15
22
15
5
8
17
18
19
45
7
1547 48 49
43
109
19 16
25
44
19
21
22
21
20
19
22
22 23
19
51
50
25
26
19
27
3
46
22 40
36
37
38
39
34
35
22
22
33
22
41
22
22
22
4
22
5
32
56
58
61
62
67
42
108*
35
63
64
4
65
51
63
10
51
65 4
4
66
2
3
22
6
7
22
6
7
52 54
29
30
110
31
53
31
30
28
29
10
22
22
55
57
115
92
13
118
80
116
84
117
To identify the parts shown on this EXPLODED DRAWING, refer to the PART LIST on
pages 26 and 27 of the user’s manual.

EXPLODED DRAWING—Model No. 831.297441 R1197A
96
22
96
22
98
15
94
94
4
4
4
93
103
22
68
69
4
91
4
87
113
88
86
90
22
100
96
22
19
101
101
96
22
100
19
85
78
104
105
79
81
81
81
81
82
82
22
22
22
15
113
61
107
106
71
111
112
99
70
72
72
96
22
96
22
4
73
76
75
74
119
83
83
95
95
77
89
120
22
121
102
22
22
97
22
EXPLODED DRAWING—Model No. 831.297441 R1197A

Part No. 143253 G04262AC R1197A Printed in USA © 1997 Sears, Roebuck and Co.
The model number and serial number of your PROFORM®795
treadmill are listed on a decal attached to the frame. See the front
cover of this manual to find the location of the decal.
All replacement parts are available for immediate purchase or
special order when you visit your nearest SEARS Service Center.
To request service or to order parts by telephone, call the toll-free
numbers listed at the left.
When requesting help or service, or ordering parts, please be pre-
pared to provide the following information:
• The NAME OF THE PRODUCT (PROFORM®795 treadmill)
• The MODEL NUMBER OF THE PRODUCT (831.297441)
• The PART NUMBER OF THE PART (see the PART LIST on
pages 26 and 27 and the EXPLODED DRAWING attached in the
center of this manual)
• The DESCRIPTION OF THE PART (see the PART LIST on
pages 26 and 27 and the EXPLODED DRAWING attached in the
center of this manual).
Model No. 831.297441
QUESTIONS?
If you find that:
• you need help assembling or
operating the PROFORM®795
treadmill
• a part is missing
• or you need to schedule repair
service
call our toll-free HELPLINE
1-800-736-6879
Monday–Saturday, 7 am–7 pm
Central Time (excluding holidays)
REPLACEMENT
PARTS
If parts become worn and need
to be replaced, call the following
toll-free number
1-800-FON-PART
(1-800-366-7278)
FULL 90 DAY WARRANTY
For 90 days from the date of purchase, if failure occurs due to defect in material or workmanship in this
SEARS TREADMILL EXERCISER, contact the nearest SEARS Service Center throughout the United
States and SEARS will repair or replace the TREADMILL EXERCISER, free of charge.
This warranty does not apply when the TREADMILL EXERCISER is used commercially or for rental pur-
poses.
This warranty gives you specific legal rights, and you may also have other rights which vary from state
to state.
SEARS, ROEBUCK AND CO., DEPT. 817WA, HOFFMAN ESTATES, IL 60179