Proform 299570 755Cs Treadmill Users Manual
Proform-831-29957-Users-Manual-658009 proform-831-29957-users-manual-658009
Proform-299570-Owner-S-Manual proform-299570-owner-s-manual
831.299570 to the manual 1df4d821-29c4-4dbb-aa9a-299ed30c6f25
2015-04-13
: Proform Proform-299570-755Cs-Treadmill-Users-Manual-697592 proform-299570-755cs-treadmill-users-manual-697592 proform pdf
Open the PDF directly: View PDF
.
Page Count: 30

USER'S MANUAL
CAUTION
Read all precautions and instruc-
tions in this manual before using
this equipment. Save this manual
for future reference.
Serial
Number
Decal
Model No. 831.299570
Serial No.
Find the serial number in the location
shown below. Write the serial number
in the space above for reference.
Visit our website at
www.proform.com
new products, prizes,
fitness tips, and much more!
SEARS, ROEBUCK AND CO.
HOFFMAN ESTATES, IL 60179 Patent Pending

TABLE OF CONTENTS
IMPORTANT PRECAUTIONS . . . . . . . . . . . . . . . . . . . . . . . . . . . . . . . . . . . . . . . . . . . . . . . . . . . . . . . . . . . . . . . . .3
BEFORE YOU BEGIN . . . . . . . . . . . . . . . . . . . . . . . . . . . . . . . . . . . . . . . . . . . . . . . . . . . . . . . . . . . . . . . . . . . . . . .5
ASSEMBLY . . . . . . . . . . . . . . . . . . . . . . . . . . . . . . . . . . . . . . . . . . . . . . . . . . . . . . . . . . . . . . . . . . . . . . . . . . . . . . .6
OPERATION AND ADJUSTMENT . . . . . . . . . . . . . . . . . . . . . . . . . . . . . . . . . . . . . . . . . . . . . . . . . . . . . . . . . . . . .9
HOW TO FOLD AND MOVE THE TREADMILL . . . . . . . . . . . . . . . . . . . . . . . . . . . . . . . . . . . . . . . . . . . . . . . . . .20
TROUBLE-SHOOTING . . . . . . . . . . . . . . . . . . . . . . . . . . . . . . . . . . . . . . . . . . . . . . . . . . . . . . . . . . . . . . . . . . . . .22
CONDITIONING GUIDELINES . . . . . . . . . . . . . . . . . . . . . . . . . . . . . . . . . . . . . . . . . . . . . . . . . . . . . . . . . . . . . . .24
PART LIST . . . . . . . . . . . . . . . . . . . . . . . . . . . . . . . . . . . . . . . . . . . . . . . . . . . . . . . . . . . . . . . . . . . . . . . . . . . . . . .27
ORDERING REPLACEMENT PARTS . . . . . . . . . . . . . . . . . . . . . . . . . . . . . . . . . . . . . . . . . . . . . . . . . .Back Cover
FULL 90-DAY WARRANTY . . . . . . . . . . . . . . . . . . . . . . . . . . . . . . . . . . . . . . . . . . . . . . . . . . . . . . . . . . .Back Cover
Note: An EXPLODED DRAWING is attached in the center of this manual.
2

1. It is the responsibility of the owner to ensure
that all users of this treadmill are adequately
informed of all warnings and precautions.
2. Use the treadmill only as described.
3. Place the treadmill on a level surface, with at
least eight feet of clearance behind it. Do not
place the treadmill on any surface that blocks
air openings. To protect the floor or carpet
from damage, place a mat under the treadmill.
4. Keep the treadmill indoors, away from mois-
ture and dust. Do not put the treadmill in a
garage or covered patio, or near water.
5. Do not operate the treadmill where aerosol
products are used or where oxygen is being
administered.
6. Keep children under the age of 12 and pets
away from the treadmill at all times.
7. The treadmill should not be used by persons
weighing more than 250 pounds.
8. Never allow more than one person on the
treadmill at a time.
9. Wear appropriate exercise clothing when
using the treadmill. Do not wear loose cloth-
ing that could become caught in the treadmill.
Athletic support clothes are recommended for
both men and women. Always wear athletic
shoes. Never use the treadmill with bare feet,
wearing only stockings, or in sandals.
10. When connecting the power cord (see page 9),
plug the power cord into a surge suppressor
(not included) and plug the surge suppressor
into a grounded circuit capable of carrying 15
or more amps. No other appliance should be
on the same circuit. Do not use an extension
cord.
11. Use only a single-outlet surge suppressor that
is UL 1449 listed as a transient voltage surge
suppressor (TVSS). The surge suppressor
must have a UL suppressed voltage rating of
400 volts or less and a minimum surge dissi-
pation of 450 joules. The surge suppressor
must be electrically rated for 120 volts AC and
15 amps. To purchase a surge suppressor, see
your local SEARS or call 1-800-366-7278 and
order part number 146148.
12. Keep the power cord and the surge suppres-
sor away from heated surfaces.
13. Never move the walking belt while the power
is turned off. Do not operate the treadmill if
the power cord or plug is damaged, or if the
treadmill is not working properly. (See
BEFORE YOU BEGIN on page 5 if the tread-
mill is not working properly.)
14. Never start the treadmill while you are stand-
ing on the walking belt. Always hold the
handrails while using the treadmill.
15. The treadmill is capable of high speeds.
Adjust the speed in small increments to avoid
sudden jumps in speed.
16. The pulse sensor is not a medical device.
Various factors, including the user's move-
ment, may affect the accuracy of heart rate
readings. The pulse sensor is intended only
as an exercise aid in determining heart rate
trends in general.
17. Never leave the treadmill unattended while it
is running. Always remove the key, unplug
the power cord and move the on/off switch to
the off position when the treadmill is not in
use. (See the drawing on page 5 for the loca-
tion of the on/off switch.)
18. Do not attempt to raise, lower, or move the
treadmill until it is properly assembled. (See
ASSEMBLY on page 6, and HOW TO FOLD
AND MOVE THE TREADMILL on page 20.) You
must be able to safely lift 45 pounds (20 kg) in
order to raise, lower, or move the treadmill.
19. Do not change the incline of the treadmill by
placing objects under the treadmill.
20. When folding or moving the treadmill, make
sure that the storage latch is fully closed.
WARNING: To reduce the risk of burns, fire, electric shock, or injury to persons, read the
following important precautions and information before operating the treadmill.
IMPORTANT PRECAUTIONS
3

21. When using iFIT.com CD’s and videos, an
electronic “chirping” sound will alert you
when the speed and/or incline of the treadmill
is about to change. Always listen for the
“chirp” and be prepared for speed and/or in-
cline changes. In some instances, the speed
and/or incline may change before the per-
sonal trainer describes the change.
22. When using iFIT.com CD’s and videos, you
can manually override the speed and incline
settings at any time by pressing the speed
and incline buttons. However, when the next
“chirp” is heard, the speed and/or incline will
change to the next settings of the CD or video
program.
23. Always remove iFIT.com CD’s and videos
from your CD player or VCR when you are not
using them.
24. Inspect and tighten all parts of the treadmill
regularly.
25. Never insert or drop any object into any
opening.
26. DANGER: Always unplug the power
cord immediately after use, before cleaning
the treadmill, and before performing the main-
tenance and adjustment procedures de-
scribed in this manual. Never remove the
motor hood unless instructed to do so by an
authorized service representative. Servicing
other than the procedures in this manual
should be performed by an authorized service
representative only.
27. This treadmill is intended for in-home use
only. Do not use this treadmill in any commer-
cial, rental, or institutional setting.
WARNING: Before beginning this or any exercise program, consult your physician. This
is especially important for persons over the age of 35 or persons with pre-existing health problems.
Read all instructions before using. SEARS assumes no responsibility for personal injury or property
damage sustained by or through the use of this product.
SAVE THESE INSTRUCTIONS
The decals shown below have been placed on your treadmill. If a decal is missing, or if it is not legible,
please call our toll-free HELPLINE to order a free replacement decal (see the front cover of this manual).
Apply the decal in the location shown.
Note: This decal is shown at 38% of actual size.
4

Congratulations for selecting the new PROFORM®755
CS treadmill. The 755 CS treadmill combines ad-
vanced technology with innovative design to help you
get the most from your exercise in the convenience
and privacy of your home. And when you’re not exer-
cising, the unique 755 CS can be folded up, requiring
less than half the floor space of other treadmills.
For your benefit, read this manual carefully before
using the treadmill. If you have additional questions,
please call our toll-free HELPLINE at 1-800-736-6879,
Monday through Saturday, 7 a.m. until 7 p.m. Central
Time (excluding holidays). To help us assist you,
please note the product model number and serial num-
ber before calling. The model number of the treadmill
is 831.299570. The serial number can be found on a
decal attached to the treadmill (see the front cover of
this manual for the location).
Before reading further, please review the drawing
below and familiarize yourself with the parts that are
labeled.
BEFORE YOU BEGIN
Handrail
Console
Lock Knob
Pulse Sensor
Book Holder
Key/Clip
Circuit
Breaker
On/Off Switch
Walking Belt
Cushioned Walking Platform
Front
Wheel
Foot Rail
Power Cord
Rear Roller
Adjustment Bolts
Water Bottle
Holder (Bottle
not included)
RIGHT SIDE
LEFT SIDE
5

ASSEMBLY
Assembly requires two people. Set the treadmill in a cleared area and remove all packing materials. Do not
dispose of the packing materials until assembly is completed. Assembly requires your own Phillips screw-
driver and rubber mallet .
Note: The underside of the treadmill walking belt is coated with high-performance lubricant. During shipping, a
small amount of lubricant may be transferred to the top of the walking belt or the shipping carton. This is a normal
condition and does not affect treadmill performance. If there is lubricant on top of the walking belt, simply wipe off
the lubricant with a soft cloth and a mild, non-abrasive cleaner.
1. With the help of a second person, carefully raise the
treadmill to position shown.
While a second person tips the treadmill to one side
slightly and holds it, insert one of the Extension Legs (103)
into the treadmill as shown. Make sure that the Extension
Leg is turned so the Thick Base Pad (97) is on the bottom.
Next, tip the treadmill to the other side and insert the
other Extension Leg (not shown) in the same way. Lower
the side of the treadmill so that both Extension Legs
(103) are resting flat on the floor.
2. With the help of a second person, carefully lower the
treadmill frame and then tip the Uprights (82) down as
shown. Note: It may be helpful to place a foot against
one Wheel (95) as you begin to tip the Uprights. Make
sure that the Extension Legs (103) remain in the
Uprights.
Attach each Extension Leg (103) with two Screws (101)
and a Base Pad (119) as shown.
Note: One replacement Base Pad (119) and Spacer (not
shown) may be included. If a Base Pad becomes worn
and needs to be replaced, use the replacement Base
Pad. If a Thick Base Pad (97) needs to be replaced, use
the replacement Base Pad with the Spacer.
103
97
1
2
101
97
97
95
97
119
119
101
103
103
82
6
3
3. With the help of a second person, carefully tip the
Uprights (82) back to the vertical position.
Attach the Latch Assembly (9) and the Latch Spacer (56)
to the left Upright (82) with two Screws (101) as shown.
9
56
101
82
82
101
101

5
5. Make sure that the front edge of the Left Foam Grip (110)
is under the Console Base (87) as shown. Tighten a
Small Screw (76) into the side of the Left Foam Grip as
shown. Note: You may need to pull on the side of the Left
Foam Grip to align the Small Screw with the hole in the
Upright (82).
Attach the Right Foam Grip (not shown) and the other
Handrail Extension (not shown) as described in step 4
and this step.
Note: Extra screws may be included.
6. Hold the treadmill firmly with both hands, and raise the
treadmill to the storage position as described on page
20. If the latch pin does not align with the hole in the
Catch (not shown), it will be necessary to remove the
Latch Spacer (56). Remove the two Screws (101), the
Latch Assembly (9), and the Latch Spacer. Reattach the
Latch Assembly with the two Screws. Make sure that the
latch pin engages the Catch.
76
110
82
87
4. Insert a Handrail Extension (85) into the post on the left
Upright (82). Align the holes in the Handrail Extension
with the holes in the post. If necessary, tap the Handrail
Extension with a rubber mallet to fully insert it. Next, attach
the Handrail Extension by tightening three Small Screws
(76) into the indicated holes. Note: If there is only one
hole in the top of the post, tighten the third Small
Screw into the hole in the left side of the post.
Identify the Left Foam Grip (110), which has a large
cutout in the right side. Slide the Left Foam Grip as far as
possible onto the post on the left Upright (82). It may be
helpful to apply soapy water to the Handrail Extension (85).
76
82
110
Cutout
76
Post
85
4
7
76
76
56
9
101
Latch Pin
6
7. Make sure that all parts are tightened before you use the treadmill. Keep the included allen wrench in a
secure place. The allen wrench is used to adjust the walking belt (see page 23). To protect the floor or carpet
from damage, place a mat under the treadmill.

8
2b
B
116
PULSE
Jack
1. Make sure that the power cord is unplugged. Remove
the six or seven indicated Screws (46) from the back of
the Console Base (116).
2. Connect the Short Jumper Wire (A) to the wire on the
Receiver (B). Connect the other end of the Jumper Wire
to the PULSE jack on the back of the Console (see draw-
ing 2b). Next, peel the paper off the pad on the back of
the Receiver. Turn the Receiver so the cylinder is on
the side shown, and press the Receiver into the bottom
of the Console Base (116) in the location indicated by the
dotted line. Note: A long jumper wire is included but will
not be used.
Make sure that no wires are pinched. Reattach the
back of the Console Base (116) with the Screws (46) (see
step 1 above).
If you purchase the optional heart rate monitor (see page 19), follow the steps below to install the receiver
included with the heart rate monitor.
116
46
1
A
Cylinder
2a

9
OPERATION AND ADJUSTMENT
THE PERFORMANT LUBETM WALKING BELT
Your treadmill features a walking belt coated with
PERFORMANT LUBETM, a high-performance lubricant.
IMPORTANT: Never apply silicone spray or other
substances to the walking belt or the walking plat-
form. Such substances will deteriorate the walking
belt and cause excessive wear.
HOW TO PLUG IN THE POWER CORD
Your treadmill, like any other type of sophisticated
electronic equipment, can be seriously damaged by
sudden voltage changes in your home’s power.
Voltage surges, spikes, and noise interference can
result from weather conditions or from other appliances
being turned on or off. To decrease the possibility of
your treadmill being damaged, always use a surge
suppressor with your treadmill (see drawing 1 at
the right).
To purchase a surge suppressor, see your local
SEARS or call toll-free 1-800-366-7278 and order
part number 146148. Use only a single-outlet surge
suppressor that is UL 1449 listed as a transient voltage
surge suppressor (TVSS). The surge suppressor must
have a UL suppressed voltage rating of 400 volts or
less and a minimum surge dissipation of 450 joules.
The surge suppressor must be electrically rated for
120 volts AC and 15 amps.
This product must be grounded. If it should malfunc-
tion or break down, grounding provides a path of least
resistance for electric current to reduce the risk of elec-
tric shock. This product is equipped with a cord having
an equipment-grounding conductor and a grounding
plug. Plug the power cord into a surge suppressor,
and plug the surge suppressor into an appropriate
outlet that is properly installed and grounded in
accordance with all local codes and ordinances.
Important: The treadmill is not compatible with
GFCI-equipped outlets.
This product is for use on a nominal 120-volt circuit,
and has a grounding plug that looks like the plug illus-
trated in drawing 1 below. A temporary adapter that
looks like the adapter illustrated in drawing 2 may be
used to connect the surge suppressor to a 2-pole
receptacle as shown in drawing 2 if a properly
grounded outlet is not available.
The temporary adapter should be used only until a
properly grounded outlet (drawing 1) can be installed
by a qualified electrician.
The green-colored rigid ear, lug, or the like extending
from the adapter must be connected to a permanent
ground such as a properly grounded outlet box cover.
Whenever the adapter is used it must be held in place
by a metal screw. Some 2-pole receptacle outlet box
covers are not grounded. Contact a qualified elec-
trician to determine if the outlet box cover is
grounded before using an adapter.
DANGER: Improper connection
of the equipment-grounding conductor can
result in an increased risk of electric shock.
Check with a qualified electrician or service-
man if you are in doubt as to whether the
product is properly grounded. Do not modify
the plug provided with the product—if it will
not fit the outlet, have a proper outlet
installed by a qualified electrician.
1
2
Grounded Outlet Box
Grounded Outlet Box
Grounding Plug
Surge Suppressor
Surge Suppressor
Grounding Pin
Adapter
Lug
Metal Screw
Grounded Outlet
Grounding Pin

10
Note: If there is a thin sheet of clear plastic
on the face of the console, remove it.
FEATURES OF THE CONSOLE
The treadmill console offers an impressive array of
features to help you get the most from your exercise.
When the console is in the manual mode, the speed
and incline of the treadmill can be controlled with a
touch of a button. As you exercise, the LED track and
the four displays will provide continuous exercise feed-
back. You can even measure your heart rate using the
built-in pulse sensor.
Six certified personal trainer programs are also offered.
Each program automatically controls the speed and in-
cline of the treadmill as it guides you through an effec-
tive workout.
The console also features advanced iFIT.com interac-
tive technology. IFIT.com technology is like having a
personal trainer right in your home. Using the included
audio cable, you can connect the treadmill to your
home stereo, portable stereo, or computer and play
special iFIT.com CD programs (one CD is provided).
IFIT.com CD programs automatically control the speed
and incline of the treadmill as a personal trainer guides
you through every step of your workout. High-energy
music provides added motivation. Each CD features
two different programs designed by certified personal
trainers.
In addition, you can connect the treadmill to your VCR
and TV and play iFIT.com video programs (videocas-
settes are available separately). Video programs offer
the same benefits as iFIT.com CD programs, but add
the excitement of working out with a class and an in-
structor—the hottest new trend at health clubs.
With the treadmill connected to your computer, you
can also go to our new Web site at www.iFIT.com and
access even more programs. Choose from a selection
of basic programs that interactively control the speed
and incline of your treadmill to help you achieve your
personal exercise goals. Or, use iFIT.com audio and
video programs directly from our Web site. Visit
www.iFIT.com for complete details.
By adding an optional upgrade module to the treadmill,
you can use virtually endless features from our Web
site. See www.iFIT.com to learn about other iFIT.com
features. To purchase iFIT.com CD’s, iFIT.com
videocassettes, or an optional upgrade module,
see your local SEARS or call toll-free 1-800-884-
0620. For information about other optional acces-
sories, see page 19.
To use the manual mode of the console, follow the
steps beginning on page 11. To use a personal trainer
program, see page 13. To use iFIT.com CD or video
programs, see page 16. To use iFIT.com programs
from our Web site, see page 18.
CAUTION:Before operating the
console, read the following precautions.
• Do not stand on the walking belt when turn-
ing on the power.
• Always wear the clip (see the drawing
above) while operating the treadmill.
• Adjust the speed in small increments to
avoid sudden jumps in speed.
• To reduce the possibility of electric shock,
keep the console dry. Avoid spilling liquids
on the console and place only a sealed water
bottle in the water bottle holder.
CONSOLE DIAGRAM
Clip
Key
Displays Displays Program Indicators
Speed Buttons
Incline Display LED Track
Manual/iFIT.com Indicators

11
HOW TO TURN ON THE POWER
Plug in the power cord (see HOW TO PLUG IN
THE POWER CORD on page 9).
Locate the on/off
switch on the front of
the treadmill. Make
sure the on/off switch
is in the on position.
Stand on the foot rails
of the treadmill. Find
the clip attached to the
key, and slide the clip
securely onto the waist-
band of your clothing.
Test the clip by care-
fully taking a few steps backward until the key
is pulled from the console. If the key is not
pulled from the console, adjust the position of
the clip as needed.
Next, insert the key into the console. After a mo-
ment, the four displays, the LED track, and various
indicators on the console will light.
Note: The console can display speed and distance in
either miles or kilometers (see SPEED/MIN-MILE DIS-
PLAY on page 12). For simplicity, all instructions in this
manual refer to miles.
HOW TO USE THE MANUAL MODE
Insert the key fully into the console.
See HOW TO TURN ON THE POWER above.
Select the manual mode.
When the key is in-
serted, the manual
mode will be selected
and the MANUAL indi-
cator will light. If a pro-
gram has been se-
lected, press the PROGRAM button repeatedly to
select the manual mode.
Press the START button or the SPEED
▲▲
button
to start the walking belt.
A moment after the button is pressed, the walking
belt will begin to move at 1 mph. Hold the handrails
and carefully begin walking. As you exercise,
change the speed of the
walking belt as desired by
pressing the SPEED
▲▲
and
▼▼
buttons. To change
the speed setting quickly,
press the QUICK SPEED
buttons. Note: After the buttons are pressed, it
may take a moment for the treadmill to reach the
selected speed setting.
To stop the walking belt, press the STOP button.
The TIME display will begin to flash. To restart the
walking belt, press the START button or the
SPEED
▲▲
button.
Change the incline of the treadmill as desired.
To change the
incline of the
treadmill, press
the INCLINE
buttons. Each
time a button is
pressed, the in-
cline will change
by 0.5%. The buttons can be held down to change
the incline quickly. Note: After the incline buttons
are pressed, it will take a moment for the treadmill
to reach the selected incline setting.
Note: In the incline display, the first indicator will
light when the incline is set at 1.5%. The second
indicator will light when the incline is set at 2% or
2.5%, the third indicator will light when the incline
is set at 3% or 3.5%, and so forth.
Follow your progress with the LED track and
the four displays.
The LED Track—The
LED track represents a
distance of 1/4 mile. As
you exercise, the indica-
tors around the track will
light one at a time until
you have completed 1/4
mile. A new lap will then begin.
DISTANCE/LAPS dis-
play—This display shows
the distance that you
have walked or run and
the number of laps you
have completed (one lap
equals 1/4 mile). The display will alternate between
one number and the other every seven seconds,
as shown by the arrows in the display.
5
4
3
2
1
3
2
1
On
Position
Arrow
Program Display

12
TIME display—When
the manual mode or an
iFIT.com program is
selected, this display
shows the elapsed time.
When a personal trainer
program is selected, this display shows both the
time remaining in the program and the time re-
maining in the current segment of the program.
The display will alternate between one number and
the other every seven seconds.
CALS/FAT CALS/
PULSE display—This
display shows the ap-
proximate numbers of
calories and fat calories
you have burned (see
FAT BURNING on page
24). Every seven seconds, the display will change
from one number to the other, as shown by the ar-
rows in the display. This display will also show
your heart rate when the pulse sensor is used (see
step 6 on this page).
SPEED/MIN-MILE
display—This display
shows the speed of the
walking belt and your
current pace (pace is
measured in minutes per
mile). Every seven seconds, the display will
change from one number to the other, as shown
by the arrows in the display.
Note: The SPEED/MIN-MILE display can show
speed in either miles per hour or kilometers per
hour. To find which unit of measurement is se-
lected, hold down the STOP button while inserting
the key into the console.
An “E” for English miles
or an “M” for metric kilo-
meters will appear in the
display. Press the
SPEED
▲▲
button to
change the unit of mea-
surement. When the desired unit of measurement
is selected, remove and then reinsert the key.
Note: To reset the displays, press the STOP but-
ton, remove the key, and then reinsert the key.
Measure your heart rate, if desired.
Stand on the
foot rails and
place your
hands on the
metal contacts
on the pulse
bar—avoid
moving your
hands. When
your pulse is de-
tected, the heart-
shaped indicator
in the CALS/FAT
CALS/PULSE
display will flash
steadily and a series of dashes (– –) will appear.
After a few seconds, your heart rate will be shown.
For the most accurate heart rate reading, con-
tinue to hold the contacts for about 15 seconds.
When you are finished exercising, remove the
key.
Step onto the foot rails, press the STOP button,
and adjust the incline of the treadmill to the lowest
level. The incline must be at the lowest level
when the treadmill is raised to the storage po-
sition or the treadmill will be damaged. Next,
remove the key from the console and put the key
in a secure place. Note: If the displays and vari-
ous indicators on the console remain lit after
the key is removed, the console is in the
“demo” mode. Refer to page 19 and turn off the
demo mode.
When you are finished using the treadmill, move
the on/off switch near the power cord to the off
position.
7
6
Sensors

13
HOW TO USE PERSONAL TRAINER PROGRAMS
Insert the key fully into the console.
See HOW TO TURN ON THE POWER on page
11.
Select one of the personal trainer programs.
When the
key is in-
serted, the
manual
mode will be
selected and
the MAN-
UAL indica-
tor will light.
To select one of the personal trainer programs,
press the PROGRAM button repeatedly until one
of the six personal trainer program indicators
lights.
The console features two low intensity programs,
two medium intensity programs, and two high in-
tensity programs. The profiles on the console
show how the speed and incline of the treadmill
will change during the programs. The numbers
beside the profiles show the maximum speed and
incline settings for the programs. For example, the
upper profile shows that the treadmill will reach a
maximum speed of 4.5 mph and a maximum in-
cline of 5% during the first program.
Press the START button or the SPEED
▲▲
button
to start the program.
A moment after the button is pressed, the tread-
mill will automatically adjust to the first speed and
incline settings for the program. Hold the handrails
and begin walking.
Each program is divided
into several time
segments of different
lengths. The TIME
display shows both the
time remaining in the pro-
gram and the time remaining in the current seg-
ment of the program.
One speed setting and one incline setting are pro-
grammed for each segment. When only three sec-
onds remain in the first segment, a series of tones
will sound and the treadmill will automatically ad-
just to the speed and incline settings for the second
segment.
The program will continue in this way until the
TIME display counts down to zero. The walking
belt will then slow to a stop.
Note: If the speed or incline setting for the current
segment is too high or too low, you can manually
override the setting by pressing the SPEED or
INCLINE buttons on the console. However, when
the next segment begins, the treadmill will ad-
just to the next speed and incline settings of
the program.
To stop the program, press the STOP button. The
TIME display will begin to flash. To restart the pro-
gram, press the START button or the SPEED
▲▲
button. To end the program, press the STOP but-
ton, remove the key, and then reinsert the key.
Follow your progress with the LED track and
the four displays.
Refer to step 5 on page 11.
Measure your heart rate, if desired.
See step 6 on page 12.
When the program is completed, remove the
key from the console.
When the program has ended, make sure that
the treadmill is at the lowest incline level. Next,
remove the key from the console and put it in a
secure place. Note: If the displays and indica-
tors on the console remain lit after the key is
removed, the console is in the “demo” mode.
Refer to page 19 and turn off the demo mode.
When you are finished using the treadmill, move
the on/off switch near the power cord to the off
position.
6
5
4
3
2
1

14
HOW TO CONNECT THE TREADMILL TO YOUR
CD PLAYER, VCR, OR COMPUTER
To use iFIT.com CD’s, the treadmill must be con-
nected to your portable CD player, portable stereo,
home stereo, or computer with CD player. See pages
14 and 15 for connecting instructions. To use iFIT.com
videocassettes, the treadmill must be connected to
your VCR. See page 16 for connecting instructions. To
use iFIT.com programs directly from our internet
site, the treadmill must be connected to your home
computer. See page 15 for connecting instructions.
HOW TO CONNECT YOUR PORTABLE CD PLAYER
Note: If your CD player has separate LINE OUT and
PHONES jacks, see instruction A below. If your CD
player has only one jack, see instruction B.
A. Plug one end of the audio cable into the jack on the
front of the treadmill near the power cord. Plug the
other end of the cable into the LINE OUT jack on
your CD player. Plug your headphones into the
PHONES jack.
B. Plug one end of the audio cable into the jack on the
front of the treadmill near the power cord. Plug the
other end of the cable into a 3.5mm Y-adapter
(available at electronics stores). Plug the Y-adapter
into the PHONES jack on your CD player. Plug your
headphones into the other side of the Y-adapter.
HOW TO CONNECT YOUR PORTABLE STEREO
Note: If your stereo has an RCA-type AUDIO OUT
jack, see instruction A below. If your stereo has a
3.5mm LINE OUT jack, see instruction B. If your
stereo has only a PHONES jack, see instruction C.
A. Plug one end of the audio cable into the jack on the
front of the treadmill near the power cord. Plug the
other end of the cable into the included adapter. Plug
the adapter into an AUDIO OUT jack on your stereo.
B. Plug one end of the audio cable into the jack on the
front of the treadmill near the power cord. Plug the
other end of the cable into the LINE OUT jack on
your stereo.
C. Plug one end of the audio cable into the jack on the
front of the treadmill near the power cord. Plug the
other end of the cable into a 3.5mm Y-adapter
(available at electronics stores). Plug the Y-adapter
into the PHONES jack on your stereo. Plug your
headphones into the other side of the Y-adapter.
LINE OUT
PHONES LINE OUT
PHONES
Audio
Cable
Head-
phones
A
AUDIO OUT
RIGHT
LEFT
Audio
Cable Adapter
A
LINE OUT
Audio
Cable
B
PHONES
Audio
Cable
C
PHONES
PHONES
Audio
Cable
3.5mm
Y-adapter
Headphones
B
3.5mm
Y-adapter
Headphones

15
HOW TO CONNECT YOUR HOME STEREO
Note: If your stereo has an unused LINE OUT jack,
see instruction A below. If the LINE OUT jack is
being used, see instruction B.
A. Plug one end of the audio cable into the jack on the
front of the treadmill near the power cord. Plug the
other end of the cable into the included adapter.
Plug the adapter into the LINE OUT jack on your
stereo.
B. Plug one end of the audio cable into the jack on the
front of the treadmill near the power cord. Plug the
other end of the cable into the included adapter.
Plug the adapter into an RCA adapter (available at
electronics stores). Next, remove the wire that is
currently plugged into the LINE OUT jack on your
stereo and plug the wire into the unused side of the
RCA adapter. Plug the RCA adapter into the LINE
OUT jack on your stereo.
HOW TO CONNECT YOUR COMPUTER
Note: If your computer has a 3.5mm LINE OUT jack,
see instruction A. If your computer has only a
PHONES jack, see instruction B.
A. Plug one end of the audio cable into the jack on the
front of the treadmill near the power cord. Plug the
other end of the cable into the LINE OUT jack on
your computer.
B. Plug one end of the audio cable into the jack on the
front of the treadmill near the power cord. Plug the
other end of the cable into a 3.5mm Y-adapter
(available at electronics stores). Plug the Y-adapter
into the PHONES jack on your computer. Plug your
headphones or speakers into the other side of the
Y-adapter.
CD
VCR
Amp
LINE OUT
LINE OUT
Audio
Cable Adapter
A
LINE OUT
Audio
Cable
A
CD
VCR
Amp
LINE OUT
Audio
Cable
RCA
Adapter
Wire removed from
LINE OUT jack
B
Adapter
PHONES
Audio
Cable
B
3.5mm
Y-adapter
Headphones/Speakers

16
HOW TO CONNECT YOUR VCR
Note: If your VCR has an unused AUDIO OUT jack,
see instruction A below. If the AUDIO OUT jack is
being used, see instruction B. If you have a TV
with a built-in VCR, see instruction B. If your VCR
is connected to your home stereo, see HOW TO
CONNECT YOUR HOME STEREO on page 15.
A. Plug one end of the audio cable into the jack on the
front of the treadmill near the power cord. Plug the
other end of the cable into the included adapter.
Plug the adapter into the AUDIO OUT jack on your
VCR.
B. Plug one end of the audio cable into the jack on the
front of the treadmill near the power cord. Plug the
other end of the cable into the included adapter.
Plug the adapter into an RCA adapter (available at
electronics stores). Next, remove the wire that is
currently plugged into the AUDIO OUT jack on your
VCR and plug the wire into the unused side of the
RCA adapter. Plug the RCA adapter into the AUDIO
OUT jack on your VCR.
HOW TO USE IFIT.COM CD AND VIDEO
PROGRAMS
To use iFIT.com CD’s or videocassettes, the treadmill
must be connected to your portable CD player, portable
stereo, home stereo, computer with CD player, or
VCR. See HOW TO CONNECT THE TREADMILL TO
YOUR CD PLAYER, VCR, OR COMPUTER on page
14. Note: To purchase iFIT.com CD’s or to pur-
chase iFIT.com videocassettes, see your local
SEARS or call toll-free 1-800-735-0768.
Follow the steps below to use an iFIT.com CD or
video. Note: The instructions included in the CD
case describe how to use the CD with a variety of
PROFORM treadmills. Some instructions may not
apply to this treadmill.
Insert the key fully into the console.
See HOW TO TURN ON THE POWER on page
11.
Press the PROGRAM button.
When the key is in-
serted, the manual
mode will be selected.
To use an iFIT.com CD
or video program, press
the PROGRAM button
repeatedly until the
iFIT.com indicator lights.
Insert the iFIT.com CD or videocassette.
If you are using an iFIT.com CD, insert the CD
into your CD player. If you are using an iFIT.com
videocassette, insert the videocassette into your
VCR.
Press the PLAY button on your CD player or
VCR.
A moment after the button is pressed, your personal
trainer will begin guiding you through your workout.
Simply follow your personal trainer’s instructions.
Note: If the TIME display is flashing, press the
START button or the SPEED
▲▲
button on the con-
sole. The treadmill will not respond to a CD or
video program when the TIME display is flashing.
4
3
2
1
AUDIO OUT
RIGHT
LEFT
VIDEO AUDIO
ANT. IN
RF OUT
IN
OUT
CH
34
Audio
Cable Adapter
A
VIDEO AUDIO
ANT. IN
RF OUT
IN
OUT
CH
34
Audio
Cable Adapter
B
Wire removed from
AUDIO OUT jack
RCA Adapter

17
During the CD or video program, an electronic
“chirping” sound will alert you when the speed
and/or incline of the treadmill is about to change.
CAUTION: Always listen for the “chirp” and be
prepared for speed and/or incline changes. In
some instances, the speed and/or incline may
change before the personal trainer describes
the change.
If the speed or incline settings are too high or too
low, you can manually override the settings at any
time by pressing the SPEED or INCLINE buttons
on the console. However, when the next “chirp”
is heard, the speed and/or incline will change
to the next settings of the CD or video program.
To stop the program at any time, press the STOP
button on the console. The TIME display will begin
to flash. To restart the program, press the START
button or the SPEED
▲▲
button. After a moment,
the walking belt will begin to move at 1 mph.
When the next “chirp” is heard, the speed and
incline will change to the next settings of the
CD or video program. The program can also be
stopped by pressing the STOP button on your CD
player or VCR.
When the CD or video program is completed, the
walking belt will stop and the TIME display will
begin to flash. Note: To use another CD or video
program, press the STOP button or remove the
key and go to step 1 on page 16.
Note: If the speed or incline of the treadmill
does not change when a “chirp” is heard:
• Make sure that the iFIT.com indicator is lit and
that the TIME display is not flashing. If the
TIME display is flashing, press the START
button or the SPEED
▲▲
button on the console.
• Adjust the volume of your CD player or VCR.
If the volume is too high or too low, the con-
sole may not detect the program signals.
• Make sure that the audio cable is properly
connected, that it is fully plugged in, and that
it is not wrapped around a power cord.
• If you are using your portable CD player and
the CD skips, set the CD player on the floor or
another flat surface instead of on the console.
Follow your progress with the LED track and
the four displays.
See step 5 on page 11.
Measure your heart rate, if desired.
See step 6 on page 12.
When the iFIT.com CD or video program is
finished, remove the key.
See step 6 on page 13.
CAUTION: Always remove iFIT.com CD’s and
videocassettes from your CD player or VCR
when you are finished using them.
7
6
5

18
HOW TO USE PROGRAMS DIRECTLY FROM
OUR WEB SITE
Our new Web site at www.iFIT.com allows you to
access a large selection of programs that interactively
control your treadmill to help you achieve your specific
exercise goals. In addition, you can play iFIT.com
audio and video programs directly from the internet. By
adding an optional upgrade module to the console, you
can use virtually endless features on our Web site.
Explore www.iFIT.com for details. To purchase an up-
grade module, see your local SEARS or call toll-free
1-800-735-0768.
To use programs from our Web site, the treadmill must
be connected to your home computer. See HOW TO
CONNECT YOUR COMPUTER on page 15. In addi-
tion, you must have at least a 56K modem and an ac-
count with an internet service provider. A list of addi-
tional system and software requirements will be found
on our Web site.
Follow the steps below to use a program from our
Web site.
Insert the key fully into the console.
See HOW TO TURN ON THE POWER on page 11.
Press the PROGRAM button.
When the key is in-
serted, the manual
mode will be selected.
To use an iFIT.com CD
or video program, press
the PROGRAM button
repeatedly until the
iFIT.com indicator lights.
Go to your computer and start an internet
connection.
Start your web browser, if necessary, and go to
our Web site at www.iFIT.com .
Follow the desired links on our Web site to se-
lect a program.
Read and follow the on-line instructions for using a
program.
Follow the on-line instructions to start the
program.
When you start the program, an on-screen count-
down will begin.
Return to the treadmill and stand on the foot
rails. Find the clip attached to the key and slide
the clip onto the waistband of your clothing.
When the on-screen countdown ends, the program
will begin and the walking belt will begin to move.
Hold the handrails, step onto the walking belt, and
begin walking.
During the program, an electronic “chirping” sound
will alert you when the speed and/or incline of the
treadmill is about to change. CAUTION: Always
listen for the “chirp” and be prepared for speed
and/or incline changes.
If the speed or incline settings are too high or too
low, you can manually override the settings at any
time by pressing the SPEED or INCLINE buttons
on the console. However, when the next “chirp”
is heard, the speed and/or incline will change
to the next settings of the program.
To stop the program at any time, press the STOP
button on the console. The TIME display will begin
to flash. To restart the program, press the START
button or the SPEED
▲▲
button. After a moment,
the walking belt will begin to move at 1 mph.
When the next “chirp” is heard, the speed and
incline will change to the next settings of the
program.
When the program is completed, the walking belt
will stop and the TIME display will begin to flash.
Note: To use another program, press the STOP
button and go to step 5 on this page.
Note: If the speed or incline of the treadmill
does not change when a “chirp” is heard, make
sure that the iFIT.com indicator is lit and that
the TIME display is not flashing. In addition,
make sure that the audio cable is properly con-
nected, that it is fully plugged in, and that it is
not wrapped around a power cord.
Follow your progress with the LED track and
the four displays.
See step 5 on page 11.
Measure your heart rate, if desired.
See step 6 on page 12.
When the program is finished, remove the
key.
See step 6 on page 13.
10
9
8
7
6
5
4
3
2
1

19
THE INFORMATION MODE/DEMO MODE
The console features an information mode that keeps
track of the total number of hours that the treadmill has
been operated and the total number of miles that the
walking belt has moved. The information mode also
allows you to switch the console from miles per hour to
kilometers per hour. In addition, the information mode
allows you to turn on and turn off the demo mode.
To select the information mode, hold down the STOP
button while inserting the key into the console. When
the information mode is selected, the following informa-
tion will be shown:
The DISTANCE/LAPS
display will show the total
number of miles that the
walking belt has moved.
The TIME display will show
the total number of hours the
treadmill has been used.
An “E” for English miles or an
“M” for metric kilometers will
appear in the SPEED/MIN-
MILE display. Press the
SPEED
▲▲
button to change
the unit of measurement.
IMPORTANT: The CALS/
FAT CALS/PULSE display
should be blank. If a “d” ap-
pears in the display, the con-
sole is in the “demo” mode.
This mode is intended to be
used only when a treadmill is displayed in a store.
When the console is in the demo mode, the power cord
can be plugged in, the key can be removed from the
console, and the displays and indicators on the console
will automatically light in a preset sequence, although
the buttons on the console will not operate. If a “d” ap-
pears in the CALS/FAT CALS/PULSE display when
the information mode is selected, press the SPEED
▼▼
button so the CALS/FAT CALS/PULSE display is
blank.
To exit the information mode, remove the key from the
console.
THE OPTIONAL CHEST PULSE SENSOR
An optional chest pulse sensor adds even more
features to the console. The chest pulse sensor provides
hands-free operation and continuously monitors your
heart rate during your workouts. To purchase the
optional chest pulse sensor, see your local SEARS
or call toll-free 1-800-366-7278.
THE OPTIONAL IFIT.COM MODULE
By adding an optional
iFIT.com module to the
treadmill, you can use
virtually endless fea-
tures from our internet
site. Imagine on-line
competitions, personal
training sessions via
the internet, and the ability to use your computer to
track your workouts. For information about purchas-
ing the optional iFIT.com module, see your local
SEARS or call toll-free 1-800-884-0620.
OPTIONAL HAND WEIGHTS
Optional hand weights
let you include upper-
body exercise in your
workouts. The hand
weights fit into conve-
nience holders in the
console. To purchase
the optional hand
weights, see your
local SEARS or call
toll-free 1-800-366-7278.

20
HOW TO FOLD AND MOVE THE TREADMILL
HOW TO FOLD THE TREADMILL FOR STORAGE
Before folding the treadmill, adjust the incline to the
lowest position. If this is not done, the treadmill may be
permanently damaged. Next, unplug the power cord.
CAUTION: You must be able to safely lift 45 pounds (20
kg) in order to raise, lower, or move the treadmill.
1. Hold the treadmill with your hands in the locations shown
at the right. CAUTION: To decrease the possibility of in-
jury, bend your legs and keep your back straight. As
you raise the treadmill, make sure to lift with your legs
rather than your back. Raise the treadmill about halfway
to the vertical position.
2. Move your right hand to the position shown and hold the
treadmill firmly. Using your left hand, pull the latch knob
to the left and hold it. Raise the treadmill until the latch
pin is aligned with the hole in the catch. Insert the latch
pin into the catch. Make sure that the latch pin is fully
inserted into the catch.
To protect the floor or carpet from damage, place a
mat under the treadmill. Keep the treadmill out of
direct sunlight. Do not leave the treadmill in the stor-
age position in temperatures above 85° Fahrenheit.
HOW TO MOVE THE TREADMILL
Before moving the treadmill, convert the treadmill to the stor-
age position as described above. Make sure that the latch
pin is fully inserted into the catch.
1. Hold the handrails as shown and place one foot against a
wheel.
2. Tilt the treadmill back until it rolls freely on the wheels.
Carefully move the treadmill to the desired location. Never
move the treadmill without tipping it back. To reduce
the risk of injury, use extreme caution while moving
the treadmill. Do not attempt to move the treadmill
over an uneven surface.
3. Place one foot on a wheel, and carefully lower the tread-
mill until it is resting in the storage position. Base
Wheels
1
Latch
Knob
Pin
Catch
Closed
Open
2

21
HOW TO LOWER THE TREADMILL FOR USE
1. Hold the upper end of the treadmill with your right hand
as shown. Using your left hand, pull the latch knob to the
left and hold it. Pivot the treadmill down until the frame is
past the pin. Slowly release the latch knob.
2. Hold the treadmill firmly with both hands, and lower the
treadmill to the floor. Do not drop the treadmill frame
to the floor. CAUTION: To decrease the possibility of
injury, bend your legs and keep your back straight.
2
Latch
Knob
Pin
Catch
Open
1

22
TROUBLE-SHOOTING
Most treadmill problems can be solved by following the simple steps below. Find the symptom that
applies, and follow the steps listed. If further assistance is needed, call our toll-free HELPLINE at
1-800-736-6879, Monday through Saturday, 7 a.m. until 7 p.m. Central Time (excluding holidays).
PROBLEM: The power does not turn on
SOLUTION: a. Make sure that the power cord is plugged into a surge suppressor, and that the surge suppressor
is plugged into a properly grounded outlet (see page 9). Use only a single-outlet surge suppres-
sor that is UL 1449 listed as a transient voltage surge suppressor (TVSS). The surge suppressor
must have a UL suppressed voltage rating of 400 volts or less and a minimum surge dissipation
of 450 joules. The surge suppressor must be electrically rated for 120 volts AC and 15 amps.
Important: The treadmill is not compatible with GFCI-equipped outlets.
b. After the power cord has been plugged in, make sure that the key is fully inserted into the console.
c. Check the circuit breaker located on the treadmill
near the power cord. If the switch protrudes as
shown, the circuit breaker has tripped. To reset the
circuit breaker, wait for five minutes and then press
the switch back in.
d. Check the on/off switch located on the treadmill near
the power cord. The switch must be in the on posi-
tion.
PROBLEM: The power turns off during use
SOLUTION: a. Check the circuit breaker located on the treadmill frame near the power cord (see c. above). If the
circuit breaker has tripped, wait for five minutes and then press the switch back in.
b. Make sure that the power cord is plugged in.
c. Unplug the power cord, wait for five minutes, and then plug the power cord back in.
d. Remove the key from the console. Reinsert the key fully into the console.
e. Make sure that the on/off switch is in the on position.
f. If the treadmill still will not run, please call our toll-free HELPLINE.
PROBLEM: The speed display on the console does not function properly
SOLUTION: a. Remove the key from the console and unplug the
power cord. Remove the screws from the hood and
carefully remove the hood. Locate the Reed Switch
(21) and the Magnet (43) on the left side of the Pulley
(42). Turn the Pulley until the Magnet is aligned with
the Reed Switch. Make sure that the gap between
the Magnet and the Reed Switch is about 1/8”. If
necessary, loosen the Reed Switch Screw (30) and
move the Reed Switch slightly. Retighten the Screw.
Re-attach the hood, and run the treadmill for a few
minutes to check for a correct speed reading.
Tri
pp
ed
Reset
Tripped
c
Reset
On
Position
d
43
21
30
1/8” 42
Top
View
a

23
PROBLEM: The walking belt slows when walked on
SOLUTION: a. Use only a single-outlet surge suppressor that is UL 1449 listed as a transient voltage surge sup-
pressor (TVSS). The surge suppressor must have a UL suppressed voltage rating of 400 volts or
less and a minimum surge dissipation of 450 joules. The surge suppressor must be electrically
rated for 120 volts AC and 15 amps.
b. If the walking belt is overtightened, treadmill perfor-
mance may decrease and the walking belt may be-
come damaged. Remove the key and UNPLUG THE
POWER CORD. Using the allen wrench, turn both
rear roller adjustment bolts counterclockwise, 1/4 of a
turn. When the walking belt is properly tightened, you
should be able to lift each side of the walking belt 3 to
4 inches off the walking platform. Be careful to keep
the walking belt centered. Plug in the power cord, in-
sert the key and run the treadmill for a few minutes.
Repeat until the walking belt is properly tightened.
c. If the walking belt still slows when walked on, please call our toll-free HELPLINE.
PROBLEM: The walking belt is off-center or slips when walked on
SOLUTION: a. If the walking belt has shifted to the left, first remove
the key and UNPLUG THE POWER CORD. Using the
allen wrench, turn the left rear roller adjustment bolt clock-
wise, and the right bolt counterclockwise, 1/4 of a turn
each. Be careful not to overtighten the walking belt. Plug
in the power cord, insert the key and run the treadmill for a
few minutes. Repeat until the walking belt is centered.
b. If the walking belt has shifted to the right, first re-
move the key and UNPLUG THE POWER CORD.
Using the allen wrench, turn the left rear roller adjust-
ment bolt counterclockwise, and the right bolt clockwise,
1/4 of a turn each. Be careful not to overtighten the
walking belt. Plug in the power cord, insert the key and
run the treadmill for a few minutes. Repeat until the
walking belt is centered.
c. If the walking belt slips when walked on, first remove
the key and UNPLUG THE POWER CORD. Using the
allen wrench, turn both rear roller adjustment bolts
clockwise, 1/4 of a turn. When the walking belt is cor-
rectly tightened, you should be able to lift each side of
the walking belt 3 to 4 inches off the walking platform.
Be careful to keep the walking belt centered. Plug in the
power cord, insert the key and carefully walk on the
treadmill for a few minutes. Repeat until the walking belt
is properly tightened.
PROBLEM: The incline of the treadmill does not change correctly or does not change when iFIT.com
CD’s and videos are played
SOLUTION: a. With the key inserted in the console, press one of the INCLINE buttons. While the incline is
changing, remove the key. After a few seconds, re-insert the key. The treadmill will automati-
cally rise to the maximum incline level and then return to the minimum level. This will recalibrate
the incline.
Rear Roller Adjustment Bolts
3”–4”
b
a
b
c

24
CONDITIONING GUIDELINES
The following guidelines will help you to plan your ex-
ercise program. Remember—these are general guide-
lines only. For more detailed exercise information, ob-
tain a reputable book or consult your physician.
EXERCISE INTENSITY
Whether your goal is to burn fat or to strengthen your
cardiovascular system, the key to achieving the
desired results is to exercise with the proper intensity.
The proper intensity level can be found by using your
heart rate as a guide. The chart below shows recom-
mended heart rates for fat burning and aerobic exercise.
To find the proper heart rate for you, first find your age
near the bottom of the chart (ages are rounded off to
the nearest ten years). Next, find the three numbers
above your age. The three numbers define your “train-
ing zone.” The lower two numbers are recommended
heart rates for fat burning; the higher number is the
recommended heart rate for aerobic exercise.
To measure your heart rate during exercise, use the
pulse sensor. If your heart rate is too high or too low,
adjust the speed and incline of the treadmill.
Fat Burning
To burn fat effectively, you must exercise at a relatively
low intensity level for a sustained period of time.
During the first few minutes of exercise, your body
uses easily accessible carbohydrate calories for en-
ergy. Only after the first few minutes does your body
begin to use stored fat calories for energy. If your goal
is to burn fat, adjust the speed and incline of the tread-
mill until your heart rate is near the lowest number in
your training zone.
For maximum fat burning, adjust the speed and incline
of the treadmill until your heart rate is near the middle
number in your training zone.
Aerobic Exercise
If your goal is to strengthen your cardiovascular sys-
tem, your exercise must be “aerobic.” Aerobic exercise
is activity that requires large amounts of oxygen for
prolonged periods of time. This increases the demand
on the heart to pump blood to the muscles, and on the
lungs to oxygenate the blood. For aerobic exercise,
adjust the speed and incline of the treadmill until your
heart rate is near the highest number in your training
zone.
WORKOUT GUIDELINES
Each workout should include the following three parts:
A Warm-up—Start each workout with 5 to 10 minutes
of stretching and light exercise. A proper warm-up in-
creases your body temperature, heart rate and circula-
tion in preparation for exercise.
Training Zone Exercise—After warming up, increase
the intensity of your exercise until your pulse is in your
training zone for 20 to 60 minutes. (During the first few
weeks of your exercise program, do not keep your
pulse in your training zone for longer than 20 minutes.)
Breathe regularly and deeply as you exercise—never
hold your breath.
A Cool-down—Finish each workout with 5 to 10 min-
utes of stretching to cool down. This will increase the
flexibility of your muscles and will help prevent post-ex-
ercise problems.
EXERCISE FREQUENCY
To maintain or improve your condition, complete three
workouts each week, with at least one day of rest be-
tween workouts. After a few months, you may com-
plete up to five workouts each week if desired.
The key to success is to make exercise a regular and
enjoyable part of your everyday life.
WARNING: Before beginning this
or any exercise program, consult your physi-
cian. This is especially important for individu-
als over the age of 35 or individuals with pre-
existing health problems.
The pulse sensor is not a medical device.
Various factors, including your movement,
may affect the accuracy of heart rate readings.
The sensor is intended only as an exercise aid
in determining heart rate trends in general.

25
SUGGESTED STRETCHES
The correct form for several basic stretches is shown at the right. Move slowly as you stretch—never bounce.
1. Toe Touch Stretch
Stand with your knees bent slightly and slowly bend forward from
your hips. Allow your back and shoulders to relax as you reach
down toward your toes as far as possible. Hold for 15 counts,
then relax. Repeat 3 times. Stretches: Hamstrings, back of knees
and back.
2. Hamstring Stretch
Sit with one leg extended. Bring the sole of the opposite foot to-
ward you and rest it against the inner thigh of your extended leg.
Reach toward your toes as far as possible. Hold for 15 counts,
then relax. Repeat 3 times for each leg. Stretches: Hamstrings,
lower back and groin.
3. Calf/Achilles Stretch
With one leg in front of the other, reach forward and place your
hands against a wall. Keep your back leg straight and your back
foot flat on the floor. Bend your front leg, lean forward and move
your hips toward the wall. Hold for 15 counts, then relax. Repeat
3 times for each leg. To cause further stretching of the achilles
tendons, bend your back leg as well. Stretches: Calves, achilles
tendons and ankles.
4. Quadriceps Stretch
With one hand against a wall for balance, reach back and grasp
one foot with your other hand. Bring your heel as close to your
buttocks as possible. Hold for 15 counts, then relax. Repeat 3
times for each leg. Stretches: Quadriceps and hip muscles.
5. Inner Thigh Stretch
Sit with the soles of your feet together and your knees outward.
Pull your feet toward your groin area as far as possible. Hold for
15 counts, then relax. Repeat 3 times. Stretches: Quadriceps
and hip muscles.
1
2
3
4
5

26
NOTES

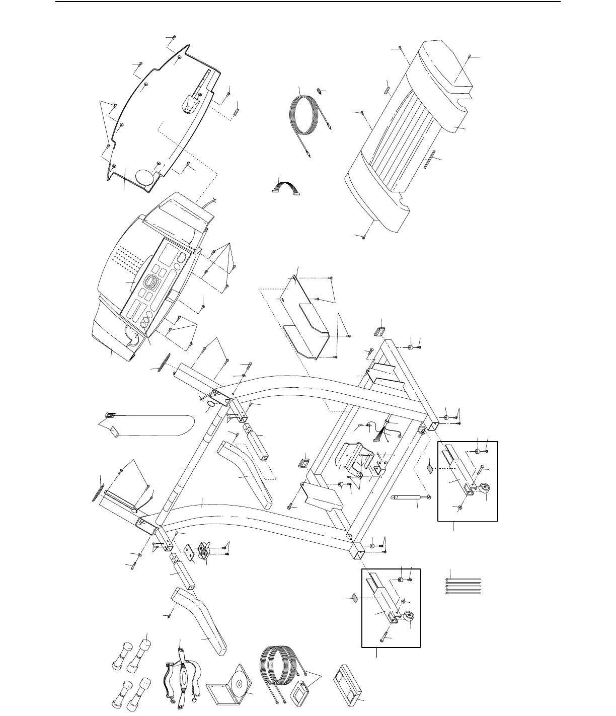
PART LIST—Model No. 831.299570 R0501A
1 1 Motor Belt
2 1 Pulley/Flywheel/Fan
3 4 Motor Nut
4* 1 Motor/Pulley/
Flywheel/Fan
5 1 Incline Motor Bolt
6** 1 iFIT.com Video
7 1 Incline Motor
8 1 Stop Bracket
9* 1 Latch Assembly
10** 1 Hand Weight Set
11 1 Rear Foot Spacer
12 1 Frame
13 1 Hand Pulse Wire
14 1 Incline Motor Pivot Bolt
15 8 Incline Motor Nut
16 8 Hood Screw/Guide
Screw
17 4 Plastic Stand-off
18 2 Hood Bracket (short)
19 1 Hood Bracket (long)
20 2 Warning Decal
21 1 Reed Switch
22 1 Reed Switch Clip
23 1 Motor/Controller Wire
24 1 Controller
25 1 Electronics Bracket
26 1 Circuit Breaker
27 1 Power Cord
28 1 Power Cord Grommet
29 1 On/Off Switch
30 18 Hood Bracket Screw/
Incline Shield Screw
31 1 Incline Base
32 2 Frame Pivot Bolt
33 2 Frame Pivot Spacer
34 1 Upright Wire Harness
35 1 Front Roller Adj. Bolt
36 3 Roller Adj. Washer
37 2 Motor Tension Nut/
Front Roller Nut
38 4 Motor Bolt
39 2 Cap Screw
40 1 Left Foot Rail Cap
41 2 Foot Rail
42 1 Front Roller/Pulley
43 1 Magnet
44 2 Platform Screw (mid)
45 2 Isolator
46 10 Isolator Screw
47 15 Plastic Fastener
48 1 Foam Grip (Right)
49 2 Belt Guide
50 1 Book Holder
51 1 Front Belly Pan
52 1 Power Supply
53 4 Cable Tie Clamp
54 4 Cable Tie
55 1 Walking Belt
56 1 Latch Spacer
57 1 Rear Roller
58 1 Belly Pan Spacer
59 2 Rear Foot
60 7 Rear Foot Screw
61 1 Ground Wire
62 5 Ground Wire Screw
63 1 Belly Pan
64 1 Rear Endcap
65 2 Rear Roller Adj. Bolt
66 1 Motor
67 1 Latch Decal
68 4 Platform Screw
69** 1 iFIT.com Module
70 1 Catch
71 1 Walking Platform
72 5 8” Cable Tie
73 1 Jack
74 1 Motor Tension Bolt
75 2 Foot Rail Insert
76 14 Small Screw
77 1 Console
78 1 Ground Washer
79 4 Long Screw
80 1 iFIT.com Wire
81 4 Motor Star Washer
82 1 Upright
83 2 Incline Base Pivot Bolt
84 1 iFIT.com CD
85 2 Handrail Extension
86 2 Wheel Bolt
87 1 Console Base
88 1 Motor Tension Washer
89 12 1/2” Screw
90 1 Key/Clip
91 1 Incline Motor Plate
92 1 Right Foot Rail Cap
93 1 Motor Tension Bushing
94 1 Motor Hood
95 2 Front Wheel
96 1 Incline Motor Shield
97 4 Thick Base Pad
98 1 12” Audio Wire
99 1 Upright Grommet
100 1 Allen Wrench
101 21 Screw
102 1 Audio Wire Nut
103 2 Extension Leg
104 2 Base Endcap
105 1 Shock
106 1 Choke
107 2 Pulse Bar Bolt
108 2 Pulse Bar Washer
109 1 Pulse Bar
110 1 Foam Grip (Left)
111 1 Trim Guard
112 1 Shield
113 2 Static Decal
114* 2 Extension Leg
Assembly
115 2 Incline Pivot Nut
116 1 Console Base Bottom
117 2 Upright Endcap
118** 1 Chest Pulse Sensor
119 2 Base Pad
120 1 Rubber Ring
121 1 Frame Guide
122 2 Frame Guide Screw
123 2 Interface Bracket
# 1 8” White Wire, 2F
# 1 4” White Wire, M/F
# 1 8” Blue Wire, 2F
# 1 4” Blue Wire, 2F
# 1 4” Black Wire, 2F
# 1 4” Green Wire, F/Ring
# 1 8” Green Wire, 2 Ring
# 1 7” Green Wire, M/Ring
# 1 4” Red Wire, M/F
# 1 20” Wire Harness
# 1 User's Manual
# These parts are not illustrated
* Includes all parts shown in the
box
**These parts are optional. For infor-
mation about the iFIT.com module,
iFIT.com CD’s, or iFIT.com video-
cassettes, see your local SEARS
or call toll-free 1-800-884-0620.
For information about the optional
hand weight set or chest
pulse sensor, see page 19.
Key
No. Qty. Description Key
No. Qty. Description Key
No. Qty. Description
To locate the parts listed below, refer to the EXPLODED DRAWING attached in the center of this manual.

17
52
106
16
16
49
24
89 70
100
112
121 122
57
8127
15
125
126
125
128
124
41
27
28
29
30
26
18
30
115
19
30
14
15
35
36
32
33
15
31
38
39
15
115
30 18
30
22
21
3
1
3
4*
2
39
40
92
33
43
42
32
68
44
45
46
41
71
55
68
44
101
101
47
45
46
47
47 62
53
54
59
60
62
61
64
65
60
59 47
63
57
67
51
66
36
65
36
68
68
12
75
75
37
74
37
81
98
93
88
16
16
11
37
25
58
101
62
30
16
49
102
47
123
123
EXPLODED DRAWING—Model No. 831.299570 R0501A
SAVE THE EXPLODED DRAWING
FOR FUTURE REFERENCE.
To identify the parts shown on this exploded drawing, refer to the
PART LIST on page 27 of the USER’S MANUAL.

107
109
87
77
117
117
86
15
86
15
Kirk Niebergall
PRODUCT LIT. GROUP
110
76
89
89
46
46
116
50
89
46
46
46
113
120
13
103
30
97
101
96
97
101
83
83
82
101 16
101
94
101
91
99
62
72
105
16
34
23
80
73
20
108 107
85
76
90
76
10**
79
79
118**
101
119
101
119
95
103
95
114*
114* 104
104
97
101
97
101
113
9
78
48
85
111
84
6**
69**
76
76
108
20
56
101
EXPLODED DRAWING—Model No. 831.299570 R0501A

Part No. 175423 R0501A Printed in USA © 2001 Sears, Roebuck and Co.
The model number and serial number of your PROFORM®755 CS
treadmill are listed on a decal attached to the frame. See the front
cover of this manual to find the location of the decal.
All replacement parts are available for immediate purchase or
special order when you visit your nearest SEARS Service Center.
To request service or to order parts by telephone, call the toll-free
numbers listed at the left.
When requesting help or service, or ordering parts, please be
prepared to provide the following information:
• The NAME OF THE PRODUCT (PROFORM®755 CS treadmill)
• The MODEL NUMBER OF THE PRODUCT (831.299570)
• The KEY NUMBER AND DESCRIPTION OF THE PART (see the
EXPLODED DRAWING in the center of this manual and the
PART LIST on page 27).
Model No. 831.299570
QUESTIONS?
If you find that:
• you need help assembling or
operating the PROFORM 755
CS treadmill
• a part is missing
• or you need to schedule repair
service
call our toll-free HELPLINE
1-800-736-6879
Monday–Saturday, 7 am–7 pm
Central Time (excluding holidays)
REPLACEMENT
PARTS
If parts become worn and need
to be replaced, call the following
toll-free number
1-800-FON-PART
(1-800-366-7278)
FULL 90 DAY WARRANTY
For 90 days from the date of purchase, if failure occurs due to defect in material or workmanship in this
SEARS TREADMILL EXERCISER, contact the nearest SEARS Service Center throughout the United
States and SEARS will repair or replace the TREADMILL EXERCISER, free of charge.
This warranty does not apply when the TREADMILL EXERCISER is used commercially or for rental pur-
poses.
This warranty gives you specific legal rights, and you may also have other rights which vary from state
to state.
SEARS, ROEBUCK AND CO., DEPT. 817WA, HOFFMAN ESTATES, IL 60179