Proform Petl50130 560Hr Treadmill Users Manual
2015-04-13
: Proform Proform-Petl50130-560Hr-Treadmill-Users-Manual-698601 proform-petl50130-560hr-treadmill-users-manual-698601 proform pdf
Open the PDF directly: View PDF
.
Page Count: 34

www.iconeurope.com
Página de internet
MANUAL DEL USUARIO
Clase HC Producto de Fitness
Núm. de Modelo PETL50130
Núm. de Serie
PRECAUCIÓN
Antes de usar el equipo, lea cui-
dadosamente todas las adver-
tencias e instrucciones de este
manual. Guarde el manual para
futuras referencias.
Escriba el número de serie en el es-
pacio arriba para futuras referencias.
Calcomanía con el
Número de Serie
¿PREGUNTAS?
Como fabricante, nosotros esta-
mos cometidos a proveer satis-
facción completa al cliente. Si
tiene alguna pregunta, o si faltan
piezas, por favor póngase en
contacto con el establecimiento
donde compró el equipo.

2
CONTENIDO
PRECAUCIONES IMPORTANTES . . . . . . . . . . . . . . . . . . . . . . . . . . . . . . . . . . . . . . . . . . . . . . . . . . . . . . . . . . . . 3
ANTES DE COMENZAR. . . . . . . . . . . . . . . . . . . . . . . . . . . . . . . . . . . . . . . . . . . . . . . . . . . . . . . . . . . . . . . . . . . . . 5
ESQUEMA DE MONTAJE E IDENTIFICACION DE PARTES . . . . . . . . . . . . . . . . . . . . . . . . . . . . . . . . . . . . . . . . 6
OPERACION DE LA MAQUINA PARA CORRER . . . . . . . . . . . . . . . . . . . . . . . . . . . . . . . . . . . . . . . . . . . . . . . . 11
COMO PLEGAR Y MOVER LA MÁQUINA PARA CORRER . . . . . . . . . . . . . . . . . . . . . . . . . . . . . . . . . . . . . . . . 25
PROBLEMAS . . . . . . . . . . . . . . . . . . . . . . . . . . . . . . . . . . . . . . . . . . . . . . . . . . . . . . . . . . . . . . . . . . . . . . . . . . . . 27
GUÍAS DE EJERCICIO FÍSICO . . . . . . . . . . . . . . . . . . . . . . . . . . . . . . . . . . . . . . . . . . . . . . . . . . . . . . . . . . . . . . 29
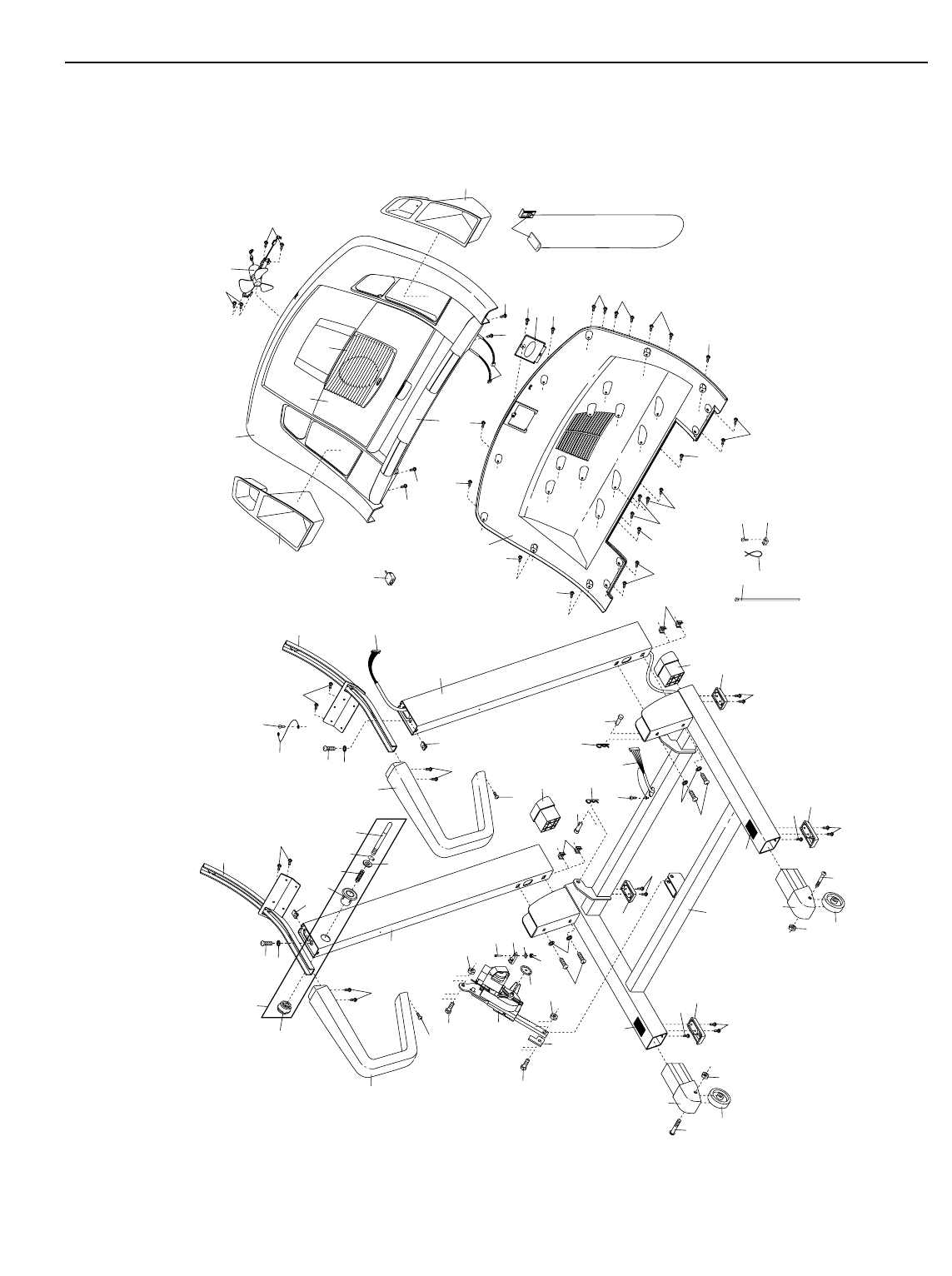
LISTA DE PIEZAS . . . . . . . . . . . . . . . . . . . . . . . . . . . . . . . . . . . . . . . . . . . . . . . . . . . . . . . . . . . . . . . . . . . . . . . . 30
COMO SOLICITAR PIEZAS DE REPUESTO . . . . . . . . . . . . . . . . . . . . . . . . . . . . . . . . . . . . . . . . . . Contraportada
Nota: Un DIBUJO DE LAS PIEZAS se incluye en el centro de este manual.
PROFORM es una marca registrada de ICON Health & Fitness, Inc.

3
AVISO:Para reducir el riesgo de quemaduras, fuego, electrocutamiento o lesiones a personas,
lea las siguientes precauciones importantes e información antes de operar la máquina para correr.
1. Es la responsabilidad del propietario asegu-
rarse de que todos los usuarios de la má-
quina para correr estén adecuadamente infor-
mados sobre todos los avisos y precaucio-
nes necesarios.
2. Use la máquina para correr solamente como
se describe en este manual.
3. Coloque la máquina para correr en una su-
perficie plana, con al menos 2,5 m de espacio
libre en la parte trasera y 0,5 m en cada lado.
No coloque la máquina para correr sobre una
superficie que pueda bloquear cualquier
apertura de aire. Para proteger el piso o la al-
fombra de cualquier daño, coloque un tapete
debajo de la máquina para correr.
4. Guarde la máquina para correr en un lugar ce-
rrado, lejos del polvo y la humedad. No
guarde la máquina para correr en el garaje o
en un patio cubierto o cerca de agua.
5. No utilice la máquina para correr en lugares
en donde se usen aerosoles o donde se admi-
nistre oxígeno.
6. Mantenga a los niños menores de 12 años y
animales domésticos lejos de la máquina para
correr en todo momento.
7. La máquina para correr deberá ser usada sola-
mente por personas cuyo peso sea de 115 kg o
menos. Nunca permita que más de una per-
sona use la máquina para correr al mis tiempo.
8. Vista un vestuario apropiado cuando use la
máquina para correr. No use ropa suelta que
pueda engancharse en cualquier parte de la
máquina para correr. Ropa de deporte ajus-
tada es recomendable para hombres y muje-
res. Utilice siempre calzado de deporte.
Nunca use la máquina para correr descalzo,
en calcetines o sandalias.
9. Cuando conecte el polo de tierra (vea la pá-
gina 10), enchufe el cable eléctrico en un cir-
cuito de tierra. Ningún otro aparato deberá
estar conectado al mismo circuito.
10. Si necesita un cable de extensión, use solo un
cable de 1,5 m o menos de largo.
11. Mantenga el cable eléctrico lejos de superfi-
cies calientes.
12. Nunca ponga en movimiento la banda para
caminar mientras que el aparato esté apa-
gado. No ponga a funcionar su máquina para
correr si el cable eléctrico o el enchufe están
dañados o si la máquina para correr no está
funcionando correctamente. (Vea la sección
ANTES DE COMENZAR en la página 5 si la
máquina para correr no está funcionando co-
rrectamente.)
13. Nunca ponga en funcionamiento la máquina
para correr mientras esté parado en la banda
para caminar. Sujete siempre la baranda
cuando haga ejercicio en la máquina para co-
rrer.
14. La máquina para correr es capaz de alcanzar
altas velocidades. Ajuste la velocidad gra-
dualmente para evitar cambios repentinos de
velocidad.
15. El sensor de pulso no es un dispositivo mé-
dico. Varios factores, incluyendo el mismo mo-
vimiento de la persona haciendo ejercicio,
pueden afectar la exactitud de la lectura del
pulso. El sensor de pulso está diseñado única-
mente como ayuda para el ejercicio, determi-
nando el ritmo cardíaco usual en general.
16. Nunca descuide la máquina para correr mien-
tras esté funcionando. Siempre saque la llave,
desconecte el cable eléctrico y mueva el inte-
rruptor de prender/apagar a la posición de
apagar cuando la máquina para correr no esté
en uso. (Vea el dibujo en la página 5 para loca-
lizar el interruptor de prender/apagar.)
17. No trate de levantar, bajar, o mover la máquina
para correr hasta que no esté correctamente
ensamblada. (Vea ESQUEMA DE MONTAJE E
IDENTIFICACION DE PARTES en la página 6, y
COMO PLEGAR Y MOVER LA MAQUINA PARA
CORRER en la página 25.) Usted debe poder
cargar 20 kg sin ningún problema para poder
levantar, bajar, o mover la máquina para correr.
18. Cuando pliegue o mueva la máquina para co-
rrer, asegúrese que el seguro de almacena-
miento esté completamente cerrado.
PRECAUCIONES IMPORTANTES

4
19. Al usar los discos compactos y videos de
iFIT.com, un sonido electrónico “pío” le aler-
tará cuando la velocidad e/o inclinación de la
máquina para correr está por cambiar.
Siempre escuche por el sonido “pío” y esté
preparado para los cambios en velocidad e/o
inclinación. En algunos casos, la velocidad
e/o inclinación puede cambiar antes que el
entrenador personal describe el cambio.
20. Al usar los discos compactos y videos de
iFIT.com, usted puede cambiar manualmente
los ajustes de la velocidad e inclinación en
cualquier momento presionando los botones
de Velocidad e Inclinación. Sin embargo, al
escuchar el próximo “pío”, la velocidad e/o
inclinación cambiará al próximo ajuste del
programa del disco compacto o video.
21. Siempre quite los discos compactos y videos
de iFIT.com de su tocador de discos compactos
o videograbadora cuando no los estén usando.
22. Inspeccione y apriete apropiadamente todas
las piezas de la máquina para correr regular-
mente.
23. Nunca inserte objetos en ninguna abertura.
24. PELIGRO:Desconecte siempre el
cable eléctrico después de usar, antes de lim-
piar la máquina de correr, y antes de realizar
operaciones de mantenimiento o ajuste reco-
mendados en el manual. Nunca quite la cu-
bierta del motor a menos que sea bajo la di-
rección de un representante de servicio auto-
rizado. Otros servicios que no estén inclui-
dos en los procedimientos de este manual, se
deban llevar a cabo solamente por un repre-
sentante de servicio autorizado.
25. Esta máquina para correr está diseñada para
uso dentro del hogar solamente. No use esta
máquina para correr en ningún lugar comer-
cial, de alquiler o institucional.
AVISO: Antes de comenzar éste o cualquier programa de ejercicios, consulte a su médico.
Esto es muy importante especialmente para personas mayores de 35 años o que tengan problemas
de salud pre-existentes. Lea todas la instrucciones antes de usar. ICON no asume ninguna responsa-
bilidad por lesiones personales o daños materiales sufridos por o a través del uso de este producto.
GUARDE ESTAS INSTRUCCIONES
Refiérase al dibujo de la derecha. Localice las calcomanías de advertencia indicadas,
en la máquina para correr. Nota que el texto en las calcomanías de advertencia están
en inglés. Saque las calcomanías que están en español, presione las calcomanías de
advertencia de tal manera que cubran la que están en
inglés.
Si no se incluyen las calcomanías de advertencia, o
no son leíbles, por favor póngase en contacto con el
establecimiento donde compró el equipo para solici-
tar una reposición sin costo (vea la portada de este
manual). Aplique las calcomanías en los lugares que
se muestran.
Nota: las calcomanías no se muestran en sus tamaños
actuales.

5
Gracias por seleccionar la máquina para correr
PROFORM®560 HR revolucionaria. La máquina para
correr 560 HR ofrece una variedad impresionante de
características para ayudarle a logar sus metas de bie-
nestar físico en la conveniencia y privacía de su hogar.
Desde lo avanzado de la consola hasta el caminar en
la plataforma con amortiguadores, la máquina para co-
rrer 560 HR ha sido diseñada para hacer su sesión de
ejercicios más efectiva y deleitable. Y cuando no esté
haciendo ejercicio, la máquina para correr se puede ple-
gar, requiriendo menos de la mitad de espacio que otras
máquinas para correr.
Para su beneficio, lea el manual cuidadosamente
antes de usar la máquina para correr. Si tiene pre-
guntas, póngase en contacto con el establecimiento de
donde compró la máquina para correr. El número del
modelo de la máquina para correr es PETL50130. El
número de serie se puede buscar en la calcomanía pe-
gada a la máquina para correr (vea la portada de éste
manual para su localización).
Antes de seguir leyendo, por favor estudie el dibujo
abajo y familiarícese con las piezas y sus nombres.
Baranda
Perilla del Pasador
Consola
Charola de Accesorios
Llave/Sujetado
Cortacircuito
Interruptor de
Prender/Apagar
Banda para Caminar
Riel para el Pie
Plataforma Acolchada para
Caminar
ATRÁS
LADO DERECHO
Perno de Ajuste
del Rodillo Trasero
Ventilador
Sensor de Pulso
del Mango
ANTES DE COMENZAR

6
Tornillo de 3/4” (6)–20
Arandela Estrella
Interna (72)–6
Perno de 1 1/4” (104)–4 Perno de la Rueda (107)–2
Tuerca de la Rueda (21)–2
Tornillo Plateado de 2” (93)–2
Tornillo de 1 1/4” (92)–2
Perno de 1” (71)–2
Para asistencia con la identificación de las piezas del montaje, refiérase a los dibujos abajo. Nota: Las piezas del
montaje y otras piezas pequeñas han sido envasadas en bolsas de piezas separadas. No abra las bolsas de
piezas hasta que se le den las instrucciones de hacerlo. (Las bolsas de piezas no han sido etiquetadas
de acuerdo al orden en que se deben abrir.) Si es que una pieza no se encuentra en las bolsas de piezas,
verifique si es que la parte no ha sido ya usada para armar parte del equipo.
ESQUEMA DE MONTAJE E IDENTIFICACION DE PARTES
El montaje requiere dos personas. Coloque todas las piezas de la máquina para correr en una área despejada
y quite los materiales de empaque. No se deshaga de los materiales de empaque hasta que el montaje se halla
completado. Nota: La parte debajo de la banda para caminar de la máquina para correr está cubierta con un lu-
bricante de alto rendimiento. Durante el envío, una porción mínima de lubricante se puede transferir a la parte
superior de la banda para caminar o al cartón de envío. Esta es una condición normal y no afecta el rendimiento
de la máquina para correr. Si hay lubricante en la parte superior de la banda para caminar, limpie el lubricante
con una tela suave y un detergente suave, no abrasivo.
El montaje requiere la llaves hexagonales que vienen incluidas y su propio destornillador de estrella
, cortador de alambre , mazo de goma , y una llave ingles a .
1. Abra la bolsa de piezas B. Identifique el Montante
Vertical Derecho (82) (el Montante Vertical Izquierdo [69]
tiene un orificio redondo grande en la ubicación que se
muestra). Tienda el Montante Vertical Derecho en el piso,
y corte las ataduras plásticas del extremo inferior. Luego,
avance el Cableado Eléctrico (83) por la parte inferior del
Montante Vertical Derecho y tírelo por el orificio en la parte
superior. Nota: Puede haber una atadura al final del
Cableado Eléctrico para ayudarle a sacarlo por el orificio.
Conecte el Montante Vertical Izquierdo (82) al sujetador
en el costado derecho de la Base (109) con dos Pernos
de 1 1/4” (104) y dos Arandelas Estrellas Internas (72).
(Nota: Le puede resultar más fácil el usar un mazo de
goma para insertar completamente el Montante Vertical
Derecho en el sujetador.) No apriete los Pernos todavía.
Tenga cuidado de no dañar el Cableado Eléctrico.
Conecte el Montante Vertical Izquierdo (69) al cos-
tado izquierdo de la Base (109) de la misma manera.
Nota: No hay cableado eléctrico el costado izquierdo
82
83
1
69
Orificio
109
104
72
Sujetador

7
69
82
113
73
83
71
71
72
72
4
85
83
2. Abra la bolsa de piezas C. Vea el dibujo 2a. Conecte
una Rueda (108) en cada Bastidor de Rueda (106) con
un Perno de la Rueda (107) y una Tuerca de la Rueda
(21) como se muestra. No apriete demasiado los
Pernos de Rueda.
Vea el dibujo 2b. Inserte un Bastidor de Rueda (106) en
la Base (109). (Nota: Le puede resultar útil usar un mazo
de goma para insertar completamente el Bastidor de
Rueda.) Luego, presione una Tapa de Extremo de la
Base (99) en la Base.
Repita este paso en el lado opuesto de la máquina
para correr.
3. Con la ayuda de otra persona, cuidadosamente voltee
los Montantes Verticales (69, 82) hacia abajo de manera
que la máquina para correr gire en las Ruedas (108)
como se muestra.
Ponga un Tornillo de 3/4” (6) en un costado de la Base
(109) y uno de los Bastidores de Ruedas (106). Conecte
una Almohadilla de la Base Trasera (105) larga y una
Almohadilla de la Base Delantera (100) corta a la Base
con cuatro Tornillos de 3/4” (6) adicionales como se
muestra.
Repita este paso en el otro lado de la máquina para
correr.
Con la ayuda de una segunda persona, cuidadosamente
levante los Montajes Verticales (69, 82) a la posición
vertical.
4. Abra la bolsa de piezas A. Con la ayuda de una se-
gunda persona, sujete la Base de la Consola (85) cerca
de los Montantes Verticales (69, 82) como se muestra.
Conecte el Cableado Eléctrico (83) al cableado eléctrico
en el Sujetador de la Baranda Derecha (113). Asegúrese
de conectar los conectadores apropiadamente (vea
los dibujos del recuadro). Los conectadores deben
deslizarse juntos fácilmente y sonar cuando entran en
su lugar. Si es que los conectores no se deslizan fácil-
mente y se abrochan con seguridad, gire uno de ellos y
trate de conectarlos de nuevo. SI LOS CONECTADORES
NO ESTAN CONECTADOS APROPIADAMENTE, LA
CONSOLA SE PUEDE DAÑAR CUANDO SE EN-
CIENDA LA CORRIENTE. Inserte los cableados eléctricos
en el Montante Vertical Derecho (82).
Afirme los Sujetadores de Baranda (73, 113) sobre los
Montantes Verticales (69, 82). Apriete con las manos los
Pernos de 1” (71) con Arandelas Estrella Internas (72)
en los Sujetadores de la Baranda y los extremos supe-
riores de los Montantes Verticales como se muestra.
Empuje los Sujetadores de la Baranda hacia el cen-
tro de la máquina para correr. Luego, apriete ambos
Pernos.
105
105
108
109 106
106
106
108
21
6
6
106
108
106
99
109
107
107
2a
2b
108
109
69
82
3
6
6
100
6
100

8
113
81
Lengüeta 85
68
6
6
6
80
76
75
69
77
7
70
(81)
Orilla Curva
(68)
5. Sostenga la Barra de Pulso (125) cerca de la Base de la
Consola (85). Conecte el Alambre de Pulso (124) sobre
la Barra de Pulso con el alambre indicado sobre la Base
de la Consola. Los conectores deben unirse fácil-
mente y abrocharse con seguridad. Si es que los co-
nectores no se unen fácilmente y se abrochan con segu-
ridad, gire uno de ellos y trate de conectarlos nueva-
mente. Inserte los alambres en el orificio en la Base de
la Consola.
Solicite que una segunda persona sostenga la Barra de
Pulso (125) firmemente sobre la Base de la Consola
(85). Conecte la Barra de Pulso a la Base de la Consola
con dos Tornillos de 1 1/4” (92) en las ubicaciones
que se muestran. Tenga cuidado de no dañar el
Alambre de Pulso (124) o el alambre de la Base de la
Consola. Luego, ponga dos Tornillos Plateados de 2”
(93) en la Base de la Consola y la Barra de Pulso en las
ubicaciones que se muestran. Nota: Debe usar los
Tornillos correctos en la ubicaciones correctas, o
sino la Barra de Pulso puede resultar dañada.
6. Identifique la Baranda Izquierda e Derecha (68, 81) (vea
las vistas laterales de las Barandas en el dibujo interior).
Las orillas curvas de las Barandas deben quedar hacia
fuera.
Deslice la Baranda Derecha (81) sobre el Sujetador de
la Baranda Derecha (113), y presione la lengüeta al
frente de la Baranda Derecha hacia debajo de la Base
de la Consola (85). (Nota: Puede resultar útil el inclinar
la Baranda Derecha y darle pequeños golpecitos con un
mazo de goma para posicionarla correctamente.)
Atornille tres Tornillos de 3/4” (6) en la Baranda Derecha
como se muestra. Nota: Puede ser necesario el mover
el extremo inferior de la Baranda Derecha levemente
para ponerla en línea con el orificio del tornillo.
Conecte la Baranda Izquierda (68) de la misma ma-
nera.
Vea el paso de montaje 1. Apriete los cuatro Pernos
de 1 1/4” (104).
7. Presione la Camisa de la Perilla del Pasador (75) en el
Montante Vertical Izquierdo (69). Nota: Puede ser útil
usar un mazo de goma para insertar completamente la
Camisa de la Perilla del Pasador.
Saque la Perilla del Pasador (70) de la Clavija del
Pasador (80). Asegúrese que el Collar de la Clavija del
Pasador (76) y el Resorte de Pasador (77) estén en la
Clavija del Pasador. (Nota: Si es que hay dos Collares
de Clavija del Pasador, ponga uno en cada parte del
Resorte.) Inserte la Clavija del Pasador en el Montante
Vertical Izquierdo (69) y apriete la Perilla del Pasador
sobre la Clavija del Pasador.
92
85
125
5
92 93
124
93
124

9
9. Asegúrese de apretar todas las piezas antes de utilizar la máquina para correr. Nota: materiales de
quincallería adicional pueden haber sido incluidos. Mantenga las llaves hexagonal incluidas en un lugar se-
guro. La llave hexagonal grande se usa para ajustar la banda para caminar (vea la página 28). Para proteger
el suelo o la alfombra de daño, coloque un tapete debajo de la máquina para correr.
8. Levante el Marco (54) a la posición de guardar. (Vea
COMO PLEGAR Y MOVER LA MAQUINA PARA CO-
RRER en la página 25.) Agregue las Patas Traseras
Izquierda y Derecha (63, 58) a las superficies inferiores
de las Tapas de Extremos Traseras Izquierda y Derecha
(64, 62) con cuatro Tornillos de 3/4” (6) como se mues-
tra. Nota: Hay calcomanías que identifican las Patas
Traseras Izquierda y Derecha. Asegúrese de no
apretar demasiado los Tornillos.
58
6
6
63 62
64
54
8

10
1. Asegúrese que el cable eléctrico esté desenchufado.
Quite el Tornillo de 3/4" (6) indicado y la Puerta de
Acceso (94) de la Cubierta de la Consola (95).
2. Quite el papel de la almohadilla adhesiva en la parte de
atrás del recibidor (A). Sostenga el recibidor de tal ma-
nera que el cilindro pequeño esté cerca de la orilla
inferior y que esté mirando la Consola (88) como se
muestra. Firmemente presione el recibidor a la esquina
indicada de la Puerta de Acceso (94). Conecte el alam-
bre en el recibidor al alambre indicado extendiendo de la
Consola.
3. Asegúrese que ningún cable se esté pellizcando.
Vuelva a conectar la Puerta de Acceso (94) con el
Tornillo de 3/4" (6). Los otros cables incluidos con el reci-
bidor se pueden deshechar.
Si usted compra el sensor de pulso para el pecho opcional (vea la página 24), siga los pasos de abajo
para instalar el recibidor y los alambres cortos de empalme incluidos con el sensor de pulso para el
pecho.
A
6
94
Cilindro
95
88
Alambre
Alambre

11
OPERACION DE LA MAQUINA PARA CORRER
BANDA PARA CAMINAR “PERFORMANT LUBE”TM
Su máquina de correr tiene una banda para caminar cubierta con PERFORMANT LUBETM, un lubricante de alto
rendimiento. IMPORTANTE: Nunca aplique aerosol de silicio o otras sustancias a la banda para caminar o
a la plataforma. Esto puede deteriorar la banda para caminar y causar demasiado desgaste.
INSTRUCCIONES PARA CONECTAR POLO DE TIERRA
Este aparato debe estar conectado a un polo de tierra. Si lle-
gara a fallar o estropearse, la salida a tierra ofrece un camino de
menor resistencia a la corriente eléctrica reduciendo el riesgo de
una descarga eléctrica. Este producto está equipado con un cable
que tiene un conductor de tierra y un enchufe de tierra.
Se incluyen dos cables eléctricos. Seleccione el que cabrá en
su toma corriente. Refiérase al dibujo 1, y enchufe el extremo
indicado en el toma corriente en la máquina de correr. A conti-
nuación, levante la lengüeta en la caja y enganche la caja ferrite
alrededor del cable eléctrico. Sujete por favor el atajador plás-
tico incluido atrás de la caja ferrite y corte el plástico que ex-
ceso. La atadura plástica prevendrá que la caja de ferrita se
deslice a lo largo del cable eléctrico. Refiérase al dibujo 2.
Enchufe el cable eléctrico en un toma corriente que esté apro-
piadamente instalado a tierra de acuerdo con todos los códi-
gos y ordenanzas locales. Importante: La máquina de correr no
es compatible con toma corrientes equipados con GFCI
(Interruptor de Circuito con Prueba de Tierra).
Importante: Si el cable eléctrico está dañado, se debe reemplazar
con un cable eléctrico recomendado por el fabricante.
PELIGRO:El no conectar el enchufe a tierra adecuadamente puede ocasionar una descarga
eléctrica. Verifique con un electricista cualificado o con el personal de servicio cualquier duda que
tenga con respecto a la conexión a tierra. No modifique el enchufe original—si ésta no se adapta al
toma corriente, el toma corriente es el que deberá ser cambiado por un electricista cualificado.
1
2
Toma Corriente en la
Máquina de Correr
Toma Corriente
Lengüeta
Caja Ferrite
Atajador
Plástico

12
COMO APLICAR LA CALCOMANÍA
La calcomanía de advertencia que tiene en la consola
está escrita en Inglés. La página de calcomanías que
se incluye contiene la misma información pero en
cuarto idiomas diferentes. Encuentre la calcomanía
que esté escrita en español. Pele la calcomanía y co-
lóquela en la consola en el lugar en que se muestra.
CARACTERÍSTICAS DE LA CONSOLA
La consola de la máquina para correr ofrece una varie-
dad impresionante de características que le ayudan a
obtener lo máximo de sus entrenamientos.
Cuando la función manual se seleccione, la velocidad y
la inclinación de la máquina para correr se pueden con-
trolar con el toque de un botón. A medida que usted
hace ejercicios, la consola le proveerá información conti-
nua de su ejercicio. Usted puede medir su ritmo cardí-
aco usando el sensor de pulso empotrado o el sensor de
pulso para el pecho opcional (vea la página 24).
Además, la consola ofrece cuatro programas preajusta-
dos. Cada programa automáticamente controla la veloci-
dad e inclinación de la máquina para correr mientras que
lo guía por un entrenamiento eficaz. También se ofrecen
2 programas de pulso. Cada programa ajusta la veloci-
dad e inclinación de la máquina para correr para mante-
ner su ritmo cardíaco cerca de su ritmo cardíaco como
meta mientras que usted hace ejercicios.
La consola también incorpora la tecnología interactiva
iFIT.com. El tener la tecnología interactiva iFIT.com es
como tener un entrenador personal en su hogar.
Usando un cable de audio (incluidas), usted puede co-
nectar la máquina para correr a su equipo estéreo en
el hogar o portátil, computadora, o grabador de video y
reproducir programas especiales de disco compacto y
casete de video (Los discos compactos y cassetes de
video iFIT.com se hacen disponibles en forma sepa-
rada.) Los programas de disco compacto y casete de
video iFIT.com controlan automáticamente la veloci-
dad e inclinación de la máquina para correr y le insta a
variar su velocidad mientras que un entrenador perso-
nal le guía en cada paso de su sesión de ejercicios. La
música de alta energía agrega motivación. Para com-
prar los discos compactos y cassetes de video
iFIT.com, visite nuestro sitio en internet
www.iFIT.com.
Con la máquina para correr conectada a su computa-
dora. Usted también se puede conectar a nuestra pá-
gina web en www.iFIT.com y tener acceso a progra-
mas directamente del internet. Opciones adicionales
serán disponibles pronto. Explore www.iFIT.com
para tener más información.
Para usar la función manual de la consola, siga los
pasos que comienzan en la página 13. Para usar un
programa preajustado, vea la página 15. Para usar
un programa de pulso, vea la página 17. Para usar
un programa de disco compacto o video de
iFIT.com, refiérase al la página 21. Para usar un pro-
grama de iFIT.com directamente de nuestra página
de Internet, vea la página 23.
Nota: Si hay una hoja delgada de plástico transparente en la consola, retírela.
Sujetador
Llave
Botón de
Ventiladore

13
COMO ENCENDER LA CORRIENTE
Enchufe el cable eléctrico (vea la página 11).
Localice el cortacircui-
tos de prender/apagar
en la máquina para
correr cerca del cable
eléctrico. Asegúrese
que el cortacircuitos
de prender/apagar esté en la posición de prender.
Párese en los rieles para los pies de la máquina
para correr. Encuentre el sujetador conectado a la
llave (vea el dibujo a la página 12) y deslícelo a la
cintura de su ropa. A continuación, guie el cable
conectado al gancho debajo del sensor de
pulso del mango, e inserte la llave en la consola.
Después de un momento, las pantallas y varios
indicadores se encenderán. Pruebe el sujetador
cuidadosamente tomando unos pasos hacia
atrás hasta que la llave se salga de la consola.
Si la llave no se sale de la consola, ajuste la
posición del sujetador como sea necesario.
COMO USAR LA FUNCIÓN MANUAL
Inserte la llave completamente en la consola.
Vea COMO ENCENDER LA CORRIENTE arriba.
Seleccione la función manual.
Cuando la llave se
haya insertado, el
modo manual será se-
leccionado y el indica-
dor en el botón de
Control Manual se en-
cenderá. Si es que ha elegido un programa, pre-
sione el botón de Control Manual para seleccionar
el modo manual nuevamente.
Presione el botón de Comenzar o el botón de
Velocidad + para comenzar el programa.
Por un momento después que el botón se haya
presionado, la banda para caminar comenzará a
moverse a 1 mph. Sostenga las barandas y cuida-
dosamente comience a caminar. Mientras que
usted hace ejercicios, cambie la velocidad de la
banda para caminar como lo desee presionando
los botones de Velocidad + y –. Cada vez que el
botón se presione, el ajuste de velocidad cambiará
por 0,1 mph; si un botón se mantiene presionado,
el ajuste de velocidad cambiará en aumentos de
0,5 mph. Para cambiar el
ajuste de velocidad rápi-
damente, presione los
botones de Velocidad-
Rapidad [QUICK
SPEED] Nota: La con-
sola puede mostrar la velocidad y distancia en
millas o kilómetros. Para simplicidad, todas las
instrucciones en este manual se refieren a mi-
llas.
Para parar la banda para caminar, presione el
botón de Parar [STOP]. La pantalla de
Marcha/Tiempo [PACE/TIME] comenzará a pren-
derse y apagarse intermitentemente con constan-
cia. Para volver a comenzar la banda, presione el
botón de Comenzar [START] o el botón de
Velocidad +.
Nota: Durante los primeros pocos minutos que
usted use la máquina para correr, inspeccione la
alineación de la banda para caminar, y alinéela si
es necesario (vea la página 28).
Cambie la inclinación de la máquina para co-
rrer como se desea.
Para cambiar la inclinación
de la máquina para correr,
presione los botones de
Inclinación. Cada vez que
uno de los, botones se
presione, la inclinación
cambiará por 0,5%.
Siga su progreso con la gráfica y las pantallas.
La gráfica—Cuando la
función manual o la fun-
ción de iFIT.com se se-
lecciona, la gráfica mos-
trará una pista de 1/4 de
milla. Mientras que usted
hace ejercicios, los indi-
cadores alrededor de la pista se encenderán en su-
cesión hasta que toda la pista esté encendida. La
pista entonces se obscurecerá y los indicadores
otra vez comenzarán a encenderse en sucesión.
Pantalla de Inclinación
[INCLINE]—Esta panta-
lla muestra el nivel de in-
clinación de la máquina
para correr.
5
4
3
2
1
3
2
1
Posición
de
Prender

14
Pantalla de Ritmo
Cardiaco [HEART
RATE]—Esta pantalla
muestra el ritmo car-
diaco cuando usted usa
el sensor de pulso de
mango o el sensor de pulso para el pecho opcional.
Pantalla de Velocidad
[SPEED]—Esta pantalla
muestra la velocidad de
la banda para caminar.
Nota: Cuando el indica-
dor Métrico a un cos-
tado de la pantalla se enciende, la consola mos-
trará la velocidad y distancia en kilómetros;
cuando el indicador Métrico no está encendido, la
consola mostrará la velocidad y la distancia en
millas. Para cambiar la unidad de medida, vea
FUNCION INFORMACION/FUNCION DEMOS-
TRACION en la página 24.
Pantalla de Calorías/
Distancia [CALORIES/
DISTANCE]—Esta
pantalla muestra el nú-
mero aproximado de
calorías que usted ha
quemado y la distancia que usted ha caminado o
corrido. La pantalla cambiará de un número al
otro cada cuantos segundos, como se muestra
por los indicadores en la pantalla.
Pantalla de Tiempo/
Paso [TIME/PACE]—
Cuando se seleccione
la función manual o un
programa de iFIT.com,
esta pantalla muestra el
tiempo transcurrido y su paso actual (en minutos
por milla). Cuando un programa se selecciona
(para el programa de Auto Selección de ritmo car-
diaco), la pantalla mostrará el tiempo restante en
el programa. La pantalla cambiará de un número
al otro cada cuantos segundos, como se muestra
por los indicadores en la pantalla.
Para reajustar las pantallas, presione el botón de
Parar, quite la llave, y vuelva a insertar la llave.
Mida su ritmo cardiaco si lo desea.
Para usar el sen-
sor de pulso del
mango, primero
asegúrese que
sus manos estén
limpias. A conti-
nuación párese
en los rieles
para los pies y
sostenga el sensor de pulso del mango, con sus
manos en los contactos de metal. Evite mover
sus manos. Cuando el pulso se ha detectado,
dos guiones (– –) aparecerán en la pantalla de
Ritmo Cardiaco, y entonces su ritmo cardiaco se
mostrará. Para la lectura de ritmo cardíaco más
precisa, continúe sosteniendo los contactos
por aproximadamente 15 segundos.
Encienda los ventiladores si lo desea.
Para encender el ventilador, presione el botón de-
bajo del ventilador. Para encender el ventilador a
una velocidad alta, presione el botón otra vez.
Para apagar el ventilador, presioné el botón por
tercera vez. Nota: Algunos minutos después que
la banda para caminar se halla detenido, el venti-
lador se apagará automáticamente.
Cuando usted termine de hacer ejercicios,
quite la llave de la consola.
Pise los rieles para los pies, presione el botón de
Parar y asegúrese de que la inclinación de la
máquina para correr esté de la posición más
bajo. La inclinación tiene que estar en el
ajuste mínimo cuando la máquina para correr
se suba a la posición de almacenamiento o la
máquina para correr se dañará. A continuación,
quite la llave de la consola y guarde la llave en un
lugar seguro. Nota: Si las pantallas e indicado-
res en la consola se mantienen encendidos
después que se quite la llave, la consola está
en la función “demo.” Refiérase a la página 24
para apagar la función demo.
Cuando usted ha terminado de usar la máquina
para correr, mueva el interruptor de prender/apagar
cerca del cable eléctrico a la posición de apagar.
8
7
6
Contactos

COMO USAR PROGRAMAS PREAJUSTADOS
Inserte la llave completamente en la consola.
Vea COMO ENCENDER LA CORRIENTE en la
página 13.
Seleccione uno de los programas preajusta-
dos.
Cuando la llave se in-
serte, la función manual
se seleccionará. Para
seleccionar una rutina
preprogramada, pre-
sione el botón derecho
de Selección de
Programa (SELECT PROGRAM) repetidamente
hasta que uno de los cuatro indicadores de ruti-
nas preprogramadas se encienda.
Los diagramas al lado de los indicadores de ruti-
nas preprogramadas muestran como la velocidad
e inclinación de la máquina para correr van a
cambiar durante la rutinas preprogramadas.
Cuando se escoge una rutina preprogramada, la
pantalla de Velocidad va a destellar la velocidad
máxima del programa por unos segundos, y la
pantalla de Inclinación destellara con la
Inclinación máxima. La pantalla de Marcha/
Tiempo mostrará cuanto durará el programa.
La gráfica mostrará los
primeros cuatro ajustes
de velocidad del pro-
grama.
Presione el botón de Comenzar o el botón de
Velocidad + para comenzar el programa.
Un momento después que el botón se presione,
la máquina para correr automáticamente se ajus-
tará a los primeros ajustes de la velocidad e incli-
nación del programa. Sostenga las barandas y
comience a caminar.
Cada programa está dividido en varios segmentos
de tiempo de diferentes duraciones. Un ajuste de
velocidad y un ajuste de inclinación están progra-
mados para cada segmento. Nota: El mismo
ajuste de velocidad e/o inclinación se puede pro-
gramar para segmentos consecutivos.
El ajuste de velocidad para el primer segmento se
mostrará en la columna intermitente del Segmento
Actual de la gráfica. (Los ajustes de inclinación no
se muestran en la gráfica.) Los ajustes de velocidad
para los cuatro segmen-
tos se mostrarán en las
columnas a la derecha.
Cuando solo queden
tres segundos en el pri-
mer segmento del pro-
grama, ambas columnas
del Segmento Actual y
de la columna a la dere-
cha mostrará una señal intermitente y una serie
de tonos sonarán. Si la velocidad e/o inclinación
de la máquina para correr está por cambiar, la
pantalla de Velocidad y/o la pantalla de
Inclinación hará la señal intermitente para aler-
tarlo. Cuando el primer segmento se complete,
todos los ajustes de velocidad se moverán una
columna a la izquierda. El ajuste de velocidad
para el segundo segmento entonces se mostrará
en la columna intermitente del Segmento Actual y
la máquina para correr se ajustará automática-
mente a los ajustes de velocidad e inclinación
para el segundo segmento. Nota: Si todos los in-
dicadores en la columna del Segmento Actual
están encendidos después que los ajustes de ve-
locidad se han movido a la izquierda, los ajustes
de velocidad se moverán hacia abajo de tal ma-
nera que solo los indicadores más altos aparecen
en la pantalla del programa. Si algunos de los in-
dicadores en la columna del Segmento Actual no
están encendidos cuando los ajustes de velocidad
se vuelven a mover a la izquierda, los ajustes de
velocidad se moverán hacia arriba otra vez.
El programa continuará hasta que el ajuste de ve-
locidad para el último segmento se muestre en la
columna del Segmento Actual y no quede tiempo.
La banda para caminar entonces se detendrá
hasta parar.
Si el ajuste de velocidad o inclinación está muy
alto o muy bajo en cualquier momento durante el
programa, usted puede cambiar el ajuste manual-
mente presionando los botones de Velocidad o
Inclinación. Cada cuantos segundos uno de los
botones de Velocidad se presionan, un indicador
adicional se prenderá o obscurecerá en la co-
lumna del Segmento Actual. (Si alguna de las co-
lumnas a la derecha de la columna del Segmento
Actual tiene el mismo número de indicadores
prendidos que la columna del Segmento Actual,
un indicador adicional se puede prender o obscu-
recer en estas columnas también.) Nota: Cuando
el siguiente segmento del programa comience,
la máquina para correr se ajustará automática-
mente a los ajustes de velocidad e inclinación
para el siguiente segmento.
3
2
1
15
Segmento Actual

16
Para parar el programa, presione el botón de
Parar. La pantalla de Marcha/Tiempo comenzará
a prenderse y apagarse intermitentemente. Para
volver a comenzar el programa, presione el botón
de Comenzar o el botón de Velocidad +. La banda
para caminar comenzará a moverse a 1 mph.
Cuando el segmento siguiente del programa co-
mience, la máquina para correr se ajustará auto-
máticamente a los ajustes de velocidad e inclina-
ción para el siguiente segmento.
Siga su progreso con las pantallas.
Vea el paso 5 en la página 13.
Mida su ritmo cardíaco, si lo desea.
Vea el paso 6 en la página 14.
Encienda los ventiladores si lo desea.
Vea el paso 7 en la página 14.
Cuando usted termine de hacer ejercicios,
quite la llave de la consola.
Cuando el programa se haya terminado, asegú-
rese que la inclinación de la máquina para co-
rrer esté en el ajuste más bajo. A continuación,
quite la llave de la consola y guarde la llave en un
lugar seguro. Nota: Si las pantallas e indicado-
res en la consola se mantienen encendidos
después que se quite la llave, la consola está
en la función “demo.” Refiérase a la página 24
para apagar la función demo.
Cuando termine de usar la máquina para correr,
mueva el interruptor de prender/apagar cerca del
cable eléctrico a la posición de apagar y desen-
chufe el cable eléctrico.
7
6
5
4

17
COMO USAR PROGRAMAS DE RITMO CARDIACO
Póngase el sensor de pulso para el pecho op-
cional (vea la página 24).
Usted tiene que usar el sensor de pulso opcio-
nal para el pecho para usar un programa de
pulso.
Inserte la llave completamente dentro de la
consola.
Vea COMO ENCENDER LA CORRIENTE en la
página 13.
Seleccione un programa de ritmo cardíaco.
Cuando la llave se in-
serte, la función manual
se seleccionará. Para
seleccionar un programa
de ritmo cardiaco, pre-
sione el botón izquierdo
de Selección de
Programa repetidamente hasta que uno de los
dos indicadores de programa para ritmo cardiaco
se encienda.
Los diagramas al lado de los indicadores de pro-
grama para ritmo cardiaco muestran como el
ritmo cardiaco objetivo cambia durante los progra-
mas. Durante el programa de 85% Max., su ritmo
cardíaco alcanzará aproximadamente 85% de su
rimo cardíaco máximo estimado; durante el
Selección de Programa, su ritmo cardíaco se
mantendrá cerca de un nivel que usted haya se-
leccionado.
Nota: Su rimo cardíaco máximo estimado se de-
termina restando su edad de 220. Por ejemplo, si
usted tiene 30 años, su ritmo cardíaco máximo
estimado es 190 latidos por minuto (220-30=190).
Durante los programas
de ritmo cardíaco, la grá-
fica mostrará una gráfica
que representa su ritmo
cardíaco. Cada vez un
latido se descubrío, un
pico adicional aparecerá.
Entre su edad.
Cuando se selecciona un
programa de ritmo cardí-
aco, las letras “AGE” y el
ajuste de edad actual co-
menzará a hacer la señal
intermitente en la pantalla
de Ritmo Cardiaco. Si usted ya entro su edad, sim-
plemente presione el botón de Entre [ENTER]. Si
usted no ha entrado su edad, presione los botones
de + y – al lado de su botón de Entrar para entrar
su edad. Entonces, presione el botón de Entre.
Entre una velocidad máxima.
Después de poner su
edad, las letras “SPd” y
el ajuste de velocidad
máxima del programa
harán la señal intermi-
tente en la pantalla de
Ritmo Cardiaco. Si lo desea, presione los botones
de + y – al lado del botón de Entrar para cambiar
el ajuste de velocidad máximo. Cuando el ajuste
deseado se muestre, presione el botón de Entrar.
Si el programa de 85% Max. se selecciona,
siga al paso 7. Si es que un programa de ritmo
cardiaco diferente está seleccionado, vaya al
paso 6.
Entre su rimo cardíaco como meta.
Después de poner la ve-
locidad máxima, las le-
tras “PLS” y el ajuste de
ritmo cardíaco como
meta para el programa
hará la señal intermitente
en la pantalla de Ritmo Cardiaco. Si lo desea, pre-
sione los botones de + y – al lado del botón de
Entrar para cambiar el ajuste de ritmo cardíaco
como meta. Cuando el ajuste deseado se muestre,
presione el botón de Entrar .
6
5
4
3
2
1
PRECAUCIÓN:Si tiene proble-
mas de corazón, o si tiene más de 60 años de
edad y ha estado inactivo, no use los progra-
mas de ritmo cardíaco. Si usted está tomando
medicaciones regularmente, consulte con su
médico para saber si la medicación le afectará
su ritmo cardíco del ejercicio.

18
Presione el botón de Comenzar o el botón de
Velocidad + para comenzar el programa.
Un momento después que el botón se presione, la
máquina para correr automáticamente se ajustará a
los primeros ajustes de la velocidad e inclinación
del programa. Sostenga las barandas y comience a
caminar.
Cada programa de pulso se divide en varios seg-
mentos de tiempo con diferentes cantidades de
tiempo. Un ritmo cardíaco como meta se programa
para cada segmento. Nota: Si el Programa de Auto
Selección se selecciona, el mismo ritmo cardíaco
como meta se programa para todos los segmen-
tos.
Durante cada segmento, la consola regularmente
compara su ritmo cardíaco al ritmo cardíaco como
meta actual. Si su ritmo cardíaco está muy abajo
o muy arriba de su ritmo cardiaco como meta, la
velocidad de la máquina para correr automática-
mente aumentará o disminuirá para traer su ritmo
cardíaco más cerca al ritmo cardíaco como meta.
Si la velocidad alcanza el ajuste de velocidad má-
ximo del programa (vea el paso 5 en la página 17)
y su ritmo cardíaco todavía está muy abajo del
ritmo cardíaco como meta actual, la inclinación de
la máquina para correr también aumentará para
acercarlo más al ritmo cardíaco como meta.
Durante los últimos tres segundos de cada seg-
mento, una serie de tonos sonarán y la pantalla
de Velocidad y la pantalla de Inclinación harán la
señal intermitente.
El programa continuará hasta que el último seg-
mento se termine. La banda para caminar enton-
ces se detendrá hasta parar.
Si la velocidad o el ajuste de inclinación está muy
alto o muy bajo, usted puede cambiar el ajuste
con los botones de Velocidad o Inclinación. Sin
embargo, cada vez que la consola compara su
ritmo cardíaco al ajuste actual de ritmo cardíaco
como meta, la velocidad e/o inclinación de la má-
quina para correr puede automáticamente aumen-
tar o disminuir para acercarlo al ajuste de ritmo
cardíaco como meta.
Si no se detecta su pulso durante el programa, las
letras “PLS” harán la señal intermitente en la panta-
lla de Ritmo Cardiaco y la velocidad e inclinación de
la máquina para correr puede disminuir automática-
mente hasta que se detecte su pulso. Si esto ocu-
rre, vea en la página 24.
Para parar el programa en cualquier momento,
presione el botón de Parar. Los programas de
ritmo cardíaco no se deben parar temporalmente
y entonces reanudar. Para usar otra vez un pro-
grama de ritmo cardíaco, vuelva a seleccionar el
programa y comiéncelo desde el principio.
Siga su progreso con las pantallas.
Vea el paso 5 en la página 13.
Nota: Durante los pro-
gramas de ritmo car-
diaco, la pantalla arriba
de la pantalla de Ritmo
Cardiaco mostrará su
ritmo cardiaco en forma
de porcentaje de su
ritmo cardiaco máximo
estimado.
Encienda los ventiladores si lo desea.
Vea el paso 7 en la página 14.
Cuando usted termine de hacer ejercicios,
quite la llave de la consola.
Vea el paso 7 en la página 16.
10
9
8
7

19
Para usar los discos compactos iFIT.com, la máquina
para correr debe estar conectada a su tocador de disco
compacto, estéreo portátil, estéreo casa, o computadora
con un tocador de discos compactos. Vea las páginas 19
y 20 para leer las instrucciones de como conectar estos
aparatos. Para usar los videocasetes de iFIT.com, la
máquina para correr debe estar conectada a su videogra-
badora. Vea la página 21 para leer las instrucciones de
como conectar este aparato. Para usar los programas
de iFIT.com directamente de nuestra página de
Internet, la máquina para correr debe estar conectada a
su computadora en casa. Vea la página 20 para las ins-
trucciones de conectar.
COMO CONECTAR SU TOCADOR DE DISCO
COMPACTO
Nota: Si su tocador de disco compacto tiene una
línea afuera (LINE OUT) y enchufes para audífonos
(PHONES), vea la instrucción A abajo. Si su tocador
de disco compacto tiene solo un enchufe, vea la
instrucción B.
A. Enchufe un extremo del cable audio en el enchufe en
frente de la máquina para correr cerca del cable eléc-
trico. Enchufe el otro extremo del cable en el enchufe
de línea afuera en su tocador de disco compacto.
Enchufe sus audífonos en el enchufe de audífonos.
B. Enchufe un extremo del cable audio en el enchufe
en frente de la máquina para correr cerca del cable
eléctrico. Enchufe el otro extremo del cable en una
aguja. Enchufe la aguja en el enchufe de audífonos
en su disco compacto. Enchufe sus audífonos en el
otro lado de la aguja.
COMO CONECTAR SU ESTÉREO PORTÁTIL
Nota: Si su estéreo tiene un enchufe de audio
afuera (AUDIO OUT) tipo RCA, vea la instrucción A
abajo. Si su estéreo tiene un enchufe de línea
afuera (LINE OUT) de 3,5mm, vea la instrucción B.
Si su estéreo tiene solo un enchufe de audífonos
(PHONES), vea la instrucción C.
A. Enchufe un extremo del cable audio en el enchufe
en frente de la máquina para correr cerca del cable
eléctrico. Enchufe el otro extremo del cable en el
adaptador. Enchufe el adaptador en el enchufe de
audio afuera en su estéreo.
B. Enchufe un extremo del cable audio en el enchufe
en frente de la máquina para correr cerca del cable
eléctrico. Enchufe el otro extremo del cable en el en-
chufe de línea afuera en su estéreo.
C. Enchufe un extremo del cable audio en el enchufe
en frente de la máquina para correr cerca del cable
eléctrico. Enchufe el otro extremo del cable en una
aguja. Enchufe la aguja en el enchufe de audífonos
en su estéreo. Enchufe sus audífonos en el otro lado
de la aguja.
LINE OUT
PHONES LINE OUT
PHONES
Cable
Audio Audífonos
A
AUDIO OUT
RIGHT
LEFT
Cable
Audio Adaptador
A
LINE OUT
Cable
Audio
B
PHONES
PHONES
Cable
Audio
Aguja
Audífonos
B
COMO CONECTAR LA MÁQUINA PARA CORRER
A SU TOCADOR DE DISCO COMPACTO, VIDEO-
GRABADORA, O COMPUTADORA
PHONES
Audio
Cable
C
Aguja
Audífonos

20
COMO CONECTAR SU ESTÉREO EN CASA
Nota: Si su estéreo tiene un enchufe de línea
afuera (LINE OUT) sin usar, vea la instrucción A
abajo. Si el enchufe de línea afuera se está
usando, vea la instrucción B.
A. Enchufe un extremo del cable audio en el enchufe
en frente de la máquina para correr cerca del cable
eléctrico. Enchufe el otro extremo del cable en el
adaptador incluido. Enchufe el adaptador en el en-
chufe de línea afuera en su estéreo.
B. Enchufe un extremo del cable audio en el enchufe
en frente de la máquina para correr cerca del cable
eléctrico. Enchufe el otro extremo del cable en el
adaptador. Enchufe el adaptador dentro de un
adaptador RCA-Y (disponible en tiendas de apara-
tos electrónicos). A continuación, quite el alambre
que actualmente está en el enchufado en el en-
chufe de línea afuera en su estéreo y enchufe el
alambre al lado no usado del adaptador -Y.
Enchufe el adaptador-Y en el enchufe de línea
afuera en su estéreo.
COMO CONECTAR SU COMPUTADORA
Nota: Si su computadora tiene un enchufe de línea
afuera (LINE OUT) de 3,5mm, vea la instrucción A.
Sí su computadora solo tiene un enchufe de audífo-
nos (PHONES), vea la instrucción B.
A. Enchufe un extremo del cable audio en el enchufe
en frente de la máquina para correr cerca del cable
eléctrico. Enchufe el otro extremo del cable audio
en el enchufe de línea afuera en su computadora.
B. Enchufe un extremo del cable audio en el enchufe
en frente de la máquina para correr cerca del cable
eléctrico. Enchufe el otro extremo del cable en una
aguja. Enchufe la aguja en los enchufe de audífo-
nos en su computadora. Enchufe sus audífonos o
bocinas en el otro lado de la aguja.
CD
VCR
Amp
LINE OUT
LINE OUT
Audio
Cable
Adaptador
A
LINE OUT
Cable
Audio
A
CD
VCR
Amp
LINE OUT
Cable
Audio
Adaptador
RCA-Y
Alambre quitado del enchufe
de líne afuera
B
Adaptador
PHONES
Cable
Audio
B
Aguja
Audífonos

21
COMO CONECTAR SU VIDEOGRABADORA
Nota: Si su videograbadora tiene un enchufe de
audio afuera (AUDIO OUT), vea la instrucción A
abajo. Si el enchufe de audio afuera se está
usando vea la instrucción B. Si usted tiene una te-
levisión con una videograbadora incorporada, vea
la instrucción B. Si su videograbadora está conec-
tada a su estéreo en casa, vea COMO CONECTAR
SU ESTÉREO EN CASA en la página 20.
A. Enchufe un extremo del cable audio en el enchufe
en frente de la máquina para correr cerca del cable
eléctrico. Enchufe el otro lado del cable en el adap-
tador. Enchufe el adaptador en el enchufe de audio
afuera en su videograbadora.
B. Enchufe un extremo del cable audio en el enchufe
en frente de la máquina para correr cerca del cable
eléctrico. Enchufe el otro extremo del cable en el
adaptador. Enchufe el adaptador en un adaptador
RCA (disponible en tiendas de aparatos electróni-
cos). A continuación, quite el alambre que actual-
mente está enchufado al enchufe de audio afuera
en su videograbadora y enchufe el alambre en el
lado no usado del adaptador-Y. Enchufe el adapta-
dor-Y en el enchufe de audio afuera en su video-
grabadora.
Para usar los discos compactos y videocasetes de
iFIT.com, la máquina para correr debe estar conec-
tada a su tocadora portátil de discos compactos, esté-
reo portátil, estéreo en casa, computadora con tocador
de discos compactos, o videograbadora. Vea COMO
CONECTAR LA MÁQUINA PARA CORRER SU TO-
CADOR DE DISCO COMPACTO, VIDEOGRABA-
DORA, O COMPUTADORA en la páginas 19 a 21.
Para comprar los discos compactos y cassetes de
vídeo iFIT.com, visite nuestro sitio en internet
www.iFIT.com.
Siga los pasos de abajo para usar un programa de CD
o video de iFIT.com.
Inserte la llave completamente en la consola.
Vea COMO ENCENDER LA CORRIENTE en al pá-
gina 13.
Seleccione la función iFIT.com.
Cuando la llave se in-
serte, la función manual
se seleccionará. Para
usar un programa de CD
o video de iFIT.com,
presione el botón de
iFIT.com. El indicador en el botón se encenderá.
Inserte el disco compacto o videocassete de
iFIT.com.
Si usted está usando un disco compacto de
iFIT.com, inserte el disco compacto en su tocador
de disco compacto. Si usted está usando un vide-
ocassete de iFIT.com, inserte un videocassete en
su videograbadora.
Presione el botón de Andar [PLAY] en su
tocador de disco compacto o videograbadora.
Un momento después que el botón se presione,
su entrenador personal comenzará a guiarle a tra-
vés de su entrenamiento. Simplemente siga las
instrucciones del entrenador. Nota: Si la pantalla
de Marcha/Tiempo se esté prendiendo y apa-
gando intermitentemente, presione el botón de
Comenzar o el botón de Velocidad + de la con-
sola. La máquina para correr no responderá a un
programa de disco compacto o de video mientras
que la pantalla de Marcha/Tiempo haga la señal
intermitente.
4
3
2
1
AUDIO OUT
RIGHT
LEFT
VIDEO AUDIO
ANT. IN
RF OUT
IN
OUT
CH
34
Cable
Audio Adaptador
A
VIDEO AUDIO
ANT. IN
RF OUT
IN
OUT
CH
34
Cable
Audio Adaptador
B
Alambre quitado del
enchufe de audio afuera
Adaptador RCA
COMO USAR LOS PROGRAMAS DE DISCO
COMPACTO Y VIDEO DE IFIT.COM

22
Durante el programa de disco compacto o video,
un sonido electrónico “pío” le alertará cuando la
velocidad e/o inclinación de la máquina para co-
rrer está por cambiar. PRECAUCIÓN: Siempre
escuche por el sonido “pío” y esté preparado
para los cambios de velocidad e/o inclinación.
En algunos casos, la velocidad e/o inclinación
pueden cambiar antes que el entrenador per-
sonal describa el cambio.
Si los ajustes de velocidad o inclinación son muy
altos o muy bajos, usted puede cambiar los ajus-
tes manualmente en cualquier momento presio-
nando los botones en la consola de Velocidad o
Inclinación. Sin embargo, cuando el próximo
“pío” se escuche, la velocidad e inclinación
cambiará a los ajustes próximos del programa
de disco compacto o video.
Para parar el programa en cualquier momento,
presione el botón de Parar en la consola. El
tiempo comenzará a hacer la señal intermitente
en la pantalla Marcha/Tiempo. Para comenzar el
programa, presione el botón de Comenzar o el
botón de Velocidad + otra vez. Después de un
momento, la banda para caminar comenzará a
moverse. Cuando el próximo “pío” se escuche,
la velocidad e inclinación cambiará a los ajus-
tes próximos del programa de disco compacto
o video.
Cuando el programa de disco compacto o video
se complete, la banda para caminar se detendrá y
la pantalla de Marcha/Tiempo comenzará a pren-
derse y apagarse intermitentemente. Nota: Para
usar otro programa de disco compacto o video,
presione el botón de Parar o quite la llave y vaya
al paso 1 en la página 21.
Nota: Si la velocidad o inclinación de la máquina
para correr no cambia cuando se oye el “pío”:
• Asegúrese que el indicador de iFIT.com esté
prendido que el Marcha/Tiempo en la pantalla
principal no esté prendiéndose y apagán-
dose intermitentemente. Si el Marcha/Tiempo
comenzará a hacer, presione el botón de
Comenzar o el botón de Velocidad + en la
consola.
• Ajuste el volumen de su tocador de disco
compacto o videograbadora. Si el volumen
está muy alto o muy bajo, la consola quizá
no detecte las señales del programa.
• Asegúrese que el cable audio esté apropia-
damente conectada, que esté completamente
enchufado, y que no esté enrollado alrededor
del cable eléctrico.
• Si está usando un tocador de disco com-
pacto portátil y el disco compacto se salta,
coloque el tocador del disco compacto en el
piso o otra superficie plana en vez de la
consola.
Siga su progreso con las pantallas.
Vea el paso 5 en la página 13.
Mida su ritmo cardíaco, si lo desea.
Vea el paso 6 en la página 14.
Encienda el ventilador si lo desea.
Vea el paso 7 en la página 14.
Cuando el programa ha terminado, quite la
llave.
Vea el paso 7 en la página 16.
PRECAUCION: Siempre quite los discos com-
pactos y videos de iFIT.com de su tocador de
discos compactos o videograbadora cuando no
los estén usando.
8
7
6
5

23
Para usar los programas de nuestra página de inter-
net, la máquina para correr debe estar conectada a su
computadora en casa. Vea COMO CONECTAR SU
COMPUTADORA en la página 20. Además, usted
tiene que tener el internet conectado y un proveedor
de servicios de internet. Una lista de requisitos del sis-
tema se encontrará en nuestra página de internet.
Siga los pasos de abajo para usar un programa de
nuestra página de Internet.
Inserte la llave completamente en la consola.
Vea COMO ENCENDER LA CORRIENTE en la
página 13.
Seleccione la función iFIT.com.
Cuando la llave se in-
serte, la función manual
se seleccionará. Para
usar un programa de
nuestra página de
Internet, presione el
botón de iFIT.com. El indicador en el botón se en-
cenderá.
Vaya a su computadora y comience una cone-
xión de internet.
Comience a buscar en la internet, si es nece-
sario, y vaya a nuestra página de internet
www.iFIT.com.
Siga los otros lazos (links) en nuestra página
de internet para seleccionar un programa.
Lea y siga las instrucciones en la línea (on-line)
para usar el programa.
Siga las instrucciones en la línea (on-line) para
comenzar el programa.
Cuando comience el programa, comenzará una
cuenta atrás en la pantalla.
Regrese a la máquina para correr y párese en
los rieles de soporte para los pies. Encuentre
el sujetador pegado a la llave y deslice el suje-
tador a la cintura de su ropa.
Cuando la cuenta atrás termine, el programa co-
menzará y la banda para caminar comenzará a
moverse. Sostenga las barandas, párese en la
banda para caminar, y comience a caminar.
Durante el programa, un sonido electrónico “pío”
le alertará cuando la velocidad e/o inclinación de
la máquina para correr está por cambiar. PRE-
CAUCIÓN: Siempre escuche por el sonido
“pío” y prepárese para que la velocidad e/o in-
clinación cambie.
Si los ajustes de velocidad o inclinación son muy
altos o muy bajos, usted puede cambiar los ajus-
tes manualmente en cualquier momento presio-
nando los botones en la consola de Velocidad o
Inclinación. Sin embargo, cuando el próximo
“pío” se escuche, la velocidad e inclinación
cambiará a los ajustes próximos del programa.
Para parar la banda para caminar en cualquier mo-
mento, presione el botón de Parar en la consola.
La pantalla de Marcha/Tiempo comenzará a pren-
derse y apagarse intermitentemente. Para comen-
zar el programa, presione el botón de Comenzar o
el botón de Velocidad + en la consola. Después de
un momento, la banda para caminar comenzará a
moverse a 1,0 mph. Cuando el próximo “pío” se
escuche, la velocidad e inclinación cambiará a
los ajustes próximos del programa.
Cuando se complete el programa, la banda para
caminar se detendrá y la pantalla de Marcha/
Tiempo comenzará a prenderse y apagarse inter-
mitentemente. Nota: Para usar otro programa pre-
sione el botón de Parar y vaya al paso 5.
Nota: Si la velocidad o inclinación de la máquina
para correr no cambia cuando el “pío” se escu-
che, asegúrese que el indicador de iFIT.com
esté prendido y que la pantalla de Marcha/
Tiempo no se esté prendiendo y apagando in-
termitentemente. Además, asegúrese que el
cable audio esté apropiadamente conectado,
que esté enchufado completamente, y que no
esté enrollado alrededor del cable eléctrico.
Siga su progreso con las pantallas.
Vea el paso 5 en la página 13.
Cuando el programa ha terminado, quite la
llave.
Vea el paso 7 en la página 16.
9
8
7
6
5
4
3
2
1
COMO USAR LOS PROGRAMAS DIRECTA-
MENTE DE NUESTRA PÁGINA DE INTERNET

LA FUNCIÓN INFORMACIÓN/FUNCIÓN DEMO
La consola ofrece una función información que man-
tiene un número total de horas que la máquina para co-
rrer ha operado y el número total de millas que la
banda para caminar se ha movido. La función informa-
ción también le permite cambiar la consola de millas
por hora a kilómetros por hora. Además la función in-
formación le permite prender y apagar la función demo.
Para seleccionar la función información, sostenga pre-
sionado el botón de Parar mientras que inserta la llave
en la consola. Cuando la función información se selec-
ciona, la siguiente información se muestra:
La pantalla de Calorias/
Distancia mostrará el nú-
mero total de millas (o kiló-
metros) que la banda para
caminar se ha movido.
La pantalla de Marcha/
Tiempo mostrará el número
total de horas acumuladas
en la máquina para correr.
Una “E” para millas
(Inglesas) o una “M” para ki-
lómetros (métricos), apare-
cerá en la pantalla de
Velocidad. Presione el botón
de Velocidad + para cambiar
la unidad de medir.
IMPORTANTE: La pantalla de Ritmo Cardiaco debe
estar en blanco. Si una “d” aparece en la pantalla, la
consola está en la función “demo.” Esta función está
hecha solo para usar mientras que la máquina para
correr esté en exhibición en la tienda. Cuando la con-
sola esté en la función demo, el cable eléctrico se
puede enchufar, la llave se puede quitar de la consola,
y las pantallas e indicadores en la consola se prende-
rán automáticamente en una sucesión preajustada
aunque los botones en la consola no operarán. Si una
“d” aparece en la pantalla del Ritmo Cardíaco
cuando la función información se seleccione, pre-
sione el botón de Velocidad – de manera que la
pantalla esté en blanco.
Para salirse de la función información, quite la llave de
la consola.
EL SENSOR DE PULSO OPCIONAL PARA EL
PECHO
El sensor de pulso para el pecho ofrece operación
libre de manos y monitores continuos de su ritmo car-
díaco durante sus entrenamientos. Para comprar un
sensor de pulso opcional para pecho, por favor de
comunicarse con el establecimiento donde com-
pró su máquina para correr.
24

25
COMO PLEGAR Y MOVER LA MÁQUINA PARA CORRER
COMO PLEGAR LA MÁQUINA PARA CORRER PARA ALMA-
CENAMIENTO
Antes de plegar la máquina para correr, ajuste la inclinación
a la posición más baja. Si esto no se hace, la máquina para
correr puede ser permanentemente dañada. A continuación,
desconecte el cable eléctrico. PRECAUCIÓN: Usted debe ser
capaz de levantar libremente 20 kg para subir, bajar o mover
la máquina para correr.
1. Sostenga la máquina para correr con las manos por los sitios
que se muestran a la derecha. Para disminuir la posibilidad de
lesión, doble sus piernas y mantenga su espalda recta.
Mientras usted levanta la banda para caminar, asegúrese de
hacer el esfuerzo con las piernas y no con la espalda.
Levante la máquina para correr hasta cerca de la mitad del reco-
rrido de la posición vertical.
2. Coloque su mano derecha en la posición que se muestra a la
derecha y sostenga la máquina para correr firmemente.
Usando su mano izquierda, tire la perilla del pasador hacia la
izquierda y sosténgala. Levante la máquina para correr hasta
que el marco pase la clavija del pasador. Lentamente libere
la perilla del pasador. Asegúrese que el marco quede sos-
tenido en forma segura por la clavija del pasador.
Para proteger el suelo o la alfombra de algún daño, colo-
que un tapete debajo de la máquina para correr. Guarde
su máquina para correr fuera de la luz directa del sol. No
deje su máquina para correr en la posición de almacena-
miento a temperaturas de más de 30° C.
COMO MOVER LA MÁQUINA PARA CORRER
Antes de mover la máquina para correr, convierta la máquina
para correr a posición de almacenamiento como se describe
arriba. Asegúrese que el atajador se sostenga seguramente
con el pasador en la perilla.
1. Sostenga la máquina para correr como se muestra y coloque
un pie contra una rueda.
2. Incline la máquina para correr hacia atrás hasta que ruede fácil-
mente sobre las ruedas delanteras. Cuidadosamente mueva la
máquina para correr al lugar deseado. Nunca mueva la má-
quina para correr sin inclinarla hacia atrás antes. Para redu-
cir el riesgo de lesión, tome extrema precaución mientras
mueva la máquina para correr. No trate de mover la má-
quina para correr sobre una superficie irregular.
3. Coloque un pie en la base y cuidadosamente baje la máquina
para correr hasta que esté en la posición de almacenamiento.
Base
Marco
Perilla del
Pasado Clavija
del
Pasado

26
COMO BAJAR LA MÁQUINA PARA CORRER PARA EL
USO
1. Sostenga el extremo superior de la máquina para correr
con su mano derecha como se muestra. Jale la perilla del
seguro hacia la izquierda y sosténgala. Ladee la máquina
para correr hacia abajo hasta que el marco pase el pasa-
dor en la perilla del seguro.
2. Sostenga la máquina para correr firmemente con las dos
manos, y baje la máquina para correr al piso. Para dismi-
nuir la posibilidad de lesión, doble las piernas y man-
tenga la espalda recta.
Clavija
del
Pasado
Marco
Perilla
del
Pasado

27
PROBLEMA: El aparato no se enciende
SOLUCIÓN: a. Asegúrese que el cable eléctrico esté conectado a un regulador protector y que el regulador
protector esté conectado a un toma corriente con polo a tierra apropiado. (Vea la página 11.)
Si se requiere de una extensión, utilice una da la calibre 14 mm para uso general de 1,5 m de
largo aproximadamente.
b. Después que el cable eléctrico se ha conectado, asegúrese de que la llave esté completa-
mente insertada en la consola.
c. Inspeccione el cortacircuito que se encuentra en
la máquina para correr cerca del cable eléctrico.
Si el interruptor está fuera de su lugar, el corta-
circuito ha saltado. Para reajustar el cortacir-
cuito, espere por cinco minutos y entonces pre-
sione el interruptor hacia adentro.
d. Pruebe el interruptor de prender/apagar que se lo-
caliza en la máquina para correr cerca del cable
eléctrico. El interruptor debe estar en la posición
de prender.
PROBLEMA: El aparato se apaga mientras está en uso
SOLUCIÓN: a. Inspeccione el cortacircuito que se puede encontrar en el marco cerca del cable eléctrico (vea
c. arriba). Si el cortacircuito se ha saltado, espere por cinco minutos y entonces apriete el inte-
rruptor hacia adentro.
b. Asegúrese de que el cable eléctrico esté conectado. Desconecte el cable eléctrico, espere por
cinco minutos y entonces vuelva a conectar el cable eléctrico.
c. Quite la llave de la consola. Insértela completamente otra vez en la consola.
d. Asegúrese que el interruptor de prender/apagar esté en la posición de prender.
e. Si la máquina para correr todavía no anda, por favor comuníquese con el establecimiento
donde compró su máquina para correr.
PROBLEMA: La banda disminuye de velocidad cuando se camina sobre ella
SOLUCIÓN: a. Si necesita un cable de extensión, use solo un cable de 1,5 m o menos de largo.
b. Si la banda para caminar se aprieta demasiado, el buen
funcionamiento de su máquina para correr puede dismi-
nuir y la banda para caminar puede quedar dañada.
Saque la llave y DESCONECTE EL CABLE
ELÉCTRICO. Usando la llave hexagonal, gire los dos
Pernos de ajuste del rodillo trasero en el sentido
opuesto de las agujas del reloj, 1/4 de vuelta. Cuando la
banda para caminar esté apretada correctamente, usted
debe de poder levantar cada lado de la banda para ca-
minar 5 a 7 cm de la plataforma para caminar. Tenga
cuidado de mantener la banda para caminar centrada.
Conecte el cable eléctrico, inserte la llave y ande la máquina para correr por algunos minutos.
Repita hasta que la banda para caminar esté debidamente apretada.
PROBLEMAS
La mayoría de los problemas con su máquina para correr se pueden solucionar siguiendo estos pasos
de abajo. Encuentre la síntoma que apliqué, y siga los pasos que se dan. Si necesita más ayuda comuní-
quese con el establecimiento donde compró su máquina para correr.
Pernos
de Ajuste del Rodillo Trasero
b5 a 7 cm
Saltado
c
Reajustado
Posición
Prender
d

28
PROBLEMA: La banda está descentrada o se resbala cuando se esté caminando en ella
SOLUCIÓN: a. Si la banda para caminar está fuera de centro, primero
quite la llave, y DESENCHUFE EL CABLE ELÉCTRICO.
Si la banda para caminar se ha movido a la izquierda,
use la llave hexagonal para dar vuelta al Perno del rodillo
trasero 1/2 vuelta; si la banda para caminar se ha mo-
vido al lado derecho, de vuelta al perno en dirección
opuesto a las agujas del reloj 1/2” vuelta. Tenga cuidado
de no sobre apretar la banda para caminar. Enchufe el
cable eléctrico, inserte la llave y ande la máquina para
correr por algunos minutos. Repita hasta que la banda
para caminar esté centrada.
b. Si la banda para caminar se resbala cuando se esté
caminando en ella, primero quite la llave y DESCO-
NECTE EL CABLE ELÉCTRICO. Usando la llave he-
xagonal, gire los dos pernos de ajuste del rodillo trasero
en el sentido de las agujas del reloj, un 1/4 de vuelta.
Cuando la banda para caminar esté apretada correcta-
mente, usted debe de poder levantar cada lado de la
banda para caminar 5 a 7 cm de la plataforma para ca-
minar. Tenga cuidado de mantener la banda para cami-
nar centrada. Conecte el cable eléctrico, inserte la llave
y ande la máquina para correr por algunos minutos. Repita hasta que la banda para caminar
esté debidamente apretada.
PROBLEMA: Las pantallas de la consola no funcionan correctamente
SOLUCIÓN : a. Quite la llave de la consola y DESENCHUFE EL
CABLE ELÉCTRICO. Con la ayuda de una se-
gunda persona, cuidadosamente incline la Base
(109) hacia abajo como se muestra. Saque los cua-
tro Tornillos de la Charola Ventral largos (121).
Nota: Se requiere un destornillador estrella con la
hasta de al menos 127 mm.
Con la ayuda de otra persona, cuidadosamente le-
vante la Montante Vertical Derecho (82) como se
muestra. Cuidadosamente pivote la Cubierta (39)
quitándola.
Localice el Interruptor de Lengüeta (24) y el Imán
(18) en el lado izquierdo de la Polea (120).
Délevuelta a la Polea hasta que el Imán esté aline-
ado con Interruptor de Lengüeta. Asegúrese de
que el espacio entre el Imán y el Interruptor de
Lengüeta sea de 3 mm. Si es necesario, afloje el
Tornillo (25) y mueva el Interruptor de Lengüeta un
poco. Vuelva a apretar el tornillo. Vuelva a colocar
la cubierta y ande la máquina para correr por unos
minutos para comprobar que la lectura correcta.
a
b
18
24
25
Vista
desde
Arriba
3mm 120
121
121
109
a
39 82

29
La siguiente guía le ayudará a formar su plan de ejer-
cicio. Para información más detallada sobre ejercicio,
obtenga un libro de prestigio o consulte a su médico.
INTENSIDAD DEL EJERCICIO
Ya que su meta sea quemar grasa o de fortalecer su
sistema cardiovascular, la clave para lograr los resul-
tados deseados es de llevar acabo los ejercicios con
la intensidad apropiada. El nivel de la intensidad apro-
piado se puede encontrar al usar su ritmo cardíaco
como una guía. La gráfica abajo enseña algunos nive-
les de ritmos cardíacos que se recomiendan para que-
mar grasa y ejercicios aeróbicos.
Para encontrar el ritmo cardíaco apropiada para usted,
primero encuentre su edad en la parte de abajo de la
gráfica (las edades se muestran redondeadas a los
diez años más cercanos). En seguida, encuentre los
tres números arriba de su edad. Los tres números son
su “zona de entrenamiento”. Los dos números más
bajos son unos ritmos cardíacos que se recomiendan
para quemar grasa; el número más alto es el ritmo
cardíaco recomendada para los ejercicios aeróbicos.
Para medir su ritmo cardiaco durante el ejercicio, use
el sensor de pulso. Si su ritmo cardiaco es demasiado
alto o bajo, ajuste la velocidad e inclinación de la má-
quina para correr.
Quemar Grasa
Para quemar grasa efectivamente, usted debe de
hacer sus ejercicios a un nivel relativamente bajo de
intensidad por un período de tiempo seguido. Durante
los primeros minutos de ejercicios su cuerpo usa calo-
rías de carbohidratos que son fácilmente accesibles
como energía. Solo después de los primeros minutos
su cuerpo empieza a usar calorías de grasa almace-
nada, como energía. Si su meta es de quemar grasa,
ajuste la velocidad y la inclinación de su caminadora
hasta que su ritmo cardíaco esté cerca a uno de los
dos números mas bajos en su zona de entrenamiento.
Para quemar grasa a un nivel máximo, ajuste la veloci-
dad o inclinación de la caminadora hasta que su ritmo
cardíaco esté cerca del número de en medio de su
zona de entrenamiento.
Ejercicio Aeróbico
Si su meta es de fortalecer su sistema cardiovascular,
su ejercicio debe de ser “aeróbico”. Ejercicio aeróbico
es una actividad que requiere grandes cantidades de
oxígeno por períodos de tiempos alargados. Esto au-
menta la demanda en el corazón para bombear la san-
gre a los músculos, y en los pulmones para oxigenar
la sangre. Para ejercicio aeróbico, ajuste la velocidad
y la inclinación de su caminadora hasta que su ritmo
cardíaco esté cerca del número más alto dentro de su
zona de entrenamiento.
GUÍA DE ENTRENAMIENTO
Cada ejercicio debe de incluir las tres siguientes partes:
Calentamiento—Empiece cada entrenamiento con un
calentamiento de 5 a 10 minutos. Empiece con estira-
mientos lentos y controlados y progrese a estiramien-
tos más rítmicos para aumentar la temperatura de su
cuerpo, ritmo cardíaco, y la circulación en preparación
para ejercicios esforzados.
Zona de Ejercicio de Entrenamiento—Después de
calentar, incremente la intensidad de su ejercicio hasta
que su pulso esté en su zona de entrenamiento por 20
o 60 minutos. (Durante las primeras semanas de su
programa de ejercicio, no mantenga su pulso en su
zona de entrenamiento por más de 20 minutos.)
Respire regular y profundamente mientras hace ejerci-
cio—nunca detenga su respiración.
Enfriamiento—Termine cada entrenamiento con 5 o
10 minutos de estiramiento para enfriarse. Esto incre-
mentará la flexibilidad de sus músculos y le ayudará a
prevenir problemas posteriores.
FRECUENCIA DEL EJERCICIO
Para mantener o incrementar su condición, haga tres
entrenamientos por semana, con al menos un día de
descanso entre los entrenamientos. Después de algu-
nos meses, usted puede completar hasta cinco entre-
namientos cada semana si lo desea. La llave del éxito
es hacer del ejercicio una parte regular y placentera
de cada uno de los días de su vida.
AVISO
:
Antes de comenzar éste o
cualquier programa de ejercicios, consulte a
su médico. Esto es muy importante especial-
mente para personas mayores de 35 años o
que tengan problemas de salud preexistentes.
Los sensores de pulsos no están dispositivos
médicos. Varios factores pueden afectar la
precisión de las lecturas del ritmo cardíaco de
su corazón. La intención de los sensores son
solamente servir como ayuda en el ejercicio
para determinando la tendencia general del
ritmo cardíaco.
GUÍAS DE EJERCICIO FÍSICO

Nota: Para identificar las piezas de abajo, refiérase al DIBUJO DE LAS PIEZAS pegado al centro de este manual.
30
LISTA DE PIEZAS—Núm. de Modelo PETL50130 R0903A
1 2 Cubierta del Riel para los Pies
2 1 Riel para los Pies Izquierdo
3 1 Tapa de Extremo Delantera Izquierda
4 2 Guía de la Banda
5 4 Tornillo de la Guía de la Banda
6 45 Tornillo de 3/4”
7 1 Soporte de Calcomanía Izquierdo
8 2 Resorte de Amortiguador
9 4 Tornillo de Atajador/Tornillo Aislador
10 1 Calcomanía de Advertencia
11 2 Perno de la Plataforma Izquierdo
12 1 Atajador del Pasador
13 2 Perno del Resorte (Inferior)
14 2 Perno del Resorte (Superior)
15 2 Aislador Delantero
16 2 Tornillo de la Plataforma Delantero
17 2 Perno Pivote de la Plataforma
18 1 Imán
19 2 Espaciador del Marco de Levante
20 1 Perno de Pivote del Motor
21 7 Tuerca de la Rueda
22 2 Espaciador del Marco
23 1 Gancho del Interruptor de Lengüeta
24 1 Interruptor de Lengüeta
25 1 Tornilla del Interruptor de Lengüeta
26 1 Marco de Levante
27 1 Perno de Tensión del Motor
28 1 Motor
29 1 Polea/Volante/Ventilador
30 1 Correa de Motor
31* 1 Montaje del Motor
32 1 Perno de Tensión del Motor
33 1 Arandela de Tensión del Motor
34 1 Arandela Estrella del Motor
35 2 Perno del Sujetador del Motor
36 7 Tornillo Pequeño
37 2 Cable de Tierra
38 1 Transformador
39 1 Cubierta
40 1 Controlador
41 2 Cable Eléctrico
42 1 Tuerca con Alas IFit.com
43 1 Alambre de IFIT.com
44 1 Receptáculo
45 2 Calcomanía de Estática
46 1 Interruptor de Prender/Apagar
47 5 Tornillo de la Charola Ventral
48 1 Charola Ventral
49 1 Alambre de Interruptor de Foto
50 1 Alambre de Filtro
51 1 Tapa de Extremo Delantera Izquierda
52 1 Banda para Caminar
53 1 Plataforma para Caminar
54 1 Marco
55 2 Tuerca de la Plataforma
56 1 Riel para los Pies Derecho
57 1 Rodillo Trasero
58 1 Pata Trasera Derecha
59 1 Llave Hexagonal
60 2 Perno Ajustable del Rodillo Trasero
61 2 Arandela del Rodillo Trasero
62 1 Tapa del Extremo Trasero Derecho
63 1 Pata Trasera Izquierda
64 1 Tapa del Extremo Trasero Izquierdo
65 2 Tornillo de la Tapa de Extremo
Pequeño
66 2 Arandela de la Tapa de Extremo
67 4 Tornillo de la Tapa de Extremo
Delantero
68 1 Baranda Izquierda
69 1 Montante Vertical Izquierdo
70 1 Perilla del Pasador
71 2 Perno de 1”
72 4 Arandela Estrella Interna
73 1 Sujetador de Baranda Izquierda
74* 1 Montaje del Pasador
75 1 Camisa de Perilla de Pasador
76 1 Collar de Clavija de Pasador
77 1 Resorte de Pasador
78 1 Placa de la Consola Derecha
79 1 Gancho del Pasador
80 1 Clavija de Pasador
81 1 Baranda Derecha
82 1 Montante Vertical Derecho
83 1 Cableado Eléctrico
84 1 Bandeja de Accesorios Izquierda
85 1 Base de la Consola
86 4 Tornillo del Ventilador
87 1 Ventilador
88 1 Consola
89 1 Bastidor de Ventilador
90 1 Bandeja de Accesorios Derecha
91 1 Llave/Sujetador
92 2 Tornillo de 1 1/4”
93 2 Tornillo Plateado de 2”
94 1 Puerta de Acceso
95 1 Parte de Atrás de la Consola
96 1 Sostén de la Atadura
97 1 Atadura Ajustable
98 1 Atadura Plástica
Núm. Ctd. Descripción Núm. Ctd. Descripción

99 2 Tapa de Extremo de la Base
100 2 Almohadilla de la Base Delantera
101 2 Clavija de Horquilla
102 2 Chaveta de Gancho
103 4 Tuerca Jaula
104 4 Perno de 1 1/4”
105 2 Almohadilla de la Base Trasera
106 2 Bastidor de Rueda
107 2 Perno de la Rueda
108 2 Rueda
109 1 Base
110 1 Sujetador Atajador de Inclinación
111 2 Perno del Motor de Inclinación
112 1 Motor de Inclinación
113 1 Sujetador de la Baranda Derecha
114 1 Soporte de Calcomanía Derecha
115 1 Llave Hexagonal de 5/16”
116 1 Cable de iFit.com
117 1 Sujetador del Motor
118 2 Tuerca-J
119 1 Tuerca del Rodillo Delantero
120 1 Rodillo Delantero/Polea
121 4 Tornillo de la Charola Ventral Largo
122 1 Alambre de Control
123 2 Arandela Estrella del Rodillo Trasero
124 1 Alambre de Pulso
125 1 Barra de Pulso
126 2 Calcomanía de Precaución
127 2 Arandela de Nylon
128 2 Foro de Cojinete de Pivote del Motor
129 1 Sujetador de lo Electrónico
130 1 Obturador
131 1 Filtro
132 1 Tabla de Corriente
133 4 Sujetador Plástico
134 1 Caja de Ferrito
135 1 Partidor
136 1 Disco Óptico
137 1 Interruptor de Foto
138 1 Tuerca de Interruptor de Foto
139 1 Perno de Interruptor de Foto
140 1 Arandela de Interruptor de Foto
141 1 Cortacircuito
# 1 Alambre Verde de 12”, F/Anillo
# 1 Alambre Verde de 8”, 2 Anillo
# 1 Alambre Verde de 4”, F/Anillo
# 1 Alambre Azul de 12”, 2 F
# 1 Alambre Azul de 4”, 2 F
# 1 Alambre Azul de 4”, M/F
# 1 Alambre Negro de 4”, M/F
# 1 Alambre Negro de 4”, 2 F
# 1 Alambre Blanco de 12”, 2 F
# 1 Alambre Rojo de 6”, M/F
# 1 Manual del Usuario
* Incluye todas las piezas que se muestran en la caja.
# Estas piezas no están ilustradas.
Las características técnicas están sujetas a cambios
sin previo aviso.
Núm. Ctd. Descripción Núm. Ctd. Descripción
31

Núm de Parte 200857 R0903A Impreso en USA © 2003 ICON Health & Fitness, Inc.
COMO SOLICITAR PIEZAS DE REPUESTO
Para pedir piezas de repuesto, póngase en contacto con el establecimiento donde compró su máquina para co-
rrer. Cuando vaya a pedir piezas, por favor esté preparado para la siguiente información:
• el NÚMERO DE MODELO DE LA MAQUINA (PETL50130)
• el NOMBRE DE LA MAQUINA (máquina para correr PROFORM®560 HR)
• el NÚMERO DE SERIE DE LA MAQUINA (ver la portada de este manual)
• el NÚMERO y LA DESCRIPCIÓN de la(s) pieza(s) (vea la LISTA DE LAS PIEZAS en las páginas 30 y 31 y el
DIBUJO DE LA PIEZAS en el centro de este manual)

1
2
17 18
3
16
9
15
4
514
6
7
8
6
12 9
13
10
11
52
53
64
60
61
6
6
63
62
59
60
61
6
6
58
57 11
14
56
1
13
8
114
6
5
54
16
15
9
51
17
50
49
122
19
20 21
22
24 25
23 26
27
30 31*
35
34
33
32
29
28
36
37
19
22
38
39
47
121
47
47
42
41
43
45
44
121
46
48
21
21
120
67
65
55
55
65
67
6
6
47
121
47
121
4
123
123
119
66
66
117
116
78
115
131
36
36
36
36
36
129
40
132
133
133
134
127
127
128
128
130
141
DIBUJO DE LAS PIEZAS—Núm. de Modelo PETL50130 R0903A
Para identificar las piezas que se mues-
tran en este dibujo de las piezas, vea la
LISTA DE LAS PIEZAS en la página 30 y
31 en el MANUAL DEL USUARIO.

68
70
71
72
73
6
80
6
6
79
77
75
78
69
111
21
111
21
104
112
72
107
108
106
21 6
105
6
107
108
106
21
6
6
105
104
6
100
109
110
6
100
99
101
102
83
102
101
99
36
6
6
82
83
36
37
113
71
72
6
36
96
98
97
84
124
125
90
86
87
86
85
89
88
91
6
6
6
6
6
94
6
6
95
6
6
6
6
6
6
6
6
6
103
103
81
118
118
92
93
93
92
72
139
137
140
138
136
74*
126
126
135
DIBUJO DE LAS PIEZAS—Núm. de Modelo PETL50130 R0903A