Proform Petl616061 620 V Treadmill Users Manual NTL10850 214878
Proform-Petl616061-Owner-S-Manual proform-petl616061-owner-s-manual
2015-04-13
: Proform Proform-Petl616061-620-V-Treadmill-Users-Manual-698887 proform-petl616061-620-v-treadmill-users-manual-698887 proform pdf
Open the PDF directly: View PDF
.
Page Count: 34

MANUEL DE L’UTILISATEUR
ATTENTION
Lisez toutes les précautions et
les instructions contenues dans
ce manuel avant d’utiliser cet ap-
pareil. Gardez ce manuel pour
vous y référer ultérieurement.
Autocollant du
Numéro de Série
Nº. du Modèle PETL61606.1
Nº. de Série.
Écrivez le numéro sur la ligne ci-des-
sus comme référence.
QUESTIONS?
En tant que fabricant nous nous
engageons à satisfaire notre
clientèle entièrement. Si vous
avez des questions ou si des
pièces sont manquantes,
veuillez-nous contacter au :
du lundi au jeudi de 9h00 à
13h00 et de 14h00 à 18h00, le
vendredi de 14h00 à 17h00 (à
l’exception des jours fériés).
email : sav.fr@iconeurope.com
(33) (0) 810 121 140

TABLE DES MATIÈRES
PRÉCAUTIONS IMPORTANTES . . . . . . . . . . . . . . . . . . . . . . . . . . . . . . . . . . . . . . . . . . . . . . . . . . . . . . . . . . . . . .3
AVANT DE COMMENCER . . . . . . . . . . . . . . . . . . . . . . . . . . . . . . . . . . . . . . . . . . . . . . . . . . . . . . . . . . . . . . . . . . .5
ASSEMBLAGE . . . . . . . . . . . . . . . . . . . . . . . . . . . . . . . . . . . . . . . . . . . . . . . . . . . . . . . . . . . . . . . . . . . . . . . . . . . . .6
COMMENT UTILISER LE CAPTEUR CARDIAQUE DU TORSE . . . . . . . . . . . . . . . . . . . . . . . . . . . . . . . . . . . . .10
FONCTIONNEMENT ET AJUSTEMENTS . . . . . . . . . . . . . . . . . . . . . . . . . . . . . . . . . . . . . . . . . . . . . . . . . . . . . .11
COMMENT PLIER ET DÉPLACER LE TAPIS DE COURSE . . . . . . . . . . . . . . . . . . . . . . . . . . . . . . . . . . . . . . . .24
LOCALISATION D’UN PROBLÈME . . . . . . . . . . . . . . . . . . . . . . . . . . . . . . . . . . . . . . . . . . . . . . . . . . . . . . . . . . .26
CONSEILS DE MISE EN FORME . . . . . . . . . . . . . . . . . . . . . . . . . . . . . . . . . . . . . . . . . . . . . . . . . . . . . . . . . . . . .29
LISTE DES PIÈCES . . . . . . . . . . . . . . . . . . . . . . . . . . . . . . . . . . . . . . . . . . . . . . . . . . . . . . . . . . . . . . . . . . . . . . . .30
POUR COMMANDER DES PIÈCES DE RECHANGE . . . . . . . . . . . . . . . . . . . . . . . . . . . . . . . . . . . .Dernière Page
Remarque : vous trouverez à l’intérieur de ce manuel un SCHÉMA DÉTAILLE.
PROFORM est une marque enregistrée de ICON IP, Inc.
2

1. Le propriétaire est responsable d’informer
tous les utilisateurs de ce tapis de course des
avertissements et des précautions impor-
tantes qui se rattachent à l’utilisation de ce
produit.
2. Utilisez le tapis de course selon les usages
décrits.
3. Installez le tapis de course sur une surface
plane avec au moins 2,5 m d’espace à l’arrière
et 0,5 m de chaque côté. Ne l’installez pas sur
une surface qui empêcherait sa circulation
d’air. Pour protéger votre sol ou votre mo-
quette, placez un revêtement sous le tapis de
course.
4. Gardez le tapis de course à l’intérieur, loin de
l’humidité et de la poussière. Ne mettez pas le
tapis de course dans un garage ou sur une
terrasse couverte, ou prés d’une source
d’eau.
5. Ne faites pas fonctionner le tapis de course
où des produits aérosols sont utilisés et où
de l’oxygène est administré.
6. Gardez les enfants de moins de douze ans et
les animaux domestiques éloignés du tapis
de course à tout moment.
7. Le tapis de course ne doit pas supporter plus
de 159 kg.
8. Ne laissez jamais plus d’une personne e la
fois sur le tapis de course.
9. Portez des vêtements de sport appropriés
quand vous utilisez le tapis de course. Ne
portez pas de vêtements trop amples qui
pourraient se coincer dans le tapis de course.
Les vêtements de support sont recommandés
pour les hommes et les femmes.
Portez tou-
jours des chaussures de sport. N’utilisez ja-
mais le tapis de course les pieds nus, en
chaussettes, ou en sandales.
10. Veuilles brancher le cordon d’alimentation (voir
la page 11) directement sur une prise capable
de soutenir au moins 8 ampères. Aucun autre
appareil ne devrait être branché sur le même
circuit.
11. Si vous avez besoin d’une rallonge, n’utilisez
qu’une rallonge tout usage d’une longueur de
1,5 m maximum.
12. L’inobservation de cette recommandation
pourrait résulter en un bris du système de
commande du tapis de course. Si le système
de commande est endommagé, la courroie
mobile pourrait accélérer, ralentir ou s’arrêter
subitement ce qui pourrait occasionner une
chute et des blessures graves.
13. Ne placez pas le cordon d’alimentation et le
suppresseur de surtension près d’une source
de chaleur.
14. Ne déplacez jamais la courroie quand l’appa-
reil est à l’arrêt. Ne faites pas fonctionner le
tapis de course si le cordon d’alimentation ou
la prise est endommagé(e) ou si le tapis de
course ne fonctionne pas correctement. (Voir
LOCALISATION D’UN PROBLÈME à la page
26 si le tapis de course ne fonctionne pas cor-
rectement.)
15. Veuillez lire attentivement et comprendre les
procédures d’arrêt d’urgence et les tester
avant d’utiliser le tapis de course (voir COM-
MENT ALLUMER LE TAPIS DE COURSE à la
page 13).
16. Ne mettez jamais le tapis de course en
marche quand vous vous tenez sur la cour-
roie. Tenez-vous toujours aux rampes lors de
l’emploi du tapis de course.
17. Le tapis de course peut se déplacer à des vi-
tesses élevées. Ajustez la vitesse progressi-
vement de manière à éviter des changements
de vitesse soudains.
18. Le capteur cardiaque n’est pas un appareil
médical. De nombreux facteurs tel que les
mouvements de l’utilisateur pendant l’exer-
cice, peuvent rendre la lecture du rythme car-
diaque moins précise. Le capteur ne sert qu’à
donner une idée approximative des fluctua-
tions du rythme cardiaque lors de l’exercice.
AVERTISSEMENT: afin de réduire les risques de brûlures, d’incendie, de chocs
électriques ou de blessures, lisez les précautions importantes ci-dessous ainsi que les instructions
avant d’utiliser le tapis de course.
PRÉCAUTIONS IMPORTANTES
3

19. Ne laissez pas le tapis de course en marche
sans surveillance. Enlevez toujours la clé, dé-
branchez le cordon d’alimentation et placez
l’interrupteur marche/arrêt sur la position off
lorsque vous n’utilisez pas le tapis de course.
(Voir le schéma page 5 pour localiser l’inter-
rupteur marche/arrêt.)
20. N’essayez pas de soulever, de rabaisser ou
de déplacer le tapis de course avant que ce
dernier ne soit assemblé. (voir ASSEMBLAGE
àla page 6, et COMMENT PLIER ET
DÉPLACER LE TAPIS DE COURSE à la page
24.) Pour pouvoir soulever, abaisser, ou dé-
placer le tapis de course, vous devez être ca-
pable de soulever 20 kg sans difficulté.
21. Ne changez pas l’inclinaison du tapis de
course en plaçant des objets sous l’avant ou
l’arrière du tapis de course.
22. Quand vous rangez le tapis de course, assu-
rez-vous que le loquet de rangement est
fermé complètement par la goupille du bou-
ton du loquet.
23. Vérifiez et serrez correctement toutes les
pièces du tapis de course régulièrement.
24. N’insérez et ne laissez jamais tomber d’objets
dans les ouvertures du tapis de course.
25. DANGER: débranchez toujours le
cordon d’alimentation immédiatement après
usage, avant de nettoyer le tapis de course et
avant d’effectuer les procédures d’entretien et
de réglage décrites dans ce manuel. N’enle-
vez jamais le capot du moteur à moins d’en
être avisé par un représentant de service au-
torisé. Les ajustements autres que ceux dé-
crits dans ce manuel ne doivent être effectués
que par un représentant de service autorisé.
26. Ce tapis de course est conçu pour être seule-
ment utilisé dans votre maison. Le tapis de
course ne doit pas être utilisé dans une insti-
tution commerciale ou pour la location.
4
ATTENTION: consultez votre médecin avant d’entreprendre un programme d’exercice.
Tout particulièrement les personnes âgées de plus de 35 ans ou les personnes qui ont déjà eu des
problèmes de santé. Lisez toutes les instructions avant d’utiliser ce produit. ICON ne se tient aucune-
ment responsable des blessures ou dégâts matériels résultant de l’utilisation de ce produit.
CONSERVEZ CES INSTRUCTIONS
Trouvez les autocollants qui se trouve sur le
tapis de course. Remarquez que le texte inscrit
sur les autocollants est en anglais. Trouvez les
autocollants en français et placez-les par-des-
sus les autocollants en anglais. Si les autocol-
lants sont manquants ou illisibles, contactez
notre service à la clientèle au numéro sans frais
(voir la page de couverture de ce manuel).
Placez le nouvel autocollant à l’endroit indiqué.
Remarque : l’autocollant n’est pas illustré à sa
taille réelle.
25 FR SP IT GR DU
233005
H

5
Merci d’avoir choisi le tapis de course PROFORM®
620 V. Le tapis de course 620 V offre une palette de
fonctionnalités conçues pour rendre vos exercices à la
maison plus agréables et plus efficaces. De plus
lorsque que vous ne vous exercez pas, l’exceptionnel
620 V peut être plié prenant ainsi moins d’espace (la
moitié) que les autres tapis de course.
Veuillez lire attentivement ce manuel avant d’utili-
ser le tapis de course. Si vous avez des questions
concernant cet appareil, voir la page de couverture de
ce manuel. Pour mieux nous assister, notez le numéro
dumodèle et le numéro de série de l’appareil avant de
nous appeler. Le numéro du modèle du tapis de
course est le PETL61606.1. Vous trouverez le numéro
de série sur l’autocollant qui est collé sur le tapis de
course (voir la page de couverture de ce manuel pour
son emplacement).
Familiarisez-vous avec les pièces sur le schéma ci-
dessous avant de continuer la lecture de ce manuel.
AVANT DE COMMENCER
Rampe
Ventilateur
Console Porte-Livre
Clé/Pince
Courroie Mobile
Repose-Pieds
Boulon de Réglage
du Rouleau Arrière
Plateau
d’Accessoires
Capteur Cardiaque
Disjoncteur
Interrupteur
Marche/Arrêt
Plate-forme de Marche
Anti-Choc

6
Assemblage
L’assemblage requiert deux personnes. Placez le tapis de course sur une aire dégagée et enlevez les embal-
lages. Ne jetez pas les emballages avant d’avoir terminé l’assemblage du tapis de course.
Remarque : le dessous de la courroie du tapis de course est enduite d’un lubrifiant très efficace. Il se peut que
durant l’expédition une petite quantité de lubrifiant se soit transférée sur le dessus de la courroie ou sur le carton
d’emballage. Ceci n’affecte pas la performance du tapis de course. S’il y a du lubrifiant sur la courroie, nettoyez
avec un chiffon doux et un détergent non-abrasif.
L’assemblage requière les cles hexagonales incluses et votre tournevis cruciforme .
Identifiez les petites pièces utilisées lors de l’assemblage. Le nombre entre parenthèses sous chaque
schéma fait référence au numéro clé de la pièce dans la LISTE DES PIÈCES aux pages 30 et 31. Le nombre
après la parenthèse indique la quantité nécessaire pour l’assemblage. Remarque : si vous ne pouvez pas
trouver une pièce dans le sac des pièces, vérifiez si les pièces sont déjà attachées. Pour éviter d’endom-
mager les pièces en plastique, n’utilisez pas d’outils électriques pour l’assemblage.
rew (123)–2
1/2” Silver Screw
(48)–1
3/4” Tek Screw (58)–4
3
Spacer Screw (60)–2
1
41/2” Bolt (78)–4
1
Washer (96)–8
ension Leg
Nut (106)–4
2
Rondelle Étoilée
du Montant
(90)–10
Nut (38)–2
3/8
5/16
Boulon du Montant
(72)–4
Vis de 3/4" (4)–4
Console Bolt (72)–4
Upper Latch Bolt (XX)–1 Lower Latch Bolt (XX)–1
Boulon de la Rampe
(64)–6
1. Assurez-vous que le cordon d’alimentation
est débranché.
Àl’aide d’une autre personne, soulevez la partie
avant du tapis de course et introduisez la barre
transversale de la Base (83) à travers l’entaille
du support de carton, tel qu’il est montré à
droite. Demandez à l’autre personne de tenir
fermement le support de carton et le tapis de
course jusqu’à ce que l’étape 2 soit accom-
plie.
83
Support de
carton
1
AVERTISSEMENT:
Le déplacement du tapis de course vers
l’avant ou l’arrière occasionnant sa
chute du support de carton pourrait ré-
sulter en de graves blessures. Le sup-
port de carton et le tapis de course doi-
vent être maintenus fermement par une
autre personne jusqu’à la fin de l’étape
2afin d’empêcher le tapis de course de
bouger, de basculer ou de chuter.

7
2. Identifiez le Montant Gauche (73) et le Montant
Droit (74). Tenez le Montant Droit près du
Couvre-Base Droit (77) tel que montré. Insérez
le Groupement de Fils du Montant (75) dans
l’orifice rectangulaire au bas du Montant Droit en
le poussant vers le haut et hors de la partie su-
périeure du Montant Droit.
Tirez doucement le Goupement de Fils du
Montant (75) vers le haut à mesure que vous
installez le Montant Droit (74) sur la Base (83) à
l’intérieur du Couvre-Base Droit (77). Prenez
garde à ne pas pincer le Groupement de Fils
du Montant.
Fixez le Montant Droit (74) à la Base (83) à
l’aide de deux Boulons du Montant (72) et de
deux Rondelles Étoilées (90). Remarque : il peut
être nécessaire de faire légèrement basculer la
partie supérieure du Montant Droit vers l’avant à
mesure que vous enfilez les Boulons du Montant
dans le Montant Droit. Ne serrez pas encore
les boulons.
Fixez le Montant Gauche (73) à la Base (83) de
la même façon. Remarque : il n’y a pas de grou-
pement de fils du montant sur le côté gauche.
Ne serrez pas encore les boulons.
Àl’aide d’une autre personne, abaissez le tapis
de course et jetez le support de carton.
3. Identifiez le Manchon du Montant Droit (96) et le
Manchon du Montant Gauche (95). Glissez le
Manchon du Montant Droit sur le Montant Droit
(74) et le Manchon du Montant Gauche sur le
Montant Gauche (73).
83
75
77
2
74
73
90
72
95
“Droit”
“Gauche”
96
3
74
73

8
4. À l’aide d’une autre personne, tenez l’assem-
blage de la console près des Montants (73, 74).
Branchez le Groupement de Fils du Montant
(75) sur le Groupement de Fils de la Console
(71). Assurez-vous que les connecteurs sont
branchés correctement (voir le schéma en
encadré). Les connecteurs doivent facile-
ment glisser l’un dans l’autre et s’enclencher
en place. Si les connecteurs ne glissent pas fa-
cilement l’un dans l’autre et ne s’enclenchent
pas, tournez un des connecteurs et essayez à
nouveau. SI LES CONNECTEURS NE SONT
PAS BRANCHÉS CORRECTEMENT, LA
CONSOLE PEUT ÊTRE ENDOMMAGÉE
QUAND ELLE SOIT ALLUMÉE.
71
Assemblage
de la Console
4
75
74
5. Insérez les supports des Rampes (99) à l’inté-
rieur du Montant Droit (74) et du Montant
Gauche (73). Assurez-vous qu’aucuns fils ne
sont pincés.
73
5
74
99
6. Serrez à l’aide des doigts trois Boulons de la
Rampe (64) accompagnés de trois Rondelles
Étoilées (90) à l’intérieur du Montant Droit (74).
Ensuite, serrez à l’aide des doigts trois Boulons
de la Rampe accompagnés de trois Rondelles
Étoilées (non montré) à l’intérieur du Montant
Gauche (73). Serrez enfin les six Boulons de la
Rampe fermement.
73
74
64
64
90
90
75 71
6
73
99

9
9. Assurez-vous que toutes les pièces sont serrées avant d’utiliser le tapis de course. Gardez le clé hexa-
gonale incluse dans un endroit sûr. Lea clé hexagonale est utilisée pour régler la courroie mobile (voir page
27). Pour protéger votre sol ou moquette, placez un revêtement sous le tapis de course.
8. Glissez le Manchon du Montant Droit (96) contre
l’assemblage de la console. Fixez le Manchon
du Montant Droit à l’aide de trois Vis de 3/4 (4).
Fixez le Manchon du Montant Gauche (non
montré) au Montant Gauche (73) de la même
façon. 73
74
4
96
4
8
7. Avec l’aide d’une deuxième personne, soulevez
l’avant du tapis roulant puis, enfoncez la barre
transversale sur la Base (83) dans le trou sur le
support en carton, comme illustré. Demandez à
l’autre personne de tenir le tapis roulant pour
éviter qu’il ne glisse vers l’avant ou vers l’ar-
rière.
Vissez fermement les quatre Boulons du Montant
(72). Avec l’aide de la deuxième personne, bais-
sez le tapis roulant, hors du support en carton.
Support de
carton
72
83
72
7

10
COMMENT PORTER LE CAPTEUR CARDIAQUE
Le capteur cardiaque comporte deux éléments : la
sangle et le capteur cardiaque (voir le dessin ci-des-
sous). Insérez la languette sur l’une des extrémités de la
sangle du torse dans l’une des extrémités de l’unité du
capteur, comme indiqué dans le dessin encadré.
Appuyez l’extrémité de l’unité du capteur sous la boucle
sur la sangle du torse. La languette devrait être alignée
avec l’avant de l’unité du capteur.
Ensuite, placez le
capteur autour de
votre abdomen, juste
sous votre poitrine, et
attachez l’autre extré-
mité de la sangle au
capteur. Ajustez la
longueur de la sangle
si cela est nécessaire.
Le capteur devrait être placé sous vos vêtements, tou-
chant votre peau, et aussi haut que possible sous vos
muscles pectoraux ou votre poitrine tout en étant confor-
table. Assurez-vous que le logo est placé à l’endroit.
Soulevez le capteur de votre peau de quelques pouces
et localisez les deux surfaces des électrodes sur l’inté-
rieur du capteur. Les surfaces des électrodes sont les
deux rectangles creux. A l’aide de solution saline tel que
de la salive ou de la solution pour lentilles de contact,
mouillez les deux surfaces des électrodes. Replacez le
capteur sur votre peau.
ENTRETIEN ET NETTOYAGE DU CAPTEUR
•Séchez complètement le capteur après chaque utili-
sation. Le capteur est activé quand les électrodes
sont mouillées et que le capteur est porté ; le cap-
teur s’éteint quand il est n’est pas porté et que les
électrodes sont sèches. Si le capteur n’est pas
séché après chaque utilisation, il restera allumé
même s’il n’est pas utilisé, utilisant ainsi les piles.
• Rangez le capteur cardiaque dans un endroit tiède et
sec. Ne mettez pas le capteur cardiaque dans un sac
en plastique ou tout autre récipient qui retient l’humi-
dité.
• N’exposez pas le moniteur aux rayons directs du soleil
pendant des longues périodes de temps ; ne l’expo-
sez pas non plus à des températures au-dessus de
50° C ou au-dessous de -10° C.
•Ne pliez ou n’étirez pas l’unité du capteur cardiaque
quand vous la rangez.
• Nettoyez l’unité du capteur cardiaque avec un chiffon
humide—n’utilisez jamais de l’alcool, des nettoyant
abrasifs ou chimiques. La ceinture peut être lavée à la
main et séchée à l’air.
LOCALISATION D’UN PROBLÈME
Les instructions contenues sur cette page décrivent
la manière avec laquelle le capteur fonctionne avec
la console. Si le capteur cardiaque ne fonctionne
pas correctement, essayez les étapes ci-dessous.
• Assurez-vous que vous portez le capteur cardiaque
du torse comme décrit à gauche. Remarque : si le
capteur ne fonctionne pas quand il est dans la posi-
tion décrite ci-dessus, essayez de le placer plus haut
ou plus bas sur votre abdomen.
•Al’aide de solution saline tel que de la salive ou de la
solution pour lentilles de contact, mouillez les deux
surfaces des électrodes. Si votre rythme cardiaque ne
s’affiche pas avant que vous ne commenciez à trans-
pirer, mouillez les surfaces des électrodes à nouveau.
• Quand vous marchez ou courrez sur le tapis roulant,
placez-vous au milieu de la courroie. Pour que la
console affiche le rythme cardiaque, l’utilisateur
ne doit être plus loin de la console que la lon-
gueur de son bras.
•Le capteur cardiaque est conçu pour être utilisé par
des personnes qui ont un rythme cardiaque normal.
Les problèmes d’affichage du rythme cardiaque peu-
vent être dus à des conditions médicales telles que
les contractions prématurées des ventricules, tachcar-
dia, et arrhythmia.
• Le fonctionnement du capteur peut être affecté par
des interférences magnétiques causées par des
lignes électriques de haute tension et d’autres
sources. Si vous pensez que des interférences ma-
gnétiques causent un problème, essayez de placer
votre tapis de course dans un endroit différent.
• La pile CR2032 doit peut être remplacée (voir la page
28).
Ceinture de Poitrine
Languettes
Unité du Capteur
Languette
Unité du
Capteur Boucle
COMMENT UTILISER LE CAPTEUR CARDIAQUE

11
LA COURROIE MOBILE PRÉ-LUBRIFIÉE
Votre tapis de course est équipé d’une courroie mobile enduite d’un lubrifiant haute performance. IMPORTANT :
ne vaporisez jamais de silicone ou quelqu’autre substance sur la courroie ou sur la plateforme de sup-
port. Ces substances pourraient détériorer la courroie et causer de l’usure extrême.
INSTRUCTIONS DE MISE À LA TERRE
Cet appareil doit être branché sur une prise de terre. S’il arrivait
que cet appareil ne fonctionne pas bien ou tombe en panne, le fait
d’être branché sur une prise de courant de terre permet une résis-
tance moindre au courant électrique, ce qui réduit les risques de
chocs électriques. Ce produit est équipé d’un cordon avec un
conducteur de mise à la terre et d’une prise mise à la terre.
Important : si le cordon d’alimentation est endommagé, il doit
être remplacé avec un cordon d’alimentation recommandé par
le fabricant.
Référez-vous au dessin numéro 1. Branchez l’extrémité indiquée du
cordon d’alimentation dans la prise qui se trouve sur le tapis de
course. Référez-vous au dessin numéro 2. Branchez le cordon d’ali-
mentation dans la prise de courant qui est correctement installée et
qui est mis à la terre conformément aux codes et aux ordonnances
locales. Important : le tapis de course n’est pas compatible
avec les prises équipés d’un IMCT.
DANGER : un mauvais branchement de l’équipement peut créer des risques de chocs
électriques. Demandez l’aide d’un électricien qualifié si vous avez des doutes quant à l’installation du
tapis de course. Ne modifiez pas la prise fournie avec le tapis de course. Si elle ne correspond pas à
votre prise de courant, faites installer une prise de courant adéquate par un électricien qualifié.
FONCTIONNEMENT ET AJUSTEMENTS
FR/SP
IT
Prise du Tapis de Course
1
F
I
Prise
2

12
PLACEMENT DE L’AUTOCOLLANT
S’il y a lieu, enlevez la fine feuille de plastique à l’avant
de la console. Enlevez le revêtement sur la console.
Les autocollants sur la console sont en anglais.
Décollez l’autocollant en français de la feuille d’auto-
collants incluse et placez-le sur l’autocollant en an-
glais.
CARACTÉRISTIQUES DE LA CONSOLE
La console du tapis de course est dotée d’un nombre
impressionnant de fonctionnalités pour vous aider à
tirer le maximum de vos entraînements. Quand le
mode manuel de la console est sélectionné, la vitesse
et l’inclinaison du tapis de course peuvent être modi-
fiées d’une pression de touche. Alors que vous vous
entraînez, la console affiche en continu les données
de votre entraînement. Vous pouvez même mesurer
votre rythme cardiaqe en utilisant le capteur cardiaque
de la poignée ou le capteur cardiaque du torse.
De plus, la console comporte vingt-quatre programmes
préréglés — douze programmes de perte de poids et
douze programmes d’entraînement aérobique. Chaque
programme contrôle automatiquement la vitesse et l’in-
clinaison du tapis de course tout en vous guidant lors
d’un entraînement efficace. Vous pouvez même crée
votre propre programme d’entraînement et les sauve-
garder dans la mémoire pour de futures utilisations. La
console est aussi équipée de quatre programmes de
Rythme Cardiaque qui contrôlent la vitesse et l’inclinai-
son du tapis de course de manière à maintenir tout au
long de votre entraînement votre rythme cardiaque
dans des limites de paramètres préprogrammés.
La console possède également le nouveau système
d’Entraînement Interactif iFIT. Le système iFIT permet
àla console d’accepter des Cartes d’Entraînement
Interactif iFIT comportant des programmes d’entraîne-
ment qui vous aident à atteindre des objectifs de fit-
ness spécifiques. Par exemple, la perte de kilos indési-
rables à l’aide ou la préparation d’une course de fond.
Les programmes iFIT contrôlent automatiquement le
tapis de course pendant que la voix d’un entraîneur
personnel vous donne des instructions et vous encou-
rage à travers chacune des étapes de votre entraîne-
ment. Une Carte iFIT est fournie. Des cartes iFIT sont
disponibles indépendamment. Pour l’achat de Cartes
iFIT, composez le numéro de téléphone figurant
sur la page de couverture de ce manuel.
Vous pouvez même écouter vos musiques d’entraîne-
ment ou livres sonores préférés grâce à la chaîne
audio stéréophonique.

Pour mettre sous tension,suivez les étapes de la
page 13. Pour personnaliser les réglages de la
console,voir la page 13. Pour utiliser le mode ma-
nuel,voir la page 15. Pour utiliser un programme
préréglé,voir la page 17. Pour creer et utilizer un
programme personnalisé,voir les pages 19 et 20.
Pour utiliser un programme de Rythme Cardiaque,
voir la page 21. Pour utiliser la chaîne audio stéréo-
phonique,référez-vous à la page 22. Pour utiliser
une Carte iFIT,reportez-vous à la page 23.
Remarque : si la console est recouverte d’un film de
plastique, retirez-le.
COMMENT ALLUMER LE TAPIS DE COURSE
Branchez le cordon
d’alimentation (voir la
page 11). Localisez l’in-
terrupteur marche/
éteint sur le tapis de
course, près du cordon
d’alimentation. Bougez
l’interrupteur marche/éteint à la position marche.
Placez-vous sur les
repos-pieds du tapis
de course. Trouvez
la pince attachée
sur la clé et glissez
la pince sur la cein-
ture de votre vête-
ment. Ensuite, insé-
rez la clé dans la console. Après quelques ins-
tants, l’écran s’allume. Important : dans une si-
tuation d’urgence, la clé peut etre tirée de la
console causant la courroie mobile de ralentir
jusqu’à s’arreter. Testez la pince en vous éloi-
gnant avec précaution de quelques pas en ar-
rière jusqu’à ce que la clé sorte de la console.
Si la clé ne sort pas de la console ajustez la
pince.
Remarque : afin d’éviter toute détérioration de la
plate-forme de marche, portez toujours des
chaussures propres lorsque vous utilisez le tapis
de course. La première fois que vous utilisez votre
tapis de course, inspectez régulièrement l’aligne-
ment de la courroie mobile et recentrez la courroie
mobile si nécessaire (voir page 27).
La console comporte également un mode des ré-
glages vous permettant de visualiser l’historique de
votre entraînement, de sélectionner une unité de me-
sure de la console, d’activer et de désactiver le mode
démo, d’entrer un réglage d’entraîneur audio, de varier
les réglages du volume et du contraste de la console
et d’activer et de désactiver l’affichage de bienvenue.
Suivez les étapes indiquées ci-dessous pour person-
naliser les réglages de la console.
Sélectionnez le mode réglages.
Pour sélectionner le mode réglages, enlevez la clé
de la console. Puis, maintenez enfoncée la touche
Arrêt [STOP] et insérez la clé dans la console.
Lorsque le mode des réglages est sélectionné, la
partie supérieure de l’écran indiquera le nombre
total d’heures d’utilisation du tapis de course et le
nombre total de miles ou de kilomètres parcourus
au tapis de course.
Sous l’historique de l’entraînement, l’écran affichera
le mot
ENGLISH
ou
METRIC
pour identifier l’unité
de mesure sélectionnée. Pour changer d’unité de
mesure, surlignez d’abord l’indication unités
[UNITS] en appuyant sur la touche d’augmentation
ou de diminution de la Fréquence Cardiaque
[HEART RATE], puis appuyez sur la touche de
Contrôle de la Fréquence Cardiaque [HEART RATE
CONTROL]. Ensuite, appuyez sur la touche d’aug-
mentation ou de diminution de la Fréquence
Cardiaque afin de sélectionner l’unité de mesure
voulue. Appuyez enfin sur la touche de Contrôle de
la Fréquence Cardiaque.
L’écran affichera également les mots Mode Démo
[DEMO MODE] ainsi que le réglage en cours : Arrêt
[OFF], LOGO, Route [ROAD], ou Programmes
[PROGRAMS]. On utilise le « mode démo » lors de
l’exposition du tapis de course dans un magasin.
Lorsque le mode démo est sélectionné, l’écran de la
console reste allumé après avoir branché le cordon
d’alimentation et enlevé la clé de la console. Par
contre, les touches de la console ne fonctionnent
pas. Pour sélectionner le mode démo, surlignez
Mode Démo [DEMO MODE], ensuite appuyez sur
la touche Contrôle de Rythme Cardiaque. Puis, ap-
puyez sur la touche d’augmentation ou de diminu-
tion de la touche Rythme Cardiaque pour surligner
Arrêt (pour arrêter le mode démo), LOGO (pour affi-
cher un logo), Égaliseur EQ [Visiual EQ (pour affi-
cher l’égaliseur visuel), Route (pour afficher une ani-
mation d’un coureur sur une route), ou Programmes
(pour afficher des aperçus de divers programmes).
Appuyez ensuite sur la touche Contrôle de Rythme
Cardiaque.
1
2
1Position
Marche
Clé
Pince
COMMENT PERSONNALISER LES RÉGLAGES
DE LA CONSOLE
13

14
Vous pouvez sélectionner un réglage audio, si vous
le souhaitez. Lorsque vous utilisez une Carte iFIT,
unentraîneur personnel vous guide à travers vos
entraînements et vous enseigne comment acheter
davantage de Cartes iFIT, si « Instruction » est sé-
lectionnée comme réglage audio. Si vous sélection-
nez le réglage Marche [ON], votre entraîneur per-
sonnel se limitera simplement à vous guider à tra-
vers vos entraînements iFIT. Si vous sélectionnez le
réglage Arrêt [OFF], vous obtiendrez des conseils
audio pendant vos entraînements. Pour modifier le
réglage audio, surlignez d’abord Entraîneur Audio
[AUDIO TRAINER] et appuyez sur la touche
Contrôle de Rythme Cardiaque. Ensuite, appuyez
sur la touche d’augmentation ou de diminution de la
Fréquence Cardiaque afin de sélectionner le ré-
glage audio voulu. Appuyez enfin sur la touche de
Contrôle de la Fréquence Cardiaque.
Il est possible de régler le volume de la voix de
votre entraîneur personnel en surlignant VO-
LUME, en appuyant sur la touche Contrôle de
Rythme Cardiaque, et en appuyant sur les
touches d’augmentation et de diminution de la
touche Rythme Cardiaque pour sélectionner un
réglage de volume. Appuyez ensuite sur la touche
Contrôle de Rythme Cardiaque.
Il est également possible de régler le contraste de
l’écran. Pour régler le contraste de l’écran, surli-
gnez d’abord Contraste [CONTRAST] et appuyez
sur la touche Contrôle de Rythme Cardiaque.
Puis, appuyez sur les touches d’augmentation et
de diminution de Rythme Cardiaque pour sélec-
tionner un réglage de contraste. Appuyez ensuite
sur la touche Contrôle de Rythme Cardiaque.
Vous pouvez aussi sélectionner un réglage d’éga-
lisation destiné à rehausser la sonorité de votre
musique personnelle. Les choix sont Défaut [DE-
FAULT], CLASSIC, COUNTRY, TECHNO et
ROCK. Pour sélectionner un réglage d’égalisa-
tion, surlignez d’abord Égaliseur [EQUALIZER,]
puis appuyez sur la touche de Contrôle de la
Fréquence Cardiaque. Ensuite, appuyez sur les
touches d’augmentation ou de diminution de la
Fréquence Cardiaque afin de sélectionner un ré-
glage d’égalisation. Appuyez enfin sur la touche
de Contrôle de la Fréquence Cardiaque.
Lorsque vous avez terminé d’utiliser le mode
réglages, enlevez la clé.
Pour quitter le mode réglages à n’importe quel
moment, enlevez la clé de la console.
2

15
COMMENT UTILISER LE MODE MANUEL
Insérez la clé dans la console.
Voir COMMENT ALLUMER LE TAPIS DE
COURSE à la page 13.
Au besoin, personnalisez les réglages de la
console.
Reportez-vous à la section COMMENT PERSON-
NALISER LES RÉGLAGES DE LA CONSOLE à
la page 13.
Sélectionnez le mode manuel.
Chaque fois que la clé est insérée, le mode ma-
nuel est sélectionné. Si vous avez sélectionné un
programme, appuyez plusieurs fois sur n’importe
quelle touche du programme jusqu’à l’apparition
de MANUAL (MANUEL) à l’écran. Remarque :
Assurez-vous que la Carte iFIT n’est pas insérée
dans la fente iFIT.
Lancez la courroie mobile et réglez la vitesse.
Pour mettre la courroie mobile en marche, ap-
puyez sur la touche Marche [START], la touche
d’augmentation de la Vitesse [SPEED], ou l’une
des douze touches de Vitesse Rapide [QUICK
SPEED].
Si vous appuyez sur la touche Démarage ou sur
la touche d’augmentation de la Vitesse, la cour-
roie mobile commencera à tourner à 2 km/h. Alors
que vous vous entraînez, changez la vitesse de la
courroie mobile comme vous le désirez en ap-
puyant sur les touches d’augmentation ou de di-
minution de la Vitesse à côté de la touche
Marche. À chaque pression de touche, la vitesse
change de 0,1 km/h ; si vous appuyez de manière
continue sur une touche, la vitesse change par
étape de 0,5 km/h. Si l’une des douze touches de
Vitesse Rapide est appuyée, la vitesse de la cour-
roie mobile augmente progressivement jusqu’à at-
teindre le réglage de vitesse sélectionné.
Pour arrêter la courroie mobile, appuyez sur la
touche Arrêt [Stop]. Pour mettre la courroie mobile
en marche, appuyez sur la touche Marche, la
touche d’augmentation de Vitesse, ou une des
touches de Vitesse Rapide numérotées.
Changez l’inclinaison du tapis de course
comme désiré.
Pour changer l’inclinaison du tapis de course, ap-
puyez sur les touches d’augmentation et de dimi-
nution de l’Inclinaison ou sur l’une des touches
d’Inclinaison Rapide numérotées. Chaque fois
que vous appuyez sur l’une des touches, l’inclinai-
son augmente progressivement jusqu’au réglage
sélectionné.
Sélectionnez un mode d’affichage et suivez
vos progrès avec l’affichage.
Amesure que vous marchez ou courez sur le
tapis de course, l’écran affiche les informations
suivantes relatives à vote entraînement :
• Le temps [TIME] écoulé.
• La distance [DISTANCE] parcourue en mar-
chant ou en courrant.
• La vitesse [SPEED] de la courroie mobile.
•Le degré d’inclinaison [INCLINE] du tapis de
course.
• Le nombre approximatif de calories [CALO-
RIES] que vous avez brûlées.
• Votre vitesse de marche ou de course, en mi-
nutes par mile ou minutes par kilomètre.
• Un égaliseur visuel.
• Votre rythme cardiaque [HEART RATE].
Remarque : Votre rythme cardiaque ne peut
être affichée que pendant l’utilisation du cap-
teur cardiaque aux poignées ou le capteur car-
diaque du torse.
• En outre, l’écran peut afficher un « historique
de l’entraînement »—un profil représentant les
réglages de la vitesse sélectionnée pendant
votre entraînement. Au début de chaque mi-
nute de votre entraînement, une colonne sup-
plémentaire apparaît dans le profil. A mesure
que vous augmentez ou diminuez le réglage
de la vitesse, la hauteur de la colonne aug-
mente ou diminue.
• L’écran peut également afficher l’animation
d’un coureur sur une route. A mesure que
vous augmentez ou diminuez le réglage de la
vitesse, le coureur accélère ou ralentit.
6
5
4
3
2
1

16
Lorsque le mode manuel est sélectionné, la
console propose huit modes d’affichage. Le mode
d’affichage sélectionné détermine les informations
de l’entraînement qui seront affichées. Par
exemple, le premier mode d’affichage n’indique
que le temps écoulé et la distance parcourue en
marchant ou en courant. Appuyez plusieurs fois
sur la touche Affichage pour sélectionner le mode
d’affichage souhaité.
Remarque : indépendamment du mode d’affi-
chage sélectionné, le réglage de la vitesse ou de
l’inclinaison apparaît pendant quelques secondes
chaque fois que vous changez de réglage. En
outre, votre fréquence cardiaque apparaît pendant
environ 40 secondes chaque fois que vous utilisez
le capteur cardiaque aux poignées ou que vous
portez le capteur cardiaque du torse. Remarque :
Si vous sélectionnez le mode d’affichage indiqué
ci-dessous, votre fréquence cardiaque sera affi-
chée à la place du nombre de grammes de calo-
ries que vous avez brûlés.
Pendant votre exercice, la barre des degrés d’in-
tensité indique le degré approximatif de l’intensité
de votre exercice. Si, par exemple, huit indica-
teurs de la barre sont allumés, la barre indique
que le degré de votre intensité est idéal pour un
exercice aérobique.
Pour remettre la console à zéro, appuyez sur la
touche Arrêt, retirez la clé de la console puis réin-
sérez-la dans la console.
Mesurez votre rythme cardiaque, si vous le
désirez.
Vous pouvez mesurer votre pouls en utilisant le
capteur cardiaque du torse (voir la page 10) ou le
capteur cardiaque de la poignée. Remarque : si
vous utilisez le capteur cardiaque du torse et la
poignée du capteur cardiaque en même temps, la
console ne peut pas lire correctement votre
rythme cardiaque.
Pour utiliser le
capteur car-
diaque de la
poignée, reti-
rez le film
plastique qui
recouvre les
contacts en
métal sur le
capteur cardiaque de la poignée. Ensuite, montez
sur les repose-pieds et tenez les contacts en
métal, en évitant de déplacer vos mains.
Lorsque votre rythme cardiaque a été détecté,
votre rythme cardiaque s’affiche à l’écran. Pour
une lecture plus précise de votre rythme car-
diaqe, tenez les contacts pendant 15 se-
condes.
Allumez le ventilateur si vous le désirez.
Pour faire fonctionner le ventilateur à plein ré-
gime, appuyez sur la touche Ventilateur. Pour di-
minuer le régime du ventilateur, appuyez sur la
touche une deuxième fois. Pour fermer le ventila-
teur, appuyez de nouveau sur la touche
Ventilateur. Remarque : si le ventilateur est al-
lumé quand la courroie mobile est arrêtée, le ven-
tilateur s’éteint automatiquement après quelques
minutes.
Quand vous avez fini de vous entraîner, retirez
la clé.
Montez sur les repose-pieds, pressez le touche
Arrêt, et réglez l’inclinaison du tapis de course à
l’arrangement minimal. L’inclinaison doit être à
l’arrangement minimal lorsque le tapis de
course est élevé pour la position de range-
ment, sinon ils sera endommagé. Ensuite, reti-
rez la clé de la console et mettez-la dans un en-
droit sûr.
Lorsque vous avez fini d’utiliser le tapis de
course, déplacez l’interrupteur marche/éteint
près du cordon d’alimentation à la position
éteint et débranchez le cordon d’alimentation.
9
8
7
Barre des Degrés d’Intensité
Contacts

17
Insérez la clé dans la console.
Voir COMMENT ALLUMER LE TAPIS DE
COURSE à la page 13.
Au besoin, personnalisez les réglages de la
console.
Reportez-vous à la section COMMENT PERSON-
NALISER LES RÉGLAGES DE LA CONSOLE à
la page 13.
Sélectionnez un programme préréglé.
Pour sélectionner un programme préréglé, ap-
puyez à répétition sur la touche des Programmes
de Perte de Poids ou la touche des Programmes
d’Entraînement Aérobique.
Lorsqu’un programme préréglé est sélectionné,
l’écran affiche le nom du programme, la durée du
programme, le réglage maximal d’inclinaison du
programme et le réglage maximal de la vitesse.
De plus, un profil des réglages de la vitesse pour
le programme apparaît à l’écran.
Chaque programme pré-enregistré est divisé en
30 segments d’une minute chacun. Une vitesse et
une inclinaison sont programmées pour chaque
segment. Remarque : la même vitesse et/ou incli-
naison peut être réglée pour des segments consé-
cutifs du programme.
Appuyez la touche Marche pour faire marcher
la programme.
Un moment après que la touche est appuyée, le
tapis de course se réglera automatiquement aux
premières vitesse et inclinaison du programme.
Tenez les rampes et commencez à marcher.
Sélectionnez un mode d’affichage et suivez
vos progrès avec l’affichage.
Lorsqu’un programme enregistré est sélectionné, la
console propose trois modes d’affichage. Appuyez
plusieurs fois sur la touche Affichage [DISPLAY]
pour sélectionner le mode d’affichage souhaité. Si
le premier ou le second mode d’affichage est
sélectionné, un profil des réglages de la vitesse du
programme apparaît à l’écran. Une petite flèche si-
tuée au-dessous du profil indique votre progrès.
Ala fin du premier segment d’une minute du pro-
gramme, une série de tonalités se font entendre. Si
des réglages différents de la vitesse et/ou de l’incli-
naison sont programmés pour le deuxième seg-
ment, les réglages de la vitesse et/ou de l’inclinai-
son apparaissent pendant quelques secondes en
haut de l’écran afin de vous alerter. Le tapis de
course ajuste alors automatiquement les réglages
de la vitesse et de l’inclinaison pour le deuxième
segment.
Le programme continue ainsi jusqu’à ce que la
petite flèche atteigne l’extrémité droite du profil.
La courroie de marche alors ralentira et s’arrêtera.
Si le troisième mode d’affichage est sélec-
tionné,l’écran affiche l’animation d’un coureur.
Ala fin du premier segment d’une minute du pro-
gramme, une série de tonalités se font entendre.
Si un réglage différent est programmé pour le
deuxième segment, le réglage de la vitesse se dé-
place le long du bas de l’écran pour vous alerter.
Si un réglage différent de l’inclinaison est pro-
grammé, le réglage de l’inclinaison apparaît pen-
dant quelques secondes en haut de l’écran. Le
tapis de course ajuste alors automatiquement les
réglages de la vitesse et de l’inclinaison pour le
deuxième segment.
Le programme continue ainsi jusqu’à la fin du der-
nier segment. La courroie ralentira alors jusqu’à
l’arrêt complet.
5
4
3
2
1
COMMENT UTILISER LE PROGRAMME
PRÉPROGRAMMÉ

18
Si la vitesse ou l’inclinaison pour le segment en
cours est trop élevé ou trop bas vous pouvez an-
nuler manuellement les réglages en appuyant la
touche Vitesse ou Inclinaison. Toutefois, quand le
prochain segment commence, letapis de course
s’ajustera automatiquement à la programma-
tion de vitesse et d’inclinaison pour le pro-
chain segment.
Pour changer le degré d’intensité du programme
entier, appuyez sur les touches d’augmentation et
de diminution de l’Intensité.
Pour arrêter le programme quelques instants, ap-
puyez sur la touche Arrêt. Pour débuter de nou-
veau le programme, appuyez sur la touche de
Marche. La courroie mobile commencera à se dé-
placer à 2 km par heure. Quand le prochain seg-
ment commence, le tapis de course s’ajustera au-
tomatiquement sur la vitesse et l’inclinaison pro-
grammée pour ce segment.
Mesurez votre rythme cardiaque, si vous le
désirez.
Voir l’étape 7 à la page 16.
Allumez le ventilateur si vous le désirez.
Voir l’étape 8 de la page 16.
Quand vous avez fini de vous entraîner, retirez
la clé de la console.
Lorsque le programme est terminé, assurez-vous
que l’inclinaison du tapis de course est à l’ar-
rangement minimal. Ensuite, retirez la clé de la
console et gardez la clé dans un endroit sûr.
Lorsque vous avez fini d’utiliser le tapis de
course, déplacez l’interrupteur marche/éteint
près du cordon d’alimentation à la position
éteint et débranchez le cordon d’alimentation.
8
7
6

19
Insérez la clé dans la console.
Voir COMMENT ALLUMER LE TAPIS DE
COURSE à la page 13.
Au besoin, personnalisez les réglages de la
console.
Reportez-vous à la section COMMENT PERSON-
NALISER LES RÉGLAGES DE LA CONSOLE à
la page 13.
Sélectionnez un programme personnalisé.
Pour sélectionner programme personnalisé, ap-
puyez sur la touche des Programmes
Personnalisés une ou deux fois.
Si le programme Personnalisé n’a pas encore
été conçu, une durée de programme de trois
minutes apparaît à l’écran. Si le temps du pro-
gramme est supérieur à trois minutes, repor-
tez-vous à la section COMMENT UTILISER UN
PROGRAMME PERSONNALISÉ à la page 20.
Chaque programme personnel est divisé en seg-
ments d’une minute. Un réglage de vitesse et ré-
glage de inclinaison peuvent être enregistré pour
chaque segment.
Appuyez la touche Marche pour faire marcher
la programme.
Quelques instants après avoir appuyé sur la
touche, la courroie mobile commencera à se dé-
placer. Tenez les rampes et commencez à mar-
cher.
Choisissez un mode d’affichage et program-
mez les réglages souhaités pour la vitesse et
l’inclinaison.
Quand un programme Personnalisé est sélectionné,
la console propose trois modes d’affichage.
Appuyez plusieurs fois sur la touche Affichage [DIS-
PLAY] pour sélectionner le mode d’affichage sou-
haité.
Pour programmer une vitesse et une inclinaison
pour le premier segment, ajustez tout simplement
la vitesse et l’inclinaison du tapis de course en ap-
puyant sur les touches de Vitesse et d’Inclinaison
ou les touches d’Intensité.
Ala fin du premier segment, une série de tonalités
se fera entendre et le réglage actuel de la vitesse
et le réglage actuel de l’inclinaison seront enregis-
trés en mémoire.
Programmez une vitesse et une inclinaison pour le
deuxième segment comme décrit ci-dessus.
Continuez à programmer des réglages de la vi-
tesse et de l’inclinaison pour environ 30 segments.
Lorsque vous avez fini votre entraînement, ap-
puyez la touche Arrêt deux fois. Le programme
Personnalisé sera alors enregistré en mémoire.
Quand vous avez fini de vous entraîner, retirez
la clé de la console.
Voir l’étape 8 de la page 18.
6
5
4
3
2
1
COMMENT CREER UN PROGRAMME
PERSONALISE

20
Insérez la clé dans la console.
Voir COMMENT ALLUMER LE TAPIS DE
COURSE à la page 13.
Au besoin, personnalisez les réglages de la
console.
Reportez-vous à la section COMMENT PERSON-
NALISER LES RÉGLAGES DE LA CONSOLE à
la page 13.
Sélectionnez un programme personnalisé.
Pour sélectionner programme personnalisé, ap-
puyez sur la touche des Programmes
Personnalisés une ou deux fois.
Lorsqu’un programme personnalisé est sélec-
tionné, l’écran affiche le nom du programme, la
durée du programme, le réglage maximal d’incli-
naison du programme et le réglage maximal de la
vitesse. De plus, un profil des réglages de la vi-
tesse pour le programme apparaît à l’écran.
Remarque: Si l’écran affiche une durée de pro-
gramme de trois minutes, reportez-vous à la
section COMMENT CRÉER UN PROGRAMME
Personnalisé à la page 19.
Chaque programme personnel est divisé en seg-
ments d’une minute. Un point de repère pour la vi-
tesse et un point de repère pour l’inclinaison sont
enregistré pour chaque segment.
Appuyez la touche Marche pour faire marcher
la programme.
Quelques instants après avoir appuyé sur la
touche, le tapis de course s’ajustera automatique-
ment sur la première vitesse et la première incli-
naison que vous avez programmées auparavant.
Tenez les rampes et commencez à marcher.
Sélectionnez un mode d’affichage et suivez
vos progrès avec l’affichage.
Le programme Personnalisé fonctionne de la même
manière qu’un programme préréglé (reportez-vous
à l’étape 5 aux pages 17 et 18).
Si vous le désirez, vous pouvez modifier le pro-
gramme pendant que vous l’utilisez. Pour chan-
ger la vitesse ou l’inclinaison du segment en
cours,appuyez tout simplement sur les touches
de la Vitesse et de l’Inclinaison ou les touches
d’Intensité. Lorsque le segment actuel est ter-
miné, le nouvel arrangement sera sauvegardé
dans la mémoire. Pour augmenter la durée du
programme,d’abord attendez jusqu’à ce que le
programme soit terminé. Appuyez ensuite sur la
touche Démarage puis programmez une vitesse
et une inclinaison pour autant de segments sup-
plémentaires que vous le désirez. Les pro-
grammes Personnalisés peuvent avoir jusqu’à 30
segments. Quand vous avez ajouté autant de
segments que vous le désiriez, appuyez deux fois
sur la touche Arrêt. Pour réduire la durée du
programme,appuyez deux fois sur la touche
Arrêt à tout moment avant la fin du programme.
Mesurez votre rythme cardiaque, si vous le dé-
sirez.
Voir l’étape 7 à la page 16.
Allumez le ventilateur si vous le désirez.
Voir l’étape 8 de la page 16.
Quand vous avez fini de vous entraîner, retirez
la clé de la console.
Voir l’étape 8 de la page 18.
8
7
6
5
4
3
2
1
COMMENT UTILISER UN PROGRAMME
PERSONALISÉ

21
Suivez les étapes ci-dessous pour utiliser les pro-
grammes de Rythme Cardiaque.
Portez le capteur cardiaque du torse.
Remarque : Vous devez porter le capteur car-
diaque de torse optionnel pour utiliser un pro-
gramme de Rythme cardiaque (reportez-vous à la
page 10 pour obtenir des renseignements sur l’uti-
lisation du capteur cardiaque de torse).
Insérez la clé dans la console.
Voir COMMENT ALLUMER LE TAPIS DE
COURSE à la page 13.
Au besoin, personnalisez les réglages de la
console.
Reportez-vous à la section COMMENT PERSON-
NALISER LES RÉGLAGES DE LA CONSOLE à
la page 13.
Sélectionnez un programme de Rythme
Cardiaque.
Pour sélectionner un programme de pouls, ap-
puyez à répétition sur la touche de Contrôle de la
Fréquence Cardiaque.
Lorsqu’un programme de Rythme Cardiaque est
sélectionné, l’écran affiche le nom du programme
ainsi que le réglage du rythme cardiaque cible
maximale pour le programme. De plus, un profil
des réglages du rythme cardiaque cible du pro-
gramme s’affiche également.
Les programmes de Rythme cardiaque sont divi-
sés en segments d’une minute. Durant le premier
programme de Rythme cardiaque, le même ré-
glage de rythme cardiaque cible est programmé
pour tous les segments (sauf pour les deux pre-
miers segments). Pendant le deuxième, troisième
ou le quatrième programme de pouls, un réglage
de fréquence cardiaque cible est programmé pour
chacun des segments. Remarque : le même ré-
glage peut être réglée pour des segments consé-
cutifs du programme.
Au besoin, ajustez le réglage du rythme car-
diaque cible maximale.
Pour modifier le réglage maximal de la fréquence
cardiaque cible, appuyez sur les touches d’aug-
mentation et de diminution de la Fréquence
Cardiaque (reportez-vous à la section INTENSITÉ
DE L’ENTRAÎNEMENT de la page 29). Pour ajus-
ter rapidement le réglage du rythme cardiaque
cible, maintenez enfoncée l’une des touches.
Appuyez la touche Marche pour faire marcher
la programme.
Quelques instants après avoir appuyé sur la
touche, la courroie mobile commencera à se dé-
placer. Tenez les rampes et commencez à mar-
cher.
Sélectionnez un mode d’affichage et suivez
vos progrès avec l’affichage.
Lorsqu’un programme de Rythme cardiaque est sé-
lectionné, la console propose deux modes d’affi-
chage. Appuyez sur la touche Affichage pour sélec-
tionner le mode d’affichage souhaité.
Indépendamment du mode d’affichage sélec-
tionné, un profil des réglages du rythme cardiaque
cible du programme s’affiche à l’écran. Une ligne
blanche représentant votre pulsation cardiaque
apparaît également ; chaque fois qu’une pulsation
cardiaque est détectée, un pic supplémentaire ap-
paraît dans la ligne. Une petite flèche située au-
dessous du profil indique votre progrès.
7
6
5
4
3
2
1
ATTENTION: si vous avez des
problèmes cardiaques ou si vous êtes âgé(e)s
de plus de 60 ans et n’avez pas fait de sport
depuis quelques temps, n’utilisez pas les pro-
grammes de rythme cardiaque. Si vous prenez
régulièrement des médicaments, consultez
votre médecin pour savoir si ces derniers ne
vont pas affecter votre rythme cardiaque lors
de votre entraînement.
COMMENT UTILISER LES PROGRAMMES DE
RYTHME CARDIAQUE

22
Durant chaque segment, la console comparera ré-
gulièrement votre rythme cardiaque avec le
rythme cardiaque de but en cours. Si votre rythme
cardiaque est trop rapide ou trop lent par rapport
àle but de rythme cardiaque enregistré, la vitesse
du tapis de course augmentera ou ralentira auto-
matiquement pour ramener votre rythme car-
diaque proche de votre but de rythme cardiaque.
Achaque changement de la vitesse ou de l’incli-
naison, les réglages de la vitesse et de l’inclinai-
son apparaissent pendant quelques secondes en
haut de l’écran afin de vous alerter.
Ala fin de chaque segment, une série de tonalités
se font entendre.
Si la vitesse ou l’inclinaison pour le segment en
cours est trop élevé ou trop bas vous pouvez an-
nuler manuellement les réglages en appuyant la
touche Vitesse ou Inclinaison. Cependant, lorsque
la console compare votre fréquence cardiaque à
la fréquence cardiaque cible définie, la vitesse ou
l’inclinaison du tapis de course peut changer auto-
matiquement.
Pour arrêter le programme quelques instants, ap-
puyez sur la touche Arrêt. Pour débuter de nou-
veau le programme, appuyez sur la touche de
Démarage. La courroie mobile commencera à se
déplacer à 2 km par heure. Lorsque la console
compare votre fréquence cardiaque à la fré-
quence cardiaque cible définie, la vitesse ou l’in-
clinaison du tapis de course peut changer auto-
matiquement.
Si le premier programme de Rythme cardiaque
est sélectionné, celui-ci continue jusqu’à ce que
vous l’arrêtiez en appuyant sur la touche Arrêt. Si
le deuxième, troisième ou le quatrième pro-
gramme de pouls est sélectionné, le programme
durera jusqu’à ce que la petite flèche atteigne l’ex-
trémité droite de la description. La courroie mobile
alors ralentira et s’arrêtera.
Allumez le ventilateur si vous le désirez.
Voir l’étape 8 de la page 16.
Quand vous avez fini de vous entraîner, retirez
la clé de la console.
Voir l’étape 8 de la page 18.
Pour écouter de la musique ou des livres sonores par
l’entremise des haut-parleurs stéréophoniques de la
console, vous devez raccoder vorte lecteur MP3 ou
CD à la console. Repérez la prise audio située sous
l’affichage de la console, puis raccordez-la à l’une
des prises de votre lecteur MP3, lecteur CD ou lecteur
audio personnel. Assurez-vous que le câble
audio/vidéo est inséré complètement.
Appuyez sur le bouton PLAY de votre lecteur de MP3
ou votre lecteur de CD. Puis, ajustez le volume de
votre lecteur de MP3 ou votre lecteur de CD.
Si vous utilisez un lecteur de CD portable et que le CD
saute, placez le lecteur de CD portable sur le sol ou
sur une autre surface plane, au lieu de la console.
9
8
COMMENT UTILISER LA CHAINE AUDIO
STÉRÉOPHONIQUE

23
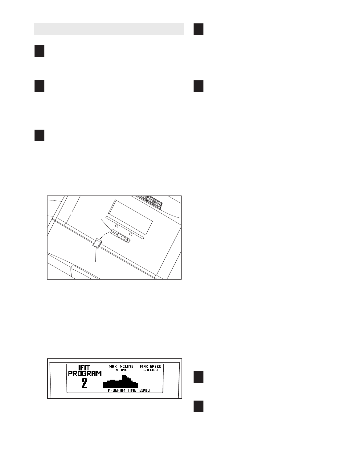
UTILISATION D’UNE CARTE IFIT
Insérez la clé dans la console.
Voir COMMENT ALLUMER LE TAPIS DE
COURSE à la page 13.
Aubesoin, personnalisez les réglages de la
console.
Reportez-vous à la section COMMENT PERSON-
NALISER LES RÉGLAGES DE LA CONSOLE à
la page 13.
Insérez une Carte iFIT et sélectionnez un pro-
gramme.
Pour utiliser un programme iFIT, insérez une
Carte iFIT dans la fente iFIT ; assurez-vous que la
Carte iFIT est orientée de telle sorte que les
contacts métalliques soient vers le haut et soient
insérés dans la fente iFIT.
Ensuite, sélectionnez un programme iFIT en ap-
puyant sur la touche d’augmentation ou de dimi-
nution de la iFIT. Lorsqu’un programme iFIT est
sélectionné, l’écran affiche le nom du programme,
le réglage maximal d’inclinaison et le réglage
maximal de la vitesse du programme, et la durée
du programme. De plus, un profil des réglages de
la vitesse pour le programme apparaît à l’écran.
Chaque programme iFIT est divisé en plusieurs
segments d’une minute. Un programme de vi-
tesse et d’inclinaison est programmé pour chaque
segment. Remarque : la même vitesse et/ou incli-
naison peut être réglée pour segments consécu-
tifs du programme.
Appuyez la touche Marche pour faire marcher
la programme.
Un moment après que la touche est appuyée, le
tapis de course se réglera automatiquement aux
premières vitesse et inclinaison du programme.
Tenez les rampes et commencez à marcher.
Sélectionnez un mode d’affichage et suivez
vos progrès avec l’affichage.
Lorsqu’un programme iFIT est sélectionné, la
console propose trois modes d’affichage (repor-
tez-vous à l’étape 6 à la page 15). Appuyez plu-
sieurs fois sur la touche Affichage pour sélection-
ner le mode d’affichage souhaité. Si le premier
ou le second mode d’affichage est
sélectionné,un profil des réglages de la vitesse
du programme apparaît à l’écran. Une petite
flèche située au-dessous du profil indique votre
progrès.
Pendant le programme, la voix d’un entraîneur
personnel vous guidera au long de l’entraîne-
ment. Vous pouvez régler le volume ou sélec-
tionner un réglage audio pour votre entraîneur
personnel (reportez-vous à COMMENT PER-
SONNALISER LES RÉGLAGES DE LA
CONSOLE des pages 13 et 14).
Si la vitesse ou l’inclinaison pour le segment en
cours est trop élevé ou trop bas vous pouvez an-
nuler manuellement les réglages en appuyant la
touche Vitesse ou Inclinaison ou les touches
d’Intensité ; toutefois, quand le prochain segment
commence, le tapis de course s’ajustera auto-
matiquement à la programmation de vitesse et
d’inclinaison pour le prochain segment.
Pour arrêter le programme quelques instants, ap-
puyez sur la touche Arrêt. Pour débuter de nou-
veau le programme, appuyez sur la touche de
Marche. La courroie mobile commencera à se dé-
placer à 2 km par heure. Quand le prochain seg-
ment commence, le tapis de course s’ajustera au-
tomatiquement sur la vitesse et l’inclinaison pro-
grammée pour ce segment.
Allumez le ventilateur si vous le désirez.
Voir l’étape 8 de la page 16.
Quand vous avez fini de vous entraîner, retirez
la clé de la console.
Voir l’étape 8 de la page 18.
ATTENTION : Enlevez toujours les Cartes iFIT
de la fente iFIT lorsque vous ne les utilisez pas.
7
6
5
4
3
2
1
Fente iFIT
Carte iFIT

24
COMMENT PLIER ET DÉPLACER LE TAPIS DE COURSE
COMMENT PLIER LE TAPIS DE COURSE POUR LE
RANGER
Avant de plier le tapis de course, ajustez l’inclinaison au
niveau le plus bas. Si l’inclinaison n’est pas réglée au ni-
veau le plus bas, le tapis de course sera endommagé de
façon permanente. Débranchez ensuite le cordon d’ali-
mentation. ATTENTION : vous devez être capable de sou-
lever 20 kg pour pouvoir soulever, abaisser ou déplacer
le tapis de course.
1. Maintenez le cadre métallique fermement à l’endroit in-
diqué par la flèche de droite. ATTENTION : Pour dimi-
nuer les risques de blessures, ne soulevez pas le
cadre à l’aide des repose-pied plastique. Servez-vous
de vos jambes et non de votre dos pour soulever le
cadre. Soulevez le cadre jusqu’à ce qu’il soit à mi-chemin
de la position verticale.
2. Élevez le cadre jusqu’à ce que le bouton du loquet soit
verrouillé à la position de rangement. Assurez-vous que
le bouton du loquet est verrouillé à la position de ran-
gement.
Pour protéger votre sol, placez un tapis sous le tapis
de course. Eloignez le tapis de course des rayons di-
rects du soleil. Ne laissez pas le tapis de course dans
sa position de rangement à des températures au des-
sus de 30°C(85°F).
COMMENT DÉPLACER LE TAPIS DE COURSE
Pour déplacer le tapis de course, pliez-le en position de ran-
gement comme décrit ci-dessus. Assurez-vous que le bou-
ton du loquet est verrouillé à la position de rangement.
1. Tenez les rampes comme indiqué et placez un pied
contre une roue.
2. Faites basculer le tapis de course vers l’arrière jusqu’à ce
qu’il puisse rouler sur les roues. Ne déplacez pas le
tapis de course sans avoir basculé le tapis de course
vers l’arrière. Pour diminuer les risques de blessures,
faites extrêmement attention quand vous déplacez
votre tapis de course. N’essayez pas de déplacer le
tapis de course sur une surface inégale.
3. Placez un pied sur la base et abaissez délicatement le tapis de course jusqu’à ce qu’il soit dans sa position de
rangement.
Roue
Rampes
Cadre
Bouton du
Loquet
Cadre

25
COMMENT DÉPLIER LE TAPIS DE COURSE
1. Tenez l’extrémité supérieure du tapis de course à l’aide
de la main gauche. Tirez le bouton du loquet vers la
gauche et tenez-le ainsi. Faites tourner le cadre vers le
bas et relâchez le bouton du loquet. Remarque : pour re-
lâcher le bouton du loquet, il peut être nécessaire de
pousser le cadre vers l’avant en tirant le bouton du loquet
vers la gauche.
2. Tenez le tapis de course fermement des deux mains,
et abaissez le jusqu’au sol. ATTENTION : pour diminuer
les risques de blessures, n’abaissez pas le cadre en
n’empoignant que les repose-pied plastique. Ne lais-
sez pas tomber le cadre sur le sol. Assurez-vous de
plier vos genoux et gardez votre dos droit.
Cadre
Bouton de
Loquet
Cadre

26
LOCALISATION D’UN PROBLÈME
La plupart des problèmes du tapis de course peuvent être résolus en suivant les étapes ci-dessous.
Trouvez le symptôme correspondant et suivez les étapes recommandées. Si vous avez toujours des
questions veuillez voir la page de couverture de ce manuel.
PROBLÈME : le courant ne s’allume pas
SOLUTION: a. Assurez-vous que le cordon d’alimentation est branché dans une prise mise à la terre (voir la
page 11). Si nécessaire, utilisez une rallonge d’une longueur inférieure à 1,5 mètre. Le tapis de
course n’est pas compatible avec les prises équipées d’un IMCT.
b. Aprés avoir branché le cordon d’alimentation, assurez-vous que la clé est complètement insérée
dans la console.
c. Vérifiez le coupe-circuit sur le tapis de course près
du cordon d’alimentation. Si l’interrupteur saillit
comme indiqué le coupe-circuit s’est déclenché.
Enclenchez le coupe-circuit, attendez cinq minutes
et appuyez l’interrupteur.
d. Vérifiez l’interrupteur marche/éteint placé près du
cordon d’alimentation à l’avant du tapis de course.
L’interrupteur doit être sur la position marche.
PROBLÈME : le tapis de course s’éteint pendant l’emploi
SOLUTION: a. Vérifiez l’interrupteur sur le tapis de course près du cordon d’alimentation (voir le dessin ci-des-
sus). Si le l’interrupteur s’est déclenché, attendez cinq minutes et appuyez sur l’interrupteur.
b. Assurez-vous que le cordon d’alimentation est branché. Si le cordon d’alimentation est branché,
débranchez-le, attendez cinq minutes et branchez le cordon d’alimentation.
c. Enlevez la clé de la console. Réinsérez la clé dans la console.
d. Assurez-vous que l’interrupteur est sur la position marche (voir d. ci-dessus).
e. Si le tapis de course ne fonctionne toujours pas, référez-vous à la page de couverture de ce ma-
nuel.
PROBLÈME : les affichages sur la console ne fonctionne pas
correctement
SOLUTION: a. Retirez la clé de la console et DÉBRANCHEZ LE
CORDON D’ALIMENTATION.Placez le tapis de
course dans la position de rangement (reportez-vous
àla section COMMENT PLIER ET DEPLACER LE
tapis de course à la page 24).
Retirez les deux Vis de 3/4" (4) indiqués.
Baissez le tapis de course (référez-vous à la section
COMMENT DÉPLIER LE TAPIS DE COURSE à la
page 25). Retirez les quatre Vis de 3/4" (4) indiqués,
et retirez le Capot (44).
a
4
4
4
44
4
Déclenché
c
Enclenché
Position
Marche
d

27
Localisez le Capteur Magnétique (14) et l’Aimant (12)
du côté gauche de la Poulie (11). Tournez la Poulie
jusqu’à ce que l’Aimant soit aligné avec le Capteur
Magnétique. Assurez-vous que l’espace entre
l’Aimant et le Capteur Magnétique soit d’environ 3
mm. Si nécessaire, desserrez la Vis (29) et déplacez
légèrement le Capteur Magnétique. Revissez la Vis.
Rattachez le capot et faites marcher le tapis de
course pendant quelques minutes pour vérifier que la
lecture de vitesse est correcte.
PROBLÈME : le tapis de course ralentit durant l’usage
SOLUTION: a. Si vous avez besoin d’une rallonge, utilisez seulement un cordon de 1,5 m maximum.
b. Si la courroie est trop tendue, la performance du tapis
peut être diminuée et la courroie peut être endomma-
gée de manière permanente. Retirez tout d’abord la
clé de la console et DÉBRANCHEZ LE CORDON
D’ALIMENTATION. A l’aide de la clé hexagonale,
tournez les deux boulons d’ajustement du rouleau ar-
rière dans le sens contraire des aiguilles d’une
montre, 1/4 de tour. Une fois la courroie serrée cor-
rectement, vous devriez pouvoir soulever chaque
côté de la courroie de 7 à 10 cm de la plate-forme de
marche. Assurez-vous que la courroie est centrée.
Branchez le cordon d’alimentation, insérez la clé et
mettez le tapis de course en marche pendant quelques minutes. Répétez l’opération jusqu’à ce
que la courroie soit tendue correctement.
c. Si la courroie ralentit toujours référez-vous à la page de couverture de ce manuel.
PROBLÈME : la courroie n’est pas centrée ou glisse quand vous marchez dessus
SOLUTION: a. Si la courroie mobile n’est pas centrée, retirez tout
d’abord la clé de la console et DÉBRANCHEZ LE
CORDON D’ALIMENTATION. Si la courroie mobile
s’est décalée vers la gauche, utilisez la clé hexago-
nale pour tourner le boulon du rouleau arrière gauche
dans le sens des aiguilles d’une montre d’un demitour ;
si la courroie mobile s’est décalée vers la droite,
tournez le boulon dans le sens contraire des aiguilles
d’une montre d’un demi tour. Faites attention de ne pas
trop serrer la courroie mobile. Branchez le cordon d’ali-
mentation, insérez la clé dans la console et faites fonctionner le tapis de course pendant quelques
minutes. Répétez cette étape jusqu’à ce que la courroie mobile soit centrée.
b. Si la courroie glisse quand vous marchez dessus, reti-
rez tout d’abord la clé de la console et DÉBRANCHEZ
LE CORDON D’ALIMENTATION. Àl’aide de la clé
hexagonale, tournez les deux boulons d’ajustement
du rouleau arrière dans le sens des aiguilles d’une
montre, 1/4 de tour. Quand la courroie est serrée cor-
rectement, vous devriez pouvoir soulever chaque côté
de la courroie mobile de 7 à 10 cm de la plate-forme
de marche. Assurez-vous que la courroie est centrée.
Branchez le cordon d’alimentation, insérez la clé et
faites fonctionner le tapis de course pendant quelques
minutes. Répétez l’opération jusqu’à ce que la courroie soit tendue correctement.
3"–4"
b
a
b
Vue
d’en
Haut
Boulons du Rouleau Arrière
29
14
1/8"
11
12

28
PROBLEME : l’inclinaison du tapis de course ne change pas correctement
SOLUTION: a. Avec la clé dans la console, appuyez sur un des boutons d’Inclinaison. Alors que l’inclinaison
change, enlevez la clé. Après quelques secondes, réinsérez la clé. Le tapis de course s’élèvera
automatiquement au niveau d’inclinaison maximum et ensuite retournera au niveau minimum.
Ceci re-calibrera le système d’inclinaison.
PROBLEME: Le capteur de rythme cardiaque ne fonctionne pas correctement
SOLUTION: a. Si le capteur cardiaque ne fonctionne pas correctement, référez vous à COMMET UTILISER LE
CAPTEUR CARDIAQUE à la page 10.
b. Si la ceinture du moniteur cardiaque ne fonctionne toujours pas cor-
rectement, changez la pile. Pour changer la pile, localisez le cou-
vercle de la pile au dos de l’unité du moniteur. Insérez une pièce de
monnaie et tournez le couvercle dans le sens contraire des aiguilles
d’une montre sur la position « open » (ouvrir). Retirez le couvercle.
Retirez la vieille pile de l’unité du moniteur. Insérez une nouvelle pile
CR2032, en vous assurant que les lettres sont au-dessus. De plus, as-
surez-vous que la rondelle en caoutchouc est placée correctement
dans l’unité du moniteur. Refermez le couvercle de la pile et tournez-
le dans la position fermée. Pile
Rondelle
Couvercle des
Piles
b
Couvercle
des Piles

29
CONSEILS DE MISE EN FORME
Les exercices suivants vous aideront à organiser votre
programme d’exercices. Pour plus de détails concer-
nant l’exercice, obtenez un livre réputé sur le sujet ou
consultez votre médecin.
INTENSITÉ DE L’ENTRAÎNEMENT
Que votre but soit de brûler de la graisse ou de fortifier
votre système cardiovasculaire, la clé pour obtenir les
résultats désirés est de s’entraîner à une intensité cor-
recte. Le niveau d’intensité correct peut être trouvé en
utilisant votre rythme cardiaque comme point de re-
père. Le tableau ci-dessous indique le rythme car-
diaque recommandé pour brûler de la graisse et pour
les exercices aérobics.
Pour mesurer votre rythme cardiaque approprié, d’abord
trouvez l’âge au bas du tableau (les âges par dizaine).
Ensuite, trouvez les trois nombres au-dessus des âges.
Les trois nombres définissent votre « zone d’entraîne-
ment. » Les deux nombres inférieurs sont les rythme
cardiaque recommandés pour brûler de la graisse ; le
nombre supérieur est recommandé pour les exercices
aérobics.
Brûler de la Graisse
Pour brûler de la graisse effectivement vous devez
vous exercer à une intensité relativement basse pen-
dant une longue période. Durant les premières minutes
d’exercice, votre corps utilise des calories
d’hydrate de
carbone,
facilement accessibles comme source d’éner-
gie. Après quelques minutes seulement, votre corps
commence à utiliser des
calories de graisse
en réserve
comme source d’énergie. Si votre but est de brûler de
lagraisse, ajustez la vitesse et l’inclinaison du tapis de
course jusqu’à ce que votre rythme cardiaque s’ap-
proche du nombre inférieur de votre d’entraînement.
Pour brûler un maximum de graisse, ajustez la vitesse
et l’inclinaison du tapis de course jusqu’à ce que votre
rythme cardiaque soit près du nombre du milieu de
votre zone d’entraînement.
Exercice Aérobics
Si votre but est de fortifier votre système cardiovascu-
laire, votre entraînement devrait être aérobic. L’exer-
cice aérobic requiert de large quantité d’oxygène du-
rant une période de temps prolongée. Ceci augmente
la demande de sang que le coeur doit pomper vers les
muscles, et la quantité de sang que les poumons doi-
vent oxygéner. Pour un entraînement aérobic, réglez
la vitesse et l’inclinaison du tapis de course jusqu’à ce
que votre rythme cardiaque est proche du nombre su-
périeur de votre zone d’entraînement.
GUIDE D’EXERCICES
Chaque entraînement devrait inclure ces trois étapes :
Échauffement, commencez chaque entraînement
avec 5 à 10 minutes d’étirements et d’exercices légers.
Un échauffement correct élève la température de votre
corps, augmente votre fréquence cardiaque, ainsi que
la circulation pour vous préparer à l’entraînement.
Exercices dans la Zone d’Entraînement, après vous
être échauffé, augmentez l’intensité de vos exercices
jusqu’à ce que votre rythme cardiaque soit dans votre
zone d’entraînement pendant 20 à 60 minutes. (Durant
les premières semaines d’exercices, ne maintenez pas
votre rythme cardiaque dans votre zone d’entraîne-
ment pendant plus de 20 minutes). Respirez profondé-
ment et de maniére régulière lorsque vous vous entraî-
nez—ne retenez jamais votre souffle.
Exercices de Retour à la Normal, finissez chaque
entraînement avec 5 à 10 minutes d’étirements pour
revenir à la normal. Cela augmentera la flexibilité de
vos muscles et vous aidera à prévenir les problèmes
qui surviennent après l’exercice.
FRÉQUENCE DES ENTRAÎNEMENTS
Pour maintenir ou améliorer votre forme physique,
faites trois entraînements par semaine, avec au moins
un jour de repos entre chaque entraînement. Après
quelques mois, vous pouvez entreprendre jusqu’à cinq
entraînements par semaine si vous le désirez.
Rappelez-vous que la clé du succès d’un programme
d’exercice repose avant tout sur la régularité.
ATTENTION : avant de commen-
cer ce programme d’exercices (ou un autre),
veuillez consulter votre médecin. Ceci est tout
particulièrement important pour les personnes
âgées de plus de 35 ans ou celles ayant déjà
eu des problèmes de santé.
Les capteurs cardiaque ne sont pas appareils
médicals. De nombreux facteurs tel que les
mouvements de l’utilisateur pendant l’exercice,
peuvent rendre la lecture du rythme cardiaque
moins précise. Les capteurs ne sert qu’à don-
ner une idée approximative des fluctuations du
rythme cardiaque lors de l’exercice.

30
LISTE DES PIÈCES—Nº. du Modèle PETL61606.1 R0207A
Pour identifier les pièces ci-dessous, référez-vous au SCHÉMA DÉTAILLÉ au centre du manuel.
Nº. Qté. Description Nº. Qté. Description
1 2 Couvercle du Repose-Pied
2 2 Repose-Pied
3 8 Vis de l’Isolateur
4 50 Vis de 3/4"
5 1 Adaptateur du Cordon d’Alimentation
6 1 Plate-forme de Marche
7 2 Guide de la Courroie
8 4 Vis du Guide de la Courroie
9 2 Isolateur Avant
10 2 Boulon de la Plate-forme de Marche,
Avant
11 1 Rouleau Avant/Poulie
12 1 Aimant
13 17 Vis de 1/2"
14 1 Pince du Capteur Magnétique
15 2 Bague de la Tige d’Inclinaison
16 2 Bras d’Élévation
17 2 Boulon du Montant Pivotant
18 2 Montage du Capot
19 2 Bague d’Espacement du Bras d’Élé-
vation
20 1 Capteur Magnétique
21 1 Écrou de la Roue de Tension
22 1 Roue de Tension
23 1 Boulon de la Roue de Tension
24 1 Boulon du Moteur d’Élévation,
Inférieur
25 1 Bague d’Espacement du Bras du
Tendeur
26 1 Bras du Tendeur
27 1 Ressort du Bras du Tendeur
28 1 Courroie du Moteur
29 9 Vis Autoperçante de 3/4"
30 2 Boulon du Montant Pivotant
31 1 Moteur de Traction
32 2 Boulon du Moteur
33 4 Écrou du Support du Système
Électronique
34 1 Support du Système Électronique
35 1 Embout Avant
36 1Contrôleur
37 1Barre d’Inclinaison
38 11 Écrou
39 1 Moteur d’Élévation
40 1 Boulon du Moteur d’Élévation,
Supérieur
41 1 Assemblage de la Plaque du Moteur
42 2Coussin de la Plate-Forme
43 1Support Electrique
44 1 Capot
45 4Pince du Capot
46 2Passe-fil
47 1 Courroie Mobile
48 1 Cadre
49 1 Cordon d’Alimentation
50 1 Transformateur
51 1 Pied Arrière Droit
52 4 Roue Arrière
53 1 Fil de Mise à Terre
54 1 Embout Arrière Droit
55 4 Rondelle du Support
56 2 Boulon de Réglage du Rouleau
Arrière
57 1 Cle Hexagonale
58 1 Pied Arrière Gauche
59 1 Embout Arrière Gauche
60 1 Rouleau Arrière
61 2 Écrou de la Plateforme
62 2 Boulon de la Plate-forme de Marche,
Arriére
63 1 Ventilateur de la Console
64 6 Boulon de la Rampe
65 1 Base de la Console
66 1 Console
67 1 Carte iFIT
68 2 Bague du Moteur
69 11 Vis du Système Électronique
70 1 Couvercle du Récepteur de Pouls
71 1 Groupement de Fils de la Console
72 6 Boulon du Montant/Boulon de la Roue
Arrière
73 1 Montant Gauche
74 1 Montant Droit
75 1 Groupement de Fils du Montant
76 1 Couvre-Base Gauche
77 1 Couvre-Base Droit
78 8 Vis Autoperçante de 1”
79 1 Rondelle de la Roue de Tension
80 4 Rondelle Étoilée de la Barre
Transversale de la Console
81 4 Coussin de la Base
82 4 Vis Autoperçante de 1"
83 1Base
84 1Porte-Livre
85 2 Boulon de la Roue
86 2 Roue
87 2 Autocollant d’Attention
88 4 Bague d’Espacement du Coussinet de
la Base
89 1Clé/Pince
90 10 Rondelle Étoilée
91 4 Attache Flexible
92 2Pince de l’Attache
93 11 Attache en Plastique

31
Nº. Qté. Description Nº. Qté. Description
95 1 Manchon du Montant Gauche
96 1 Manchon du Montant Droit
97 1 Filtre
98 1 Interrupteur Marche/Arrêt
99 1 Rampe
100 1 Assemblage du Loquet
101 1 Autocollant pour le Loquet
102 1 Disjoncteur
103 4 Vis deSerrage de la Console
104 1 Boulon du Moteur d’Élévation
105 2 Rondelle du Rouleau Arrière
106 1 Fil du Contrôleur/Inclinaison
107 1 Support d’Arrêt d’Inclinaison
108 1 Bague d’Espacement du Support
d’Arrêt
109 1 Sangle du Capteur du Torse
110 1 Plaque de la Console
111 1 Capteur Cardiaque du Torse
112 1 Récepteur de Pouls de Torse
113 1 Boulon de Verrouillage Inférieur
114 4 Dispositif de Fixation du Couvercle de
la Rampe
115 2 Vis du Récepteur
116 2 Bride de la Console
117 1 Boulon de Verrouillage Supérieur
118 1 Bouton de Loquet
119 1 Embout du Loquet
120 1 Prise du Pouls Gauche
121 1 Prise du pouls Droit
122 3 Fil de Mise à Terre de 4"
123 1 Autocollant d’Avertissement, Base
124 1 Couvercle de Haut-Parleur
125 1 Enceinte
126 4 Vis de Haut-Parleur
# 1 Fil Bleu de 6”, 2 F
# 1 Manuel de l’Utilisateur
# 1 Fil Vert/Jaune de 4”, avec Toroid
# 1 Fil Vert/Jaune de 4”
# 1 Fil Vert/Jaune de 16” F/Anneaux
# 1 Fil Bleu de 6” 2F
# 1 Fil Bleu de 6” M/F
# 1 Fil Blanc de 6” 2 F
4 1 Manuel de l’Utilisateur
#Ces pièces ne sont pas illustrées

28 31
20
29
14
26 27
21
22
38
23
104
79
1
9
10
101
62
60
105
56
58
4
6
47
100
62
10
57
7
8
7
39
38
40
29
54
29
59
12
15
16
19
18
51
38
72
4
4
17 35
33
33
43
36
69
37
18
17
19
16
15
2
2
1
13
29
11
72
38
52
52
24
38
34
44
4
4
13
46
29
4
4
4
30
30
25
9
8
61
61
105
56
48
106
107
108
4
44
4
4
4
45
45
42
42
69
50
55
33
55
55
117
38
113
38
3
3
3
3
3
3
3
3
119
118
49
98
102
69
97 5
32
41
68
53
SCHÉMA DÉTAILLÉ—Nº. du Modèle PETL61606.1 R0107A
Pour identifier les pièces sur ce SCHÉMA
DÉTAILLÉ, référez-vous à la LISTE DES
PIÈCES àux pages 30 et 31.

99
94
89
73
74
83
38
86
85
87
87
29
92
91
93
86
85
38
64
123
38
38
82
81
82
81
82
81
95
96
90
64
64
90
90
70
4
94
75
65
67
75
63
64
90
114
114
4
78
4
4
4
82
81
44
4
4
4
80
76
77
4
44
4
90
72
90
72
90
4
4
44
110
4
103
116
116
80
4
4
4
4
4
4
4
120
121
66
13 71
122
69
46
13
124
126
4
4
125
112
115
109
111
13
13
13
13
78
78
78
78
78
13
13
103 88
88
88
88
69
84
SCHÉMA DÉTAILLÉ—Nº. du Modèle PETL61606.1 R0107A

Nº. de Pièce 249429 R0207A Imprimé au USA ©2007 ICON IP, Inc.
POUR COMMANDER DES PIÈCES DE RECHANGE
Pour commander des pièces de rechange, veuillez contacter le service à la clientèle au numéro suivant :
Fax : + 33 01 30 56 27 30
du lundi au jeudi de 9h00 à 13h00 et de 14h00 à 18h00 et le vendredi de 14h00 à 17h00 (à l’exception des jours
fériés) et préparez l’information suivante :
• le NUMÉRO DU MODÈLE DU PRODUIT (PETL61606.1)
• le NOM DU PRODUIT (tapis de course PROFORM 620 V)
• le NUMÉRO DE SÉRIE DU PRODUIT (voir la page de couverture de ce manuel)
• le NUMÉRO DE RÉFÉRENCE et la DESCRIPTION de la pièce ou des pièces (voir la LISTE DES PIÈCES aux
pages 30 et 31 de ce manuel et le SCHÉMA DÉTAILLÉ au centre de ce manuel)
(33) (0) 810 121 140