Proform Petl797131 730 Zlt Treadmill Users Manual
2015-04-13
: Proform Proform-Petl797131-730-Zlt-Treadmill-Users-Manual-699114 proform-petl797131-730-zlt-treadmill-users-manual-699114 proform pdf
Open the PDF directly: View PDF
.
Page Count: 32

MANUAL DO UTILIZADOR
CUIDADO
Leia todas as precauções e
instruções neste manual antes
de utilizar este equipamento.
Guarde este manual para referên-
cia futura.
Modelo nº PETL79713.1
Nº de Série
Escreva o número de série no
espaço acima para referência.
Autocolante do
Número de Série
APOIO AO CLIENTE
Em caso de dúvidas, peças em falta
ou peças danificadas, contacte o
Apoio ao Cliente (consulte os dados
abaixo) ou a loja em que adquiriu
este produto.
808 203 301
Seg-Sex 09:00-18:00 CET
Fax: 210 060 521
Sítio web:
www.iconsupport.eu
Endereço electrónico:
cspi@iconeurope.com
www.iconeurope.com

2
Os autocolantes de aviso apresentados aqui
estão incluídos com este produto. Aplique os
autocolantes de aviso sobre os avisos em
inglês nas localizações indicadas. Esta ilust-
ração indica as localizações dos autocolantes
de aviso. Se um autocolante faltar ou estiver
ilegível, veja a capa deste manual e peça
um autocolante de substituição gratuito.
Aplique o autocolante na localização apre-
sentada. Nota: Os autocolantes podem não ser
apresentados no tamanho efectivo.
DE-323073
LOCALIZAÇÃO DOS AUTOCOLANTES DE AVISO
PROFORM é uma marca comercial registada da ICON Health & Fitness, Inc.
LOCALIZAÇÃO DOS AUTOCOLANTES DE AVISO. . . . . . . . . . . . . . . . . . . . . . . . . . . . . . . . . . . . . . . . . . . . . . . . .2
PRECAUÇÕES IMPORTANTES. . . . . . . . . . . . . . . . . . . . . . . . . . . . . . . . . . . . . . . . . . . . . . . . . . . . . . . . . . . . . . . .3
ANTES DE COMEÇAR . . . . . . . . . . . . . . . . . . . . . . . . . . . . . . . . . . . . . . . . . . . . . . . . . . . . . . . . . . . . . . . . . . . . . . .5
TABELA DE IDENTIFICAÇÃO DE PEÇAS . . . . . . . . . . . . . . . . . . . . . . . . . . . . . . . . . . . . . . . . . . . . . . . . . . . . . . . .6
MONTAGEM ...............................................................................7
COMO UTILIZAR O TAPETE ROLANTE ........................................................14
COMO DOBRAR E MOVER O TAPETE ROLANTE. . . . . . . . . . . . . . . . . . . . . . . . . . . . . . . . . . . . . . . . . . . . . . . .21
RESOLUÇÃO DE PROBLEMAS. . . . . . . . . . . . . . . . . . . . . . . . . . . . . . . . . . . . . . . . . . . . . . . . . . . . . . . . . . . . . . .22
DIRECTIVAS DE EXERCÍCIO ................................................................25
LISTA DE PEÇAS ..........................................................................26
DIAGRAMA AMPLIADO .....................................................................28
ENCOMENDAR PEÇAS DE SUBSTITUIÇÃO ............................................ Contracapa
INFORMAÇÕES SOBRE RECICLAGEM . . . . . . . . . . . . . . . . . . . . . . . . . . . . . . . . . . . . . . . . . . . . . . . . Contracapa
ÍNDICE

3
1. É da responsabilidade do proprietário deste
tapete rolante garantir que todos os utili-
zadores do mesmo são adequadamente
informados acerca de todos os avisos e
precauções.
2. Consulte o seu médico antes de iniciar
qualquer programa de exercício. Isto é
especialmente importante para pessoas com
mais de 35 anos ou com problemas de saúde
prévios.
3. Utilize o tapete rolante apenas da forma
descrita.
4. O tapete rolante destina-se apenas a utiliza-
ção doméstica. Não utilize o tapete rolante
em instalações comerciais, institucionais ou
de aluguer.
5. Mantenha o tapete rolante dentro de casa,
afastado de humidades e poeiras. Não colo-
que o tapete rolante numa garagem ou num
pátio coberto, nem perto de água.
6. Coloque o tapete rolante numa superfície
nivelada, com pelo menos 2,4 m de espaço
livre atrás e 0,6 m de espaço livre de cada
lado. Não coloque o tapete rolante numa
superfície que bloqueie as aberturas de
ventilação. Para proteger o chão ou a alca-
tifa, coloque um tapete por baixo do tapete
rolante.
7. Não utilize o tapete rolante numa área onde
sejam utilizados produtos com aerossóis ou
onde esteja a ser administrado oxigénio.
8. Mantenha sempre as crianças de idade
inferior a 12 anos e os animais afastados do
tapete rolante.
9. O tapete rolante só deve ser utilizado por
pessoas com peso até 136 kg.
10. Nunca permita a utilização simultânea do
tapete rolante por mais de uma pessoa.
11. Utilize vestuário de exercício apropriado
quando utilizar o tapete rolante. Não utilize
vestuário demasiado largo que possa ficar
preso no tapete rolante. Recomendamos a
utilização de roupa interior de suporte tanto
para homens como para mulheres. Utilize
sempre calçado desportivo. Nunca utilize o
tapete rolante com os pés descalços ou ape-
nas com meias, ou com sandálias.
12. Ao ligar o cabo de alimentação (consulte
a página 14), ligue-o a um circuito ligado à
terra. Não deve ter nenhum outro dispositivo
ligado ao mesmo circuito.
13. Se for necessária uma extensão elétrica,
utilize apenas um cabo com 3 condutores,
de calibre 14 (1 mm2), com o comprimento
máximo de 1,5 m.
14. Mantenha o cabo de alimentação afastado de
superfícies quentes.
15. Nunca mova a cinta de caminhar com a cor-
rente desligada. Não faça funcionar o tapete
rolante se o cabo de alimentação ou a ficha
estiverem danificados, ou se o tapete rolante
não estiver a funcionar adequadamente.
(Consulte RESOLUÇÃO DE PROBLEMAS na
página 22 se o tapete rolante não estiver a
funcionar adequadamente.)
16. Leia, compreenda e teste o procedimento
de paragem de emergência antes de utilizar
o tapete rolante (consulte COMO LIGAR A
CORRENTE na página 16).
17. Nunca faça arrancar o tapete rolante estando
em cima da cinta de caminhar. Segure-se
sempre aos apoios para as mãos enquanto
utiliza o tapete rolante.
18. O tapete rolante pode alcançar velocidades
elevadas. Ajuste a velocidade em pequenos
incrementos para evitar mudanças súbitas
da mesma.
PRECAUÇÕES IMPORTANTES
AVISO: Para reduzir o risco de queimaduras, incêndios, choques eléctricos ou lesões pes-
soais, leia todas as precauções e instruções importantes deste manual e todos os avisos do tapete
rolante antes de o utilizar. A ICON não assume qualquer responsabilidade por lesões pessoais ou
danos em bens decorrentes do uso deste produto.

4
19. O monitor da frequência cardíaca não é um
dispositivo médico. Vários fatores, incluindo
os movimentos do utilizador, podem afetar a
exatidão das leituras da frequência cardíaca.
O monitor da frequência cardíaca destina-se
apenas a auxiliá-lo(a) a determinar as tendên-
cias gerais da sua frequência cardíaca.
20. Nunca deixe o tapete rolante a funcionar sem
vigilância. Retire sempre a chave, coloque
o Interruptor na posição de desligado (con-
sulte a ilustração na página 5 para obter a
localização do Interruptor) e desligue o cabo
de alimentação quando o tapete rolante não
estiver a ser utilizado.
21. Não tente mover o tapete rolante até este
estar devidamente montado. (Consulte
MONTAGEM na página 7 e COMO DOBRAR E
MOVER O TAPETE ROLANTE na página 21.)
Deve ser capaz de levantar, com segurança,
20 kg para mover o tapete rolante.
22. Ao dobrar ou mover o tapete rolante, certi-
fique-se de que o trinco de armazenamento
segura firmemente a estrutura na posição de
arrumação.
23. Não altere a inclinação do tapete rolante
colocando objetos debaixo do mesmo.
24. Nunca introduza objetos em nenhum dos
orifícios do tapete rolante.
25. Examine e aperte adequadamente todas as
peças do tapete rolante com regularidade.
26. PERIGO: Desligue sempre o cabo de
alimentação imediatamente após a utilização,
antes de limpar o tapete rolante e antes de
efetuar quaisquer procedimentos de manu-
tenção e ajuste descritos neste manual.
Nunca retire o capô do motor a não ser que
tal lhe seja solicitado por um representante
de assistência autorizado. Qualquer tipo
de reparação ou assistência para além dos
procedimentos descritos neste manual deve
ser efetuado apenas por um representante de
assistência autorizado.
27. O excesso de exercício pode provocar lesões
graves ou morte. Se sentir fraqueza ou dores
ao fazer exercício, pare imediatamente e
deixe-se arrefecer.
GUARDE ESTAS INSTRUÇÕES

5
Obrigado por escolher o novo tapete rolante
PROFORM® 730 ZLT. O tapete rolante 730 ZLT ofe-
rece uma seleção impressionante de funcionalidades
concebidas para tornar as suas sessões de exercício
em casa mais eficazes e agradáveis.
Para seu benefício, leia atentamente este manual
antes de utilizar o tapete rolante. Se tiver dúvidas
após a leitura do manual, consulte a capa do mesmo.
Para nos ajudar a prestar-lhe assistência, anote o
número do modelo e o número de série do produto
antes de nos contactar. O número do modelo e a local-
ização do autocolante com o número de série estão
indicados na capa deste manual.
Antes de continuar a ler, consulte a ilustração abaixo e
familiarize-se com as peças indicadas.
Comprimento: 178 cm
Largura: 86 cm
Peso: 82 kg
Apoio para as Mãos
Consola
Chave/Clipe
Interruptor
Cinta de Caminhar
Capô do Motor
Roda
Carril de Apoio
para os Pés
Rolete Tensor
Parafusos de Ajuste
Tabuleiro de
Acessórios
Acolchoamento da Plataforma
Monitor da
Frequência Cardíaca
ANTES DE COMEÇAR

6
Anilha em Forma
de Estrela
3/8" (5)–10
Porca 3/8" (3)–2
Parafuso #8 x 3/4"
(6)–12
Anilha em Forma
de Estrela
5/16" (8)–2
Pino 3/8" x 2 1/2" (2)–2 Parafuso 3/8" x 3 1/2" (9)–4
Parafuso 3/8" x 4" (4)–6
Parafuso 5/16" x 1"
(7)–2
Parafuso 1/4" x 1"
(10)–4
Pino M8 x 50mm
(104)–1
Parafuso 1/4" x 1 3/4"
(97)–2
M8 x 30mm
Bolt (12)–1
Porca M8
(90)–2
Pino M8 x 45mm
(12)–1
TABELA DE IDENTIFICAÇÃO DE PEÇAS
Consulte as ilustrações abaixo para identificar pequenas peças utilizadas na montagem. O número entre parên-
tesis junto a cada peça é o número da peça, da LISTA DE PEÇAS perto do fim deste manual. O número a seguir
aos parêntesis é a quantidade necessária para a montagem. Nota: Se uma peça não se encontrar no kit de
equipamento, verifique se foi previamente montada. Pode ser incluído equipamento extra.

7
• A montagem requer duas pessoas.
• Coloque todas as peças numa área desimpe-
dida e retire os materiais de embalagem. Não
elimine os materiais de embalagem até concluir a
montagem.
• Após o transporte, poderá encontrar uma subs-
tância oleosa no exterior do tapete rolante. Isso
é normal. Se houver uma substância oleosa
no tapete rolante, basta limpá-la com um pano
macio e um detergente suave e não abrasivo.
• As partes esquerdas estão marcadas com “L” ou
“Left” e as partes direitas estão marcadas com
“R” ou “Right.”
• Para identicar as peças pequenas, consulte a
página 6.
• A montagem requer as seguintes ferramentas:
as chaves sextavadas incluídas
uma chave inglesa
uma chave Phillips
uma tesoura
um alicate de pontas semi-redondas
Para evitar danicar peças, não utilize ferramen-
tas elétricas.
2. Certique-se de que o cabo de alimentação
está desligado.
Localize o Fio da Barra Vertical (70), arrumado
em torno da frente da Base (80). Corte o atilho
plástico que prende o Fio da Barra Vertical.
Encaminhe o Fio da Barra Vertical pelo orifício
indicado.
Insira uma Tampa da Base (77) de cada lado da
Base (80).
Veja o desenho inserido. Corte o atilho plás-
tico junto ao Fio da Barra Vertical (70). Tenha
cuidado para não danicar o Fio da Barra
Vertical. 70
2
80
Orifício Cortar
70
Atilho
Cortar
77
1. Vá a www.iconsupport.eu no computador e
registe o produto.
• ativa a garantia
• poupa tempo se precisar de contactar a
Assistência ao Cliente
• permite-nos notificá-lo sobre atualizações e
ofertas
Nota: Se não tiver acesso à Internet, contacte a
Apoio ao Cliente (consulte a capa deste manual)
e registe o produto.
1
MONTAGEM

8
3. Identifique a Barra Vertical Esquerda (75). Peça
a outra pessoa para segurar na Barra Vertical
Esquerda junto à Base (80).
Veja o desenho inserido. Ate firmemente o
atilho para fio da Barra Vertical Esquerda (75)
em volta da extremidade do Fio da Barra Vertical
(70). Depois, introduza o Fio da Barra Vertical na
extremidade inferior da Barra Vertical Esquerda
enquanto puxa a outra extremidade do atilho
para fio através da Barra Vertical Esquerda.
3
70
75
75
Atilho
para Fio 70
Atilho
para
Fio
4. Com a ajuda de outra pessoa, segure a Barra
Vertical Esquerda (75) junto à Base (80). Tenha
cuidado para não trilhar os fios.
Aperte parcialmente três Parafusos 3/8" x 4"
(4) com três Anilhas em Forma de Estrela 3/8"
(5) na Barra Vertical Esquerda (75) e na Base
(80); não aperte ainda completamente os
Parafusos.
Fixe a Barra Vertical Direita (não apresen-
tada) da mesma forma. Nota: Não há fios no
lado direito.
75
4
5
4
80
Fios
80

9
5. Identifique as Coberturas da Base Esquerda e
Direita (73, 74). Faça deslizar as Coberturas da
Base Esquerda e Direita nas Barras Verticais
Esquerda e Direita (75, 76) conforme indicado.
74
76
75
73
5
6. Identifique o Apoio para a Mão Esquerda
(71). Se houver um fio no Apoio para a Mão
Esquerda, retire-o e elimine-o.
Segure o Apoio para a Mão Esquerda (71) junto
à Barra Vertical Esquerda (75). Insira o atilho
para fio na parte inferior do Fio da Barra Vertical
(70) e puxe-o para fora na extremidade do Apoio
para a Mão Esquerda, conforme indicado. Em
seguida, puxe o Fio da Barra Vertical através do
Apoio para a Mão Esquerda.
Fixe o Apoio para a Mão Esquerda (71) à Barra
Vertical Esquerda (75) com dois Parafusos 3/8"
x 3 1/2" (9) e duas Anilhas em Forma de Estrela
3/8" (5). Tenha cuidado para não trilhar o Fio
da Barra Vertical (70). Enrosque ambos os
Parafusos, mas não os aperte já.
9
5
71
75
Cabo
Atilho
70
6

10
7. Fixe o Apoio para a Mão Direita (72) à Barra
Vertical Direita (76) com dois Parafusos 3/8" x 3
1/2" (9) e duas Anilhas em Forma de Estrela 3/8"
(5). Enrosque ambos os Parafusos, mas não
os aperte já.
7
76
72
9
5
8. Insira a Estrutura da Consola (87) nos Apoios
para as Mãos (71, 72). Fixe a Estrutura da
Consola com quatro Parafusos 1/4" x 1" (10).
Enrosque os quatro Parafusos e depois
aperte-os. Tenha cuidado para não trilhar o Fio
da Barra Vertical (não apresentado).
Aperte firmemente os quatro Parafusos 3/8" x 3
1/2" (9).
8
10
10
9
9
71
87
72

11
9. Com a ajuda de outra pessoa, segure a unidade
da consola junto à Barra Vertical Esquerda (83)
e à Barra Vertical Direita (não apresentada).
Ligue o Fio da Barra Vertical (70) ao fio da
consola. Consulte o desenho inserido. Os
conectores devem deslizar entre si com
facilidade e ficar encaixados. Se assim não
acontecer, rode um deles e volte a tentar. SE
NÃO LIGAR DEVIDAMENTE OS CONECTO-
RES, A CONSOLA PODE FICAR DANIFICADA
QUANDO LIGAR A CORRENTE. Depois, retire
o atilho para fio do Fio da Barra Vertical.
9
Unidade
da Consola
70
70
Atilho
para Fio
Fio da
Consola
Fio da
Consola 71
10. Coloque a unidade da consola sobre os Apoios
para as Mãos Esquerda e Direita (71, 72).
Certifique-se de que não há nenhum fio tri-
lhado. Insira o excesso de Fio da Barra Vertical
(70) no Apoio para a Mão Esquerda.
Fixe a unidade da consola aos suportes
dos Apoios para as Mãos (71, 72) com dois
Parafusos 5/16" x 1" (7) e duas Anilhas em
Forma de Estrela 5/16" (8). Enrosque ambos
os Parafusos e depois aperte-os.
10
71
Unidade
da Consola
77
8
8
70
72

12
11. Fixe os dois Grampos da Consola (34) à uni-
dade da consola com quatro Parafusos #8 x 3/4"
(6).
Consulte o passo 4. Aperte os seis Parafusos
3/8" x 4" (4).
11
34
Unidade
da Consola
6
45
85
666
6
12
12. Identifique os Tabuleiros Esquerdo e Direito (45,
85). Oriente os Tabuleiros conforme indicado e
fixe cada Tabuleiro com quatro Parafusos #8 x
3/4" (6). Enrosque todos os Parafusos antes
de os apertar. Tenha cuidado para não os
apertar demasiado.

13
15. Certique-se de que todas as peças cam devidamente apertadas antes de utilizar o tapete rolante.
Se houver folhas de plástico sobre os autocolantes do tapete rolante, retire-as. Para proteger o chão ou a
alcatifa, coloque um tapete por baixo do tapete rolante. Nota: Podem estar incluídas peças extra. Mantenha a
chave sextavada incluída num lugar seguro; a chave sextavada é utilizada para ajustar a correia de caminhar
(consulte as páginas 23 e 24).
14
96
80
51
12
14. Posicione o Trinco de Armazenamento (51) de
modo a que o tubo grande e o trinco fiquem nas
posições indicadas.
Fixe a extremidade inferior do Trinco de
Armazenamento (51) à Base (80) com um Pino
M8 x 50mm (104) e uma Porca M8 (90).
Fixe a extremidade superior do Trinco de
Armazenamento (51) à Barra de Apoio de Trinco
(96) com um Pino M8 x 45mm (12) e uma Porca
M8 (90).
Fixe a duas Rodas (81) à Base (80) com dois
Pinos 3/8" x 2 1/2" (2) e duas Porcas 3/8" (3).
Não aperte demasiado a Porca; a Roda deve
girar livremente.
Baixe a Estrutura (49) (consulte COMO BAIXAR
O TAPETE ROLANTE PARA UTILIZAÇÃO na
página 21).
104
Tubo
Grande
Bloqueio
Botão
90
13
13. Levante a Estrutura (49) até à posição indicada.
Peça a outra pessoa que segure a Estrutura
durante os dois passos de montagem
seguintes.
Fixe a Barra de Apoio do Trinco (96) à Estrutura
(49) com dois Parafusos 1/4" x 1 3/4" (97).
96
49
97
90
81
81
2
2
3
3
49

14
COMO LIGAR O CABO DE ALIMENTAÇÃO
Este produto tem de ter ligação à terra. Se o
produto funcionar mal ou avariar, a ligação à terra pro-
porciona um caminho de menor resistência à corrente
eléctrica, reduzindo o risco de choque eléctrico. Este
produto está equipado com um cabo de alimentação
com um condutor de ligação à terra e uma ficha de
ligação à terra. IMPORTANTE: Se o cabo de alimen-
tação estiver danificado, terá de ser substituído
por um cabo de alimentação recomendado pelo
fabricante. Efectue os seguintes procedimentos
ligar o cabo de alimentação.
Efectue os seguintes procedimentos ligar o cabo
de alimentação.
1. Ligue a extremidade indicada do cabo de alimenta-
ção à tomada existente no tapete rolante.
2. Ligue o cabo de alimentação numa tomada
adequada devidamente instalada e ligada à terra
conforme todas as normas e regulamentos locais.
PERIGO: A ligação inadequada
do o condutor de ligação à terra poderá
resultar em risco acrescido de choque
eléctrico. Conrme junto de um electricista
qualicado ou técnico de assistência, se tiver
dúvidas de que o produto está devidamente
ligado à terra. Não modique a cha forne-
cida com o produto; se não servir na tomada,
peça a um electricista qualicado para lhe
instalar uma tomada adequada.
COMO UTILIZAR O TAPETE ROLANTE
UK
GR
FR/SP
IT
AUS
AUS
Tomada no Tapete Rolante
UK
GR
FR/SP
IT
AUS
AUS
Cabo de Alimentação
Tomada

15
DIAGRAMA DA CONSOLA
ETPE79713
(PETL79713)
APLICAÇÃO DO AUTOCOLANTE DE AVISO
Localize na consola os avisos em inglês. Pode encon-
trar os mesmos avisos em outros idiomas na folha de
autocolantes incluída. Aplique na consola o autoco-
lante de aviso em português.
FUNCIONALIDADES DA CONSOLA
A consola do tapete rolante oferece uma gama impres-
sionante de funcionalidades concebidas para tornar as
suas sessões de exercício mais ecazes e agradáveis.
Quando utilizar o modo manual, pode alterar a veloci-
dade e a inclinação do tapete rolante bastando para
isso tocar num botão. Enquanto zer exercício, a con-
sola apresenta instantaneamente informações sobre
o mesmo. Pode até medir a frequência cardíaca utili-
zando o monitor da frequência cardíaca do punho.
Adicionalmente, a consola possui uma seleção de
sessões de exercício integradas. Cada sessão de
exercício controla automaticamente a velocidade e a
inclinação do tapete rolante à medida que orienta o/a
utilizador(a) através de uma sessão de exercício e-
caz.
Perca quilos indesejados com o programa de perda
de peso progressiva de 8 semanas. Cada exercício no
programa controla a velocidade e inclinação do tapete
rolante, à medida que o orienta através de um exercí-
cio ecaz, concebido para o ajudar a atingir os resulta-
dos pretendidos.
Enquanto se exercita, até pode ouvir os seus audioli-
vros ou músicas de exercício favoritos, com o sistema
de som estéreo.
Para ligar a corrente, consulte a página 16. Para
utilizar o modo manual, consulte a página 16. Para
utilizar uma sessão de exercício integrada, consulte
a página 18. Para utilizar uma sessão de exercício
de perda de peso de 8 semanas, consulte a página
19. Para utilizar o sistema de som, consulte a página
20. Para utilizar o modo de informação, consulte a
página 20.
Nota: A consola pode apresentar a velocidade e a
distância em quilómetros ou em milhas. Para desco-
brir qual a unidade de medida selecionada, consulte
O MODO DE INFORMAÇÃO na página 20. Por uma
questão de simplicidade, todas as instruções nesta
secção se referem a quilómetros.
IMPORTANTE: Se a consola estiver coberta com
películas de plástico, retire-as. Para evitar danos
na plataforma de caminhar, utilize calçado despor-
tivo limpo durante a utilização do tapete rolante. Na
primeira vez que utilizar o tapete rolante, observe
o alinhamento da cinta de caminhar e centre-a, se
necessário (consulte a página 24).

16
COMO LIGAR A CORRENTE
IMPORTANTE: Se o tapete rolante tiver estado
exposto a temperaturas frias, deixe-o aquecer até à
temperatura ambiente antes de ligar a corrente. Se
não o zer, pode danicar os ecrãs da consola ou
outros componentes elétricos.
Ligue o cabo de alimenta-
ção (consulte a página 14).
Depois, localize o interrup-
tor na estrutura do tapete
rolante, junto ao cabo de
alimentação. Certique-se
de que o interruptor está na
posição Reset (de reinício).
Depois, coloque-se
sobre as bermas de
apoio para os pés
do tapete rolante.
Localize o clipe ligado
à chave e prenda-o à
cintura da sua roupa.
Depois, introduza a
chave na consola.
Após um momento, os
ecrãs iluminam-se. IMPORTANTE: Numa situação de
emergência, a chave pode ser retirada da consola,
fazendo com que a cinta de caminhar abrande
até parar. Teste o clipe recuando cuidadosamente
alguns passos; se a chave não sair da consola,
ajuste a posição do clipe.
COMO UTILIZAR O MODO MANUAL
1. Insira a chave na consola.
Veja COMO LIGAR A CORRENTE à esquerda.
2. Selecione o modo manual.
Quando a chave for inserida, é selecionado o
modo manual. Se tiver selecionado uma sessão de
exercício, prima o botão Manual na consola.
3. Ponha a cinta de caminhar em movimento.
Para iniciar a cinta de caminhar, prima o botão
Start (Iniciar), o botão de aumento de Speed
(Velocidade) ou um dos botões de Speed numera-
dos de 2 a 18.
Se for premido o botão Start ou o botão de au-
mento de Speed, a cinta de caminhar começa a
deslocar-se à velocidade de 2 Km/H. Enquanto
se exercita, altere a velocidade da correia de ca-
minhar conforme desejar, premindo os botões de
aumentar ou diminuir a Speed. De cada vez que
premir um botão, a conguração de velocidade
altera-se em 0,1 Km/H; se mantiver um botão pre-
mido, a conguração de velocidade altera-se mais
rapidamente. Nota: Depois de premir o botão, po-
derá demorar um momento até a cinta de caminhar
atingir a velocidade selecionada.
Se premir um dos botões de Speed numerados, a
velocidade da cinta de caminhar altera-se gradu-
almente até chegar à conguração de velocidade
selecionada.
Para parar a cinta de caminhar, prima o botão Stop
(Parar). O tempo começa a piscar no ecrã. Para
reiniciar o movimento da cinta de caminhar, prima
o botão Start ou o botão de aumentar Speed.
4. Altere a inclinação do tapete rolante conforme
pretendido.
Para alterar a inclinação do tapete rolante, prima
os botões de aumentar ou diminuir Incline ou um
dos botões numerados de Incline. De cada vez
que premir um dos botões, o tapete rolante ajusta-
-se gradualmente à conguração de inclinação
selecionada.
Reiniciar
ETPE79713
(PETL79713)
Clipe
Chave

17
5. Siga o seu progresso com os ecrãs.
Quando estiver
selecionado o
modo manual, a
metade superior
do ecrã apre-
senta uma pista
que representa
400 metros. Enquanto caminhar ou correr, os indi-
cadores da pista aparecem sucessivamente até
surgir toda a pista. A pista desaparece então e os
indicadores recomeçarão a aparecer em sucessão.
A metade superior do ecrã também pode apresen-
tar o tempo decorrido, a distância que caminhou
ou correu, a velocidade da cinta de caminhar, o
número aproximado de calorias que queimou, o
seu ritmo de andamento e a inclinação do tapete
rolante. Prima repetidamente o botão Priority
Display (Ecrã Prioritário) até aparecer a informa-
ção pretendida sobre a sessão de exercício.
O canto inferior
esquerdo do ecrã indica
o tempo decorrido, a
distância que cami-
nhou ou correu e o
nível de inclinação do
tapete rolante. Nota: Quando estiver selecionada
uma sessão de exercício integrada, o ecrã indica
o tempo restante da sessão, em vez do tempo
decorrido.
O canto inferior direito
do ecrã indica o número
aproximado de calo-
rias que queimou, a
velocidade da cinta
de caminhar e o seu
ritmo de andamento. O lado direito do ecrã indica
também a frequência cardíaca, quando utilizar o
monitor da frequência cardíaca do punho.
Para reiniciar o ecrã, prima o botão Stop (Parar),
retire a chave e volte a inseri-la.
6. Meça a sua frequência cardíaca, se o desejar.
Antes de utilizar o monitor da frequência cardíaca
do punho, retire as películas de plástico dos con-
tactos de metal da barra de pulsações. Além disso,
certique-se de que tem as mãos limpas.
Para medir a frequência cardíaca, coloque-se
sobre as bermas de apoio para os pés e agarre
a barra de pulsações com as palmas das mãos
sobre os contactos metálicos durante cerca de dez
segundos; evite mover as mãos. Quando a pul-
sação for detetada, pisca no ecrã de calorias um
indicador em forma de coração de cada vez que o
seu coração bater, aparecem um ou dois traços e
nalmente é apresentada a frequência cardíaca.
Para uma leitura mais precisa da frequência
cardíaca, continue a agarrar os contactos du-
rante cerca de 15 segundos.
7. Ligue a ventoinha, se o desejar.
A ventoinha possui vá-
rias congurações de
velocidade. Prima repe-
tidamente o botão para
aumentar ou diminuir a
ventoinha para selecio-
nar uma velocidade ou
para a desligar. Nota: Se for deixada ligada quando
parar a cinta de caminhar, a ventoinha desliga-se
automaticamente após alguns minutos.
8. Quando acabar de fazer exercício, retire a
chave da consola.
Coloque-se sobre as bermas de apoio para os
pés, prima o botão Stop e ajuste a inclinação
do tapete rolante para zero. A inclinação deve
estar em zero, caso contrário pode danicar o
tapete rolante quando o dobrar para a posição
de arrumação. Depois, retire a chave da consola e
coloque-a num lugar seguro.
Quando acabar de utilizar o tapete rolante, coloque
o interruptor na posição de desligado e desligue
o cabo de alimentação. IMPORTANTE: Se não
o zer, os componentes elétricos do tapete
rolante podem gastar-se prematuramente.
Contactos
Pista

18
COMO UTILIZAR UMA SESSÃO DE EXERCÍCIO
INTEGRADA
1. Insira a chave na consola.
Veja COMO LIGAR A CORRENTE na página 16.
2. Selecione uma sessão de exercício integrada.
PPara selecionar uma sessão de exercício in-
tegrada, prima repetidamente o botão Speed
(Velocidade), o botão Incline (Inclinação), o
botão Intensity (Intensidade) ou o botão Calorie
(Calorias) até surgir no ecrã a sessão de exercício
pretendida.
Quando selecionar uma sessão de exercício in-
tegrada, piscam no ecrã por alguns segundos
as congurações de velocidade e de inclinação
máximas e passa através do ecrã um perl das
congurações de velocidade da sessão de exercí-
cio. Se selecionar uma sessão de exercício Calorie
aparece também no ecrã o número aproximado de
calorias que irá queimar.
3. Inicie a sessão de exercício.
Prima o botão Start ou o botão de aumentar Speed
para iniciar a sessão de exercício. Um momento
após premir o botão, o tapete rolante ajusta-se au-
tomaticamente às primeiras congurações de velo-
cidade e inclinação da sessão de exercício. Agarre
os apoios para as mãos e comece a caminhar.
Cada sessão de exercício está dividida em seg-
mentos de um minuto. Para cada segmento estão
programadas uma conguração de velocidade
e uma conguração de inclinação. Nota: Podem
estar programadas as mesmas congurações de
velocidade e/ou inclinação para segmentos conse-
cutivos.
Durante a
sessão de
exercício, o
perl apre-
senta o seu
progresso.
O segmento
intermitente do perl representa o segmento em
curso da sessão de exercício. A altura do seg-
mento intermitente indica a conguração de veloci-
dade do segmento em curso. No nal de cada seg-
mento ouve-se uma série de sons e o segmento
seguinte do perl começa a piscar. Se estiverem
programadas novas congurações de velocidade
e/ou inclinação para o segmento seguinte, estas
aparecem nos ecrãs durante alguns segundos e o
tapete rolante ajusta-se automaticamente a elas.
A sessão de exercício continua dessa forma até
o último segmento do perl car intermitente no
ecrã e terminar. Nessa altura, a cinta de caminhar
abranda até parar.
Nota: O objetivo de calorias é uma estimativa
do número de calorias que queima durante a
sessão de exercício. O número real de calorias
queimadas depende de vários fatores, como o
seu peso. Além disso, se mudar manualmente
a velocidade ou a inclinação do tapete rolante
durante a sessão de exercício, o número de ca-
lorias queimadas é afetado.
Se, em qualquer momento da sessão de exercício,
considerar a conguração de velocidade ou de
inclinação demasiado alta ou baixa, pode preteri-
-la manualmente, premindo os botões Speed ou
Incline (Inclinação); contudo, quando começar
o segmento seguinte da sessão de exercício,
o tapete rolante ajusta-se automaticamente às
congurações de velocidade e inclinação
do mesmo.
Para parar o exercício em qualquer altura, prima o
botão Stop (Parar). O tempo começa a piscar no
ecrã. Para retomar a sessão de exercício, prima
o botão Start ou o botão de aumentar Speed. A
cinta de caminhar começa a mover-se a 2 Km/h.
Quando começar o segmento seguinte da sessão
de exercício, o tapete rolante ajusta-se automatica-
mente às congurações de velocidade e inclinação
do mesmo.
4. Siga o seu progresso com os ecrãs.
Veja o passo 5 na página 17. O canto inferior es-
querdo do ecrã apresenta o tempo restante em vez
do tempo decorrido.
5. Meça a sua frequência cardíaca, se o desejar.
Veja o passo 6 na página 17.
6. Ligue a ventoinha, se o desejar.
Consulte o passo 7 na página 17.
7. Quando acabar de fazer exercício, retire a
chave da consola.
Consulte o passo 8 na página 17.
Segmento em Curso

19
COMO UTILIZAR UMA SESSÃO DE EXERCÍCIO DE
PERDA DE PESO DE 8 SEMANAS
1. Insira a chave na consola.
Veja COMO LIGAR A CORRENTE na página 16.
2. Selecione a semana pretendida do programa.
Para sele-
cionar a
semana pre-
tendida do
programa,
prima repe-
tidamente o
botão Select Week (Selecionar semana) até surgir
no canto superior esquerdo do ecrã o número da
semana pretendida.
3. Selecione o dia pretendido do programa.
Existem
três dias de
exercícios
por cada
semana
do pro-
grama. Para
selecionar o dia pretendido do programa, prima
repetidamente o botão Select Day (Selecionar
dia) até surgir no canto superior direito do ecrã o
número do dia pretendido.
4. Introduza o seu peso
Para permitir à consola calcular com maior pre-
cisão a quantidade de calorias que irá queimar,
prima os botões de aumentar e diminuir Enter
Weight (Introduzir peso) para introduzir o seu
peso. A consola ajusta o nível de intensidade da
sessão de exercício ao peso introduzido.
5. Inicie a sessão de exercício.
Prima o botão Go (Ir) e depois o botão Start
(Iniciar) para iniciar a sessão de exercício.
A sessão de exercício funciona da mesma forma
que uma sessão de exercício predefinida (consulte
o passo 3 na página 18).
6. Siga o seu progresso com os ecrãs.
Veja o passo 5 na página 17. O canto inferior
esquerdo do ecrã apresenta o tempo restante em
vez do tempo decorrido.
7. Meça a sua frequência cardíaca, se o desejar.
Consulte o passo 6 na página 17.
8. Ligue a ventoinha, se o desejar.
Consulte o passo 7 na página 17.
9. Quando acabar de fazer exercício, retire a
chave da consola.
Consulte o passo 8 na página 17.
Número da Semana
Número do Dia

20
COMO UTILIZAR O SISTEMA DE SOM
Para ouvir música ou audiolivros através do sistema
de som da consola durante o exercício, ligue um cabo
áudio macho 3,5 mm - macho 3,5 mm (não incluído)
na entrada da consola e numa entrada do seu leitor de
MP3, leitor de CD ou outro leitor áudio pessoal; certi-
fique-se de que o cabo de áudio está bem ligado.
Nota: Para adquirir um cabo de áudio, consulte
uma loja de eletrónica local.
Em seguida, prima o botão
de reprodução do seu leio
áudio pessoal. Ajuste o
nível do volume com os
botões para aumentar
e diminuir o volume na
consola, ou o controlo de
volume no seu leitor de áudio pessoal.
Nota: Se utilizar um leitor pessoal de CD e o CD saltar,
coloque o leitor de CD no chão ou noutra superfície
plana em vez de o pousar na consola.
O MODO DE INFORMAÇÃO
A consola inclui um modo de informação que regista
as informações de utilização do tapete rolante. O
modo de informação também lhe permite selecionar
milhas ou quilómetros como unidade de medição e
ligar ou desligar o modo de demonstração do ecrã.
Para selecionar o modo de informação, mantenha pre-
mido o botão Stop (Parar), insira a chave na consola e
depois largue o botão Stop. Quando for selecionado o
modo de informação, aparecem no ecrã as seguintes
informações:
• O número de
horas durante
as quais o
tapete rolante
esteve em
funciona-
mento.
• O número total de milhas ou quilómetros que a cinta
de caminhar se deslocou.
• Um “E,” para milhas inglesas, ou um “M,” para quiló-
metros métricos. Para alterar a unidade de medida,
prima o botão de diminuir Speed (Velocidade).
• On (Ligado), Off (Desligado) ou Auto para a deni-
ção de retroiluminação. Para alterar a denição de
retroiluminação, prima o botão de aumentar Speed.
Para sair do modo de informação, retire a chave da
consola.

21
COMO DOBRAR O TAPETE ROLANTE
Para evitar danicar o tapete rolante, ajuste a incli-
nação para zero antes de o dobrar. Em seguida,
retire a chave e desligue o cabo de alimentação.
ATENÇÃO: Deve ser capaz de levantar, com segu-
rança, 20 kg para erguer, baixar ou mover o tapete
rolante.
1. Segure rmemente a estrutura metálica pelo ponto
indicado pela seta em baixo. ATENÇÃO: Não
segure a estrutura pelas bermas plásticas de
apoio para os pés. Dobre as pernas e mantenha
as costas direitas.
2. Levante a estrutura até o trinco se xar na posição
de arrumação. ATENÇÃO: Certique-se de que o
trinco ca encaixado.
Para proteger o chão ou a carpete, coloque um
tapete debaixo do tapete rolante. Mantenha o
tapete rolante afastado da luz solar direta. Não
deixe o tapete rolante na posição de arrumação a
temperaturas superiores a 30° C.
COMO MOVER O TAPETE ROLANTE
Antes de mover o tapete rolante, dobre-o conforme
descrito à esquerda. ATENÇÃO: Certique-se de que
o trinco está bloqueado na posição de arrumação.
Para mover o ta 0pete rolante podem ser necessá-
rias duas pessoas.
1. Segure na estrutura e num apoio para as mãos e
coloque um pé contra uma das rodas.
2. Puxe o apoio para as mãos para trás até o tapete
rolante rolar sobre as rodas e mova-o cuidadosa-
mente para a localização pretendida. ATENÇÃO:
Não mova o tapete rolante sem o inclinar para
trás, não puxe pela estrutura e não mova o
tapete rolante sobre uma superfície irregular.
3. Coloque um pé contra uma roda e baixe cuidado-
samente o tapete rolante.
COMO BAIXAR O TAPETE ROLANTE PARA
UTILIZAÇÃO
1. Consulte a ilustração 2. Segure a extremidade
superior da estrutura do tapete rolante com a mão
direita. Depois, puxe o trinco para a esquerda.
IMPORTANTE: Não rode o trinco. Se necessário,
empurre a estrutura ligeiramente para a frente.
Rode a estrutura para baixo alguns centímetros e
largue o trinco.
2. Consulte o desenho 1 à esquerda. Segure rme-
mente a estrutura metálica com ambas as mãos
e baixe-a até ao chão. ATENÇÃO: Não segure a
estrutura pelas bermas plásticas de apoio para
os pés nem deixe cair a estrutura. Dobre as
pernas e mantenha as costas direitas.
2
Estrutura
Estrutura
1
Apoio para
as Mãos
Estrutura
Roda
1
Trinco
COMO DOBRAR E MOVER O TAPETE ROLANTE

22
A maioria dos problemas do tapete rolante pode
ser resolvida através dos passos simples descri-
tos a seguir. Encontre o sintoma aplicável e siga
os passos listados. Se precisar de assistência
adicional, consulte a capa deste manual.
SINTOMA: O aparelho não liga
a. Certique-se de que o cabo de alimentação está
ligado a uma tomada devidamente ligada à terra
(veja a página 14). Se for necessário um cabo de
extensão, utilize apenas um cabo com 3 condu-
tores de 1 mm2 com comprimento máximo de
1,5 m.
b. Após ligar o cabo de alimentação, certique-se de
que a chave está inserida na consola.
c. Verique o interruptor localizado na estrutura do
tapete rolante, junto ao cabo de alimentação. Se o
botão estiver saliente, conforme indicado, o inter-
ruptor disparou. Para repor o interruptor, espere
cinco minutos e, em seguida, carregue novamente
no botão para dentro.
SINTOMA: A corrente desliga-se durante a
utilização
a. Verique o interruptor (veja a ilustração acima). Se
o interruptor tiver disparado, espere cinco minutos
e, em seguida, carregue novamente no botão para
dentro.
b. Certique-se de que o cabo de alimentação está
ligado. Se o cabo de alimentação estiver ligado,
desligue-o, aguarde cinco minutos e, em seguida,
volte a ligá-lo.
c. Retire a chave da consola e, em seguida, insira-a
novamente.
d. Se o tapete rolante continuar sem funcionar, con-
sulte a capa deste manual.
SINTOMA: Os ecrãs da consola permanecem ilumi-
nados quando a chave da consola é retirada
a. A consola possui um modo de demonstração do
ecrã, concebido para ser utilizado se o tapete
rolante estiver em exposição numa loja. Se os
ecrãs permanecerem iluminados ao retirar a chave,
isso signica que o modo de demonstração está
ativo. Para desativar o modo de demonstração,
prima o botão Stop (Parar) por alguns segundos.
Se os ecrãs continuarem iluminados, consulte O
MODO DE INFORMAÇÃO na página 20 para des-
ligar o modo de demonstração.
SINTOMA: Os ecrãs da consola não funcionam
corretamente
a. Retire a chave da consola e DESLIGUE O CABO
DE ALIMENTAÇÃO. Retire os três Parafusos
#8 x 3/4" (6). Faça deslizar cuidadosamente a
Cobertura do Motor (57).
Reiniciar
Disparado
c
57
6
a
RESOLUÇÃO DE PROBLEMAS

23
Localize o Interruptor de Lâminas (94) e o Íman
(95) no lado esquerdo da Polia (43). Rode a
Roldana até o Íman car alinhado com o Interruptor
de Lâminas. Certique-se de que o espaço entre
o Íman e o Interruptor de Lâminas é de aproxi-
madamente 3 mm. Se necessário, desaperte o
Parafuso de Cabeça em Cruz #8 x 3/4" (19), mova
ligeiramente o Interruptor de Lâminas e volte a
apertar o Parafuso. Coloque novamente o Capô do
Motor (não apresentado) com os três Parafusos #8
x 3/4" (não apresentados) e ponha o tapete rolante
em funcionamento por alguns minutos para veri-
car se é feita uma leitura correta da velocidade.
SINTOMA: A inclinação do tapete rolante não é
corretamente alterada
a. Mantenha premidos os botões Stop (Parar) e de
aumentar Speed (Velocidade), introduza a chave
na consola e depois largue os botões Stop e de
aumentar Speed. Em seguida, prima o botão
Priority Display (Ecrã prioritário). Depois, prima o
botão de aumentar ou diminuir Incline (Inclinação).
O tapete rolante eleva-se automaticamente até ao
nível máximo de inclinação e depois volta ao nível
mínimo. Desta forma, o sistema de inclinação ca
novamente calibrado. Se a calibragem da incli-
nação não for iniciada, prima novamente o botão
Stop (Parar) e, em seguida, prima novamente o
botão de aumentar ou diminuir Incline. Quando
a inclinação car calibrada, retire a chave da
consola.
SINTOMA: A cinta de caminhar abranda quando
alguém está a caminhar sobre ela
a. Se a cinta de caminhar for apertada em demasia,
o desempenho do tapete rolante pode ser afetado
e a cinta de caminhar pode ser danicada. Retire a
chave e DESLIGUE O CABO DE ALIMENTAÇÃO.
Com a chave sextavada, rode ambos os parafusos
do rolo tensor 1/4 de volta no sentido contrário ao
dos ponteiros do relógio. Quando a cinta de cami-
nhar estiver adequadamente esticada, deve poder
levantar cada borda da mesma 5 a 7 cm acima da
plataforma de caminhar. Tenha o cuidado de man-
ter a cinta de caminhar centrada. Depois, ligue o
cabo de alimentação, introduza a chave e ponha o
tapete rolante a funcionar durante alguns minutos.
Repita os procedimentos até a cinta de caminhar
car adequadamente esticada.
b. O tapete rolante possui uma cinta de caminhar
revestida com um lubricante de alto desempenho.
IMPORTANTE: Nunca aplique um pulverizador
de silicone ou outras substâncias na cinta
de caminhar ou na plataforma de caminhar,
a menos que tal lhe seja indicado por um
representante de assistência autorizado. Tais
substâncias podem deteriorar a cinta de cami-
nhar e causar um desgaste excessivo. Se lhe
parecer que a cinta de caminhar precisa de mais
lubricante, consulte a capa deste manual.
c. Se a cinta de caminhar continuar a abrandar
quando nela caminhar alguém caminhar nela,
contacte o estabelecimento onde adquiriu este
produto.
Parafusos do Rolete Tensor
5–7 cm
a
Vista
Frontal
94
3 mm
19
95
43
Esquerdo
Direito

24
SINTOMA: A cinta de caminhar está descentrada
IMPORTANTE: A cinta de caminhar deve estar cen-
trada entre as bermas de apoio para os pés. Se a
cinta de caminhar roçar nas bermas de apoio para
os pés, pode car danicada.
a. Comece por retirar a chave e DESLIGAR O CABO
DE ALIMENTAÇÃO. Se a cinta de caminhar se
tiver deslocado para a esquerda, utilize a chave
sextavada para rodar o parafuso esquerdo do rolo
tensor 1/2 volta no sentido horário; se a cinta de
caminhar se tiver deslocado para a direita, rode
o parafuso esquerdo do rolo tensor 1/2 volta no
sentido anti-horário. Tenha cuidado para não esti-
car demasiado a cinta de caminhar. Depois, ligue o
cabo de alimentação, introduza a chave e ponha o
tapete rolante a funcionar durante alguns minutos.
Repita os procedimentos até a cinta de caminhar
car centrada.
SINTOMA: A cinta de caminhar resvala quando
alguém caminha sobre ela
a. Comece por retirar a chave e DESLIGAR O CABO
DE ALIMENTAÇÃO. Com a chave sextavada,
rode ambos os parafusos do rolo tensor 1/4 de
volta no sentido horário. Quando a cinta de cami-
nhar estiver adequadamente esticada, deve poder
levantar cada borda da mesma 5 a 7 cm acima da
plataforma de caminhar. Tenha o cuidado de man-
ter a cinta de caminhar centrada. Depois, ligue o
cabo de alimentação, introduza a chave e caminhe
cuidadosamente sobre o tapete rolante durante
alguns minutos. Repita os procedimentos até a
cinta de caminhar car adequadamente esticada.
a
a
Bermas de Apoio
para os Pés

25
Estas directivas irão ajudá-lo a planear o programa de
exercícios. Para obter informações detalhadas sobre
os exercícios, adquira um livro com boa reputação ou
consulte o médico. Lembre-se de que uma nutrição e
descanso adequados são essenciais para obter bons
resultados.
INTENSIDADE DO EXERCÍCIO
Quer o seu objectivo seja queimar gorduras ou
forta-lecer o sistema cardiovascular, a intensidade
adequada dos exercícios é a chave para obter resulta-
dos. Pode utilizar os batimentos cardíacos como guia
para encontrar o nível de intensidade adequado. A
tabela abaixo apresenta os batimentos cardíacos reco-
mendados para queimar gorduras e para o exercício
aeróbico.
Para encontrar o nível de intensidade adequado, local-
ize a sua idade na parte de baixo da tabela (as idades
estão arredondadas para os dez anos mais próximos).
Os três números indicados acima da idade definem a
“zona de exercício.” O número mais baixo representa
os batimentos cardíacos para queimar gorduras, o
número do meio representa os batimentos cardíacos
para queimar gorduras ao máximo e o número mais
elevado representa os batimentos cardíacos para o
exercício aeróbico.
Queimar Gorduras—Para queimar gorduras eficaz-
mente, deve exercitar-se com um nível de intensidade
baixo durante algum tempo. Durante os primeiros
mi-nutos de exercício o corpo utiliza calorias de
hidratos de carbono como energia. Só depois dos
primeiros minutos de exercício é que o corpo começa
a utilizar as calorias de gordura armazenadas como
energia. Se o objectivo for queimar gordura, ajuste a
intensidade do exercício até os batimentos cardíacos
estarem próximos do número mais baixo da sua zona
de exercício. Para queimar gorduras ao máximo, faça
o exercício com os batimentos cardíacos perto do
número do meio na zona de exercício.
Exercício Aeróbico—Se o objectivo for fortalecer
o sistema cardiovascular, deverá fazer exercícios
aeróbicos, ou seja, actividades que requeiram uma
grande quantidade de oxigénio durante períodos pro-
longados de tempo. Para exercícios aeróbicos, ajuste
a intensidade do exercício até os batimentos cardíacos
estarem próximos do número mais alto da sua zona de
exercício.
DIRECTIVAS DE EXERCÍCIO
Aquecimento—Comece com 5 a 10 minutos de
exercícios leves e de alongamento. O aquecimento
aumenta a temperatura corporal, batimentos cardíacos
e circulação, preparando-o para o exercício.
Exercício da Zona—Faça 20 a 30 de exercício com
os batimentos cardíacos dentro da sua zona de exer-
cício. (Durante as primeiras semanas do programa de
exercício, não mantenha os batimentos cardíacos den-
tro da zona de exercício durante mais de 20 minutos.)
Respire normal e profundamente durante o exercício;
não sustenha a respiração.
Arrefecimento—Termine com 5 a 10 minutos de
alongamentos. Os alongamentos aumentam a flexibili-
dade dos músculos e ajudam-no a evitar os problemas
pós-exercício.
FREQUÊNCIA DE EXERCÍCIO
Para manter ou melhorar a sua condição física, faça
três exercícios por semana, com um intervalo mínimo
de um dia entre exercícios. Após alguns meses de
exercícios regulares, pode chegar aos cinco exercícios
por semana, se pretender. Lembre-se de que a chave
para atingir o sucesso é fazer do exercício uma parte
regular e agradável do quotidiano.
DIRECTIVAS DE EXERCÍCIO
AVISO: Consulte o seu médico
antes de iniciar este ou qualquer outro exer-
cício. Isto é especialmente importante para
pessoas com mais de 35 anos ou com prob-
lemas de saúde prévios.
O sensor de pulsações não é um dispositivo
médico. Há diversos factores que podem
afectar a precisão das leituras dos bati-
mentos cardíacos. O sensor de pulsações
é meramente um auxiliar do exercício para
determinar a tendência geral dos batimentos
cardíacos.

26
1 2 Parafuso de Terra #8 x 1/2"
2 2 Pino 3/8" x 2 1/2"
3 2 Porca 3/8"
4 6 Parafuso 3/8" x 4"
5 10 Anilha em Forma de Estrela 3/8"
6 41 Parafuso #8 x 3/4"
7 2 Parafuso 5/16" x 1"
8 2 Anilha em Forma de Estrela 5/16"
9 4 Parafuso 3/8" x 3 1/2"
10 4 Parafuso 1/4" x 1"
11 10 Parafuso #3 x 1/4"
12 1 Pino M8 x 45mm
13 2 Coluna
14 2 Parafuso 1/4" x 2 1/2"
15 2 Pino 3/8" x 1 3/8"
16 2 Pino 1/2" x 2 1/4"
17 2 Porca 1/2"
18 3 Clipe do Capô
19 23 Parafuso de Cabeça em Cruz
#8 x 3/4"
20 2 Pino 3/8" x 1 3/4"
21 4 Porca de Travamento 3/8"
22 2 Espaçador do Motor de Inclinação
23 2 Parafuso 1/4" x 3/8"
24 4 Parafuso #8 x 1/2"
25 2 Pino 5/16" x 1 1/4"
26 1 Cobertura da Coluna Esquerda
27 2 Pino 5/16" x 1 3/4"
28 2 Anilha 5/16"
29 4 Porca 5/16"
30 1 Cobertura da Coluna Direita
31 1 Barra de Apoio das Pulsações
32 1 Parafuso 1/4" x 2"
33 8 Parafuso Auto-Atarraxante #8 x 1"
34 2 Torno da Consola
35 2 Espaçador da Almofada da Base
36 4 Acolchoamento da Plataforma
37 1 Carril de Apoio para o Pé Esquerdo
38 1 Autocolante de Aviso do Trinco
39 1 Plataforma de Caminhar
40 1 Cinta de Caminhar
41 2 Guia da Correia
42 2 Espaçador de Borracha
43 1 Polia/Rolete de Tração
44 1 Grelha da Coluna Esquerda
45 1 Tabuleiro Esquerdo
46 1 Correia do Motor de Tração
47 1 Motor de Tração
48 2 Espaçador da Estrutura
49 1 Estrutura
50 1 Carril de Apoio para o Pé Direito
51 1 Trinco de Armazenamento
52 1 Pé Traseiro Direito
53 1 Pé Traseiro Esquerdo
54 1 Parafuso de Cabeça Panela
#8 x 1/2"
55 4 Parafuso do Controlador #8 x 1/2"
56 1 Rolete Tensor
57 1 Cobertura do Motor
58 2 Espaçador da Estrutura de
Inclinação
59 1 Estrutura de Inclinação
60 1 Motor de Inclinação
61 1 Tomada
62 1 Controlador
63 3 Atilho para Fio
64 1 Placa da Caixa
65 1 Interruptor
66 1 Cabo de Alimentação
67 1 Bucim
68 1 Caixa
69 2 Tampa do Apoio para as Mãos
70 1 Fio da Barra Vertical
71 1 Apoio para a Mão Esquerda
72 1 Apoio para a Mão Direita
73 1 Cobertura da Base Esquerda
74 1 Cobertura da Base Direita
75 1 Barra Vertical Esquerda
76 1 Barra Vertical Direita
77 4 Tampa da Base
78 2 Autocolante de Aviso
79 4 Almofada da Base
80 1 Base
81 2 Roda
82 1 Chave/Clipe
83 1 Base da Consola
84 1 Filtro
85 1 Tabuleiro Direito
86 1 Consola
87 1 Estrutura da Consola
88 4 Base do Acolchoamento
89 1 Fio de Terra da Consola
90 2 Porca M8
91 2 Atilho para Fio da Consola
92 1 Grelha da Coluna Direita
93 1 Clipe do Interruptor de Lâminas
94 1 Interruptor de Lâminas
95 1 Íman
96 1 Barra de Apoio do Trinco
97 2 Parafuso 1/4" x 1 3/4"
98 2 Bucha do Motor
99 1 Isolador do Motor
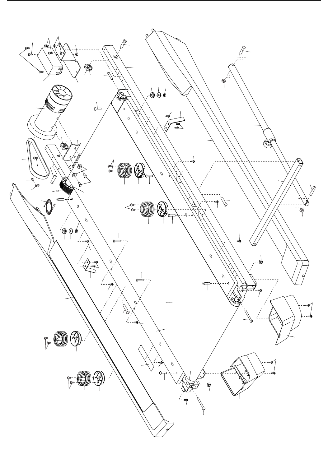
Nº Qtd. Descrição Nº Qtd. Descrição
LISTA DE PEÇAS Modelo nº PETL79713.1 R0514A

27
100 7 Parafuso de Máquina #8 x 1/2"
101 1 Pino #8 x 3/4"
102 1 Porca #8
103 5 Anilha em Forma de Estrela #8
104 1 Pino M8 x 50mm
105 1 Suporte do Filtro
106 1 Suporte de Ligação à Terra
107 4 Pino 1/4" x 1 1/4"
* – Manual do Utilizador
Nº Qtd. Descrição Nº Qtd. Descrição
Nota: As especificações estão sujeitas a mudanças sem aviso prévio. Consulte a contracapa deste manual para
obter informações sobre a encomenda de peças de substituição. *Estas peças não foram ilustradas.

28
27
25
24
24
41
41
42
38
39
50
49
14
37
32
27
47
29
42
28
29
28
14
29 25
40
43
46
48
48
19
1
16
16
56
19
19
19
19
19
19
19
29
19
19
19
52
53
19
88
88
95
19
93
94
36
99
98
105
103
100
100
84
102
101
97
104
97
51
90
96
12
90
36
88
36
19
88
36
19
107
107
107
19
19
107
23
DIAGRAMA AMPLIADO A Modelo nº PETL79713.1 R0514A

29
55
65
63
62
58
59
58
18
20
21
60
22
6
57
6
64
21
21
17
17
20
21
6
18
6
6
6
6
6
68
6
18
6
61
66
106
100
103
100
103
DIAGRAMA AMPLIADO B Modelo nº PETL79713.1 R0514A

30
80 78
15
5
5
77
15
4
4
78
4
76
77
2
81
3
33
3
2
81
33
5
79
79
77
77
73
72
75
9
5
70
74
71
69
31 89
54
66
6
6
6
6
9
10
10
8
7
69
8
7
5
1
67
33
79
35
33
79
35
DIAGRAMA AMPLIADO C Modelo nº PETL79713.1 R0514A

31
6
86
85
87
83
91
34
6
55
6
6
6
45
6
6
613
13
11
11
34
6
6
6
44 92
6
6
6
6
6
11
11
30
11
11
11
6
66
26
82
DIAGRAMA AMPLIADO D Modelo nº PETL79713.1 R0514A

Nº de Peça 359789 R0514A Impresso na China © 2014 ICON Health & Fitness, Inc.
Este produto electrónico não deve ser depositado numa lixeira municipal.
Para preservar o ambiente, este produto deve ser reciclado após o fim da
sua vida útil, tal como exigido por lei.
Utilize as instalações de reciclagem que estejam autorizadas a recolher este tipo
de resíduos na sua área. Ao fazê-lo, estará a ajudar a preservar os recursos nat-
urais e a melhorar os padrões europeus de protecção ambiental. Se precisar de
mais informações sobre métodos seguros e correctos de eliminação de resíduos,
contacte o departamento municipal adequado ou o esta-belecimento onde
adquiriu este produto.
INFORMAÇÕES SOBRE RECICLAGEM
Para encomendar peças de substituição, consulte a capa deste manual. Para nos ajudar a prestar-lhe assistên-
cia, esteja preparado para nos fornecer as seguintes informações quando nos contactar:
• o número de modelo e o número de série do produto (consulte a capa deste manual)
• o nome do produto (consulte a capa deste manual)
• o número de código e a descrição da(s) peça(s) de substituição (consulte a LISTA DE PEÇAS e o DIAGRAMA
AMPLIADO, na parte final deste manual)
ENCOMENDAR PEÇAS DE SUBSTITUIÇÃO