Proform Pfel058130 Ze 6 Elliptical Users Manual
2015-04-13
: Proform Proform-Pfel058130-Ze-6-Elliptical-Users-Manual-699867 proform-pfel058130-ze-6-elliptical-users-manual-699867 proform pdf
Open the PDF directly: View PDF
.
Page Count: 28

MANUAL DEL USUARIO
Calcomanía con el
Número de Serie
(debajo de la armadura)
Nº de Modelo PFEL05813
Nº de Versión 0
Nº de Serie
Escriba el número de serie en el
espacio de arriba para referencia.
www.proform.com
PRECAUCIÓN
Antes de usar el equipo, lea
cuidadosamente todas las adver-
tencias e instrucciones de este
manual. Guarde el manual para
futuras referencias.
¿PREGUNTAS?
Para Servicio Técnico:
Tel. 01-800-681-9542
servicio@iconfitness.com
Tecnoservicio
Tenayuca 55 “A” Mez. 1
Col. Letran Valle
Del. Benito Juarez
México D.F. C.P. 03650
Importador: Sears Operadora
Mexico S.A. de C.V.
Lago Zurich 245 ED. Presa Falcon
Piso 7
Col. Granada Ampliacion,
Del. Miguel Hidalgo
México D.F. C.P. 11529
R.F.C.: SOM101125UEA
Especificaciones eléctricas:
9 Vcc 2 A

2
CONTENIDO
PRECAUCIONES IMPORTANTES ..............................................................3
COLOCACIÓN DE LA CALCOMANÍA DE ADVERTENCIA ...........................................4
ANTES DE COMENZAR ......................................................................5
TABLA DE IDENTIFICACIÓN DE PIEZAS ........................................................6
MONTAJE .................................................................................7
CÓMO USAR EL ENTRENADOR ELÍPTICO .....................................................13
MANTENIMIENTO Y PROBLEMAS ............................................................20
GUÍA DE EJERCICIOS . . . . . . . . . . . . . . . . . . . . . . . . . . . . . . . . . . . . . . . . . . . . . . . . . . . . . . . . . . . . . . . . . . . . . .22
LISTA DE LAS PIEZAS . . . . . . . . . . . . . . . . . . . . . . . . . . . . . . . . . . . . . . . . . . . . . . . . . . . . . . . . . . . . . . . . . . . . . .23
DIBUJO DE LAS PIEZAS ....................................................................25
CÓMO ORDENAR PIEZAS DE REPUESTO ...........................................Contraportada
GARANTÍA LIMITADA. . . . . . . . . . . . . . . . . . . . . . . . . . . . . . . . . . . . . . . . . . . . . . . . . . . . . . . . . . . . . Contraportada
PROFORM es una marca registrada de ICON Health & Fitness, Inc.

3
1. Es responsabilidad del propietario ase-
gurarse de que todos los usuarios del
entrenador elíptico estén adecuadamente
informados sobre todas las precauciones.
2. Antes de comenzar cualquier programa de
ejercicios, consulte con su médico. Esto es
particularmente importante para individuos
mayores de 35 años o individuos con proble-
mas de salud preexistentes.
3. Use el entrenador elíptico solamente como
se describe en este manual.
4. El entrenador elíptico está diseñado única-
mente para uso dentro del hogar. No use el
entrenador elíptico en un entorno comercial,
de alquiler ni institucional.
5. Guarde el entrenador elíptico en un lugar
cerrado, lejos del polvo y la humedad. No
guarde el entrenador elíptico en el garaje ni
en un patio cubierto o cerca de agua.
6. Coloque el entrenador elíptico en una super-
ficie plana, con al menos 3 pies (0,9) m de
espacio libre en la parte delantera y trasera
del entrenador elíptico y 2 pies (0,6) m de
espacio libre en cada lado. Para proteger el
suelo o la alfombra de algún daño, coloque
un tapete debajo del entrenador elíptico.
7. Inspeccione y apriete adecuadamente todas
las piezas de manera regular. Reemplace
inmediatamente cualquier pieza gastada.
8. Mantenga a los niños menores de 12 años y
animales domésticos alejados del entrenador
elíptico en todo momento.
9. El entrenador elíptico no debe ser usado por
personas que pesen más de 300 libras (136
kg).
10. Use ropa adecuada mientras hace ejercicios;
no use ropa suelta que pueda engancharse
en el entrenador elíptico. Use siempre cal-
zado deportivo para protegerse los pies al
hacer ejercicio.
11. Sujétese a las barandas o a los brazos al
subir, bajar o usar el entrenador elíptico.
12. El monitor de ritmo cardíaco no es un dis-
positivo médico. Existen varios factores que
pueden influir en la precisión de las lecturas
del ritmo cardíaco. El monitor de ritmo car-
díaco está diseñado únicamente como ayuda
para el ejercicio, determinando las tenden-
cias del ritmo cardíaco en general.
13. El entrenador elíptico no tiene piñón libre;
los pedales seguirán moviéndose hasta que
el volante se detenga. Reduzca la velocidad
de pedaleo de una forma controlada.
14. Mantenga recta la espalda al usar el entrena-
dor elíptico; no arquee la espalda.
15. El ejercitar de más puede causar lesiones
graves o incluso la muerte. Si experimenta
mareos o siente dolor mientras hace ejerci-
cios, deténgase inmediatamente y descanse.
PRECAUCIONES IMPORTANTES
ADVERTENCIA: Para reducir el riesgo de lesiones graves, lea todas las precaucio-
nes e instrucciones importantes de este manual y todas las advertencias que se observan en su
entrenador elíptico antes de utilizarlo. ICON no asume ninguna responsabilidad por lesiones person-
ales o daños a la propiedad que ocurran por el uso de este producto o a través del mismo.

4
Este dibujo muestra la ubicación de la calcomanía
de advertencia. Si falta una calcomanía o ésta
es ilegible, vea la portada de este manual y
solicite una nueva calcomanía de reemplazo
gratuita. Péguela en el lugar indicado. Puede
ser que no se muestre la calcomanía en su
tamaño real.
COLOCACIÓN DE LA CALCOMANÍA DE ADVERTENCIA

5
Gracias por seleccionar el revolucionario entrenador
elíptico PROFORM® ZE 6. El entrenador elíptico ZE
6 ofrece una variedad impresionante de funciones
diseñadas para hacer sus entrenamientos en casa más
agradables y eficaces.
Para su beneficio, lea el manual cuidadosamente
antes de usar el entrenador elíptico. Si tiene pre-
guntas después de leer este manual, por favor vea la
portada de este manual. Para ayudarnos a asistirlos,
anote el número de modelo y el número de serie del
producto antes de contactarnos. El número del modelo
y la ubicación del número de serie se muestran en la
portada de éste manual.
Antes de seguir leyendo, por favor estudie el dibujo de
abajo y familiarícese con las piezas y sus nombres.
Monitor del Ritmo Cardíaco
Charola de Accesorios
Baranda
Brazo
Pedal
Rodillo
Manubrio
Rampa
Manubrio de Rampa
Consola
Rueda
Pata de Nivelación
Largo: 5' 7" (170 cm)
Ancho: 2' 1" (64 cm)
ANTES DE COMENZAR

6
Tornillo M10 x 115mm
(104)–4
Tornillo M10 x 60mm
(106)–4
Contratuerca M8
(110)–4
Tornillo M4 x 16mm
(97)–12
Arandela M8
(103)–2
Perno M8 x 38mm
(108)–4
Arandela M10
(111)–6
Tornillo M8 x 18mm
(109)–2
Tornillo M10 x 20mm
(107)–6
TABLA DE IDENTIFICACIÓN DE PIEZAS
Consulte los dibujos que aparecen abajo para identificar las piezas pequeñas en el montaje. El número entre
paréntesis que hay cerca de cada dibujo es el número de la pieza en la LISTA DE LAS PIEZAS hacia el final de
este manual. El número que aparece después del paréntesis es la cantidad necesaria para el montaje. Nota: Si
no encuentra alguna de las piezas en la bolsa de piezas, compruebe si ha sido previamente conectada.
Pueden incluirse piezas adicionales.

7
2. Con la ayuda de otra persona, coloque parte
de los materiales de empaque (no mostrados)
debajo de la parte posterior de la Armadura
(1). Pídale a otra persona que sostenga la
Armadura para que no vuelque mientras
completa este paso.
Conecte el Estabilizador Trasero (2) a la
Armadura (1) con dos Tornillos M10 x 115mm
(104).
Retire los materiales de empaque de debajo de
la parte posterior de la Armadura (1).
2
1
2
104
• Para contratar un técnico autorizado para ensam-
blar este producto, llame al 1-800-445-2480.
• El montaje requiere dos personas.
• Coloque todas las piezas en un área despejada y
quite los materiales de empaque. No se deshaga
de los materiales de empaque hasta haber termi-
nado todos los pasos de montaje.
• Las partes del lado izquierdo están marcadas con
“L” o “Left” y las partes del lado derecho están
marcadas con “R” o “Right.”
• Para identicar las piezas pequeñas, vea la página
6.
• Además de la(s) herramienta(s) incluida(s),
para el montaje se necesitan las siguientes
herramientas:
un destornillador Phillips
un mazo de goma
El montaje puede ser más fácil si tiene un juego
de llaves. Para evitar dañar las piezas, no utilice
herramientas eléctricas.
1
MONTAJE
1. Visite la web www.workoutwarehouse.com/
registration en su computadora y registre su
producto.
• activa su garantía
• le ahorra tiempo si alguna vez necesita con-
tactar al Tecnoservicio
• nos permite avisarle si hay nuevas actualiza-
ciones y ofertas
Nota: Si no dispone de acceso a Internet, llame
al Tecnoservicio (vea la portada de este manual)
para registrar su producto.

8
3
3. Con la ayuda de otra persona, coloque parte de
los materiales de empaque (no se muestran)
debajo de la parte delantera de la Armadura
(1). Pídale a otra persona que sostenga la
Armadura para que no vuelque mientras
completa este paso.
Conecte el Estabilizador Delantero (3) a la
Armadura (1) con dos Tornillos M10 x 115mm
(104).
Retire los materiales de empaque de debajo de
la parte delantera de la Armadura (1).
1
3104
4. Oriente el Montante Vertical (4) y la Cubierta del
Montante Vertical (23) como se muestra. Deslice
la Cubierta del Montante Vertical hacia arriba por
el Montante Vertical.
Mientras que otra persona sostiene el Montante
Vertical (4) cerca de la Armadura (1), conecte el
Cable Superior (116) al Cable Inferior (115).
Inserte el exceso de cables dentro de la
Armadura (1).
4
4
1116
23
115

9
6
6. Identifique la Pata Derecha (26) y el Brazo
de Pedal Derecho (37) y oriéntelos como se
muestra.
Utilizando una bolsa de plástico para no man-
charse los dedos, aplique un poco de la grasa
suministrada al eje de la Pata Derecha (26).
Deslice el Brazo de Pedal Derecho (37) sobre la
Pata Derecha (26). Conecte el Brazo de Pedal
Derecho con un Tornillo M10 x 20mm (107) y
una Arandela M10 (111).
Repita este paso para conectar el Brazo de
Pedal Izquierdo (38) a la Pata Izquierda (28).
26
28
38
37
107
111
Grasa
5. Clave: Evite pellizcar los cables. Haga que
otra persona sostenga el Montante Vertical (4)
cerca de la Armadura (1).
Conecte el Montante Vertical (4) con cuatro
Tornillos M10 x 60mm (106).
A continuación, presione la Cubierta del
Montante Vertical (23) contra la Cubierta del
Protector (30).
5
Evite pellizcar
los cables
4
106
23
1
30

10
7
8. Identifique el Brazo Derecho (25) y oriéntelo
como se muestra. No inserte aún el Brazo
Derecho en la Pata Derecha (26).
Aplique un poco de la grasa suministrada al eje
del lado derecho del Montante Vertical (4).
Deslice el Brazo Derecho (25) sobre el lado
derecho del Montante Vertical (4). Conecte el
Brazo Derecho con un Tornillo M8 x 18mm (109)
y una Arandela M8 (103).
Repita este paso para conectar el Brazo
Izquierdo (27) al Montante Vertical (4).
7. Aplique un poco de la grasa suministrada a un
Eje para el Brazo (93).
Inserte el Eje para el Brazo (93) en el Brazo de
Pedal Derecho (37), a través de un Espaciador
de Brazo (120) y en el Brazo de Rodillo Derecho
(39).
A continuación, apriete un Tornillo M10 x 20mm
(107) con una Arandela M10 (111) en cada
extremo del Eje para el Brazo (93) a la vez.
Repita este paso para conectar el Brazo
de Pedal Izquierdo (38) al Brazo de Rodillo
Izquierdo (40).
39
25
27
4
103 109
37
120
93
38 107
107
111
111
Grasa
Grasa
8
26
40

11
25
26
110
108
Orificios
Hexagonales
9. Inserte el Brazo Derecho (25) en la Pata
Derecha (26).
Conecte el Brazo Derecho (25) con dos Pernos
M8 x 38mm (108) y dos Contratuercas M8 (110).
Asegúrese de que las Contratuercas estén en
los orificios hexagonales.
Repita este paso para conectar el Brazo
Izquierdo (27) a la Pata Izquierda (no se
muestra).
10. Identifique una Cubierta A (31) y una Cubierta B
(32) y oriéntelas como se muestra.
Conecte la Cubierta B (32) al Brazo Derecho
(25) con dos Tornillos M4 x 16mm (97).
A continuación, presione la Cubierta A (31) sobre
la Cubierta B (32).
Repita este paso en el otro lado del entrena-
dor elíptico.
31
32
97
25
9
10
27
27
11
11. Identifique la Cubierta A de Brazo de Pedal
Derecho (41) y la Cubierta B de Brazo de Pedal
Derecho (42) y oriéntelas como se muestra.
Conecte la Cubierta B de Brazo de Pedal
Derecho (42) al Brazo de Pedal Derecho (37)
con dos Tornillos M4 x 16mm (97).
A continuación, presione la Cubierta A de Brazo
de Pedal Derecho (41) sobre la Cubierta B de
Brazo de Pedal Derecho (42).
Repita este paso en el otro lado del entrena-
dor elíptico.
41
97
37
42

12
4
8
12
13
12. Mientras otra persona sostiene la Consola (8)
cerca del Montante Vertical (4), conecte los
cables de la Consola al Cable Superior (116) y el
Alambre de Pulso (117).
Inserte el exceso de cable dentro del Montante
Vertical (4).
Clave: Evite pellizcar los cables. Conecte la
Consola (8) al Montante Vertical (4) con cuatro
Tornillos M4 x 16mm (97).
Evite pellizcar
los cables
116
97
117
13. Aplique a una toallita de papel una pequeña
cantidad de la grasa PTFE suministrada. Aplique
una capa delgada de la grasa PTFE unifor-
memente a lo largo de las Pistas Derecha e
Izquierda (11, 33) por las que se mueven los
Rodillos (48). A continuación, elimine el exceso
de grasa. 33
11
Grasa
PTFE
14
15. Asegúrese que todas las piezas estén apropiadamente apretadas antes de utilizar el entrenador elíp-
tico. Nota: Pueden incluirse componentes adicionales. Coloque un tapete debajo del entrenador elíptico para
proteger el piso.
14. Enchufe el Adaptador de Corriente (114) en la
toma de la armadura del entrenador elíptico.
Nota: Para enchufar el Adaptador de Corriente
(114) a un tomacorriente, vea CÓMO
ENCHUFAR EL ADAPTADOR DE CORRIENTE
en la página 13.
114
48

13
CÓMO ENCHUFAR EL ADAPTADOR DE CORRIENTE
IMPORTANTE: Si el entrenador elíptico ha sido
expuesto a bajas temperaturas, deje que alcance la
temperatura ambiente antes de enchufar el adapta-
dor de corriente. De lo contrario, las pantallas de la
consola u otros componentes electrónicos pueden
resultar dañados.
Enchufe el adapta-
dor de corriente en la
toma de la armadura
del entrenador elíp-
tico. A continuación,
enchufe el adaptador
de corriente a una
toma eléctrica adecua-
damente instalada que
cumpla con todas las
normas y ordenanzas
locales.
CÓMO MOVER EL ENTRENADOR ELÍPTICO
Debido al tamaño y peso del entrenador elíptico, se
requieren dos personas para moverlo. Párese frente
al entrenador elíptico, sostenga el montante vertical
y coloque un pie contra una de las ruedas. Tire del
montante vertical y haga que otra persona levante el
manubrio hasta que el entrenador elíptico ruede sobre
las ruedas. Con cuidado, mueva el entrenador elíptico
a la ubicación deseada y luego bájelo hasta el piso.
CÓMO NIVELAR EL ENTRENADOR ELÍPTICO
Si el entrenador
elíptico se mece
un poco durante
el uso, gire una o
ambas patas de
nivelación debajo
de la parte poste-
rior de la armadura
hasta eliminar el
movimiento.
CÓMO CAMBIAR LA INCLINACIÓN DE LA RAMPA
Para variar el movimiento de los pedales, puede
cambiar la inclinación de la rampa. Para elevar la
rampa, pulse el botón del pasador y tire del manubrio
de la rampa hacia arriba hasta el nivel de inclinación
deseado. A continuación, libere el botón del pasador y
encaje el pasador en uno de los orificios de ajuste de
la armadura. Asegúrese de que el pasador quede
firmemente encajado en uno de los orificios de
ajuste de la armadura.
Para bajar la rampa, pulse el botón del pasador, tire
del manubrio de la rampa y baje la rampa hasta el
nivel de inclinación deseado. A continuación, libere el
botón del pasador y encaje el pasador en uno de los
orificios de ajuste de la armadura. Asegúrese de que
el pasador quede firmemente encajado en uno de
los orificios de ajuste de la armadura.
Adaptador de Corriente
Tire del mon-
tante vertical
Coloque
su pie
aquí
Levante aquí
Patas de
Nivelación
Rampa
Manubrio
Botón
CÓMO USAR EL ENTRENADOR ELÍPTICO

14
CÓMO HACER EJERCICIO EN EL ENTRENADOR
ELÍPTICO
Para subir al entrenador elíptico, sujétese a las baran-
das o los brazos y párese sobre el pedal que está en
la posición más baja. Luego coloque el otro pie en
el otro pedal. Presione los pedales hasta que éstos
empiecen a moverse de manera continua. Nota: Los
pedales pueden girar en ambos sentidos. Se reco-
mienda que gire los pedales en el sentido indicado
por la flecha; sin embargo, para variar, puede girar
los pedales en sentido contrario.
Para bajarse del entrenador elíptico, espere hasta
que los pedales se detengan por completo. Nota: El
entrenador elíptico no tiene piñón libre; los peda-
les seguirán moviéndose hasta que el volante se
detenga. Cuando se hayan detenido los pedales, quite
primero el pie del pedal que esté más alto. A continua-
ción, quite el pie del pedal que esté más bajo.
Barandas
Brazos
Pedales

15
Carbon
ELPF05811
PFEL05811.0
DIAGRAMA DE LA CONSOLA
CARACTERÍSTICAS DE LA CONSOLA
La consola avanzada ofrece una serie de funciones
diseñadas para hacer sus entrenamientos más efecti-
vos y agradables.
Cuando use la función manual de la consola, podrá
ajustar la resistencia de los pedales con sólo tocar un
botón. Mientras hace ejercicio, la consola le proporcio-
nará información continua del ejercicio. Usted también
puede medir su ritmo cardíaco usando el monitor de
ritmo cardíaco del mango.
La consola también ofrece una selección de entrena-
mientos predefinidos. Cada entrenamiento predefinido
cambia automáticamente la resistencia de los pedales
a medida que lo guía en un entrenamiento efectivo.
También puede conectar su reproductor de MP3 o de
CD al sistema de sonido de la consola y escuchar su
música favorita o sus audiolibros mientras se ejercita.
Para usar la función manual, vea la página 16.
Para utilizar un entrenamiento predefinido, vea la
página 18. Para usar el sistema de sonido, vea la
página 19. Para utilizar la función de ajustes, vea
la página 19.

16
CÓMO USAR LA FUNCIÓN MANUAL
1. Encienda la consola.
Pulse cualquier botón o comience a pedalear para
encender la consola.
Al encender la consola, la pantalla se enciende.
Suena un tono y la consola está lista para su uso.
2. Seleccione la función manual.
Al encender la consola, se seleccionará la función
manual.
Si ha seleccionado un entrenamiento, reselec-
cione la función manual pulsando el botón Manual
Control (control manual).
3. Comience a pedalear y cambie la resistencia de
los pedales según desee.
A medida que pedalea, cambie
el nivel de resistencia de los
pedales pulsando los botones
para aumentar y disminuir
Resistance (resistencia).
Nota: Tras pulsar los botones, pasará cierto tiempo
antes de que los pedales alcancen el nivel de resis-
tencia seleccionado.
4. Siga su progreso en la pantalla.
Pantalla izquierda:
Esta pantalla puede
mostrar el tiempo
transcurrido y el número
aproximado de calo-
rías que ha quemado.
La pantalla alterna las funciones cada pocos
segundos.
Nota: Durante un entrenamiento predefinido, la
pantalla mostrará el tiempo de entrenamiento
restante.
La pantalla izquierda también muestra su ritmo
cardíaco al utilizar el monitor de ritmo cardíaco del
mango (vea el paso 5).
Pantalla central: Esta
pantalla muestra el nivel
de resistencia de los
pedales durante algu-
nos segundos cada vez
que cambia el nivel de
resistencia.
Esta pantalla también
mostrará una pista de
400 m (1/4 de milla). A
medida que realiza el
ejercicio, se mostrarán
indicadores en secuen-
cia alrededor de la pista hasta que se muestra toda
la pista. A continuación, la pista desaparece y los
indicadores comienzan a aparecer de nuevo en
secuencia.
Pantalla derecha: Esta
pantalla puede mos-
trar la distancia que ha
pedaleado en número
total de revoluciones y
su ritmo de pedaleo en
revoluciones por minuto (rpm). La pantalla alterna
las funciones cada pocos segundos.
Pista

17
5. Si lo desea, mida su ritmo cardíaco.
Si hay láminas de
plástico sobre los
contactos metá-
licos del monitor
de ritmo cardíaco
del mango, retire
los plásticos.
Además, asegú-
rese de que sus
manos estén lim-
pias. Para medir
su ritmo cardíaco, sostenga el monitor de ritmo car-
díaco del mango con las palmas apoyadas sobre
los contactos. Evite mover las manos o agarrar
los contactos con demasiada fuerza.
Cuando se detecta su pulso, un símbolo con forma
de corazón parpadea en la pantalla y después
se mostrará su ritmo cardíaco. Para lograr una
lectura de su ritmo cardíaco lo más precisa
posible, sujete los contactos durante al menos
15 segundos.
Si no se muestra su ritmo cardíaco, asegúrese
de que sus manos estén colocadas de la forma
descrita. Tenga cuidado para no mover demasiado
las manos ni agarrar los contactos con demasiada
fuerza. Para un rendimiento óptimo, limpie los con-
tactos con un paño suave; jamás utilice alcohol,
materiales abrasivos ni productos químicos
para limpiar los contactos.
6. Cuando usted termina de hacer ejercicio, la
consola se apaga automáticamente.
Si los pedales no se mueven durante varios
segundos, se emitirá una serie de tonos, la consola
cambia al estado de pausa y el tiempo parpadea
en la pantalla.
Si los pedales no se mueven durante varios minu-
tos, la consola se apaga y la pantalla se restablece.
Nota: La consola presenta una función de demos-
tración en pantalla diseñada para ser usada si
el entrenador elíptico está siendo exhibido en
algún establecimiento comercial. Si la función de
demostración está activada, la consola mostrará
una presentación predefinida. Para desactivar la
función de demostración, vea la sección FUNCIÓN
DE AJUSTES de la página 19.
Contactos

18
CÓMO UTILIZAR UN ENTRENAMIENTO
PREDEFINIDO
1. Encienda la consola.
Pulse cualquier botón o comience a pedalear para
encender la consola.
2. Seleccione un entrenamiento predefinido.
Para seleccionar un entrenamiento predefinido,
pulse el botón Calorie Workouts (entrenamientos
de calorías) o el botón Performance Workouts
(entrenamientos de rendimiento) repetidamente
hasta que el entrenamiento deseado aparezca en
la pantalla.
Cuando seleccione un entrenamiento predefinido,
la duración del entrenamiento se mostrará en la
pantalla izquierda y aparecerá un perfil de los nive-
les de resistencia del entrenamiento en la pantalla
central.
3. Comience a pedalear para iniciar el
entrenamiento.
Cada entrenamiento está dividido en segmentos de
un minuto. Cada segmento viene programado con
un nivel de resistencia y una velocidad objetivo.
Nota: Es posible programar el mismo nivel de resis-
tencia y/o la misma velocidad objetivo para varios
segmentos consecutivos.
Durante el entrenamiento, el perfil de entrena-
miento muestra sus progresos. El segmento
parpadeante del perfil representa el segmento
actual del entrenamiento. La altura del segmento
parpadeante indica el nivel de resistencia del seg-
mento actual.
Al final de cada segmento del entrenamiento se
emite una serie de tonos y el siguiente segmento
del perfil comienza a parpadear.
El nivel de resistencia del siguiente segmento
aparecerá en la pantalla central durante algunos
segundos para advertirle. A continuación, el nivel
de resistencia de los pedales cambiará.
El objetivo de velocidad del siguiente segmento
aparecerá en la pantalla derecha durante algunos
segundos para advertirle.
A medida que realiza el ejercicio, mantenga una
velocidad de pedaleo cercana a la velocidad
objetivo del segmento actual. IMPORTANTE: La
velocidad objetivo sólo tiene como fin propor-
cionar motivación. Su velocidad de pedaleo
actual puede ser más lenta que la velocidad
objetivo. Asegúrese de pedalear a una veloci-
dad que le resulte cómoda.
Si el nivel de resistencia para el segmento actual
es demasiado alto o bajo, usted puede modificar
manualmente la configuración pulsando los boto-
nes Resistance (resistencia). IMPORTANTE: Al
finalizar el segmento actual del entrenamiento,
los pedales se ajustarán automáticamente
al nivel de resistencia programado para el
siguiente segmento.
Si deja de pedalear durante varios segundos, se
emite una serie de tonos y el entrenamiento cam-
bia al modo de pausa.
Para reanudar el entrenamiento, simplemente
reanude el pedaleo. El entrenamiento continúa
hasta que el último segmento del perfil parpadee y
finalice el último segmento del entrenamiento.
4. Siga su progreso en la pantalla.
Vea el paso 4 en la página 16.
5. Si lo desea, mida su ritmo cardíaco.
Vea el paso 5 en la página 17.
6. Cuando usted termina de hacer ejercicio, la
consola se apaga automáticamente.
Vea el paso 6 en la página 17.
Perfil

19
CÓMO USAR EL SISTEMA DE SONIDO
Para reproducir música o audiolibros a través del
sistema de sonido de la consola, mientras realiza los
ejercicios, enchufe un cable de audio con ambos
extremos machos de 3,5 mm (no se incluye), en la
toma de la consola y en una toma de su reproductor
MP3, reproductor de CD u otro reproductor perso-
nal de audio; asegúrese de que el cable de audio
esté bien conectado. Nota: Para comprar un
cable de audio, visite la tienda de electrónica de su
localidad.
A continuación, pulse el botón de
reproducción de su reproductor
personal de audio. Ajuste el volu-
men utilizando los botones para
aumentar y disminuir el volumen
de la consola o el control correspondiente de su repro-
ductor personal de audio.
FUNCIÓN DE AJUSTES
La consola presenta una función de ajustes que le
permite ver información de uso de la consola y activar
o desactivar la función de demostración.
Para seleccionar la función de ajustes, pulse y
mantenga pulsado el botón Performance Workouts
(entrenamientos de rendimiento) durante unos segun-
dos hasta que la información de la función de ajustes
aparezca en la pantalla.
En la pantalla izquierda se mostrará el número total de
horas que se ha utilizado la consola desde la compra
del entrenador elíptico. La pantalla derecha mostrará
la distancia total que se ha pedaleado en el entrenador
elíptico.
La consola presenta una función de demostración en
pantalla diseñada para ser usada si el entrenador elíp-
tico está siendo exhibido en algún establecimiento co-
mercial. Mientras esté activada la función de demostra-
ción, la pantalla mostrará una presentación predenida
mientras no se esté usando. Si la función de demostra-
ción está activada, la pantalla derecha muestra la letra
“d.” Para activar o desactivar la función de demostra-
ción, pulse el botón de reducción de volumen.
Para salir de la función de ajustes, pulse el botón
Performance Workouts.

20
Inspeccione y apriete regularmente todas las piezas
del entrenador elíptico. Reemplace inmediatamente
cualquier pieza gastada.
Para limpiar el entrenador elíptico, use un paño
húmedo y una pequeña cantidad de jabón suave.
IMPORTANTE: Para evitar daños a la consola,
mantenga los líquidos lejos de ésta y evite que la
consola permanezca bajo la luz solar directa.
CÓMO ENGRASAR LAS PISTAS
Para un rendimiento óptimo, aplique una pequeña
cantidad de grasa PTFE a las pistas de la rampa cada
tres meses. Vea el paso de montaje 13 en la página
12 para obtener instrucciones.
SOLUCIÓN DE PROBLEMAS DE LA CONSOLA
Si la consola no muestra su ritmo cardíaco cuando
usted sujeta el monitor del ritmo cardíaco del mango, o
si el ritmo cardíaco que se muestra parece demasiado
alto o demasiado bajo, vea el paso 5 de la página
17.
Si necesita cambiar el adaptador de corriente,
llame al número de teléfono que aparece en la
portada de este manual. IMPORTANTE: Para evitar
daños en la consola, utilice únicamente un adapta-
dor de corriente homologado y suministrado por el
fabricante.
CÓMO AJUSTAR EL INTERRUPTOR DE LENGÜETA
Si la consola no muestra una información correcta,
debe ajustar el interruptor de lengüeta. Desenchufe en
primer lugar el adaptador de corriente.
Vea el dibujo que aparece abajo. Retire el Tornillo
con Collar M8 x 14mm (89), la Cubierta de Brazo de
Rodillo (58) y la Arandela M8 (no se muestra) del
Brazo de Rodillo Izquierdo (40).
Vea el paso de montaje 10 en la página 11. Retire
las Cubiertas A y B (31, 32) del Brazo Izquierdo (27).
Vea el paso 9 de montaje en la página 11. Retire
el Brazo Izquierdo (27) de la Pata Izquierda (28).
Vea el dibujo que aparece arriba. Retire el Brazo de
Rodillo Izquierdo (40), el Brazo de Pedal Izquierdo (38)
y la Pata Izquierda (28) del entrenador elíptico. A con-
tinuación, con un destornillador plano, apalanque con
suavidad el Disco (29) izquierdo para retirarlo.
89 58
40
29
28
38
MANTENIMIENTO Y PROBLEMAS

21
A continuación, busque el Interruptor de Lengüeta (60).
Gire la Polea (52) hasta que un Imán (86) se alinee
con el Interruptor de Lengüeta.
Afloje, sin quitarlos, los dos Tornillos M4 x 16mm (97)
indicados. Deslice el Interruptor de Lengüeta (60) para
acercarlo o alejarlo levemente del Imán (86) y reapriete
los Tornillos. A continuación, enchufe el adaptador
de corriente y balancee la Polea (52) hacia delante y
hacia atrás sólo lo suficiente como para que el Imán
pase repetidamente frente al Interruptor de Lengüeta.
Repita estas acciones hasta que la consola indique
una información correcta.
Cuando el interruptor de lengüeta esté correctamente
ajustado, desenchufe el adaptador de corriente.
Realice los pasos anteriores en orden inverso y
conecte de nuevo el disco izquierdo, el brazo de
pedal izquierdo, la pata izquierda y el brazo de rodillo
izquierdo. Luego, enchufe el adaptador de corriente.
CÓMO AJUSTAR LA CORREA DE MANEJO
Si los pedales resbalan mientras pedalea, incluso
cuando la resistencia está configurada al nivel máximo,
puede que la correa de manejo necesite ser ajustada.
Desenchufe en primer lugar el adaptador de
corriente. Vea el DIBUJO DE PIEZAS C en la página
27. Retire el Tornillo con Collar M8 x 14mm (89), la
Cubierta de Brazo de Rodillo (58) y la Arandela M8
(103) del Brazo de Rodillo Derecho (39).
Vea el paso de montaje 10 en la página 11. Retire
las Cubiertas A y B (31, 32) del Brazo Derecho (25).
Vea el paso 9 de montaje en la página 11. Retire
el Brazo Derecho (25) de la Pata Derecha (26).
Vea el DIBUJO DE PIEZAS C en la página 27 y el
DIBUJO DE PIEZAS B en la página 26. Primero,
retire el Brazo de Rodillo Derecho (39), el Brazo de
Pedal Derecho (37) y la Pata Derecha (26) del entrena-
dor elíptico.
A continuación, con un destornillador plano, apalan-
que con suavidad el Disco (29) derecho para retirarlo.
A continuación, retire todos los Tornillos (97, 98) de
los Protectores Derecho e Izquierdo (35, 36); asegú-
rese de anotar la ubicación de los Tornillos de los
distintos tamaños. Retire con suavidad el Protector
Derecho.
Ubique y afloje el Tornillo de Pivote (78). A continua-
ción, apriete el Tornillo de Ajuste (75) hasta que la
Correa de Manejo (113) quede tensa. A continuación,
apriete de nuevo el Tornillo de Pivote.
Cuando la correa de manejo esté tensa, realice los
pasos anteriores en orden inverso y conecte de nuevo
el protector derecho, el disco derecho, el brazo de
pedal derecho, la pata derecha y el brazo de rodillo
derecho. Luego, enchufe el adaptador de corriente.
75
78
113
97
60
86
52

22
Estas indicaciones le ayudarán a planificar su pro-
grama de ejercicios. Para información detallada sobre
los ejercicios consiga un libro acreditado o consulte
con su médico. Recuerde que una nutrición y un
descanso adecuados son esenciales para obtener
resultados satisfactorios.
INTENSIDAD DE LOS EJERCICIOS
Lo mismo si su objetivo es quemar grasa que si lo
es fortalecer su sistema cardiovascular, la clave para
alcanzar los resultados es hacer ejercicios con la
intensidad adecuada. Usted puede basarse en su
ritmo cardíaco para encontrar el nivel de intensidad
adecuado. El esquema que se presenta más abajo
muestra los ritmos cardíacos recomendados para que-
mar grasa y hacer ejercicios aeróbicos.
Para encontrar el nivel de intensidad adecuado,
busque su edad en la parte inferior del esquema (las
edades se redondean al múltiplo de 10 más cercano).
Los tres números que se listan encima de su edad
definen su “zona de entrenamiento.” El número más
pequeño es el ritmo cardíaco cuando se queme grasa,
el número intermedio es el ritmo cardíaco cuando se
quema la máxima cantidad de grasa y el número más
grande es el ritmo cardíaco cuando se realizan ejerci-
cios aeróbicos.
Quemar Grasa—Para quemar grasa eficientemente,
debe hacer ejercicios a un nivel de intensidad bajo
durante un periodo de tiempo mantenido. Durante
los primeros minutos de ejercicio su cuerpo utiliza las
calorías de los carbohidratos para obtener energía.
Sólo tras los primeros minutos de ejercicio su cuerpo
comienza a utilizar las calorías de grasa almacenada
para obtener energía. Si su objetivo es quemar grasa,
ajuste la intensidad de sus ejercicios hasta que el ritmo
cardíaco esté próximo al número más bajo de su zona
de entrenamiento. Para quemar la máxima cantidad
de grasa, realice los ejercicios con su ritmo cardíaco
cerca del número intermedio de su zona de
entrenamiento.
Ejercicios Aeróbicos—Si su objetivo es fortalecer su
sistema cardiovascular, debe realizar ejercicios aeróbi-
cos, una actividad que requiere grandes cantidades de
oxígeno durante periodos de tiempo prolongados. Para
realizar ejercicios aeróbicos ajuste la intensidad de sus
ejercicios hasta que su ritmo cardíaco esté próximo al
número más alto de su zona de entrenamiento.
GUÍAS DE ENTRENAMIENTO
Calentamiento—Comience estirando y ejercitando
ligeramente los músculos entre 5 y 10 minutos. El
calentamiento aumenta su temperatura corporal, su
frecuencia cardiaca y su circulación, preparándole para
los ejercicios.
Ejercicio en la Zona de Entrenamiento—Realice
ejercicios durante 20 a 30 minutos con su ritmo
cardíaco en su zona de entrenamiento. (Durante
las primeras semanas de su programa de ejerci-
cios no mantenga su ritmo cardíaco en su zona de
entrenamiento durante más de 20 minutos.) Respire
regularmente y profundamente mientras hace ejerci-
cios; nunca contenga la respiración.
Relajación—Termine con estiramientos entre 5 y 10
minutos. El estiramiento aumenta la flexibilidad de sus
músculos y le ayuda a evitar problemas posteriores al
ejercicio.
FRECUENCIA DE EJERCICIOS
Para mantener o mejorar su forma física, complete
tres sesiones de entrenamiento cada semana, con al
menos un día de descanso entre sesiones. Tras algu-
nos meses de ejercicio regular, puede completar hasta
cinco sesiones de entrenamiento cada semana si lo
desea. Recuerde, la clave para el éxito es hacer de los
ejercicios una parte regular y agradable de su vida
diaria.
GUÍA DE EJERCICIOS
PRECAUCIÓN: Antes de ini-
ciar éste o cualquier programa de ejercicios
consulte con su médico. Esto es especial-
mente importante para personas de edades
superiores a 35 años, o para aquellos que
hayan presentado problemas de salud.
El sensor de pulso no es un dispositivo
médico. Varios factores pueden afectar la
precisión de las lecturas del ritmo cardíaco.
El sensor de pulso está previsto sólo como
ayuda para los ejercicios, determinando las
tendencias generales de su ritmo cardíaco.

23
1 1 Armadura
2 1 Estabilizador Trasero
3 1 Estabilizador Delantero
4 1 Montante Vertical
5 1 Charola de Accesorios
6 1 Cubierta de la Bandeja
7 1 Inserto de Charola
8 1 Consola
9 2 Frontal de Mango de Pulso
10 1 Rampa
11 1 Pista Derecha
12 1 Cubierta de Estabilizador Trasero
13 1 Cubierta de Rampa
14 1 Inserto de Manubrio de Rampa
Izquierdo
15 1 Inserto de Manubrio de Rampa
Derecho
16 1 Botón
17 1 Palanca
18 1 Resorte
19 1 Pasador
20 1 Eje de Rampa
21 6 Tapa del Estabilizador
22 2 Rueda
23 1 Cubierta del Montante Vertical
24 2 Mango
25 1 Brazo Derecho
26 1 Pata Derecha
27 1 Brazo Izquierdo
28 1 Pata Izquierda
29 2 Disco
30 1 Cubierta del Protector
31 2 Cubierta A
32 2 Cubierta B
33 1 Pista Izquierda
34 1 Espaciador de Brazo de Manivela
Pequeño
35 1 Protector Derecho
36 1 Protector Izquierdo
37 1 Brazo de Pedal Derecho
38 1 Brazo de Pedal Izquierdo
39 1 Brazo de Rodillo Derecho
40 1 Brazo de Rodillo Izquierdo
41 1 Cubierta A de Brazo de Pedal
Derecho
42 1 Cubierta B de Brazo de Pedal
Derecho
43 1 Cubierta A de Brazo de Pedal
Izquierdo
44 1 Cubierta B de Brazo de Pedal
Izquierdo
45 1 Pedal Derecho
46 1 Pedal Izquierdo
47 4 Tapa de Brazo
48 2 Rodillo
49 2 Tapa de Pata
50 2 Brazo de la Manivela
51 1 Espaciador de Brazo de Manivela
Grande
52 1 Polea
53 1 Manivela
54 1 Espaciador de la Manivela
55 10 Cojinete Grande
56 2 Pata de Nivelación
57 4 Buje de Brazo de Rodillo
58 2 Cubierta de Brazo de Rodillo
59 5 Pata
60 1 Interruptor de Lengüeta/Cable
61 1 Motor de Resistencia
62 1 Abrazadera
63 1 Manubrio de Rampa
64 4 Buje de Brazo de Pedal
65 4 Buje de Brazo
66 1 Brazo Estable
67 1 Mecanismo Eddy
68 1 Eje de Mecanismo
69 2 Chaveta
70 2 Arandela de Brida
71 2 Tornillo de la Manivela
72 1 Contratuerca M4
73 2 Tornillo de Chaveta
74 2 Perno de Brazo de Manivela
75 1 Tornillo de Ajuste
76 1 Tornillo con Collar de Brazo Estable
77 1 Arandela M6
78 1 Tornillo de Pivote
79 4 Tornillo M8 x 12mm
80 2 Cojinete Pequeño
81 4 Buje de Rampa
82 1 Eje de Botón
83 4 Clip en E
84 1 Perno M4 x 20mm
85 12 Ajustador de Fricción/Tornillo
86 2 Imán
87 2 Espaciador de Mecanismo
88 4 Tornillo M8 x 16mm
89 2 Tornillo con Collar M8 x 14mm
90 2 Tornillo M6 x 35mm
91 2 Tornillo M6 x 14mm
92 6 Tornillo M6 x 12mm
93 2 Eje para el Brazo
94 2 Tornillo M4 x 38mm
N° Ctd. Descripción N° Ctd. Descripción
LISTA DE LAS PIEZAS Nº de Modelo PFEL05813.0 R0714A

24
95 8 Tornillo M4 x 25mm
96 1 Eje de Palanca
97 53 Tornillo M4 x 16mm
98 6 Tornillo M4 x 12mm
99 1 Tornillo de Tierra
100 4 Tornillo M4 x 10mm
101 2 Contratuerca de Brazo de Manivela
102 2 Contratuerca M10
103 8 Arandela M8
104 4 Tornillo M10 x 115mm
105 2 Perno M10 x 58mm
106 4 Tornillo M10 x 60mm
107 6 Tornillo M10 x 20mm
108 4 Perno M8 x 38mm
109 2 Tornillo M8 x 18mm
110 6 Contratuerca M8
111 6 Arandela M10
112 1 Cable de Corriente/Toma
113 1 Correa de Manejo
114 1 Adaptador de Corriente
115 1 Cable Inferior
116 1 Cable Superior
117 1 Alambre de Pulso
118 2 Reverso de Mango de Pulso
119 2 Tapa de Mango de Pulso
120 2 Espaciador de Brazo
121 2 Tornillo M6 x 62mm
* – Herramienta del Montaje
* – Paquete de Grasa Blanca General
* – Paquete de Grasa PTFE
* – Manual del Usuario
Nota: Las especificaciones están sujetas a cambios sin previo aviso. Para información de cómo solicitar piezas
de repuesto, vea la contraportada de este manual. *Estas piezas no están ilustradas.
N° Ctd. Descripción N° Ctd. Descripción

25
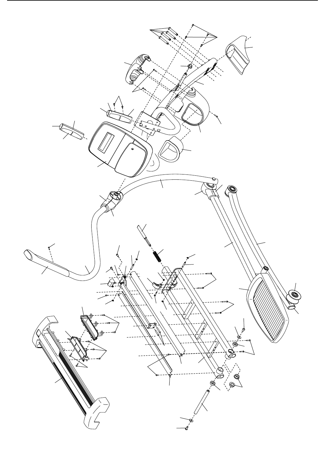
10
11
33
14
16
18
19
13
15
20
80
80
83
83
83
83
88
88
96
82
90
91
91
94
95
100
100
100
103
103
63
72
97
97
97
97
17
6
5
4
7
9
9
23
65
106
118
97
97
97
97
118
119
119
8
84
28
24
27
31
38
32
40
43
48
44
47
97
81
46
DIBUJO DE LAS PIEZAS A Nº de Modelo PFEL05813.0 R0714A

26
1
3
12
2
21
21
21
22
36
50
50
52
51
54
56
59
59 59
53
55
55
60
61
68
67
69
69
85
70
70
71
71
74
74
76 78
79
79
73
73
75
77
81
81
87
87
97
97
97
98
97
97
97
98 99
97
95
95
101
101
34
113
112
116
115
114
105
102
104
104
110
110
29
62
66
97
97
117
97
86
86
DIBUJO DE LAS PIEZAS B Nº de Modelo PFEL05813.0 R0714A

27
26
30
32
25
24
97
29
31
39
35
37
41
48
42
47
47
49
58
57
57
65
64
64
55
55
55
93
120
55
88
85
85
89
92
121
92
103
103
107
107
107
108
110
103
109
111
111
111
97
98 97
97
97
97
97
97
97
45
Nº de Modelo PFEL05813.0 R0714A
DIBUJO DE LAS PIEZAS C

Nº de Pieza 364833 R0714A Impreso en EE.UU. © 2014 ICON Health & Fitness, Inc.
ICON Health & Fitness, Inc. (ICON) garantiza que este producto esté libre de defectos en fabricación y
material, bajo el uso normal y condiciones normales de servicio. Se garantizan las piezas y la mano de
obra por un (1) año de la fecha de compra.
Esta garantía se extiende solo al comprador original. La obligación de ICON bajo esta garantía se limita a
la reparación y el reemplazo, que será la opción de ICON, del producto por medio de uno de los centros
de servicio autorizados. Todas las reparaciones por las cuales se hacen reclamos de garantía, deben
ser pre-autorizadas por ICON. Si el producto se envía a un centro de servicio, los cargos de envío desde
y hacia el centro de servicio serán la responsabilidad del cliente. El cliente será responsable de pagar
un cargo mínimo de envío por piezas de reemplazo enviadas mientras este producto está bajo la garan-
tía. El cliente será responsable por un cargo mínimo de viaje por servicios dados dentro del domicilio.
Esta garantía no se extiende a cualquier daño al producto causado durante el envió. Esta garantía será
automáticamente anulada si el producto se usa como modelo de demostración en una tienda, si no se
siguen todas las instrucciones en este manual, si se abusa el producto o si se usa inapropiadamente o
abnormalmente, o si se usa el producto con el propósito de comercio o renta. ICON no autoriza alguna
otra garantía, más allá de la que se presenta especícamente aquí.
ICON no es responsable o está obligado por daños indirectos, especiales, o como consecuencia que sur-
jan por o en conexión con el uso o el desempeño del producto; daños con respecto a pérdida económica,
pérdida de propiedad, pérdida de réditos o benecios, pérdida de poder disfrutar o usar, o costos de retiro
o instalación; u otros daños consecuentes de cualquier naturaleza.
La garantía que se extiende aquí reemplaza cualquier o todas las otras garantías, y cualquier garantía
insinuada por la promoción del producto para la venta o el bienestar físico para un propósito particular son
limitados en su alcance y duración de los términos que se exponen en ésta. Esta garantía le da derechos
legales especícos.
GARANTÍA LIMITADA
IMPORTANTE: Debe registrar este producto dentro de 30 días de la fecha de compra para evi-
tar cargos adicionales por servicio rendido bajo la garantía. Comuníquese al 01-800-681-9542 o
servicio@iconfitness.com, o vaya a la página de internet www.workoutwarehouse.com/registration.
Para ordenar piezas de repuesto, por favor vea la portada de este manual. Para ayudarnos a proporcionarle asis-
tencia, por favor esté listo para proporcionar la siguiente información cuando nos contacte:
• el número de modelo y el número de serie del producto (vea la portada de este manual)
• el nombre del producto (vea la portada de este manual)
• el número de la pieza y descripción de la (de las) pieza(s) de reemplazo (vea la LISTA DE LAS PIEZAS y el
DIBUJO DE LAS PIEZAS hacia el final de este manual)
CÓMO ORDENAR PIEZAS DE REPUESTO