Proform Pfel60440 785S Elliptical Users Manual NEL07940 203360
Proform-Pfel60440-Owner-S-Manual proform-pfel60440-owner-s-manual
2015-04-14
: Proform Proform-Pfel60440-785S-Elliptical-Users-Manual-700070 proform-pfel60440-785s-elliptical-users-manual-700070 proform pdf
Open the PDF directly: View PDF
.
Page Count: 24

ATTENTION
Lisez toutes les précautions et les
instructions contenues dans ce
manuel avant d’utiliser cet appa-
reil. Gardez ce manuel pour vous
yréférer ultérieurement.
Nº. du Modèle PFEL6044.0
Nº. de Série
Autocollant du
Numéro de Série
QUESTIONS?
En tant que fabricant nous nous
engageons à satisfaire notre
clientèle entièrement. Si vous
avez des questions ou si des
pièces sont manquantes,
veuilles-nous contacter au :
1-888-936-4266
du lundi au vendredi de 8h00 à
17h00, heure de l’est (exceptés
les jours fériés).
www.proform.com
Notre site internet
Notre site internet
w
MANUEL DE L’UTILISATEUR

TABLE DES MATIÈRES
PRÉCAUTIONS IMPORTANTES . . . . . . . . . . . . . . . . . . . . . . . . . . . . . . . . . . . . . . . . . . . . . . . . . . . . . . . . . . . . . .2
AVANT DE COMMENCER . . . . . . . . . . . . . . . . . . . . . . . . . . . . . . . . . . . . . . . . . . . . . . . . . . . . . . . . . . . . . . . . . . .3
ASSEMBLAGE . . . . . . . . . . . . . . . . . . . . . . . . . . . . . . . . . . . . . . . . . . . . . . . . . . . . . . . . . . . . . . . . . . . . . . . . . . . .4
COMMENT UTILISER L’APPAREIL ELLIPTIQUE . . . . . . . . . . . . . . . . . . . . . . . . . . . . . . . . . . . . . . . . . . . . . . . . .7
ENTRETIEN ET PROBLÈMES . . . . . . . . . . . . . . . . . . . . . . . . . . . . . . . . . . . . . . . . . . . . . . . . . . . . . . . . . . . . . . .19
CONSEILS DE MISE EN FORME . . . . . . . . . . . . . . . . . . . . . . . . . . . . . . . . . . . . . . . . . . . . . . . . . . . . . . . . . . . .20
LISTE DES PIÈCES . . . . . . . . . . . . . . . . . . . . . . . . . . . . . . . . . . . . . . . . . . . . . . . . . . . . . . . . . . . . . . . . . . . . . . .21
SCHÉMA DÉTAILLÉ . . . . . . . . . . . . . . . . . . . . . . . . . . . . . . . . . . . . . . . . . . . . . . . . . . . . . . . . . . . . . . . . . . . . . . .22
POUR COMMANDER DES PIÈCES DE RECHANGE . . . . . . . . . . . . . . . . . . . . . . . . . . . . . . . . . . .Dernière Page
GARANTIE LIMITÉE . . . . . . . . . . . . . . . . . . . . . . . . . . . . . . . . . . . . . . . . . . . . . . . . . . . . . . . . . . . . .Dernière Page
2
PRÉCAUTIONS IMPORTANTES
AVERTISSEMENT:Afin de réduire les risques de blessures graves, lisez les con-
seils importants dans ce manuel avant d’utiliser l’appareil elliptique.
1. Veuillez lire attentivement ce manuel de l’u-
tilisateur avant d’utiliser l’appareil elliptique.
2. Il est de la responsabilité du propriétaire de
s’assurer que tous les utilisateurs de l’ap-
pareil elliptique sont correctement informés
de toutes les précautions décrites dans ce
manuel.
3. L’appareil elliptique est conçu pour être util-
isé chez vous. L’appareil elliptique ne doit
pas être utilisé dans une institution commer-
ciale ou pour la location.
4. Placez l’appareil elliptique sur une surface
plane et sur un revêtement pour protéger
votre tapis ou sol. Utilisez et gardez l’ap-
pareil elliptique à l’intérieur, loin de l’humid-
ité et de la poussière.
5. Vérifiez et serrez fréquemment toutes les
pièces du vélo d’exercices. Remplacez
immédiatement les pièces usées.
6. Tenez les enfants de moins de 12 ans et les
animaux domestiques éloignés de l’appareil
elliptique.
7. L’appareil elliptique ne doit jamais être util-
isé par des personnes dont le poids est
supérieur à 115 kg (250 lbs.).
8. Portez des vêtements appropriés quand
vous utilisez l’appareil elliptique. Portez tou-
jours des chaussures de sport pour pro-
téger vos pieds.
9. Tenez les guidons quand vous montez ou
descendez de l’appareil elliptique et à
chaque fois que vous l’utilisez.
10. Gardez toujours votre dos bien droit quand
vous vous servez de l’appareil elliptique ;
n’arquez pas votre dos.
11. Cessez immédiatement vos exercices si
vous ressentez une douleur ou des étour-
dissements, et commencez des exercices de
retour à la normale.
12. Le capteur cardiaque n’est pas un appareil
médical. De nombreux facteurs tel que les
mouvements de l’utilisateur pendant l’exerci-
ce, peuvent rendre la lecture du rythme car-
diaque moins précise. Le capteur ne sert qu’à
donner une idée approximative des fluctua-
tions du rythme cardiaque lors de l’exercice.
13. Quand vous arrêtez de vous entraîner, lais-
sez les pédales ralentir jusqu’à l’arrêt com-
plet. L’appareil elliptique n’a pas de roue
libre ; les pédales continueront à se déplac-
er jusqu’à ce que le volant s’arrête.
ATTENTION:consultez votre médecin avant d’entreprendre un programme d’exerci-
ces. Ceci s’adresse plus particulièrement aux personnes âgées de plus de 35 ans ou aux personnes
ayant déjà eu des problèmes de santé. Lisez toutes les instructions avant de vous servir de l’ap-
pareil. ICON ne se tient aucunement responsable des blessures ou dégâts matériels résultant de
l’utilisation de cet appareil.

3
AVANT DE COMMENCER
Félicitations pour avoir choisi le nouveau PROFORM®
785 S appareil elliptique. Le PROFORM 785 S est un
appareil incroyablement confortable qui bouge vos
pieds d’une manière naturelle et elliptique, réduisant
l’impact sur vos genoux et vos chevilles. Le PRO-
FORM 785 S unique en son genre est équipé d’une
résistance flexible et d’inclinaison pour de meilleurs
résultats. Bienvenu au nouveau monde d’exercice de
mouvement elliptique et naturel de PROFORM.
Pour votre bénéfice, nous vous conseillons de lire
attentivement ce manuel avant d’utiliser l’appareil
elliptique. Si vous avez des questions concernant ce
produit, référez-vous à la page de couverture de ce
manuel. Pour mieux vous assister, notez le numéro du
modèle et le numéro de série de l’appareil avant de
nous appeler. Le numéro du modèle del’appareil ellip-
tique est le PFEL6044.0. Le numéro de série est
inscrit sur l’autocollant qui est collé sur l’appareil ellip-
tique (l’emplacement de l’autocollant est indiqué sur le
schéma en première page).
Nous vous suggérons d’étudier le schéma ci-dessous
et de vous familiariser avec les pièces avant de con-
tinuer à lire le manuel de l’utilisateur.
Porte Bouteille*
*La bouteille n’est pas incluse.
Guidon
Capteur Cardiaque de la Poignée
AVANT
ARRIÈRE
Roue
Pédale
Ventilateur
Bras du Corps
Supérieur
Console
Montant
Porte-Livre
Pied de Réglage
Jambe de la Pédale

4
ASSEMBLAGE
L’assemblage requiert deux personnes. Placez toutes les pièces de l’appareil elliptique sur une aire dégagée
et enlevez les emballages. Ne jetez pas les emballages avant d’avoir terminé l’assemblage.
En plus des clés hexagonales incluses, l’assemblage requiert vos tournevis cruciforme , et
maillet en caoutchouc .
Pendent que vous assemblez l’appareil elliptique utilisez le schéma des pièces ci-dessous pour identifier les
petites pièces utilisées dans l’assemblage. Le nombre entre parenthèses réfère au numéro de la pièce, de la
LISTE DES PIÈCES à la page 21. Le deuxième nombre fait référence à la quantité nécessaire pour l’assem-
blage. Remarque : certaines pièces sont déjà assemblées. Si vous ne pouvez pas trouver une pièce dans
le sac des pièces, vérifiez que la pièce n’est pas déjà assemblée.
Rondelle Fendue
de M10 (73)–6
Vis de M4 x
16mm (94)–8
Jeu de Boulons (65)–2
Écrou de Verrouillage
en Nylon de M10
(89)–2
Ecrou de
Blocage de M8
(97)–6
Vis en Bouton de
M8 x 44mm (84)–4 Boulon de Carrosserie de
M10 x 55mm (83)–2
Boulon en Bouton de
M8 x 41mm (98)–6
Boulon de Carrosserie
de M10 x 90mm (96)–2
Vis en Bouton de
M10 x 20mm (49)–6
Vis à Tête
Ronde de M4 x
16 mm (69)–1 Rondelle de
M10 (20)–2
1. Identifiez le Stabilisateur Avant (8). Pendant qu’une
deuxième personne soulève l’avant du Cadre (1),
attachez le Stabilisateur Avant au Cadre avec deux
Boulons de Carrosserie de M10 x 90mm (96) et deux
Écrous de Verrouillage en Nylon de M10 (89).
1
8
89
1
96

5
73
73
73
49
49
49
30
42
3
4
21
31
Graisse
2
98
3
22
29
25
26
69
98
97
29
Ne pincez pas les
groupements de fils
pendant cette étape.
1
2
97
2. Identifiez le Stabilisateur Arrière (6). Pendant qu’une
autre personne soulève légèrement l’arrière du Cadre
(1), attachez le Stabilisateur Arrière au Cadre avec le
Plaque de Support (64) et quatre Vis en Bouton de M8
x44mm (84).
3. Demandez à une seconde personne de tenir le
Montant (2) dans la position montrée.
Branchez le Groupement de Fils Supérieur (30) sur le
Groupement de Fils Inférieur (42). Insérez les con-
necteurs sur le Groupement de Fils dans le Montant
(2). Tirez doucement l’extrémité supérieure du
Groupement de Fils Supérieur pour éviter qu‘il y
ait du jeu dans les Groupements de Fils.
Glissez le Montant (2) sur le Cadre (1). Faites attention
d’éviter de pincer les Groupements de Fils (30, 42).
Attachez le Montant à l’aide de six Vis en Bouton de
M10 x 20mm (49) et six Rondelles Fendues de M10
(73). Faites attention de ne pas endommager les
Groupements de Fils avec les Vis en Bouton. Ne ser-
rez pas encore les Vis en Bouton complètment.
4. Appliquez une grande quantité de la graisse incluse
sur l’Essieu de Pivot (25). Insérez ensuite l’Essieu de
Pivot dans le Montant (2) et centrez-le. Appliquez à
nouveau de la graisse sur les deux extrémités de
l’Essieu de Pivot.
Glissez une Couvercle du Bras du Corps Supérieur (26)
sur le tube indiqué se trouvant sur un Bras du Corps
Supérieur (29). Ensuite, glissez le Bras du Corps
Supérieur et le Couvercle du Bras du Corps Supérieur
sur l’extrémité gauche de l’Essieu de Pivot (25).
Demandez à une deuxième personne de tenir le
Guidon Gauche (21) près du Montant (2). Faites gliss-
er une Couvercle du Guidon (31) sur l’extrémité
inférieure du Guidon Gauche.
Glissez l’extrémité supérieure du Guidon Gauche (21)
dans le tube à l’avant du Montant (2) tout en glissant
l’extrémité inférieure du Guidon Gauche dans l’Essieu de
Pivot (25). Attachez la partie supérieure du Guidon
Gauche à l’aide de deux Boulons en Bouton de M8 x
41mm (98) et deux Écrous de Blocage de M8 (97) ;
assurez-vous que les Écrous de Blocage sont placés
dans les trous hexagonaux sur le Guidon Gauche.
Attachez la partie inférieure du Guidon Gauche à l’aide
d’un Boulon en Bouton de M8 x 41mm (98) et d’un
Écrou de Blocage de M8 (97). Puis, enfoncez les
languettes situées sur le Couvercle du Guidon (31) dans
le Couvercle du Bras du Corps Supérieur (26).
Répétez cette étape avec l’autre Bras du Corps
Supérieur (29) et le Guidon Droit (22).
Placez les moitiés du Couvercle du Montant (3) autour
du tube à l’avant du Montant (2). Attachez le
Couvercle du Montant à l’aide d’une Vis à Tête Ronde
de M4 x 16mm (69).
2
6
64
1
84
84
Tube

6
6. Appliquez de la graisse sur le côté long du Jeu de
Boulons (65). Demandez à une deuxième personne
de tenir la partie inférieure du Bras du Corps
Superieur (29) gauche à l’intérieur du support de la
Jambe de la Pédale Gauche (4). Attachez le Bras
Superieur du Corps gauche sur la Jambe de la Pédale
Gauche à l’aide du Jeu de Boulons.
Identifiez la Pédale Gauche (10). Attachez la Pédale
Gauche sur la Jambe de la Pédale Gauche (4) à l’aide
d’un Boulon de Carrosserie de M10 x 55mm (83), une
Rondelle de M10 (20), et un Bouton de Réglage (72).
Remarque : la fente sur la Jambe de la Pédale
Gauche permet que la Pédale Gauche soit placés
comme décrit.
Répétez cette étape sur le côté droit de l’appareil ellip-
tique. Resserrez régulièrement les deux Boutons
de Réglage (72).
Référez-vous à l’étape 3. Serrez le Vis en Bouton de
M10 x 20mm (49).
4
10
72
20
83
65
6
65
29
7. La Console (17) requiert quatre piles de 1,5 V (D),
(non-incluses). Piles alkalines sont recommandées.
Enlevez les deux couvercles des piles de la Console.
Placez ensuite quatre piles dans le compartiment des
piles. Assurez-vous que les piles sont dans la posi-
tion illustrée sur les schémas dans le comparti-
ment des piles. Réattachez les couvercles des piles
sur la Console.
Attachez le Porte-Livre (99) sur la Console (17) à
l’aide de deux Vis de M4 x 16mm (94) comme illustré.
7
17
94
99
Piles
Couvercle
des Piles
Graisse
5. Attachez le Porte-Bouteille (70) sur le Montant (2) à
l’aide de deux Vis de M4 x 16mm (94). 5
2
70
94

7
COMMENT VOUS EXERCEZ AVEC L’APPAREIL
ELLIPTIQUE
Pour monter sur l’appareil elliptique, tenez le guidon
et montez sur la pédale qui est au niveau le plus
bas. Ensuite, mettez l’autre pied sur l’autre pédale.
Poussez les pédales jusqu’à ce qu’elle bougent
d’une manière continue.
Pour descendre de l’appareil elliptique, attendez
jusqu’à ce que les pédales soient complètement
arrêtées. L’appareil elliptique n’a pas de roue libre
;les pédales continueront à bouger jusqu’à ce
que le volant s’arrête. Quand les pédales sont à
l’arrêt, descendez en enlevant le pied de la pédale
supérieure d’abord. Ensuite, en enlevant le pied de la
pédale inférieure.
COMMENT UTILISER L’APPAREIL ELLIPTIQUE
Pédales
Guidons
9. Assurez-vous que toutes les pièces de l’appareil elliptique sont serrées correctement. Placez un tapis
sous l’appareil elliptique pour protéger votre sol. Remarque : il est possible qu’il y ait des pièces en trop.
8. Demandez à une deuxième personne de tenir la
Console (17) près du Montant (2). Branchez le
Groupement de Fils Supérieur (30) dans le groupe-
ment de fils sur la Console.
Minutieusement insérez tout excès de fils dans le
Montant (2). Attachez la Console (17) au Montant avec
quatre Vis de M4 x 16mm (94). (Remarque : les Vis
peuvent avoir été expédiées dans la boîte de la con-
sole.) Faites attention de ne pas pincer les fils.
17
2
94
94
94
Ne pincez pas
les fils durant
cette étape.
8
30

8
CARACTÉRISTIQUES DE LA CONSOLE
La console à la pointe de la technologie offre un éven-
tail de fonctionnalités conçues pour rendre vos exerci-
ces plus plaisants et efficaces. Lorsque le mode
manuel de la console est sélectionné, la résistance
des pédals d’exercice peut être réglée d’une pression
de bouton. Alors que vous vous pédalez, la console
vous fournira des renseignements continues sur vos
exercices. Vous pouvez aussi mesurer votre rythme
cardiaque en utilisant le détecteur cardiaque de la
poignée incorporé.
La console est aussi munie de huit programmes
préenregistrés. Chaque programme change la résis-
tance des pédals d’exercice et vous invite à aug-
menter ou diminuer votre cadence tout en vous
guidant lors d’un entraînement efficace.
La console est aussi munie de deux programmes de
pouls qui modifient la résistance de les pédales pour
garder votre rythme cardiaque proche de votre rythme
cardiaque cible quand vous vous entraînez.
La console est aussi équipée de la technologie
iFIT.com interactive. Avec la technologie iFIT.com,
c’est comme si vous aviez un entraîneur personnel
chez vous. En utilisant un câble audio (disponible
dans les magasins de matériel électronique), vous
pouvez brancher votre appareil elliptique sur votre
chaîne hi-fi, chaîne portable, ordinateur ou magnéto-
scope et utiliser les programmes iFIT.com sur CD ou
cassette-vidéo (les CD et cassette-vidéo iFIT.com sont
vendus séparément). Les programmes iFIT.com sur
CD ou cassette-vidéo contrôlent automatiquement
votre appareil elliptique et vous préviennent quand
vous guidant un entraîneur personnel tout an lors de
votre entraînement. De la musique dynamique vous
donne de la motivation supplémentaire. Pour acheter
des CD ou des vidéocassettes iFIT.com, appelez
gratuitement le numéro de téléphone sur la page
de couverture.
En branchant votre appareil elliptique sur votre ordina-
teur, vous pouvez aussi aller sur notre site Internet
www.iFIT.com et accéder directement aux pro-
grammes à partir d’Internet. Visitez www.iFIT.com
pour plus d’information.
Pour utiliser le mode manuel de la console, voir la
page 9. Pour utiliser un programme préenregistré,
voir la page 11. Pour utiliser un programme de con-
trôle du pouls, voir la page 12. Pour utiliser un pro-
gramme iFIT.com sur CD ou vidéocassette, voir la
page 17. Pour utiliser les programmes iFIT.com
directement depuis notre site Internet, voir la page 18.
DIAGRAMME DE LA CONSOLE

9
COMMENT UTILISER LE MODE MANUEL
Allumez la console.
Pour allumer la console, appuyez sur le bouton
Marche/Remise a Zéro ou commencez à pédaler.
(Le bouton Marche/Remise a zéro est près du
sommet de l’écran gauche.)
Remarque : si la console est recouverte d’un film
en plastique sur la face de la console, retirez-le.
Sélectionnez le mode manuel.
Quand la console
est allumée, le
mode manuel est
sélectionné
automatiquement.
Si vous avez
sélectionné un
programme, ou le mode iFIT.com, sélectionnez le
mode manuel en appuyant la touche du
Programme [program] à plusieurs reprises
jusqu’à ce qu’une piste apparaîsse dans l’écran
gauche. Assurez-vous que l’indication « iFIT »
n’apparaît pas à l’écran.
Commencez à pédaler et changez la résis-
tance des pédales comme vous le désirez.
Alors que vous
vous pédalez,
changez la résis-
tance des pédales
en pressant les
touches de
Résistance. Il y a
dix niveaux de résistance—le niveau 10 étant le
plus difficile. Remarque : l’appareil elliptique pren-
dra quelques secondes avant d’atteindre le
niveau de résistance choisi après que les touch-
es aient été pressées.
Suivez vos progrès grâce aux deux écrans.
Écran gauche—
Une piste
représentant un
quart de mile (400
m.) apparaîtra sur
la partie
supérieure de
l’écran gauche.
Alors que vous
vous entraînez, les indicateurs autour de la piste
s’allument à tour de rôle jusqu’à ce que toute la
piste soit allumée. La piste s’éteindra alors et les
indicateurs commenceront à nouveau à s’allumer
les uns après les autres. La partie inférieure de
l’écran gauche montre la cadence des pédales,
en tours par minute [RPM].
Écran droit—La
partie supérieur de
l’écran droit indique
la distance (nombre
total de tours) par-
courue en pédalant
et le nombre
approximatif de calories que vous avez brûlées.
L’écran changera d’un nombre à l’autre toutes les
quelques secondes. La partie supérieure de l’écran
affichera aussi votre fréquence cardiaque lorsque
vous utilisez le capteur cardiaque de la poignée
(référez-vous à l’étape 5 ci-dessous).
Le centre de
l’écran droit indi-
quera le temps
[TIME] écoulé.
Remarque : quand
un programme est
sélectionné (sauf
dans le cas du programme de contrôle du pouls
2) l’écran indiquera le temps qu’il reste au pro-
gramme au lieu du temps écoulé.
La partie inférieure
de l’écran droit
affichera le nou-
veau niveau de
résistance des
pédales.
Pour remettre les affichages à zéro, appuyez sur
la touche Allumer/Remise a Zéro.
Mesurez votre rythme cardiaque, si désiré.
Si les plaques
métalliques
sur les
poignées sont
recouvertes
d’un film de
plastique,
retirez-le.
Placez vos
mains sur le
capteur cardiaque de la poignée, la paume de
vos mains contre les plaques supérieurs et vos
doigts contre les plaques inférieurs. Évitez de
bouger les mains. Quand votre rythme car-
diaque est détecté, l’indicateur en forme de cœur
se trouvant dans la partie supérieur de l’écran
droit clignotera à chacun des battements de votre
cœur. Après quelques instants, un ou deux tirets
apparaîtront et votre pouls sera alors affiché.
5
4
3
2
1
Plaques

10
Pour une mesure plus exacte de votre rythme
cardiaque, gardez vos mains sur les contacts
pendant 30 secondes. Remarque : si vous con-
tinuez à tenir le détecteur cardiaque, l’écran droit
affichera votre rythme cardiaque pendant environ
30 secondes. L’écran affichera alors votre pouls
en même temps que les autres modes.
Si votre rythme cardiaque n’est pas indiquée,
assurez-vous que vos mains sont placés comme
décrit. Faites attention de ne pas bouger vos
mains excessivement ou faites attention de ne
pas serrer les contacts métalliques trop forts.
Pour une performance optimale, nettoyez
régulièrement les plaques en métal à l’aide d’un
chiffon doux ; n’utilisez jamais d’alcool, de pro-
duits abrasifs ou chimiques.
Allumez le ventilateur, si désiré.
Pour allumer le
ventilateur sur le
niveau le plus
bas, appuyez
une fois sur la
touche du venti-
lateur près du
sommet de
l’écran droit.
Pour que le ven-
tilateur tourne à une vitesse plus rapide, appuyez
sur la touche du ventilateur une deuxième fois.
Pour éteindre le ventilateur, appuyez sur la
touche une troisième fois. Remarque : si le venti-
lateur est allumé et les pédales ne sont pas
déplacées pendant à peu près quelques minutes,
le ventilateur s’éteindra automatiquement.
Faites tourner le bouton sur le côté droit de la
console pour faire pivoter le ventilateur à l’angle
désiré.
Quand vous avez fini de vous entraîner, la
console s’éteindra automatiquement.
Si les pédales ne sont pas déplacées pendant
quelques secondes, une série de tonalités reten-
tit, le centre de l’écran droit commencera à clig-
noter, et la console sera en suspens.
Si les pédales ne sont pas déplacées pendant à
peu près quelques minutes, la console s’éteindra
et les écrans se mettront à zéro.
7
6
Touche du
Ventilateur
Roue du Pouce

11
Allumez la console.
Référez-vous à l’étape 1 à la page 9.
Sélectionnez un des programmes préenreg-
istrés.
Pour sélectionner
un des huit pro-
grammes préen-
registrés, appuyez
sur la touche
Programme
plusiers fois
jusqu’à ce que le mot « PROGRAM »
(Programme) et le numéro 1, 2, 3, 4, 5, 6, 7, ou 8
apparaît sur l’écran gauche.
Lorsqu’un programme pré-programmé est sélec-
tionné, une matrice dans l’écran gauche indi-
quera les huit premiers réglages de résistance du
programme (référez-vous à l’illustration ci-
dessus). L’écran affichera la durée projetée du
programme.
Appuyez sur la touche Marche ou commencez
àpédaler pour lancer le programme.
Chaque programme est divisé en 20 ou 30 seg-
ments de une minute. Un arrangement de résis-
tance et un arrangement d’allure est programmé
pour chaque segment. Remarque : la même
résistance peut être programmée pour deux seg-
ments consécutifs ou plus.
Le réglage de la
résistance pour le
premier segment
s’affiche dans la
colonne cligno-
tante Segment en
Cours de la
matrice sur l’écran
gauche. Les réglages de résistance pour les sept
segments suivants seront affichées dans les
colonnes à droite.
Quand il ne reste plus que trois secondes avant la
fin du premier segment du programme, la colonne
du Segment en Cours et la colonne à sa droite
commenceront à clignoter, une série de tonalités
se fera entendre et les temps clignotera dans
l’écran droit. A la fin du premier segment, tous les
réglages des résistances se déplacent d’une
colonne vers la gauche. Le réglage de résistance
pour le deuxième segment sera alors affichée
dans la colonne du Segment Actuel et la résis-
tance des pédales changera automatiquement au
réglage de résistance pour le deuxième segment.
Le programme continuera ainsi jusqu’à ce que la
résistance pour le dernier segment soit affichée
dans la colonne du Segment en Cours et que le
dernier segment s’achève.
Remarque : durant le programme, vous pouvez
changer le niveau de résistance pour le segment
en cours en appuyant sur les boutons de
Résistance. Cependant, quand le prochain seg-
ment commence, la résistance changera automa-
tiquement si la résistance programmée pour le
segment different est suivant. Si vous vous
arrêtez de pédaler pendant plusieurs secondes,
une tonalité se fera entendre et le programme
sera suspendu. Pour relancer le programme,
recommencez tout simplement à pédaler.
Utilisez le guide de cadence de pédalage pour
doser vos exercices.
Tout au long du
programme, le
guide de cadence
dans la partie
supérieur de
l’écran gauche
vous invite à
accroître ou à
diminuer votre
cadence de
pédalage. Lorsque
l’une des flèches
s’illumine du côté
gauche du guide de cadence, augmentez votre
cadence; lorsque l’une des flèches s’illumine du
côté droit, diminuez la cadence. Lorsque la flèche
centrale s’illumine, conservez la cadence adop-
tée. Important : les guides de cadence sont là
pour vous motiver. Assurez-vous de vous
entraîner à une cadence qui vous est confort-
able.
Suivez vos progrès grâce aux deux écrans.
Référez-vous à l’étape 4 à la page 9.
Mesurez votre rythme cardiaque, si désiré.
Référez-vous à l’étape 5 à la page 9.
Allumez le ventilateur, si désiré.
Référez-vous à l’étape 6 à la page 10.
Quand vous avez fini de vous entraîner, la
console s’éteindra automatiquement.
Référez-vous à l’étape 7 à la page 10.
8
7
6
5
4
3
2
1
Segment en Cours
Matrice
COMMENT UTILISER UN PROGRAMME PRÉ-
ENREGISTRÉ

12
Le programme de contrôle du pouls 1 est conçu pour
garder votre pouls entre 60% et 85% de votre
rythme
cardiaque maximale
pendant votre entraînement.
Remarque : votre rythme cardiaque maximale est cal-
culée en soustrayant votre âge à 220. Par exemple, si
vous avez 30 ans, votre rythme cardiaque maximale
est de 190 (220 - 30 = 190).
Le programme de contrôle du pouls 2 vous permet de
maintenir votre rythme cardiaque proche d’une rythme
cardiaque cible sélectionnée.
Suivez les étapes ci-dessous pour utiliser un pro-
gramme de contrôle du pouls.
Allumez la console.
Référez-vous à l’étape 1 à la page 9.
Sélectionnez un des programmes de contrôle
du pouls [PULSE CONTROL].
Pour sélectionner
un des pro-
grammes de con-
trôle du pouls,
ppuyez la touche
Programme à
plusieurs reprise
jusqu’à ce que les mots « PULSE CONTROL »
(Contrôle du Pouls) et le numéro 1 ou 2 apparaît
sur l’écran gauche.
Lorsque le programme de contrôle du pouls 1 est
sélectionné, une matrice dans l’écran gauche
indiquera les huit premiers réglages de fréquence
cardiaque cible du programme (référez-vous à l’il-
lustration ci-dessus). L’écran droit affichera la
durée projetée du programme.
Si vous avez
sélectionné le pro-
gramme de con-
trôle du pouls 2,
un symbole en
forme de cœur
s’affiche à l’écran
gauche.
Si vous avez sélectionné le programme de
contrôle du pouls 1, allez à l’étape 3. Si vous
avez sélectionné le programme de contrôle du
pouls 2, allez à l’étape 4.
Enregistrez votre âge.
Lorsque le pro-
gramme de con-
trôle du pouls 1 est
sélectionné, les
mots « SET AGE »
(Entrer Âge) clig-
notera sur la partie
inférieure de l’écran droit. Vous devez entrer
votre âge pour pouvoir utiliser un programme de
contrôle du pouls. Si vous avez déjà entré votre
âge, appuyez sur la touche Entrer [enter] et allez
àl’étape 5. Si vous n’avez pas enregistré votre
âge, appuyez sur les touches + ou – à côté de la
touche Entrer pour sélectionner votre âge, puis
appuyez sur la touche Entrer. Remarque : une
fois votre âge enregistré, il sera sauvegardé dans
la mémoire.
Enregistrez un rythme cardiaque cible.
Lorsque le pro-
gramme de contrôle
du pouls 2 est
sélectionné, les
mots « SET RATE »
(Entrer Rythme
Cardiaque) clig-
notera sur la partie inférieure de l’écran droit. vous
devez entrer un rythme cardiaque cible pour utiliser
ce programme. (Reportez-vous au tableau du
rythme cardiaque de la page 20, pour des conseils
concernant le rythme cardiaque.) Pour entrer une
fréquence cardiaque cible, appuyez plusieurs fois
sur la touche + ou – à côté de la touche Entrer,
puis appuyez sur la touche Entrer.
Tenez le capteur cardiaque de la poignée.
Pour utiliser un programme de contrôle du pouls,
vous devez tenir le capteur cardiaque de la
poignée. Il n’est pas nécessaire de tenir les
poignées constamment durant le programme ;
cependant, vous devez tenir les poignées
régulièrement pour que le programme puisse
fonctionner correctement. Chaque fois que
vous tenez les poignées, gardez vos mains
sur les contacts métalliques pendant au
moins 30 secondes. Remarque : quand vous ne
tenez pas les poignées, les lettres « PLS » clig-
notera dans la partie supérieure de l’écran droit à
la place de votre rythme cardiaque.
5
4
3
2
1
Matrice
COMMENT UTILISER UN PROGRAMME DE
CONTRÔLE DU POULS

13
Appuyez sur la touche Marche ou com-
mencez à pédaler pour lancer le programme.
Programme de contrôle du pouls 1—Ce pro-
gramme est divisé en 20 segments d’une minute
chacun. Un rythme cardiaque d’objectif est pro-
grammé pour chaque segment. Remarque : le
même rythme cardiaque d’objectif peut être pro-
grammé pour deux segments consécutifs ou plus.
Le réglage de
rythme cardiaque
cible pour le pre-
mier segment sera
affichée dans la
colonne du
Segment en Cours
qui clignote sur la
matrice sur l’écran gauche. Le rythme cardiaque
d’objectif programmée pour les segments suivants
sera affichée dans les colonnes de droite.
Quand il ne reste plus que trois secondes avant
la fin du premier segment du programme, la
colonne du Segment en Cours et la colonne à sa
droite commenceront à clignoter, une série de
tonalités se fera entendre et les temps clignotera
dans l’écran droit. A la fin du premier segment,
toutes les réglages de rythmes cardiaque cibles
se déplaceront d’une colonne vers la gauche.
Le
réglage de rythme cardiaque cible pour le deux-
ième segment sera alors affichée dans la
colonne du Segment en Cours qui clignote.
Alors que vous pédalez, la console comparera, à
intervalles réguliers, votre rythme cardiaque au
rythme cardiaque cible programmé. Si votre
rythme cardiaque est trop lent ou trop rapide par
rapport au rythme cardiaque cible programmé, la
résistance des pédales augmentera ou diminuera
automatiquement pour ramener votre rythme car-
diaque près du rythme cardiaque cible.
Le programme continuera ainsi jusqu’à ce que le
réglage de rythme cardiaque cible pour le dernier
segment soit affiché dans la colonne du Segment
en Cours et que le dernier segment se termine.
Remarque : Au besoin, vous pouvez changer
manuellement le réglage de la résistance, si
desiré, en appuyant sur les touches Resistance.
Cependant, lorsque la console compare votre
rythme cardiaque au rythme cardiaque cible, la
résistance des pèdales peut changer automa-
tiquement. Si vous vous arrêtez de pédaler pen-
dant plusieurs secondes, une tonalité se fera
entendre et le programme sera suspendu. Pour
relancer le programme, recommencez tout sim-
plement à pédaler.
Programme de contrôle du pouls 2—Ce pro-
gramme est divisé en 60 segments d’une minute
chacun. Le même rythme cardiaque d’objectif est
programmé pour tous les segments. Remarque :
pour un entraînement plus court, arrêtez de vous
entraîner ou sélectionnez un programme différent
avant la fin du programme.
Parce que la même fréquence cardiaque cible
est programmée pour chaque segment, la
matrice n’apparaîtra pas dans l’écran gauche
pendant de programme.
Quand il ne reste plus que trois secondes avant
la fin du premier segment du programme, une
série de tonalités se fera entendre et le temps
clignotera sur l’écran droit.
Alors que vous pédalez, la console comparera, à
intervalles réguliers, votre rythme cardiaque au
rythme cardiaque cible programmé. Si votre
rythme cardiaque est trop lent ou trop rapide par
rapport au rythme cardiaque cible programmé, la
résistance des pédales augmentera ou diminuera
automatiquement pour ramener votre rythme car-
diaque près du rythme cardiaque cible.
Le programme continue jusqu’à ce qu’il ne reste
aucune valeur de temps affichée à l’écran droit.
Remarque : pour un entraînement plus court,
arrêtez de vous entraîner ou sélectionnez un pro-
gramme différent avant la fin du programme.
Remarque : Au besoin, vous pouvez changer
manuellement le réglage de la résistance, si
desiré, en appuyant sur les touches Resistance.
Cependant, lorsque la console compare votre
rythme cardiaque au rythme cardiaque cible, la
résistance des pèdales peut changer automa-
tiquement. Si vous vous arrêtez de pédaler pen-
dant plusieurs secondes, une tonalité se fera
entendre et le programme sera suspendu. Pour
relancer le programme, recommencez tout sim-
plement à pédaler.
Suivez vos progrès grâce aux deux écrans.
Référez-vous à l’étape 4 à la page 9.
Allumez le ventilateur, si désiré.
Référez-vous à l’étape 6 à la page 10.
Quand vous avez fini de vous entraîner, la
console s’éteindra automatiquement.
Référez-vous à l’étape 7 à la page 10.
9
8
7
6
Segment en Cours

14
Pour utiliser les CD iFIT.com, l’appareil elliptique doit
être branché sur votre lecteur de CD portable, votre
chaîne portable, votre chaîne hi-fi ou votre ordinateur
avec un lecteur de CD. Référez-vous aux pages 14 et
15 pour les instructions de branchement. Pour utiliser
les cassette-vidéo iFIT.com, l’appareil elliptique doit
être branché sur votre magnétoscope. Référez-vous à la
page 16 pour les instructions de branchement. Pour
utiliser les programmes iFIT.com directement depuis
notre site sur l’Internet, l’appareil elliptique doit être
branché sur votre ordinateur. Référez-vous à la page 15.
BRANCHEMENT DE VOTRE LECTEUR DE CD
PORTABLE
Remarque : si votre lecteur de CD a une prise linea
d’uscita [LINE OUT] et une prise cuffie [PHONES],
référez-vous aux instructions A ci-dessous. Si
votre lecteur de CD a seulement une prise, référez-
vous aux instructions B.
A. Branchez une des extrémités d’un câble stéréo
audio de 1/8” à 1/8” (en vente dans les magasins
d’électroniques) dans la prise sous la console.
Branchez l’autre extrémité du câble audio dans la
prise LINE OUT de votre lecteur de CD. Branchez
vos écouteurs dans la prise PHONES.
B. Branchez une des extrémités d’un câble stéréo
audio de 1/8” à 1/8” (en vente dans les magasins
d’électroniques) dans la prise sous la console.
Branchez l’autre extrémité du câble dans un adap-
tateur Y de 1/8” (en vente dans les magasins
d’électroniques). Branchez l’adaptateur Y dans la
prise PHONES de votre lecteur de CD. Branchez
vos écouteurs dans l’autre extrémité dans l’autre
côté de l’adaptateur Y.
BRANCHEMENT DE VOTRE STÉRÉO PORTABLE
Remarque : si votre stéréo a une prise uscita
audio [AUDIO OUT] de type RCA, référez-vous aux
instructions A ci-dessous. Si votre stéréo a une
prise linea d’uscita de 1/8”, référez-vous aux
instructions B. Si votre stéréo a seulement une
prise cuffie, référez-vous aux instructions C.
A. Branchez l’une des extrémités d’un des câbles
stereo audio de 1/8” à RCA (en vente dans les
magasins d’électroniques) dans la prise sous la
console. Branchez l’autre extrémité du câble audio
dans la prise AUDIO OUT de votre stéréo.
B. Référez-vous au dessin ci-dessus. Branchez une
des extrémités d’un câble stéréo audio de 1/8” à
1/8” (en vente dans les magasins d’électroniques)
dans la prise sous la console. Branchez l’autre
extrémité du câble audio dans la prise LINE OUT
de votre stéréo.
C. Branchez une des extrémités d’un câble stéréo
audio de 1/8” à 1/8” (en vente dans les magasins
d’électroniques) dans la prise sous la console.
Branchez l’autre extrémité du câble dans un adap-
tateur Yde 1/8” (en vente dans les magasins
d’électroniques). Branchez l’adaptateur Y dans la
prise PHONES de votre stéréo. Branchez vos écou-
teurs dans l’autre extrémité dans l’autre côté de
l’adaptateur Y.
BRANCHEMENT DE VOTRE LECTEUR DE CD,
MAGNÉTOSCOPE OU ORDINATEUR
A
LINE OUT
PHONES LINE OUT
PHONES
B
PHONES
PHONES
Câble
Audio Écouteurs
A
A
LINE OUT
PHONES LINE OUT
PHONES
B
PHONES
PHONES
Câble Audio
Adaptateur
en Y de 1/8”
Écouteurs
B
A
C
PHONES
LINE OUT
AUDIO OUT
RIGHT
LEFT
B
LINE OUT
Câble
Audio
A/B
A
C
PHONES
LINE OUT
AUDIO OUT
RIGHT
LEFT
B
LINE OUT
Câble Audio
C
Adaptateur
en Yde 1/8”
Écouteurs

15
BRANCHEMENT DE VOTRE STÉRÉO
Remarque : si votre stéréo a une prise linea d’us-
cita qui n’est pas utilisée, référez-vous aux
instructions A ci-dessous. Si la prise linea d’uscita
est déjà utilisée, référez-vous aux instructions B.
A. Branchez l’une des extrémités d’un des câbles
stereo audio de 1/8” à RCA (en vente dans les
magasins d’électroniques) dans la prise sous la
console. Branchez l’autre extrémité du câble dans
la prise LINE OUT de votre stéréo.
B. Branchez l’une des extrémités d’un des câbles
stereo audio de 1/8” à RCA (en vente dans les
magasins d’électroniques) dans la prise sous la
console. Branchez l’autre extrémité du câble audio
dans un adaptateur Y à RCA (en vente dans les
magasins d’électroniques). Ensuite, enlevez le fil
qui est déjà branché dans la prise LINE OUT qui
est sur votre stéréo et branchez-le dans le côté qui
n’est pas utilisé de l’adaptateur-Y.Branchez l’adap-
tateur-Y dans la prise LINE OUT de votre stéréo.
BRANCHEMENT DE VOTRE ORDINATEUR
Remarque : si votre ordinateur a une prise linea
d’uscita de 1/8”, référez-vous aux instructions A
ci-dessous. Si votre ordinateur a seulement une
prise cuffie, référez-vous aux instructions B.
A. Branchez une des extrémités d’un câble stéréo
audio de 1/8” à 1/8” (en vente dans les magasins
d’électroniques) dans la prise sous la console.
Branchez l’autre extrémité du câble audio dans la
prise LINE OUT de votre ordinateur.
B. Branchez une des extrémités d’un câble stéréo
audio de 1/8” à 1/8” (en vente dans les magasins
d’électroniques) dans la prise sous la console.
Branchez l’autre extrémité du câble dans un adap-
tateur Y de 1/8” (en vente dans les magasins
d’électroniques). Branchez l’adaptateur Y dans la
prise PHONES de votre ordinateur. Branchez vos
écouteurs ou speakers dans l’autre extrémité de
l’adaptateur Y.
B
A
CD
VCR
Amp
LINE OUT
LINE OUT
CD
VCR
Amp
LINE OUT
Câble
Audio
A
B
A
CD
VCR
Amp
LINE OUT
LINE OUT
CD
VCR
Amp
LINE OUT
Câble
Audio
Adaptateur en
Y à RCA
Câble Retirez de la
prise LINE OUT
B
A
PHONES
LINE OUT
B
Câble
Audio
A
A
PHONES
LINE OUT
B
Câble
Audio
B
Adaptateur
en Y de 1/8”
Écouteurs/Enceintes

16
BRANCHEMENT DE VOTRE MAGNÉTOSCOPE
Remarque : si votre magnétoscope a une prise
AUDIO OUT non-utilisé, référez-vous aux instruc-
tions A ci-dessous. Si la prise AUDIO OUT est déjà
utilisée, référez-vous aux instructions B. Si vous
avez une télévision avec un magnétoscope,
référez-vous aux instructions B. Si votre magnéto-
scope est branché à votre stéréo, référez-vous à la
BRANCHEMENT DE VOTRE STÉRÉO à la page 15.
A. Branchez l’une des extrémités d’un des câbles
stereo audio de 1/8” à RCA (en vente dans les
magasins d’électroniques) dans la prise sous la
console. Branchez l’autre extrémité du câble audio
la prise AUDIO OUT de votre magnétoscope.
B. Branchez l’une des extrémités d’un des câbles
stereo audio de 1/8” à RCA (en vente dans les
magasins d’électroniques) dans la prise sous la
console. Branchez l’autre extrémité du câble audio
dans un adaptateur Y à RCA (en vente dans les
magasins d’électroniques). Ensuite, enlevez le fil
qui est déjà branché dans la prise AUDIO OUT de
votre magnétoscope et branchez le fil dans le côté
qui n’est pas utilisé de l’adaptateur Y. Branchez
l’adaptateur Y dans la prise AUDIO OUT de votre
magnétoscope.
B
VIDEO AUDIO
ANT. IN
RF OUT
IN
OUT
CH
34
A
AUDIO OUT
RIGHT
LEFT
VIDEO AUDIO
ANT. IN
RF OUT
IN
OUT
CH
34
C
AUDIO OUT
RIGHT
LEFT
Câble
Audio
A
B
VIDEO AUDIO
ANT. IN
RF OUT
IN
OUT
CH
34
A
RIGHT
LEFT
C
AUDIO OUT
RIGHT
LEFT
Câble Audio
B
Câble retirez de la
prise AUDIO OUT
Adaptateur
Y à RCA

17
Pour utiliser les CD ou les vidéocassettes iFIT.com,
l’appareil elliptique doit être branché à votre lecteur de
CD portable, à votre stéréo portable, à votre stéréo, à
votre ordinateur avec lecteur de CD ou à votre mag-
nétoscope. Référez-vous au BRANCHEMENT DE
VOTRE LECTEUR DE CD, MAGNÉTOSCOPE OU
ORDINATEUR aux pages 14 à 16. Pour acheter des
CD ou des vidéocassettes iFIT.com, appelez gratu-
itement le numéro de téléphone sur la page de
couverture.
Suivez les étapes ci-dessous pour utiliser un pro-
gramme iFIT.com sur CD ou video.
Allumez la console.
Référez-vous à l’étape 1 à la page 9.
Sélectionnez le mode iFIT.com.
Pour sélectionner
le mode iFIT.com,
appuyez sur la
touche
Programme
jusqu’à ce que les
lettres « iFIT »
apparaissent sur l’écran gauche.
Insérez le CD ou la vidéocassette iFIT.com.
Si vous utilisez un CD iFIT.com, insérez le CD
dans votre lecteur de CD. Si vous utilisez une
vidéocassette iFIT.com, insérez la vidéocassette
dans votre magnétoscope.
Appuyez sur le bouton play sur votre lecteur
de CD ou sur votre magnétoscope.
Un moment après que le touche a été pressé,
votre entraîneur personnel commencera à vous
guider tout au long de votre entraînement. Suivez
simplement les instructions de votre entraîneur
personnel.
Le programme fonctionnera presque toujours de
la même manière en tant que programme préen-
registré (reportez-vous à les étapes 3 et 4 à la
page 11). Cependant, un « sifflement » électron-
ique vous indiquera lorsque le réglage de la
résistance des pédales et/ou le réglage de la
cadence sont sur le point de changer.
Remarque : Si la résistance des pédales et/ou
le réglage de la cadence ne changent pas
lorsqu’un « sifflement » est entendu :
•Assurez-vous que les lettres « iFIT » appa-
raissent sur l’écran gauche.
•Ajustez le volume de votre lecteur de CD ou
de votre magnétoscope. Si le volume est trop
élevé ou trop bas, la console ne pourrait pas
détecter les signaux du programme.
•Assurez-vous que le câble audio soit cor-
rectement branché et qu’il soit complètement
branché.
Suivez vos progrès grâce aux deux écrans.
Référez-vous à l’étape 4 à la page 9.
Mesurez votre rythme cardiaque, si désiré.
Référez-vous à l’étape 5 à la page 9.
Allumez le ventilateur, si désiré.
Référez-vous à l’étape 6 à la page 10.
Quand vous avez fini de vous entraîner,la
console s’éteindra automatiquement.
Référez-vous à l’étape 7 à la page 10.
8
7
6
5
4
3
2
1
UTILISATION DES PROGRAMMES DES CD ET
VIDÉOS IFIT.COM

18
UTILISATION DES PROGRAMMES DIRECTE-
MENT DEPUIS NOTRE SITE SUR L’INTERNET
Notre site Internet www.iFIT.com vous permet d’utiliser
des programmes audio et vidéo iFIT.com directement
depuis l’internet. Pour utiliser les programmes de
notre site sur l’Internet, le vélo d’exercice doit être
branché sur votre ordinateur. Référez-vous à
BRANCHEMENT DE VOTRE ORDINATEUR à la
page 15. En plus, vous devez avoir une connexion
Internet et un fournisseur d’accès Internet. Vous trou-
verez les détails des configurations minimales requis-
es sur notre site Internet.
Suivez les étapes ci-dessous pour utiliser un pro-
gramme depuis notre site Internet.
Allumez la console.
Référez-vous à l’étape 1 à la page 9.
Sélectionnez le mode iFIT.com.
Pour sélectionner
le mode
iFIT.com,
appuyez sur la
touche
Programme
jusqu’à ce que
les lettres « iFIT » apparaissent sur l’écran
gauche.
Allez à votre ordinateur et commencer un
branchement sur l’internet.
Commencez votre web browser si néces-
saire, et allez à notre site sur l’Internet à
www.iFIT.com.
Suivez les liens désirés de notre site sur
l’Internet pour sélectionner un programme.
Lisez et suivez les instructions en ligne pour
utiliser un programme.
Suivez les instructions sur l’affichage pour
commencer le programme.
Quand vous commencez le programme, un
compte à rebours commencera sur votre écran.
Retournez au vélo d’exercice et commencez à
pédaler.
Lorsque le compte à rebours sur l’écran est ter-
miné, le programme commencera. Le pro-
gramme fonctionnera presque de la même
manière qu’un programme pré-enregistré
(référez-vous à les étapes 3 et 4 de la page 11).
Cependant, un son électronique « bip » vous
avertira lorsque la résistance des pédales et/ou
la cadence est sur le point de changer.
Suivez vos progrès grâce aux deux écrans.
Référez-vous à l’étape 4 à la page 9.
Mesurez votre rythme cardiaque, si désiré.
Référez-vous à l’étape 5 à la page 9.
Allumez le ventilateur, si désiré.
Référez-vous à l’étape 6 à la page 10.
Quand vous avez fini de vous entraîner,la con-
sole s’éteindra automatiquement.
Référez-vous à l’étape 7 à la page 10.
11
10
9
8
7
6
5
4
3
2
1

19
Vérifiez et vissez toutes les pièces de l’appareil ellip-
tique régulièrement. Remplacez toute pièces usées
immédiatement.
PROBLÈMES AVEC LE DETECTEUR CARDIAQUE
Si le moniteur cardiaque de la poignée ne fonctionne
pas correctement, référez-vous à l’étape 5 à la page 9.
PROBLEMES AVEC LA CONSOLE
Si se remise à zéro les écrans de la console en
lancer le ventilateur, ou si les écrans perdent de leur
luminosité, les piles devraient être remplacées. La
plupart des problèmes de console sont causés par les
piles. Référez-vous à l’étape 7 de la page 6 pour des
instructions concernant le remplacement des piles.
COMMENT NIVELER L’APPAREIL ELLIPTIQUE
Si l’appareil
elliptique
bouge avec un
mouvement de
balancement
pendant l’utili-
sation, tournez
l’un ou les
deux pieds de
nivellement en
dessous du
stabilisateur
arrière jusqu’ àce que le mouvement de balancement
soit éliminé.
COMMENT DÉPLACER L’APPAREIL ELLIPTIQUE
Placez-vous devant l’appareil elliptique, tenez le
guidon fermement et placez un pied contre une des
roues. Tirez le guidon jusqu’à ce que l’appareil ellip-
tique puisse être déplacé sur ses roues puis déplacez
doucement l’appareil jusqu’à l’endroit désiré. Placez
ensuite un pied contre une roue, et baissez l’appareil
elliptique. De par la taille et le poids de l’appareil ellip-
tique, il est recommandé de faire très attention en le
déplaçant et en le baissant.
ENTRETIEN ET PROBLÈMES
Pied de
Réglage
Guidons
Roue

20
CONSEILS DE MISE EN FORME
Les exercices suivants vous aideront à organiser
votre programme d’exercices. Rappelez-vous qu’une
bonne alimentation et qu’un repos adéquat sont
essentiels pour de bons résultats.
INTENSITÉ DE L’ENTRAÎNEMENT
Que votre but soit de brûler de la graisse ou de forti-
fier votre système cardiovasculaire, la clé pour obtenir
les résultats désirés est de s’entraîner à une intensité
correcte. Le niveau d’intensité correct peut être trouvé
en utilisant votre pouls comme point de repère. Le
tableau ci-dessous indique le pouls recommandé pour
brûler de la graisse et pour les exercices aérobics.
Pour mesurer votre pouls approprié, d’abord trouvez
l’âge au bas du tableau (les âges par dizaine). Ensuite
trouvez les trois nombres au-dessus des âges. Les
trois nombres définissent votre “zone d’entraînement”.
Les deux nombres inférieurs sont les pouls recom-
mandés pour brûler de la graisse ; le nombre supé-
rieur est recommandé pour les exercices aérobics.
Brûler de la Graisse
Pour brûler de la graisse effectivement vous devez
vous exercer à une intensité relativement basse pen-
dant une longue période. Durant les premières
minutes d’exercice, votre corps utilise des calories
d’hydrate de carbone,
facilement accessibles comme
source d’énergie. Après quelques minutes seulement,
votre corps commence à utiliser des
calories de grais-
se
en réserve comme source d’énergie. Si votre but
est de brûler de la graisse, ajustez la vitesse et l’incli-
naison du tapis roulant jusqu’à ce que votre pouls
s’approche du nombre inférieur de votre
d’entraînement.
Pour brûler un maximum de graisse, ajustez la vites-
se et l’inclinaison du tapis roulant jusqu’à ce que votre
pouls soit près du nombre du milieu de votre zone
d’entraînement.
Exercice Aérobics
Si votre but est de fortifier votre système cardiovascu-
laire, votre entraînement devrait être aérobic.
L’exercice aérobic requiert de large quantité d’oxygè-
ne durant une période de temps prolongée. Ceci aug-
mente la demande de sang que le coeur doit pomper
vers les muscles, et la quantité de sang que les pou-
mons doivent oxygéner. Pour un entraînement aéro-
bic, réglez l’intensité de votre exercice jusqu’à ce que
votre pouls est proche du nombre supérieur de votre
zone d’entraînement.
GUIDE D’EXERCICES
Chaque entraînement devrait inclure ces trois étapes :
Échauffement, commencez chaque entraînement
avec 5 à 10 minutes d’étirements et d’exercices
légers. Un échauffement correct élève la température
de votre corps, augmente votre fréquence cardiaque,
ainsi que la circulation pour vous préparer à l’entraî-
nement.
Exercices dans la Zone d’Entraînement, après
vous être échauffé, augmentez l’intensité de vos exer-
cices jusqu’à ce que votre pouls soit dans votre zone
d’entraînement pendant 20 à 30 minutes. (Durant les
premières semaines d’exercices, ne maintenez pas
votre pouls dans votre zone d’entraînement pendant
plus de 20 minutes).
Exercices de Retour à la Normal, finissez chaque
entraînement avec 5 à 10 minutes d'étirements pour
revenir à la normal. Cela augmentera la flexibilité de
vos muscles et vous aidera à prévenir les problèmes
qui surviennent après l’exercice.
FRÉQUENCE DES ENTRAÎNEMENTS
Pour maintenir ou améliorer votre forme physique,
faites trois entraînements par semaine, avec au moins
un jour de repos entre chaque entraînement. Après
quelques mois, vous pouvez entreprendre jusqu’à
cinq entraînements par semaine si vous le désirez.
Rappelez-vous que la clé du succès d’un programme
d’exercice repose avant tout sur la régularité.
ATTENTION : avant de com-
mencer ce programme d’exercices ou un
autre, veuillez consulter votre médecin. Ceci
est tout particulièrement important pour les
personnes âgées de plus de 35 ans ou celles
ayant déjà eu des problèmes de santé.
Le capteur cardiaque n’est pas un appareil
médical. De nombreux facteurs tel que les
mouvements de l’utilisateur pendant l’exerci-
ce peuvent rendre la lecture du pouls moins
précise. Le capteur ne sert qu’à donner une
idée approximative des fluctuations de pouls
lors de l’exercice.

21
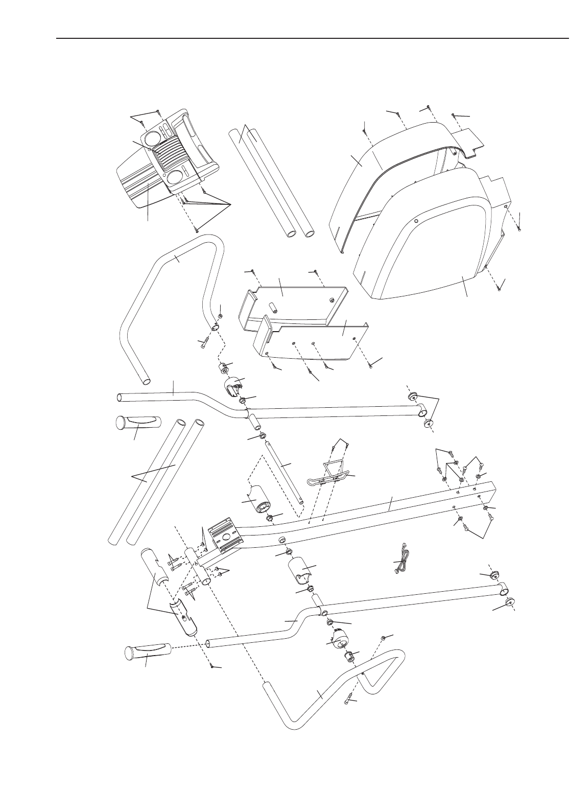
1 1 Cadre
2 1 Montant
3 1 Couvercle du Montant
4 1 Jambe de la Pédale Gauche
51Jambe de la Pédale Droite
6 1 Stabilisateur Arrière
7 1 Couvercle du Stabilisateur Arrière
81 Stabilisateur Avant
9 2 Embout du Stabilisateur Avant
10 1 Pédale Gauche
11 1 Pédale Droite
12 4 Bague du Bras du Corps Supérieur
13 2 Vis à Tête Ronde de M4 x 19mm
14 6 Bague du Bras du Corps Supérieur
15 1 Panneau Latéral Gauche
16 1 Panneau Latéral Droit
17 1 Console
18 1 Couvercle Droit du Volant
19 1 Couvercle Gauche du Volant
20 2Rondelle de M10
21 1 Guidon Gauche
22 1 Guidon Droit
23 2 Embout du Bras du Corps Supérieur
Gauche
24 2 Mousse du Bras du Corps Supérieur
25 1 Essieu de Pivot
26 2 Couvercle du Bras du Corps Supérieur
27 1Couvercle du Cadre
28 2 Rondelle Petite de M8
29 2Bras du Corps Supérieur
30 1 Groupement de Fils Supérieur
31 2 Couvercle du Guidon
32 1 Aimant « C »
33 1 Support du Aimant
34 1Bras de la Manivelle Gauche
35 2 Bague d’Espacement de la Poulie de
29.5mm
36 1 Volant
37 1 Aimant
38 1 Poulie
39 1 Courroie
40 2 Roue
41 2 Vis de Raccordement de M8 x 19mm
42 1Groupement de Fils Inférieur
43 1 Manivelle
44 2Palier de la Manivelle
45 1 Tendeur
46 2 Pied
47 2 Bague du Guidon
48 3Vis Autoperçante de M4 x 25mm
49 6 Vis en Bouton de M10 x 20mm
50 2 Guidon en Mousse
51 4Bague de la Jambe de la Pédale
52 1 Moteur de la Résistance
53 1 Support du Capteur Magnétique
54 1 Attache
55 1 Capteur Magnétique/Fil
56 1 Ressort de Retour
57 1 Tige de Guide
58 1 Assemblage du Câble de la
Résistance
59 1 Bague du Volant
60 2 Palier du Volant
61 2 Boulon avec Oeillet
62 2 Support de Réglage
63 2 Vis en Bouton de M8 x 47mm
64 1 Plaque de Support
65 2 Jeu de Boulons
66 2 Rondelle de M8
67 2 Boulon en Bouton de M10 x 60mm
68 1 Bague d’Espacement du Volant
69 3 Vis à Tête Ronde de M4 x 16 mm
70 1 Porte Bouteille
71 1 Vis Autoperçante de M8
72 2Bouton de Réglage
73 6 Rondelle Fendue de M10
74 1 Vis en Bouton de M8 x 25mm
75 1 Boulon en Bouton de M10 x 19mm
76 1 Bras de la Manivelle Droite
77 2 Écrou de M5
78 4 Boulon de M5 x 16mm
79 4 Rondelle de M5
80 2Boulon de M6 x 18mm
81 1 Boulon de M6 x 25mm
82 2 Vis à Collerette de 5/16” x 25mm
83 2 Boulon de Carrosserie de M10 x
55mm
84 4 Vis en Bouton de M8 x 44mm
85 2 Bague d’Espacement de la Poulie de
31,5mm
86 4 Écrou de Verrouillage en Nylon de M5
87 4 Vis de M4 x 38mm
88 3 Écrou de Verrouillage en Nylon de M8
89 5 Écrou de Verrouillage en Nylon de
M10
90 3 Écrou de M6
91 2 Écrou de Verrouillage en Nylon de M6
92 2 Bague-Attache
93 2Vis en Bouton de M8 x 54mm
94 18 Vis de M4 x 16mm
95 4Vis de M4 x 19mm
96 2 Boulon de Carrosserie de M10 x
90mm
97 6 Écrou de Blocage de M8
98 6Boulon en Bouton de M8 x 41mm
99 1 Porte-Livre
# 1 Graisse
#1Clé Hexagonale
#1 Manuel de l’Utilisateur
N°. Qté. Description N°. Qté. Description
LISTE DES PIÈCES—Nº. du Modèle PFEL6044.0 R0506A
Remarque : « # » indique une pièce non-dessinée. Les caractéristiques peuvent être modifiées sans notification.
Référez-vous au dos de ce manuel pour commander des pièces de remplacement.

22
17
69
94
94
2
26
26
19
18
15
94 94
94
48
94
94
16
30
50
48
69
24
29
14
14
29
23
48
94
12
12
12
3
73 73
73
73
49 49
49
23
14
14
14
14
98
97
98
97
98
98
97
97
69
47
31
25
70
31 47
22
21
94
99
94
SCHÉMA DÉTAILLÉ—Nº. du Modèle PFEL6044.0 R0506A

23
7
6
46
84
84
64
87
87
46
54
55 94
94
58
91
53
78
86
78
56
57
77 90
81
80
32
88
44
92 76
82
51 51
66 41
5
65
65
11
27 95
13
95
10
88 71 60
90 61
62 37
36
60
59 68 88
61
62
90
82
34
85
35
38 63
89
45
92
75
44
63
43 74
1
33
52
79
79
93
93
35
42
94
39
72
65 65
4
41 66 51
51
72
83
83
20
20
28
28
9
8
40
67
67
89
9
96
89

Nº. de Pièce 239699 R0506A Imprimé en Canada © 2006 ICON IP, Inc.
POUR COMMANDER DES PIÈCES DE RECHANGE
Pour commander des pièces de rechange, voir la page couverture de ce manuel. Merci de nous fournir les ren-
seignements suivants :
•le NUMÉRO DE MODÈLE de ce produit (PFEL6044.0)
•le NOM de ce produit (appareil elliptique PROFORM 785 S)
•le NUMÉRO DE SÉRIE de ce produit (référez-vous à la couverture de ce manuel)
• le NUMÉRO et la DESCRIPTION de la pièce/des pièces (référez-vous aux pages 21 a 23)
GARANTIE LIMITÉE
ICON OF/DUCANADA INC, (ICON), garantit ce produit contre tout défaut de fabrication et de matière pre-
mière sous des conditions d’usage normales pendant quatre-vingt-dix (90) jours à compter de la date
d’achat. Cette garantie ne s’applique qu’au premier acquéreur. L’obligation d’ICON en vertu des clauses
de cette garantie est limitée, à sa discrétion, au remplacement ou à la réparation du produit dans un des
centres de service autorisés. Tout produit défectueux doit être livré ou expédié port-payé à l’un des cen-
tres de service autorisés ICON accompagné d’une preuve d’achat. Tout retour de marchandise doit être
préalablement autorisé par ICON. La présente garantie ne couvre pas le produit dans le cas de dom-
mages subis durant le transport, de dommages causés suite à un emploi abusif ou inapproprié ou dans
le cas de réparations non effectuées par un centre de service autorisé ICON, les produit utilisés à des
fins commerciales ou de location ou les produits qui servent de démonstrateurs. Aucune autre garantie
que celle qui est expressément expliquée précédemment ne sera autorisée par ICON.
ICON ne pourra être tenu responsable d’aucun dommage indirect, spécial ou accessoire résultant ou
ayant trait à l’utilisation ou au fonctionnement du produit, aux pertes d’argent, de biens, de revenus ou de
profits, aux pertes de jouissance, aux frais de déménagement, d’installation ou à tous dommages acces-
soires de quelque nature qu’ils soient. Dans certaines provinces, il est interdit d’exclure ou de restreindre
la responsabilité pour les dommages indirects ou accessoires de sorte que la restriction qui précède pour-
rait ne pas s’appliquer dans certains cas.
La présente garantie remplace toutes les garanties dont notamment les garanties implicites de valeur
marchande ou d’aptitude à un usage et est limitée dans sa durée et sa portée par les clauses spécifiques
contenues dans la présente garantie. Certaines provinces n’autorisent pas la restriction de la durée d’une
garantie de sorte que la restriction qui précède pourrait ne pas s’appliquer dans certains cas ou spécifiés
par votre détaillant d’équipement de sports.
Cette garantie vous confère des droits légaux spécifiques. Vous pouvez avoir d’autres droits qui peuvent
varier d’une province à l’autre ou spécifier par votre détaillant d’équipement de sports.
ICON DU CANADA Inc., 900 de l‘Industrie, St-Jérôme, QC, J7Y 4B8