Proform Pfel979100 Owner S Manual 285430
Proform-Pfel979100-900-Zne-Elliptical-Users-Manual-700152 proform-pfel979100-900-zne-elliptical-users-manual-700152
2014-07-06
: Proform Proform-Pfel979100-Owner-S-Manual proform-pfel979100-owner-s-manual proform pdf
Open the PDF directly: View PDF
.
Page Count: 28

CAUTION
Read all precautions and instruc-
tions in this manual before using
this equipment. Keep this manual
for future reference.
Serial
Number
Decal
Model No. PFEL97910.0
Serial No. USERʼS MANUAL
www.proform.com
QUESTIONS?
If you have questions, or if parts are
damaged or missing, DO NOT
CONTACT THE STORE; please
contact Customer Care.
IMPORTANT: Please register this
product (see the limited warranty
on the back cover of this manual)
before contacting Customer Care.
CALL TOLL-FREE:
1-888-533-1333
Mon.–Fri., 6 a.m.–6 p.m. MT
Sat. 8 a.m.–4 p.m. MT
ON THE WEB:
www.proformservice.com

2
PROFORM is a registered trademark of ICON IP, Inc.
TABLE OF CONTENTS
WARNINGDECALPLACEMENT ..............................................................2
IMPORTANTPRECAUTIONS ................................................................3
BEFOREYOUBEGIN ......................................................................4
ASSEMBLY ...............................................................................5
HOWTOUSETHEELLIPTICALEXERCISER ..................................................11
MAINTENANCEANDTROUBLESHOOTING ...................................................22
EXERCISEGUIDELINES ...................................................................23
PARTLIST ..............................................................................24
EXPLODEDDRAWING ....................................................................26
ORDERINGREPLACEMENTPARTS ..................................................BackCover
LIMITEDWARRANTY ..............................................................BackCover
WARNING DECAL PLACEMENT
This drawing shows the location(s) of the warning
decal(s). If a decal is missing or illegible, see
the front cover of this manual and request a
free replacement decal. Apply the decal in the
location shown. Note: The decal(s) may not be
shown at actual size.

3
WARNING: To reduce the risk of serious injury, read all important precautions and
instructions in this manual and all warnings on your elliptical exerciser before using your elliptical
exerciser. ICON assumes no responsibility for personal injury or property damage sustained by or
through the use of this product.
IMPORTANT PRECAUTIONS
1. Before beginning any exercise program,
consult your physician. This is especially
important for persons over age 35 or per-
sons with pre-existing health problems.
2. It is the responsibility of the owner to ensure
that all users of the elliptical exerciser are
adequately informed of all precautions.
3. The elliptical exerciser is intended for home
use only. Do not use the elliptical exerciser
in a commercial, rental, or institutional set-
ting.
4. Keep the elliptical exerciser indoors, away
from moisture and dust. Place the elliptical
exerciser on a level surface, with a mat
beneath it to protect the floor or carpet.
Make sure that there is at least 3 ft. (0.9 m)
of clearance in the front and rear of the ellip-
tical exerciser and 2 ft. (0.6 m) on each side.
5. Inspect and properly tighten all parts regu-
larly. Replace any worn parts immediately.
6. Keep children under age 12 and pets away
from the elliptical exerciser at all times.
7. The elliptical exerciser should not be used
by persons weighing more than 325 lbs.
(147 kg).
8. Wear appropriate exercise clothes when
exercising; do not wear loose clothes that
could become caught on the elliptical exer-
ciser. Always wear athletic shoes for foot
protection.
9. Hold the upper body arms or the handlebars
when mounting, dismounting, or using the
elliptical exerciser.
10. Keep your back straight while using the
elliptical exerciser; do not arch your back.
11. The pulse sensor is not a medical device.
Various factors, including the userʼs move-
ment, may affect the accuracy of heart rate
readings. The pulse sensor is intended only
as an exercise aid in determining heart rate
trends in general.
12. Over exercising may result in serious injury
or death. If you feel faint or if you experience
pain while exercising, stop immediately and
cool down.
13. Use the elliptical exerciser only as described
in this manual.

4
BEFORE YOU BEGIN
Thank you for selecting the revolutionary PROFORM®
900 ZNE elliptical exerciser. The 900 ZNE elliptical
exerciser provides an impressive selection of features
designed to make your workouts at home more effec-
tive and enjoyable.
For your benefit, read this manual carefully before
you use the elliptical exerciser. If you have ques-
tions after reading this manual, please see the front
cover of this manual. To help us assist you, note the
product model number and serial number before con-
tacting us. The model number and the location of the
serial number decal are shown on the front cover of
this manual.
Before reading further, please familiarize yourself with
the parts that are labeled in the drawing below.
Pulse Sensor
Upper Body Arm
Pedal Disc
Wheel
Pedal
Water Bottle Holder*
Console
Leveling Foot
Handle Power Socket
Latch Button
Ramp
Storage Magnet
Fan
Pedal Arm Latch
*Water bottle is not included
Leveling Foot

5
ASSEMBLY
Assembly requires two persons. Place all parts of the elliptical exerciser in a cleared area and remove the
packing materials. Do not dispose of the packing materials until assembly is completed.
In addition to the included tool(s), assembly requires a Phillips screwdriver and a rubber
mallet .
As you assemble the elliptical exerciser, use the drawings below to identify small parts. The number in parenthe-
ses below each drawing is the key number of the part, from the PART LIST near the end of this manual. The
number following the parentheses is the quantity needed for assembly. Note: If a part is not in the hardware
kit, check to see if it has been preassembled.
M10 x 93mm Button Screw (82)–4
M10 x 25mm
Washer (87)–2
M8 Split
Washer (101)–4
M4 x 16mm
Screw (116)–16
M6 Split Washer
(102)–8
M6 x 35mm
Screw (109)–4
M6 x 62mm
Screw (108)–4
M8.5 x 16mm x
1.5mm Washer
(103)–6
Link Arm
Spacer (74)–4
M8 x 20mm Button
Screw (107)–4
M8 x 25mm Button
Screw (110)–2
M10 x 20mm Button
Screw (111)–2
M8 x 15mm Button
Screw (106)–10
M10 Curved
Washer (99)–4
Wave Washer
(100)–2

6
2. While another person lifts the Folding Frame
(2), attach the Rear Stabilizer (3) to the Folding
Frame with two M10 x 93mm Button Screws
(82) and two M10 Curved Washers (99).
Tighten the Center Foot (95) into the Frame (1).
3
82
2
95
1
99
99
2
1.
If there is a shipping bracket attached to the
rear of the Folding Frame (not shown), remove
the screw and the shipping bracket from the
Folding Frame. Discard the screw and the ship-
ping bracket.
See HOW TO FOLD AND UNFOLD THE
ELLIPTICAL EXERCISER on page 11 and
unfold the elliptical exerciser.
While another person lifts the front of the
Frame (1), attach the Front Stabilizer (4) to the
Frame with two M10 x 93mm Button Screws
(82) and two M10 Curved Washers (99).
4
99
99
82 1
1
To make assembly easier, read the
information on page 5 before you begin.

7
4. Identify the Left Pedal (34) and the Left Pedal
Arm (32), which are marked with stickers.
Attach the Left Pedal (34) to the Left Pedal
Arm (32) with two M6 x 62mm Screws (108),
two M6 x 35mm Screws (109), and four M6
Split Washers (102).
Attach the Right Pedal (not shown) to the
Right Pedal Arm (not shown) in the same
way.
34
108
102
102
109
109
32
4
102
3. Attach the Front Ramp Cover (6) to the
Ramp (5) with four M4 x 16mm Screws (116).
Slide an M10 x 25mm Washer (87) onto an
M10 x 20mm Button Screw (111). Tighten the
Button Screw into one end of the Ramp
Axle (72). Apply a small amount of the included
grease to the Ramp Axle.
Orient the Ramp (5) as shown. Align the lower
end of the Ramp with the welded tube on the
Frame (1). Insert the Ramp Axle (72) into the
Ramp and the welded tube.
Slide an M10 x 25mm Washer (87) onto an
M10 x 20mm Button Screw (111). Tighten the
Button Screw into the open end of the Ramp
Axle (72).
3
5
1
72
Grease
111
116
111
87
87
6

8
5. Insert the Roller (38) on the Left Pedal Arm (32)
and the Roller on the Right Pedal Arm (33) into
the sides of the Ramp (5).
Attach the Rear Ramp Cover (7) to the
Ramp (5) with two M4 x 16mm Screws (116).
See the inset drawing. Lift the Pedal Arm
Latch (41) on the Left Pedal Arm (32) and set
the end of the Left Pedal Arm on the left Crank
Bushing Sleeve (54). Release the Pedal Arm
Latch; make sure that the Left Pedal Arm is
securely connected to the Crank Bushing
Sleeve.
Connect the Right Pedal Arm (33) to the
right Crank Bushing Sleeve (not shown) in
the same way.
116
7
5
5
38
32
33
41
54
32
6. While another person holds the Upright (10)
near the Frame (1), connect the Upper Wire
Harness (65) to the Lower Wire Harness (64).
Tip: Avoid pinching the Wire Harnesses (64,
65). Carefully insert the Upright (10) into the
Frame (1).
Attach the Upright with four M8 x 20mm Button
Screws (107) and four M8 Split Washers (101).
6
65
64
107
101 101
1
10
Avoid pinch-
ing the Wire
Harnesses
(64, 65)
107

9
7. Attach the Left Upper Body Arm (22) to the left
Upper Body Leg (24) with three M8 x 15mm
Button Screws (106).
Attach the Right Upper Body Arm (23) in the
same way.
22
23
24
106
7
8. Hold the Left Rear Upper Body Cover (26) and
the Left Front Upper Body Cover (27) around
the left Upper Body Leg (24). Attach the Upper
Body Covers with five M4 x 16mm Screws
(116).
Attach the Right Rear Upper Body Cover
(28) and the Right Front Upper Body Cover
(29) in the same way.
24
116
26
28
27
116
8
29

10
10. Attach the Left Link Arm (30) to the Left Pedal
Arm (32) with an M8 x 15mm Button Screw
(106), an M8.5 x 16mm x 1.5mm Washer (103),
and an Axle Cover (66).
Attach the Left Link Arm (30) to the left Upper
Body Leg (24) with an M8 x 25mm Button
Screw (110), two M8.5 x 16mm x 1.5mm
Washers (103), two Axle Covers (66), a Link
Arm Spacer (74), and an M8 x 15mm Button
Screw (106) as shown.
Attach the Right Link Arm (31) in the same
way.
10
66 74
103
110
66
32
30
31
103
106
24
66
103
106
11. Make sure that all parts of the elliptical exerciser are properly tightened. Note: Some hardware may be
left over after assembly is completed. To protect the floor or carpet from damage, place a mat under the
elliptical exerciser.
Plug the power cord into the power socket at the rear of the elliptical exerciser (see HOW TO PLUG IN THE
POWER CORD on page 11). IMPORTANT: If the elliptical exerciser has been exposed to cold tempera-
tures, allow it to warm to room temperature before plugging in the power cord. If you do not do this,
the console displays or other electronic components may become damaged.
9
32
100
30
Grease
Grease
31
24
74
9. Apply a small amount of grease to the axle on
the Left Link Arm (30), to the axle on the Left
Pedal Arm (32), and to a Wave Washer (100).
Slide the Wave Washer (100) onto the axle on
the Left Pedal Arm (32). Next, slide a Link Arm
Spacer (74) onto the axle on the Left Link Arm
(30).
Then, gradually work the axle on the Left Link
Arm (30) into the left Upper Body Leg (24)
while at the same time working the Left Link
Arm onto the axle on the Left Pedal Arm (32).
Tip: These parts are designed to fit tightly. It
may be helpful to move the Left Pedal Arm
(32) while working these parts into place.
Repeat this step with the Right Link Arm
(31).

11
HOW TO USE THE ELLIPTICAL EXERCISER
HOW TO PLUG IN THE POWER CORD
This product must be grounded. If it should mal-
function or break down, grounding provides a path of
least resistance for electric current to reduce the risk
of electric shock. This product is equipped with a cord
having an equipment-grounding conductor and a
grounding plug. Plug the power cord into an appro-
priate outlet that is properly installed and ground-
ed in accordance with all local codes and ordi-
nances. This product is for use on a nominal 120-
volt circuit. IMPORTANT: The elliptical exerciser is
not compatible with GFCI-equipped outlets.
A temporary
adapter may
be used to
connect the
power cord
to a 2-pole
receptacle as
shown at the
right if a
properly
grounded
outlet is not
available. The temporary adapter should be used only
until a properly grounded outlet can be installed by a
qualified electrician.
The green-colored rigid ear, lug, or the like extending
from the adapter must be connected to a permanent
ground such as a properly grounded outlet box cover.
Whenever the adapter is used, it must be held in
place by a metal screw. Some 2-pole receptacle out-
let box covers are not grounded. Contact a quali-
fied electrician to determine if the outlet box cover
is grounded before using an adapter.
HOW TO FOLD AND UNFOLD THE ELLIPTICAL
EXERCISER
When the elliptical exerciser is not in use, the frame
can be folded out of the way. First, lift the latch under
each pedal arm, and lift the pedal arms off the sleeves
on the crank arms.
Next, raise the pedal arms until they touch the mag-
nets on the upper body legs; the magnets will hold the
pedal arms in place. Then, hold the handle and lift the
frame until it locks in a vertical position.
To use the elliptical exerciser, first hold the handle,
press the latch button, and lower the frame.
Next, pull the pedal arms off the magnets on the upper
body legs. Then, lift the latches under the pedal
arms, and set the pedal arms on the sleeves on the
crank arms. Release the latches, and make sure that
the pedal arms are securely connected to the crank
arms.
Latch
Sleeve
Pedal
Arm
Handle
Magnet
Latch
Button
Pedal Arm
DANGER: Improper connection
of the equipment-grounding conductor can
result in an increased risk of electric shock.
Check with a qualified electrician or service-
man if you are in doubt as to whether the
product is properly grounded. Do not modify
the plug provided with the product—if it will
not fit the outlet, have a proper outlet installed
by a qualified electrician.
Grounded Outlet Box
Grounding Plug
Adapter
Lug
Metal Screw

12
HOW TO MOVE THE ELLIPTICAL EXERCISER
To move the elliptical exerciser, first fold it as
described on page 11. Next, stand in front of the ellip-
tical exerciser, hold the handgrip pulse sensors, and
place one foot against the center of the front stabilizer.
Pull the pulse sensors until the elliptical exerciser will
roll on the front wheels. Carefully move the elliptical
exerciser to the desired position, and then lower it.
HOW TO EXERCISE ON THE ELLIPTICAL
EXERCISER
To mount the elliptical exerciser, hold the upper body
arms and step onto the pedal that is in the lowest
position. Next, step onto the other pedal. Push the
pedals until they begin to move with a continuous
motion.
Note: The crank arms can turn in either direction.
It is recommended that you turn the crank arms in
the direction shown by the arrow; however, for
variety you can turn the crank arms in the oppo-
site direction.
To dismount the elliptical exerciser, wait until the ped-
als come to a complete stop. Note: The elliptical
exerciser does not have a free wheel; the pedals
will continue to move until the flywheel stops.
When the pedals are stationary, step off the higher
pedal first. Then, step off the lower pedal.
Pedals
Crank Arm
Upper Body Arms
Place
your foot
here
Handgrip
Pulse
Sensors

13
CONSOLE DIAGRAM
FEATURES OF THE CONSOLE
The advanced console offers an array of features
designed to make your workouts more effective and
enjoyable.
When you select the manual mode of the console, you
can change the resistance of the pedals and the
incline of the ramp with the touch of a button. As you
exercise, the console will provide continuous exercise
feedback. You can even measure your heart rate
using the handgrip pulse sensor.
The console also offers twenty preset programs. Each
program automatically changes the resistance of the
pedals and prompts you to increase or decrease your
pedaling pace as it guides you through an effective
workout.
The console also offers two custom programs that
allow you to create your own workout programs and
store them in memory for future use.
In addition, the console features two heart rate pro-
grams that change the resistance of the pedals to
keep your heart rate near target heart rate settings
while you exercise.
The console features the iFit interactive workout sys-
tem, which enables the console to accept iFit cards
containing workouts designed to help you achieve
specific fitness goals. For example, lose unwanted
pounds with the 8-week Weight Loss workout. iFit
workouts control the resistance of the pedals while the
voice of a personal trainer coaches you through your
workouts. iFit cards are available separately. To pur-
chase iFit cards, go to www.iFit.com or see the
front cover of this manual. iFit cards are also
available at select stores.
You can even connect your MP3 player or CD player
to the console sound system and listen to your favorite
music or audio books while you exercise.
To use the manual mode, see page 14. To use a
preset program, see page 16. To create a custom
program, see page 17. To use a custom program,
see page 18. To use a heart rate program, see page
19. To use an iFIT program, see page 21. To use
the sound system, see page 21.

14
HOW TO USE THE MANUAL MODE
Note: If there is a sheet of clear plastic on the face of
the console, remove the plastic.
1. Press any button on the console or begin ped-
aling to turn on the console.
When you turn on the console, the display will turn
on. A tone will then sound and the console will be
ready for use.
2. Select the manual mode.
When you turn on the console, the manual mode
will be selected. If you have selected a program,
reselect the manual mode by pressing any of the
Programs buttons repeatedly until zeros appear in
the display.
3. Begin pedaling and change the resistance of
the pedals and the incline of the ramp as
desired.
As you pedal, change the resistance of the pedals
by pressing the OneTouch Resistance buttons.
There are fifteen resistance levels. Note: After you
press the buttons, it will take a moment for the
pedals to reach the selected resistance level.
To vary the motion of the pedals, you can change
the incline of the ramp. To change the incline,
press the OneTouch Ramp buttons. There are five
incline levels. Note: After you press the buttons, it
will take a moment for the ramp to reach the
selected incline level.
4. Follow your progress with the display.
While you pedal, the upper left corner of the dis-
play will show the elapsed time. Note: During a
program, except for heart rate program 1, the dis-
play will show the time remaining in the program.
The upper right corner of the display will show the
distance you have pedaled, in total revolutions.
The display will also show your heart rate when
you use the handgrip pulse sensor (see step 5 on
page 15).
The lower left corner of the display will show the
ramp incline level.
The lower center of the display will show the
approximate number of grams of carbs you have
burned.
The lower right corner of the display will show your
pedaling pace, in revolutions per minute.
The center of the display will show the resistance
level of the pedals for a few seconds each time
the resistance level changes.
You can also view selected information at a larger
size. Press the Display button repeatedly to view
the elapsed time and the distance you have ped-
aled, the elapsed time and the approximate num-
ber of calories you have burned, the elapsed time,
or the approximate number of calories you have
burned. Press the Display button again to view a
workout history of resistance levels and pedaling
pace.
To again view the time, distance, ramp incline,
number of grams of carbs burned, and pedaling
pace, press the Display button again.
To view the total distance pedaled since the ellipti-
cal exerciser was purchased and the trip distance,
press the Odometer button. The information will
appear in the display for a few seconds. To reset
the trip distance, hold down the Odometer button
for a few seconds.

15
5. Measure your heart rate if desired.
If there are
sheets of clear
plastic on the
metal contacts on
the handgrip
pulse sensor,
remove the plas-
tic. In addition,
make sure that
your hands are
clean. To measure
your heart rate,
hold the handgrip pulse sensor with your palms
resting against the metal contacts. Avoid moving
your hands or gripping the contacts tightly.
When your pulse is detected, your heart rate will
be shown in the display. For the most accurate
heart rate reading, hold the contacts for at least 15
seconds.
If your heart rate is not shown, make sure that
your hands are positioned as described. Be care-
ful not to move your hands excessively or to
squeeze the metal contacts tightly. For optimal
performance, clean the metal contacts using a soft
cloth; never use alcohol, abrasives, or chemi-
cals to clean the contacts.
6. Turn on the fan if desired.
To turn on the fan at high speed, press the Fan
button. To turn on the fan at low speed, press the
Fan button a second time. To select the auto
mode, press the Fan button again; when the auto
mode is selected, the speed of the fan will auto-
matically increase or decrease as you increase or
decrease your pedaling speed.
Pivot the fan louvers above the display upward or
downward to direct the airflow from the fan.
To turn off the fan, press the Fan button again.
Note: If the pedals are not moved for about thirty
seconds, the fan will automatically turn off.
7. When you are finished exercising, the console
will turn off automatically.
If the pedals are not moved for several seconds, a
series of tones will sound and the console will
pause.
If the pedals are not moved for about five minutes,
the console will turn off and the display will be
reset.
Contacts

16
HOW TO USE A PRESET PROGRAM
1. Turn on the console.
See step 1 on page 14.
2. Select a preset program.
To select a weight loss program, press the Weight
Loss Programs button repeatedly; to select an aer-
obic fitness program, press the Aerobic Fitness
Programs button; to select a competition program,
press the Competition Programs button.
When you select a preset program, the name of
the program, the program time, and the maximum
pace and resistance level for the program will
appear in the display for a few seconds. A profile
of the resistance levels of the program will then
appear in the display.
3. Begin pedaling to start the program.
Each program is divided into 20, 30, or 45 one-
minute segments. One resistance level and one
target pace setting are programmed for each seg-
ment. Note: The same resistance level and/or tar-
get pace setting may be programmed for two or
more consecutive segments.
During the program, the program profile will show
your progress (see the drawing above). The flash-
ing segment of the profile represents the current
segment of the program. The height of the flashing
segment indicates the resistance level for the cur-
rent segment. At the end of each segment of the
program, a series of tones will sound and the next
segment of the profile will begin to flash. If a differ-
ent resistance level is programmed for the next
segment, the resistance level will appear in the
display for a few seconds to alert you. The resis-
tance of the pedals will then change.
As you exercise, you
will be prompted to
keep your pedaling
pace near the target
pace setting for the cur-
rent segment. When an
upward-pointing arrow or the prompt SPEED UP
appears next to the pace information in the display
(see step 4 on page 17), increase your pace.
When a downward-pointing arrow or the prompt
SLOW DOWN appears, decrease your pace.
When no arrow or prompt appears, maintain your
current pace. IMPORTANT: The target pace set-
tings are intended only to provide motivation.
Make sure to pedal at a pace that is comfort-
able for you.
If the resistance level for the current segment is
too high or too low, you can manually override the
setting by pressing the OneTouch Resistance but-
tons. However, when the current segment ends,
the pedals will automatically adjust to the resis-
tance level for the next segment.
If you stop pedaling for several seconds, a series
of tones will sound and the program will pause. To
restart the program, simply resume pedaling. The
program will continue until the last segment of the
profile flashes and the last segment of the pro-
gram ends.
Profile

17
4. Follow your progress with the display.
During the program, the display will show the pro-
gram profile, the time remaining in the program,
and the distance you have pedaled.
To view the profile, your pedaling pace, and the
distance you have pedaled, press the Display but-
ton. Note: The words SPEED UP or SLOW DOWN
may appear in the display to prompt you to keep
your pedaling pace near the target pace setting for
the current segment.
To view the time remaining in the program and the
distance pedaled, press the Display button. Press
the Display button again to view the time remain-
ing and the approximate number of calories
burned.
To view the time remaining, distance pedaled,
ramp incline, number of grams of carbs burned,
and pedaling pace, press the Display button again.
Note: An upward- or downward-pointing arrow may
appear in the display to prompt you to keep your
pedaling pace near the target pace setting for the
current segment.
To view the first display again, press the Display
button again.
5. Measure your heart rate if desired.
See step 5 on page 15.
6. Turn on the fan if desired.
See step 6 on page 15.
7. When you are finished exercising, the console
will turn off automatically.
See step 7 on page 15.
HOW TO CREATE A CUSTOM PROGRAM
1. Turn on the console.
See step 1 on page 14.
2. Select a custom program.
To select a custom program, press the Custom
Programs button once or twice. When you select a
custom program, the name of the program and the
settings for the program will appear in the display
for a few seconds.
3. Begin pedaling to start the program, and
program the desired settings.
Each custom program is divided into 30 one-
minute segments. You can program one resistance
level and one target pace setting for each seg-
ment.
To program a resistance level for the first segment,
simply adjust the resistance of the pedals by
pressing the OneTouch Resistance buttons. To
program a target pace for the first segment, simply
pedal at the desired pace.
At the end of the first segment, the program will
store the current resistance level and your current
pace in memory. Program a resistance level and a
target pace for the second segment as described
above.
Continue exercising for up to forty minutes. Stop
pedaling when you are finished with your workout.
The program you created will then be stored in
memory. Note: If your workout is less than thirty
minutes long, any remaining segments in the pro-
gram will be stored with the last resistance level
and target pace setting you programmed.
4. When the program is finished, the console will
turn off automatically.
See step 7 on page 15.

18
HOW TO USE A CUSTOM PROGRAM
1. Turn on the console.
See step 1 on page 14.
2. Select a custom program.
To select a custom program, press the Custom
Programs button repeatedly until the words CUS-
TOM 1 or CUSTOM 2 appear in the display.
When you select a custom program, the name of
the program, the program time, and the maximum
pace and resistance level will appear in the display
for a few seconds. A profile of the resistance levels
of the program will then appear in the display.
3. Begin pedaling to start the program.
Each custom program is divided into 30 one-
minute segments. One resistance level and one
target pace setting are programmed for each seg-
ment. Note: The same resistance level and/or tar-
get pace setting may be programmed for two or
more consecutive segments.
During the program, the program profile will show
your progress. The flashing segment of the profile
represents the current segment of the program.
The height of the flashing segment indicates the
resistance level for the current segment. At the
end of each segment of the program, a series of
tones will sound and the next segment of the pro-
file will begin to flash. If a different resistance level
is programmed for the next segment, the resis-
tance level will appear in the display for a few sec-
onds to alert you. The resistance of the pedals will
then change.
As you exercise, you
will be prompted to
keep your pedaling
pace near the target
pace setting for the cur-
rent segment. When an
upward-pointing arrow or the prompt SPEED UP
appears next to the pace information in the display
(see step 4 on page 17), increase your pace.
When a downward-pointing arrow or the prompt
SLOW DOWN appears, decrease your pace.
When no arrow or prompt appears, maintain your
current pace. IMPORTANT: The target pace set-
tings are intended only to provide motivation.
Make sure to pedal at a pace that is comfort-
able for you.
If the resistance level for the current segment is
too high or too low, you can manually override the
setting by pressing the OneTouch Resistance but-
tons. However, when the current segment ends,
the pedals will automatically adjust to the resis-
tance level for the next segment.
If you stop pedaling for several seconds, a series
of tones will sound and the program will pause. To
restart the program, simply resume pedaling. The
program will continue until the last segment of the
profile flashes and the last segment of the pro-
gram ends.
4. Change the program if desired.
If desired, you can change the program while
using it. To change the resistance level for the
current segment, simply press the OneTouch
Resistance buttons. At the end of the current seg-
ment, the new resistance level will be stored in
memory. To change the target pace for the cur-
rent segment, simply change your pedaling pace.
At the end of the current segment, your pace will
be stored in memory. You can continue exercising
and changing the program for up to thirty minutes.
Profile

19
5. Follow your progress with the display.
See step 4 on page 17.
6. Measure your heart rate if desired.
See step 5 on page 15.
7. Turn on the fan if desired.
See step 6 on page 15.
8. When you are finished exercising, the console
will turn off automatically.
See step 7 on page 15.
HOW TO USE A HEART RATE PROGRAM
1. Turn on the console.
See step 1 on page 14.
2. Select a heart rate program.
To select one of the heart rate programs, press the
Heart Rate Programs button repeatedly until the
words HEART RATE 1 or HEART RATE 2 appear
in the display.
3. Enter a target heart rate setting.
A few seconds after you select a heart rate pro-
gram, the words ENTER MAX TARGET HEART
RATE FOR THIS WORKOUT will appear in the
display and the number 110 will begin to flash.
During heart rate program 1, the same target
heart rate setting will be programmed for all seg-
ments of the program. If you have selected heart
rate program 1, press the increase and decrease
buttons above the Heart Rate Programs button to
enter the desired target heart rate setting (see
EXERCISE INTENSITY on page 23).
During heart rate program 2, different target
heart rate settings will be programmed for different
segments of the program. If you have selected
heart rate program 2, press the increase and
decrease buttons above the Heart Rate Programs
button to enter the desired maximum target heart
rate setting for the program (see EXERCISE
INTENSITY on page 23).
4. Hold the handgrip pulse sensor.
It is not necessary to hold the handgrip pulse sen-
sor continuously during heart rate programs; how-
ever, you should hold the handgrip pulse sensor
frequently for the programs to operate properly.
Each time you hold the handgrip pulse sensor,
keep your hands on the metal contacts for at
least 30 seconds.

20
5. Begin pedaling to start the program.
Heart rate program 1 is divided into 40 one-
minute segments. Note: For a shorter workout,
stop exercising or select a different program
before the program ends.
Heart rate program 2 is divided into 30 one-
minute segments. One target heart rate setting is
programmed for each segment. Note: The same
target heart rate setting may be programmed for
consecutive segments.
During the program, the program profile in the dis-
play will show your progress. The flashing seg-
ment of the profile represents the current segment
of the program. The height of the flashing segment
indicates the target heart rate setting for the cur-
rent segment. At the end of each segment of the
program, a series of tones will sound and the next
segment of the profile will begin to flash.
During both programs, the console will regularly
compare your heart rate to the target heart rate
setting for the current segment of the program. If
your heart rate is too far below or above the target
heart rate setting, the resistance of the pedals will
automatically increase or decrease to bring your
heart rate closer to the target heart rate setting.
Each time the resistance changes, the resistance
level will appear in the display for a few seconds
to alert you.
While you exercise,
you will be prompted to
maintain a constant
pedaling pace. When
an upward-pointing
arrow or the prompt
SPEED UP appears next to the pace information
in the display (see step 6 on this page), increase
your pace. When a downward-pointing arrow or
the prompt SLOW DOWN appears, decrease your
pace. When no arrow or prompt appears, maintain
your current pace.
If the resistance level for the current segment is
too high or too low, you can manually override the
setting by pressing the OneTouch Resistance but-
tons. However, when the console compares your
heart rate to the target heart rate setting, the resis-
tance of the pedals may automatically increase or
decrease to bring your heart rate closer to the tar-
get heart rate setting.
If you stop pedaling for several seconds, a series
of tones will sound and the program will pause. To
restart the program, simply resume pedaling. The
program will continue until the last segment of the
program ends.
6. Follow your progress with the display.
During heart rate program 1, the display will
show a graphic that represents a heartbeat each
time your heartbeat is detected, the elapsed time,
and the distance that you have pedaled. During
heart rate program 2, the display will show the
program profile, the time remaining in the pro-
gram, and the distance that you have pedaled.
To view the profile, your pedaling pace, and the
distance you have pedaled, press the Display but-
ton. Note: The words SPEED UP or SLOW DOWN
may appear in the display to prompt you to keep
your pedaling pace near the target pace setting for
the current segment.
To view the time remaining in the program and the
distance pedaled, press the Display button. Press
the Display button again to view the time remain-
ing and the approximate number of calories
burned.
To view the time remaining, distance pedaled,
ramp incline, number of grams of carbs burned,
and pedaling pace, press the Display button again.
Note: An upward- or downward-pointing arrow may
appear in the display to prompt you to keep your
pedaling pace near the target pace setting for the
current segment.
To view the first display again, press the Display
button again.
7. Turn on the fan if desired.
See step 6 on page 15.
8. When you are finished exercising, the console
will turn off automatically.
See step 7 on page 15.
Profile

21
HOW TO USE AN IFIT PROGRAM
iFit cards are available separately. To purchase iFit
cards, go to www.iFit.com or see the front cover of this
manual. iFit cards are also available at select stores.
1. Begin pedaling or press any button on the
console to turn on the console.
A moment after you begin pedaling or press a but-
ton, a tone will sound, and the display will turn on.
2. Insert an iFit card and select a program.
To use an iFit program, insert an iFit card into the
iFit slot; make sure that the iFit card is oriented so
that the metal contacts are face down and are fac-
ing the slot. When the iFit card is properly insert-
ed, the indicator next to the slot will turn on and
text will appear in the display.
Next, select the desired program on the iFit card
by pressing the increase and decrease buttons
next to the iFit slot.
A moment after you select a program, the voice of
a personal trainer will begin guiding you through
your workout.
iFit programs function in the same way as preset
programs. To use the program, see steps 3 to 7 on
page 16.
3. When you are finished exercising, remove the
iFit card.
Remove the iFit card when you are finished exer-
cising. Store the iFit card in a secure place.
HOW TO USE THE SOUND SYSTEM
To play music or audio
books through the console
sound system while you
exercise, first locate the
audio cable in the center of
the console. Plug the audio
cable into a jack on your
MP3 player or CD player; make sure that the audio
cable is fully plugged in.
Next, press the play button on your MP3 player or CD
player. Adjust the volume level using the volume con-
trol on your MP3 player or CD player.
When not in use, insert the audio cable into the stor-
age recess on the console.
iFIT Slot
iFIT Card
Cable

22
Inspect and tighten all parts of the elliptical exerciser
regularly. Replace any worn parts immediately.
To clean the elliptical exerciser, use a damp cloth and
a small amount of mild soap. IMPORTANT: To avoid
damage to the console, keep liquids away from
the console and keep the console out of direct
sunlight.
HOW TO LEVEL THE ELLIPTICAL EXERCISER OR
ELIMINATE FLEXING IN THE FRAME
If the elliptical exerciser rocks on your floor during use,
turn one or both of the Leveling Feet (98) until the
rocking motion is eliminated.
If the elliptical exerciser flexes in the center during
use, turn the Center Foot (95) until the flexing is elimi-
nated.
HOW TO ELIMINATE RUBBING OF THE DISCS
See the drawing above. If the Discs (12) rub against
the Side Shields (14, 15) during use, make sure that
the Center Foot (95) is installed in the Frame (1). If
the Center Foot is installed, loosen the two indicated
Bolt Sets (88) and the two M4 x 16mm Screws (116)
in each side of the elliptical exerciser.
Adjust the position of the Side Shields (14, 15) until
the Discs (12) no longer rub against them, and then
tighten the Bolt Sets (88) and the M4 x 16mm Screws
(116).
HANDGRIP PULSE SENSOR TROUBLESHOOTING
If the handgrip pulse sensor does not function proper-
ly, see step 5 on page 15.
HOW TO ADJUST THE BELT
If the pedals slip
while you are
pedaling, even
while the resis-
tance is adjusted
to the highest set-
ting, the belt may
need to be adjust-
ed. To adjust the
belt, first carefully
pry off the left
Disc Cover (13)
using a flat screwdriver. Next, remove the four screws
(not shown) from the center of the left Disc (12).
Gently rotate the Disc Cover and the Disc away from
the elliptical exerciser.
Loosen, but do
not remove, the
three 1/4" x
19mm Button
Screws (114).
Insert the shaft of
a screwdriver
downward
between the
Idler (47) and the
Idler Pulley (48).
Pull the top of the
screwdriver
toward the rear of the elliptical exerciser until the Belt
(96) is tight, and then tighten the three Button Screws.
Reattach the left disc with the four screws and then
reattach the left disc cover.
MAINTENANCE AND TROUBLESHOOTING
47
13
12
48
114 96
98
95
116
14, 15
12
88
1

23
These guidelines will help you to plan your exercise
program. For detailed exercise information, obtain a
reputable book or consult your physician. Remember,
proper nutrition and adequate rest are essential for
successful results.
EXERCISE INTENSITY
Whether your goal is to burn fat or to strengthen your
cardiovascular system, exercising at the proper inten-
sity is the key to achieving results. You can use your
heart rate as a guide to find the proper intensity level.
The chart below shows recommended heart rates for
fat burning and aerobic exercise.
To find the proper intensity level, find your age at the
bottom of the chart (ages are rounded off to the near-
est ten years). The three numbers listed above your
age define your “training zone.” The lowest number is
the heart rate for fat burning, the middle number is the
heart rate for maximum fat burning, and the highest
number is the heart rate for aerobic exercise.
Burning Fat—To burn fat effectively, you must exer-
cise at a low intensity level for a sustained period of
time. During the first few minutes of exercise, your
body uses carbohydrate calories for energy. Only after
the first few minutes of exercise does your body begin
to use stored fat calories for energy. If your goal is to
burn fat, adjust the intensity of your exercise until your
heart rate is near the lowest number in your training
zone. For maximum fat burning, exercise with your
heart rate near the middle number in your training
zone.
Aerobic Exercise—If your goal is to strengthen your
cardiovascular system, you must perform aerobic
exercise, which is activity that requires large amounts
of oxygen for prolonged periods of time. For aerobic
exercise, adjust the intensity of your exercise until
your heart rate is near the highest number in your
training zone.
WORKOUT GUIDELINES
Warming Up—Start with 5 to 10 minutes of stretching
and light exercise. A warm-up increases your body
temperature, heart rate, and circulation in preparation
for exercise.
Training Zone Exercise—Exercise for 20 to 30 min-
utes with your heart rate in your training zone. (During
the first few weeks of your exercise program, do not
keep your heart rate in your training zone for longer
than 20 minutes.) Breathe regularly and deeply as you
exercise–never hold your breath.
Cooling Down—Finish with 5 to 10 minutes of
stretching. Stretching increases the flexibility of your
muscles and helps to prevent post-exercise problems.
EXERCISE FREQUENCY
To maintain or improve your condition, complete three
workouts each week, with at least one day of rest
between workouts. After a few months of regular exer-
cise, you may complete up to five workouts each
week, if desired. Remember, the key to success is to
make exercise a regular and enjoyable part of your
everyday life.
EXERCISE GUIDELINES
WARNING: Before beginning this
or any exercise program, consult your physi-
cian. This is especially important for persons
over the age of 35 or persons with pre-exist-
ing health problems.
The pulse sensor is not a medical device.
Various factors may affect the accuracy of
heart rate readings. The pulse sensor is
intended only as an exercise aid in determin-
ing heart rate trends in general.

24
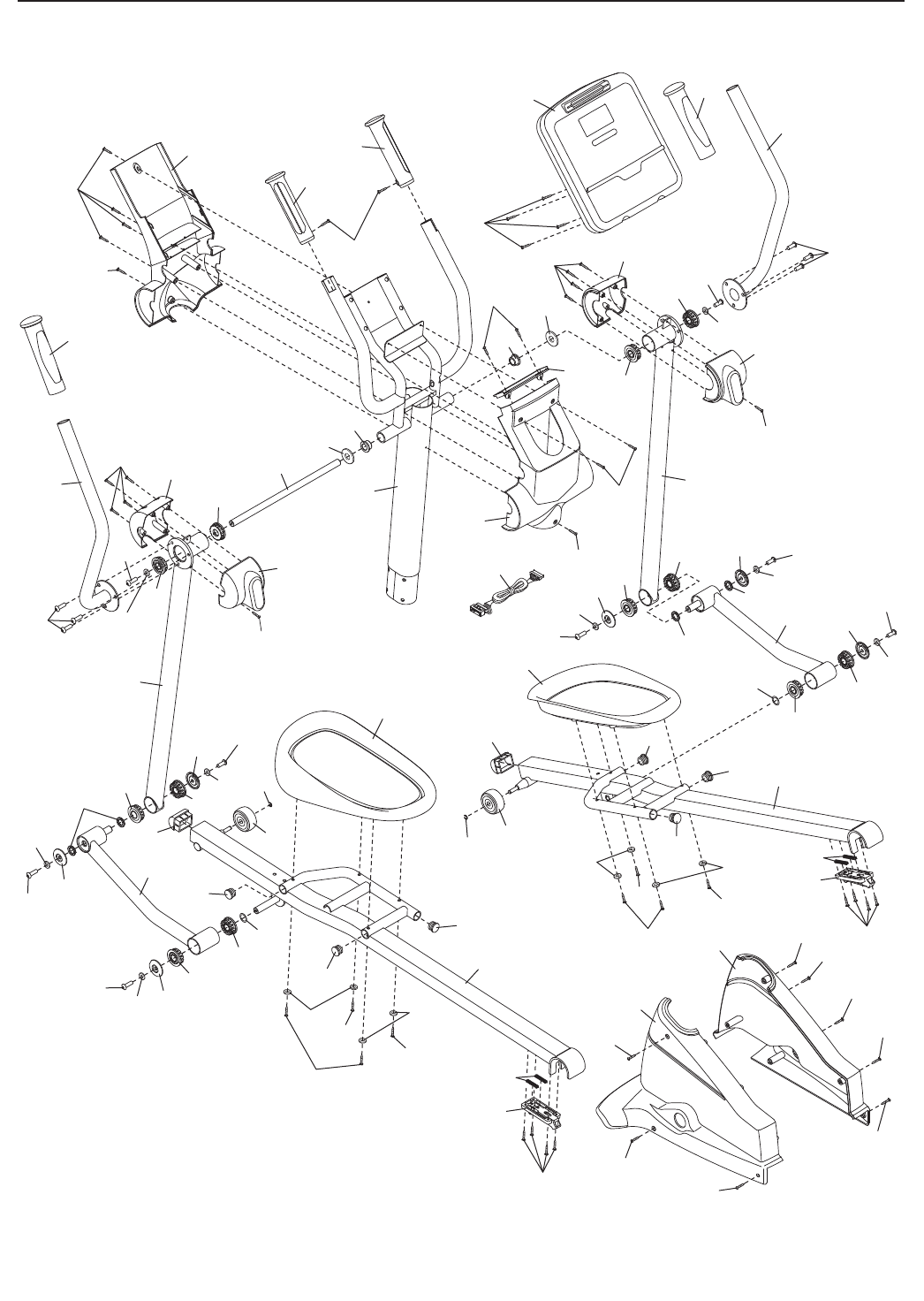
11Frame
21 Folding Frame
31Rear Stabilizer
41Front Stabilizer
51Ramp
61Front Ramp Cover
71Rear Ramp Cover
82Side Ramp Cover
91Lift Motor
10 1 Upright
11 1 Console
12 2 Disc
13 2 Disc Cover
14 1 Left Side Shield
15 1 Right Side Shield
16 2 Rear Cap
17 2 Wheel
18 2 Wheel Cover
19 1 Rear Upright Cover
20 1 Front Upright Cover
21 2 Handgrip
22 1 Left Upper Body Arm
23 1 Right Upper Body Arm
24 2 Upper Body Leg
25 2 Pulse Sensor/Wire
26 1 Left Rear Upper Body Cover
27 1 Left Front Upper Body Cover
28 1 Right Rear Upper Body Cover
29 1 Right Front Upper Body Cover
30 1 Left Link Arm
31 1 Right Link Arm
32 1 Left Pedal Arm
33 1 Right Pedal Arm
34 1 Left Pedal
35 1 Right Pedal
36 1 Left Frame Cover
37 1 Right Frame Cover
38 4 Roller
39 2 Pedal Arm Cap
40 1 Tray
41 2 Pedal Arm Latch
42 4 Pedal Arm Latch Spring
43 6 Pedal Arm Cap
44 1 Eddy Mechanism
45 1 Eddy Crank Assembly
46 1 Pillow Block
47 1 Idler
48 1 Idler Pulley
49 Eddy Motor
50 1 Reed Switch/Wire
51 1 Clamp
52 2 Large Axle Cover
53 2 Crank Bushing
54 2 Crank Bushing Sleeve
55 2 Crank Arm
56 1 Crank Arm Spacer
57 1 Large Pulley
58 1 Crank Flange
59 2 Crank Bearing Assembly
60 1 Crank Spacer
61 1 Crank
62 2 Lift Bracket
63 1 Lift Axle
64 1 Lower Wire Harness
65 1 Upper Wire Harness
66 6 Axle Cover
67 8 Bushing Assembly
68 4 Brass Bushing
69 1 Latch Bracket
70 1 Latch Button
71 1 Upper Body Axle
72 1 Ramp Axle
73 1 Pivot Axle
74 4 Link Arm Spacer
75 1 Latch Axle
76 1 Latch Spring
77 2 Lift Axle Screw
78 1 Button Frame
79 2 Hairpin Cotter
80 2 Lift Axle Washer
81 1 Control Board
82 4 M10 x 93mm Button Screw
83 2 Crank Snap Ring
84 2 Crank Arm Washer
85 2 Outside Crank Bushing
86 1 Flange Screw
87 4 M10 x 25mm Washer
88 5 Bolt Set
89 4 Small Snap Ring
90 1 Idler Snap Ring
91 1 Eddy Snap Ring
92 1 Idler Spacer
93 2 M10 Locknut
94 3 Idler Washer
95 1 Center Foot
96 1 Belt
97 1 Control Box
98 2 Leveling Foot
99 4 M10 Curved Washer
100 4 Wave Washer
Key No. Qty. Description Key No. Qty. Description
PART LIST—Model No. PFEL97910.0 R0210A

25
Note: Specifications are subject to change without notice. For information about ordering replacement parts, see
the back cover of this manual. *These parts are not illustrated.
101 4 M8 Split Washer
102 12 M6 Split Washer
103 8 M8.5 x 16mm x 1.5mm Washer
104 4 M8 x 20mm x 2mm Washer
105 4 M8 x 16mm Button Screw
106 10 M8 x 15mm Button Screw
107 8 M8 x 20mm Button Screw
108 4 M6 x 62mm Screw
109 4 M6 x 35mm Screw
110 6 M8 x 25mm Button Screw
111 4 M10 x 20mm Button Screw
112 8 M8 x 25mm Shoulder Screw
113 2 M8 x 30mm Button Screw
114 5 1/4" x 19mm Button Screw
115 3 M4 x 12mm Screw
116 56 M4 x 16mm Screw
117 8 M4 x 16mm Cupped Screw
118 4 M6 Locknut
119 4 Bearing Assembly
120 2 Upright Brass Bushing
121 1 Left Lift Arm
122 1 Right Lift Arm
123 2 Lift Bushing
124 1 Transformer
125 1 Control Box Cover
126 1 Motor Clevis Pin
127 1 Bracket Pin
128 1 Lift Reed Switch
129 1 Switch Cover
130 1 Power Socket
131 2 Motor Spacer
132 4 M4 x 10mm Screw
*–Userʼs Manual
*–Assembly Tool
*–Grease Packet
*–Power Cord
*–Lift Motor Power Wire
*–Lift Motor Sensor Wire
Key No. Qty. Description Key No. Qty. Description

26
EXPLODED DRAWING A—Model No. PFEL97910.0 R0210A
10
11
19
20
21
21
22
23
24
24
25
25
26
27
28
29
31
30
32
33
34
35
36
37
38 38
39
39
40
41
42
41
42
43
43
43
43
43
43
65
66
66
66
66
66
67
67
66
67
67
67
67
67
67
119
119
119
119
120
120
71
74
74
74
89
89
116
116
110
103
103
105
104
106
116
116
117
116
116
116
117
116
104
105
106
116
116
115
100
100
106
103
110
103
106
103
100
106
106
103
100
108
102 102
109
109
102 102
109
108 108
117
117
117
117
117
117
116
116

27
1
2
3
4
5
6
7
8
8
9
62
63
12
13
12
13
14
15
16
16
17
17
18
18
44
45 46
47
48
49 50
51
95
52
54
53
55
56
57
5960
61
59
58
55
52
54
53
64
68
68
68
68
69
70
72
88
76
78
82
82
83
83
84
85
84 85
86
88
88
88
90
91
92
94
73
93
93
118
118
96
99
99
101
107
101 116
116
116 116
111
87
116
116
116
111 87
102
114
102
114
114
116
116
113
103
113
103
112
110
110
87 87 111
111
116
116
116
115
112
98
98
121
122
123
123
38
38
79
79
126
127
128
129
89
131
107
80
77
80
77
124
116
97 130
116
81
132
132
125
105
75
104 105
104
EXPLODED DRAWING B—Model No. PFEL97910.0 R0210A

Part No. 296268 R0210A Printed in China © 2010 ICON IP, Inc.
ORDERING REPLACEMENT PARTS
To order replacement parts, see the front cover of this manual. To help us assist you, please be prepared to
provide the following information when contacting us:
• the model number and serial number of the product (see the front cover of this manual)
• the name of the product (see the front cover of this manual)
• the key number and description of the replacement part(s) (see the PART LIST and the EXPLODED
DRAWING near the end of this manual)
ICON Health & Fitness, Inc. (ICON) warrants this product to be free from defects in workmanship and
material, under normal use and service conditions. The frame is warranted for a lifetime. Parts and labor
are warranted for one (1) year from the date of purchase.
This warranty extends only to the original purchaser. ICONʼs obligation under this warranty is limited to
repairing or replacing, at ICONʼs option, the product through one of its authorized service centers. All
repairs for which warranty claims are made must be preauthorized by ICON. If the product is shipped to
a service center, freight charges to and from the service center will be the customerʼs responsibility. For
replacement parts shipped while the product is under warranty, the customer will be responsible for a min-
imal handling charge. For in-home service, the customer will be responsible for a minimal trip charge. This
warranty does not extend to any damage to a product caused by or attributable to freight damage, abuse,
misuse, improper or abnormal usage, or repairs not provided by an ICON authorized service center; to
products used for commercial or rental purposes or as store display models; or to products transported
or purchased outside the US. No other warranty beyond that specifically set forth above is authorized by
ICON.
ICON is not responsible or liable for indirect, special, or consequential damages arising out of or in con-
nection with the use or performance of the product; damages with respect to any economic loss, loss of
property, loss of revenues or profits, loss of enjoyment or use, or costs of removal or installation; or other
consequential damages of whatsoever nature. Some states do not allow the exclusion or limitation of inci-
dental or consequential damages. Accordingly, the above limitation may not apply to you.
The warranty extended hereunder is in lieu of any and all other warranties, and any implied warranties of
merchantability or fitness for a particular purpose are limited in their scope and duration to the terms set
forth herein. Some states do not allow limitations on how long an implied warranty lasts. Accordingly, the
above limitation may not apply to you.
This warranty gives you specific legal rights. You may also have other rights that vary from state to state.
ICON Health & Fitness, Inc., 1500 S. 1000 W., Logan, UT 84321-9813
LIMITED WARRANTY
IMPORTANT: You must register this product within 30 days of the purchase date to avoid added
fees for service needed under warranty. Go to www.proformservice.com/registration.