Proform Pfemex15010 Whirlwind Bike Users Manual
2015-04-14
: Proform Proform-Pfemex15010-Whirlwind-Bike-Users-Manual-700188 proform-pfemex15010-whirlwind-bike-users-manual-700188 proform pdf
Open the PDF directly: View PDF
.
Page Count: 16

MANUAL DEL USUARIO
PRECAUCIÓN:
Antes de usar el equipo, lea cui-
dadosamente todas las adverten-
cias e instrucciones de este
manual. Guarde el manual para
futuras referencias.
Etiqueta
con el
Número
de Serie
Núm. de Modelo PFEMEX15010
Núm. de Serie
www.iconeurope.com
Página de internet
¿PREGUNTAS?
Como fabricante, nosotros esta-
mos cometidos a proveer satis-
facción completa al cliente. Si
tiene alguna pregunta, o si faltan
piezas, por favor póngase en con-
tacto con el establecimiento
donde compró el equipo.

2
CONTENIDO
PRECAUCIONES IMPORTANTES . . . . . . . . . . . . . . . . . . . . . . . . . . . . . . . . . . . . . . . . . . . . . . . . . . . . . . . . .3
ANTES DE COMENZAR . . . . . . . . . . . . . . . . . . . . . . . . . . . . . . . . . . . . . . . . . . . . . . . . . . . . . . . . . . . . . . . . .4
MONTAJE . . . . . . . . . . . . . . . . . . . . . . . . . . . . . . . . . . . . . . . . . . . . . . . . . . . . . . . . . . . . . . . . . . . . . . . . . . . .5
COMO USAR LA BICICLETA DE EJERCICIO . . . . . . . . . . . . . . . . . . . . . . . . . . . . . . . . . . . . . . . . . . . . . . . . .9
MANTENIMIENTO Y ALMACENAMIENTO . . . . . . . . . . . . . . . . . . . . . . . . . . . . . . . . . . . . . . . . . . . . . . . . . . .11
GUÍAS DE EJERCICIO FÍSICO . . . . . . . . . . . . . . . . . . . . . . . . . . . . . . . . . . . . . . . . . . . . . . . . . . . . . . . . . . .13
LISTA DE PIEZAS . . . . . . . . . . . . . . . . . . . . . . . . . . . . . . . . . . . . . . . . . . . . . . . . . . . . . . . . . . . . . . . . . . . . .14
DIBUJO DE LAS PIEZAS . . . . . . . . . . . . . . . . . . . . . . . . . . . . . . . . . . . . . . . . . . . . . . . . . . . . . . . . . . . . . . .15
COMO SOLICITAR PIEZAS DE REPUESTO . . . . . . . . . . . . . . . . . . . . . . . . . . . . . . . . . . . . . . . .Contraportada
PROFORM es una marca registrada de ICON Health & Fitness, Inc.

3
1. Lea todas las precauciones en este manual
del usuario antes de usar bicicleta de
ejercicio.
2. Es la responsabilidad del propietario asegu-
rarse que todos los usuarios de la bicicleta
de ejercicio estén adecuadamente informa-
dos sobre todas las precauciones. Use la
bicicleta de ejercicio solamente como se
describe.
3. La bicicleta de ejercicio está diseñada para
uso en casa solamente. No use la bicicleta de
ejercicio en ningún lugar comercial, de renta
o institucional.
4. Coloque la bicicleta de ejercicio en una
superficie plana. Guarde la bicicleta de ejerci-
cio en el interior, lejos de polvo y humedad.
Para protección, cubra el piso o la alfombra
debajo de la bicicleta de ejercicio.
5. Inspeccione y apriete frecuentemente todas
las piezas de la bicicleta de ejercicio.
6. Mantenga a los niños menores de 12 años y
animales domésticos lejos de la bicicleta de
ejercicio a todo tiempo.
7. La bicicleta de ejercicio deberá ser usado
solamente por personas cuyo peso sea 115
kg o menos.
8. Use ropa adecuada para el ejercicio; no use
ropa suelta que pueda engancharse en la
bicicleta de ejercicios. Siempre use calzado
de atletismo para protección de sus pies.
9. Al conectar los brazos eslabones a los peda-
les, asegúrese que los brazos eslabones
estén completamente sentados en los cojine-
tes de los pedales (refiérase a OPERACIÓN
DE LA BARANDA en la página 9). Si los bra-
zos eslabones no están en los cojinetes del
pedal, se pueden resbalar durante el uso,
resultando en lesiones al usuario.
10. Al ajustar la altura del asiento, asegúrese
que el pasador en la perilla del asiento esté
insertado dentro de uno de los orificios de
ajuste en el poste del asiento (refiérase a
COMO AJUSTAR EL ASIENTO en la página 9).
No descanse el poste del asiento en cima del
pasador en la perilla del asiento.
11. Siempre mantenga su espalda en una posi-
ción derecha cuando esté usando la bicicleta
de ejercicio; no se debe de colocar la espal-
da en posición de arco.
12. Si en cualquier momento mientras esté
haciendo sus ejercicios siente dolor o mareo
deténgase inmediatamente y empiece a rela-
jarse.
13. El sensor de pulso no es un dispositivo
médico. Varios factores incluyendo sus movi-
mientos durante el ejercicio, pueden afectar
la precisión de las lecturas del ritmo cardíaco
de su corazón. La intención del sensor es
solamente servir como ayuda en el ejercicio
para determinar la tendencia general del
ritmo cardíaco.
AVISO:Antes de comenzar éste o cualquier programa de ejercicios, consulte a su médico.
Esto es muy importante especialmente para personas mayores de 35 años o que tengan problemas
de salud pre-existentes. ICON no asume ninguna responsabilidad por lesiones personales o daños
materiales sufridos por o a través del uso de este producto.
PRECAUCIONES IMPORTANTES
AVISO: Para reducir el riesgo de lesiones serias, antes de usar la bicicleta de ejercicio lea
las siguientes precauciones importantes.

4
Gracias por seleccionar la nueva bicicleta de ejercicio
PROFORM®WHIRLWIND. El andar en bicicleta es
uno de los ejercicios más eficaces para aumentar el
bienestar cardiovascular, aumentar el rendimiento, y
entonar el cuerpo entero. El PROFORM®WHIRL-
WIND ofrece una variedad impresionante de caracte-
rísticas que le permiten disfrutar este ejercicio saluda-
ble en la conveniencia e intimidad de su propio hogar.
Para su beneficio, lea el manual cuidadosamente
antes de usar la bicicleta de ejercicio. Si tiene más
preguntas por favor póngase en contacto con el esta-
blecimiento dónde compró la máquina. El número del
modelo es PFEMEX15010. El número de serie se
puede buscar en la calcomanía pegada a la bicicleta
de ejercicio (vea la portada de éste manual para su
localización).
Antes de seguir leyendo, por favor estudie el dibujo
abajo y familiarícese con las piezas y sus nombres.
Sensor de Pulso
Manubrio
Porta Botella de Agua*
*No se incluye la botella para agua.
PARTE DE
ADELANTE
PARTE DE
ATRÁS
Asiento
Manubrio-T
Vara de Seguridad
Pedal
Consola
Porta Libros
Perilla del Asiento
Brazo Eslabón
LADO DERECHO
ANTES DE COMENZAR

5
MONTAJE
El montaje requiere dos personas. Coloque todas las piezas de la bicicleta de ejercicio en una área despejada
y quite los materiales de empaque. No se deshaga de los materiales de empaque hasta que el montaje se halla
completado.
El montaje se puede completar usando las herramientas incluidas; sin embargo, un martillo de goma
también se recomienda.
Este cuadro se provee para ayudarle a identificar las piezas pequeñas que se usan en el montaje. El número
que se encuentra entre paréntesis debajo de cada pieza hace referencia al número clave de cada pieza, de la
LISTA DE PIEZAS en la página 14. El segundo número se refiere a la cantidad que se usa en el montaje. Nota:
Algunas piezas pequeñas pueden haber sido armadas previamente para propósitos de envío. Si una
parte no se encuentra en la bolsa de las piezas, revise si ha sido armada previamente.
Perno de Porte de M10 x 75mm (65)–4
Tornillo de M4 x
12mm (77)–2
Perno Botón de M8 x 77mm (58)–2
Arandela Dividida
de M8 (81)–4 Arandela Plana
de M8 (73)–4
Contratuerca de
Nylon de M6
(56)–4
Contratuerca de
Nylon de M8
(66)–6
Contratuerca de
Nylon de M10
(64)–4
Arandela Dividida
de M10 (54)–6
Perno Botón de M6 x
38mm (57)–4 Tornillo Botón de M10
x 17mm (55)–3 Tornillo Botón de M10
x 23mm (80)–3
65
1. Conecte uno de los Estabilizadores (19) al frente del
Marco (1) con dos Pernos de Porte de M10 x 75mm
(65) y dos Contratuercas de Nylon de M10 (64). 19
64
1
1

6
2. Conecte el otro Estabilizador (19) a la parte de atrás
del Marco (1) con dos Pernos de Porte de M10 x
75mm (65) y dos Contratuercas de Nylon de M10
(64).
9. Gire la Perilla del Asiento (29) indicada en dirección
opuesta a las agujas del reloj dos o tres vueltas
para aflojarla. A continuación, jale la Perilla del
Asiento, levante el Poste del Asiento (6) a la altura
deseada, y entonces suelte la Perilla del Asiento.
Mueva el Poste del Asiento arriba y abajo un
poco hasta que se tranque dentro de su posi-
ción. Entonces, apriete la Perilla del Asiento.
Conecte el Asiento (20) al Poste del Asiento (6) con
cuatro Contratuercas de Nylon de M8 (66) y cuatro
Arandelas Divididas de M8 (81). Nota: Las
Contratuercas de Nylon y Arandelas Divididas tal
vez hayan sido pre-ensambladas al Asiento.
2
3
20
6
1
66
81
4. Aplique una cantidad pequeña de la grasa incluida
al Eje de la Baranda (33). Inserte el Eje de la
Baranda dentro del Marco (1) y céntrelo. Para evi-
tar daños al Alambre del Interruptor de Lengüeta
(31), asegúrese que esté colocado como se
muestra en el dibujo del recuadro. (Nota: Puede
ser de ayuda usar un martillo de goma para insertar
el Eje de la Baranda.)
Mientras que otra persona sostiene el Montante
Vertical (2) en la posición que se muestra, conecte
el Alambre de Extensión (39) al Alambre del
Interruptor de Lengüeta (31). Cuidadosamente jale
el extremo del Alambre del Interruptor de
Lengüeta para quitar lo flojo.
Cuidadosamente coloque el Montante Vertical (2)
en el Marco (1); tenga cuidado de no pellizcar el
Alambre de Extensión (39) o el Alambre del
Interruptor de Lengüeta (31). Conecte el Montante
Vertical con tres Tornillos Botón de M10 x 17mm
(55) y tres Arandelas Divididas de M10 (54).
65
19
64
64
1
29
2
39
55
55 54
54
31
1
Grasa
33
33
31
Protector
Lateral
1
4

7
6. Refiérase al dibujo del recuadro. Inserte el
Manubrio-T (4) dentro de la abertura en la parte
inferior de la Consola (3) como se muestra. Tenga
cuidado de evitar pellizcar el alambre de la con-
sola. Alinee los orificios en el tubo de metal en el
Manubrio-T con los orificios en el sujetador en la
Consola. Apriete dos Tornillos de M4 x 12mm (77)
dentro del orificios.
Mientras que otra persona sostiene la Consola (3)
cerca del Montante Vertical (2), conecte el alambre
de la consola al Alambre de Extensión (39). Inserte
el alambre de la consola en exceso y el Alambre de
Extensión dentro del Montante Vertical.
Conecte la Consola (3) al Montante Vertical (2) con
tres Tornillos de Botón de M10 x 23mm (80) y tres
Arandelas Divididas de M10 (54). Tenga cuidado y
evite pellizcar el alambre de la consola.
Conecte el porta libro dentro de la consola (3) como
se muestra.
6
5. La Consola (3) requiere cuatro pilas 1,5 V (“D”)
(que no se incluyen). Se recomiendan pilas alcali-
nas. Presione la lengüeta en la cubierta de pilas, y
quite la cubierta de pilas. Inserte cuatro pilas dentro
del compartimiento de pilas. Asegúrese que las
pilas estén orientadas como se muestra con las
marcas adentro del compartimiento de pilas.
Cierre la cubierta de las pilas.
3
Cubierta
de Pilas
Pilas
5
7. Identifique la Baranda Izquierda (7) y la Base de la
Baranda Izquierda (8), la cual está marcada con
calcomanías. Conecte la Baranda Izquierda a la
Base de la Baranda Izquierda con dos Pernos
Botón de M6 x 38mm (57) y dos Contratuercas de
Nylon de M6 (56).
Conecte la Baranda Derecha (que no se muestra) a
la Base de la Baranda Derecha (que no se mues-
tra) de la misma manera.
7
8
57
56
7
3
39
Alambre
de la
Consola
Tenga cuidado
de no pellizcar
el alambre de la
consola durante
este paso.
54 54
80
80
80
2
Sujetador
Tubo
77
77
4
3
Porta Libro

8
9. Identifique el Brazo Eslabón Izquierdo (15), el cual
está marcado con una calcomanía.
Aplique una cantidad pequeña de grasa a un Perno
Botón de M8 x 77mm (58). Inserte el Perno Botón
dentro de la Base de la Baranda Izquierda (8).
Deslice una Arandela Plana de M8 (73) un Cojinete
del Brazo Eslabón (45), el Brazo Eslabón Izquierdo
(15), y otra Arandela Plana de M8 al Perno Botón.
Asegúrese que el Cojinete del Brazo Eslabón y
el Brazo Eslabón Izquierdo estén volteados
como se muestra. Apriete una Contratuerca de
Nylon de M8 (66) al Perno Botón. Descanse la
ranura en el Brazo Eslabón Izquierdo en la vara de
seguridad Izquierda.
Conecte el Brazo Eslabón Derecho (que no se
muestra) a la Base de la Baranda Derecha (que no
se muestra) de la misma manera.
10. Quite la Tuerca del Pedal de 1/2" (68) del asta en
uno de los Pedales (23). Asegúrese que haya un
Resorte del Pedal (42), una Arandela Roja (71), y
un Cojinete del Pedal (43), una Arandela Negra del
Pedal (79), y una Espaciador del Pedal (44) en el
asta del Pedal. Además, asegúrese que el Cojinete
del Pedal (43) esté volteado como se muestra. A
continuación, firmemente apriete el asta del pedal
en dirección de las agujas del reloj dentro del Brazo
de la Manivela (26) izquierdo, y apriete la Tuerca
del Pedal de 1/2” (68) de nuevo al asta.
Conecte el otro Pedal (que no se muestra) de la
misma manera.
8
58
15
Vara de
Seguridad Ranura
73
66
9
11. Asegúrese de que todas las piezas de la bicicleta de ejercicio estén apretadas apropiadamente. Para
proteger el suelo o la alfombra de daño, coloque un tapete debajo la bicicleta de ejercicio.
8. Deslice las Barandas Izquierda y Derecha (7, 9) al
Eje de la Baranda (33). Asegúrese que las
Barandas estén en los lados correctos.
Usando la herramienta del pedal incluida, suave-
mente golpee una Tuerca de Empuje (78) a cada
extremo del Eje de la Baranda (33). Asegúrese que
las Tuercas de Empuje estén volteadas como se
muestra en el dibujo del recuadro. (Nota: Puede
ser de ayuda que otra persona sostenga un bloque
de madera contra un extremo del Eje de la Baranda
mientras que usted suavemente golpea las Tuercas
de Empuje a cada extremo.) Entonces, suavemente
golpee la Tapa Grande del Eje (49) a cada extremo
del Eje de la Baranda.
49
49
78
7
1
33
Lubrique
9
8
73 45
78
Herramienta
del Pedal 33
23
68
42
71
43 79 44
26
10

9
COMO USAR LA BICICLETA DE EJERCICIO
OPERACIÓN DE LA BARANDA
Las barandas se pueden usar en la función de doble
acción, para ambas la parte superior del cuerpo y la
parte inferior del cuerpo, o la función estacionaria, para
ejercicios de pedaleo solamente.
La Función de Doble Acción
Para convertir
las barandas a
la función de
doble acción,
los brazos esla-
bones se deben
conectar a los
pedales.
Refiérase al
dibujo 1.
Levante los bra-
zos eslabones
de las varas de
seguridad.
Refiérase al
dibujo 2. Jale
los brazos esla-
bones hacia
afuera contra la
parte superior
de las arandelas
rojas, mientras
que jala contra
la parte superior
de las arandelas rojas con sus dedos como se mues-
tra. Tenga cuidado de no pellizcar sus dedos. A con-
tinuación, deslice los brazos eslabones sobre los coji-
netes del pedal. Mueva los brazos eslabones arriba y
abajo un poco para asegurarse que estén completa-
mente sentados en los cojinetes del pedal. PRECAU-
CIÓN: Asegúrese que los brazos eslabones estén
completamente sentados en los cojinetes de los
pedales. Si los brazos eslabones no están en los
cojinetes del pedal, se pueden resbalar durante el
uso, resultando en lesiones al usuario.
Función Estacionaria
Para convertir las barandas a la función estacionaria,
los brazos eslabones deben estar desconectadas de
los pedales. Jale los brazos eslabones hacia afuera
contra las arandelas rojas hasta que los brazos eslabo-
nes estén libres de los cojinetes del pedal (vea el dibu-
jo 2 arriba). Tenga cuidado de no pellizcar sus
dedos. A continuación, levante los brazos eslabones
de los pedales, y engánchelos a las varas de seguri-
dad (vea el dibujo 1 arriba).
COMO AJUSTAR EL ASIENTO
Para obtener un ejer-
cicio efectivo, el
asiento debe estar en
la altura adecuada.
Mientras usted peda-
lea, debe de haber
un pequeño doblés
en sus rodillas cuan-
do los pedales estén
en la posición más
baja. Para ajustar el
asiento, primero gire
la perilla del asiento
en dirección opuesta
a las agujas del reloj
dos o tres vueltas
para aflojarla. A contiuación, jale la perilla del asiento,
levante o baje el poste del asiento, y entonces suelte la
perilla del asiento. Mueva el poste del asiento arriba y
abajo un poco hasta que se tranque dentro de su
posición. Entonces, apriete la perilla del asiento. PRE-
CAUCION: Asegúrese que el pasador en la perilla del
asiento esté insertado dentro de uno de los orificios
de ajuste en el poste del asiento. No descanse el
poste del asiento en cima del pasador en la perilla
del asiento.
DESCRIPCIÓN DE LA CONSOLA
La consola le ofrece seis diferentes selecciones que le
proveen información instantánea. Las selecciones se
describen abajo.
• Tiempo (TIME)—Esta función le muestra el tiempo
transcurrido.
• Distancia (DISTANCE)—Esta función le muestra el
número total que usted ha pedaleado.
• Velocidad (SPEED)—Esta función le muestra la veloci-
dad de su pedaleo. Nota: La velocidad y la distancia se
puede mostrar en millas o kilómetros. Una MPH o una
KPH aparecerá cuando se muestre la velocidad para
mostrar cual unidad de medida está seleccionada. Para
cambiar la unidad de medida, presione y sostenga el
botón de ON/RESET por diez segundos.
• Calorías (CALS.)—Esta función le muestra el número
aproximado de calorías que ha quemado.
• Calorías Grasa (FAT CALS.)—Esta función le muestra el
número aproximado de calorías grasa que usted ha que-
mado (vea Quemar Grasa en la página 13).
• Pulso (PULSE)—Esta función le muestra su ritmo car-
díaco cuando el sensor de pulso se usa (vea el paso 3
en la página 10).
Poste del
Asiento
Vara de
Seguridad
1
Brazo Eslabon
Arandela
Roja Cojinete
del Pedal
2
Brazo
Eslabon
Perilla del
Asiento
Asiento

10
INSTALACIÓN DE LAS PILAS
La consola requiere cuatro pilas 1,5 V (“D”). Vea el
paso 5 en la página 7 para instalar las pilas.
COMO OPERAR LA CONSOLA
Nota: Si hay una hoja delgada de plástico transparen-
te, retírela.
1. Para encender
la conssola,
presione el
botón de
ON/RESET o
comience a
pedalear.
2. Comience a hacer ejercicios y siga su progreso con
las dos pantallas.
Pantalla
Izquierda—Esta
pantalla mues-
tra el tiempo
transcurrido y la
distancia que
usted ha peda-
leado. La pan-
talla cambiará
de un número a otro cada siete segundos, como se
muestra por los indicadores en la pantalla.
Pantalla
Derecha—Esta
pantalla mues-
tra su velocidad
del pedaleo y el
número aproxi-
mado de calo-
ries y calorías
grasa que usted
ha quemado. Cuando el sensor de pulso para el
pulgar se usa, la pantalla también le mostrará su
ritmo cardíaco (vea el paso 3 a la derecha). Cada
siete segundos, la pantalla cambiará de un número
al otro, como se muestra por los indicadores en la
pantalla.
Para reajustar las pantallas en cualquier momento,
presione el botón de ON/RESET.
3. Mida su pulso si lo desea.
Para medir su
pulso, párese de
pedalear y colo-
que su pulgar en
el sensor de
pulso como se
muestra. El sen-
sor de pulso se
activa—con la
presión. No presione demasiado fuerte o reducirá
la circulación en su pulgar y su pulso no será
detectado. A continuación, levante suavemente su
pulgar, hasta que el indicador en forma de corazón
en la pantalla derecho mantenga la señal intermiten-
te. Mantenga su pulgar a este nivel. Después de
algunos segun-
dos, dos guiones
aparecerán en la
pantalla y su
pulso se mostra-
rá. Sostenga su
pulgar sobre el
sensor por otros
15 segundos
para una lectura
más precisa. Si el pulso mostrado parece ser muy
alto o muy bajo, o si su pulso no aparece, levante
su pulgar del sensor y permita que la pantalla se
reajuste. Presione otra vez sobre el sensor como
se describe arriba.
Asegúrese de que esté ejerciendo la presión indica-
da. Pruebe el sensor de pulso varias veces hasta
que se familiarice con él. Recuerde mantenerse
quieto mientras mide su pulso.
4. Para apagarlo, simplemente espere alrededor de
algunos minutos. La consola tiene un apagador
automático. Si los pedales no se mueven y los
botones de ON/RESET no se presionan por
algunos minutos, la consola se apagará automá-
ticamente con el fin de conservar las pilas.
Indicators

11
MANTENIMIENTO Y ALMACENAMIENTO
Inspeccione y apriete regularmente las piezas de la bici-
cleta de ejercicio. La bicicleta de ejercicio se puede lim-
piar con una tela suave y húmeda y una cantidad peque-
ña de detergente suave. No use abrasivos o solventes.
PROBLEMAS CON LA CONSOLA
Si la consola no funciona apropiadamente, las pilas se
deben reemplazar. Vea el paso 5 en la página 7 para
ver las instrucciones de la instalación de pilas.
AJUSTANDO LA CORREA
La bicicleta de ejercicio ofrece una correa de presición
que se tiene que mantener ajustada apropiadamente.
Si la correa está muy apretada, los forros del cojinete
pueden estar dañados; si la correa está muy floja, el
ventilador puede estar dañado. Si la correa causa rueda
excesivo, o resbala quando está pedalando, sigue los
pasos abajo.
Cuidadosamente mueva los cuatro Sujetadores del
Protector (76), el Ajustador del Protector (35) izquierdo,
y el Protector Izquierdo (13). Presione la Correa (22)
hacia abajo. No debe haber mas de 19mm de una
pulgada, y no menos de 6mm de movimiento ver-
tical en el centro de la Correa.
Si la Correa (22) se necesita ajutar, afloje el Ajustador
del Protector (que no se muestra). Para apretar la
correa, de vuelta a las Tuercas de M6 (53) en dirección
de las agujas del reloj. Para aflojar la correa, de vuelta
a las Tuercas de M6 en dirección opuesta a las agujas
del reloj. Asegúrese que el ventilado esté enderezado,
y entonces vuelva a conectar el Protector Izquierdo,
apriete los Ajustadores del Protector, y vuelva a conec-
tar los Sujetadores del Protector.
AJUSTANDO EL INTERRUPTOR DE LENGÜETA
Si la consola no muestra información correcta, el inte-
rruptor de lengüeta se debe ajustar. Para ajustar el inte-
rruptor de lengüeta, el Protector Lateral Derecho (18)
se debe quitar (refiérase al dibujo de abajo). Quite los
cuatro Tornillos de M4 x 25mm (69) del Protector
Lateral Izquierdo (17). Levante el Brazo Eslabón
Derecho (16) del pedal o la vara de seguridad y muéva-
lo alejado del Protector Lateral Derecho. Jale la parte
superior del Protecor Lateral Derecho alejado del
Protector Lateral Izquierdo.
35
76
76 69
18
17
69
Vara de
Seguridad
16
69
76
13
53
22
Ventilador

12
A continuacion, localice el Interruptor de Lengüeta
(31). De vuelta al Brazo de la Manivela (26) hasta que
el Imán (48) esté alineado con el Interruptor de
Lengüeta. Afloje, pero no quite el Tornillo de M4 x
16mm (27). Deslice el Interruptor de Lengüeta un
poco o más alejado del Imán. Vuelva a apretar el
Tornillo. De vuelta al Brazo anivela por un momento.
Repita hasta que la pantalla de la consola muestre
información correcta. Cuando el Interruptor de
Lengüeta está ajustado correctamente, vuelva a
conectar el Protector Lateral Derecho.
32
31
27
48
26
Nota: Para claridad, el
Protector Lateral
Derecho no se muestra.

13
La siguiente guía le ayudará a formar su plan de ejerci-
cio. Para información más detallada sobre ejercicio,
obtenga un libro de prestigio o consulte a su médico.
INTENSIDAD DEL EJERCICIO
Tanto si su meta es quemar grasa o fortalecer su sistema
cardiovascular, la clave para lograr los resultados desea-
dos es llevar a cabo los ejercicios con la intensidad apro-
piada. El nivel de la intensidad apropiado se puede
encontrar al usar su ritmo cardíaco como guía. El gráfico
abajo muestra algunos niveles de ritmo cardíacos que se
recomiendan para quemar grasa y ejercicio aeróbico.
Para encontrar el ritmo cardíaco apropiado para usted,
primero encuentre su edad en el gráfico arriba (las eda-
des se muestran redondeadas a los diez años más cer-
canos). A continuación, encuentre los tres números que
se hallan abajo de su edad. Los tres números son su
“zona de entrenamiento.” El número más bajo es un
ritmo cardíaco que se recomienda para quemar grasa
(Fat Burn); el numero en el medio es el ritmo cardíaco
recomendado para quemar el máximo grasa, y el número
más alto es el ritmo cardíaco recomendado para el ejerci-
cio aeróbico (Aerobic).
Quemar Grasa
Para quemar la grasa de forma eficaz, usted debe hacer
ejercicio a un nivel relativamente bajo de intensidad por
un período de tiempo continuado. Durante los primeros
minutos de ejercicio, su cuerpo usa calorías de los hidra-
tos de carbono que son fácilmente accesibles como
energía. Solo después de los primeros minutos su cuer-
po empieza a usar calorías de grasa almacenada como
energía. Si su meta es quemar grasa, ajuste la intensi-
dad de su ejercicio hasta que su ritmo cardíaco esté
cerca del número más bajo en medio de su zona de
entrenamiento.
Ejercicio Aeróbico
Si su meta es fortalecer su sistema cardiovascular, su
ejercicio debe ser “aeróbico.” El ejercicio aeróbico es
una actividad que requiere grandes cantidades de oxíge-
no por largos períodos de tiempo. Esto aumenta la
necesidad del corazón de bombear sangre a los múscu-
los y de oxigenación de la sangre por los pulmones.
Para hacer ejercicio aeróbico, ajuste la intensidad de su
bicicleta de ejercicio hasta que su ritmo cardíaco esté
cerca del número más alto en su zona de entrenamien-
to.
GUÍA DE ENTRENAMIENTO
Cada plan de ejercicio debe de incluir las tres siguientes
partes:
Calentamiento—Empiece cada entrenamiento con 5 a
10 minutos de estiramiento y ejercicio ligero para calenta-
miento. Un calentamiento apropiado aumenta la tempera-
tura de su cuerpo, ritmo cardíaco, y circulación en prepa-
ración para el ejercicio.
Zona de Ejercicio de Entrenamiento—Después de
calentar, incremente la intensidad de su ejercicio hasta
que su pulso esté en su zona de entrenamiento por 20 a
60 minutos. (Durante las primeras semanas de su progra-
ma de ejercicio, no mantenga su pulso en su zona de
entrenamiento por más de 20 minutos.)
Enfriamiento—Termine cada entrenamiento con 5 a 10
minutos de estiramiento para enfriarse. Esto incrementará
la flexibilidad de sus músculos y le ayudará a prevenir
problemas posteriores.
FRECUENCIA DEL EJERCICIO
Para mantener o incrementar su condición, haga tres
entrenamientos por semana, con al menos un día de des-
canso entre los entrenamientos. Después de algunos
meses, usted puede completar hasta cinco entrenamien-
tos cada semana si lo desea.
AVISO
:
Antes de comenzar éste o
cualquier programa de ejercicios, consulte a
su médico. Esto es muy importante especial-
mente para personas mayores de 35 años o
que tengan problemas de salud preexistentes.
Los sensores de pulso no son dispositivos
médicos. Varios factores, incluyendo sus
movimientos durante el ejercicio, pueden
afectar la precisión de las lecturas del ritmo
cardíaco de su corazón. La intención de los
sensores son solamente servir como ayuda
en el ejercicio para determinando la tendencia
general del ritmo cardíaco.
GUÍAS DE EJERCICIO FÍSICO

14
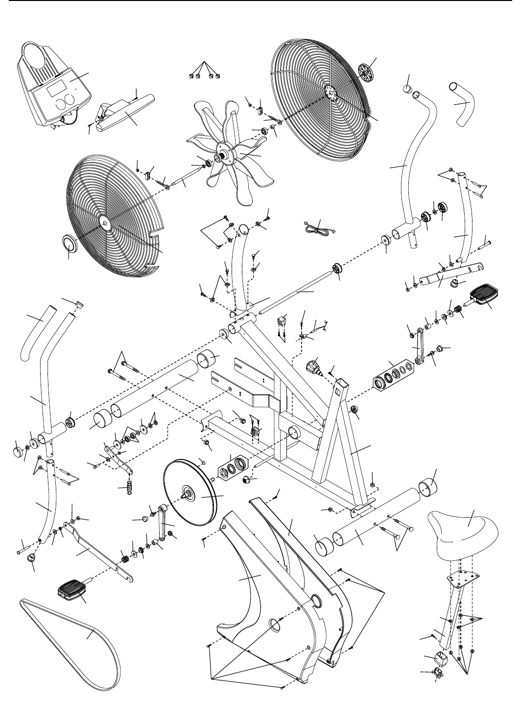
1 1 Marco
2 1 Montante Vertical
3 1 Consola
4 1 Manubrio-T
5 1 Ventilador
6 1 Poste de Asiento
7 1 Baranda Izquierda
8 1 Base de la Baranda Izquierda
9 1 Baranda Derecha
10 1 Base de la Baranda Derecha
11 2 Mango de Espuma
12 2 Tapa Extremo de la Baranda
13 1 Protector Izquierdo
14 1 Protector Derecho
15 1 Brazo Eslabón Izquierdo
16 1 Brazo Eslabón Derecho
17 1 Protector Lateral Izquierdo
18 1 Protector Lateral Derecho
19 2 Estabilizador
20 1 Asiento
21 4 Tapa Extremo del Estabilizador
22 1 Correa
23 2 Pedal
24 2 Tapa Extremo de la Base de la
Baranda
25 1 Polea/Manivela
26 2 Brazo de la Manivela
27 2 Tornillo de M4 x 16mm
28 1 Montaje del Forro del Cojinete
29 1 Perilla de Asiento
30 2 Sujetador de la Cubierta
31 1 Alambre/Interruptor de Lengüeta
32 1 Abrazadera
33 1 Eje de la Baranda
34 6 Cojinete de la Baranda
35 2 Ajustador del Protector
36 1 Eje del Ventilador
37 2 Forro del Cojinete del Ventilador
38 2 Sujetador de Ajuste
39 1 Alambre de Extención
40 1 Brazo Estable
41 2 Cubierta de la Manivela
42 2 Resorte del Pedal
43 2 Cojinete del Pedal
44 2 Espaciador del Pedal
45 2 Cojinete del Brazo Eslabón
46 1 Guía del Asiento
47 1 Cojinete del Poste del Asiento
48 1 Imán
49 2 Tapa Grande del Eje
50 2 Tapa Pequeño del Eje
51 1 Arandela del Ventilador
52 2 Perno de Ojete
53 2 Tuerca de M6
54 6 Arandela Dividida de M10
55 3 Tornillo Botón de M10 x 17mm
56 4 Contratuerca de Nylon de M6
57 4 Perno Botón de M6 x 38mm
58 2 Perno Botón de M8 x 77mm
59 1 Tornillo de Cabeza Plana de M10 x
25mm
60 2 Guía de la Arandela
61 2 Forro del Cojinete de la Correa
62 4 Tornillo Redondo de M4 x 16mm
63 2 Tuerca de Empuje Estable
64 5 Contratuerca de Nylon de M10
65 4 Perno de Porte de M10 x 75mm
66 6 Contratuerca de Nylon de M8
67 2 Tornillo con Reborde
68 2 Tuerca del Pedal de 1/2”
69 9 Tornillo de M4 x 25mm
70 1 Tornillo de M4 x 4mm
71 2 Arandela Rojo
72 2 Arandela del Forro del Cojinete del
Estable
73 4 Arandela Plana de M8
74 1 Espaciador del Ventilador
75 1 Resorte Estable
76 4 Suejtador del Protector
77 2 Tornillo de M4 x 12mm
78 2 Tuerca de Empuje
79 2 Arandela Negra del Pedal
80 3 Tornillo Botón de M10 x 23mm
81 4 Arandela Dividida de M8
82 1 Arandela del Brazo Estable
# 1 Manual del Usuario
Nota: Este signo # significa una parte no ilustrada. Características técnicas están sujetas a cambios sin previo
aviso. Vea el reverso de este manual para ordenar piezas de repuesto.
LISTA DE PIEZAS—Núm. de Modelo PFEMEX15010 R0102A
Núm.
Clave Ctd. Descripción Núm.
Clave Ctd. Descripción

15
DIBUJO DE LAS PIEZAS—Núm. de Modelo PFEMEX15010 R0102A
1
2
3
4
5
6
7
8
9
10
11
11
12
12
14
13
15
16
17
18
19
19
20
21
21
21
21
22
23
23
25
26
26
28
28
29
30 31
32
30
33 34
34
34
34
34
34
35
35
36
37
37
38
38
39
40
41
41
42
43 44
42
43
44
45
45
46
47
48
49
78
50
50
74
51
52
53
52
53
54 54
54
54
55
55
80
80
56
56 57
57
58
58
59
60
60 63
61
64
66
66
64
64
64
64
65
65
66
67
68
67
68
62
27
69
69
69
69
77
77
62
70
71
71
82
72
73
73
75
78
49
55
76
79
73
79
81
81
27
24
24
73

Parte Núm. 182410 R0102A Impreso en China © 2002 ICON Health & Fitness, Inc.
COMO SOLICITAR PIEZAS DE REPUESTO
Para pedir piezas de repuesto, póngase en contacto con el establecimiento donde compró su equipo. Cuando
vaya a pedir piezas, por favor esté preparado para la siguiente información:
• el NÚMERO DE MODELO de la máquina (PFEMEX15010)
• el NOMBRE de la máquina (PROFORM®WHIRLWIND bicicleta de ejercicio)
• el NÚMERO DE SERIE de la máquina (vea la portada de este manual)
• el NÚMERO y DESCRIPCIÓN de la(s) pieza(s) (vea la página 14 y 15 de este manual).