Proform Pfevel24831 485 P Elliptical Users Manual *PFEVEL24830 200945(FR)
2015-04-14
: Proform Proform-Pfevel24831-485-P-Elliptical-Users-Manual-700278 proform-pfevel24831-485-p-elliptical-users-manual-700278 proform pdf
Open the PDF directly: View PDF
.
Page Count: 16

MANUEL DE L’UTILISATEUR
ATTENTION
Lisez toutes les précautions et
les instructions contenues
dans ce manuel avant d’utili-
ser cet appareil. Gardez ce
manuel pour vous y référer
ultérieurement.
Nº. du Modèle PFEVEL24831
Nº. de Série
Autocollant
du Numéro
de Série
www.iconeurope.com
Notre website à
QUESTIONS?
En tant que fabricant nous
nous engageons à satisfaire
notre clientèle entièrement. Si
vous avez des questions ou si
des pièces sont manquantes,
veuillez-nous contacter à :
du lundi au jeudi de 9h00 à
13h00 et de 14h00 à 18h00, le
vendredi de 14h00 à 17h00 (à
l’exception des jours fériés).
(33) 01 30 86 56 81
Produit de Sport de Classe HC

2
TABLE DES MATIÈRES
PRÉCAUTIONS IMPORTANTS 3
AVANT DE COMMENCER . . . . . . . . . . . . . . . . . . . . . . . . . . . . . . . . . . . . . . . . . . . . . . . . . . . . . . . . . . . . . . . . . . .4
ASSEMBLAGE . . . . . . . . . . . . . . . . . . . . . . . . . . . . . . . . . . . . . . . . . . . . . . . . . . . . . . . . . . . . . . . . . . . . . . . . . . . .5
COMMENT UTILISER LE ELLIPTICAL CROSSTRAINER . . . . . . . . . . . . . . . . . . . . . . . . . . . . . . . . . . . . . . . . . .9
ENTRETIEN ET PROBLÈMES . . . . . . . . . . . . . . . . . . . . . . . . . . . . . . . . . . . . . . . . . . . . . . . . . . . . . . . . . . . . . . .11
CONSEILS DE MISE EN FORME . . . . . . . . . . . . . . . . . . . . . . . . . . . . . . . . . . . . . . . . . . . . . . . . . . . . . . . . . . . .12
LISTE DES PIÈCES . . . . . . . . . . . . . . . . . . . . . . . . . . . . . . . . . . . . . . . . . . . . . . . . . . . . . . . . . . . . . . . . . . . . . . .14
SCHÉMA DÉTAILLÉ . . . . . . . . . . . . . . . . . . . . . . . . . . . . . . . . . . . . . . . . . . . . . . . . . . . . . . . . . . . . . . . . . . . . . . .15
POUR COMMANDER DES PIÈCES DE RECHANGE . . . . . . . . . . . . . . . . . . . . . . . . . . . . . . . . . . .Dernière Page
PROFORM est une marque enregistrée de ICON IP, Inc.

3
1. Veuillez lire attentivement ce manuel de l’uti-
lisateur avant d’utiliser le elliptical crosstrai-
ner. N’utilisez le elliptical crosstrainer que
de la manière décrite.
2. Il est de la responsabilité du propriétaire de
s’assurer que tous les utilisateurs du ellipti-
cal crosstrainer sont correctement informés
de toutes les précautions décrites dans ce
manuel.
3. Le elliptical crosstrainer est conçu pour être
utilisé chez vous. Le elliptical crosstrainer
ne doit pas être utilisé dans une institution
commerciale ou pour la location.
4. Placez le elliptical crosstrainer sur une sur-
face plane et sur un revêtement pour proté-
ger votre tapis ou sol. Utilisez et gardez le
elliptical crosstrainer à l’intérieur, loin de
l’humidité et de la poussière.
5. Vérifiez et serrez fréquemment toutes les
pièces du elliptical crosstrainer. Remplacez
immédiatement les pièces usées.
6. Tenez les enfants de moins de 12 ans et les
animaux domestiques éloignés du elliptical
crosstrainer.
7. Le elliptical crosstrainer ne doit jamais être
utilisé par des personnes dont le poids est
supérieur à 115 kg.
8. Portez des vêtements appropriés quand
vous utilisez le elliptical crosstrainer. Portez
toujours des chaussures de sport pour pro-
téger vos pieds.
9. Lorsque vous montez ou descendez le ellip-
tical crosstrainer, tenez toujours les guidons
et placez-vous sur la pédale à la position
inférieure.
10. A chaque fois que vous vous exercez sur le
elliptical crosstrainer, laissez les pédales
s’arrêter complètement avant de descendre
de l’exerciseur.
11. Gardez toujours votre dos bien droit quand
vous vous servez du elliptical crosstrainer.
N’arquez pas votre dos.
12. Cessez immédiatement vos exercices si
vous ressentez une douleur ou des étourdis-
sements, et commencer des exercices de
retour à la normale.
13. L’ autocollant d’avertissement illustré ci-des-
sous etait apposé sur l’elliptical crosstrai-
ner. Trouvez la feuille d’autocollant qui
contient l’information dans quatre langues.
Placez l’autocollant en français par-dessus
les autocollants en anglais.Si l’autocollant
est manquant ou illisible, veuillez communi-
quer avec notre service à la clientèle, pour
commander un nouveau autocollant gratuit.
Apposez le nouvel autocollant à l’endroit
indiqué.
PRÉCAUTIONS IMPORTANTS
ATTENTION : afin de réduire les risques de blessures graves, lisez ces précautions
importants dans ce manuel avant d’utiliser le elliptical crosstrainer.
ATTENTION : Consultez votre médecin avant d'entreprendre un programme d'exer-
cices. Ceci s'adresse plus particulièrement aux personnes âgées de plus de 35 ans ou aux per-
sonnes qui ont déjà eu des problèmes de santé. Lisez toutes les instructions avant de vous servir
de l’appareil. ICON ne se tient aucunement responsable des blessures ou dégâts matériels résul-
tant de l'utilisation de cet appareil.
ELLIP/BIKE NON
FREEWHEEL
209489 and
210125
211409
D

4
AVANT DE COMMENCER
Merci d’avoir sélectionné le PROFORM®485P ellipti-
cal crosstrainer. Le PROFORM®485P est un appareil
incroyablement confortable qui bouge vos pieds d’une
manière naturelle et elliptique, réduisant l’impact sur
vos genoux et vos chevilles. Et les caractéristiques
uniques 485P, la résistance réglable, les guidons pour
la partie supérieure du corps, et une console à mode
multiples pour vous aider à profiter d’un maximum de
vos exercices. Bienvenu au nouveau monde de PRO-
FORM aux mouvements naturels et elliptiques.
Pour votre bénéfice, veuillez lire attentivement ce
manuel avant d'utiliser le elliptical crosstrainer. Si
vous avez des questions, veuillez contacter le service
àla clientèle au numéro suivant : (33) 01 30 86 56 81
du lundi au jeudi de 9h00 à 13h00 et de 14h00 à
18h00 et le vendredi de 14h00 à 17h00 (à l’exception
des jours fériés). Le numéro du modèle est le PFE-
VEL24831. Le numéro de série est inscrit sur l’auto-
collant qui est apposé sur le elliptical crosstrainer
(l’emplacement de l'autocollant est indiqué sur le
schéma en première page).
Nous vous suggérons d’étudier le schéma ci-dessous
et de vous familiariser avec les pièces avant de conti-
nuer à lire le manuel de l’utilisateur.
Bouton de Résistance
Console
AVANT
ARRIÈRE
CÔTÉ GAUCHE
Bras de la Pédale
Roue
Disque de la Pédale
Pédale
Montant
Panneau Latéral
Guidon

5
ASSEMBLAGE
L’assemblage requiert deux personnes. Placez toutes les pièces du elliptical crosstrainer sur une aire déga-
gée et enlevez les emballages. Ne jetez pas les emballages avant d'avoir terminé l'assemblage.
En plus de la clé hexagonale incluse, l’assemblage requiert un tournevis philips , deux clés
réglables , un maillet en caoutchouc , et une pince .
Ce tableau est fourni de manière à ce que vous puissiez identifier les petites pièces utilisées lors de l'assembla-
ge. Le nombre entre parenthèses sous chaque pièce réfère au numéro de la pièce de la LISTE DES PIÈCES à
la page 14. Le second numéro indique le nombre de pièces utilisées lors de l’assemblage. Remarque :
Certaines pièces sont déjà assemblées pour faciliter le transport de ce produit ; si vous ne pouvez pas
trouver une pièce dans le sac des pièces, vérifiez le cadre pour voir si la pièce est déjà assemblée.
Boulon en Bouton de
M8 x 45mm (50)–4
Vis de M4 x
12mm (42)–4
Écrou de Verrouillage en
Nylon de M8 (38)–6 Écrou de Verrouillage
en Nylon de M10 (33)–6
Rondelle Fendue
de M10 (59)–2
Boulon de Carrosserie de
M10 x 75mm (34)–4
Vis à Collerette de
M4 x 19mm (36)–6
Série de Boulon du Bras
de la Pédale (40)–2
Rondelle Ondulée
(73)–2 Rondelle de M8,5
(55)–2 Rondelle Grande de
M8,5 (35)–2
Vis en Métal/Nylon de
M8 x 25mm (56)–2
Boulon en Bouton de M10 x 76mm (67)–2
1. Identifiez le Stabilisateur Avant (10). Pendant qu’une
autre personne soulève l’avant du Cadre (1), atta-
chez le Stabilisateur Avant au Cadre avec deux
Boulons de Carrosserie de M10 x 75mm (34) et
deux Écrous de Verrouillage en Nylon de M10 (33).
Assurez-vous que le Stabilisateur Avant est tour-
né de manière à ce que les Roules (22) ne tou-
chent pas le sol.
1
1
10
22
22
33
34

6
2. Pendant qu’une autre personne soulève légèrement
l’arrière du Cadre (1), attachez le Stabilisateur
Arrière (9) au Cadre avec deux Boulons de
Carrosserie de M10 x 75mm (34) et deux Écrous de
Verrouillage en Nylon de M10 (33).
3. Pendant qu’une autre personne tient le Montant (2)
proche du Cadre (1) comme indiqué, branchez le Fil
Supérieure (44) au Fil du Capteur Magnétique (53).
Ensuite branchez le Câble de Résistance (45) au
Câble de Résistance Inférieure (65) de la manière
suivante :
•Référez-vous au dessin A. Tirez le support métal-
lique et insérez la pointe du Câble de Résistance
(45) dans la pince du fil sur le Câble de Résistance
Inférieure (65) comme indiqué.
•Référez-vous au dessin B. Fermement tirez le
Câble de Résistance (45) et glissez-le dans le sup-
port métallique sur le Câble de Résistance
Inférieure (65) comme indiqué.
•Référez-vous au dessin C. Utilisez les pinces,
pressez les fourchettes sur l'extrémité supérieure
du support métallique ensemble.
Glissez le Montant (2) dans le Cadre (1) ; assurez-
vous de ne pas pincer les fils ou les câbles.
Attachez le Montant avec deux Boulons en Boutons
de M10 x 76mm (67), des Écrous de Verrouillage en
Nylon de M10 (33), deux Rondelles Fendues de
M10 (59). Ne serrez pas les Boulons de
Carrosserie maintenant.
33
1
2
34
9
33
65 65
45
Support
Métallique
45
B
AC
65
45
4
42
44 45
Fil de la
Console
42
63
23
2
4. Branchez le Fil Supérieur (44) au fil de la Console
(23). Après, attachez la Console au Montant (2) à
l'aide de quatre Vis de M4 x 12mm (42).
Appuyez le Bouton de Résistance (63) sur la
Contrôl de Résistance (45).
65
44
45
67
33
59
59
53
2
1
Assurez-vous
de ne pas pin-
cer les fils ou
les câbles.
3

7
6. Appliquez une couche généreuse de la graisse inclu-
se sur l’Essieu de Pivot (71) et sur duex Rondelles de
M8,5 (55). Insérez l’Essieu de Pivot dans le Montant
(2) et placez-le au centre. Ré-appliquez de la graisse
sur les deux extrémités de l’Essieu de Pivot.
Glissez une Bague d’Espacement du Guidon (56) sur
le petit tube sur chaque Guidon (6, 8) puis tournez la
Bague d’Espacement du Guidon de manière à ce que
la petite flèche pointe vers le bas. Glissez ensuite le
Guidon Gauche sur l’Essieu de Pivot (71). Assurez-
vous que les Guidons soient sur le côté correct.
Serrez une Vis de en Métal/Nylon de M8 x 25mm (22)
avec une Rondelle de M8,5 (55) et une Rondelle
Ondulée (73) sur chaque extrémité de l’Essieu de
Pivot. Orientez les deux Embouts du Guidon (46)
comme illustrés, et puis enfoncez ensuite les petites
languettes sur l’Embout du Guidon dans les deux
Bagues d’Espacement du Guidon (47).
5. Identifiez le Guidon Gauche (6) qui est marqué avec
un autocollant. Insérez le Guidon Gauche dans l'un
des Bras du Guidon (5) ; assurez-vous que le Bras
du Guidon est tourné de manière à ce que les
trous hexagonaux sont dans le côté indiqué.
Attachez le Guidon Gauche dans un des Bras du
Guidon avec deux Boulons en Bouton de M8 x 45mm
(50) et des Écrous de Verrouillage en Nylon de M8
(38). Assurez-vous que les Écrous de Verrouillage
en Nylon sont à l'intérieur des trous hexagonaux.
Ne serrez pas complètement les Boulons en
Bouton maintenant.
Attachez le Guidon Droit au autre Bras du Guidon
(pas illustré) de la même manière.
7
5
11
35
38
67
40
40
Graisse
16
7. Appliquez une petite quantité de la graisse à l’axe sur
la Barre Latérale du Disque (16) gauche. Glissez le
Bras de la Pédale Gauche (11) sur l’axe et attachez-
le avec une Rondelle Grande M8,5 (35) et l’Écrou de
Verrouillage en Nylon de M8 (38).
Insérez le Bras du Guidon (5) gauche dans le support
sur l’extrémité du Bras de la Pédale Gauche (11) et
attachez-le avec une Série de Boulon du Bras de la
Pédale (40).
Répétez cette étape pour attacher le Bras de la
Pédale Droite (pas illustré).
Référez-vous au étape 5. Serrez les Boulons en Bouton
de M8 x 45mm (50) dans les Bras du Guidon (5).
Serrez les Boulons en Bouton de M10 x 76mm (67).
6
50
38
5Trous
Hexagonaux
5
2
55 73
71
8
6
56
46
47
Graisse
Flèche
Tube
6

8
10. Assurez-vous que toutes les pièces soient vissées correctement avant d’utiliser le elliptical cross-
trainer. Pour protéger votre sol ou votre tapis de l’usure, placez un revêtement sous le elliptical crosstrainer.
9. La Console (23) requiert deux piles de 1,5V (non-
incluses). Des piles alcalines sont recommandées.
Glissez le Couvercle de Piles (29) comme indiqué.
Appuyez deux piles dans le pince de piles ; assurez-
vous que les pôles négatifs (“–”) des piles tou-
chent les ressorts dans le pince des piles. Fermez
le couvercle.
9
8
29
23
11
36
13
Pince des Piles
Piles
8. Trouvez la Pédale Gauche (13), qui a un rebord sur
le côté droit. Attachez la Pédale Gauche à la Bras de
laPédale Gauche (11) avec trois Vis à Collerette de
M4 x 19mm (36) comme indiqué.
Attachez la Pédale Droite à la Bras de la Pédale
Droite (pas indiqué) de la même manière.

9
COMMENT UTILISER LE ELLIPTICAL CROSSTRAINER
COMMENT VOUS EXERCEZ AVEC LE ELLIPTICAL
CROSSTRAINER
Pour monter sur le elliptical crosstrainer, tenez ferme-
ment les guidons et placez-vous sur la pédale à la
position inférieure avec précaution. Ensuite, mettez
l’autre pied sur l’autre pédale. Poussez les pédales
jusqu’à ce qu’elle bougent d’une manière continue.
Remarque : Les disques de pédales peuvent tour-
ner dans les deux directions. Il est recommandé
de tourner les disques de la pédale dans la direc-
tion indiquée ci-dessous ; cependant pour varier
vos exercices, vous pouvez choisir de tourner les
pédales dans la direction opposée.
Pour descendre du elliptical crosstrainer,attendez jus-
qu’à ce que les pédales soient complètement arrê-
tées. ATTENTION : Le elliptical crosstrainer n’a
pas de roue libre ; les pédales continueront à bou-
ger jusqu’à ce que le volant s’arrête. Quand les
pédales sont à l’arrêt, descendez en enlevant le pied
de la pédale supérieure d’abord. Ensuite, en enlevant
le pied de la pédale inférieure.
COMMENT RÉGLER LA RÉSISTANCE DES PÉDALES
Alors que vous
vous exercez,
vous pouvez
régler la résistan-
ce des pédales
avec le bouton de
résistance sur la
console. Pour
augmenter la
résistance, tour-
nez le bouton de
résistance dans
le sens des aiguilles d’une montre. Pour réduire la
résistance, tournez le bouton de résistance dans le
sens inverse des aiguilles d’une montre. Important :
Le bouton ne s'arrêtera peut-être pas lorsque le
niveau maximum ou minimum est atteint. Lorsque
le bouton devient plus difficile de tourner, arrêtez
de le tourner sinon il sera endommagé.
DESCRIPTION DE LA CONSOLE
La console inno-
vatrice offre un
mode manual et
trois programme
d’allure et de
motivation.
Chaque pro-
gramme d’allure
est conçu pour
vous guider au
travers d’un pro-
gramme d’exer-
cices efficace en réglant l’allure de vos exercices.
Alors que vous vous exercez, six moniteurs de modes
vous pourvoiront continuellement des renseignements
sur les exercices effectués. Voici la description des
moniteurs de modes :
Vitesse [SPEED]—Ce mode indique la vitesse à
laquelle vous pédalez en kilomètres par heure.
Temps [TIME]—Si vous sélectionnez le mode (l’en-
traînement) manuel, l’affichage vous indiquera le
temps écoulé. Si vous sélectionnez l’une des trois
programmes d’entraînement, l’affichage vous indique-
ra le temps qu’il reste jusqu’à la fin du programme.
Distance [DISTANCE]—Ce mode indique la distance
que vous avez pédalé en kilomètres.
Calories de Graisse [FATCALS]—Ce mode indique le
nombre approximatif de calories de graisse que vous
avez brûlées. (Référez-vous à Brûler de la Graisse à
la page 13).
Calorie [CALS]—Ce mode indique le nombre approxi-
matif de calories que vous avez brûlées.
Balayage [SCAN]—Ce mode affiche les modes
Vitesse, Temps, Distance, Calories de Graisse, et
Calorie, l’un après l’autre pendant cinq secondes,
dans un cycle continu.
FONCTIONNEMENT DES PROGRAMMES
D’ENTRAÎNEMENT
La console offre trois programmes d’allure et de moti-
vation. Chaque programme dure vingt minutes.
Lorsque vous utilisez un programme d’entraînement,
deux colonnes de barres seront affichées.
Pédale
Disque de
la Pédale
Bouton de
Résistance

10
La colonne de
gauche représente le
niveau à atteindre, et
la colonne de droite
représente le niveau
actuel. Le niveau à
atteindre changera
périodiquement pen-
dant le programme ;
lorsque le niveau à
atteindre change, ajustez simplement votre rythme
actuel afin de garder les deux colonnes de bars à la
même hauteur. Important : Le niveau à atteindre est
un
but
.Votre niveau actuel sera peut être plus lent
que celui à atteindre, spécialement les premières
mois de votre programme d’exercice. Exercez-vous
au niveau qui vous est confortable.
FONCTIONNEMENT DE LA CONSOLE ETAPE PAR
ETAPE
Avant de pouvoir utiliser la console, vous devrez
placer les deux piles de 1,5V. (Référez-vous à
l’étape 9 de la page 8.)
Allumer la console.
Pour allumer la console, appuyez sur le bouton
“on/reset” ou commencez tout simplement à péda-
ler. Quand le console s’allume, tous les affichages
s’allumeront pendant deux secondes ; la console
sera alors prête à l’emploi. Remarque : Si une pile
vient d’être placée, la console sera déjà allumée.
Sélectionnez l’un des trois programmes d’en-
traînements ou le mode manuel.
Pour sélection-
ner l’un des pro-
grammes d’en-
traînement,
appuyez plu-
sieurs fois sur le
bouton de pro-
gramme.
L’indicateur de
programme
indiquera lequel
des pro-
grammes vous
avez sélectionné. Pour sélectionner le mode
manuel, appuyez le bouton de programme jusqu’à
ce que l’indicateur disparaisse. Les programmes
seront sélectionnés dans l’ordre suivant : program-
me 1, programme 2, programme 3, mode manuel.
Pour commencer votre entraînement
Si vous avez sélectionné le programme
manuel allez à l’étape 4. Si vous avez sélection-
né l’un des pro-
grammes d’allu-
re, deux
colonnes de
barres apparaî-
tront à l’afficha-
ge. La colonne
de gauche indi-
quera une
barre, indiquant une allure assez lente. La colon-
ne de droite indiquera le niveau actuel auquel
vous pédalez. Réglez votre niveau jusqu’à ce
qu’une barre apparaisse dans la colonne de droi-
te. Chaque fois que le niveau à atteindre change
durant le programme, réglez votre niveau afin de
garder les deux colonnes à la même hauteur.
Suivez vos progrès avec la piste électronique
et les sept modes de moniteur.
Mode
balayage—
Appuyez le bou-
ton de mode plu-
sieurs fois jus-
qu’à ce qu’une
flèche apparais-
se sous la parole
de « SCAN ».
Lorsque le mode balayage est sélectionné, la
console affichera chacun des modes de la vitesse,
du temps, de la distance, des calories de graisse et
des calories, pendant cinq secondes dans un cycle
continu.
Modes de vites-
se, temps, dis-
tance, calories
de graisse, et
calories—Pour
choisir l’un de
ces modes pour
un affichage
continu, appuyez
plusieurs fois sur
le bouton de mode jusqu’à ce qu’une flèche appa-
raisse en-dessous ou au-dessus du mode désiré.
Assurez-vous que il n’y a pas de flèche sous la
parole de « SCAN ».
Si vous le désirez, appuyez le bouton
ON/RESET pour remettre l’affichage á zéro.
Pour éteindre la console
Pour éteindre la console, attendez tout sim-
plement pendant six minutes. Si les pédales
ne sont pas déplacées et que les boutons de la
console ne sont pas pressés pendant six
minutes, la console s’éteindra automatiquement.
5
4
3
2
1
Niveau Actuel
Indicateur de Programme
Niveau à
Atteindre
Niveau Actuel
Niveau à Atteindre
Flèche
de Mode

11
Inspectez et serrez toutes les pièces du elliptical
crosstrainer régulièrement. Remplacez les pièces
usées immédiatement.
Pour nettoyer le elliptical crosstrainer, utilisez un chif-
fon humide et une petite quantité de doux détergent.
N’utilisez pas des produits abrasifs ou de dissol-
vants. Pour éviter d’endommager la console, gardez
tout liquide loin de la console et gardez la console
hors des rayons directs du soleil.
Lorsque vous rangez le elliptical crosstrainer, retirez
les piles de la console. Gardez le elliptical crosstrai-
ner dans un endroit sec, à l’abri de l’humidité et de la
poussière.
PROBLÈMES DE LA CONSOLE
Si la console ne fonctionne pas correctement, rempla-
cé les piles (référez-vous à l’étape 9 de l’assemblage
àla page 8).
COMMENT AJUSTER LE CAPTEUR MAGNÉTIQUE
Si l’affichage de la console n’est pas correct, le cap-
teur magnétique devrait être ajusté. Pour régler l’inter-
rupteur magnétique, premièrement référez-vous à
l’étape 8 d’assemblage à la page 8 et retirez les
Pédales (13, 14). Ensuite, référez-vous à l’étape 7 à
la page 7 et retirez les Bras de la Pédales (11, 12).
Ensuite, retirez toutes les Vis (51, 70) du Disque de la
Pédale (15) droite et enlevez le Disque de la Pédale
en le glissant. Enlevez toutes les Vis (52, 64, 69) du
Panneau Latéral Droit (4), et enlevez le Panneau
Protecteur Droit. Enlevez toutes les Vis (52) du
Panneau Latéral Gauche (3) et retirez le Panneau
Protecteur Gauche.
Ensuite, référez-vous au dessin ci-dessous et trouvez
le Capteur Magnétique (53). Dévissez mais ne retirez
pas la Vis (52) indiquée. Glissez l’Interrupteur
Magnétique légèrement en avant ou loin de l’Aimant
(58) sur le volant. Resserrez la Vis. Tournez le Disque
de Pédale (15) gauche pendant un moment. Répétez
l’opération jusqu’à ce que la console affiche des don-
nées correctes.
Quand le Capteur Magnétique (53) est ajusté correc-
tement, rattachez les Panneaux Lateraux (3, 4), le
Disque de la Pédale (15) droit, les Bras de la Pédale
(11, 12) et les Pédales (13, 14).
COMMENT RÉGLER LA COURROIE DE TRACTION
Si vous pouvez sentir
les pédales glisser
pendant que vous
pédalez, même
lorsque le bouton de
résistance est tourné
au niveau maximum,
la Courroie de
Traction (19) doit être
réglé. Pour régler la
Courroie de Traction,
vous devez enlever
les deux panneaux
protecteurs. Référez-
vous aux instructions
àgauche et retirez les panneaux protecteurs.
Ensuite, desserrez la Vis à Tête Plate de M8 x 22mm
(68) et tournez le Boulon en Bouton de M10 x 60mm
(62) jusqu’à ce que la Courroie de Traction (19) est
serrée. Une fois que la Courroie de Traction est ser-
rée, serrez la Vis à Tête Plate. Rattachez les pan-
neaux protecteurs.
64
ENTRETIEN ET PROBLÈMES
69 70
70
51
69
52
52
64
64
64
12
4
58
53
52
15
15
368
62
19

12
CONSEILS DE MISE EN FORME
Les conseils suivants vous aideront à planifier vos
exercices. Une bonne alimentation et un repos adé-
quat sont essentiels pour obtenir des résultats.
INTENSITÉ DE L’ENTRAÎNEMENT
Que votre but soit de brûler de la graisse ou de forti-
fier votre système cardio-vasculaire, entraînez-vous à
une intensité correcte pour obtenir les résultats dési-
rés. Le niveau d’intensité correct est trouvé en utili-
sant votre pouls comme point de repère. Le tableau
ci-dessous montre les pouls recommandés pour brû-
ler de la graisse, pour brûler un maximum de graisse
et pour les exercices cardio-vasculaires (aérobics).
Pour trouver le pouls qui vous convient, cherchez tout
d’abord votre âge en bas du tableau (les âges sont
arrondis). Ensuite, trouvez les trois nombres au-des-
sus de votre âge. Les trois nombres sont votre “zone
d’entraînement.” Le nombre le plus bas est le pouls
recommandé pour brûler de la graisse ; le nombre du
milieu est pour brûler un maximum de graisse ; le
nombre le plus haut est pour l’exercice aérobic.
Brûler de la Graisse
Pour brûler de la graisse efficacement, vous devez
vous exercez à une intensité relativement basse pen-
dant une période de temps soutenu. Pendant les pre-
mières minutes de votre entraînement, votre métabo-
lisme utilise les calories
d’hydrate de carbone
qui sont
facilement accessibles comme source d'énergie. Ce
n’est qu’après les premières minutes d’exercices que
votre métabolisme commence à utiliser la graisse
comme énergie. Si votre but est de brûler de la grais-
se, ajustez l’intensité de votre exercice jusqu’à ce que
votre pouls soit près du nombre le plus bas dans votre
zone d’entraînement quand vous vous entraînez.
Exercices Aérobics
Si votre but est de fortifier votre système cardio-vas-
culaire, votre entraînement devrait être “aérobic.”
L’exercice aérobic requiert de large quantité d’oxygè-
ne durant une période de temps prolongée. Ceci aug-
mente la demande faites au coeur pour pomper le
sang aux muscles et cela demande aussi plus d’effort
aux poumons pour oxygéner le sang. Pour un entraî-
nement aérobic, ajustez l’intensité de votre exercices
jusqu’à ce que vos pouls s’approche du nombre le
plus haut dans vos zone d’entraînement.
POUR MESURER VOTRE POULS
Pour prendre votre
pouls, exercez-vous
pendant au moins
quatre minutes.
Cessez ensuite vos
exercices et placez
deux doigts sur votre
poignet. Comptez vos
pulsations durant six
secondes et multipliez le nombre obtenu par 10 pour
obtenir votre pouls. Par exemple, si vous comptez 14
battements au bout de six secondes, votre pouls est de
140 battements par minute. (Un compte de six
secondes est utilisé parce que le pouls ralenti rapide-
ment une fois l’exercice interrompu.)
GUIDE D’EXERCICES
Chaque entraînement devrait inclure ces trois étapes:
Un échauffement—Commencez chaque entraîne-
ment avec 5 à 10 minutes d’étirements et des exer-
cices légers. Un échauffement approprié augmente la
température de votre corps, votre pouls et la circula-
tion afin de préparer votre corps pour les exercices.
Exercices dans votre zone d’entraînement—Après
vous être échauffé, augmentez l’intensité de vos exer-
cices jusqu’à ce que votre pouls soit dans votre zone
d’entraînement pendant 20 à 30 minutes. (Pendant
les premières semaines, ne gardez pas votre pouls
dans votre zone d’entraînement plus de 20 minutes.)
Exercices de retour à la normal—Finissez chaque
entraînement avec 5 à 10 minutes d'étirements. Cela
augmentera la flexibilité de vos muscles et évitera les
problèmes qui surviennent après l’exercice.
ATTENTION : Avant de com-
mencer ce programme d’exercices (ou un
autre), veuillez consulter votre médecin. Ceci
est tout particulièrement important pour les
personnes âgées de plus de 35 ans ou celles
ayant déjà eu des problèmes de santé.

13
FRÉQUENCE DES ENTRAÎNEMENTS
Pour maintenir ou améliorer votre forme physique,
faites trois entraînements par semaine, avec un jour
de repos entre chaque entraînement. Après quelques
mois d’exercices réguliers vous pouvez entreprendre
jusqu’à cinq entraînements par semaine. Rappelez-
vous que le succès d'un programme d'exercice repose
avant tout sur la régularité.
EXERCICES D’ÉTIREMENTS CONSEILLÉS
La position correcte pour plusieurs étirements est montrée ci-dessous.
Bougez lentement quand vous vous étirez—ne vous étirez jamais par
à-coups.
1. Exercices d’étirement en touchant vos pieds
Tenez-vous debout avec vos genoux légèrement pliés et baissez-
vous lentement en avant à la hauteur de la taille. Laissez votre dos
et vos épaules se relaxer alors que vous touchez vos orteils aussi
loin que possible. Comptez jusqu’à 15 puis détendez-vous. Répétez
l’exercice 3 fois. Régions sollicitées : tendons des mollets, partie
arrière des genoux et dos.
2. Exercices d’étirement des tendons des mollets
Asseyez-vous sur le sol avec une jambe tendue. Ramenez l’autre
jambe vers vous et posez votre plante de pieds contre l’intérieur de
la cuisse de la jambe qui est tendue. Touchez vos orteils aussi loin
que possible. Comptez jusqu’à 15 puis détendez-vous. Répétez
l’exercice 3 fois pour chaque jambe. Régions sollicitées : tendons
des mollets, bas du dos et aine.
3. Exercices d’étirement du tendon d’Achille
Avec une jambe devant l’autre, penchez-vous vers l’avant et placez
vos mains contre un mur. Gardez votre jambe arrière tendue et
votre pied arrière à plat sur le sol. Pliez votre jambe avant.
Penchez-vous en avant et déplacez vos hanches en direction du
mur. Comptez jusqu’à 15 puis détendez-vous. Répétez l’exercice 3
fois pour chaque jambe. Si vous souhaitez un assouplissement plus
accentué du tendon d’Achille, pliez également votre jambe arrière.
Régions sollicitées : mollets, tendon d’Achille et chevilles.
4. Exercices d’étirement des quadriceps
Avec une main contre le mur pour garder votre équilibre, prenez
votre pied (par l’arrière) avec votre main libre. Amenez votre talon
aussi près que possible de votre fessier. Comptez jusqu’à 15 puis
détendez-vous. Répétez l’exercice 3 fois pour chaque jambe.
Régions sollicitées : quadriceps et muscles des hanches.
1
2
3
4

14
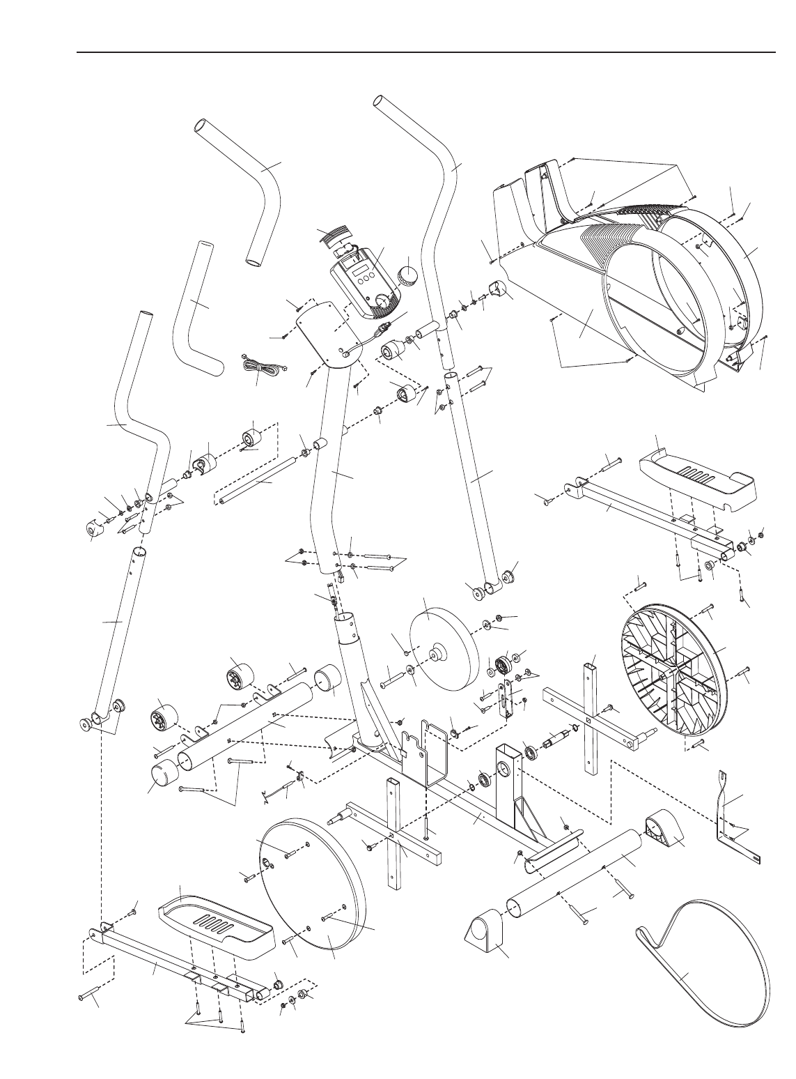
LISTE DES PIÈCES—Nº. du Modèle PFEVEL24831 R0804A
Remarque : # indique une pièce non-dessinée. Les spécifications peuvent être modifiées sans notification.
Référez-vous au dos de ce manuel pour commander des pièces de rechange.
1 1 Cadre
2 1 Montant
3 1 Panneau Latéral Gauche
4 1 Panneau Latéral Droit
5 2 Bras du Guidon
6 1 Guidon Gauche
7 1 Écrou à Pousser
8 1 Guidon Droit
9 1 Stabilisateur Arrière
10 1 Stabilisateur Avant
11 1 Bras de la Pédale Gauche
12 1 Bras de la Pédale Droite
13 1 Pédale Gauche
14 1 Pédale Droite
15 2 Disque de la Pédale
16 2 Barre Latérale du Disque
17 1 Volant
18 1 Support du Panneau Latéral
19 1 Courroie de Traction
20 2 Embout Arrière
21 2 Embout Avant
22 2 Roue
23 1 Console
24 2 Poignée
25 1 Support Fou
26 1 Roue Folle
27 2 Palier de la Roue Folle
28 1 Axe de la Roue Folle
29 1 Couvercle de Pile
30 2 Bague-Attache Grande
31 2 Palier Grand
32 1 Axe de la Pédale
33 7 Écrou de Verrouillage en Nylon de
M10
34 4 Boulon de Carrosserie de M10 x
75mm
35 2 Rondelle Grande de M8,5
36 6 Vis à Collerette de M4 x 19mm
37 4Bague du Bras de la Pédale
38 7 Écrou de Verrouillage en Nylon de
M8
39 2 Rondelle de M10
40 2 Série de Boulon du Bras de la
Pédale
41 2 Boulon en Bouton de M6 x 72mm
42 5 Vis de M4 x 12mm
44 1 Fil Supérieur
45 1 Contrôl/Câble de Résistance
46 2 Embout du Guidon
47 2 Bague d’Espacement du Guidon
48 2 Bague d’Espacement du Cadre
49 6 Bague du Bras du Petit Guidon
50 4 Boulon en Bouton de M8 x 45mm
51 4 Vis de M6 x 25mm
52 9 Vis Auto-Taraudeuse M4 x 16mm
53 1 Fil du/Capteur Magnétique
54 2 Pince du Câble
55 2 Rondelle de M8,5
56 2 Vis en Métal/Nylon de M8 x 25mm
57 1 Boulon à Tête Plate de M10
58 1 Aimant
59 2 Rondelle Fendue de M10
60 4 Bague du Bras du Grand Guidon
61 2 Boulon à Tête Hexagonale de 5/16”
x25,4mm
62 1 Boulon en Bouton de M10 x 60mm
63 1 Bouton de Résistance
64 4 Vis de M4 x 25mm
65 1 Câble de Résistance Inférieure
66 4 Écrou de Verrouillage en Nylon de
M6
67 2 Boulon en Bouton de M10 x 76mm
68 1 Boulon à Tête Plate de M8 x 22mm
69 2 Boulon de M6 x 18mm
70 4 Vis de M6 x 28mm
71 1 Essieu du Pivot
72 2 Vis du M3 x M12mm
73 2 Rondelle Ondulée
74 6 Rondelle Fendue de M4
#2Clé Hexagonale
# 1 Graisse
#1Manuel de l’Utilisateur
Nº. Qte. Description Nº. Qte. Description

24 8
52
4
3
64
52
52
50
5
49
47
38
42
42
42
42
23
44
45
24
6
38
50
5
60
22
22
67
33
17
2
41
21 34
66
41 57
10
33
21 39
39
60
60
40
40
14
12 35
37
38
37
36
36
70
51
70
51
15
52
18
19
20
20
34
9
33
33
16
61
61
16
62 1
3031
31 32 30
27
26
38
28 25
33
51
51
70 15
13
37
36 38 35
11
40
40
63
65
29
64
52
33
68
27
7
54 42
59
59
58
52
54
52
53
69
66
69
66
70
48
48
47
49 49 49
72
72
71
49
46
55
56
73
56
55
46
49
73
37
SCHÉMA DÉTAILLÉ—Nº. du Modèle PFEVEL24831 R0804A
15

Nº. de Pièce 213558 R0804A Imprimé en Chine ©2004 ICON IP, Inc.
Pour commander des pièces de rechange, veuilles contacter le service à la clientèle au numéro suivant :
Fax : (33) 01 39 14 27 72
du lundi au jeudi de 9h00 à 13h00 et de 14h00 à 18h00 et le vendredi de 14h00 à 17h00 (à l’exception des
jours fériés).
•le NUMÉRO DE MODÈLE de ce produit (PFEVE24831)
•le NOM de ce produit (PROFORM®485P appareil elliptique)
•le NUMÉRO DE SÉRIE de ce produit (référez-vous à la couverture de ce manuel)
•le NUMÉRO et la DESCRIPTION de la pièce/des pièces (référez-vous à la page 14)
(33) 01 30 86 56 81
POUR COMMANDER DES PIÈCES DE RECHANGE