Proform Pfevel24831 485 P Elliptical Users Manual 213559(GR)
2015-04-14
: Proform Proform-Pfevel24831-485-P-Elliptical-Users-Manual-700279 proform-pfevel24831-485-p-elliptical-users-manual-700279 proform pdf
Open the PDF directly: View PDF
.
Page Count: 16

BEDIENUNGSANLEITUNG
ACHTUNG
Lesen Sie bitte aufmerksam
alle Hinweise und Anleitungen,
bevor Sie dieses Gerät in
Betrieb nehmen. Heben Sie
diese Anleitung für eventuel-
len späteren Gebrauch auf.
Modell-Nr. PFEVEL24831
Serien-Nr.
Aufkleber
mit
Serien-Nr.
www.iconeurope.com
Unsere Website:
FRAGEN?
Als Hersteller verpflichten wir
uns zur kompletten Zufrieden-
stellung unserer Kunden. Falls
Sie irgendwelche Fragen
haben oder falls Teile fehlen,
rufen Sie bitte an.
01805 231 244
Unsere Bürozeiten sind von
9.00 bis 18.00 Uhr.
Fitness Produkt—Klasse: HC

2
INHALTSVERZEICHNIS
WICHTIGE VORSICHTSMAßNAHMEN . . . . . . . . . . . . . . . . . . . . . . . . . . . . . . . . . . . . . . . . . . . . . . . . . . . . . . . . .3
BEVOR SIE ANFANGEN . . . . . . . . . . . . . . . . . . . . . . . . . . . . . . . . . . . . . . . . . . . . . . . . . . . . . . . . . . . . . . . . . . . .4
MONTAGE . . . . . . . . . . . . . . . . . . . . . . . . . . . . . . . . . . . . . . . . . . . . . . . . . . . . . . . . . . . . . . . . . . . . . . . . . . . . . . .5
BENUTZUNG DES ELLIPSENTRAINERS . . . . . . . . . . . . . . . . . . . . . . . . . . . . . . . . . . . . . . . . . . . . . . . . . . . . . . .9
WARTUNG UND FEHLERSUCHE . . . . . . . . . . . . . . . . . . . . . . . . . . . . . . . . . . . . . . . . . . . . . . . . . . . . . . . . . . . .12
TRAININGSRICHTLINIEN . . . . . . . . . . . . . . . . . . . . . . . . . . . . . . . . . . . . . . . . . . . . . . . . . . . . . . . . . . . . . . . . . .13
TEILELISTE . . . . . . . . . . . . . . . . . . . . . . . . . . . . . . . . . . . . . . . . . . . . . . . . . . . . . . . . . . . . . . . . . . . . . . . . . . . . .14
DETAILZEICHNUNG . . . . . . . . . . . . . . . . . . . . . . . . . . . . . . . . . . . . . . . . . . . . . . . . . . . . . . . . . . . . . . . . . . . . . .15
BESTELLUNG VON ERSATZTEILEN . . . . . . . . . . . . . . . . . . . . . . . . . . . . . . . . . . . . . . . . . . . . . . . . . . .Rückseite
PROFORM ist ein eingetragenes Warenzeichen von ICON IP, Inc.

3
1. Lesen Sie bitte aufmerksam alle Anleitun-
gen, bevor Sie dieses Gerät in Betrieb neh-
men. Verwenden Sie Ihren Ellipsentrainer
nur so, wie es in dieser Anleitung beschrie-
ben wird.
2. Der Eigentümer ist dafür verantwortlich, dass
alle Benutzer des Gerätes hinreichend über
alle Vorsichtsmaßnahmen informiert sind.
3. Der Ellipsentrainer ist nur für den Hausge-
brauch vorgesehen. Verwenden Sie ihn nicht
in kommerziellem, verpachtetem oder insti-
tutionellem Rahmen.
4. Stellen Sie das Gerät auf eine ebene Fläche
und darunter zum Schutz des Bodens oder
des Teppichs eine Unterlage. Benutzen Sie
das Gerät nur im Haus und halten Sie es vor
Feuchtigkeit und Staub fern.
5. Überprüfen Sie alle Einzelteile und ziehen
Sie die Teile regelmäßig nach. Abgenutzte
Teile müssen sofort ausgetauscht werden.
6. Kinder unter 12 Jahren und Haustiere müs-
sen jederzeit entfernt gehalten werden.
7. Der Ellipsentrainer sollte nur von Personen
unter 115 kg Körpergewicht benutzt werden.
8. Tragen Sie immer angemessene Kleidung,
während Sie auf dem Ellipsentrainer trainie-
ren. Zum Schutz Ihrer Füße sollten Sie
immer Sportschuhe tragen.
9. Wenn Sie auf den Ellipsentrainer aufsteigen
oder davon absteigen, halten Sie sich immer
an der Lenkstange fest und steigen Sie auf
dem Pedal auf oder ab, das sich in der nied-
rigsten Position befindet.
10. Jedes Mal wenn Sie mit dem Training auf
den Ellipsentrainer aufhören, lassen Sie die
Pedale zum kompletten Stillstand kommen,
bevor Sie absteigen.
11. Halten Sie Ihren Rücken immer gerade,
wenn Sie auf dem Gerät trainieren; krümmen
Sie Ihren Rücken nicht.
12. Sollten Sie jemals Schmerz fühlen oder
schwindelig werden während Sie Fitness
betreiben, hören Sie sofort damit auf und
kühlen Sie ab.
13. Der auf Seite 4 abgebildete Aufkleber muss
am Ellipsentrainer befestigt sein. Finden Sie
die Aufkleberblätter, ziehen Sie den deut-
schen Aufkleber ab und kleben Sie diesen
auf den Englischen. Sollte der Aufkleber feh-
len oder unleserlich sein, fordern Sie bitte
kostenlos einen Ersatz von unserem
Kundendienst.
WICHTIGE VORSICHTSMAßNAHMEN
WARNUNG: Um ernstliche Unfälle zu vermeiden, lesen Sie bitte die folgenden wichti-
gen Vorsichtsmaßnahmen bevor Sie den Ellipsentrainer in Benutzung nehmen.
WARNUNG: Bevor Sie mit diesem oder jedem anderen Trainingsprogramm beginnen,
sollten Sie einen Arzt konsultieren. Dies gilt besonders für Personen über 35 Jahre und für all die-
jenigen, die Gesundheitsprobleme gehabt haben oder haben. Bitte lesen Sie alle Instruktionen
durch, bevor Sie das Gerät in Betrieb nehmen. ICON übernimmt keinerlei Haftung für Personen
oder Sachschäden.
ELLIP/BIKE NON
FREEWHEEL
209489 and
210125
211409
DU

4
BEVOR SIE ANFANGEN
Wir gratulieren Ihnen zur Wahl des revolutionären
PROFORM®485P Ellipsentrainer. Der 485P ist ein
unglaublich flüssig verlaufendes Trainingsgerät, das Ihre
Füße auf natürlichem, elliptischem Weg führt, so dass
der Aufprall auf Ihre Knie- und Fußgelenke minimal
wird. Das einzigartige 485P Trainingsgerät bietet ver-
stellbaren Widerstand, Haltestange und einen
Computer mit mannigfaltigen Modi an, um Ihnen das
beste Training zu ermöglichen. Willkommen zur völlig
neuen Welt der natürlichen, elliptischen
Trainingsbewegung von PROFORM.
Zu Ihrem eigenen Vorteil, lesen Sie bitte diese
Bedienungsanleitung genauestens durch bevor
Sie Ihren Ellipsentrainer in Verwendung nehmen.
Sollten Sie noch irgendwelche Fragen oder Probleme
haben, setzen Sie sich bitte mit unserem Kundendienst
unter der Service-Telefon-Nr. 01805 231 244 in Verbin-
dung. Halten Sie bitte vor Ihrem Anruf die Modell- und
die Serien-Nummer Ihres Gerätes bereit. Die Modell-
Nummer ist PFEVEL24831. Die Serien-Nummer kön-
nen Sie auf einem Aufkleber am Ellipsentrainer finden
(die genaue Stelle des Aufklebers ersehen Sie aus der
Vorderseite dieser Bedienungsanleitung).
Bevor Sie nun weiterlesen, werfen Sie bitte zunächst
einen Blick auf die untenstehende Zeichnung und
machen Sie sich mit den gekennzeichneten Einzeltei-
len vertraut.
Widerstandsknopf
Computer
VORDERSEITE
RÜCKSEITE
LINKE SEITE
Pedalarm
Rad
Pedalscheibe
Pedal
Pfosten
Seitenschutz
Haltestange

5
Diese Abbildung hilft Ihnen bei der Identifizierung der kleinen Montageteile. Die Zahl in der Klammer, ist die
Bestell-Nummer des Teiles. Die zweite Zahl bezieht sich auf die Menge der Teile, die zum Montieren nötig sind.
Anmerkung: Einige kleine Teile könnten möglicherweise zur Erleichterung des Transportes schon an
größeren Teilen angebracht. Sollten Sie ein Teil nicht sofort finden, überprüfen Sie bitte, ob es nicht
schon an einem anderen Teil angebracht worden ist.
MONTAGE
Zur Montage braucht man zwei Personen. Legen Sie alle Teile des Ellipsentrainers auf einer dafür freige-
machten Fläche aus und entfernen Sie alle Verpackungsmaterialien. Werfen Sie diese jedoch erst weg, wenn
die Montage komplett fertiggestellt ist.
Zur Montage werden folgende Werkzeuge (nicht inbegriffen) gebraucht: einen Kreuzschraubenzieher
,zwei verstellbare Schraubenschlüssel , einen Gummihammer
und eine Flachzange .
1. Finden Sie den vorderen Stabilisator (10) mit den
Rädern. Während eine andere Person den vorderen
Teil des Rahmens (1) hoch hebt, befestigen Sie den
vorderen Stabilisator mit zwei M10 x 75mm
Einsteckbolzen (34) und zwei M10 Nylon-
Verschlussmuttern (33) am Rahmen. Achten Sie
darauf, dass der vordere Stabilisator so gedreht
ist, dass die Räder den Boden nicht berühren.
M10 x 76mm Knopfbolzen
(67)–2
M8 x 45mm knopfförmiger
Bolzen (50)–4
M4 x 12mm
Schraube (42)–4
M8 Nylon-
Verschlussmutter
(38)–6
M10 Nylon-
Verschlussmutter
(33)–6
M10 gespaltene
Unterlegscheibe
(59)–2
M10 x 75mm Einsteckbolzen
(34)–4
M4 x 19mm
Flanschen-Schraube
(36)–6
Pedalarm-Bolzensatz (40)–2
Wellenscheibe
(73)–2 M8,5
Unterlegscheibe
(55)–2
M8,5 Große
Unterlegscheibe
(35)–2
M8 x 25mm
Randschraube
(56)–2
1
1
10
22
22
33
34

6
2. Während eine andere Person den hinteren Teil des
Rahmens (1) hoch hebt, befestigen Sie den hinteren
Stabilisator (9) mit zwei M10 x 75mm Einsteckbol-
zen (34) und zwei M10 Nylon-Verschlussmuttern
(33) am Rahmen.
3. Während eine andere Person den Pfosten (2) nahe
des Rahmens (1) hält wie gezeigt, verbinden Sie
den oberen Draht (44) and den Membranenschalter-
Draht (53).
Dann verbinden Sie das Widerstandskabel (45) mit
dem niederen Widerstandskabel (65) auf folgende
Weise:
•Beziehen Sie sich auf Nebenzeichnung A. Ziehen
Sie an der Metallklammer und führen Sie die
Spitze des Widerstandskabels (45) in die Draht-
klammer am niederen Widerstandskabel (65) ein,
wie gezeigt.
•Beziehen Sie sich auf Nebenzeichnung B. Ziehen
Sie das Widerstandskabel (45) fest und schieben
Sie es in die Metallklammer am niederen
Widerstandskabel (65), wie gezeigt.
•Beziehen Sie sich auf Nebenzeichnung C. Mit
einer Flachzange drücken Sie die Zacken auf dem
oberen Ende der Metallklammer zusammen.
Schieben Sie den Pfosten (2) auf den Rahmen (1);
achten Sie darauf, dass Sie die Drähte und Kabel
nicht eingeklemmen. Befestigen Sie den Pfosten
mit zwei M10 x 76mm Knopfbolzen (67), zwei M10
Nylon-Verschlussmuttern (33) und zwei M10 gespal-
tenen Unterlegscheiben (59). Ziehen Sie zu dieser
Zeit die Knopfbolzen noch nicht fest.
33
1
2
34
9
33
65 65
45
Metall-
klammer
45
B
AC
65
45
4
42
44 45
Computer
Draht
42
63
23
2
4. Verbinden Sie den oberen Draht (44) mit dem Draht
am Computer (23). Zunächst befestigen Sie den
Computer mit vier M4 x 12mm Schrauben (42) am
Pfosten (2).
Drücken Sie den Widerstandsknopf (63) auf die
Widerstandskontrolle (45).
65
44
45
67
33
59
59
53
2
1
Achten Sie dar-
auf, dass Sie
die Drähte und
Kabel nicht
eingeklemmen
3

5. Identifizieren Sie die linke Haltestange (6) der mit
einem Aufkleber markiert ist. Führen Sie die linke
Haltestange in einer der Haltestange-Arme (5) ein;
achten Sie darauf, dass der Haltestange-Arm so
gedreht ist, dass sich die sechseckigen Löcher
auf der angezeigten Seite befinden. Befestigen Sie
die linke Haltestange mit zwei M8 x 45mm knopfför-
migen Bolzen (50) und zwei M8 Nylon-Verschluss-
muttern (38) an einem der Haltestange-Arme (5).
Achten Sie darauf, dass sich die Nylon-Ver-
schlussmuttern in den sechseckigen Löchern
befinden. Ziehen Sie die knopfförmigen Bolzen
nocht nicht fest an.
Befestigen Sie die rechte Haltestange am anderen
Haltestange-Arm (nicht gezeigt) auf die gleiche
Weise.
6. Geben Sie eine großzügige Menge von dem beigeleg-
ten Schmierfett auf die Drehachse (71) und zwei M8,5
Unterlegscheibe (55). Schieben Sie die Drehachse so
in den Pfosten (2) ein, dass sie genau in der Mitte liegt.
Geben Sie noch etwas Schmierfett auf beide Enden der
Drehachse.
Schieben Sie je ein Haltestangenabstandsstück (47)
auf die kurzen Stifte der beiden Haltestangen (6, 8)
und richten Sie die Haltestangenabstandsstücke so
aus, dass die kleinen Pfeile zum Boden zeigen.
Schieben Sie dann die Haltestangen auf die Dreh-
achse (71). Vergewissern Sie sich, dass sich die
Haltestangen auf der jeweils richtigen Seite befin-
den.
Ziehen Sie eine M8 x 25mm Schraube mit Nylon (56)
mit einer M8,5 Unterlegscheibe (55) und einer
Wellenscheibe (73) in beiden Enden der Drehachse
(71) fest. Richten Sie die beiden Haltestangenkap-
pen (46) so aus, wie hier angezeigt und drücken Sie
die kleinen Vorsprünge der Haltestangenkappen in
die zwei Haltestangenabstandsstücke (47).
7. Schmieren Sie eine kleine Menge des inbegriffenen
Schmiermittels auf die Achse an der linken Scheiben-
Querstange (16). Schieben Sie den linken Pedalarm
(11) auf die Achse und befestigen Sie diesen mit
einer M8,5 Große Unterlegscheibe (35) und einer M8
Nylon-Verschlussmutter (38).
Führen Sie den linken Haltestange-Arm (5) in die
Klammer am Ende des linken Pedalarms (11) ein und
befestigen Sie ihn mit einem Pedalarm-Bolzensatz (40).
Wiederholen Sie diesen Vorgang um den rechten
Pedalarm (nicht gezeigt) zu befestigen.
Beziehen Sie sich auf Schritt 5. Ziehen Sie die M8 x
45mm knopfförmigen Bolzen (50) in den Haltestange-
Arme (5) fest an.
Ziehen Sie die zwei M10 x 76mm Knopfbolzen (67) an.
7
5
11
35
38
67
40
40
Schmieren
16
6
50
38
5Sechseckigen
Löcher
5
6
2
55 73
71
8
6
56
46
47
Schmieren
Pfeile
Stift
7

8
10. Achten Sie darauf, dass alle Teile fest angezogen sind, bevor Sie den Ellipsentrainer benutzen.
Legen Sie eine Unterlage unter den Ellipsentrainer, zum Schutz des Bodens oder des Teppichs.
9. Der Computer (23) benötigt zwei 1,5V Batterien (nicht
inbegriffen). Alkalische Batterien sind empfohlen.
Schieben Sie den Batteriendeckel (29) ab wie
gezeigt. Drücken Sie zwei Batterien in die
Batterienklemme; achten Sie darauf dass die nega-
tiven Enden der Batterien (die mit “–” gekenn-
zeichnet sind) die Federn im Batterienklemme
berühren. Schließen Sie wieder die
Batteriendeckung.
929
23
Batterienklemme
Batterien
11
8
13
36
8. Finden Sie das linke Pedal (13), dass eine Erhöhung
auf der rechten Seite hat. Befestigen Sie das linke
Pedal mit drei M4 x 19mm Flanschen-Schrauben (36)
am linken Pedalarm (11), wie gezeigt.
Befestigen Sie das rechte Pedal auf die gleiche
Weise am rechten Pedalarm (nicht gezeigt).

9
BENUTZUNG DES ELLIPSENTRAINERS
MIT DEM ELLIPSENTRAINER TRAINIEREN
Um auf das Ellipsentrainer aufzusteigen, halten Sie
sich an der Lenkstange fest und treten vorsichtig auf
das Pedal, das in der niedrigsten Position ist. Zu-
nächst, steigen Sie dann auf das andere Pedal.
Bewegen Sie die Pedale, bis sie sich in einer ununter-
brochenen Bewegung befinden. Anmerkung: Die
Pedalscheiben können sich in beide Richtungen
bewegen. Wir empfehlen, dass Sie die Pedalschei-
ben in der unten angezeigten Richtung bewegen.
Sie können jedoch zur Abwechslung die Pedal-
scheiben auch in die andere Richtung drehen.
Um vom Ellipsentrainer abzusteigen, warten Sie
zuerst, bis die Pedale völlig zum Stillstand gekommen
sind. WICHTIG: Der Ellipsentrainer hat kein Frei-
laufrad. Die Pedale werden so lange in Bewegung
bleiben, bis das Schwungrad zum Stillstand
kommt. Wenn die Pedale sich nicht mehr bewegen,
steigen Sie zuerst von dem höheren Pedal herunter.
Dann steigen Sie vom unteren Pedal herunter.
DAS VERSTELLEN DES PEDALWIDERSTANDS
Während Sie
trainieren, kön-
nen Sie den
Widerstand der
Pedale mit dem
Widerstand-
sknopf auf dem
Computer ver-
stellen. Um den
Widerstand zu
erhöhen, drehen
Sie den Wider-
standsknopf im Uhrzeigersinn im; um den Widerstand
zu vermindern, drehen Sie den Wider-standsknopf
gegen den Uhrzeigersinn. Wichtig: Der Knopf könn-
te, wenn der maximale oder minimale Widerstand
erreicht wird eventuell nicht anhalten. Wenn es
schwieriger wird den Knopf zu drehen, höeren Sie
auf zu drehen, oder es könnte Schaden verursa-
chen.
BESCHREIBUNG DES COMPUTERS
Das Display
bietet neben
der Möglichkeit
der manuellen
Bedienung drei
motivierende
Tempoprogram-
me. Jedes
Tempopro-
gramm ist ent-
worfen, um Sie
durch eine
effektives
Workout zu führen, indem es das Tempo Ihres
Trainings angibt. Während des Trainings bieten Ihnen
sechs verschiedene Modi am Computer eine ständige
Übersicht Ihrer Trainingserfolge.
Geschwindigkeit [SPEED]–Dieser Modus zeigt Ihnen
die Geschwindigkeit an; wahlweise in Kilometern pro
Stunde.
Zeit [TIME]—Wenn Sie mit dem manuellen Modus
arbeiten, zeigt Ihnen dieser Modus die verstrichene
Trainingszeit. Befinden Sie sich gerade in einem der
drei Trainingsprogramme, zeigt Ihnen dieser Modus
die verbliebende Trainingszeit an.
Distanz [DISTANCE]—Dieser Modus zeigt Ihnen die
Entfernung an; wahlweise in Kilometer.
Fettkalorien [FAT CALS]—Dieser Modus zeigt die
ungefähre Anzahl verbrannter Fettkalorien an (Siehe
FETTABBAU auf Seite 13).
Kalorien [CALS]—Dieser Modus gibt Ihnen eine unge-
fähre Obersicht über die während des Trainings ver-
brauchten Kalorien.
Abtasten [SCAN]—Dieser Modus zeigt die
Geschwindigkeit-, Zeit-, Distanz-, Fettkalorien- und
Kalorien-Modus, im 5–Sekunden-Abstand an.
Pedale
Pedal-
scheibe
Widerstand-
sknopf

10
INBETRIEBNAHME DER TEMPOPROGRAMMEN
Der Computer bietet
drei motivierende
Tempopgrogramme
an. Jedes Programm
dauert 20 Minuten.
Wenn Sie ein
Trainingsprogramm
wählen, erscheinen
auf dem Display zwei
Säulen. Die linke
Säule gibt Ihnen Ihr Programm vor, die rechte Säule
zeigt Ihre tatsächliche Leistung. Die Vorgabe ändert sich
in regelmäßigen Abständen. Um dem Programm zu fol-
gen, sollten Sie Ihre Leistung so an die Vorgabe anpas-
sen, dass beide Säulen auf gleicher Höhe bleiben.
Wichtig: Das vorgegebene Programm ist ein Ziel,
das Sie erreichen können. Ihre tatsächliche
Leistung wird, vor allem in den ersten Monaten,
wahrscheinlich hinter der im Programm vorgegebe-
nen Leistung liegen. Bitte halten Sie Ihre
Trainingsintensität auf einem für Sie angemessenen
und komfortablem Niveau.
STUFENWEISE INBETRIEBNAHME DES
COMPUTERS
Bevor der Computer arbeiten kann, müssen die
Batterien eingelegt werden. (Siehe Montage
Schritte 9 auf Seite 8.)
Einschalten.
Um den Computer zu aktivieren, drücken Sie bitte
“On/Reset” oder beginnen Sie einfach auf die
Pedale zu treten. Für ungefähr zwei Sekunden
werden auf dem Display alle Funktionen gleichzei-
tig angezeit; danach ist der Computer betriebsbe-
reit. Anmerkung: Haben Sie die batterien gerade
erst eingelegt, ist der Computer bereits automa-
tisch eingeschaltet.
Auswahl der Trainingsprogramme bzw. der
manuellen Bedienung.
Zur Auswahl
eines Trainings-
programms,
drücken Sie den
Programmknopf
[PROGRAM]
mehrmals. Der
Programm-
Indikator zeigt
Ihnen, welches
Programm sie
ausgewält
haben. Zur
manuellen Bedienung, drücken Sie den Pro-
gramm-Knopf so oft, bis der Programm-Indicator
erlischt. Die Programme können in folgender
Reihenfolge ausgewählt werden: Programm 1,
Programm 2, Programm 3, manuelle Bedienung.
Beginnen Sie Ihr Training.
Haben Sie den
manuellen
Modus
gewählt, kön-
nen Sie an die-
ser Stelle mit
Schritt 4 fort-
fahren.Haben
Sie eines der
Trainingspro-gramme gewählt, werden zwei
Säulen Striche auf dem Display erscheinen. Die
linke Säule wird einen Strich zeigen und ein rela-
tiv langsames Tempo anzeigen. Die rechte Säule
zeigt Ihre tatsächliche Tretgeschwindigkeit.
Ändern Sie Ihr Tempo bis nur noch ein Strich in
der rechten Kolonne erscheint. Jedes Mal wenn
sich das erzielte Tempo während des Programms
ändert, passen Sie Ihr Tempo an, um beide
Säulen auf der selben Höhe zu behalten.
Verfolgen Sie Ihren Fortschritt mit den ver-
schiedenen Computerfunktionen.
Die Abtas-
tungsmodus—
Drücken Sie
immer wieder
den Programm-
knopf bis ein
Pfeil unter das
Wort
SCAN
[abtasten]
erscheint. Wenn der Abtastungsmodus gewählt
ist, wird der Computer in einem wiederholten
Kreis je die Geschwindigkeit-, Zeit-, Distanz-,
Fettkalorien- und Kalorien-Modus für fünf
Sekunden erscheinen lassen.
Der Geschwin-
digkeit-, Zeit-,
Distanz-,
Fettkalorien-
oder Kalorien-
Modus—Um
eines dieser Modi
zum fortlaufen-
den Display aus-
zuwählen, drücken Sie immer wieder den Modus-
Knopf bis ein Pfeil unter oder über dem
gewünschten Modus-Bezeichnung erscheint.
4
3
2
1
Aktuelle
Programm Anzeige
Ziel Aktuelle
Ziel
Modus-
Pfeile

11
Achten Sie darauf, dass sich keinen Pfeil unter das
Wort
SCAN
befindet.
Wenn Sie möchten, drücken Sie den Ein-/
Wiedereinstellungsknopf [ON/RESET] um die
Anzeige nachzustellen.
Den Strom ausschalten.
Umden Strom ausszuschalten, warten Sie
einfach sechs Minuten. Wenn Sie vier Minuten
lang weder die Pedale bewegen, noch die Com-
putertasten betätigen, dann schaltet sich der
Computer automatisch ab, um Batterien zu
sparen.
5

Überprüfen Sie alle Einzelteile und ziehen Sie die Teile
regelmäßig nach. Abgenutzte Teile müssen sofort aus-
getauscht werden.
Das Ellipsentrainer kann mit einem weichen Tuch und
einer kleinen Menge mildes Reinigungsmittels gereinigt
werden. Benutzen Sie keine Schleif- oder Lösungs-
mittel. Um Schaden am Computer zu vermeiden, hal-
ten Sie Flüssigkeiten und direktes Sonnenlicht vom
Computer fern.
Wenn Sie das Ellipsentrainer lagern, entfernen Sie die
Batterien vom Computer. Bewahren Sie das Ellipsen-
trainer an einem sauberen trockenen Ort auf, fern von
Feuchtigkeit und Staub.
COMPUTER FEHLERSUCHE
Wenn der Computer nicht richtig funktioniert, müssen
Sie die Batterien ersetzen, (sehen Sie Montageschritt 9
auf Seite 8).
DEN MEMBRANENSCHALTER EINSTELLEN
Sollte der Computer eine falsche Wiedergabe anzei-
gen, stellen Sie den Membranenschalter neu ein. Um
den Membranenschalter anzupassen beziehen Sie sich
zuerst auf Montageschritt 8 auf Seite 8 und entfernen
Sie die Pedalen (13, 14). Zunächst, beziehen Sie sich
auf Schritt 7 auf Seite 7 und entfernen Sie die Pedal-
armen (11, 12).
Entfernen Sie dann alle Schrauben (51, 70) von der
rechten Pedalscheibe (15) und schieben Sie die
Pedalscheibe ab. Entfernen Sie alle Schrauben (52,
64, 69) von der rechten Seitenschutzdecke (4) und ent-
fernen Sie die rechte Seitenschutzdecke. Entfernen Sie
alle Schrauben von der linken Seitenschutzdecke (3)
und entfernen Sie Sie die linke Seitenschutzdecke.
Zunächst, beziehen Sie sich auf die untenstehende
Zeichnung und finden den Membranenschalter (53).
Lockern Sie die angezogene Schraube (52); entfernen
Sie sie jedoch nicht. Schieben Sie den Membranen-
schalter leicht nach Vorne oder vom Magnet (58) am
Schwungrad weg. Drehen Sie die Schraube wieder
fest. Drehen Sie die linke Pedalscheibe (15) für einen
Moment. Wiederholen Sie diesen Vorgang so lange,
bis der Computer die richtige Wiedergabe anzeigt.
Wenn der Membranenschalter (53) richtig eingestellt
ist, befestigen Sie wieder die Seitenschutzdecken (3,
4), die rechte Pedalscheibe (15), die Pedalarme (11,
12) und die Pedalen (13, 14).
EINSTELLEN DES ANTRIEBSRIEMEN
Falls Sie fühlen,
dass die Pedale rut-
schen während
Inbetriebnahme,
auch wenn der
Widerstandsknopf
zur maximalen
Einstellung gedreht
ist, müsste der
Antriebsriemen (19)
eventuell angepasst
werden. Um den
Antriebsriemen zu
verstellen, müssen
Sie zuerst beide
Seitenschutzdecken abnehmen. Beziehen Sie sich auf
die Instruktionen auf der linken Seite und entfernen die
Seitenschutzdecken.
Dann lockern Sie die M8 x 22mm flache Knopfschrau-
be (68) und drehen Sie den M10 x 60mm Knopfbolzen
(62) bis der Antriebsriemen (19) straff ist. Wenn der
Antriebsriemen straff ist, ziehen Sie die flache
Knopfschraube fest an. Befestigen Sie wieder die
Seitenschutzdecken.
64
WARTUNG UND FEHLERSUCHE
69 70
70
51
69
52
52
64
64
64
12
4
58
53
52
15
15
368
62
19
12

13
TRAININGSRICHTLINIEN
Die folgenden Richtlinien werden Ihnen bei der Ausar-
beitung eines persönlichen Trainingsprogrammes behilf-
lich sein. Denken Sie daran, dass gute Ernährung und
angemessene Pausen wesentlich zum Erfolg beitragen.
ÜBUNGSINTENSITÄT
Egal, ob Sie abnehmen oder Ihr Herz-Kreislaufsystem
stärken wollen, ist der Schlüssel zum Erfolg die richtige
Übungsintensität. Der Indikator für die richtige Übungs-
intensität ist die Pulsfrequenz. Die folgende Tabelle
zeigt die empfohlene Pulsfrequenz zum Kalorienver-
brauch und maximalem Fettabbau sowie für Herz-
Kreislauf- (Aerob-) Training.
Um Ihre richtige Pulsfrequenz zu bestimmen, müssen
Sie oben im Diagramm Ihr Alter finden. (Die Alters-
angaben sind auf die nächsten zehn Jahre abgerundet.)
Als nächstes finden Sie die drei Zahlen rechts von
Ihrem Alter. Diese drei Zahlen stellen Ihre
“Trainingszone” dar. Die niedrigste Zahl ist die empfoh-
lene Pulsfrequenz zur Fettverbrennung. Die mittlere
Zahl ist die empfohlene Pulsfrequenz zur maximalen
Fettverbrennung. Die höchste Zahl ist die empfohlene
Pulsfrequenz für aerobes Training.
Fettabbau
Um Fette wirkungsvoll abzubauen, müssen Sie mit relativ
niedriger Intensität über einen längeren Zeitraum hinweg
trainieren. Während der ersten paar Minuten des
Trainings baut der Körper leicht zugängliche Kohlenhy-
drat-Kalorien zur Energiegewinnung ab und fängt erst
dann an, gespeicherte Fett-Kalorien abzubauen. Wenn
es Ihr Ziel ist, abzunehmen, dann steigern Sie die Inten-
sität Ihres Trainings bis Ihr Puls die niedrigste Zahl in
Ihrem Trainingsbereich erreicht hat.
Aerob-Übung
Wenn es Ihr Ziel ist, Ihr Herz-Kreislaufsystem zu stär-
ken, dann empfehlen wir Aerob-Übung. Aerob-Übung ist
eine Aktivität, die grössere Mengen an Sauerstoff über
einen längeren Zeitraum hinweg benötigt. Das wieder-
um regt das Herz an, vermehrt Blut in die Mus-keln zu
pumpen und die Lunge, das Blut mit mehr Sauerstoff zu
versorgen. Für Aerob-Übung müssen Sie die Intensität
Ihrer Übungen so weit steigern, bis Ihr Puls bei der
höchsten Zahl Ihres Trainingsbereiches liegt.
WIE SIE IHREN PULS MESSEN
Um Ihren Puls zu mes-
sen, müssen Sie minde-
stens vier Minuten lang
trainiert haben. Dann
hören Sie auf und legen
zwei Finger an das
Handgelenk, wie in der
nebenstehenden
Zeichnung angezeigt.
Zählen Sie Ihren Puls sechs Sekunden lang und multi-
plizieren Sie das Resultat mit 10, um Ihre Pulsfrequenz
zu bestimmen. Zum Beispiel: Sollte Ihre sechs-
Sekunden-Pulsfrequenz 14 sein, dann schlägt Ihr Puls
140 mal pro Minute. (Es wird nur der Pulsschlag von
sechs Sekunden gezählt, da der Pulsschlag rapide
sinkt, sobald Sie mit dem Training aufhören).
TRAININGSRICHTLINIEN
Jedes Training sollte folgendes beinhalten:
Ein Warm-Up,das aus 5 bis 10 Minuten Dehnen und
leichter Übungen besteht. Ein richtiges Warm-Up erhöht
die Körpertemperatur, steigert die Pulsfrequenz und
den Kreislauf und bereitet somit den Körper für das
Training vor.
Übungen innerhalb Ihres Trainingsbereiches,die
aus 20 bis 30 Minuten Übungen, bei dem Ihr Puls-
schlag innerhalb Ihres Trainingsbereiches liegt.
(Während der ersten Wochen sollte dieses Training 20
Minuten nicht überschreiten.)
Eine Abkühlung,die aus 5 bis 10 Minuten Dehnen
besteht. Das steigert die Flexibilität der Muskeln und wirkt
eventuellen Problemen nach dem Training entgegen.
ACHTUNG: Bevor Sie mit die-
sem oder irgendeinem anderen Trainings-
programm beginnen, konsultieren Sie bitte
zunächst Ihren Arzt. Dies ist besonders wich-
tig für diejenigen Personen, die über 35 Jahre
alt sind oder gesundheitliche Probleme
haben oder hatten.

14
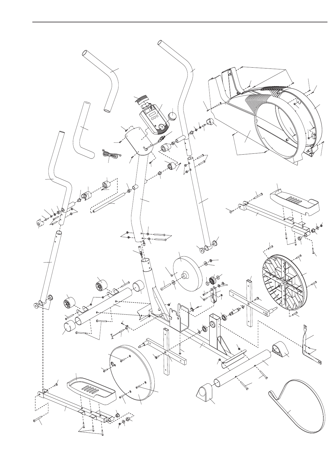
TEILELISTE—Modell-Nr. PFEVEL24831 R0804A
Anmerkung: # weißt auf ein nicht-abgebildetes Teil hin. Veränderungen zu den Angaben sind dem Hersteller,
ohne Benachrichtigung, vorbehalten.
1 1 Rahmen
2 1 Pfosten
3 1 Linker Seitenschutzdecke
4 1 Rechter Seitenschutzdecke
5 2 Haltestange-Arm
6 1 Linke Haltestange
7 2 Druckmutter
8 1 Rechte Haltestange
9 1 Hinterer Stabilisator
10 1 Vorderer Stabilisator
11 1 Linker Pedalarm
12 1 Rechter Pedalarm
13 1 Linkes Pedal
14 1 Rechtes Pedal
15 2 Pedalscheibe
16 2 Scheiben-Querstange
17 1 Schwungrad
18 1 Klammer für Seitenschutzdecke
19 1 Antriebsriemen
20 2 Hintere Endkappe
21 2 Vordere Endkappe
22 2 Rad
23 1 Computer
24 2 Handgriff
25 1 Leerlauf-Klammer
26 1 Leerlauf-Rad
27 2 Leerlauf-Rad-Lager
28 1 Leerlauf-Rad-Achse
29 1Batteriendeckel
30 2 Große Klemmring
31 2 Große Lager
32 1 Pedalchse
33 7 M10 Nylon-Verschlussmutter
34 4 M10 x 75mm Einsteckbolzen
35 2 M8,5 Große Unterlegscheibe
36 6 M4 x 19mm Flanschen-Schraube
37 4 Pedalarm-Buchse
38 7 M8 Nylon-Verschlussmutter
39 2 M10 Unterlegscheibe
40 2 Pedalarm-Bolzensatz
41 2 M6 x 72mm knopfförmiger Bolzen
42 5 M4 x 12mm Schraube
44 1 Oberen Draht
45 1 Widerstandskontrolle/-kabel
46 2 Haltestange-Kappe
47 2 Haltestange-Abstandsstück
48 2 Rahmen-Abstandsstück
49 6 Kleine Armbuchse für Haltestange
50 4 M8 x 45mm knopfförmiger Bolzen
51 4 M6 x 25mm Randschraube
52 9 M4 x 16mm selbstsichernde
Schraube
53 1 Membranenschalter/Draht
54 2 Kabel Klammer
55 2 M8,5 Unterlegscheibe
56 2 M8 x 25mm Schraube mit Nylon
57 1 M10 flacher Knopfbolzen
58 1 Magnet
59 2 M10 gespaltene Unterlegscheibe
60 4 Große Armbuchse für Haltestange
61 2 5/16” x 25,4mm Hex Bolzen
62 1 M10 x 60mm knopfförmige Schraube
63 1 Widerstandsknopf
64 4 M4 x 25mm Schraube
65 1 Niedere Widerstandskabel
66 4 M6 Nylon-Verschlussmutter
67 2M10 x 76mm Knopfbolzen
68 1 M8 x 22mm flache Knopfbolzen
69 2 M6 x 18mm Bolzen
70 4 M6 x 28mm Schraube
71 1 Drehachse
72 2 M3 x 12mm Schraube
73 2 Wellenscheibe
# 2 Inbusschlüssel
# 1 Schmiermittel
# 1 Bedienungsanleitung
Nr. Zahl Beschreibung Nr. Zahl Beschreibung
ÜBUNGSHÄUFIGKEIT
Zur Verbesserung oder Erhaltung Ihrer Kondition soll-
ten Sie dreimal pro Woche trainieren und mindestens
einen Tag Pause dazwischen einlegen. Nach einigen
Monaten regelmässigen Trainings können Sie nach
Wunsch bis zu fünf mal pro Woche trainieren. Denken
Sie daran, dass Sie nur dann Ihr Ziel erreichen, wenn
Sie Ihr Training regelmässig und positiv angehen.

24 8
52
4
3
64
52
52
50
5
49
47
38
42
42
42
42
23
44
45
24
6
38
50
5
60
22
22
67
33
17
2
41
21 34
66
41 57
10
33
21 39
39
60
60
40
40
14
12 35
37
38
37
36
36
70
51
70
51
15
52
18
19
20
20
34
9
33
33
16
61
61
16
62 1
3031
31 32 30
27
26
38
28 25
33
51
51
70 15
13
37
36 38 35
11
40
40
63
65
29
64
52
33
68
27
7
54 42
59
59
58
52
54
52
53
69
66
69
66
70
48
48
47
49 49 49
72
72
71
49
46
55
56
73
56
55
46
49
73
37
DETAILZEICHNUNG—Modell-Nr. PFEVEL24831 R0804A
15

Teile-Nr.213559 R0804A In China gedruckt ©2004 ICON IP,Inc.
Unter der nachfolgenden Adresse und Telefonnummer können Sie Ersatzteile bestellen:
AICON Health & Fitness, GmbH
Kalscheurener Straße 172
D-50354 Hürth
Fax: 01805 231 243
Telefonanrufe außerhalb Deutschlands: +49 2233 613 250
Fax: +49 2233 613 255
Wenn Sie eine Ersatzteilbestellung vornehmen wollen, benötigen wir die folgenden Angaben:
•die MODELL-NUMMER des Produktes (PFEVEL24831)
•den NAMEN des Produktes (PROFORM®485P Ellipsentrainer)
•die SERIEN-NUMMER des Produktes (sehen Sie die Vorderseite dieser Anleitung)
•die BESTELLNUMMER und die BESCHREIBUNG der Teile (sehen Sie Seite 14)
01805 231 244
BESTELLUNG VON ERSATZTEILEN