Proform Pfevel24832 485 P Elliptical Users Manual *PFEVEL24830 200944(UK)
2015-04-14
: Proform Proform-Pfevel24832-485-P-Elliptical-Users-Manual-700287 proform-pfevel24832-485-p-elliptical-users-manual-700287 proform pdf
Open the PDF directly: View PDF  .
.
Page Count: 20

MANUAL DEL USUARIO
PRECAUCIÓN
Antes de usar el equipo, lea
cuidadosamente todas las
advertencias e instrucciones de
este manual. Guarde el manual
para futuras referencias.
N°. de Modelo PFEVEL2483.2
N°. de Serie 
Calcomanía
con el
Número de
Serie
¿PREGUNTAS?
Como fabricante, nosotros
estamos cometidos a proveer
satisfacción completa al clien-
te. Si tiene alguna pregunta, o
si faltan piezas, por favor pón-
gase en contacto con el esta-
blecimiento donde compró el
equipo.

2
CONTENIDO
COLOCACIÓN DE LA CALCOMANÍA DE ADVERTENCIA  . . . . . . . . . . . . . . . . . . . . . . . . . . . . . . . . . . . . . . . . . .2
PRECAUCIONES IMPORTANTES  . . . . . . . . . . . . . . . . . . . . . . . . . . . . . . . . . . . . . . . . . . . . . . . . . . . . . . . . . . . .3
ANTES DE COMENZAR  . . . . . . . . . . . . . . . . . . . . . . . . . . . . . . . . . . . . . . . . . . . . . . . . . . . . . . . . . . . . . . . . . . . .4
MONTAJE . . . . . . . . . . . . . . . . . . . . . . . . . . . . . . . . . . . . . . . . . . . . . . . . . . . . . . . . . . . . . . . . . . . . . . . . . . . . . . . .5
COMO USAR EL ENTRENADOR ELÍPTICO  . . . . . . . . . . . . . . . . . . . . . . . . . . . . . . . . . . . . . . . . . . . . . . . . . . .10
MANTENIMIENTO Y PROBLEMAS . . . . . . . . . . . . . . . . . . . . . . . . . . . . . . . . . . . . . . . . . . . . . . . . . . . . . . . . . . .13
GUÍAS DE EJERCICIOS  . . . . . . . . . . . . . . . . . . . . . . . . . . . . . . . . . . . . . . . . . . . . . . . . . . . . . . . . . . . . . . . . . . .14
LISTA DE LAS PIEZAS  . . . . . . . . . . . . . . . . . . . . . . . . . . . . . . . . . . . . . . . . . . . . . . . . . . . . . . . . . . . . . . . . . . . .18
DIBUJO DE LAS PIEZAS . . . . . . . . . . . . . . . . . . . . . . . . . . . . . . . . . . . . . . . . . . . . . . . . . . . . . . . . . . . . . . . . . . .19
COMO ORDENAR PIEZAS DE REPUESTO  . . . . . . . . . . . . . . . . . . . . . . . . . . . . . . . . . . . . . . . . . .Contraportada
COLOCACIÓN DE LA CALCOMANÍA DE ADVERTENCIA
PROFORM es una marca registrada de ICON IP, Inc.
Localice la calcomanía de advertencia
indicada en el entrenador elíptico. Si el
texto en la calcomanía de advertencia
está en inglés, saque la calcomanía que
está en español, presione la calcomanía
de advertencia de tal manera que cubra
la que está en inglés. Si no se incluye la
calcomanía de advertencia, o no es leí-
ble, por favor vea la portada de este
manual. Aplique la calcomanía en el
lugar que se muestra.
ELLIP/BIKE NON
FREEWHEEL
209489 and
210125
211409
DU

3
1. Lea todas las precauciones en este manual
del usuario antes de usar el entrenador elíp-
tico. Use el entrenador elíptico solamente
como se describe en este manual.
2. Es la responsabilidad del propietario asegu-
rarse que todos los usuarios del entranador
elíptico estén informados sobre todas las
precauciones 
necesarias.
3. El entrenador elíptico está diseñado para
uso en casa solamente. No use el entrena-
dor elíptico en ningún lugar comercial, de
renta o institucional.
4. Coloque el entrenador elíptico en una super-
ficie nivelada con un tapete debajo para pro-
teger el piso o la alfombra. Guarde el entre-
nador elíptico en un lugar cerrado, lejos de
la humedad y el polvo.  
5. Inspeccione y apriete correctamente todas
las piezas regularmente. Reemplace todas
las piezas deterioradas inmediatamente. 
6. Mantenga a los niños menores de 12 años y
animales domésticos lejos del entrenador
elíptico a todo momento.
7. El entrenador elíptico deberá ser usado
solamente por personas cuyo peso sea 250
libras (113 kgs) o menos.
8. Use ropa adecuada para el ejercicio cuando
use la bicicleta de ejercicio; no use ropa
suelta que pueda engancharse en hace ejer-
cicios. Siempre use calzado de atletismo.
9. Siempre sostenga los brazos superiores
cuando esté montando o desmontando el
entrenador elíptico.
10. Siempre mantenga su espalda en una posi-
ción derecha cuando esté usando el entre-
nador elíptico; no se debe de colocar la
espalda en posición de arco.
11. Cuando pare de hacer sus ejercicios, permi-
ta que los pedales se paren lentamente.
12. Si siente dolor o mareos mientras hace ejer-
cicios, pare inmediatamente y comience el
enfriamiento.
13. Use el entrenador elíptico solamente como
se describe en este manual.
ADVERTENCIA: Para reducir el riesgo de lesiones serias, antes de usar el entrena-
dor elíptico lea las siguientes precauciones importantes. ICON no asume ninguna responsabilidad
por lesiones personales o daños materiales sufridos por o a través del uso de este producto.
PRECAUCIONES IMPORTANTES

4
ANTES DE COMENZAR
Felicidades por haber seleccionado el PROFORM®
485P entrenador elíptico. El 485P es un ejercitador
increíblemente suave que mueve sus pies de una
manera elíptica y natural, disminuyendo el impacto en
sus rodillas y tobillos. Y el único 485P ofrece resisten-
cia ajustable, barandas para la parte superior del
cuerpo, y una consola con multi-funciones para ayu-
darle obtener lo máximo de su ejercicio. Bienvenido a
un mundo enteramente nuevo de ejercicios con
moción natural y elíptica de PROFORM.
Para su beneficio, lea el manual cuidadosamente
antes de usar el entrenador elíptico. Si tiene pre-
guntas después de leer este manual. por favor vea la
portada de este manual. Para ayudarnos asistirle,
note el número del modelo y el número de serie antes
decontactarnos. Se muestra el número del model y la
localización del número de serie en la portada de este
manual.
Antes de seguir leyendo, por favor estudie el dibujo
abajo y familiarícese con las piezas y sus nombres.
Perilla de Resistencia
Consola
Brazo del Pedal
Rueda
Disco del Pedal
Pedal
Montante Vertical
Escudo del Lado
Baranda

5
Este cuadro se provee para ayudarle a usted a identificar las piezas pequeñas que se usan en el montaje. El
número que se encuentra entre paréntesis debajo de cada parte hace referencia al número clave de cada parte
de la LISTA DE LAS PIEZAS en la página 18. El segundo número hace referencia a la cantidad que se usa en el
montaje.  Nota: Algunas piezas pequeñas pueden haber sido armadas previamente para propósitos de
envío. Si una pieza no se encuentra en la bolsa de las piezas, revise si ha sido armada previamente.
MONTAJE
El montaje requiere dos personas. Coloque todas las piezas del entrenador elíptico en una área despejada y
quite los materiales de empaque. No se deshaga de los materiales de empaque hasta que el montaje se halla
completado. 
El montaje requiere una llave “L” que se incluye y las siguientes herramientas, un desarmador estrella
,dos llaves ajustables                 , un martillo de hule                  , y un par de tenazas               .
1. Identifique el Estabilizador Delantero (10). Mientras
que otra persona levanta el frente del Marco (1),
conecte el Estabilizador Delantero al Marco con dos
Pernos de Porte de M10 x 75mm (34) y dos
Contratuercas de Nylon de M10 (33). Asegúrese
que el Estabilizador Delantero esté volteado de
tal manera que las Ruedas (22) no estén tocando
el suelo.
1
1
10
22
22
33
34
Perno Botón de M10 x
76mm (67)–2
Perno Botón de M8 x
45mm (50)–4
Tornillo de M4 x
12mm (42)–4
Contratuerca de
Nylon de M8 (38)–6 Contratuerca de
Nylon de M10 (33)–6
Arandela Dividida de
M10 (59)–2
Perno de Porte de M10 x
75mm (34)–4
Tornillo con Reborde
de M4 x 19mm (36)–6
Juego de Pernos del Brazo del
Pedal (40)–2
Arandela de
Ondulatoria (43)–2 Arandela de
M8,5 (55)–2 Arandela Grande
de M8,5 (35)–2
Tornillo con Nylon de
M8 x 25mm (56)–2

6
2. Mientras que otra persona levanta el parte de atrás
del Marco (1) ligeramente, conecte el Estabilizador
Trasero (9) al Marco con dos Pernos de Porte de
M10 x 75mm (34) y dos Contratuercas de Nylon de
M10 (33).  33
1
2
34
9
33
3. Mientras que otra persona sostiene el Montante
Vertical (2) cerca del Marco (1) como se muestra,
conecte el Alambre Superior (44) al Alambre del
Interruptor de Lengüeta (53). 
A continuación, conecte el Cable de Resistencia (45)
al Cable de Resistencia Inferior (65) de la siguiente
manera: 
•Refiérase al dibujo A. Jale el sujetador de metal
hacia arriba, e inserte la punta del Cable de
Resistencia (45) dentro del sujetador de alambres
en el Cable de Resistencia Inferior (65) como se
muestra. 
•Refiérase al dibujo B. Firmemente jale el Cable de
Resistencia (45) y deslíce lo dentro del sujetador
de metal en el Cable de Resistencia Inferior (65)
como se muestra.
•Refiérase al dibujo C. Usando las tenazas, apriete
juntando los dientes en el extremo superior del
sujetador de metal.
Deslice el Montante Vertical (2) al Marco (1); asegú-
rese de no pellizcar los alambres o cables.
Conecte el Montante Vertical con dos Pernos Botón
de M10 x 76mm (67), dos Contratuercas de Nylon de
M10 (33), y dos Arandelas Divididas de M10 (59). No
apriete los Pernos Botón en este momento.
65 65
45
Sujetador
de Metal
45
B
AC
65
45
65
44
45
67
33
59
59
53
2
1
Asegúrese de no
pellizcar los
alambres o
cables.
3

7
5. Identifique la Baranda Izquierda (6), el cual está mar-
cado con una calcomanía. Inserte la Baranda
Izquierda dentro de uno de los Brazos de la Baranda
(5); asegúrese que el Brazo de la Baranda esté
volteado de tal manera que los orificios hexago-
nales estén en el lado indicado. Conecte la
Baranda Izquierda al uno de los Brazos de la
Baranda con dos Pernos Botón de M8 x 45mm (50) y
dos Contratuercas de Nylon de M8 (38). Asegúrese
que las Contratuercas de Nylon estén adentro de
los orificios hexagonales. No apriete completa-
mente los Pernos Botón todavía.
Conecte la Baranda Derecha al otro Brazo de la
Baranda (que no se muestra) de la misma manera.
5
6
50
38
5Orificios
Hexagonales
4
42
44 45
Alambre de
la Consola
42
63
23
2
4. Conecte el Alambre Superior (44) al alambre en la
Consola (23). A continuación, conecte la Consola al
Montante Vertical (2) con cuatro Tornillos de M4 x
12mm (42).
Presione la Perilla de Resistencia (63) al Controle de
Resistencia (45).

8
6. Aplique una cantidad abundante de la grasa que
viene incluida al Eje de Pivote (71) y a las dos
Arandelas de M8.5 (55). Inserte el Eje de Pivote en
elMontante Vertical (2) y luego céntrelo. Aplique
grasa nuevamente a ambos extremos del Eje de
Pivote.
Deslice un Espaciador de la Baranda (47) en el tubo
corto cada Baranda (6, 8), y rote los Espaciadores
de la Baranda de manera que la flecha pequeña
quede apuntando hacia el piso. Luego, deslice las
Barandas en el Eje de Pivote (71). Asegúrese que
las Barandas queden en los costados correctos.
Apriete un Tornillo con Nylon de M8 x 25mm (56) con
una Arandela de M8,5 (55) y una Arandela de
Ondulatoria (43) en cada extremo del Eje de Pivote
(71). Oriente las dos Tapas de la Baranda (46) como
se muestra y presione las lengüetas pequeñas en
las Tapas de la Baranda en los dos Espaciadores de
la Baranda (47).
6
2
55 43
71
8
6
56
46
47
Lubrique
Flecha
Tubo
7. Aplique una cantidad pequeña de grasa en el eje en
la Barra Cruzada del Disco (16) izquierdo. Deslice el
Brazo del Pedal Izquierdo (11) al eje y conéctelo con
una Arandela Grande de M8,5 (35) y una
Contratuerca de Nylon de M8 (38).
Inserte el Brazo de la Baranda (5) izquierdo dentro
del sujetador en el extremo del Brazo del Pedal
Izquierdo (11), y conéctelo con un Juego de Pernos
del Brazo del Pedal (40).
Repita este paso para conectar el Brazo del Pedal
Derecho (que no se muestra) derecho.
Refiérase al paso 5. Apriete los Pernos Botón de
M8 x 45mm (50) en los Brazos de la Baranda (5).
Apriete los dos Pernos Botón de M10 x 76mm
(67).
7
55
11
35
38
67
40
40
Lubrique
16

9
10. Asegúrese de que todas las piezas del entrenador elíptico estén apretadas apropiadamente. Para pro-
teger el suelo o la alfombra de daño, coloque un tapete debajo el entrenador elíptico.
9. La Consola (23) requiere tres pilas 1,5V “AAA”; se
recomiendan pilas alkalinas. Delice la Cubierta de las
Pilas (29) y presione las pilas dentro del gancho de
las pilas; asegúrese de que los extremos negati-
vos de las pilas (marcadas “–”) estén tocando los
resortes en el sujetador de las pilas. Cierre la
Cubierta de las Pilas.
9
8. Encuentre el Pedal Izquierdo (13), el cual tiene un
borde en el lado derecho. Conecte el Pedal Izquierdo
al Brazo del Pedal Izquierdo (11) con tres Tornillos
con Reborde de M4 x 19mm (36) como se muestra.
Conecte el Pedal Derecho al Brazo del Pedal
Derecho (que no se muestra) de la misma manera.
11
8
13
36
23
29

10
COMO USAR EL ENTRENADOR ELÍPTICO
COMO HACER EJERCICIO EN EL ENTRENADOR
ELÍPTICO
Para montar el entrenador elíptico, firmemente sosten-
ga las barandas y cuidadosamente párese en el pedal
que esté en la posición más baja. En seguida, párese
en el otro pedal. Empuje los pedales hasta que ellos
empiecen a moverse con un movimiento continuo.
Nota: Los discos del pedal pueden girar en cual-
quier dirección. Se recomienda que usted gire los
discos del pedal en la dirección que se muestra
arriba; sin embargo, para variedad, usted puede
girar los discos del pedal en la dirección opuesta.
Para desmontar el entrenador elíptico, espere hasta
que los pedales paren por completo. PRECAUCIÓN:
El entrenador elíptico no tiene una rueda libre; los
pedales continuarán hasta que el volante se
detenga. Cuando los pedales estén estacionarios,
bájese del pedal más alto primero. Después, remueva
su pie del pedal más bajo.
COMO HACER AJUSTE DE LA RESISTENCIA DE
LOS PEDALES
Mientras que
usted hace ejerci-
cios, usted puede
ajustar la resis-
tencia de los
pedales con la
perilla de resis-
tencia en la con-
sola. Para
aumentar la resis-
tencia del peda-
leo, gire la perilla
de resistencia en dirección de las agujas del reloj.
Para disminuir la resistencia, gire la perilla de resisten-
cia en dirección opuesta a las agujas del reloj.
Importante: Quizas la perilla no pare de dar vuel-
tas cuando se alcance la resistencia máxima o
mínima. Cuando se haga demasiado dificil darle
vuelta a la perilla, pare de darle vueltas o pueden
resultar daños.
DIAGRAMA DE LA CONSOLA
DESCRIPCIÓN DE LA CONSOLA
La consola ofrece una selección de características
diseñadas para hacer sus entrenamientos más efica-
ces. A medida que usted hace ejercicios, la consola le
proveerá información continua de su ejercicio.
La consola también le ofrece cuatro entrenamientos
que le indicarán que varíe su ritmo de pedaleo mien-
tras que le guía a través de un ejercicio efectivo.
Para usar la función manual de la consola,vea las
instrucciones en la página 11. Para usar un entrena-
miento de paso,vea la página 12.
Antes de usar la consola, asegúrese que haya pilas
en la consola (vea el paso del montaje 9 en la página
9). Si la superficie de la consola tiene una hoja de
plástico transparente, retírela. 
Pedal
Disco del
Pedal
Perilla de
Resistencia
Indicadores
Guía
del
Paso

11
COMO USAR LA FUNCIÓN MANUAL
1.Encienda la consola.
Para encender la consola, presione el botón de
Prender/ Reajustar [ON/RESET] o comience a
pedalear. Toda la pantalla aparecerá brevemente; la
consola entonces estará lista para el uso.
2. Seleccione la función manual.
Cuando la corrien-
te se acaba de
encender, la fun-
ción manual se
seleccionará. Si es
que usted ha
seleccionado un
entrenamiento,
seleccione nuevamente la modalidad manual al pre-
sionar el botón de Seleccione entrenamiento de
paso [PACE WORKOUT SELECT] en forma repeti-
da hasta que aparezcan ceros en la pantalla.
3. Siga su progreso con la pantalla.
La consola tiene seis secciones de pantallas que
muestran la siguiente información de sus sesiones
de ejercicios:
Velocidad [SPEED]—Esta función muestra la veloci-
dad de su pedaleo, en kilómetros por hora o millas
por hora.
Tiempo [TIME]—Esta pantalla muestra el tiempo
transcurrido. Nota: Cuando se seleccione un entre-
namiento de paso, esta pantalla muestra el tiempo
restante en el entrenamiento en vez del tiempo
transcurrido.
Distancia [DISTANCE]—Esta función muestra la dis-
tancia que usted ha pedaleado durante su entrena-
miento,en kilómetros o millas. 
Calorías [CALORIES]—Esta función muestra el
número aproximado de calorías que usted ha que-
mado.
Calorías de Grasa [FAT CALS]—Esta función mues-
tra el número aproximado de calorías de grasa que
usted ha quemado (vea QUEMAR GRASA en la
página 14).
Recorrer—Esta pantalla muestra la velocidad, el
tiempo, la distancia, las calorías, y las calorías de
grasa por algunos segundos cada uno, en un ciclo
repetitivo.
Cuando usted encienda el equipo, la pantalla de
recorrer 
SCAN
se selecciona automáticamente.
Aparecerá un indicador debajo de la palabra reco-
rrer para mostrar que la modalidad de escáner está
seleccionada, y un segundo mostrará cual función
se ha selecciona-
do actualmente.
Nota: Si usted ha
seleccionado una
función diferente,
presione el botón
modalidad Pantalla
[DISPLAY] repeti-
damente para
seleccionar la pantalla Escáner [SCAN] de nuevo.
Para seleccionar
la función de velo-
cidad, tiempo, dis-
tancia, calorías o
calorías de grasa
para ser mostrada
continuamente,
presione el botón
modalidad Pantalla en forma repetida. Los indicado-
res mostrarán cual función se ha seleccionado.
Verifique que no hay un indicador debajo de la pala-
bra Recorrer. Los indicadores de función mostrarán
cual función se ha seleccionado. Asegúrese que no
haya un indicador de función abajo de la palabra
SCAN
.
A medida que usted pedalée, el metro de RPM en el
lado izquierdo de la pantalla indicará el paso aproxi-
mado de su pedaleo en revoluciones por minuto
(RPM). La barra más baja en el metro de revolucio-
nes por minuto indica un paso de 30 rpm. Además
las barras aparecerán en incrementos de 10rpm.
Nota: La consola puede mostrar velocidad y dis-
tancia en kilómetros o millas. Las letras “mph”
(millas por hora) o “km/h” (kilómetros por hora) apa-
recerán en la pantalla para mostrar qué unidad de
medida se ha seleccionado. Para cambiar la unidad
de medida, sostenga el botón Encendido/Reajustar
por varios segundos hasta que la unidad de medida
aparezca en la pantalla.
Para reajustar la pantalla en cualquier momento,
presione el botón de Encendido/ Reajustar.
Para hacer una pausa en el funcionamiento de la
consola, pare de pedalear.Cuando la consola esta
en pausa, el tiempo comienza a destellar en la pan-
talla. Para continuar su sesión de ejercicios, simple-
mente comience a pedalear nuevamente.
4. Cuando usted termine de hacer ejercicios, la
consola se apagará automáticamente.
Si los pedales no son movidos por algunos segun-
dos, el tiempo comenzará a destellar en la pantalla y
la consola hará una pausa. Si no mueve los pedales
por algunos minutos, la consola se apagará y la
pantalla se reajustará.
?
EBPE24837
PFEVEL2483.0
?
EBPE24837
PFEVEL2483.0
Indicadores

12
COMO USAR UN ENTRENAMIENTO DE PASO
1.Encienda la consola.
Siga al paso 1 en la página 11.
2. Seleccione un entrenamiento de paso.
Para seleccionar
un entrenamien-
to de paso, pre-
sione el botón
de seleccione
entrenamiento
paso [PACE
WORKOUT
SELECT] repetidamente hasta que aparezca P1,
P2, P3, o P4 en la pantalla. Algunos segundos
después que usted haya seleccionado un entre-
naniento de paso, la pantalla mostrará lo largo
del programa.
3. Comience a pedalear para comenzar el 
entrenamiento.
Los entrenamientos de paso consisten de 20 a
30 segmentos de un minuto.Se programa un
paso objetivo para cada segmento. Nota: Usted
puede ajustar el nivel de resistencia como lo
desea durante un entrenamiento de paso.
Durante el entrenamiento, la guía del paso le
alertará a mantener su paso cerca del ajuste de
paso objetivo para el segmento actual. Cuando
el indicador izquierdo se encienda, aumente su
paso; cuando el indicador derecho se encienda,
disminuya su paso. Cuando el indicador central
seencienda, mantenga su paso actual.
Importante: La guía del paso solamente tiene
laintención de proveer una meta. Asegúrese
de hacer ejercicios a un paso que sea cómo-
do para usted.
La pantalla mostrará el tiempo restante en el
entrenamiento. Si usted para de pedalear, el
entrenamiento hará pausa y el tiempo destellará
en la pantalla. Para volver a comenzar el entre-
namiento, simplemente reanude el pedaleo.
4. Siga su progreso con la pantalla.
Vea el paso 3 en la página 11. 
5. Cuando usted termine de hacer ejercicios, la
consola se apagará automáticamente.
Vea el paso 4 en la página 11.
?
EBPE24837
PFEVEL2483.0

13
Inspeccione y apriete regularmente las piezas del
entrenador elíptico. Reemplace inmediatamente cual-
quier parte gastada.
Para limpiar el entrenador elíptico, use un trapo
húmedo y una cantidad pequeña de detergente
suave. No use abrasivos o solventes. Para evitar
daños a la consola, mantenga los líquidos alejados
de la consola y mantenga la consola fuera de la luz
directa del sol.
Cuando guarde el entrenador elíptico, quite las pilas
de la consola. Mantenga el entrenador elíptico en un
lugar limpio, seco, y alejado de humedad y polvo.
ALMACENAMIENTO DE LA CONSOLA
Si la consola no funciona apropiadamente, reemplace
las pilas (vea el paso 9 del montaje en la página 9).
COMO AJUSTAR EL INTERRUPTOR DE
LENGÜETA
Si la consola no muestra información continua correc-
ta, se debe de ajustar el interruptor de lengüeta. Para
ajustar el interruptor de lengüeta, primero refiérase al
paso 8 del montaje en la página 9 y quite los Pedales
(13, 14). A continuación, refiérase al paso 7 en la
página 8 y quite los Brazos del Pedal (11, 12).
A continuación, quite todos los Tornillos (51, 70) del
Disco del Pedal (15) derecho, y deslice el Disco del
Pedal hacia afuera. Quite todos los Tornillos (52, 64,
69) del Protector Lateral Derecho (4), y quite el
Protector Lateral Derecho. Quite todos los Tornillos
(52) del Protector Lateral Izquierdo (3), y quite el
Protector Lateral Izquierdo.
A continuación, refiérase al dibujo de abajo y localice
el Interruptor de Lengüeta (53). Afloje pero no remue-
va el Tornillo (52) indicado. Deslice el Interruptor de
Lengüeta un poco hacia el Imán (58) o en dirección
opuesta del Imán en el volante. Vuelva a apretar el
Tornillo. De vuelta al Disco del Pedal (15) izquierdo
por un momento. Repita hasta que la consola mues-
tre una retroalimentación correcta. 
Cuando el Interruptor de Lengüeta (53) esté ajustado
correctamente, vuelva a conectar los Protectores
Laterales (3, 4), el Disco del Pedal (15) derecho, los
Brazos del Pedal (11, 12), y los Pedales (13, 14).
COMO AJUSTAR LA CORREA DE MANEJO
Si usted
puede sentir
los pedales
resbalarse
mientras que
usted peda-
lea, aun cuan-
do la perilla
de resistencia
está volteada
al ajuste
máximo, la
Correa de
Manejo (19)
puede necesitar ser ajustada. Para ajustar la Correa
de Ajuste, usted debe quitar ambos protectores late-
rales. Refiérase a las instrucciones a la izquierda y
quite los protectores laterales.
A continuación, afloje el Tornillo de Cabeza Plana de
M8 x 22mm (68) y de vuelta al Tornillo Botón de M10
x60mm (62) hasta que la Correa de Manejo (19) esté
apretada. Una vez que la Correa de Manejo esté
apretada, apriete el Tornillo de Cabeza Plana. Vuelva
aconectar los protectores laterales.
MANTENIMIENTO Y PROBLEMAS
64 69
51
70
70
69
52
52
64
64
14
12
4
58
53
52
15
15
368
62 19
64

14
La siguiente guía le ayudará a formar su plan de ejer-
cicio. Recuerde que una nutrición adecuada y el des-
canso apropiado son esenciales para obtener los
mejores resultados. 
INTENSIDAD DEL EJERCICIO
Ya que su meta sea quemar grasa o fortalecer su sis-
tema cardiovascular, la llave para lograr los resulta-
dos deseados es de llevar acabo los ejercicios con la
intensidad apropiada. El nivel de la intensidad apro-
piado puede ser encontrado al usar su ritmo cardíaco
como una guía. El gráfico que se muestra abajo
enseña algunos niveles de ritmo cardíacos que se
recomiendan para quemar grasa, quemar lo máximo
de grasa y ejercicios aeróbicos.
Para encontrar el ritmo cardíaco apropiado para
usted, primero encuentre su edad en la parte inferior
del gráfico (las edades están redondeadas a los diez
años más cercanos). A continuación, encuentre los
tres números arriba de su edad. Los tres números
son su “zona de entrenamiento.” El número más bajo
es el ritmo cardíaco recomendado para el ejercicio de
quemar grasa; el número de en medio es el ritmo car-
díaco recomendado para el ejercicio de quemar grasa
aun nivel máximo; el número más alto es el ritmo
cardíaco recomendado para un ejercicio aeróbico.
Quemar Grasa- Para quemar grasa efectivamente,
debe hacer ejercicio relativamente a baja intensidad
por un período de tiempo sostenido. Durante los pri-
meros minutos de ejercicio, su cuerpo usa normal-
mente los 
calorías carbohidratos
para obtener ener-
gía. Solo después de los primeros minutos de ejerci-
cio empieza a usar las
calorías de gras
aalmacena-
das para obtener energía. Si su meta es de quemar
grasa, ajuste su paso hasta que su ritmo cardíaco
esté cerca del número mas bajo de su zona de entre-
namiento mientras que usted lleva a cabo sus ejerci-
cios.
Ejercicio Aeróbico- Si su meta es fortalecer su siste-
ma cardiovascular, su ejercicio debe ser aeróbico. El
ejercicio aeróbico es una actividad que requiere gran-
des cantidades de oxígeno por períodos prolongados
de tiempo. Este incremento hace que el corazón bom-
bee sangre a los músculos y a los pulmones para oxi-
genar la sangre. Para ejercicios aeróbicos, ajuste su
paso hasta que su ritmo cardíaco esté cerca del
número más alto en su zona de entrenamiento.
COMO MEDIR SU RITMO CARDIACO
Para medir su ritmo car-
díaco, primero haga ejer-
cicios por al menos cua-
tro minutos. Entonces,
pare de hacer ejercicios
ycoloque dos dedos en
su muñecas como se
muestra. Tome una
cuenta de sus latidos por seis segundos, y multiplique
su resultado por diez para encontrar su frecuencia
cardiaca. Por ejemplo, si la cuenta de sus latidos del
corazón por seis segundos es 14, su ritmo cardíaco
es 140 latidos. Nota: Se usa una cuenta de seis
segundos porque su frecuencia cardiaca baja rápida-
mente cuando deja de ejercitar.)
GUÍAS DE ENTRENAMIENTO
Un calentamiento,consiste de 5 a 10 minutos de
estiramientos y ejercicios ligeros. Un calentamiento
apropiado aumenta la temperatura de su cuerpo,
ritmo cardíaco, y circulación en preparación para un
ejercicio más estrenuo.
Zona de entrenamiento de ejercicios,consiste de
20 a 30 minutos de ejercicios en su frecuencia cardia-
ca de su zona de entrenamiento. (Durante las prime-
ras semanas de sus entrenamientos no mantenga su
ritmo cardíaco de su zona de entrenamiento por más
de 20 minutos). 
GUÍAS DEL EJERCICIOS
ADVERTENCIA: Antes de
comenzar éste o cualquier programa de ejer-
cicios, consulte a su médico. Esto es muy
importante especialmente para personas
mayores de 35 años o que tengan problemas
previos de salud.
El sensor de pulso no es un dispositivo médi-
co. Varios factores pueden afectar la exactitud
de la lectura del pulso. El sensor de pulso
está diseñado únicamente como ayuda para el
ejercicio, determinando el ritmo cardíaco
usual en general.

15
SUGERENCIAS PARA ESTIRAMIENTO
La forma correcta para algunos estiramientos básicos está mostrada
en los dibujos de abajo. Hágalos despacio—manténgase quieto en
cada posición.
1. Extensiones Tocando las Puntas de los Pies
Párese con las rodillas ligeramente dobladas y doble la cintura lenta-
mente hacia el frente. Deje que su espalda y brazos se relajen mien-
tras se estira al máximo hasta tocar las puntas de sus pies. Sostenga
la posición contando hasta el 15, relájese. Repita 3 veces. Estira:
Tendón de la corva, la espalda y la parte trasera de las rodillas.
2. Extensión de Tendón de las Corvas
Siéntese con una pierna extendida. Doble la suela del otro pie hacia
usted y póngala contra el interior de la pierna extendida. Dóblese tra-
tando de tocar los dedos del pie extendido o tanto como pueda.
Sostenga la posición contando hasta 15, relájese. Repita 3 veces.
Estira: Tendón de la corva, la parte baja de la espalda y la ingle.
3. Extensiones de Tendón de Aquiles y Pantorrillas
Con una pierna enfrente de la otra, reclínese hacia adelante y colo-
que las manos contra la pared. Mantenga la pierna de atrás estirada y
el pie de la misma pierna tocando el suelo completamente. Doble la
pierna de enfrente reclínese hacia adelante y empuje con la cadera
en dirección a la pared. Sostenga la posición contando hasta 15, relá-
jese. Repita 3 veces con ambas piernas. Estira: Pantorrillas y tobillos.
4. Extensiones de los Cuadricéps 
Sosteniéndose con una mano en la pared, con la otra mano agarre
uno de sus pies. Acérquelo lo más que se pueda a sus glúteos.
Sostenga la posición contando hasta 15, relájese. Repita 3 veces con
ambas piernas. Estira: Cuadricéps y músculos de la cadera.
1
2
3
4
FRECUENCIA DE SU EJERCICIO
Para mantener o mejorar su condición, planee tres
entrenamientos por semana, con al menos un día de
descanso entre los mismos. Después de algunos
meses de ejercicio regular, usted puede aumentar
hasta cinco entrenamientos por semana si lo desea.
Recuerde, la clave del éxito es hacer del ejercicio una
parte placentera y regular de su vida diaria.

16
NOTAS

17
NOTAS

18
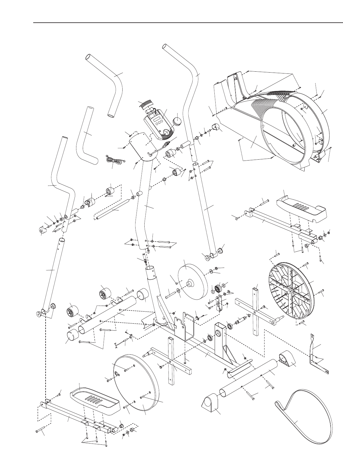
LISTA DE LAS PIEZAS—Nº de Modelo PFEVEL2483.2 R0507A
Nota: # Indica una pieza no ilustrada. Las características técnicas están sujetas a cambios sin previo aviso. Vea
el reverso de este manual para información como ordenar piezas de repuesto. 
1 1 Marco
2 1 Montante Vertical
3 1 Protector Lateral Izquierdo
4 1 Protector Lateral Derecho
5 2 Brazo de la Baranda
6 1 Baranda Izquierda
7 2 Tuerca de Empuje
8 1 Baranda Derecha
9 1 Estabilizador Trasero
10 1 Estabilizador Delantero
11 1 Brazo del Pedal Izquierdo
12 1 Brazo del Pedal Derecho
13 1 Pedal Izquierdo
14 1 Pedal Derecho
15 2 Disco del Pedal
16 2 Barra Cruzada del Disco
17 1 Volante
18 1 Sujetador del Protector Lateral
19 1 Correa de Manejo
20 2 Tapa Trasero
21 2 Tapa Izquierda
22 2 Rueda
23 1 Consola
24 2 Manejo
25 1 Sujetador del Brazo Estable
26 1 Rueda del Brazo Estable
27 2 Cojinete del Rueda del Brazo
Estable
28 1 Eje del Rueda del Brazo Estable
29 1 Cubierta de las Pilas
30 2 Anillo Grande
31 2 Cojinete Grande
32 1 Eje del Pedal
33 7 Contratuerca de Nylon de M10
34 4 Perno de Porte de M10 x 75mm
35 2 Arandela Grande de M8,5 
36 6 Tornillo con Reborde de M4 x 
19mm
37 4Foro de Cojinete del Brazo del
Pedal
38 7Contratuerca de Nylon de M8
39 2Arandela de M10
40 2 Juego de Pernos del Brazo del
Pedal
41 2 Perno Botón de M6 x 72mm
42 5 Tornillo de M4 x 12mm
43 2 Arandela de Ondulatoria
44 1 Alambre Superior
45 1 Controle/Cable de Resistencia
46 2 Tapa de la Baranda
47 2 Espaciador de la Baranda
48 2 Espaciador del Marco
49 6 Foro de Cojinete Pequeño del
Brazo de la Baranda
50 4 Perno Botón de M8 x 45mm
51 4 Tornillo de M6 x 25mm
52 9 Tornillo Taladro de M4 x 16mm
53 1 Alambre/Interruptor de Lengüeta
54 2 Sujetador del Cable
55 2 Arandela de M8,5
56 2 Tornillo con Nylon de M8 x 25mm
57 1 Tornillo de Cabeza Plana de M10
58 1 Imán
59 2 Arandela Dividida de M10
60 4 Foro de Cojinete Grande del Brazo
de la Baranda
61 2 Perno de Cabeza Hex de 
5/16" x 25,4mm
62 1 Tornillo Botón de M10 x 60mm
63 1 Perilla de Resistencia
64 4 Tornillo de M4 x 25mm
65 1 Cable de Resistencia Interior
66 4 Contratuerca de Nylon de M6
67 2 Perno Botón de M10 x 76mm
68 1 Tornillo de Cabeza Plana de M8 x
22mm
69 2 M6 x 18mm Perno
70 4 M6 x 28mm Tornillo
71 1 Eje de Pivote
72 2 Tornillo de M3 x 12mm
#2Llave “L”
# 1 Grasa
#1Manual del Usuario
Clave Ctd. Descripción Clave Ctd. Descripción

24 8
52
4
3
64
52
52
50
5
49
47
38
42
42
42
42
23
44
45
24
6
38
50
5
60
22
22
67
33
17
2
41
21 34
66
41 57
10
33
21 39
39
60
60
40
40
14
12 35
37
38
37
36
36
70
51
70
51
15
52
18
19
20
20
34
9
33
33
16
61
61
16
62 1
3031
31 32 30
27
26
38
28 25
33
51
51
70 15
13
37
36 38 35
11
40
40
63
65
29
64
52
33
68
27
7
54 42
59
59
58
52
54
52
53
69
66
69
66
70
48
48
47
49 49 49
72
72
71
49
46
55
56
43
56
55
46
49
43
37
DIBUJO DE LAS PIEZAS—Nº de Modelo
PFEVEL2483.2 R0507A
19

N°de Pieza 256310 R0507A Impreso en China ©2007 ICON IP, Inc.
COMO ORDENAR PIEZAS DE REPUESTO
Para ordenar piezas de repuesto, vea la portada de este manual. Para ayudarles a asistirle, por favor esté pre-
parado para proveer la siguiente información al contactarles.
•el número de modelo y el número de serie de la máquina (vea la portada de este manual)
•el nombre de la máquina (vea la portada de este manual)
•el número de las piezas y descripción de la(s) pieza(s) (vea la LISTA DE LAS PIEZAS y el DIBUJO DE LAS
PIEZAS cerca del final de este manual)