Proform Pfevel27860 470 Hr Elliptical Users Manual WLEL20130 199036
2015-04-14
: Proform Proform-Pfevel27860-470-Hr-Elliptical-Users-Manual-700306 proform-pfevel27860-470-hr-elliptical-users-manual-700306 proform pdf
Open the PDF directly: View PDF  .
.
Page Count: 24

ATTENTION
Lisez toutes les précautions et
les instructions contenues
dans ce manuel avant d’utili-
ser cet appareil. Gardez ce
manuel pour vous y référer
ultérieurement.
Nº. du Modèle PFEVEL2786.0
Nº. de Série. 
Autocollant
du Nº. de
Série
MANUEL DE L’UTILISATEUR
QUESTIONS?
En tant que fabricant nous
nous engageons à satisfaire
notre clientèle entièrement. Si
vous avez des questions ou si
des pièces sont manquantes,
veuillez nous contactez au :
(+33) (0) 810 121 140
du lundi au jeudi de 9h00 à
13h00 et de 14h00 à 18h00, le
vendredi de 14h00 à 17h00 (à
l’exception des jours fériés).
email : sav.fr@iconeurope.com
www.iconeurope.com
Notre site Internet

2
TABLE DES MATIÉRES
PRÉCAUTIONS IMPORTANTES  . . . . . . . . . . . . . . . . . . . . . . . . . . . . . . . . . . . . . . . . . . . . . . . . . . . . . . . . . . . . . .2
AVANT DE COMMENCER . . . . . . . . . . . . . . . . . . . . . . . . . . . . . . . . . . . . . . . . . . . . . . . . . . . . . . . . . . . . . . . . . . . .3
ASSEMBLAGE . . . . . . . . . . . . . . . . . . . . . . . . . . . . . . . . . . . . . . . . . . . . . . . . . . . . . . . . . . . . . . . . . . . . . . . . . . . . .4
COMMENT UTILISER L’APPAREIL ELLIPTIQUE . . . . . . . . . . . . . . . . . . . . . . . . . . . . . . . . . . . . . . . . . . . . . . . . . .9
ENTRETIEN ET PROBLÈMES  . . . . . . . . . . . . . . . . . . . . . . . . . . . . . . . . . . . . . . . . . . . . . . . . . . . . . . . . . . . . . . .19
CONSEILS DE MISE EN FORME . . . . . . . . . . . . . . . . . . . . . . . . . . . . . . . . . . . . . . . . . . . . . . . . . . . . . . . . . . . . .20
LISTE DES PIÈCES  . . . . . . . . . . . . . . . . . . . . . . . . . . . . . . . . . . . . . . . . . . . . . . . . . . . . . . . . . . . . . . . . . . . . . . .22
SCHÉMA DÉTAILLÉ  . . . . . . . . . . . . . . . . . . . . . . . . . . . . . . . . . . . . . . . . . . . . . . . . . . . . . . . . . . . . . . . . . . . . . . .23
POUR COMMANDER DES PIÈCES DE RECHANGE  . . . . . . . . . . . . . . . . . . . . . . . . . . . . . . . . . . .Dernière Page
PRÉCAUTIONS IMPORTANTES
ATTENTION : afin de réduire les risques de blessures graves, lisez les précautions
importantes ci-dessous avant d’utiliser l’appareil elliptique.
1. Lisez toutes les instructions contenues dans
ce manuel ainsi que toutes les mises en
garde concernant l’appareil elliptique avant
d’utiliser celui-ci. 
2. Il est de la responsabilité du propriétaire de
s’assurer que tous les utilisateurs de l’appa-
reil elliptique sont correctement informés de
toutes les précautions.
3. L’appareil elliptique est conçu uniquement
pour une utilisation privée. N’utilisez pas
l’appareil elliptique à des fins commerciales,
pour la location ou dans une salle publique.
4. Utilisez et gardez l’appareil elliptique à l’inté-
rieur, à l’abri de l’humidité et de la poussière.
Placez l’appareil elliptique sur une surface
plane et sur un tapis pour protéger votre sol
ou votre moquette. Assurez-vous qu’il y a
suffisamment d’espace autour de l’appareil
elliptique pour vous permettre de monter, de
descendre et d’utiliser facilement l’appareil. 
5. Inspectez et serrez correctement toutes les
pièces régulièrement. Remplacez immédiate-
ment toute pièce usée.
6. Tenez les enfants de moins de 12 ans et les
animaux domestiques éloignés de l’appareil
elliptique.
7. L’appareil elliptique ne doit jamais être utili-
sé par des personnes dont le poids est
supérieur à 113kg (250 lbs.).
8. Portez des vêtements de sport appropriés
quand vous vous entraînez sur l’appareil
elliptique. Portez toujours des chaussures
de sport pour protéger vos pieds.
9. Tenez toujours les poignées et placez-vous
sur la pédale la plus basse quand vous
montez et descendez de l’appareil elliptique.
10. Le capteur cardiaque n’est pas un appareil
médical. Divers facteurs peuvent rendre la
lecture du rythme cardiaque moins précise.
Le capteur ne sert qu’à donner une idée
approximative des fluctuations du rythme
cardiaque lors de l’exercice.
11. Gardez toujours votre dos bien droit quand
vous vous servez de l’appareil elliptique ;
n’arquez pas votre dos.
12. Cessez immédiatement vos exercices si
vous ressentez une douleur ou des étourdis-
sements, et reposez-vous.
13. Lorsque vous arrêtez de faire des exercices,
laissez les pédales ralentir jusqu’à l’arrêt. 
ATTENTION : consultez votre médecin avant d’entreprendre un programme d’exerci-
ce. Ceci s’adresse plus particulièrement aux personnes âgées de plus de 35 ans et aux personnes
ayant déjà eu des problèmes de santé. Lisez toutes les instructions avant de vous servir de l’appa-
reil. ICON ne se tient aucunement responsable des blessures ou dégâts matériels résultants de
l’utilisation de cet appareil.

3
AVANT DE COMMENCER
Merci d’avoir choisi le nouvel appareil elliptique PRO-
FORM®470 HR. Le 470 HR est un appareil incroyable-
ment confortable qui déplace vos pieds d’une manière
naturelle et elliptique, réduisant ainsi l’impact sur vos
genoux et vos chevilles. Bienvenue dans le nouveau
monde des exercices à mouvements elliptiques. 
Nous vous conseillons de lire attentivement ce
manuel avant d’utiliser l’appareil elliptique. Si vous
avez des questions supplémentaires après avoir lu ce
manuel, référez-vous à sa page de couverture pour
nous contacter. Pour que nous puission mieux vous
assister, notez le numéro du modèle et le numéro de
série de l’appareil avant de nous appeler. Le numéro
du modèle de l’appareil elliptique est le PFE-
VEL2786.0. Le numéro de série est inscrit sur l’auto-
collant qui est collé sur l’appareil elliptique (référez-
vous à la page de couverture pour son emplacement).
Avant de continuer à lire ce manuel, familiarisez-vous
avec les pièces illustrées sur le schéma ci-dessous.
AVANT 
ARRIÈRE 
Roue de Transport
Panneau Latéral
Pédale
Montant
Console
Capteur
Cardiaque
Poignée 
Disque de
la Pédale
and
210125
FR IT SP GR
L’autocollant illustré est collé sur l’appareil
elliptique. Trouvez la feuille des autocol-
lants en quatre langues. Placez l’autocol-
lant en français sur l’autocollant en
anglais. Si l’autocollant est manquant ou
illisible, référez-vous à la couverture de ce
manuel pour commander un nouvel auto-
collant gratuit. Collez le nouvel autocollant
àl’endroit indiqué.

L’assemblage requiert deux personnes. Placez toutes les pièces de l’appareil elliptique sur une aire dégagée
et enlevez les emballages. Ne jetez pas les emballages avant d’avoir terminé l’assemblage. 
L’assemblage requiert un tournevis cruciforme                     , une clé à molette                    , et un maillet en
caoutchouc                       .
Utilisez le tableau ci-dessous pour identifier les petites pièces utilisées lors de l’assemblage. Le nombre entre
parenthèses sous chaque pièce fait référence au numéro de la pièce dans la LISTE DES PIÈCES à la page 22.
Le second numéro indique la quantité de pièces utilisées lors de l’assemblage. Remarque : certaines pièces
sont déjà assemblées pour faciliter le transport de l’appareil. Si vous ne trouvez pas une pièce dans le
sac des pièces, vérifiez que la pièce n’est pas déjà assemblée.
4
Boulon de Carrosserie de M8 x 3 1/2" (51)–2
Écrou de
Verrouillage en
Nylon de M8
(57)–4
Rondelle de
M8 (52)–4
Rondelle en Arc
de M8 (54)–8
Boulon Hexagonal de M8 x 1 9/16" (41)–4 M
Rondelle de
M6 (55)–2 Rondelle en Arc
de M6 (39)–4
Écrou de
Verrouillage en
Nylon de M6
(56)–6
Écrou de
l’Embout de M8
(24)–2
Vis de la
Console
(68)–4
Vis de M4 x
1/2" (49)–16
Boulon en Bouton de
M6 x 1 3/8" (46)–4 Vis en Bouton de
M8 x 5/8" (45)–6
Boulon en Bouton à Épaulement
de M5 x 2 1/2" (40)–2 Vis en Bouton de M8 x 3 3/8" (42)–2
ASSEMBLAGE

5
1. Identifiez le Stabilisateur Avant (2) qui est équipé de
Roues de Transport (29). Attachez le Stabilisateur
Avant sur le Cadre (1) à l’aide de deux Boulons de
Carrosserie de M8 x 3 1/2" (51), deux Rondelles en
Arc de M8 (54) et deux Écrous d’Embout de M8
(24).
2. Avec l’aide d’une deuxième personne, soulevez l’ar-
rière du Cadre (1) pour que seule sa partie avant
touche le sol. Pendant que l’autre personne tient le
Cadre, attachez le Stabilisateur Arrière (20) sur le
Cadre à l’aide de deux Boulons en Bouton de 3 3/8"
(42).
Avec l’aide d’une deuxième personne, baissez le
Cadre (1) de manière à ce que le Stabilisateur
Arrière (20) et le Stabilisateur Avant (non-illustré)
reposent sur le sol.
2
1
51
54
1
24
2
20
42
1
54
24
29
29
3. Pendant qu’une deuxième personne tient le Montant
(3) près du Cadre (1), branchez le Groupement de
Fils Supérieur (75) sur le Fil du Capteur Magnétique
(67).
Glissez le Montant (3) dans le Cadre (1). Faites
attention de ne pas pincer les fils. Alignez les
trous sur le Montant avec les trous sur le Cadre.
Attachez le Montant à l’aide de six Vis en Bouton de
M8 x 5/8" (45) et six Rondelles en Arc de M8 (54). 
3
67
1
3
45
54
45 45
54 54
54
75
54
Assurez-vous
que les fils ne
sont pas pincés
au cours de
cette étape.

6
5. Pendant qu’une autre personne tient la Console
(22) près de la partie supérieure du Montant (3),
branchez les fils de la console dans le Fil Supérieur
(75). Puis, branchez le fil inférieur au dos de la
console sur le fil supérieur au dos de la console.
Attachez la Console (22) sur le Montant (3) à l’aide
de quatre Vis de la Console (68). Faites attention
de ne pas pincer les fils.
Remarque : si vous avez acheté le capteur car-
diaque du torse (voir page 19 pour plus d’informa-
tion), jetez les instructions pour l’installation du
récepteur. La console de cet appareil elliptique est
déjà équipée d’un récepteur.
522
75
3
68
Fil de la Console
22 Piles
Couvercle
des Piles
4
4. La Console (22) requiert quatre piles de type AA ;
nous recommandons les piles alcalines. Retirez le
couvercle des piles du dos de la Console. Placez
ensuite quatre piles dans le compartiment des piles.
Assurez-vous que les piles sont dans la position
illustrée sur le schéma dans le compartiment
des piles. Réattachez le couvercle des piles.
Assurez-vous
que les fils ne
sont pas pincés
au cours de
cette étape.
6
57
84
52
6. Identifiez la Pédale Droite (63) sur laquelle est gravé
un « R » (sur le verso), et le Tube de la Pédale
Droite (64) sur lequel est collé un autocollant.
Attachez la Pédale Droite (63) sur le Tube de la
Pédale Droite (64) à l’aide de deux Boulons
Hexagonaux de M8 x 1 9/16" (41), deux Rondelles
de M8 (52) et deux Écrous de Verrouillage en Nylon
de M8 (57).
Attachez la Pédale Gauche (8) sur le Tube de la
Pédale Gauche (4) de la même manière.
64
63
52
41

7
7. Glissez une Protection du Tube de la Pédale (78)
sur la Jambe de la Poignée Droite (71).
Appliquez une légère couche de la graisse incluse sur
les pièces illustrées à droite. Ensuite, attachez le Tube
de la Pédale Droite (64) sur la Jambe de la Poignée
Droite (71) à l’aide d’un Boulon en Bouton à Épaule-
ment de M6 x 2 1/2" (40), une Rondelle de M6 (55) et
un Écrou de Verrouillage en Nylon de M6 (56).
Répétez cette étape pour attacher le Tube de la
Pédale Gauche (4) sur la Jambe de la Poignée
Gauche (5).
71
4
5
56
7
8. Attachez la Protection du Tube de la Pédale (78)
droite sur le Tube de la Pédale Droite (64) à l’aide
de deux Vis de M4 x 1/2" (49).
Répétez cette étape pour le Tube de la Pédale
Gauche (4).
8
78
55
64
64
78
49
40
4
9. Insérez un Manchon en Plastique (16) et une
Poignée (6) dans la partie supérieure de la Jambe
de la Poignée Droite (71). Alignez les trous sur le
Manchon en Plastique et sur la Poignée avec les
trous sur la Jambe de la Poignée Droite. Ensuite,
attachez la Poignée à l’aide de deux Boulons en
Bouton de M6 x 1 3/8" (46), deux Rondelles en Arc
de M6 (39), et deux Écrous de Verrouillage en
Nylon de M6 (56).
Répétez cette étape pour attacher l’autre
Poignée (6) sur la Jambe de la Poignée Gauche
(5).
9
16
39
71
5
46
56
56
6
6
Graisse
Graisse

8
10
73
49
49
49
72
6
49
10. Attachez un Boîtier de Pivot Arrière Droit (72) et un
Boîtier de Pivot Avant Droit (73) autour de la
Poignée (6) droite et de la Jambe de la Poignée
Droite (71) à l’aide de six Vis de M4 x 1/2" (49).
Répétez cette étape avec la Poignée (6) gauche
et la Jambe de la Poignée Gauche (5).
71
6
5
11. Assurez-vous que toutes les pièces de l’appareil elliptique sont serrées correctement. Remarque : il
est possible qu’il reste des pièces supplémentaires une fois l’assemblage terminé. Pour protéger votre sol ou
votre moquette, placez un tapis sous l’appareil elliptique.

9
COMMENT UTILISER L’APPAREIL ELLIPTIQUE
COMMENT DÉPLACER L’APPAREIL ELLIPTIQUE
Étant donné la taille et le poids importants de l’ap-
pareil elliptique, deux personnes sont nécessaires
pour le déplacer. Placez-vous devant l’appareil ellip-
tique, tenez le montant puis placez un pieds contre
une des roues de transport. Tirez le montant et
demandez à l’autre personne de soulever la base jus-
qu’à ce que l’appareil elliptique soit en mesure de rou-
ler sur les roues de transport. Déplacez doucement
l’appareil elliptique jusqu’à l’endroit désiré puis bais-
sez-le.
COMMENT VOUS EXERCEZ AVEC L’APPAREIL
ELLIPTIQUE
Pour monter
sur l’appareil
elliptique,
tenez ferme-
ment les poi-
gnées puis
montez avec
précaution
sur la pédale
se trouvant
dans la posi-
tion la plus
basse.
Ensuite, met-
tez l’autre
pied sur
l’autre pédale.
Poussez les
pédales jusqu’à ce qu’elles tournent d’une manière
continue. Remarque : les disques des pédales peu-
vent tourner dans les deux sens. Il est recomman-
dé de tourner les disques des pédales dans la
direction indiquée à droite ; cependant pour varier
vos exercices, vous pouvez choisir de tourner les
pédales dans la direction opposée.
Pour descendre de l’appareil elliptique, attendez que
les pédales soient complètement arrêtées. L’appareil
elliptique n’a pas de roue libre ; les pédales conti-
nueront à tourner jusqu’à ce que le volant s’arrê-
te. Quand les pédales sont à l’arrêt, descendez en
enlevant d’abord le pied de la pédale la plus haute.
Enlevez ensuite le pied de la pédale la plus basse.
Pour faire travailler
la partie supérieure
de votre corps sur
l’appareil elliptique
(bras, épaules et
dos), poussez et
tirez les poignées.
Pédale
Disque des
Pédales
Poignées 
Placez
votre
pied ici
Tirez le
montant 
Soulevez
ici

10
ELPE2786
PFEVEL2786.0
FONCTIONNALITÉS DE LA CONSOLE
La console est équipée d’une sélection de fonctionnali-
tés conçues pour rendre vos exercices chez vous plus
efficaces. Lorsque vous utilisez le mode manuel de la
console, vous pouvez changer la résistance des
pédales d’une pression de touche. Alors que vous
pédalez, la console vous fournit des données continues
sur votre entraînement. Vous pouvez même mesurer
votre rythme cardiaque en utilisant le capteur cardiaque
manuel ou le capteur cardiaque du torse en option.
(Pour plus d’information concernant le capteur car-
diaque du torse en option, référez-vous à la page 19).
La console est aussi équipée de six programmes intelli-
gents qui contrôlent automatiquement la résistance des
pédales et vous invitent à accélérer ou ralentir votre
cadence tout en vous guidant lors d’un entraînement
efficace.
De plus, deux programmes de rythme cardiaque
contrôlent la résistance des pédales et vous motivent
àmaintenir une cadence constante pour que votre
rythme cardiaque reste proche d’un rythme cardiaque
d’objectif programmé, durant tout votre entraînement.
La console est aussi équipée de la technologie inter-
active iFIT.com. Avec la technologie iFIT.com, c’est
comme si vous aviez un entraîneur personnel à la
maison. À l’aide du fil audio inclus, vous pouvez bran-
cher votre appareil elliptique sur votre chaîne hi-fi,
chaîne portable, ordinateur ou magnétoscope et ainsi
utiliser les programmes iFIT.com sur CD ou vidéocas-
sette (les CD et vidéocassettes iFIT.com sont vendus
séparément). Les programmes iFIT.com sur CD ou
vidéocassette contrôlent automatiquement votre appa-
reil elliptique comme le ferait un entraîneur personnel,
vous guidant tout au long de votre entraînement. De la
musique dynamique vous donne de la motivation sup-
plémentaire. Pour vous procurer des CD ou vidéo-
cassettes iFIT.com, visitez notre site Internet
www.iconeurope.com.
En branchant votre appareil elliptique sur votre ordina-
teur, vous pouvez aussi aller sur notre site Internet
www.iFIT.com et accéder directement aux pro-
grammes à partir d’Internet. Visitez www.iFIT.com
pour plus d’information.
Pour utiliser le mode manuel de la console, suivez
les étapes page 11. Pour utiliser un programme
intelligent, allez à la page 12. Pour utiliser un pro-
gramme de rythme cardiaque, allez à la page 13.
Pour utiliser un programme iFIT.com sur CD ou
vidéocassette, allez à la page 17. Pour utiliser les
programmes iFIT.com directement depuis notre
site Internet, allez à la page 18.
Avant d’utiliser la console, assurez-vous que les piles
sont installées dans la console (voir l’étape 4 de l’as-
semblage à la page 6). Si la console est recouverte
d’un film plastique transparent, retirez-le.
SCHÉMA DE LA CONSOLE

11
COMMENT UTILISER LE MODE MANUEL
Allumez la console.
Pour allumer la console, appuyez sur n’importe
quelle touche ou commencez à pédaler. L’écran
s’allume et la console est prête à être utilisée.
Sélectionnez le mode manuel.
Le mode manuel est
sélectionné automa-
tiquement chaque
fois que vous allu-
mez la console. Si
vous avez sélection-
né un autre programme, sélectionnez de nou-
veau le mode manuel en appuyant sur n’importe
quelle touche Programmes [PROGRAMS] jusqu’à
ce que l’écran se remette à zéro.
Commencez à pédaler et changez la résistan-
ce des pédales comme vous le désirez.
Pendant que vous
pédalez, changez la
résistance des
pédales en
appuyant sur les
touches
d’Augmentation et de Diminution. Le niveau de
résistance le plus élevé est le niveau 10.
Remarque : après avoir appuyé sur les touches,
l’appareil prend quelques secondes pour
atteindre le niveau sélectionné.
Suivez votre progression sur l’écran.
La section supérieu-
re de l’écran affiche
le temps écoulé et la
distance (nombre
total de tours) que
vous avez parcou-
rue en pédalant. L’écran affiche les modes en
alternance, quelques secondes chacun.
Remarque : quand vous sélectionnez un pro-
gramme (à l’exception du deuxième programme
de rythme cardiaque), l’écran affiche le temps
restant avant la fin du programme plutôt que le
temps écoulé.
La deuxième section
de l’écran affiche la
cadence des
pédales, en tours
par minute (tpm).
La troisième section
de l’écran affiche le
nombre approximatif
de calories que vous
avez brûlées et le
niveau de résistance
des pédales. Les modes sont affichés en alter-
nance, quelques secondes chacun. L’écran
affiche aussi votre rythme cardiaque quand vous
utilisez le capteur cardiaque manuel.
La section inférieure
de l’écran affiche une
piste virtuelle repré-
sentant 640 tours.
Alors que vous vous
entraînez, les indica-
teurs apparaissent successivement autour de la
piste jusqu’à ce que toute la piste soit allumée.
La piste disparaît alors et les indicateurs recom-
mencent à s’afficher un à un.
Mesurez votre rythme cardiaque, si désiré. 
Si les plaques
métalliques sur
les poignées sont
recouvertes d’un
film de plastique,
retirez-le. Ensuite,
tenez le capteur
cardiaque manuel
en plaçant la
paume de vos mains contre les plaques. Évitez
de bouger les mains ou de trop serrer les
plaques. Quand votre rythme cardiaque est
détecté, un symbole en forme de cœur se met à
clignoter sur l’écran à chaque battement de
cœur ; votre rythme cardiaque s’affiche ensuite.
Pour une lecture plus précise de votre rythme
cardiaque, tenez les plaques pendant au moins
15 secondes. 
Quand vous avez fini de vous entraîner,la
console s’éteint automatiquement.
Si les pédales ne tournent pas pendant quelques
secondes, le temps se met à clignoter sur l’écran
et la console suspend son activité. Si les pédales
ne sont pas déplacées pendant plusieurs
minutes, la console s’éteint et les affichages se
remettent à zéro.
6
5
4
3
2
1
Plaques

12
Allumez la console.
Pour allumer la console, appuyez sur n’importe
quelle touche ou commencez à pédaler. L’écran
s’allume et la console est prête à être utilisée.
Sélectionnez un programme intelligent.
Pour sélectionner un
programme intelli-
gent, appuyez sur la
touche Sélection du
Programme [PRO-
GRAM SELECT] jus-
qu’à ce que P3, P4, P5, P6, P7, ou P8 apparais-
se sur l’écran. La section supérieure de l’écran
affiche la durée du programme.
Commencez à pédaler pour lancer le program-
me. 
Les programmes sont divisés en 30 segments
d’une minute chacun. Une résistance et une
cadence sont programmées pour chaque seg-
ment. Remarque : la même cadence et/ou la
même résistance peuvent avoir été programmées
pour plusieurs segments consécutifs.
Quand la résistance est sur le point de changer,
le niveau de résistance clignote sur l’écran pen-
dant quelques secondes pour vous prévenir. La
résistance des pédales change alors automati-
quement pour atteindre le niveau de résistance
programmé pour le segment suivant. Remarque :
si le niveau de résistance est trop élevé ou trop
bas, vous pouvez le changer en appuyant sur les
touches d’Augmentation ou de diminution.
Cependant, quand le segment en cours se termi-
ne, l’appareil se met automatiquement sur la
résistance programmée pour le segment suivant.
Alors que vous vous
entraînez, l’écran
vous motive pour que
vous mainteniez
votre cadence proche
de la cadence pro-
grammée pour le segment en cours. Quand les
mots « plus vite » [FASTER] apparaissent sur
l’écran, accélérez votre cadence. Quand les mots «
moins vite » [SLOWER] apparaissent, ralentissez.
Quand le centre de la cible clignote, maintenez
votre cadence en cours. 
Important : les cadences programmées sont là
uniquement pour vous motiver. Votre cadence
réelle peut être plus lente que la cadence pro-
grammée. Assurez-vous de vous entraîner à
une cadence qui vous est confortable.
Si vous arrêtez de pédaler pendant plusieurs
secondes, le temps se met à clignoter sur l’écran.
Pour relancer le programme, recommencez à
pédaler. 
Le programme continu jusqu’à ce que l’écran
affiche un temps de 0:00. Si vous continuez à
pédaler après la fin du programme, l’écran conti-
nue à afficher vos données ; cependant, l’écran
n’affiche plus le temps écoulé jusqu’à ce que
vous sélectionniez le mode manuel ou un nou-
veau programme.
Suivez votre progression sur l’écran.
Référez-vous à l’étape 4 à la page 11.
Mesurez votre rythme cardiaque, si désiré.
Référez-vous à l’étape 5 à la page 11.
Quand vous avez fini de vous entraîner,la
console s’éteint automatiquement.
Référez-vous à l’étape 6 à la page 11.
6
5
4
3
2
1
COMMENT UTILISER UN PROGRAMME INTELLI-
GENT

13
Allumez la console.
Pour allumer la console, appuyez sur n’importe
quelle touche ou commencez à pédaler. L’écran
s’allume et la console est prête à être utilisée.
Sélectionnez un programme de rythme car-
diaque.
Pour sélectionner un
des deux pro-
grammes de rythme
cardiaque, appuyez
une fois ou deux fois
sur la touche en
forme de cœur jusqu’à ce que P1 ou P2 appa-
raisse sur l’écran. La section supérieure de
l’écran affiche la durée du programme.
Enregistrez un rythme cardiaque d’objectif.
Si vous avez sélec-
tionné le premier
programme de
rythme cardiaque,
le rythme cardiaque
maximal pour le pro-
gramme apparaît sur l’écran. Utilisez les touches
d’Augmentation ou de Diminution pour changer le
rythme cardiaque maximal, si vous le désirez
(voir la section INTENSITÉ DE L’ENTRAINE-
MENT àla page 20). Remarque : si vous modi-
fiez le rythme cardiaque maximal, le niveau d’in-
tensité de tout le programme sera modifié.
Si vous avez sélectionné le deuxième pro-
gramme de rythme cardiaque, le rythme car-
diaque d’objectif pour le programme apparaît sur
l’écran. Utilisez les touches d’Augmentation et de
Diminution pour changer le rythme cardiaque
d’objectif, si vous le désirez (voir la section
INTENSITÉ DE L’ENTRAINEMENT à la page
20). Remarque : le même rythme cardiaque d’ob-
jectif est utilisé pour tout le programme.
Tenez le capteur cardiaque manuel.
Il n’est pas nécessaire de tenir constamment le
capteur cardiaque manuel durant le programme ;
cependant, vous devez tenir le capteur cardiaque
manuel régulièrement pour que le programme
fonctionne correctement. Chaque fois que vous
tenez le capteur cardiaque manuel, gardez vos
mains sur les plaques métalliques pendant au
moins 30 secondes. 
Commencez à pédaler pour lancer le program-
me. 
Le premier programme de rythme cardiaque—
Ce programme est divisé en 30 segments d’une
minute. Un rythme cardiaque d’objectif est pro-
grammé pour chaque segment. Remarque : le
même rythme cardiaque d’objectif peut être pro-
grammé pour deux segments consécutifs ou plus. 
Le deuxième programme de rythme car-
diaque—Le même rythme cardiaque d’objectif
est programmé pour tous les segments de ce
programme. 
5
4
3
2
1
COMMENT UTILISER UN PROGRAMME DE
RYTHME CARDIAQUE

14
Les deux programmes de rythme cardiaque—
Alors que vous pédalez, la console compare
régulièrement votre rythme cardiaque au rythme
cardiaque d’objectif programmé pour le segment
encours. Si votre rythme cardiaque est trop rapi-
de ou trop lent par rapport au rythme cardiaque
d’objectif programmé, la résistance des pédales
s’ajuste automatiquement pour ramener votre
rythme cardiaque près du rythme cardiaque d’ob-
jectif programmé.
Vous serez égale-
ment invité à pédaler
àune cadence régu-
lière. Quand les
mots « plus vite »
apparaissent sur
l’écran, accélérez votre cadence. Quand les mots
«moins vite » apparaissent, ralentissez. Quand le
centre de la cible clignote, maintenez votre caden-
ce en cours. Important : il est indispensable de
s’entraîner à une cadence qui est confortable
pour vous. 
Remarque : vous pouvez modifier manuellement
le niveau la résistance ; cependant, si vous modi-
fiez le niveau de résistance, vous n’arriverez
peut-être pas à rester proche du rythme car-
diaque d’objectif. De plus, lorsque la console
compare votre rythme cardiaque au rythme car-
diaque d’objectif programmé, la résistance des
pédales peut augmenter ou diminuer automati-
quement afin de rapprocher votre rythme car-
diaque du rythme cardiaque d’objectif. 
Suivez votre progression sur l’écran.
Référez-vous à l’étape 4 à la page 11.
Mesurez votre rythme cardiaque, si désiré. 
Référez-vous à l’étape 5 à la page 11.
Quand vous avez fini de vous entraîner, la
console s’éteint automatiquement.
Référez-vous à l’étape 6 à la page 11.
COMMENT BRANCHER VOTRE LECTEUR DE CD,
MAGNETOSCOPE OU ORDINATEUR
Pour utiliser les CD iFIT.com, l’appareil elliptique doit
être branché sur votre lecteur de CD portable, votre
chaîne portable, votre chaîne hi-fi ou votre ordinateur
avec lecteur de CD. Allez aux pages 14 à 16 pour les
instructions de branchement. Pour utiliser les vidéo-
cassettes iFIT.com, l’appareil elliptique doit être bran-
ché sur votre magnétoscope. Allez à la page 16 pour
les instructions de branchement. Pour utiliser des
programmes iFIT.com directement depuis notre
site Internet, l’appareil elliptique doit être branché sur
votre ordinateur. Allez à la page 16. 
COMMENT BRANCHER VOTRE LECTEUR DE CD
PORTABLE
Remarque : si votre lecteur de CD a une prise de
sortie [Line OUT] et une prise pour écouteurs
[PHONES], référez-vous aux instructions A ci-des-
sous. Si votre lecteur de CD a seulement une
prise, référez-vous aux instructions B.
A. Branchez une extrémité du fil audio dans la prise
sous la console. Branchez l’autre extrémité du filau-
dio dans la prise LINE OUT de votre lecteur de CD.
Branchez vos écouteurs dans la prise PHONES.
B. Branchez une extrémité du fil audio dans la prise
sous la console. Branchez l’autre extrémité du fil
audio dans une fourche. Branchez la fourche
dans la prise PHONES de votre lecteur de CD.
Branchez vos écouteurs dans l’autre extrémité de
la fourche.
8
7
6
A
LINE OUT
PHONES LINE OUT
PHONES
PHONES
PHONES
Fil
Audio
Écouteurs
A
A
LINE OUT
PHONES LINE OUT
PHONES
B
PHONES
PHONES
Fil
Audio Fourche
Écouteurs
B

15
BRANCHEMENT DE VOTRE CHAINE PORTABLE
Remarque : si votre chaîne portable a une prise de
sortie audio de type RCA [AUDIO OUT], référez-
vous aux instructions A ci-dessous. Si votre chaîne
portable a une prise de sortie de 3,5mm [LINE
OUT], référez-vous aux instructions B. Si votre
chaîne portable a seulement une prise pour écou-
teurs [PHONES], référez-vous aux instructions C.
A. Branchez une extrémité du fil audio dans la prise
sous la console. Branchez l’autre extrémité du fil
dans l’adaptateur. Branchez l’adaptateur dans la
prise AUDIO OUT de votre chaîne portable.
B. Référez-vous au schéma ci-dessus. Branchez une
extrémité du fil audio dans la prise sous la console.
Branchez l’autre extrémité du fil dans la prise LINE
OUT de votre chaîne portable. N’utilisez pas l’adap-
tateur.
C. Branchez une extrémité du fil audio dans la prise
sous la console. Branchez l’autre extrémité du fil
dans la fourche. Branchez la fourche dans la prise
PHONES de votre chaîne portable. Branchez vos
écouteurs dans l’autre extrémité de la fourche.
BRANCHEMENT DE VOTRE CHAINE HI-FI
Remarque : si votre chaîne hi-fi a une prise de sor-
tie [LINE OUT] qui n’est pas utilisée, référez-vous
aux instructions A ci-dessous. Si la prise LINE
OUT est déjà utilisée, référez-vous aux instruc-
tions B.
A. Branchez une extrémité du fil audio dans la prise
sous la console. Branchez l’autre extrémité du fil
dans l’adaptateur. Branchez l’adaptateur dans la
prise LINE OUT de votre chaîne hi-fi.
B. Branchez une extrémité du fil audio dans la prise
sous la console. Branchez l’autre extrémité du fil
dans l’adaptateur. Branchez l’adaptateur dans
l’adaptateur RCA en Y (disponible dans les maga-
sins de matériel électronique). Ensuite, enlevez le
fil déjà branché dans la prise LINE OUT sur votre
chaîne hi-fi et branchez-le dans le côté qui n’est
pas utilisé de l’adaptateur en Y. Branchez l’adapta-
teur en Y dans la prise LINE OUT de votre chaîne
hi-fi.
B
A
CD
VCR
Amp
LINE OUT
LINE OUT
CD
VCR
Amp
LINE OUT
Fil Audio
A
B
A
CD
VCR
Amp
LINE OUT
LINE OUT
CD
VCR
Amp
LINE OUT
Fil Audio
Adaptateur en Y de RCA
Adaptateur
Fil Retiré de la prise
LINE OUT
B
Adaptateur
A
C
PHONES
LINE OUT
AUDIO OUT
RIGHT
LEFT
B
Fil Audio
Adaptateur
A/B
A
C
PHONES
LINE OUT
AUDIO OUT
RIGHT
LEFT
B
Fil
Audio
C
Fourche
Écouteurs

16
BRANCHEMENT DE VOTRE ORDINATEUR
Remarque : si votre ordinateur a une prise de sor-
tie LINE OUT de 3,5 mm, référez-vous aux instruc-
tions A ci-dessous. Si votre ordinateur a seule-
ment une prise pour écouteurs PHONES, référez-
vous aux instructions B.
A. Branchez une extrémité du fil audio dans la prise
sous la console. Branchez l’autre extrémité du fil
dans la prise LINE OUT de votre ordinateur.
B. Branchez une extrémité du fil audio dans la prise
sous la console. Branchez l’autre extrémité du fil
dans la fourche. Branchez la fourche dans la prise
PHONES de votre ordinateur.Branchez vos écou-
teurs ou vos enceintes dans l’autre extrémité de la
fourche.
BRANCHEMENT DE VOTRE MAGNÉTOSCOPE
Remarque : si votre magnétoscope a une prise de
sortie AUDIO OUT non-utilisée, référez-vous aux
instructions A ci-dessous. Si la prise AUDIO OUT
est déjà utilisée, référez-vous aux instructions B.
Si vous avez un combiné télévision/magnétosco-
pe, référez-vous aux instructions B. Si votre
magnétoscope est branché sur votre chaîne hi-fi,
référez-vous à la section BRANCHEMENT DE
VOTRE CHAINE HI-FI à la page 15.
A. Branchez une extrémité du fil audio dans la prise
sous la console. Branchez l’autre extrémité du fil
dans un adaptateur. Branchez l’adaptateur dans la
prise AUDIO OUT de votre magnétoscope.
B. Branchez une extrémité du fil audio dans la prise
sous la console. Branchez l’autre extrémité du fil
dans un adaptateur.Branchez l’adaptateur dans un
adaptateur RCA en Y (disponible dans les maga-
sins de matériel électronique). Ensuite, retirez le fil
déjà branché dans la prise AUDIO OUT de votre
magnétoscope et branchez-le dans la prise non-uti-
lisée de l’adaptateur RCA en Y. Branchez l’adapta-
teur RCA dans la prise AUDIO OUT de votre
magnétoscope.
B
VIDEO  AUDIO
ANT. IN
RF OUT
IN
OUT
CH
34
A
AUDIO OUT
RIGHT
LEFT
VIDEO  AUDIO
ANT. IN
RF OUT
IN
OUT
CH
34
C
AUDIO OUT
RIGHT
L
Fil Audio
Adaptateur
A
B
VIDEO  AUDIO
ANT. IN
RF OUT
IN
OUT
CH
34
A
AUDIO OUT
RIGHT
LEFT
VIDEO  AUDIO
ANT. IN
RF OUT
IN
OUT
CH
34
Fil Audio Adaptateur 
B
Fil retiré de la prise
AUDIO OUT
Adaptateur
RCA en Y
A
PHONES
LINE OUT
B
Fil
Audio
A
A
PHONES
LINE OUT
B
Fil Audio
B
Fourche
Écouteurs/Enceintes

17
COMMENT UTILISER DES PROGRAMMES
IFIT.COM SUR CD ET VIDÉOCASSETTES 
Pour utiliser les CD ou les vidéocassettes iFIT.com,
l’appareil elliptique doit être branché sur votre lecteur
de CD portable, votre stéréo portable, votre chaîne hi-
fi, votre ordinateur avec lecteur de CD ou sur votre
magnétoscope. Référez-vous à la section BRANCHE-
MENT DE VOTRE LECTEUR DE CD,
MAGNÉTOSCOPE OU ORDINATEUR à la page 14.
Pour vous procurer des CD ou vidéocassettes
iFIT.com, visitez notre site Internet 
www.iconeurope.com.
Suivez les étapes ci-dessous pour utiliser un program-
me iFIT.com sur CD ou vidéocassette.
Allumez la console.
Référez-vous à l’étape 1 à la page 11.
Sélectionnez le mode iFIT.com.
Pour sélectionner le mode iFIT.com, appuyez sur
la touche iFIT.com. 
Insérez le CD ou la vidéocassette iFIT.com.
Si vous utilisez un CD iFIT.com, placez le CD
dans votre lecteur de CD ; si vous utilisez une
vidéocassette iFIT.com, insérez la vidéocassette
dans votre magnétoscope.
Appuyez sur la touche Lecture sur votre lec-
teur de CD ou de votre magnétoscope.
Quelques instants après avoir appuyé sur la
touche de lecture, votre entraîneur personnel
commence à vous guider tout au long de votre
entraînement. Suivez simplement les instructions
devotre entraîneur personnel.
Le programme fonctionne presque de la même
manière qu’un programme intelligent (voir étape
3page 12). Cependant, un avertissement sonore
(«bip ») vous prévient lorsque la résistance et/ou
la vitesse est sur le point de changer.
Remarque : si la résistance des pédales et/ou
la cadence d’objectif ne changent pas lorsque
vous entendez un « bip » :
•Assurez-vous que l’indicateur au-dessus de
la touche iFIT.com est allumé.
•Ajustez le volume de votre lecteur de CD ou
de votre magnétoscope. Si le volume est trop
élevé ou trop bas, la console pourrait ne pas
détecter les signaux du programme.
•Assurez-vous que le fil audio est correcte-
ment branché et bien enfoncé.
Suivez votre progression sur l’écran.
Référez-vous à l’étape 4 à la page 11.
Mesurez votre rythme cardiaque, si désiré. 
Référez-vous à l’étape 5 à la page 11.
Quand vous avez fini de vous entraîner,la
console s’éteint automatiquement.
Référez-vous à l’étape 6 à la page 11.
7
6
5
4
3
2
1

18
COMMENT UTILISER DES PROGRAMMES
DIRECTEMENT DEPUIS NOTRE SITE INTERNET
Notre site Internet www.iFIT.com vous permet d’utiliser
des programmes iFIT.com directement depuis sur site
Internet. Pour utiliser les programmes sur notre site,
l’appareil elliptique doit être branché sur votre ordina-
teur. Référez-vous à la section BRANCHEMENT DE
VOTRE ORDINATEUR à la page 16. De plus, vous
devez avoir une connexion Internet et un fournisseur
d’accès Internet. Vous trouverez les détails des confi-
gurations minimales requises sur notre site Internet.
Suivez les étapes ci-dessous pour utiliser un program-
me depuis notre site Internet.
Allumez la console.
Référez-vous à l’étape 1 à la page 11.
Sélectionnez le mode iFIT.com.
Pour sélectionner le mode iFIT.com, appuyez sur
la touche iFIT.com.
Allez à votre ordinateur et ouvrez une ses-
sion Internet.
Ouvrez votre navigateur Internet, si nécessai-
re, et allez sur notre site Internet à
www.iFIT.com.
Suivez les liens désirés sur notre site
Internet pour sélectionner un programme.
Suivez les instructions sur le site pour lancer
leprogramme.
Quand vous commencez le programme, un
compte à rebours s’affiche sur votre écran.
Retournez à l’appareil elliptique et commen-
cez à pédaler.
Lorsque le compte à rebours sur l’écran s’achè-
ve, le programme commence. Le programme
fonctionne presque de la même manière qu’un
programme intelligent (voir l’étape 3 page 12).
Cependant, un « bip » vous prévient lorsque la
résistance et/ou la vitesse est sur le point de
changer.
Suivez votre progression sur l’écran.
Référez-vous à l’étape 4 à la page 11.
Mesurez votre rythme cardiaque, si désiré. 
Référez-vous à l’étape 5 à la page 11.
Quand vous avez fini de vous entraîner, la
console s’éteint automatiquement.
Référez-vous à l’étape 6 à la page 11.
10
9
8
7
6
5
4
3
2
1

19
LE CAPTEUR CARDIAQUE DU TORSE EN OPTION
Lecapteur cardiaque du torse en option permet de
vous entraîner avec les mains libres et enregistre
votre rythme cardiaque tout au long de votre entraîne-
ment. Pour commander le capteur cardiaque du
torse en option, appelez le numéro de téléphone
sur la page de couverture.
Vérifiez et vissez toutes les pièces de l’appareil ellip-
tique régulièrement. Remplacez toute pièce usée
immédiatement.
Pour nettoyer l’appareil elliptique, utilisez un chiffon
humide et une petite quantité de savon doux.
N’utilisez pas de produits abrasifs ou de dissol-
vants. Pour éviter d’endommager la console, éloi-
gnez-la de tout liquide et des rayons directs du soleil. 
Lorsque vous rangez l’appareil elliptique, retirez les
piles de la console. Entreposez l’appareil elliptique
dans un endroit sec, à l’abri de l’humidité et de la
poussière.
PROBLEMES AVEC LA CONSOLE
Si la console ne fonctionne pas correctement, rempla-
cez les piles. Pour remplacer les piles, référez-vous à
l’étape 4 à la page 6.
MAUVAIS FONCTIONNEMENT DU CAPTEUR CAR-
DIAQUE
Si le capteur cardiaque manuel ne fonctionne pas cor-
rectement, référez-vous à l’étape 5 à la page 11.
ENTRETIEN ET PROBLÈMES

20
Les informations suivantes vous aideront à organiser
votre programme d’exercices. Rappelez-vous qu’une
bonne alimentation et qu’un repos adéquat sont
essentiels pour de bons résultats.
INTENSITÉ DE L’ENTRAÎNEMENT
Que votre but soit de brûler de la graisse ou de forti-
fier votre système cardiovasculaire, la clé pour obtenir
les résultats désirés est de s’entraîner à une intensité
correcte. Le niveau d’intensité correct peut être trouvé
en utilisant votre rythme cardiaque comme point de
repère. Le tableau ci-dessous indique le rythme car-
diaque recommandé pour brûler de la graisse pour
brûler un maximum de graisse et pour un entraîne-
ment cardiovasculaire (aérobic).
Pour trouver le rythme cardiaque qui vous convient,
trouvez votre âge en bas du tableau (les âges sont
arrondis par dizaine). Trouvez ensuite les trois
nombres au-dessus de votre âge. Les trois nombres
représentent votre « zone d’entraînement ». Les deux
nombres du bas sont les rythmes cardiaques recom-
mandés pour brûler de la graisse ; le nombre le plus
haut est le rythme cardiaque recommandé pour un
entraînement aérobic.
Brûler de la Graisse
Pour brûler de la graisse efficacement vous devez vous
exercer à une intensité relativement basse pendant une
longue période de temps. Durant les premières minutes
d’exercice, votre corps utilise des calories 
venant de glu-
cides,
facilement accessibles comme source d’énergie.
Après quelques minutes seulement, votre corps com-
mence à utiliser des calories de graisse en réserve
comme source d’énergie. Si votre but est de brûler 
de la
graisse
,réglez l’intensité de vos exercices jusqu’à ce
que votre rythme cardiaque se rapproche du nombre le
plus bas dans votre zone d’entraînement.
Pour brûler un maximum de graisse, réglez l’intensité
de vos exercices jusqu’à ce que votre rythme car-
diaque se rapproche du nombre au milieu de votre
zone d’entraînement.
Exercices Aérobics
Si votre but est de fortifier votre système cardiovascu-
laire, votre entraînement devrait être aérobic.
L’exercice aérobic requiert de larges quantités d’oxy-
gène durant une période de temps prolongée. Ceci
augmente la demande de sang que le coeur doit pom-
per vers les muscles, et la quantité de sang que les
poumons doivent oxygéner.Pour un entraînement
aérobic, réglez l’intensité de vos exercices jusqu’à ce
que votre rythme cardiaque se rapproche du nombre
le plus haut dans votre zone d’entraînement.
GUIDE D’EXERCICES
Chaque entraînement devrait inclure ces trois étapes :
Un échauffement, commencez chaque entraînement
avec 5 à 10 minutes d’étirements et d’exercices légers.
Un échauffement correct fait monter la température de
votre corps, fait accélérer votre rythme cardiaque et la
circulation sanguine pour vous préparer à l’exercice.
Des exercices dans la Zone d’Entraînement, entraî-
nez-vous pendant 20 à 30 minutes en maintenant votre
rythme cardiaque dans votre zone d’entraînement.
Remarque : durant les premières semaines de votre
programme d’exercice, ne maintenez pas votre rythme
cardiaque dans votre zone d’entraînement pendant plus
de 20 minutes.
Des exercices de Retour à la Normal, finissez
chaque entraînement avec 5 à 10 minutes d’étire-
ments pour revenir à la normal. Cela augmentera la
flexibilité de vos muscles et vous aidera à prévenir les
problèmes qui surviennent après l’exercice.
ATTENTION :
Avant de commencer ce programme d’exer-
cices ou un autre, veuillez consulter votre
médecin. Ceci est tout particulièrement impor-
tant pour les personnes âgées de plus de 35
ans ou celles ayant déjà eu des problèmes de
santé.
Le capteur cardiaque n’est pas un appareil
médical. De nombreux facteurs tels les mou-
vements de l’utilisateur pendant l’exercice
peuvent rendre la lecture du rythme cardiaque
moins précise. Le moniteur ne sert qu’à don-
ner une idée approximative des fluctuations
de rythme cardiaque lors de l’exercice.
CONSEILS DE MISE EN FORME

21
EXERCICES D’ÉTIREMENTS CONSEILLÉS
La position correcte pour plusieurs étirements est montrée ci-
dessous. Bougez lentement quand vous vous étirez—ne vous
étirez jamais par à-coups.
1. Exercices d’étirement en touchant vos pieds
Tenez-vous debout avec vos genoux légèrement pliés et bais-
sez-vous lentement en avant à la hauteur de la taille. Laissez
votre dos et vos épaules se relaxer alors que vous touchez vos
orteils aussi loin que possible. Comptez jusqu’à 15 puis déten-
dez-vous. Répétez l’exercice 3 fois. Régions sollicitées : ten-
dons des mollets, partie arrière des genoux et dos.
2. Exercices d’étirement des tendons des mollets
Asseyez-vous sur le sol avec une jambe tendue. Ramenez
l’autre jambe vers vous et posez votre plante de pieds contre
l’intérieur de la cuisse de la jambe qui est tendue. Touchez
vos orteils aussi loin que possible. Comptez jusqu’à 15 puis
détendez-vous. Répétez l’exercice 3 fois pour chaque jambe.
Régions sollicitées : tendons des mollets, bas du dos et aine.
3. Exercices d’étirement du tendon d’Achille
Avec une jambe devant l’autre, penchez-vous vers l’avant et
placez vos mains contre un mur. Gardez votre jambe arrière
tendue et votre pied arrière à plat sur le sol. Pliez votre jambe
avant. Penchez-vous en avant et déplacez vos hanches en
direction du mur.Comptez jusqu’à 15 puis détendez-vous.
Répétez l’exercice 3 fois pour chaque jambe. Si vous souhai-
tez un assouplissement plus accentué du tendon d’Achille,
pliez également votre jambe arrière. Régions sollicitées : mol-
lets, tendon d’Achille et chevilles.
4. Exercices d’étirement des quadriceps
Avec une main contre le mur pour garder votre équilibre, pre-
nez votre pied (par l’arrière) avec votre main libre. Amenez
votre talon aussi près que possible de votre fessier. Comptez
jusqu’à 15 puis détendez-vous. Répétez l’exercice 3 fois pour 
chaque jambe. Régions sollicitées : quadriceps et muscles des hanches.
1
2
3
4
FRÉQUENCE DES ENTRAÎNEMENTS
Pour maintenir ou améliorer votre forme physique,
faites trois entraînements par semaine, avec au moins
un jour de repos entre chaque entraînement. Après
quelques mois, vous pouvez entreprendre jusqu’à cinq
entraînements par semaine si vous le désirez.
Rappelez-vous que la clé du succès d’un programme
d’exercice repose avant tout sur la régularité.

22
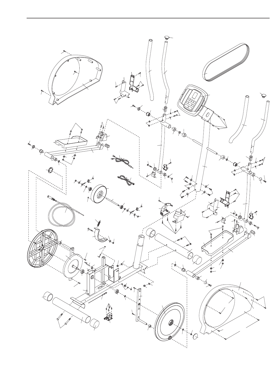
LISTE DES PIÈCES—Nº. du Modèle PFEVEL2786.0 R1006A
Remarque : # indique qu’une pièce n’est pas illustrée. Les spécifications peuvent être modifiées sans notifica-
tion. Référez-vous au dos de ce manuel pour commander des pièces de remplacement.
1 1 Cadre
2 1 Stabilisateur Avant
3 1 Montant
4 1 Tube de Pédale Gauche
5 1 Jambe de la Poignée Gauche
6 2 Poignée 
7 1 Volant
8 1 Pédale Gauche
9 1 Essieu du Volant
10 1 Aimant en « C »
11 2 Bague d’Espacement du Montant
12 1 Boîtier de Pivot Arrière Gauche 
13 2 Embout de la Poignée Mobile
14 1 Assemblage de la Roue Motrice
15 1 Bras du Pédalier Droit
16 2 Manchon en Plastique 
17 8 Bague de la Poignée
18 1 Ressort
19 2 Manchon en Mousse de la Poignée
20 1 Stabilisateur Arrière 
21 1 Panneau Latéral Gauche
22 1 Console
23 4 Bague de la Jambe
24 2 Écrou de l’Embout de M8 
25 2 Disque de la Pédale
26 4 Boulon Hexagonal de M8 x 3/4"
27 2 Protection du Disque
28 2 Embout du Stabilisateur Arrière
29 2 Roue de Transport
30 1 Courroie de Traction
31 2 Rondelle en Plastique
32 4 Bague en Nylon
33 2 Roulement à Billes du Volant
34 2 Roulement à Billes du Pédalier
35 2 Embout du Tube de la Pédale 
36 1 Pince en « C »
37 2 Boulon en Oeillet
38 2 Support de Réglage
39 4 Rondelle en Arc de M6 
40 2 Boulon en Bouton à Épaulement de
M5 x 2 1/2"
41 4 Boulon Hexagonal de M8 x 1 9/16"
42 2Vis en Bouton de M8 x 3 3/8"
43 1 Boulon Hexagonal de Mi x 2 3/8"
44 1Boulon Perçant Hexagonal de M8 x
23/8" 
45 6Vis en Bouton de M8 x 5/8"
46 4 Boulon en Bouton de M6 x 1 3/8"
47 10 Vis en Bouton de M5 x 5/8"
48 5 Vis en Bouton de M4 x 1 9/16"
49 24 Vis de M4 x 1/2"
50 4 Rondelle Ondulée
51 2 Boulon de Carrosserie de M8 x 3
1/2"
52 5 Rondelle de M8 
53 4 Rondelle de M10
54 8 Rondelle en Arc de M8
55 2 Rondelle de M6
56 8 Écrou de Verrouillage en Nylon de
M6
57 8 Écrou de Verrouillage en Nylon de
M8
58 1 Écrou de Verrouillage en Nylon de
M10
59 1 Écrou Hexagonal de M8
60 1 Aimant
61 1 Pince
62 2 Bague d’Espacement de M10
63 1 Pédale Droite
64 1 Tube de la Pédale Droite
65 1 Panneau Latéral Droit
66 6 Vis de M4 x 3/4"
67 1 Capteur Magnétique/Fil
68 5 Vis de la Console
69 1 Boîtier de Pivot Avant Gauche 
70 1 Câble Inférieur
71 1 Jambe de la Poignée Droite
72 1 Boîtier de Pivot Arrière Droit 
73 1 Boîtier de Pivot Avant Droit 
74 1 Fil du Capteur Cardiaque 
75 1 Fil Supérieur
76 2 Protection de la Jambe Arrière
77 2 Protection de la Jambe Avant
78 2 Protection du Tube de la Pédale
79 1 Boîtier du Cadre Gauche
80 1 Boîtier du Cadre Droit
81 1 Moteur de la Résistance
82 1 Assemblage du Câble de la
Résistance
83 2Rondelle de la Poulie
84 1 Poulie de la Résistance
#1Outils pour l’Assemblage
#1Manuel de l’Utilisateur
Nº. Qte. Description Nº. Qte. Description

47
25
47
21
47
42
28
28
20
47
47
15
31
25
12
48
48
48
47
47
65
53
58
27
1732
26
17
50
29
47
47
31
34
30
14
36
1
18
61
34
10
59
43
57
52
24 54
51
2
29
52
57
64
63
41
56 55 23
23
35
40
56 39
17
17
32
26
46
16
50
11
6
19
13
22
196
13
16
11
50
17
60
32
26
56 54
45
45
45
55
23
23
40
17
54
54
54
54
57
53
62
33
9
7
57
53
62 33
56
38
37 53
56
38
37
35
4
8
50
17
17
32
26
52
41
44
54
24
27
68
67
70
71
5
3
39
69
68
76
73
74
75
57
77
49
49
49
49
49
72
76
77
49
49
49
49
49
49
78
78
49 49
79 80
66
66
81
49
84
57
83
82
66
56 39 46
39
SCHÉMA DÉTAILLÉ B—Nº. du Modèle PFEVEL2786.0 R1006A
23

Nº. de Pièce.245641 R1006A Imprimé en Chine ©2006 ICON IP,Inc.
PROFORM est une marque enregistrée de ICON IP,Inc.
POUR COMMANDER DES PIÈCES DE RECHANGE
Pour commander des pièces de rechange, veuillez contacter le service à la clientèle au numéro suivant :  
Fax : (+33) (0)1 30 56 27 30
du lundi au jeudi de 9h00 à 13h00 et de 14h00 à 18h00 et le vendredi de 14h00 à 17h00 (à l’exception des
jours fériés) et préparez l’information suivante :
•le NUMÉRO DU MODELÉ du produit (PFEVEL2786.0)
• le NOM du produit (appareil elliptique PROFORM 470 HR)
• le NUMÉRO DE SÉRIE du produit (voir la page de couverture de ce manuel)
•le NUMÉRO et la DESCRIPTION de la pièce/des pièces (référez-vous aux pages 22 et 23 de ce manuel)
(+33) (0) 810 121 140