Proform Pfevel29832 545 Ekg Elliptical Users Manual *PFEVEL29830 200702(FR)
2015-04-14
: Proform Proform-Pfevel29832-545-Ekg-Elliptical-Users-Manual-700317 proform-pfevel29832-545-ekg-elliptical-users-manual-700317 proform pdf
Open the PDF directly: View PDF
.
Page Count: 16

MANUEL DE L’UTILISATEUR
ATTENTION
Lisez toutes les précautions et
les instructions contenues
dans ce manuel avant d’utili-
ser cet appareil. Gardez ce
manuel pour vous y référer
ultérieurement.
Nº. du Modèle PFEVEL29832
Nº. de Série
Autocollant
du Nº. de
Série
www.iconeurope.com
Notre site Internet
QUESTIONS?
En tant que fabricant nous
nous engageons à satisfaire
notre clientèle entièrement. Si
vous avez des questions ou si
des pièces sont manquantes,
veuillez-nous contacter à :
(33) 01 30 86 56 81
du lundi au jeudi de 9h00 à
13h00 et de 14h00 à 18h00, le
vendredi de 14h00 à 17h00 (à
l’exception des jours fériés).
email: sav.fr@iconeurope.com
Classe HC Produit de Sport

2
TABLE DES MATIÈRES
CONSEILS IMPORTANTS . . . . . . . . . . . . . . . . . . . . . . . . . . . . . . . . . . . . . . . . . . . . . . . . . . . . . . . . . . . . . . . . . . . 2
AVANT DE COMMENCER . . . . . . . . . . . . . . . . . . . . . . . . . . . . . . . . . . . . . . . . . . . . . . . . . . . . . . . . . . . . . . . . . . . 3
ASSEMBLAGE . . . . . . . . . . . . . . . . . . . . . . . . . . . . . . . . . . . . . . . . . . . . . . . . . . . . . . . . . . . . . . . . . . . . . . . . . . . . 4
COMMENT UTILISER L’APPAREIL ELLIPTIQUE . . . . . . . . . . . . . . . . . . . . . . . . . . . . . . . . . . . . . . . . . . . . . . . . . 8
ENTRETIEN ET PROBLÈMES. . . . . . . . . . . . . . . . . . . . . . . . . . . . . . . . . . . . . . . . . . . . . . . . . . . . . . . . . . . . . . . 12
CONSEILS DE MISE EN FORME . . . . . . . . . . . . . . . . . . . . . . . . . . . . . . . . . . . . . . . . . . . . . . . . . . . . . . . . . . . . 13
LISTE DES PIÈCES . . . . . . . . . . . . . . . . . . . . . . . . . . . . . . . . . . . . . . . . . . . . . . . . . . . . . . . . . . . . . . . . . . . . . . . 14
SCHÉMA DÉTAILLÉ . . . . . . . . . . . . . . . . . . . . . . . . . . . . . . . . . . . . . . . . . . . . . . . . . . . . . . . . . . . . . . . . . . . . . . . 15
POUR COMMANDER DES PIÈCES DE RECHANGE . . . . . . . . . . . . . . . . . . . . . . . . . . . . . . . . . . . Dernière Page
1. Veuillez lire attentivement ce manuel de l’uti-
lisateur avant d’utiliser l’appareil elliptique.
N’utilisez l’appareil elliptique que de la
manière décrite.
2. Il est de la responsabilité du propriétaire de
s’assurer que tous les utilisateurs du appa-
reil elliptique sont correctement informés de
toutes les précautions.
3. L’appareil elliptique est conçu uniquement
pour une utilisation privée. N’utilisez pas
l’appareil elliptique à des fins commerciales,
pour la location ou dans une institution pro-
fessionnelle.
4. Placez l’appareil elliptique sur une surface
plane et sur un revêtement pour protéger
votre tapis ou sol. Utilisez et gardez l’appa-
reil elliptique à l’intérieur, loin de l’humidité
et de la poussière.
5. Vérifiez et serrez proprement et fréquem-
ment toutes les pièces du appareil elliptique.
Remplacez immédiatement les pièces usées.
6. Tenez les enfants de moins de 12 ans et les
animaux domestiques éloignés du appareil
elliptique.
7. L’appareil elliptique ne doit jamais être utili-
sé par des personnes dont le poids est
supérieur à 115 kg.
8. Portez des vêtements appropriés quand
vous utilisez l’appareil elliptique. Portez tou-
jours des chaussures de sport pour proté-
ger vos pieds.
9. Tenez le détecteur du pouls ou les guidons
quand vous montez ou descendez du appa-
reil elliptique et à chaque fois que vous l’uti-
lisez.
10. Le détecteur du pouls n’est pas un appareil
médical. De nombreux facteurs peuvent
rendre la lecture du pouls moins précise. Le
détecteur ne sert qu’à donner une idée
approximative des fluctuations du pouls lors
de l’exercice.
11. L’appareil elliptique n’est pas équipé d’une
roue libre. Quand vous arrêtez vos exercices
sur l’appareil elliptique, attendez que les
pédales s’immobilisent complètement avant
de descendre.
12. Gardez toujours votre dos bien droit quand
vous vous servez du appareil elliptique.
N’arquez pas votre dos.
13. Si vous ressentez des douleurs ou des
étourdissements quand vous vous entraî-
nez, arrêtez-vous immédiatement et reposez-
vous.
CONSEILS IMPORTANTS
ATTENTION :Afin de réduire les risques de blessures graves, lisez les conseils
importants dans ce manuel avant d’utiliser l’appareil elliptique.
ATTENTION :Consultez votre médecin avant d'entreprendre un programme d'exer-
cices. Ceci s'adresse plus particulièrement aux personnes âgées de plus de 35 ans ou aux per-
sonnes qui ont déjà eu des problèmes de santé. Lisez toutes les instructions avant de vous servir
de l’appareil. ICON ne se tient aucunement responsable des blessures ou dégâts matériels résul-
tant de l'utilisation de cet appareil.

3
AVANT DE COMMENCER
Merci d’avoir sélectionné l’appareil elliptique PROFORM®
545 EKG. L’appareil elliptique 545 EKG est un appareil
incroyablement confortable qui bouge vos pieds d’une
manière naturelle et elliptique, réduisant l’impact sur vos
genoux et vos chevilles. Le 545 EKG unique est muni
d’une résistance ajustable, de poignées pour la partie
haute du corps, et d’une console à modes multiples pour
vous aider à tirer le maximum de vos exercices.
Pour votre bénéfice, veuillez lire attentivement ce
manuel avant d'utiliser l’appareil elliptique. Si vous
avez des questions, veuillez contacter le service à la
clientèle au numéro suivant : (33) 01 30 86 56 81.Pour
mieux vous assister, notez le numéro du modèle et le
numéro de série de l’appareil avant de nous appeler.
Lenuméro du modèle du tapis roulant est le PFE-
VEL29832. Vous trouverez le numéro de série sur l’au-
tocollant qui est collé sur le tapis roulant (voir la page
de couverture de ce manuel pour son emplacement).
Familiarisez-vous avec les pièces dans le schéma ci-
dessous avant de continuer la lecture de ce manuel.
Console
AVANT
ARRIÈRE
CÔTÉ GAUCHE
Bras de la Pédale
Roue
Disque de la Pédale
Pédale
Montant
Porte-Bouteille*
*Bouteille d’Eau non inclue.
Détecteur du Pouls
Ventilateur
Panneau Latéral
Guidon
P
AVVERTENZA
ATTENTION
L’autocollant illustré etait apposé au l’ appareil elliptique. Trouvez la feuille d’autocollant qui
contient l’information dans quatre langues. Placez l’autocollant en français par-dessus les
autocollants en anglais. Si un autocollant est manquant ou illisible, veuillez communiquer avec
notre service à la clientèle au numéro sans frais, pour commander de nouveaux autocollants
gratuit. Apposez le nouvel autocollant à l’endroit indiqué.

4
Utilisez le schéma des pièces ci-dessous pour identifier les petites pièces utilisées dans l'assemblage. Le numé-
ro en parenthèses dessous chaque schéma fait référence au numéro-clé de la pièce, qui se trouve dans la
LISTE DES PIÈCES à la page 14. Le deuxième numéro fait référence à la quantité nécessaire pour l'assembla-
ge. Remarque : Certaines petites pièces sont peut-être déjà attachées à l'avance pour faciliter l'envoi. Si
une pièce n'est pas dans le sac des pièces, vérifiez pour voir si elle n'a pas été déjà attachée.
Vis de M4 x
16mm (52)–4 Vis à Collerette de
M4 x 19mm (36)–6 Vis de M4 x
22mm (42)–2
Jeu du Boulon du Bras de la Pédale (40)–2
Boulon en Bouton de M8 x 45mm (50)–4
Boulon de Carrosserie de M10 x 75mm (34)–4
Boulon en Bouton de M10 x 76mm (27)–2
Rondelle de
M8,5 (55)–2
Rondelle Grande
de M8,5 (35)–2
Rondelle
Fendue de
M10 (59)–4
Écrou de
Verrouillage en
Nylon de M10
(33)–6
Écrou de
Verrouillage en
Nylon de M8 (38)–6
M
Rondelle
Ondulée (75)–2
Vis de
Raccordement de
M8 x 25mm (56)–2
ASSEMBLAGE
L’assemblage requiert deux personnes. Placez toutes les pièces du appareil elliptique sur une aire dégagée
et enlevez les emballages. Ne jetez pas les emballages avant d'avoir terminé l'assemblage.
Enplus de la clé hexagonale incluse, l’assemblage requiert un tournevis philips , deux clés
réglables , un maillet en caoutchouc , et une pince .

5
2. Pendant qu’une autre personne soulève légèrement
l’arrière du Cadre (1), attachez le Stabilisateur
Arrière (9) au Cadre avec deux Boulons de
Carrosserie de M10 x 75mm (34) et deux Écrous de
Verrouillage en Nylon de M10 (33).
33
1
2
34
9
33
1. Identifiez le Stabilisateur Avant (10). Pendant qu’une
autre personne soulève l’avant du Cadre (1), atta-
chez le Stabilisateur Avant au Cadre avec deux
Boulons de Carrosserie de M10 x 75mm (34) et deux
Écrous de Verrouillage en Nylon de M10 (33).
Assurez-vous que le Stabilisateur Avant est tour-
né de manière à ce que les Roules (22) ne tou-
chent pas le sol.
1
1
10
22
22
33
34
3. La Console (23) requiert quatre piles « D » (non-
incluses) ; des piles alcalines sont recommandées.
Retirez la vis du compartiment des piles. Ouvrez le
compartiment des piles et placez-y quatre piles.
Assurez-vous que les piles sont dans la position
illustrée par les inscriptions à l’intérieur du com-
partiment des piles. Fermez le compartiment des
piles et revissez la vis. Remarque : quand les piles
sont installées correctement, le ventilateur s’allume
pendant quelques instants.
3
23
Compartiment
des Piles
Piles
4. Placez la Console (23) près du Montant (2).
Branchez le fil de la console sur le Fil Supérieur (44).
Enfilez l’excès de fil dans le Montant.
Attachez la Console (23) sur le Montant (2) à l’aide
de quatre Vis de M4 x 16mm (52). Faites attention
de ne pas pincer les fils.
Attachez le Porte-Bouteille (63) sur le Montant (2) à
l’aide de deux Vis de M4 x 22mm (42).
4
2
Fil de la
Console
52
42
23
44
Vis
63

6
5. Pendant qu’une deuxième personne tient le Montant
(2) près du Cadre (1) comme illustré, reliez le Fil
Supérieur (44) au Fil Inférieure (70).
Glissez le Montant (2) dans le Cadre (1) ; faites
attention de ne pas pincer les Fils (44, 70).
Attachez le Montant à l’aide de deux Boulons en
Bouton de M10 x 76mm (27), deux Rondelles
Fendues de M10 (59), et deux Ecrous de
Verrouillage en Nylon de M10 (33). Ne serrez pas
encore les Boulons en Bouton jusqu’au bout.
44
27
33 59
70
5
2
1
Assurez-vous
que les fils ne
sont pas pincés
et endommagés
pendant cette
étape.
6. Identifiez le Guidon Gauche (6) qui est marqué avec
un autocollant. Insérez le Guidon Gauche dans l'un
des Bras du Guidon (5) ; assurez-vous que le Bras
du Guidon est tourné de manière à ce que les
trous hexagonaux sont dans le côté indiqué.
Attachez le Guidon Gauche dans un des Bras du
Guidon avec deux Boulons en Bouton de M8 x
45mm (50) et des Écrous de Verrouillage en Nylon
de M8 (38). Assurez-vous que les Écrous de
Verrouillage en Nylon sont à l'intérieur des trous
hexagonaux. Ne serrez pas complètement les
Boulons maintenant.
Attachez le Guidon Droit au autre Bras du Guidon
(pas illustré) de la même manière.
6
6
5
50
38
Trous
Hexagonaux

7
8. Appliquez généreusement de la graisse sur l’essieu
se trouvant sur la Barre Transversale du Disque (16)
gauche. Glissez le Bras de la Pédale Gauche (11)
sur l’essieu et attachez-le à l’aide d’une Rondelle
Grande de M8,5 (35) et d’un Ecrou de Verrouillage
en Nylon de M8 (38).
Enfoncez le Bras du Guidon (5) gauche dans le sup-
port sur l’extrémité du Bras de la Pédale Gauche
(11), puis attachez-le avec un Jeu du Boulon du Bras
de Pédale (40).
Répétez cette étape pour attacher le Bras de la
Pédale droit (non-illustré).
Référez-vous à l’étape 6. Serrez les Boulons en
Bouton de M8 x 45mm (50) sur les Bras du Guidon (5).
Serrez les deux Boulons en Bouton de M10 x
76mm (27).
8
5
11
35
38
27
40
40
Graisse
16
7. Appliquez une couche généreuse de la graisse inclu-
se sur l’Essieu de Pivot (73) et sur deux Rondelles de
M8,5 (55). Insérez l’Essieu de Pivot dans le Montant
(2) et placez-le au centre. Ré-appliquez de la graisse
sur les deux extrémités de l’Essieu de Pivot.
Glissez une Bague d’Espacement du Guidon (47) sur
le petit tube sur chaque Guidon (6, 8) puis tournez
les Bagues d’Espacement de manière à ce que la
petite flèche pointe vers le bas. Glissez ensuite les
Poignées sur l’Essieu de Pivot (73). Assurez-vous
que les Guidons sont chacune du bon côté.
Vissez une Vis de Raccordement de M8 x 25mm (56)
avec une Rondelle de M8,5 (55) et une Rondelle
Ondulée (75) sur chaque extrémité de l’Essieu de
Pivot (73). Orientez les deux Embouts du Guidon
(46) comme illustrés, puis enfoncez les petites lan-
guettes sur les Embouts du Guidon dans les deux
Bagues d’Espacement du Guidon (47).
7
73
2
46
8
6
56
46
47
49
Graisse
10. Assurez-vous que toutes les pièces soient vissées correctement avant d’utiliser l’appareil elliptique.
Pour protéger votre sol ou votre tapis de l’usure, placez un revêtement sous l’appareil elliptique.
9. Trouvez la Pédale Gauche (13), qui a un rebord sur
le côté droit. Attachez la Pédale Gauche à la Bras de
la Pédale Gauche (11) avec trois Vis à Collerette de
M4 x 19mm (36) comme indiqué.
Attachez la Pédale Droite à la Bras de la Pédale
Droite (pas indiqué) de la même manière.
11
9
13
36
75
Flèche

8
COMMENT UTILISER L’APPAREIL ELLIPTIQUE
COMMENT DEPLACER L’APPAREIL ELLIPTIQUE
Placez-vous devant l’appareil elliptique, tenez les poi-
gnées fermement et placez un pied contre une des
roues. Tirez les poignées jusqu’à ce que l’appareil
elliptique puisse être déplacé sur les roues avant, et
déplacez doucement l’appareil elliptique jusqu’à l’em-
placement désiré. Placez ensuite un pied contre une
roue et baissez l’appareil elliptique. A cause de la
taille et du poids de l’appareil elliptique, faites
preuves de prudence pendant quand vous le
déplacez et le baissez.
COMMENT VOUS EXERCEZ AVEC L’APPAREIL
ELLIPTIQUE
Pour monter sur l’appareil elliptique, tenez fermement
les guidons et placez-vous sur la pédale à la position
inférieure avec précaution. Ensuite, mettez l’autre
pied sur l’autre pédale. Poussez les pédales jusqu’à
ce qu’elle bougent d’une manière continue.
Remarque : Les disques de pédales peuvent tour-
ner dans les deux directions. Il est recommandé
de tourner les disques de la pédale dans la direc-
tion indiquée ci-dessous ; cependant pour varier
vos exercices, vous pouvez choisir de tourner les
pédales dans la direction opposée.
Pour descendre du appareil elliptique, attendez jus-
qu’à ce que les pédales soient complètement arrê-
tées. ATTENTION : l’appareil elliptique n’a pas de
roue libre ; les pédales continueront à bouger jus-
qu’à ce que le volant s’arrête. Quand les pédales
sont à l’arrêt, descendez en enlevant le pied de la
pédale supérieure d’abord. Ensuite, en enlevant le
pied de la pédale inférieure.
Les guidons sont conçus pour ajouter des exercices
pour l’haut du corps. Alors que vous vous exercez,
poussez et tirez les bras de la partie supérieure afin
de travailler vos bras, votre dos et vos épaules. Si
vous désirez exercer seulement votre corps de la
taille au pieds, tenez le détecteur du poulse lorsque
vous vous exercez.
Pédale
Disque de
la Pédale
Détecteur
du Pouls
Guidon
Roue
Guidons

9
La console, facile d’utilisation, offre une sélection de
fonctionnalités conçues pour vous aider à tirer le
maximum de vos entraînements. Suivez les instruc-
tions ci-dessous pour utiliser la console.
Allumer la console.
Remarque : la console requiert quatre piles « D »
de 1,5 volts. Référez-vous à l’étape 3 de l’assem-
blage à la page 5 pour des instructions concer-
nant l’installation des piles.
Pour allumer la console, appuyez sur la touche
Prendre/Remise a Zéro (voir le schéma ci-dessus
pour identifier la touche Prendre/Remise a Zéro).
Remarque : vous pouvez aussi allumer la conso-
le en déplaçant les pédales.
Commencez à pédaler et changez la résistan-
ce des pédales comme vous le désirez.
Pendant que vous pédalez, changez la résistan-
ce des pédales en appuyant sur les touches + et
–sous la grande fenêtre. Il y a dix niveaux de
résistance—le niveau 10 étant le plus difficile.
Remarque : après avoir pressé les touches, plu-
sieurs secondes seront nécessaires à la résistan-
ce pour atteindre le niveau sélectionné.
Suivez votre progression grâce au petit et au
grand affichage sur la console.
Le petit affichage montre
la cadence des pédales, en
tours par minute (RPM). La
barre indicatrice dans le
petit affichage grandira ou
rétrécira en longueur alors
que vous augmentez ou
ralentissez votre cadence.
Remarque : quand vous uti-
lisez la poignée du détec-
teur cardiaque, le petit affichage indiquera votre
pouls (voir étape 4 à la page 10).
La partie supé-
rieure du grand
affichage indi-
quera la distan-
ce que vous
avez pédalé et
le nombre de
calories
et de
calories de graisse
[FAT CALS] que vous avez brûlé (voir BRULER
DE LA GRAISSE à la page 13 pour une explica-
tion sur les calories de graisse). L’affichage chan-
gera d’un nombre à l’autre toutes les quelques
secondes.
3
2
1
Toutes du Affichage
Touche du
Ventilateur
Touche Prendre/
Remise a Zéro
Toutes de la
Résistance
COMMENT FAIRE FONCTIONNER LA CONSOLE
Barre Indicatrice

10
Pour ne visualiser que la
distance pédalée ou le
nombre de calories ou de
calories de graisse brû-
lées, appuyez sur la
touche supérieure sur le
coté gauche du grand affi-
chage jusqu’à ce que le
mot DISTANCE, CALORIES, ou FAT CALS appa-
raisse dans la partie supérieure du grand afficha-
ge ; assurez-vous que le mot SCAN [Balayage]
n’apparaît pas. Pour voir de nouveau la distance
que vous avez pédalé et le nombre de calories et
de calories de graisse brûlées, appuyez sur la
touche supérieure jusqu’à ce que le mot SCAN
apparaisse.
Le centre du
grand affichage
indiquera le
temps écoulé
[TIME] et votre
cadence [PACE]
en cours (la cadence est exprimée en minutes
par mile dans cette section du grand affichage).
L’affichage changera d’un nombre à l’autre toutes
les quelques secondes.
Pour ne visualiser que le
temps écoulé ou votre
cadence, appuyez sur la
touche centrale sur le coté
gauche du grand afficha-
ge jusqu’à ce que le mot
TIME ou PACE apparais-
se ; assurez-vous que le
mot SCAN n’apparaît pas. Pour voir à nouveau le
temps écoulé et votre cadence, appuyez sur la
touche centrale jusqu’à ce que le mot SCAN
apparaisse.
La partie infé-
rieure du grand
affichage indi-
quera la vitesse
des pédales
[SPEED] et leur
niveau de résistance. L’affichage changera d’un
nombre à l’autre toutes les quelques secondes.
Pour ne visualiser que la
vitesse des pédales ou le
niveau de résistance,
appuyez sur la touche
inférieure à gauche du
grand affichage jusqu’à ce
que le mot SPEED ou
RESISTANCE apparaisse ; assurez-vous que le
mot SCAN n’apparaît pas. Pour voir à nouveau la
vitesse des pédales ainsi que le niveau de résis-
tance, appuyez sur la touche inférieure jusqu’à
ceque le mot SCAN réapparaisse.
Pour remettre les affichages à zéro, appuyez sur
la touche Prendre/Remise a Zéro.
Remarque : la
console peut
afficher la vites-
se et la distance
soit en miles
soit en kilo-
mètres. Les lettres MPH [Miles] ou KM/H
[Kilomètres] apparaîtront dans la partie inférieure
du grand affichage pour indiquer l’unité de mesu-
re sélectionnée. Pour changer l’unité de mesure,
appuyez sur la touche Prendre/Remise a Zéro
pendant à peu près six secondes. Remarque :
quand la touche est enfoncée, le ventilateur s’al-
lumera pendant quelques secondes. Quand les
piles sont remplacées, il sera peut-être nécessai-
re de sélectionner à nouveau l’unité de mesure
désirée.
Mesurez votre pouls, si désiré.
Si les plaques
métalliques sur
les poignées
sont recou-
vertes d’un film
de plastique,
retirez-le. Pour
utiliser la poi-
gnée du détec-
teur cardiaque,
tenez les poignées, la paume de vos mains
contre les plaques métalliques. Évitez de bouger
les mains.
Quand votre pouls est
détecté, l’indicateur en
forme de cœur se trou-
vant dans le petit afficha-
ge clignotera à chacun
des battements de votre
cœur.Après quelques ins-
tants, deux tirets (– –)
apparaîtront et votre
pouls sera affiché. Pour une lecture plus précise,
gardez vos mains sur les poignées pendant à
peu près 30 secondes.
4
Touche Supérieure
Touche Centrale
Touche Inférieure
Plaques
Métal-
liques

11
Allumez le ventilateur, si désiré.
Pour allumer le
ventilateur sur le
niveau le plus
bas, appuyez
une fois sur la
touche du venti-
lateur. Pour que
le ventilateur
tourne à une
vitesse plus rapide, appuyez sur la touche du
ventilateur une deuxième fois. Pour éteindre le
ventilateur, appuyez sur la touche une troisième
fois. Remarque : si le ventilateur est allumé et
que les pédales ne sont pas déplacées pendant
àpeu près 30 secondes, le ventilateur s’éteindra
automatiquement pour économiser les piles.
Faites tourner le bouton sur le côté droit de la
console pour faire pivoter le ventilateur à l’angle
désiré.
Quand vous avez fini de vous entraîner, la
console s’éteindra automatiquement.
Siles pédales ne sont pas déplacées pendant
quelques secondes, les affichages seront en sus-
pens et le temps clignotera dans le grand afficha-
ge.
Si les pédales ne sont pas déplacées et les
touches de la console ne sont pas pressées pen-
dant quelques secondes, la console s’éteindra
automatiquement pour économiser les piles.
6
5
Bouton
Touche du
Ventilateur

12
Inspectez et serrez toutes les pièces de l’appareil
elliptique régulièrement. Remplacez les pièces usées
immédiatement. Pour nettoyer l’appareil elliptique, uti-
lisez un chiffon humide et une petite quantité de
savon doux. N’utilisez pas des produits abrasifs ou
de dissolvants. Pour éviter d’endommager la conso-
le, gardez tout liquide loin de la console et gardez la
console hors des rayons directs du soleil.
Lorsque vous rangez l’appareil elliptique, retirez les
piles de la console. Gardez l’appareil elliptique dans
un endroit sec, à l’abri de l’humidité et de la poussière.
PROBLÈMES DE LA CONSOLE
Si la console ne fonctionne pas correctement, rempla-
cé les piles (référez-vous à l’étape 3 de l’assemblage
àla page 5).
COMMENT AJUSTER LE CAPTEUR MAGNÉTIQUE
Si l’affichage de la console n’est pas correct, le cap-
teur magnétique devrait être ajusté. Pour régler l’inter-
rupteur magnétique, premièrement référez-vous à
l’étape 9 d’assemblage à la page 7 et retirez les
Pédales (13, 14). Ensuite, référez-vous à l’étape 8 à
la page 7 et retirez les Bras de la Pédales (11, 12).
Ensuite, enlevez toutes les Vis (51, 72) du Disque de
la Pédale (15) droite et enlevez le Disque de la
Pédale en le glissant. Enlevez toutes les Vis (71, 64)
du Panneau Latéral Droit (4), et enlevez le Panneau
Protecteur Droit. Enlevez toutes les Vis (52) du
Panneau Latéral Gauche (3) et retirez le Panneau
Protecteur Gauche.
Ensuite, trou-
vez le Capteur
Magnétique
(53). Dévissez
mais ne reti-
rez pas la Vis
(52) indiquée.
Glissez le
Capteur
Magnétique
légèrement en
avant ou loin
de l’Aimant (58) sur le volant. Resserrez la Vis.
Tournez le Disque de Pédale (15) gauche pendant un
moment. Répétez l’opération jusqu’à ce que la conso-
le affiche des données correctes.
Quand le Capteur Magnétique (53) est ajusté correc-
tement, rattachez les Panneaux Lateraux (3, 4), le
Disque de la Pédale (15) droit, les Bras de la Pédale
(11, 12) et les Pédales (13, 14).
COMMENT RÉGLER LA COURROIE DE TRACTION
Si vous sentez
que les
pédales glis-
sent pendant
que vous péda-
lez, même
quand la résis-
tance est sur le
niveau le plus
élevé, vous
devriez ajuster
la Courroie de
Marche (19).
Pour régler la Courroie de Traction, vous devez enle-
ver les deux panneaux protecteurs. Référez-vous aux
instructions à gauche et retirez les panneaux protec-
teurs.
Ensuite, desserrez la Vis à Tête Plate de M8 x 22mm
(26) et tournez la Vis de M10 x 60mm (62) jusqu’à ce
que la Courroie de Traction (19) est serrée. Une fois
que la Courroie de Traction est serrée, serrez la Vis à
Tête Plate. Rattachez les panneaux protecteurs.
ENTRETIEN ET PROBLÈMES
64 71
51
51
72
71
52
52
64
64
14
12
4
58
53
52
15
15
326
62 19
64

13
CONSEILS DE MISE EN FORME
Les exercices suivants vous aideront à organiser
votre programme d’exercices. Rappelez-vous qu’une
bonne alimentation et qu’un repos adéquat sont
essentiels pour de bons résultats.
INTENSITÉ DE L’ENTRAÎNEMENT
Que votre but soit de brûler de la graisse ou de fortifier
votre système cardio-vasculaire, la clé pour obtenir les
résultats désirés est de s’entraîner à une intensité cor-
recte. Le niveau d’intensité correct peut être trouvé en
utilisant votre pouls comme point de repère. Le
tableau ci-dessous indique le pouls recommandé pour
brûler de la graisse et pour les exercices aérobics.
Pour déterminer le pouls qu’il vous faut, trouvez
d’abord votre âge en bas du tableau (les âges sont
arrondis aux dizaines). Trouvez ensuite les trois
nombres au-dessus de votre âge. Les trois nombres
constituent votre « zone d’entraînement ». Le nombre
le plus petit est votre pouls recommandé pour brûler
de la graisse, le nombre du milieu est votre pouls
recommandé pour brûler encore plus de graisse, et le
nombre le plus grand est votre pouls recommandé
pour des exercices aérobics.
Brûler de la Graisse
Pour brûler de la graisse effectivement vous devez
vous exercer à une intensité relativement basse pen-
dant une longue période. Durant les premières minutes
d’exercice, votre corps utilise des calories
d’hydrate de
carbone,
facilement accessibles comme source d’éner-
gie. Après quelques minutes seulement, votre corps
commence à utiliser des
calories de graisse
enréserve
comme source d’énergie. Si votre but est de brûler de
la graisse, ajustez l’intensité de votre entraînement jus-
qu’à ce que votre pouls soit entre le nombre le plus
petit et le nombre du milieu dans votre zone d’entraîne-
ment pendant que vous vous entraînez.
Exercice Aérobics
Si votre but est de fortifier votre système cardiovascu-
laire, votre entraînement devrait être aérobic.
L’exercice aérobic requiert de large quantité d’oxygè-
ne durant une période de temps prolongée. Ceci aug-
mente la demande de sang que le coeur doit pomper
vers les muscles, et la quantité de sang que les pou-
mons doivent oxygéner. Pour l’exercice aérobic, ajus-
tez l’intensité de votre exercice jusqu’à ce que votre
rythme cardiaque soit proche du numéro le plus haut
se trouvant dans votre zone d’entraînement.
GUIDE D’EXERCICES
Chaque entraînement devrait inclure ces trois étapes:
Échauffement, commencez chaque entraînement
avec 5 à 10 minutes d’étirements et d’exercices légers.
Un échauffement correct élève la température de votre
corps, augmente votre pouls, ainsi que la circulation
pour vous préparer à l’entraînement.
Exercices dans la Zone d’Entraînement, après
vous être échauffé, augmentez l’intensité de vos exer-
cices jusqu’à ce que votre pouls soit dans votre zone
d’entraînement pendant 20 à 30 minutes. Remarque :
durant les premières semaines d’exercices, ne main-
tenez pas votre pouls dans votre zone d’entraînement
pendant plus de 20 minutes.
Exercices de Retour à la Normal, finissez chaque
entraînement avec 5 à 10 minutes d'étirements pour
revenir à la normal. Cela augmentera la flexibilité de
vos muscles et vous aidera à prévenir les problèmes
qui surviennent après l’exercice.
FRÉQUENCE DES ENTRAÎNEMENTS
Pour maintenir ou améliorer votre forme physique,
faites trois entraînements par semaine, avec au moins
un jour de repos entre chaque entraînement. Après
quelques mois, vous pouvez entreprendre jusqu’à
cinq entraînements par semaine si vous le désirez.
Rappelez-vous que la clé du succès d’un programme
ATTENTION :
• Avant de commencer ce programme d’exer-
cices (ou un autre), veuillez consulter votre
médecin. Ceci est tout particulièrement
important pour les personnes âgées de plus
de 35 ans ou celles ayant déjà eu des pro-
blèmes de santé.
• Les moniteurs cardiaque ne sont pas appa-
reils médicales. De nombreux facteurs peu-
vent rendre la lecture du pouls moins préci-
se. Les moniteurs ne sert qu’à donner une
idée approximative des fluctuations du
pouls lors de l’exercice.

14
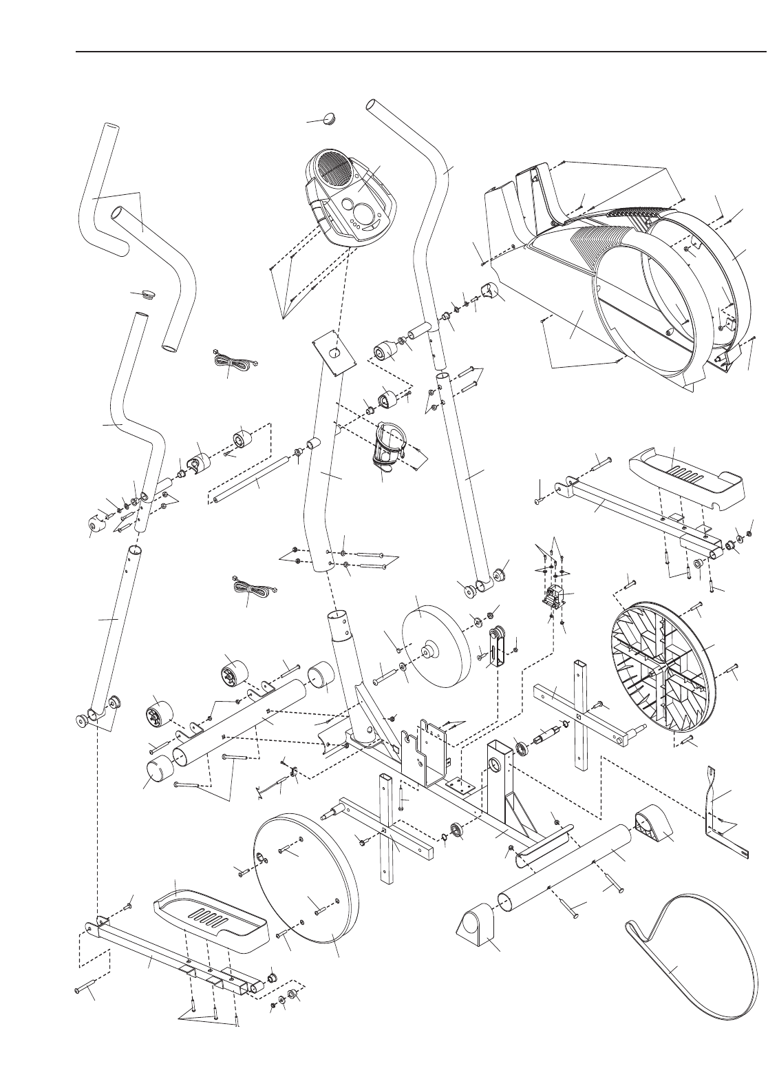
LISTE DES PIÈCES—Nº. du Modèle PFEVEL29832 R0804A
Remarque : # indique une pièce non-dessinée. Les spécifications peuvent être modifiées sans notification.
Référez-vous au dos de ce manuel pour commander des pièces de rechange.
11 Cadre
2 1 Montant
31 Panneau Latéral Gauche
4 1 Panneau Latéral Droit
5 2 Bras du Guidon
6 1 Guidon Gauche
7 1 Assemblage du Tendeur
8 1 Guidon Droit
9 1 Stabilisateur Arrière
10 1 Stabilisateur Avant
11 1 Bras de la Pédale Gauche
12 1 Bras de la Pédale Droit
13 1 Pédale Gauche
14 1 Pédale Droit
15 2 Disque de la Pédale
16 2 Barre Transversale du Disque
17 1 Volant
18 1 Support de Panneau Latéral
19 1Courroie de Traction
20 2 Embout Arrière
21 2 Embout Avant
22 2 Roue
23 1 Console
24 2 Poignée
25 2 Vis de M5 x 14mm
26 1 Vis à Tête Plate de M8 x 22mm
27 2 Boulon en Bouton de M10 x 76mm
28 4 Écrou de Verrouillage en Nylon de
M6
29 1 Moteur de Résistance
30 2Bague-Attache Grande
31 2 Roulement à Biles Grande
32 1Axe de la Pédale
33 7 Écrou de Verrouillage en Nylon de
M10
34 4 Boulon de Carrosserie de M10 x
75mm
35 2 Rondelle de M8,5
36 6 Vis à Collerette de M4 x 19mm
37 4 Bague du Bras de la Pédale
38 7 Écrou de Verrouillage en Nylon de
M8
39 1Large Rondelle du Volant
40 2 Jeu du Boulon du Bras de la Pédale
41 2 Boulon de M6 x 72mm
42 2 Vis de M4 x 22mm
44 1 Fil Supérieur
45 2 Boulon de M5 x 16mm
46 2 Embout du Guidon
47 2 Bague d’Espacement du Guidon
48 2 Bague d’Espacement du Cadre
49 6 Petite Bague du Bras du Guidon
50 4 Boulon en Bouton de M8 x 45mm
51 4 Vis de M6 x 25mm
52 14 Vis de M4 x 16mm
53 1 Capteur Magnétique/Fil
54 1 Serre-joint du Câble
55 2 Rondelle de M8,5
56 2 Vis de Raccordement de M8 x
25mm
57 1 Boulon à Tête Plate de M10
58 1 Aimant
59 2 Rondelle Fendue de M10
60 4Large Bague du Bras du Guidon
61 2 Boulon Hexagonal de 5/16” x
25,4mm
62 1 Vis de M10 x 60mm
63 1 Porte-Bouteille
64 4 Vis de M4 x 25mm
65 2 Embout du Guidon
66 2 Écrou de Verrouillage en Nylon de
M5
67 4 Rondelle de M5
68 1Petit Rondelle du Volant
69 2 Vis de M5 x 16mm
70 1Fil Inférieure
71 2 Boulon de M6 x 18mm
72 4 Vis de M6 x 28mm
73 1 Essieu de Pivot
74 2 Vis de M3 x 12mm
75 2 Rondelle Ondulée
# 1 Câble de TCD
#1 Clé Hexagonale
# 1 Graisse
#1Manuel de l’Utilisateur
Nº. Qte. Description Nº. Qte. Description

8
52
4
3
64
52
52
50
5
49
47
38
23
44
24
6
38
50
48
47
49
49
46
55
56
5
60
22
22
27
33
17
2
41
21 34
28
41 57
10 33
21 68
39
60
60
40
40 14
12 35
37
38
37 36
36
72
51
72
51
15
52
18
19
20
20
34
9
33
33
16
61
61
16
62
1
30 31
31 32 30
38
7
33
51
51
72 15
13
37
36 38 35
11
40
40
71
64
52
33
26
59
59
58
52
54
52
53
25
63
42
66
29
67
67
45
52
65
65
69
66
70
28
52
28
72
71
49
75
74
73
56
55
46
49
75
49 74
48
37
SCHÉMA DÉTAILLÉ—N°. du Modèle PFEVEL29832 R0804A
15

Nº. de Pièce 213564 R0804A Imprimé en Chine ©2004 ICON IP, Inc.
POUR COMMANDER DES PIÈCES DE RECHANGE
Pour commander des pièces de rechange, veuilles contacter le service à la clientèle au numéro suivant :
Fax : (33) 01 39 14 27 72
du lundi au jeudi de 9h00 à 13h00 et de 14h00 à 18h00 et le vendredi de 14h00 à 17h00 (à l’exception des
jours fériés) et préparez l’information suivante :
•le NUMÉRO DU MODELÉ du produit (PFEVEL29832)
• le NOM de ce produit (appareil elliptique PROFORM 545 EKG)
• le NUMÉRO DE SÉRIE du produit (voir la page de couverture de ce manuel)
•le NUMÉRO et la DESCRIPTION de la pièce/des pièces (référez-vous à la page 14 de ce manuel)
(33) 01 30 86 56 81
PROFORM est une marque enregistrée de ICON IP,Inc.