Proform Pfevel34020 Owner S Manual
Proform-Pfevel34020-750-Rx-Elliptical-Users-Manual-700333 proform-pfevel34020-750-rx-elliptical-users-manual-700333
2014-07-06
: Proform Proform-Pfevel34020-Owner-S-Manual proform-pfevel34020-owner-s-manual proform pdf
Open the PDF directly: View PDF
.
Page Count: 20

WAARSCHUWING
Lees alle instructies en voor-
zorgsmaatregelen in deze hand-
leiding door voordat u dit appa-
raat gaat gebruiken. Bewaar
deze handleiding voor verdere
raadpleging.
Modelnr. PFEVEL34020
Serienr.
Sticker met
Serienummer
VRAGEN?
Als fabrikant zijn wij gesteld op
uw volledige tevredenheid. Mocht
u nog vragen hebben, mochten
sommige onderdelen ontbreken
of beschadigd zijn neem dan con-
tact op met de winkel waar u dit
produkt hebt gekocht.
www.iconeurope.com
Bezoek onze website
GEBRUIKSAANWIJZING

INHOUD
BELANGRIJKE VOORZORGSMAATREGELEN . . . . . . . . . . . . . . . . . . . . . . . . . . . . . . . . . . . . . . . . . . . . . . . .3
VOORDAT U BEGINT . . . . . . . . . . . . . . . . . . . . . . . . . . . . . . . . . . . . . . . . . . . . . . . . . . . . . . . . . . . . . . . . . . . .4
MONTAGE . . . . . . . . . . . . . . . . . . . . . . . . . . . . . . . . . . . . . . . . . . . . . . . . . . . . . . . . . . . . . . . . . . . . . . . . . . . .5
HOE DE ELLIPTISCHE CROSSTRAINER TE GEBRUIKEN . . . . . . . . . . . . . . . . . . . . . . . . . . . . . . . . . . . . . . .9
ONDERHOUD EN OPLOSSEN VAN PROBLEMEN . . . . . . . . . . . . . . . . . . . . . . . . . . . . . . . . . . . . . . . . . . . .15
RICHTLIJNEN VOOR UW CONDITIE . . . . . . . . . . . . . . . . . . . . . . . . . . . . . . . . . . . . . . . . . . . . . . . . . . . . . . .16
LIJST MET ONDERDELEN . . . . . . . . . . . . . . . . . . . . . . . . . . . . . . . . . . . . . . . . . . . . . . . . . . . . . . . . . . . . . . .18
GEDETAILLEERDE TEKENING . . . . . . . . . . . . . . . . . . . . . . . . . . . . . . . . . . . . . . . . . . . . . . . . . . . . . . . . . . .19
HET BESTELLEN VAN ONDERDELEN . . . . . . . . . . . . . . . . . . . . . . . . . . . . . . . . . . . . . . . . .LAATSTE PAGINA
2
PROFORM is een merk van ICON Health & Fitness, Inc.

3
BELANGRIJKE VOORZORGSMAATREGELEN
WAARSCHUWING: Lees de volgende belangrijke voorzorgsmaatregelen door
voordat u de elliptische crosstrainer gaat gebruiken om persoonlijk letsel te voorkomen.
1. Lees alle instructies in deze handleiding
door voordat u de elliptische crosstrainer
gaat gebruiken.
2. De eigenaar moet zich te ervan vergewissen
dat allen die gebruik maken van de ellipti-
sche crosstrainer voldoende op de hoogte
zijn van alle voorzorgsmaatregelen.
3. Plaats de elliptische crosstrainer op een
vlakke ondergrond met een matje onder de
elliptische crosstrainer om uw vloer (bedek-
king) te beschermen. Gebruik de elliptische
crosstrainer uitsluitend binnenshuis en uit
de buurt van vocht en stof.
4. Inspecteer regelmatig alle onderdelen van
de elliptische crosstrainer en draai ze dan
goed vast. Vervang versleten onderdelen
meteen.
5. Houdt te allen tijde kinderen jonger dan 12
en huisdieren bij de elliptische crosstrainer
vandaan.
6. De elliptische crosstrainer kan alleen door
mensen die minder dan 114 kg wegen wor-
den gebruikt.
7. Draag geschikte kleding wanneer u de ellip-
tische crosstrainer gebruikt. Draag altijd
sportschoenen.
8. Houdt u altijd aan de handgreep met pols-
sensor of aan de armhendels vast wanneer
u de elliptische crosstrainer opstapt,
gebruikt of afstapt.
9. De pols-sensor is geen medisch instrument.
Verschillende factoren kunnen de nauwkeu-
righeid van de metingen beïnvloeden. De
pols-sensor is alleen als hulpmiddel bedoeld
voor algemene hartslag meting.
10. Houdt tijdens het gebruik van de elliptische
crosstrainer uw rug recht. Krom uw rug niet.
11. Stop meteen en begin geleidelijk af te koe-
len wanneer u pijn voelt of duizelig wordt.
12. Laat de pedalen langzaam tot stilstand
komen wanneer u met uw oefening stopt.
13. Deze elliptische crosstrainer is alleen voor
huiselijk gebruik bedoeld. Gebruik de cross-
trainer niet commercieel of voor verhuur.
WAARSCHUWING: Raadpleeg uw huisarts voordat u met dit of enig ander oefen-
programma begint. Dit is bijzonder belangrijk voor mensen ouder dan 35 of mensen met gezond-
heidsproblemen. Lees alle instructies voor gebruik door. ICON is niet aansprakelijk voor persoonlijk
letsel of schade door het gebruik van dit produkt.

4
VOORDAT U BEGINT
Fijn dat u de nieuwe PROFORM®750 RX elliptische
crosstrainer hebt gekozen. De PROFORM®750 RX is
een ongelofelijk soepel apparaat met een natuurlijke
elliptische beweging die voor een verminderde belas-
ting op knieën- en enkelgewrichten zorgt. En de unie-
ke PROFORM®750 RX valt op door een weerstand
die u kunt bijstellen en een gemakkelijk te gebruiken
bedieningspaneel om het hoogst mogelijke rendement
uit uw oefeningen te halen. Welkom in een hele nieu-
we oefenwereld met de natuurlijke elliptische bewe-
ging van PROFORM.
Lees voor uw eigen welzijn deze handleiding zorg-
vuldig door voordat u de elliptische crosstrainer
gebruikt. Mocht u nog vragen hebben, neem dan
contact op met de winkel waar u dit produkt hebt
gekocht. Om u beter van dienst te kunnen zijn, zorg
ervoor dat u het model- en serienummer bij de hand
hebt voordat u belt. Het modelnummer van de ellipti-
sche crosstrainer is PFEVEL34020. Het serienummer
bevindt zich op een sticker op de elliptische crosstrai-
ner (zie kaft van deze handleiding).
Voordat uw verder gaat met lezen, bekijk a.u.b. de
volgende tekening aandachtig om bekend te raken
met de verschillende onderdelen.
Handgreep met Pols-sensor
Armhendels
VOORKANT
ACHTERKANT
LINKERKANT
Pedaalveer Pedaalschijf
* Fles niet inbegrepen
Wiel
Pedaal
Bedieningspaneel
Boekenstandaard
Houder voor de waterfles*

5
MONTAGE
De montage van deze elliptische crosstrainer moet door twee mensen gebeuren. Plaats de elliptische
crosstrainer op een open plek en verwijder de verpakking. Gooi de verpakking pas weg wanneer u de elliptische
crosstrainer volledig gemonteerd heeft. U zult de twee meegeleverde imbussleutels, uw eigen kruiskop
schroevedraaier , een engelse sleutel , en een rubber hamer .
Gebruik de tekeningen hieronder tijdens de montage van de elliptische crosstrainer om de kleine onderdelen te her-
kennen. Het getal tussen haakjes onder iedere tekening is het nummer van het onderdeel (van LIJST MET ONDER-
DELEN op pagina 18). Het tweede getal geeft het aantal te monteren onderdelen aan. Opgelet: Sommige kleine
onderdelen zijn al gemonteerd om de verzending te vergemakkelijken. Wanneer u een onderdeel niet in de
zak met onderdelen kunt vinden, bekijk dan het apparaat om te zien of het al gemonteerd is.
M4 x 16mm
Schroef (52)–2
M10 x 27mm Schroef
met Ronde Kop (67)–6
M10 Tussenring
(78)–2
M10 Veerringen
(59)–6
M10 Nylon
Klemmoer (33)–4
M10 x 27mm
Pedaalbout (80)–2
M10 Bout Set (74)–2
M8 x 19mm Schroef
met Ronde Kop
(56)–2
M6 x 25mm
Schroef (7)–1
Armhendel
Tussenring (55)–2
Veersteun
Tussenring (35)–2
M8 Nylon
Klemmoer (38)–4
M8 x 45mm Bout met Ronde Kop
(50)–4
M10 x 27mm Nylon
Schroef (40)–2 M10 x 75mm Draagbout (34)–4
1. Zoek naar de Voorste Stabilisator (10), met Wieltjes
(22) eraan. Maak terwijl de tweede persoon de voor-
kant van het Onderstel (1) wat optilt de Voorste
Stabilisator aan het Onderstel vast met twee M10 x
75mm Draagbouten (34) en twee M10 Nylon
Klemmoeren (33). Zorg ervoor dat de Voorste
Stabilisator zodanig gedraaid wordt dat de Wielen
de grond niet raken.
10 33
22
22
34
34
1
1

6
2. Maak terwijl de tweede persoon de achterkant van het
Onderstel (1) wat optilt de Achterste Stabilisator (9)
aan het Onderstel vast met twee M10 x 75mm Draag-
bouten (34) en twee M10 Nylon Klemmoeren (33).
34
9
1
3
2
43
44 1
73
79
59
Stelgaten
Zorg ervoor dat
de Draadkokers
(44, 79) niet
beklemd raken
en beschadigd
worden tijdens
het monteren.
44
67
67
59
3. Verbindt, terwijl de tweede persoon de Staander (2) in
de aangegeven positie (vast) houdt het Verlengstuk
van de Draadkoker (44) met de Draadkoker (79). Trek
voorzichtig aan de bovenkant van het Verlengstuk
van de Draadkoker. Steek terwijl U de bovenkant
van het Verlengstuk van de Draadkoker vasthoudt
de Staander in het Onderstel (1). Wees voorzichtig
dat de Draadkokers niet beklemd raken.
Draai vervolgens de Knop van de Staander (43) een
paar slagen tegen de klok in. Trek aan de Knop en
schuif de Staander (2) in totdat de Knop op gelijke
hoogte staat met een van de vier stelgaten. Laat de
Knop los. Draai de Knop nog niet vast.
Trek het bovenste gedeelte van het Verlengstuk van de
Draadkoker (44) door het Verlengstuk van de Staander
(73). Maak het Verlengstuk van de Staander aan de
Staander (2) vast met drie M10 x 27mm Schroeven
met Ronde Kop (67) en drie M10 Veerringen (59).
4. Sluit de draadkoker van de Handgreep met Pols-sen-
sor (29) aan op de aangegeven draadkoker van het
Bedieningspaneel (23). Steek beide draadkokers in de
opening aan de onderkant van het Bedieningspaneel.
Steek vervolgens de metalen buis van de Handgreep
met Pols-sensor in de opening aan de onderkant van
het Bedieningspaneel. Wees voorzichtig dat de
draadkokers niet beklemd raken.
Bekijk de inzet-tekening. Stel de gaten in de houder
van het Bedieningspaneel (23) op gelijke hoogte met
de gaten in de metalen buis van de Handgreep met
Pols-sensor (29). Draai twee M4 x 16mm Schroeven
(52) door de houder in de buis vast zoals aangegeven.
29
23
Draadkokers
4
233
33
Buis
52 23
Houder
29
52
Buis
5. Voor het Bedieningspaneel (23) heeft u vier 1,5V "D"
batterijen nodig. Wij bevelen alkaliën batterijen aan.
Druk op het flapje van de batterijdeksel en verwijder
de deksel. Steek vier batterijen in. Zorg ervoor dat de
batterijen worden geplaatst zoals aangegeven in
het diagram aan de binnenkant van de batterijhou-
der. Maak de deksel weer vast. 23
Flapje
Batterijen
Deksel
5

50
8
38
7
6. Verbindt terwijl de tweede persoon het Bedieningspa-
neel (23) in de aangegeven positie vasthoudt de draad-
koker van het Bedieningpaneel met op het Verlengstuk
van de Draadkoker (44). Steek het verlengstuk van de
Draadkoker in het Verlengstuk van de Staander (73).
Maak het Bedieningspaneel (23) aan het Verlengstuk
van de Staander (73) vast met drie M10 x 27mm
Schroeven met Ronde Kop (67) en drie M10 Veerringen
(59). Wees voorzichtig dat de draadkokers niet
beklemd raken.
Plaats de boekenstandaard op het Bedieningspaneel
(23) zoals aangegeven.
6
23
67
73
59
59
7. Zoek naar het Linker Armhendel (6) (door een sticker
aangegeven). Steek het Linker Armhendel in een van de
Onderste Stangen van de Armhendel (5). Zorg ervoor
dat de Onderste Stang van de Armhendel zodanig
gedraaid wordt dat de zeshoekige gaten zich aan de
getoonde zijde bevinden. Maak het Linker Armhendel
vast aan een van de Onderste Stang van de Armhendel
met twee M8 x 45mm Bout met Ronde Kop (50) en twee
M8 Nylon Klemmoeren (38). Zorg ervoor dat de Nylon
Klemmoeren zich in de zeshoekige gaten bevinden.
Draai de de Bout met Ronde Kop nog niet te vast.
Smeer wat van het inbegrepen vet op de linker as van
de Staander (2) en in de twee Kleine Armhendel Hulsjes
(49) van de Linker Armhendel (6).
Schuif voorzichtig een Staandertussenstuk (48), een
Armhendel Tussenstuk (47), de Linker Armhendel (6)
en een Armhendel Kapje (46) op de linker as van de
Staander (2) zoals aangegeven. Schuif een Armhendel
Tussenring (55) op een M8 x 19mm Schroef met Ronde
Kop (56) en draai de Schroef met Ronde Kop vast in de
as.
Monteur de Rechter Armhendel (8) en de Onderste
Stang van de Armhendel (5) op dezelfde manier.
Vet
7
44
Draadkoker
67
Boekenstandaard
67
47
49
5
2
5
55 46
56
6
48
880
81
78
11
13
8. Zoek naar de door een sticker aangegeven linker
Pedaalveer (11). Maak het Linker Pedaal (13) aan de
linker Pedaalveer vast met een M10 x 27mm
Pedaalbout (80), een M10 Tussenring (78) en een
Pedaalknop (81) zoals aangegeven. Opgelet: Het
Linker Pedaal kan in verschillende standen worden
gesteld. Het Linker Pedaal biedt 5 standen en de
Pedaalveer kent 3 stelgaten.
Maak het Rechter Pedaal (niet getoond) op dezelfde
manier vast. Zorg ervoor dat beide Pedalen in dezelfde
stand staan en in dezelfde gaten bevestigd zijn.
Zeshoekige
Gaten

8
10. Zorg ervoor dat alle onderdelen van de elliptische crosstrainer goed vastgedraaid worden. Opgelet:
Het kan zijn dat sommige onderdelen na montage overblijven. Leg een matje onder de elliptische trainer om
uw vloer (bedekking) niet te beschadigen.
9. Zoek naar de Linker Achter Veersteun (12) van de lin-
ker Pedaalveer (11). Smeer wat vet op de Pedaalarm
Hulsjes (37) van de Linker Achter Veersteun en op de
as van de linker Schijf (16). Schuif een Veer Tussenring
(63) op de as. Zorg ervoor dat de Veer Tussenring
zodanig gedraaid wordt dat de platte kant naar de
elliptische crosstrainer wijst. Schuif vervolgens de
Linker Achter Veersteun op aan de as. Schuif een
Veersteun Tussenring (35) op een M10 x 27mm Nylon
Schroef (40) en draai de Nylon Schroef vast in de as.
Houdt vervolgens de onderkant van de Onderste Stang
van de Armhendel (5) vast tegen de binnenkant van de
Voorste Veehouder (76) op de linker Pedaalveer (11).
Smeer wat vet op een M10 Bout Set (74). Maak de
Onderste Stang van de Armhendel aan de Voorste
Veehouder vast met de M10 Bout Set. Draai de Bout
Set niet te vast. De Onderste Stang van de
Armhendel moet vrij kunnen draaien.
Maak op dezelfde manier de rechter Pedaalveer (niet
getoond) aan de rechterkant van de elliptische cross-
trainer vast.
Draai de M6 x 25mm Schroef (7) vast in de Staander
(2). Draai de Knop van de Staander (43), met de klok
mee vast.
Zie stap 7. Draai de M8 x 45mm Bouten met Rond Kop
(50) in de Onderste Stangen van de Armhendel (5).
HOE DE ELLIPTISCHE CROSSTRAINER TE VER-
PLAATSEN
Ga achter de elliptische crosstrainer staan en houdt de
Achterste Stabilisator (9) goed vast. Til de elliptische
crosstrainer zo hoog op dat deze met de hulp van de
Wieltjes (22) kan worden verplaatst. Verplaats de ellip-
tische crosstrainer voorzichtig naar de gewenste
plaats en zet het apparaat weer op de vloer neer.
GEVAAR: Buig vanuit uw benen en houdt uw rug
recht wanneer u de Achterste Stabilisator optilt om
risico op letsel te vermijden. Zorg ervoor dat u met
uw benen tilt en niet met uw rug.
22
9
37, Vet
Vet
74 11
11
40 35
63
12
74
5
43
7
2
76
9
16, Vet

9
HOE DE ELLIPTISCHE CROSSTRAINER TE GEBRUIKEN
HOE DE PEDALEN EN DE STAANDER BIJ TE
STELLEN
De mechaniek van de elliptische crosstrainer wordt
door de stand van de pedalen en van de staander
bepaald. Loop de hieronder beschreven instructies
door om de mechaniek van elliptische crosstrainer bij
te stellen.
Om de pedalen
bij te stellen
moet u eerst de
pedaalknop
onder beide
pedalen los-
draaien. Schuif
de pedalen naar
voren of naar
achteren en
maak iedere
pedaal weer
vast door
gebruik te
maken van een
van de vijf gaten
in de pedalen en
een van de drie gaten in de pedaalveer. Zorg ervoor
dat beide pedalen in de dezelfde stand staan.
Om de staander bij te stellen moet u eerst de knop
van de staander een paar slagen tegen de klok in los-
draaien. Trek vervolgens aan de knop, til de staander
op of laat de staander zakken tot de gewenste hoogte
en laat de knop los. Schuif de staander wat naar
boven of naar beneden totdat de pen van knop in
een van de vier stelgaten van de staander valt.
Zorg ervoor dat de staander niet op de pen rust.
Draai vervolgens de knop, met de klok mee weer vast.
HOE DE ARMHENDELS TE GEBRUIKEN
De armhendels
zijn ontwikkeld
om uw bovenli-
chaam tijdens uw
programma te
oefenen. Duw en
trek tijdens uw
oefening aan de
armhendels om
uw armen, rug en
schouders te trai-
nen. Als u alleen
uw onderlichaam wilt trainen, houdt u zich dan aan de
handgrepen vast.
OEFENEN MET DE ELLIPTISCHE CROSSTRAINER
Houdt u zich
vast aan de
handgrepen
met pols-sen-
sor en stap op
het laagste
pedaal om de
elliptische
crosstrainer te
gebruiken. Stap
vervolgens op
het andere
pedaal. Duw op
de pedalen tot
u een vloeiende
beweging
bereikt.
Opgelet: De
pedaalschij-
ven kunnen in
beide richtin-
gen draaien. Aangeraden wordt de pedaalschijven
in de door de pijl aangegeven richting te duwen.
Duw de pedaalschijven in de tegenovergestelde
richting om variatie in uw oefening aan te brengen.
Wacht tot de elliptische crosstrainer stopt voor u van
de elliptische crosstrainer afstapt. Met de elliptische
crosstrainer kan men niet freewheelen. De pedalen
blijven ronddraaien totdat het vliegwiel stopt.
Wanneer de pedalen stilhouden, stap dan eerst van
het hoogste pedaal af. Stap vervolgens van het laag-
ste pedaal.
Pedalen
Pedaalschijf
Handgreep met
Pols-sensor
Armhendels
Handgreep
met Pols-
sensor
Pedaal-
knop
Knop
van de
Staander
Pedaal-
veer
Staander
Pedaal

10
FUNCTIES VAN HET BEDIENINGSPANEEL
Het moderne bedieningspaneel is voorzien van ver-
schillende functies om doeltreffend en plezierig te
oefenen. U kunt de weerstand van de elliptische
crosstrainer door een druk op de knop bijstellen wan-
neer de handmatige instelling van het bedieningspa-
neel gekozen wordt. Het bedieningspaneel zal tijdens
uw oefening constant informatie geven. U kunt zelfs
uw hartslag meten wanneer u de handgreep met pols-
sensor gebruikt. Opgelet: Zie pagina 14 voor meer
informatie over de optionele borstkas-sensor.
Het bedieningspaneel biedt ook zes trainingsprogram-
ma’s. Ieder programma verandert automatisch de
weerstand van de elliptische crosstrainer en geeft aan
wanneer u uw snelheid moet verhogen of moet ver-
minderen om u zodoende doeltreffend te oefenen.
Opgelet: Het kan zijn dat er op het bedieningspaneel
een plastic vel zit. Verwijder deze voordat u het bedie-
ningspaneel gebruikt.
F
H
I
E
G
J
K
A B C D
SCHEMA VAN HET BEDIENINGSPANEEL

11
BESCHRIJVING VAN HET BEDIENINGSPANEEL
Zie de tekening op pagina 10.
A. Oefening informatie display—Deze display biedt 7
instellingen die u meteen informatie over uw oefe-
ning weergeven: uw huidige snelheid, de verlopen
tijd (of de resterende tijd van het programma), de
afgelegde afstand, de weerstand, bij benadering
het aantal verbruikte calorieën, ook bij benadering
het aantal verbruikte vetcalorieën (zie VETVER-
BRANDEN op pagina 16), en uw hartslag (wanneer
u de handgreep met pols-sensor of de optionele
borstkas-sensor gebruikt). Telkens na een paar
seconden zal de display van instelling veranderen
wanneer u de scan instelling kiest. U kunt ook een
bepaalde instelling kiezen om informatie aan te
geven. Deze instelling is dan de enige die aange-
geven wordt.
Opgelet: Het bedieningspaneel kan de snelheid
en de afstand in mijlen of kilometers aangeven.
Om van eenheid te veranderen moet u zes
seconden lang de On/Reset knop ingedrukt
houden. De instelling indicators (zie F) zullen
aangeven welke eenheid gekozen is. Het kan
nodig zijn dat u de gewenste eenheid opnieuw
moet kiezen wanneer u de batterijen vervangt.
B. Opgaande en neergaande pijlen—Deze pijlen zul-
len tijdens het programma aangeven wanneer u uw
tempo moet verhogen of verminderen om deze bij
het ten doel gestelde tempo aan te laten sluiten.
C. Handmatige instelling/programma indicators—
Wanneer u een oefenprogramma kiest zal in de
rechter boven hoek van de display een 1, 2, 3, 4, 5
of 6 verschijnen (afhankelijk van het programma).
Wanneer U de handmatige instelling kiest zal de
rechter boven hoek blanco zijn.
D. Programma overzichten—Deze overzichten geven
aan hoe de weerstand van de elliptische crosstrai-
ner en het ten doel gestelde tempo tijdens het
oefenprogramma zullen veranderen.
E. Waarschuwingen—De sticker op het bedieningspa-
neel is in het Engels. Het meegeleverde blad met
stickers bevat dezelfde informatie in vijf verschillen-
de talen. Zoek naar de sticker met Nederlandse
opschrift. Plak de sticker op de aangegeven plaats.
F. Feedback instelling indicators—Deze indicators
geven aan welke huidige informatie instelling (scan
[Scan], snelheid [Speed], tijd [Time], afstand
[Distance], weerstand [Resistance Level], calorieën
[Calories], vetcalorieën [Fat Cal.], of hartslag [Heart
Rate]) gekozen is. Opgelet: Het woord Miles (mij-
len) of de letters Kms zullen verschijnen wanneer
de afstand wordt aangegeven. De letters MPH of
Km/H zullen verschijnen wanneer uw snelheid
wordt aangegeven.
G. Tempo indicators—Alleen de linker tempo indicator
zal verschijnen wanneer de handmatige instelling
gekozen wordt. Deze indicator geeft uw oefentem-
po aan. De indicator zal in hoogte toenemen of
afnemen wanneer u uw snelheid verhoogt of ver-
mindert. Beide tempo indicators zullen verschijnen
wanneer een oefenprogramma gekozen wordt. De
linker indicator zal uw huidig tempo aangeven en
de rechter indicator zal uw ten doel gestelde tempo
aangeven. Het ten doel gestelde tempo zal tijdens
uw programma veranderen. Als de rechter indicator
in hoogte verandert, pas dan gewoon uw snelheid
aan zodat beide indicators op gelijke hoogte
komen. Belangrijk: Het ten doel gestelde tempo
is alleen als motivatie bedoeld. Uw feitelijke
snelheid kan wat lager zijn dan het gangbare
tempo, zeker tijdens de eerste paar maanden
dat u oefent. Zorg er gewoon voor dat u met
een snelheid, die geriefelijk voor u is, oefent.
H. On/Reset toets—Wanneer het bedieningspaneel uit
is zal met een druk op deze toets de display aan
gaan. Een druk op deze toets zal de display opnieuw
instellen (resetten) wanneer het bedieningspaneel
aan is. Deze toets wordt ook gebruikt om de eenheid
voor snelheid en afstand te kiezen (zie A).
I. Display toets—Deze toets wordt gebruikt om de infor-
matie instellingen te kiezen. De instellingen zullen in
de volgende volgorde worden gekozen: scan, snel-
heid, tijd, afstand, weerstand, calorieën, vetcalorieën
en hartslag (wanneer u de handgreep met pols-sen-
sor of de optionele borstkas-sensor gebruikt).
J. + en – toetsen—Deze toetsen controleren de weer-
stand van de elliptische crosstrainer. Er bestaan 10
weerstand hoogtes. Stand 10 is de moeilijkste.
K. Programma toets – Deze toets wordt gebruikt om
de handmatige instelling en oefenprogramma’s te
kiezen.

12
Het bedieningspaneel inschakelen.
Opgelet: Voor het bedieningspaneel heeft u vier
"D" batterijen van 1,5 V nodig. Als u de batterijen
niet heeft geïnstalleerd bekijk dan montage stap
5 op pagina 6.
Druk, om het bedieningspaneel te laten functio-
neren op de on/reset knop of begin te trappen.
De handmatige instelling kiezen.
De handmatige
instelling wordt
gekozen elke
keer u het
bedieningspa-
neel in gebruik
neemt. Druk
meerdere
keren op de Programma toets wanneer een wor-
kout programma gekozen is totdat de display
rechts boven leeg is.
Uw oefening beginnen en de weerstand van
de elliptische crosstrainer bijstellen.
U kunt tijdens uw oefening de weerstand van de
elliptische crosstrainer bijstellen door op de + en
– toetsen te drukken. Er bestaan tien weerstand
hoogtes. Stand 10 is de moeilijkste. Opgelet: Het
kan een paar seconden duren nadat u op de
toetsen heeft gedrukt voordat de gekozen instel-
ling bereikt wordt.
Volg uw vordering op de informatie instellin-
gen en de linker tempo indicator.
De scan instel-
ling wordt
gekozen wan-
neer u het
bedieningspa-
neel in gebruik
neemt. De dis-
play zal tijdens
uw oefening de huidige snelheid, de verlopen tijd,
de afgelegde afstand, het huidige weerstand
hoogte, en bij benadering het aantal verbruikte
calorieën en het verbruikte vetcalorieën (zie vet
verbranden op pagina 16) aangeven. Tevens zal
uw hartslag worden weergegeven wanneer u de
handgreep met pols-sensor of de optionele borst-
kas-sensor gebruikt. Opgelet: Het bedieningspa-
neel zal met iedere verandering van de weer-
stand zes seconden lang het weerstand hoogte
laten zien. De display zal wanneer een program-
ma gekozen is de resterende tijd van het pro-
gramma in plaats van de verlopen tijd aangeven.
U kunt als u dat wilt alleen een bepaalde informa-
tie instelling kiezen. Deze instelling is dan de
enige die aangegeven wordt. Druk meerdere
keren op de Display toets totdat alleen de MPH
(of Km/H), Time, Miles (of Kms), Resist., Cals., of
Fat Cals. indicator in de display verschijnt. Zorg
ervoor dat de Scan indicator niet verschijnt.
Tevens zal de linker tempo indicator op de dis-
play verschijnen om de snelheid om uw oefen-
snelheid aan te geven. De indicator zal in hoogte
toe- of afnemen wanneer U uw tempo verhoogt
of vermindert.
Het meten van uw hartslag als u dat wilt.
Opgelet: Het kan zijn dat het bedieningspa-
neel de juiste meting van de hartslag niet kan
aangeven als u de borstkast-sensor gebruikt
en u zich vasthoudt aan de handgrepen met
pols-sensor.
Opgelet: Het
kan zijn dat er
op de metalen
contactpunten
van de hand-
greep met pols-
sensor een
plastic vel zit.
Verwijder deze voor gebruik. Plaats uw handen
op de contactpunten om uw hartslag te kunnen
meten. Plaats uw handpalmen op de dichtstbij-
zijnde contactpunten en uw vingers op de andere
contactpunten. Zorg dat u uw handen niet
beweegt. Als uw pols wordt waargenomen, zal de
hartvormige indicator op de display bij iedere
hartslag opflikkeren. (– –) zullen even later ver-
schijnen gevolgd door uw hartslag.
5
4
3
2
1
HOE DE HANDMATIGE INSTELLING TE
GEBRUIKEN
Deze hoek moet
blanco zijn.
Contact-
punten

13
Houdt de contactpunten ongeveer 15 seconden
vast voor het meest zuivere resultaat. Opgelet:
Wanneer u de handgrepen heeft vast genomen
zal de display uw hartslag 15 seconden lang aan-
geven. De display zal dan met uw hartslag de
andere instellingen aangeven.
Het bedieningspaneel zal automatisch uitgaan
wanneer u stopt met oefenen.
Het bedieningspaneel zal automatisch uitgaan om
de batterijen te sparen wanneer u de pedalen en
de toetsen van het bedieningspaneel een paar
minuten niet aanraakt.
Het bedieningspaneel inschakelen.
Zie stap 1 op pagina 12.
Een van de zes vooraf ingestelde program-
ma’s kiezen.
De handmatige
instelling wordt
gekozen telkens
wanneer u het
bedieningspa-
neel in gebruik
neemt. Druk
meerdere keren
op de Programma toets om een vooraf ingesteld
programma te kiezen totdat het getal 1, 2, 3, 4, 5,
of 6 rechts boven in de display verschijnt.
De overzichten aan de rechterkant van het bedie-
ningspaneel geven aan hoe de weerstand van de
elliptische crosstrainer en het ten doel gestelde
tempo tijdens het programma zullen veranderen.
Overzicht nummer 3 bijvoorbeeld geeft aan dat tij-
dens de eerste helft van het programma 3 zowel
de weerstand als het ten doel gestelde tempo
geleidelijk zullen toenemen om dan tijdens de
tweede helft weer af te nemen.
Het programma starten.
Begin om het programma te starten gewoon te
trappen. Ieder programma bestaat uit twintig of
dertig periodes van 1 minuut. Een weerstand en
tempo instelling zijn voor iedere periode gepro-
grammeerd. (Dezelfde weerstand en/of tempo
instellingen kan/kunnen voor meerdere periodes
geprogrammeerd worden).
De weerstand van de elliptische crosstrainer zal
tijdens het programma automatisch veranderen
zoals aangegeven in het toepasselijke overzicht
op het bedieningspaneel. U kunt de weerstand
aanpassen door op de + of – toetsen te drukken
wanneer de huidige weerstand te hoog of te laag
ligt. Wanneer de huidige periode echter voltooid
is zal de weerstand zich automatisch aan de vol-
gende periode aanpassen als deze anders is.
De doel tempo
instellingen van
het programma
zullen op de
rechter indicator
van de display
verschijnen. (De
linker indicator
geeft uw feitelijke snelheid aan). Wanneer de
hoogte van de rechter indicator tijdens het pro-
gramma verandert, pas dan gewoon uw snelheid
wat aan zodat beide indicators op gelijke hoogte
komen. Wanneer uw tempo lager ligt dan het hui-
dige doel tempo dan zal de opgaande pijl op de
display verschijnen om u aan te geven dat u uw
snelheid moet aanpassen. Wanneer uw tempo
hoger ligt dan het doel tempo zal een neergaande
pijl verschijnen. Belangrijk: De tempo indicaties
van het programma zijn alleen als motivatie
bedoeld. Uw feitelijke snelheid kan wat lager
zijn dan het gangbare tempo, zeer zeker in de
eerste maanden dat u oefent. Zorg er gewoon
voor dat u met een snelheid, die geriefelijk
voor u is, oefent.
De display zal tijdens uw programma de resteren-
de tijd van het programma aangeven. Als u door-
gaat met oefenen nadat u programma voltooid is
zal de display gewoon doorgaan met het weerge-
ven van informatie/feedback.
3
2
1
6
HOE EEN VOORAF INGESTELD PROGRAMMA
TE GEBRUIKEN
Opgaande Pijl

14
Uw vordering met de informatie instellingen
volgen.
Zie stap 4 op pagina 12.
Uw hartslag meten als u dat wilt.
Zie stap 5 op pagina 12.
Het bedieningspaneel zal automatisch uitgaan
wanneer u stopt met oefenen.
Zie stap 6 op pagina 13.
DE OPTIONELE BORSTKAS-SENSOR
Door het gebruik van de optionele borstkas-sensor krijt
u uw handen en een constante weergave van uw hart-
slag tijdens het oefenen. Om de optionele borstkast-
sensor te kopen, neem dan contact op met de win-
kel waar u dit apparaat heeft gekocht.
6
5
4

15
Bekijk de onderdelen van de elliptische crosstrainer
regelmatig en draai ze goed vast. Vervang versleten
onderdelen meteen.
Gebruik een zachte doek en een niet agressief schoon-
maakmiddel om de elliptische crosstrainer schoon te
maken. Belangrijk: Houdt vloeistoffen weg bij het
bedieningspaneel. Houdt het bedieningspaneel uit
direct zonlicht. Haal de batterijen uit het bediening-
spaneel als u het apparaat opbergt.
BATTERIJEN VERVANGEN
Als het bedieningspaneel niet meer goed oplicht moe-
ten de batterijen vervangen worden. Zie montage stap
5 op pagina 6.
PROBLEMEN VAN DE HANDGREEP MET DE POLS-
SENSOR OPLOSSEN
• Beweeg uw handen niet te veel. Uw hartslag zal
niet kunnen worden gemeten wanneer U uw han-
den te veel beweegt. Druk niet te hard op de con-
tactpunten.
• Houdt de contactpunten ongeveer 15 seconden
vast voor het meest zuivere resultaat.
• Maak, voor optimaal gebruik van de handgreep met
pols-sensor de metalen contactpunten schoon met
een zachte doek. Gebruik nooit alcohol, schuur- of
oplosmiddelen.
HET BIJSTELLEN VAN DE SENSOR
De snelheidssensor moet bijgesteld worden wanneer
het bedieningspaneel onjuiste gegevens aangeeft. Om
dit te doen moet u de Pedaalveren (11), de rechter
Pedaalschijf (15), en de Zijschilden (3, 4) los- maken.
Zie stap 9 op pagina 8 en verwijder de Pedaalveren.
Verwijder vervolgens de vier Schroeven (51) uit de
rechter Pedaalschijf (15) en pak de Pedaalschijf af.
Maak alle Schroeven (52, 64) van het Rechter
Zijschild (4) en de twee Schroeven (77) onder de
Pedaal Schijf los en verwijder het Rechter Zijschild.
Verwijder alle Schroeven (52) uit het Linker Zijschild
(3) en verwijder het Linker Zijschild.
Bekijk vervolgens de tekening hieronder getoond en
zoek naar de Snelheidssensor (53). Draai de aangege-
ven M4 x 16mm Schroef (52) los maar verwijder deze
niet. Schuif de Sensor lichtjes naar of van de Magneet
(58) op het vliegwiel. Draai de Schroef weer vast.
Draai de linker Pedaalschijf (15) even. Herhaal deze
handeling totdat het bedieningspaneel de goede gege-
vens aangeeft. Maak de Zijschilden (3, 4), de rechter
Pedaalschijf (15), en de Armen van het Pedaalveer
(11) weer vast wanneer de Snelheidssensor (53) goed
is bijgesteld.
HOE DE RIEM BIJ TE STELLEN
Het kan zijn
dat de Riem
(19) moet wor-
den bijgesteld
wanneer u de
pedalen voelt
slippen zelfs
wanneer de
weerstand in
de hoogste
stand staat.
Om de Riem
bij te stellen
moet u eerst beide zijschilden verwijderen. Zie HET
BIJSTELLEN VAN DE SENSOR links en maak de zij-
schilden los.
Draai vervolgens de M8 x 22mm Schroef met Platte
Kop (68) en de Bijstelbout van het M10 x 70mm Bout
(62) vast totdat de Riem (19) strak staat. Draai de
Schroef met Platte Kop weer vast wanneer de Riem
strak staat. Maak de Zijschilden weer vast.
ONDERHOUD EN OPLOSSEN VAN PROBLEMEN
64
77
51
51
77
52
52
64
64
11
11
415
3
58
53
52
15
68
62 19

16
RICHTLIJNEN VOOR DE CONDITIE
De volgende richtlijnen zullen u helpen bij het plannen
van uw oefenprogramma. Vergeet niet dat een goede
voeding en voldoende rust essentieel zijn voor opti-
male resultaten.
INTENSITEIT VAN UW OEFENING
Als uw doel is om vet te verbranden of uw cardiovas-
culair systeem te verbeteren dan is de juiste intensi-
teit het middel. U kunt het juiste intensiteitsniveau
bepalen door uw hartslag als leidraad te gebruiken.
De diagram hieronder geeft de aanbevolen hartslagen
aan voor vetverbranding, voor maximale vetverbran-
ding en voor een cardiovasculaire (aerobic) oefening.
Om uw juiste hartslag te berekenen moet u eerst
onder de diagram uw leeftijd opzoeken (leeftijden zijn
per 10 jaar afgerond). Zoek vervolgens de drie getal-
len boven uw leeftijd. Deze drie getallen geven uw
trainingszone aan. De twee laagste getallen worden
aanbevolen om vet te verbranden. Het hoogste getal
is voor aerobic oefeningen aanbevolen.
Vetverbranden
Om effectief vet te verbranden moet U voor een lange-
re tijd op een betrekkelijke lage intensiteit oefenen.
Tijdens de eerste minuten van uw oefening gebruikt uw
lichaam makkelijke bereikbare koolhydraten. Pas na de
eerste paar minuten begint uw lichaam vet als energie
te verbruiken. Stel de snelheid en de helling van de
loopband bij totdat uw hartslag rond het laagste getal
van uw trainingszone ligt als u vet wilt verbranden.
Stel voor maximale vet verbranding, de snelheid en
helling van de loopband bij totdat uw hartslag rond
het middelste getal van uw trainingszone ligt.
Aerobic Oefening
Als uw doel is uw cardiovasculair systeem te verbete-
ren dan moet uw oefening “aerobic” zijn. Een aerobic
oefening vereist gedurende langere periodes een
grote hoeveelheid zuurstof. Dit vraagt van het hart
een verhoogde pompbeweging naar de spieren en
van de longen een grotere zuurstofvoorziening van
het bloed. Pas voor een aerobic oefening uw pro-
gramma zodanig aan dat uw hartslag zo dicht moge-
lijk het hoogste getal van uw trainingszone benadert.
RICHTLIJNEN VOOR UW OEFENING
Iedere oefening moet uit de volgende drie onderdelen
bestaan:
Opwarming—Begin iedere oefening met een
opwarmfase van 5 à 10 minuten door spieren te strek-
ken en wat lichte oefeningen te doen. Een juiste
opwarmoefening verhoogt uw lichaamstemperatuur,
uw hartslag en bevordert uw bloedsomloop als voor-
bereiding op uw oefening.
Oefening in uw trainingszone—Verhoog de intensi-
teit van uw oefening na het opwarmen zodat uw hart-
slag binnen uw trainingszone valt. Houdt dit 20 à 60
minuten vol. (Beperk tijdens de eerste paar weken
van uw oefenprogramma uw oefening tot 20 minuten.)
Haal diep en regelmatig adem. Houdt nooit uw adem
in.
Afkoeling—Beëindig uw oefening weer met 5 à 10
minuten strekoefeningen. Dit zal de soepelheid van
uw spieren bevorderen en problemen helpen voorko-
men na de oefening.
OEFENFREQUENTIE
Om uw conditie te consolideren of te verbeteren moet
u 3 keer per week oefenen met minstens één dag rust
tussen de oefendagen. Na een paar maanden kunt u
als u dat wilt 5 keer per week oefenen. Om succes te
hebben is het belangrijk om plezierig en regelmatig te
oefenen.
WAARSCHUWING:
Raadpleeg uw huisarts voor u met dit of enig
ander oefenprogramma begint. Dit is bijzonder
belangrijk voor mensen ouder dan 35 of men-
sen met gezondheidsproblemen. Lees alle
instructies door voor gebruik.
De pols-sensor is geen medisch instrument.
Verschillende factoren kunnen de nauwkeurig-
heid van de metingen beïnvloeden. De pols-
sensor is alleen als hulpmiddel bedoeld voor
algemene hartslag meting.

17
VOORGESTELDE STREKOEFENINGEN
De juiste houding voor de strekoefeningen is hier rechts
getoond. Strek u langzaam, vermijdt krachtige inspanning.
1. Tenen aanraken
Sta met uw knieën lichtjes gebogen en buig uw lichaam vanuit
uw heupen naar voren. Ontspan uw rug en schouders zo veel
mogelijk en reik zover mogelijk naar uw tenen toe. Houdt deze
houding 15 seconden vol en ontspan. Herhaal dit 3 keer.
Spieren: kniepees, achterkant van knieën en rug.
2. Kniepees strekken
Zit met één been gestrekt. Trek uw andere voet naar u toe en
leg deze tegen de binnenkant van het gestrekte been. Reik
zover mogelijk naar uw tenen. Houdt deze houding 15 seconden
vol en ontspan. Herhaal dit 3 keer. Spieren: kniepees,onderrug
en lies.
3. Kuit/achillespees strekken
Leun met het ene been voor het andere, naar voren en plaats
uw handen tegen de muur. Houdt uw achterste been gestrekt en
uw achterste voet plat op de grond. Buig uw voorste been, leun
naar voren en duw uw heupen naar de muur toe. Houdt deze
houding 15 seconden vol en ontspan. Herhaal dit 3 keer voor
ieder been. Om uw achillespees verder te strekken, buig ook uw
achterste been. Spieren: kuiten, achillespees en enkels.
4. Dijspier strekken
Pak met één hand tegen de muur voor evenwicht, uw voet met
uw andere hand vast. Breng uw voet zo ver mogelijk tegen uw
zitvlak aan. Houdt deze houding 15 seconden vol en ontspan.
Herhaal dit 3 keer voor ieder been. Spieren: dijspier en heup-
spieren.
5. Binnendij strekken
Zit met de voetzolen tegen elkaar en knieën naar buiten gebo-
gen. Haal uw voeten zover mogelijk naar uw lies toe. Herhaal dit
3 keer. Spieren: dijspier en heupspieren.
1
2
3
4
5

18
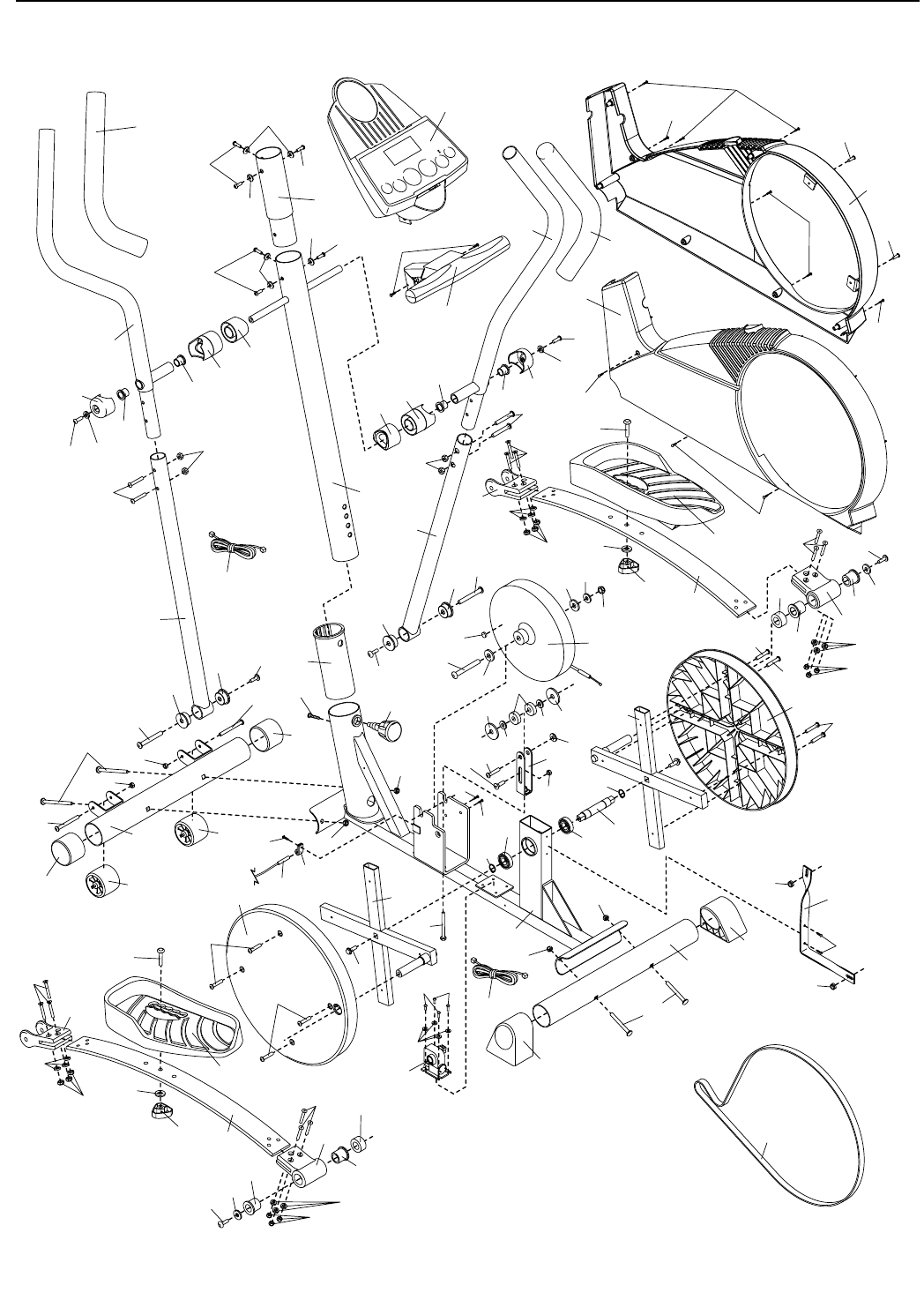
Opgelet: # betekent onderdeel niet getoond. Specificaties kunnen zonder opgave van redenen gewijzigd zijn.
Nr. Aantal Beschrijving Nr. Aantal Beschrijving
LIJST MET ONDERDELEN—Modelnr. PFEVEL34020 R0502A
1 1 Onderstel
2 1 Staander
3 1 Linker Zijschild
4 1 Rechter Zijschild
5 2 Onderste Stang van de Armhendel
6 1 Linker Armhendel
7 1 M6 x 25mm Schroef
8 1 Rechter Armhendel
9 1 Achterste Stabilisator
10 1 Voorste Stabilisator
11 2 Pedaalveer
12 1 Linker Achter Veersteun
13 1 Linker Pedaal
14 1 Rechter Pedaal
15 2 Pedaalschijf
16 2 Van de Schijf
17 1 Vliegwiel
18 1 Houder voor de Zijschild
19 1 Riem
20 2 Achter Beschermkapje
21 2 Voorste Beschermkapje
22 2 Wiel
23 1 Bedieningspaneel
24 2 Handgreep
25 1 Houder voor het Tussenwiel
26 2 Tussenring van het Tussenwiel
27 2 Pakking van het Tussenwiel
28 1 As van het Tussenwiel
29 1 Handgreep met Polssensor
30 2 Grote Ring
31 2 Grote Pakking
32 1 As van het Pedaal
33 5 M10 Nylon Klemmoer
34 4 M10 x 75mm Draagbout
35 2 Veersteun Tussenring
36 12 M6 x 33.5mm Bout
37 4 Pedaalarm Hulsjes
38 5 M8 Nylon Klemmoer
39 2 M10 Tussenring
40 2 M10 x 27mm Nylon Schroef
41 2 M6 x 72mm Bout
42 4 M5 Tussenring
43 1 Knop van de Staander
44 1 Verlengstuk van de Draadkoker
45 1 Weerstandsmotor
46 2 Armhendel Kapje
47 2 Armhendel Tussenstuk
48 2 Staandertussenstuk
49 4 Kleine Armhendel Hulsjes
50 4 M8 x 45mm Bout met Ronde Kop
51 8 M6 x 30mm Schroef
52 12 M4 x 16mm Schroef
53 1 Snelheidssensor/Draad
54 1 Kabelklip
55 2 Armhendel Tussenring
56 2 M8 x 19mm Schroef met Ronde Kop
57 1 M10 Bout met Platte Kop
58 1 Magneet
59 6 M10 Veerringen
60 4 Grote Huls voor de Armhendel
61 2 5/16” x 25.4mm Zeshoekige Bout
62 1 M10 x 70mm Bout
63 2 Veer Tussenring
64 4 M4 x 25mm Schroef
65 1 Staander Huls
66 16 M6 Nylon Klemmoer
67 6 M10 x 27mm Schroef met Ronde
Kop
68 1 M8 x 22mm Schroef met Platte Kop
69 1 Drukmoer
70 1 Rechter Achterste Houder voor de
Veer
71 2 M5 x 16mm Klemschroef
72 2 M5 x 12mm Schroef
73 1 Verlengstuk van de Staander
74 2 M10 Bout Set
75 12 M6 Tussenring
76 2 Voorste Veehouder
77 2 M6 x 18mm Schroef
78 5 M10 Tussenring
79 1 Draadkoker
80 2 M10 x 27mm Pedaalbout
81 2 Pedaalknop
82 2 M5 x 14mm Klemschroef
# 1 Imbussleutel
#1Vet
# 1 Gebruiksaanwijzing

GEDETAILLEERDE TEKENING—Modelnr. PFEVEL34020 R0502A
19
61
30
32
31
30 31
24
8
4
3
50
5
38
44
45
6
46
560
17
2
10
33
14
12
35
18
19
1
33
13
37
43
11
65
29
51
51
51
15
51
51 34
9
33
33 20
20
16
61
54
52
53
26
38
28 25
68
27
69
62
55
56 38
50
48
47
49
24
56
55
57
39
39
33
58
22
41
21
66
41
21
22
37
66
34
81
78
80
81
78
80
60
60
60
23
52
52
64
52 77
52 77
64
37
37
49
48 47 49 49 46
11
16
52
52
35
7075
66
36 40
63
40 75
66
63
36
67
59
59
67
59
67
67
59 73
36
66
75
36
66
75
76
76
71
74
74
74
74
26
78
79
15
66
66
72
7
42
78
78
82
82

Onderdeel Nr. 184757 R0502A Gedrukt in China © 2002 ICON Health & Fitness, Inc.
HET BESTELLEN VAN ONDERDELEN
Om vervang onderdelen voor uw loopband te bestellen, neem dan a.u.b. contact op met de winkel waar u dit
apparaat hebt gekocht.
• het MODELNUMMER van het produkt (PFEVEL34020)
• de NAAM van het produkt (PROFORM®750 RX elliptische crosstrainer)
• het SERIENUMMER van het produkt (zie de kaft van de handleiding)
• het NUMMER VAN HET ONDERDEEL en de BESCHRIJVING van het onderdeel op pagina 18 van deze
handleiding