Proform Pfevel39830 565 Ekg Elliptical Users Manual *PFEVEL39830 200708(FR)
2015-04-14
: Proform Proform-Pfevel39830-565-Ekg-Elliptical-Users-Manual-700379 proform-pfevel39830-565-ekg-elliptical-users-manual-700379 proform pdf
Open the PDF directly: View PDF
.
Page Count: 24

MANUEL DE L’UTILISATEUR
ATTENTION
Lisez toutes les précautions et
les instructions contenues
dans ce manuel avant d’utili-
ser cet appareil. Gardez ce
manuel pour vous y référer
ultérieurement
Nº. du Modèle PFEVEL39830
Nº. de Série
Autocollant
du Nº. de
Série
www.iconeurope.com
Notre site Internet
QUESTIONS?
En tant que fabricant nous
nous engageons à satisfaire
notre clientèle entièrement. Si
vous avez des questions ou si
des pièces sont manquantes,
veuillez-nous contacter à :
(33) 01 30 86 56 81
du lundi au jeudi de 9h00 à
13h00 et de 14h00 à 18h00, le
vendredi de 14h00 à 17h00 (à
l’exception des jours fériés).
email: sav.fr@iconeurope.com
Classe HC Produit de Sport

2
TABLE DES MATIÈRES
CONSEILS IMPORTANTS . . . . . . . . . . . . . . . . . . . . . . . . . . . . . . . . . . . . . . . . . . . . . . . . . . . . . . . . . . . . . . . . 3
AVANT DE COMMENCER . . . . . . . . . . . . . . . . . . . . . . . . . . . . . . . . . . . . . . . . . . . . . . . . . . . . . . . . . . . . . . . . 4
ASSEMBLAGE. . . . . . . . . . . . . . . . . . . . . . . . . . . . . . . . . . . . . . . . . . . . . . . . . . . . . . . . . . . . . . . . . . . . . . . . . 5
COMMENT UTILISER L’APPAREIL ELLIPTIQUE . . . . . . . . . . . . . . . . . . . . . . . . . . . . . . . . . . . . . . . . . . . . . . . 9
ENTRETIEN ET PROBLÈMES . . . . . . . . . . . . . . . . . . . . . . . . . . . . . . . . . . . . . . . . . . . . . . . . . . . . . . . . . . . . 19
CONSEILS DE MISE EN FORME . . . . . . . . . . . . . . . . . . . . . . . . . . . . . . . . . . . . . . . . . . . . . . . . . . . . . . . . . 20
LISTE DES PIÈCES. . . . . . . . . . . . . . . . . . . . . . . . . . . . . . . . . . . . . . . . . . . . . . . . . . . . . . . . . . . . . . . . . . . . 22
SCHÉMA DÉTAILLÉ. . . . . . . . . . . . . . . . . . . . . . . . . . . . . . . . . . . . . . . . . . . . . . . . . . . . . . . . . . . . . . . . . . . . 23
POUR COMMANDER DES PIÈCES DE RECHANGE . . . . . . . . . . . . . . . . . . . . . . . . . . . . . . . . . Dernière Page
PROFORM est une marque enregistrée de ICON Health & Fitness, Inc.

3
1. Veuillez lire attentivement ce manuel de l’uti-
lisateur avant d’utiliser l’appareil elliptique.
N’utilisez l’appareil elliptique que de la
manière décrite.
2. Il est de la responsabilité du propriétaire de
s’assurer que tous les utilisateurs du appa-
reil elliptique sont correctement informés de
toutes les précautions.
3. L’appareil elliptique est conçu uniquement
pour une utilisation privée. N’utilisez pas
l’appareil elliptique à des fins commerciales,
pour la location ou dans une institution pro-
fessionnelle.
4. Placez l’appareil elliptique sur une surface
plane et sur un revêtement pour protéger
votre tapis ou sol. Utilisez et gardez l’appa-
reil elliptique à l’intérieur, loin de l’humidité
et de la poussière.
5. Vérifiez et serrez proprement et fréquem-
ment toutes les pièces du appareil elliptique.
Remplacez immédiatement les pièces usées.
6. Tenez les enfants de moins de 12 ans et les
animaux domestiques éloignés du appareil
elliptique.
7. L’appareil elliptique ne doit jamais être utili-
sé par des personnes dont le poids est
supérieur à 115 kg.
8. Portez des vêtements appropriés quand
vous utilisez l’appareil elliptique. Portez tou-
jours des chaussures de sport pour proté-
ger vos pieds.
9. Tenez le détecteur du pouls ou les guidons
quand vous montez ou descendez du appa-
reil elliptique et à chaque fois que vous l’uti-
lisez.
10. Le détecteur du pouls n’est pas un appareil
médical. De nombreux facteurs peuvent
rendre la lecture du pouls moins précise. Le
détecteur ne sert qu’à donner une idée
approximative des fluctuations du pouls lors
de l’exercice.
11. L’appareil elliptique n’est pas équipé d’une
roue libre. Quand vous arrêtez vos exercices
sur l’appareil elliptique, attendez que les
pédales s’immobilisent complètement avant
de descendre.
12. Gardez toujours votre dos bien droit quand
vous vous servez du appareil elliptique.
N’arquez pas votre dos.
13. Si vous ressentez des douleurs ou des
étourdissements quand vous vous entraî-
nez, arrêtez-vous immédiatement et reposez-
vous.
CONSEILS IMPORTANTS
ATTENTION : Afin de réduire les risques de blessures graves, lisez les conseils
importants dans ce manuel avant d’utiliser l’appareil elliptique.
ATTENTION : Consultez votre médecin avant d'entreprendre un programme d'exer-
cices. Ceci s'adresse plus particulièrement aux personnes âgées de plus de 35 ans ou aux per-
sonnes qui ont déjà eu des problèmes de santé. Lisez toutes les instructions avant de vous servir
de l’appareil. ICON ne se tient aucunement responsable des blessures ou dégâts matériels résul-
tant de l'utilisation de cet appareil.

4
AVANT DE COMMENCER
Merci d’avoir sélectionné l’appareil elliptique PROFORM®
565 EKG. L’appareil elliptique 565 EKG est un appareil
incroyablement confortable qui bouge vos pieds d’une
manière naturelle et elliptique, réduisant l’impact sur vos
genoux et vos chevilles. Le 565 EKG unique est muni
d’une résistance ajustable, de poignées pour la partie
haute du corps, et d’une console à modes multiples pour
vous aider à tirer le maximum de vos exercices.
Pour votre bénéfice, veuillez lire attentivement ce
manuel avant d'utiliser l’appareil elliptique. Si vous
avez des questions, veuillez contacter le service à la
clientèle au numéro suivant : (33) 01 30 86 56 81. Pour
mieux vous assister, notez le numéro du modèle et le
numéro de série de l’appareil avant de nous appeler.
Le numéro du modèle du tapis roulant est le PFE-
VEL39830. Vous trouverez le numéro de série sur l’au-
tocollant qui est collé sur le tapis roulant (voir la page
de couverture de ce manuel pour son emplacement).
Familiarisez-vous avec les pièces dans le schéma ci-
dessous avant de continuer la lecture de ce manuel.
Console
AVANT
ARRIÈRE
CÔTÉ GAUCHE
Bras de la Pédale
Roue
Disque de la Pédale
Pédale
Montant
Porte-Bouteille*
*Bouteille d’Eau non inclue.
Détecteur du Pouls
Autocollant de Précaution
Ventilateur
Panneau Latéral
Guidon
L’autocollant illustré etait apposé au l’ appareil elliptique. Trouvez la feuille d’autocollant qui
contient l’information dans quatre langues. Placez l’autocollant en français par-dessus les
autocollants en anglais. Si un autocollant est manquant ou illisible, veuillez communiquer avec
notre service à la clientèle au numéro sans frais, pour commander de nouveaux autocollants
gratuit. Apposez le nouvel autocollant à l’endroit indiqué.

5
Utilisez le schéma des pièces ci-dessous pour identifier les petites pièces utilisées dans l'assemblage. Le numé-
ro en parenthèses dessous chaque schéma fait référence au numéro-clé de la pièce, qui se trouve dans la
LISTE DES PIÈCES à la page 22. Le deuxième numéro fait référence à la quantité nécessaire pour l'assembla-
ge. Remarque : certaines petites pièces sont peut-être déjà attachées à l'avance pour faciliter l'envoi. Si
une pièce n'est pas dans le sac des pièces, vérifiez pour voir si elle n'a pas été déjà attachée.
Vis de M4 x
16mm (52)–4 Vis à Collerette de
M4 x 19mm (36)–6 Vis de M4 x
22mm (42)–2
Jeu du Boulon du Bras de la Pédale (40)–2
Boulon en Bouton de M8 x 45mm (50)–4
Boulon de Carrosserie de M10 x 75mm (34)–4
Boulon en Bouton de M10 x 74mm (27)–2
Rondelle de
M10 (55)–2
Rondelle de
M8,5 (35)–2
Rondelle
Fendue de M10
(59)–2
Écrou de Verrouillage
en Nylon de M10
(33)–6
Écrou de
Verrouillage en
Nylon de M8 (38)–6
Vis à Épaulement de
M8 x 19mm (56)–2
ASSEMBLAGE
L’assemblage requiert deux personnes. Placez toutes les pièces du appareil elliptique sur une aire dégagée
et enlevez les emballages. Ne jetez pas les emballages avant d'avoir terminé l'assemblage.
En plus de la clé hexagonale incluse, l’assemblage requiert un tournevis philips , deux clés
réglables , un maillet en caoutchouc , et une pince .

6
2. Pendant qu’une autre personne soulève légèrement
l’arrière du Cadre (1), attachez le Stabilisateur
Arrière (9) au Cadre avec deux Boulons de
Carrosserie de M10 x 75mm (34) et deux Écrous de
Verrouillage en Nylon de M10 (33).
33
1
2
34
9
33
1. Identifiez le Stabilisateur Avant (10). Pendant qu’une
autre personne soulève l’avant du Cadre (1), atta-
chez le Stabilisateur Avant au Cadre avec deux
Boulons de Carrosserie de M10 x 75mm (34) et deux
Écrous de Verrouillage en Nylon de M10 (33).
Assurez-vous que le Stabilisateur Avant est tour-
né de manière à ce que les Roules (22) ne tou-
chent pas le sol.
1
1
10
22
22
33
34
3. La Console (23) requiert quatre piles « D » (non-
incluses) ; des piles alcalines sont recommandées.
Retirez la vis du compartiment des piles. Ouvrez le
compartiment des piles et placez-y quatre piles.
Assurez-vous que les piles sont dans la position
illustrée par les inscriptions à l’intérieur du com-
partiment des piles. Fermez le compartiment des
piles et revissez la vis. Remarque : quand les piles
sont installées correctement, le ventilateur s’allume
pendant quelques instants.
3
23
Compartiment
des Piles
Piles
4. Placez la Console (23) près du Montant (2).
Branchez le fil de la console sur le Fil Supérieur (44).
Enfilez l’excès de fil dans le Montant.
Attachez la Console (23) sur le Montant (2) à l’aide
de quatre Vis de M4 x 16mm (52). Faites attention
de ne pas pincer les fils.
Attachez le Porte-Bouteille (63) sur le Montant (2) à
l’aide de deux Vis de M4 x 22mm (42).
4
2
Fil de la
Console
52
42
23
44
Vis
63

7
5. Pendant qu’une deuxième personne tient le Montant
(2) près du Cadre (1) comme illustré, reliez le Fil
Supérieur (44) au Fil Inférieure (70).
Glissez le Montant (2) dans le Cadre (1) ; faites
attention de ne pas pincer les Fils (44, 70).
Attachez le Montant à l’aide de deux Boulons en
Bouton de M10 x 74mm (27), deux Rondelles
Fendues de M10 (59), et deux Ecrous de
Verrouillage en Nylon de M10 (33). Ne serrez pas
encore les Boulons en Bouton jusqu’au bout.
44
27
33
59
70
5
2
1
Assurez-vous
que les fils ne
sont pas pincés
et endommagés
pendant cette
étape.
6. Identifiez le Guidon Gauche (6) qui est marqué avec
un autocollant. Insérez le Guidon Gauche dans l'un
des Bras du Guidon (5) ; assurez-vous que le Bras
du Guidon est tourné de manière à ce que les
trous hexagonaux sont dans le côté indiqué.
Attachez le Guidon Gauche dans un des Bras du
Guidon avec deux Boulons en Bouton de M8 x
45mm (50) et des Écrous de Verrouillage en Nylon
de M8 (38). Assurez-vous que les Écrous de
Verrouillage en Nylon sont à l'intérieur des trous
hexagonaux. Ne serrez pas complètement les
Boulons maintenant.
Attachez le Guidon Droit au autre Bras du Guidon
(pas illustré) de la même manière.
6
6
5
50
38
Trous
Hexagonaux

8
8. Appliquez généreusement de la graisse sur l’essieu
se trouvant sur la Barre Transversale du Disque (16)
gauche. Glissez le Bras de la Pédale Gauche (11)
sur l’essieu et attachez-le à l’aide d’une Rondelle de
M8,5 (35) et d’un Ecrou de Verrouillage en Nylon de
M8 (38).
Enfoncez le Bras du Guidon (5) gauche dans le sup-
port sur l’extrémité du Bras de la Pédale Gauche
(11), puis attachez-le avec un Jeu du Boulon du Bras
de Pédale (40).
Répétez cette étape pour attacher le Bras de la
Pédale droit (non-illustré).
Référez-vous à l’étape 6. Serrez les Boulons en
Bouton de M8 x 45mm (50) sur les Bras du Guidon (5).
Serrez les deux Boulons en Bouton de M10 x 74mm
(27).
8
5
11
35
38
27
40
40
Graisse
16
7. Appliquez une bonne quantité de la graisse incluse
sur l'essieu gauche sur le Montant (2) et dans les
Petite Bague du Bras du Guidon (49) sur le Guidon
Gauche (6).
Glissez une Bague d’Espacement du Cadre (48), une
Bague d’Espacement du Guidon (47), le Guidon
Gauche (6) et un Embout du Guidon (46) sur l'essieu
gauche sur le Montant (2) comme indiqué. Insérez un
Rondelle de M10 (55) au Vis à Épaulement de M8 x
19mm (56) et serrez dans l’axe.
Attachez le Guidon Droit (8) de la même manière.
7
48
2
46
8
6
55
56
47
49
Graisse
10. Assurez-vous que toutes les pièces soient vissées correctement avant d’utiliser l’appareil elliptique.
Pour protéger votre sol ou votre tapis de l’usure, placez un revêtement sous l’appareil elliptique.
9. Trouvez la Pédale Gauche (13), qui a un rebord sur
le côté droit. Attachez la Pédale Gauche à la Bras de
la Pédale Gauche (11) avec trois Vis à Collerette de
M4 x 19mm (36) comme indiqué.
Attachez la Pédale Droite à la Bras de la Pédale
Droite (pas indiqué) de la même manière.
11
9
13
36

9
COMMENT UTILISER L’APPAREIL ELLIPTIQUE
COMMENT DEPLACER L’APPAREIL ELLIPTIQUE
Placez-vous devant l’appareil elliptique, tenez les poi-
gnées fermement et placez un pied contre une des
roues. Tirez les poignées jusqu’à ce que l’appareil
elliptique puisse être déplacé sur les roues avant, et
déplacez doucement l’appareil elliptique jusqu’à l’em-
placement désiré. Placez ensuite un pied contre une
roue et baissez l’appareil elliptique. A cause de la
taille et du poids de l’appareil elliptique, faites
preuves de prudence pendant quand vous le
déplacez et le baissez.
COMMENT VOUS EXERCEZ AVEC L’APPAREIL
ELLIPTIQUE
Pour monter sur l’appareil elliptique, tenez fermement
les guidons et placez-vous sur la pédale à la position
inférieure avec précaution. Ensuite, mettez l’autre
pied sur l’autre pédale. Poussez les pédales jusqu’à
ce qu’elle bougent d’une manière continue.
Remarque : les disques de pédales peuvent tour-
ner dans les deux directions. Il est recommandé
de tourner les disques de la pédale dans la direc-
tion indiquée ci-dessous ; cependant pour varier
vos exercices, vous pouvez choisir de tourner les
pédales dans la direction opposée.
Pour descendre du appareil elliptique, attendez jus-
qu’à ce que les pédales soient complètement arrê-
tées. ATTENTION : l’appareil elliptique n’a pas de
roue libre ; les pédales continueront à bouger jus-
qu’à ce que le volant s’arrête. Quand les pédales
sont à l’arrêt, descendez en enlevant le pied de la
pédale supérieure d’abord. Ensuite, en enlevant le
pied de la pédale inférieure.
Les guidons sont conçus pour ajouter des exercices
pour l’haut du corps. Alors que vous vous exercez,
poussez et tirez les bras de la partie supérieure afin
de travailler vos bras, votre dos et vos épaules. Si
vous désirez exercer seulement votre corps de la
taille au pieds, tenez le détecteur du poulse lorsque
vous vous exercez.
Pédale
Disque de
la Pédale
Détecteur
du Pouls
Guidon
Roue
Guidons

10
CARACTÉRISTIQUES DE LA CONSOLE
La console de pointe offre une sélection de caractéris-
tiques conçus pour rendre vos exercices plus plaisants
et efficaces. Lorsque le mode manuel de la console est
sélectionné, la résistance du appareil elliptique peut être
réglée avec un simple toucher du doigt. Alors que vous
faites des exercices, la console vous fournis continuelle-
ment les résultats de vos exercices. Vous pouvez
mesurer votre pouls en utilisant la poignée ou la cein-
ture du moniteur cardiaque.
De plus, la console offre six programmes intelligents.
Chaque programme régule automatiquement la résis-
tance des pédales et vous signale d’accélérer ou de
ralentir votre cadence, selon le cas, en vous guidant
tout au long d’un entraînement efficace.
De plus, la console est équipée de la technologie
iFIT.com. Avec la technologie iFIT.com, c’est comme si
vous aviez un entraîneur personnel à la maison. En
utilisant un câble audio (disponible dans les magasins
de matériel électronique), vous pouvez brancher votre
appareil elliptique sur votre chaîne hi-fi, chaîne por-
table, ordinateur ou magnétoscope et utiliser les pro-
grammes iFIT.com sur CD ou cassette-vidéo (les CD
et cassette-vidéo iFIT.com sont vendus séparément).
Les programmes iFIT.com sur CD ou cassette-vidéo
contrôlent automatiquement votre appareil elliptique
comme le ferait un entraîneur personnel vous guidant
tout au long de votre entraînement. De la musique
dynamique vous donne de la motivation supplémentai-
re. Pour vous procurer les CD et cassette-vidéo
iFIT.com, visitez notre site Internet www.iFIT.com.
En branchant votre appareil elliptique sur votre ordina-
teur, vous pouvez aussi aller sur notre site Internet
www.iFIT.com et accéder directement aux pro-
grammes à partir d’Internet. Visitez www.iFIT.com
pour plus d’information.
Pour utiliser le mode manuel de la console, voir
page 11. Pour utiliser un programme Smart , voir
page 13. Pour utiliser les programmes des CD ou
des vidéos iFIT.com, voir page 17. Pour utiliser les
programmes iFIT.com directement depuis notre
site sur l’Internet, voir page 18.
Toutes du Affichage
Touche du
Ventilateur
Touche Prendre/
Remise a Zéro
Toutes de la
Résistance

Allumer la console.
Remarque : la console requiert quatre piles « D »
de 1,5 volts. Référez-vous à l’étape 3 de l’assem-
blage à la page 6).
Pour allumer la console, appuyez sur la touche
Prendre/Remise a Zéro (voir le schéma à la page
10 pour identifier la touche Prendre/Remise a
Zéro).
Sélectionnez le mode manuel.
Chaque fois que la conso-
le est allumée, le mode
manuel sera sélectionné.
Si un programme a été
sélectionné, sélectionnez
le mode manuel en
appuyant sur la Touche
Programme à plusieurs
reprises jusqu’à ce que lettres RPM apparaîtront
au petit affichage.
Commencez à pédaler et changez la résistance
des pédales comme vous le désirez.
Pendant que vous pédalez, changez la résistance
des pédales en appuyant sur les touches + et –
sous la grande fenêtre. Il y a dix niveaux de résis-
tance—le niveau 10 étant le plus difficile.
Remarque : après avoir pressé les touches, plu-
sieurs secondes seront nécessaires à la résistan-
ce pour atteindre le niveau sélectionné.
Suivez votre progression grâce au petit et au
grand affichage sur la console.
Le petit affichage montre
la cadence des pédales,
en tours par minute (RPM).
La barre indicatrice dans le
petit affichage grandira ou
rétrécira en longueur alors
que vous augmentez ou
ralentissez votre cadence.
La partie supé-
rieure du grand
affichage indi-
quera la distance
que vous avez
pédalé et le
nombre de calories et de calories de graisse [FAT
CALS] que vous avez brûlé (voir BRULER DE LA
GRAISSE à la page 20 pour une explication sur les
calories de graisse). L’affichage changera d’un
nombre à l’autre toutes les quelques secondes.
Quand vous utilisez la poignée du détecteur car-
diaque, le petit affichage indiquera votre pouls
(voir étape 5 à la page 12).
Pour ne visualiser que la
distance pédalée ou le
nombre de calories ou de
calories de graisse brûlées,
appuyez sur la touche supé-
rieure sur le coté gauche du
grand affichage jusqu’à ce
que le mot DISTANCE,
CALORIES, ou FAT CALS apparaisse dans la par-
tie supérieure du grand affichage ; assurez-vous
que le mot SCAN [Balayage] n’apparaît pas. Pour
voir de nouveau la distance que vous avez pédalé
et le nombre de calories et de calories de graisse
brûlées, appuyez sur la touche supérieure jusqu’à
ce que le mot SCAN apparaisse.
Le centre du
grand affichage
indiquera le temps
écoulé [TIME] et
votre cadence
[PACE] en cours
(la cadence est exprimée en minutes par mile dans
cette section du grand affichage). L’affichage chan-
gera d’un nombre à l’autre toutes les quelques
secondes. Remarque : quand un programme est
sélectionné, l’affichage indiquera le temps qu’il
reste au programme au lieu du temps écoulé.
Pour ne visualiser que le temps écoulé ou votre
cadence, appuyez sur la touche centrale sur le
coté gauche du grand affichage jusqu’à ce que le
mot TIME ou PACE apparaisse ; assurez-vous
que le mot SCAN n’apparaît pas. Pour voir à nou-
veau le temps écoulé et votre cadence, appuyez
sur la touche centrale jusqu’à ce que le mot SCAN
apparaisse.
La partie inférieu-
re du grand affi-
chage indiquera la
vitesse des
pédales [SPEED]
et leur niveau de
résistance. L’affichage changera d’un nombre à
l’autre toutes les quelques secondes.
Pour ne visualiser que la vitesse des pédales ou
le niveau de résistance, appuyez sur la touche
inférieure à gauche du grand affichage jusqu’à ce
que le mot SPEED ou RESISTANCE apparaisse ;
assurez-vous que le mot SCAN n’apparaît pas.
Pour voir à nouveau la vitesse des pédales ainsi
que le niveau de résistance, appuyez sur la
touche inférieure jusqu’à ce que le mot SCAN
réapparaisse.
4
3
2
1
COMMENT UTILISER LE MODE MANUEL
Barre Indicatrice
Touche Supérieure
11

12
Pour remettre les affichages à zéro, appuyez sur
la touche Prendre/Remise a Zéro.
Remarque : la
console peut
afficher la
vitesse et la
distance soit
en miles soit
en kilomètres. Les lettres MPH [Miles] ou KM/H
[Kilomètres] apparaîtront dans la partie inférieure
du grand affichage pour indiquer l’unité de mesu-
re sélectionnée. Pour changer l’unité de mesure,
appuyez sur la touche Prendre/Remise a Zéro
pendant à peu près six secondes. Remarque :
quand la touche est enfoncée, le ventilateur s’al-
lumera pendant quelques secondes. Quand les
piles sont remplacées, il sera peut-être nécessai-
re de sélectionner à nouveau l’unité de mesure
désirée.
Mesurez votre pouls, si désiré.
Si les plaques
métalliques
sur les poi-
gnées sont
recouvertes
d’un film de
plastique, reti-
rez-le. Pour
utiliser la poignée du détecteur cardiaque, tenez
les poignées, la paume de vos mains contre les
plaques métalliques. Évitez de bouger les
mains. Quand votre pouls est détecté, l’indi
cateur en forme de cœur se trouvant dans le petit
affichage clignotera à chacun des battements de
votre cœur. Après quelques instants, deux tirets
(– –) apparaîtront et votre pouls sera affiché.
Pour une lecture plus précise, gardez vos mains
sur les poignées pendant à peu près 30
secondes.
Remarque : lorsque vous tenez les poignées
pour la première fois, l’affichage indiquera votre
fréquence cardiaque continuellement pendant 15
secondes. L’affichage indiquera alors votre fré-
quence cardiaque avec les autres modes de ren-
seignements.
Allumez le ventilateur, si désiré.
Pour allumer le
ventilateur sur le
niveau le plus
bas, appuyez
une fois sur la
touche du venti-
lateur. Pour que
le ventilateur
tourne à une
vitesse plus rapide, appuyez sur la touche du
ventilateur une deuxième fois. Pour éteindre le
ventilateur, appuyez sur la touche une troisième
fois. Remarque : si le ventilateur est allumé et
que les pédales ne sont pas déplacées pendant
à peu près 30 secondes, le ventilateur s’éteindra
automatiquement pour économiser les piles.
Faites tourner le bouton sur le côté droit de la
console pour faire pivoter le ventilateur à l’angle
désiré.
Quand vous avez fini de vous entraîner, la
console s’éteindra automatiquement.
Si les pédales ne sont pas déplacées pendant
quelques secondes, les affichages seront en sus-
pens et le temps clignotera dans le grand afficha-
ge.
Si les pédales ne sont pas déplacées et les
touches de la console ne sont pas pressées pen-
dant quelques secondes, la console s’éteindra
automatiquement pour économiser les piles.
7
6
5
Plaques
Métal-
liques
Bouton
Touche du
Ventilateur

13
Chaque programme Intelligent ajuste automatique-
ment la résistance des pédales et vous indique qu’il
faut accélérer ou ralentir votre cadence lors d’un
entraînement des plus efficaces. Les programmes 1 et
2 sont des programmes de perte de poids, les pro-
grammes 3 et 4 sont des programmes d’entraînement
aérobic, et les programmes 5 et 6 sont des pro-
grammes de haute performance.
Suivez les étapes suivantes pour utiliser un program-
me Intelligent.
Allumez la console.
Référez-vous à l’étape 1 à la page 11.
Sélectionnez un des programmes Intelligents.
Chaque fois que la conso-
le est allumée, le mode
manuel sera sélectionné.
Pour sélectionner un pro-
gramme Intelligent,
appuyez sur la touche
Programme à plusieurs
reprise jusqu’à ce que le
chiffre 1, 2, 3, 4, 5, ou 6 apparaisse sur le petit
affichage.
Commencez à pédaler pour lancer le program-
me.
Pour commencer le programme, commencez tout
simplement à pédaler. Chaque programme com-
prend vingt ou trente segments d’une minute.
Une résistance et une cadence ont été program-
mées pour chaque segment. (La même cadence
et/ou la même résistance peuvent avoir été pro-
grammées pour plusieurs segments consécutifs).
A la fin de chaque segment du programme, la
résistance des pédales changera automatique-
ment si une résistance différente a été program-
mée pour le segment suivant. Remarque : si la
résistance actuelle est trop élevée ou trop basse
vous pouvez changer le niveau de résistance en
appuyant sur les touches + et – . Cependant
lorsque la période actuelle du programme est
finie, le niveau de résistance changera automati-
quement si un arrangement différent de résistan-
ce est programmé pour la prochaine période.
La cadence d’ob-
jectif pour le seg-
ment en cours
sera indiquée par
les flèches sur le
petit affichage.
Pour pédaler à la
cadence d’objec-
tif, il vous suffit d’accélérer ou de ralentir votre
cadence jusqu’à ce qu’il y ait une flèche pointant
vers chaque segment sur la barre indicatrice (voir
schéma ci-dessus). A la fin de chaque segment,
le nombre de flèches changera si une cadence
d’objectif est programmée pour le segment sui-
vant. Quand le nombre de flèches change, chan-
gez votre cadence jusqu’à ce qu’il y ait à nou-
veau une flèche pointant vers chaque segment
sur la barre indicatrice. Important : l’arrange-
ment de cadence d’objectif pour le programme
ont pour objectifs de vous fournir un but. Votre
cadence actuelle peut être plus lente que l’ar-
rangement cadences d’objectif, spécialement
pendant les premiers mois de votre programme
d’exercices. Soyez sûrs de vous exercer à une
cadences qui vous est confortable.
Pendant le programme, l’affichage indiquera le
temps qu’il reste au programme. Si les pédales ne
sont pas déplacées pendant quelques secondes,
les affichages seront en suspens et le temps cli-
gnotera Si vous continuez de vous exercer une
fois le programme fini, l’affichage continuera à
indiquer les renseignement de vos exercices.
Suivez vos progrès avec le grand affichage.
Référez-vous à l’étape 4 à la page 11.
Mesurez votre rythme cardiaque, si vous le
désirez.
Référez-vous à l’étape 5 à la page 12.
Allumez les ventilateurs si vous le désirez.
Référez-vous à l’étape 6 à la page 12.
Quand vous avez fini de vous entraîner, la
console s’éteindra automatiquement.
Référez-vous à l’étape 7 à la page 12.
7
6
5
4
3
2
1
COMMENT UTILISER UNE PROGRAMME
INTELLIGENT
Flèches
Barre
Indicatrice

14
Pour utiliser les CD iFIT.com, l’appareil elliptique doit
être branché à votre lecteur de CD portable, à votre
stéréo portable, à votre stéréo ou à votre ordinateur
avec un lecteur de CD. Référez-vous aux pages 14 et
15 pour les instructions de branchement. Pour utiliser
les vidéocassettes iFIT.com, l’appareil elliptique doit
être branché à votre magnétoscope. Référez-vous à la
page 16 pour les instructions de branchement. Pour
utiliser les programmes iFIT.com directement
depuis notre site sur l’Internet, l’appareil elliptique
doit être branché à votre ordinateur. Référez-vous à la
page 15 pour les instructions de branchement.
BRANCHEMENT DE VOTRE LECTEUR DE CD
PORTABLE
Remarque : si votre lecteur de CD a une prise LINE
OUT et une prise PHONES, référez-vous aux instruc-
tions A ci-dessous. Si votre lecteur de CD a seule-
ment une prise, référez-vous aux instructions B.
A. Branchez une extrémité du câble audio dans la
prise sous la console. Branchez l’autre extrémité du
câble audio dans la prise LINE OUT de votre lec-
teur de CD. Branchez vos écouteurs dans la prise
PHONES.
B. Branchez une extrémité du câble audio dans la prise
sous la console. Branchez l’autre extrémité du câble
audio dans une fourche. Branchez la fourche dans la
prise PHONES de votre lecteur de CD. Branchez vos
écouteurs dans l’autre extrémité de la fourche.
BRANCHEMENT DE VOTRE CHAÎNE PORTABLE
Remarque : si votre chaîne portable a une prise
AUDIO OUT de type RCA, référez-vous aux instruc-
tions A ci-dessous. Si votre chaîne portable a une
prise LINE OUT de 3,5mm, référez-vous aux ins-
tructions B. Si votre chaîne portable a seulement
une prise PHONES, référez-vous aux instructions
C.
A. Branchez une extrémité du câble audio dans la
prise qui est à l’avant du tapis roulant près du cor-
don d’alimentation, branchez l’autre extrémité du
câble dans l’adaptateur. Branchez l’adaptateur dans
la prise AUDIO OUT de votre chaîne portable.
B. Branchez une extrémité du câble audio dans la
prise qui est à l’avant du tapis roulant près du cor-
don d’alimentation. Branchez l’autre extrémité du
câble dans la prise LINE OUT de votre chaîne por-
table.
C. Branchez une extrémité du câble audio dans la
prise qui est à l’avant du tapis roulant près du cor-
don d’alimentation. Branchez l’autre extrémité du
câble dans la fourche. Branchez la fourche dans la
prise PHONES de votre chaîne. Branchez vos écou-
teurs dans l’autre extrémité de la fourche.
BRANCHEMENT DE VOTRE LECTEUR DE CD,
MAGNETOSCOPE, OU ORDINATEUR
LINE OUT
PHONES LINE OUT
PHONES
Câble
Audio
Écouteurs
A
PHONES
PHONES
Câble
Audio Fourche
Écouteurs
B
AUDIO OUT
RIGHT
LEFT
Audio
Cable Adaptateur
A/B
PHONES
Câble
Audio
C
Fourche
Écouteurs

15
BRANCHEMENT DE VOTRE CHAÎNE HI-FI
Remarque : si votre chaîne hi-fi a une prise OUT
qui n’est pas utilisée, référez-vous aux instruc-
tions A ci-dessous. Si la prise LINE OUT est déjà
utilisée, référez-vous aux instructions B.
A. Branchez une extrémité du câble audio dans la
prise qui est à l’avant du tapis roulant près du cor-
don d’alimentation, Branchez l’autre extrémité du
câble dans l’adaptateur inclus. Branchez l’adapta-
teur dans la prise LINE OUT de votre chaîne hi-fi.
B. Branchez une extrémité du câble audio dans la
prise qui est sur le devant du tapis roulant proche
du cordon d’alimentation. Branchez l’autre extrémité
du câble dans l’adaptateur. Branchez l’adaptateur
dans l’adaptateur RCA (en vente dans les magasins
d’électroniques). Ensuite, enlevez le fil qui est déjà
branché dans la prise LINE OUT qui est sur votre
chaîne hi-fi et branchez-le dans le côté qui n’est
pas utilisé de l’adaptateur-Y RCA. Branchez l’adap-
tateur-Y RCA dans la prise LINE OUT de votre
chaîne hi-fi.
BRANCHEMENT DE VOTRE ORDINATEUR
Remarque : si votre ordinateur a une prise LINE
OUT de 3,5 mm, référez-vous aux instructions A ci-
dessous. Si votre ordinateur a seulement une
prise PHONES, référez-vous aux instructions B.
A. Branchez une extrémité du câble audio dans la
prise qui est sur le devant du tapis roulant proche
du cordon d’alimentation. Branchez l’autre extrémité
du câble dans la prise LINE OUT de votre
ordinateur.
B. Branchez une extrémité du câble audio dans la
prise qui est à l’avant du tapis roulant près du cor-
don d’alimentation. Branchez l’autre extrémité du
câble dans la fourche. Branchez la fourche dans la
prise PHONES de votre ordinateur. Branchez vos
écouteurs dans l’autre extrémité de la fourche.
CD
VCR
Amp
LINE OUT
LINE OUT
Câble
Audio
A
CD
VCR
Amp
LINE OUT
Câble Audio
Adaptateur-Y RCA
Adaptateur
Retirez de la prise
AUDIO OUT
B
Adaptateur
LINE OUT
Câble
Audio
A
PHONES
Câble
Audio
B
Fourche
Écouteurs/Speakers

16
BRANCHEMENT DE VOTRE MAGNÉTOSCOPE
Remarque: si votre magnétoscope a une prise
AUDIO OUT non-utilisé, référez-vous aux instruc-
tions A ci-dessous. Si la prise AUDIO OUT est déjà
utilisée, référez-vous aux instructions B. Si vous
avez une télévision avec un magnétoscope, réfé-
rez-vous aux instructions B. Si votre magnétosco-
pe est branché à votre télévision, référez-vous à la
BRANCHEMENT DE VOTRE CHAÎNE HI-FI à la
page 15.
A. Branchez une extrémité du câble audio dans la
prise qui est à l’avant du tapis roulant près du cor-
don d’alimentation. Branchez l’autre extrémité du
câble dans l’adaptateur. Branchez l’adaptateur
dans la prise AUDIO OUT de votre magnétoscope.
B. Branchez une extrémité du câble audio dans la
prise qui est à l’avant du tapis roulant près du cor-
don d’alimentation. Branchez l’autre extrémité du
câble dans l’adaptateur. Branchez l’adaptateur
dans l’adaptateur RCA (disponible dans les maga-
sins d’électroniques). Ensuite, enlevez le fil qui est
déjà branché dans la prise AUDIO OUT de votre
magnétoscope et branchez le fil dans le côté qui
n’est pas utilisé de l’adaptateur RCA. Branchez
l’adaptateur RCA dans la prise AUDIO OUT de
votre magnétoscope.
AUDIO OUT
RIGHT
LEFT
VIDEO AUDIO
ANT. IN
RF OUT
IN
OUT
CH
34
Câble Audio
Adaptateur
A
VIDEO AUDIO
ANT. IN
RF OUT
IN
OUT
CH
34
Câble Audio Adaptateur
B
Câble retirez de la
prise LINE OUT
Adaptateur-Y
RCA

17
Pour utiliser les CD ou les vidéocassettes iFIT.com,
l’appareil elliptique doit être branché à votre lecteur de
CD portable, à votre stéréo portable, à votre stéréo, à
votre ordinateur avec lecteur de CD ou à votre magné-
toscope. Référez-vous au BRANCHEMENT DE
VOTRE LECTEUR DE CD, MAGNÉTOSCOPE OU
ORDINATEUR à la page 14. Pour vous procurer les
CD et cassette-vidéo iFIT.com, visitez notre site
Internet www.iFIT.com.
Suivez les étapes ci-dessous pour utiliser le program-
me CD ou vidéo iFIT.com.
Allumer la console.
Référez-vous à l’étape 1 à la page 11.
Sélectionnez le mode iFIT.com.
Chaque fois que la conso-
le est allumée, le mode
manuel sera sélectionné.
Pour sélectionner le mode
iFIT.com, appuyez sur la
touche iFIT.com.
L’indicateur près du bou-
ton s’allumera et les
lettres IF apparaîtront dans le petit affichage.
Insérez le CD ou la vidéocassette iFIT.com.
Si vous utilisez un CD iFIT.com, insérez le CD
dans votre lecteur de CD. Si vous utilisez une
vidéocassette iFIT.com, insérez la vidéocassette
dans votre magnétoscope.
Pressez le bouton PLAY sur votre lecteur de
CD ou sur votre magnétoscope.
Un moment après que le touche a été pressé,
votre entraîneur personnel commencera à vous
guider tout au long de votre entraînement. Suivez
simplement les instructions de votre entraîneur
personnel.
Le programme fonctionnera presque de la même
manière qu’un programme intelligent (référez-
vous à l’étape 3 de la page 13). Cependant, un
son électronique « bip » vous avertira lorsque le
réglage de la résistance et/ou la vitesse vont
changer.
Remarque : si la résistance de l’appareil ellip-
tique et/ou la vitesse ne changent pas lorsque
vous entendez le son électronique « bip » :
• Assurez-vous que l’indicateur sur la touche
iFIT.com est allumé.
• Ajustez le volume de votre lecteur de CD ou
de votre magnétoscope. Si le volume est
trop élevé ou trop bas, la console pourrait ne
pas détecter les signaux du programme.
• Assurez-vous que le câble audio soit correc-
tement branché et qu’il soit complètement
branché.
Suivez vos progrès avec le grand affichage.
Référez-vous à l’étape 4 à la page 11.
Mesurez votre rythme cardiaque, si vous le
désirez.
Référez-vous à l’étape 5 à la page 12.
Allumez le ventilateur, si désiré.
Référez-vous à l’étape 6 à la page 12.
Quand vous avez fini de vous entraîner, la
console s’éteindra automatiquement.
Référez-vous à l’étape 7 à la page 12.
8
7
6
5
4
3
2
1
UTILISATION DES PROGRAMMES DES CD ET
VIDÉOS IFIT

18
Notre site internet à l’adresse suivante www.iFIT.com
vous permet de faire jouer les programmes audio et
vidéo iFIT.com directement depuis l’internet. Pour utili-
ser les programmes de notre site sur l’Internet, l’appa-
reil elliptique doit être branché à votre ordinateur. Voir
BRANCHEMENT DE VOTRE ORDINATEUR à la
page 15. En plus, vous devez avoir une connections à
l'Internet et un fournisseur de service pour l'Internet.
Une liste de systèmes spécifiques dont vous aurez
besoin, peut être trouvé sur notre site Internet.
Suivez les étapes ci-dessous pour utiliser un program-
me depuis notre site Internet.
Allumer la console.
Référez-vous à l’étape 1 à la page 11.
Sélectionnez le mode iFIT.com.
Chaque fois que la conso-
le est allumée, le mode
manuel sera sélectionné.
Pour sélectionner le mode
iFIT.com, appuyez sur la
touche iFIT.com.
L’indicateur près du bouton
s’allumera et les lettres IF
apparaîtront dans le petit
affichage.
Allez à votre ordinateur et commencer un
branchement sur l’internet.
Si nécessaire, utilisez votre web browser, et
allez à notre site sur l’Internet à www.iFIT.com.
Suivez les liens désirés de notre site sur
l’Internet pour sélectionner un programme.
Suivez les instructions sur l’écran pour com-
mencer le programme.
Quand vous commencez le programme, un
compte à rebours commencera sur votre écran.
Retournez au appareil elliptique et commen-
cez les exercices.
Lorsque le compte à rebours sur l’écran est termi-
né, le programme commencera. Le programme
fonctionnera presque de la même manière qu’un
programme pré-enregistré (référez-vous à l’étape
3 de la page 13). Cependant, un son électronique
« bip » vous avertira lorsque le réglage de la
résistance et/ou la vitesse va changer.
Suivez vos progrès avec les modes de rensei-
gnements.
Référez-vous à l’étape 4 à la page 11.
Mesurez votre rythme cardiaque, si vous le
désirez.
Référez-vous à l’étape 5 à la page 12.
Quand vous avez fini de vous entraîner, la
console s’éteindra automatiquement.
Référez-vous à l’étape 7 à la page 12.
10
9
8
7
6
5
4
3
2
1
UTILISATION DES PROGRAMMES DIRECTE-
MENT DEPUIS NOTRE SITE SUR L’INTERNET

19
Inspectez et serrez toutes les pièces de l’appareil
elliptique régulièrement. Remplacez les pièces usées
immédiatement. Pour nettoyer l’appareil elliptique, uti-
lisez un chiffon humide et une petite quantité de
savon doux. N’utilisez pas des produits abrasifs ou
de dissolvants. Pour éviter d’endommager la conso-
le, gardez tout liquide loin de la console et gardez la
console hors des rayons directs du soleil.
Lorsque vous rangez l’appareil elliptique, retirez les
piles de la console. Gardez l’appareil elliptique dans
un endroit sec, à l’abri de l’humidité et de la poussière.
PROBLÈMES DE LA CONSOLE
Si la console ne fonctionne pas correctement, rempla-
cé les piles (référez-vous à l’étape 3 de l’assemblage
à la page 6).
COMMENT AJUSTER LE CAPTEUR MAGNÉTIQUE
Si l’affichage de la console n’est pas correct, le cap-
teur magnétique devrait être ajusté. Pour régler l’inter-
rupteur magnétique, premièrement référez-vous à
l’étape 9 d’assemblage à la page 8 et retirez les
Pédales (13, 14). Ensuite, référez-vous à l’étape 8 à
la page 8 et retirez les Bras de la Pédales (11, 12).
Ensuite, enlevez toutes les quattre Vis (51, 72) du
Disque de la Pédale (15) droite et enlevez le Disque
de la Pédale en le glissant. Enlevez toutes les Vis
(71, 64) du Panneau Latéral Droit (4), et enlevez le
Panneau Protecteur Droit. Enlevez toutes les Vis (52)
du Panneau Latéral Gauche (3) et retirez le Panneau
Protecteur Gauche.
Ensuite, trou-
vez le Capteur
Magnétique
(53). Dévissez
mais ne reti-
rez pas la Vis
(52) indiquée.
Glissez le
Capteur
Magnétique
légèrement en
avant ou loin
de l’Aimant (58) sur le volant. Resserrez la Vis.
Tournez le Disque de Pédale (15) gauche pendant un
moment. Répétez l’opération jusqu’à ce que la conso-
le affiche des données correctes.
Quand le Capteur Magnétique (53) est ajusté correc-
tement, rattachez les Panneaux Lateraux (3, 4), le
Disque de la Pédale (15) droit, les Bras de la Pédale
(11, 12) et les Pédales (13, 14).
COMMENT RÉGLER LA COURROIE DE TRACTION
Si vous sentez
que les
pédales glis-
sent pendant
que vous péda-
lez, même
quand la résis-
tance est sur le
niveau le plus
élevé, vous
devriez ajuster
la Courroie de
Marche (19).
Pour régler la Courroie de Traction, vous devez enle-
ver les deux panneaux protecteurs. Référez-vous aux
instructions à gauche et retirez les panneaux protec-
teurs.
Ensuite, desserrez la Vis à Tête Plate de M8 x 22mm
(26) et tournez la Vis de M10 x 60mm (62) jusqu’à ce
que la Courroie de Traction (19) est serrée. Une fois
que la Courroie de Traction est serrée, serrez la Vis à
Tête Plate. Rattachez les panneaux protecteurs.
ENTRETIEN ET PROBLÈMES
64 71
72
51
71
52
51
52
64
64
14
12
4
58
53
52
15
15
3
26
62 19
64

20
CONSEILS DE MISE EN FORME
Les exercices suivants vous aideront à organiser
votre programme d’exercices. Rappelez-vous qu’une
bonne alimentation et qu’un repos adéquat sont
essentiels pour de bons résultats.
INTENSITÉ DE L’ENTRAÎNEMENT
Que votre but soit de brûler de la graisse ou de fortifier
votre système cardio-vasculaire, la clé pour obtenir les
résultats désirés est de s’entraîner à une intensité cor-
recte. Le niveau d’intensité correct peut être trouvé en
utilisant votre pouls comme point de repère. Le
tableau ci-dessous indique le pouls recommandé pour
brûler de la graisse et pour les exercices aérobics.
Pour déterminer le pouls qu’il vous faut, trouvez
d’abord votre âge en bas du tableau (les âges sont
arrondis aux dizaines). Trouvez ensuite les trois
nombres au-dessus de votre âge. Les trois nombres
constituent votre « zone d’entraînement ». Le nombre
le plus petit est votre pouls recommandé pour brûler
de la graisse, le nombre du milieu est votre pouls
recommandé pour brûler encore plus de graisse, et le
nombre le plus grand est votre pouls recommandé
pour des exercices aérobics.
Brûler de la Graisse
Pour brûler de la graisse effectivement vous devez
vous exercer à une intensité relativement basse pen-
dant une longue période. Durant les premières minutes
d’exercice, votre corps utilise des calories d’hydrate de
carbone, facilement accessibles comme source d’éner-
gie. Après quelques minutes seulement, votre corps
commence à utiliser des calories de graisse en réserve
comme source d’énergie. Si votre but est de brûler de
la graisse, ajustez l’intensité de votre entraînement jus-
qu’à ce que votre pouls soit entre le nombre le plus
petit et le nombre du milieu dans votre zone d’entraîne-
ment pendant que vous vous entraînez.
Exercice Aérobics
Si votre but est de fortifier votre système cardiovascu-
laire, votre entraînement devrait être aérobic.
L’exercice aérobic requiert de large quantité d’oxygè-
ne durant une période de temps prolongée. Ceci aug-
mente la demande de sang que le coeur doit pomper
vers les muscles, et la quantité de sang que les pou-
mons doivent oxygéner. Pour l’exercice aérobic, ajus-
tez l’intensité de votre exercice jusqu’à ce que votre
rythme cardiaque soit proche du numéro le plus haut
se trouvant dans votre zone d’entraînement.
GUIDE D’EXERCICES
Chaque entraînement devrait inclure ces trois étapes:
Échauffement, commencez chaque entraînement
avec 5 à 10 minutes d’étirements et d’exercices légers.
Un échauffement correct élève la température de votre
corps, augmente votre pouls, ainsi que la circulation
pour vous préparer à l’entraînement.
Exercices dans la Zone d’Entraînement, après
vous être échauffé, augmentez l’intensité de vos exer-
cices jusqu’à ce que votre pouls soit dans votre zone
d’entraînement pendant 20 à 30 minutes. Remarque :
durant les premières semaines d’exercices, ne main-
tenez pas votre pouls dans votre zone d’entraînement
pendant plus de 20 minutes.
Exercices de Retour à la Normal, finissez chaque
entraînement avec 5 à 10 minutes d'étirements pour
revenir à la normal. Cela augmentera la flexibilité de
vos muscles et vous aidera à prévenir les problèmes
qui surviennent après l’exercice.
FRÉQUENCE DES ENTRAÎNEMENTS
Pour maintenir ou améliorer votre forme physique,
faites trois entraînements par semaine, avec au moins
un jour de repos entre chaque entraînement. Après
quelques mois, vous pouvez entreprendre jusqu’à
cinq entraînements par semaine si vous le désirez.
Rappelez-vous que la clé du succès d’un programme
ATTENTION :
• Avant de commencer ce programme d’exer-
cices (ou un autre), veuillez consulter votre
médecin. Ceci est tout particulièrement
important pour les personnes âgées de plus
de 35 ans ou celles ayant déjà eu des pro-
blèmes de santé.
• Les moniteurs cardiaque ne sont pas appa-
reils médicales. De nombreux facteurs peu-
vent rendre la lecture du pouls moins préci-
se. Les moniteurs ne sert qu’à donner une
idée approximative des fluctuations du
pouls lors de l’exercice.

21
EXERCICES D’ÉTIREMENTS CONSEILLÉS
La position correcte pour plusieurs étirements est montrée ci-
dessous. Bougez lentement quand vous vous étirez—ne vous
étirez jamais par à-coups.
1. Exercices d’étirement en touchant vos pieds
Tenez-vous debout avec vos genoux légèrement pliés et bais-
sez-vous lentement en avant à la hauteur de la taille. Laissez
votre dos et vos épaules se relaxer alors que vous touchez
vos orteils aussi loin que possible. Comptez jusqu’à 15 puis
détendez-vous. Répétez l’exercice 3 fois. Régions sollicitées :
Tendons des mollets, partie arrière des genoux et dos.
2. Exercices d’étirement des tendons des mollets
Asseyez-vous sur le sol avec une jambe tendue. Ramenez
l’autre jambe vers vous et posez votre plante de pieds contre
l’intérieur de la cuisse de la jambe qui est tendue. Touchez
vos orteils aussi loin que possible. Comptez jusqu’à 15 puis
détendez-vous. Répétez l’exercice 3 fois pour chaque jambe.
Régions sollicitées : Tendons des mollets, bas du dos et aine.
3. Exercices d’étirement du tendon D’Achillée
Avec une jambe devant l’autre, penchez-vous vers l’avant et
placez vos mains contre un mur. Gardez votre jambe arrière
tendue et votre pied arrière à plat sur le sol. Pliez votre jambe
avant. Penchez-vous en avant et déplacez vos hanches en
direction du mur. Comptez jusqu’à 15 puis détendez-vous.
Répétez l’exercice 3 fois pour chaque jambe. Si vous souhai-
tez un assouplissement plus accentué du tendon D’Achillée,
pliez également votre jambe arrière. Régions sollicitées :
Mollets, tendon D’Achillée et chevilles.
4. Exercices d’étirement des quadriceps
Avec une main contre le mur pour garder votre équilibre, pre-
nez votre pied (par l’arrière) avec votre main libre. Amenez
votre talon aussi près que possible de votre fessier. Comptez
jusqu’à 15 puis détendez-vous. Répétez l’exercice 3 fois pour
chaque jambe. Régions sollicitées : Quadriceps et muscles
des hanches.
5. Exercices d’étirement de l’intérieur des cuisses
Asseyez-vous avec les plantes de pieds l’une contre l’autre et
vos genoux dirigés vers l’extérieur. Ramenez vos pieds aussi
près que possible de la région de l’aine. Comptez jusqu’à 15
puis détendez-vous. Répétez l’exercice 3 fois. Régions sollici-
tées : Quadriceps et muscles des hanches.
1
2
3
4
5

22
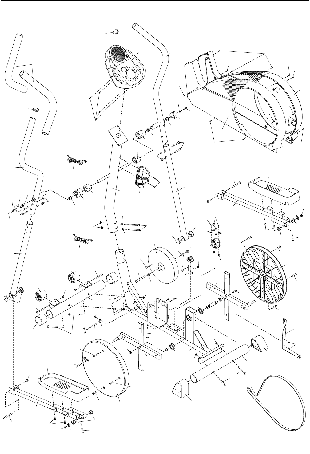
LISTE DES PIÈCES—Nº. du Modèle PFEVEL39830 R0803A
Remarque : # indique une pièce non-dessinée. Les spécifications peuvent être modifiées sans notification.
Référez-vous au dos de ce manuel pour commander des pièces de rechange.
1 1 Cadre
2 1 Montant
3 1 Panneau Latéral Gauche
4 1 Panneau Latéral Droit
5 2 Bras du Guidon
6 1 Guidon Gauche
7 1 Assemblage du Tendeur
8 1 Guidon Droit
9 1 Stabilisateur Arrière
10 1 Stabilisateur Avant
11 1 Bras de la Pédale Gauche
12 1 Bras de la Pédale Droit
13 1 Pédale Gauche
14 1 Pédale Droit
15 2 Disque de la Pédale
16 2 Barre Transversale du Disque
17 1 Volant
18 1 Support de Panneau Latéral
19 1 Courroie de Traction
20 2 Embout Arrière
21 2 Embout Avant
22 2 Roue
23 1 Console
24 2 Poignée
25 2 Vis de M5 x 14mm
26 1 Vis à Tête Plate de M8 x 22mm
27 2 Boulon en Bouton de M10 x 74mm
28 4 Écrou de Verrouillage en Nylon de
M6
29 1 Moteur de Résistance
30 2 Bague-Attache Grande
31 2 Roulement à Biles Grande
32 1 Axe de la Pédale
33 7 Écrou de Verrouillage en Nylon de
M10
34 4 Boulon de Carrosserie de M10 x
75mm
35 2 Rondelle de M8,5
36 6 Vis à Collerette de M4 x 19mm
37 4 Bague du Bras de la Pédale
38 7 Écrou de Verrouillage en Nylon de
M8
39 1 Large Rondelle du Volant
40 2 Jeu du Boulon du Bras de la Pédale
41 2 Boulon de M6 x 72mm
42 2 Vis de M4 x 22mm
44 1 Fil Supérieur
45 2 Boulon de M5 x 16mm
46 2 Embout du Guidon
47 2 Bague d’Espacement du Guidon
48 2 Bague d’Espacement du Cadre
49 4 Petite Bague du Bras du Guidon
50 4 Boulon en Bouton de M8 x 45mm
51 4 Vis de M6 x 25mm
52 14 Vis de M4 x 16mm
53 1 Capteur Magnétique/Fil
54 1 Serre-joint du Câble
55 2 Rondelle de M10
56 2 Vis à Épaulement de M8 x 19mm
57 1 Boulon à Tête Plate de M10
58 1 Aimant
59 2 Rondelle Fendue de M10
60 4 Large Bague du Bras du Guidon
61 2 Boulon Hexagonal de 5/16” x
25,4mm
62 1 Vis de M10 x 60mm
63 1 Porte-Bouteille
64 4 Vis de M4 x 25mm
65 2 Embout du Guidon
66 2 Écrou de Verrouillage en Nylon de
M5
67 4 Rondelle de M5
68 1 Petit Rondelle du Volant
69 2 Vis de M5 x 16mm
70 1 Fil Inférieure
71 2 Boulon de M6 x 18mm
72 4 Vis de M6 x 28mm
# 1 Câble de TCD
# 1 Clé Hexagonale
# 1 Graisse
# 1 Manuel de l’Utilisateur
Nº. Qte. Description Nº. Qte. Description

8
52
4
3
64
52
52
50
56
55
46
49
5
49
47
48
38
23
44
24
6
38
50
48
47
49
49
46
55
56
5
60
22
22
27
33
17
2
41
21 34
28
41 57
10
33
21 68
39
60
60
40
40 14
12 35
37
38
37 36
36
72
51
72
51
15
52
18
19
20
20
34
9
33
33
16
61
61
16
62
1
30 31
31 32 30
38
7
33
51
51
72 15
13
37
36
36 38 35
11
40
40
71
64
52
33
26
59
59
58
52
54
52
53
25
63
42
66
29
67
67
45
52
65
65
69
66
70
28
28
52
72
71
SCHÉMA DÉTAILLÉ—N°. du Modèle PFEVEL39830 R0803A
23

Nº. de Pièce 200708 R0803A Imprimé en Chine © 2003 ICON Health & Fitness, Inc.
POUR COMMANDER DES PIÈCES DE RECHANGE
Pour commander des pièces de rechange, veuilles contacter le service à la clientèle au numéro suivant :
Fax : (33) 01 39 14 27 72
du lundi au jeudi de 9h00 à 13h00 et de 14h00 à 18h00 et le vendredi de 14h00 à 17h00 (à l’exception des
jours fériés) et préparez l’information suivante :
• le NUMÉRO DU MODELÉ du produit (PFEVEL39830)
• le NOM de ce produit (appareil elliptique PROFORM®565 EKG)
• le NUMÉRO DE SÉRIE du produit (voir la page de couverture de ce manuel)
• le NUMÉRO et la DESCRIPTION de la pièce/des pièces (référez-vous à la page 22 de ce manuel)
(33) 01 30 86 56 81