Proform Pfevel39830 565 Ekg Elliptical Users Manual *PFEVEL39830 200712(DU)
Proform-Pfevel39830-Owner-S-Manual proform-pfevel39830-owner-s-manual
2015-04-14
: Proform Proform-Pfevel39830-565-Ekg-Elliptical-Users-Manual-700383 proform-pfevel39830-565-ekg-elliptical-users-manual-700383 proform pdf
Open the PDF directly: View PDF
.
Page Count: 24

GEBRUIKSAANWIJZING
WAARSCHUWING
Lees alle instructies en voor-
zorgsmaatregelen in deze
handleiding door voordat u dit
apparaat gaat gebruiken.
Bewaar deze handleiding voor
verdere raadpleging.
Modelnummer PFEVEL39830
Serienummer
Sticker met
serienummer
www.iconeurope.com
Bezoek onze website
Fitness Product HC Klasse
VRAGEN?
Als fabrikant zijn wij gesteld
op uw volledige tevredenheid.
Mocht u nog vragen hebben,
mochten sommige onderdelen
ontbreken of beschadigd zijn
neem dan contact op met de
winkel waar u dit product hebt
gekocht.

2
INHOUD
BELANGRIJKE VOORZORGSMAATREGELEN . . . . . . . . . . . . . . . . . . . . . . . . . . . . . . . . . . . . . . . . . . . . . . . .3
VOORDAT U BEGINT . . . . . . . . . . . . . . . . . . . . . . . . . . . . . . . . . . . . . . . . . . . . . . . . . . . . . . . . . . . . . . . . . . . .4
MONTAGE . . . . . . . . . . . . . . . . . . . . . . . . . . . . . . . . . . . . . . . . . . . . . . . . . . . . . . . . . . . . . . . . . . . . . . . . . . . .5
HOE DE ELLIPTISCHE TRAINER TE GEBRUIKEN . . . . . . . . . . . . . . . . . . . . . . . . . . . . . . . . . . . . . . . . . . . . .9
ONDERHOUD EN OPLOSSEN VAN PROBLEMEN . . . . . . . . . . . . . . . . . . . . . . . . . . . . . . . . . . . . . . . . . . . .19
RICHTLIJNEN VOOR UW CONDITIE . . . . . . . . . . . . . . . . . . . . . . . . . . . . . . . . . . . . . . . . . . . . . . . . . . . . . . .20
LIJST MET ONDERDELEN . . . . . . . . . . . . . . . . . . . . . . . . . . . . . . . . . . . . . . . . . . . . . . . . . . . . . . . . . . . . . . .22
GEDETAILLEERDE TEKENING . . . . . . . . . . . . . . . . . . . . . . . . . . . . . . . . . . . . . . . . . . . . . . . . . . . . . . . . . . .23
HET BESTELLEN VAN ONDERDELEN . . . . . . . . . . . . . . . . . . . . . . . . . . . . . . . . . . . . . . . . . . . .Laatste pagina
PROFORM is een merk van ICON Health & Fitness, Inc.

3
1. Lees alle instructies van deze handleiding
door voordat u de elliptische trainer gaat
gebruiken. Gebruik de elliptische trainer
alleen zoals beschreven in deze handleiding.
2. De eigenaar moet zich te ervan vergewissen
dat alleen die gebruik maken van de ellipti-
sche trainer voldoende op de hoogte zijn
van alle voorzorgsmaatregelen.
3. Deze elliptische trainer is alleen voor huise-
lijk gebruik bedoeld. Gebruik de trainer niet
commercieel of voor verhuur.
4. Plaats de elliptische trainer op een vlakke
ondergrond met een matje onder de ellipti-
sche trainer om uw vloer (bedekking) te
beschermen. Gebruik de elliptische trainer
uitsluitend binnenshuis en uit de buurt van
vocht en stof.
5. Inspecteer regelmatig alle onderdelen van
de elliptische trainer en draai ze dan goed
vast. Vervang versleten onderdelen meteen.
6. Houdt te alleen tijde kinderen jonger dan 12
en huisdieren bij de elliptische trainer van-
daan.
7. De elliptische trainer kan alleen door men-
sen die minder dan 115 kg wegen worden
gebruikt.
8. Draag geschikte kleding wanneer u de ellip-
tische trainer gebruikt. Draag altijd sport-
schoenen.
9. Houdt u altijd aan de handgrepen of aan de
beweegbare armhendels vast wanneer u de
elliptische trainer opstapt, gebruikt of afstapt.
10. De polssensor is geen medisch instrument.
Verschillende factoren kunnen de nauwkeu-
righeid van de metingen beïnvloeden. De
polssensor is alleen als hulpmiddel bedoeld
voor algemene hartslag meting.
11. De elliptische trainer heeft geen vliegwiel.
Laat wanneer U met uw oefening stopt de
pedalen langzaam tot stilstand komen voor-
dat U van de elliptische trainer afstapt.
12. Houdt tijdens het gebruik van de elliptische
trainer uw rug recht. Krom uw rug niet.
13. Stop meteen en "begin geleidelijk af te koe-
len" wanneer u pijn voelt of duizelig wordt.
BELANGRIJKE VOORZORGSMAATREGELEN
WAARSCHUWING: Lees de volgende belangrijke voorzorgsmaatregelen door
voordat u de elliptische trainer gaat gebruiken om persoonlijk letsel te voorkomen.
WAARSCHUWING: Raadpleeg uw huisarts voordat u met dit of enig ander
oefenprogramma begint. Dit is bijzonder belangrijk voor mensen ouder dan 35 of mensen met
gezondheidsproblemen. Lees alle instructies voor gebruik door. ICON is niet aansprakelijk voor
persoonlijk letsel of schade door het gebruik van dit product.

4
VOORDAT U BEGINT
Fijn dat u voor de nieuwe PROFORM®565 EKG ellip-
tische trainer gekozen hebt. De 565 EKG elliptische
trainer is een ongelofelijk soepel apparaat met een
natuurlijke elliptische beweging die voor een vermin-
derde belasting op knieën- en enkelgewrichten zorgt.
En de unieke 565 EKG biedt een regelbare weer-
stand, armhendels en een geavanceerd bediening-
spaneel met meerdere instellingen om het hoogst
mogelijke rendement uit uw oefeningen te halen.
Lees voor uw eigen welzijn deze handleiding zorg-
vuldig door voordat u de elliptische trainer gebruikt.
Mocht u nog vragen hebben, neem dan contact op met
de winkel waar u dit product hebt gekocht. Het model-
nummer van de elliptische trainer is PFEVEL39830. Het
serienummer bevindt zich op een sticker op de ellipti-
sche trainer (zie kaft van deze handleiding).
Voordat uw verder gaat met lezen, bekijk a.u.b. de
volgende tekening aandachtig om bekend te raken
met de verschillende onderdelen.
Bedieningspaneel
VOORKANT
ACHTERKANT
LINKERKANT
Pedaalarm
Wiel
Pedaalschijf
Pedaal
Staander
Houder voor de Waterfles*
*Fles niet inbegrepen
Polssensor
Waarschuwingssticker
Ventilator
Zijschild
Armhendel
De hieronder weergegeven sticker bevindt zich op uw elliptische trainer. De vertaling van de
engelse sticker is ala volgt:
WAARSCHUWING:
• Verkeerd gebruik van dit apparaat kan tot ernstig persoonlijk letsel leiden.
• Lees deze gebruikershandleiding door en volg alle waarschuwingen en gebruiksinstructies
op voor U dit apparaat gaat gebruiken.
• Laat kinderen niet rond of op dit apparaat spelen.
• Vervang een sticker wanneer deze beschadigd, onleesbaar of verdwenen is.

5
Gebruik de hieronder getoonde tekeningen om tijdens de montage de kleine onderdelen te herkennen. Het getal
tussen haakjes onder iedere tekening is het nummer van het onderdeel van de LIJST MET ONDERDELEN op
pagina 22. Het tweede getal geeft het aantal te monteren onderdelen aan. Opgelet: Sommige kleine onderde-
len zijn al gemonteerd om de verzending te vergemakkelijken. Wanneer u een onderdeel niet in de zak
met onderdelen kunt vinden, bekijk dan het apparaat om te zien of het al gemonteerd is.
M4 x 16mm
Schroef (52)–4 M4 x 19mm Schroef
van een Flens (36)–6 M4 x 22mm
Schroef (42)–2
Set Bouten voor de Pedaalarm (40)–2
M8 x 45mm Bout met Ronde Kop (50)–4
M10 x 75mm Draagbout (34)–4
M10 x 74mm Bout met Ronde Kop (27)–2
M10 Tussenring
(55)–2
M8.5 Tussenring
(35)–2
M10 Veerringen
(59)–2
M10 Nylon
Borgmoer (33)–6
M8 Nylon
Borgmoer (38)–6
M8 x 19mm
Schouderschroef (56)–2
MONTAGE
De montage van deze elliptische trainer moet door twee mensen gebeuren. Plaats de elliptische trainer op
een open plek en verwijder de verpakking. Gooi de verpakking pas weg wanneer u de elliptische trainer volledig
gemonteerd heeft.
U zult de meegeleverde imbussleutel, uw eigen kruiskop schroevendraaier , twee engelse
sleutels , een rubber hamer en een knijptang nodig hebben.

6
2. Maak terwijl de tweede persoon de achterkant van
het Onderstel (1) wat optilt de Achterste Stabilisator
(9) aan het Onderstel vast met twee M10 x 75mm
Draagbouten (34) en twee M10 Nylon Borgmoeren
(33).
33
1
2
34
9
33
1. Zoek naar de Voorste Stabilisator (10). Maak terwijl
de tweede persoon de voorkant van het Onderstel
(1) wat optilt de Voorste Stabilisator aan het
Onderstel vast met twee M10 x 75mm Draagbouten
(34) en twee M10 Nylon Borgmoeren (33). Zorg
ervoor dat de Voorste Stabilisator zodanig
gedraaid wordt dat de Wielen (22) de grond niet
raken.
1
1
10
22
22
33
34
3. Het Bedieningspaneel (23) verbruikt vier "D" batterij-
en. We raden alkaline batterijen aan. Verwijder de
schroef uit de batterij-lade. Trek de lade open en
steek vier batterijen in. Zorg ervoor dat de batterij-
en zoals getoond in de batterij-lade gelegd wor-
den. Sluit de batterij-lade en draai de schroef weer
vast. Opgelet: De ventilator zal even gaan draaien
wanneer de batterijen goed geplaatst zijn.
3
23
Batterij-
lade
Batterijen
4. Houdt het Bedieningspaneel (23) bij de Staander (2).
Maak de draad van het bedieningspaneel aan de
Bovenste Draad (44) vast. Steek de rest van de
draad in de Staander.
Maak het Bedieningspaneel (23) aan de Staander (2)
vast met vier M4 x 16mm Schroeven (52). Zorg
ervoor dat de draden niet bekneld raken.
Maak de Waterfles Houder (63) aan de Staander (2)
vast met twee M4 x 22mm Schroeven (42).
4
2
Draad van het
Bedieningspaneel
52
42
23
44
Schroef
63

7
5. Sluit, terwijl de tweede persoon de Staander (2) bij
het Onderstel (1) vasthoudt zoals aangegeven, de
Bovenste Draad (44) aan op de Onderste Draad
(70).
Schuif de Staander op het Onderstel (1). Zorg
ervoor dat de Draaden (44, 70). Maak de Staander
vast met twee M10 x 74mm Bouten met Ronde
Koppen (27), twee M10 Veerringen (59) en twee M10
Nylon Borgmoeren (33). Draai de Bouten met
Ronde Koppen nog niet te vast.
44
27
33
59
70
5
2
1
Pas op dat wan-
neer U de
Staander
insteekt de dra-
den niet bekneld
raken.
6. Zoek naar het Linker Handvat (6) (door een sticker
aangegeven). Steek het Linker Handvat in een van
de Armhendels (5). Zorg ervoor dat de Armhendel
zodanig gedraaid wordt dat de zeshoekige gaten
zich aan de getoonde zijde bevinden. Maak het
Linker Handvat vast aan een van de Armhendels met
twee M8 x 45mm Bouten met Ronde Koppen (50) en
twee M8 Nylon Borgmoeren (38). Zorg ervoor dat
de Nylon Borgmoeren zich in de zeshoekige
gaten bevinden. Draai de de Bouten met Ronde
Koppen nog niet te vast.
Maak het Rechter Handvat op dezelfde manier aan
de andere Armhendel vast (niet getoond).
6
6
5
50
38
Zeshoekige
Gaten

8
8. Smeer goed wat vet op de as van de linker
Dwarsstangschijf (16). Schuif de Linker Pedaalarm
(11) op de as en maak deze vast met een M8,5
Tussenring (35), en een M8 Nylon Borgmoer (38).
Steek de linker Armhendel (5) in de houder aan het
eind van de Linker Pedaalarm (11) en maak deze
vast met de Set Bouten voor de Pedaalarm (40).
Doe ditzelfde voor de Rechter Pedaalarm (niet
getoond).
Raadpleeg stap 7. Draai de M8 x 45mm Bouten met
Ronde Koppen (50) vast in de Armhendels (5).
Draai de twee M10 x 74mm Bouten met Ronde
Koppen (27) goed vast.
8
5
11
35
38
27
40
40
Vet
16
7. Smeer wat van het inbegrepen vet op de linker as
van de Staander (2) en in de twee Kleine Armhendel
Hulsjes (49) van de Linker Handvat (6).
Schuif een Tussenstuk voor het Onderstel (48), een
Tussenstuk voor het Handvat (47), het Linker
Handvat (6) en een Kap van het Handvat (46) op de
linker as van de Staander (2) zoals aangegeven.
Schuif een M10 Tussenring (55) op een M8 x 19mm
Schroef met Ronde Kop (56) en draai de Schroef
met Ronde Kop in de as vast.
Maak het Rechter Handvat (8) op dezelfde manier
vast.
7
48
2
46
8
6
55
56
47
49
Vet
10. Zorg ervoor dat alle onderdelen van de elliptische trainer goed worden vastgedraaid. Leg een matje
onder de elliptische trainer om uw vloer of vloerbedekking niet te beschadigen.
9. Zoek naar het Linker Pedaal (13). Het Linker Pedaal
heeft aan de rechterkant een opstaand randje. Maak
het Linker Pedaal aan de Linker Pedaalarm (11) vast
met drie M4 x 19mm Schroeven van een Flens (36)
voorzien zoals aangegeven.
Maak het Rechter Pedaal aan de Rechter Pedaalarm
(niet getoond) op dezelfde manier vast.
11
9
13
36

9
HOE DE ELLIPTISCHE TRAINER TE GEBRUIKEN
HOE DE ELLIPTISCHE TRAINER VERPLAATSEN
Ga voor de elliptische trainer staan en houdt de hand-
vaten stevig vast. Plaats een voet tegen een van de
wieltjes. Trek zodanig aan de handvaten dat de ellipti-
sche trainer op de voorwieltjes geplaatst kan worden.
Verplaats de elliptische trainer voorzichtig naar de
gewenste plek. Plaats weer uw voet tegen het wieltje
en laat de elliptische trainer weer zakken. Wees,
gezien het gewicht en de grootte van de ellipti-
sche trainer, heel voorzichtig bij het verplaatsen
en neerlaten van de elliptische trainer.
HOE OP DE ELLIPTISCHE TRAINER TE OEFENEN
Houdt u vast aan de handvaten en stap voorzichtig op
het laagste pedaal om de elliptische trainer te gebrui-
ken. Stap vervolgens op het andere pedaal. Duw op
de pedalen tot u een vloeiende beweging bereikt.
Opgelet: De pedaalschijven kunnen in beide rich-
tingen draaien. Aangeraden wordt de pedaalschij-
ven in de door de pijl aangegeven richting te
duwen. Duw de pedaalschijven in de tegenoverge-
stelde richting om variatie in uw oefening aan te
brengen.
Wacht tot de elliptische trainer helemaal is gestopt
voor u van de elliptische trainer afstapt. WAARSCHU-
WING: Met de elliptische trainer kan men niet free-
wheelen. De pedalen blijven ronddraaien totdat
het vliegwiel stopt. Wanneer de pedalen stilhouden,
stap dan eerst van het hoogste pedaal af. Stap ver-
volgens van het laagste pedaal.
De armhendels zijn ontwikkeld om uw bovenlichaam
tijdens uw programma te oefenen. Duw en trek tijdens
uw oefening aan de armhendels om uw armen, rug
en schouders te trainen. Als u alleen uw onderlichaam
wilt trainen, houdt u zich dan aan de handgrepen
vast.
Pedaal
Pedaalschijf
Pols-
sensor
Armhendel
Wiel
Armhendel

10
FUNCTIES VAN HET BEDIENINGSPANEEL
Het moderne bedieningspaneel is voorzien van ver-
schillende functies om doeltreffend en plezierig te
oefenen. U kunt de weerstand van de elliptische
crosstrainer door een druk op de knop bijstellen wan-
neer de handmatige instelling van het bedieningspa-
neel gekozen wordt. Het bedieningspaneel zal tijdens
uw oefening constant informatie geven. U kunt zelfs
uw hartslag meten wanneer u de handgreep met pols-
sensorof.
Het bedieningspaneel biedt ook zes vooraf Smart pro-
gramma. In ieder programma verandert automatisch
de weerstand van de pedalen en zal tijdens uw oefe-
ning aangegeven wanneer u uw tempo moet verhogen
of verlagen.
Het bedieningspaneel kent tevens de nieuwe iFIT.com
interactieve technologie. De iFIT.com technologie
werkt als een persoonlijke trainer bij uw thuis. Met het
meegeleverde audio snoer kunt u de elliptische
crosstrainer op uw geluidssysteem, uw draagbare ste-
reo of computer aansluiten en de speciale iFIT.com
cd-programma’s afspelen (cd’s apart te koop). De
iFIT.com cd-programma’s controleren automatisch de
weerstand van de elliptische crosstrainer en geven
duidelijk aan hoe u uw snelheid moet toepassen net
zoals een trainer dat doet tijdens uw training. Intense
muziek motiveert extra.U kunt onze website
www.iFIT.com bekijken en daar iFIT CD’s en
video’s kope.
Als de elliptische crosstrainer op uw computer is aan-
gesloten, kunt U ook onze nieuwe website
www.iFIT.com bekijken en daar de audio en video pro-
gramma’s direct van internet oproepen. Raadpleeg de
website voor meer informatie.
Om de handmatige instelling van het bedieningspa-
neel te gebruiken, zie bladzijde 11. Om een Smart
programma te gebruiken, zie bladzijde 13. Om de
iFIT.com cd’s of videobanden te gebruiken, zie page
17. Om een programma rechtstreeks van onze web-
site, zie bladzijde 18.
Display Toetsen
Ventilator
Toets
On/Reset Toets
Weerstand Toetsen

11
Het bedieningspaneel aanzetten.
Opgelet: Het bedieningspaneel verbruikt vier
1,5V "D" batterijen. Raadpleeg montage stap 3
op pagina 6 om de batterijen te installeren.
Druk op de On/Reset knop om het bedieningspa-
neel aan te zetten (zie de tekening op pagina 10
om de On/Reset knop te kunnen vinden).
De handmatige instelling kiezen.
De handmatige instelling
wordt gekozen elke keer
dat u het bedieningspa-
neel in gebruik neemt.
Druk meerdere keren op
de Programma toets
wanneer een programma
gekozen zullen de letters
RPM verschijnenen de kleine display.
Begin te trappen en verander de weerstand
als u dat wilt.
Druk, terwijl u trapt, op de + en – toetsen onder
de grote display om de weerstand van de peda-
len te veranderen. Er zijn 10 weerstandsinstellin-
gen voorzien—niveau 10 is de grootste. Opgelet:
Het kan nadat u op de toetsen hebt gedrukt een
paar seconden duren voor de weerstand de
gewenste instelling bereikt.
Volg uw vorderingen op de kleine en grote
display.
De kleine display geeft
uw tempo aan, in slagen
per minuut (RPM). De
indicator op de kleine dis-
play zal in lengte toe- of
afnemen naar gelang uw
snelheid toe- of afneemt.
Het bovenste
gedeelte van
de grote dis-
play geeft de
afgelegde
afstand [DIS-
TANCE] en het aantal verbranden calorieën
[CALORIES] en vetcalorieën [FAT CALS] aan
(raadpleeg VET VERBRANDEN op pagina 13
voor meer informatie over vetcalorieën). De dis-
play zal telkens na een paar seconden van getal
veranderen. De kleine display zal uw hartslag
aangeven wanneer u de pols-sensor gebruikt.
(raadpleeg stap 5 op pagina 12).
Druk om alleen de afgeleg-
de afstand óf de verbruikte
calorieën of vetcalorieën te
bekijken zolang op de
bovenste toets aan de lin-
kerkant van de grote dis-
play tot het woord DISTAN-
CE, CALORIES, of FAT CALS in het bovenste
gedeelte van de grote display verschijnt. Zorg
ervoor dat het woord SCAN niet verschijnt. Druk
op de bovenste toets totdat het woord SCAN ver-
schijnt om zowel de afgelegde afstand als de ver-
bruikte calorieën en vetcalorieën te bekijken.
Het middenge-
deelte van de
grote display zal
de verlopen tijd
[TIME] en uw hui-
dige tempo
[PACE] aangeven (tempo wordt in minuten per
mijl in dit gedeelte van de grote display aangege-
ven). De display zal telkens na een paar secon-
den van getal veranderen.
Druk om alleen de verlopen tijd óf uw tempo te
bekijken zolang op de middelste toets aan de lin-
kerkant van de grote display tot het woord TIME,
of PACE in de grote display verschijnt. Zorg
ervoor dat het woord SCAN niet verschijnt. Druk
op de bovenste toets tot het woord SCAN ver-
schijnt om zowel de verlopen tijd als uw tempo te
bekijken.
Het onderste
gedeelte van de
grote display
geeft uw snelheid
[SPEED] en de
weerstandsinstel-
ling [RESISTANCE] aan. De display zal telkens
na een paar seconden van getal veranderen.
Druk om alleen de snelheid óf de weerstandsin-
stelling te bekijken zolang op de onderste toets
aan de linkerkant van de grote display tot alleen
het woord SPEED [Snelheid], of RESISTANCE
[Weerstand] in het grote display verschijnt. Zorg
ervoor dat het woord SCAN niet verschijnt. Druk
op de bovenste toets tot het woord SCAN ver-
schijnt om zowel de snelheid als de weerstands-
instelling te bekijken.
4
3
2
1
HOE DE HANDMATIGE INSTELLING TE GEBRUI-
KEN
Indicator
Bovenste Toets

12
Druk op de On/Reset toets om de displays
opnieuw in te stellen.
Opgelet: Het
bedieningspa-
neel kan de
snelheid en de
afstand in mij-
len of kilometers aangeven. De letters MPH of
KM/H zullen in het onderste gedeelte van de
grote display de gekozen eenheid aangeven.
Druk ongeveer zes seconden op de On/Reset
toets om van eenheid te veranderen. Opgelet:
Wanneer u de toets ingedrukt houdt zal de venti-
lator even aangaan. Het kan zijn dat u de een-
heid opnieuw moet kiezen wanneer u de batterij-
en vervangt.
Uw hartslag meten als u dat wilt.
Het kan zijn
dat er plastic
velletjes op de
metalen con-
tactpunten
van de hand-
vaten zitten.
Haal deze van
de handvaten
af. Plaats uw handen op de metalen contactpun-
ten om de pols-sensor te gebruiken. Beweeg uw
handen niet.
Wanneer uw pols gemeten wordt zal de hartvor-
mige indicator in de kleine display bij iedere hart-
slag beginnen op te flikkeren. Even nadien zullen
twee streepjes (– –) verschijnen en zal uw hart-
slag worden aangegeven. Houdt de handvaten,
voor het beste resultaat, ongeveer 30 seconden
lang vast. Opgelet: Wanneer u de handgrepen
heeft vast genomen zal de display uw hartslag 30
seconden lang aangeven. De display zal dan met
uw hartslag de andere instellingen aangeven.
De ventilator aanschakelen als u dat wilt.
Druk op de ven-
tilator toets om
de ventilator op
lage snelheid te
laten draaien.
Druk nogmaals
op de ventilator
toets om de ven-
tilator op hoge
snelheid te laten draaien. Druk een derde keer
op de toets om de ventilator uit te doen. Opgelet:
De ventilator zal automatisch uitgaan om batterij-
en te sparen wanneer de pedalen gedurende een
halve minuut niet worden bewogen.
Draai het (vleugel) wieltje aan de rechterkant van
het bedieningspaneel om de ventilator in de
gewenste stand te plaatsen.
Het bedieningspaneel zal automatisch uitgaan
wanneer u klaar bent met uw oefening.
Wanneer de pedalen gedurende een paar secon-
den niet bewogen worden zal de display stoppen
en de tijd op de grote display opflikkeren.
Het bedieningspaneel zal automatisch uitgaan
om batterijen te sparen wanneer de pedalen niet
bewegen en de toetsen gedurende een paar
minuten niet ingedrukt worden.
7
6
5
Contact-
punten
Wieltje
Ventilat
or Toets

13
Ieder Smart programma verandert automatisch de
weerstand van de pedalen en dan zal uw tempo tij-
dens uw oefening direct verhogen of verlagen.
Programma’s 1 en 2 zijn programma’s om mee af te
slanken. Programma’s 3 en 4 zijn aerobic program-
ma’s. Programma’s 5 en 6 zijn prestatie programma’s.
Volg de stappen hieronder om een Smart programma
te gebruiken.
Volg de stappen hieronder om het Smart programma
te gebruiken.
Het bedieningspaneel inschakelen.
Zie stap 1 op pagina 11.
Een van de vooraf Smart programma kiezen.
De handmatige instelling
wordt gekozen telkens
wanneer u het bediening-
spaneel in gebruik neemt.
Druk meerdere keren op
de Programma toets om
een vooraf ingesteld pro-
gramma te kiezen totdat
het getal 1, 2, 3, 4, 5, of 6 zal in de kleine display
verschijnen.
Begin, om het programma te starten, met trap-
pen.
Begin om het programma te starten gewoon te
trappen. Ieder programma bestaat uit twintig of
dertig periodes van 1 minuut. Een weerstand en
tempo instelling zijn voor iedere periode gepro-
grammeerd. (Dezelfde weerstand en/of tempo
instellingen kan/kunnen voor meerdere periodes
geprogrammeerd worden).
De weerstand van de pedalen zal aan het eind
van iedere periode van het programma automa-
tisch veranderen wanneer een andere weer-
standsinstelling voor de volgende periode gepro-
grammeerd is. Note: U kunt de weerstand aan-
passen door op de + of – toetsen te drukken
wanneer de huidige weerstand te hoog of te laag
ligt. Wanneer de huidige periode echter voltooid
is zal de weerstand zich automatisch aan de vol-
gende periode aanpassen als deze anders is.
Het na te streven
tempo voor de
huidige periode
zal door pijlen op
de kleine display
worden aangege-
ven. Verhoog of
verlaag, om uw
oefening in het na te streven tempo uit te voeren,
eenvoudigweg uw tempo totdat er een pijl naar
ieder segment op de indicator wijst (zie de teke-
ning hierboven). Het aantal pijlen zal aan het eind
van iedere periode veranderen wanneer er een
ander na te streven tempo voor de volgende
periode geprogrammeerd is. Wanneer het aantal
pijlen verandert, verander dan ook uw tempo tot-
dat er weer een pijl naar ieder segment op de
indicator wijst. Belangrijk: De tempo indicaties
van het programma zijn alleen als motivatie
bedoeld. Uw feitelijke snelheid kan wat lager
zijn dan het gangbare tempo, zeer zeker in de
eerste maanden dat u oefent. Zorg er gewoon
voor dat u met een snelheid, die geriefelijk
voor u is, oefent.
De display zal tijdens uw programma de resteren-
de tijd van het programma aangeven. Het pro-
gramma eindigt wanneer er geen tijd meer over
is. Als u doorgaat met oefenen nadat u program-
ma voltooid is zal de display gewoon doorgaan
met het weergeven van informatie/feedback.
Volg uw vordering op de grote display.
Zie stap 4 op pagina 11.
Uw hartslag meten als u dat wilt.
Zie stap 5 op pagina 12.
De ventilator aanschakelen als u dat wilt.
Zie stap 6 op pagina 12.
Het bedieningspaneel zal automatisch uitgaan
wanneer u stopt met oefenen.
Zie stap 7 op pagina 12.
7
6
5
4
3
2
1
HOE EEN SMART PROGRAMMA TE GEBRUIKEN
Opgaande
Pijl
Indicator

14
Om de iFIT.com CD’s te kunnen gebruiken moet u de
elliptische crosstrainer op uw portable CD speler, por-
table stereo, geluidsysteem of computer (met CD spe-
ler) aansluiten. Zie pagina’s 14 tot en met 15 voor
instructies m.b.t. aansluiting. Om de iFIT.com video-
cassettes te gebruiken moet u de elliptische crosstrai-
ner op uw video speler aansluiten. Zie pagina 16 voor
instructies m.b.t. aansluiting. Om de iFIT.com pro-
gramma’s op te roepen van internet moet u de ellip-
tische crosstrainer op uw computer aansluiten. Zie
pagina 15 voor instructies m.b.t. aansluiting.
HOE OP UW CD SPELER AAN TE SLUITEN
Opgelet: Zie instructie A als uw portable CD speler
van aparte LINE OUT en PHONES pluggen is voor-
zien. Zie instructie B als uw CD speler maar van
één plug is voorzien.
A. Steek het ene uiteinde van het audio snoer in de plug
onder het bedieningspaneel. Steek het andere uitein-
de van het snoer in de LINE OUT plug van uw CD
speler. Steek uw koptelefoon in de PHONES-plug.
B. Steek het ene uiteinde van het audio snoer in de
plug onder het bedieningspaneel. Steek het andere
uiteinde van het snoer in een splitter. Steek de split-
ter in de PHONES-plug van uw CD speler. Steek
uw koptelefoon in de splitter.
HOE OP UW PORTABLE STEREO AAN TE SLUITEN
Opgelet: Zie instructie A als uw stereo van een
AUDIO OUT plug is voorzien. Zie instructie B als
uw stereo van een 3,5 mm LINE OUT plug is voor-
zien. Zie instructie C als uw stereo alleen een PHO-
NES plug heeft.
A. Steek het ene uiteinde van het audio snoer in de
plug onder het bedieningspaneel. Steek het andere
uiteinde van het snoer in de adapter. Steek de
adapter in de AUDIO OUT plug van uw stereo.
B. Bekijk de tekening hierboven. Steek het ene uitein-
de van het audio snoer in de plug onder het bedie-
ningspaneel. Steek het andere uiteinde van het
snoer in de LINE OUT plug van uw stereo. Gebruik
geen adapter.
C. Steek het ene uiteinde van het audio snoer in de
plug onder het bedieningspaneel. Steek het andere
uiteinde van het snoer in de splitter. Steek de split-
ter in de PHONES plug van uw stereo. Steek uw
koptelefoon in de splitter.
HOE OP UW CD-SPELER, VIDEO OF COMPU-
TER AAN TE SLUITEN
LINE OUT
PHONES LINE OUT
PHONES
Audio
snoer
Kopte-
lefoon
A
PHONES
PHONES
Audio
snoer Splitter
Koptelefoon
B
AUDIO OUT
RIGHT
LEFT
Audio
snoer
Adapter
A/B
PHONES
Audio
snoer
C
Splitter
Koptelefoon

15
HOE OP UW GELUIDSSYSTEEM AAN TE SLUITEN
Opgelet: Zie instructie A als uw systeem een LINE
OUT plug heeft die niet gebruikt wordt. Zie instruc-
tie B als de LINE OUT plug in gebruik is.
A. Bekijk de tekening hierboven. Steek het ene uitein-
de van het audio snoer in de plug onder het bedie-
ningspaneel. Steek het andere uiteinde van het
snoer in de adapter. Steek de adapter in de LINE
OUT plug van uw systeem.
B. Steek het ene uiteinde van het audio snoer in de
plug onder het bedieningspaneel. Steek het andere
uiteinde van het snoer in de adapter. Steek de
adapter in een Y-adapter (verkijgbaar in elektronica
winkels). Verwijder vervolgens de kabel die nu in
de LINE OUT plug zit en steek deze kabel in de Y-
adapter. Steek de Y-adapater in de LINE OUT plug
van uw stereo.
HOE OP UW COMPUTER AAN TE SLUITEN
Opgelet: Zie intructie A als uw computer van een
3,5 mm LINE OUT plug is voorzien. Zie instructie B
als uw computer alleen een PHONES plug heeft.
A. Steek het ene uiteinde van het audio snoer in de
plug onder het bedieningspaneel. Steek het andere
uiteinde van het snoer in de LINE OUT plug van uw
computer.
B. Steek het ene uiteinde van het audio snoer in de
plug onder het bedieningspaneel. Steek het andere
uiteinde van het snoer in de splitter. Steek de split-
ter in de PHONES plug van uw computer. Steek uw
koptelefoon in de splitter.
CD
VCR
Amp
LINE OUT
LINE OUT
Audio
Cable
A
CD
VCR
Amp
LINE OUT
Audio snoer
RCA Y-adapter
Adapter
Snoer verwijderd uit
de LINE OUT plug
B
Adapter
LINE OUT
Audio
snoer
A
PHONES
Audio
snoer
B
Splitter
Koptelefoon/Speakers

16
HOE OP UW VIDEO AAN TE SLUITEN
Opgelet: Zie instructie A als uw video speler een
AUDIO OUT plug heeft die niet gebruikt wordt. Zie
instructie B als de AUDIO OUT plug al in gebruik
is. Zie instructie B als u een televisie hebt met
ingebouwde video speler. Zie HOE OP UW
GELUIDSSYSTEEM AAN TE SLUITEN op pagina 15
als uw video op uw geluidssysteem is aangesloten.
A. Steek het ene uiteinde van het audio snoer in de
plug onder het bedieningspaneel. Steek het andere
uiteinde van het snoer in de adapter. Steek de
adapter in de AUDIO OUT plug van uw video.
B. Steek het ene uiteinde van het audio snoer in de
plug onder het bedieningspaneel. Steek het andere
uiteinde van het snoer in de adapter. Steek de
adapter in een Y-adapter (verkrijgbaar in elektroni-
ca winkels). Verwijder vervolgens het snoer dat nu
in de AUDIO OUT plug zit van uw video en steek
dit in de Y-adapter. Steek de Y-adapter in de
AUDIO OUT plug van uw video.
AUDIO OUT
RIGHT
LEFT
VIDEO AUDIO
ANT. IN
RF OUT
IN
OUT
CH
34
Audio snoer
Adapter
A
VIDEO AUDIO
ANT. IN
RF OUT
IN
OUT
CH
34
Audio snoer Adapter
B
Snoer verwijderd uit
de AUDIO OUT plug
RCA
Y-adapter

17
Om de iFIT.com CD’s of videocassettes te gebruiken
moet u de elliptische crosstrainer op uw portable CD
speler, portable stereo, geluidssysteem, computer of
video aansluiten. Zie HOE OP UW CD SPELER,
VIDEO OF COMPUTER AAN TE SLUITEN op pagina
14. U kunt onze website www.iFIT.com bekijken en
daar iFIT CD’s en video’s kope.
Volg de stappen hieronder om het iFIT.com cd’s of
videobanden te gebruiken.
Het bedieningspaneel inschakelen.
Zie stap 1 op pagina 11.
Kies de iFIT.com instelling.
De handmatige instelling
wordt gekozen telkens
wanneer u het bediening-
spaneel in gebruik neemt.
Om de iFIT.com instelling
te kiezen druk op de
iFIT.com toets. De indica-
tor bij de toets zal gaan
branden en de letters IF zullen in de rechter
bovenhoek van de kleine display.
Steek de iFIT.com CD of videocassette in.
Als u een iFIT.com wilt gebruiken steek de CD
dan in de CD speler. Als u een iFIT.com video-
cassette wilt gebruiken, steek dan de videocas-
sette in uw video speler.
Druk op de play-toets van uw CD speler of
video.
Direct nadat u de play-toets hebt gedrukt zal uw
persoonlijke trainer u helpen met uw oefening.
Volg de instructies van uw trainer.
Dit programma werkt bijna altijd hetzelfde als een
gewoon trainingsprogramma (zie stap 3 op pagi-
na 13). U zult echter een “piep” geluid horen
wanneer de weerstands- en/of de snelheidsinstel-
ling gaat veranderen.
Opgelet: Als de weerstand van de elliptische
crosstrainer en/of de snelheid niet verandert
wanneer u het “piep” geluid hoort:
• Zorg er dan voor dat de indicator naast de
iFIT.com indicator aan is.
• Stel de volume van uw CD speler of video
bij. Het kan zijn dat het bedieningspaneel het
signaal van het programma niet ontvangt
omdat de geluidsterkte van de CD speler of
video te hoog of the laag is.
• Zorg ervoor dat het audio snoergoed en vol-
ledig is aangesloten.
Uw vordering met de grote display.
Zie stap 4 op pagina 11.
Uw hartslag meten als u dat wilt.
Zie stap 5 op pagina 12.
De ventilator aanschakelen als u dat wilt.
Zie stap 6 op pagina 12.
Het bedieningspaneel zal automatisch uitgaan
wanneer u stopt met oefenen.
Zie stap 7 op pagina 12.
8
7
6
5
4
3
2
1
HOE DE IFIT.COM CD EN VIDEOPROGRAM-
MA’S TE GEBRUIKEN

18
Door onze website www.iFIT.com kunt u geluid en
video programma’s direct van internet downloaden.
Om deze programma’s van onze website te gebruiken
moet de elliptische crosstrainer aangesloten zijn op
uw computer. Zie HOE OP UW COMPUTER AAN TE
SLUITEN op pagina 15. Bovendien moet U een inter-
net aansluiting en een provider hebben. Een lijst met
specifieke systeemvereisten kunt u op onze website
vinden.
Volg de stappen hieronder om een programma van
onze website te gebruiken.
Het bedieningspaneel inschakelen.
Zie stap 1 op pagina 11.
Kies de iFIT.com instelling.
De handmatige instelling
wordt gekozen telkens
wanneer u het bediening-
spaneel in gebruik neemt.
Om de iFIT.com instelling
te kiezen druk op de
iFIT.com toets. De indica-
tor bij de toets zal gaan
branden en de letters IF zullen in de rechter
bovenhoek van de kleine display.
Ga naar uw computer en start de internetver-
binding.
Ga naar onze website www.iFIT.com.
Kies het gewenste programma van onze web-
site.
Volg de internet instructies en start het pro-
gramma.
Een aftelprocedure op uw scherm begint wanneer
u met een programma start.
Ga naar uw elliptische crosstrainer terug en
begin te trappen.
Uw programma zal beginnen wanneer de aftel-
procedure voorbij is. Het programma zal bijna
altijd werken als een Smart programma (zie stap
3 op pagina 13). U zult echter een “piep” geluid
horen wanneer de weerstands- en/of de snel-
heidsinstelling gaat veranderen.
Uw vordering met de grote display.
Zie stap 4 op pagina 11.
Uw hartslag meten als u dat wilt.
Zie stap 5 op pagina 12.
Het bedieningspaneel zal automatisch uitgaan
wanneer u stopt met oefenen.
Zie stap 7 op pagina 12.
10
9
8
7
6
5
4
3
2
1
HOE DE PROGRAMMA’S DIRECT VAN ONZE
WEBSITE TE GEBRUIKEN

19
Bekijk de onderdelen van de elliptische trainer regel-
matig en draai ze goed vast. Vervang versleten
onderdelen meteen. U kunt de elliptische trainer
schoonmaken met een zachte doek en een beetje
niet agressief schoonmaakmiddel. Gebruik nooit
schuur of oplosmiddelen. Om schade aan het
bedieningspaneel te voorkomen, houdt vloeistoffen
weg bij het bedieningspaneel en stel het bediening-
spaneel niet bloot aan direct zonlicht.
Verwijder de batterijen uit het bedieningspaneel wan-
neer u de elliptische trainer opbergt. Berg de ellipti-
sche trainer op een schone, droge plaats op uit de
buurt van vocht en stof.
PROBLEMEN OPLOSSEN VAN HET BEDIENING-
SPANEEL
Vervang de batterijen wanneer het bedieningspaneel
niet goed werkt (zie montage stap 3 op pagina 5).
HOE DE SNELHEIDSSENSOR BIJ TE STELLEN
De snelheidssensor moet bijgesteld worden wanneer
het bedieningspaneel onjuiste gegevens aangeeft.
Om de sensor bij te stellen bekijk dan eerst montage
stap 9 op pagina 8 en verwijder de Pedalen (13, 14).
Bekijk vervolgens stap 8 op pagina 8 en verwijder de
Pedaalarmen (11, 12).
Verwijder alle Schroeven (51, 72) uit de rechter
Pedaalschijf (15) en pak de Pedaalschijf af. Verwijder
alle Schroeven (71, 64) uit het Rechter Zijschild (4) en
verwijder het Rechter Zijschild. Verwijder alle
Schroeven (52) uit het Linker Zijschild (3) en verwijder
het Linker Zijschild.
Zoek naar de
Snelheidssen-
sor (53). Draai
de aangege-
ven Schroef
(52) los maar
verwijder deze
niet. Schuif de
Sensor lichtjes
naar of van de
Magneet (58)
op het vlieg-
wiel. Draai de Schroef weer vast. Draai de linker
Pedaalschijf (15) even. Herhaal deze handeling totdat
het bedieningspaneel de goede gegevens aangeeft.
Maak de Zijschilden (3, 4), de rechter Pedaalschijf
(15), de Pedaalarmen (11, 12) en de Pedaalen (13,
14) weer vast wanneer de Snelheidssensor (53) goed
is bijgesteld.
HOE DE RIEM BIJ TE STELLEN
De Riem (19)
moet bijgesteld
worden wan-
neer u de
pedalen tij-
dens het oefe-
nen, zelfs bij
de grootste
weerstand,
voelt slippen.
Om de Riem
bij te stellen
moet u eerst beide zijschilden verwijderen. Zie de
instructies aan de linkerkant en verwijder de zijschil-
den/beschermkappen.
Draai vervolgens de M8 x 22mm Schroef met Platte
Kop (26) en de M10 x 60mm Schroef (62) vast totdat
de Riem (19) strak staat. Draai de Schroef met Platte
Kop weer vast wanneer de Riem strak staat. Maak de
Zijschilden weer vast.
ONDERHOUD EN OPLOSSEN VAN PROBLEMEN
64 71
51
51
72
71
52
52
64
64
14
12
4
58
53
52
15
15
3
26
62 19
64

20
RICHTLIJNEN VOOR DE CONDITIE
De volgende richtlijnen zullen u helpen bij het plannen
van uw oefenprogramma. Vergeet niet dat een goede
voeding en voldoende rust essentieel zijn voor opti-
male resultaten.
INTENSITEIT VAN UW OEFENING
Als uw doel is vet te verbranden of uw cardiovasculair
systeem te verbeteren dan is de juiste oefen intensiteit
het middel om de gewenste resultaten te bereiken. U
kunt de juiste intensiteit bepalen door uw hartslag als
leidraad te gebruiken. De diagram hieronder geeft de
aanbevolen hartslag aan voor vet verbranding en voor
een cadiovasculaire (aerobic) oefening.
Zoek om uw juiste hartslag te vinden eerst naar uw
leeftijd aan de onderkant van de kaart (leeftijd per 10
jaar afgerond). Vindt vervolgens de drie cijfers boven
uw leeftijd. De drie cijfers geven uw "training zone"
aan. Het laagste getal is de aanbevolen hartslag om
vet te verbranden. Het middelste getal is de aanbevo-
len hartslag voor maximaal vet verbruik, en het hoog-
ste getal is aanbevolen voor een aerobic oefening.
Vetverbranding
Om effectief vet te verbranden moet U gedurende lan-
gere tijd op een relatieve lage intensiteit oefenen.
Tijdens de eerste minuten van uw oefening gebruikt
uw lichaam makkelijk bereikbare koolhydraten. Pas
na de eerste paar minuten begint uw lichaam vet als
energie te verbruiken. Stel, als uw doel is vet verbran-
den, de intensiteit van uw oefening bij zodat uw hart-
slag tussen het laagste getal en het middelste getal
van uw training zone ligt.
Aerobic Oefening
Uw oefening moet aerobic zijn als het uw doel is uw
cardiovasculair systeem te verbeteren. Een aerobic
oefening is een activiteit met een hogere zuurstof toe-
voer voor een langere tijd. Deze activiteit vraagt een
grotere prestatie van uw hart om bloed naar uw spie-
ren te pompen. Het vereist ook een grotere prestatie
van uw longen om het bloed van zuurstof te voorzien.
Stel de intensiteit van uw oefening bij totdat uw hart-
slag rond het hoogste getal van uw trainingszone ligt
als u een aerobic oefening wilt uitvoeren..
RICHTLIJNEN VOOR UW OEFENING
Iedere oefening moet uit de volgende drie onderdelen
bestaan:
Opwarming—Begin iedere oefening met een
opwarmfase van 5 à 10 minuten door spieren te strek-
ken en wat lichte oefeningen te doen. Een juiste
opwarmoefening verhoogt uw lichaamstemperatuur,
uw hartslag en bevordert uw bloedsomloop als voor-
bereiding op uw oefening.
Oefening in uw trainingszone—Verhoog de intensi-
teit van uw oefening na het opwarmen zodat uw hart-
slag binnen uw trainingszone valt. Houdt dit 20 à 30
minuten vol. Opgelet: beperk tijdens de eerste paar
weken van uw oefenprogramma uw oefening tot 20
minuten.
Afkoeling—Beëindig uw oefening weer met 5 à 10
minuten strekoefeningen. Dit zal de soepelheid van
uw spieren bevorderen en problemen helpen voorko-
men na de oefening.
OEFENFREQUENTIE
Om uw conditie te consolideren of te verbeteren moet
u 3 keer per week oefenen met minstens één dag rust
tussen de oefendagen. Na een paar maanden kunt u
als u dat wilt 5 keer per week oefenen. Om succes te
hebben is het belangrijk om plezierig en regelmatig te
oefenen.
WAARSCHUWING:
• Raadpleeg uw huisarts voor u met dit of
enig ander oefenprogramma begint. Dit is
bijzonder belangrijk voor mensen ouder dan
35 of mensen met gezondheidsproblemen.
Lees alle instructies door voor gebruik.
• De polssensor is geen medisch instrument.
Verschillende factoren kunnen de nauwkeu-
righeid van de metingen beïnvloeden. De
polssensor is alleen als hulpmiddel bedoeld
voor algemene hartslagmeting.

21
VOORGESTELDE STREKOEFENINGEN
De juiste houding voor de strekoefeningen is hier rechts getoond.
Strek u langzaam, vermijdt krachtige inspanning.
1. Tenen aanraken
Sta met uw knieën lichtjes gebogen en buig uw lichaam vanuit uw
heupen naar voren. Ontspan uw rug en schouders zo veel moge-
lijk en reik zover mogelijk naar uw tenen toe. Houdt deze houding
15 seconden vol en ontspan. Herhaal dit 3 keer. Spieren: knie-
pees, achterkant van knieen en rug.
2. Kniepees strekken
Zit met één been gestrekt. Trek uw andere voet naar u toe en leg
deze tegen de binnenkant van het gestrekte been. Reik zover
mogelijk naar uw tenen. Houdt deze houding 15 seconden vol en
ontspan. Herhaal dit 3 keer. Spieren: kniepees,onderrug en lies.
3. Kuit/achillespees strekken
Leun met het ene been voor het andere, naar voren en plaats uw
handen tegen de muur. Houdt uw achterste been gestrekt en uw
achterste voet plat op de grond. Buig uw voorste been, leun naar
voren en duw uw heupen naar de muur toe. Houdt deze houding
15 seconden vol en ontspan. Herhaal dit 3 keer voor ieder been.
Om uw achillespees verder te strekken, buig ook uw achterste
been. Spieren: kuiten, achillespees en enkels.
4. Dijspier strekken
Pak met één hand tegen de muur voor evenwicht, uw voet met
uw andere hand vast. Breng uw voet zo ver mogelijk tegen uw
zitvalk aan. Houdt deze houding 15 seconden vol en ontspan.
Herhaal dit 3 keer voor ieder been. Spieren: dijspier en heupspie-
ren.
5. Binnendij strekken
Zit met de voetzolen tegen elkaar en knieën naar buiten gebogen.
Haal uw voeten zover mogelijk naar uw lies toe. Herhaal dit 3
keer. Spieren: dijspier en heupspieren.
1
2
3
4
5

22
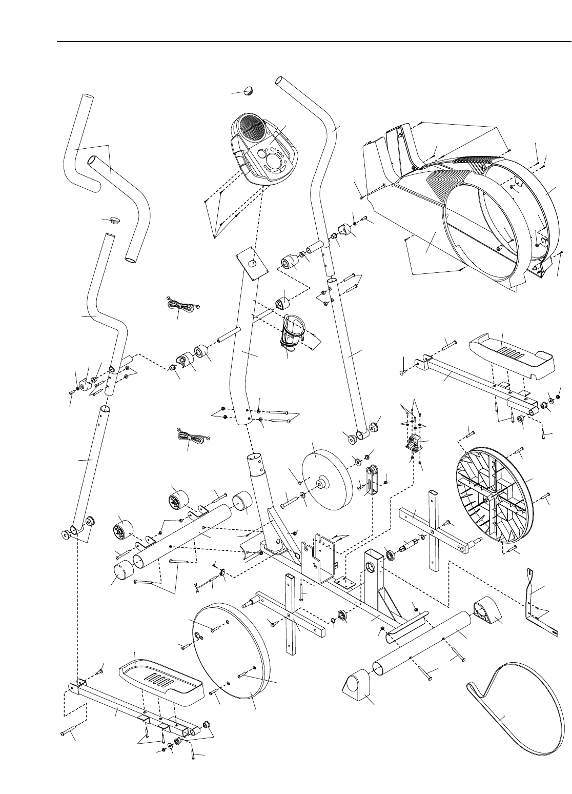
LIJST MET ONDERDELEN—Modelnr. PFEVEL39830 R0803A
Opgelet: # betekent onderdeel niet getoond. Specificaties kunnen zonder opgave van redenen gewijzigd zijn.
Kijk op de achterkant van deze gebruiksaanwijzing voor informatie over te bestellen onderdelen.
1 1 Onderstel
2 1 Staander
3 1 Linker Zijschild
4 1 Rechter Zijschild
5 2 Armhendel
6 1 Linker Handvat
7 1 Montage voor het Tussenwiel
8 1 Rechter Handvat
9 1 Achterste Stabilisator
10 1 Voorste Stabilisatorr
11 1 Linker Pedaalarm
12 1 Rechter Pedaalarm
13 1 Linker Pedaal
14 1 Rechter Pedaal
15 2 Pedaalschijf
16 2 Dwarsstangschijf
17 1 Vliegwiel
18 1 Houder van het Zijschild
19 1 Riem
20 2 Achter Beschermkapje
21 2 Voorste Beschermkapje
22 2 Wiel
23 1 Bedieningspaneel
24 2 Handgreep
25 2 M5 x 14mm Schroef
26 1 M8 x 22mm Schroef met Platte Kop
27 2 M10 x 74mm Bout met Ronde Kop
28 4 M6 Nylon Borgmoer
29 1 Weerstandsmotor
30 2 Grote Ring
31 2 Grote Pakking
32 1 As van het Pedaal
33 7 M10 Nylon Borgmoer
34 4 M10 x 75mm Draagbout
35 2 M8.5 Tussenring
36 6 M4 x 19mm Schroef van een Flens
37 4 Huls voor de Pedaalarm
38 7 M8 Nylon Borgmoer
39 1 Grote Tussenring van het Vliegwiel
40 2 Set Bouten voor de Pedaalarm
41 2 M6 x 72mm Bout
42 2 M4 x 22mm Schroef
44 1 Bovenste Draad
45 2 M5 x 16mm Bout
46 2 Kap van het Handvat
47 2 Tussenstuk voor het Handvat
48 2 Tussenstuk voor het Onderstel
49 4 Kleine Armhendel Hulsjes
50 4 M8 x 45mm Bout met Ronde Kop
51 4 M6 x 25mm Schroef
52 14 M4 x 16mm Schroef
53 1 Snelheidssensor/Draad
54 1 Kabelklip
55 2 M10 Tussenring
56 2 M8 x 19mm Schouderschroef
57 1 M10 Bout met Platte Kop
58 1 Magneet
59 2 M10 Veerringen
60 4 Grote Huls voor de Armhendel
61 2 5/16” x 25.4mm Zeshoekige Bout
62 1 M10 x 60mm Schroef
63 1 Houder voor de Waterfles
64 4 M4 x 25mm Schroef
65 2 Armhendel Beschermkapje
66 2 M5 Nylon Borgmoer
67 4 M5 Tussenring
68 1 Kleine Tussenring van het Vliegwiel
69 2 M5 x 16mm Schroef
70 1 Onderste Draad
71 2 M6 x 18mm Bout
72 4 M6 x 28mm Schroef
# 1 TCD Kabel
# 1 Imbussleutel
#1Vet
# 1 Gebruiksaanwijzing
Nr. Aantal Beschrijving Nr. Aantal Beschrijving

8
52
4
3
64
52
52
50
56
55
46
49
5
49
47
48
38
23
44
24
6
38
50
48
47
49
49
46
55
56
5
60
22
22
27
33
17
2
41
21 34
28
41 57
10
33
21 68
39
60
60
40
40 14
12 35
37
38
37 36
36
72
51
72
51
15
52
18
19
20
20
34
9
33
33
16
61
61
16
62
1
30 31
31 32 30
38
7
33
51
51
72 15
13
37
36
36 38 35
11
40
40
71
64
52
33
26
59
59
58
52
54
52
53
25
63
42
66
29
67
67
45
52
65
65
69
66
70
28
28
52
72
71
23
GEDETAILLEERDE TEKENING—Modelnr. PFEVEL39830
R0803A

Onderdeel Nr. 200712 R0803A Gedrukt in China © 2003 ICON Health & Fitness, Inc.
HET BESTELLEN VAN ONDERDELEN
Om vervang onderdelen voor uw loopband te bestellen, neem dan a.u.b. contact op met de winkel waar u dit
apparaat hebt gekocht.
Zorg ervoor dat u de volgende informatie bij de hand hebt wanneer u onderdelen wilt bestellen:
• het MODELNUMMER van het product (PFEVEL39830)
• de NAAM van het product (PROFORM®565 EKG elliptische trainer)
• het SERIENUMMER van het produkt (zie de kaft van de handleiding)
• het NUMMER VAN HET ONDERDEEL en de BESCHRIJVING van het onderdeel op pagina 22