Proform Pfevel48940 595 Hr Elliptical Users Manual PFEVEL48830 202292(UK
2015-04-14
: Proform Proform-Pfevel48940-595-Hr-Elliptical-Users-Manual-700394 proform-pfevel48940-595-hr-elliptical-users-manual-700394 proform pdf
Open the PDF directly: View PDF  .
.
Page Count: 24

CAUTION
Read all precautions and instruc-
tions in this manual before using
this equipment. Keep this manual
for future reference.
Model No. PFEVEL48940
Serial No. 
Serial
Number
Decal
QUESTIONS?
As a manufacturer, we are com-
mitted to providing complete
customer satisfaction. If you have
questions, or if there are missing
or damaged parts, please call:
Or write:
ICON Health & Fitness, Ltd.
Customer Service Department
Unit 4
Revie Road Industrial Estate
Revie Road
Beeston
Leeds, LS118JG
UK
email: csuk@iconeurope.com
USER’S MANUAL
08457 089 009
Class HC Fitness Product

TABLE OF CONTENTS
IMPORTANT PRECAUTIONS  . . . . . . . . . . . . . . . . . . . . . . . . . . . . . . . . . . . . . . . . . . . . . . . . . . . . . . . . . . . . . . . .3
BEFORE YOU BEGIN  . . . . . . . . . . . . . . . . . . . . . . . . . . . . . . . . . . . . . . . . . . . . . . . . . . . . . . . . . . . . . . . . . . . . . .4
ASSEMBLY  . . . . . . . . . . . . . . . . . . . . . . . . . . . . . . . . . . . . . . . . . . . . . . . . . . . . . . . . . . . . . . . . . . . . . . . . . . . . . . .5
HOW TO USE THE ELLIPTICAL EXERCISER  . . . . . . . . . . . . . . . . . . . . . . . . . . . . . . . . . . . . . . . . . . . . . . . . . . .9
MAINTENANCE AND TROUBLESHOOTING  . . . . . . . . . . . . . . . . . . . . . . . . . . . . . . . . . . . . . . . . . . . . . . . . . . .20
CONDITIONING GUIDELINES . . . . . . . . . . . . . . . . . . . . . . . . . . . . . . . . . . . . . . . . . . . . . . . . . . . . . . . . . . . . . . .21
PART LIST  . . . . . . . . . . . . . . . . . . . . . . . . . . . . . . . . . . . . . . . . . . . . . . . . . . . . . . . . . . . . . . . . . . . . . . . . . . . . . .22
EXPLODED DRAWING  . . . . . . . . . . . . . . . . . . . . . . . . . . . . . . . . . . . . . . . . . . . . . . . . . . . . . . . . . . . . . . . . . . . .23
ORDERING REPLACEMENT PARTS  . . . . . . . . . . . . . . . . . . . . . . . . . . . . . . . . . . . . . . . . . . . . . . . . . .Back Cover
2
PROFORM is a registered trademark of ICON IP, Inc.

3
IMPORTANT PRECAUTIONS
WARNING: To reduce the risk of serious injury, read the following important precau-
tions before using the elliptical exerciser.
1. Read all instructions in this manual before
using the elliptical exerciser. 
2. It is the responsibility of the owner to ensure
that all users of the elliptical exerciser are
adequately informed of all precautions.
3. Place the elliptical exerciser on a level sur-
face, with a mat beneath it to protect the
floor or carpet. Keep the elliptical exerciser
indoors, away from moisture and dust. 
4. Inspect and properly tighten all parts regu-
larly. Replace any worn parts immediately.  
5. Keep children under 12 and pets away from
the elliptical exerciser at all times.
6. The elliptical exerciser should not be used
by persons weighing more than 115 kg (250
lbs).
7. Wear appropriate exercise clothes when
using the elliptical exerciser. Always wear
athletic shoes for foot protection.
8. Always hold the handgrip pulse sensor or the
handlebars when mounting, dismounting, or
using the elliptical exerciser.
9. The pulse sensor is not a medical device.
Various factors may affect the accuracy of
heart rate readings. The pulse sensor is
intended only as an exercise aid in determin-
ing heart rate trends in general.
10. Keep your back straight when using the ellip-
tical exerciser; do not arch your back.
11. If you feel pain or dizziness at any time
whilst exercising, stop immediately and
begin cooling down.
12. When you stop exercising, allow the pedals
to slowly come to a stop. 
13. The elliptical exerciser is intended for 
home use only. Do not use the elliptical
exerciser in a commercial, rental, or institu-
tional setting.
WARNING: Before beginning this or any exercise program, consult your physician.
This is especially important for persons over the age of 35 or persons with pre-existing health prob-
lems. Read all instructions before using. ICON assumes no responsibility for personal injury or
property damage sustained by or through the use of this product. 

4
BEFORE YOU BEGIN
Congratulations for selecting the new PROFORM®
595 HR elliptical exerciser. The PROFORM 595 HR is
an incredibly smooth exerciser that moves your feet in
a natural elliptical path, minimising the impact on your
knees and ankles. And the unique PROFORM 595
HR features adjustable resistance and an easy-to-use
console to help you get the most from your exercise.
For your benefit, read this manual carefully before
you use the elliptical exerciser. If you have ques-
tions after reading this manual, please call our
Customer Service Department at 08457 089 009. To
help us assist you, please note the product model num-
ber and serial number before calling. The model num-
ber is PFEVEL48940. The serial number can be found
on a decal attached to the elliptical exerciser (see the
front cover of this manual for the location of the decal).
Before reading further, please familiarise yourself with
the parts that are labelled in the drawing below.
Handgrip Pulse Sensor
FRONT
BACK 
RIGHT SIDE
Pedal Spring
Pedal Disk
*No water bottle is included
Wheel
Pedal 
Fan
Water Bottle Holder*
Handlebar
Console

5
ASSEMBLY
Assembly requires two persons. Place all parts of the elliptical exerciser in a cleared area and remove the
packing materials. Do not dispose of the packing materials until assembly is completed. Assembly requires the
included hex keys and your own phillips screwdriver                      , adjustable spanner                      ,
and rubber mallet                        .
Use the drawings below to identify the small parts used for assembly. The number in parenthesis below each
drawing is the key number of the part, from the PART LIST on page 22. The number following the key number is
the quantity needed for assembly. Note: Some small parts may have been pre-assembled. If a part is not in
the parts bag, check to see if it has been pre-assembled.
M4 x 16mm
Screw (52)–4 M10
Washer (78)–2
M10 Split
Washer (59)–7
M10 Nylon
Locknut (33)–6
M10 x 30mm
Carriage Bolt (80)–2
M10 Bolt Set (74)–2
Handlebar
Washer (55)–2
Spring Bracket
Washer (35)–2
M8 Nylon
Locknut (38)–4
M8 x 45mm Button Bolt (50)–4
M10 x 27mm
Patch Screw (40)–2
M10 x 75mm Carriage Bolt (34)–4
Wave Washer
(43)–2
M10 x 72mm Button Bolt (84)–2
M8 x 25mm Patch
Screw (56)–2
M4 x 19mm
Screw (86)–2
M10 x 25mm
Button Screw (67)–3

6
2. Whilst another person lifts the back of the Frame (1),
attach the Rear Stabiliser (9) to the Frame with two
M10 x 75mm Carriage Bolts (34) and two M10 Nylon
Locknuts (33). 
34
9
1
3
2
84
59
59
33
44
1
73
79
59
Make sure the
Wire Harnesses
(44, 79) do not
get pinched and
damaged during
this step.
44
67
67
59
3. Whilst another person holds the Upright (2) in the posi-
tion shown, connect the Extension Wire Harness (44)
to the Wire Harness (79). Carefully pull the upper
end of the Extension Wire Harness to remove any
slack, and slide the Upright onto the Frame (1). Be
careful not to pinch the Wire Harnesses. Attach the
Upright with two M10 x 72mm Button Bolts (84), two
M10 Split Washers (59), and two M10 Nylon Locknuts
(33).
Feed the upper end of the Extension Wire Harness (44)
through the Upright Extension (73). Whilst holding the
upper end of the Extension Wire Harness, insert the
Upright Extension into the Upright (2). Be careful not
to pinch the Extension Wire Harness. Attach the
Upright Extension with three M10 x 25mm Button
Screws (67) and three M10 Split Washers (59). Make
sure that the Nylon Locknuts are inside of the
hexagonal holes.
233
33
4. The Console (23) requires four 1.5V “D” batteries;
alkaline batteries are recommended. Remove the indi-
cated screw from the battery drawer, and pull the bat-
tery drawer open. Insert four batteries into the battery
drawer; make sure that the batteries are oriented
as shown by the markings inside of the battery
drawer. Close the battery drawer and reattach the
screw. Note: When the batteries are installed correctly,
the fan will turn on for a moment.
23
Battery
Drawer
4
1. Identify the Front Stabiliser (10). Whilst another person
lifts the front of the Frame (1), attach the Front
Stabiliser to the Frame with two M10 x 75mm Carriage
Bolts (34) and two M10 Nylon Locknuts (33). Make
sure that the Front Stabiliser is turned so the
Wheels (22) are not touching the floor.
10 33
22
22
34
34 1
1
Batteries
Screw
Hexagonal
Holes

7
50
8
38
5. Whilst another person holds the Console (23) in the
position shown, connect the wire harness on the
Console to the Extension Wire Harness (44). Insert the
excess wire harness into the Upright Extension (73).
Attach the Console (23) to the Upright Extension (73)
with four M4 x 16mm Screws (52). Be careful to avoid
pinching the wire harnesses.
Attach the Water Bottle Holder (65) to the Upright (2)
with two M4 x 19mm Screws (86).
523
86
65
52
44
73
6. Identify the Left Handlebar (6), which is marked with a
sticker. Insert the Left Handlebar into one of the
Handlebar Legs (5); make sure that the Handlebar
Leg is turned so the hexagonal holes are on the
indicated side. Attach the Left Handlebar to the
Handlebar Leg with two M8 x 45mm Button Bolts (50)
and two M8 Nylon Locknuts (38). Make sure that the
Nylon Locknuts are inside of the hexagonal holes.
Do not fully tighten the Button Bolts yet.
Insert the Pivot Axle (7) into the Upright (2), and center
the Pivot Axle. Apply a generous amount of the includ-
ed grease to both ends of the Pivot Axle. 
Turn a Handlebar Spacer (47) so that the small arrow on
the Handlebar Spacer is pointing toward the floor, and
slide the Handlebar Spacer onto the post on the Left
Handlebar (6). Next, slide the Left Handlebar onto the
Pivot Axle (7). 
Slide a Handlebar Washer (55) and a Wave Washer (43)
onto an M8 x 25mm Patch Screw (56), and tighten the
Patch Screw into the Pivot Axle (7). Then, press the tabs
on a Handlebar Cap (46) into the Handlebar Spacer
(47).
Assemble the Right Handlebar (8) and the other
Handlebar Leg (5) in the same way.
6
Wire Harness
2
5
2
5
7
80
81
59
11
13
78
7. Identify the left Pedal Spring (11), which is marked with
a sticker. Attach the Left Pedal (13) to the left Pedal
Spring with an M10 x 30mm Carriage Bolt (80), an M10
Washer (78), an M10 Split Washer (59), and a Pedal
Knob (81) as shown. Note: The Left Pedal can be
attached in several positions using the five positions in
the Left Pedal and the three holes in the Pedal Spring.
Attach the Right Pedal (not shown) in the same way.
Make sure that both Pedals are in the same hole and in
the same pedal position.
Hexagonal
Holes
7
Grease
46 Tabs
Arrow
6
55 43
56
47

8
9. Make sure that all parts of the elliptical exerciser are properly tightened. Note: Some hardware may be
left over after assembly is completed. To protect the floor or carpet from damage, place a mat under the ellip-
tical exerciser.
8. Identify the Left Rear Spring Bracket (12) on the left
Pedal Spring (11). Apply a light coat of grease inside of
the Pedal Arm Bushings (37) in the Left Rear Spring
Bracket and to the axle on the left Disc Crossbar (16).
Slide a Spring Spacer (63) onto the axle; make sure
that the Spring Spacer is turned so the flat side is
facing the elliptical exerciser. Next, slide the Left
Rear Spring Bracket onto the axle. Slide a Spring
Bracket Washer (35) onto an M10 x 27mm Patch
Screw (40), and tighten the Patch Screw into the axle.
Next, hold the lower end of the left Handlebar Leg (5)
inside of the Front Spring Bracket (76) on the left Pedal
Spring (11). Apply grease to an M10 Bolt Set (74).
Attach the Handlebar Leg to the Front Spring Bracket
with the Bolt Set. Do not overtighten the Bolt Set;
the Handlebar Leg must pivot freely.
Attach the right Pedal Spring (not shown) to the right
side of the elliptical exerciser in the same way.
See step 6. Tighten the M8 x 45mm Button Bolts (50)
in the Handlebar Legs (5).
37,
Grease
Grease
74 11
11
40 35
63
12
74
5
76
8
HOW TO MOVE THE ELLIPTICAL EXERCISER
Stand behind the elliptical exerciser, hold the Rear
Stabiliser (9) firmly, and lift the elliptical exerciser until it
can be moved on the Wheels (22). Carefully move the
elliptical exerciser to the desired location, and then lower
it. CAUTION: To decrease the possibility of injury,
bend your legs and keep your back straight as you lift
the Rear Stabiliser; make sure to lift with your legs
rather than your back. 
22
9
16—Grease

9
HOW TO USE THE ELLIPTICAL EXERCISER
HOW TO ADJUST THE PEDALS
The motion of
the elliptical
exerciser is
determined by
the positions of
the pedals. To
adjust each
pedal, first
remove the
pedal knob
beneath the
pedal. Slide the
pedal forward or
backward, and
then reattach the
pedal using one
of the five holes
in the pedal and one of the three holes in the pedal
spring. Make sure that both pedals are in the same
position.
HOW TO USE THE HANDLEBARS 
The handlebars
are designed to
add upper-body
exercise to your
workouts. As you
exercise, push
and pull the han-
dlebars to work
your arms, shoul-
ders, and back. 
HOW TO EXERCISE ON THE ELLIPTICAL
EXERCISER
To mount the
elliptical exer-
ciser, hold the
handlebars and
step onto the
pedal that is in
the lowest posi-
tion. Then, step
onto the other
pedal. Push the
pedals until
they begin to
move with a
continuous
motion. Note:
The pedal
disks can turn
in either direc-
tion. It is rec-
ommended
that you move
the pedal disks in the direction shown by the
arrow; however, for variety, you may turn the pedal
disks in the opposite direction. 
To dismount the elliptical exerciser, wait until the ped-
als come to a complete stop. Note: The elliptical
exerciser does not have a free wheel; the pedals
will continue to move until the flywheel stops.
When the pedals are stationary, step off the highest
pedal first. Then, step off the lowest pedal.
Pedal
Pedal
Pedal Disk
Handlebar
Handlebars
Pedal
Knob
Pedal
Spring
Pedal

10
FEATURES OF THE CONSOLE
The advanced console offers a selection of features
designed to make your workouts more enjoyable and
effective. When the manual mode of the console is
selected, the resistance of the pedals can be changed
with the touch of a button. As you pedal, the console
will provide continuous exercise feedback. You can
even measure your heart rate using the built-in hand-
grip pulse sensor. 
The console also offers six Smart programs. Each pro-
gram automatically changes the resistance of the ped-
als and prompts you to increase or decrease your pace
as it guides you through an effective workout.
In addition, the console features two Heart Rate pro-
grams that change the resistance of the pedals and
prompt you to vary your pace to keep your heart rate
near a target heart rate as you exercise. 
The console also features iFIT.com interactive technol-
ogy. Having iFIT.com technology is like having a per-
sonal trainer in your home. Using a stereo audio cable
(available at electronics stores), you can connect the
elliptical exerciser to your home stereo, portable stereo,
computer, or VCR and play special iFIT.com CD and
video programs (iFIT.com CDs and videocassettes are
available separately). iFIT.com CD and video programs
automatically control the resistance of the pedals and
prompt you to vary your pace as a personal trainer
coaches you through every step of your workout. High-
energy music provides added motivation. To purchase
iFIT.com CDs and videocassettes, visit our Web
site at www.iconeurope.com.
With the elliptical exerciser connected to your comput-
er, you can also go to our Web site at www.iFIT.com
and access programs directly from the internet.
Explore www.iFIT.com for more information.
To use the manual mode of the console, see page
11. To use a Smart program, see page 13. To use a
Heart Rate program, see page 14. To use an
iFIT.com CD or video program, see page 18. To use
a program directly from our Web site, see page 19.
Display Buttons
Fan Button
On/Reset Button
Resistance Buttons

11
Turn on the console.
Note: The console requires four 1.5V “D” batter-
ies (see assembly step 4 on page 6). 
To turn on the console, press the On/Reset but-
ton or begin pedaling. (See the drawing on page
10 to identify the On/Reset button.)  
Select the manual mode.
Each time the console is
turned on, the manual
mode will be selected. If a
program has been select-
ed, select the manual
mode by pressing the
Program button repeatedly
until the letters RPM
appear in the small display. 
Begin pedaling and change the resistance of
the pedals as desired.
As you pedal, change the resistance of the ped-
als by pressing the + and – buttons below the
large display. There are ten resistance levels—
level 10 is the most challenging. Note: After the
buttons are pressed, it will take a few seconds for
the resistance to reach the selected setting.     
Follow your progress with small display and
the large display. 
The small display will
show your pedaling pace,
in revolutions per minute
(RPM). The indicator bar in
the small display will
increase or decrease in
length as you increase or
decrease your pedaling
pace.
The upper sec-
tion of the large
display will show
the distance you
have pedaled
and the numbers
of calories and fat calories you have burned (see
FAT BURNING on page 21 for an explanation of
fat calories). The display will change from one
number to the next every few seconds. If you use
the handgrip pulse sensor, the display will also
show your heart rate (see step 5 on page 12). 
To view only the distance
you have pedaled or the
number of calories or fat
calories you have burned,
press the upper button on
the left side of the large
display until only the word
DISTANCE, CALORIES, or
FAT CALORIES appears in the upper section of
the large display. Make sure that the word SCAN
does not appear. To again view the distance you
have pedaled and the numbers of calories and
fat calories you have burned, press the upper
button until the word SCAN reappears.   
The center of
the large display
will show the
elapsed time and
your current pace
(pace is shown in
minutes per mile). The display will change from
one number to the other every few seconds.
Note: When a program is selected (except for the
SelfSelect program), the display will show the
time remaining in the program instead of the
elapsed time.
To view only the elapsed time or your pace, press
the center button on the left side of the large dis-
play until only the word TIME or PACE appears.
Make sure that the word SCAN does not appear.
To view both the elapsed time and your pace,
press the center button until the word SCAN
reappears.
The lower sec-
tion of the large
display will show
your pedaling
speed and the
resistance level.
The display will change from one number to the
other every few seconds.
To view only your pedaling speed or the resis-
tance level, press the lower button on the left
side of the large display until only the word
SPEED or RESISTANCE appears. Make sure
that the word SCAN does not appear. To view
both your pedaling speed and the resistance
level, press the lower button until the word SCAN
reappears.
4
3
2
1
HOW TO USE THE MANUAL MODE
Indicator Bar
Upper Button

12
To reset the displays, press the On/Reset button.
Note: The con-
sole can show
speed and dis-
tance in either
miles or kilome-
ters. The letters
MPH or KM/H will appear in the lower section of
the large display to show which system of mea-
surement is selected. To change the system of
measurement, hold down the On/Reset button for
about six seconds. Note: When the button is held
down, the fan will turn on for a moment. When
the batteries are replaced, it may be necessary to
reselect the desired system of measurement.
Measure your heart rate if desired.
If there are thin
sheets of plas-
tic on the
metal contacts
on the hand-
grips, peel off
the plastic. To
use the hand-
grip pulse sen-
sor, hold the handgrips with your palms resting
against the metal contacts. Avoid moving your
hands. When your pulse is detected, the heart-
shaped indicator in the large display will flash
each time your heart beats. After a moment, two
dashes (– –) will appear and then your heart rate
will be shown.  
For the most accurate heart rate reading, contin-
ue to hold the handgrips for about 30 seconds.
Note: When you first hold the handgrips, the
large display will show your heart rate continu-
ously for 30 seconds. The display will then show
your heart rate along with other feedback modes.  
Turn on the fan if desired.
To turn on the
fan at low speed,
press the fan
button. To turn
on the fan at
high speed,
press the fan
button a second
time. To turn off
the fan, press the fan button a third time. Note: If
the fan is turned on but the pedals are not moved
for thirty seconds, the fan will automatically turn
off to conserve the batteries. 
Rotate the thumb wheel on the right side of the
console to pivot the fan to the desired angle.     
When you are finished exercising, the console
will automatically turn off.
If the pedals are not moved for a few seconds,
the displays will pause and the time will flash in
the large display. 
If the pedals are not moved and the console but-
tons are not pressed for a few minutes, the con-
sole will turn off to conserve the batteries.  
7
6
5
Metal
Contacts
Thumb
Wheel
Fan
Button

13
Each Smart program will automatically change the
resistance of the pedals and prompt you to increase or
decrease your pace as it guides you through an effec-
tive workout. Programs 3 and 4 are weight loss pro-
grams, programs 5 and 6 are aerobic programs, and
programs 7 and 8 are high-performance programs.
Follow the steps below to use a Smart program. 
Turn on the console.
See step 1 on page 11. 
Select one of the Smart programs.
Each time the console is
turned on, the manual
mode will be selected. To
select a Smart program,
press the Program button
repeatedly until the number
3, 4, 5, 6, 7, or 8 appears
in the small display. 
Begin pedaling to start the program.
To start the program, simply begin pedaling. Each
Smart program consists of 20 or 30 one-minute
periods. One resistance level and one target pace
are programmed for each period. (The same
resistance level and/or target pace may be pro-
grammed for two or more consecutive periods.)
At the end of each period of the program, the
resistance of the pedals will automatically change
if a different resistance level is programmed for
the next period. Note: If the resistance level is too
high or too low, you can change it by pressing the
+ and – buttons below the large display. However,
when the current period is completed, the resis-
tance of the pedals will automatically change if a
different resistance level is programmed for the
next period. 
The target pace
for the current
period will be
shown by the
arrows in the
small display. To
pedal at the target
pace, simply
increase or decrease your pace until there is one
arrow pointing to each segment of the indicator
bar (see the drawing above). At the end of each
period, the number of arrows will change if a dif-
ferent target pace is programmed for the next
period. When the number of arrows changes,
change your pace until there is one arrow pointing
to each segment of the indicator bar. Important:
The target pace is intended only to provide a
goal. Your actual pace may be slower than the
target pace, especially during the first few
months of your exercise program. Make sure
to pedal at a pace that is comfortable for you. 
During the program, the center of the large dis-
play will show the time remaining in the program.
If you stop pedaling for a few seconds, the dis-
plays will pause and the time will flash. If you con-
tinue pedaling after the program is completed, the
displays will continue to show exercise feedback. 
Follow your progress with the large display.
See step 4 on page 11.
Measure your heart rate if desired.
See step 5 on page 12.
Turn on the fan if desired.
See step 6 on page 12.
When you are finished exercising, the console
will automatically turn off.
See step 7 on page 12.
7
6
5
4
3
2
1
HOW TO USE A SMART PROGRAM
Arrows
Indicator
Bar

14
Heart Rate program 1 is designed to keep your heart
rate between 65% and 85% of your maximum heart
rate during your workout. (Your maximum heart rate is
estimated by subtracting your age from 220. For
example, if you are 25 years old, your maximum heart
rate is 195 beats per minute.) Heart Rate program 2 is
designed to keep your heart rate near a target heart
rate that you select. 
Follow the steps below to use a Heart Rate program. 
Turn on the console.
See step 1 on page 11. 
Select one of the Heart Rate programs.
Each time the console is
turned on, the manual
mode will be selected. To
select a Heart Rate pro-
gram, press the Program
button repeatedly until the
number 1 or 2 appears in
the small display. 
Enter your age or a target heart rate.
If program 1 is selected, the word AGE will
appear in the large display and the current age
setting will flash. If you have already entered your
age, press the Enter button. If you have not
entered your age, press the small + and – buttons
to enter your age, and then press the Enter but-
ton. Once you have entered your age, it will be
saved in memory until the batteries are replaced.
If program 2 is selected, the letters PLS (pulse)
will appear in the large display and the current tar-
get heart rate will flash. If you do not wish to
change the target heart rate, press the Enter but-
ton. If you wish to change the target heart rate,
press the small + and – buttons. Then, press the
Enter button. The target heart rate can be from 70
to 170 beats per minute. 
Hold the handgrip pulse sensor.
It is not necessary to hold the handgrips continu-
ously during a Heart Rate program; however, you
must hold the handgrips frequently for the pro-
gram to operate properly. Each time you hold
the handgrips, keep your hands on the metal
contacts for at least 30 seconds. Note: When
you are not holding the handgrips, the letters PLS
will appear in the large display instead of your
heart rate.
Begin pedaling to start the program.
To start the program, simply begin pedaling.
Program 1 consists of 20 one-minute periods.
One resistance level and one target heart rate are
programmed for each period. (The same resis-
tance level and/or target heart rate may be pro-
grammed for two or more consecutive periods.)
Program 2 is sixty minutes long (you may choose
to use only part of the program). The same resis-
tance level and target heart rate are programmed
for the entire program.   
If program 1 is selected, the resistance of the
pedals will periodically change. (Note: If the resis-
tance level is too high or too low, you can change
it by pressing the + and – buttons below the large
display. However, when the current period is com-
pleted, the resistance of the pedals may automati-
cally change.) If program 2 is selected, the
resistance of the pedals will not change. Note:
You can change the resistance level for the entire
program by pressing the + and – buttons below
the large display if desired.  
During programs
1 and 2, the
arrows in the
small display will
help you to keep
your heart rate
near the current
target heart rate.
When you hold the handgrip pulse sensor, the
console will compare your heart rate to the cur-
rent target heart rate. If your heart rate is too far
above or below the target heart rate, the number
of arrows in the small display will change to
prompt you to increase or decrease your pace.
When the number of arrows changes, change
your pace until there is one arrow pointing to each
segment of the indicator bar. Important: The tar-
get pace is intended only to provide a goal.
Your actual pace may be slower than the tar-
get pace, especially during the first few
months of your exercise program. Make sure
to pedal at a pace that is comfortable for you.
5
4
3
2
1
HOW TO USE A HEART RATE PROGRAM
Arrows
Indicator
Bar

15
Note: If you stop pedaling for a few seconds, the
program will end. To use the program again, rese-
lect it and start it at the beginning. 
Follow your progress with the large display.
See step 4 on page 11.
Turn on the fan if desired.
See step 6 on page 12.
When you are finished exercising, the console
will automatically turn off.
See step 7 on page 12.
To use iFIT.com CDs, the elliptical exerciser must be
connected to your portable CD player, portable stereo,
home stereo, or computer with CD player. See pages
16 to 18 for connecting instructions. To use iFIT.com
videocassettes, the elliptical exerciser must be con-
nected to your VCR. See page 18 for connecting
instructions. To use iFIT.com programs directly from
our Web site, the elliptical exerciser must be connect-
ed to your home computer. See page 18 for connect-
ing instructions.
HOW TO CONNECT YOUR PORTABLE CD PLAYER
Note: If your CD player has separate LINE OUT and
PHONES jacks, see instruction A below. If your CD
player has only one jack, see instruction B.
A. Plug one end of the audio cable into the jack
beneath the console. Plug the other end of the
audio cable into the LINE OUT jack on your CD
player. Plug your headphones into the PHONES
jack. 
B. Plug one end of the audio cable into the jack
beneath the console. Plug the other end of the
audio cable into the splitter. Plug the splitter into
the PHONES jack on your CD player. Plug your
headphones into the other side of the splitter. 
8
7
6
LINE OUT
PHONES LINE OUT
PHONES
Audio
Cable
Head-
phones
A
PHONES
PHONES
Audio
Cable Splitter
Headphones
B
HOW TO CONNECT YOUR CD PLAYER, VCR,
OR COMPUTER 

16
HOW TO CONNECT YOUR PORTABLE STEREO
Note: If your stereo has an RCA-type AUDIO OUT
jack, see instruction A below. If your stereo has a
3.5mm LINE OUT jack, see instruction B. If your
stereo has only a PHONES jack, see instruction C.
A. Plug one end of the audio cable into the jack
beneath the console. Plug the other end of the
audio cable into the adapter. Plug the adapter into
an AUDIO OUT jack on your stereo.
B. See the drawing above. Plug one end of the audio
cable into the jack beneath the console. Plug the
other end of the audio cable into the LINE OUT
jack on your stereo. Do not use the adaptor.   
C. Plug one end of the audio cable into the jack
beneath the console. Plug the other end of the
audio cable into the splitter. Plug the splitter into the
PHONES jack on your stereo. Plug your head-
phones into the other side of the splitter. 
HOW TO CONNECT YOUR HOME STEREO
Note: If your stereo has an unused LINE OUT jack,
see instruction A below. If the LINE OUT jack is
being used, see instruction B.
A. Plug one end of the audio cable into the jack
beneath the console. Plug the other end of the
audio cable into the adapter. Plug the adapter into
the LINE OUT jack on your stereo. 
B. Plug one end of the audio cable into the jack
beneath the console. Plug the other end of the
audio cable into the adapter. Plug the adapter into
an RCA Y-adapter (available at electronics stores).
Next, remove the wire that is currently plugged into
the LINE OUT jack on your stereo and plug the
wire into the unused side of the Y-adapter. Plug the
Y-adapter into the LINE OUT jack on your stereo. 
AUDIO OUT
RIGHT
LEFT
Audio
Cable Adapter
A, B
PHONES
Audio
Cable
C
Splitter
Headphones
CD
VCR
Amp
LINE OUT
LINE OUT
Audio
Cable
A
CD
VCR
Amp
LINE OUT
Audio Cable
RCA Y-adaptor
Adapter
Wire removed from
LINE OUT jack
B
Adapter

17
HOW TO CONNECT YOUR COMPUTER
Note: If your computer has a 3.5mm LINE OUT jack,
see instruction A. If your computer has only a
PHONES jack, see instruction B.
A. Plug one end of the audio cable into the jack
beneath the console. Plug the other end of the
audio cable into the LINE OUT jack on your com-
puter.
B. Plug one end of the audio cable into the jack
beneath the console. Plug the other end of the
audio cable into the splitter. Plug the splitter into the
PHONES jack on your computer. Plug your head-
phones or speakers into the other side of the splitter.
HOW TO CONNECT YOUR VCR
Note: If your VCR has an unused AUDIO OUT jack,
see instruction A below. If the AUDIO OUT jack is
being used, see instruction B. If you have a TV
with a built-in VCR, see instruction B. If your VCR
is connected to your home stereo, see HOW TO
CONNECT YOUR HOME STEREO on page 16.
A. Plug one end of the audio cable into the jack
beneath the console. Plug the other end of the
audio cable into the adapter. Plug the adapter into
the AUDIO OUT jack on your VCR. 
B. Plug one end of the audio cable into the jack
beneath the console. Plug the other end of the
audio cable into the adapter. Plug the adapter into
an RCA Y-adaptor (available at electronics stores).
Next, remove the wire that is currently plugged into
the AUDIO OUT jack on your VCR and plug the
wire into the unused side of the Y-adaptor. Plug the
Y-adaptor into the AUDIO OUT jack on your VCR. 
LINE OUT
Audio
Cable
A
PHONES
Audio
Cable
B
Splitter
Headphones/Speakers
AUDIO OUT
RIGHT
LEFT
VIDEO  AUDIO
ANT. IN
RF OUT
IN
OUT
CH
34
C
Audio Cable
Adapter
A
VIDEO  AUDIO
ANT. IN
RF OUT
IN
OUT
CH
34
A
Audio Cable Adapter
B
Wire removed from
AUDIO OUT jack
RCA
Y-adaptor

18
To use iFIT.com CDs or videocassettes, the elliptical
exerciser must be connected to your portable CD
player, portable stereo, home stereo, computer with
CD player, or VCR. See HOW TO CONNECT YOUR
CD PLAYER, VCR, OR COMPUTER on page 15. To
purchase iFIT.com CDs and videocassettes, visit
our Web site at www.iconeurope.com.
Follow the steps below to use an iFIT.com CD or
video program.
Turn on the console.
See step 1 on page 11. 
Select the iFIT.com mode.
Each time the console is
turned on, the manual
mode will be selected. To
select the iFIT.com mode,
press the iFIT.com button.
The indicator near the but-
ton will light and the letters
IF will appear in the small
display.  
Insert the iFIT.com CD or videocassette.
If you are using an iFIT.com CD, insert the CD
into your CD player. If you are using an iFIT.com
videocassette, insert the videocassette into your
VCR.
Press the play button on your CD player or
VCR.
A moment after the play button is pressed, your
personal trainer will begin guiding you through
your workout. Simply follow your personal train-
er’s instructions.
The program will function in almost the same way
as a Smart program (see step 3 on page 13).
However, an electronic “chirping” sound will alert
you when the resistance level and/or the target
pace is about to change.
Note: If the resistance of the pedals and/or the
target pace does not change when a “chirp” is
heard:
• Make sure that the indicator near the
iFIT.com button is lit.
• Adjust the volume of your CD player or VCR.
If the volume is too high or too low, the con-
sole may not detect the program signals.
• Make sure that the audio cable is properly
connected and that it is fully plugged in.
Follow your progress with the large display.
See step 4 on page 11.
Measure your heart rate if desired.
See step 5 on page 12.
Turn on the fan if desired.
See step 6 on page 12.
When you are finished exercising, the console
will automatically turn off.
See step 7 on page 12.
8
7
6
5
4
3
2
1
HOW TO USE IFIT.COM CD AND VIDEO
PROGRAMS

19
Our Web site at www.iFIT.com allows you to play
iFIT.com programs directly from the internet. To use
programs from our Web site, the elliptical exerciser
must be connected to your computer. See HOW TO
CONNECT YOUR COMPUTER on page 17. In addi-
tion, you must have an internet connection and an
internet service provider. A list of specific system
requirements is found on our Web site.
Follow the steps below to use a program from our 
Web site. 
Turn on the console.
See step 1 on page 11.
Select the iFIT.com mode.
Each time the console is
turned on, the manual
mode will be selected. To
select the iFIT.com mode,
press the iFIT.com button.
The indicator near the but-
ton will light and the letters
IF will appear in the small
display.  
Go to your computer and start an internet
connection.
Start your Web browser, if necessary, and go
to our Web site at www.iFIT.com.
Follow the desired links on our Web site to
select a program.
Follow the on-line instructions to start the
program.
When you start the program, an on-screen count-
down will begin. 
Return to the elliptical exerciser and begin 
pedaling.
When the on-screen countdown ends, the pro-
gram will begin. The program will function in
almost the same way as a Smart program (see
step 3 on page 13). However, an electronic “chirp-
ing” sound will alert you when the resistance level
and/or the target pace is about to change.
Follow your progress with the large display.
See step 4 on page 11.
Measure your heart rate if desired.
See step 5 on page 12.
When you are finished exercising, the console
will automatically turn off.
See step 7 on page 12.
10
9
8
7
6
5
4
3
2
1
HOW TO USE PROGRAMS DIRECTLY FROM
OUR WEB SITE

20
Inspect and tighten all parts of the elliptical exerciser
regularly. Replace any worn parts immediately. 
To clean the elliptical exerciser, use a damp cloth and
a small amount of mild detergent. Important: Keep
liquids away from the console and keep the con-
sole out of direct sunlight. During storage, remove
the batteries from the console.
BATTERY REPLACEMENT
If the console display becomes dim, the batteries
should be replaced. See assembly step 4 on page 6.  
HANDGRIP PULSE SENSOR TROUBLESHOOTING
• Avoid moving your hands whilst using the handgrip
pulse sensor; excessive movement may interfere
with heart rate readings. Do not hold the metal con-
tacts too tightly. 
• For the most accurate heart rate reading, hold the
metal contacts for about 15 seconds.
•For optimal performance of the handgrip pulse sen-
sor, clean the metal contacts with a soft cloth—do
not use alcohol, abrasives, or chemicals. 
HOW TO ADJUST THE REED SWITCH
If the console does not display correct feedback, the
reed switch should be adjusted. To do this, you must
remove the Pedal Springs (11), the right Pedal Disc
(15), and the Side Shields (3, 4). See step 8 on page
8 and remove the Pedal Springs.
Next, remove the four Screws (51) from the right
Pedal Disc (15), and slide the Pedal Disc off. Remove
all Screws (52, 64) from the Right Side Shield (4) and
the two Screws (77) from beneath the Pedal Disc, and
then remove the Right Side Shield. Remove all
Screws (52) from the Left Side Shield (3) and remove
the Left Side Shield.
Next, see the drawing below and locate the Reed
Switch (53). Loosen, but do not remove, the indicated
M4 x 16mm Screw (52). Slide the Reed Switch slightly
toward or away from the Magnet (58) on the flywheel,
and then retighten the Screw. Turn the left Pedal Disc
(15) for a moment. Repeat until the console displays
correct feedback. When the Reed Switch is correctly
adjusted, reattach the Side Shields (3, 4), the right
Pedal Disc (15), and the Pedal Springs (11).
HOW TO ADJUST THE DRIVE BELT
If you can feel
the pedals slip
whilst you are
pedalling,
even when the
resistance is
adjusted to
the highest
level, the
Drive Belt (19)
may need to
be adjusted.
To adjust the
Drive Belt, you must first remove both side shields.
See HOW TO ADJUST THE REED SWITCH at the
left and remove the side shields.
Next, loosen the M8 x 22mm Flat Head Bolt (68) and
turn the M10 x 60mm Screw (62) until the Drive Belt
(19) is tight. When the Drive Belt is tight, tighten the
Flat Head Bolt. Reattach the side shields.
MAINTENANCE AND TROUBLESHOOTING 
64
77
51
51
77
52
52
64
64
11
11
415
3
58
53
52
15
68
62 19

21
CONDITIONING GUIDELINES
The following guidelines will help you to plan your
exercise program. Remember that proper nutrition
and adequate rest are essential for successful results. 
EXERCISE INTENSITY
Whether your goal is to burn fat or to strengthen your
cardiovascular system, the key to achieving the
desired results is to exercise with the proper intensity.
The proper intensity level can be found by using your
heart rate as a guide. The chart below shows recom-
mended heart rates for fat burning, maximum fat
burning, and cardiovascular (aerobic) exercise.
To find the proper heart rate for you, first find your age
at the bottom of the chart (ages are rounded off to the
nearest ten years). Next, find the three numbers above
your age. The three numbers are your “training zone.”
The lower two numbers are recommended heart rates
for fat burning; the highest number is the recommend-
ed heart rate for aerobic exercise.
Fat Burning
To burn fat effectively, you must exercise at a relative-
ly low intensity level for a sustained period of time.
During the first few minutes of exercise, your body
uses easily accessible carbohydrate calories for ener-
gy. Only after the first few minutes of exercise does
your body begin to use stored fat calories for energy.
If your goal is to burn fat, adjust the intensity of your
exercise until your heart rate is near the lowest num-
ber in your training zone as you exercise. 
For maximum fat burning, adjust the intensity of your
exercise until your heart rate is near the middle num-
ber in your training zone as you exercise.  
Aerobic Exercise
If your goal is to strengthen your cardiovascular sys-
tem, your exercise must be “aerobic.” Aerobic exer-
cise is activity that requires large amounts of oxygen
for prolonged periods of time. This increases the
demand on the heart to pump blood to the muscles,
and on the lungs to oxygenate the blood. For aerobic
exercise, adjust the intensity of your exercise until
your heart rate is near the highest number in your
training zone as you exercise. 
WORKOUT GUIDELINES
Each workout should include the following three parts:
A warm-up, consisting of 5 to 10 minutes of stretching
and light exercise. Aproper warm-up increases your
body temperature, heart rate, and circulation in prepa-
ration for exercise. 
Training zone exercise, consisting of 20 to 30 min-
utes of exercising with your heart rate in your training
zone. (During the first few weeks of your exercise 
program, do not keep your heart rate in your training
zone for longer than 20 minutes.)  
A cool-down, with 5 to 10 minutes of stretching. This
will increase the flexibility of your muscles and will
help to prevent post-exercise problems.
EXERCISE FREQUENCY
To maintain or improve your condition, complete three
workouts each week, with at least one day of rest
between workouts. After a few months of regular exer-
cise, you may complete up to five workouts each week
if desired. The key to success is to make exercise a
regular and enjoyable part of your everyday life.
WARNING:
• Before beginning this or any exercise pro-
gram, consult your physician. This is espe-
cially important for persons over the age of
35 or persons with pre-existing health prob-
lems.
• The pulse sensor is not a medical device.
Various factors may affect the accuracy of
heart rate readings. The pulse sensor is
intended only as an exercise aid in determin-
ing heart rate trends in general.

22
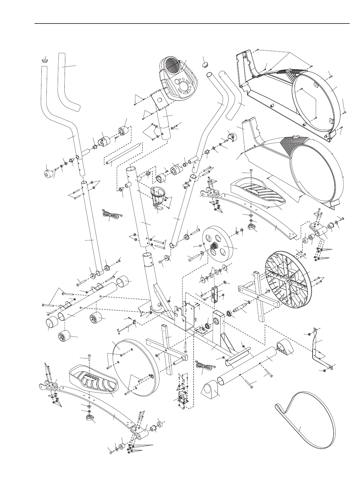
Note: # indicates a non-illustrated part. Specifications are subject to change without notice. 
1 1 Frame
21 Upright
3 1 Left Side Shield
41 Right Side Shield
5 2 Handlebar Leg
6 1 Left Handlebar
7 1 Pivot Axle
8 1 Right Handlebar
9 1 Rear Stabiliser
10 1 Front Stabiliser
11 2 Pedal Spring
12 1 Left Rear Spring Bracket
13 1 Left Pedal
14 1 Right Pedal
15 2 Pedal Disc
16 2 Disc Crossbar
17 1 Flywheel
18 1 Side Shield Bracket
19 1Drive Belt
20 2 Rear Endcap
21 2 Front Endcap
22 2 Wheel
23 1 Console
24 2 Handgrip
25 1 Idler Bracket
26 2 Idler Washer
27 2 Idler Bearing
28 1 Idler Axle
29 2 M3 x 12mm Screw
30 2Large Snap Ring
31 2 Large Bearing
32 1 Pedal Axle
33 9M10 Nylon Locknut
34 4 M10 x 75mm Carriage Bolt
35 2 Spring Bracket Washer
36 12 M6 x 33.5mm Flat Head Bolt
37 4 Pedal Arm Bushing
38 5 M8 Nylon Locknut
39 1 Flywheel Washer
40 2 M10 x 27mm Patch Screw
41 2 M10 x 45mm Bolt
42 4 M5 Washer
43 2 Wave Washer
44 1 Extension Wire Harness
45 1 Resistance Control Motor
46 2 Handlebar Cap
47 2 Handlebar Spacer
48 2 Upright Spacer
49 6 Small Handlebar Bushing 
50 4 M8 x 45mm Button Bolt
51 8 M6 x 28mm Screw
52 13 M4 x 16mm Screw
53 1 Reed Switch/Wire
54 1 Wire Clamp
55 2 Handlebar Washer
56 2 M8 x 25mm Patch Screw
57 1 M10 Flat Head Bolt
58 1 Magnet
59 7 M10 Split Washer
60 4 Large Handlebar Arm Bushing
61 2 5/16” x 25.4mm Hex Bolt
62 1 M10 x 60mm Screw
63 2 Spring Spacer
64 4M4 x 25mm Screw
65 1 Water Bottle Holder
66 14 M6 Nylon Locknut
67 3 M10 x 25mm Button Screw
68 1 M8 x 22mm Flat Head Bolt
69 1 Push Nut
70 1 Right Rear Spring Bracket
71 2 M5 x 16mm Self-tapping Screw
72 2 M5 x 16mm Screw
73 1 Upright Extension
74 2 M10 Bolt Set
75 12 M6 Washer
76 2 Front Spring Bracket
77 2 M6 x 18mm Screw
78 5M10 Washer
79 1 Wire Harness
80 2 M10 x 30mm Carriage Bolt
81 2Pedal Knob
82 2 M5 x 14mm Self-tapping Screw
83 2 M5 Nylon Locknut
84 2 M10 x 72mm Button Bolt
85 2 Handlebar Endcap
86 2 M4 x 19mm Screw
# 2 Hex Key
#1 Grease
# 1 User’s Manual
Key No. Qty. Description Key No. Qty. Description
PART LIST—Model No. PFEVEL48940 R0704A

23
61
30
32
31
30
31
24
8
4
3
50
5
38
44
45
6
46
5
60
17
2
10
33
14
12
35
18
19
1
33
13
37
11
51
51
51
15
51
51
34
9
33
33 20
20
16
61
54
52
53
26
38
28 25
68
27
69
62
55
56 38
50
48
47
49
24
56
55
57
39
33
58
22
41
21
33
41
21
22
37
33
34
81
59
80
81
59
80
60
60
60
23
52
52
64
52
77
52 77
64
37
37
49
48
47
49
49
46
11
16
52
35
70
75
66
36 40
63
40 75
66
63
36
67
59
59
67
73
36
66
75
36
66
75
76
76
71
74
74
74
74
26
78
79
15
66
66
72
42
78
78
82
82
83
85 85
29
29
43
7
86
52
52
43
65
49
49
84
33 59
59
78
78
EXPLODED DRAWING—Model No. PFEVEL48940 R0704A

Part No. 207837 R0704A Printed in China © 2004 ICON IP, Inc.
ORDERING REPLACEMENT PARTS
To order replacement parts, contact the ICON Health & Fitness, Ltd. office, or write: 
ICON Health & Fitness, Ltd.
Customer Service Department
Unit 4, Revie Road Industrial Estate
Revie Road
Beeston
Leeds, LS118JG
UK
Tel:
Outside the UK: (44) 113 387 7133
Fax: (44) 113 387 7125
To help us assist you, please be prepared to give the following information:
•  the MODEL NUMBER of the product (PFEVEL48940)
• the NAME of the product (PROFORM 595 HR elliptical exerciser)
• the SERIAL NUMBER of the product (see the front cover of this manual)
•  the KEY NUMBER and DESCRIPTION of the part(s) (see page 22)
08457 089 009