Proform Pfevel59831 605 Hr Elliptical Users Manual *PFEVEL59831 213581(UK)
Proform-Pfevel59831-Owner-S-Manual proform-pfevel59831-owner-s-manual
2015-04-14
: Proform Proform-Pfevel59831-605-Hr-Elliptical-Users-Manual-700414 proform-pfevel59831-605-hr-elliptical-users-manual-700414 proform pdf
Open the PDF directly: View PDF  .
.
Page Count: 24

CAUTION
Read all precautions and instruc-
tions in this manual before using
this equipment. Keep this manu-
al for future reference.
Model No. PFEVEL59831
Serial No. 
Serial
Number
Decal
www.iconeurope.com
Visit our website at
USER’S MANUAL
QUESTIONS?
As a manufacturer, we are com-
mitted to providing complete
customer satisfaction. If you have
questions, or if there are missing
or parts, please call:
Or write:
ICON Health & Fitness, Ltd.
Customer Service Department
Unit 4
Revie Road Industrial Estate
Revie Road
Beeston
Leeds, LS118JG
UK
email: csuk@iconeurope.com
08457 089 009
Class H Fitness Product

TABLE OF CONTENTS
IMPORTANT PRECAUTIONS  . . . . . . . . . . . . . . . . . . . . . . . . . . . . . . . . . . . . . . . . . . . . . . . . . . . . . . . . . . . . . . . .2
BEFORE YOU BEGIN  . . . . . . . . . . . . . . . . . . . . . . . . . . . . . . . . . . . . . . . . . . . . . . . . . . . . . . . . . . . . . . . . . . . . . .3
ASSEMBLY  . . . . . . . . . . . . . . . . . . . . . . . . . . . . . . . . . . . . . . . . . . . . . . . . . . . . . . . . . . . . . . . . . . . . . . . . . . . . . . .4
HOW TO OPERATE THE ELLIPTICAL CROSSTRAINER . . . . . . . . . . . . . . . . . . . . . . . . . . . . . . . . . . . . . . . . . . .8
MAINTENANCE AND TROUBLESHOOTING  . . . . . . . . . . . . . . . . . . . . . . . . . . . . . . . . . . . . . . . . . . . . . . . . . . .20
CONDITIONING GUIDELINES . . . . . . . . . . . . . . . . . . . . . . . . . . . . . . . . . . . . . . . . . . . . . . . . . . . . . . . . . . . . . . .21
PART LIST  . . . . . . . . . . . . . . . . . . . . . . . . . . . . . . . . . . . . . . . . . . . . . . . . . . . . . . . . . . . . . . . . . . . . . . . . . . . . . .22
EXPLODED DRAWING  . . . . . . . . . . . . . . . . . . . . . . . . . . . . . . . . . . . . . . . . . . . . . . . . . . . . . . . . . . . . . . . . . . . .23
ORDERING REPLACEMENT PARTS  . . . . . . . . . . . . . . . . . . . . . . . . . . . . . . . . . . . . . . . . . . . . . . . . . .Back Cover
2
IMPORTANT PRECAUTIONS
WARNING: To reduce the risk of serious injury, read the following important precau-
tions before using the elliptical crosstrainer.
1. Read all instructions in this manual before
using the elliptical crosstrainer. 
2. It is the responsibility of the owner to ensure
that all users of the elliptical crosstrainer
are adequately informed of all precautions.
3. Place the elliptical crosstrainer on a level
surface, with a mat beneath it to protect the
floor or carpet. Keep the elliptical crosstrain-
er indoors, away from moisture and dust. 
4. Inspect and properly tighten all parts regu-
larly. Replace any worn parts immediately.  
5. Keep children under 12 and pets away from
the elliptical crosstrainer at all times.
6. The elliptical crosstrainer should not be used
by persons weighing more than 114 kg (250
lbs).
7. Wear appropriate exercise clothes when
using the elliptical crosstrainer. Always wear
athletic shoes for foot protection.
8. Always hold the handgrip pulse sensor or the
handlebars when mounting, dismounting, or
using the elliptical crosstrainer.
9. The pulse sensor is not a medical device.
Various factors may affect the accuracy of
heart rate readings. The pulse sensor is
intended only as an exercise aid in determin-
ing heart rate trends in general.
10. Keep your back straight when using the ellip-
tical crosstrainer; do not arch your back.
11. If you feel pain or dizziness at any time
whilst exercising, stop immediately and
begin cooling down.
12. When you stop exercising, allow the pedals
to slowly come to a stop. 
13. The elliptical crosstrainer is intended for 
home use only. Do not use the elliptical
crosstrainer in a commercial, rental, or insti-
tutional setting.
WARNING: Before beginning this or any exercise program, consult your physician.
This is especially important for persons over the age of 35 or persons with pre-existing health prob-
lems. Read all instructions before using. ICON assumes no responsibility for personal injury or
property damage sustained by or through the use of this product. 

3
BEFORE YOU BEGIN
Congratulations for selecting the new PROFORM®605
HR. The PROFORM®605 HR is an incredibly smooth
exerciser that moves your feet in a natural elliptical
path, minimizing the impact on your knees and ankles.
And the unique PROFORM®605 HR features
adjustable resistance and a state-of-the-art console to
help you get the most from your exercise. Welcome to
a whole new world of natural, elliptical-motion exercise
from PROFORM. 
For your benefit, read this manual carefully before
you use the elliptical crosstrainer. If you have ques-
tions after reading this manual, please call our
Customer Service Department at 08457 089 009. To
help us assist you, please note the product model
number and serial number before calling. The model
number is PFEVEL59831. The serial number can be
found on a decal attached to the elliptical crosstrainer
(see the front cover of this manual for the location of
the decal).
Before reading further, please familiarise yourself with
the parts that are labelled in the drawing below.
Handgrip Pulse Sensor
Handlebar
FRONT
BACK 
LEFT SIDE
Pedal Spring
Pedal Disk
*No water bottle
is included
Wheel
Pedal 
Console
Bookrack
Water Bottle Holder*
Leveling Foot

4
ASSEMBLY
Assembly requires two persons. Place all parts of the elliptical crosstrainer in a cleared area and remove the
packing materials. Do not dispose of the packing materials until assembly is completed. Assembly requires the
included hex keys and your own a phillips screwdriver                      , adjustable spanner                     ,
and rubber mallet                        .
As you assemble the elliptical crosstrainer, use the drawings below to identify the small parts used in assembly.
The number in parenthesis below each drawing refers to the key number of the part, from the PART LIST on
page 22. The second number refers to the quantity used in assembly. Note: Some small parts may have been
pre-assembled for shipping. If a part is not in the parts bag, check to see if it has been pre-assembled.
M10 x 112mm Carriage Bolt (34)–4
Adjustment Bolt (20)–2
M10 x 90mm Button Screw (63)–1
M10 x 78mm Button Bolt (27)–2
M4 x 16mm
Screw (66)–2
M10 x 27mm
Screw (71)–3
M10
Washer (38)–6
M10 Split
Washer (70)–6
M10 Nylon
Locknut (29)–6
Frame Spacer (83)–1
M8 x 45mm Button Bolt (50)–4
M8 Nylon
Locknut (46)–4
Wave Washer
(95)–2
M8 x 25mm Patch
Screw (22)–2
M8.5
Washer (53)–2

5
1. Identify the Front Stabiliser (3), which has Wheels (32)
attached to it. Whilst another person lifts the front of
the Frame (1), attach the Front Stabiliser to the Frame
with two M10 x 112mm Carriage Bolts (34) and two
M10 Nylon Locknuts (29). Make sure that the Front
Stabiliser is turned so the Wheels are not touching
the floor.
3
29
32
32
34
1
1
2. Whilst another person lifts the back of the Frame (1),
attach the Rear Stabiliser (4) to the Frame with two
M10 x 112mm Carriage Bolts (34) and two M10 Nylon
Locknuts (29). 
34
4
1
3
2
86
87
1
63 83
70
3. Whilst another person holds the Upright (2) in the
position shown, connect the Upper Wire Harness (86)
to the Lower Wire Harness (87). Carefully pull the
upper end of the Upper Wire Harness to remove
any slack. Whilst holding the upper end of the
Upper Wire Harness, insert the Upright into the
Frame (1). Do not pinch the Wire Harnesses.
Slide an M10 Split Washer (70) and a Frame Spacer
(83) onto the M10 x 90mm Button Screw (63), and
insert the Button Screw into the Frame and the
Upright. Make sure that the concave end of the
Frame Spacer is turned toward the Frame. Do not
tighten the Button Screw yet.
4. Connect the wire harness on the Handgrip Pulse
Sensor (81) to the indicated wire harness on the
Console (5). Insert both wire harnesses into the open-
ing in the bottom of the Console.  
See the inset drawing. Insert the metal tube on the
Handgrip Pulse Sensor (81) into the metal bracket
inside the Console (5) as shown. Be careful not to
pinch the wire harnesses. Align the holes in the
metal tube with the holes in the metal bracket, and
tighten two M4 x 16mm Screws (66) into the indicated
holes.  81
5
Wire Harnesses
66
5
Bracket
81
4
2
29
29
Tube 66
Make sure the
Wire Harnesses
(86, 87) do not
get pinched and
damaged during
this step.

6
7. Hold the lower end of the left Handlebar Leg (79) inside
of the left Front Spring Bracket (17). Apply a generous
amount of grease to an M10 x 78mm Button Bolt (27).
Attach the left Handlebar Leg to the left Front Spring
Bracket (17) with the Button Bolt, two M10 Washers
(38), and an M10 Nylon Locknut (29). Do not over-
tighten the Nylon Locknut; the left Handlebar Leg
must be able to pivot freely.
Attach the right Handlebar Leg (79) to the right Front
Spring Bracket (17) in the same way.
17
17
27 38
38
29
Grease
5. The Console (5) requires four 1.5V “D” batteries; alka-
line batteries are recommended. See the inset draw-
ing. Press the tab on the battery cover, and and
remove it. Insert four batteries into the battery com-
partment. Make sure that the batteries are turned
as shown by the diagram in the battery compart-
ment. Reattach the battery cover.
Whilst another person holds the Console (5) in the
position shown, connect the wire harness on the
Console to the Upper Wire Harness (86). Insert the
excess wire harness into the Upright (2). Next, attach
the Console to the Upright with three M10 x 27mm
Button Screws (71) and three M10 Split Washers (70).
Be careful to avoid pinching the wire harnesses.
Snap the bookrack onto the Console (5).
5
Bookrack
86
71
71
6. Identify the Left Handlebar (9), which is marked with a
sticker. Insert the Left Handlebar into one of the
Handlebar Legs (79); make sure that the Handlebar
Leg is turned so the hexagonal holes are on the
indicated side. Attach the Left Handlebar to the
Handlebar Leg with two M8 x 45mm Button Bolts (50)
and two M8 Nylon Locknuts (46). Make sure that the
Nylon Locknuts are inside of the hexagonal holes.
Do not fully tighten the Button Bolts yet.
Apply a generous amount of the included grease to the
Pivot Axle (93) and to the two M8.5 Washers (53). Next,
insert the Pivot Axle into the Upright (2) and centre it.
Reapply grease to both ends of the Pivot Axle.
Slide a Handlebar Spacer (25) onto the short tube on the
Left Handlebar (9), and rotate the Handlebar Spacer so
the small arrow is pointing toward the floor. Next, slide
the Left Handlebar onto the left end of the Pivot Axle
(93). Finger tighten an M8 x 25mm Patch Screw (22)
with an M8.5 Washer (53) and a Wave Washer (94) into
the end of the Pivot Axle. Then, press the small tabs on
a Handlebar Cap (23) into the Handlebar Spacer.
Assemble the Right Handlebar (not shown) and the other
Handlebar Leg (not shown) in the same way. Then,
tighten both M8 x 25mm Patch Screws (22). 
6
7
2
Wire
Harness
70
70
71
93
25
2
9
23
22 53
50
46
Hexagonal
Holes
79
Arrow
95
79
79
5
Tab
Batteries
Battery
Cover
5
Grease

7
9. Make sure that all parts of the elliptical crosstrainer are properly tightened. Note: Some hardware may
be left over after assembly is completed. To protect the floor or carpet from damage, place a mat under the
elliptical crosstrainer.
8
20
15
38
70
14
13
8. Identify the Left Pedal (13). Attach the Left Pedal to the
left Pedal Spring (14) with an Adjustment Bolt (20), an
M10 Washer (38), an M10 Split Washer (70), and a
Pedal Knob (15) as shown. Note: The Left Pedal can
be attached in several positions using the five positions
in the Left Pedal and the three holes in the Pedal
Spring.
Attach the Right Pedal (not shown) in the same way.
Make sure that both Pedals are in the same hole and in
the same pedal position.
See step 6. Tighten the M8 x 45mm Button Bolts (50)
in the Handlebar Legs (79). See step 3. Tighten the
M10 x 90mm Button Screw (63).
INSTALLING THE RECEIVER FOR THE OPTIONAL CHEST PULSE SENSOR
If you purchase the optional chest pulse sensor (see page 19), follow the steps below to install the receiver and
the jumper wire included with the chest pulse sensor.
1. Remove the four indicated screws from the back of the
Console (5). Lift off the front of the Console. 
2. Plug the jumper wire (A) into the indicated jack on the
Console (5). Connect the other end of the jumper wire
to the wire on the receiver (B). Note: Any other wires
included with the chest pulse sensor can be discarded.
Next, peel the paper off the adhesive pad on the back
of the receiver (B). Orient the receiver as shown, and
press it onto the Console (5) in the indicated location. 
See step 1 above. Reattach the front of the Console (5)
with the four screws. Make sure that no wires are
pinched.
B
5
Jack
5Lift
Here
1
A
Cylinder
2
Short
Screws
Long
Screws

HOW TO ADJUST THE PEDALS
The motion of the
pedals is deter-
mined by their
position on the
pedal springs. To
adjust the pedals,
first remove the
pedal knob
beneath each
pedal. Slide each
pedal forward or
backward, and
reattach it using one of the five positions in the pedal
and one of the three holes in the pedal spring. Make
sure that both pedals are in the same position.
HOW TO EXERCISE ON THE ELLIPTICAL
CROSSTRAINER
To mount the elliptical crosstrainer, hold the handgrip
pulse sensor and step onto the pedal that is in the low-
est position. Then, step onto the other pedal. Push the
pedals until they begin to move with a continuous
motion. Note: The pedal disks can turn in either
direction. It is recommended that you move the
pedal disks in the direction shown by the arrow
below; however, for variety, you may turn the pedal
disks in the opposite direction. 
To dismount the elliptical crosstrainer, wait until the
pedals come to a complete stop. Note: The elliptical
crosstrainer does not have a free wheel; the ped-
als will continue to move until the flywheel stops.
When the pedals are stationary, step off the highest
pedal first. Then, step off the lowest pedal.
HOW TO USE THE HANDLEBARS 
The handlebars are
designed to add
upper-body exer-
cise to your work-
outs. Push and pull
the handlebars as
you exercise to
work your arms,
shoulders, and
back. 
To exercise only
your lower body,
hold the handgrip
pulse sensor as
you exercise.
8
HOW TO OPERATE THE ELLIPTICAL CROSSTRAINER
CAUTION: Before using the ellipti-
cal crosstrainer, read the following precau-
tions.
• Always hold the handgrip pulse sensor or the
handlebars when mounting, dismounting, or
using the elliptical crosstrainer. 
• When you stop exercising, allow the pedals to
slowly come to a stop.
• The pulse sensor is not a medical device.
Various factors may affect the accuracy of
heart rate readings. The pulse sensor is
intended only as an exercise aid in determin-
ing heart rate trends in general. 
Pedals
Pedal Disk
Handgrip
Pulse Sensor
Handlebars
Handgrip
Pulse
Sensor
Pedal
Knob Pedal
Spring
Pedal

9
FEATURES OF THE CONSOLE
The advanced console offers a selection of features
designed to make your workouts more enjoyable and
effective. When the manual mode of the console is
selected, the resistance of the elliptical crosstrainer
can be adjusted with a touch of a button. As you
pedal, the console will provide continuous exercise
feedback. You can even measure your heart rate using
the handgrip pulse sensor. Note: For information about
an optional chest pulse sensor, see page 19.
The console also offers six preset workout programs.
Each program automatically changes the pedalling
resistance and prompts you to increase or decrease
your pace as it guides you through an effective workout.
In addition, the console features two heart rate pro-
grams that change the pedalling resistance and
prompt you to vary your pace to keep your heart rate
near a target heart rate as you exercise. 
The console also features iFIT.com interactive technol-
ogy. Having iFIT.com interactive technology is like hav-
ing a personal trainer in your home. Using the included
audio cable, you can connect the elliptical crosstrainer
to your home stereo, portable stereo, computer, or
VCR and play special iFIT.com CD and video programs
(iFIT.com CDs and videocassettes are available sepa-
rately). iFIT.com CD and video programs automatically
control the resistance of the pedals and prompt you to
vary your pace as a personal trainer coaches you
through every step of your workout. High-energy music
provides added motivation. To purchase iFIT.com
CDs and videocassettes, visit our Web site at
www.iFIT.com.
With the elliptical crosstrainer connected to your com-
puter, you can also go to our Web site at www.iFIT.com
and access programs directly from the internet.
Explore www.iFIT.com for more information.
F
H
I
G
E
L
J
K
A B C D

10
CONSOLE DESCRIPTION
See the drawing on page 9. Note: If there is a thin
sheet of clear plastic on the console, remove it.
A. Exercise feedback display—This display features
seven modes that give you instant exercise feed-
back: your current speed, the elapsed time (or the
time remaining in a program), the resistance level,
the approximate number of calories you have
burned, the distance that you have pedalled, your
power output in watts, and your heart rate (when
you use the handgrip pulse sensor or the optional
chest pulse sensor). If the scan mode is selected,
the display will change from one mode to the next
every few seconds. Or, a single mode can be
selected for continuous display.
Note: The console can show speed and distance
in either miles or kilometres. To change the unit
of measurement, see HOW TO USE THE INFOR-
MATION MODE on page 19.
B. Increase and decrease arrows—During programs,
these arrows will prompt you to increase or
decrease your pace to match the target pace.
C. Manual mode/program indicator—When a program
is selected, the upper right corner of the display
will show a 1, 2, 3, 4, 5, 6, 7, or 8, depending on
which program is selected. When the iFIT.com
mode is selected, the upper right corner will show
the letters IF. When the manual mode is selected,
the upper right corner will be blank. 
D. Program profiles—These profiles show how the
resistance of the elliptical crosstrainer and the tar-
get pace will change during programs.
E. Warning—See page 2.
F. Feedback mode indicators—These indicators show
which feedback mode (scan, speed, time, resis-
tance level, calories, distance, watts, or heart rate)
is currently shown. Note: When the distance is
shown, the word Miles or the letters Kms will
appear; when your speed is shown, the letters
MPH or Km/H will appear; when your heart rate is
shown, the letters BPM will appear. 
G. Pace indicators—When the manual mode is select-
ed, only the left pace indicator will appear. This
indicator will show your pedalling pace. As you
increase or decrease your pace, the indicator will
increase or decrease in height. When a program is
selected, both pace indicators will appear. The left
indicator will show your actual pedalling pace, and
the right indicator will show a target pace. During
the program, the target pace will periodically
change; as the right indicator changes in height,
adjust your pace so that both indicators are at the
same height. Important: The target pace is a
goal
pace. Your actual pace may be slower
than the target pace, especially during the first
few months of your exercise program. Make
sure to exercise at a pace that is comfortable
for you. 
H. On/Reset button—When the console is off, pressing
this button will turn on the display. When the con-
sole is on, pressing this button will reset the dis-
play. This button is also used to select the unit of
measurement for speed and distance.
I. Mode button—This button is used to select the
feedback modes.  
J. + and – buttons—These buttons control the resis-
tance of the elliptical crosstrainer. There are ten
resistance levels; level 10 is the most challenging.
These buttons are also used to enter information
when a heart rate program is selected.
K. Program button—This button is used to select pro-
grams and the manual mode. 
L. iFIT.com button—This button is used to select the
iFIT.com mode. The indicator near the button will
light when the iFIT.com mode is selected.
To use the manual mode of the console, see page
11. To use a preset program, see page 12. To use a
heart rate program, see page 13. To use iFIT.com
CDs or videos, see page 17. To use a program
directly from our Web site, see page 18.

11
Turn on the console.
Note: The console requires four 1.5V “D” batteries
(see assembly step 5 on page 6). 
To turn on the console, press the On/Reset button
or begin pedalling.
Select the manual mode.
Each time the
console is
turned on, the
manual mode
will be selected.
If a program
has been
selected, select
the manual mode by pressing the Program button
repeatedly until the upper right corner of the dis-
play is blank. 
Begin pedalling and adjust the resistance of
the elliptical crosstrainer.
As you pedal, adjust the resistance of the ellipti-
cal crosstrainer as desired by pressing the + and
– buttons. There are ten resistance levels; level
10 is the most challenging. Note: After the but-
tons are pressed, it will take a few seconds for the
selected setting to be reached.
Follow your progress with the feedback modes
and the left pace indicator.
When the con-
sole is turned
on, the scan
mode will be
selected. As you
pedal, the dis-
play will show
your current
speed, the elapsed time, the current resistance
level, the approximate number of calories you
have burned, the distance that you have ped-
alled, and your power output in watts. In addition,
your heart rate will be shown when you use the
handgrip pulse sensor or the optional chest pulse
sensor. Note: Each time the resistance level
changes, the console will show the resistance
level for six seconds. When a program is select-
ed, the display will show the time
remaining
in
the program instead of the elapsed time. 
If desired, you can select a single feedback mode
for continuous display. Press the Mode button
repeatedly until only the MPH (or Km/H), Time,
Resist., Cals., Miles (or Kms), or Watts indicator
appears in the display. Make sure that the Scan
indicator does not appear.
In addition, the left pace indicator will appear in the
display. As you increase or decrease your pace,
the indicator will increase or decrease in height.
Measure your heart rate if desired.
Note: If you wear the optional chest pulse
sensor and hold the handgrip pulse sensor at
the same time, the console may not display
your heart rate accurately.
If there are thin
sheets of plas-
tic on the metal
contacts on the
handgrip pulse
sensor, peel off
the plastic. To
use the handgrip
pulse sensor,
place your hands on the metal contacts. Your
palms must be on the upper contacts and your
fingers must be touching the lower contacts.
Avoid moving your hands. When your pulse is
detected, the heart-shaped indicator in the dis-
play will flash each time your heart beats. After a
moment, two dashes (– –) will appear and then
your heart rate will be shown.  
For the most accurate heart rate reading, continue
to hold the handgrips for about 15 seconds. Note:
When you first hold the handgrips, the display will
show your heart rate continuously for 15 sec-
onds. The display will then show your heart rate
along with the other feedback modes.  
When you are finished exercising, the console
will automatically turn off.
If the pedals are not moved and the console but-
tons are not pressed for a few minutes, the con-
sole will automatically turn off to conserve
the batteries.
6
5
4
3
2
1
HOW TO USE THE MANUAL MODE
Metal
Contacts
This corner 
should be blank

12
Turn on the console.
See step 1 on page 11.
Select one of the six preset programs.
Each time the
console is turned
on, the manual
mode will be
selected. To
select a preset
program, press
the Program but-
ton repeatedly until the number 1, 2, 3, 4, 5, or 6
appears in the upper right corner of the display. 
The profiles numbered 1 through 6 on the right
side of the console show the resistance and pace
settings for the preset programs. 
Start the program.
To start the program, simply begin pedalling.
Each preset program consists of either twenty or
thirty, one-minute periods. One resistance setting
and one pace setting are programmed for each
period. (The same resistance setting and/or pace
setting may be programmed for consecutive peri-
ods.)
During the program, the resistance of the elliptical
crosstrainer will automatically change as shown
by the applicable profile on the console. Note: If
the current resistance level is too high or too low,
you can change the resistance level by pressing
the + or – button. However, when the current peri-
od of the program is completed, the resistance
level will automatically change if a different resis-
tance setting is programmed for the next period.
The target pace
settings for the
program will be
shown by the
right pace indica-
tor in the display.
(The left indicator
will show your
actual pedalling pace.) As the right indicator
changes in height during the program, adjust your
pace so that both indicators are at the same
height. If your pace is slower than the current tar-
get pace, the increase arrow will appear in the
display to prompt you to increase your pace; if
your pace is faster than the target pace, the
decrease arrow will appear. Important: The pace
settings for the program are intended only to
provide a goal. Your actual pace may be slow-
er than the pace settings, especially during
the first few months of your exercise program.
Make sure to pedal at a pace that is comfort-
able for you. 
During the program, the display will show the time
remaining in the program. When no time remains,
the program will be completed. If you continue
pedalling after the program is completed, the dis-
play will continue to show your exercise feedback.
Follow your progress with the feedback modes.
See step 4 on page 11.
Measure your heart rate if desired.
See step 5 on page 11.
When you are finished exercising, the console
will automatically turn off.
See step 6 on page 11.
6
5
4
3
2
1
HOW TO USE A PRESET PROGRAM
Increase Arrow

13
Heart rate program 7 is designed to keep your heart
rate between 65% and 85% of your 
maximum heart
rate
during your workout. (Your maximum heart rate is
estimated by subtracting your age from 220. For
example, if you are 25 years old, your maximum heart
rate is 195 beats per minute.) Heart rate program 8 is
designed to keep your heart rate near a target heart
rate that you choose. 
Follow the steps below to use a heart rate program. 
Turn on the console.
See step 1 on page 11.
Select one of the two heart rate programs.
Each time the
console is
turned on, the
manual mode
will be selected.
To select a heart
rate program,
press the
Program button repeatedly until the number 7 or 8
appears in the upper right corner of the display. 
The profiles numbered 7 and 8 on the right side
of the console show the resistance settings for
the heart rate programs. 
Enter your age or a target heart rate.
If you selected program 7, the word AGE and
the current age setting will flash in the display
(see the drawing above). Press the + or – button
repeatedly to enter your age. Once you have
entered your age, your age will be saved in mem-
ory until the batteries are replaced.
If you selected
program 8, the
letters PLS and
a target heart
rate setting of
70 beats per
minute will flash
in the display.
Press the + or – button repeatedly to change the
target heart rate setting, if desired. The target
heart rate setting can be from 70 to 170 beats per
minute. 
Hold the handgrip pulse sensor or put on the
optional chest pulse sensor.
To use a heart rate program, you must use the
handgrip pulse sensor or wear the optional chest
pulse sensor. If you use the handgrip pulse sen-
sor, it is not necessary to hold the handgrips con-
tinuously during the program. However, you should
hold the handgrips frequently for the program to
operate properly. Each time you hold the hand-
grips, keep your hands on the metal contacts
for at least 30 seconds. Note: When you are not
holding the handgrips, the letters PLS will appear
in the display instead of your heart rate.
Start the program.
To start the program, simply begin pedalling.
Program 7 consists of twenty, one-minute peri-
ods. One resistance setting and one heart rate
setting are programmed for each period. (The
same resistance setting and/or heart rate setting
may be programmed for consecutive periods.)
Program 8 is sixty minutes long (you may choose
to use only part of the program). The same resis-
tance setting and target heart rate setting are pro-
grammed for the entire program.  
If program 7 is selected, the resistance of the
elliptical crosstrainer will automatically change as
shown by profile 7 on the console. (Note: If the
current resistance level is too high or too low, you
can adjust the resistance level by pressing the +
or – button. However, when the current period of
the program is completed, the resistance level will
automatically change if a different resistance set-
ting is programmed for the next period.) If pro-
gram 8 is selected, the resistance setting will not
change unless the target heart rate setting is
changed. Pressing the + and – buttons will
change the target heart rate setting.   
As you pedal, the
pace indicators
will help you to
keep your heart
rate near the tar-
get current heart
rate. The left
indicator will
show your actual pedalling pace. The right indica-
tor will show a target pace. When you hold the
handgrip pulse sensor or wear the optional chest
pulse sensor, the console will compare your heart
rate to the current target heart rate. If necessary,
the right indicator will then change in height to  
5
4
3
2
1
HOW TO USE A HEART RATE PROGRAM

prompt you to increase or decrease your pace to
bring your heart rate closer to the target heart
rate. When the right indicator changes in height,
increase or decrease your pace so that both indi-
cators are at the same height. If your pace is
slower than the current target pace, the increase
arrow will appear in the display; if your pace is
faster than the target pace, the decrease arrow
will appear. Important: The target pace is
intended only to provide a goal. Your actual
pace may be slower than the target pace,
especially during the first few months of your
exercise program. Make sure to pedal at a
pace that is comfortable for you.
If you continue pedalling after the program is
completed, the display will continue to show your
exercise feedback.
Follow your progress with the feedback modes.
See step 4 on page 11.
When you are finished exercising, the console
will automatically turn off.
See step 6 on page 11.
To use iFIT.com CDs, the elliptical crosstrainer must
be connected to your portable CD player, portable
stereo, home stereo, or computer with CD player. See
pages 14 to 16 for connecting instructions. To use
iFIT.com videocassettes, the elliptical crosstrainer
must be connected to your VCR. See page 16 for con-
necting instructions. To use iFIT.com programs
directly from our Web site, the elliptical crosstrainer
must be connected to your home computer. See page
16 for connecting instructions.
HOW TO CONNECT YOUR PORTABLE CD PLAYER
Note: If your CD player has separate LINE OUT and
PHONES jacks, see instruction A below. If your CD
player has only one jack, see instruction B.
A. Plug one end of the audio cable into the jack
beneath the console. Plug the other end of the
audio cable into the LINE OUT jack on your CD
player. Plug your headphones into the PHONES
jack. 
B. Plug one end of the audio cable into the jack
beneath the console. Plug the other end of the
audio cable into the splitter. Plug the splitter into the
PHONES jack on your CD player. Plug your head-
phones into the other side of the splitter. 
7
6
14
LINE OUT
PHONES LINE OUT
PHONES
Audio
Cable
Head-
phones
A
PHONES
PHONES
Audio
Cable Splitter
Headphones
B
HOW TO CONNECT YOUR CD PLAYER, VCR,
OR COMPUTER 

15
HOW TO CONNECT YOUR PORTABLE STEREO
Note: If your stereo has an RCA-type AUDIO OUT
jack, see instruction A below. If your stereo has a
3.5mm LINE OUT jack, see instruction B. If your
stereo has only a PHONES jack, see instruction C.
A. Plug one end of the audio cable into the jack
beneath the console. Plug the other end of the
audio cable into the adapter. Plug the adapter into
an AUDIO OUT jack on your stereo.
B. See the drawing above. Plug one end of the audio
cable into the jack beneath the console. Plug the
other end of the audio cable into the LINE OUT
jack on your stereo. Do not use the adaptor.   
C. Plug one end of the audio cable into the jack
beneath the console. Plug the other end of the
audio cable into the splitter. Plug the splitter into the
PHONES jack on your stereo. Plug your head-
phones into the other side of the splitter. 
HOW TO CONNECT YOUR HOME STEREO
Note: If your stereo has an unused LINE OUT jack,
see instruction A below. If the LINE OUT jack is
being used, see instruction B.
A. Plug one end of the audio cable into the jack
beneath the console. Plug the other end of the
audio cable into the adapter. Plug the adapter into
the LINE OUT jack on your stereo. 
B. Plug one end of the audio cable into the jack
beneath the console. Plug the other end of the
audio cable into the adapter. Plug the adapter into
an RCA Y-adapter (available at electronics stores).
Next, remove the wire that is currently plugged into
the LINE OUT jack on your stereo and plug the
wire into the unused side of the Y-adapter. Plug the
Y-adapter into the LINE OUT jack on your stereo. 
AUDIO OUT
RIGHT
LEFT
Audio
Cable Adapter
A, B
PHONES
Audio
Cable
C
Splitter
Headphones
CD
VCR
Amp
LINE OUT
LINE OUT
Audio
Cable
A
CD
VCR
Amp
LINE OUT
Audio Cable
RCA Y-adaptor
Adapter
Wire removed from
LINE OUT jack
B
Adapter

16
HOW TO CONNECT YOUR COMPUTER
Note: If your computer has a 3.5mm LINE OUT jack,
see instruction A. If your computer has only a
PHONES jack, see instruction B.
A. Plug one end of the audio cable into the jack
beneath the console. Plug the other end of the
audio cable into the LINE OUT jack on your com-
puter.
B. Plug one end of the audio cable into the jack
beneath the console. Plug the other end of the
audio cable into the splitter. Plug the splitter into the
PHONES jack on your computer. Plug your head-
phones or speakers into the other side of the splitter.
HOW TO CONNECT YOUR VCR
Note: If your VCR has an unused AUDIO OUT jack,
see instruction A below. If the AUDIO OUT jack is
being used, see instruction B. If you have a TV
with a built-in VCR, see instruction B. If your VCR
is connected to your home stereo, see HOW TO
CONNECT YOUR HOME STEREO on page 15.
A. Plug one end of the audio cable into the jack
beneath the console. Plug the other end of the
audio cable into the adapter. Plug the adapter into
the AUDIO OUT jack on your VCR. 
B. Plug one end of the audio cable into the jack
beneath the console. Plug the other end of the
audio cable into the adapter. Plug the adapter into
an RCA Y-adaptor (available at electronics stores).
Next, remove the wire that is currently plugged into
the AUDIO OUT jack on your VCR and plug the
wire into the unused side of the Y-adaptor. Plug the
Y-adaptor into the AUDIO OUT jack on your VCR. 
LINE OUT
Audio
Cable
A
PHONES
Audio
Cable
B
Splitter
Headphones/Speakers
AUDIO OUT
RIGHT
LEFT
VIDEO  AUDIO
ANT. IN
RF OUT
IN
OUT
CH
34
Audio Cable
Adapter
A
VIDEO  AUDIO
ANT. IN
RF OUT
IN
OUT
CH
34
Audio Cable Adapter
B
Wire removed from
AUDIO OUT jack
RCA
Y-adaptor

17
To use iFIT.com CDs or videocassettes, the elliptical
crosstrainer must be connected to your portable CD
player, portable stereo, home stereo, computer with
CD player, or VCR. See HOW TO CONNECT YOUR
CD PLAYER, VCR, OR COMPUTER on page 14.
Note: To purchase iFIT.com CDs and videocas-
settes, visit our Web site at www.iFIT.com.
Follow the steps below to use an iFIT.com CD or
video program.
Turn on the console.
See step 1 on page 11.
Select the iFIT.com mode.
Each time the
console is
turned on, the
manual mode
will be selected.
To select the
iFIT.com mode,
press the
iFIT.com button. The indicator near the button will
light and the letters IF will appear in the upper
right corner of the display.  
Insert the iFIT.com CD or videocassette.
If you are using an iFIT.com CD, insert the CD
into your CD player. If you are using an iFIT.com
videocassette, insert the videocassette into your
VCR.
Press the play button on your CD player or
VCR.
A moment after the play button is pressed, your
personal trainer will begin guiding you through
your workout. Simply follow your personal trainer’s
instructions.
The program will function in almost the same way
as a preset program (see step 3 on page 12).
However, an electronic “chirping” sound will alert
you when the resistance setting and/or pace set-
ting is about to change.
Note: If the resistance of the elliptical
crosstrainer and/or the pace setting does not
change when a “chirp” is heard:
• Make sure that the indicator near the iFIT.com
button is lit.
• Adjust the volume of your CD player or VCR.
If the volume is too high or too low, the con-
sole may not detect the program signals.
• Make sure that the audio cable is properly
connected and that it is fully plugged in.
Follow your progress with the feedback modes.
See step 4 on page 11.
Measure your heart rate if desired.
See step 5 on page 11.
When you are finished exercising, the console
will automatically turn off.
See step 6 on page 11.
7
6
5
4
3
2
1
HOW TO USE IFIT.COM CD AND VIDEO
PROGRAMS

Our Web site at www.iFIT.com allows you to play
iFIT.com audio and video programs directly from the
internet. To use programs from our Web site, the ellip-
tical crosstrainer must be connected to your home
computer. See HOW TO CONNECT YOUR COMPUT-
ER on page 16. In addition, you must have an internet
connection and an internet service provider. A list of
specific system requirements will be found on our Web
site.
Follow the steps below to use a program from our 
Web site. 
Turn on the console.
See step 1 on page 11.
Select the iFIT.com mode.
Each time the
console is
turned on, the
manual mode
will be selected.
To select the
iFIT.com mode,
press the
iFIT.com button. The indicator near the button will
light and the letters IF will appear in the upper
right corner of the display.  
Go to your computer and start an internet
connection.
Start your Web browser, if necessary, and go
to our Web site at www.iFIT.com.
Follow the desired links on our Web site to
select a program.
Follow the on-line instructions to start the
program.
When you start the program, an on-screen count-
down will begin. 
Return to the elliptical crosstrainer and begin
pedalling.
When the on-screen countdown ends, the pro-
gram will begin. The program will function in
almost the same way as a preset program (see
step 3 on page 12). However, an electronic “chirp-
ing” sound will alert you when the resistance
and/or the pace setting is about to change.
Follow your progress with the feedback modes.
See step 4 on page 11.
Measure your heart rate if desired.
See step 5 on page 11.
When you are finished exercising, the console
will automatically turn off.
See step 6 on page 11.
10
9
8
7
6
5
4
3
2
1
HOW TO USE PROGRAMS DIRECTLY FROM
OUR WEB SITE
18

The console features an information mode that keeps
track of the total number of hours that the elliptical
crosstrainer has been used and the total number of
miles (or kilometres) pedalled. The information mode
also allows you to select miles or kilometres as the
unit of measurement for speed and distance.
To access the information mode, press and hold the
On/Reset button for about six seconds.
When the informa-
tion mode is select-
ed, an E for English
miles or an M for
metric kilometres will
appear in the dis-
play. To change the
unit of measure-
ment, press the + button.
Press the Mode but-
ton. The display will
then show the total
number of hours that
the elliptical
crosstrainer has
been used.
Press the Mode but-
ton again. The display
will then show the
total number of miles
(or kilometres) ped-
alled.
To exit the information mode, press the On/Reset but-
ton again.
THE OPTIONAL CHEST PULSE SENSOR
The optional chest
pulse sensor provides
hands-free operation
and continuously
monitors your heart
rate during your work-
outs. To purchase
the optional chest
pulse sensor, call
08457 089 009.
19
HOW TO USE THE INFORMATION MODE

20
Inspect and tighten all parts of the elliptical crosstrainer
regularly. Replace any worn parts immediately. 
To clean the elliptical crosstrainer, use a damp cloth
and a small amount of mild detergent. Important: To
avoid damage to the console, keep liquids away
from the console and keep the console out of
direct sunlight.
BATTERY REPLACEMENT
If the console display becomes dim, the batteries
should be replaced; most console problems are the
result of low batteries. See assembly step 5 on page
6 for replacement instructions.  
HOW TO LEVEL THE ELLIPTICAL CROSSTRAINER
After the elliptical
crosstrainer has
been moved to
the location
where it will be
used, make sure
that the ends of
both stabilisers
are touching the
floor. If the ellipti-
cal crosstrainer
rocks slightly during use, turn one or both of the level-
ing feet under the front stabiliser until the rocking
motion is eliminated. 
HANDGRIP PULSE SENSOR TROUBLESHOOTING
• Avoid moving your hands whilst using the handgrip
pulse sensor. Excessive movement may interfere
with heart rate readings. Do not hold the metal con-
tacts too tightly; doing so may interfere with heart
rate readings.
• For the most accurate heart rate reading, hold the
metal contacts for about 15 seconds.
• For optimal performance of the handgrip pulse sen-
sor, keep the metal contacts clean. The contacts
can be cleaned with a soft cloth—never use alcohol, 
abrasives, or chemicals. 
HOW TO MOVE THE ELLIPTICAL CROSSTRAINER
Stand in front of
the elliptical
crosstrainer, hold
the handlebars
firmly, and tip the
elliptical cross-
trainer until it
can be moved
on the front
wheels. Carefully
move the ellipti-
cal crosstrainer to the desired location and then lower
it. Due to the size and weight of the elliptical
crosstrainer, use extreme caution whilst moving it.
MAINTENANCE AND TROUBLESHOOTING 
Wheel
Leveling Foot

21
CONDITIONING GUIDELINES
The following guidelines will help you to plan your
exercise program. Remember that proper nutrition
and adequate rest are essential for successful results. 
EXERCISE INTENSITY
Whether your goal is to burn fat or to strengthen your
cardiovascular system, the key to achieving the
desired results is to exercise with the proper intensity.
The proper intensity level can be found by using your
heart rate as a guide. The chart below shows recom-
mended heart rates for fat burning, maximum fat
burning, and cardiovascular (aerobic) exercise.
To find the proper heart rate for you, first find your age
on the bottom line of the chart (ages are rounded off
to the nearest ten years). Next, find the three numbers
above your age. The three numbers are your “training
zone.” The lower two numbers are recommended
heart rates for fat burning; the highest number is the
recommended heart rate for aerobic exercise.
Fat Burning
To burn fat effectively, you must exercise at a relative-
ly low intensity level for a sustained period of time.
During the first few minutes of exercise, your body
uses easily accessible 
carbohydrate 
calories for ener-
gy. Only after the first few minutes of exercise does
your body begin to use stored 
fat 
calories for energy.
If your goal is to burn fat, adjust the intensity of your
exercise until your heart rate is near the lowest num-
ber in your training zone as you exercise. 
For maximum fat burning, adjust the intensity of your
exercise until your heart rate is near the middle num-
ber in your training zone as you exercise.  
Aerobic Exercise
If your goal is to strengthen your cardiovascular sys-
tem, your exercise must be “aerobic.” Aerobic exer-
cise is activity that requires large amounts of oxygen
for prolonged periods of time. This increases the
demand on the heart to pump blood to the muscles,
and on the lungs to oxygenate the blood. For aerobic
exercise, adjust the intensity of your exercise until
your heart rate is near the highest number in your
training zone as you exercise. 
WORKOUT GUIDELINES
Each workout should include the following three parts:
A warm-up, consisting of 5 to 10 minutes of stretching
and light exercise. A proper warm-up increases your
body temperature, heart rate, and circulation in prepa-
ration for exercise. 
Training zone exercise, consisting of 20 to 30 min-
utes of exercising with your heart rate in your training
zone. (During the first few weeks of your exercise 
program, do not keep your heart rate in your training
zone for longer than 20 minutes.)  
A cool-down, with 5 to 10 minutes of stretching. This
will increase the flexibility of your muscles and will
help to prevent post-exercise problems.
EXERCISE FREQUENCY
To maintain or improve your condition, complete three
workouts each week, with at least one day of rest
between workouts. After a few months of regular exer-
cise, you may complete up to five workouts each week
if desired. The key to success is to make exercise a
regular and enjoyable part of your everyday life.
WARNING:
• Before beginning this or any exercise pro-
gram, consult your physician. This is espe-
cially important for persons over the age of
35 or persons with pre-existing health prob-
lems.
• The pulse sensor is not a medical device.
Various factors may affect the accuracy of
heart rate readings. The pulse sensor is
intended only as an exercise aid in deter-
mining heart rate trends in general.

22
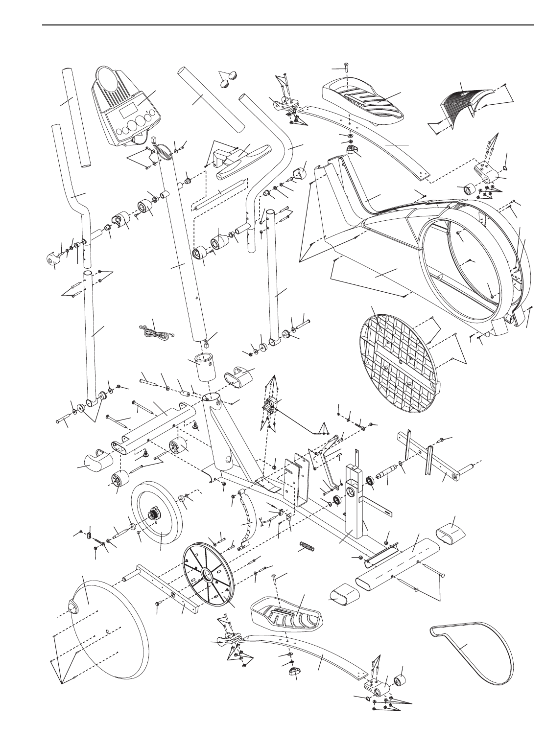
Note: # indicates a non-illustrated part. Specifications are subject to change without notice. 
1 1 Frame
2 1 Upright
3 1 Front Stabiliser
4 1 Rear Stabiliser
5 1 Console
6 1 Left Side Shield
7 1 Right Side Shield
8 2 Pedal Disc
9 1 Left Handlebar
10 1 Right Handlebar
11 2 Foam Grip
12 1 Right Pedal
13 1 Left Pedal
14 2 Pedal Spring
15 2 Pedal Knob
16 1 Left Spring Bracket
17 2 Front Spring Bracket
18 2 Handlebar Endcap
19 12 M6 x 33mm Flat Head Bolt
20 2 Adjustment Bolt
21 4 Snap Ring
22 2 M8 x 25mm Patch Screw
23 2 Handlebar Cap
24 6 Handlebar Bushing
25 2 Handlebar Spacer
26 2 Upright Spacer
27 2 M10 x 78mm Button Bolt
28 4 Front Spring Bushing
29 6 M10 Nylon Locknut
30 1 Upright Bushing
31 1 Left Front Endcap
32 2 Wheel
33 2 M6 x 72mm Button Screw
34 4 M10 x 112mm Carriage Bolt
35 2 Rear Stabiliser Endcap
36 1 Left Crank Arm
37 1 Pulley
38 6 M10 Washer
39 1 Crank
40 2 Crank Bearing
41 1 Flywheel
42 2 Flywheel Bearing
43 1 Magnet
44 1 Flywheel Axle
45 3 M8.5mm Small Washer
46 7 M8 Nylon Locknut
47 2 Crank Screw
48 1 Right Crank Arm
49 1 M6 x 25mm Bolt
50 4 M8 x 45mm Button Bolt
51 4 M6 x 18mm Button Bolt
52 1 “C” Magnet Bracket
53 2 M8.5 Washer
54 1 “C” Magnet
55 1 Motor
56 1 Belt
57 2 M8 x 33mm Button Screw
58 12 M6 Washer
59 16 M6 Nylon Locknut
60 4 M6 Nut
61 4 M5 Nylon Locknut
62 4 M5 x 12mm Bolt
63 1 M10 x 90mm Button Screw
64 2 M4 x 6mm Screw
65 8 M5 x 33mm Screw
66 3 M4 x 16mm Screw
67 4 M4 x 25mm Screw
68 1 Right Front Endcap
69 1 Reed Switch Clamp
70 6 M10 Split Washer
71 3 M10 x 27mm Button Screw
72 2 Adjustment Foot
73 1 M5 x 16mm Screw
74 1 4.5mm Spacer
75 2 M6 Eyebolt
76 1 Spring
77 1 Reed Switch
78 1 Reed Switch Bracket
79 2 Handlebar Leg
80 1 Side Shield Cover
81 1 Handgrip Pulse Sensor
82 1 Right Spring Bracket
83 1 Frame Spacer
84 4 M4 x 12mm Tap Screw
85 1 Tension Cable Assembly 
86 1 Upper Wire Harness
87 1 Lower Wire Harness
88 2 Spring Bracket Spacer
89 2 M8 x 22mm Button Screw
90 1 “U” Bracket
91 8 M4 x 19mm Screw
92 1 M6 Large Washer
93 1 Pivot Axle
94 2 M3 x 12mm Screw
95 2 Wave Washer
# 1 Audio Wire
# 1 Adapter
# 1 Splitter
# 1 Battery Cover
# 1 Hex Key
# 1 Grease
# 1 User’s Manual
Key No. Qty. Description Key No. Qty. Description
PART LIST—Model No. PFEVEL59831 R0704A

EXPLODED DRAWING—Model No. PFEVEL59831 R0704A
23
1
2
3
4
5
6
7
8
8
9
10
11
11
12
13
14
14
15
15
82
16
17
17
21
19
19 20
19
21
20
19
22
23
24
24
25
26
22
23 24
24 25
26
27
28
28
29
27 28
29
30
31
68
32
32
33
34
35
35 34
29
29
29
29
48
36 37
21
39
40
40
21
41
42
42
43
44
46
45
47
47
46
54
55
56
57
57
45
45
61
61
62
63
64
64
65
65
65
91
67
91
85
38
38
38
38 70
91
67
90
78
69
66
77
73
76
72
72
71 70
70 71 81
80
84
84
66
83
86
87
38
38
53
53
59
58
58
59
59 58
58 59
50
46
50
46
46
88
88
79
79
60
75
46
75
60
49
60 60
51
51
59 52
92
74
51
51
59
89
89
91
91
59
91
18
24
95 94
94
93
95
70
70
24

Part No. 213581 R0704A Printed in China © 2004 ICON IP, Inc.
PROFORM is a registered trademark of ICON IP, Inc.
ORDERING REPLACEMENT PARTS
To order replacement parts, contact the ICON Health & Fitness, Ltd. office, or write: 
ICON Health & Fitness, Ltd.
Customer Service Department
Unit 4, Revie Road Industrial Estate
Revie Road
Beeston
Leeds, LS118JG
UK
Tel:
Outside the UK: 0 (044) 113 387 7133
Fax: 0 (044) 113 387 7125
To help us assist you, please be prepared to give the following information:
•  the MODEL NUMBER of the product (PFEVEL59831)
• the NAME of the product (PROFORM 605 HR elliptical crosstrainer)
• the SERIAL NUMBER of the product (see the front cover of this manual)
•  the KEY NUMBER and DESCRIPTION of the part(s) (see page 22)
08457 089 009